High Voltage for Ship
   Generation, Conversion ,
Transformation and Distribution
Marine Electrical System
• Maritime electric systems include power generation, distribution and
   control, and consumption of electric power on supply- service- and fishing
   vessels as well as offshore installations.
• Electric propulsion has increased especially for vessels with several large
power consumers, for example cruise ships, floating production systems,
supply- and service vessels.
• Maritime electric systems are autonomous power systems. The prime
   movers, including diesel engines, gas- and steam turbines, are integral parts
   of the systems.
• The power consumers are large compared with the total capacity of the
   system, as for example thruster and propulsion systems for DP operated
   vessels, drilling systems, HVAC systems on board ship
Marine Electrical System
• The overall power train efficiency with DEP is around 87-
  90%. Use of permanent magnets in electric generators and
  motors as well as general advances in semiconductor
  technology may improve this figure to around 92-95% in the
  near future. Electrical transmission will consist of three basic
  energy conversions:
• From (rotating) mechanical energy into electrical energy: E-
  generator
• From electrical energy into (rotating) mechanical energy: E-
  motor
• Some form of fixed or controlled electrical conversion in
  between: power converter
Systematic overview of existing types
E-generator

•   Mechanical ==> Electrical: E-Generators
•         - DC Generators
•         - AC Generators

E-Motors

•   Electrical ==> Mechanical: E-motors
•            - Driving motors
•         - Synchronous Motor
•            - Positioning motors

Power converters
Electrical ==> Electrical: power conversion or transformation
•            - Fixed transformers
•            - Controlled converters
•            - Static converters
•            -Inverter
Structure of a combined power plant
              for ships
Electric Propulsion System (AES)
• Electric propulsion of ships has been know for a long time to human
• Dynamic changes in human discovery has given several up and down in
  history
• Recent time have seen a a lot of Passenger ships being built with all
  electric system for various advantage that over the conventional prime
  movers
• Early large passenger vessels employed the turboelectric system which
  involves the use of variable speed, and therefore variable frequency, turbo-
  generator sets for the supply of electric power to the propulsion motors
  directly coupled to the propeller shafts. Where, the generator/motor system
  was acting as a speed reducing transmission system.
• Electric power for auxiliary ship services required the use of separate
  constant frequency generator sets. System with generating sets to provide
  power to both the propulsion system and ship ancillary services.
• However fixed voltage and frequency system are suitable to satisfy the
  requirements of the ship service loads.
Marine Electrical System
Electric Propulsion System (AES)
•   Other complication associated with earlier systems is difficulties in using multiple
    motor per shaft when required propulsion power was beyond the capacity of a single
    d.c. motor .
•   Developments in high power static converter equipment have – presented a very
    convenient means of providing variable speed a.c. and d.c. drives at the largest
    ratings likely to be required in a marine propulsion system.
•   The electric propulsion of ships requires electric motors to drive the propellers and
    generator sets to supply the electric power. It may seem rather illogical to use electric
    generators, switchgear and motors between the prime-movers (e.g. diesel engines) and
    propeller when a gearbox or length of shaft could be all that is required.
•   In the light of the above, hybrid of gas turbine or Diesel with electric couple with dual
    fuelling that include natural gas, is explorable option for existing vessels, all electric
    ship using natural gas is also a good option.
•   Currently there is interesting development for new ship need exploration on
    technologies to improve integrated full electric propulsion with advanced power
    management systems:
•   Improved converter and power electronics technology
•    Improved generators and motors
Electric Propulsion System (AES)
• The AES give widespread electrification of auxiliaries and the opportunity
  to use upgradeable and flexible layouts. It will include a low risk, cost
  effective and comprehensive Platform Management System that has a
  standardized Human-Computer Interface supportable for its entire service
  life and the goal to be an Environmentally Sound Ship.
• The fit into the goals of the Environmentally Sound Ship where : freedom
  of operation in MARPOL special and restricted areas; unrestricted littoral
  operations; port independence; minimum onboard storage of waste and
  reduced manpower whilst reducing cost of ownership and port reception
  costs.
• the also promise potential for replacing the current traditional systems used
  in steering gear, fin stabilizers with compact, power-dense actuators.
• They also offer potentials for possible use of electric valve actuators that
  will simplify system architectures systematic integration of upper deck to
  machinery.
Power generation
• A 2001 study concluded that fitting a Navy cruiser with more energy-
  efficient electrical equipment could reduce the ship’s fuel use by 10% to
  25%.
• Ship fuel use could be reduced by shifting to advanced turbine designs such
  as an intercooled recuperated (ICR) turbine. Shifting to integrated electric-
  drive propulsion can reduce a ship’s fuel use by 10% to 25%.
• There is Potential alternative hydrocarbon fuels Like biodiesel and liquid
  hydrocarbon fuels made from coal
• Recent time has seen firms offering kite-assist systems to commercial ship
  operators.
• Solar power might offer some potential for augmenting other forms of
  shipboard power.
• Talking about the question now the electric propulsion , especially with
  hybrid system offer the best answer to problem of energy
Power generation
•   Integrated electric-drive system derived from a commercially available system that
    has been installed on ships such as cruise ships requires a technology that is more
    torque-dense (i.e., more power-dense) .
•   Candidates for a more torque-dense technology include a permanent magnet motor
    (PMM) and a high-temperature superconducting (HTS) synchronous motor.
•   In addition, electric drive makes possible the use of new propeller/stern
    configurations, such as a podded propulsion ... that can reduce ship fuel
    consumption further due to their improved hydrodynamic efficiency
•   Podded drives offer greater propulsion efficiency and increased space within the
    hull by moving the propulsion motor outside the ships hull and placing it in a pod
    suspended underneath the hull.
•    Podded drives are also capable of azimuth improving ship maneuverability. Indeed,
    podded drives have been widely adopted by the cruise ship community for these
    reasons.
•   The motors being manufactured now are as large as 19.5 MW, and could provide
    the total propulsion power.
Azipod drive unit
Comparison of propulsion plants
         efficiency
Weight of propulsion systems
Prime movers
Gas Turbines
• Gas turbine have been selected as the future prime mover primarily because
  of their high power to weight ratio.
• 4. Weight sensitive ship designs favor gas turbines and projected light
  weight fuel cell power plants such as PEM.
• They also provide significant reduction in the amount of routine
  maintenance required when compared with diesel generators.
• The other significant factor is the low emissions.

 Diesel engine
• Diesel engines offer fuel costs savings of 50% if heavy fuels can be used,
   and if emissions can be maintained at acceptable levels.
• Maintenance may include engine modifications such as dual fuel capability
   for in-port use, water injection, and timing retard, and exhaust treatment
   such as selected catalytic reduction and oxidation catalysts.
• Heavy fuel use also requires careful selection of cylinder material and lube
   oil
Turbina
• A gas turbine, also called a combustion turbine, is a rotary engine that
  extracts energy from a flow of hot gas produced by combustion of gas or
  fuel oil in a stream of compressed air.
• It has an upstream air compressor radial or axial flow mechanically coupled
  to a downstream turbine and a combustion chamber in between.
• Energy is released when compressed air is mixed with fuel and ignited in
  the combustor.
• The resulting gases are directed over the turbine's blades, spinning the
  turbine, and, mechanically, powering the compressor.
• Finally, the gases are passed through a nozzle, generating additional thrust
  by accelerating the hot exhaust gases by expansion back to atmospheric
  pressure.

• A steam turbine is a mechanical device that extracts thermal energy from
  pressurized steam, and converts it into useful mechanical work.
Gas Turbine
Steam engine
COGAG
  •   Combined gas turbine and gas
      turbine (COGAG) is propulsion
      system for ships using two gas
      turbines connected to a single
      propeller shaft.
  •    A gearbox and clutches allow either
      of the turbines to drive the shaft or
      both of them combined.
  •   Using one or two gas turbines has the
      advantage of having two different
      power settings.
  •   Since the fuel efficiency of a gas
      turbine is best near its maximum
      power level, a small gas turbine
      running at its full speed is more
      efficient compared to a twice as
      powerful turbine running at half
      speed, allowing more economic
      transit at cruise speeds.
Diesel engine
Prime movers
Electric drive
• Electric drive transmissions have a higher specific fuel consumption, specific
   weight and volume than mechanical drive systems, but has advantages in
   arrangement which may compensate for these disadvantages.
• Advanced technology motors can be located very close to and on line with the
   propulsors, at the extreme aft end of the ship, or in external pods.
• Electrical generator sets can be optimally spaced around the ship and electrically
   connected. In the longer term, combined with fuel cells, SFC, specific weight and
   volume are comparable with gas turbine and diesel prime movers for direct drive
   systems.
Zone Concept :
• The concept of dividing future classes of ship into zones to maximize survivability
   also extends to the power system.
• Each zone would be autonomous and include ventilation systems, cooling systems,
   power distribution and other services which could be affected by damage to another
   part of the ship.
• At least two supplies would be provided for all essential loads. Current classes,
   using split generation and distribution, rely on the provision of normal and
   alternative supplies via Automatic Change-Over Switches
Typical system with zoning
Fuel cell
•    The fuel cell stack operates by utilizing electrochemical reactions between an
    oxidant (air) and a fuel (hydrogen), with two electrodes separated by a
    membrane.
•   The voltage of the fuel cell output can be controlled by a converter and it is
    therefore able to connect to any point in the ship service or propulsion
    distribution system.
•    The fuel cell stack is modularity give redundancy advantage. It also has the
    additional advantages of zero noxious emissions, and low thermal and acoustic
    signatures.
•   In the short term the fuel cell system is required to use marine diesel fuel.
    Diesel fuel will require reforming within the fuel cell stack, or using an external
    process, to produce a hydrogen rich gas which the fuel cell stack is capable of
    processing.
•   The reformer will clearly add both size, weight and complexity to the fuel cell
    system. In the longer term technologies such as the Solid Oxide Fuel Cell
    (SOFC) are contenders, which are more forgiving of impurities and can use a
    fuel available world-wide, either methanol or gasoline.
Storage option
• The technologies being assessed for energy storage include are electro-
  chemical batteries (both conventional and advanced), regenerative fuel
  cells (otherwise known as redox flow cells ) Superconducting Magnetic
  Energy Storage (SMES) and Supercapacitors.
• Regenerative fuel cells store or release electrical energy by means of a
  reversible electrochemical reaction between two salt solutions (the
  electrolytes). The reaction occurs within an electrochemical cell.
• The cell has two compartments, one for each electrolyte, physically
  separated by an ion-exchange membrane.
• In contrast to most types of battery system, the electrolytes flow into and
  out of the cells and are transformed electrochemically inside the cells. The
  power is therefore determined by the size of the cell but the endurance is
  determined by the size of the two electrolyte tanks
Storage system
Prime movers
• All primemovers are potentially compliant with emerging emission
  requirements, however, complexity for achieving compliance varies with
  prime mover and fuel type.
• Diesels require the most attention to emissions control followed at some
  distance by gas turbines, where ultra low emissions levels have been
  achieved for land-based systems.
• Fuel cells emit the lowest levels of pollutants of all the primemovers
• Heavier fuel cell systems and diesels represent larger machinery and
  structural weight.
• Fuel cells can be used as a prime mover in an Integrated Full Electric
  Propulsion (IFEP) system providing DC electrical power output, and are
  being developed as a replacement for diesel generators and gas turbine
  alternators.
Sail and solar power ship
Skysail
Propulsion motor
• For efficient operation of propulsion motor there is a
  requirement for a compact, power dense, rugged
  electrical machine to be utilized for the propulsion
  motor.
• For the full benefits of electric propulsion to be
  realized the machine should also be efficient,
  particularly at part load,
• In order to achieve suitable compact designs rare
  earth permanent magnet materials may be required.
• The machine topologies available for PMM are
  deemed to be those based on radial, axial and
  transverse flux designs.
PMM
Power for LNG ships
• These alternatives are more economical and offer greater overall efficiency
  with an added advantage of providing greater flexibility and redundancy
• Diesel plant also raises are inherited with problem of vibration on
  membrane
• LNG carrier it is necessary to understand the interaction between the
  structural resonance that is excited by the diesel engine and the separate
  resonance that is created within the membrane containment system
  interacting with LNG.
• The traditional application of gas fired boilers for steam turbine propulsion
  systems is no longer the only available option for LNG Carriers,”
• Direct drive, slow speed diesel plants, coupled with an on-board
  liquefaction plant to handle the cargo boil off, or 4 stroke medium speed
  diesel electric propulsion or gas turbine with diesel electric drive appear to
  offer the greatest operational efficiencies for the new designs of large LNG
  carriers.
Power generation for LNG ships
•   Although slow or medium speed diesel engines have been selected for some of the
    recent LNG carriers with dual fuel installation option that uses both gas boil-off and
    ordinary bunkers.
• Variations of the dual fuel arrangements include:
-diesel engine or gas turbine driven generators with one propulsion shafting system and
    a liquefaction plant;
-diesel engine or gas turbine driven generators with two propulsion shafting systems
    and a liquefaction plant;
-diesel engine or gas turbine driven generators with two azimuth thrusters and a
    liquefaction plant.
• To date, slow speed diesel with re-liquefaction plant as well as a gas combustion
    unit, and medium speed dual fuel diesel with gas combustion units, are the
    preferred options for the new large LNG carriers recently ordered in Korea.
• It would appear that gas turbine with simple and combined cycles using heat
    recovery units to drive steam turbo alternators are another alternative being
    explored. Industry is currently developing the fuel gas systems for these gas turbine
    options.
Power generation for LNG ships
• A dual fuel diesel-electric system uses forced boil-off from the cargo tanks
  as the primary fuel and marine diesel oil as back-up fuel. The arrangement
  can also be adapted to current LNG carrier designs.
• Shipbuilders and engine designers that are proponents of dual fuel systems
  point out that a gas-electric propulsion plant is more compact than the
  traditional steam turbine plant used for LNG carriers, increasing cargo
  capacity within the same dimensioned hull.
• The IMO Gas Carrier Code requires two means of utilizing boil-off gas on
  all LNG carriers. Conventional systems use the main boilers for generating
  steam for propulsion. When this cannot be used, excess steam is redirected
  to the condensers. Similar arrangements are required for the diesel
  propulsion systems. Current industry proposals for the alternative means of
  boil-off gas utilization are a liquefaction plant or a gas combustion unit.
• Risk assessment methods are recommended for option selection
Power Distribution
• As the demand for electrical are 3.3 kV or 6.6 kV but 11 kV is
  used on some offshore platforms and specialist oil/gas
  production ships e.g on some FPSO (floating production,
  storage and offloading) vessels.
• By generating electrical power at 6.6 kV instead of 440 V the
  distribution and switching of power above about 6 MW
  becomes more manageable.
• As for electrical Power increases on ships (particularly
  passenger ferries, cruise liners, and specialist offshore vessels
  and platforms) the supply current rating becomes too high at
  440 V.
• To reduce the size of both steady state and fault current levels,
  it is necessary to increase the system voltage at high power
  ratings.
Component parts of an HV
• The component parts of an HV supply system are standard equipment with:
 HV diesel generator sets feeding an HV main switchboard.
• Large power consumers such as thrusters, propulsion motors, air-
   conditioning (A/C) compressors and HV transformers are fed directly from
   the HV switchboard.
• An economical HV system must be simple to operate, reasonably priced
   and require a minimum of maintenance over the life of the ship.
• Experience shows that a 9 MW system at 6.6 kV would be about 20% more
   expensive for installation costs.
• The principal parts of a ships electrical system operated at HV would be the
   main generators, HV switchboard, FV cables, HV transformers and HV
   motors.
• An example of a high voltage power system is shown
Ship HV Voltage system
HV Systems
• In the example shown the HV generators form a central power station for
  all of the ship's electrical services.
• On a large passenger ship with electric propulsion, each generator may be
  rated at about 10 MW or more and producing 6.6 kV, 60 Hz three-phase
  a.c. voltages.
• The principal consumers are the two synchronous a.c. propulsion electric
  motors (PEMs) which may each demand 12 MW or more in the full away
  condition.
• Each PEM has two stator windings supplied separately from the main HV
  switchboard via transformers and frequency converters.
• In an emergency a PEM may therefore be operated as a half-motor with a
  reduced power output. A few large induction motors are supplied at 6.6 kV
  from the main board with the circuit breaker acting as a direct-on-line
  (DOL) starting switch.
Ship high voltage systems
These motors are:
o Two forward thrusters and one aft thruster, and
o Three air conditioning compressors

• Other main feeders supply the 440 V engine room sub-station (ER sub)
  switchboard via step-down transformers.
• An interconnector cable links the ER sub to the emergency switchboard.
• Other 440 V sub-stations (accommodation,galley etc.) around the ship are
  supplied from the ER sub.
• Some installations may feed the ships sub stations directly with HV and step-
  down to 440 V locally.
• The PEM drives in this example are synchronous motors which require a
  controlled low voltage excitation supply current to magnetise the rotor poles.
• This supply is obtained from the HV switchboard via a step-down
  transformer but an alternative arrangement would be to obtain the excitation
  supply from the 440 V ER sub switchboard.
Ship high voltage systems
High Voltages solid state AC-
    DC-AC conversion
Solid State Switching Principle
• The power systems engineers is interested in high voltages primarily for
  power transmission, and secondly for testing of his equipment used in
  power transmission in laboratory
• High voltage can be obtained locally from power generating plant through
  the use of solid state
• In many testing laboratories, the primary source of power is at low voltage
  (400 V three phase or 230 V single phase, at 50 Hz). From which high
  voltage can be obtained
• On board ship the same technology can be used to use high voltage
• Laboratory test are aimed to design the required high voltage
• Since insulation is usually being tested, the impedances involved are
  extremely high (order of M ohm and the currents small (less than an
  ampere).
• High voltage testing does not usually require high power.
• Thus special methods may be used which are not applicable when
  generating high voltage in high power applications.
Solid State Switching Principle
• In the field of electrical eng. & applied physics, high voltages are required for
    several applications As:
 -a power supply (eg. hv dc) for the equipments such as electron microscope and
    x-ray machine.
 -Required for testing power apparatus – insulation testing.
-High impulse voltages are required for testing purposes to simulate over
    voltages due to lightning and switching.
• Sometimes, high direct voltages are needed in insulation test on cables and
    capacitors. Impulse generator charging units also require high dc voltages of
    about 100-200kV.
• Normally for the generation of dc voltages of up to 100kV, electronics valve
    rectifiers are used and the output currents are about 100mA. The rectifier
    valves require special construction for cathode and filaments since a high
    electrostatic field of several kV/cm exists between the anode and cathode in
    the non-conduction period.
• The ac supply to the rectifier tubes maybe of power frequency or maybe of
    audo frequency from an oscillator. The latter is used when a ripple of very
    small magnitude is required without the use of costly filters to smoothen the
    ripple.
Half and Full Wave Rectifier
•    Rectifier circuits for producing high dc voltages from ac sources
     maybe
a.   Half-Wave
b.   Full-Wave


o    The rectifier can be an electron tube or a solid state devices.
     Nowadays, single electron tubes are available for peak inverse
     voltages up to 250kV and semiconductor or solid state diodes up
     to 250kV.

o    For higher voltages, several units are to be used in series. When
     a number of units are used in series, transient voltage
     distribution along each unit becomes non-uniform and special
     care should be taken to make the distribution uniform.
RL
               Vin                                   V out




                     Half Wave Rectifier




       V
           p
                                           V
                                               AVG
   0

                      T




Mean Load Voltage or Average Value of half wave output
D1

                                                               +

        to   t1     t2
                                                               RL

                                      D2



                                                               -


                  Full wave Rectifier Circuit

                    figure 1.7 : Full-wave rectifier circuit
   Vp
                                                                   V AVG


                    to      t1        t2




Mean Load Voltage or Average Voltage Full-wave output
Voltage Multiplier Circuits
• Both full-wave as well as half-wave circuits can
  produce a maximum direct voltage corresponding to
  the peak value of the alternating voltage.
• When higher voltages are required voltage multiplier
  circuits are used. The common circuits are the voltage
  double circuit
• Used for higher voltages.
• Generate very high dc voltage from single supply
  transformer by extending the simple voltage doubler
  circuit.
Types of high voltages;
•   High d.c. voltages
•    High a.c. voltages of power frequency
•    High a.c. voltages of high frequency
•    High transient or impulse voltages of very short
•   duration - lightning overvoltages
•    Transient voltages of longer duration – switching
•   surges
• The voltage doubler circuit makes
  use of the positive and the
  negative half cycles to charge two
  different capacitors. These are
  then connected in series aiding to
  obtain double the direct voltage
  output. Figure shows a voltage
  doubler circuit.

• In this case, the transformer will
  be of small rating that for the
  same direct voltage rating with
  only simple rectification. Further
  for the same direct voltage output
  the peak inverse voltage of the
  diodes will be halved.               Voltage doubler circuit
High Alternating Voltages
• Required in laboratories and a.c. tests as well as for the
• circuit of high d.c. and impulse voltage.
• Test transformer are generally used.
• Single transformer test units are made for high alternating voltages
  up to about 200 kV.
• However, for high voltages to reduce the cost (insulation cost
  increases rapidly with voltage) and make transportation easier, a
  cascade arrangement of several transformers is used.
• For higher voltage requirement, series connection or cascading of
  the several identical units of transformer is applied.
Cascade arrangement of
     transformers
1600 kV, 9.6 MVA Cascaded Power Transformer
Cascade arrangement of transformers
• A typical cascade arrangement of transformers used to obtain up
  to 300 kV from three units each rated at 100 kV insulation. The
  low voltage winding is connected to the primary of the first
  transformer, and this is connected to the transformer tank which
  is earthed.
• One end of the high voltage winding is also earthed through the
  tank.
• The high voltage end and a tapping near this end is taken out at
  the top of the transformer through a bushing, and forms the
  primary of the second transformer.
• One end of this winding is connected to the tank of the second
  transformer to maintain the tank at high voltage.
• The secondary of this transformer too has one end connected to
  the tank and at the other end the next cascaded transformer is fed.
Cascade arrangement of transformers
• This cascade arrangement can be continued further if a still
  higher voltage is required.
• In the cascade arrangement shown, each transformer needs
  only to be insulated for 100 kV, and hence the transformer can
  be relatively small. If a 300 kV transformer had to be used
  instead, the size would be massive. High voltage transformers
  for testing purposes are designed purposely to have a poor
  regulation.
• This is to ensure that when the secondary of the transformer is
  short circuited (as will commonly happen in flash-over tests of
  insulation), the current would not increase to too high a value
  and to reduce the cost. In practice, an additional series
  resistance (commonly a water resistance) is also used in such
  cases to limit the current and prevent possible damage to the
  transformer.
Cascade arrangement of transformers

• What is shown in the cascade transformer arrangement is the basic principle
  involved. The actual arrangement could be different for practical reasons.
• In the cascade arrangement shown, each transformer needs only to be insulated for
  100 kV, and hence the transformer can be relatively small. If a 300 kV transformer
  had to be used instead, the size would be massive. High voltage transformers for
  testing purposes are designed purposely to have a poor regulation.
• This is to ensure that when the secondary of the transformer is short circuited (as
  will commonly happen in flash-over tests of insulation), the current would not
  increase to too high a value and to reduce the cost. In practice, an additional series
  resistance (commonly a water resistance) is also used in such cases to limit the
  current and prevent possible damage to the transformer.
• What is shown in the cascade transformer arrangement is the basic principle
  involved. The actual arrangement could be different for practical reasons.
High D.C. Voltages

• Generation of high d.c. voltages is mainly
  required in research work in the areas of pure
  and applied physics.
• Needed in insulation test.
• Use rectifier circuit (diode) to convert a.c. to
  d.c.
• voltage. – vacuum rectifiers, semiconductor
  diodes
Impulse High Voltage
• Impulse voltages (IVs) are required in hv tests to simulate the
  stresses due to external and internal overvoltages, and also for
  fundamental investigations of the breakdown mechanisms.
• Usually generated by discharging hv capacitors through
  switching gaps onto a network of resistors and capacitors.
• In hv technology, a single, unipolar voltage is termed an
  impulse voltage.
• Rectangular and wedge-shaped IVs are normally used for basic
  experiments while for testing purposes, double exponential IVs
  are used.
• Standard test of impulse voltages can be represented as double
  exponential wave, and its mathematical equation is defined as
  follows;
V = Vo [exp(-αt) – exp(-βt)]
Where α and β are constants of microsecond values.
Controlled Rectification
• The generated three power supply on a phase a.c. electrical ship
  has a fixed voltage and frequency. This is generally at M0 V and
  60 Hz but for high power demands it is likelv to be 6.6 kV and
  60 Hz.
• Speed control for a propulsion motor requires variable voltage
  for a d.c. drive and variable frequency * voltage for an a.c. drive.
• The set bus-bar a.c. voltage must be converted by controlled
  rectification (a.c.--d.c.) ind/or controlled inversion (d. c. * a. c. )'
  to match the propulsion motor type.
• A basic rectifier uses semiconductor diodes which can only
  conduct current in the direction of anode (A) to cathode (K) and
  this is automatic when A is more positive than K.
• The diode turns-off automatically when its current falls to zero.
  Hence, in –a single-phase a.c. circuit a single diode will conduct
  only on every other half-cycle and this is called half-wave
  rectification.
Single-phase controlled rectification.
Controlled Rectification
• In this circuit an inductor coil (choke) smooth the d.c. load current even
  though the d.c. voltage is severely chopped by the thyristor switching action.
• An alternative to the choke coil is to use a capacitor across the rectifier output
  which smooths the d.c. voltage. Full wave controlled rectification from a
  three-phase a.c. supply is achieved in a bridge Circuit with six thyristors a
  shown
• Other single-phase circuits using a biased arrangement with two diodes and a
  centre-tapped transformer will create full-wave rectification Similarly, four
  diodes in a bridge formation will also produce a full-wave d.c. voltage output.
• An equivalent three phase bridge requires six diodes for full-wave operation.
  A diode, having only two terminals, cannot control the size of the d.c. output
  from the rectifier.
• For controlled rectification it is necessary to use a set of three-terminal
  devices such as thyristors (for high currents) or transistors (for low - medium
  currents).
Three-phase controlled rectifier bridge circuit.
Three-phase controlled rectifier bridge circuit.
•    A basic a.c.-d.c. control circuit using a thyristor switch is shown in the
    next slide. Compared with a diode, a thyristor has an extra (control)
    terminal called the gate (G).
•   The thyristor will only conduct when the anode is positive with respect to
    the cathode and a brief trigger voltage pulse is applied between gate and
    cathode (gate must be more positive than cathode).
•    Gate voltage pulses are provided by separate electronic circuit and the
    pulse timing decides the switch-on point for the main (load) current. The
    load current is therefore rectified to d.c. (by diode action) and controlled by
    delayed switching.
•   In this circuit an inductor coil (choke) smooth the d.c. load current even
    though the d.c. voltage is severely chopped by the thyristor switching
    action.
•   An alternative to the choke coil is to use a capacitor across the rectifier
    output which smooths the d.c. voltage. Full wave controlled rectification
    from a three-phase a.c. supply is achieved in a bridge Circuit with six
    thyristors a shown
Three-phase controlled rectifier bridge circuit.
• The equivalent maximum d.c. voltage output is taken to be about 600 V as
  it has a six-pulse ripple effect due to the three-phase input waveform.
• Controlled inversion process - A d.c. voltage can be inverted (switched)
  repeatedly from positive to negative to form an alternating (u.c.) voltage by
  using a set of thyristor (or transistor) switches. A controlled three-phase
  thyristor bridge inverter is shown
• The inverter bridge circuit arrangement is exactly the same as that for the
  rectifier. Here, the d.c. voltage is sequentially switched onto the three
  output lines. The rate of switching determines the output frequency.
• For a.c. motor control, the line currents are directed into (and out of) the
  windings to produce a rotating stator flux wave which interacts with the
  rotor to produce torque.
• The processes of controlled rectification and inversion are used in
  converters that are designed to match the drive motor.
Three-phase inverter circuit and a.c. synchronous motor
Converter Types
The principal types of motor control converters are:
- >a.c.-d.c. (controlled rectifier for d.c. motors) . a.c.-d.c.-a.c. (PWM for
    induction motors)
 - >a.c.- d.c.-a.c. (synchroconverter or synchronous motors) .
-> d.c.-a.c. (cycloconverter for synchronous motors)

 These are examined below:
a.c.- d.c. converter
• This is a three phase a.c. controlled rectification circuit for a d.c. motor
    drive.
• Two converters of different power ratings are generally used for the
    separate control of the armature current and the field current which
    produces the magnetic flux .
• Some systems may have a fixed field current which means that the field
    supply only requires an uncontrolled diode bridge
Converter Types
• Shaft rotation can be achieved by reversing either the field current or the
  armature current direction.
• Ship applications for such a drive would include cable-laying, offshore
  drilling, diving and supply, ocean survey and submarines.

 a.c.- d.c.-a.c. PWM converter
• This type of converter is used for induction motor drives and uses
    transistors as the switching devices.
• Unlike thyristors, a transistor can be turned on and off by a control signal
    and at a high switching rate (e.g. at 20 kHz in a PWM converter).
• The input rectifier stage is not controlled so is simpler and cheaper but the
    converter will not be ablg to allow power from the motor load to be
    regenerated back into the mains supply during a braking operation.
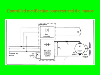
Controlled rectification converter and d.c. motor
PWM converter and a.c. induction motor
Converter Types
• From a 440 Y a.c. supply, the rectified d.c. (link) voltage will
  be smoothed by the capacitor to approximately 600 V.
• The d.c. voltage is chopped into variablewidth, but constant
  level, voltage pulses in the computer controlled inverter
  section using IGBTs (insulated gate bipolar transistors).
• This process is called pulse width modulation or PWM. By
  varying the pulse widths and polarity of the d.c. voltage it is
  possible to generate an averaged sinusoidal ac. output over a
  wide range of frequencies typically 0.5-120Hz.
• Due to the smoothing effect of the motor inductance, the
  motor currents appear to be nearly sinusoidal in shape.
• By sequentially directing the currents into the three stator
  windings, a reversible rotating magnetic field is produced with
  its speed set by the output frequency of the PWM converter.
Converter Types
• Accurate control of shaft torque, acceleration time and resistive braking are
  a few of the many operational parameters that can be programmed into the
  VSD,usually via a hand-held unit.

• The VSD can be closelv tuned to the connected motor drive to achieve
  optimum control and protection limits for the overall drive.
•
• Speed regulation against load changes is very good and can be made very
  precise by the addition of feedback from a shaft speed encoder.

• VSDs, being digitally controlled, can be easily networked to other
  computer devices e.g. programmable logic controllers (PLCs) for overall
  control of a complex process.
Converter Types
a.c.*d.c.+a.c. synchroconverter
• This type of convert is used for large a.c. synchronous motor
   drives (called a synchrodrive) and I is applied very
   successfully to marine electric propulsion.
• A synchroconverter has controlled rectifier and inverter stages
   which both rely on natural turn-off (line commutation) for the
   thyristors by the three phase a.c. voltages at either end of the
   converter.
• Between the rectification and inversion stages is a current-
   smoothing reactor coil forming the d.c. link.
• An operational similarity exists between a svnchrodrive and a
   d.c. motor drive. DC link synchroconverter and a dc motor
   drive.
Synchroconverter circuit.
Inverter current switching sequence
Converter Types
• This view considers the rectifier stage as a controlled d.c.
  supply and the inverter/synchronous motor combination as a
  d.c. motor. with the switching inverter acting as a static
  commutator.
• The combination of controlled rectifier and d.c. link is
  considered to be a current source for the inverter whose task is
  then to sequentially direct blocks of the current into the motor
  windings
• The size of the d.c. current is set by the controlled switching of
  the rectifier thyristors.
• Motor supply frequency (and hence its speed) is set by the rate
  of inverter switching.
• The six inverter thyristors provide six current pulses per cycle
  (known as a six-pulse converter)
Converter Types
• A simplified understanding of synchroconverter control is that
  the current source (controlled rectification stage) provides the
  required motor torque and the inverter stage controls the
  required speed.
• To provide the motor e.m.f. which is necessary for natural
  commutation of the inverter thyristors, the synchronous motor
  must have rotation and magnetic flux in its rotor poles.
• During normal running, the synchronous motor is operated
  with a power factor of about 0.9 leading (by field excitation
  control) to assist the line commutation of the inverter
  thyristors.
• The d.c. rotor field excitation is obtained from a separate
  controlled thvristor rectification circuit.
Converter Types
• As the supply (network) and machine bridges
  are identical and are both connected to a three-
  phase a.c. voltage source, there roles can be
  switched into reverse.
• This is useful to allow the regeneration motor
  power back into the mains power supply which
  provides an electric braking torque during a
  crash stop of the ship.
Cycloconverter circuit and output
      voltage waveform.
Converter Types
a.c.- a.c. cycloconverter
• While a synchroconverter is able to provide an output
   frequency range typically up to twice that of the mains input
   (e.g. up to 120 Hz), a cycloconverter is restricted to a much
   lower range.
• This is limited to less than one thtird of the supply frequency
   (e.g. up to 20 Hz) which is due to the way in which this type of
   converter produces the a.c. output voltage waveform.
• Ship ropulsion shaft speeds are typically in the range of 0-145
   rev/min which can easily be achieved by the low frequency
   output range of a cycloconverter to a multi-pole synchronous
   motor.
• Power regeneration from the motor back into the main power
   supply is available. A conventional three phase converter from
   a.c. to d.c. can be controlled so that the average output voltage
   can be increased and decreased from zero to maximum within a
   half-cycle period of he sinusoidal a.c. input.
Converter Types
•    By connecting two similar converters back-to-back in each line an a.c.
    output frequency is obtained.
•   The switching pattern for the thyristors varies over the frequency range
    which requires a complex computer program for converter control.
•   The corresponding current waveform shape (not shown) will be more
    sinusoidal due to the smoothing effect of motor and line inductance.
•    The output voltage has ripple content which gets as the output frequency it
    is this feature that limits useful frequency.
•   There is no connection between the three motor windings because the line
    converters have to be isolated from each other to operate correctly to obtain
    line commutation (natural) switching of the thvristors.
•   The converters may be directly supplied from the HV line but it is more
    usual to interpose step-down transformers. This reduces the motor voltage
    and its required insulation level while also providing additional line
    impedance to limit the size of prospective fault current and harmonic
    voltage distortion at the main supply bus-bar.
Twin Shaft EL Propulsion
FPSO Electrical system Layout
Shuttle Tanker Electrical System Layout
Shuttle Tanker Electrical Line Diagram
Drill Ship Electrical System Layout
The future
• Propulsion of ships by help of standard diesel engines
  usually gives a non-optimal utilization of the energy.
• Today an increased use of diesel electrical propulsion
  of ships can be seen. New power electronics and
  electrical machines will be developed for propulsion
  and thrusters, as well as other application on board.
• Knowledge has to be developed about how such large
  motor drives will influence the autonomous power
  systems on-board.
• Even development of new integrated electrical
  systems for replacement of hydraulic systems (top-
  side as well as sub-sea) are becoming areas of need.
Typical system of all electrical ship
  • Generator sets complete with prime movers and engine controls
  • HV/LV Switchboards, distribution systems and group starter boards
  • Propulsion and thruster motors complete with power electronic
    variable speed drives
  • Power conversion equipment
  • Shaft braking
  • Power factor correction and harmonic filters
  • (as necessary)
  • Power management
  • Machinery control and surveillance
  • Dynamic positioning and joystick control
  • Machinery control room and bridge consoles
  • Setting to work and commissioning
  • Operator training
Future electrical ship
• Future HV ships systems at sea may require voltages up to
  13.8 kV to minimize fault levels
• It is therefore essential that all Marine Engineering personnel
  are trained in safe working practices for these voltages.
• The Electrical officers of the near future must be fully trained
  to carry out maintenance and defect rectification on Medium
  Voltage (MV) systems.
• This will mean a considerable increase in the electrical content
  of all training.
• Training will also need to be given to non-technical personnel
  to ensure everybody is aware of the dangers of these higher
  voltages.
Available systems

Hv genration transpformation - converson & distribution - revisedl

  • 1.
    High Voltage forShip Generation, Conversion , Transformation and Distribution
  • 2.
    Marine Electrical System •Maritime electric systems include power generation, distribution and control, and consumption of electric power on supply- service- and fishing vessels as well as offshore installations. • Electric propulsion has increased especially for vessels with several large power consumers, for example cruise ships, floating production systems, supply- and service vessels. • Maritime electric systems are autonomous power systems. The prime movers, including diesel engines, gas- and steam turbines, are integral parts of the systems. • The power consumers are large compared with the total capacity of the system, as for example thruster and propulsion systems for DP operated vessels, drilling systems, HVAC systems on board ship
  • 3.
    Marine Electrical System •The overall power train efficiency with DEP is around 87- 90%. Use of permanent magnets in electric generators and motors as well as general advances in semiconductor technology may improve this figure to around 92-95% in the near future. Electrical transmission will consist of three basic energy conversions: • From (rotating) mechanical energy into electrical energy: E- generator • From electrical energy into (rotating) mechanical energy: E- motor • Some form of fixed or controlled electrical conversion in between: power converter
  • 4.
    Systematic overview ofexisting types E-generator • Mechanical ==> Electrical: E-Generators • - DC Generators • - AC Generators E-Motors • Electrical ==> Mechanical: E-motors • - Driving motors • - Synchronous Motor • - Positioning motors Power converters Electrical ==> Electrical: power conversion or transformation • - Fixed transformers • - Controlled converters • - Static converters • -Inverter
  • 5.
    Structure of acombined power plant for ships
  • 6.
    Electric Propulsion System(AES) • Electric propulsion of ships has been know for a long time to human • Dynamic changes in human discovery has given several up and down in history • Recent time have seen a a lot of Passenger ships being built with all electric system for various advantage that over the conventional prime movers • Early large passenger vessels employed the turboelectric system which involves the use of variable speed, and therefore variable frequency, turbo- generator sets for the supply of electric power to the propulsion motors directly coupled to the propeller shafts. Where, the generator/motor system was acting as a speed reducing transmission system. • Electric power for auxiliary ship services required the use of separate constant frequency generator sets. System with generating sets to provide power to both the propulsion system and ship ancillary services. • However fixed voltage and frequency system are suitable to satisfy the requirements of the ship service loads.
  • 7.
  • 8.
    Electric Propulsion System(AES) • Other complication associated with earlier systems is difficulties in using multiple motor per shaft when required propulsion power was beyond the capacity of a single d.c. motor . • Developments in high power static converter equipment have – presented a very convenient means of providing variable speed a.c. and d.c. drives at the largest ratings likely to be required in a marine propulsion system. • The electric propulsion of ships requires electric motors to drive the propellers and generator sets to supply the electric power. It may seem rather illogical to use electric generators, switchgear and motors between the prime-movers (e.g. diesel engines) and propeller when a gearbox or length of shaft could be all that is required. • In the light of the above, hybrid of gas turbine or Diesel with electric couple with dual fuelling that include natural gas, is explorable option for existing vessels, all electric ship using natural gas is also a good option. • Currently there is interesting development for new ship need exploration on technologies to improve integrated full electric propulsion with advanced power management systems: • Improved converter and power electronics technology • Improved generators and motors
  • 9.
    Electric Propulsion System(AES) • The AES give widespread electrification of auxiliaries and the opportunity to use upgradeable and flexible layouts. It will include a low risk, cost effective and comprehensive Platform Management System that has a standardized Human-Computer Interface supportable for its entire service life and the goal to be an Environmentally Sound Ship. • The fit into the goals of the Environmentally Sound Ship where : freedom of operation in MARPOL special and restricted areas; unrestricted littoral operations; port independence; minimum onboard storage of waste and reduced manpower whilst reducing cost of ownership and port reception costs. • the also promise potential for replacing the current traditional systems used in steering gear, fin stabilizers with compact, power-dense actuators. • They also offer potentials for possible use of electric valve actuators that will simplify system architectures systematic integration of upper deck to machinery.
  • 10.
    Power generation • A2001 study concluded that fitting a Navy cruiser with more energy- efficient electrical equipment could reduce the ship’s fuel use by 10% to 25%. • Ship fuel use could be reduced by shifting to advanced turbine designs such as an intercooled recuperated (ICR) turbine. Shifting to integrated electric- drive propulsion can reduce a ship’s fuel use by 10% to 25%. • There is Potential alternative hydrocarbon fuels Like biodiesel and liquid hydrocarbon fuels made from coal • Recent time has seen firms offering kite-assist systems to commercial ship operators. • Solar power might offer some potential for augmenting other forms of shipboard power. • Talking about the question now the electric propulsion , especially with hybrid system offer the best answer to problem of energy
  • 11.
    Power generation • Integrated electric-drive system derived from a commercially available system that has been installed on ships such as cruise ships requires a technology that is more torque-dense (i.e., more power-dense) . • Candidates for a more torque-dense technology include a permanent magnet motor (PMM) and a high-temperature superconducting (HTS) synchronous motor. • In addition, electric drive makes possible the use of new propeller/stern configurations, such as a podded propulsion ... that can reduce ship fuel consumption further due to their improved hydrodynamic efficiency • Podded drives offer greater propulsion efficiency and increased space within the hull by moving the propulsion motor outside the ships hull and placing it in a pod suspended underneath the hull. • Podded drives are also capable of azimuth improving ship maneuverability. Indeed, podded drives have been widely adopted by the cruise ship community for these reasons. • The motors being manufactured now are as large as 19.5 MW, and could provide the total propulsion power.
  • 12.
  • 13.
    Comparison of propulsionplants efficiency
  • 14.
  • 15.
    Prime movers Gas Turbines •Gas turbine have been selected as the future prime mover primarily because of their high power to weight ratio. • 4. Weight sensitive ship designs favor gas turbines and projected light weight fuel cell power plants such as PEM. • They also provide significant reduction in the amount of routine maintenance required when compared with diesel generators. • The other significant factor is the low emissions. Diesel engine • Diesel engines offer fuel costs savings of 50% if heavy fuels can be used, and if emissions can be maintained at acceptable levels. • Maintenance may include engine modifications such as dual fuel capability for in-port use, water injection, and timing retard, and exhaust treatment such as selected catalytic reduction and oxidation catalysts. • Heavy fuel use also requires careful selection of cylinder material and lube oil
  • 16.
    Turbina • A gasturbine, also called a combustion turbine, is a rotary engine that extracts energy from a flow of hot gas produced by combustion of gas or fuel oil in a stream of compressed air. • It has an upstream air compressor radial or axial flow mechanically coupled to a downstream turbine and a combustion chamber in between. • Energy is released when compressed air is mixed with fuel and ignited in the combustor. • The resulting gases are directed over the turbine's blades, spinning the turbine, and, mechanically, powering the compressor. • Finally, the gases are passed through a nozzle, generating additional thrust by accelerating the hot exhaust gases by expansion back to atmospheric pressure. • A steam turbine is a mechanical device that extracts thermal energy from pressurized steam, and converts it into useful mechanical work.
  • 17.
  • 18.
  • 19.
    COGAG • Combined gas turbine and gas turbine (COGAG) is propulsion system for ships using two gas turbines connected to a single propeller shaft. • A gearbox and clutches allow either of the turbines to drive the shaft or both of them combined. • Using one or two gas turbines has the advantage of having two different power settings. • Since the fuel efficiency of a gas turbine is best near its maximum power level, a small gas turbine running at its full speed is more efficient compared to a twice as powerful turbine running at half speed, allowing more economic transit at cruise speeds.
  • 20.
  • 21.
    Prime movers Electric drive •Electric drive transmissions have a higher specific fuel consumption, specific weight and volume than mechanical drive systems, but has advantages in arrangement which may compensate for these disadvantages. • Advanced technology motors can be located very close to and on line with the propulsors, at the extreme aft end of the ship, or in external pods. • Electrical generator sets can be optimally spaced around the ship and electrically connected. In the longer term, combined with fuel cells, SFC, specific weight and volume are comparable with gas turbine and diesel prime movers for direct drive systems. Zone Concept : • The concept of dividing future classes of ship into zones to maximize survivability also extends to the power system. • Each zone would be autonomous and include ventilation systems, cooling systems, power distribution and other services which could be affected by damage to another part of the ship. • At least two supplies would be provided for all essential loads. Current classes, using split generation and distribution, rely on the provision of normal and alternative supplies via Automatic Change-Over Switches
  • 22.
  • 23.
    Fuel cell • The fuel cell stack operates by utilizing electrochemical reactions between an oxidant (air) and a fuel (hydrogen), with two electrodes separated by a membrane. • The voltage of the fuel cell output can be controlled by a converter and it is therefore able to connect to any point in the ship service or propulsion distribution system. • The fuel cell stack is modularity give redundancy advantage. It also has the additional advantages of zero noxious emissions, and low thermal and acoustic signatures. • In the short term the fuel cell system is required to use marine diesel fuel. Diesel fuel will require reforming within the fuel cell stack, or using an external process, to produce a hydrogen rich gas which the fuel cell stack is capable of processing. • The reformer will clearly add both size, weight and complexity to the fuel cell system. In the longer term technologies such as the Solid Oxide Fuel Cell (SOFC) are contenders, which are more forgiving of impurities and can use a fuel available world-wide, either methanol or gasoline.
  • 24.
    Storage option • Thetechnologies being assessed for energy storage include are electro- chemical batteries (both conventional and advanced), regenerative fuel cells (otherwise known as redox flow cells ) Superconducting Magnetic Energy Storage (SMES) and Supercapacitors. • Regenerative fuel cells store or release electrical energy by means of a reversible electrochemical reaction between two salt solutions (the electrolytes). The reaction occurs within an electrochemical cell. • The cell has two compartments, one for each electrolyte, physically separated by an ion-exchange membrane. • In contrast to most types of battery system, the electrolytes flow into and out of the cells and are transformed electrochemically inside the cells. The power is therefore determined by the size of the cell but the endurance is determined by the size of the two electrolyte tanks
  • 25.
  • 26.
    Prime movers • Allprimemovers are potentially compliant with emerging emission requirements, however, complexity for achieving compliance varies with prime mover and fuel type. • Diesels require the most attention to emissions control followed at some distance by gas turbines, where ultra low emissions levels have been achieved for land-based systems. • Fuel cells emit the lowest levels of pollutants of all the primemovers • Heavier fuel cell systems and diesels represent larger machinery and structural weight. • Fuel cells can be used as a prime mover in an Integrated Full Electric Propulsion (IFEP) system providing DC electrical power output, and are being developed as a replacement for diesel generators and gas turbine alternators.
  • 27.
    Sail and solarpower ship
  • 28.
  • 29.
    Propulsion motor • Forefficient operation of propulsion motor there is a requirement for a compact, power dense, rugged electrical machine to be utilized for the propulsion motor. • For the full benefits of electric propulsion to be realized the machine should also be efficient, particularly at part load, • In order to achieve suitable compact designs rare earth permanent magnet materials may be required. • The machine topologies available for PMM are deemed to be those based on radial, axial and transverse flux designs.
  • 30.
  • 31.
    Power for LNGships • These alternatives are more economical and offer greater overall efficiency with an added advantage of providing greater flexibility and redundancy • Diesel plant also raises are inherited with problem of vibration on membrane • LNG carrier it is necessary to understand the interaction between the structural resonance that is excited by the diesel engine and the separate resonance that is created within the membrane containment system interacting with LNG. • The traditional application of gas fired boilers for steam turbine propulsion systems is no longer the only available option for LNG Carriers,” • Direct drive, slow speed diesel plants, coupled with an on-board liquefaction plant to handle the cargo boil off, or 4 stroke medium speed diesel electric propulsion or gas turbine with diesel electric drive appear to offer the greatest operational efficiencies for the new designs of large LNG carriers.
  • 32.
    Power generation forLNG ships • Although slow or medium speed diesel engines have been selected for some of the recent LNG carriers with dual fuel installation option that uses both gas boil-off and ordinary bunkers. • Variations of the dual fuel arrangements include: -diesel engine or gas turbine driven generators with one propulsion shafting system and a liquefaction plant; -diesel engine or gas turbine driven generators with two propulsion shafting systems and a liquefaction plant; -diesel engine or gas turbine driven generators with two azimuth thrusters and a liquefaction plant. • To date, slow speed diesel with re-liquefaction plant as well as a gas combustion unit, and medium speed dual fuel diesel with gas combustion units, are the preferred options for the new large LNG carriers recently ordered in Korea. • It would appear that gas turbine with simple and combined cycles using heat recovery units to drive steam turbo alternators are another alternative being explored. Industry is currently developing the fuel gas systems for these gas turbine options.
  • 33.
    Power generation forLNG ships • A dual fuel diesel-electric system uses forced boil-off from the cargo tanks as the primary fuel and marine diesel oil as back-up fuel. The arrangement can also be adapted to current LNG carrier designs. • Shipbuilders and engine designers that are proponents of dual fuel systems point out that a gas-electric propulsion plant is more compact than the traditional steam turbine plant used for LNG carriers, increasing cargo capacity within the same dimensioned hull. • The IMO Gas Carrier Code requires two means of utilizing boil-off gas on all LNG carriers. Conventional systems use the main boilers for generating steam for propulsion. When this cannot be used, excess steam is redirected to the condensers. Similar arrangements are required for the diesel propulsion systems. Current industry proposals for the alternative means of boil-off gas utilization are a liquefaction plant or a gas combustion unit. • Risk assessment methods are recommended for option selection
  • 34.
    Power Distribution • Asthe demand for electrical are 3.3 kV or 6.6 kV but 11 kV is used on some offshore platforms and specialist oil/gas production ships e.g on some FPSO (floating production, storage and offloading) vessels. • By generating electrical power at 6.6 kV instead of 440 V the distribution and switching of power above about 6 MW becomes more manageable. • As for electrical Power increases on ships (particularly passenger ferries, cruise liners, and specialist offshore vessels and platforms) the supply current rating becomes too high at 440 V. • To reduce the size of both steady state and fault current levels, it is necessary to increase the system voltage at high power ratings.
  • 35.
    Component parts ofan HV • The component parts of an HV supply system are standard equipment with: HV diesel generator sets feeding an HV main switchboard. • Large power consumers such as thrusters, propulsion motors, air- conditioning (A/C) compressors and HV transformers are fed directly from the HV switchboard. • An economical HV system must be simple to operate, reasonably priced and require a minimum of maintenance over the life of the ship. • Experience shows that a 9 MW system at 6.6 kV would be about 20% more expensive for installation costs. • The principal parts of a ships electrical system operated at HV would be the main generators, HV switchboard, FV cables, HV transformers and HV motors. • An example of a high voltage power system is shown
  • 36.
  • 37.
    HV Systems • Inthe example shown the HV generators form a central power station for all of the ship's electrical services. • On a large passenger ship with electric propulsion, each generator may be rated at about 10 MW or more and producing 6.6 kV, 60 Hz three-phase a.c. voltages. • The principal consumers are the two synchronous a.c. propulsion electric motors (PEMs) which may each demand 12 MW or more in the full away condition. • Each PEM has two stator windings supplied separately from the main HV switchboard via transformers and frequency converters. • In an emergency a PEM may therefore be operated as a half-motor with a reduced power output. A few large induction motors are supplied at 6.6 kV from the main board with the circuit breaker acting as a direct-on-line (DOL) starting switch.
  • 38.
    Ship high voltagesystems These motors are: o Two forward thrusters and one aft thruster, and o Three air conditioning compressors • Other main feeders supply the 440 V engine room sub-station (ER sub) switchboard via step-down transformers. • An interconnector cable links the ER sub to the emergency switchboard. • Other 440 V sub-stations (accommodation,galley etc.) around the ship are supplied from the ER sub. • Some installations may feed the ships sub stations directly with HV and step- down to 440 V locally. • The PEM drives in this example are synchronous motors which require a controlled low voltage excitation supply current to magnetise the rotor poles. • This supply is obtained from the HV switchboard via a step-down transformer but an alternative arrangement would be to obtain the excitation supply from the 440 V ER sub switchboard.
  • 39.
  • 40.
    High Voltages solidstate AC- DC-AC conversion
  • 41.
    Solid State SwitchingPrinciple • The power systems engineers is interested in high voltages primarily for power transmission, and secondly for testing of his equipment used in power transmission in laboratory • High voltage can be obtained locally from power generating plant through the use of solid state • In many testing laboratories, the primary source of power is at low voltage (400 V three phase or 230 V single phase, at 50 Hz). From which high voltage can be obtained • On board ship the same technology can be used to use high voltage • Laboratory test are aimed to design the required high voltage • Since insulation is usually being tested, the impedances involved are extremely high (order of M ohm and the currents small (less than an ampere). • High voltage testing does not usually require high power. • Thus special methods may be used which are not applicable when generating high voltage in high power applications.
  • 42.
    Solid State SwitchingPrinciple • In the field of electrical eng. & applied physics, high voltages are required for several applications As: -a power supply (eg. hv dc) for the equipments such as electron microscope and x-ray machine. -Required for testing power apparatus – insulation testing. -High impulse voltages are required for testing purposes to simulate over voltages due to lightning and switching. • Sometimes, high direct voltages are needed in insulation test on cables and capacitors. Impulse generator charging units also require high dc voltages of about 100-200kV. • Normally for the generation of dc voltages of up to 100kV, electronics valve rectifiers are used and the output currents are about 100mA. The rectifier valves require special construction for cathode and filaments since a high electrostatic field of several kV/cm exists between the anode and cathode in the non-conduction period. • The ac supply to the rectifier tubes maybe of power frequency or maybe of audo frequency from an oscillator. The latter is used when a ripple of very small magnitude is required without the use of costly filters to smoothen the ripple.
  • 43.
    Half and FullWave Rectifier • Rectifier circuits for producing high dc voltages from ac sources maybe a. Half-Wave b. Full-Wave o The rectifier can be an electron tube or a solid state devices. Nowadays, single electron tubes are available for peak inverse voltages up to 250kV and semiconductor or solid state diodes up to 250kV. o For higher voltages, several units are to be used in series. When a number of units are used in series, transient voltage distribution along each unit becomes non-uniform and special care should be taken to make the distribution uniform.
  • 44.
    RL Vin V out Half Wave Rectifier V p V AVG 0 T Mean Load Voltage or Average Value of half wave output
  • 45.
    D1 + to t1 t2 RL D2 - Full wave Rectifier Circuit figure 1.7 : Full-wave rectifier circuit Vp V AVG to t1 t2 Mean Load Voltage or Average Voltage Full-wave output
  • 46.
    Voltage Multiplier Circuits •Both full-wave as well as half-wave circuits can produce a maximum direct voltage corresponding to the peak value of the alternating voltage. • When higher voltages are required voltage multiplier circuits are used. The common circuits are the voltage double circuit • Used for higher voltages. • Generate very high dc voltage from single supply transformer by extending the simple voltage doubler circuit.
  • 47.
    Types of highvoltages; • High d.c. voltages • High a.c. voltages of power frequency • High a.c. voltages of high frequency • High transient or impulse voltages of very short • duration - lightning overvoltages • Transient voltages of longer duration – switching • surges
  • 48.
    • The voltagedoubler circuit makes use of the positive and the negative half cycles to charge two different capacitors. These are then connected in series aiding to obtain double the direct voltage output. Figure shows a voltage doubler circuit. • In this case, the transformer will be of small rating that for the same direct voltage rating with only simple rectification. Further for the same direct voltage output the peak inverse voltage of the diodes will be halved. Voltage doubler circuit
  • 49.
    High Alternating Voltages •Required in laboratories and a.c. tests as well as for the • circuit of high d.c. and impulse voltage. • Test transformer are generally used. • Single transformer test units are made for high alternating voltages up to about 200 kV. • However, for high voltages to reduce the cost (insulation cost increases rapidly with voltage) and make transportation easier, a cascade arrangement of several transformers is used. • For higher voltage requirement, series connection or cascading of the several identical units of transformer is applied.
  • 50.
  • 51.
    1600 kV, 9.6MVA Cascaded Power Transformer
  • 52.
    Cascade arrangement oftransformers • A typical cascade arrangement of transformers used to obtain up to 300 kV from three units each rated at 100 kV insulation. The low voltage winding is connected to the primary of the first transformer, and this is connected to the transformer tank which is earthed. • One end of the high voltage winding is also earthed through the tank. • The high voltage end and a tapping near this end is taken out at the top of the transformer through a bushing, and forms the primary of the second transformer. • One end of this winding is connected to the tank of the second transformer to maintain the tank at high voltage. • The secondary of this transformer too has one end connected to the tank and at the other end the next cascaded transformer is fed.
  • 53.
    Cascade arrangement oftransformers • This cascade arrangement can be continued further if a still higher voltage is required. • In the cascade arrangement shown, each transformer needs only to be insulated for 100 kV, and hence the transformer can be relatively small. If a 300 kV transformer had to be used instead, the size would be massive. High voltage transformers for testing purposes are designed purposely to have a poor regulation. • This is to ensure that when the secondary of the transformer is short circuited (as will commonly happen in flash-over tests of insulation), the current would not increase to too high a value and to reduce the cost. In practice, an additional series resistance (commonly a water resistance) is also used in such cases to limit the current and prevent possible damage to the transformer.
  • 54.
    Cascade arrangement oftransformers • What is shown in the cascade transformer arrangement is the basic principle involved. The actual arrangement could be different for practical reasons. • In the cascade arrangement shown, each transformer needs only to be insulated for 100 kV, and hence the transformer can be relatively small. If a 300 kV transformer had to be used instead, the size would be massive. High voltage transformers for testing purposes are designed purposely to have a poor regulation. • This is to ensure that when the secondary of the transformer is short circuited (as will commonly happen in flash-over tests of insulation), the current would not increase to too high a value and to reduce the cost. In practice, an additional series resistance (commonly a water resistance) is also used in such cases to limit the current and prevent possible damage to the transformer. • What is shown in the cascade transformer arrangement is the basic principle involved. The actual arrangement could be different for practical reasons.
  • 55.
    High D.C. Voltages •Generation of high d.c. voltages is mainly required in research work in the areas of pure and applied physics. • Needed in insulation test. • Use rectifier circuit (diode) to convert a.c. to d.c. • voltage. – vacuum rectifiers, semiconductor diodes
  • 56.
    Impulse High Voltage •Impulse voltages (IVs) are required in hv tests to simulate the stresses due to external and internal overvoltages, and also for fundamental investigations of the breakdown mechanisms. • Usually generated by discharging hv capacitors through switching gaps onto a network of resistors and capacitors. • In hv technology, a single, unipolar voltage is termed an impulse voltage. • Rectangular and wedge-shaped IVs are normally used for basic experiments while for testing purposes, double exponential IVs are used. • Standard test of impulse voltages can be represented as double exponential wave, and its mathematical equation is defined as follows; V = Vo [exp(-αt) – exp(-βt)] Where α and β are constants of microsecond values.
  • 57.
    Controlled Rectification • Thegenerated three power supply on a phase a.c. electrical ship has a fixed voltage and frequency. This is generally at M0 V and 60 Hz but for high power demands it is likelv to be 6.6 kV and 60 Hz. • Speed control for a propulsion motor requires variable voltage for a d.c. drive and variable frequency * voltage for an a.c. drive. • The set bus-bar a.c. voltage must be converted by controlled rectification (a.c.--d.c.) ind/or controlled inversion (d. c. * a. c. )' to match the propulsion motor type. • A basic rectifier uses semiconductor diodes which can only conduct current in the direction of anode (A) to cathode (K) and this is automatic when A is more positive than K. • The diode turns-off automatically when its current falls to zero. Hence, in –a single-phase a.c. circuit a single diode will conduct only on every other half-cycle and this is called half-wave rectification.
  • 58.
  • 59.
    Controlled Rectification • Inthis circuit an inductor coil (choke) smooth the d.c. load current even though the d.c. voltage is severely chopped by the thyristor switching action. • An alternative to the choke coil is to use a capacitor across the rectifier output which smooths the d.c. voltage. Full wave controlled rectification from a three-phase a.c. supply is achieved in a bridge Circuit with six thyristors a shown • Other single-phase circuits using a biased arrangement with two diodes and a centre-tapped transformer will create full-wave rectification Similarly, four diodes in a bridge formation will also produce a full-wave d.c. voltage output. • An equivalent three phase bridge requires six diodes for full-wave operation. A diode, having only two terminals, cannot control the size of the d.c. output from the rectifier. • For controlled rectification it is necessary to use a set of three-terminal devices such as thyristors (for high currents) or transistors (for low - medium currents).
  • 60.
  • 61.
    Three-phase controlled rectifierbridge circuit. • A basic a.c.-d.c. control circuit using a thyristor switch is shown in the next slide. Compared with a diode, a thyristor has an extra (control) terminal called the gate (G). • The thyristor will only conduct when the anode is positive with respect to the cathode and a brief trigger voltage pulse is applied between gate and cathode (gate must be more positive than cathode). • Gate voltage pulses are provided by separate electronic circuit and the pulse timing decides the switch-on point for the main (load) current. The load current is therefore rectified to d.c. (by diode action) and controlled by delayed switching. • In this circuit an inductor coil (choke) smooth the d.c. load current even though the d.c. voltage is severely chopped by the thyristor switching action. • An alternative to the choke coil is to use a capacitor across the rectifier output which smooths the d.c. voltage. Full wave controlled rectification from a three-phase a.c. supply is achieved in a bridge Circuit with six thyristors a shown
  • 62.
    Three-phase controlled rectifierbridge circuit. • The equivalent maximum d.c. voltage output is taken to be about 600 V as it has a six-pulse ripple effect due to the three-phase input waveform. • Controlled inversion process - A d.c. voltage can be inverted (switched) repeatedly from positive to negative to form an alternating (u.c.) voltage by using a set of thyristor (or transistor) switches. A controlled three-phase thyristor bridge inverter is shown • The inverter bridge circuit arrangement is exactly the same as that for the rectifier. Here, the d.c. voltage is sequentially switched onto the three output lines. The rate of switching determines the output frequency. • For a.c. motor control, the line currents are directed into (and out of) the windings to produce a rotating stator flux wave which interacts with the rotor to produce torque. • The processes of controlled rectification and inversion are used in converters that are designed to match the drive motor.
  • 63.
    Three-phase inverter circuitand a.c. synchronous motor
  • 64.
    Converter Types The principaltypes of motor control converters are: - >a.c.-d.c. (controlled rectifier for d.c. motors) . a.c.-d.c.-a.c. (PWM for induction motors) - >a.c.- d.c.-a.c. (synchroconverter or synchronous motors) . -> d.c.-a.c. (cycloconverter for synchronous motors) These are examined below: a.c.- d.c. converter • This is a three phase a.c. controlled rectification circuit for a d.c. motor drive. • Two converters of different power ratings are generally used for the separate control of the armature current and the field current which produces the magnetic flux . • Some systems may have a fixed field current which means that the field supply only requires an uncontrolled diode bridge
  • 65.
    Converter Types • Shaftrotation can be achieved by reversing either the field current or the armature current direction. • Ship applications for such a drive would include cable-laying, offshore drilling, diving and supply, ocean survey and submarines. a.c.- d.c.-a.c. PWM converter • This type of converter is used for induction motor drives and uses transistors as the switching devices. • Unlike thyristors, a transistor can be turned on and off by a control signal and at a high switching rate (e.g. at 20 kHz in a PWM converter). • The input rectifier stage is not controlled so is simpler and cheaper but the converter will not be ablg to allow power from the motor load to be regenerated back into the mains supply during a braking operation.
  • 66.
  • 67.
    PWM converter anda.c. induction motor
  • 68.
    Converter Types • Froma 440 Y a.c. supply, the rectified d.c. (link) voltage will be smoothed by the capacitor to approximately 600 V. • The d.c. voltage is chopped into variablewidth, but constant level, voltage pulses in the computer controlled inverter section using IGBTs (insulated gate bipolar transistors). • This process is called pulse width modulation or PWM. By varying the pulse widths and polarity of the d.c. voltage it is possible to generate an averaged sinusoidal ac. output over a wide range of frequencies typically 0.5-120Hz. • Due to the smoothing effect of the motor inductance, the motor currents appear to be nearly sinusoidal in shape. • By sequentially directing the currents into the three stator windings, a reversible rotating magnetic field is produced with its speed set by the output frequency of the PWM converter.
  • 69.
    Converter Types • Accuratecontrol of shaft torque, acceleration time and resistive braking are a few of the many operational parameters that can be programmed into the VSD,usually via a hand-held unit. • The VSD can be closelv tuned to the connected motor drive to achieve optimum control and protection limits for the overall drive. • • Speed regulation against load changes is very good and can be made very precise by the addition of feedback from a shaft speed encoder. • VSDs, being digitally controlled, can be easily networked to other computer devices e.g. programmable logic controllers (PLCs) for overall control of a complex process.
  • 70.
    Converter Types a.c.*d.c.+a.c. synchroconverter •This type of convert is used for large a.c. synchronous motor drives (called a synchrodrive) and I is applied very successfully to marine electric propulsion. • A synchroconverter has controlled rectifier and inverter stages which both rely on natural turn-off (line commutation) for the thyristors by the three phase a.c. voltages at either end of the converter. • Between the rectification and inversion stages is a current- smoothing reactor coil forming the d.c. link. • An operational similarity exists between a svnchrodrive and a d.c. motor drive. DC link synchroconverter and a dc motor drive.
  • 71.
  • 72.
  • 73.
    Converter Types • Thisview considers the rectifier stage as a controlled d.c. supply and the inverter/synchronous motor combination as a d.c. motor. with the switching inverter acting as a static commutator. • The combination of controlled rectifier and d.c. link is considered to be a current source for the inverter whose task is then to sequentially direct blocks of the current into the motor windings • The size of the d.c. current is set by the controlled switching of the rectifier thyristors. • Motor supply frequency (and hence its speed) is set by the rate of inverter switching. • The six inverter thyristors provide six current pulses per cycle (known as a six-pulse converter)
  • 74.
    Converter Types • Asimplified understanding of synchroconverter control is that the current source (controlled rectification stage) provides the required motor torque and the inverter stage controls the required speed. • To provide the motor e.m.f. which is necessary for natural commutation of the inverter thyristors, the synchronous motor must have rotation and magnetic flux in its rotor poles. • During normal running, the synchronous motor is operated with a power factor of about 0.9 leading (by field excitation control) to assist the line commutation of the inverter thyristors. • The d.c. rotor field excitation is obtained from a separate controlled thvristor rectification circuit.
  • 75.
    Converter Types • Asthe supply (network) and machine bridges are identical and are both connected to a three- phase a.c. voltage source, there roles can be switched into reverse. • This is useful to allow the regeneration motor power back into the mains power supply which provides an electric braking torque during a crash stop of the ship.
  • 76.
    Cycloconverter circuit andoutput voltage waveform.
  • 77.
    Converter Types a.c.- a.c.cycloconverter • While a synchroconverter is able to provide an output frequency range typically up to twice that of the mains input (e.g. up to 120 Hz), a cycloconverter is restricted to a much lower range. • This is limited to less than one thtird of the supply frequency (e.g. up to 20 Hz) which is due to the way in which this type of converter produces the a.c. output voltage waveform. • Ship ropulsion shaft speeds are typically in the range of 0-145 rev/min which can easily be achieved by the low frequency output range of a cycloconverter to a multi-pole synchronous motor. • Power regeneration from the motor back into the main power supply is available. A conventional three phase converter from a.c. to d.c. can be controlled so that the average output voltage can be increased and decreased from zero to maximum within a half-cycle period of he sinusoidal a.c. input.
  • 78.
    Converter Types • By connecting two similar converters back-to-back in each line an a.c. output frequency is obtained. • The switching pattern for the thyristors varies over the frequency range which requires a complex computer program for converter control. • The corresponding current waveform shape (not shown) will be more sinusoidal due to the smoothing effect of motor and line inductance. • The output voltage has ripple content which gets as the output frequency it is this feature that limits useful frequency. • There is no connection between the three motor windings because the line converters have to be isolated from each other to operate correctly to obtain line commutation (natural) switching of the thvristors. • The converters may be directly supplied from the HV line but it is more usual to interpose step-down transformers. This reduces the motor voltage and its required insulation level while also providing additional line impedance to limit the size of prospective fault current and harmonic voltage distortion at the main supply bus-bar.
  • 79.
    Twin Shaft ELPropulsion
  • 80.
  • 81.
  • 82.
  • 83.
    Drill Ship ElectricalSystem Layout
  • 84.
    The future • Propulsionof ships by help of standard diesel engines usually gives a non-optimal utilization of the energy. • Today an increased use of diesel electrical propulsion of ships can be seen. New power electronics and electrical machines will be developed for propulsion and thrusters, as well as other application on board. • Knowledge has to be developed about how such large motor drives will influence the autonomous power systems on-board. • Even development of new integrated electrical systems for replacement of hydraulic systems (top- side as well as sub-sea) are becoming areas of need.
  • 85.
    Typical system ofall electrical ship • Generator sets complete with prime movers and engine controls • HV/LV Switchboards, distribution systems and group starter boards • Propulsion and thruster motors complete with power electronic variable speed drives • Power conversion equipment • Shaft braking • Power factor correction and harmonic filters • (as necessary) • Power management • Machinery control and surveillance • Dynamic positioning and joystick control • Machinery control room and bridge consoles • Setting to work and commissioning • Operator training
  • 86.
    Future electrical ship •Future HV ships systems at sea may require voltages up to 13.8 kV to minimize fault levels • It is therefore essential that all Marine Engineering personnel are trained in safe working practices for these voltages. • The Electrical officers of the near future must be fully trained to carry out maintenance and defect rectification on Medium Voltage (MV) systems. • This will mean a considerable increase in the electrical content of all training. • Training will also need to be given to non-technical personnel to ensure everybody is aware of the dangers of these higher voltages.
  • 87.