Project of Study
of Fire Fighting Systems
A Project Report
Bachelor OF Mechanical Engineering And
Technology
Submitted By
Syed Naqash Kazmi
Waqar Mehmood
Anzar Shafi
Project Supervisor:
Farhan Manzoor
Department of Technology
PIMSAT UNIVERSITY
Study of
Fire Fighting Systems
THIS PROJECT IS SUBMITTED TO
PIMSAT institute of higher education for
The partial fulfillment of the requirements for
awarding the degree of Bachelor of Mechanical
Engineering And Technology
Assigned by: _____________________________
Faculty Member’s Signature
Internal Examiner
Sign: ____________________
Name: ___________________
External Examiner
Sign: ____________________
Name:____________________
Acknowledgment And Dedication
We would all like to thank our project supervisor Mr. Farhan Manzoor for providing us
the opportunity to work under his supervision. He provided us with all the required
resources, support and guidance at every step to complete this project. His enormous help
allowed us to keep moving on and finish this project well in time. This project would not
have been possible without his help.
We'd like to make special acknowledgement for one of our brother Mr. Waqar Kazmi
for providing significant help during the entire course of this project.
Finally, yet importantly, we would like to express our heartfelt gratitude to our
beloved parents for their blessings, to our friends/classmates for their help and wishes for
the successful completion of this project.
Abstract
In introductory chapter discusses the complexities of relationship between humans
and fire and the status of human efforts of control the disastrous effects of fire. A
subsequent section examines characteristics and behaviour of fire, with a special note on
smoke movement in building the text covers these topics regarding fire hazard : Fire
hazard of specific materials such as wood , fibers and explosives. Industrial and process
fire hazard (e.g solvent extraction) special fire protection and prevention issues regarding
indoor and outdoor storage practices, material handling equipments, electrostatics
ignition sources ,etc. Fire safety in building design and construction , with attention to
high rise structures. Fire hazards in building services (e.g air conditioning and electrical
appliance system and the hazards of various types of occupied structure including
residential business industrial and educational.The role and responsibilities of public fire
departments and water supplies and facilities for fire protection are examined. Several
sections offer detailed discussions of fire protection devices and systems including fire
alarms, detection devices guard services, Extinguishing agents, water sprinklers, special
systems and portable fire extinguishers. A chapter on fire hazards in rail rapid transit
system is include.
Copyright Statement
ALL RIGHTS RESERVED. This project (study of fire fighting) contains material
protected under PIMSAT university. Any unauthorized persons reprint or use of this
material is prohibited. No part of this project may be reproduced or transmitted in any
form or by any means, electronic or mechanical, including photocopying, recording, or by
any information storage and retrieval system without express written permission from the
author / publisher.
TABLE OF CONTENTS
Chapter 1
Fire Fighting Systems
1.1 Introduction 1
1.2 Historical Background 10
1.3 Types of Fire Fighting System 13
Chapter 2
Fire Hydrant System
2.1 Introduction 14
2.2 Components of Fire Hydrant System 14
2.3 Designing of Fire Hydrant System 15
2.3.1 Drawing And Bill of Quantity 17
2.3.2 Standard of Designing 20
2.3.3 Hydraulic calculation 21
Chapter 3
Fire Sprinkler System
3.1 Introduction 23
3.2 Components of Fire Sprinkler System 24
3.3 Designing of Fire Sprinkler System 24
3.3.1 Drawing And Bill of Quantity 25
3.3.2 Standard of Designing 27
3.3.3 Hydraulic calculation 29
Chapter 4
Fire Alarm System
4.1 Introduction 30
4.2 Components of Fire Alarm System 30
4.3 Designing of Fire Alarm System 30
4.3.1 Drawing And Bill of Quantity 36
Chapter 5
Fire Deluge System
5.1 Introduction 38
5.2 Components of Fire Deluge System 38
5.3 Designing of Fire Deluge System 39
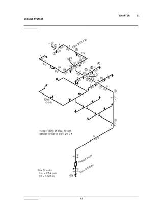
5.3.1 Drawing And Bill of Quantity 40
5.3.2 Standard of Designing 41
5.3.3 Designing calculation 42
Chapter 6
Foam Top Pourer System
6.1 Introduction 66
6.2 Components of Foam Top Pourer System 66
6.3 Designing of Foam Top Pourer System 66
6.3.1 Drawing And Bill of Quantity 67
6.3.2 Standard of Designing 69
6.3.3 Designing calculation Method 69
Chapter 7
Foam VESDA System
7.1 Introduction 70
7.2 Components of VESDA System 70
7.3 Designing of VESDA System 70
7.3.1 Drawing And Bill of Quantity 71
7.3.2 Standard of Designing 73
Chapter 8
Foam FM200 System
8.1 Introduction 74
8.2 Components of FM200 System 74
8.3 Designing of FM200 System 75
8.3.1 Drawing And Bill of Quantity 75
8.3.2 Standard of Designing 79
Chapter 9
Foam CO2 System
9.1 Introduction 81
9.2 Components of CO2 System 81
9.3 Designing of CO2 System 82
9.3.1 Drawing And Bill of Quantity 85
9.3.2 Standard of Designing 91
CHAPTER NO 1. STUDY OF FIRE FIGHTING SYSTEMS
__________________________________________________________________________________
________________________________________________________________________________________________
1
1.1Introduction
Firefighting is the act of extinguishing fires. A firefighter fights fires to prevent loss of
life, and/or destruction of property and the environment. Firefighting is a highly technical
skill that requires professionals who have spent years training in both general firefighting
techniques and specialized areas of expertise.
Ancient Rome
There was no public fire-fighting in the Roman Republic. Instead, private individuals
would rely upon their slaves or supporters to take action. This action could involve razing
nearby buildings to prevent the spread of fire as well as bucket brigades. The very
wealthy Marcus Licinius Crassus was infamous for literal fire sales. He would buy
burning buildings, and those adjacent to them at low prices, and rebuild them using his
team of 500 slaves. However there is no mention of the men extinguishing the fires.
There was not an organized fire-fighting force in ancient Rome until Augustus's era.
United Kingdom
Prior to the Great Fire of London in 1666, some parishes in the UK had begun to organise
rudimentary firefighting. After much of London was destroyed, the first fire insurance
was introduced by a man named Nicholas Barbon. To reduce the cost, Barbon formed his
own Fire Brigade, and eventually there were many other such companies. By the start of
the 1800s, those with insurance were given a badge or mark to attach to their properties,
indicating that they were eligible to utilize the services of the fire brigade. Other
buildings with no coverage or insurance with a different company were left to burn
unless they were adjacent to an insured building in which case it was often in the
insurance company's interest to prevent the fire spreading.
In 1833, companies in London merged to form The London Fire Company Establishment.
Steam powered apparatuses were first introduced in the 1850s, allowing a greater
quantity of water to be directed onto a fire.
The steam powered appliances were replaced in the early 1900s with the invention of the
internal combustion engine.
Firefighters' duties
Firefighters' goals are to save lives, property and the environment. A fire can rapidly
spread and endanger many lives; however, with modern firefighting techniques,
catastrophe is usually, but not always, avoided. To prevent fires from starting, a
firefighter's duties can include public education about fire safety and conducting fire
inspections of locations for their adherence to local fire codes.
Because firefighters are often the first responders to people in critical conditions,
firefighters may provide many other valuable services to the community they serve, such
as:
Emergency medical services, as technicians or as licensed paramedics, staffing
ambulances;
CHAPTER NO 1. STUDY OF FIRE FIGHTING SYSTEMS
__________________________________________________________________________________
________________________________________________________________________________________________
2
Hazardous materials mitigation (HAZMAT);
Vehicle rescue/extrication;
Search and rescue;
Community disaster support.
Fire risk assessments
Additionally, firefighters may also provide service in specialized fields, such as:
Aircraft/airport rescue;
Wildland fire suppression;
Shipboard and military fire and rescue;
Tactical paramedic support ("SWAT medics");
Tool hoisting;
High angle rope rescue;
Swiftwater rescue.
Trench rescue
Confined space rescue
Building collapse
Cold water rescue
In the US, firefighters also serve the Federal Emergency Management Agency (FEMA)
as urban search and rescue (USAR) team members.
Hazards caused by fire
One of the major hazards associated with firefighting operations is the toxic environment
created by combusting materials. The four major hazards associated with these situations
are as follows:
Smoke, which is becoming increasingly dangerous due to the rise in synthetic
household materials.
Oxygen deficient atmosphere, 21% O2 is normal, 19.5% O2 is considered oxygen
deficient.
Elevated temperatures
Toxic atmospheres
To combat these potential effects, firefighters carry self-contained breathing apparatus
(SCBA; an open-circuit positive pressure compressed air system) to prevent smoke
inhalation. These are not oxygen tanks; they carry compressed air. SCBA usually hold 30
to 45 minutes of air, depending upon the size of the tank and the rate of consumption
during strenuous activities.
CHAPTER NO 1. STUDY OF FIRE FIGHTING SYSTEMS
__________________________________________________________________________________
________________________________________________________________________________________________
3
Obvious risks are associated with the immense heat. Even without direct contact with the
flames (direct flame impingement), conductive heat can create serious burns from a great
distance. There are a number of comparably serious heat-related risks: burns from
radiated heat, contact with a hot object, hot gases (e.g., air), steam and hot and/or toxic
smoke. Firefighters are equipped with personal protective equipment (PPE) that includes
fire-resistant clothing (Nomex or polybenzimidazole fiber (PBI)) and helmets that limit
the transmission of heat towards the body. No PPE, however, can completely protect the
user from the effects of all fire conditions.
Heat can make flammable liquid tanks violently explode, producing what is called a
BLEVE (boiling liquid expanding vapor explosion).[4] Some chemical products such as
ammonium nitrate fertilizers can also explode. Explosions can cause physical trauma or
potentially serious blast or shrapnel injuries.
Heat causes human flesh to burn as fuel, or the water within to boil, causing potentially
severe medical problems. Depending upon the heat of the fire, burns can occur in a
fraction of a second.
Main article: Burn
Additional risks of fire include the following:
smoke can obscure vision, potentially causing a fall, disorientation, or becoming trapped
in the fire;
structural collapse.
According to a University News Bureau Life Sciences article reported by News Editor
Sharita Forest and photographed by L. Brian Stauffer, from the Website of the University
of Illinois at Urbana-Champaign,: "Three hours of fighting a fire stiffens arteries and
impairs cardiac function in firefighters, according to a new study by Bo Fernhall, a
professor in the department of kinesiology and community health in the College of
Applied Health Sciences, and Gavin Horn, director of research at the Illinois Fire Service
Institute. The conditions (observed in healthy male firefighters) are "also apparently
found in weightlifters and endurance athletes...
Reconnaissance and reading the fire
The first step of a firefighting operation is a reconnaissance to search for the origin of the
fire (which may not be obvious for an indoor fire, especially when there are no witnesses),
and identification of the specific risks and any possible casualties. Any fire occurring
outside may not require reconnaissance; on the other hand, a fire in a cellar or an
underground car park with only a few centimeters of visibility may require a long
reconnaissance to identify the seat of the fire.
The "reading" of the fire is the analysis by the firefighters of the forewarnings of a
thermal accident (flashover, backdraft, smoke explosion), which is performed during the
reconnaissance and the fire suppression maneuvers. The main signs are:
Hot zones, which can be detected with a gloved hand, especially by touching a door
before opening it;
CHAPTER NO 1. STUDY OF FIRE FIGHTING SYSTEMS
__________________________________________________________________________________
________________________________________________________________________________________________
4
Soot on windows, which usually means that combustion is incomplete and thus there is a
lack of air;
Smoke going in and out around a door frame, as if the fire breathes, which usually means
a lack of air to support combustion;
Spraying water on the ceiling with a short pulse of a diffused spray (e.g., cone with an
opening angle of 60°) to test the heat of the smoke:
When the temperature is moderate, the water falls down in drops with a sound of rain,
When the temperature is high, it vaporizes with a hiss — this can be the sign of an
extremely dangerous impending flashover
Ideally, part of reconnaissance is to consult an existing preplan for the building. This
provides knowledge of existing structures, firefighter hazards, and can include strategies
and tactics.
Science of extinguishment
See also: Fire Chemistry and Physical properties of wildfires
Fire elements
There are four elements needed to start and sustain a fire and/or flame. These elements
are classified in the “fire tetrahedron” and are:
1. Reducing agent (fuel)
2. Heat
3. Oxidizing agent (oxygen)
4. Chemical Reaction
The reducing agent, or fuel, is the substance or material that is being oxidized or burned
in the combustion process. The most common fuels contain carbon along with
combinations of hydrogen and oxygen. Heat is the energy component of the fire
tetrahedron. When heat comes into contact with a fuel, it provides the energy necessary
for ignition, causes the continuous production and ignition of fuel vapors or gases so that
the combustion reaction can continue, and causes the vaporization of solid and liquid
fuels. The self-sustained chemical chain reaction is a complex reaction that requires a fuel,
an oxidizer, and heat energy to come together in a very specific way. An oxidizing agent
is a material or substance that when the proper conditions exist will release gases,
including oxygen. This is crucial to the sustainment of a flame or fire.
A fire helicopter is used to fight a wildfire 03204490316
A fire can be extinguished by taking away any of the four components of the tetrahedron.
One method to extinguish a fire is to use water. The first way that water extinguishes a
fire is by cooling, which removes heat from the fire. This is possible through water’s
ability to absorb massive amounts of heat by converting water to water vapor. Without
heat, the fuel cannot keep the oxidizer from reducing the fuel to sustain the fire. The
second way water extinguishes a fire is by smothering the fire. When water is heated to
its boiling point, it converts to water vapor. When this conversion takes place, it dilutes
CHAPTER NO 1. STUDY OF FIRE FIGHTING SYSTEMS
__________________________________________________________________________________
________________________________________________________________________________________________
5
the oxygen in the air with water vapor, thus removing one of the elements that the fire
requires to burn. This can also be done with foam.
Another way to extinguish a fire is fuel removal. This can be accomplished by stopping
the flow of liquid or gaseous fuel or by removing solid fuel in the path of a fire. Another
way to accomplish this is to allow the fire to burn until all the fuel is consumed, at which
point the fire will self-extinguish.
One final extinguishing method is chemical flame inhibition. This can be accomplished
through dry chemical and halogenated agents. These agents interrupt the chemical chain
reaction and stop flaming. This method is effective on gas and liquid fuels because they
must flame to burn.
Use of water
Airmen from the 20th Civil Engineer Squadron Fire Protection Flight neutralize a live
fire during a field training exercise at Shaw Air Force Base.
Often, the main way to extinguish a fire is to spray with water. The water has two roles:
in contact with the fire, it vaporizes, and this vapour displaces the oxygen (the volume of
water vapour is 1,700 times greater than liquid water, at 1,000°F (540°C) this expansion
is over 4,000 times); leaving the fire with insufficient combustive agent to continue, and
it dies out.
the vaporization of water absorbs the heat; it cools the smoke, air, walls, objects in the
room, etc., that could act as further fuel, and thus prevents one of the means that fires
grow, which is by "jumping" to nearby heat/fuel sources to start new fires, which then
combine.
The extinguishment is thus a combination of "asphyxia" and cooling. The flame itself is
suppressed by asphyxia, but the cooling is the most important element to master a fire in
a closed area.
Water may be accessed from a pressurized fire hydrant, pumped from water sources such
as lakes or rivers, delivered by tanker truck, or dropped from aircraft tankers in fighting
forest fires. In China, a firefighting tank equipped with water and foam retardant guns is
deployed in cases where access to the area is difficult.
Open air fire
For fires in the open, the seat of the fire is sprayed with a straight spray: the cooling effect
immediately follows the "asphyxia" by vapor[citation needed], and reduces the amount of
water required. A straight spray is used so the water arrives massively to the seat without
being vaporized before. A strong spray may also have a mechanical effect: it can disperse
the combustible product and thus prevent the fire from starting again.
The fire is always fed with air, but the risk to people is limited as they can move away,
except in the case of wildfires or bushfires where they risk being easily surrounded by the
flames.
Spray is aimed at a surface, or object: for this reason, the strategy is sometimes called
two-dimensional attack or 2D attack.
CHAPTER NO 1. STUDY OF FIRE FIGHTING SYSTEMS
__________________________________________________________________________________
________________________________________________________________________________________________
6
It might be necessary to protect specific items (house, gas tank, etc.) against infrared
radiation, and thus to use a diffused spray between the fire and the object.
Breathing apparatus is often required as there is still the risk of inhaling smoke or
poisonous gases.
Closed volume fire
Until the 1970s, fires were usually attacked while they declined, so the same strategy that
was used for open air fires was effective. In recent times, fires are now attacked in their
development phase as:
firefighters arrive sooner;
Thermal insulation of houses confines the heat;
modern materials, especially the polymers, produce a lot more heat than traditional
materials (wood, plaster, stone, bricks, etc.).
Additionally, in these conditions, there is a greater risk of backdraft and of flashover.
Spraying of the seat of the fire directly can have unfortunate and dramatic consequences:
the water pushes air in front of it, so the fire is supplied with extra oxygen before the
water reaches it. This activation of the fire, and the mixing of the gases produced by the
water flow, can create a flashover.[citation needed]
The most important issue is not the flames, but control of the fire, i.e., the cooling of the
smoke that can spread and start distant fires, and that endangers the lives of people,
including firefighters. The volume must be cooled before the seat is treated. This strategy
originally of Swedish (Mats Rosander & Krister Giselsson) origin, was further adapted by
London Fire Officer Paul Grimwood following a decade of operational use in the busy
West End of London between 1984–94 (www.firetactics.com) and termed
three-dimensional attack, or 3D attack.
Use of a diffused spray was first proposed by Chief Lloyd Layman of the Parkersburg
Fire Department, at the Fire Department Instructors Conference (FDIC) in 1950 held in
Memphis.
Using Grimwood's modified 3D attack strategy, the ceiling is first sprayed with short
pulses of a diffused spray:
it cools the smoke, thus the smoke is less likely to start a fire when it moves away;
cooler gas become more dense (Charles's law), thus it also reduces the mobility of the
smoke and avoids a "backfire" of water vapour;
it creates an inert "water vapour sky", which prevents roll-over (rolls of flames on the
ceiling created by the burning of hot gases).
Only short pulses of water must be sprayed, otherwise the spraying modifies the
equilibrium, and the gases mix instead of remaining stratified: the hot gases (initially at
the ceiling) move around the room and the temperature rises at the ground, which is
dangerous for firefighters. An alternative is to cool all the atmosphere by spraying the
whole atmosphere as if drawing letters in the air ("penciling").
CHAPTER NO 1. STUDY OF FIRE FIGHTING SYSTEMS
__________________________________________________________________________________
________________________________________________________________________________________________
7
The modern methods for an urban fire dictate the use of a massive initial water flow, e.g.
500 L/min for each fire hose. The aim is to absorb as much heat as possible at the
beginning to stop the expansion of the fire, and to reduce the smoke. When the flow is too
small, the cooling is not sufficient, and the steam that is produced can burn firefighters
(the drop of pressure is too small and the vapor is pushed back). Although it may seem
paradoxical, the use of a strong flow with an efficient fire hose and an efficient strategy
(diffused sprayed, small droplets) requires a smaller amount of water: once the
temperature is lowered, only a limited amount of water is necessary to suppress the fire
seat with a straight spray. For a living room of 50 m² (60 square yards), the required
amount of water is estimated as 60 L (15 gal).
French firefighters used an alternative method in the 1970s: they sprayed water on the hot
walls to create a water vapour atmosphere and asphyxiate the fire. This method is no
longer used because it was risky; the pressure created pushed the hot gases and vapour
towards the firefighters, causing severe burns, and pushed the hot gases into other rooms
where they could start a new fire.
Asphyxiating a fire
In some cases, the use of water is undesirable:
some chemical products react with water and produce poisonous gases, or even burn in
contact with water (e.g., sodium);
some products float on water, e.g., hydrocarbons (gasoline, oil, alcohol, etc.); a burning
layer can then spread and extend;
in case of a pressurised fuel tank, it is necessary to avoid heat shocks that may damage
the tank: the resulting decompression may produce a BLEVE;
electrical fires where water would act as a conductor.
It is then necessary to asphyxiate the fire. This can be done in different ways:
some chemical products react with the fuel and stop the combustion;
a layer of water-based fire retardant foam is projected on the product by the fire hose, to
keep the oxygen in air separated from the fuel;
using carbon dioxide, halon, or sodium bicarbonate;
in the case of very small fires, &/or in the absence of other extinguishing agents, literal
'blanketing' of the flames can eliminate oxygen flow to the fire. A simple, and usually
effective, way to put out a stove-top pan whose contents have become ignited is to put a
lid on the pan and leave it there.
Tactical ventilation or isolation of the fire
One of the main risks of a fire is the smoke: it carries heat and poisonous gases, and
obscures vision. In the case of a fire in a closed location (building), two different
strategies may be used: isolation of the fire, or ventilation.
Paul Grimwood introduced the concept of tactical ventilation in the 1980s to encourage a
better thought-out approach to this aspect of firefighting. Following work with
CHAPTER NO 1. STUDY OF FIRE FIGHTING SYSTEMS
__________________________________________________________________________________
________________________________________________________________________________________________
8
Warrington Fire Research Consultants (FRDG 6/94) his terminology and concepts were
adopted officially by the UK fire services, and are now referred to throughout revised
Home Office training manuals (1996–97).
Grimwood's original definition of his 1991 unified strategy stated that, "tactical
ventilation is either the venting, or containment (isolation) actions by on-scene
firefighters, used to take control from the outset of a fire's burning regime, in an effort to
gain tactical advantage during interior structural firefighting operations."
Ventilation affects life safety, fire extinguishment, and property conservation. First, it
pulls fire away from trapped occupants when properly used. In most cases of structural
firefighting a 4x4 foot opening is cut into the roof directly over the fire room. This allows
hot smoke and gases to escape through the opening returning the conditions of the room
to normal. It is important that ventilation is coordinated with interior fire attack as the
opening of a ventilation hole will give the fire air.[clarification needed] It may also "limit
fire spread by channeling fire toward nearby openings and allows fire fighters to safely
attack the fire" as well as limit smoke, heat, and water damage.[8]
Positive pressure ventilation (PPV) consists of using a fan to create excess pressure in a
part of the building; this pressure will push the smoke and the heat out of the building,
and thus secure the rescue and fire fighting operations. It is necessary to have an exit for
the smoke, to know the building very well to predict where the smoke will go, and to
ensure that the doors remain open by wedging or propping them. The main risk of this
method is that it may accelerate the fire, or even create a flashover, e.g., if the smoke and
the heat accumulate in a dead end.
Hydraulic ventilation is the process of directing a stream from the inside of a structure out
the window using a fog pattern.[4] This effectively will pull smoke out of room. Smoke
ejectors may also be used for this purpose.
Categorising fires
In the US, fires are sometimes categorised as "one alarm", "all hands", "two alarm",
"three alarm" (or higher) fires. There is no standard definition for what this means
quantifiably, though it always refers to the level response by the local authorities. In some
cities, the numeric rating refers to the number of fire stations that have been summoned to
the fire. In others, the number counts the number of "dispatches" for additional personnel
and equipment.
Alarms are generally used to define the tiers of the response by what resources are used.
Example:
Structure fire response draws the following equipment:
3 Engine/Pumper Companies
1 Truck/ladder/aerial Company
Heavy Rescue
This is referred to as an Initial Alarm or Box Alarm.
Working fire request (for the same incident)
CHAPTER NO 1. STUDY OF FIRE FIGHTING SYSTEMS
__________________________________________________________________________________
________________________________________________________________________________________________
9
Air/Light Units
Other specialized rescue units
Chief Officers/Fireground Commanders (if not on original dispatch)
Note: This is the balance of a First Alarm fire.
Second and subsequent Alarms:
2 Engine Companies
1 Truck Company
The reason behind the "Alarm" is so the Incident Commander doesn't have to request
each apparatus with the dispatcher. He can say "Give me a second alarm here", instead of
saying "Give me a truck company and two engine companies" along with requesting
where they come from.
Keep in mind that categorization of fires varies between each fire department. A single
alarm for one department may be a second alarm for another. Response always depends
on the size of the fire and the department.
CHAPTER NO 1. STUDY OF FIRE FIGHTING SYSTEMS
__________________________________________________________________________________
________________________________________________________________________________________________
10
1.2Historical Background (1976-1989)
The history of organized firefighting began in ancient Rome while under the rule of
Augustus.[1] Prior to that, there is evidence of fire-fighting machinery in use in Ancient
Egypt, including a water pump invented by Ctesibius of Alexandria in the third century
BC which was later improved upon in a design by Hero Of Alexandria in the first century
BC.
Rome:
The first Roman fire brigade of which we have any substantial history was created by
Marcus Licinius Crassus. Marcus Licinius Crassus was born into a wealthy Roman
family around the year 115 BC, and acquired an enormous fortune through (in the words
of Plutarch) "fire and rapine." One of his most lucrative schemes took advantage of the
fact that Rome had no fire department. Crassus filled this void by creating his own
brigade—500 men strong—which rushed to burning buildings at the first cry of alarm.
Upon arriving at the scene, however, the fire fighters did nothing while their employer
bargained over the price of their services with the distressed property owner. If Crassus
could not negotiate a satisfactory price, his men simply let the structure burn to the
ground, after which he offered to purchase it for a fraction of its value. Augustus took the
basic idea from Crassus and then built on it to form the Vigiles in AD 6[contradictory] to
combat fires using bucket brigades and pumps, as well as poles, hooks and even ballistae
to tear down buildings in advance of the flames. The Vigiles patrolled the streets of Rome
to watch for fires and served as a police force. The later brigades consisted of hundreds of
men, all ready for action. When there was a fire, the men would line up to the nearest
water source and pass buckets hand in hand to the fire.
Rome suffered a number of serious fires, most notably the fire on 19 July AD 64 and
eventually destroyed two thirds of Rome.
Europe:
In Europe, firefighting was quite rudimentary until the 17th century. In 1254, a royal
decree of King Saint Louis of France created the so-called guet bourgeois ("burgess
watch"), allowing the residents of Paris to establish their own night watches, separate
from the king's night watches, to prevent and stop crimes and fires. After the Hundred
Years' War, the population of Paris expanded again, and the city, much larger than any
other city in Europe at the time, was the scene of several great fires in the 16th century.
As a consequence, King Charles IX disbanded the residents' night watches and left the
king's watches as the only one responsible for checking crimes and fires.
London suffered great fires in 798, 982, 989, 1212 and above all in 1666 (Great Fire of
London). The Great Fire of 1666 started in a baker's shop on Pudding Lane, consumed
about two square miles (5 km²) of the city, leaving tens of thousands homeless. Prior to
this fire, London had no organized fire protection system. Afterwards, insurance
CHAPTER NO 1. STUDY OF FIRE FIGHTING SYSTEMS
__________________________________________________________________________________
________________________________________________________________________________________________
11
companies formed private fire brigades to protect their clients’ property. Insurance
brigades would only fight fires at buildings the company insured. These buildings were
identified by fire insurance marks. The key breakthrough in firefighting arrived in the
17th century with the first fire engines. Manual pumps, rediscovered in Europe after 1500
(allegedly used in Augsburg in 1518 and in Nuremberg in 1657), were only force pumps
and had a very short range due to the lack of hoses. German inventor Hans Hautsch
improved the manual pump by creating the first suction and force pump and adding some
flexible hoses to the pump. In 1672, Dutch artist,and inventor Jan Van der Heyden's
workshop developed the fire hose. Constructed of flexible leather and coupled every 50
feet (15 m) with brass fittings. The length remains the standard to this day in mainland
Europe whilst in the UK the standard length is either 23m or 25m. The fire engine was
further developed by the Dutch inventor, merchant and manufacturer, John Lofting
(1659–1742) who had worked with Jan Van der Heyden in Amsterdam. Lofting moved to
London in or about 1688, became an English citizen and patented (patent number
263/1690) the "Sucking Worm Engine" in 1690. There was a glowing description of the
firefighting ability of his device in The London Gazette of 17 March 1691, after the issue
of the patent. The British Museum has a print showing Lofting's fire engine at work in
London, the engine being pumped by a team of men. In the print three fire plaques of
early insurance companies are shown, no doubt indicating that Lofting collaborated with
them in firefighting. A later version of what is believed to be one of his fire engines has
been lovingly restored by a retired firefighter, and is on show in Marlow
Buckinghamshire where John Lofting moved in 1700. Patents only lasted for fourteen
years and so the field was open for his competitors after 1704.
Richard Newsham of Bray in Berkshire (just 8 miles from Lofting) produced a similar
engine in 1725, patented it in America and cornered the market there.
Pulled as a cart to the fire, these manual pumps were manned by teams of men and could
deliver up to 160 gallons per minute (12 L/s) at up to 120 feet (36 m).
United States
In 1631 Boston's governor John Winthrop outlawed wooden chimneys and thatched
roofs.[3] In 1648, the New Amsterdam governor Peter Stuyvesant appointed four men to
act as fire wardens.[3] They were empowered to inspect all chimneys and to fine any
violators of the rules. The city burghers later appointed eight prominent citizens to the
"Rattle Watch" - these men volunteered to patrol the streets at night carrying large
wooden rattles.[3] If a fire was seen, the men spun the rattles, then directed the
responding citizens to form bucket brigades. On January 27, 1678 the first fire engine
company went into service with its captain (foreman) Thomas Atkins.[3] In 1736
Benjamin Franklin established the Union Fire Company in Philadelphia.[3]
George Washington was a volunteer firefighter in Alexandria, Virginia. In 1774, as a
member of the Friendship Veterans Fire Engine Company, he bought a new fire engine
and gave it to the town, which was its very first.[4] However the United States did not
have government-run fire departments until around the time of the American Civil War.
Prior to this time, private fire brigades compete with one another to be the first to respond
to a fire because insurance companies paid brigades to save buildings.[citation needed]
Underwriters also employed their own Salvage Corps in some cities. The first known
CHAPTER NO 1. STUDY OF FIRE FIGHTING SYSTEMS
__________________________________________________________________________________
________________________________________________________________________________________________
12
female firefighter Molly Williams took her place with the men on the dragropes during
the blizzard of 1818 and pulled the pumper to the fire through the deep snow.
On April 1st of 1853 Cincinnati OH became the first professional fire department by
being made up of 100% full-time, paid employees.
In 2010, 70 percent of firefighters in the United States were volunteer. Only 5% of calls
were actual fires. 65% were medical aid. 8% were false alarms
Modern Development
The first fire brigades in the modern sense were created in France in the early 18th
century. In 1699, a man with bold commercial ideas, François du Mouriez du Périer
(grandfather of French Revolution's general Charles François Dumouriez), solicited an
audience with King Louis XIV. Greatly interested in Jan Van der Heyden's invention, he
successfully demonstrated the new pumps and managed to convince the king to grant him
the monopoly of making and selling "fire-preventing portable pumps" throughout the
kingdom of France. François du Mouriez du Périer offered 12 pumps to the City of Paris,
and the first Paris Fire Brigade, known as the Compagnie des gardes-pompes (literally the
"Company of Pump Guards"), was created in 1716. François du Mouriez du Périer was
appointed directeur des pompes de la Ville de Paris ("director of the City of Paris's
pumps"), i.e. chief of the Paris Fire Brigade, and the position stayed in his family until
1760. In the following years, other fire brigades were created in the large French cities.
Around that time appeared the current French word pompier ("firefighter"), whose literal
meaning is "pumper." On March 11, 1733 the French government decided that the
interventions of the fire brigades would be free of charge. This was decided because
people always waited until the last moment to call the fire brigades to avoid paying the
fee, and it was often too late to stop fires. From 1750 on, the French fire brigades became
para-military units and received uniforms. In 1756 the use of a protective helmet for
firefighters was recommended by King Louis XV, but it took many more years before the
measure was actually enforced on the ground.
In North America, Jamestown, Virginia was virtually destroyed in a fire in January, 1608.
There were no full-time paid firefighters in America until 1850. Even after the formation
of paid fire companies in the United States, there were disagreements and often fights
over territory. New York City companies were famous for sending runners out to fires
with a large barrel to cover the hydrant closest to the fire in advance of the
engines.[citation needed] Often fights would break out between the runners and even the
responding fire companies for the right to fight the fire and receive the insurance money
that would be paid to the company that fought it.[citation needed] Interestingly, during
the 19th century and early 20th century volunteer fire companies served not only as fire
protection but as political machines. The most famous volunteer firefighter politician is
Boss Tweed, head of the notorious Tammany Hall political machine, who got his start in
politics as a member of the Americus Engine Company Number 6 ("The Big Six") in
New York City.
Napoleon Bonaparte, drawing from the century-old experience of the gardes-pompes, is
generally attributed as creating the first "professional" firefighters, known as
Sapeurs-Pompiers ("Sappers-Firefighters"), from the French Army. Created under the
CHAPTER NO 1. STUDY OF FIRE FIGHTING SYSTEMS
__________________________________________________________________________________
________________________________________________________________________________________________
13
Commandant of Engineers in 1810, the company was organized after a fire at the
ballroom in the Austrian Embassy in Paris which injured several dignitaries.
In the UK, the Great Fire of London in 1666 set in motion changes which laid the
foundations for organised firefighting in the future. In the wake of the Great Fire, the City
Council established the first fire insurance company, "The Fire Office", in 1667, which
employed small teams of Thames watermen as firefighters and provided them with
uniforms and arm badges showing the company to which they belonged.
However, the first organised municipal fire brigade in the world was established in
Edinburgh, Scotland, when the Edinburgh Fire Engine Establishment was formed in 1824,
led by James Braidwood. London followed in 1832 with the London Fire Engine
Establishment.
On April 1, 1853, the Cincinnati Fire Department became the first full-time paid
professional fire department in the United States, and the first in the world to use steam
fire engines. [1][dead link]
The first horse-drawn steam engine for fighting fires was invented in 1829, but not
accepted in structural firefighting until 1860, and ignored for another two years
afterwards. Internal combustion engine fire engines arrived in 1907, built in the United
States, leading to the decline and disappearance of steam engines by 1925.
1.3Types Of Fire Fighting Systems
There are many types of fire fighting systems and some important types of fire
fighting systems are following.
1. Fire Hydrant System
2. Fire Sprinkler System
3. Fire Alarm System
4. Deluge System
5. Foam Top pourer System
6. Vesda System
7. FM 200 System
8. CO2 Gas Suppression System
9. Fire Vehicle
CHAPTER 2. FIRE HYDRANT SYSTEM
__________________________________________________________________________________
________________________________________________________________________________________________
14
2.1Introduction
In spite of all chemical developments in the field of fire fighting, water still remains
the most economical and dependable fire extinguishing medium, due to no-cost factor
and continuity of supply.
A proper fire hydrant system ensures an adequate, un-interrupted water supply, under
sufficient pressure, at all strategic points of a building/factory in such a way that fire can
be attacked immediately, with minimum loss of time and with maximum efficiency.
2.2Components Of Fire Hydrant System
2.2.1 Sufficiently large water reservoir
2.2.2 Fire pump sets (Main and Standby)
2.2.3 Jockey pump set
2.2.4 Hydrant valves
2.2.5 Fire fighting hoses
2.2.6 Branch pipe with nozzles
2.2.7 Landing Valves
2.2.8 Hoses
2.2.9 Couplings
2.2.10 Hose Reels
2.2.11 Fire Brigade Connectors
2.2.12 Branch Pipes & Nozzles
CHAPTER 2. FIRE HYDRANT SYSTEM
__________________________________________________________________________________
________________________________________________________________________________________________
15
2.3Designing Of Fire Hydrant System
Aside from the general purpose of delivering water for fire fighting, the hydrant design
selected must be based on a number of operational elements. Some issues to consider
include:
How much water (GPM or L/min) is needed for fire fighting.
How many and what size hose connections are required.
The established hose sizes and coupling threads in the region.
Current (and future) configuration of fire apparatus.
Issues of clearance and visibility.
Operating characteristics of the hydrants.
Amount of head (static pressure) that is present in the system.
Climatic conditions in the area.
Generally speaking, water supply systems in residential areas should be designed to
deliver no less than 1000 GPM (3785 L/min) at each individual hydrant. In commercial
and multi-story apartment zones, this volume should increase based on the required fire
flows of the buildings being protected. If the required fire flows are several thousand
GPM, the required flow will usually have to be met by two or more hydrants flowing
simultaneously.
The operations of the fire department or fire brigade must be taken into consideration. In
instances where new hydrant systems are replacing poor or nonexistent systems, new fire
fighting approaches need to be developed to make proper use of the new system. Hydrant
designs should capably and easily provide necessary water to fire engines currently in
service as well as more modern fire engines which may be purchased in the future. For
example, a fire brigade may have smaller engines equipped with medium diameter hose
and 750 GPM (2850 L/min) pumps, however with a suitable water supply system, the
brigade may upgrade to engines equipped with large diameter hose and pumps with a
capacity of 1250 GPM (4732 L/min) or greater. Accordingly it may be appropriate to
specify fire hydrants which have medium diameter hose outlets as well as a large
diameter pumper outlet.
In the event of a major emergency, fire companies may be requested from multiple
jurisdictions. Hydrant outlet threads should meet the regional standard for compatibility
among all fire engines, regardless of origin. If no large diameter outlet size and thread has
been established, we recommend the 5" Storz configuration.
Hydrants need to be readily recognizable and accessible. Placement and installation
considerations should take into account the shape of the hydrant as well as the positions
of valves and outlets. Specific suggestions regarding hydrant placement are presented
later in this feature.
Hydrants must be simple and reliable to connect to and to operate. Operating nuts should
be pentagonal or triangular in design to reduce tampering by unauthorized persons.
CHAPTER 2. FIRE HYDRANT SYSTEM
__________________________________________________________________________________
________________________________________________________________________________________________
16
Discharge valves should be specified to open by turning counter-clockwise and close
clockwise. (Underground valves on water mains and on the hydrant branch line should
operate according to local or regional standards.)
Hydrant designs must be appropriate for the amount of head (static pressure) that is
applied to them. The minimum working pressure rating of any fire hydrant should be 150
p.s.i. Hydrants installed in higher pressure installations should be rated appropriately. All
fire hydrants should be static tested at twice the rated working pressure.
In temperate climates where hard freezing is not an issue, the most efficient hydrant
design is the "wet barrel" hydrant where valves are located above ground and can be
independently controlled. In colder climates, dry barrel hydrants will be required which
use a single operating valve that is located below ground in the base of the riser and
which charge all outlets simultaneously when turned on.
CHAPTER 2. FIRE HYDRANT SYSTEM
__________________________________________________________________________________
________________________________________________________________________________________________
17
2.3.1 Drawing And Bill Of Quantity
CHAPTER 2. FIRE HYDRANT SYSTEM
__________________________________________________________________________________
________________________________________________________________________________________________
18
S/#. DESCRIPTION & SPECIFICATIONS QTY.
M.S Pipe Dia 6”, Sch 40, Seamless 360’
M.S Pipe Dia 4” , Sch 40, Seamless 740’
Gate Valve 6”x 6” C.I, Flanged, 2 Nos
Gate Valve 4”x 4” C.I, Flanged, 01 Nos
Fire Hydrant, Pillar Type, with Inlet Flanged 4" size with Double
Deliveries 2½" Female Instantaneous
coupling with Blank cap and chain.
Firechief Brand
09 Nos
of steel sheet with glass front, size 48”x24”x10”, suitable to
accommodate Two length of Fire Hoses
2½"x100’ long and One nozzle. Firechief
Brand
09 Nos
Water Jet Nozzle, 18" Long, Firechief Brand, Inlet 2 ½”, Outlet
¾” Orifice
09 Nos
OR
TP-400Jet/Spray Fog Nozzle with 2½" male Instantaneous
Coupling, Firechief Brand
09
N
o
s
Fire Fighting Pump Electrically Driven:
Max. Output: 500 GPM,
Max. Pressure: 125 psi
Size (Suction): 4”
Size (Delivery): 3”
“KSB” Model: ETA 80/200
Electric Motor (Siemens): 50 H.P, 2900 RPM
Mounting: in steel frame with fittings.
Firechief Brand.
01
S
e
t
Fire Hydrant Pump (Diesel Engine Driven)
Max. Output: 500 GPM,
Max. Pressure: 125 psi
Size (Suction): 4”
01
CHAPTER 2. FIRE HYDRANT SYSTEM
__________________________________________________________________________________
________________________________________________________________________________________________
19
Size (Delivery): 3”
“KSB” Model: ETA 80/200
With 4 Cylinder 78 HP Diesel Engine, Water Cooled Electric Start
(12 V Batters) Fitted With Step-up Gear
Box,
Manufactured TO ISO-9002 “FIRECHIEF” brand.
Mounting: in steel frame with fittings.
S
e
t
JOCKEY PUMP :
Centrifugal, multi-stage, “Firechief” brand,
Size 1 ½ “ x 1 ¼ “ (38 x 30mm)
Flow 25 GPM (110 lit/min)
Head 165 ft. (50m)
Pressure 75 lbs psi (5 bar)
Construction main body and impeller of
Cast iron, Shaft of carbon
steel
Motor 3HP, 3-phase, Siemens directly
coupled Fitted with Pressure tank,
Trim assembly, pressure gauge, ball
valves, Y-strainer and pressure switches
01
S
e
t
Pump control cabinet for above mentioned 03 pumps 01
S
e
t
Pump room’s fitting & Controls i.e. gate valves, NRV, expansion
joints, headers, pressure gauges, supports
and painting
01
J
o
b
Required under ground water tank capacity 32,400 US gallons,
for 90 minutes of fire fighting
01 No.
Pipe Support & Paint & Etc. 01 Job
CHAPTER 2. FIRE HYDRANT SYSTEM
__________________________________________________________________________________
________________________________________________________________________________________________
20
2.3.2 Standards Of Designing
The designing of fire hydrant system as per NFPA 14 .
The information of designing regarding the external hydrant system consist in chapter No
# 7, page (14 to18) in NFPA 14 & NFPA 22 for water storage tank , NFPA 20 for pump.
The major points of designing are as follows.
7.1 General..............
7.2 Pressure Limitation............
7.3 Location of Hose Connections..........
7.4 Number of stand pipes............
7.5 Interconnection of stand pipes.........
7.6 Minimum sizes for standpipes and branchlines
7.7 System design and sizing of pipe for delivery of system demand...............
7.8 Minimum and Maximum pressure limits...........
7.9 Stand pipes system zones.............
7.10 Flow rates...........
7.11 Drains and test riser............
7.12 Fire department connection
CHAPTER 2. FIRE HYDRANT SYSTEM
__________________________________________________________________________________
________________________________________________________________________________________________
21
2.3.3 Hydraulic Calculation
Hydraulic calculation is the fire safety practice of calculating the flow of liquids through
a medium (usually a piping network) to ensure that fires could be extinguished.
Hydraulic calculations are required to prove the flow of water (or water mixed with
chemical additive) through piping networks for the purpose of controlling or
extinguishing a fire. The hydraulic calculation procedure is defined in the reference
model codes as published by NFPA (National Fire Protection Association),[1] EN 12845
Fixed firefighting system - Automatic sprinkler systems - Design, installation and
maintenance [2] and other international fire design standards.
The calculations prove that the water available (usually from a city water main, elevated
storage tank, or fire pump) is strong enough (has enough pressure), and plentiful enough
Calculations are based on the worst expected fire, located in the geometrically farthest
point from the water source (based on the path the extinguishing water is required to
travel to get to the fire).
Analysis of the worst expected fire is based on the use of the building and areas. The
hazard rating of various areas is defined by National Fire Protection Association (NFPA)
Codes. Areas include:
Light Hazard (offices, toilets, and similar areas of light combustibles and light fuel
loading)
Ordinary Hazard (car parking, stores, restaurants)
Extra Hazard (flammable chemical use, heavy manufacturing, plastics)
Storage (flammable items stored in solid piles, on shelves, or on racks to a significant
height).
The analysis of hazard gives a design density required to control a fire, which has been
derived from years of fire tests conducted by insurance companies and other testing
agencies. The design density is described by two variables that must work together to
achieve fire control:
Water flowfrom the sprinkler head (how heavy the rainfall of water from open fire
sprinklers)
Total area (the expected size of the fire before it will not continue to grow)
The shortened expression of a common design density for a Light Hazard office
is .1/1500, which is fully expressed as,
" 0.1 GPM per square foot is required to fall from the fire sprinklers onto the fire over the
most remote 1,500 square feet (140 m2) of area, which is the maximum expected size of a
fire in this Light Hazard building area."
A common density required for a warehouse type "big box" store that has higher
flammability items stored on racks to twenty feet high is .6/2000. Note that the density of
water to fall per square foot is six times heavier than an office, and the expected fire size
is larger.
CHAPTER 2. FIRE HYDRANT SYSTEM
__________________________________________________________________________________
________________________________________________________________________________________________
22
Storage warehouses commonly use a newer technology type fire sprinkler, ESFR (early
suppression fast response), which have discharge requirements not based on design
densities, and which are designed to extinguish a fire before the arrival of the fire
department.
The water available is verified by means of a water flow test (opening a fire hydrant and
recording the water pressures and gallons flow per minute).
CHAPTER 3.FIRE SPRINKLER SYSTEM
__________________________________________________________________________________
________________________________________________________________________________________________
23
3.1Introduction
A sprinkler system timer is an electrical device that is used to set an irrigation sprinkler
system to come on automatically at a certain time. Irrigation timers first appeared in the
early 1960s to control large-radius lawn sprinklers, which at the time usually contained
their own electrically operated valve (most golf-course sprinklers still use this type of
actuation). These timers were large and cumbersome with numerous mechanical parts and
were usually relegated to agricultural and commercial applications. Compact irrigation
timers did not become commonplace until the 1970s when Lawn Genie introduced a
mechanical timer which measured only ten by six inches and was four inches deep. This
controller proved popular for many years, but was hard to reprogram and it did not
operate valves in immediate succession unless each valve was set to run for an hour. Rain
Bird later introduced the RC-7A to their Rain Clox line, which featured an "at a glance"
electromechanical programming interface that proved very easy to operate, and offered
the ability to omit stations from the program sequence without creating time gaps. This
timer which became standard issue in many tract homes during the 1980s and proved to
be remarkably durable in its construction, with many still operating today.
Irrigation control systems almost always use 24-volt alternating current transmitted over
two wires, one of which is "common" and connected to all the valves. Other,
less-common systems involve fluid-filled hydraulic tubes to open or close the valves.
Many companies followed with similar designs, such as Rainmaster, Griswold Controls,
Toro, and Irritrol.
In the late 1980s, the irrigation company Hydro-Rain introduced the first "hybrid"
controller design, called the HR-6100, which combined electronic programming with a
visual programming interface involving a single selector dial. This overtook the
electromechanical timers as the most common design, and today nearly all timers sold are
hybrid designs.
The 1990s saw the introduction of computer-controlled "central control" systems,
pioneered by Rain Bird for use on golf courses. This system was called "MaxiCom" and
worked through a set of "cluster control units", each of which in turn synchronized a
number of "satellite" controllers.
CHAPTER 3.FIRE SPRINKLER SYSTEM
__________________________________________________________________________________
________________________________________________________________________________________________
24
3.2Components Of Fire Sprinkler System
3.2.2 Piping
3.2.1 Sprinkle
3.2.3 Fire Alarm Check Valve
3.2.4 Water Motor Gong
3.2.5 Retard Chamber
3.2.6 Cut of valves
3.2.7 Inspector’s Test valve
3.3Designing Of Fire Sprinkler System
Here’s the table of contents for this sprinkler irrigation design tutorial. It looks like a lot
to cover, but much of it you will skim over because it applies only to very specific
situations that don’t matter for most sprinkler systems. (But if it turns out one of those
specific situations applies to YOU won’t you be glad that I included it?) You will find
that the tutorial goes quickly once you get started. I suggest you skim through the index
below, just so you understand the general process. Then design your sprinkler system in
small steps as you work through the tutorial.
Start Here! Introduction to Irrigation Design: How to use this tutorial, information on
software programs to design your sprinkler system, and a few suggestions on those “free
designs” offered by the sprinkler manufacturing companies. (Big surprise! I don’t totally
trash them!)
Step #1 Collect Information:
Measure Your Yard: How to measure your yard easily and accurately for your sprinkler
irrigation system.
City-Slicker Water: How to find the PSI and GPM if you get your water through
a pipe from a water-company.
Country-Bumpkin Water: How to find the PSI and GPM if you pump water from a well,
creek, lake, etc..
Backwoods Water: How to measure the GPM and PSI for other types of water supplies
(Moses would use this section).
Step #2 Select Your Equipment:
Selecting Your Sprinkler Equipment: Determine pressure losses for your sprinkler
irrigation system.
Water Meter: Water meters.
Backflow Preventer: How to select a backflow preventer.
Mainlines: What type of pipe to use and how to calculate pressure loss in an irrigation
system mainline.
Valves: Types of irrigation valves.
CHAPTER 3.FIRE SPRINKLER SYSTEM
__________________________________________________________________________________
________________________________________________________________________________________________
25
Elevation Pressure Loss: How to calculate pressure loss in your irrigation system
caused by elevation changes.
Sprinkler Heads: How to select your sprinkler heads.
Laterals: Type of pipe to use and pressure losses for the sprinkler system lateral pipes.
Types of Sprinkler Risers: How to connect your sprinklers to the laterals.
Adjustments: Making pressure loss adjustments to balance the system (very important if
you want the sprinklers to work).
Step #3 Place Sprinkler Heads: How to determine the correct sprinkler spacings, and
which nozzles to use. Draw in sprinkler heads.
Step #4 Create Valve Zones and Draw in Pipes: Identify hydro-zones, create valve zones,
draw the sprinkler piping.
Step #5 Lateral Pipe Sizes: How to calculate the size for each lateral pipe in the irrigation
system.
Determining Sprinkler Pipe Size Using a Pipe Sizing Chart.
Determining Sprinkler Pipe Size Using a Spreadsheet.
Finished! Some Tips on Automation, Freeze Protection, Costs, Contractors.
3.3.1 Drawing And Bill Of Quantity
CHAPTER 3.FIRE SPRINKLER SYSTEM
__________________________________________________________________________________
________________________________________________________________________________________________
26
CHAPTER 3.FIRE SPRINKLER SYSTEM
__________________________________________________________________________________
________________________________________________________________________________________________
27
3.3.2 Standards Of Designing
NFPA 13 and NFPA 14
To provide a reasonable degree of protection for life and property from fire through
standardization of design, installation, and testing requirements for sprinkler systems,
There are Three Classifications of Occupancies
1.1 Light Hazard Occupancies
2.1 Ordinary Hazard (Group 1)
2.2 Ordinary Hazard (Group 2)
3.1 Extra Hazard (Group 1)
3.2. Extra Hazard (Group 2)
Churches
Clubs
Educational
Hospitals
Institutional
Libraries, except large stack rooms
Museums
Nursing or convalescent homes
Offices, including data processing
Residential
Restaurant seating areas
Theatres and auditoriums, excluding stages and prosceniums
Unused attics
Automobile parking and showrooms
Bakeries
Beverage manufacturing
Canneries
Dairy products manufacturing and processing
Electronic plants
Glass and glass products manufacturing
Laundries
Restaurant service areas
CHAPTER 3.FIRE SPRINKLER SYSTEM
__________________________________________________________________________________
________________________________________________________________________________________________
28
Cereal mills
Chemical plants — ordinary
Confectionery products
Distilleries
Dry cleaners
Feed mills
Horse stables
Leather goods manufacturing
Libraries — large stack room areas
Machine shops
Metal working
Paper and pulp mills
Paper process plants
Post offices
Printing and publishing
Textile manufacturing
Tire manufacturing
Tobacco products manufacturing
Wood machining
Wood product assembly
CHAPTER 3.FIRE SPRINKLER SYSTEM
__________________________________________________________________________________
________________________________________________________________________________________________
29
3.3.3 Hydraulic Calculation
Hydraulic calculation is the fire safety practice of calculating the flow of liquids through
a medium (usually a piping network) to ensure that fires could be extinguished.
Hydraulic calculations are required to prove the flow of water (or water mixed with
chemical additive) through piping networks for the purpose of controlling or
extinguishing a fire. The hydraulic calculation procedure is defined in the reference
model codes as published by NFPA (National Fire Protection Association),[1] EN 12845
Fixed firefighting system - Automatic sprinkler systems - Design, installation and
maintenance [2] and other international fire design standards.
The calculations prove that the water available (usually from a city water main, elevated
storage tank, or fire pump) is strong enough (has enough pressure), and plentiful enough
Calculations are based on the worst expected fire, located in the geometrically farthest
point from the water source (based on the path the extinguishing water is required to
travel to get to the fire).
Analysis of the worst expected fire is based on the use of the building and areas. The
hazard rating of various areas is defined by National Fire Protection Association (NFPA)
Codes. Areas include:
Light Hazard (offices, toilets, and similar areas of light combustibles and light fuel
loading)
Ordinary Hazard (car parking, stores, restaurants)
Extra Hazard (flammable chemical use, heavy manufacturing, plastics)
Storage (flammable items stored in solid piles, on shelves, or on racks to a significant
height).
The analysis of hazard gives a design density required to control a fire, which has been
derived from years of fire tests conducted by insurance companies and other testing
agencies. The design density is described by two variables that must work together to
achieve fire control:
Water flowfrom the sprinkler head (how heavy the rainfall of water from open fire
sprinklers)
Total area (the expected size of the fire before it will not continue to grow)
The shortened expression of a common design density for a Light Hazard office
is .1/1500, which is fully expressed as,
" 0.1 GPM per square foot is required to fall from the fire sprinklers onto the fire over the
most remote 1,500 square feet (140 m2) of area, which is the maximum expected size of a
fire in this Light Hazard building area."
A common density required for a warehouse type "big box" store that has higher
flammability items stored on racks to twenty feet high is .6/2000.
CHAPTER 4.FIRE ALARM SYSTEM
__________________________________________________________________________________
________________________________________________________________________________________________
30
4.1Introduction
An automatic fire alarm system is designed to detect the unwanted presence of fire by
monitoring environmental changes associated with combustion. In general, a fire alarm
system is classified as either automatically actuated, manually actuated, or both.
Automatic fire alarm systems are intended to notify the building occupants to evacuate in
the event of a fire or other emergency, report the event to an off-premises location in
order to summon emergency services, and to prepare the structure and associated systems
to control the spread of fire and smoke.
4.2Components Of Fire Alarm System
4.2.1 Smoke Detector
4.2.2 Heat Detector
4.2.3 Sounder
4.2.4 Fire Alarm Control Panel
4.2.5 Wire
4.2.6 Pipe
4.2.7 junction Box
4.2.8 Isolator
4.3Designing Of Fire Alarm System
After the fire protection goals are established – usually by referencing the minimum
levels of protection mandated by the appropriate model building code, insurance agencies,
and other authorities – the fire alarm designer undertakes to detail specific components,
arrangements, and interfaces necessary to accomplish these goals. Equipment specifically
manufactured for these purposes are selected and standardized installation methods are
anticipated during the design. In the United States, NFPA 72, The National Fire Alarm
Code is an established and widely used installation standard.
EN 54 is mandatory standard in the European Union for Fire detection and fire alarm
systems. Every product for fire alarm systems must have a CE mark with an EN 54
standard to be delivered and installed in any country of the EU. It is a standard widely
used around the world.[1]
Fire alarm controlpanel (FACP) AKA fire alarm control unit (FACU); This component,
the hub of the system, monitors inputs and system integrity, controls outputs and relays
information.
Primary power supply: Commonly the non-switched 120 or 240 Volt Alternating Current
source supplied from a commercial power utility. In non-residential applications, a
branch circuit is dedicated to the fire alarm system and its constituents. "Dedicated
branch circuits" should not be confused with "Individual branch circuits" which supply
energy to a single appliance.
Secondary (backup) power supplies: This component, commonly consisting of sealed
lead-acid storage batteries or other emergency sources including generators, is used to
supply energy in the event of a primary power failure.
CHAPTER 4.FIRE ALARM SYSTEM
__________________________________________________________________________________
________________________________________________________________________________________________
31
Initiating devices: This component acts as an input to the fire alarm control unit and are
either manually or automatically actuated. Examples would be devices pull stations, heat
detectors, or smoke detectors. Heat and smoke detectors have different categories of both
kinds. Some categories are beam, photoelectrical, aspiration, and duct.
publicly accessible Alarm Box on a street in San Francisco.
Notification appliances: This component uses energy supplied from the fire alarm system
or other stored energy source, to inform the proximate persons of the need to take action,
usually to evacuate. This is done by means of a flashing light, strobe light,
electromechanical horn, "beeper horn", chime, bell, speaker, or a combination of these
devices. The System Sensor Spectralert Advance Horn makes a beeping sound and
electromechanical sound together.
Building safety interfaces: This interface allows the fire alarm system to control aspects
of the built environment and to prepare the building for fire, and to control the spread of
smoke fumes and fire by influencing air movement, lighting, process control, human
transport and exit.
Manually actuated devices; also known as fire alarm boxes, manual pull stations, or
simply pull stations, Break glass stations, call points or Buttons. Devices for manual fire
alarm activation, are installed to be readily located (near the exits), identified, and
operated.
Automatically actuated devices can take many forms intended to respond to any number
of detectable physical changes associated with fire: convected thermal energy; heat
detector, products of combustion; smoke detector, radiant energy; flame detector,
combustion gasses; fire gas detector, and release of extinguishing agents; water-flow
detector. The newest innovations can use cameras and computer algorithms to analyze the
visible effects of fire and movement in applications inappropriate for or hostile to other
detection methods.[2]
Notification Appliances utilize audible, visible, tactile, textual or even olfactory stimuli
(odorizer)[3][4] to alert the occupants of the need to evacuate or take action in the event
CHAPTER 4.FIRE ALARM SYSTEM
__________________________________________________________________________________
________________________________________________________________________________________________
32
of fire or other emergency. Evacuation signals may consist of simple appliances that
transmit uncoded information, coded appliances that transmit a predetermined pattern,
and or appliances that transmit audible and visible textual information such as live or
pre-recorded instructions, and illuminated message displays.
In the United States, fire alarm evacuation signals generally consist of a standardized
audible tone, with visual notification in all public and common use areas. Emergency
signals are intended to be distinct and understandable to avoid confusion with other
signals.
Temporal Code 3 is the most common audible in a modern system. It chimes three times
at one-second intervals, stops for one second, then repeats. Voice Evacuation is the
second most common audible in a modern system. Continuous is not common in a new
building or old building with modern system, but is found in lots of schools and older
buildings. Other methods include:
Audible textual appliances, which are employed as part of a fire alarm system that
includes Emergency Voice Alarm Communications (EVAC) capabilities. High reliability
speakers are used to notify the occupants of the need for action in connection with a fire
or other emergency. These speakers are employed in large facilities where general
undirected evacuation is considered impracticable or undesirable. The signals from the
speakers are used to direct the occupant's response. The system may be controlled from
one or more locations within the building known as Fire Wardens Stations, or from a
single location designated as the building Fire Command Center. Speakers are
automatically actuated by the fire alarm system in a fire event, and following a pre-alert
tone, selected groups of speakers may transmit one or more prerecorded messages
directing the occupants to safety. These messages may be repeated in one or more
languages. Trained personnel activating and speaking into a dedicated microphone can
suppress the replay of automated messages in order to initiate or relay real time voice
instructions.[5]
Some fire alarm systems utilize emergency voice alarm communication systems (EVACS)
[6] to provide pre-recorded and manual voice messages. Voice Alarm systems are
typically used in high-rise buildings, arenas and other large "defend-in-place"
occupancies such as Hospitals and Detention facilities where total evacuation is difficult
to achieve.[citation needed]
Voice-based systems provide response personnel with the ability to conduct orderly
evacuation and notify building occupants of changing event circumstances.[citation
needed]
In high rise buildings, different evacuation messages may be played to each floor,
depending on the location of the fire. The floor the fire is on along with ones above it
may be told to evacuate while floors much lower may simply be asked to stand
by.[citation needed]
New codes and standards introduced around 2010 especially the new UL Standard 2572,
the U.S. Department of Defence's UFC 4-021-01 Design and O&M Mass Notification
Systems, and NFPA 72 2010 edition Chapter 24 have led Fire Alarm System
Manufacturers to expand their systems voice evacuation capabilities to support new
CHAPTER 4.FIRE ALARM SYSTEM
__________________________________________________________________________________
________________________________________________________________________________________________
33
requirements for mass notification including support for multiple types of emergency
messaging (i.e. inclement weather emergency, security alerts, amber alerts). The major
requirements of a mass notification system are to provided prioritized messaging
according to the local facilities emergency response plan. The emergency response team
must define the priority of potential emergency events at site and the fire alarm system
must be able to support the promotion and demotion of notifications based on this
emergency response plan. Emergency Communication System's also have requirements
for visible notification in coordination with any audible notification activities to meet
requirements of theAmerican's with Disabilities Act. Recently many manufacturer's have
made efforts to certify their equipment to meet these new and emerging standards. Mass
Notification System Categories include the following:
Tier 1 Systems are In-Building and provide the highest level of survivability
Tier 2 Systems are Out of the Building and provide the middle level of survivability
Tier 3 Systems are "At Your Side" and provide the lowest level of survivability
Mass notification systems often extend the notification appliances of a standard fire alarm
system to include PC based workstations, text based digital signage, and a variety of
remote notification options including email, text message, rss feed, or IVR based
telephone text-to-speech messaging.
Magnetic Smoke Door Holders: Wall or floor mounted solenoids or electromagnets
controlled by a fire alarm system or detection component that magnetically secures
spring-loaded self-closing smoke tight doors in the open position. Designed to
de-magnetize to allow automatic closure of the door on command from the fire control or
upon failure of the power source, interconnection or controlling element. Stored energy in
the form of a spring or gravity can then close the door to restrict the passage of smoke
from one space to another in an effort to maintain a tenable atmosphere on either side of
the door during evacuation and fire fighting efforts in buildings.
Duct Mounted Smoke Detection: Smoke detection mounted in such a manner as to
sample the airflow through duct work and other plenums specifically fabricated for the
transport of environmental air into conditioned spaces. Interconnection to the fan motor
control circuits are intended to stop air movement, close dampers and generally prevent
the recirculation of toxic smoke and fumes produced by fire into occupiable spaces.
Emergency Elevator Service: Activation of automatic initiating devices associated with
elevator operation are used to initiate emergency elevator functions, such as recall of
associated elevator cab(s). Recall will cause the elevator cabs to return to the ground level
for use by fire service response teams and to ensure that cabs do not return to the floor of
fire incidence. Phases of operation include primary recall (typically the ground level),
alternate/secondary recall (typically a floor adjacent to the ground level – used when the
initiation occurred on the primary level), illumination of the 'fire hat' indicator when an
alarm occurs in the elevator hoistway or associated control room, and in some cases shunt
trip (disconnect) of elevator power (generally used where the control room or hoistway is
protected by fire sprinklers).
Public Address Rack (PAR): An Audio public address rack shall be interfaced with fire
alarm system, by adding signaling control relay module to either rack power supply unit,
CHAPTER 4.FIRE ALARM SYSTEM
__________________________________________________________________________________
________________________________________________________________________________________________
34
or to main amplifier driving this rack. the purpose is to "mute" the BGM(background
music) of this rack in case of emeregency in case of fire initiating true alarm.
There are many types of fire alarm systems each suited to different building types and
applications. A fire alarm system can vary dramatically in both price and complexity,
from a single panel with a detector and sounder in a small commercial property to an
addressable fire alarm system in a multi-occupancy building. Systems have to protect
both buildings and occupants.[7]
The categories of fire alarm systems are L if they are designed to protect life, P to protect
buildings and M if they are manual systems.
M
Manual systems, e.g. hand bells, gongs, etc. These may be purely manual or manual electric, the latter
may have call points and sounders. They rely on the occupants of the building discovering the fire and
acting to warn others by operating the system. Such systems form the basic requirement for places of
employment with no sleeping risk.
P1
The system is installed throughout the building – the objective being to call the fire brigade as early as
possible to ensure that any damage caused by fire is minimized. Small low risk areas can be excepted,
such as toilets and cupboards less than 1m².
P2
Detection should be provided in parts of the building where the risk of ignition is high and/or the contents
are particularly valuable. Category 2 systems provide fire detection in specified parts of the building
where there is either high risk or where business disruption must be minimised.
L1
A category L1 system is designed for the protection of life and which has automatic detectors installed
throughout all areas of the building (including roof spaces and voids) with the aim of providing the
earliest possible warning. A category L1 system is likely to be appropriate for the majority of residential
care premises. In practice, detectors should be placed in nearly all spaces and voids. With category 1
systems, the whole of a building is covered apart from minor exceptions.
L2
A category L2 system designed for the protection of life and which has automatic detectors installed in
escape routes, rooms adjoining escape routes and high hazard rooms. In a medium sized premises
(sleeping no more than ten residents), a category L2 system is ideal. These fire alarm systems are
identical to an L3 system but with additional detection in an area where there is a high chance of ignition,
e.g., kitchen) or where the risk to people is particularly increased (e.g., sleeping risk).
L3
This category is designed to give early warning to everyone. Detectors should be placed in all escape
routes and all rooms that open onto escape routes. Category 3 systems provide more extensive cover
than category 4. The objective is to warn the occupants of the building early enough to ensure that all are
able to exit the building before escape routes become impassable.
L4
Category 4 systems cover escape routes and circulation areas only. Therefore, detectors will be placed
in escape routes, although this may not be suitable depending on the risk assessment or if the size and
CHAPTER 4.FIRE ALARM SYSTEM
__________________________________________________________________________________
________________________________________________________________________________________________
35
complexity of a building is increased. Detectors might be sited in other areas of the building, but the
objective is to protect the escape route.
L5
This is the "all other situations" category, e.g., computer rooms, which may be protected with an
extinguishing system triggered by automatic detection. Category 5 systems are the "custom" category
and relate to some special requirement that cannot be covered by any other category.
Zoning
An important consideration when designing fire alarms is that of individual zones.[9]
Specifically:
 A single zone should not exceed 2,000m² in floor space.
 Where addressable systems are in place, two faults should not remove protection from an area
greater than 10,000m².
 A building may be viewed as a single zone if the floor space is less than 300m².
 Where the floor space exceeds 300m² then all zones should be restricted to a single floor level.
 Stairwells, lift shafts or other vertical shafts (non stop risers) within a single fire compartment
should be considered as one or more separate zones.
 The maximum distance traveled within a zone to locate the fire should not exceed 60m.
CHAPTER 4.FIRE ALARM SYSTEM
__________________________________________________________________________________
________________________________________________________________________________________________
36
4.3.1 Drawing And Bill Of Quantity
CHAPTER 4.FIRE ALARM SYSTEM
__________________________________________________________________________________
________________________________________________________________________________________________
37
S. # DESCRIPTION UNIT Ground Floor Total
1 Smoke Detector Nos. 33 33
2 Heat Detector Nos. 6 6
3 Manual Cal Point Nos. 4 4
4 Sounder Nos. 4 4
5 Isolator Nos. 3 3
6 Junction Box Nos. 4 4
7 Fire Alarm Panel ( 6 Loop ) Nos. - 1
9 2 Core 1.5mm Wire Meter 480 480
11 Pvc Pipe Feet 620 620
12 Pvc Pipe 1.5" Feet 120
13 Pvc Duct Feet 140 140
14 Pipe Support & Etc Job 1 1
CHAPTER 5. DELUGE SYSTEM
____________________________________________________________________________________________
____________________________________________________________________________________________________________
38
5.1Introduction
Deluge" systems are systems in which all sprinklers connected to the water piping system are open,
in that the heat sensing operating element is removed, or specifically designed as such. These
systems are used for special hazards where rapid fire spread is a concern, as they provide a
simultaneous application of water over the entire hazard. They are sometimes installed in personnel
egress paths or building openings to slow travel of fire (e.g., openings in a fire-rated wall).
Water is not present in the piping until the system operates. Because the sprinkler orifices are open,
the piping is at atmospheric pressure. To prevent the water supply pressure from forcing water into
the piping, a deluge valve is used in the water supply connection, which is a mechanically latched
valve. It is a non-resetting valve, and stays open once tripped.
Because the heat sensing elements present in the automatic sprinklers have been removed (resulting
in open sprinklers), the deluge valve must be opened as signaled by a fire alarm system. The type of
fire alarm initiating device is selected mainly based on the hazard (e.g., smoke detectors, heat
detectors, or optical flame detectors). The initiation device signals the fire alarm panel, which in turn
signals the deluge valve to open. Activation can also be manual, depending on the system goals.
Manual activation is usually via an electric or pneumatic fire alarm pull station, which signals the
fire alarm panel, which in turn signals the deluge valve to open.
Operation - Activation of a fire alarm initiating device, or a manual pull station, signals the fire
alarm panel, which in turn signals the deluge valve to open, allowing water to enter the piping
system. Water flows from all sprinklers simultaneously.
5.2Components Of Deluge System
5.2.1 Water Spray Nozzle
5.2.2 Sprinkler
5.2.3 Deluge Valve
5.2.4 Water Motor Gong
5.2.5 Piping
5.2.6 Pressure Gauge
5.2.7 Solenoid valve
5.2.8 Flow Detector valve
5.2.9 Alarm Panel
CHAPTER 5. DELUGE SYSTEM
____________________________________________________________________________________________
____________________________________________________________________________________________________________
39
5.3Designing Of Fire Deluge System
Here’s the table of contents for this sprinkler irrigation design tutorial. It looks like a lot to cover, but
much of it you will skim over because it applies only to very specific situations that don’t matter for
most sprinkler systems. (But if it turns out one of those specific situations applies to YOU won’t you
be glad that I included it?) You will find that the tutorial goes quickly once you get started. I suggest
you skim through the index below, just so you understand the general process. Then design your
sprinkler system in small steps as you work through the tutorial.
Start Here! Introduction to Irrigation Design: How to use this tutorial, information on software
programs to design your sprinkler system, and a few suggestions on those “free designs” offered by
the sprinkler manufacturing companies. (Big surprise! I don’t totally trash them!)
Step #1 Collect Information:
Measure Your Yard: How to measure your yard easily and accurately for your sprinkler
irrigation system.
City-Slicker Water: How to find the PSI and GPM if you get your water through
a pipe from a water-company.
Country-Bumpkin Water: How to find the PSI and GPM if you pump water from a well,
creek, lake, etc..
Backwoods Water: How to measure the GPM and PSI for other types of water supplies
(Moses would use this section).
Step #2 Select Your Equipment:
Selecting Your Sprinkler Equipment: Determine pressure losses for your sprinkler irrigation system.
Water Meter: Water meters.
Backflow Preventer: How to select a backflow preventer.
Mainlines: What type of pipe to use and how to calculate pressure loss in an irrigation system
mainline.
Valves: Types of irrigation valves.
Elevation Pressure Loss: How to calculate pressure loss in your irrigation system
caused by elevation changes.
Sprinkler Heads: How to select your sprinkler heads.
Laterals: Type of pipe to use and pressure losses for the sprinkler system lateral pipes.
Types of Sprinkler Risers: How to connect your sprinklers to the laterals.
Adjustments: Making pressure loss adjustments to balance the system (very important if you want
the sprinklers to work).
CHAPTER 5. DELUGE SYSTEM
____________________________________________________________________________________________
____________________________________________________________________________________________________________
40
5.3.1 Drawing And Bill Of Quantity
CHAPTER 5. DELUGE SYSTEM
____________________________________________________________________________________________
____________________________________________________________________________________________________________
41
S/# Item / Description Unit
Transformer
No.1
Total
PIPE
1 Pipe dia 3”, Seamless,Sch-40 Feet 160 160
2 Pipe dia 2-1/2”, Seamless,Sch-40 Feet 180 180
3 Pipe dia 1-1/2”, Seamless,Sch-40 Feet 20 20
4 Pipe dia 1”, Seamless,Sch-40 Feet 180 180
5 Gate Valve 3", KITZ, Japan Nos. 3 3
6
Deluge Valve 3" size, complete with Water motor Gong, Trim
assembly, retard chamber, pressure gauges, electrical actuator &
pressure switch etc. UL / FM approved. Make Globe USA. Nos. 1 1
7 Sprinkler, K-Factor 4.2, GL-4210, 79 degree Nos. 14 14
8 Water Spray Nozzle 1/2" NPT, Nos. 43 43
FIFTING
1 Tee : 3"x3"x3",Sch-40 Seamless Nos. 1 1
2 Tee : 3"x3"x2-1/2",Sch-40 Seamless Nos. 4 4
3 Tee : 2½”x2½”x2½”,Sch-40 Seamless Nos. 4 4
4 Tee 1"x1"x1",Sch-40 Seamless Nos. 15 15
5 Elbow 3” ,Sch-40 Seamless Nos. 9 9
6 Elbow 2½” ,Sch-40 Seamless Nos. 4 4
7 Elbow 1” ,Sch-40 Seamless Nos. 20 20
8 Socket 1/2" Threadred Nos. 45 45
9 Socket 1" Nos. 15 15
10 Barrel Nippel 1/2" Threaded Nos. 40 40
11 Union 1" Nos. 4 4
12 Flange 3”,Weld Type Class 150 Slip-on Type Nos. 16 16
13 Flange 2-1/2”,Weld Type Class 150 Slip-on Type Nos. 24 24
14 Nut & Bolt 1/2”x 2.5” With Spring Washer KG 9 9
15 M.S Channel 100x50x4mm Feet 120 120
16 M.S Angle 50x50x4mm Feet 20 20
17 M.S Plate 200x300x6mm Nos. 8 8
18 Rawal Bolt 1/2"x2.5" Nos. 19 19
CHAPTER 5. DELUGE SYSTEM
____________________________________________________________________________________________
____________________________________________________________________________________________________________
42
19 U Clamp 3" With Bolt Nos. 12 12
20 U Clamp 2.5" With Bolt Nos. 12 12
21 U Clamp 1.5" With Bolt Nos. 2 2
22 U Clamp 1" With Bolt Nos. 12 12
23 Paint , Gas Kit , Etc. Taflon Tape Job Lum Sum
5.3.2 Standards Of Designing
(a) Extinguishment of fire by water spray is accomplished by cooling, smothering from
produced steam, emulsification of some liquids, dilution in some cases, or a combination of these
factors.
(b) Control of fires is accomplished by an application of water spray to the burning materials
producing controlled burning. The principle of control may be applied where combustible
materials are not susceptible to complete extinguishment by water spray or where complete
extinguishment is not considered desirable.
(c) Effective exposure protection is accomplished by application of water spray directly to the
exposed structures or equipment to remove or reduce the heat transferred to them from the
exposing fire. Water spray curtains are less effective than direct application but can, under
favorable conditions, provide some protection against fire exposure through subdivision of fire
CHAPTER 5. DELUGE SYSTEM
____________________________________________________________________________________________
____________________________________________________________________________________________________________
43
Nominal
Pipe Size
Outside
Diameter
Insi
de
Diamet
er
W
all
Thickn
ess
Insi
de
Diame
ter
W
all
Thickn
ess
Insi
de
Diamet
er
in. in
.
(mm) in
.
(mm) i
n.
(mm) in
.
(mm) in
.
(mm) in
.
(mm) i
n
1 1.315 (33.4) 1.097 (27.9) 0.109 (2.8) _ _ _ _ 1.049 (26.6) 0.1
1 1/4 1.660 (42.2) 1.442 (36.6) 0.109 (2.8) _ _ _ _ 1.380 (35.1) 0.1
1 1/2 1.900 (48.3) 1.682 (42.7) 0.109 (2.8) _ _ _ _ 1.610 (40.9) 0.1
2 2.375 (60.3) 2.157 (54.8) 0.109 (2.8) _ _ _ _ 2.067 (52.5) 0.1
2 1/2 2.875 (73.0) 2.635 (66.9) 0.120 (3.0) _ _ _ _ 2.469 (62.7) 0.2
3 3.500 (88.9) 3.260 (82.8) 0.120 (3.0) _ _ _ _ 3.068 (77.9) 0.2
3 1/2 4.000 (101.6) 3.760 (95.5) 0.120 (3.0) _ _ _ _ 3.548 (90.1) 0.2
4 4.500 (114.3) 4.260 (108.2) 0.120 (3.0) _ _ _ _ 4.026 (102.3) 0.2
5 5.563 (141.3) 5.295 (134.5) 0.134 (3.4) _ _ _ _ 5.047 (128.2) 0.2
6 6.625 (168.3) 6.357 (161.5) 0.1342 (3.4) _ _ _ _ 6.065 (154.1) 0.2
8 8.625 (219.1) 8.249 (209.5) 0.1882 (4.8) 8.071 (205.0) 0.277 (7.0) _ _ _
1
0
10.75 (273.1) 10.37 (263.4) 0.1882 (4.8) 10.14 (257.6) 0.307 (7.8) _ _ _
areas. Unfavorable conditions can include such factors as windage, thermal updrafts, and
inadequate drainage.
(d) Start of fire is prevented by the use of water sprays to dissolve, dilute, disperse, or cool
flammable materials or to reduce flammable vapor concentrations below the Lower Flammable
Limit (LFL).
In special cases, where adequate safeguards have been provided, water spray systems for the
protection of structures, equipment, or personnel in the presence of such materials as
described in 1-7.4 might be acceptable.
Painting of spray nozzles can retard the thermal response of the heat-responsive element,
can interfere with the free movement of parts, and can render the spray nozzle inoperative.
Moreover, painting can invite the application of subsequent coatings, thus increasing the
possibility of altering the discharge pattern for all types of nozzles.
Table A-2-3.2 Steel Pipe Dimensions
Schedule 101 Schedule 30 Schedule
NOTE 1: Schedule 10 defined to 5 in. (127 mm) nominal pipe size by ASTM A 135.
CHAPTER 5. DELUGE SYSTEM
____________________________________________________________________________________________
____________________________________________________________________________________________________________
44
NOTE 2: Wall thickness specified in 2-3.2.
Other types of pipe and tube that have been investigated and listed for water spray
applications include lightweight steel pipe. While these products can offer advantages, such
as ease of handling and installation, cost-effectiveness, and reduction of friction losses, it is
important to recognize that they also have limitations that are to be considered by those
contemplating their use or acceptance.
Corrosion studies for lightweight steel pipe have shown that, in comparison to Schedule 40
pipe, its effective life might be reduced, with the level of reduction being related to its wall
thickness. Further information with respect to corrosion resistance is contained in the individual
listings of such products.
The investigation of pipe and tube other than described in Table 2-3.1 should involve
consideration of many factors, including:
(a) Pressure rating;
(b) Beam strength (hangers and spacing);
(c) Unsupported vertical stability;
(d) Movement during system operation (affecting water distribution);
(e) Corrosion (internal and external), chemical and electrolytic;
(f) Resistance to failure where exposed to elevated temperatures;
(g) Methods of joining (strength, permanence, fire hazard); and
(h) Physical characteristics related to integrity during earthquakes.
Rubber-gasketed pipe fittings and couplings should not be installed where ambient
temperatures can be expected to exceed 150qF (66qC) unless listed for this service. If the
manufacturer further limits a given gasket compound, those recommendations should be
followed.
Some steel piping material having lesser wall thickness than specified in 2-5.1.2 has been
listed for use in water spray systems when joined with threaded connections. The service
life of such products can be significantly less than that of Schedule 40 steel pipe, and it should be
determined if this service life will be sufficient for the application intended.
All such threads should be checked by the installer using working ring gauges conforming to
the Basic Dimensions of Ring Gauges for USA (American) Standard Taper Pipe Threads, NPT,
in accordance with ANSI/ASME B1.20.1, Table 8.
CHAPTER 5. DELUGE SYSTEM
____________________________________________________________________________________________
____________________________________________________________________________________________________________
45
CHAPTER 5. DELUGE SYSTEM
____________________________________________________________________________________________
____________________________________________________________________________________________________________
46
Listed, shaped, contoured nipples meet the definition of fabricated fittings.
The fire hazard of the brazing process should be suitably safeguarded.
These valves include, but are not limited to, deluge valves, alarm check valves,
preaction valves, and high-speed valves.
Accessories might include:Manual
emergency stations,
(b) Flammable gas detectors,
CHAPTER 5. DELUGE SYSTEM
____________________________________________________________________________________________
____________________________________________________________________________________________________________
47
(c) Smoke detectors,
(d) Heat detectors,
(e) Fire detectors, or
(f) Control panels.
Where installing wet pilot systems, special attention should be given to height limitations
above the system actuation valve due to concern of water column. Refer to
manufacturer's information and listing.
Manual means of actuation can include pneumatic, hydraulic, electrical, mechanical, or any
combination thereof.
The strainer should be capable of continued operation without serious increase in head loss for
a period estimated to be ample when considering the type of protection provided, the condition
of the water, and similar local circumstances.
All alarm apparatus should be located and installed such that all parts are accessible for
inspection, removal, and repair, and should be adequately supported.
The minimum clearances listed in Table 3-1.2 are for the purpose of electrical clearance under
normal conditions; they are not intended for use as "safe" distances during fixed water spray
system operation.
The clearances are based upon minimum general practices related to design Basic Insulation
Level (BIL) values. To coordinate the required clearance with the electrical design, the design
BIL of the equipment being protected should be used as a basis, although this is not material at
nominal line voltages of 161 kV or less.
Up to electrical system voltages of 161 kV, the design BIL kV and corresponding minimum
clearances, phase to ground, have been established through long usage.
At voltages higher than 161 kV, uniformity in the relationship between design BIL kV and the
various electrical system voltages has not been established in practice. For these higher system
voltages it has become common practice to use BIL levels dependent on the degree of protection
that is to be obtained. For example, in 230 kV systems, BILs of 1050, 900, 825, 750, and 650
kV have been utilized.
Required clearance to ground may also be affected by switching surge duty, a power system
design factor that along with BIL should correlate with selected minimum clearances. Electrical
design engineers may be able to furnish clearances dictated by switching surge duty. Table
3-1.2 deals only with clearances required by design BIL. The selected clearance to ground
should satisfy the greater of switching surge or BIL duty, rather than to be based upon nominal
voltage.
Possible design variations in the clearance required at higher voltages are evident in the table,
where a range of BIL values is indicated opposite the various voltages in the high voltage portion
of the table. However, the clearance between uninsulated energized parts of the electrical
system equipment and any portion of the water spray system should not be less than the
minimum clearance provided elsewhere for electrical system insulation on any individual
component.
Water spray systems are usually applied to special fire protection problems beyond the
CHAPTER 5. DELUGE SYSTEM
____________________________________________________________________________________________
____________________________________________________________________________________________________________
48
capability of a standard sprinkler system. They are specifically designed for fire control,
extinguishment, prevention, or exposure protection. These systems typically require that the
CHAPTER 5. DELUGE SYSTEM
____________________________________________________________________________________________
____________________________________________________________________________________________________________
49
water be applied rapidly to all protected surfaces at the same time, an objective that may not be
possible with closed nozzles. In addition, to protect specific surfaces, the use of special nozzles
with directional discharge is employed. The placement of these nozzles to provide proper
coverage is often in conflict with the required placement to ensure prompt operation where
automatic nozzles are used. Thus, the standard contemplates that open nozzles will normally be
employed and that a separate detection system will be used to actuate the system.
There are cases, however, where it is desirable to use closed nozzles to limit the discharge of
water to prevent equipment damage (such as when water spray is used to protect turbine
bearings), or there are environmental concerns. Automatic nozzles should only be used where
open nozzles present such problems and the position of the nozzles can meet both the coverage
and response time design objectives.
In cases where the piping cannot be supported by structural members, piping arrangements that
are essentially self-supporting are often employed together with such hangers as are necessary.
Areas considered to have an explosion potential may include those having:
(a) Highly exothermic reactions that are relatively difficult to control, such as nitration,
oxidation, halogenation, hydrogenation, alkylation, or polymerization;
(b) Flammable liquids or gases where a flammable vapor or release of more than 10 tons in a
5-minute time period is possible; and
(c) Other particularly hazardous operations where a explosion hazard may exist.
To limit the potential for explosion damage, the following guidelines should be used:
(a) System actuation valves should be remotely located (at least 50 ft) from the area to be
protected, housed within a blast resistant valve house or behind a blast wall designed for at least
a 3 psig static overpressure.
(b) Piping should be located underground wherever possible. Risers should rise
aboveground behind a protecting steel column or other structural element. Other piping
should be located behind structural elements providing shielding from explosion overpressures
and flying debris.
(c) The number of system actuation valves manifolded together should be limited to no more
than three.
(d) Fire water mains should be buried, and accessible post indicator isolation valves should be
provided.
(e) All water spray piping 21/2 in. (63 mm) or larger should be of the welded-flanged type.
CHAPTER 5. DELUGE SYSTEM
____________________________________________________________________________________________
____________________________________________________________________________________________________________
50
Suitable suction provisions can entail the following:
(a) Suitable suction hydrants accessible to apparatus on primary or auxiliary supplies, or both;
and
(b) Suitable all-weather landings or locations where pumper apparatus can take suction at
surface water supplies.
Fire department connections should be located and arranged so that hose lines can be readily
and conveniently attached without interference from nearby objects including buildings, fences,
posts, or other fire department connections. Where a hydrant is not available, other water supply
sources such as a natural body of water, a tank, or a reservoir should be utilized. The water
authority should be consulted when a nonpotable water supply is proposed as a suction source
for the fire department.
Care should be taken in the selection of strainers, particularly where nozzle waterways are less
than 1/4 in. (6.5 mm) in dimension. Consideration should be given to the size of screen
perforation, the volume available for accumulation without excessive friction loss, and the
facility for inspection and cleaning.
Where detectors are located outdoors or without a ceiling over them to trap the heat, their
spacing should be reduced if prompt detection is to be achieved. In general, thermal detectors
are to be located within the hot air currents created by the fire if they are to operate. A
50-percent reduction in the spacing between detectors is required in the absence of test data on a
CHAPTER 5. DELUGE SYSTEM
____________________________________________________________________________________________
____________________________________________________________________________________________________________
51
particular detector and fire size. Some guidance might be available from the manufacturer.
The sensitivity of other detectors, (e.g., flammable gas detectors) can also be adversely affected
by wind or the lack of walls or ceilings surrounding the hazard.
Heat collectors located above the pilot sprinklers or other thermal detectors for the sole
purpose of trapping heat are not recommended, they are considered protected canopies (see
3-5.1.2). They can provide some benefit if they are of sufficient size (18 in. u 18 in., or larger)
to trap heat. Smaller collectors can reduce sensitivity by causing a "dead" air space.
However, shields or canopies needed to protect the detector from the weather should not be
eliminated because of concerns they might reduce detector sensitivity.
Other types of detectors such as UV detectors that do not rely on air currents to detect a fire or
hazardous condition might not require a reduced spacing when used outdoors.
Use of flammable gas detectors should consider the following:
(a) Calibration. Automatic flammable gas detection equipment should be calibrated for the
specific flammable gas to be detected.
(b) Operation — Alarms. Flammable gas detectors typically are equipped with two
independently adjustable alarms for detection of flammable gas. Each unit should be equipped
with a visual indication of alarm points, unit malfunction, and normal operation. Typically, the
first alarm point is set between 10 percent and 25 percent of the LFL and the second alarm point
trips the water spray system between 25 percent and 65 percent of the LFL. Where the
analyzers alarm in a continuously manned location, remote manual operation of the water spray
system from a continuously manned location is sometimes utilized with the flammable gas
analyzers alarming only in lieu of the automatic trip arrangement.
(c) Inadvertent Activation. A reduction in the potential to inadvertently activate a system can
be attained by designing cross zone activation into the system. With a cross zone activation
scheme, the activation of a water spray system is triggered by the "high" alarm condition of any
two or more detectors comprising the system.
(d) Wiring. Flammable gas detectors should not be wired in series.
(e) Multiple Channel Systems. Where a multiple channel flammable gas detector system is
utilized, continuous, instantaneous analysis should be provided on all channels and an alarm or
trip should be indicated immediately at the analyzer. No more than one water spray system
should be actuated by a single multiple channel analyzer.
Water spray system design should conform to the applicable provisions of NFPA 80A,
Recommended Practice for Protection of Buildings from Exterior Fire Exposures, except where
otherwise recommended herein.
Prompt operation of the water spray system is needed to meet the design objectives. In most
installations, the delivery of effective water spray from all open nozzles should take place within
30 seconds after detection. This may be accomplished by the remote starting of fire pumps. The
use of devices such as timers would delay system actuation and negatively affect the system's
intended performance.
Large system size may decrease system reliability and increase transfer time, water wastage,
and environmental impact. Large systems should generally be limited to a discharge
CHAPTER 5. DELUGE SYSTEM
____________________________________________________________________________________________
____________________________________________________________________________________________________________
52
rate of 2500 gpm to 3000 gpm (9463 L/min to 11,355 L/min).
For large areas protected by many adjacent systems, it may not be necessary to base the design
flow rate on all systems operating simultaneously. Provided that floor drainage is sloped and
sectionalized to reduce the flow of flammables to adjacent
areas, and assuming that detection systems are carefully designed, the maximum design flow rate
could be determined by adding the flow rate for any system to the flow rates for all
immediately adjacent systems. (See example in Table A-4-1.5.2.) The largest sum determined
from considering all logical combinations should be used. This maximum anticipated flow rate
basis is valid when the systems selected are judged to represent the worst case situation.
Assuming that the above conditions are met, some fires involving several adjacent water spray
systems could be adequately controlled with fewer systems operating. Careful engineering
judgment should be
used in the determination and calculation of the actuation, capacity, and duration of adjacent
water spray systems.
System System System System
1 2 3 4
Flow 1800 gpm 6813 L/min 2100 gpm 7949 L/min 1950 gpm 7381 L/min 2300 gpm 8706 L/min 2400 gp
Pressure 80 psi 3.8 kPa 95 psi 4.6 kPa 105 psi 5.0 kPa 100 psi 4.8 kPa 90 ps
NOTE: Flow and pressure required at the point of supply (other common hydraulic point).
Combined System Flow Balanced to Highest Pressure
System Flow System Flow System Flow System
(gpm) (L/min) (gpm) (L/min) (gpm) (L/min)
1 2062 7805 2 2208 8357 3 1950 7381 4
2 2208 8357 3 1950 7381 4 2357 8921 5
3 1950 7381 4 2357 8921 5 2592 9811 6
Total 6220 23,542 Total 6515 24,659 Total 6899 26,113 Total
The combination of Systems 3, 4, and 5 creates the largest flow at the highest pressure at the point of supply
(or other common hydraulic point). Therefore, the design flow rate for this installation is selected as 6899
gpm at 105 psi (26,113 L/min at 5.0 kPa). Total water demand would be 6899 (26,113 L/min), plus an
allowance for hose stream application.
Systems shall be permitted to be combined in a logical manner such that systems that can be expected to be
involved in the same incident and are expected to operate simultaneously are combined to determine the
design flow rate.
The rapid removal of spills and fire protection water from the area protected by a water spray
system can greatly reduce the amount of fuel involved in a fire. In addition, if water discharge
is not controlled, hydrocarbons or other liquid fuels may spread into adjacent areas and
CHAPTER 5. DELUGE SYSTEM
____________________________________________________________________________________________
____________________________________________________________________________________________________________
53
increase the size of the fire, exposing additional property and making the fire more difficult to
control or extinguish.
An example of a protected hazard that may not require a system for controlling or containing
water spray discharge would be a rubber belt conveyor located in an aboveground conveyor
housing.
Each of the methods listed has advantages and disadvantages. In most cases, a combination of
methods should be used in designing an effective control or containment system.
The characteristics of any hazardous materials in the protected area should be considered in
the design of a control or containment system, including volume, solubility in water,
flammability, reactivity, environmental concerns (e.g., toxicity), and vapor pressure at
ambient and normal processing conditions. For example, particular attention should be given
to the removal of burning flammable liquids away from process vessels containing reactive
materials sensitive to heat.
Curbing, along with appropriate grading, can be of significant benefit in preventing water or
burning liquid from spreading horizontally into adjacent areas. Grading should ideally be sloped
at a pitch not less than 1 percent away from critical equipment and toward drains, trenches,
ditches, or other safe area. Concrete surfacing is most desirable, but other hard surfacing or
crushed rock or equivalent is suitable.
Process areas and buildings handling hydrocarbons or hazardous chemicals normally have a
closed drain system to capture leaks, spills, normal drainage, wash down, etc. In some cases, it
may not be practical to design the closed drain system to accommodate the full flow from the fire
protection systems. Additionally, even where designed with adequate capacity, floor drains will
often become clogged with debris during a fire. The excess that cannot be carried off by the
closed drain system will then overflow to the surface drainage systems, which might include
storm sewers, open ditches, streets, or similar features. The proper design of area drainage
should anticipate where the excess will flow so that it may be safely routed and controlled.
See NFPA 30, Flammable and Combustible Liquids Code, for diking requirements for the tank
storage of flammable and combustible liquids.
Diking is not a desirable means of containing water spray discharge where buildings, process
structures, or important equipment are being protected from exposure to flammable or
combustible liquids.
Underground or enclosed drains are preferred over open trenches since enclosed drains
provide a method of removing spilled liquids from the area without exposing equipment to
burning liquids. Further, trenches can act as collection points for heavier-than-air vapors. If
used, trenches should be routed in a way that will not carry fire protection water and burning
liquids through another fire area. If unavoidable, fire stops (weirs) should be provided in the
trench system between the fire areas.
Trenches should be twice as wide as deep, and in no case should the depth exceed the width.
Trenches should be provided with covers that are 1/3 open grating and 2/3 solid plate or concrete.
(See Figure A-4-2.3.)
CHAPTER 5. DELUGE SYSTEM
____________________________________________________________________________________________
____________________________________________________________________________________________________________
54
Drains should be in sufficient number such that the required runoff is handled without
formation of significant pools.
The actual flow rate may be determined by plotting the demand curve (fixed water supply
systems) and the water supply curve on semi-exponential (N1.85) graph paper. The
intersection of the demand curve and the supply curve provides a realistic estimate of the actual
flow rate that would be anticipated.
Judgment should be used in determining the chance of having a major fire simultaneous with
a heavy rainfall. For areas experiencing little rainfall, drainage calculations can ignore
rainfall. For areas experiencing frequent rainfall, a flow rate from rainfall may or
may not be warranted, depending on the hazards being protected and other factors. If included,
a rainfall rate less than the highest anticipated would ordinarily be used, as it is not likely that the
maximum fire and rainfall demands would occur simultaneously. The effect of rainfall on the
size of any areas designed to contain runoff should also be considered.
It is desirable to contain runoff for the anticipated duration of any fire. However, in large
chemical or petrochemical facilities, a major fire can last for 8 hours or more, resulting in
extremely large holding basins or retention ponds. Where the anticipated incident duration
results in retention basins that are of impractical size, methods to limit the duration of runoff
may be required.
When an extended duration is anticipated, a duration of 4 hours is usually considered the
practical maximum. During that time it is often possible to isolate equipment and reduce the
flow rate of water and other materials so that the continuous discharge flow rate is less than the
initial flow rate. If a significant amount of flammable materials can be removed from the
protected area, it may be possible to shut down water spray systems and manually fight the fire,
greatly reducing the amount of material that needs to be contained.
Smaller facilities with limited holdups may not require as long a duration. For example, if
the exposing fire is caused by a spill of 500 gal (1893 L) or less, with good drainage and
containment systems, the anticipated duration may be as little as 30 minutes to 1 hour. In
special circumstances (e.g., involving prompt manual response), an anticipated duration less than
30 minutes would be acceptable.
Finally, other standards and regulations may dictate the amount of containment required.
For example, NFPA 30, Flammable and Combustible Liquids Code, contains requirements for
warehouses and other areas containing flammable liquids. Also, local environmental
CHAPTER 5. DELUGE SYSTEM
____________________________________________________________________________________________
____________________________________________________________________________________________________________
55
regulations and building codes might contain criteria for duration and amount of material to be
collected.
(a) Surface Cooling. Where extinguishment by surface cooling is contemplated, the design
provides for complete water spray coverage over the entire surface. Surface cooling is not
effective on gaseous products or flammable liquids, and is not generally satisfactory for
combustible liquids having flash points below 140qF (60qC).
(b) Smothering by Steam Produced. Where this effect is contemplated, the intensity of the
expected fire should be sufficient to generate adequate steam from the applied water spray, and
conditions should be otherwise favorable for the smothering effect. The water spray is to be
applied to essentially all the areas of expected fire. This effect should not be contemplated
where the material protected could generate oxygen when heated.
(c) Emulsification. This effect should be contemplated only for liquids not miscible with water.
The water spray should be applied over the entire area of flammable liquids. For those liquids
having low viscosities, the coverage should be uniform and the minimum rate required should be
applied with the nozzle pressure not less than the minimum on which approval is based. For
more viscous materials, the coverage should be complete but need not be so uniform and the unit
rate of application may be lower. A water additive that reduces the surface tension of water
may be considered where the effect of emulsification is contemplated.
(d) Dilution. Where extinguishment by dilution is contemplated, the material should be
miscible with water. The application rate should be adequate to effect extinguishment within
the required period of time based upon the expected volume of material and the percentage of
dilution necessary to render the liquid nonflammable, but not less than that required for control
and cooling purposes.
(e) Other Factors. The system design may contemplate other extinguishing factors, such as a
continuous film of water over the surface where the material is not miscible with water and has a
density much greater than 1.0 (such as asphalt, tar, carbon disulfide, and some nitrocellulose
solutions). Water spray may also be used on some materials to produce extinguishment as a
result of rapid cooling below the temperature at which the material will decompose chemically at
a self-sustaining rate.
NOTE: For the effect of droplet size, refer to Engineering Criteria for Water Mist Fire Suppression Systems, J.
R. Mawhinney, P.E., presented at the Water Mist Fire Suppression Workshop at NIST, March 1-2, 1993.
Limited test data exists that documents the minimum water application rates needed for
extinguishment of certain combustibles or flammables. Much additional test work is
needed before minimum rates can be established for all materials.
Interlocks should be provided between the fire detection system and the electrical systems
to de-energize all power circuits that are not connected to critical processes.
CHAPTER 5. DELUGE SYSTEM
____________________________________________________________________________________________
____________________________________________________________________________________________________________
56
CHAPTER 5. DELUGE SYSTEM
____________________________________________________________________________________________
____________________________________________________________________________________________________________
57
System operation for a duration of several hours may be necessary before the required activities
are completed.
Control of burning by directional water spray is not intended to preclude the installation of
exposure protection for pump and compressor connections, exposed piping, compressor casings,
drivers, lubrication systems, and related equipment.
(a) Generally, the upper portions of equipment and the upper levels of supporting structures
are less severely exposed by fire than are the lower portions or levels, due to the accumulation at
grade level of fuel from spillage or equipment rupture. Consideration may thus be given to
reducing the degree of (or eliminating) water spray protection for the upper portions of high
equipment or levels of structures, provided a serious accumulation of fuel or torch action from
broken process piping or equipment cannot occur at these elevations and serious fire exposure
does not exist. Examples are certain types of distillation columns [above the 30-ft or 40-ft
(9.2-m or 12.2-m)] level and above the third or fourth level of multi-level open structures.
(b) The densities specified for exposure protection include a safety factor of 0.05 gpm/ft2 [2.0
(L/min)/m2] to compensate for unanticipated wastage.
In determining the duration of the exposing fire, consideration should be given to the
CHAPTER 5. DELUGE SYSTEM
____________________________________________________________________________________________
____________________________________________________________________________________________________________
58
properties and quantities of the exposing combustibles and the anticipated effect of available
manual fire fighting. System operation for several hours may be required.
(a) It has been established that uninsulated vessels, under average plant conditions, enveloped
with flame can be expected to absorb heat at a rate of at least 20,000 Btu/hr/ft2 (63,100 W/m2) of
exposed surface wetted by the contents. Unwetted, uninsulated steel equipment absorbs heat
rapidly, and failure occurs from overpressure or overheating, or both, when such equipment is
exposed to fire. Figure A-4-5.2(a) is a time-temperature curve showing the lengths of time
required for vessels of different sizes containing volatile materials to have their contents heated
to 100qF (38qC) from a starting temperature of 70qF (21qC) for tank contents and 60qF (16qC)
for the tank steel. (See Requirements for Relief of Overpressure in Vessels Exposed to Fire;
Transactions of the ASME, January, 1944, 1-53; Venting of Tanks Exposed to Fire; and Heat
Input to Vessels.)
The application of water spray to a vessel enveloped by fire will reduce the heat input rate to a
value on the order of 6000 Btu/hr/ft2 (18,930 W/m2) of exposed surface wetted by the contents
where the unit rate of water application is 0.20 gpm/ft2 [8.2 (L/min)/m2] of exposed surface.
The 6000 Btu/hr/ft2 (18,930 W/m2) rate was also established in Rubber Reserve Company
Memorandum 123, Protection of Vessels Exposed to Fire, February 28, 1945. Figure A-4-5.2(b)
shows the estimated time for volatile liquid contents of atmospheric storage tanks to reach the
boiling point where absorbing heat at 6000 Btu/hr/ft2 (18,930 W/m2). This may be compared
with Figure A-4-5.2(a) to show the benefits derived from water spray systems.
(b) Where the temperature of a vessel or its contents should be limited, higher densities than
specified in 4-5.2.1 may be required.
(c) Internally insulated or lined vessels require special consideration to determine necessary
water spray requirements.
CHAPTER 5. DELUGE SYSTEM
____________________________________________________________________________________________
____________________________________________________________________________________________________________
59
CHAPTER 5. DELUGE SYSTEM
____________________________________________________________________________________________
____________________________________________________________________________________________________________
60
CHAPTER 5. DELUGE SYSTEM
____________________________________________________________________________________________
____________________________________________________________________________________________________________
61
Water spray systems designed for extinguishment, exposure protection, or control of burning can
disperse flammable gases for fire prevention. When designing water spray systems primarily for
dispersion of flammable gases (for fire prevention), the following should be considered:
(a) Spray nozzles should be of the size and type to discharge a dense spray into the area of
possible flammable vapor release at sufficient velocity to rapidly dilute the flammable vapors to a
level below the lower flammable limit.
(b) Spray nozzles should be positioned to provide coverage of potential leak sources such as
flanges, flexible connections, pumps, valves, vessels, containers, etc.
CHAPTER 5. DELUGE SYSTEM
____________________________________________________________________________________________
____________________________________________________________________________________________________________
62
Examples of combined systems include:
(a) Open nozzle water spray protection for a vessel combined with area protection provided by
a deluge system.
(b) Automatic nozzle water spray protection for cable trays combined with area protection
provided by a wet pipe system.
Generally, the water spray component of a combined system is intended to supplement the
protection provided by the sprinkler or deluge portion. The water spray usually is intended to
cover a specific hazard or to cover specific areas or equipment items that cannot be otherwise
adequately covered. Therefore, the required density from the sprinkler system should not be
reduced when supplemental water spray is provided.
However, it would be acceptable to adjust the extent of water spray coverage when a portion of
the coverage is provided by the sprinkler deluge portion of a combined system. For example,
pressure vessels within the process structure protected by area deluge are typically provided with
supplemental water spray on the bottom surfaces where the top surfaces are adequately covered
by the deluge system above.
Different arrangements from those required for other types of detection systems may be
required. In particular, it should be remembered that most listed detection devices are tested in
an indoor, ceiling-mounted environment, while many water spray systems are installed outdoors.
This can affect the type of detector chosen and its installed spacing.
Installations with temperature fluctuations include transformer protection involving heat
exchangers having automatic fans and installations involving industrial ovens and furnaces.
Additionally, protection of machinery involving movement of a hazardous material such as a belt
conveyor would require a detection system having a faster response time than normal and
appropriate interlocks to stop drive units, etc.
Though not an aspect that can be designed prior to installation, the response time goal for the
detection system is generally 40 seconds from exposure to initiation of the system actuation valve.
The intent of the paragraph is to ensure that artificial delays are not built into the detection
(initiating device) system.
The minimum operating pressure is required for proper pattern development and to overcome
the effects of wind. For nozzles with orifices of 3/8 in. or less, a minimum pressure of
30 psi (1.4 kPa) is recommended.
Figure A-5-1.3(a) shows a hypothetical water spray system layout. Figure A-5-1.3(b) shows a
sample calculation for this system, using pipe sizing and nozzles with constants such that the
velocity pressures generally exceed 5 percent of the total pressures, and the designer elected to
include velocity pressures. Figure A-5-1.3(c) shows a sample calculation for this system, using
pipe sizing and nozzles with constants such that velocity pressures are less than 5 percent of the
total pressures, and the velocity pressures were not included in the calculation. Figure A-5-1.3(d)
shows a graphical representation of the results of hydraulic calculations shown in Figure
A-5-1.3(c), assuming 250 gpm (946 L/min) outside hydrant flow requirements and 4.0 psi (0.28
bars) of underground friction loss.
CHAPTER 5.
DELUGE SYSTEM
__________________________________________________________________________________
__________
________________________________________________________________________________________________
____________ 63
CHAPTER 5.
DELUGE SYSTEM
__________________________________________________________________________________
__________
________________________________________________________________________________________________
____________ 64
3.3.3 Designing Calculation Method
Hydraulic calculation is the fire safety practice of calculating the flow of liquids through
a medium (usually a piping network) to ensure that fires could be extinguished.
Hydraulic calculations are required to prove the flow of water (or water mixed with
chemical additive) through piping networks for the purpose of controlling or
extinguishing a fire. The hydraulic calculation procedure is defined in the reference
model codes as published by NFPA (National Fire Protection Association),[1] EN 12845
Fixed firefighting system - Automatic sprinkler systems - Design, installation and
maintenance [2] and other international fire design standards.
The calculations prove that the water available (usually from a city water main, elevated
storage tank, or fire pump) is strong enough (has enough pressure), and plentiful enough
Calculations are based on the worst expected fire, located in the geometrically farthest
point from the water source (based on the path the extinguishing water is required to
travel to get to the fire).
Analysis of the worst expected fire is based on the use of the building and areas. The
hazard rating of various areas is defined by National Fire Protection Association (NFPA)
Codes. Areas include:
Light Hazard (offices, toilets, and similar areas of light combustibles and light fuel
loading)
Ordinary Hazard (car parking, stores, restaurants)
Extra Hazard (flammable chemical use, heavy manufacturing, plastics)
Storage (flammable items stored in solid piles, on shelves, or on racks to a significant
height).
The analysis of hazard gives a design density required to control a fire, which has been
derived from years of fire tests conducted by insurance companies and other testing
agencies. The design density is described by two variables that must work together to
achieve fire control:
Water flowfrom the sprinkler head (how heavy the rainfall of water from open fire
sprinklers)
Total area (the expected size of the fire before it will not continue to grow)
CHAPTER 5.
DELUGE SYSTEM
__________________________________________________________________________________
__________
________________________________________________________________________________________________
____________ 65
The shortened expression of a common design density for a Light Hazard office
is .1/1500, which is fully expressed as,
" 0.1 GPM per square foot is required to fall from the fire sprinklers onto the fire over the
most remote 1,500 square feet (140 m2) of area, which is the maximum expected size of a
fire in this Light Hazard building area."
A common density required for a warehouse type "big box" store that has higher
flammability items stored on racks to twenty feet high is .6/2000. Note that the density of
water to fall per square foot is six times heavier than an office, and the expected fire size
is larger.
Storage warehouses commonly use a newer technology type fire sprinkler, ESFR (early
suppression fast response), which have discharge requirements not based on design
densities, and which are designed to extinguish a fire before the arrival of the fire
department.
The water available is verified by means of a water flow test (opening a fire hydrant and
recording the water pressures and gallons flow per minute).
CHAPTER 6.FOAM TOP POURER SYSTEM
__________________________________________________________________________________
________________________________________________________________________________________________
66
6.1Introduction
Delta Foam Top Pourer sets come in four sizes with individual capacities from 120 to
3600 litres per minute.
Individual units are pre-engineered to give precise flow and pressure characteristics.
These flow rates are optimised to provide the correct minimum application rate to the
hazard being protected.
The Foam Top Pourers have a frangible glass seal which breaks under pressure from the
foam that is then deflected onto the tank shell cooling it and gently pouring it onto the
fuel surface. The Delta Foam Top Pourer sets all have an easily removable cover
allowing for system testing without the need to break the seal and facilitating inspection
and maintenance.
Individual performance curves are available upon request for each of the four models.
A special adaptor fixing kit is available from Delta’s foam equipment range to enable
external tank fixing. The kit consists of a special flange adaptor with fixed threaded studs.
An appropriate ANSI 150lb flange size hole is cut into the tank shell and the adaptor is
bolted into place. The Foam Top Pourer Set flange can then be easily offered up to the
locating studs and fastened into position-all nuts, washers and gaskets are provided.
6.2Components Of System
6.2.1 FTP
6.2.2 Piping
6.2.3 Cut of Valve
6.2.4 Foam Tank
6.2.5 Water Tank
6.2.6 Pump Set
6.3Designing Of Foam Top Porer System
Medium- and high-expansion foams are aggregations of bubbles that are
mechanically generated by the passage of air or other gases through a net, screen, or
other porous medium that is wetted by an aqueous solution of surface active foaming
agents. Under proper conditions,
fire-fighting foams of expansions from 20:1 to 1000:1 can be generated. These foams
provide a unique agent for transporting water to inaccessible places; for total flooding
of confined spaces; and for volumetric displacement of vapor, heat, and smoke. Tests
have shown that, under certain circumstances, high expansion foam, when used in
conjunction with water sprinklers, will provide more positive control and
extinguishment than either extinguishment system by itself. High-piled storage of
rolled paper stock is an example. Optimum efficiency in any one type of hazard
depends to some extent on the rate of application and the foam expansion and
stability.
CHAPTER 6.FOAM TOP POURER SYSTEM
__________________________________________________________________________________
________________________________________________________________________________________________
67
6.3.1 Drawing And Bill Of Quantity
CHAPTER 6.FOAM TOP POURER SYSTEM
__________________________________________________________________________________
________________________________________________________________________________________________
68
S/#. DESCRIPTION & SPECIFICATIONS QTY.
1. M.S Pipe Dia 6” (Schedule 40) 660’
2. M.S Pipe Dia 4” (Schedule 40) 960’
3. M.S Pipe Dia 3” (Schedule 40) 1200’
4. Reducer 6”x 4” C.S Sch-40 Concentric Weld 06
5. Tee 6”x6”x6” Sch-40 C.S Weld 03
6. Elbow 6”x 90o,
Sch-40 C.S. Weld 04
7. Elbow 6”x 45o,
Sch-40 C.S. Weld 04
8. Elbow 4”x 90 o,
Sch-40 C.S. Weld 03
9. Elbow 3”x 90 o,
Sch-40 C.S. Weld 10
10. Elbow 3”x 45 o,
Sch-40 C.S. Weld 05
11. Gate Valve 6”x 6” C.I China Flanged, Flanged 03
12. Gate Valve 4”x 4” C.I China Flanged, Flanged 01
13. Gate Valve 3”x 3” C.I China Flanged, Flanged 05
14. Flange 6” Weld Type Class 150 Slip-on Type 25
15. Flange 4” Weld Type Class 150 Slip-on Type 25
16. Flange 3” Weld Type Class 150 Slip-on Type 45
17.
Nut & Bolt 5/8”x 3” With Spring Washer 44kg
18.
Nut & Bolt ½”x 2 ½” With Spring Washer 9kg
19.
FTP-1700 06
20.
FTP-700 01
21.
FTP-360 01
22.
FTP-260 02
23.
FTP-150 02
CHAPTER 6.FOAM TOP POURER SYSTEM
__________________________________________________________________________________
________________________________________________________________________________________________
69
6.3.2 Standards Of Designing
ome important types of hazards that medium- and high-expansion foam systems
can satisfactorily protect include:
(a) Ordinary combustibles,
(b)Flammable and
combustible liquids, (c)
Combinations of (a) and (b),
(d) Liquefied natural gas (high-expansion foam only).
NOTE: Under certain circumstances it might be possible to utilize medium- or
high-expansion foam systems for control of fires involving flammable liquids or
gases issuing under pressure, but no general recommendations can be made in this
standard due to the infinite variety of particular situations that can be encountered
in actual practice.
The discharge of large amounts of medium- or high-expansion foam can inundate
personnel, blocking vision, making hearing difficult, creating some discomfort in
breathing, and causing spatial disorientation. This breathing discomfort will increase
with a reduction in expansion ratio of the foam while under the effect of sprinkler
discharge.
6.3.3 Designing Calculation Method
Product Storage: Gasoline/HFO/LFO/Diesel
Tank Diameter: 28 meters
Design Pressure: 5 bar
Fuel Surface Area: Pi x d2
/4
3.1416 x 28 x25 /4
615 m2
Min. Foam Application Rate:
surface Area x 4.1 LPM
615 x 4.1 = 2522 LPM
Total Flow Rate: 2522 LPM
Foam Mixing Ratio: 3% minimum
Qty. Foam per min: 2522 x 3% = 75.66 LPM
Operation of Duration: 30 Min
Total Qty. Foam: 75.66 x 30 = 2270 Litres.
CHAPTER 7.VESDA SYSTEM
__________________________________________________________________________________
________________________________________________________________________________________________
70
7.1 Introduction
An aspirating smoke detector (ASD), consists of a central detection unit which draws air
through a network of pipes to detect smoke.[1] The sampling chamber is based on a
nephelometer that detects the presence of smoke particles suspended in air by detecting
the light scattered by them in the chamber.
In most cases aspirating smoke detectors require a fan unit to draw in a sample of air
from the protected area through its network of pipes, such as is the case for Wagner, Safe
Fire Detection's ProSeries and Xtralis ASD systems.
7.2 Components Of Vesda System
7.2.1 Panel
7.2.2 PPRC Tube
7.2.3 VESDA Nozzle
7.2.4 End Cap
7.3 Designing Of Vesda System
ASD design corrects shortcomings of conventional smoke detectors by using sampling
pipe with multiple holes. The air samples are captured and filtered, removing any
contaminants or dust to avoid false alarms and then processed by a centralized, highly
sensitive laser detection unit. If smoke is detected, the systems alarm is triggered, and
signals then are processed through centralized monitoring stations within a few seconds.
Unlike passive smoke detection systems including spot detectors, ASD systems actively
draw smoke to the detector through bore holes within a piping system that runs
throughout the protected area. Furthermore, ASD systems incorporate integrity
monitoring to ensure an alert is raised at any time the ASD’s ability to detect smoke is
compromised. This is not the case with passive devices that are generally only electrically
monitored with no ability to determine if smoke can actually reach the detection element.
ASD systems incorporate more than one level of alarm, generally configurable. This
allows an ASD system to provide very early warning of an event, prompting investigation
at the earliest smouldering stage of a fire when it is easily addressed. Other alarm levels
may be configured to provide fire alarm inputs to fire systems as well as releasing
suppression systems. ASD alarm sensitivities are configurable and can be programmed to
levels ranging from thousands of times more sensitive than a conventional detector, to
much less sensitive. The detectors work best in non-volatile environments.They can also
be used in computer cabinets to alert users to the overheating of computer cables or
individual computer components.
CHAPTER 7.VESDA SYSTEM
__________________________________________________________________________________
________________________________________________________________________________________________
71
7.3.1 Drawing And Bill Of Quantity
CHAPTER 7.VESDA SYSTEM
__________________________________________________________________________________
________________________________________________________________________________________________
72
Sr.# Equipment/Item Unit
JUICE CONTOL
ROOM GROUND
FLOOR
JUICE
CONTROL
ROOM FIRST
FLOOR
TRANSFORMER
ROOM
TOTTAL
1 PIPE SS-304 Grade 25mm Feet 80 60 40 180
2 SS-304 Grade Bend 25mm Nos 3 2 10 15
4 SS-304 Grade Sccket 25mm Nos 4 2 2 8
5 SS-304 Grade End Cap 25mm Nos 0 1 1 2
6
SS-304 Grade Tube Support /
Clamps 25 mm
Nos 26 20 14 60
7
Vesda Nozzle / Hole 3 mm As Per
Site
Nos. 4 4 3 11
8 Teflon Tape Nos. 15 15 15 45
9 Rawal Plug 12 # Packets 1 1 1 3
10 Hilti Bolt 2.5"x6mm for support Nos. 52 40 30 122
11 Pipe Clip 3/4"x1.5mm Nos. 26 20 14 60
12
Power Supply of Vesda Panel With
Battery 24V 5 Amp. With Charger &
Accessories
Job 1 1 2
13 VESDA PANNEL VLF 250 Nos. 1 1 2
14 Hilti Bolt 2.5"x6mm for pannel Nos. 4 4 8
CHAPTER 7.VESDA SYSTEM
__________________________________________________________________________________
________________________________________________________________________________________________
73
7.3.2 Standards Of Designing
VESDA ASPIRE2 by Xtralis Pipe Network Design Software is a Windows®-based
application that aids the specification and design of pipe networks for VESDA aspirating
smoke detectors. It provides the designer with tools to speed the design process and
ensure optimum network performance and installation. ASPIRE2 also makes design
implementation easy with automatic generation of lists of all required components and an
Installation Data Pack.
Ensures optimum design of Xtralis VESDA aspirating smoke detection pipe networks,
including branched networks
Accurately models pipe network designs to environmental performance criteria
Speeds the design process by automating adjustment of hole sizes
Allows different detector performance requirements within one building
Unique building constraints can be easily accommodated
Custom design elements can be documented to guide the installation team
3D schematics to aid design and installation
Professional reports and materials lists can be generated to add to client submissions
Supports both metric and American measurement systems
Compatible with other Windows® – based applications
Set multiple detector alarm thresholds within a detector (Europe only)
Sampling Point Sensitivity tab to confirm EN 54-20* compliance (Europe only)
CHAPTER 7.VESDA SYSTEM
__________________________________________________________________________________
________________________________________________________________________________________________
70
7.1 Introduction
An aspirating smoke detector (ASD), consists of a central detection unit which draws air
through a network of pipes to detect smoke.[1] The sampling chamber is based on a
nephelometer that detects the presence of smoke particles suspended in air by detecting
the light scattered by them in the chamber.
In most cases aspirating smoke detectors require a fan unit to draw in a sample of air
from the protected area through its network of pipes, such as is the case for Wagner, Safe
Fire Detection's ProSeries and Xtralis ASD systems.
7.2 Components Of Vesda System
7.2.1 Panel
7.2.2 PPRC Tube
7.2.3 VESDA Nozzle
7.2.4 End Cap
7.3 Designing Of Vesda System
ASD design corrects shortcomings of conventional smoke detectors by using sampling
pipe with multiple holes. The air samples are captured and filtered, removing any
contaminants or dust to avoid false alarms and then processed by a centralized, highly
sensitive laser detection unit. If smoke is detected, the systems alarm is triggered, and
signals then are processed through centralized monitoring stations within a few seconds.
Unlike passive smoke detection systems including spot detectors, ASD systems actively
draw smoke to the detector through bore holes within a piping system that runs
throughout the protected area. Furthermore, ASD systems incorporate integrity
monitoring to ensure an alert is raised at any time the ASD’s ability to detect smoke is
compromised. This is not the case with passive devices that are generally only electrically
monitored with no ability to determine if smoke can actually reach the detection element.
ASD systems incorporate more than one level of alarm, generally configurable. This
allows an ASD system to provide very early warning of an event, prompting investigation
at the earliest smouldering stage of a fire when it is easily addressed. Other alarm levels
may be configured to provide fire alarm inputs to fire systems as well as releasing
suppression systems. ASD alarm sensitivities are configurable and can be programmed to
levels ranging from thousands of times more sensitive than a conventional detector, to
much less sensitive. The detectors work best in non-volatile environments.They can also
be used in computer cabinets to alert users to the overheating of computer cables or
individual computer components.
CHAPTER 7.VESDA SYSTEM
__________________________________________________________________________________
________________________________________________________________________________________________
71
7.3.1 Drawing And Bill Of Quantity
CHAPTER 7.VESDA SYSTEM
__________________________________________________________________________________
________________________________________________________________________________________________
72
Sr.# Equipment/Item Unit
JUICE CONTOL
ROOM GROUND
FLOOR
JUICE
CONTROL
ROOM FIRST
FLOOR
TRANSFORMER
ROOM
TOTTAL
1 PIPE SS-304 Grade 25mm Feet 80 60 40 180
2 SS-304 Grade Bend 25mm Nos 3 2 10 15
4 SS-304 Grade Sccket 25mm Nos 4 2 2 8
5 SS-304 Grade End Cap 25mm Nos 0 1 1 2
6
SS-304 Grade Tube Support /
Clamps 25 mm
Nos 26 20 14 60
7
Vesda Nozzle / Hole 3 mm As Per
Site
Nos. 4 4 3 11
8 Teflon Tape Nos. 15 15 15 45
9 Rawal Plug 12 # Packets 1 1 1 3
10 Hilti Bolt 2.5"x6mm for support Nos. 52 40 30 122
11 Pipe Clip 3/4"x1.5mm Nos. 26 20 14 60
12
Power Supply of Vesda Panel With
Battery 24V 5 Amp. With Charger &
Accessories
Job 1 1 2
13 VESDA PANNEL VLF 250 Nos. 1 1 2
14 Hilti Bolt 2.5"x6mm for pannel Nos. 4 4 8
CHAPTER 7.VESDA SYSTEM
__________________________________________________________________________________
________________________________________________________________________________________________
73
7.3.2 Standards Of Designing
VESDA ASPIRE2 by Xtralis Pipe Network Design Software is a Windows®-based
application that aids the specification and design of pipe networks for VESDA aspirating
smoke detectors. It provides the designer with tools to speed the design process and
ensure optimum network performance and installation. ASPIRE2 also makes design
implementation easy with automatic generation of lists of all required components and an
Installation Data Pack.
Ensures optimum design of Xtralis VESDA aspirating smoke detection pipe networks,
including branched networks
Accurately models pipe network designs to environmental performance criteria
Speeds the design process by automating adjustment of hole sizes
Allows different detector performance requirements within one building
Unique building constraints can be easily accommodated
Custom design elements can be documented to guide the installation team
3D schematics to aid design and installation
Professional reports and materials lists can be generated to add to client submissions
Supports both metric and American measurement systems
Compatible with other Windows® – based applications
Set multiple detector alarm thresholds within a detector (Europe only)
Sampling Point Sensitivity tab to confirm EN 54-20* compliance (Europe only)
CHAPTER 8.FM 200 SYSTEM
__________________________________________________________________________________
________________________________________________________________________________________________
74
8.1 Introduction
HFC-227ea finds use in fire suppression systems in data processing and
telecommunication facilities, and in protection of many flammable liquids and gases.
HFC-227ea falls in the category of Clean Agents and is governed by NFPA 2001 -
Standard for Clean Agent Fire Extinguishing Systems. Effective fire suppression requires
introducing a concentration of the HFC-227ea agent between 6.25% and 9% depending
on the hazard being protected. Its NOAEL level for cardiac sensitization is 9%. The
United States Environmental Protection Agency allows concentration of 9% volume in
occupied spaces without mandated egress time, or up to 10.5% for a limited time. Most
fire suppression systems are designed to provide concentration of 6.25-9%.
The HFC-227ea fire suppression agent was the first non-ozone depleting replacement for
Halon 1301.[citation needed] In addition, HFC-227ea leaves no residue on valuable
equipment after discharge.
HFC-227ea contains no chlorine or bromine atoms, presenting no ozone depletion effect.
Its atmospheric lifetime is approximated between 31 and 42 years. It leaves no residue or
oily deposits and can be removed by ventilation of the affected space.
As an aerosol propellant, HFC-227ea is used in pharmaceutical metered dose inhalers
such as those used for dispensing asthma medication.
8.2 Components Of FM 200 System
8.2.1 Smoke Detector / Heat Detector
8.2.2 Manual Call point
8.2.3 Audible alarm
8.2.4 Visual alarm
8.2.5 Abort Switch
8.2.6 FM-200 Cylinder
8.2.7 Manual Actuator
8.2.8 2-way Pneumatic Head
8.2.9 1-Way Pneumatic Head
8.2.10 Extinguishing Control Panel
8.2.11 Piping
8.2.12 Discharge nozzles
8.2.13 Manifold
8.2.14 Release hose
8.2.15 Discharge hose
CHAPTER 8.FM 200 SYSTEM
__________________________________________________________________________________
________________________________________________________________________________________________
75
8.3 Designing Of FM 200 System
Specifications for clean agent fire extinguishing systems shall be prepared under the
supervision of a person fully experienced and qualified in the design of clean agent
extinguishing systems and with the advice of the authority having jurisdiction. The
specifications shall include all pertinent items necessary for the proper design of the
system such as the designation of the authority having jurisdiction, variances from the
standard to be permitted by the authority having jurisdiction, design criteria, system
sequence of operations, the type and extent of the approval testing to be performed
after installation of the system, and owner training requirements.
Working plans and calculations shall be submitted for approval to the authority
having jurisdiction before installation or remodeling begins. These documents shall
be prepared only by persons fully experienced and qualified in the design of clean
agent extinguishing systems. Deviation from these documents shall require
permission of the authority having jurisdiction.
8.3.1 Drawing And Bill Of Quantity
CHAPTER 8.FM 200 SYSTEM
__________________________________________________________________________________
________________________________________________________________________________________________
76
B.O.Q of FM-200 Fire
Suppression System
(Mechanical)
Sr.# Equipment/Item Husky
Total
Quantity
Unit
1 Pipe Dia 4” Seamless Sch 40 40 40 Feet
2 Pipe Dia 3” Seamless Sch 40 60 60 Feet
3 Pipe Dia 2-1/2” Seamless Sch 40 20 20 Feet
4 Pipe Dia 2” Seamless Sch 40 0 0 Feet
5 Pipe Dia 1-1/2” Seamless Sch 40 0 0 Feet
6 Pipe Dia 1-1/4” Seamless Sch 40 0 0 Feet
7 Pipe Dia 1” Seamless Sch 40 10 10 Feet
8 Pipe Dia 1/2” Seamless Sch 40 0 0 Feet
9 Pipe Dia 3/8” Seamless Sch 40 0 0 Feet
10 Discharge Nozzle Dia 3/8" 0 0 Nos
11 Discharge Nozzle Dia 1/2" 0 0 Nos
12 Discharge Nozzle Dia 1" 3 3 Nos
13 Discharge Nozzle Dia 1-1/4" 0 0 Nos
14 Discharge Nozzle Dia 1-1/2" 0 0 Nos
15 Discharge Nozzle Dia 2-1/2" 3 3 Nos
16 Tee 4"X4"X4" 1 1 Nos
17 Tee 3"X3"X2.5" 2 2 Nos
18 Tee 2"X2"X2" 0 0 Nos
19 Tee 1.5"X1.5"X1.5" 0 0 Nos
20 Tee 1-1/4"X1-1/4"X1-1/4" 0 0 Nos
CHAPTER 8.FM 200 SYSTEM
__________________________________________________________________________________
________________________________________________________________________________________________
77
21 Elbow 2.5" 7 7 Nos
22 Elbow 2" 0 0 Nos
23 Elbow 1.5" 0 0 Nos
24 Elbow 1-1/4" 0 0 Nos
25 Flange 4" 12 12 Nos
26 Flange 3" 12 12 Nos
27 Flange 2.5" 4 4 Nos
28 Flange 2" 0 0 Nos
29 Flange 1.5" 0 0 Nos
30 Flange 1-1/4" 0 0 Nos
31 Nut Bolt 5/8"x3" 9 9 Kg
32 Nut Bolt 1/2"x3" 6 6 Kg
33 Rwal Bolt 5/8"x3" 250 250 Nos
34 Angle 1.5"x1.5"x4mm 100 100 Feet
35 U-Clamp 4" 6 6 Nos
36 U-Clamp 3" 6 6 Nos
37 U-Clamp 2.5" 4 4 Nos
38 U-Clamp 2" 0 0 Nos
39 U-Clamp 1.5" 0 0 Nos
40 U-Clamp 1-1/4" 0 0 Nos
41 Teflon Tapes 20 20 Nos
42 Socket 2.5" 3 3 Nos
43 Socket 1.5" 0 0 Nos
44 Socket 1-1/4" 0 0 Nos
45 Socket 1" 3 3 Nos
46 Socket 1/2" 0 0 Nos
CHAPTER 8.FM 200 SYSTEM
__________________________________________________________________________________
________________________________________________________________________________________________
78
47 Required CO2 Gas 600 600 KG
48 Pilot Cylinder 1 1 Nos
49 Cylinder of 45 Kg of CO2 Gas, 13 13 Nos
50 Cylinder Stand with Bracket 13 13 Nos
B.O.Q of FM-200 Fire
Suppression System
( Electrical)
Sr.# Equipment/Item Husky
Total
Quantity
Unit
1 Smoke Detector 8 8 Nos
2 Manual Call Point 1 1 Nos
3 First Stage Sounder 1 1 Nos
4 Second Stage Sounder With Flasher 1 1 Nos
5 Abort Switch 1 1 Nos
6 Solenoid Valve 1 1 Nos
7 Extinguishing Control Panel 1 1 Nos
8 Cable 1.5mm single Core 400 400 Feet
9 Mnaual Head Actuator 1 1 Nos
Accessories / Miscellaneous Items Electrical
1 PVC Pipe 190 190 Feet
2 PVC Duct 20 20 Feet
3 Tee 3/4"x3/4"x3/4" 6 6 Nos
4 Elbow 3/4" 25 25 Nos
5 U-clamp 3/4" 50 50 Nos
6 Screw 40 40 Nos
CHAPTER 8.FM 200 SYSTEM
__________________________________________________________________________________
________________________________________________________________________________________________
79
7 Rwal Plug 3 3 Packet
8 Bit 2 2 Nos
8.3.2 Standards Of Designing
Working plans shall be drawn to an indicated scale, and shall show the following
items that pertain to the design of the system:
(a) Name of owner and occupant;
(b) Location, including street address;
(c) Point of compass and symbol legend;
(d) Location and construction of protected enclosure walls and
partitions; (e) Location of fire walls;
(f) Enclosure cross section, full height or schematic diagram, including
location and construction of building floor/ceiling assemblies above and below,
raised access floor and suspended ceiling;
(g) Type of clean agent being used;
(h) Design extinguishing or inerting concentration;
(i) Description of occupancies and hazards being protected, designating
whether or not the enclosure is normally occupied;
(j) Description of exposures surrounding the enclosure;
(k) Description of the agent storage containers used including internal
volume, storage pressure, and nominal capacity expressed in units of agent
mass, or volume at standard
onditions of temperature and pressure;
(l) Description of nozzle(s) used including size, orifice port configuration, and
equivalent orifice area;
(m) Description of pipe and fittings used including material specifications, grade,
and pressure rating;
(n) Description of wire or cable used including classification, gauge (AWG),
shielding, number of strands in conductor, conductor material, and color coding
schedule. Segregation requirements of various system conductors shall be clearly
indicated. The required method of making wire terminations shall be detailed;
(o) Description of the method of detector mounting;
(p) Equipment schedule or bill of materials for each piece of equipment or
device showing device name, manufacturer, model or part number, quantity, and
description;
(q) Plan view of protected area showing enclosure partitions (full and partial height);
agent distribution system including agent storage containers, piping, and nozzles;
CHAPTER 8.FM 200 SYSTEM
__________________________________________________________________________________
________________________________________________________________________________________________
80
type of pipe hangers and rigid pipe supports; detection, alarm, and control system
including all devices and schematic of wiring interconnection between them;
end-of-line device locations; location of controlled devices such as dampers and
shutters; location of instructional signage;
(r) Isometric view of agent distribution system showing the length and diameter
of each pipe segment; node reference numbers relating to the flow calculations;
fittings including reducers
and strainers; orientation of tees, nozzles including size, orifice port configuration,
flow rate, and equivalent orifice area;
(s) Scale drawing showing the layout of the annunciator panel graphics if
required by the authority having jurisdiction;
(t) Details of each unique rigid pipe support configuration showing method of
securement to the pipe and to the building structure;
(u) Details of the method of container securement showing method of
securement to the container and to the building structure;
(v) Complete step-by-step description of the system sequence of operations
including functioning of abort and maintenance switches, delay timers, and
emergency power shutdown;
(w) Point-to-point wiring schematic diagrams showing all circuit connections to
the system control panel and graphic annunciator panel;
(x) Point-to-point wiring schematic diagrams showing all circuit connections to
external or add-on relays;
(y) Complete calculations to determine enclosure volume, quantity of clean agent,
and size of backup batteries. Method used to determine number and location of
audible and visual indicating devices, and number and location of detectors; and
(z) Details of any special features.
low calculations along with the working plans shall be submitted to the authority
having jurisdiction for approval. The version of the flow calculation program shall
be identified on the computer calculation printout.
`hen such material changes from approved plans are made, corrected “as installed”
plans shall be provided.
CHAPTER 9.CO2 SYSTEM
____________________________________________________________________________________________
____________________________________________________________________________________________________________
81
9.1 Introduction
Carbon dioxide (chemical formula CO2) is a naturally occurring chemical compound composed of
two oxygen atoms each covalently double bonded to a single carbon atom. It is a gas at standard
temperature and pressure and exists in Earth's atmosphere in this state, as a trace gas at a
concentration of 0.039 per cent by volume.[1]
As part of the carbon cycle, plants, algae, and cyanobacteria use light energy to photosynthesize
carbohydrate from carbon dioxide and water, with oxygen produced as a waste product.[2] However,
photosynthesis cannot occur in darkness and at night some carbon dioxide is produced by plants
during respiration.[3] Carbon dioxide is produced by combustion of coal or hydrocarbons, the
fermentation of sugars in beer and winemaking and by respiration of all living organisms. It is
exhaled in the breath of humans and other land animals. It is emitted from volcanoes, hot springs,
geysers and other places where the earth's crust is thin and is freed from carbonate rocks by
dissolution. CO2 is also found in lakes, at depth under the sea and commingled with oil and gas
deposits.
9.2 Components Of Co2 System
9.2.1 Smoke Detector / Heat Detector
9.2.2 Manual Call point
9.2.3 Audible alarm
9.2.4 Visual alarm
9.2.5 Abort Switch
9.2.6 CO2 Cylinder
9.2.7 Pilot Cylinder
9.2.8 Manual Actuator
9.2.9 2-way Pneumatic Head
9.2.10 1-Way Pneumatic Head
9.2.11 Extinguishing Control Panel
9.2.12 Piping
9.2.13 Discharge nozzles
9.2.14 Manifold
9.2.15 Release hose
9.2.16 Discharge hose
____________________________________________________________________________________________________________
82
9.3 Designing Of Co2 System
NFPA 12 is perhaps the most widely accepted standard for the design, installation, operation and
maintenance of fire fighting systems using carbon dioxide as the extinguishing medium. This standard
deals with two (2) types of systems:
- high pressure systems: In these systems, carbon dioxide is stored in pressure containers (cylinders) at
ambient temperatures. High pressure systems are mostly used nowadays.
- low pressure systems: In these systems, carbon dioxide is stored in pressure containers at a controlled
low temperature of 0 degF (or -18 degC). Low pressure systems are used in special applications,
especially when we want to maximize the density of fire fighting medium per storage space, like for
example for fire-fighting purposes of gas turbines enclosures.
Due to its toxicity, carbon dioxide is not to be used in normally occupied spaces like offices, libraries,
computer rooms etc. However, it is widely used for fight fighting purposes in unoccupied and/or remote
switchgear rooms, battery rooms, data rooms, cable tunnels.
Basic things to consider during design of a carbon dioxide fire fighting system
After we determine which areas will be fire protected with carbon dioxide, we must estimate the most
probable type of fire that will develop upon fire initiation. Based on NFPA 12, two (2) major types of fire
exist:
- surface fires
- deep-seated fires
Surface fires are relatively easy to extinguish. They are mostly fires which are caused by flammable
solids, gas or liquids.
On the other hand, deep-seated fire are more difficult rivals. Deep-seated fires are mostly smoldering
fires, like for example a cable fire. Bigger quantities of carbon dioxide are necessary for their
extinguishment compared to surface fires, since exposed material will also have to be cooled to a
temperature that will not allow its re-ignition.
Once we have decided the type of fire, we can proceed to calculate the necessary quantities of carbon
dioxide.
____________________________________________________________________________________________________________
83
For this purpose, we must calculate the net volume of the protected space. This calculation does not
normally take into consideration false ceilings and/or false floors.
Carbon dioxide requirements for surface fires
Once the net volume is known, we proceed to determine the design concentration of carbon dioxide that
is required for the type of flammable material involved. In no case shall a concentration less than 34% be
used. Design concentrations are typically calculated by adding a safety factor of 20% to the minimum
concentration factors shown at Table 5.3.2.2 of NFPA 12, i.e. design concentration = 1,2 * minimum
concentration
For a design concentration of 34%, NFPA 12 stipulated flooding factors will have to be applied as a
minimum:
Picture 1 – Carbon dioxide volume factors for surface fires
____________________________________________________________________________________________________________
84
We take note that the smaller a space, the bigger the necessary quantity of carbon dioxide. For materials
requiring a design concentration bigger than 34%, the quantities calculated until now will have to be
multiplied with the volume factor given in Figure 5.3.4 of NFPA 12
Minimum calculated quantities will have to be increased in order to take into consideration any of the
following reasons:
- openings that cannot be closed
- ventilation systems that cannot be shut down during carbon dioxide discharge
- a small percentage of carbon dioxide is vaporised during discharge without contributing to the putting
out of the fire
Although no specific rules exist, it is usual that minimum calculated quantities are multiplied by a factor of
1.1 in order to take into consideration all these parameters.
Carbon dioxide requirements for deep-seated fires
Here, the calculation is more straight-forward. Knowing the protected space net volume, we use the
volume factors of Table 5.4.2.1 of NFPA 12
Table 5.4.2.1 of NFPA 12 (2005 edition)
Picture 2 – Design carbon dioxide concentration for deep-seated fires
____________________________________________________________________________________________________________
85
Additional safety factors, similar to surface fires are also used here in order to take into consideration
uncloseable openings, ventilation systems that cannot be shut down etc.
Selection of number of cylinders
Individual cylinders shall be used having a nominal weight capacity of 5, 10, 15, 20, 25, 35, 50, 75, 100,
or 120 lb (2.3, 4.5, 6.8, 9.1, 11.4, 15.9, 22.7, 34.1, 45.4, or 54.4 kg respectively).
Depending on the calculated quantities of carbon dioxide that is necessary for each space, we proceed to
order the final amount of carbon dioxide cylinders for all protected spaces, taking into consideration the
following:
- For redundancy reasons, overall selected amount of carbon dioxide cylinders is divided in two (2) banks
of cylinders: the main bank of cylinders and the reserve or auxiliary bank of cylinders.
- Calculation of the overall amount of cylinders is not done by adding the number of necessary cylinders
per space, since it is very unlikely that a fire develops simultaneously in all spaces. If for example, space
A needs seven (7) cylinders, space B needs ten (10) cylinders and space C needs fifteen (15) cylinders,
then we shall order thirty (30) cylinders, 15 for each bank so as to cover the worst case scenario: fire
outbreak at space C.
____________________________________________________________________________________________________________
86
9.3.1 Drawing And Bill Of Quantity
____________________________________________________________________________________________________________
87
B.O.Q of CO2 System
(Mechanical)
Sr.# Equipment/Item Husky
Total
Quantity
Unit
1 Pipe Dia 4” Seamless Sch 40 40 40 Feet
2 Pipe Dia 3” Seamless Sch 40 60 60 Feet
3 Pipe Dia 2-1/2” Seamless Sch 40 20 20 Feet
4 Pipe Dia 2” Seamless Sch 40 0 0 Feet
5 Pipe Dia 1-1/2” Seamless Sch 40 0 0 Feet
6 Pipe Dia 1-1/4” Seamless Sch 40 0 0 Feet
7 Pipe Dia 1” Seamless Sch 40 10 10 Feet
8 Pipe Dia 1/2” Seamless Sch 40 0 0 Feet
9 Pipe Dia 3/8” Seamless Sch 40 0 0 Feet
10 Discharge Nozzle Dia 3/8" 0 0 Nos
11 Discharge Nozzle Dia 1/2" 0 0 Nos
12 Discharge Nozzle Dia 1" 3 3 Nos
13 Discharge Nozzle Dia 1-1/4" 0 0 Nos
14 Discharge Nozzle Dia 1-1/2" 0 0 Nos
15 Discharge Nozzle Dia 2-1/2" 3 3 Nos
16 Tee 4"X4"X4" 1 1 Nos
17 Tee 3"X3"X2.5" 2 2 Nos
18 Tee 2"X2"X2" 0 0 Nos
19 Tee 1.5"X1.5"X1.5" 0 0 Nos
20 Tee 1-1/4"X1-1/4"X1-1/4" 0 0 Nos
21 Elbow 2.5" 7 7 Nos
____________________________________________________________________________________________________________
88
22 Elbow 2" 0 0 Nos
23 Elbow 1.5" 0 0 Nos
24 Elbow 1-1/4" 0 0 Nos
25 Flange 4" 12 12 Nos
26 Flange 3" 12 12 Nos
27 Flange 2.5" 4 4 Nos
28 Flange 2" 0 0 Nos
29 Flange 1.5" 0 0 Nos
30 Flange 1-1/4" 0 0 Nos
31 Nut Bolt 5/8"x3" 9 9 Kg
32 Nut Bolt 1/2"x3" 6 6 Kg
33 Rwal Bolt 5/8"x3" 250 250 Nos
34 Angle 1.5"x1.5"x4mm 100 100 Feet
35 U-Clamp 4" 6 6 Nos
36 U-Clamp 3" 6 6 Nos
37 U-Clamp 2.5" 4 4 Nos
38 U-Clamp 2" 0 0 Nos
39 U-Clamp 1.5" 0 0 Nos
40 U-Clamp 1-1/4" 0 0 Nos
41 Teflon Tapes 20 20 Nos
42 Socket 2.5" 3 3 Nos
43 Socket 1.5" 0 0 Nos
44 Socket 1-1/4" 0 0 Nos
45 Socket 1" 3 3 Nos
46 Socket 1/2" 0 0 Nos
____________________________________________________________________________________________________________
89
47 Required CO2 Gas 600 600 KG
48 Pilot Cylinder 1 1 Nos
49 Cylinder of 45 Kg of CO2 Gas, 13 13 Nos
50 Cylinder Stand with Bracket 13 13 Nos
B.O.Q of CO2 Fire
Suppression System
( Electrical)
Sr.# Equipment/Item Husky
Total
Quantity
Unit
1 Smoke Detector 8 8 Nos
2 Manual Call Point 1 1 Nos
3 First Stage Sounder 1 1 Nos
4 Second Stage Sounder With Flasher 1 1 Nos
5 Abort Switch 1 1 Nos
6 Solenoid Valve 1 1 Nos
7 Extinguishing Control Panel 1 1 Nos
8 Cable 1.5mm single Core 400 400 Feet
9 Mnaual Head Actuator 1 1 Nos
Accessories / Miscellaneous Items Electrical
1 PVC Pipe 190 190 Feet
2 PVC Duct 20 20 Feet
3 Tee 3/4"x3/4"x3/4" 6 6 Nos
4 Elbow 3/4" 25 25 Nos
5 U-clamp 3/4" 50 50 Nos
____________________________________________________________________________________________________________
90
6 Screw 40 40 Nos
7 Rwal Plug 3 3 Packet
8 Bit 2 2 Nos
____________________________________________________________________________________________________________
91
9.3.2 Standards Of Designing
Specifications for Halon 1301 fire extinguishing systems shall be prepared under the
supervision of a person fully experienced and qualified in the design of Halon 1301
extinguishing systems and with the advice of the authority having jurisdiction. The specifications
shall include all pertinent items necessary for the proper design of the system such as the
designation of the authority having jurisdiction, variances from the standard to be permitted by
the authority having jurisdiction, and the type and extent of the approval testing to be performed
after installation of the system.
Plans and calculations shall be submitted for approval to the authority having jurisdiction before
installation begins. Their preparation shall be entrusted to none but persons fully experienced and
qualified in the design of Halon 1301 extinguishing systems.
These plans shall be drawn to an indicated scale or be suitably dimensioned and shall be made
so they can be easily reproduced.
These plans shall contain sufficient detail to enable an evaluation of the hazard(s) and the
effectiveness of the system. The detail of the hazards shall include the materials involved in the
hazards, the location of the hazards, the enclosure or limits and isolation of the hazards, and the
exposures to the hazards.
The detail on the system shall include information and calculations on the amount of Halon 1301;
container storage pressure; internal volume of the container; the location, type, and flow rate of
each nozzle including equivalent orifice area; the location, size, and equivalent lengths of pipe,
fittings, and hose; and the location and size of the storage facility. Details of pipe size reduction
method and orientation of tees shall be clearly indicated. Information shall be
submitted pertaining to the location and function of the detection devices, operating devices,
auxiliary equipment, and electrical circuitry, if used. Apparatus and devices used shall be
identified. Any special features shall be adequately explained. The manufacturer’s version of the
flow calculation program shall be identified on the computer calculation printout. Only the
currently listed calculation method shall be used.
An as-built instruction and maintenance manual that includes a full sequence of operation and a
full set of drawings and calculations shall be maintained in a clearly identified protective enclosure
at or near the system control panel.
When field conditions necessitate any material change from approved plans, the change shall
be submitted for approval.
The inerting concentrations shall be used where conditions for subsequent reflash or
explosion could exist. These conditions are where both:
(a) The quantity of fuel permitted in the enclosure is sufficient to develop a concentration
equal to or greater than one-half of the lower flammable limit throughout the enclosure, and
(b) The volatility of the fuel before the fire is sufficient to reach the lower flammable limit in
air (maximum ambient temperature or fuel temperature exceeds the closed cup flash point
temperature) or the system response is not rapid enough to detect and extinguish the fire before
the volatility of the fuel is increased to a dangerous level as a result of the fire.
____________________________________________________________________________________________________________
92
CAUTION: Under certain conditions, it may be dangerous to extinguish a burning gas
jet. As a first measure, the gas supply should be shut off.
The minimum design concentrations specified in Table 3-4.1.1 shall be used to inert
atmospheres involving several flammable liquids and gases. Design inerting concentrations not
given in Table 3-4.1.1 shall be determined by test plus a 10 percent safety factor. The minimum
CHAPTER 9.CO2 SYSTEM
____________________________________________________________________________________________
____________________________________________________________________________________________________________
93
design concentration shall be 5 percent.
For a particular fuel, either flame extinguishment or inerting concentrations shall be used.
Fuel Minimum Conc. % by Volume*
Acetone 7.6
Benzene 5.0
Ethanol 11.1
Ethylene 13.2
Hydrogen 31.4
Methane 7.7
n-Heptane 6.9
Propane 6.7
NOTE: See A-3-4.2.1 for basis of this table.
For combinations of fuels, the flame extinguishment or inerting value for the fuel requiring
the greatest concentration shall be used unless tests are made on the actual mixture.
CHAPTER 9.CO2 SYSTEM
____________________________________________________________________________________________
____________________________________________________________________________________________________________
94
Flammable solids may be classed as those that do not develop deep-seated fires and those that
do.
To protect materials that do not develop deep-seated fires, a minimum concentration of 5
percent shall be used.
Where the solid material is in such a form that a deep-seated fire can be established before a
flame extinguishing concentration has been achieved, provision shall be made to the satisfaction
of the authority having jurisdiction for means to effect complete extinguishment of the fire.
The amount of Halon 1301 required to achieve the design concentration shall be calculated
from the following formula:
s = 2.2062 + 0.005046 t
where t = minimum anticipated temperature of the protected volume, °F
(s = 0.147 81 + 0.000 567 t
where t = minimum anticipated temperature of the protected volume, °C)
C = Halon 1301 concentration, percent by volume
V = Net volume of hazard, cu ft (m3) (enclosed volume minus fixed structures impervious to
halon)
This calculation includes an allowance for normal leakage from a “tight” enclosure due to
agent expansion.
In addition to the concentration requirements, additional quantities of agent are required to
compensate for any special conditions that would affect the extinguishing efficiency.
The design quantity of Halon 1301 shall be adjusted to compensate for altitudes of more than
3000 ft (1000 m) above or below sea level and pressures that vary by 10 percent above or below
standard sea level pressure (29.92 in. Hg at 70°F). The Halon 1301 quantity shall be corrected by
multiplying the quantity determined in 3-5.1 and 3-5.2 by the ratio of average ambient enclosure
pressure to standard sea level pressure.
CHAPTER 9.CO2 SYSTEM
____________________________________________________________________________________________
____________________________________________________________________________________________________________
95
The minimum design rate of application shall be based on the quantity of agent required for the
desired concentration and the time allotted to achieve the desired concentration.
The agent discharge shall be substantially completed in a nominal 10 seconds or as otherwise
required by the authority having jurisdiction.
This period shall be measured as the interval between the first appearance of liquid at the
nozzle and the time when the discharge becomes predominantly gaseous. This point is
distinguished by a marked change in both the sound and the appearance of the discharge.
When an extended discharge is necessary the rate shall be sufficient to maintain the desired
concentration for the duration of application.
Nozzles shall be of the type listed for the intended purpose and shall be placed within the
protected enclosure in compliance with listed limitations with regard to spacing, floor coverage,
and alignment.
The type of nozzles selected, their number, and their placement shall be such that the design
concentration will be established in all parts of the hazard enclosure and such that the discharge
will not unduly splash flammable liquids or create dust clouds that might extend the fire, create
an explosion, or otherwise adversely affect the contents or integrity of the enclosure.
At least semiannually, all systems shall be thoroughly inspected, tested, and documented for
proper operation by trained competent personnel. Tests shall be in accordance with the
appropriate NFPA or Canadian standards.
The documented report with recommendations shall be filed with the owner.
The agent quantity and pressure of refillable containers shall be checked. If a container shows
a loss in net weight of more than 5 percent or a loss in pressure (adjusted for temperature) of
more than 10 percent, it shall be refilled or replaced. When the amount of agent in the container
is determined by special measuring devices in lieu of weighing, these devices shall be listed.
All halon removed from refillable containers during service or maintenance procedures shall
CHAPTER 9.CO2 SYSTEM
____________________________________________________________________________________________
____________________________________________________________________________________________________________
96
be collected for recycling.
Factory-charged nonrefillable containers that do not have a means of pressure indication shall
be weighed at least semiannually. If a container shows a loss in net weight of more than 5
percent, it shall be replaced. All factory-charged nonrefillable containers removed from useful
service shall be returned for recycling of the agent.
The weight and pressure of the container shall be recorded on a tag attached to the container.
D.O.T., C.T.C., or similar design Halon 1301 cylinders shall not be recharged without a retest
if more than five years have elapsed since the date of the last test and inspection. The retest may
consist of a complete visual inspection as described in the Code of Federal Regulations, Title 49,
Section 173.34(e)(10).
Cylinders continuously in service without discharging shall be given a complete external
visual inspection every five years, in accordance with Compressed Gas Association pamphlet
C-6, Section 3, except that the cylinders need not be emptied or stamped while under pressure.1
1Subpart C, Section 178.36 to and including 178.68 of Title 49, Transportation, Code of Federal Regulations, Parts
170-190. Available from the Superintendent of Documents, U.S. Government Printing Office, Washington, DC
20401. In Canada, the corresponding information is set forth in the “Canadian Transport Commission’s Regulations
for Transportation of Dangerous Commodities by Rail,” available from the Queen’s Printer, Ottawa, Ontario.
Where external visual inspection indicates that the container has been damaged, additional
strength tests shall be required.
CAUTION: If additional tests used include hydrostatic testing, containers should be
thoroughly dried before refilling.
Before recharging a container, a visual inspection of its interior shall be performed.
All system hoses shall be examined annually for damage. If visual examination shows any
deficiency, the hose shall be immediately replaced or tested as specified in 4-3.1.
All hoses shall be tested at 1500 psi for 600 psi charging pressure systems, and at 900 psi for
360 psi charging pressure systems. The test shall be performed as follows:
(a) Remove the hose from any attachment.
(b) The hose assembly is then to be placed in a protective enclosure designed to permit visual
CHAPTER 9.CO2 SYSTEM
____________________________________________________________________________________________
____________________________________________________________________________________________________________
97
observation of the test.
(c) The hose must be completely filled with water before testing.
(d) Pressure then is applied at a rate-of-pressure rise to reach the test pressure within a
minimum of one minute. The test pressure is to be maintained for one full minute. Observations
are then made to note any distortion or leakage.
(e) If the test pressure has not dropped or if the couplings have not moved, the pressure is
released. The hose assembly is then considered to have passed the hydrostatic test if no
permanent distortion has taken place.
(f) Hose assembly passing the test must be completely dried internally. If heat is used for
drying, the temperature must not exceed 150°F (66°C).
(g) Hose assemblies failing a hydrostatic test must be destroyed. They shall be replaced with
new assemblies.
(h) Each hose assembly passing the hydrostatic test shall be marked to show the date of test.
All hoses shall be tested every five years in accordance with 4-3.1.
At least every six months the halon-protected enclosure shall be thoroughly inspected to
determine if penetrations or other changes have occurred that could adversely affect halon
leakage.
Where the inspection indicates that conditions that could result in inability to maintain the
halon concentration, they shall be corrected. If uncertainty still exists, the enclosures shall be
retested for integrity.
These systems shall be maintained in full operating condition at all times. Use, impairment,
and restoration of this protection shall be reported promptly to the authority having jurisdiction.
Any troubles or impairments shall be corrected at once by competent personnel.
Any penetrations made through the halon-protected enclosure shall be sealed immediately. The
method of sealing shall restore the original fire resistance rating and tightness of the enclosure.
All persons who may be expected to inspect, test, maintain, or operate fire extinguishing
systems shall be thoroughly trained and kept thoroughly trained in the functions they are
expected to perform.
Personnel working in a halon-protected enclosure shall receive training regarding halon safety
issues.

Final Year Project on Fire Fighting systems

  • 1.
    Project of Study ofFire Fighting Systems A Project Report Bachelor OF Mechanical Engineering And Technology Submitted By Syed Naqash Kazmi Waqar Mehmood Anzar Shafi Project Supervisor: Farhan Manzoor Department of Technology PIMSAT UNIVERSITY
  • 2.
    Study of Fire FightingSystems THIS PROJECT IS SUBMITTED TO PIMSAT institute of higher education for The partial fulfillment of the requirements for awarding the degree of Bachelor of Mechanical Engineering And Technology Assigned by: _____________________________ Faculty Member’s Signature Internal Examiner Sign: ____________________ Name: ___________________ External Examiner Sign: ____________________ Name:____________________
  • 3.
    Acknowledgment And Dedication Wewould all like to thank our project supervisor Mr. Farhan Manzoor for providing us the opportunity to work under his supervision. He provided us with all the required resources, support and guidance at every step to complete this project. His enormous help allowed us to keep moving on and finish this project well in time. This project would not have been possible without his help. We'd like to make special acknowledgement for one of our brother Mr. Waqar Kazmi for providing significant help during the entire course of this project. Finally, yet importantly, we would like to express our heartfelt gratitude to our beloved parents for their blessings, to our friends/classmates for their help and wishes for the successful completion of this project.
  • 4.
    Abstract In introductory chapterdiscusses the complexities of relationship between humans and fire and the status of human efforts of control the disastrous effects of fire. A subsequent section examines characteristics and behaviour of fire, with a special note on smoke movement in building the text covers these topics regarding fire hazard : Fire hazard of specific materials such as wood , fibers and explosives. Industrial and process fire hazard (e.g solvent extraction) special fire protection and prevention issues regarding indoor and outdoor storage practices, material handling equipments, electrostatics ignition sources ,etc. Fire safety in building design and construction , with attention to high rise structures. Fire hazards in building services (e.g air conditioning and electrical appliance system and the hazards of various types of occupied structure including residential business industrial and educational.The role and responsibilities of public fire departments and water supplies and facilities for fire protection are examined. Several sections offer detailed discussions of fire protection devices and systems including fire alarms, detection devices guard services, Extinguishing agents, water sprinklers, special systems and portable fire extinguishers. A chapter on fire hazards in rail rapid transit system is include.
  • 5.
    Copyright Statement ALL RIGHTSRESERVED. This project (study of fire fighting) contains material protected under PIMSAT university. Any unauthorized persons reprint or use of this material is prohibited. No part of this project may be reproduced or transmitted in any form or by any means, electronic or mechanical, including photocopying, recording, or by any information storage and retrieval system without express written permission from the author / publisher.
  • 6.
    TABLE OF CONTENTS Chapter1 Fire Fighting Systems 1.1 Introduction 1 1.2 Historical Background 10 1.3 Types of Fire Fighting System 13 Chapter 2 Fire Hydrant System 2.1 Introduction 14 2.2 Components of Fire Hydrant System 14 2.3 Designing of Fire Hydrant System 15 2.3.1 Drawing And Bill of Quantity 17 2.3.2 Standard of Designing 20 2.3.3 Hydraulic calculation 21 Chapter 3 Fire Sprinkler System 3.1 Introduction 23 3.2 Components of Fire Sprinkler System 24 3.3 Designing of Fire Sprinkler System 24 3.3.1 Drawing And Bill of Quantity 25 3.3.2 Standard of Designing 27 3.3.3 Hydraulic calculation 29
  • 7.
    Chapter 4 Fire AlarmSystem 4.1 Introduction 30 4.2 Components of Fire Alarm System 30 4.3 Designing of Fire Alarm System 30 4.3.1 Drawing And Bill of Quantity 36 Chapter 5 Fire Deluge System 5.1 Introduction 38 5.2 Components of Fire Deluge System 38 5.3 Designing of Fire Deluge System 39 5.3.1 Drawing And Bill of Quantity 40 5.3.2 Standard of Designing 41 5.3.3 Designing calculation 42
  • 8.
    Chapter 6 Foam TopPourer System 6.1 Introduction 66 6.2 Components of Foam Top Pourer System 66 6.3 Designing of Foam Top Pourer System 66 6.3.1 Drawing And Bill of Quantity 67 6.3.2 Standard of Designing 69 6.3.3 Designing calculation Method 69 Chapter 7 Foam VESDA System 7.1 Introduction 70 7.2 Components of VESDA System 70 7.3 Designing of VESDA System 70 7.3.1 Drawing And Bill of Quantity 71 7.3.2 Standard of Designing 73
  • 9.
    Chapter 8 Foam FM200System 8.1 Introduction 74 8.2 Components of FM200 System 74 8.3 Designing of FM200 System 75 8.3.1 Drawing And Bill of Quantity 75 8.3.2 Standard of Designing 79 Chapter 9 Foam CO2 System 9.1 Introduction 81 9.2 Components of CO2 System 81 9.3 Designing of CO2 System 82 9.3.1 Drawing And Bill of Quantity 85 9.3.2 Standard of Designing 91
  • 10.
    CHAPTER NO 1.STUDY OF FIRE FIGHTING SYSTEMS __________________________________________________________________________________ ________________________________________________________________________________________________ 1 1.1Introduction Firefighting is the act of extinguishing fires. A firefighter fights fires to prevent loss of life, and/or destruction of property and the environment. Firefighting is a highly technical skill that requires professionals who have spent years training in both general firefighting techniques and specialized areas of expertise. Ancient Rome There was no public fire-fighting in the Roman Republic. Instead, private individuals would rely upon their slaves or supporters to take action. This action could involve razing nearby buildings to prevent the spread of fire as well as bucket brigades. The very wealthy Marcus Licinius Crassus was infamous for literal fire sales. He would buy burning buildings, and those adjacent to them at low prices, and rebuild them using his team of 500 slaves. However there is no mention of the men extinguishing the fires. There was not an organized fire-fighting force in ancient Rome until Augustus's era. United Kingdom Prior to the Great Fire of London in 1666, some parishes in the UK had begun to organise rudimentary firefighting. After much of London was destroyed, the first fire insurance was introduced by a man named Nicholas Barbon. To reduce the cost, Barbon formed his own Fire Brigade, and eventually there were many other such companies. By the start of the 1800s, those with insurance were given a badge or mark to attach to their properties, indicating that they were eligible to utilize the services of the fire brigade. Other buildings with no coverage or insurance with a different company were left to burn unless they were adjacent to an insured building in which case it was often in the insurance company's interest to prevent the fire spreading. In 1833, companies in London merged to form The London Fire Company Establishment. Steam powered apparatuses were first introduced in the 1850s, allowing a greater quantity of water to be directed onto a fire. The steam powered appliances were replaced in the early 1900s with the invention of the internal combustion engine. Firefighters' duties Firefighters' goals are to save lives, property and the environment. A fire can rapidly spread and endanger many lives; however, with modern firefighting techniques, catastrophe is usually, but not always, avoided. To prevent fires from starting, a firefighter's duties can include public education about fire safety and conducting fire inspections of locations for their adherence to local fire codes. Because firefighters are often the first responders to people in critical conditions, firefighters may provide many other valuable services to the community they serve, such as: Emergency medical services, as technicians or as licensed paramedics, staffing ambulances;
  • 11.
    CHAPTER NO 1.STUDY OF FIRE FIGHTING SYSTEMS __________________________________________________________________________________ ________________________________________________________________________________________________ 2 Hazardous materials mitigation (HAZMAT); Vehicle rescue/extrication; Search and rescue; Community disaster support. Fire risk assessments Additionally, firefighters may also provide service in specialized fields, such as: Aircraft/airport rescue; Wildland fire suppression; Shipboard and military fire and rescue; Tactical paramedic support ("SWAT medics"); Tool hoisting; High angle rope rescue; Swiftwater rescue. Trench rescue Confined space rescue Building collapse Cold water rescue In the US, firefighters also serve the Federal Emergency Management Agency (FEMA) as urban search and rescue (USAR) team members. Hazards caused by fire One of the major hazards associated with firefighting operations is the toxic environment created by combusting materials. The four major hazards associated with these situations are as follows: Smoke, which is becoming increasingly dangerous due to the rise in synthetic household materials. Oxygen deficient atmosphere, 21% O2 is normal, 19.5% O2 is considered oxygen deficient. Elevated temperatures Toxic atmospheres To combat these potential effects, firefighters carry self-contained breathing apparatus (SCBA; an open-circuit positive pressure compressed air system) to prevent smoke inhalation. These are not oxygen tanks; they carry compressed air. SCBA usually hold 30 to 45 minutes of air, depending upon the size of the tank and the rate of consumption during strenuous activities.
  • 12.
    CHAPTER NO 1.STUDY OF FIRE FIGHTING SYSTEMS __________________________________________________________________________________ ________________________________________________________________________________________________ 3 Obvious risks are associated with the immense heat. Even without direct contact with the flames (direct flame impingement), conductive heat can create serious burns from a great distance. There are a number of comparably serious heat-related risks: burns from radiated heat, contact with a hot object, hot gases (e.g., air), steam and hot and/or toxic smoke. Firefighters are equipped with personal protective equipment (PPE) that includes fire-resistant clothing (Nomex or polybenzimidazole fiber (PBI)) and helmets that limit the transmission of heat towards the body. No PPE, however, can completely protect the user from the effects of all fire conditions. Heat can make flammable liquid tanks violently explode, producing what is called a BLEVE (boiling liquid expanding vapor explosion).[4] Some chemical products such as ammonium nitrate fertilizers can also explode. Explosions can cause physical trauma or potentially serious blast or shrapnel injuries. Heat causes human flesh to burn as fuel, or the water within to boil, causing potentially severe medical problems. Depending upon the heat of the fire, burns can occur in a fraction of a second. Main article: Burn Additional risks of fire include the following: smoke can obscure vision, potentially causing a fall, disorientation, or becoming trapped in the fire; structural collapse. According to a University News Bureau Life Sciences article reported by News Editor Sharita Forest and photographed by L. Brian Stauffer, from the Website of the University of Illinois at Urbana-Champaign,: "Three hours of fighting a fire stiffens arteries and impairs cardiac function in firefighters, according to a new study by Bo Fernhall, a professor in the department of kinesiology and community health in the College of Applied Health Sciences, and Gavin Horn, director of research at the Illinois Fire Service Institute. The conditions (observed in healthy male firefighters) are "also apparently found in weightlifters and endurance athletes... Reconnaissance and reading the fire The first step of a firefighting operation is a reconnaissance to search for the origin of the fire (which may not be obvious for an indoor fire, especially when there are no witnesses), and identification of the specific risks and any possible casualties. Any fire occurring outside may not require reconnaissance; on the other hand, a fire in a cellar or an underground car park with only a few centimeters of visibility may require a long reconnaissance to identify the seat of the fire. The "reading" of the fire is the analysis by the firefighters of the forewarnings of a thermal accident (flashover, backdraft, smoke explosion), which is performed during the reconnaissance and the fire suppression maneuvers. The main signs are: Hot zones, which can be detected with a gloved hand, especially by touching a door before opening it;
  • 13.
    CHAPTER NO 1.STUDY OF FIRE FIGHTING SYSTEMS __________________________________________________________________________________ ________________________________________________________________________________________________ 4 Soot on windows, which usually means that combustion is incomplete and thus there is a lack of air; Smoke going in and out around a door frame, as if the fire breathes, which usually means a lack of air to support combustion; Spraying water on the ceiling with a short pulse of a diffused spray (e.g., cone with an opening angle of 60°) to test the heat of the smoke: When the temperature is moderate, the water falls down in drops with a sound of rain, When the temperature is high, it vaporizes with a hiss — this can be the sign of an extremely dangerous impending flashover Ideally, part of reconnaissance is to consult an existing preplan for the building. This provides knowledge of existing structures, firefighter hazards, and can include strategies and tactics. Science of extinguishment See also: Fire Chemistry and Physical properties of wildfires Fire elements There are four elements needed to start and sustain a fire and/or flame. These elements are classified in the “fire tetrahedron” and are: 1. Reducing agent (fuel) 2. Heat 3. Oxidizing agent (oxygen) 4. Chemical Reaction The reducing agent, or fuel, is the substance or material that is being oxidized or burned in the combustion process. The most common fuels contain carbon along with combinations of hydrogen and oxygen. Heat is the energy component of the fire tetrahedron. When heat comes into contact with a fuel, it provides the energy necessary for ignition, causes the continuous production and ignition of fuel vapors or gases so that the combustion reaction can continue, and causes the vaporization of solid and liquid fuels. The self-sustained chemical chain reaction is a complex reaction that requires a fuel, an oxidizer, and heat energy to come together in a very specific way. An oxidizing agent is a material or substance that when the proper conditions exist will release gases, including oxygen. This is crucial to the sustainment of a flame or fire. A fire helicopter is used to fight a wildfire 03204490316 A fire can be extinguished by taking away any of the four components of the tetrahedron. One method to extinguish a fire is to use water. The first way that water extinguishes a fire is by cooling, which removes heat from the fire. This is possible through water’s ability to absorb massive amounts of heat by converting water to water vapor. Without heat, the fuel cannot keep the oxidizer from reducing the fuel to sustain the fire. The second way water extinguishes a fire is by smothering the fire. When water is heated to its boiling point, it converts to water vapor. When this conversion takes place, it dilutes
  • 14.
    CHAPTER NO 1.STUDY OF FIRE FIGHTING SYSTEMS __________________________________________________________________________________ ________________________________________________________________________________________________ 5 the oxygen in the air with water vapor, thus removing one of the elements that the fire requires to burn. This can also be done with foam. Another way to extinguish a fire is fuel removal. This can be accomplished by stopping the flow of liquid or gaseous fuel or by removing solid fuel in the path of a fire. Another way to accomplish this is to allow the fire to burn until all the fuel is consumed, at which point the fire will self-extinguish. One final extinguishing method is chemical flame inhibition. This can be accomplished through dry chemical and halogenated agents. These agents interrupt the chemical chain reaction and stop flaming. This method is effective on gas and liquid fuels because they must flame to burn. Use of water Airmen from the 20th Civil Engineer Squadron Fire Protection Flight neutralize a live fire during a field training exercise at Shaw Air Force Base. Often, the main way to extinguish a fire is to spray with water. The water has two roles: in contact with the fire, it vaporizes, and this vapour displaces the oxygen (the volume of water vapour is 1,700 times greater than liquid water, at 1,000°F (540°C) this expansion is over 4,000 times); leaving the fire with insufficient combustive agent to continue, and it dies out. the vaporization of water absorbs the heat; it cools the smoke, air, walls, objects in the room, etc., that could act as further fuel, and thus prevents one of the means that fires grow, which is by "jumping" to nearby heat/fuel sources to start new fires, which then combine. The extinguishment is thus a combination of "asphyxia" and cooling. The flame itself is suppressed by asphyxia, but the cooling is the most important element to master a fire in a closed area. Water may be accessed from a pressurized fire hydrant, pumped from water sources such as lakes or rivers, delivered by tanker truck, or dropped from aircraft tankers in fighting forest fires. In China, a firefighting tank equipped with water and foam retardant guns is deployed in cases where access to the area is difficult. Open air fire For fires in the open, the seat of the fire is sprayed with a straight spray: the cooling effect immediately follows the "asphyxia" by vapor[citation needed], and reduces the amount of water required. A straight spray is used so the water arrives massively to the seat without being vaporized before. A strong spray may also have a mechanical effect: it can disperse the combustible product and thus prevent the fire from starting again. The fire is always fed with air, but the risk to people is limited as they can move away, except in the case of wildfires or bushfires where they risk being easily surrounded by the flames. Spray is aimed at a surface, or object: for this reason, the strategy is sometimes called two-dimensional attack or 2D attack.
  • 15.
    CHAPTER NO 1.STUDY OF FIRE FIGHTING SYSTEMS __________________________________________________________________________________ ________________________________________________________________________________________________ 6 It might be necessary to protect specific items (house, gas tank, etc.) against infrared radiation, and thus to use a diffused spray between the fire and the object. Breathing apparatus is often required as there is still the risk of inhaling smoke or poisonous gases. Closed volume fire Until the 1970s, fires were usually attacked while they declined, so the same strategy that was used for open air fires was effective. In recent times, fires are now attacked in their development phase as: firefighters arrive sooner; Thermal insulation of houses confines the heat; modern materials, especially the polymers, produce a lot more heat than traditional materials (wood, plaster, stone, bricks, etc.). Additionally, in these conditions, there is a greater risk of backdraft and of flashover. Spraying of the seat of the fire directly can have unfortunate and dramatic consequences: the water pushes air in front of it, so the fire is supplied with extra oxygen before the water reaches it. This activation of the fire, and the mixing of the gases produced by the water flow, can create a flashover.[citation needed] The most important issue is not the flames, but control of the fire, i.e., the cooling of the smoke that can spread and start distant fires, and that endangers the lives of people, including firefighters. The volume must be cooled before the seat is treated. This strategy originally of Swedish (Mats Rosander & Krister Giselsson) origin, was further adapted by London Fire Officer Paul Grimwood following a decade of operational use in the busy West End of London between 1984–94 (www.firetactics.com) and termed three-dimensional attack, or 3D attack. Use of a diffused spray was first proposed by Chief Lloyd Layman of the Parkersburg Fire Department, at the Fire Department Instructors Conference (FDIC) in 1950 held in Memphis. Using Grimwood's modified 3D attack strategy, the ceiling is first sprayed with short pulses of a diffused spray: it cools the smoke, thus the smoke is less likely to start a fire when it moves away; cooler gas become more dense (Charles's law), thus it also reduces the mobility of the smoke and avoids a "backfire" of water vapour; it creates an inert "water vapour sky", which prevents roll-over (rolls of flames on the ceiling created by the burning of hot gases). Only short pulses of water must be sprayed, otherwise the spraying modifies the equilibrium, and the gases mix instead of remaining stratified: the hot gases (initially at the ceiling) move around the room and the temperature rises at the ground, which is dangerous for firefighters. An alternative is to cool all the atmosphere by spraying the whole atmosphere as if drawing letters in the air ("penciling").
  • 16.
    CHAPTER NO 1.STUDY OF FIRE FIGHTING SYSTEMS __________________________________________________________________________________ ________________________________________________________________________________________________ 7 The modern methods for an urban fire dictate the use of a massive initial water flow, e.g. 500 L/min for each fire hose. The aim is to absorb as much heat as possible at the beginning to stop the expansion of the fire, and to reduce the smoke. When the flow is too small, the cooling is not sufficient, and the steam that is produced can burn firefighters (the drop of pressure is too small and the vapor is pushed back). Although it may seem paradoxical, the use of a strong flow with an efficient fire hose and an efficient strategy (diffused sprayed, small droplets) requires a smaller amount of water: once the temperature is lowered, only a limited amount of water is necessary to suppress the fire seat with a straight spray. For a living room of 50 m² (60 square yards), the required amount of water is estimated as 60 L (15 gal). French firefighters used an alternative method in the 1970s: they sprayed water on the hot walls to create a water vapour atmosphere and asphyxiate the fire. This method is no longer used because it was risky; the pressure created pushed the hot gases and vapour towards the firefighters, causing severe burns, and pushed the hot gases into other rooms where they could start a new fire. Asphyxiating a fire In some cases, the use of water is undesirable: some chemical products react with water and produce poisonous gases, or even burn in contact with water (e.g., sodium); some products float on water, e.g., hydrocarbons (gasoline, oil, alcohol, etc.); a burning layer can then spread and extend; in case of a pressurised fuel tank, it is necessary to avoid heat shocks that may damage the tank: the resulting decompression may produce a BLEVE; electrical fires where water would act as a conductor. It is then necessary to asphyxiate the fire. This can be done in different ways: some chemical products react with the fuel and stop the combustion; a layer of water-based fire retardant foam is projected on the product by the fire hose, to keep the oxygen in air separated from the fuel; using carbon dioxide, halon, or sodium bicarbonate; in the case of very small fires, &/or in the absence of other extinguishing agents, literal 'blanketing' of the flames can eliminate oxygen flow to the fire. A simple, and usually effective, way to put out a stove-top pan whose contents have become ignited is to put a lid on the pan and leave it there. Tactical ventilation or isolation of the fire One of the main risks of a fire is the smoke: it carries heat and poisonous gases, and obscures vision. In the case of a fire in a closed location (building), two different strategies may be used: isolation of the fire, or ventilation. Paul Grimwood introduced the concept of tactical ventilation in the 1980s to encourage a better thought-out approach to this aspect of firefighting. Following work with
  • 17.
    CHAPTER NO 1.STUDY OF FIRE FIGHTING SYSTEMS __________________________________________________________________________________ ________________________________________________________________________________________________ 8 Warrington Fire Research Consultants (FRDG 6/94) his terminology and concepts were adopted officially by the UK fire services, and are now referred to throughout revised Home Office training manuals (1996–97). Grimwood's original definition of his 1991 unified strategy stated that, "tactical ventilation is either the venting, or containment (isolation) actions by on-scene firefighters, used to take control from the outset of a fire's burning regime, in an effort to gain tactical advantage during interior structural firefighting operations." Ventilation affects life safety, fire extinguishment, and property conservation. First, it pulls fire away from trapped occupants when properly used. In most cases of structural firefighting a 4x4 foot opening is cut into the roof directly over the fire room. This allows hot smoke and gases to escape through the opening returning the conditions of the room to normal. It is important that ventilation is coordinated with interior fire attack as the opening of a ventilation hole will give the fire air.[clarification needed] It may also "limit fire spread by channeling fire toward nearby openings and allows fire fighters to safely attack the fire" as well as limit smoke, heat, and water damage.[8] Positive pressure ventilation (PPV) consists of using a fan to create excess pressure in a part of the building; this pressure will push the smoke and the heat out of the building, and thus secure the rescue and fire fighting operations. It is necessary to have an exit for the smoke, to know the building very well to predict where the smoke will go, and to ensure that the doors remain open by wedging or propping them. The main risk of this method is that it may accelerate the fire, or even create a flashover, e.g., if the smoke and the heat accumulate in a dead end. Hydraulic ventilation is the process of directing a stream from the inside of a structure out the window using a fog pattern.[4] This effectively will pull smoke out of room. Smoke ejectors may also be used for this purpose. Categorising fires In the US, fires are sometimes categorised as "one alarm", "all hands", "two alarm", "three alarm" (or higher) fires. There is no standard definition for what this means quantifiably, though it always refers to the level response by the local authorities. In some cities, the numeric rating refers to the number of fire stations that have been summoned to the fire. In others, the number counts the number of "dispatches" for additional personnel and equipment. Alarms are generally used to define the tiers of the response by what resources are used. Example: Structure fire response draws the following equipment: 3 Engine/Pumper Companies 1 Truck/ladder/aerial Company Heavy Rescue This is referred to as an Initial Alarm or Box Alarm. Working fire request (for the same incident)
  • 18.
    CHAPTER NO 1.STUDY OF FIRE FIGHTING SYSTEMS __________________________________________________________________________________ ________________________________________________________________________________________________ 9 Air/Light Units Other specialized rescue units Chief Officers/Fireground Commanders (if not on original dispatch) Note: This is the balance of a First Alarm fire. Second and subsequent Alarms: 2 Engine Companies 1 Truck Company The reason behind the "Alarm" is so the Incident Commander doesn't have to request each apparatus with the dispatcher. He can say "Give me a second alarm here", instead of saying "Give me a truck company and two engine companies" along with requesting where they come from. Keep in mind that categorization of fires varies between each fire department. A single alarm for one department may be a second alarm for another. Response always depends on the size of the fire and the department.
  • 19.
    CHAPTER NO 1.STUDY OF FIRE FIGHTING SYSTEMS __________________________________________________________________________________ ________________________________________________________________________________________________ 10 1.2Historical Background (1976-1989) The history of organized firefighting began in ancient Rome while under the rule of Augustus.[1] Prior to that, there is evidence of fire-fighting machinery in use in Ancient Egypt, including a water pump invented by Ctesibius of Alexandria in the third century BC which was later improved upon in a design by Hero Of Alexandria in the first century BC. Rome: The first Roman fire brigade of which we have any substantial history was created by Marcus Licinius Crassus. Marcus Licinius Crassus was born into a wealthy Roman family around the year 115 BC, and acquired an enormous fortune through (in the words of Plutarch) "fire and rapine." One of his most lucrative schemes took advantage of the fact that Rome had no fire department. Crassus filled this void by creating his own brigade—500 men strong—which rushed to burning buildings at the first cry of alarm. Upon arriving at the scene, however, the fire fighters did nothing while their employer bargained over the price of their services with the distressed property owner. If Crassus could not negotiate a satisfactory price, his men simply let the structure burn to the ground, after which he offered to purchase it for a fraction of its value. Augustus took the basic idea from Crassus and then built on it to form the Vigiles in AD 6[contradictory] to combat fires using bucket brigades and pumps, as well as poles, hooks and even ballistae to tear down buildings in advance of the flames. The Vigiles patrolled the streets of Rome to watch for fires and served as a police force. The later brigades consisted of hundreds of men, all ready for action. When there was a fire, the men would line up to the nearest water source and pass buckets hand in hand to the fire. Rome suffered a number of serious fires, most notably the fire on 19 July AD 64 and eventually destroyed two thirds of Rome. Europe: In Europe, firefighting was quite rudimentary until the 17th century. In 1254, a royal decree of King Saint Louis of France created the so-called guet bourgeois ("burgess watch"), allowing the residents of Paris to establish their own night watches, separate from the king's night watches, to prevent and stop crimes and fires. After the Hundred Years' War, the population of Paris expanded again, and the city, much larger than any other city in Europe at the time, was the scene of several great fires in the 16th century. As a consequence, King Charles IX disbanded the residents' night watches and left the king's watches as the only one responsible for checking crimes and fires. London suffered great fires in 798, 982, 989, 1212 and above all in 1666 (Great Fire of London). The Great Fire of 1666 started in a baker's shop on Pudding Lane, consumed about two square miles (5 km²) of the city, leaving tens of thousands homeless. Prior to this fire, London had no organized fire protection system. Afterwards, insurance
  • 20.
    CHAPTER NO 1.STUDY OF FIRE FIGHTING SYSTEMS __________________________________________________________________________________ ________________________________________________________________________________________________ 11 companies formed private fire brigades to protect their clients’ property. Insurance brigades would only fight fires at buildings the company insured. These buildings were identified by fire insurance marks. The key breakthrough in firefighting arrived in the 17th century with the first fire engines. Manual pumps, rediscovered in Europe after 1500 (allegedly used in Augsburg in 1518 and in Nuremberg in 1657), were only force pumps and had a very short range due to the lack of hoses. German inventor Hans Hautsch improved the manual pump by creating the first suction and force pump and adding some flexible hoses to the pump. In 1672, Dutch artist,and inventor Jan Van der Heyden's workshop developed the fire hose. Constructed of flexible leather and coupled every 50 feet (15 m) with brass fittings. The length remains the standard to this day in mainland Europe whilst in the UK the standard length is either 23m or 25m. The fire engine was further developed by the Dutch inventor, merchant and manufacturer, John Lofting (1659–1742) who had worked with Jan Van der Heyden in Amsterdam. Lofting moved to London in or about 1688, became an English citizen and patented (patent number 263/1690) the "Sucking Worm Engine" in 1690. There was a glowing description of the firefighting ability of his device in The London Gazette of 17 March 1691, after the issue of the patent. The British Museum has a print showing Lofting's fire engine at work in London, the engine being pumped by a team of men. In the print three fire plaques of early insurance companies are shown, no doubt indicating that Lofting collaborated with them in firefighting. A later version of what is believed to be one of his fire engines has been lovingly restored by a retired firefighter, and is on show in Marlow Buckinghamshire where John Lofting moved in 1700. Patents only lasted for fourteen years and so the field was open for his competitors after 1704. Richard Newsham of Bray in Berkshire (just 8 miles from Lofting) produced a similar engine in 1725, patented it in America and cornered the market there. Pulled as a cart to the fire, these manual pumps were manned by teams of men and could deliver up to 160 gallons per minute (12 L/s) at up to 120 feet (36 m). United States In 1631 Boston's governor John Winthrop outlawed wooden chimneys and thatched roofs.[3] In 1648, the New Amsterdam governor Peter Stuyvesant appointed four men to act as fire wardens.[3] They were empowered to inspect all chimneys and to fine any violators of the rules. The city burghers later appointed eight prominent citizens to the "Rattle Watch" - these men volunteered to patrol the streets at night carrying large wooden rattles.[3] If a fire was seen, the men spun the rattles, then directed the responding citizens to form bucket brigades. On January 27, 1678 the first fire engine company went into service with its captain (foreman) Thomas Atkins.[3] In 1736 Benjamin Franklin established the Union Fire Company in Philadelphia.[3] George Washington was a volunteer firefighter in Alexandria, Virginia. In 1774, as a member of the Friendship Veterans Fire Engine Company, he bought a new fire engine and gave it to the town, which was its very first.[4] However the United States did not have government-run fire departments until around the time of the American Civil War. Prior to this time, private fire brigades compete with one another to be the first to respond to a fire because insurance companies paid brigades to save buildings.[citation needed] Underwriters also employed their own Salvage Corps in some cities. The first known
  • 21.
    CHAPTER NO 1.STUDY OF FIRE FIGHTING SYSTEMS __________________________________________________________________________________ ________________________________________________________________________________________________ 12 female firefighter Molly Williams took her place with the men on the dragropes during the blizzard of 1818 and pulled the pumper to the fire through the deep snow. On April 1st of 1853 Cincinnati OH became the first professional fire department by being made up of 100% full-time, paid employees. In 2010, 70 percent of firefighters in the United States were volunteer. Only 5% of calls were actual fires. 65% were medical aid. 8% were false alarms Modern Development The first fire brigades in the modern sense were created in France in the early 18th century. In 1699, a man with bold commercial ideas, François du Mouriez du Périer (grandfather of French Revolution's general Charles François Dumouriez), solicited an audience with King Louis XIV. Greatly interested in Jan Van der Heyden's invention, he successfully demonstrated the new pumps and managed to convince the king to grant him the monopoly of making and selling "fire-preventing portable pumps" throughout the kingdom of France. François du Mouriez du Périer offered 12 pumps to the City of Paris, and the first Paris Fire Brigade, known as the Compagnie des gardes-pompes (literally the "Company of Pump Guards"), was created in 1716. François du Mouriez du Périer was appointed directeur des pompes de la Ville de Paris ("director of the City of Paris's pumps"), i.e. chief of the Paris Fire Brigade, and the position stayed in his family until 1760. In the following years, other fire brigades were created in the large French cities. Around that time appeared the current French word pompier ("firefighter"), whose literal meaning is "pumper." On March 11, 1733 the French government decided that the interventions of the fire brigades would be free of charge. This was decided because people always waited until the last moment to call the fire brigades to avoid paying the fee, and it was often too late to stop fires. From 1750 on, the French fire brigades became para-military units and received uniforms. In 1756 the use of a protective helmet for firefighters was recommended by King Louis XV, but it took many more years before the measure was actually enforced on the ground. In North America, Jamestown, Virginia was virtually destroyed in a fire in January, 1608. There were no full-time paid firefighters in America until 1850. Even after the formation of paid fire companies in the United States, there were disagreements and often fights over territory. New York City companies were famous for sending runners out to fires with a large barrel to cover the hydrant closest to the fire in advance of the engines.[citation needed] Often fights would break out between the runners and even the responding fire companies for the right to fight the fire and receive the insurance money that would be paid to the company that fought it.[citation needed] Interestingly, during the 19th century and early 20th century volunteer fire companies served not only as fire protection but as political machines. The most famous volunteer firefighter politician is Boss Tweed, head of the notorious Tammany Hall political machine, who got his start in politics as a member of the Americus Engine Company Number 6 ("The Big Six") in New York City. Napoleon Bonaparte, drawing from the century-old experience of the gardes-pompes, is generally attributed as creating the first "professional" firefighters, known as Sapeurs-Pompiers ("Sappers-Firefighters"), from the French Army. Created under the
  • 22.
    CHAPTER NO 1.STUDY OF FIRE FIGHTING SYSTEMS __________________________________________________________________________________ ________________________________________________________________________________________________ 13 Commandant of Engineers in 1810, the company was organized after a fire at the ballroom in the Austrian Embassy in Paris which injured several dignitaries. In the UK, the Great Fire of London in 1666 set in motion changes which laid the foundations for organised firefighting in the future. In the wake of the Great Fire, the City Council established the first fire insurance company, "The Fire Office", in 1667, which employed small teams of Thames watermen as firefighters and provided them with uniforms and arm badges showing the company to which they belonged. However, the first organised municipal fire brigade in the world was established in Edinburgh, Scotland, when the Edinburgh Fire Engine Establishment was formed in 1824, led by James Braidwood. London followed in 1832 with the London Fire Engine Establishment. On April 1, 1853, the Cincinnati Fire Department became the first full-time paid professional fire department in the United States, and the first in the world to use steam fire engines. [1][dead link] The first horse-drawn steam engine for fighting fires was invented in 1829, but not accepted in structural firefighting until 1860, and ignored for another two years afterwards. Internal combustion engine fire engines arrived in 1907, built in the United States, leading to the decline and disappearance of steam engines by 1925. 1.3Types Of Fire Fighting Systems There are many types of fire fighting systems and some important types of fire fighting systems are following. 1. Fire Hydrant System 2. Fire Sprinkler System 3. Fire Alarm System 4. Deluge System 5. Foam Top pourer System 6. Vesda System 7. FM 200 System 8. CO2 Gas Suppression System 9. Fire Vehicle
  • 23.
    CHAPTER 2. FIREHYDRANT SYSTEM __________________________________________________________________________________ ________________________________________________________________________________________________ 14 2.1Introduction In spite of all chemical developments in the field of fire fighting, water still remains the most economical and dependable fire extinguishing medium, due to no-cost factor and continuity of supply. A proper fire hydrant system ensures an adequate, un-interrupted water supply, under sufficient pressure, at all strategic points of a building/factory in such a way that fire can be attacked immediately, with minimum loss of time and with maximum efficiency. 2.2Components Of Fire Hydrant System 2.2.1 Sufficiently large water reservoir 2.2.2 Fire pump sets (Main and Standby) 2.2.3 Jockey pump set 2.2.4 Hydrant valves 2.2.5 Fire fighting hoses 2.2.6 Branch pipe with nozzles 2.2.7 Landing Valves 2.2.8 Hoses 2.2.9 Couplings 2.2.10 Hose Reels 2.2.11 Fire Brigade Connectors 2.2.12 Branch Pipes & Nozzles
  • 24.
    CHAPTER 2. FIREHYDRANT SYSTEM __________________________________________________________________________________ ________________________________________________________________________________________________ 15 2.3Designing Of Fire Hydrant System Aside from the general purpose of delivering water for fire fighting, the hydrant design selected must be based on a number of operational elements. Some issues to consider include: How much water (GPM or L/min) is needed for fire fighting. How many and what size hose connections are required. The established hose sizes and coupling threads in the region. Current (and future) configuration of fire apparatus. Issues of clearance and visibility. Operating characteristics of the hydrants. Amount of head (static pressure) that is present in the system. Climatic conditions in the area. Generally speaking, water supply systems in residential areas should be designed to deliver no less than 1000 GPM (3785 L/min) at each individual hydrant. In commercial and multi-story apartment zones, this volume should increase based on the required fire flows of the buildings being protected. If the required fire flows are several thousand GPM, the required flow will usually have to be met by two or more hydrants flowing simultaneously. The operations of the fire department or fire brigade must be taken into consideration. In instances where new hydrant systems are replacing poor or nonexistent systems, new fire fighting approaches need to be developed to make proper use of the new system. Hydrant designs should capably and easily provide necessary water to fire engines currently in service as well as more modern fire engines which may be purchased in the future. For example, a fire brigade may have smaller engines equipped with medium diameter hose and 750 GPM (2850 L/min) pumps, however with a suitable water supply system, the brigade may upgrade to engines equipped with large diameter hose and pumps with a capacity of 1250 GPM (4732 L/min) or greater. Accordingly it may be appropriate to specify fire hydrants which have medium diameter hose outlets as well as a large diameter pumper outlet. In the event of a major emergency, fire companies may be requested from multiple jurisdictions. Hydrant outlet threads should meet the regional standard for compatibility among all fire engines, regardless of origin. If no large diameter outlet size and thread has been established, we recommend the 5" Storz configuration. Hydrants need to be readily recognizable and accessible. Placement and installation considerations should take into account the shape of the hydrant as well as the positions of valves and outlets. Specific suggestions regarding hydrant placement are presented later in this feature. Hydrants must be simple and reliable to connect to and to operate. Operating nuts should be pentagonal or triangular in design to reduce tampering by unauthorized persons.
  • 25.
    CHAPTER 2. FIREHYDRANT SYSTEM __________________________________________________________________________________ ________________________________________________________________________________________________ 16 Discharge valves should be specified to open by turning counter-clockwise and close clockwise. (Underground valves on water mains and on the hydrant branch line should operate according to local or regional standards.) Hydrant designs must be appropriate for the amount of head (static pressure) that is applied to them. The minimum working pressure rating of any fire hydrant should be 150 p.s.i. Hydrants installed in higher pressure installations should be rated appropriately. All fire hydrants should be static tested at twice the rated working pressure. In temperate climates where hard freezing is not an issue, the most efficient hydrant design is the "wet barrel" hydrant where valves are located above ground and can be independently controlled. In colder climates, dry barrel hydrants will be required which use a single operating valve that is located below ground in the base of the riser and which charge all outlets simultaneously when turned on.
  • 26.
    CHAPTER 2. FIREHYDRANT SYSTEM __________________________________________________________________________________ ________________________________________________________________________________________________ 17 2.3.1 Drawing And Bill Of Quantity
  • 27.
    CHAPTER 2. FIREHYDRANT SYSTEM __________________________________________________________________________________ ________________________________________________________________________________________________ 18 S/#. DESCRIPTION & SPECIFICATIONS QTY. M.S Pipe Dia 6”, Sch 40, Seamless 360’ M.S Pipe Dia 4” , Sch 40, Seamless 740’ Gate Valve 6”x 6” C.I, Flanged, 2 Nos Gate Valve 4”x 4” C.I, Flanged, 01 Nos Fire Hydrant, Pillar Type, with Inlet Flanged 4" size with Double Deliveries 2½" Female Instantaneous coupling with Blank cap and chain. Firechief Brand 09 Nos of steel sheet with glass front, size 48”x24”x10”, suitable to accommodate Two length of Fire Hoses 2½"x100’ long and One nozzle. Firechief Brand 09 Nos Water Jet Nozzle, 18" Long, Firechief Brand, Inlet 2 ½”, Outlet ¾” Orifice 09 Nos OR TP-400Jet/Spray Fog Nozzle with 2½" male Instantaneous Coupling, Firechief Brand 09 N o s Fire Fighting Pump Electrically Driven: Max. Output: 500 GPM, Max. Pressure: 125 psi Size (Suction): 4” Size (Delivery): 3” “KSB” Model: ETA 80/200 Electric Motor (Siemens): 50 H.P, 2900 RPM Mounting: in steel frame with fittings. Firechief Brand. 01 S e t Fire Hydrant Pump (Diesel Engine Driven) Max. Output: 500 GPM, Max. Pressure: 125 psi Size (Suction): 4” 01
  • 28.
    CHAPTER 2. FIREHYDRANT SYSTEM __________________________________________________________________________________ ________________________________________________________________________________________________ 19 Size (Delivery): 3” “KSB” Model: ETA 80/200 With 4 Cylinder 78 HP Diesel Engine, Water Cooled Electric Start (12 V Batters) Fitted With Step-up Gear Box, Manufactured TO ISO-9002 “FIRECHIEF” brand. Mounting: in steel frame with fittings. S e t JOCKEY PUMP : Centrifugal, multi-stage, “Firechief” brand, Size 1 ½ “ x 1 ¼ “ (38 x 30mm) Flow 25 GPM (110 lit/min) Head 165 ft. (50m) Pressure 75 lbs psi (5 bar) Construction main body and impeller of Cast iron, Shaft of carbon steel Motor 3HP, 3-phase, Siemens directly coupled Fitted with Pressure tank, Trim assembly, pressure gauge, ball valves, Y-strainer and pressure switches 01 S e t Pump control cabinet for above mentioned 03 pumps 01 S e t Pump room’s fitting & Controls i.e. gate valves, NRV, expansion joints, headers, pressure gauges, supports and painting 01 J o b Required under ground water tank capacity 32,400 US gallons, for 90 minutes of fire fighting 01 No. Pipe Support & Paint & Etc. 01 Job
  • 29.
    CHAPTER 2. FIREHYDRANT SYSTEM __________________________________________________________________________________ ________________________________________________________________________________________________ 20 2.3.2 Standards Of Designing The designing of fire hydrant system as per NFPA 14 . The information of designing regarding the external hydrant system consist in chapter No # 7, page (14 to18) in NFPA 14 & NFPA 22 for water storage tank , NFPA 20 for pump. The major points of designing are as follows. 7.1 General.............. 7.2 Pressure Limitation............ 7.3 Location of Hose Connections.......... 7.4 Number of stand pipes............ 7.5 Interconnection of stand pipes......... 7.6 Minimum sizes for standpipes and branchlines 7.7 System design and sizing of pipe for delivery of system demand............... 7.8 Minimum and Maximum pressure limits........... 7.9 Stand pipes system zones............. 7.10 Flow rates........... 7.11 Drains and test riser............ 7.12 Fire department connection
  • 30.
    CHAPTER 2. FIREHYDRANT SYSTEM __________________________________________________________________________________ ________________________________________________________________________________________________ 21 2.3.3 Hydraulic Calculation Hydraulic calculation is the fire safety practice of calculating the flow of liquids through a medium (usually a piping network) to ensure that fires could be extinguished. Hydraulic calculations are required to prove the flow of water (or water mixed with chemical additive) through piping networks for the purpose of controlling or extinguishing a fire. The hydraulic calculation procedure is defined in the reference model codes as published by NFPA (National Fire Protection Association),[1] EN 12845 Fixed firefighting system - Automatic sprinkler systems - Design, installation and maintenance [2] and other international fire design standards. The calculations prove that the water available (usually from a city water main, elevated storage tank, or fire pump) is strong enough (has enough pressure), and plentiful enough Calculations are based on the worst expected fire, located in the geometrically farthest point from the water source (based on the path the extinguishing water is required to travel to get to the fire). Analysis of the worst expected fire is based on the use of the building and areas. The hazard rating of various areas is defined by National Fire Protection Association (NFPA) Codes. Areas include: Light Hazard (offices, toilets, and similar areas of light combustibles and light fuel loading) Ordinary Hazard (car parking, stores, restaurants) Extra Hazard (flammable chemical use, heavy manufacturing, plastics) Storage (flammable items stored in solid piles, on shelves, or on racks to a significant height). The analysis of hazard gives a design density required to control a fire, which has been derived from years of fire tests conducted by insurance companies and other testing agencies. The design density is described by two variables that must work together to achieve fire control: Water flowfrom the sprinkler head (how heavy the rainfall of water from open fire sprinklers) Total area (the expected size of the fire before it will not continue to grow) The shortened expression of a common design density for a Light Hazard office is .1/1500, which is fully expressed as, " 0.1 GPM per square foot is required to fall from the fire sprinklers onto the fire over the most remote 1,500 square feet (140 m2) of area, which is the maximum expected size of a fire in this Light Hazard building area." A common density required for a warehouse type "big box" store that has higher flammability items stored on racks to twenty feet high is .6/2000. Note that the density of water to fall per square foot is six times heavier than an office, and the expected fire size is larger.
  • 31.
    CHAPTER 2. FIREHYDRANT SYSTEM __________________________________________________________________________________ ________________________________________________________________________________________________ 22 Storage warehouses commonly use a newer technology type fire sprinkler, ESFR (early suppression fast response), which have discharge requirements not based on design densities, and which are designed to extinguish a fire before the arrival of the fire department. The water available is verified by means of a water flow test (opening a fire hydrant and recording the water pressures and gallons flow per minute).
  • 32.
    CHAPTER 3.FIRE SPRINKLERSYSTEM __________________________________________________________________________________ ________________________________________________________________________________________________ 23 3.1Introduction A sprinkler system timer is an electrical device that is used to set an irrigation sprinkler system to come on automatically at a certain time. Irrigation timers first appeared in the early 1960s to control large-radius lawn sprinklers, which at the time usually contained their own electrically operated valve (most golf-course sprinklers still use this type of actuation). These timers were large and cumbersome with numerous mechanical parts and were usually relegated to agricultural and commercial applications. Compact irrigation timers did not become commonplace until the 1970s when Lawn Genie introduced a mechanical timer which measured only ten by six inches and was four inches deep. This controller proved popular for many years, but was hard to reprogram and it did not operate valves in immediate succession unless each valve was set to run for an hour. Rain Bird later introduced the RC-7A to their Rain Clox line, which featured an "at a glance" electromechanical programming interface that proved very easy to operate, and offered the ability to omit stations from the program sequence without creating time gaps. This timer which became standard issue in many tract homes during the 1980s and proved to be remarkably durable in its construction, with many still operating today. Irrigation control systems almost always use 24-volt alternating current transmitted over two wires, one of which is "common" and connected to all the valves. Other, less-common systems involve fluid-filled hydraulic tubes to open or close the valves. Many companies followed with similar designs, such as Rainmaster, Griswold Controls, Toro, and Irritrol. In the late 1980s, the irrigation company Hydro-Rain introduced the first "hybrid" controller design, called the HR-6100, which combined electronic programming with a visual programming interface involving a single selector dial. This overtook the electromechanical timers as the most common design, and today nearly all timers sold are hybrid designs. The 1990s saw the introduction of computer-controlled "central control" systems, pioneered by Rain Bird for use on golf courses. This system was called "MaxiCom" and worked through a set of "cluster control units", each of which in turn synchronized a number of "satellite" controllers.
  • 33.
    CHAPTER 3.FIRE SPRINKLERSYSTEM __________________________________________________________________________________ ________________________________________________________________________________________________ 24 3.2Components Of Fire Sprinkler System 3.2.2 Piping 3.2.1 Sprinkle 3.2.3 Fire Alarm Check Valve 3.2.4 Water Motor Gong 3.2.5 Retard Chamber 3.2.6 Cut of valves 3.2.7 Inspector’s Test valve 3.3Designing Of Fire Sprinkler System Here’s the table of contents for this sprinkler irrigation design tutorial. It looks like a lot to cover, but much of it you will skim over because it applies only to very specific situations that don’t matter for most sprinkler systems. (But if it turns out one of those specific situations applies to YOU won’t you be glad that I included it?) You will find that the tutorial goes quickly once you get started. I suggest you skim through the index below, just so you understand the general process. Then design your sprinkler system in small steps as you work through the tutorial. Start Here! Introduction to Irrigation Design: How to use this tutorial, information on software programs to design your sprinkler system, and a few suggestions on those “free designs” offered by the sprinkler manufacturing companies. (Big surprise! I don’t totally trash them!) Step #1 Collect Information: Measure Your Yard: How to measure your yard easily and accurately for your sprinkler irrigation system. City-Slicker Water: How to find the PSI and GPM if you get your water through a pipe from a water-company. Country-Bumpkin Water: How to find the PSI and GPM if you pump water from a well, creek, lake, etc.. Backwoods Water: How to measure the GPM and PSI for other types of water supplies (Moses would use this section). Step #2 Select Your Equipment: Selecting Your Sprinkler Equipment: Determine pressure losses for your sprinkler irrigation system. Water Meter: Water meters. Backflow Preventer: How to select a backflow preventer. Mainlines: What type of pipe to use and how to calculate pressure loss in an irrigation system mainline. Valves: Types of irrigation valves.
  • 34.
    CHAPTER 3.FIRE SPRINKLERSYSTEM __________________________________________________________________________________ ________________________________________________________________________________________________ 25 Elevation Pressure Loss: How to calculate pressure loss in your irrigation system caused by elevation changes. Sprinkler Heads: How to select your sprinkler heads. Laterals: Type of pipe to use and pressure losses for the sprinkler system lateral pipes. Types of Sprinkler Risers: How to connect your sprinklers to the laterals. Adjustments: Making pressure loss adjustments to balance the system (very important if you want the sprinklers to work). Step #3 Place Sprinkler Heads: How to determine the correct sprinkler spacings, and which nozzles to use. Draw in sprinkler heads. Step #4 Create Valve Zones and Draw in Pipes: Identify hydro-zones, create valve zones, draw the sprinkler piping. Step #5 Lateral Pipe Sizes: How to calculate the size for each lateral pipe in the irrigation system. Determining Sprinkler Pipe Size Using a Pipe Sizing Chart. Determining Sprinkler Pipe Size Using a Spreadsheet. Finished! Some Tips on Automation, Freeze Protection, Costs, Contractors. 3.3.1 Drawing And Bill Of Quantity
  • 35.
    CHAPTER 3.FIRE SPRINKLERSYSTEM __________________________________________________________________________________ ________________________________________________________________________________________________ 26
  • 36.
    CHAPTER 3.FIRE SPRINKLERSYSTEM __________________________________________________________________________________ ________________________________________________________________________________________________ 27 3.3.2 Standards Of Designing NFPA 13 and NFPA 14 To provide a reasonable degree of protection for life and property from fire through standardization of design, installation, and testing requirements for sprinkler systems, There are Three Classifications of Occupancies 1.1 Light Hazard Occupancies 2.1 Ordinary Hazard (Group 1) 2.2 Ordinary Hazard (Group 2) 3.1 Extra Hazard (Group 1) 3.2. Extra Hazard (Group 2) Churches Clubs Educational Hospitals Institutional Libraries, except large stack rooms Museums Nursing or convalescent homes Offices, including data processing Residential Restaurant seating areas Theatres and auditoriums, excluding stages and prosceniums Unused attics Automobile parking and showrooms Bakeries Beverage manufacturing Canneries Dairy products manufacturing and processing Electronic plants Glass and glass products manufacturing Laundries Restaurant service areas
  • 37.
    CHAPTER 3.FIRE SPRINKLERSYSTEM __________________________________________________________________________________ ________________________________________________________________________________________________ 28 Cereal mills Chemical plants — ordinary Confectionery products Distilleries Dry cleaners Feed mills Horse stables Leather goods manufacturing Libraries — large stack room areas Machine shops Metal working Paper and pulp mills Paper process plants Post offices Printing and publishing Textile manufacturing Tire manufacturing Tobacco products manufacturing Wood machining Wood product assembly
  • 38.
    CHAPTER 3.FIRE SPRINKLERSYSTEM __________________________________________________________________________________ ________________________________________________________________________________________________ 29 3.3.3 Hydraulic Calculation Hydraulic calculation is the fire safety practice of calculating the flow of liquids through a medium (usually a piping network) to ensure that fires could be extinguished. Hydraulic calculations are required to prove the flow of water (or water mixed with chemical additive) through piping networks for the purpose of controlling or extinguishing a fire. The hydraulic calculation procedure is defined in the reference model codes as published by NFPA (National Fire Protection Association),[1] EN 12845 Fixed firefighting system - Automatic sprinkler systems - Design, installation and maintenance [2] and other international fire design standards. The calculations prove that the water available (usually from a city water main, elevated storage tank, or fire pump) is strong enough (has enough pressure), and plentiful enough Calculations are based on the worst expected fire, located in the geometrically farthest point from the water source (based on the path the extinguishing water is required to travel to get to the fire). Analysis of the worst expected fire is based on the use of the building and areas. The hazard rating of various areas is defined by National Fire Protection Association (NFPA) Codes. Areas include: Light Hazard (offices, toilets, and similar areas of light combustibles and light fuel loading) Ordinary Hazard (car parking, stores, restaurants) Extra Hazard (flammable chemical use, heavy manufacturing, plastics) Storage (flammable items stored in solid piles, on shelves, or on racks to a significant height). The analysis of hazard gives a design density required to control a fire, which has been derived from years of fire tests conducted by insurance companies and other testing agencies. The design density is described by two variables that must work together to achieve fire control: Water flowfrom the sprinkler head (how heavy the rainfall of water from open fire sprinklers) Total area (the expected size of the fire before it will not continue to grow) The shortened expression of a common design density for a Light Hazard office is .1/1500, which is fully expressed as, " 0.1 GPM per square foot is required to fall from the fire sprinklers onto the fire over the most remote 1,500 square feet (140 m2) of area, which is the maximum expected size of a fire in this Light Hazard building area." A common density required for a warehouse type "big box" store that has higher flammability items stored on racks to twenty feet high is .6/2000.
  • 39.
    CHAPTER 4.FIRE ALARMSYSTEM __________________________________________________________________________________ ________________________________________________________________________________________________ 30 4.1Introduction An automatic fire alarm system is designed to detect the unwanted presence of fire by monitoring environmental changes associated with combustion. In general, a fire alarm system is classified as either automatically actuated, manually actuated, or both. Automatic fire alarm systems are intended to notify the building occupants to evacuate in the event of a fire or other emergency, report the event to an off-premises location in order to summon emergency services, and to prepare the structure and associated systems to control the spread of fire and smoke. 4.2Components Of Fire Alarm System 4.2.1 Smoke Detector 4.2.2 Heat Detector 4.2.3 Sounder 4.2.4 Fire Alarm Control Panel 4.2.5 Wire 4.2.6 Pipe 4.2.7 junction Box 4.2.8 Isolator 4.3Designing Of Fire Alarm System After the fire protection goals are established – usually by referencing the minimum levels of protection mandated by the appropriate model building code, insurance agencies, and other authorities – the fire alarm designer undertakes to detail specific components, arrangements, and interfaces necessary to accomplish these goals. Equipment specifically manufactured for these purposes are selected and standardized installation methods are anticipated during the design. In the United States, NFPA 72, The National Fire Alarm Code is an established and widely used installation standard. EN 54 is mandatory standard in the European Union for Fire detection and fire alarm systems. Every product for fire alarm systems must have a CE mark with an EN 54 standard to be delivered and installed in any country of the EU. It is a standard widely used around the world.[1] Fire alarm controlpanel (FACP) AKA fire alarm control unit (FACU); This component, the hub of the system, monitors inputs and system integrity, controls outputs and relays information. Primary power supply: Commonly the non-switched 120 or 240 Volt Alternating Current source supplied from a commercial power utility. In non-residential applications, a branch circuit is dedicated to the fire alarm system and its constituents. "Dedicated branch circuits" should not be confused with "Individual branch circuits" which supply energy to a single appliance. Secondary (backup) power supplies: This component, commonly consisting of sealed lead-acid storage batteries or other emergency sources including generators, is used to supply energy in the event of a primary power failure.
  • 40.
    CHAPTER 4.FIRE ALARMSYSTEM __________________________________________________________________________________ ________________________________________________________________________________________________ 31 Initiating devices: This component acts as an input to the fire alarm control unit and are either manually or automatically actuated. Examples would be devices pull stations, heat detectors, or smoke detectors. Heat and smoke detectors have different categories of both kinds. Some categories are beam, photoelectrical, aspiration, and duct. publicly accessible Alarm Box on a street in San Francisco. Notification appliances: This component uses energy supplied from the fire alarm system or other stored energy source, to inform the proximate persons of the need to take action, usually to evacuate. This is done by means of a flashing light, strobe light, electromechanical horn, "beeper horn", chime, bell, speaker, or a combination of these devices. The System Sensor Spectralert Advance Horn makes a beeping sound and electromechanical sound together. Building safety interfaces: This interface allows the fire alarm system to control aspects of the built environment and to prepare the building for fire, and to control the spread of smoke fumes and fire by influencing air movement, lighting, process control, human transport and exit. Manually actuated devices; also known as fire alarm boxes, manual pull stations, or simply pull stations, Break glass stations, call points or Buttons. Devices for manual fire alarm activation, are installed to be readily located (near the exits), identified, and operated. Automatically actuated devices can take many forms intended to respond to any number of detectable physical changes associated with fire: convected thermal energy; heat detector, products of combustion; smoke detector, radiant energy; flame detector, combustion gasses; fire gas detector, and release of extinguishing agents; water-flow detector. The newest innovations can use cameras and computer algorithms to analyze the visible effects of fire and movement in applications inappropriate for or hostile to other detection methods.[2] Notification Appliances utilize audible, visible, tactile, textual or even olfactory stimuli (odorizer)[3][4] to alert the occupants of the need to evacuate or take action in the event
  • 41.
    CHAPTER 4.FIRE ALARMSYSTEM __________________________________________________________________________________ ________________________________________________________________________________________________ 32 of fire or other emergency. Evacuation signals may consist of simple appliances that transmit uncoded information, coded appliances that transmit a predetermined pattern, and or appliances that transmit audible and visible textual information such as live or pre-recorded instructions, and illuminated message displays. In the United States, fire alarm evacuation signals generally consist of a standardized audible tone, with visual notification in all public and common use areas. Emergency signals are intended to be distinct and understandable to avoid confusion with other signals. Temporal Code 3 is the most common audible in a modern system. It chimes three times at one-second intervals, stops for one second, then repeats. Voice Evacuation is the second most common audible in a modern system. Continuous is not common in a new building or old building with modern system, but is found in lots of schools and older buildings. Other methods include: Audible textual appliances, which are employed as part of a fire alarm system that includes Emergency Voice Alarm Communications (EVAC) capabilities. High reliability speakers are used to notify the occupants of the need for action in connection with a fire or other emergency. These speakers are employed in large facilities where general undirected evacuation is considered impracticable or undesirable. The signals from the speakers are used to direct the occupant's response. The system may be controlled from one or more locations within the building known as Fire Wardens Stations, or from a single location designated as the building Fire Command Center. Speakers are automatically actuated by the fire alarm system in a fire event, and following a pre-alert tone, selected groups of speakers may transmit one or more prerecorded messages directing the occupants to safety. These messages may be repeated in one or more languages. Trained personnel activating and speaking into a dedicated microphone can suppress the replay of automated messages in order to initiate or relay real time voice instructions.[5] Some fire alarm systems utilize emergency voice alarm communication systems (EVACS) [6] to provide pre-recorded and manual voice messages. Voice Alarm systems are typically used in high-rise buildings, arenas and other large "defend-in-place" occupancies such as Hospitals and Detention facilities where total evacuation is difficult to achieve.[citation needed] Voice-based systems provide response personnel with the ability to conduct orderly evacuation and notify building occupants of changing event circumstances.[citation needed] In high rise buildings, different evacuation messages may be played to each floor, depending on the location of the fire. The floor the fire is on along with ones above it may be told to evacuate while floors much lower may simply be asked to stand by.[citation needed] New codes and standards introduced around 2010 especially the new UL Standard 2572, the U.S. Department of Defence's UFC 4-021-01 Design and O&M Mass Notification Systems, and NFPA 72 2010 edition Chapter 24 have led Fire Alarm System Manufacturers to expand their systems voice evacuation capabilities to support new
  • 42.
    CHAPTER 4.FIRE ALARMSYSTEM __________________________________________________________________________________ ________________________________________________________________________________________________ 33 requirements for mass notification including support for multiple types of emergency messaging (i.e. inclement weather emergency, security alerts, amber alerts). The major requirements of a mass notification system are to provided prioritized messaging according to the local facilities emergency response plan. The emergency response team must define the priority of potential emergency events at site and the fire alarm system must be able to support the promotion and demotion of notifications based on this emergency response plan. Emergency Communication System's also have requirements for visible notification in coordination with any audible notification activities to meet requirements of theAmerican's with Disabilities Act. Recently many manufacturer's have made efforts to certify their equipment to meet these new and emerging standards. Mass Notification System Categories include the following: Tier 1 Systems are In-Building and provide the highest level of survivability Tier 2 Systems are Out of the Building and provide the middle level of survivability Tier 3 Systems are "At Your Side" and provide the lowest level of survivability Mass notification systems often extend the notification appliances of a standard fire alarm system to include PC based workstations, text based digital signage, and a variety of remote notification options including email, text message, rss feed, or IVR based telephone text-to-speech messaging. Magnetic Smoke Door Holders: Wall or floor mounted solenoids or electromagnets controlled by a fire alarm system or detection component that magnetically secures spring-loaded self-closing smoke tight doors in the open position. Designed to de-magnetize to allow automatic closure of the door on command from the fire control or upon failure of the power source, interconnection or controlling element. Stored energy in the form of a spring or gravity can then close the door to restrict the passage of smoke from one space to another in an effort to maintain a tenable atmosphere on either side of the door during evacuation and fire fighting efforts in buildings. Duct Mounted Smoke Detection: Smoke detection mounted in such a manner as to sample the airflow through duct work and other plenums specifically fabricated for the transport of environmental air into conditioned spaces. Interconnection to the fan motor control circuits are intended to stop air movement, close dampers and generally prevent the recirculation of toxic smoke and fumes produced by fire into occupiable spaces. Emergency Elevator Service: Activation of automatic initiating devices associated with elevator operation are used to initiate emergency elevator functions, such as recall of associated elevator cab(s). Recall will cause the elevator cabs to return to the ground level for use by fire service response teams and to ensure that cabs do not return to the floor of fire incidence. Phases of operation include primary recall (typically the ground level), alternate/secondary recall (typically a floor adjacent to the ground level – used when the initiation occurred on the primary level), illumination of the 'fire hat' indicator when an alarm occurs in the elevator hoistway or associated control room, and in some cases shunt trip (disconnect) of elevator power (generally used where the control room or hoistway is protected by fire sprinklers). Public Address Rack (PAR): An Audio public address rack shall be interfaced with fire alarm system, by adding signaling control relay module to either rack power supply unit,
  • 43.
    CHAPTER 4.FIRE ALARMSYSTEM __________________________________________________________________________________ ________________________________________________________________________________________________ 34 or to main amplifier driving this rack. the purpose is to "mute" the BGM(background music) of this rack in case of emeregency in case of fire initiating true alarm. There are many types of fire alarm systems each suited to different building types and applications. A fire alarm system can vary dramatically in both price and complexity, from a single panel with a detector and sounder in a small commercial property to an addressable fire alarm system in a multi-occupancy building. Systems have to protect both buildings and occupants.[7] The categories of fire alarm systems are L if they are designed to protect life, P to protect buildings and M if they are manual systems. M Manual systems, e.g. hand bells, gongs, etc. These may be purely manual or manual electric, the latter may have call points and sounders. They rely on the occupants of the building discovering the fire and acting to warn others by operating the system. Such systems form the basic requirement for places of employment with no sleeping risk. P1 The system is installed throughout the building – the objective being to call the fire brigade as early as possible to ensure that any damage caused by fire is minimized. Small low risk areas can be excepted, such as toilets and cupboards less than 1m². P2 Detection should be provided in parts of the building where the risk of ignition is high and/or the contents are particularly valuable. Category 2 systems provide fire detection in specified parts of the building where there is either high risk or where business disruption must be minimised. L1 A category L1 system is designed for the protection of life and which has automatic detectors installed throughout all areas of the building (including roof spaces and voids) with the aim of providing the earliest possible warning. A category L1 system is likely to be appropriate for the majority of residential care premises. In practice, detectors should be placed in nearly all spaces and voids. With category 1 systems, the whole of a building is covered apart from minor exceptions. L2 A category L2 system designed for the protection of life and which has automatic detectors installed in escape routes, rooms adjoining escape routes and high hazard rooms. In a medium sized premises (sleeping no more than ten residents), a category L2 system is ideal. These fire alarm systems are identical to an L3 system but with additional detection in an area where there is a high chance of ignition, e.g., kitchen) or where the risk to people is particularly increased (e.g., sleeping risk). L3 This category is designed to give early warning to everyone. Detectors should be placed in all escape routes and all rooms that open onto escape routes. Category 3 systems provide more extensive cover than category 4. The objective is to warn the occupants of the building early enough to ensure that all are able to exit the building before escape routes become impassable. L4 Category 4 systems cover escape routes and circulation areas only. Therefore, detectors will be placed in escape routes, although this may not be suitable depending on the risk assessment or if the size and
  • 44.
    CHAPTER 4.FIRE ALARMSYSTEM __________________________________________________________________________________ ________________________________________________________________________________________________ 35 complexity of a building is increased. Detectors might be sited in other areas of the building, but the objective is to protect the escape route. L5 This is the "all other situations" category, e.g., computer rooms, which may be protected with an extinguishing system triggered by automatic detection. Category 5 systems are the "custom" category and relate to some special requirement that cannot be covered by any other category. Zoning An important consideration when designing fire alarms is that of individual zones.[9] Specifically:  A single zone should not exceed 2,000m² in floor space.  Where addressable systems are in place, two faults should not remove protection from an area greater than 10,000m².  A building may be viewed as a single zone if the floor space is less than 300m².  Where the floor space exceeds 300m² then all zones should be restricted to a single floor level.  Stairwells, lift shafts or other vertical shafts (non stop risers) within a single fire compartment should be considered as one or more separate zones.  The maximum distance traveled within a zone to locate the fire should not exceed 60m.
  • 45.
    CHAPTER 4.FIRE ALARMSYSTEM __________________________________________________________________________________ ________________________________________________________________________________________________ 36 4.3.1 Drawing And Bill Of Quantity
  • 46.
    CHAPTER 4.FIRE ALARMSYSTEM __________________________________________________________________________________ ________________________________________________________________________________________________ 37 S. # DESCRIPTION UNIT Ground Floor Total 1 Smoke Detector Nos. 33 33 2 Heat Detector Nos. 6 6 3 Manual Cal Point Nos. 4 4 4 Sounder Nos. 4 4 5 Isolator Nos. 3 3 6 Junction Box Nos. 4 4 7 Fire Alarm Panel ( 6 Loop ) Nos. - 1 9 2 Core 1.5mm Wire Meter 480 480 11 Pvc Pipe Feet 620 620 12 Pvc Pipe 1.5" Feet 120 13 Pvc Duct Feet 140 140 14 Pipe Support & Etc Job 1 1
  • 47.
    CHAPTER 5. DELUGESYSTEM ____________________________________________________________________________________________ ____________________________________________________________________________________________________________ 38 5.1Introduction Deluge" systems are systems in which all sprinklers connected to the water piping system are open, in that the heat sensing operating element is removed, or specifically designed as such. These systems are used for special hazards where rapid fire spread is a concern, as they provide a simultaneous application of water over the entire hazard. They are sometimes installed in personnel egress paths or building openings to slow travel of fire (e.g., openings in a fire-rated wall). Water is not present in the piping until the system operates. Because the sprinkler orifices are open, the piping is at atmospheric pressure. To prevent the water supply pressure from forcing water into the piping, a deluge valve is used in the water supply connection, which is a mechanically latched valve. It is a non-resetting valve, and stays open once tripped. Because the heat sensing elements present in the automatic sprinklers have been removed (resulting in open sprinklers), the deluge valve must be opened as signaled by a fire alarm system. The type of fire alarm initiating device is selected mainly based on the hazard (e.g., smoke detectors, heat detectors, or optical flame detectors). The initiation device signals the fire alarm panel, which in turn signals the deluge valve to open. Activation can also be manual, depending on the system goals. Manual activation is usually via an electric or pneumatic fire alarm pull station, which signals the fire alarm panel, which in turn signals the deluge valve to open. Operation - Activation of a fire alarm initiating device, or a manual pull station, signals the fire alarm panel, which in turn signals the deluge valve to open, allowing water to enter the piping system. Water flows from all sprinklers simultaneously. 5.2Components Of Deluge System 5.2.1 Water Spray Nozzle 5.2.2 Sprinkler 5.2.3 Deluge Valve 5.2.4 Water Motor Gong 5.2.5 Piping 5.2.6 Pressure Gauge 5.2.7 Solenoid valve 5.2.8 Flow Detector valve 5.2.9 Alarm Panel
  • 48.
    CHAPTER 5. DELUGESYSTEM ____________________________________________________________________________________________ ____________________________________________________________________________________________________________ 39 5.3Designing Of Fire Deluge System Here’s the table of contents for this sprinkler irrigation design tutorial. It looks like a lot to cover, but much of it you will skim over because it applies only to very specific situations that don’t matter for most sprinkler systems. (But if it turns out one of those specific situations applies to YOU won’t you be glad that I included it?) You will find that the tutorial goes quickly once you get started. I suggest you skim through the index below, just so you understand the general process. Then design your sprinkler system in small steps as you work through the tutorial. Start Here! Introduction to Irrigation Design: How to use this tutorial, information on software programs to design your sprinkler system, and a few suggestions on those “free designs” offered by the sprinkler manufacturing companies. (Big surprise! I don’t totally trash them!) Step #1 Collect Information: Measure Your Yard: How to measure your yard easily and accurately for your sprinkler irrigation system. City-Slicker Water: How to find the PSI and GPM if you get your water through a pipe from a water-company. Country-Bumpkin Water: How to find the PSI and GPM if you pump water from a well, creek, lake, etc.. Backwoods Water: How to measure the GPM and PSI for other types of water supplies (Moses would use this section). Step #2 Select Your Equipment: Selecting Your Sprinkler Equipment: Determine pressure losses for your sprinkler irrigation system. Water Meter: Water meters. Backflow Preventer: How to select a backflow preventer. Mainlines: What type of pipe to use and how to calculate pressure loss in an irrigation system mainline. Valves: Types of irrigation valves. Elevation Pressure Loss: How to calculate pressure loss in your irrigation system caused by elevation changes. Sprinkler Heads: How to select your sprinkler heads. Laterals: Type of pipe to use and pressure losses for the sprinkler system lateral pipes. Types of Sprinkler Risers: How to connect your sprinklers to the laterals. Adjustments: Making pressure loss adjustments to balance the system (very important if you want the sprinklers to work).
  • 49.
    CHAPTER 5. DELUGESYSTEM ____________________________________________________________________________________________ ____________________________________________________________________________________________________________ 40 5.3.1 Drawing And Bill Of Quantity
  • 50.
    CHAPTER 5. DELUGESYSTEM ____________________________________________________________________________________________ ____________________________________________________________________________________________________________ 41 S/# Item / Description Unit Transformer No.1 Total PIPE 1 Pipe dia 3”, Seamless,Sch-40 Feet 160 160 2 Pipe dia 2-1/2”, Seamless,Sch-40 Feet 180 180 3 Pipe dia 1-1/2”, Seamless,Sch-40 Feet 20 20 4 Pipe dia 1”, Seamless,Sch-40 Feet 180 180 5 Gate Valve 3", KITZ, Japan Nos. 3 3 6 Deluge Valve 3" size, complete with Water motor Gong, Trim assembly, retard chamber, pressure gauges, electrical actuator & pressure switch etc. UL / FM approved. Make Globe USA. Nos. 1 1 7 Sprinkler, K-Factor 4.2, GL-4210, 79 degree Nos. 14 14 8 Water Spray Nozzle 1/2" NPT, Nos. 43 43 FIFTING 1 Tee : 3"x3"x3",Sch-40 Seamless Nos. 1 1 2 Tee : 3"x3"x2-1/2",Sch-40 Seamless Nos. 4 4 3 Tee : 2½”x2½”x2½”,Sch-40 Seamless Nos. 4 4 4 Tee 1"x1"x1",Sch-40 Seamless Nos. 15 15 5 Elbow 3” ,Sch-40 Seamless Nos. 9 9 6 Elbow 2½” ,Sch-40 Seamless Nos. 4 4 7 Elbow 1” ,Sch-40 Seamless Nos. 20 20 8 Socket 1/2" Threadred Nos. 45 45 9 Socket 1" Nos. 15 15 10 Barrel Nippel 1/2" Threaded Nos. 40 40 11 Union 1" Nos. 4 4 12 Flange 3”,Weld Type Class 150 Slip-on Type Nos. 16 16 13 Flange 2-1/2”,Weld Type Class 150 Slip-on Type Nos. 24 24 14 Nut & Bolt 1/2”x 2.5” With Spring Washer KG 9 9 15 M.S Channel 100x50x4mm Feet 120 120 16 M.S Angle 50x50x4mm Feet 20 20 17 M.S Plate 200x300x6mm Nos. 8 8 18 Rawal Bolt 1/2"x2.5" Nos. 19 19
  • 51.
    CHAPTER 5. DELUGESYSTEM ____________________________________________________________________________________________ ____________________________________________________________________________________________________________ 42 19 U Clamp 3" With Bolt Nos. 12 12 20 U Clamp 2.5" With Bolt Nos. 12 12 21 U Clamp 1.5" With Bolt Nos. 2 2 22 U Clamp 1" With Bolt Nos. 12 12 23 Paint , Gas Kit , Etc. Taflon Tape Job Lum Sum 5.3.2 Standards Of Designing (a) Extinguishment of fire by water spray is accomplished by cooling, smothering from produced steam, emulsification of some liquids, dilution in some cases, or a combination of these factors. (b) Control of fires is accomplished by an application of water spray to the burning materials producing controlled burning. The principle of control may be applied where combustible materials are not susceptible to complete extinguishment by water spray or where complete extinguishment is not considered desirable. (c) Effective exposure protection is accomplished by application of water spray directly to the exposed structures or equipment to remove or reduce the heat transferred to them from the exposing fire. Water spray curtains are less effective than direct application but can, under favorable conditions, provide some protection against fire exposure through subdivision of fire
  • 52.
    CHAPTER 5. DELUGESYSTEM ____________________________________________________________________________________________ ____________________________________________________________________________________________________________ 43 Nominal Pipe Size Outside Diameter Insi de Diamet er W all Thickn ess Insi de Diame ter W all Thickn ess Insi de Diamet er in. in . (mm) in . (mm) i n. (mm) in . (mm) in . (mm) in . (mm) i n 1 1.315 (33.4) 1.097 (27.9) 0.109 (2.8) _ _ _ _ 1.049 (26.6) 0.1 1 1/4 1.660 (42.2) 1.442 (36.6) 0.109 (2.8) _ _ _ _ 1.380 (35.1) 0.1 1 1/2 1.900 (48.3) 1.682 (42.7) 0.109 (2.8) _ _ _ _ 1.610 (40.9) 0.1 2 2.375 (60.3) 2.157 (54.8) 0.109 (2.8) _ _ _ _ 2.067 (52.5) 0.1 2 1/2 2.875 (73.0) 2.635 (66.9) 0.120 (3.0) _ _ _ _ 2.469 (62.7) 0.2 3 3.500 (88.9) 3.260 (82.8) 0.120 (3.0) _ _ _ _ 3.068 (77.9) 0.2 3 1/2 4.000 (101.6) 3.760 (95.5) 0.120 (3.0) _ _ _ _ 3.548 (90.1) 0.2 4 4.500 (114.3) 4.260 (108.2) 0.120 (3.0) _ _ _ _ 4.026 (102.3) 0.2 5 5.563 (141.3) 5.295 (134.5) 0.134 (3.4) _ _ _ _ 5.047 (128.2) 0.2 6 6.625 (168.3) 6.357 (161.5) 0.1342 (3.4) _ _ _ _ 6.065 (154.1) 0.2 8 8.625 (219.1) 8.249 (209.5) 0.1882 (4.8) 8.071 (205.0) 0.277 (7.0) _ _ _ 1 0 10.75 (273.1) 10.37 (263.4) 0.1882 (4.8) 10.14 (257.6) 0.307 (7.8) _ _ _ areas. Unfavorable conditions can include such factors as windage, thermal updrafts, and inadequate drainage. (d) Start of fire is prevented by the use of water sprays to dissolve, dilute, disperse, or cool flammable materials or to reduce flammable vapor concentrations below the Lower Flammable Limit (LFL). In special cases, where adequate safeguards have been provided, water spray systems for the protection of structures, equipment, or personnel in the presence of such materials as described in 1-7.4 might be acceptable. Painting of spray nozzles can retard the thermal response of the heat-responsive element, can interfere with the free movement of parts, and can render the spray nozzle inoperative. Moreover, painting can invite the application of subsequent coatings, thus increasing the possibility of altering the discharge pattern for all types of nozzles. Table A-2-3.2 Steel Pipe Dimensions Schedule 101 Schedule 30 Schedule NOTE 1: Schedule 10 defined to 5 in. (127 mm) nominal pipe size by ASTM A 135.
  • 53.
    CHAPTER 5. DELUGESYSTEM ____________________________________________________________________________________________ ____________________________________________________________________________________________________________ 44 NOTE 2: Wall thickness specified in 2-3.2. Other types of pipe and tube that have been investigated and listed for water spray applications include lightweight steel pipe. While these products can offer advantages, such as ease of handling and installation, cost-effectiveness, and reduction of friction losses, it is important to recognize that they also have limitations that are to be considered by those contemplating their use or acceptance. Corrosion studies for lightweight steel pipe have shown that, in comparison to Schedule 40 pipe, its effective life might be reduced, with the level of reduction being related to its wall thickness. Further information with respect to corrosion resistance is contained in the individual listings of such products. The investigation of pipe and tube other than described in Table 2-3.1 should involve consideration of many factors, including: (a) Pressure rating; (b) Beam strength (hangers and spacing); (c) Unsupported vertical stability; (d) Movement during system operation (affecting water distribution); (e) Corrosion (internal and external), chemical and electrolytic; (f) Resistance to failure where exposed to elevated temperatures; (g) Methods of joining (strength, permanence, fire hazard); and (h) Physical characteristics related to integrity during earthquakes. Rubber-gasketed pipe fittings and couplings should not be installed where ambient temperatures can be expected to exceed 150qF (66qC) unless listed for this service. If the manufacturer further limits a given gasket compound, those recommendations should be followed. Some steel piping material having lesser wall thickness than specified in 2-5.1.2 has been listed for use in water spray systems when joined with threaded connections. The service life of such products can be significantly less than that of Schedule 40 steel pipe, and it should be determined if this service life will be sufficient for the application intended. All such threads should be checked by the installer using working ring gauges conforming to the Basic Dimensions of Ring Gauges for USA (American) Standard Taper Pipe Threads, NPT, in accordance with ANSI/ASME B1.20.1, Table 8.
  • 54.
    CHAPTER 5. DELUGESYSTEM ____________________________________________________________________________________________ ____________________________________________________________________________________________________________ 45
  • 55.
    CHAPTER 5. DELUGESYSTEM ____________________________________________________________________________________________ ____________________________________________________________________________________________________________ 46 Listed, shaped, contoured nipples meet the definition of fabricated fittings. The fire hazard of the brazing process should be suitably safeguarded. These valves include, but are not limited to, deluge valves, alarm check valves, preaction valves, and high-speed valves. Accessories might include:Manual emergency stations, (b) Flammable gas detectors,
  • 56.
    CHAPTER 5. DELUGESYSTEM ____________________________________________________________________________________________ ____________________________________________________________________________________________________________ 47 (c) Smoke detectors, (d) Heat detectors, (e) Fire detectors, or (f) Control panels. Where installing wet pilot systems, special attention should be given to height limitations above the system actuation valve due to concern of water column. Refer to manufacturer's information and listing. Manual means of actuation can include pneumatic, hydraulic, electrical, mechanical, or any combination thereof. The strainer should be capable of continued operation without serious increase in head loss for a period estimated to be ample when considering the type of protection provided, the condition of the water, and similar local circumstances. All alarm apparatus should be located and installed such that all parts are accessible for inspection, removal, and repair, and should be adequately supported. The minimum clearances listed in Table 3-1.2 are for the purpose of electrical clearance under normal conditions; they are not intended for use as "safe" distances during fixed water spray system operation. The clearances are based upon minimum general practices related to design Basic Insulation Level (BIL) values. To coordinate the required clearance with the electrical design, the design BIL of the equipment being protected should be used as a basis, although this is not material at nominal line voltages of 161 kV or less. Up to electrical system voltages of 161 kV, the design BIL kV and corresponding minimum clearances, phase to ground, have been established through long usage. At voltages higher than 161 kV, uniformity in the relationship between design BIL kV and the various electrical system voltages has not been established in practice. For these higher system voltages it has become common practice to use BIL levels dependent on the degree of protection that is to be obtained. For example, in 230 kV systems, BILs of 1050, 900, 825, 750, and 650 kV have been utilized. Required clearance to ground may also be affected by switching surge duty, a power system design factor that along with BIL should correlate with selected minimum clearances. Electrical design engineers may be able to furnish clearances dictated by switching surge duty. Table 3-1.2 deals only with clearances required by design BIL. The selected clearance to ground should satisfy the greater of switching surge or BIL duty, rather than to be based upon nominal voltage. Possible design variations in the clearance required at higher voltages are evident in the table, where a range of BIL values is indicated opposite the various voltages in the high voltage portion of the table. However, the clearance between uninsulated energized parts of the electrical system equipment and any portion of the water spray system should not be less than the minimum clearance provided elsewhere for electrical system insulation on any individual component. Water spray systems are usually applied to special fire protection problems beyond the
  • 57.
    CHAPTER 5. DELUGESYSTEM ____________________________________________________________________________________________ ____________________________________________________________________________________________________________ 48 capability of a standard sprinkler system. They are specifically designed for fire control, extinguishment, prevention, or exposure protection. These systems typically require that the
  • 58.
    CHAPTER 5. DELUGESYSTEM ____________________________________________________________________________________________ ____________________________________________________________________________________________________________ 49 water be applied rapidly to all protected surfaces at the same time, an objective that may not be possible with closed nozzles. In addition, to protect specific surfaces, the use of special nozzles with directional discharge is employed. The placement of these nozzles to provide proper coverage is often in conflict with the required placement to ensure prompt operation where automatic nozzles are used. Thus, the standard contemplates that open nozzles will normally be employed and that a separate detection system will be used to actuate the system. There are cases, however, where it is desirable to use closed nozzles to limit the discharge of water to prevent equipment damage (such as when water spray is used to protect turbine bearings), or there are environmental concerns. Automatic nozzles should only be used where open nozzles present such problems and the position of the nozzles can meet both the coverage and response time design objectives. In cases where the piping cannot be supported by structural members, piping arrangements that are essentially self-supporting are often employed together with such hangers as are necessary. Areas considered to have an explosion potential may include those having: (a) Highly exothermic reactions that are relatively difficult to control, such as nitration, oxidation, halogenation, hydrogenation, alkylation, or polymerization; (b) Flammable liquids or gases where a flammable vapor or release of more than 10 tons in a 5-minute time period is possible; and (c) Other particularly hazardous operations where a explosion hazard may exist. To limit the potential for explosion damage, the following guidelines should be used: (a) System actuation valves should be remotely located (at least 50 ft) from the area to be protected, housed within a blast resistant valve house or behind a blast wall designed for at least a 3 psig static overpressure. (b) Piping should be located underground wherever possible. Risers should rise aboveground behind a protecting steel column or other structural element. Other piping should be located behind structural elements providing shielding from explosion overpressures and flying debris. (c) The number of system actuation valves manifolded together should be limited to no more than three. (d) Fire water mains should be buried, and accessible post indicator isolation valves should be provided. (e) All water spray piping 21/2 in. (63 mm) or larger should be of the welded-flanged type.
  • 59.
    CHAPTER 5. DELUGESYSTEM ____________________________________________________________________________________________ ____________________________________________________________________________________________________________ 50 Suitable suction provisions can entail the following: (a) Suitable suction hydrants accessible to apparatus on primary or auxiliary supplies, or both; and (b) Suitable all-weather landings or locations where pumper apparatus can take suction at surface water supplies. Fire department connections should be located and arranged so that hose lines can be readily and conveniently attached without interference from nearby objects including buildings, fences, posts, or other fire department connections. Where a hydrant is not available, other water supply sources such as a natural body of water, a tank, or a reservoir should be utilized. The water authority should be consulted when a nonpotable water supply is proposed as a suction source for the fire department. Care should be taken in the selection of strainers, particularly where nozzle waterways are less than 1/4 in. (6.5 mm) in dimension. Consideration should be given to the size of screen perforation, the volume available for accumulation without excessive friction loss, and the facility for inspection and cleaning. Where detectors are located outdoors or without a ceiling over them to trap the heat, their spacing should be reduced if prompt detection is to be achieved. In general, thermal detectors are to be located within the hot air currents created by the fire if they are to operate. A 50-percent reduction in the spacing between detectors is required in the absence of test data on a
  • 60.
    CHAPTER 5. DELUGESYSTEM ____________________________________________________________________________________________ ____________________________________________________________________________________________________________ 51 particular detector and fire size. Some guidance might be available from the manufacturer. The sensitivity of other detectors, (e.g., flammable gas detectors) can also be adversely affected by wind or the lack of walls or ceilings surrounding the hazard. Heat collectors located above the pilot sprinklers or other thermal detectors for the sole purpose of trapping heat are not recommended, they are considered protected canopies (see 3-5.1.2). They can provide some benefit if they are of sufficient size (18 in. u 18 in., or larger) to trap heat. Smaller collectors can reduce sensitivity by causing a "dead" air space. However, shields or canopies needed to protect the detector from the weather should not be eliminated because of concerns they might reduce detector sensitivity. Other types of detectors such as UV detectors that do not rely on air currents to detect a fire or hazardous condition might not require a reduced spacing when used outdoors. Use of flammable gas detectors should consider the following: (a) Calibration. Automatic flammable gas detection equipment should be calibrated for the specific flammable gas to be detected. (b) Operation — Alarms. Flammable gas detectors typically are equipped with two independently adjustable alarms for detection of flammable gas. Each unit should be equipped with a visual indication of alarm points, unit malfunction, and normal operation. Typically, the first alarm point is set between 10 percent and 25 percent of the LFL and the second alarm point trips the water spray system between 25 percent and 65 percent of the LFL. Where the analyzers alarm in a continuously manned location, remote manual operation of the water spray system from a continuously manned location is sometimes utilized with the flammable gas analyzers alarming only in lieu of the automatic trip arrangement. (c) Inadvertent Activation. A reduction in the potential to inadvertently activate a system can be attained by designing cross zone activation into the system. With a cross zone activation scheme, the activation of a water spray system is triggered by the "high" alarm condition of any two or more detectors comprising the system. (d) Wiring. Flammable gas detectors should not be wired in series. (e) Multiple Channel Systems. Where a multiple channel flammable gas detector system is utilized, continuous, instantaneous analysis should be provided on all channels and an alarm or trip should be indicated immediately at the analyzer. No more than one water spray system should be actuated by a single multiple channel analyzer. Water spray system design should conform to the applicable provisions of NFPA 80A, Recommended Practice for Protection of Buildings from Exterior Fire Exposures, except where otherwise recommended herein. Prompt operation of the water spray system is needed to meet the design objectives. In most installations, the delivery of effective water spray from all open nozzles should take place within 30 seconds after detection. This may be accomplished by the remote starting of fire pumps. The use of devices such as timers would delay system actuation and negatively affect the system's intended performance. Large system size may decrease system reliability and increase transfer time, water wastage, and environmental impact. Large systems should generally be limited to a discharge
  • 61.
    CHAPTER 5. DELUGESYSTEM ____________________________________________________________________________________________ ____________________________________________________________________________________________________________ 52 rate of 2500 gpm to 3000 gpm (9463 L/min to 11,355 L/min). For large areas protected by many adjacent systems, it may not be necessary to base the design flow rate on all systems operating simultaneously. Provided that floor drainage is sloped and sectionalized to reduce the flow of flammables to adjacent areas, and assuming that detection systems are carefully designed, the maximum design flow rate could be determined by adding the flow rate for any system to the flow rates for all immediately adjacent systems. (See example in Table A-4-1.5.2.) The largest sum determined from considering all logical combinations should be used. This maximum anticipated flow rate basis is valid when the systems selected are judged to represent the worst case situation. Assuming that the above conditions are met, some fires involving several adjacent water spray systems could be adequately controlled with fewer systems operating. Careful engineering judgment should be used in the determination and calculation of the actuation, capacity, and duration of adjacent water spray systems. System System System System 1 2 3 4 Flow 1800 gpm 6813 L/min 2100 gpm 7949 L/min 1950 gpm 7381 L/min 2300 gpm 8706 L/min 2400 gp Pressure 80 psi 3.8 kPa 95 psi 4.6 kPa 105 psi 5.0 kPa 100 psi 4.8 kPa 90 ps NOTE: Flow and pressure required at the point of supply (other common hydraulic point). Combined System Flow Balanced to Highest Pressure System Flow System Flow System Flow System (gpm) (L/min) (gpm) (L/min) (gpm) (L/min) 1 2062 7805 2 2208 8357 3 1950 7381 4 2 2208 8357 3 1950 7381 4 2357 8921 5 3 1950 7381 4 2357 8921 5 2592 9811 6 Total 6220 23,542 Total 6515 24,659 Total 6899 26,113 Total The combination of Systems 3, 4, and 5 creates the largest flow at the highest pressure at the point of supply (or other common hydraulic point). Therefore, the design flow rate for this installation is selected as 6899 gpm at 105 psi (26,113 L/min at 5.0 kPa). Total water demand would be 6899 (26,113 L/min), plus an allowance for hose stream application. Systems shall be permitted to be combined in a logical manner such that systems that can be expected to be involved in the same incident and are expected to operate simultaneously are combined to determine the design flow rate. The rapid removal of spills and fire protection water from the area protected by a water spray system can greatly reduce the amount of fuel involved in a fire. In addition, if water discharge is not controlled, hydrocarbons or other liquid fuels may spread into adjacent areas and
  • 62.
    CHAPTER 5. DELUGESYSTEM ____________________________________________________________________________________________ ____________________________________________________________________________________________________________ 53 increase the size of the fire, exposing additional property and making the fire more difficult to control or extinguish. An example of a protected hazard that may not require a system for controlling or containing water spray discharge would be a rubber belt conveyor located in an aboveground conveyor housing. Each of the methods listed has advantages and disadvantages. In most cases, a combination of methods should be used in designing an effective control or containment system. The characteristics of any hazardous materials in the protected area should be considered in the design of a control or containment system, including volume, solubility in water, flammability, reactivity, environmental concerns (e.g., toxicity), and vapor pressure at ambient and normal processing conditions. For example, particular attention should be given to the removal of burning flammable liquids away from process vessels containing reactive materials sensitive to heat. Curbing, along with appropriate grading, can be of significant benefit in preventing water or burning liquid from spreading horizontally into adjacent areas. Grading should ideally be sloped at a pitch not less than 1 percent away from critical equipment and toward drains, trenches, ditches, or other safe area. Concrete surfacing is most desirable, but other hard surfacing or crushed rock or equivalent is suitable. Process areas and buildings handling hydrocarbons or hazardous chemicals normally have a closed drain system to capture leaks, spills, normal drainage, wash down, etc. In some cases, it may not be practical to design the closed drain system to accommodate the full flow from the fire protection systems. Additionally, even where designed with adequate capacity, floor drains will often become clogged with debris during a fire. The excess that cannot be carried off by the closed drain system will then overflow to the surface drainage systems, which might include storm sewers, open ditches, streets, or similar features. The proper design of area drainage should anticipate where the excess will flow so that it may be safely routed and controlled. See NFPA 30, Flammable and Combustible Liquids Code, for diking requirements for the tank storage of flammable and combustible liquids. Diking is not a desirable means of containing water spray discharge where buildings, process structures, or important equipment are being protected from exposure to flammable or combustible liquids. Underground or enclosed drains are preferred over open trenches since enclosed drains provide a method of removing spilled liquids from the area without exposing equipment to burning liquids. Further, trenches can act as collection points for heavier-than-air vapors. If used, trenches should be routed in a way that will not carry fire protection water and burning liquids through another fire area. If unavoidable, fire stops (weirs) should be provided in the trench system between the fire areas. Trenches should be twice as wide as deep, and in no case should the depth exceed the width. Trenches should be provided with covers that are 1/3 open grating and 2/3 solid plate or concrete. (See Figure A-4-2.3.)
  • 63.
    CHAPTER 5. DELUGESYSTEM ____________________________________________________________________________________________ ____________________________________________________________________________________________________________ 54 Drains should be in sufficient number such that the required runoff is handled without formation of significant pools. The actual flow rate may be determined by plotting the demand curve (fixed water supply systems) and the water supply curve on semi-exponential (N1.85) graph paper. The intersection of the demand curve and the supply curve provides a realistic estimate of the actual flow rate that would be anticipated. Judgment should be used in determining the chance of having a major fire simultaneous with a heavy rainfall. For areas experiencing little rainfall, drainage calculations can ignore rainfall. For areas experiencing frequent rainfall, a flow rate from rainfall may or may not be warranted, depending on the hazards being protected and other factors. If included, a rainfall rate less than the highest anticipated would ordinarily be used, as it is not likely that the maximum fire and rainfall demands would occur simultaneously. The effect of rainfall on the size of any areas designed to contain runoff should also be considered. It is desirable to contain runoff for the anticipated duration of any fire. However, in large chemical or petrochemical facilities, a major fire can last for 8 hours or more, resulting in extremely large holding basins or retention ponds. Where the anticipated incident duration results in retention basins that are of impractical size, methods to limit the duration of runoff may be required. When an extended duration is anticipated, a duration of 4 hours is usually considered the practical maximum. During that time it is often possible to isolate equipment and reduce the flow rate of water and other materials so that the continuous discharge flow rate is less than the initial flow rate. If a significant amount of flammable materials can be removed from the protected area, it may be possible to shut down water spray systems and manually fight the fire, greatly reducing the amount of material that needs to be contained. Smaller facilities with limited holdups may not require as long a duration. For example, if the exposing fire is caused by a spill of 500 gal (1893 L) or less, with good drainage and containment systems, the anticipated duration may be as little as 30 minutes to 1 hour. In special circumstances (e.g., involving prompt manual response), an anticipated duration less than 30 minutes would be acceptable. Finally, other standards and regulations may dictate the amount of containment required. For example, NFPA 30, Flammable and Combustible Liquids Code, contains requirements for warehouses and other areas containing flammable liquids. Also, local environmental
  • 64.
    CHAPTER 5. DELUGESYSTEM ____________________________________________________________________________________________ ____________________________________________________________________________________________________________ 55 regulations and building codes might contain criteria for duration and amount of material to be collected. (a) Surface Cooling. Where extinguishment by surface cooling is contemplated, the design provides for complete water spray coverage over the entire surface. Surface cooling is not effective on gaseous products or flammable liquids, and is not generally satisfactory for combustible liquids having flash points below 140qF (60qC). (b) Smothering by Steam Produced. Where this effect is contemplated, the intensity of the expected fire should be sufficient to generate adequate steam from the applied water spray, and conditions should be otherwise favorable for the smothering effect. The water spray is to be applied to essentially all the areas of expected fire. This effect should not be contemplated where the material protected could generate oxygen when heated. (c) Emulsification. This effect should be contemplated only for liquids not miscible with water. The water spray should be applied over the entire area of flammable liquids. For those liquids having low viscosities, the coverage should be uniform and the minimum rate required should be applied with the nozzle pressure not less than the minimum on which approval is based. For more viscous materials, the coverage should be complete but need not be so uniform and the unit rate of application may be lower. A water additive that reduces the surface tension of water may be considered where the effect of emulsification is contemplated. (d) Dilution. Where extinguishment by dilution is contemplated, the material should be miscible with water. The application rate should be adequate to effect extinguishment within the required period of time based upon the expected volume of material and the percentage of dilution necessary to render the liquid nonflammable, but not less than that required for control and cooling purposes. (e) Other Factors. The system design may contemplate other extinguishing factors, such as a continuous film of water over the surface where the material is not miscible with water and has a density much greater than 1.0 (such as asphalt, tar, carbon disulfide, and some nitrocellulose solutions). Water spray may also be used on some materials to produce extinguishment as a result of rapid cooling below the temperature at which the material will decompose chemically at a self-sustaining rate. NOTE: For the effect of droplet size, refer to Engineering Criteria for Water Mist Fire Suppression Systems, J. R. Mawhinney, P.E., presented at the Water Mist Fire Suppression Workshop at NIST, March 1-2, 1993. Limited test data exists that documents the minimum water application rates needed for extinguishment of certain combustibles or flammables. Much additional test work is needed before minimum rates can be established for all materials. Interlocks should be provided between the fire detection system and the electrical systems to de-energize all power circuits that are not connected to critical processes.
  • 65.
    CHAPTER 5. DELUGESYSTEM ____________________________________________________________________________________________ ____________________________________________________________________________________________________________ 56
  • 66.
    CHAPTER 5. DELUGESYSTEM ____________________________________________________________________________________________ ____________________________________________________________________________________________________________ 57 System operation for a duration of several hours may be necessary before the required activities are completed. Control of burning by directional water spray is not intended to preclude the installation of exposure protection for pump and compressor connections, exposed piping, compressor casings, drivers, lubrication systems, and related equipment. (a) Generally, the upper portions of equipment and the upper levels of supporting structures are less severely exposed by fire than are the lower portions or levels, due to the accumulation at grade level of fuel from spillage or equipment rupture. Consideration may thus be given to reducing the degree of (or eliminating) water spray protection for the upper portions of high equipment or levels of structures, provided a serious accumulation of fuel or torch action from broken process piping or equipment cannot occur at these elevations and serious fire exposure does not exist. Examples are certain types of distillation columns [above the 30-ft or 40-ft (9.2-m or 12.2-m)] level and above the third or fourth level of multi-level open structures. (b) The densities specified for exposure protection include a safety factor of 0.05 gpm/ft2 [2.0 (L/min)/m2] to compensate for unanticipated wastage. In determining the duration of the exposing fire, consideration should be given to the
  • 67.
    CHAPTER 5. DELUGESYSTEM ____________________________________________________________________________________________ ____________________________________________________________________________________________________________ 58 properties and quantities of the exposing combustibles and the anticipated effect of available manual fire fighting. System operation for several hours may be required. (a) It has been established that uninsulated vessels, under average plant conditions, enveloped with flame can be expected to absorb heat at a rate of at least 20,000 Btu/hr/ft2 (63,100 W/m2) of exposed surface wetted by the contents. Unwetted, uninsulated steel equipment absorbs heat rapidly, and failure occurs from overpressure or overheating, or both, when such equipment is exposed to fire. Figure A-4-5.2(a) is a time-temperature curve showing the lengths of time required for vessels of different sizes containing volatile materials to have their contents heated to 100qF (38qC) from a starting temperature of 70qF (21qC) for tank contents and 60qF (16qC) for the tank steel. (See Requirements for Relief of Overpressure in Vessels Exposed to Fire; Transactions of the ASME, January, 1944, 1-53; Venting of Tanks Exposed to Fire; and Heat Input to Vessels.) The application of water spray to a vessel enveloped by fire will reduce the heat input rate to a value on the order of 6000 Btu/hr/ft2 (18,930 W/m2) of exposed surface wetted by the contents where the unit rate of water application is 0.20 gpm/ft2 [8.2 (L/min)/m2] of exposed surface. The 6000 Btu/hr/ft2 (18,930 W/m2) rate was also established in Rubber Reserve Company Memorandum 123, Protection of Vessels Exposed to Fire, February 28, 1945. Figure A-4-5.2(b) shows the estimated time for volatile liquid contents of atmospheric storage tanks to reach the boiling point where absorbing heat at 6000 Btu/hr/ft2 (18,930 W/m2). This may be compared with Figure A-4-5.2(a) to show the benefits derived from water spray systems. (b) Where the temperature of a vessel or its contents should be limited, higher densities than specified in 4-5.2.1 may be required. (c) Internally insulated or lined vessels require special consideration to determine necessary water spray requirements.
  • 68.
    CHAPTER 5. DELUGESYSTEM ____________________________________________________________________________________________ ____________________________________________________________________________________________________________ 59
  • 69.
    CHAPTER 5. DELUGESYSTEM ____________________________________________________________________________________________ ____________________________________________________________________________________________________________ 60
  • 70.
    CHAPTER 5. DELUGESYSTEM ____________________________________________________________________________________________ ____________________________________________________________________________________________________________ 61 Water spray systems designed for extinguishment, exposure protection, or control of burning can disperse flammable gases for fire prevention. When designing water spray systems primarily for dispersion of flammable gases (for fire prevention), the following should be considered: (a) Spray nozzles should be of the size and type to discharge a dense spray into the area of possible flammable vapor release at sufficient velocity to rapidly dilute the flammable vapors to a level below the lower flammable limit. (b) Spray nozzles should be positioned to provide coverage of potential leak sources such as flanges, flexible connections, pumps, valves, vessels, containers, etc.
  • 71.
    CHAPTER 5. DELUGESYSTEM ____________________________________________________________________________________________ ____________________________________________________________________________________________________________ 62 Examples of combined systems include: (a) Open nozzle water spray protection for a vessel combined with area protection provided by a deluge system. (b) Automatic nozzle water spray protection for cable trays combined with area protection provided by a wet pipe system. Generally, the water spray component of a combined system is intended to supplement the protection provided by the sprinkler or deluge portion. The water spray usually is intended to cover a specific hazard or to cover specific areas or equipment items that cannot be otherwise adequately covered. Therefore, the required density from the sprinkler system should not be reduced when supplemental water spray is provided. However, it would be acceptable to adjust the extent of water spray coverage when a portion of the coverage is provided by the sprinkler deluge portion of a combined system. For example, pressure vessels within the process structure protected by area deluge are typically provided with supplemental water spray on the bottom surfaces where the top surfaces are adequately covered by the deluge system above. Different arrangements from those required for other types of detection systems may be required. In particular, it should be remembered that most listed detection devices are tested in an indoor, ceiling-mounted environment, while many water spray systems are installed outdoors. This can affect the type of detector chosen and its installed spacing. Installations with temperature fluctuations include transformer protection involving heat exchangers having automatic fans and installations involving industrial ovens and furnaces. Additionally, protection of machinery involving movement of a hazardous material such as a belt conveyor would require a detection system having a faster response time than normal and appropriate interlocks to stop drive units, etc. Though not an aspect that can be designed prior to installation, the response time goal for the detection system is generally 40 seconds from exposure to initiation of the system actuation valve. The intent of the paragraph is to ensure that artificial delays are not built into the detection (initiating device) system. The minimum operating pressure is required for proper pattern development and to overcome the effects of wind. For nozzles with orifices of 3/8 in. or less, a minimum pressure of 30 psi (1.4 kPa) is recommended. Figure A-5-1.3(a) shows a hypothetical water spray system layout. Figure A-5-1.3(b) shows a sample calculation for this system, using pipe sizing and nozzles with constants such that the velocity pressures generally exceed 5 percent of the total pressures, and the designer elected to include velocity pressures. Figure A-5-1.3(c) shows a sample calculation for this system, using pipe sizing and nozzles with constants such that velocity pressures are less than 5 percent of the total pressures, and the velocity pressures were not included in the calculation. Figure A-5-1.3(d) shows a graphical representation of the results of hydraulic calculations shown in Figure A-5-1.3(c), assuming 250 gpm (946 L/min) outside hydrant flow requirements and 4.0 psi (0.28 bars) of underground friction loss.
  • 72.
  • 73.
    CHAPTER 5. DELUGE SYSTEM __________________________________________________________________________________ __________ ________________________________________________________________________________________________ ____________64 3.3.3 Designing Calculation Method Hydraulic calculation is the fire safety practice of calculating the flow of liquids through a medium (usually a piping network) to ensure that fires could be extinguished. Hydraulic calculations are required to prove the flow of water (or water mixed with chemical additive) through piping networks for the purpose of controlling or extinguishing a fire. The hydraulic calculation procedure is defined in the reference model codes as published by NFPA (National Fire Protection Association),[1] EN 12845 Fixed firefighting system - Automatic sprinkler systems - Design, installation and maintenance [2] and other international fire design standards. The calculations prove that the water available (usually from a city water main, elevated storage tank, or fire pump) is strong enough (has enough pressure), and plentiful enough Calculations are based on the worst expected fire, located in the geometrically farthest point from the water source (based on the path the extinguishing water is required to travel to get to the fire). Analysis of the worst expected fire is based on the use of the building and areas. The hazard rating of various areas is defined by National Fire Protection Association (NFPA) Codes. Areas include: Light Hazard (offices, toilets, and similar areas of light combustibles and light fuel loading) Ordinary Hazard (car parking, stores, restaurants) Extra Hazard (flammable chemical use, heavy manufacturing, plastics) Storage (flammable items stored in solid piles, on shelves, or on racks to a significant height). The analysis of hazard gives a design density required to control a fire, which has been derived from years of fire tests conducted by insurance companies and other testing agencies. The design density is described by two variables that must work together to achieve fire control: Water flowfrom the sprinkler head (how heavy the rainfall of water from open fire sprinklers) Total area (the expected size of the fire before it will not continue to grow)
  • 74.
    CHAPTER 5. DELUGE SYSTEM __________________________________________________________________________________ __________ ________________________________________________________________________________________________ ____________65 The shortened expression of a common design density for a Light Hazard office is .1/1500, which is fully expressed as, " 0.1 GPM per square foot is required to fall from the fire sprinklers onto the fire over the most remote 1,500 square feet (140 m2) of area, which is the maximum expected size of a fire in this Light Hazard building area." A common density required for a warehouse type "big box" store that has higher flammability items stored on racks to twenty feet high is .6/2000. Note that the density of water to fall per square foot is six times heavier than an office, and the expected fire size is larger. Storage warehouses commonly use a newer technology type fire sprinkler, ESFR (early suppression fast response), which have discharge requirements not based on design densities, and which are designed to extinguish a fire before the arrival of the fire department. The water available is verified by means of a water flow test (opening a fire hydrant and recording the water pressures and gallons flow per minute).
  • 75.
    CHAPTER 6.FOAM TOPPOURER SYSTEM __________________________________________________________________________________ ________________________________________________________________________________________________ 66 6.1Introduction Delta Foam Top Pourer sets come in four sizes with individual capacities from 120 to 3600 litres per minute. Individual units are pre-engineered to give precise flow and pressure characteristics. These flow rates are optimised to provide the correct minimum application rate to the hazard being protected. The Foam Top Pourers have a frangible glass seal which breaks under pressure from the foam that is then deflected onto the tank shell cooling it and gently pouring it onto the fuel surface. The Delta Foam Top Pourer sets all have an easily removable cover allowing for system testing without the need to break the seal and facilitating inspection and maintenance. Individual performance curves are available upon request for each of the four models. A special adaptor fixing kit is available from Delta’s foam equipment range to enable external tank fixing. The kit consists of a special flange adaptor with fixed threaded studs. An appropriate ANSI 150lb flange size hole is cut into the tank shell and the adaptor is bolted into place. The Foam Top Pourer Set flange can then be easily offered up to the locating studs and fastened into position-all nuts, washers and gaskets are provided. 6.2Components Of System 6.2.1 FTP 6.2.2 Piping 6.2.3 Cut of Valve 6.2.4 Foam Tank 6.2.5 Water Tank 6.2.6 Pump Set 6.3Designing Of Foam Top Porer System Medium- and high-expansion foams are aggregations of bubbles that are mechanically generated by the passage of air or other gases through a net, screen, or other porous medium that is wetted by an aqueous solution of surface active foaming agents. Under proper conditions, fire-fighting foams of expansions from 20:1 to 1000:1 can be generated. These foams provide a unique agent for transporting water to inaccessible places; for total flooding of confined spaces; and for volumetric displacement of vapor, heat, and smoke. Tests have shown that, under certain circumstances, high expansion foam, when used in conjunction with water sprinklers, will provide more positive control and extinguishment than either extinguishment system by itself. High-piled storage of rolled paper stock is an example. Optimum efficiency in any one type of hazard depends to some extent on the rate of application and the foam expansion and stability.
  • 76.
    CHAPTER 6.FOAM TOPPOURER SYSTEM __________________________________________________________________________________ ________________________________________________________________________________________________ 67 6.3.1 Drawing And Bill Of Quantity
  • 77.
    CHAPTER 6.FOAM TOPPOURER SYSTEM __________________________________________________________________________________ ________________________________________________________________________________________________ 68 S/#. DESCRIPTION & SPECIFICATIONS QTY. 1. M.S Pipe Dia 6” (Schedule 40) 660’ 2. M.S Pipe Dia 4” (Schedule 40) 960’ 3. M.S Pipe Dia 3” (Schedule 40) 1200’ 4. Reducer 6”x 4” C.S Sch-40 Concentric Weld 06 5. Tee 6”x6”x6” Sch-40 C.S Weld 03 6. Elbow 6”x 90o, Sch-40 C.S. Weld 04 7. Elbow 6”x 45o, Sch-40 C.S. Weld 04 8. Elbow 4”x 90 o, Sch-40 C.S. Weld 03 9. Elbow 3”x 90 o, Sch-40 C.S. Weld 10 10. Elbow 3”x 45 o, Sch-40 C.S. Weld 05 11. Gate Valve 6”x 6” C.I China Flanged, Flanged 03 12. Gate Valve 4”x 4” C.I China Flanged, Flanged 01 13. Gate Valve 3”x 3” C.I China Flanged, Flanged 05 14. Flange 6” Weld Type Class 150 Slip-on Type 25 15. Flange 4” Weld Type Class 150 Slip-on Type 25 16. Flange 3” Weld Type Class 150 Slip-on Type 45 17. Nut & Bolt 5/8”x 3” With Spring Washer 44kg 18. Nut & Bolt ½”x 2 ½” With Spring Washer 9kg 19. FTP-1700 06 20. FTP-700 01 21. FTP-360 01 22. FTP-260 02 23. FTP-150 02
  • 78.
    CHAPTER 6.FOAM TOPPOURER SYSTEM __________________________________________________________________________________ ________________________________________________________________________________________________ 69 6.3.2 Standards Of Designing ome important types of hazards that medium- and high-expansion foam systems can satisfactorily protect include: (a) Ordinary combustibles, (b)Flammable and combustible liquids, (c) Combinations of (a) and (b), (d) Liquefied natural gas (high-expansion foam only). NOTE: Under certain circumstances it might be possible to utilize medium- or high-expansion foam systems for control of fires involving flammable liquids or gases issuing under pressure, but no general recommendations can be made in this standard due to the infinite variety of particular situations that can be encountered in actual practice. The discharge of large amounts of medium- or high-expansion foam can inundate personnel, blocking vision, making hearing difficult, creating some discomfort in breathing, and causing spatial disorientation. This breathing discomfort will increase with a reduction in expansion ratio of the foam while under the effect of sprinkler discharge. 6.3.3 Designing Calculation Method Product Storage: Gasoline/HFO/LFO/Diesel Tank Diameter: 28 meters Design Pressure: 5 bar Fuel Surface Area: Pi x d2 /4 3.1416 x 28 x25 /4 615 m2 Min. Foam Application Rate: surface Area x 4.1 LPM 615 x 4.1 = 2522 LPM Total Flow Rate: 2522 LPM Foam Mixing Ratio: 3% minimum Qty. Foam per min: 2522 x 3% = 75.66 LPM Operation of Duration: 30 Min Total Qty. Foam: 75.66 x 30 = 2270 Litres.
  • 79.
    CHAPTER 7.VESDA SYSTEM __________________________________________________________________________________ ________________________________________________________________________________________________ 70 7.1Introduction An aspirating smoke detector (ASD), consists of a central detection unit which draws air through a network of pipes to detect smoke.[1] The sampling chamber is based on a nephelometer that detects the presence of smoke particles suspended in air by detecting the light scattered by them in the chamber. In most cases aspirating smoke detectors require a fan unit to draw in a sample of air from the protected area through its network of pipes, such as is the case for Wagner, Safe Fire Detection's ProSeries and Xtralis ASD systems. 7.2 Components Of Vesda System 7.2.1 Panel 7.2.2 PPRC Tube 7.2.3 VESDA Nozzle 7.2.4 End Cap 7.3 Designing Of Vesda System ASD design corrects shortcomings of conventional smoke detectors by using sampling pipe with multiple holes. The air samples are captured and filtered, removing any contaminants or dust to avoid false alarms and then processed by a centralized, highly sensitive laser detection unit. If smoke is detected, the systems alarm is triggered, and signals then are processed through centralized monitoring stations within a few seconds. Unlike passive smoke detection systems including spot detectors, ASD systems actively draw smoke to the detector through bore holes within a piping system that runs throughout the protected area. Furthermore, ASD systems incorporate integrity monitoring to ensure an alert is raised at any time the ASD’s ability to detect smoke is compromised. This is not the case with passive devices that are generally only electrically monitored with no ability to determine if smoke can actually reach the detection element. ASD systems incorporate more than one level of alarm, generally configurable. This allows an ASD system to provide very early warning of an event, prompting investigation at the earliest smouldering stage of a fire when it is easily addressed. Other alarm levels may be configured to provide fire alarm inputs to fire systems as well as releasing suppression systems. ASD alarm sensitivities are configurable and can be programmed to levels ranging from thousands of times more sensitive than a conventional detector, to much less sensitive. The detectors work best in non-volatile environments.They can also be used in computer cabinets to alert users to the overheating of computer cables or individual computer components.
  • 80.
  • 81.
    CHAPTER 7.VESDA SYSTEM __________________________________________________________________________________ ________________________________________________________________________________________________ 72 Sr.#Equipment/Item Unit JUICE CONTOL ROOM GROUND FLOOR JUICE CONTROL ROOM FIRST FLOOR TRANSFORMER ROOM TOTTAL 1 PIPE SS-304 Grade 25mm Feet 80 60 40 180 2 SS-304 Grade Bend 25mm Nos 3 2 10 15 4 SS-304 Grade Sccket 25mm Nos 4 2 2 8 5 SS-304 Grade End Cap 25mm Nos 0 1 1 2 6 SS-304 Grade Tube Support / Clamps 25 mm Nos 26 20 14 60 7 Vesda Nozzle / Hole 3 mm As Per Site Nos. 4 4 3 11 8 Teflon Tape Nos. 15 15 15 45 9 Rawal Plug 12 # Packets 1 1 1 3 10 Hilti Bolt 2.5"x6mm for support Nos. 52 40 30 122 11 Pipe Clip 3/4"x1.5mm Nos. 26 20 14 60 12 Power Supply of Vesda Panel With Battery 24V 5 Amp. With Charger & Accessories Job 1 1 2 13 VESDA PANNEL VLF 250 Nos. 1 1 2 14 Hilti Bolt 2.5"x6mm for pannel Nos. 4 4 8
  • 82.
    CHAPTER 7.VESDA SYSTEM __________________________________________________________________________________ ________________________________________________________________________________________________ 73 7.3.2Standards Of Designing VESDA ASPIRE2 by Xtralis Pipe Network Design Software is a Windows®-based application that aids the specification and design of pipe networks for VESDA aspirating smoke detectors. It provides the designer with tools to speed the design process and ensure optimum network performance and installation. ASPIRE2 also makes design implementation easy with automatic generation of lists of all required components and an Installation Data Pack. Ensures optimum design of Xtralis VESDA aspirating smoke detection pipe networks, including branched networks Accurately models pipe network designs to environmental performance criteria Speeds the design process by automating adjustment of hole sizes Allows different detector performance requirements within one building Unique building constraints can be easily accommodated Custom design elements can be documented to guide the installation team 3D schematics to aid design and installation Professional reports and materials lists can be generated to add to client submissions Supports both metric and American measurement systems Compatible with other Windows® – based applications Set multiple detector alarm thresholds within a detector (Europe only) Sampling Point Sensitivity tab to confirm EN 54-20* compliance (Europe only)
  • 83.
    CHAPTER 7.VESDA SYSTEM __________________________________________________________________________________ ________________________________________________________________________________________________ 70 7.1Introduction An aspirating smoke detector (ASD), consists of a central detection unit which draws air through a network of pipes to detect smoke.[1] The sampling chamber is based on a nephelometer that detects the presence of smoke particles suspended in air by detecting the light scattered by them in the chamber. In most cases aspirating smoke detectors require a fan unit to draw in a sample of air from the protected area through its network of pipes, such as is the case for Wagner, Safe Fire Detection's ProSeries and Xtralis ASD systems. 7.2 Components Of Vesda System 7.2.1 Panel 7.2.2 PPRC Tube 7.2.3 VESDA Nozzle 7.2.4 End Cap 7.3 Designing Of Vesda System ASD design corrects shortcomings of conventional smoke detectors by using sampling pipe with multiple holes. The air samples are captured and filtered, removing any contaminants or dust to avoid false alarms and then processed by a centralized, highly sensitive laser detection unit. If smoke is detected, the systems alarm is triggered, and signals then are processed through centralized monitoring stations within a few seconds. Unlike passive smoke detection systems including spot detectors, ASD systems actively draw smoke to the detector through bore holes within a piping system that runs throughout the protected area. Furthermore, ASD systems incorporate integrity monitoring to ensure an alert is raised at any time the ASD’s ability to detect smoke is compromised. This is not the case with passive devices that are generally only electrically monitored with no ability to determine if smoke can actually reach the detection element. ASD systems incorporate more than one level of alarm, generally configurable. This allows an ASD system to provide very early warning of an event, prompting investigation at the earliest smouldering stage of a fire when it is easily addressed. Other alarm levels may be configured to provide fire alarm inputs to fire systems as well as releasing suppression systems. ASD alarm sensitivities are configurable and can be programmed to levels ranging from thousands of times more sensitive than a conventional detector, to much less sensitive. The detectors work best in non-volatile environments.They can also be used in computer cabinets to alert users to the overheating of computer cables or individual computer components.
  • 84.
  • 85.
    CHAPTER 7.VESDA SYSTEM __________________________________________________________________________________ ________________________________________________________________________________________________ 72 Sr.#Equipment/Item Unit JUICE CONTOL ROOM GROUND FLOOR JUICE CONTROL ROOM FIRST FLOOR TRANSFORMER ROOM TOTTAL 1 PIPE SS-304 Grade 25mm Feet 80 60 40 180 2 SS-304 Grade Bend 25mm Nos 3 2 10 15 4 SS-304 Grade Sccket 25mm Nos 4 2 2 8 5 SS-304 Grade End Cap 25mm Nos 0 1 1 2 6 SS-304 Grade Tube Support / Clamps 25 mm Nos 26 20 14 60 7 Vesda Nozzle / Hole 3 mm As Per Site Nos. 4 4 3 11 8 Teflon Tape Nos. 15 15 15 45 9 Rawal Plug 12 # Packets 1 1 1 3 10 Hilti Bolt 2.5"x6mm for support Nos. 52 40 30 122 11 Pipe Clip 3/4"x1.5mm Nos. 26 20 14 60 12 Power Supply of Vesda Panel With Battery 24V 5 Amp. With Charger & Accessories Job 1 1 2 13 VESDA PANNEL VLF 250 Nos. 1 1 2 14 Hilti Bolt 2.5"x6mm for pannel Nos. 4 4 8
  • 86.
    CHAPTER 7.VESDA SYSTEM __________________________________________________________________________________ ________________________________________________________________________________________________ 73 7.3.2Standards Of Designing VESDA ASPIRE2 by Xtralis Pipe Network Design Software is a Windows®-based application that aids the specification and design of pipe networks for VESDA aspirating smoke detectors. It provides the designer with tools to speed the design process and ensure optimum network performance and installation. ASPIRE2 also makes design implementation easy with automatic generation of lists of all required components and an Installation Data Pack. Ensures optimum design of Xtralis VESDA aspirating smoke detection pipe networks, including branched networks Accurately models pipe network designs to environmental performance criteria Speeds the design process by automating adjustment of hole sizes Allows different detector performance requirements within one building Unique building constraints can be easily accommodated Custom design elements can be documented to guide the installation team 3D schematics to aid design and installation Professional reports and materials lists can be generated to add to client submissions Supports both metric and American measurement systems Compatible with other Windows® – based applications Set multiple detector alarm thresholds within a detector (Europe only) Sampling Point Sensitivity tab to confirm EN 54-20* compliance (Europe only)
  • 87.
    CHAPTER 8.FM 200SYSTEM __________________________________________________________________________________ ________________________________________________________________________________________________ 74 8.1 Introduction HFC-227ea finds use in fire suppression systems in data processing and telecommunication facilities, and in protection of many flammable liquids and gases. HFC-227ea falls in the category of Clean Agents and is governed by NFPA 2001 - Standard for Clean Agent Fire Extinguishing Systems. Effective fire suppression requires introducing a concentration of the HFC-227ea agent between 6.25% and 9% depending on the hazard being protected. Its NOAEL level for cardiac sensitization is 9%. The United States Environmental Protection Agency allows concentration of 9% volume in occupied spaces without mandated egress time, or up to 10.5% for a limited time. Most fire suppression systems are designed to provide concentration of 6.25-9%. The HFC-227ea fire suppression agent was the first non-ozone depleting replacement for Halon 1301.[citation needed] In addition, HFC-227ea leaves no residue on valuable equipment after discharge. HFC-227ea contains no chlorine or bromine atoms, presenting no ozone depletion effect. Its atmospheric lifetime is approximated between 31 and 42 years. It leaves no residue or oily deposits and can be removed by ventilation of the affected space. As an aerosol propellant, HFC-227ea is used in pharmaceutical metered dose inhalers such as those used for dispensing asthma medication. 8.2 Components Of FM 200 System 8.2.1 Smoke Detector / Heat Detector 8.2.2 Manual Call point 8.2.3 Audible alarm 8.2.4 Visual alarm 8.2.5 Abort Switch 8.2.6 FM-200 Cylinder 8.2.7 Manual Actuator 8.2.8 2-way Pneumatic Head 8.2.9 1-Way Pneumatic Head 8.2.10 Extinguishing Control Panel 8.2.11 Piping 8.2.12 Discharge nozzles 8.2.13 Manifold 8.2.14 Release hose 8.2.15 Discharge hose
  • 88.
    CHAPTER 8.FM 200SYSTEM __________________________________________________________________________________ ________________________________________________________________________________________________ 75 8.3 Designing Of FM 200 System Specifications for clean agent fire extinguishing systems shall be prepared under the supervision of a person fully experienced and qualified in the design of clean agent extinguishing systems and with the advice of the authority having jurisdiction. The specifications shall include all pertinent items necessary for the proper design of the system such as the designation of the authority having jurisdiction, variances from the standard to be permitted by the authority having jurisdiction, design criteria, system sequence of operations, the type and extent of the approval testing to be performed after installation of the system, and owner training requirements. Working plans and calculations shall be submitted for approval to the authority having jurisdiction before installation or remodeling begins. These documents shall be prepared only by persons fully experienced and qualified in the design of clean agent extinguishing systems. Deviation from these documents shall require permission of the authority having jurisdiction. 8.3.1 Drawing And Bill Of Quantity
  • 89.
    CHAPTER 8.FM 200SYSTEM __________________________________________________________________________________ ________________________________________________________________________________________________ 76 B.O.Q of FM-200 Fire Suppression System (Mechanical) Sr.# Equipment/Item Husky Total Quantity Unit 1 Pipe Dia 4” Seamless Sch 40 40 40 Feet 2 Pipe Dia 3” Seamless Sch 40 60 60 Feet 3 Pipe Dia 2-1/2” Seamless Sch 40 20 20 Feet 4 Pipe Dia 2” Seamless Sch 40 0 0 Feet 5 Pipe Dia 1-1/2” Seamless Sch 40 0 0 Feet 6 Pipe Dia 1-1/4” Seamless Sch 40 0 0 Feet 7 Pipe Dia 1” Seamless Sch 40 10 10 Feet 8 Pipe Dia 1/2” Seamless Sch 40 0 0 Feet 9 Pipe Dia 3/8” Seamless Sch 40 0 0 Feet 10 Discharge Nozzle Dia 3/8" 0 0 Nos 11 Discharge Nozzle Dia 1/2" 0 0 Nos 12 Discharge Nozzle Dia 1" 3 3 Nos 13 Discharge Nozzle Dia 1-1/4" 0 0 Nos 14 Discharge Nozzle Dia 1-1/2" 0 0 Nos 15 Discharge Nozzle Dia 2-1/2" 3 3 Nos 16 Tee 4"X4"X4" 1 1 Nos 17 Tee 3"X3"X2.5" 2 2 Nos 18 Tee 2"X2"X2" 0 0 Nos 19 Tee 1.5"X1.5"X1.5" 0 0 Nos 20 Tee 1-1/4"X1-1/4"X1-1/4" 0 0 Nos
  • 90.
    CHAPTER 8.FM 200SYSTEM __________________________________________________________________________________ ________________________________________________________________________________________________ 77 21 Elbow 2.5" 7 7 Nos 22 Elbow 2" 0 0 Nos 23 Elbow 1.5" 0 0 Nos 24 Elbow 1-1/4" 0 0 Nos 25 Flange 4" 12 12 Nos 26 Flange 3" 12 12 Nos 27 Flange 2.5" 4 4 Nos 28 Flange 2" 0 0 Nos 29 Flange 1.5" 0 0 Nos 30 Flange 1-1/4" 0 0 Nos 31 Nut Bolt 5/8"x3" 9 9 Kg 32 Nut Bolt 1/2"x3" 6 6 Kg 33 Rwal Bolt 5/8"x3" 250 250 Nos 34 Angle 1.5"x1.5"x4mm 100 100 Feet 35 U-Clamp 4" 6 6 Nos 36 U-Clamp 3" 6 6 Nos 37 U-Clamp 2.5" 4 4 Nos 38 U-Clamp 2" 0 0 Nos 39 U-Clamp 1.5" 0 0 Nos 40 U-Clamp 1-1/4" 0 0 Nos 41 Teflon Tapes 20 20 Nos 42 Socket 2.5" 3 3 Nos 43 Socket 1.5" 0 0 Nos 44 Socket 1-1/4" 0 0 Nos 45 Socket 1" 3 3 Nos 46 Socket 1/2" 0 0 Nos
  • 91.
    CHAPTER 8.FM 200SYSTEM __________________________________________________________________________________ ________________________________________________________________________________________________ 78 47 Required CO2 Gas 600 600 KG 48 Pilot Cylinder 1 1 Nos 49 Cylinder of 45 Kg of CO2 Gas, 13 13 Nos 50 Cylinder Stand with Bracket 13 13 Nos B.O.Q of FM-200 Fire Suppression System ( Electrical) Sr.# Equipment/Item Husky Total Quantity Unit 1 Smoke Detector 8 8 Nos 2 Manual Call Point 1 1 Nos 3 First Stage Sounder 1 1 Nos 4 Second Stage Sounder With Flasher 1 1 Nos 5 Abort Switch 1 1 Nos 6 Solenoid Valve 1 1 Nos 7 Extinguishing Control Panel 1 1 Nos 8 Cable 1.5mm single Core 400 400 Feet 9 Mnaual Head Actuator 1 1 Nos Accessories / Miscellaneous Items Electrical 1 PVC Pipe 190 190 Feet 2 PVC Duct 20 20 Feet 3 Tee 3/4"x3/4"x3/4" 6 6 Nos 4 Elbow 3/4" 25 25 Nos 5 U-clamp 3/4" 50 50 Nos 6 Screw 40 40 Nos
  • 92.
    CHAPTER 8.FM 200SYSTEM __________________________________________________________________________________ ________________________________________________________________________________________________ 79 7 Rwal Plug 3 3 Packet 8 Bit 2 2 Nos 8.3.2 Standards Of Designing Working plans shall be drawn to an indicated scale, and shall show the following items that pertain to the design of the system: (a) Name of owner and occupant; (b) Location, including street address; (c) Point of compass and symbol legend; (d) Location and construction of protected enclosure walls and partitions; (e) Location of fire walls; (f) Enclosure cross section, full height or schematic diagram, including location and construction of building floor/ceiling assemblies above and below, raised access floor and suspended ceiling; (g) Type of clean agent being used; (h) Design extinguishing or inerting concentration; (i) Description of occupancies and hazards being protected, designating whether or not the enclosure is normally occupied; (j) Description of exposures surrounding the enclosure; (k) Description of the agent storage containers used including internal volume, storage pressure, and nominal capacity expressed in units of agent mass, or volume at standard onditions of temperature and pressure; (l) Description of nozzle(s) used including size, orifice port configuration, and equivalent orifice area; (m) Description of pipe and fittings used including material specifications, grade, and pressure rating; (n) Description of wire or cable used including classification, gauge (AWG), shielding, number of strands in conductor, conductor material, and color coding schedule. Segregation requirements of various system conductors shall be clearly indicated. The required method of making wire terminations shall be detailed; (o) Description of the method of detector mounting; (p) Equipment schedule or bill of materials for each piece of equipment or device showing device name, manufacturer, model or part number, quantity, and description; (q) Plan view of protected area showing enclosure partitions (full and partial height); agent distribution system including agent storage containers, piping, and nozzles;
  • 93.
    CHAPTER 8.FM 200SYSTEM __________________________________________________________________________________ ________________________________________________________________________________________________ 80 type of pipe hangers and rigid pipe supports; detection, alarm, and control system including all devices and schematic of wiring interconnection between them; end-of-line device locations; location of controlled devices such as dampers and shutters; location of instructional signage; (r) Isometric view of agent distribution system showing the length and diameter of each pipe segment; node reference numbers relating to the flow calculations; fittings including reducers and strainers; orientation of tees, nozzles including size, orifice port configuration, flow rate, and equivalent orifice area; (s) Scale drawing showing the layout of the annunciator panel graphics if required by the authority having jurisdiction; (t) Details of each unique rigid pipe support configuration showing method of securement to the pipe and to the building structure; (u) Details of the method of container securement showing method of securement to the container and to the building structure; (v) Complete step-by-step description of the system sequence of operations including functioning of abort and maintenance switches, delay timers, and emergency power shutdown; (w) Point-to-point wiring schematic diagrams showing all circuit connections to the system control panel and graphic annunciator panel; (x) Point-to-point wiring schematic diagrams showing all circuit connections to external or add-on relays; (y) Complete calculations to determine enclosure volume, quantity of clean agent, and size of backup batteries. Method used to determine number and location of audible and visual indicating devices, and number and location of detectors; and (z) Details of any special features. low calculations along with the working plans shall be submitted to the authority having jurisdiction for approval. The version of the flow calculation program shall be identified on the computer calculation printout. `hen such material changes from approved plans are made, corrected “as installed” plans shall be provided.
  • 94.
    CHAPTER 9.CO2 SYSTEM ____________________________________________________________________________________________ ____________________________________________________________________________________________________________ 81 9.1Introduction Carbon dioxide (chemical formula CO2) is a naturally occurring chemical compound composed of two oxygen atoms each covalently double bonded to a single carbon atom. It is a gas at standard temperature and pressure and exists in Earth's atmosphere in this state, as a trace gas at a concentration of 0.039 per cent by volume.[1] As part of the carbon cycle, plants, algae, and cyanobacteria use light energy to photosynthesize carbohydrate from carbon dioxide and water, with oxygen produced as a waste product.[2] However, photosynthesis cannot occur in darkness and at night some carbon dioxide is produced by plants during respiration.[3] Carbon dioxide is produced by combustion of coal or hydrocarbons, the fermentation of sugars in beer and winemaking and by respiration of all living organisms. It is exhaled in the breath of humans and other land animals. It is emitted from volcanoes, hot springs, geysers and other places where the earth's crust is thin and is freed from carbonate rocks by dissolution. CO2 is also found in lakes, at depth under the sea and commingled with oil and gas deposits. 9.2 Components Of Co2 System 9.2.1 Smoke Detector / Heat Detector 9.2.2 Manual Call point 9.2.3 Audible alarm 9.2.4 Visual alarm 9.2.5 Abort Switch 9.2.6 CO2 Cylinder 9.2.7 Pilot Cylinder 9.2.8 Manual Actuator 9.2.9 2-way Pneumatic Head 9.2.10 1-Way Pneumatic Head 9.2.11 Extinguishing Control Panel 9.2.12 Piping 9.2.13 Discharge nozzles 9.2.14 Manifold 9.2.15 Release hose 9.2.16 Discharge hose
  • 95.
    ____________________________________________________________________________________________________________ 82 9.3 Designing OfCo2 System NFPA 12 is perhaps the most widely accepted standard for the design, installation, operation and maintenance of fire fighting systems using carbon dioxide as the extinguishing medium. This standard deals with two (2) types of systems: - high pressure systems: In these systems, carbon dioxide is stored in pressure containers (cylinders) at ambient temperatures. High pressure systems are mostly used nowadays. - low pressure systems: In these systems, carbon dioxide is stored in pressure containers at a controlled low temperature of 0 degF (or -18 degC). Low pressure systems are used in special applications, especially when we want to maximize the density of fire fighting medium per storage space, like for example for fire-fighting purposes of gas turbines enclosures. Due to its toxicity, carbon dioxide is not to be used in normally occupied spaces like offices, libraries, computer rooms etc. However, it is widely used for fight fighting purposes in unoccupied and/or remote switchgear rooms, battery rooms, data rooms, cable tunnels. Basic things to consider during design of a carbon dioxide fire fighting system After we determine which areas will be fire protected with carbon dioxide, we must estimate the most probable type of fire that will develop upon fire initiation. Based on NFPA 12, two (2) major types of fire exist: - surface fires - deep-seated fires Surface fires are relatively easy to extinguish. They are mostly fires which are caused by flammable solids, gas or liquids. On the other hand, deep-seated fire are more difficult rivals. Deep-seated fires are mostly smoldering fires, like for example a cable fire. Bigger quantities of carbon dioxide are necessary for their extinguishment compared to surface fires, since exposed material will also have to be cooled to a temperature that will not allow its re-ignition. Once we have decided the type of fire, we can proceed to calculate the necessary quantities of carbon dioxide.
  • 96.
    ____________________________________________________________________________________________________________ 83 For this purpose,we must calculate the net volume of the protected space. This calculation does not normally take into consideration false ceilings and/or false floors. Carbon dioxide requirements for surface fires Once the net volume is known, we proceed to determine the design concentration of carbon dioxide that is required for the type of flammable material involved. In no case shall a concentration less than 34% be used. Design concentrations are typically calculated by adding a safety factor of 20% to the minimum concentration factors shown at Table 5.3.2.2 of NFPA 12, i.e. design concentration = 1,2 * minimum concentration For a design concentration of 34%, NFPA 12 stipulated flooding factors will have to be applied as a minimum: Picture 1 – Carbon dioxide volume factors for surface fires
  • 97.
    ____________________________________________________________________________________________________________ 84 We take notethat the smaller a space, the bigger the necessary quantity of carbon dioxide. For materials requiring a design concentration bigger than 34%, the quantities calculated until now will have to be multiplied with the volume factor given in Figure 5.3.4 of NFPA 12 Minimum calculated quantities will have to be increased in order to take into consideration any of the following reasons: - openings that cannot be closed - ventilation systems that cannot be shut down during carbon dioxide discharge - a small percentage of carbon dioxide is vaporised during discharge without contributing to the putting out of the fire Although no specific rules exist, it is usual that minimum calculated quantities are multiplied by a factor of 1.1 in order to take into consideration all these parameters. Carbon dioxide requirements for deep-seated fires Here, the calculation is more straight-forward. Knowing the protected space net volume, we use the volume factors of Table 5.4.2.1 of NFPA 12 Table 5.4.2.1 of NFPA 12 (2005 edition) Picture 2 – Design carbon dioxide concentration for deep-seated fires
  • 98.
    ____________________________________________________________________________________________________________ 85 Additional safety factors,similar to surface fires are also used here in order to take into consideration uncloseable openings, ventilation systems that cannot be shut down etc. Selection of number of cylinders Individual cylinders shall be used having a nominal weight capacity of 5, 10, 15, 20, 25, 35, 50, 75, 100, or 120 lb (2.3, 4.5, 6.8, 9.1, 11.4, 15.9, 22.7, 34.1, 45.4, or 54.4 kg respectively). Depending on the calculated quantities of carbon dioxide that is necessary for each space, we proceed to order the final amount of carbon dioxide cylinders for all protected spaces, taking into consideration the following: - For redundancy reasons, overall selected amount of carbon dioxide cylinders is divided in two (2) banks of cylinders: the main bank of cylinders and the reserve or auxiliary bank of cylinders. - Calculation of the overall amount of cylinders is not done by adding the number of necessary cylinders per space, since it is very unlikely that a fire develops simultaneously in all spaces. If for example, space A needs seven (7) cylinders, space B needs ten (10) cylinders and space C needs fifteen (15) cylinders, then we shall order thirty (30) cylinders, 15 for each bank so as to cover the worst case scenario: fire outbreak at space C.
  • 99.
  • 100.
    ____________________________________________________________________________________________________________ 87 B.O.Q of CO2System (Mechanical) Sr.# Equipment/Item Husky Total Quantity Unit 1 Pipe Dia 4” Seamless Sch 40 40 40 Feet 2 Pipe Dia 3” Seamless Sch 40 60 60 Feet 3 Pipe Dia 2-1/2” Seamless Sch 40 20 20 Feet 4 Pipe Dia 2” Seamless Sch 40 0 0 Feet 5 Pipe Dia 1-1/2” Seamless Sch 40 0 0 Feet 6 Pipe Dia 1-1/4” Seamless Sch 40 0 0 Feet 7 Pipe Dia 1” Seamless Sch 40 10 10 Feet 8 Pipe Dia 1/2” Seamless Sch 40 0 0 Feet 9 Pipe Dia 3/8” Seamless Sch 40 0 0 Feet 10 Discharge Nozzle Dia 3/8" 0 0 Nos 11 Discharge Nozzle Dia 1/2" 0 0 Nos 12 Discharge Nozzle Dia 1" 3 3 Nos 13 Discharge Nozzle Dia 1-1/4" 0 0 Nos 14 Discharge Nozzle Dia 1-1/2" 0 0 Nos 15 Discharge Nozzle Dia 2-1/2" 3 3 Nos 16 Tee 4"X4"X4" 1 1 Nos 17 Tee 3"X3"X2.5" 2 2 Nos 18 Tee 2"X2"X2" 0 0 Nos 19 Tee 1.5"X1.5"X1.5" 0 0 Nos 20 Tee 1-1/4"X1-1/4"X1-1/4" 0 0 Nos 21 Elbow 2.5" 7 7 Nos
  • 101.
    ____________________________________________________________________________________________________________ 88 22 Elbow 2"0 0 Nos 23 Elbow 1.5" 0 0 Nos 24 Elbow 1-1/4" 0 0 Nos 25 Flange 4" 12 12 Nos 26 Flange 3" 12 12 Nos 27 Flange 2.5" 4 4 Nos 28 Flange 2" 0 0 Nos 29 Flange 1.5" 0 0 Nos 30 Flange 1-1/4" 0 0 Nos 31 Nut Bolt 5/8"x3" 9 9 Kg 32 Nut Bolt 1/2"x3" 6 6 Kg 33 Rwal Bolt 5/8"x3" 250 250 Nos 34 Angle 1.5"x1.5"x4mm 100 100 Feet 35 U-Clamp 4" 6 6 Nos 36 U-Clamp 3" 6 6 Nos 37 U-Clamp 2.5" 4 4 Nos 38 U-Clamp 2" 0 0 Nos 39 U-Clamp 1.5" 0 0 Nos 40 U-Clamp 1-1/4" 0 0 Nos 41 Teflon Tapes 20 20 Nos 42 Socket 2.5" 3 3 Nos 43 Socket 1.5" 0 0 Nos 44 Socket 1-1/4" 0 0 Nos 45 Socket 1" 3 3 Nos 46 Socket 1/2" 0 0 Nos
  • 102.
    ____________________________________________________________________________________________________________ 89 47 Required CO2Gas 600 600 KG 48 Pilot Cylinder 1 1 Nos 49 Cylinder of 45 Kg of CO2 Gas, 13 13 Nos 50 Cylinder Stand with Bracket 13 13 Nos B.O.Q of CO2 Fire Suppression System ( Electrical) Sr.# Equipment/Item Husky Total Quantity Unit 1 Smoke Detector 8 8 Nos 2 Manual Call Point 1 1 Nos 3 First Stage Sounder 1 1 Nos 4 Second Stage Sounder With Flasher 1 1 Nos 5 Abort Switch 1 1 Nos 6 Solenoid Valve 1 1 Nos 7 Extinguishing Control Panel 1 1 Nos 8 Cable 1.5mm single Core 400 400 Feet 9 Mnaual Head Actuator 1 1 Nos Accessories / Miscellaneous Items Electrical 1 PVC Pipe 190 190 Feet 2 PVC Duct 20 20 Feet 3 Tee 3/4"x3/4"x3/4" 6 6 Nos 4 Elbow 3/4" 25 25 Nos 5 U-clamp 3/4" 50 50 Nos
  • 103.
  • 104.
    ____________________________________________________________________________________________________________ 91 9.3.2 Standards OfDesigning Specifications for Halon 1301 fire extinguishing systems shall be prepared under the supervision of a person fully experienced and qualified in the design of Halon 1301 extinguishing systems and with the advice of the authority having jurisdiction. The specifications shall include all pertinent items necessary for the proper design of the system such as the designation of the authority having jurisdiction, variances from the standard to be permitted by the authority having jurisdiction, and the type and extent of the approval testing to be performed after installation of the system. Plans and calculations shall be submitted for approval to the authority having jurisdiction before installation begins. Their preparation shall be entrusted to none but persons fully experienced and qualified in the design of Halon 1301 extinguishing systems. These plans shall be drawn to an indicated scale or be suitably dimensioned and shall be made so they can be easily reproduced. These plans shall contain sufficient detail to enable an evaluation of the hazard(s) and the effectiveness of the system. The detail of the hazards shall include the materials involved in the hazards, the location of the hazards, the enclosure or limits and isolation of the hazards, and the exposures to the hazards. The detail on the system shall include information and calculations on the amount of Halon 1301; container storage pressure; internal volume of the container; the location, type, and flow rate of each nozzle including equivalent orifice area; the location, size, and equivalent lengths of pipe, fittings, and hose; and the location and size of the storage facility. Details of pipe size reduction method and orientation of tees shall be clearly indicated. Information shall be submitted pertaining to the location and function of the detection devices, operating devices, auxiliary equipment, and electrical circuitry, if used. Apparatus and devices used shall be identified. Any special features shall be adequately explained. The manufacturer’s version of the flow calculation program shall be identified on the computer calculation printout. Only the currently listed calculation method shall be used. An as-built instruction and maintenance manual that includes a full sequence of operation and a full set of drawings and calculations shall be maintained in a clearly identified protective enclosure at or near the system control panel. When field conditions necessitate any material change from approved plans, the change shall be submitted for approval. The inerting concentrations shall be used where conditions for subsequent reflash or explosion could exist. These conditions are where both: (a) The quantity of fuel permitted in the enclosure is sufficient to develop a concentration equal to or greater than one-half of the lower flammable limit throughout the enclosure, and (b) The volatility of the fuel before the fire is sufficient to reach the lower flammable limit in air (maximum ambient temperature or fuel temperature exceeds the closed cup flash point temperature) or the system response is not rapid enough to detect and extinguish the fire before the volatility of the fuel is increased to a dangerous level as a result of the fire.
  • 105.
    ____________________________________________________________________________________________________________ 92 CAUTION: Under certainconditions, it may be dangerous to extinguish a burning gas jet. As a first measure, the gas supply should be shut off. The minimum design concentrations specified in Table 3-4.1.1 shall be used to inert atmospheres involving several flammable liquids and gases. Design inerting concentrations not given in Table 3-4.1.1 shall be determined by test plus a 10 percent safety factor. The minimum
  • 106.
    CHAPTER 9.CO2 SYSTEM ____________________________________________________________________________________________ ____________________________________________________________________________________________________________ 93 designconcentration shall be 5 percent. For a particular fuel, either flame extinguishment or inerting concentrations shall be used. Fuel Minimum Conc. % by Volume* Acetone 7.6 Benzene 5.0 Ethanol 11.1 Ethylene 13.2 Hydrogen 31.4 Methane 7.7 n-Heptane 6.9 Propane 6.7 NOTE: See A-3-4.2.1 for basis of this table. For combinations of fuels, the flame extinguishment or inerting value for the fuel requiring the greatest concentration shall be used unless tests are made on the actual mixture.
  • 107.
    CHAPTER 9.CO2 SYSTEM ____________________________________________________________________________________________ ____________________________________________________________________________________________________________ 94 Flammablesolids may be classed as those that do not develop deep-seated fires and those that do. To protect materials that do not develop deep-seated fires, a minimum concentration of 5 percent shall be used. Where the solid material is in such a form that a deep-seated fire can be established before a flame extinguishing concentration has been achieved, provision shall be made to the satisfaction of the authority having jurisdiction for means to effect complete extinguishment of the fire. The amount of Halon 1301 required to achieve the design concentration shall be calculated from the following formula: s = 2.2062 + 0.005046 t where t = minimum anticipated temperature of the protected volume, °F (s = 0.147 81 + 0.000 567 t where t = minimum anticipated temperature of the protected volume, °C) C = Halon 1301 concentration, percent by volume V = Net volume of hazard, cu ft (m3) (enclosed volume minus fixed structures impervious to halon) This calculation includes an allowance for normal leakage from a “tight” enclosure due to agent expansion. In addition to the concentration requirements, additional quantities of agent are required to compensate for any special conditions that would affect the extinguishing efficiency. The design quantity of Halon 1301 shall be adjusted to compensate for altitudes of more than 3000 ft (1000 m) above or below sea level and pressures that vary by 10 percent above or below standard sea level pressure (29.92 in. Hg at 70°F). The Halon 1301 quantity shall be corrected by multiplying the quantity determined in 3-5.1 and 3-5.2 by the ratio of average ambient enclosure pressure to standard sea level pressure.
  • 108.
    CHAPTER 9.CO2 SYSTEM ____________________________________________________________________________________________ ____________________________________________________________________________________________________________ 95 Theminimum design rate of application shall be based on the quantity of agent required for the desired concentration and the time allotted to achieve the desired concentration. The agent discharge shall be substantially completed in a nominal 10 seconds or as otherwise required by the authority having jurisdiction. This period shall be measured as the interval between the first appearance of liquid at the nozzle and the time when the discharge becomes predominantly gaseous. This point is distinguished by a marked change in both the sound and the appearance of the discharge. When an extended discharge is necessary the rate shall be sufficient to maintain the desired concentration for the duration of application. Nozzles shall be of the type listed for the intended purpose and shall be placed within the protected enclosure in compliance with listed limitations with regard to spacing, floor coverage, and alignment. The type of nozzles selected, their number, and their placement shall be such that the design concentration will be established in all parts of the hazard enclosure and such that the discharge will not unduly splash flammable liquids or create dust clouds that might extend the fire, create an explosion, or otherwise adversely affect the contents or integrity of the enclosure. At least semiannually, all systems shall be thoroughly inspected, tested, and documented for proper operation by trained competent personnel. Tests shall be in accordance with the appropriate NFPA or Canadian standards. The documented report with recommendations shall be filed with the owner. The agent quantity and pressure of refillable containers shall be checked. If a container shows a loss in net weight of more than 5 percent or a loss in pressure (adjusted for temperature) of more than 10 percent, it shall be refilled or replaced. When the amount of agent in the container is determined by special measuring devices in lieu of weighing, these devices shall be listed. All halon removed from refillable containers during service or maintenance procedures shall
  • 109.
    CHAPTER 9.CO2 SYSTEM ____________________________________________________________________________________________ ____________________________________________________________________________________________________________ 96 becollected for recycling. Factory-charged nonrefillable containers that do not have a means of pressure indication shall be weighed at least semiannually. If a container shows a loss in net weight of more than 5 percent, it shall be replaced. All factory-charged nonrefillable containers removed from useful service shall be returned for recycling of the agent. The weight and pressure of the container shall be recorded on a tag attached to the container. D.O.T., C.T.C., or similar design Halon 1301 cylinders shall not be recharged without a retest if more than five years have elapsed since the date of the last test and inspection. The retest may consist of a complete visual inspection as described in the Code of Federal Regulations, Title 49, Section 173.34(e)(10). Cylinders continuously in service without discharging shall be given a complete external visual inspection every five years, in accordance with Compressed Gas Association pamphlet C-6, Section 3, except that the cylinders need not be emptied or stamped while under pressure.1 1Subpart C, Section 178.36 to and including 178.68 of Title 49, Transportation, Code of Federal Regulations, Parts 170-190. Available from the Superintendent of Documents, U.S. Government Printing Office, Washington, DC 20401. In Canada, the corresponding information is set forth in the “Canadian Transport Commission’s Regulations for Transportation of Dangerous Commodities by Rail,” available from the Queen’s Printer, Ottawa, Ontario. Where external visual inspection indicates that the container has been damaged, additional strength tests shall be required. CAUTION: If additional tests used include hydrostatic testing, containers should be thoroughly dried before refilling. Before recharging a container, a visual inspection of its interior shall be performed. All system hoses shall be examined annually for damage. If visual examination shows any deficiency, the hose shall be immediately replaced or tested as specified in 4-3.1. All hoses shall be tested at 1500 psi for 600 psi charging pressure systems, and at 900 psi for 360 psi charging pressure systems. The test shall be performed as follows: (a) Remove the hose from any attachment. (b) The hose assembly is then to be placed in a protective enclosure designed to permit visual
  • 110.
    CHAPTER 9.CO2 SYSTEM ____________________________________________________________________________________________ ____________________________________________________________________________________________________________ 97 observationof the test. (c) The hose must be completely filled with water before testing. (d) Pressure then is applied at a rate-of-pressure rise to reach the test pressure within a minimum of one minute. The test pressure is to be maintained for one full minute. Observations are then made to note any distortion or leakage. (e) If the test pressure has not dropped or if the couplings have not moved, the pressure is released. The hose assembly is then considered to have passed the hydrostatic test if no permanent distortion has taken place. (f) Hose assembly passing the test must be completely dried internally. If heat is used for drying, the temperature must not exceed 150°F (66°C). (g) Hose assemblies failing a hydrostatic test must be destroyed. They shall be replaced with new assemblies. (h) Each hose assembly passing the hydrostatic test shall be marked to show the date of test. All hoses shall be tested every five years in accordance with 4-3.1. At least every six months the halon-protected enclosure shall be thoroughly inspected to determine if penetrations or other changes have occurred that could adversely affect halon leakage. Where the inspection indicates that conditions that could result in inability to maintain the halon concentration, they shall be corrected. If uncertainty still exists, the enclosures shall be retested for integrity. These systems shall be maintained in full operating condition at all times. Use, impairment, and restoration of this protection shall be reported promptly to the authority having jurisdiction. Any troubles or impairments shall be corrected at once by competent personnel. Any penetrations made through the halon-protected enclosure shall be sealed immediately. The method of sealing shall restore the original fire resistance rating and tightness of the enclosure. All persons who may be expected to inspect, test, maintain, or operate fire extinguishing systems shall be thoroughly trained and kept thoroughly trained in the functions they are expected to perform. Personnel working in a halon-protected enclosure shall receive training regarding halon safety issues.