BWO
backward wave oscillator
2
3
How to Generate Terahertz Radiations
Photonics: (low power, non-coherent)
 Josephson effect
 Quantum cascade laser
 Far infrared laser
 Femtosecond laser
Electronics: (high power, coherent)
 Free electron laser
 Electron cyclotron maser - gyrotron
 Backward-Wave Oscillator
Generate THz radiations:
Wave Particle Interaction
• Parametric Devices
– Klystrons, Free-electron Lasers
• Slow-Wave devices
– Magnetrons, Cerenkov Masers, backward wave
oscillators
• Fast Wave Devices
– Cyclotron Resonant Masers (Gyrotrons)
• Plasma Devices
– Virtual Cathode Oscillators, Beam-Plasma
Interactions & Orbitrons
5
ECM based Devices --- gyrotrons
gyro-monotron
high average power
gyro-BWO
continuous frequency tunability
The gyrotron is a coherent radiation source based on the
electron cyclotron maser (ECM) interaction
6
Terahertz gyro-BWO
Lab arrangement
backward wave oscillator (BWO)
• A backward wave oscillator (BWO), also
called carcinotron (trade name) or backward
wave tube, is a vacuum tube that is used to
generate microwaves up to
the terahertz range.
• It belongs to the traveling-wave tube family.
• It is an oscillator with a wide electronic tuning
range
Operation
• An electron gun generates an electron beam that
is interacting with a slow-wave structure.
• It sustains the oscillations by propagating a
traveling wave backwards against the beam
• . The generated electromagnetic wave power has
its group velocity directed oppositely to the
direction of motion of the electrons.
• The output power is coupled out near the
electron gun.
Miniature O-type backward-wave oscillator tube produced by
Varian in 1956. It could be voltage-tuned over an 8.2 - 12.4 GHz
range and required a supply voltage of 600V.
THz Spectrometer:Superlattice Multiplier
THz-SL
Multiplier
SL Input
80 – 118GHz
5-8mW
SL Output
234 – >1060GHz
BWO
1.9 THz633 GHz
- dB
DC Bias
T
GUNN frequency
power
DC Bias
X 3
PLL 2
Ref 2
PLL 1
Ref 1
BWO ϕ
Prot. GUNN
HM
X
Synth.
HV
f
fc
c
336 MHz
24 MHz
6-7GHz 80-90GHz
8-10 V
±10 V
BS
Phase Lock Loop 1.9THz LO
Breadboard Construction
GREAT Heterodyne Receicer
Heat Sink
Bias
GUNN
QO
Harmonic
Mixer
Pump
Chopper
optics
PLL protectB
W
O
Locked !
e
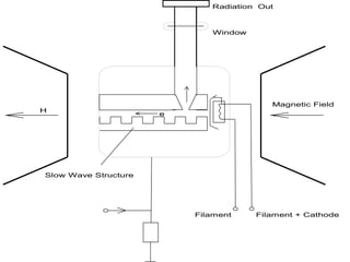
Magnetic Field
H
Window
Radiation Out
Filament Filament + Cathode
Slow Wave Structure
M-type BWO
backward wave oscillator (BWO)
O-type BWO
M-type BWO
M-type backward wave oscillator
•
• The M-type carcinotron, or M-type backward wave
oscillator, uses crossed static electric field E and magnetic
field B, similar to the magnetron, for focussing an electron
sheet beam drifting perpendicularly to E and B, along a
slow-wave circuit, with a velocity E/B.
• Strong interaction occurs when the phase velocity of one
space harmonic of the wave is equal to the electron
velocity.
• Both Ez and Ey components of the RF field are involved in
the interaction (Ey parallel to the static E field).
• Electrons which are in a decelerating Ez electric field of the
slow-wave, lose the potential energy they have in the static
electric field E and reach the circuit.
• The sole electrode is more negative than the cathode, in
order to avoid collecting those electrons having gained
energy while interacting with the slow-wave space
harmonic.
O-type BWO
• The O-type carcinotron, or O-type backward
wave oscillator, uses an electron beam
longitudinally focused by a magnetic field, and
a slow-wave circuit interacting with the beam.
• A collector collects the beam at the end of
the tube.
O-BWO spectral purity and noise
• The BWO is a voltage tunable oscillator, whose
voltage tuning rate is directly related to the
propagation characteristics of the circuit.
• The oscillation starts at a frequency where the
wave propagating on the circuit is synchronous
with the slow space charge wave of the beam.
• Inherently the BWO is more sensitive than other
oscillators to external fluctuations. Nevertheless,
its ability to be phase- or frequency-locked has
been demonstrated, leading to successful
operation as a heterodyne local oscillator.
backward wave oscillator

backward wave oscillator

  • 1.
  • 2.
  • 3.
    3 How to GenerateTerahertz Radiations Photonics: (low power, non-coherent)  Josephson effect  Quantum cascade laser  Far infrared laser  Femtosecond laser Electronics: (high power, coherent)  Free electron laser  Electron cyclotron maser - gyrotron  Backward-Wave Oscillator Generate THz radiations:
  • 4.
    Wave Particle Interaction •Parametric Devices – Klystrons, Free-electron Lasers • Slow-Wave devices – Magnetrons, Cerenkov Masers, backward wave oscillators • Fast Wave Devices – Cyclotron Resonant Masers (Gyrotrons) • Plasma Devices – Virtual Cathode Oscillators, Beam-Plasma Interactions & Orbitrons
  • 5.
    5 ECM based Devices--- gyrotrons gyro-monotron high average power gyro-BWO continuous frequency tunability The gyrotron is a coherent radiation source based on the electron cyclotron maser (ECM) interaction
  • 6.
  • 7.
  • 8.
    backward wave oscillator(BWO) • A backward wave oscillator (BWO), also called carcinotron (trade name) or backward wave tube, is a vacuum tube that is used to generate microwaves up to the terahertz range. • It belongs to the traveling-wave tube family. • It is an oscillator with a wide electronic tuning range
  • 9.
    Operation • An electrongun generates an electron beam that is interacting with a slow-wave structure. • It sustains the oscillations by propagating a traveling wave backwards against the beam • . The generated electromagnetic wave power has its group velocity directed oppositely to the direction of motion of the electrons. • The output power is coupled out near the electron gun.
  • 13.
    Miniature O-type backward-waveoscillator tube produced by Varian in 1956. It could be voltage-tuned over an 8.2 - 12.4 GHz range and required a supply voltage of 600V.
  • 14.
    THz Spectrometer:Superlattice Multiplier THz-SL Multiplier SLInput 80 – 118GHz 5-8mW SL Output 234 – >1060GHz
  • 15.
    BWO 1.9 THz633 GHz -dB DC Bias T GUNN frequency power DC Bias X 3 PLL 2 Ref 2 PLL 1 Ref 1 BWO ϕ Prot. GUNN HM X Synth. HV f fc c 336 MHz 24 MHz 6-7GHz 80-90GHz 8-10 V ±10 V BS Phase Lock Loop 1.9THz LO
  • 16.
    Breadboard Construction GREAT HeterodyneReceicer Heat Sink Bias GUNN QO Harmonic Mixer Pump Chopper optics PLL protectB W O Locked !
  • 17.
    e Magnetic Field H Window Radiation Out FilamentFilament + Cathode Slow Wave Structure
  • 18.
    M-type BWO backward waveoscillator (BWO) O-type BWO
  • 19.
  • 20.
    M-type backward waveoscillator • • The M-type carcinotron, or M-type backward wave oscillator, uses crossed static electric field E and magnetic field B, similar to the magnetron, for focussing an electron sheet beam drifting perpendicularly to E and B, along a slow-wave circuit, with a velocity E/B. • Strong interaction occurs when the phase velocity of one space harmonic of the wave is equal to the electron velocity. • Both Ez and Ey components of the RF field are involved in the interaction (Ey parallel to the static E field). • Electrons which are in a decelerating Ez electric field of the slow-wave, lose the potential energy they have in the static electric field E and reach the circuit. • The sole electrode is more negative than the cathode, in order to avoid collecting those electrons having gained energy while interacting with the slow-wave space harmonic.
  • 21.
    O-type BWO • TheO-type carcinotron, or O-type backward wave oscillator, uses an electron beam longitudinally focused by a magnetic field, and a slow-wave circuit interacting with the beam. • A collector collects the beam at the end of the tube.
  • 22.
    O-BWO spectral purityand noise • The BWO is a voltage tunable oscillator, whose voltage tuning rate is directly related to the propagation characteristics of the circuit. • The oscillation starts at a frequency where the wave propagating on the circuit is synchronous with the slow space charge wave of the beam. • Inherently the BWO is more sensitive than other oscillators to external fluctuations. Nevertheless, its ability to be phase- or frequency-locked has been demonstrated, leading to successful operation as a heterodyne local oscillator.

Editor's Notes