A u t o m a t i c T r a f f i c
D e n s i t y M o n i t o r i n g a n d
C o n t r o l S y s t e m
Presented by- Amit Bhoosan
Atul Rai
Mitilesh
Manish
INTRODUCTION:
• In today’s context, time is a big issue for all. Being a engineer the motto of
our team model is to reduce the mental irritation to time waste in traffics.
And to simplify the system.
•
• In urban scenario 1st,2nd,3rdtier cities have traffic light system for controlling
crowd of vehicles,but this traffic light system is not so efficient that can save
time in many conditions.
•
• There are many employees who works in private and government
organizations,generally the office timing is 10:00am to 05:00pm at that time
crowd have on its peak ,that makes condition of jam.
•
• So for reducing the condition of jam we are making a project on it.
Automatic traffic density monitoring and
control
• Traffic density monitoring and control system is a electrical and electronics based
project.
• This project keeps importance in today’s busy life because of its long life and cost
efficientness.
• At any cross road with four ways or more ,there are traffics with different levels on
every road.
In general we have three color light on traffic control.
Red- ‘STOP’
Yellow- ‘READY’
Green- ‘GO’
• In any traffic light signal every light blink for 60sec (red, green) in general.
• There are conditions when a side road have less traffic then other sides.
• This model works on the idea of monitoring density of the roads and regulating the
traffic accordingly .
• In the system with traffic lights ,it needs to get improve for much fruitful result
because there is possibility that the density on one road is high and
for 60secs the controller is allowing an empty road .
• To avoid such unwanted situation proposed in model to use Traffic Density
Monitoring And Controlling System .
side1
side2
side4
side3
Time management according to given figure
RED GREEN
Side1 40 sec 50 sec
Side2 70 sec 20 sec
Side3 20 sec 70 sec
Side4 20 sec 70 sec
side1
side2
side3
side4
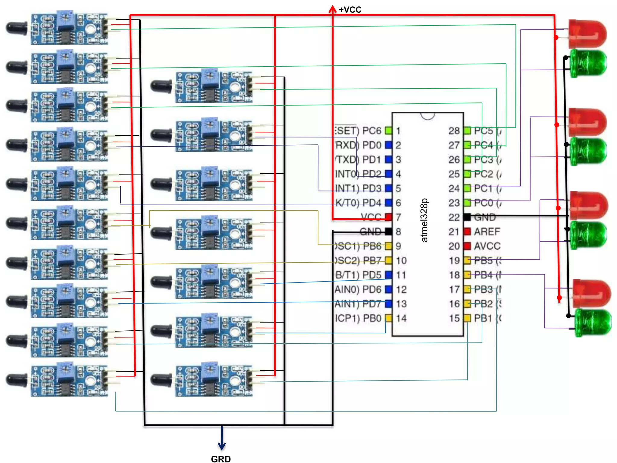
COMPONENT USED
IR Receiver module
IR Transmitter
ARDUINO UNO R3
LED(RED) LED(GREEN)
WORKING:
• Output of IR receivers will be provided to the microcontroller and processed
accordingly.
• The number of IR receiver is generating the positive signal is denoting the specific
density of vehicle on lane.
• At that point the ray is received by the IR receiver, which were transmitted by IR
sensors. When any vehicle standing between the path of IR ray, then can not be
avail to receive signal.
• Accordingly the data of all four lanes will be provided with the controller and the lane
with highest number of density will be allowed to pass.
• This idea can save time, reduce pollution and money of individual .
atmel328p
+VCC
GRD
THANK YOU

Automatic traffic density monitoring and control system

  • 1.
    A u to m a t i c T r a f f i c D e n s i t y M o n i t o r i n g a n d C o n t r o l S y s t e m Presented by- Amit Bhoosan Atul Rai Mitilesh Manish
  • 2.
    INTRODUCTION: • In today’scontext, time is a big issue for all. Being a engineer the motto of our team model is to reduce the mental irritation to time waste in traffics. And to simplify the system. • • In urban scenario 1st,2nd,3rdtier cities have traffic light system for controlling crowd of vehicles,but this traffic light system is not so efficient that can save time in many conditions. • • There are many employees who works in private and government organizations,generally the office timing is 10:00am to 05:00pm at that time crowd have on its peak ,that makes condition of jam. • • So for reducing the condition of jam we are making a project on it.
  • 3.
    Automatic traffic densitymonitoring and control • Traffic density monitoring and control system is a electrical and electronics based project. • This project keeps importance in today’s busy life because of its long life and cost efficientness. • At any cross road with four ways or more ,there are traffics with different levels on every road. In general we have three color light on traffic control. Red- ‘STOP’ Yellow- ‘READY’ Green- ‘GO’ • In any traffic light signal every light blink for 60sec (red, green) in general. • There are conditions when a side road have less traffic then other sides. • This model works on the idea of monitoring density of the roads and regulating the traffic accordingly . • In the system with traffic lights ,it needs to get improve for much fruitful result because there is possibility that the density on one road is high and for 60secs the controller is allowing an empty road . • To avoid such unwanted situation proposed in model to use Traffic Density Monitoring And Controlling System .
  • 4.
  • 5.
    Time management accordingto given figure RED GREEN Side1 40 sec 50 sec Side2 70 sec 20 sec Side3 20 sec 70 sec Side4 20 sec 70 sec side1 side2 side3 side4
  • 7.
    COMPONENT USED IR Receivermodule IR Transmitter ARDUINO UNO R3 LED(RED) LED(GREEN)
  • 8.
    WORKING: • Output ofIR receivers will be provided to the microcontroller and processed accordingly. • The number of IR receiver is generating the positive signal is denoting the specific density of vehicle on lane. • At that point the ray is received by the IR receiver, which were transmitted by IR sensors. When any vehicle standing between the path of IR ray, then can not be avail to receive signal. • Accordingly the data of all four lanes will be provided with the controller and the lane with highest number of density will be allowed to pass. • This idea can save time, reduce pollution and money of individual .
  • 9.
  • 10.