International Journal of Electrical Engineering and Technology (IJEET), ISSN 0976 – 6545(Print),
ISSN 0976 – 6553(Online) Volume 5, Issue 4, April (2014), pp. 49-60 © IAEME
49
THE SOFT CONTROL SCHEME ANALYSIS OF D.C AND A.C
EXCITATION SYSTEM MODELS OF SYNCHRONOUS GENERATOR
1
Ms. Suparna Pal, 2
Mr. Indranil Kushary
1, 2
(Electrical Engineering, JIS College of Engineering Kalyani,Nadia,India)
ABSTRACT
One of the most important elements of electric power system is synchronous generator,
because it is the source of electrical energy. Energy transformation is possible only if generator
excitation exists. Excitation of generator also defines generator output values i.e voltage and reactive
power. This means that generator excitation regulation is actually regulation of generator output
energy and also impacts of stability of the entire power system .In this paper we try to give a short
research on excitation system models of synchronous generator. Here we describe the a.c and d.c
excitation system models and try to analyze which gives the more stability as it is connected to the
load.
Keywords: Synchronous Generator, Generator Excitation Model, Impact of Stability of Excitation
Model, IEEE Excitation Model Analysis, Simulink Model Analysis.
INTRODUCTION
One of the most important elements of electric power system is synchronous generator,
because it is the source of electrical energy. In generator, mechanical energy (usually from a turbine)
is transformed into electrical energy. Energy transformation is possible only if generator excitation
exists. Excitation of generator also defines generator output values: voltage and reactive power. This
means that generator excitation regulation is actually regulation of generator output energy and also
impacts the stability of entire electric power system. If excitation is changes the stability of
synchronous generator also effected.
We have to provide d.c excitation to the field winding of synchronous generator. Now d.c
field rotating in space produces a rotating magnetic field. Now if any failure of excitation is occurred
in synchronous generator won’t be able to generate the voltage. Now the generator connected to the
INTERNATIONAL JOURNAL OF ELECTRICAL ENGINEERING &
TECHNOLOGY (IJEET)
ISSN 0976 – 6545(Print)
ISSN 0976 – 6553(Online)
Volume 5, Issue 4, April (2014), pp. 49-60
© IAEME: www.iaeme.com/ijeet.asp
Journal Impact Factor (2014): 6.8310 (Calculated by GISI)
www.jifactor.com
IJEET
© I A E M E
International Journal of Electrical Engineering and Technology (IJEET), ISSN 0976 – 6545(Print),
ISSN 0976 – 6553(Online) Volume 5, Issue 4, April (2014), pp. 49-60 © IAEME
50
grid will draw reactive power from the grid so the system becomes unstable. So to determine the
system operated in stable condition excitation control is very important.
Theory
What is excitation system: An electric generator consists of a rotor spinning in a magnetic field.
The magnetic field may be produced by permanent magnets or by field coils. In the case of a
machine with field coils, a current must flow in the coils to generate the field, otherwise no power is
transferred to or from the rotor. The process of generating a magnetic field by means of an electric
current is called excitation
Effect of excitation system on generator
One of the most important elements of electric power system is synchronous generator,
because it is the source of electrical energy because it is the source of electric energy. In a generator
mechanical energy (usually from a turbine) is transformed into electrical energy .Energy
transformation is possible only if generator excitation exists. Excitation of generator also defines
generator output values i.e voltage and reactive power. This means that generator excitation
regulation is actually regulation of generator output energy and also impacts the stability of entire
electric power system.
Excitation current is provided by the excitation system, which according to usually consists
of automatic voltage regulator (AVR), exciter, measuring elements, power system stabilizer (PSS)
and limitation and protection unit. Exciter is the source of electrical power for the field winding of
generator and is realized as a separate DC or AC generator. Exciter has its field winding in the stator
and armature winding in the rotor.
In case of AC generator, as the rotor rotates, stator DC current induces a three phase
alternating current into the rotor winding. This AC current is rectified using diode thyristor or
transistor bridge installed in the rotor.
Exciter is controlled by the AVR, which is very effective during steady-state operation, but in
case of sudden disturbances it may have negative influence on the damping of power swings,
because then it forces field current changes in the generator. This may be eliminated by introducing a
supplementary control loop. The power system stabilizer (PSS) which produces an additional signal
into control loop and in that way compensates voltage oscillations.
The typical range of oscillation frequency is 0.1 to 0.3 Hz and insufficient damping of these
oscillations may limit the ability to transmit power.PSS input quantities may be speed deviation,
transient electromotive force and generator current. Usually two of these input quantities are chosen
to get optimal regulation. Measuring elements are used to obtain excitation system input values.
Generator armature voltage is always measured and measurements of armature current and the
excitation current and voltage are optional.
How Excitation protection gives to the alternator
Reduction or loss of excitation to the field winding is an abnormality rather than a fault. If the
field winding is completely lost, then in principle, synchronous generator will try to mimic an
induction generator. This mode of operation is possible provided that power system to which
generator is connected is strong enough to provide necessary reactive power support. An induction
generator has no field winding and hence it cannot generate reactive power. If adequate reactive
power support is not available then generator will have to shutdown. It is likely that field winding
will be accidentally shut off and usually loss of synchronism will require appreciable time to take
effect. Hence it is preferable to first raise an alarm for operator to restore field, failing which
generator has to be shut down.
International Journal of Electrical Engineering and Technology (IJEET), ISSN 0976 – 6545(Print),
ISSN 0976 – 6553(Online) Volume 5, Issue 4, April (2014), pp. 49-60 © IAEME
51
Effect of excitation failure in synchronous generator
When there is a reduced or lost of excitation of synchronous generator, conception ally it will
start functioning like an induction generator. Otherwise if the system cannot provide adequate
reactive support for induction generator mode of operation, then synchronism is lost. The change is
gradual one and if the field is tripped by accident, an alarm can be used to alert the operator.
However if the field is not quickly restored then the unit should be shutdown.
Protection given against Excitation Failure
Protection system for synchronous generator should detect reduced or loss of excitation
condition, raise an alarm and if the abnormality persists, trip the generator. This can be achieved by
use of distance relays that are installed at generator terminals. Directionally they look into generator.
For this purpose offset mho relay has been widely accepted for loss of excitation protection and
experience with the relay has been excellent. The relay has demonstrated its capability of detecting a
variety of excitation system failures and to discriminate between such failures and other operating
conditions.
Software Analysis (Simulink Based Diagram)
The dc excitation system is used for the system stability is shown below:-
International Journal of Electrical Engineering and Technology (IJEET), ISSN 0976 – 6545(Print),
ISSN 0976 – 6553(Online) Volume 5, Issue 4, April (2014), pp. 49-60 © IAEME
52
The internal diagram for the dc exciter is shown below:-
The output waveform for the above figure is shown below:-
International Journal of Electrical Engineering and Technology (IJEET), ISSN 0976 – 6545(Print),
ISSN 0976 – 6553(Online) Volume 5, Issue 4, April (2014), pp. 49-60 © IAEME
53
So the system is unstable and we have to modify the exciter model .The modified model of
the dc exciter is shown below:-
The internal model of D.C Exciter is shown below:-
The waveform for the first loop control of generator for the load is shown below
International Journal of Electrical Engineering and Technology (IJEET), ISSN 0976 – 6545(Print),
ISSN 0976 – 6553(Online) Volume 5, Issue 4, April (2014), pp. 49-60 © IAEME
54
The waveform for the dc exciter is shown below:-
Now the system is not stable .we try to improve the system stability more .The modified
model of dc exciter is
The internal model of D.C Exciter is shown below:-
International Journal of Electrical Engineering and Technology (IJEET), ISSN 0976 – 6545(Print),
ISSN 0976 – 6553(Online) Volume 5, Issue 4, April (2014), pp. 49-60 © IAEME
55
The waveform for the dc exciter is shown below:-
A.C Excitation System
The excitation system may use a.c exciter as a source of excitation .In case of a.c excitation
model the output response is more stable and there is no harmonic also .The excitation system at first
we use for the excitation system are
International Journal of Electrical Engineering and Technology (IJEET), ISSN 0976 – 6545(Print),
ISSN 0976 – 6553(Online) Volume 5, Issue 4, April (2014), pp. 49-60 © IAEME
56
The subsystem of the a.c excitation system is shown below:-
The output waveform of the above a.c excitation system is shown below:-
International Journal of Electrical Engineering and Technology (IJEET), ISSN 0976 – 6545(Print),
ISSN 0976 – 6553(Online) Volume 5, Issue 4, April (2014), pp. 49-60 © IAEME
57
But this system is unstable. So we have to modify the system. The modified system is shown below:-
The modified internal block diagram is shown below:-
International Journal of Electrical Engineering and Technology (IJEET), ISSN 0976 – 6545(Print),
ISSN 0976 – 6553(Online) Volume 5, Issue 4, April (2014), pp. 49-60 © IAEME
58
The output waveform is shown below:-
So we have to modify again the above excitation system. In a.c excitation system we use a,c
exciter and in series with anti-windup model to minimize the saturation of the output curve .The a.c
exciter model is shown in the figure below
International Journal of Electrical Engineering and Technology (IJEET), ISSN 0976 – 6545(Print),
ISSN 0976 – 6553(Online) Volume 5, Issue 4, April (2014), pp. 49-60 © IAEME
59
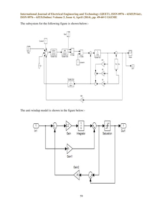
The subsystem for the following figure is shown below:-
The anti windup model is shown in the figure below:-
International Journal of Electrical Engineering and Technology (IJEET), ISSN 0976 – 6545(Print),
ISSN 0976 – 6553(Online) Volume 5, Issue 4, April (2014), pp. 49-60 © IAEME
60
The output waveform is shown in the figure below:-
Now the system is stable. So using anti-windup model we see the system become stable.
Industrial Application: So we have to use more stable excitation for the power system so that the
stability of the system become more smooth.
Future Scope: In future we study the performance of exciter on the system load. That means in the
output terminal we connect the different load and study how the system response changes with a.c
and d.c exciter for different loads.
Conclusion: So we see the excitation of the generator plays a vital role in determining the system
stability. We see the system becomes more stable if we use ac exciter instead of dc exciter in the
excitation system. So to reduce the error in determining the system stability in recent days we use ac
excitation system.
Acknowledgement: We are acknowledge to the TEQIP grant scheme of JIS College of Engineering.
REFERENCE
[1] American national standards institute, “IEEE Recommended Practice for Excitation Systems
Models for Power System Stability Studies”, 2005.
[2] P. Kundur, “Power System Stability and Control.McGraw-Hill, pp.315- 375, 1994.
[3] Sumit Kumar and Prof. Dr.A.A.Godbole, “Performance Improvement of Synchronous
Generator By Stator Winding Design”, International Journal of Electrical Engineering &
Technology (IJEET), Volume 4, Issue 3, 2013, pp. 29 - 34, ISSN Print: 0976-6545,
ISSN Online: 0976-6553.
[4] N.Rathika, Dr. A.Senthil Kumar and A.Anusuya, “Implementation of Various Optimization
Techniques to Synchronous Generator- A Survey”, International Journal of Electrical
Engineering & Technology (IJEET), Volume 4, Issue 5, 2013, pp. 165 - 172, ISSN Print:
0976-6545, ISSN Online: 0976-6553.

40220140504006

  • 1.
    International Journal ofElectrical Engineering and Technology (IJEET), ISSN 0976 – 6545(Print), ISSN 0976 – 6553(Online) Volume 5, Issue 4, April (2014), pp. 49-60 © IAEME 49 THE SOFT CONTROL SCHEME ANALYSIS OF D.C AND A.C EXCITATION SYSTEM MODELS OF SYNCHRONOUS GENERATOR 1 Ms. Suparna Pal, 2 Mr. Indranil Kushary 1, 2 (Electrical Engineering, JIS College of Engineering Kalyani,Nadia,India) ABSTRACT One of the most important elements of electric power system is synchronous generator, because it is the source of electrical energy. Energy transformation is possible only if generator excitation exists. Excitation of generator also defines generator output values i.e voltage and reactive power. This means that generator excitation regulation is actually regulation of generator output energy and also impacts of stability of the entire power system .In this paper we try to give a short research on excitation system models of synchronous generator. Here we describe the a.c and d.c excitation system models and try to analyze which gives the more stability as it is connected to the load. Keywords: Synchronous Generator, Generator Excitation Model, Impact of Stability of Excitation Model, IEEE Excitation Model Analysis, Simulink Model Analysis. INTRODUCTION One of the most important elements of electric power system is synchronous generator, because it is the source of electrical energy. In generator, mechanical energy (usually from a turbine) is transformed into electrical energy. Energy transformation is possible only if generator excitation exists. Excitation of generator also defines generator output values: voltage and reactive power. This means that generator excitation regulation is actually regulation of generator output energy and also impacts the stability of entire electric power system. If excitation is changes the stability of synchronous generator also effected. We have to provide d.c excitation to the field winding of synchronous generator. Now d.c field rotating in space produces a rotating magnetic field. Now if any failure of excitation is occurred in synchronous generator won’t be able to generate the voltage. Now the generator connected to the INTERNATIONAL JOURNAL OF ELECTRICAL ENGINEERING & TECHNOLOGY (IJEET) ISSN 0976 – 6545(Print) ISSN 0976 – 6553(Online) Volume 5, Issue 4, April (2014), pp. 49-60 © IAEME: www.iaeme.com/ijeet.asp Journal Impact Factor (2014): 6.8310 (Calculated by GISI) www.jifactor.com IJEET © I A E M E
  • 2.
    International Journal ofElectrical Engineering and Technology (IJEET), ISSN 0976 – 6545(Print), ISSN 0976 – 6553(Online) Volume 5, Issue 4, April (2014), pp. 49-60 © IAEME 50 grid will draw reactive power from the grid so the system becomes unstable. So to determine the system operated in stable condition excitation control is very important. Theory What is excitation system: An electric generator consists of a rotor spinning in a magnetic field. The magnetic field may be produced by permanent magnets or by field coils. In the case of a machine with field coils, a current must flow in the coils to generate the field, otherwise no power is transferred to or from the rotor. The process of generating a magnetic field by means of an electric current is called excitation Effect of excitation system on generator One of the most important elements of electric power system is synchronous generator, because it is the source of electrical energy because it is the source of electric energy. In a generator mechanical energy (usually from a turbine) is transformed into electrical energy .Energy transformation is possible only if generator excitation exists. Excitation of generator also defines generator output values i.e voltage and reactive power. This means that generator excitation regulation is actually regulation of generator output energy and also impacts the stability of entire electric power system. Excitation current is provided by the excitation system, which according to usually consists of automatic voltage regulator (AVR), exciter, measuring elements, power system stabilizer (PSS) and limitation and protection unit. Exciter is the source of electrical power for the field winding of generator and is realized as a separate DC or AC generator. Exciter has its field winding in the stator and armature winding in the rotor. In case of AC generator, as the rotor rotates, stator DC current induces a three phase alternating current into the rotor winding. This AC current is rectified using diode thyristor or transistor bridge installed in the rotor. Exciter is controlled by the AVR, which is very effective during steady-state operation, but in case of sudden disturbances it may have negative influence on the damping of power swings, because then it forces field current changes in the generator. This may be eliminated by introducing a supplementary control loop. The power system stabilizer (PSS) which produces an additional signal into control loop and in that way compensates voltage oscillations. The typical range of oscillation frequency is 0.1 to 0.3 Hz and insufficient damping of these oscillations may limit the ability to transmit power.PSS input quantities may be speed deviation, transient electromotive force and generator current. Usually two of these input quantities are chosen to get optimal regulation. Measuring elements are used to obtain excitation system input values. Generator armature voltage is always measured and measurements of armature current and the excitation current and voltage are optional. How Excitation protection gives to the alternator Reduction or loss of excitation to the field winding is an abnormality rather than a fault. If the field winding is completely lost, then in principle, synchronous generator will try to mimic an induction generator. This mode of operation is possible provided that power system to which generator is connected is strong enough to provide necessary reactive power support. An induction generator has no field winding and hence it cannot generate reactive power. If adequate reactive power support is not available then generator will have to shutdown. It is likely that field winding will be accidentally shut off and usually loss of synchronism will require appreciable time to take effect. Hence it is preferable to first raise an alarm for operator to restore field, failing which generator has to be shut down.
  • 3.
    International Journal ofElectrical Engineering and Technology (IJEET), ISSN 0976 – 6545(Print), ISSN 0976 – 6553(Online) Volume 5, Issue 4, April (2014), pp. 49-60 © IAEME 51 Effect of excitation failure in synchronous generator When there is a reduced or lost of excitation of synchronous generator, conception ally it will start functioning like an induction generator. Otherwise if the system cannot provide adequate reactive support for induction generator mode of operation, then synchronism is lost. The change is gradual one and if the field is tripped by accident, an alarm can be used to alert the operator. However if the field is not quickly restored then the unit should be shutdown. Protection given against Excitation Failure Protection system for synchronous generator should detect reduced or loss of excitation condition, raise an alarm and if the abnormality persists, trip the generator. This can be achieved by use of distance relays that are installed at generator terminals. Directionally they look into generator. For this purpose offset mho relay has been widely accepted for loss of excitation protection and experience with the relay has been excellent. The relay has demonstrated its capability of detecting a variety of excitation system failures and to discriminate between such failures and other operating conditions. Software Analysis (Simulink Based Diagram) The dc excitation system is used for the system stability is shown below:-
  • 4.
    International Journal ofElectrical Engineering and Technology (IJEET), ISSN 0976 – 6545(Print), ISSN 0976 – 6553(Online) Volume 5, Issue 4, April (2014), pp. 49-60 © IAEME 52 The internal diagram for the dc exciter is shown below:- The output waveform for the above figure is shown below:-
  • 5.
    International Journal ofElectrical Engineering and Technology (IJEET), ISSN 0976 – 6545(Print), ISSN 0976 – 6553(Online) Volume 5, Issue 4, April (2014), pp. 49-60 © IAEME 53 So the system is unstable and we have to modify the exciter model .The modified model of the dc exciter is shown below:- The internal model of D.C Exciter is shown below:- The waveform for the first loop control of generator for the load is shown below
  • 6.
    International Journal ofElectrical Engineering and Technology (IJEET), ISSN 0976 – 6545(Print), ISSN 0976 – 6553(Online) Volume 5, Issue 4, April (2014), pp. 49-60 © IAEME 54 The waveform for the dc exciter is shown below:- Now the system is not stable .we try to improve the system stability more .The modified model of dc exciter is The internal model of D.C Exciter is shown below:-
  • 7.
    International Journal ofElectrical Engineering and Technology (IJEET), ISSN 0976 – 6545(Print), ISSN 0976 – 6553(Online) Volume 5, Issue 4, April (2014), pp. 49-60 © IAEME 55 The waveform for the dc exciter is shown below:- A.C Excitation System The excitation system may use a.c exciter as a source of excitation .In case of a.c excitation model the output response is more stable and there is no harmonic also .The excitation system at first we use for the excitation system are
  • 8.
    International Journal ofElectrical Engineering and Technology (IJEET), ISSN 0976 – 6545(Print), ISSN 0976 – 6553(Online) Volume 5, Issue 4, April (2014), pp. 49-60 © IAEME 56 The subsystem of the a.c excitation system is shown below:- The output waveform of the above a.c excitation system is shown below:-
  • 9.
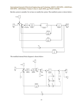
    International Journal ofElectrical Engineering and Technology (IJEET), ISSN 0976 – 6545(Print), ISSN 0976 – 6553(Online) Volume 5, Issue 4, April (2014), pp. 49-60 © IAEME 57 But this system is unstable. So we have to modify the system. The modified system is shown below:- The modified internal block diagram is shown below:-
  • 10.
    International Journal ofElectrical Engineering and Technology (IJEET), ISSN 0976 – 6545(Print), ISSN 0976 – 6553(Online) Volume 5, Issue 4, April (2014), pp. 49-60 © IAEME 58 The output waveform is shown below:- So we have to modify again the above excitation system. In a.c excitation system we use a,c exciter and in series with anti-windup model to minimize the saturation of the output curve .The a.c exciter model is shown in the figure below
  • 11.
    International Journal ofElectrical Engineering and Technology (IJEET), ISSN 0976 – 6545(Print), ISSN 0976 – 6553(Online) Volume 5, Issue 4, April (2014), pp. 49-60 © IAEME 59 The subsystem for the following figure is shown below:- The anti windup model is shown in the figure below:-
  • 12.
    International Journal ofElectrical Engineering and Technology (IJEET), ISSN 0976 – 6545(Print), ISSN 0976 – 6553(Online) Volume 5, Issue 4, April (2014), pp. 49-60 © IAEME 60 The output waveform is shown in the figure below:- Now the system is stable. So using anti-windup model we see the system become stable. Industrial Application: So we have to use more stable excitation for the power system so that the stability of the system become more smooth. Future Scope: In future we study the performance of exciter on the system load. That means in the output terminal we connect the different load and study how the system response changes with a.c and d.c exciter for different loads. Conclusion: So we see the excitation of the generator plays a vital role in determining the system stability. We see the system becomes more stable if we use ac exciter instead of dc exciter in the excitation system. So to reduce the error in determining the system stability in recent days we use ac excitation system. Acknowledgement: We are acknowledge to the TEQIP grant scheme of JIS College of Engineering. REFERENCE [1] American national standards institute, “IEEE Recommended Practice for Excitation Systems Models for Power System Stability Studies”, 2005. [2] P. Kundur, “Power System Stability and Control.McGraw-Hill, pp.315- 375, 1994. [3] Sumit Kumar and Prof. Dr.A.A.Godbole, “Performance Improvement of Synchronous Generator By Stator Winding Design”, International Journal of Electrical Engineering & Technology (IJEET), Volume 4, Issue 3, 2013, pp. 29 - 34, ISSN Print: 0976-6545, ISSN Online: 0976-6553. [4] N.Rathika, Dr. A.Senthil Kumar and A.Anusuya, “Implementation of Various Optimization Techniques to Synchronous Generator- A Survey”, International Journal of Electrical Engineering & Technology (IJEET), Volume 4, Issue 5, 2013, pp. 165 - 172, ISSN Print: 0976-6545, ISSN Online: 0976-6553.