SECTIONING OF A
MACHINE COMPONENT
BY ANY ONE SECTION
PLA NE ,OUT OF THREE
FOLLOWING MENTIONED
SECTION PLANES
(1)BY A VERTICAL SECTION PLANE
(PARALLEL TO PRINCIPLE V.P.)
Hence ,
(a)The real or true shape of the section is
observed in its F.V., known as SEC. F.V. - AB
(b)Section plane will be seen as a cutting
plane line (similar to center line ,thick at ends)
with corresponding horizontal vision direction
arrows at the center of thick ends in its T.V. &
S.V.
(2)BY A HORIZONTAL SECTION PLANE
Hence,
(a)The real or true shape of the section is observed in
its T.V., known as SEC. T.V. - AB
(b) The cutting or section plane will be observed as a
cutting plane line (similar to center line ,thick at
ends) with the corresponding vertically downward
vision direction arrows at the center of the thick
ends in its F.V. and in S.V.
(3) BY A SECTION PLANE , NORMAL TO
BOTH H.P. AND V.P.
(i.e. parallel to profile plane or side view plane)
Hence,
(a)The real or true shape of the section is
observed in its S.V., known as SEC. L.H.S.V –
AB or SEC. R.H.S.V - AB
(b) The cutting or section plane will be observed
as a cutting plane line (similar to center line ,
thick at ends) with the corresponding vertically
downward vision direction arrows at the center
of the thick ends in its F.V. and in T.V.
50
15
15
Figure shows isometric view
of a machine component.
Draw its
(1)Front view, Top view &
L.H.S View, using 3rd angle
method of projections.
(2)Sectional Front view, Top
view & L.H.S.V., using 3rd
angle method of
projections.
10
50 50
60
40
30
15
25
5
30
50
15
Front View
Top View
L.H.S.View
1.
Ortho. Views (No sectioning)
A
B
Retained split of the
machine parts
It will be nearer to
V.P. in 1st angle
method & against the
vertical plane in 3rd
angle method.
50 50
60
40
30
15
25
5
10
30
Top View
Sectional Front View -ABL.H.S. View
A B
A
B
2.
(With sectioning)
2020
60
A
A
X
Figure shows the pictorial view of a
machine component. Draw its
following views as per First angle
method of projections
(1) Front view from X direction.
(2) Sectional top view-AA
(3) L.H.S. View
20
Sketch shows the assumed cut model (retained part of
the machine component / split against the observer) due
to horizontal section plane passing through AB.
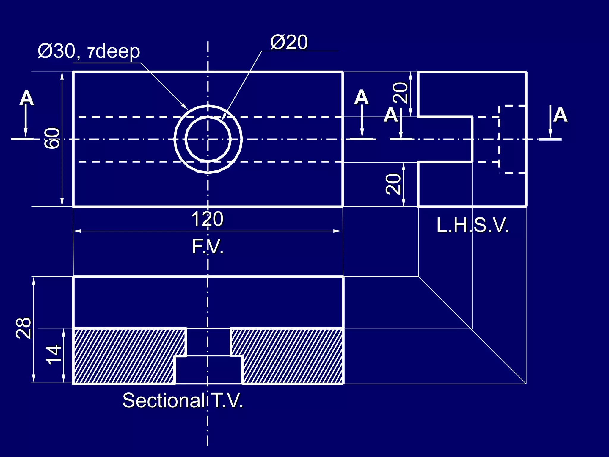
X
120
60
28
Ø30, 7deep Ø20
2020
14
F.V.
Sectional T.V.
L.H.S.V.
A A
A A
20
60
30
X
A
B
Figure shows the pictorial
view of a machine
components. Draw its
following views, using 3rd
angle method of
projections.
(1) Front view from arrow X
(2) Top View
(3) Sectional R.H.S.V - AB
B
A
Retained split of the
machine parts
Retained split, will be
nearer to V.P. in 1st
angle method &
against the vertical
plane in 3rd angle
method.
No hatching in
this area as not
contained in the
section plane
80
20
20 20
60
90
40
A
A
A
F.V.
T.V.
SEC.
R.H.S.V
HALF SECTION
SPECIAL
SECIONS
A
C
B
HALF SECTIONAL F.V.-AB HALF SECTIONAL
LEFT S.V.-BC
TOP VIEW
In half section the hidden
line should be used only on
unsectioned side of the
view, provided that they are
necessary for dimensioning
or for clarity.
REMOVED & REVOLVED
SECTIONS
SPECIAL SECTIONS
REMOVEDSECTION
REVOLVED
SECTION
REMOVED
SECTION
REVOLVED SECTION
REMOVED SECTION
REMOVED SECTIONS
NOTE:- (As per Previous I S 696 – 1972 Page 38)
When the cutting plane passes (contains) the
center line of such elements as,
Shafts,bolts,nuts,rods,rivets,keys,pins, pulley
arms, spokes, webs(ribs),screws,ball or roller
bearings or similar shapes - no section lining or
sectioning is needed for the objects , i.e. the
hatching should be eliminated.
(See the next demonstrating exercises
following the above rule)
Vertical Collared Shaft
(supported on webbed
and drilled flange) in
Conventional section in
F.V., along with
the T.V.
Note:- As a rule, all the hidden
lines should be omitted from a
sectional view. The only
exemption is where the hidden
lines are absolutely
Indispensable for clarification
or for dimensioning.
Actual or true projections are not preferred to draw
Section lines are
to be staggered as
shown at R
OFFSET SECTION: The path of the cutting plane is
bent to pass through features not located in a straight
line, i.e. it is offset to pass through both principle
features of the object. Example is shown below in Ex.
1 & Ex. 2.
B
B
Ex. 1.
R
A
A
P Q
F.V (SECTION –AA)
Section lines are to be staggered as shown at P,Q
Ex. 2.
Off set
sectioning
pulley
Tap bolt(fastener)
shaft
Shaft and pulley partly broken out to
show internal fastening
This is used to show only a desired features of the object .
No cutting plane lines are necessary , shown by wavy line
Partial (broken,
local or Zonal)
Section.
See Ex.
A,B & C
Ex. A
Partial (broken,
local or Zonal)
Section.
Ex. B
SPECIAL SECTION
SECTION IN TWO INTERSECTING PLANES
A
B
SEC. F.V. - ABR.H.S.V.
SPECIAL SECTION
Cross hatching of adjacent parts See at (1) & (2)
(1)
Hatching more than two adjacent components
at (2)
(2)
A
B
C
(hatched
at 60 )
D45
45
hatched
at 30
on D
SPECIAL SECTION
A B
F.V.
SEC.T.V.
Two vertical plates ,fastened by a horizontal
rivet is shown in its F.V. & T.V., cut by horizontal
section plane. Note the rivet is shown in section in
T.V.
CONVENTIONAL REPRESENTATION
OF CYLINDER IN WHICH
CIRCULAR OR RECTANGULAR
HOLE CUT IN ITS F.V.
Note:- The actual shape of hole
or slot may be understood from
its side view.
For circular hole
For rectangular slot
ACTUAL
PROJECTIONS
AUXILARY SECTION
SECTION AA
It is the sectional view not in principal
planes. it may be full, half ,broken out ,
removed or revolved.The section should
be shown in its normal auxilary position
and clearly identified with a cutting plane
with letters
AUXILIARY SECTION (as special
section)
A
A
B
C D
DCB
SECTION
AA
SECTION
BB SECTION
SECTION
DD
SUCCESSIVE SECTIONS (REMOVED
TYPE)
A
A
B
C D
DCB
SUCCESSIVE SECTIONS (REMOVED
TYPE)
SECTION
AA SECTION
BB
SECTION
CC
SECTION
DD
SUCCESSIVE SECTIONS (REMOVED
TYPE)
Top View
Sectional Front View -AB
L.H.S. View
A B
A
B
2.
(With sectioning)
0
Aim:-Sketch-1, shows Isometric View of a
machine part. Draw its following
orthographic views using third angle
method of projections, giving
dimensions.
(1) Sectional F.V.-AA
(2) T.V.
(3) L.H.S.V
A
A
8
Φ20Φ36
A
A
LEFT HAND SIDE VIEW SECTIONAL FRONT VIEW AA
TOP VIEW
X
SCALE:- 1:1
SYMBOL OF PROJECTION METHOD, NOT SHOWN
Sketch-1
2 HOLES,Φ 14
Φ36
Φ20
R35
65
14`
100
AA
SOLUTION`
30
A
A
LEFT HAND SIDE VIEW SECTIONAL FRONT VIEW AA
TOP VIEW
SCALE:- 1:1
SYMBOL OF PROJECTION METHOD, NOT SHOWN
SOLUTION`
AA
100
8
Φ20Φ36
2 HOLES,Φ 14
X
Φ36
Φ20
R35
A
A
Aim:-Sketch-1, shows Isometric View of a
machine part. Draw its following
orthographic views using third angle
method of projections, giving dimensions.
(1) Sectional F.V.-AA
(2) T.V.
(3) L.H.S.V
14
30
Hatch (section) lines, to be kept at 1 to 1.5 mm apart,
at 45° normally, but depends on areas to be hatched.
50
10
40,DEPTH 24
60
Ø64
30
140
24
Ø40
50
10
L.H.S.VFRONT VIEW
1414
4870
TOP VIEW

14.removed and-revolved-sections-engineering108.com

  • 1.
    SECTIONING OF A MACHINECOMPONENT BY ANY ONE SECTION PLA NE ,OUT OF THREE FOLLOWING MENTIONED SECTION PLANES
  • 2.
    (1)BY A VERTICALSECTION PLANE (PARALLEL TO PRINCIPLE V.P.) Hence , (a)The real or true shape of the section is observed in its F.V., known as SEC. F.V. - AB (b)Section plane will be seen as a cutting plane line (similar to center line ,thick at ends) with corresponding horizontal vision direction arrows at the center of thick ends in its T.V. & S.V.
  • 3.
    (2)BY A HORIZONTALSECTION PLANE Hence, (a)The real or true shape of the section is observed in its T.V., known as SEC. T.V. - AB (b) The cutting or section plane will be observed as a cutting plane line (similar to center line ,thick at ends) with the corresponding vertically downward vision direction arrows at the center of the thick ends in its F.V. and in S.V.
  • 4.
    (3) BY ASECTION PLANE , NORMAL TO BOTH H.P. AND V.P. (i.e. parallel to profile plane or side view plane) Hence, (a)The real or true shape of the section is observed in its S.V., known as SEC. L.H.S.V – AB or SEC. R.H.S.V - AB (b) The cutting or section plane will be observed as a cutting plane line (similar to center line , thick at ends) with the corresponding vertically downward vision direction arrows at the center of the thick ends in its F.V. and in T.V.
  • 5.
    50 15 15 Figure shows isometricview of a machine component. Draw its (1)Front view, Top view & L.H.S View, using 3rd angle method of projections. (2)Sectional Front view, Top view & L.H.S.V., using 3rd angle method of projections.
  • 6.
    10 50 50 60 40 30 15 25 5 30 50 15 Front View TopView L.H.S.View 1. Ortho. Views (No sectioning)
  • 7.
    A B Retained split ofthe machine parts It will be nearer to V.P. in 1st angle method & against the vertical plane in 3rd angle method.
  • 8.
    50 50 60 40 30 15 25 5 10 30 Top View SectionalFront View -ABL.H.S. View A B A B 2. (With sectioning)
  • 9.
    2020 60 A A X Figure shows thepictorial view of a machine component. Draw its following views as per First angle method of projections (1) Front view from X direction. (2) Sectional top view-AA (3) L.H.S. View
  • 10.
    20 Sketch shows theassumed cut model (retained part of the machine component / split against the observer) due to horizontal section plane passing through AB. X
  • 11.
  • 12.
    20 60 30 X A B Figure shows thepictorial view of a machine components. Draw its following views, using 3rd angle method of projections. (1) Front view from arrow X (2) Top View (3) Sectional R.H.S.V - AB
  • 13.
    B A Retained split ofthe machine parts Retained split, will be nearer to V.P. in 1st angle method & against the vertical plane in 3rd angle method. No hatching in this area as not contained in the section plane
  • 14.
  • 15.
  • 16.
    A C B HALF SECTIONAL F.V.-ABHALF SECTIONAL LEFT S.V.-BC TOP VIEW In half section the hidden line should be used only on unsectioned side of the view, provided that they are necessary for dimensioning or for clarity.
  • 17.
  • 18.
  • 19.
  • 20.
  • 21.
  • 22.
    NOTE:- (As perPrevious I S 696 – 1972 Page 38) When the cutting plane passes (contains) the center line of such elements as, Shafts,bolts,nuts,rods,rivets,keys,pins, pulley arms, spokes, webs(ribs),screws,ball or roller bearings or similar shapes - no section lining or sectioning is needed for the objects , i.e. the hatching should be eliminated. (See the next demonstrating exercises following the above rule)
  • 23.
    Vertical Collared Shaft (supportedon webbed and drilled flange) in Conventional section in F.V., along with the T.V. Note:- As a rule, all the hidden lines should be omitted from a sectional view. The only exemption is where the hidden lines are absolutely Indispensable for clarification or for dimensioning. Actual or true projections are not preferred to draw
  • 24.
    Section lines are tobe staggered as shown at R OFFSET SECTION: The path of the cutting plane is bent to pass through features not located in a straight line, i.e. it is offset to pass through both principle features of the object. Example is shown below in Ex. 1 & Ex. 2. B B Ex. 1. R
  • 25.
    A A P Q F.V (SECTION–AA) Section lines are to be staggered as shown at P,Q Ex. 2. Off set sectioning
  • 26.
    pulley Tap bolt(fastener) shaft Shaft andpulley partly broken out to show internal fastening This is used to show only a desired features of the object . No cutting plane lines are necessary , shown by wavy line Partial (broken, local or Zonal) Section. See Ex. A,B & C Ex. A
  • 27.
    Partial (broken, local orZonal) Section. Ex. B
  • 28.
    SPECIAL SECTION SECTION INTWO INTERSECTING PLANES A B SEC. F.V. - ABR.H.S.V.
  • 29.
    SPECIAL SECTION Cross hatchingof adjacent parts See at (1) & (2) (1)
  • 30.
    Hatching more thantwo adjacent components at (2) (2) A B C (hatched at 60 ) D45 45 hatched at 30 on D SPECIAL SECTION
  • 31.
    A B F.V. SEC.T.V. Two verticalplates ,fastened by a horizontal rivet is shown in its F.V. & T.V., cut by horizontal section plane. Note the rivet is shown in section in T.V.
  • 32.
    CONVENTIONAL REPRESENTATION OF CYLINDERIN WHICH CIRCULAR OR RECTANGULAR HOLE CUT IN ITS F.V. Note:- The actual shape of hole or slot may be understood from its side view. For circular hole For rectangular slot ACTUAL PROJECTIONS
  • 33.
  • 34.
    It is thesectional view not in principal planes. it may be full, half ,broken out , removed or revolved.The section should be shown in its normal auxilary position and clearly identified with a cutting plane with letters AUXILIARY SECTION (as special section)
  • 35.
  • 36.
  • 37.
  • 40.
    Top View Sectional FrontView -AB L.H.S. View A B A B 2. (With sectioning)
  • 43.
  • 44.
    Aim:-Sketch-1, shows IsometricView of a machine part. Draw its following orthographic views using third angle method of projections, giving dimensions. (1) Sectional F.V.-AA (2) T.V. (3) L.H.S.V A A 8 Φ20Φ36 A A LEFT HAND SIDE VIEW SECTIONAL FRONT VIEW AA TOP VIEW X SCALE:- 1:1 SYMBOL OF PROJECTION METHOD, NOT SHOWN Sketch-1 2 HOLES,Φ 14 Φ36 Φ20 R35 65 14` 100 AA SOLUTION` 30
  • 45.
    A A LEFT HAND SIDEVIEW SECTIONAL FRONT VIEW AA TOP VIEW SCALE:- 1:1 SYMBOL OF PROJECTION METHOD, NOT SHOWN SOLUTION` AA 100 8 Φ20Φ36 2 HOLES,Φ 14 X Φ36 Φ20 R35 A A Aim:-Sketch-1, shows Isometric View of a machine part. Draw its following orthographic views using third angle method of projections, giving dimensions. (1) Sectional F.V.-AA (2) T.V. (3) L.H.S.V 14 30 Hatch (section) lines, to be kept at 1 to 1.5 mm apart, at 45° normally, but depends on areas to be hatched.
  • 46.
  • 48.