Embed presentation
Downloaded 1,334 times










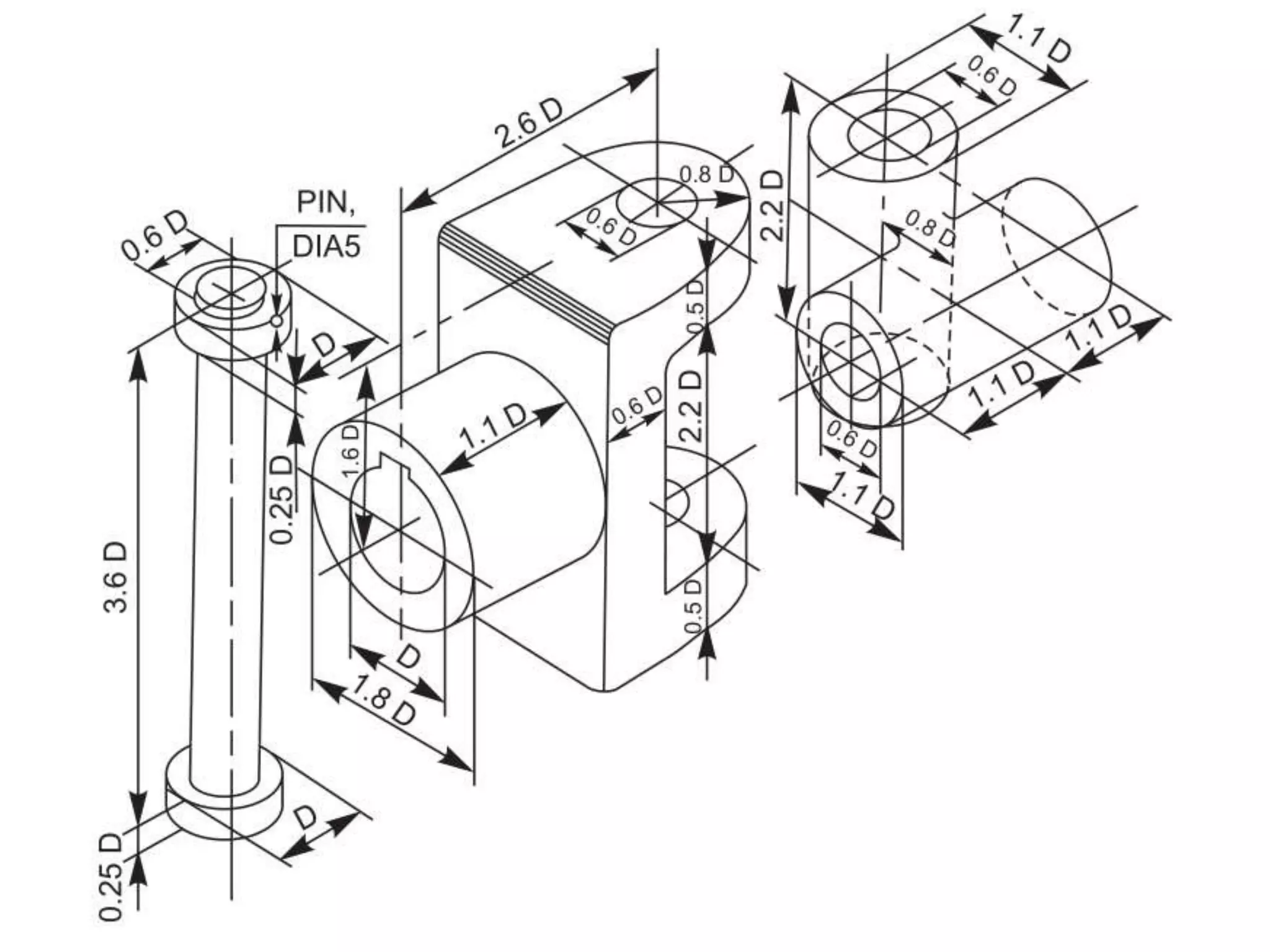
This document contains machine drawing questions and answers about topics like first angle projections, material conventions, applications of universal couplings, cutting plane designation, and machine elements that should not be hatched. It also includes instructions to assemble the parts of a screw jack, and draw half sectional and side views with complete dimensions, as well as making a parts list and bill of materials.








