PENERAPAN SENSOR SUHU IC LM35 PADA TERMOMETER
                     RUANG




                      Oleh:
                Anggun Dian Syafitri
                NIM 091910201045




        PROGRAM STUDI TEKNIK ELEKTRO
              FAKULTAS TEKNIK
             UNIVERSITAS JEMBER
                       2011
PRAKATA


       Puji dan syukur marilah kita panjatkan kehadirat Allah SWT karena kita telah diberi
curaha nikmat dan kasih sayang yang berlimpah ruah. Tidak lupa shalawat serta salam
semoga terlimpah curahkan kepada junjungan kita Nabi Besar Muhammad SAW,
keluarganya, sahabatnya, dan kita sebagai umatnya.
       Alhamdulillah kami telah menyelesaikan laporan percobaan mata kuliah Metode
Penelitian tentang Penerapan IC LM35 pada Termometer Ruang yang merupakan salah satu
tugas mata kuliah ini. Walaupun terdapat banyak kendala yang kami hadapi tetapi akhirnya
kami bisa menyelesaikannya.
       Dalam laporan mata kuliah Metode Penelitian tentang Penerapan IC LM35 pada
Termometer Ruang ini dijelaskan bahwa thermometer ruang dapat dibuat sendiri tanpa perlu
kita membeli dengan memanfaatkan IC LM35. Oleh karena itu, kami berharap laporan ini
bisa menjadikan ilmu dan manfaat bagi kita semua.
       Memang dalam penyusunan laporan mata kuliah Metode Penelitian tentang Penerapan
IC LM35 pada Termometer Ruang ini kami rasa belum sempurna. Mungkin masih banyak
kesalahan yang kami perbuat. Oleh karena itu, kami mohon maaf bila terdapat kesalahan baik
dalam penulisan atau dalam teori. Semoga karya ini dapat dimanfaatkan dengan sebaik-
baiknya dan digunakan di masa yang akan datang.
DAFTAR ISI


1. Halaman Sampul
2. Prakata
3. Daftar Isi
4. Bab 1. Pendahuluan
   1.1       Latar Belakang
   1.2       Tujuan
   1.3       Dasar Teori
5. Bab 2. Metodologi Percobaan
   2.1       Alat dan Komponen
   2.2       Gambar Rangkaian Percobaan
   2.3       Cara Kerja
6. Bab 3. Pembahasan
   3.1       Catu Daya
   3.2       Mikrokontroler
   3.3       Sensor Suhu IC LM35
   3.4       LCD
   3.5       Cara Kerja Termometer Ruang dengan IC LM35
7. Bab 4. Penutup
   4.1       Penutup
   4.2       Saran
BAB 1. PENDAHULUAN



1.1 Latar Belakang
     Termometer ruang merupakan perangkat ukur yang sering kita gunakan dalam
menentukan seberapa besar suhu udara yang sedang terjadi dalam suatu ruangan. Termometer
ruang ni bekerja karena adanya sensor suhu. Ada banyak sensor suhu yang bisa dipakai dalam
implementasi sistem monitoring suhu, salah satunya adalah IC LM35. Sebagai contol dari
sensor tersebut, akan digunakan IC ATMEGA8535, dimana perangkat tersebut akan
mengolah data actual yang berasal dari sensor suhu LM35.
     Oleh karenanya dibutuhkan termometer ruang yang menggunakan satuan ºC untuk
mengukur suhu udara dalam ruangan. Penggunaan termometer ruangan memang mudah,
namun prinsip dan cara kerja dalam termometer ruang belum banyak yang mengetahuinya.
Maka dari itu, kami melakukan percobaan membuat sendiri termometer ruang menggunakan
sensor suhu IC LM35.


1.2 Tujuan
     1. Agar mahasiswa mengerti dan mengetahui bagaimana prinsip kerja dari IC LM35.
     2. Agar mahasiswa mengetahui bagaimana pengaplikasian dari IC LM35.


1.3 Dasar Teori
     Termometer ruang merupakan perangkat ukur yang sering kita gunakan dalam
menentukan seberapa besar suhu udara yang sedang terjadi dalam suatu ruangan. Alat ini
sangat dibutuhkan sehari-hari untuk memperkirakan suhu yang sedang terjadi, namun hingga
saat nin sebagian masyarakat masih saja m embeli alat ini di pasaran padahal mereka dapat
membuatnya sendiri. Termometer ruang ini tersiri dari bagian-bagian yang menopangnya,
yaitu control menggunakan IC ATMEGA8535, adaptor sebagai pencatu daya, LCD sebagai
tampilan output, serta sensor suhu menggunakan IC LM35.

                                                                           LCD


                                                                        MIKRO
       ARUS AC                         ADAPTOR                        KONTROLER


                                                                     SENSOR SUHU
                                                                        (LM35)
BAB 2. METODOLOGI PERCOBAAN


2.1 Alat dan Komponen
    1. Komponen Adaptor
       •   Trafo 1 Amper

       •   Dioda 1 amper

       •   Capasitor 35 Volt/2200 μF

       •   Capasitor 16 volt/1000 μF

       •   IC Regulator 7812

       •   IC Regulator 7912

       •   Kabel AC

       •   PCB Lubang
    2. Komponen Mikrokontroler
       •   IC ATmega8535

       •   Xtall 12000

       •   Capasitor 16 volt/47 μF

       •   IC Regulator 7805

       •   Tombol reset

       •   Black houseing

       •   Header

       •   Dioda 1 amper

       •   Cramic 33 pF

       •   LED

       •   Kabel pelangi 10 warna

       •   Resistor
    3. Sensor Suhu IC LM35
    4. LCD 2 x 16
2.2 Gambar Rangakaian Percobaan




                                 Rangkaian Adaptor




                            Rangkaian Sistem Minimum




2.3 Cara Kerja
        1. Merangkai adaptor seperti ganbar rangkaian
        2. Merangkai mikrokontroler seperti gambar rangkaian
        3. Menghubungkan mikro kontroler dengan IC LM35
        4. Menghubungkan mikro kontroler dengan LCD
5. Memprogram mikrokontroler.




                                 BAB 3. PEMBAHASAN


     Pada kesempatan ini, klompok kami mencoba untuk membuat termometer ruang
sendiri. Termometr ruang ini terdiri dari beberapa bagian, yaitu: adaptor sebagai pencatu
daya, mikrokontroler menggunakan IC ATMEGA8535, sensor suhu menggunakan IC LM35,
serta LCD sebagai penampil outputnya.
3.1 Pencatu Daya
     Perangkat elektronika mestinya dicatu oleh suplai arus searah DC (direct current) yang
stabil agar dapat bekerja dengan baik. Baterai atau accu adalah sumber catu daya DC yang
paling baik. Namun untuk aplikasi yang membutuhkan catu daya lebih besar, sumber dari
baterai tidak cukup. Sumber catu daya yang besar adalah sumber bolak-balik AC (alternating
current) dari pembangkit tenaga listrik. Untuk itu diperlukan suatu perangkat catu daya yang
dapat mengubah arus AC menjadi DC.
3.2 Mikrokontroler
     Mikrokontroler    merupakan     suatu    terobasan   teknologi    mikroprosesor    dan
mikrokomputer yang merupakan teknologi semikonduktor dengan kandungan transistor yang
lebih banyak namun hanya membutuhkan ruang yang sangast kecil, Lebih lanjut,
mikrokontroler merupakan system computer yang mempunyai satu atau beberapa tugas yang
sangat spesifik, berbeda dengan PC (Personal Computer ) yang memiliki beragam fungsi.
Tidak seperti sistem komputer yang mampu menangani berbagai macam program aplikasi,
mikrokontrler hanya bisa digunakan untuk suatu aplikasi tertentu saja, perbedaan lainnya
terletak pada perbandingan RAM dan ROM. Pada sistem komputer perbandingan RAM dan
ROM nya besar, artinya program-program penggunba disimpan dalam ruang RAM yang
relative besar, sedangkan rutin-rutin antar muka perangkat keras disimpan dalam ruang ROM
yang kecil, Sedangkan pada mikrokontroler, perbandingan ROM dan RAM –nya yang besar,
artinya program kontrol disimpan dalm ROM (bias Masked ROM atau Flash PEROM) yang
ukurannya relatif lebih besar, sedangkan RAM digunakan sebagai tempat penyimpanan
sementara , termasuk register-register yang digunakn pada mikrokontroler yang bersangkutan.


Mikrokontroler ATMega8535
Mikrokontroler merupakan keseluruhan sistem komputer yang dikemas menjadi sebuah
chip di mana di dalamnya sudah terdapat Mikroprosesor, I/O, Memori bahkan ADC, berbeda
dengan Mikroprosesor yang berfungsi sebagai pemroses data (Heryanto, dkk, 2008:1).
     Mikrokontroller AVR (Alf and Vegard’s Risc processor) memiliki arsitektur 8 bit,
dimana semua instruksi dikemas dalam kode 16-bit dan sebagian besar instruksi dieksekusi
dalam 1 siklus clock atau dikenal dengan teknologi RISC (Reduced Instruction Set
Computing). Secara umum, AVR dapat dikelompokan ke dalam 4 kelas, yaitu keluarga
AT90Sxx, keluarga ATMega dan AT86RFxx. Pada dasarnya yang membedakan masing-
masing adalah kapasitas memori, peripheral dan fungsinya (Heryanto, dkk, 2008:1). Dari segi
arsitektur dan instruksi yang digunakan, mereka bisa dikatakan hampir sama. Berikut ini
gambar Mikrokontroler Atmega8535.




                          Gambar 2.1 Mikrokontroler ATMega8535




                          Gambar 2.2 Konfigurasi Pin ATMega8535



Konfigurasi Pin ATMega8535
Secara umum konfigurasi dan fungsi pin ATMega8535 dapat dijelaskan sebagai berikut
1. VCC Input sumber tegangan (+)
   2. GND Ground (-)
   3. Port A (PA7 … PA0) Berfungsi sebagai input analog dari ADC (Analog to Digital
       Converter). Port ini juga berfungsi sebagai port I/O dua arah, jika ADC tidak
       digunakan.
   4. Port B (PB7 … PB0) Berfungsi sebagai port I/O dua arah. Port PB5, PB6 dan PB7
       juga berfungsi sebagai MOSI, MISO dan SCK yang dipergunakan pada proses
       downloading. Fungsi lain port ini selengkapnya bisa dibaca pada buku petunjuk ”AVR
       ATMega8535”.
   5. Port C (PC7 … PC0) Berfungsi sebagai port I/O dua arah. Fungsi lain port ini
       selengk apnya bisa dibaca pada buku petunjuk ”AVR ATMega8535”.
       Port D (PD7 … PD0) Berfungsi sebagai port I/O dua arah. Port PD0 dan PD1 juga
       berfungsi sebagai RXD dan TXD, yang dipergunakan untuk komunikasi serial. Fungsi
       lain port ini selengkapnya bisa dibaca pad a buku petunjuk ”AVR ATMega8535”.
   6. RESET Input reset.
   7. AVCC Input tegangan untuk Port A dan ADC.
   8. AREF Tegangan referensi untuk ADC.


Fitur Mikrokontroler ATMega8535
Adapun kapabilitas detail dari ATmega8535 adalah sebagai berikut,
   1. Sistem mikroprosesor 8 bit berbasis RISC dengan kecepatan maksimal 16 MHz.
   2. Kapabilitas memori flash 8 KB, SRAM sebesar 512 byte, dan EEPROM (Electrically
       Erasable Programmable Read Only Memori) sebesar 512 byte.
   3. ADC internal dengan fidelitas 10 bit sebanyak 8 channel.
   4. Portal komunikasi serial (USART) dengan kecepatan maksimal 2,5 Mbps.
   5. Enam pilihan mode sleep untuk menghemat penggunaan daya listrik.
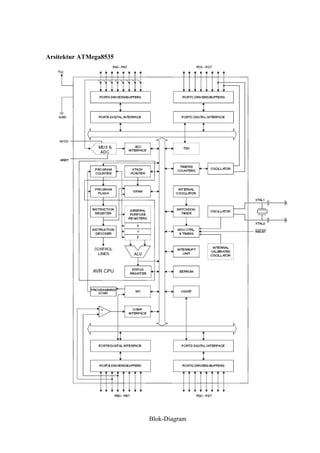
Arsitektur ATMega8535




                        Blok-Diagram
Gambar Blok diagram fungsional ATmega8535
Dari gambar blok diagram tersebut dapat dilihat bahwa ATMega8535 memiliki bagian-bagian
sebagai berikut :
   1. Saluran I/O sebanyak 32 buah, yaitu Port A,Port B,Port C dan Port D.
   2. ADC 8 channel 10 bit.
   3. Tiga buah Timer/Counter dengan kemampuan pembanding.
   4. CPU yang terdiri atas 32 buah register.
   5. Watchdog timer dengan osilator internal.
   6. SRAM sebesar 512 byte.
   7. Memori Flash sebesar 8 KB dengan kemampuan Read While Write.
   8. Interrupt internal dan eksternal
   9. Port antarmuka SPI (Serial Peripheral Interface).
   10. EEPROM sebesar 512 byte yang dapat diprogram saat operasi.
   11. Antarmuka komparator analog.
   12. Port USART untuk komunikasi serial


3.3 Sensor Suhu
      Sensor adalah jenis tranduser yang digunakan untuk mengubah besaran mekanis,
magnetis, panas, sinar, dan kimia menjadi tegangan dan arus listrik. Sensor sering digunakan
untuk pendeteksian pada saat melakukan pengukuran atau pengendalian. Beberapa jenis
sensor yang banyak digunakan dalam rangkaian elektronik antara lain sensor cahaya, sensor
suhu, dan sensor tekanan. Sensor suhu ada beberapa macam, namun disini kami
menggunakan sensor suhu jenis IC LM35. Sensor suhu menggunakan komponen utama
IC LM35 sebagai sensor suhu, lihat Gambar 2-1. LM35 merupakan sensor suhu yang
akurat dimana tegangan keluarannya berbanding lurus dengan suhu dalam derajat
celcius sebesar 10mV/ºC.




Sensor ini tidak memerlukan kalibrasi eksternal untuk menghasilkan ketelitian 0.25ºC pada
suhu kamar. Sedangkan kemampuan sensor ini untuk mengukur suhu terletak pada kisaran
-55º–150ºC dengan tegangan output antara -1 Vdc s/d + 6 Vdc. Tegangan negatif output
sensor menunjukkan suhu negatif.
SPESIFIKASI LM35
•   Jenis / tipe       : LM35
•   Satuan kalibrasi   : º celcius
•   Tegangan kerja             : 4 – 30 Vdc
•   Range suhu         : -55º – 150ºC
•   Linieritas         : +10 mV/ºC
•   Akurasi                    : 0,5ºC
•   Tegangan Output    : -1 Vdc s/d + 6 Vdc
•   Impedansi Output   : 0.1 : pada beban 1 mA.
•   Low Self heating   : 0.08ºC
Sumber : Datasheet LM35
      LM35 mempunyai output impedansi yang rendah sehingga akan mempermudah dalam
pembacaan dan kontrol. Konsumsi energi yang diperlukan IC ini sangat rendah 60 p A ,
sehingga tidak menimbulkan panas yang relatif besar atau kurang dari 0,1ºC. Sensor ini
menggunakan catu daya 4 – 30 Vdc
3.4 LCD
      Liquid Crystal Display (LCD) matriks adalah salah satu jenis tampilan yang dapat
digunakan untuk menampilkan karakter-karakter (angka, huruf dan karakter-karakter simbol
lainnya), LCD matriks disini digunakan untuk menampilkan kondisi nilai suhu yang sedang
terukur dalam suatu ruangan.
3.5 Cara Kerja Termometer Ruang dengan IC LM35


                                                                           LCD


                                                                        MIKRO
        ARUS AC                          ADAPTOR                      KONTROLER


                                                                     SENSOR SUHU
                                                                        (LM35)


Berdasarkan blok diagram diatas, arus AC Dari sumber tegangan akan diubah menjadi arus
DC. Adaptor ini di desain untuk mengeluarkan output ± 12V. selanjutnya tegangan 12 volt ini
digunakan untuk mensuplai system minimum, namun masih diregulasi lagi menjadi 5 volt.
System minimum ini menggunakan IC ATmega8535 dan dijalankan oleh program AVR agar
dapat bekerja sesuai perintah yang diberikan. Program akan membaca data suhu dari LM35,
kemudian mengkonversi nilai analog menjadi nilai suhu dalam besaran Celcius. Setelah itu
mengirimkan ke LCD melalui serial port.
BAB 4. PENUTUP


4.1 Kesimpulan
   1. Termometer ruang merupakan perangkat ukur yang sering kita gunakan dalam
       menentukan seberapa besar suhu udara yang sedang terjadi dalam suatu ruangan.
   2. Adaptor digunakan untuk mencatu daya dari AC menjadi DC.
   3. LM35 merupakan sensor suhu yang akurat dimana tegangan keluarannya berbanding
       lurus dengan suhu dalam derajat celcius sebesar 10 mV/derajat C.
   4. Mikrokontroler merupakan keseluruhan sistem komputer yang dikemas menjadi
       sebuah chip di mana di dalamnya sudah terdapat Mikroprosesor, I/O, Memori bahkan
       ADC, berbeda dengan Mikroprosesor yang berfungsi sebagai pemroses data.
   5. Mikrokontroler menggunakan IC ATMega16 dengan AVR sebagai program
       penjalannya.
   6. Termometer ruang terdiri dari 4 bagian,yaitu : adaptor, LCD, mikrokontroler, sensor
       suhu (IC LM35).


4.2 Saran
    Penulisan laporan ini jauh dari kesempurnaan, dan tidak disertai dengan data-data lebih
lanjut mengenai spesifikasi-spesifikasi dari masing-masing komponen. Oleh karena itu,
diharapkan pada penulisan laporan selanjutnya dapat melengkapi penulisan laporan ini.

sensor suhu LM35

  • 1.
    PENERAPAN SENSOR SUHUIC LM35 PADA TERMOMETER RUANG Oleh: Anggun Dian Syafitri NIM 091910201045 PROGRAM STUDI TEKNIK ELEKTRO FAKULTAS TEKNIK UNIVERSITAS JEMBER 2011
  • 2.
    PRAKATA Puji dan syukur marilah kita panjatkan kehadirat Allah SWT karena kita telah diberi curaha nikmat dan kasih sayang yang berlimpah ruah. Tidak lupa shalawat serta salam semoga terlimpah curahkan kepada junjungan kita Nabi Besar Muhammad SAW, keluarganya, sahabatnya, dan kita sebagai umatnya. Alhamdulillah kami telah menyelesaikan laporan percobaan mata kuliah Metode Penelitian tentang Penerapan IC LM35 pada Termometer Ruang yang merupakan salah satu tugas mata kuliah ini. Walaupun terdapat banyak kendala yang kami hadapi tetapi akhirnya kami bisa menyelesaikannya. Dalam laporan mata kuliah Metode Penelitian tentang Penerapan IC LM35 pada Termometer Ruang ini dijelaskan bahwa thermometer ruang dapat dibuat sendiri tanpa perlu kita membeli dengan memanfaatkan IC LM35. Oleh karena itu, kami berharap laporan ini bisa menjadikan ilmu dan manfaat bagi kita semua. Memang dalam penyusunan laporan mata kuliah Metode Penelitian tentang Penerapan IC LM35 pada Termometer Ruang ini kami rasa belum sempurna. Mungkin masih banyak kesalahan yang kami perbuat. Oleh karena itu, kami mohon maaf bila terdapat kesalahan baik dalam penulisan atau dalam teori. Semoga karya ini dapat dimanfaatkan dengan sebaik- baiknya dan digunakan di masa yang akan datang.
  • 3.
    DAFTAR ISI 1. HalamanSampul 2. Prakata 3. Daftar Isi 4. Bab 1. Pendahuluan 1.1 Latar Belakang 1.2 Tujuan 1.3 Dasar Teori 5. Bab 2. Metodologi Percobaan 2.1 Alat dan Komponen 2.2 Gambar Rangkaian Percobaan 2.3 Cara Kerja 6. Bab 3. Pembahasan 3.1 Catu Daya 3.2 Mikrokontroler 3.3 Sensor Suhu IC LM35 3.4 LCD 3.5 Cara Kerja Termometer Ruang dengan IC LM35 7. Bab 4. Penutup 4.1 Penutup 4.2 Saran
  • 4.
    BAB 1. PENDAHULUAN 1.1Latar Belakang Termometer ruang merupakan perangkat ukur yang sering kita gunakan dalam menentukan seberapa besar suhu udara yang sedang terjadi dalam suatu ruangan. Termometer ruang ni bekerja karena adanya sensor suhu. Ada banyak sensor suhu yang bisa dipakai dalam implementasi sistem monitoring suhu, salah satunya adalah IC LM35. Sebagai contol dari sensor tersebut, akan digunakan IC ATMEGA8535, dimana perangkat tersebut akan mengolah data actual yang berasal dari sensor suhu LM35. Oleh karenanya dibutuhkan termometer ruang yang menggunakan satuan ºC untuk mengukur suhu udara dalam ruangan. Penggunaan termometer ruangan memang mudah, namun prinsip dan cara kerja dalam termometer ruang belum banyak yang mengetahuinya. Maka dari itu, kami melakukan percobaan membuat sendiri termometer ruang menggunakan sensor suhu IC LM35. 1.2 Tujuan 1. Agar mahasiswa mengerti dan mengetahui bagaimana prinsip kerja dari IC LM35. 2. Agar mahasiswa mengetahui bagaimana pengaplikasian dari IC LM35. 1.3 Dasar Teori Termometer ruang merupakan perangkat ukur yang sering kita gunakan dalam menentukan seberapa besar suhu udara yang sedang terjadi dalam suatu ruangan. Alat ini sangat dibutuhkan sehari-hari untuk memperkirakan suhu yang sedang terjadi, namun hingga saat nin sebagian masyarakat masih saja m embeli alat ini di pasaran padahal mereka dapat membuatnya sendiri. Termometer ruang ini tersiri dari bagian-bagian yang menopangnya, yaitu control menggunakan IC ATMEGA8535, adaptor sebagai pencatu daya, LCD sebagai tampilan output, serta sensor suhu menggunakan IC LM35. LCD MIKRO ARUS AC ADAPTOR KONTROLER SENSOR SUHU (LM35)
  • 5.
    BAB 2. METODOLOGIPERCOBAAN 2.1 Alat dan Komponen 1. Komponen Adaptor • Trafo 1 Amper • Dioda 1 amper • Capasitor 35 Volt/2200 μF • Capasitor 16 volt/1000 μF • IC Regulator 7812 • IC Regulator 7912 • Kabel AC • PCB Lubang 2. Komponen Mikrokontroler • IC ATmega8535 • Xtall 12000 • Capasitor 16 volt/47 μF • IC Regulator 7805 • Tombol reset • Black houseing • Header • Dioda 1 amper • Cramic 33 pF • LED • Kabel pelangi 10 warna • Resistor 3. Sensor Suhu IC LM35 4. LCD 2 x 16
  • 6.
    2.2 Gambar RangakaianPercobaan Rangkaian Adaptor Rangkaian Sistem Minimum 2.3 Cara Kerja 1. Merangkai adaptor seperti ganbar rangkaian 2. Merangkai mikrokontroler seperti gambar rangkaian 3. Menghubungkan mikro kontroler dengan IC LM35 4. Menghubungkan mikro kontroler dengan LCD
  • 7.
    5. Memprogram mikrokontroler. BAB 3. PEMBAHASAN Pada kesempatan ini, klompok kami mencoba untuk membuat termometer ruang sendiri. Termometr ruang ini terdiri dari beberapa bagian, yaitu: adaptor sebagai pencatu daya, mikrokontroler menggunakan IC ATMEGA8535, sensor suhu menggunakan IC LM35, serta LCD sebagai penampil outputnya. 3.1 Pencatu Daya Perangkat elektronika mestinya dicatu oleh suplai arus searah DC (direct current) yang stabil agar dapat bekerja dengan baik. Baterai atau accu adalah sumber catu daya DC yang paling baik. Namun untuk aplikasi yang membutuhkan catu daya lebih besar, sumber dari baterai tidak cukup. Sumber catu daya yang besar adalah sumber bolak-balik AC (alternating current) dari pembangkit tenaga listrik. Untuk itu diperlukan suatu perangkat catu daya yang dapat mengubah arus AC menjadi DC. 3.2 Mikrokontroler Mikrokontroler merupakan suatu terobasan teknologi mikroprosesor dan mikrokomputer yang merupakan teknologi semikonduktor dengan kandungan transistor yang lebih banyak namun hanya membutuhkan ruang yang sangast kecil, Lebih lanjut, mikrokontroler merupakan system computer yang mempunyai satu atau beberapa tugas yang sangat spesifik, berbeda dengan PC (Personal Computer ) yang memiliki beragam fungsi. Tidak seperti sistem komputer yang mampu menangani berbagai macam program aplikasi, mikrokontrler hanya bisa digunakan untuk suatu aplikasi tertentu saja, perbedaan lainnya terletak pada perbandingan RAM dan ROM. Pada sistem komputer perbandingan RAM dan ROM nya besar, artinya program-program penggunba disimpan dalam ruang RAM yang relative besar, sedangkan rutin-rutin antar muka perangkat keras disimpan dalam ruang ROM yang kecil, Sedangkan pada mikrokontroler, perbandingan ROM dan RAM –nya yang besar, artinya program kontrol disimpan dalm ROM (bias Masked ROM atau Flash PEROM) yang ukurannya relatif lebih besar, sedangkan RAM digunakan sebagai tempat penyimpanan sementara , termasuk register-register yang digunakn pada mikrokontroler yang bersangkutan. Mikrokontroler ATMega8535
  • 8.
    Mikrokontroler merupakan keseluruhansistem komputer yang dikemas menjadi sebuah chip di mana di dalamnya sudah terdapat Mikroprosesor, I/O, Memori bahkan ADC, berbeda dengan Mikroprosesor yang berfungsi sebagai pemroses data (Heryanto, dkk, 2008:1). Mikrokontroller AVR (Alf and Vegard’s Risc processor) memiliki arsitektur 8 bit, dimana semua instruksi dikemas dalam kode 16-bit dan sebagian besar instruksi dieksekusi dalam 1 siklus clock atau dikenal dengan teknologi RISC (Reduced Instruction Set Computing). Secara umum, AVR dapat dikelompokan ke dalam 4 kelas, yaitu keluarga AT90Sxx, keluarga ATMega dan AT86RFxx. Pada dasarnya yang membedakan masing- masing adalah kapasitas memori, peripheral dan fungsinya (Heryanto, dkk, 2008:1). Dari segi arsitektur dan instruksi yang digunakan, mereka bisa dikatakan hampir sama. Berikut ini gambar Mikrokontroler Atmega8535. Gambar 2.1 Mikrokontroler ATMega8535 Gambar 2.2 Konfigurasi Pin ATMega8535 Konfigurasi Pin ATMega8535 Secara umum konfigurasi dan fungsi pin ATMega8535 dapat dijelaskan sebagai berikut
  • 9.
    1. VCC Inputsumber tegangan (+) 2. GND Ground (-) 3. Port A (PA7 … PA0) Berfungsi sebagai input analog dari ADC (Analog to Digital Converter). Port ini juga berfungsi sebagai port I/O dua arah, jika ADC tidak digunakan. 4. Port B (PB7 … PB0) Berfungsi sebagai port I/O dua arah. Port PB5, PB6 dan PB7 juga berfungsi sebagai MOSI, MISO dan SCK yang dipergunakan pada proses downloading. Fungsi lain port ini selengkapnya bisa dibaca pada buku petunjuk ”AVR ATMega8535”. 5. Port C (PC7 … PC0) Berfungsi sebagai port I/O dua arah. Fungsi lain port ini selengk apnya bisa dibaca pada buku petunjuk ”AVR ATMega8535”. Port D (PD7 … PD0) Berfungsi sebagai port I/O dua arah. Port PD0 dan PD1 juga berfungsi sebagai RXD dan TXD, yang dipergunakan untuk komunikasi serial. Fungsi lain port ini selengkapnya bisa dibaca pad a buku petunjuk ”AVR ATMega8535”. 6. RESET Input reset. 7. AVCC Input tegangan untuk Port A dan ADC. 8. AREF Tegangan referensi untuk ADC. Fitur Mikrokontroler ATMega8535 Adapun kapabilitas detail dari ATmega8535 adalah sebagai berikut, 1. Sistem mikroprosesor 8 bit berbasis RISC dengan kecepatan maksimal 16 MHz. 2. Kapabilitas memori flash 8 KB, SRAM sebesar 512 byte, dan EEPROM (Electrically Erasable Programmable Read Only Memori) sebesar 512 byte. 3. ADC internal dengan fidelitas 10 bit sebanyak 8 channel. 4. Portal komunikasi serial (USART) dengan kecepatan maksimal 2,5 Mbps. 5. Enam pilihan mode sleep untuk menghemat penggunaan daya listrik.
  • 10.
  • 11.
    Gambar Blok diagramfungsional ATmega8535 Dari gambar blok diagram tersebut dapat dilihat bahwa ATMega8535 memiliki bagian-bagian sebagai berikut : 1. Saluran I/O sebanyak 32 buah, yaitu Port A,Port B,Port C dan Port D. 2. ADC 8 channel 10 bit. 3. Tiga buah Timer/Counter dengan kemampuan pembanding. 4. CPU yang terdiri atas 32 buah register. 5. Watchdog timer dengan osilator internal. 6. SRAM sebesar 512 byte. 7. Memori Flash sebesar 8 KB dengan kemampuan Read While Write. 8. Interrupt internal dan eksternal 9. Port antarmuka SPI (Serial Peripheral Interface). 10. EEPROM sebesar 512 byte yang dapat diprogram saat operasi. 11. Antarmuka komparator analog. 12. Port USART untuk komunikasi serial 3.3 Sensor Suhu Sensor adalah jenis tranduser yang digunakan untuk mengubah besaran mekanis, magnetis, panas, sinar, dan kimia menjadi tegangan dan arus listrik. Sensor sering digunakan untuk pendeteksian pada saat melakukan pengukuran atau pengendalian. Beberapa jenis sensor yang banyak digunakan dalam rangkaian elektronik antara lain sensor cahaya, sensor suhu, dan sensor tekanan. Sensor suhu ada beberapa macam, namun disini kami menggunakan sensor suhu jenis IC LM35. Sensor suhu menggunakan komponen utama IC LM35 sebagai sensor suhu, lihat Gambar 2-1. LM35 merupakan sensor suhu yang akurat dimana tegangan keluarannya berbanding lurus dengan suhu dalam derajat celcius sebesar 10mV/ºC. Sensor ini tidak memerlukan kalibrasi eksternal untuk menghasilkan ketelitian 0.25ºC pada suhu kamar. Sedangkan kemampuan sensor ini untuk mengukur suhu terletak pada kisaran -55º–150ºC dengan tegangan output antara -1 Vdc s/d + 6 Vdc. Tegangan negatif output sensor menunjukkan suhu negatif.
  • 12.
    SPESIFIKASI LM35 • Jenis / tipe : LM35 • Satuan kalibrasi : º celcius • Tegangan kerja : 4 – 30 Vdc • Range suhu : -55º – 150ºC • Linieritas : +10 mV/ºC • Akurasi : 0,5ºC • Tegangan Output : -1 Vdc s/d + 6 Vdc • Impedansi Output : 0.1 : pada beban 1 mA. • Low Self heating : 0.08ºC Sumber : Datasheet LM35 LM35 mempunyai output impedansi yang rendah sehingga akan mempermudah dalam pembacaan dan kontrol. Konsumsi energi yang diperlukan IC ini sangat rendah 60 p A , sehingga tidak menimbulkan panas yang relatif besar atau kurang dari 0,1ºC. Sensor ini menggunakan catu daya 4 – 30 Vdc 3.4 LCD Liquid Crystal Display (LCD) matriks adalah salah satu jenis tampilan yang dapat digunakan untuk menampilkan karakter-karakter (angka, huruf dan karakter-karakter simbol lainnya), LCD matriks disini digunakan untuk menampilkan kondisi nilai suhu yang sedang terukur dalam suatu ruangan. 3.5 Cara Kerja Termometer Ruang dengan IC LM35 LCD MIKRO ARUS AC ADAPTOR KONTROLER SENSOR SUHU (LM35) Berdasarkan blok diagram diatas, arus AC Dari sumber tegangan akan diubah menjadi arus DC. Adaptor ini di desain untuk mengeluarkan output ± 12V. selanjutnya tegangan 12 volt ini
  • 13.
    digunakan untuk mensuplaisystem minimum, namun masih diregulasi lagi menjadi 5 volt. System minimum ini menggunakan IC ATmega8535 dan dijalankan oleh program AVR agar dapat bekerja sesuai perintah yang diberikan. Program akan membaca data suhu dari LM35, kemudian mengkonversi nilai analog menjadi nilai suhu dalam besaran Celcius. Setelah itu mengirimkan ke LCD melalui serial port.
  • 14.
    BAB 4. PENUTUP 4.1Kesimpulan 1. Termometer ruang merupakan perangkat ukur yang sering kita gunakan dalam menentukan seberapa besar suhu udara yang sedang terjadi dalam suatu ruangan. 2. Adaptor digunakan untuk mencatu daya dari AC menjadi DC. 3. LM35 merupakan sensor suhu yang akurat dimana tegangan keluarannya berbanding lurus dengan suhu dalam derajat celcius sebesar 10 mV/derajat C. 4. Mikrokontroler merupakan keseluruhan sistem komputer yang dikemas menjadi sebuah chip di mana di dalamnya sudah terdapat Mikroprosesor, I/O, Memori bahkan ADC, berbeda dengan Mikroprosesor yang berfungsi sebagai pemroses data. 5. Mikrokontroler menggunakan IC ATMega16 dengan AVR sebagai program penjalannya. 6. Termometer ruang terdiri dari 4 bagian,yaitu : adaptor, LCD, mikrokontroler, sensor suhu (IC LM35). 4.2 Saran Penulisan laporan ini jauh dari kesempurnaan, dan tidak disertai dengan data-data lebih lanjut mengenai spesifikasi-spesifikasi dari masing-masing komponen. Oleh karena itu, diharapkan pada penulisan laporan selanjutnya dapat melengkapi penulisan laporan ini.