Dept. of CE, GCE Kannur Dr.RajeshKN
Design of Columns and
Footings
Dr. Rajesh K. N.
Assistant Professor in Civil Engineering
Govt. College of Engineering, Kannur
Design of Concrete Structures
Dept. of CE, GCE Kannur Dr.RajeshKN
2
(Analysis and design in Module II, III and IV should be based on Limit State
Method. Reinforcement detailing shall conform to SP34)
MODULE IV (13 hours)
Design of Compression Members: Effective length and classification as
per IS 456, short columns subjected to axial compression with and
without uniaxial/biaxial eccentricities; slender columns - Use of SP 16
charts.
Design of Footings: Wall footings, isolated footings – axial and
eccentric loading, rectangular and trapezoidal combined footings.
Dept. of CE, GCE Kannur Dr.RajeshKN
Columns
Dept. of CE, GCE Kannur Dr.RajeshKN
Columns
• A ‘compression member’ is a structural element which is subjected
(predominantly) to axial compressive forces.
• Compression members are most commonly encountered in
reinforced concrete buildings as columns
• Column is a compression member, the ‘effective length’ of which
exceeds three times the least lateral dimension (Cl. 25.1.1)
• ‘Pedestal’ is a vertical compression member whose ‘effective length’
is less than three times its least lateral dimension [Cl. 26.5.3.1(h)].
Dept. of CE, GCE Kannur Dr.RajeshKN
1) Tied columns: where the main longitudinal bars are enclosed
within closely spaced lateral ties
2) Spiral columns: where the main longitudinal bars are enclosed
within closely spaced and continuously wound spiral reinforcement
3) Composite columns: where the reinforcement is in the form of
structural steel sections or pipes, with or without longitudinal bars
Classification of Columns Based on Type of Reinforcement
Dept. of CE, GCE Kannur Dr.RajeshKN
6
1. Columns with axial loading (applied concentrically)
2. Columns with uniaxial eccentric loading
3. Columns with biaxial eccentric loading
Classification of Columns Based on Type of Loading
P
ex
ey
axial compression with
biaxial bending.
P
e
axial compression with
uniaxial bending.
P
axial compression
Dept. of CE, GCE Kannur Dr.RajeshKN
7
statically
equivalent to
The combination of
axial compression (Pu)
with bending moment
(Mu) at any column
section
Load P applied with an
eccentricity e = Mu/Pu with
respect to the longitudinal
centroidal axis of the
column section.
Dept. of CE, GCE Kannur Dr.RajeshKN
1. Short columns: slenderness ratios with respect to the ‘major
principal axis’ (lex/Dx) as well as the ‘minor principal axis’
(ley/Dy) are both less than 12
2. Slender (or long) columns.
Classification of Columns Based on Slenderness Ratios (Cl. 25.1.2),
• ‘Slenderness ratio’ is the ratio of ‘effective length’ to its
lateral dimension
• It provides a measure of the vulnerability to failure of the
column by elastic instability (buckling). Buckling tendency
varies with slenderness ratio.
Dept. of CE, GCE Kannur Dr.RajeshKN
• Columns with low slenderness ratios fail under ultimate loads
with the material (concrete, steel) reaching its ultimate
compressive strength, and not by buckling
• Columns with very high slenderness ratios may undergo
buckling (with large lateral deflection) under relatively low
compressive loads, and fail suddenly.
Dept. of CE, GCE Kannur Dr.RajeshKN
Effective length of a column
The effective length of a column in a given plane is defined as the
distance between the points of inflection in the buckled
configuration of the column in that plane.
The effective length depends on the unsupported length l and
the boundary conditions at the column ends
Code (Cl. 25.1.3) defines the ‘unsupported length’ l of a column
explicitly for various types of constructions.
Unsupported Length
Dept. of CE, GCE Kannur Dr.RajeshKN
Both ends fixed
One end fixed and the
other hinged
One end fixed and the
other end free
Both ends hinged
Effective lengthEnd conditions
2l
2l
l
2l
Effective lengths for idealised boundary conditions (Euler’s theory)
Dept. of CE, GCE Kannur Dr.RajeshKN
Use of Code Charts
Charts are given in Fig. 26 and Fig. 27 of the Code for determining
the effective length ratios of braced columns and unbraced columns
respectively in terms of coefficients β1 and β2 which represent the
degrees of rotational freedom at the top and bottom ends of the
column.
Code recommendations for idealised boundary conditions (Cl. E–1)
Dept. of CE, GCE Kannur Dr.RajeshKN
Recommended effective length ratios for normal usage (Table 28, Page 94)
1. columns braced against sideway:
a) both ends ‘fixed’ rotationally : 0.65
b) one end ‘fixed’ and the other ‘pinned : 0.80
c) both ends ‘free’ rotationally (‘pinned’) : 1.00
2. columns unbraced against sideway:
a) both ends ‘fixed’ rotationally : 1.20
b) one end ‘fixed’ and the other ‘partially fixed’ : 1.50
c) one end ‘fixed’ and the other free : 2.00
Dept. of CE, GCE Kannur Dr.RajeshKN
Eccentric loading
The general case of loading on a compression member is axial
compression combined with biaxial bending.
• A state of biaxial eccentric compression
• Axial load P acts eccentric to the longitudinal centroidal axis of the
column cross section, with eccentricities ex and ey with respect to the
major and minor principal axes
Dept. of CE, GCE Kannur Dr.RajeshKN
Code requirements on slenderness limits, minimum
eccentricities and reinforcement
Slenderness Limits (Cl. 25.3.1)
Ratio of the unsupported length (l) to the least lateral dimension (d)
of a column
Furthermore, in case of cantilevered column,
where D is the depth of the cross-section measured in the plane of
the cantilever and b is the width (in the perpendicular direction)
(Cl. 25.3.2) .
Dept. of CE, GCE Kannur Dr.RajeshKN
Very often, indirect eccentricities may arise due to:
• lateral loads not considered in design;
• live load placements not considered in design;
• accidental lateral/eccentric loads;
• errors in construction (such as misalignments); and
• slenderness effects underestimated in design.
Hence, the Code requires every column to be designed for a minimum
eccentricity emin (in any plane) equal to:
• unsupported length/500 plus lateral dimension/30,
• subject to a minimum of 20 mm.
Minimum eccentricities (Cl. 25.4)
Dept. of CE, GCE Kannur Dr.RajeshKN
Thus, for a column with a rectangular section:
500 30
20
whichever is greater
mm
,min
x
x
l D
e
+⎧
= ⎨
⎩
500 30
20
whichever is greater
mm
,min
y
y
l D
e
+⎧
= ⎨
⎩
Dept. of CE, GCE Kannur Dr.RajeshKN
Code Requirements on Reinforcement and Detailing
Longitudinal Reinforcement (Cl. 26.5.3.1)
Minimum Reinforcement: The longitudinal bars must have a
cross sectional area not less than 0.8 percent of the gross
area of the column section.
Maximum Reinforcement: The maximum cross-sectional area of
longitudinal bars should not exceed 6 percent of the gross
area of the column section.
But a reduced maximum limit of 4 percent is
recommended in general for better placement and
compaction of concrete and also at lapped splice locations.
Dept. of CE, GCE Kannur Dr.RajeshKN
A minimum limit is specified by the Code inorder to:
• ensure nominal flexural resistance under unforeseen
eccentricities in loading; and
• prevent the yielding of the bars due to creep and shrinkage
effects, which result in a transfer of load from the concrete to the
steel.
Dept. of CE, GCE Kannur Dr.RajeshKN
Minimum diameter / number of bars and their location:
Longitudinal bars in columns (and pedestals) should not be less
than 12 mm in diameter
and should not be spaced more than 300 mm apart (centre-to-
centre) along the periphery of the column
At least 4 bars should be provided in a column with
rectangular cross-section (one at each corner),
and at least 6 bars) in a circular column (equally spaced near
the periphery.
Dept. of CE, GCE Kannur Dr.RajeshKN
• A minimum clear cover of 40 mm or bar diameter (whichever is
greater), to the column ties is recommended for columns in general
• In small-sized columns (D < 200 mm and whose reinforcing bars
do not exceed 12mm) a reduced clear cover of 25 mm is permitted
Cover to reinforcement (Cl. 26.4.2.1) :
Dept. of CE, GCE Kannur Dr.RajeshKN
Transverse Reinforcement (Cl. 26.5.3.2)
General: All longitudinal reinforcement in a compression
member must be enclosed within transverse reinforcement,
comprising either lateral ties (with internal angles not
exceeding 135o) or spirals.
This is required:
• to prevent the premature buckling of individual bars;
• to confine the concrete in the ‘core’, thus improving
ductility and strength;
• to hold the longitudinal bars in position during
construction; and
• to provide resistance against shear and torsion, if
required.
Dept. of CE, GCE Kannur Dr.RajeshKN
tie diameter
tie spacing
Lateral Ties:
φlong is the diameter of longitudinal bar to be tied
D is the least lateral dimension of the column
4
6mm
,maxlong
t
φ
φ
⎧
= ⎨
⎩
16
300mm
,mint long
D
s φ
⎧
⎪
= ⎨
⎪
⎩
where
Dept. of CE, GCE Kannur Dr.RajeshKN
Helical reinforcement provides very good confinement to the concrete
in the ‘core’ and enhances ductility of the column at ultimate loads.
The diameter and pitch of the spiral may be computed as in the case
of ties— except when the column is designed to carry a 5 percent
overload (as permitted by the Code), in which case
pitch
and
Spirals:
Dept. of CE, GCE Kannur Dr.RajeshKN
DESIGN OF SHORT COLUMNS UNDER AXIAL COMPRESSION
Equilibrium of Axial Loading
If fcc and fsc denote respectively the stresses in the concrete and the
longitudinal steel, corresponding to the uniform compressive strain εc ,
then it follows that
Ag = gross area of cross-section = Ac + Asc ;
Asc = total area of longitudinal reinforcement
Ac = net area of concrete in the section = Ag – Asc
0 c sP C C= + cc c sc scf A f A= +
( )cc g sc sc scf A A f A= − +
( )cc g sc cc scf A f f A= + −
Dept. of CE, GCE Kannur Dr.RajeshKN
Design Strength of Axially Loaded Short Columns (Cl. 39.3)
Where the calculated minimum eccentricity (in any plane) does
not exceed 0.05 times the lateral dimension (in the plane
considered), members may be designed by a simplified equation:
( )0 4 0 67 0 4. . .u ck g y ck scP f A f f A= + −
Dept. of CE, GCE Kannur Dr.RajeshKN
Design the reinforcement in a column of size 450 mm x 600 mm,
subject to an axial load of 2000 kN. The column has an unsupported
length of 3.0m and is braced against sidesway in both directions. Use
M 20 concrete and Fe 415 steel.
1. Short Column or Slender Column?
Given: lx = ly = 3000 mm, Dy = 450 mm, Dx = 600 mm
slenderness ratios
• Effective length ratios kx and ky are less than unity (since the column
is braced against sideway in both directions,)
•and hence the slenderness ratios are both less than 12.
• Hence, the column may be designed as a short column.
Design problem 1
3000 600 5
3000 450 6 67.
ex x x x x x x
ey y y y y y y
l D k l D k k
l D k l D k k
= = × =⎧
= ⎨
= = × =⎩
Dept. of CE, GCE Kannur Dr.RajeshKN
2. Minimum Eccentricities
500 30
20
whichever is greater
mm
,min
x
x
l D
e
+⎧
= ⎨
⎩
3000 500 450 30
20
whichever is greater
mm
,minye
+⎧
= ⎨
⎩
3000 500 600 30
20
whichever is greater
mm
,minxe
+⎧
= ⎨
⎩
26mm=
21mm=
As 0.05Dx = 0.05 x 600 = 30.0 mm > ex,min = 26.0 mm
and 0.05Dy = 0.05 x 450 = 22.5 mm > ey,min = 21.0 mm,
the Code formula for axially loaded short columns can be used.
( )0 4 0 67 0 4. . .u ck g y ck scP f A f f A= + −
Dept. of CE, GCE Kannur Dr.RajeshKN
3. Factored Load Pu = 2000 x 1.5 = 3000 kN
4. Design of Longitudinal Reinforcement
( )3
3000 10 0 4 20 450 600 0 67 415 0 4 20. . . scA× = × × × + × − ×
Asc = 3111 mm2
Provide 4–25 ϕ at corners : 4 x 491 = 1964 mm2
and 4–20 ϕ additional: 4 x 314 = 1256 mm2
Asc = 3220 mm2 > 3111 mm2
p = (100x3220) / (450x600) = 1.192 > 0.8 (minimum reinf.) — OK.
( )0 4 0 67 0 4. . .u ck g y ck scP f A f f A= + −
Dept. of CE, GCE Kannur Dr.RajeshKN
tie diameter
tie spacing
5. Lateral Ties:
4
6mm
,maxlong
t
φ
φ
⎧
= ⎨
⎩
16
300mm
,mint long
D
s φ
⎧
⎪
= ⎨
⎪
⎩
25 4
6mm
⎧
= ⎨
⎩
450
16 20 320
300mm
⎧
⎪
= × =⎨
⎪
⎩
Hence provide 8 φ ties @ 300 c/c
Dept. of CE, GCE Kannur Dr.RajeshKN
600
450
4#20ϕ
4#25ϕ8ϕ@300c/c
6. Detailing
Dept. of CE, GCE Kannur Dr.RajeshKN
DESIGN OF SHORT COLUMNS UNDER COMPRESSION WITH
UNIAXIAL BENDING
Using the design aids given in SP:16, design the longitudinal
reinforcement in a rectangular reinforced concrete column of size 300
mm × 600 mm subjected to a factored load of 1400 kN and a factored
moment of 280 kNm with respect to the major axis. Assume M20
concrete and Fe415 steel.
Given: b = 300 mm, D = 600 mm, fck = 20 MPa, fy = 415 MPa,
Pu = 1400 kN, Mux = 280 kNm
Design problem 2
Arrangement of bars:
SP : 16 Charts for “equal reinforcement on four sides” may be used.
(Charts 43-46 )
Dept. of CE, GCE Kannur Dr.RajeshKN
Assuming an effective cover d‘ = 60 mm d‘/D = 60/600 = 0.1
u
ck
P
f bd
3
1400 10
20 300 600
×
=
× ×
0 389.=
2
u
ck
M
f bd
6
2
280 10
20 300 600
×
=
× ×
0 13.=
Referring to Chart 44 of SP : 16 d‘/D = 0.1
preqd = 0.11 × 20 = 2.2
As,reqd = 2.2 × 300 × 600/100 = 3960 mm2
Detailing of longitudinal reinforcement
preqd /20 = 0.11
Dept. of CE, GCE Kannur Dr.RajeshKN
Detailing
600
300
4#28ϕ at corners4#22ϕ inner rows
8ϕ@200c/c staggered
Dept. of CE, GCE Kannur Dr.RajeshKN
Code Procedure for Design of Biaxially Loaded Columns (Cl. 39.6)
DESIGN OF SHORT COLUMNS UNDER AXIAL COMPRESSION
WITH BIAXIAL BENDING
The simplified method adopted by the Code is based on Bresler’s
formulation
An approximate relationship between MuR,x and MuR,y (for a specified
Pu = PuR) is established.
This relationship is conveniently expressed in a non-dimensional form
as follows:
1 1
1
nn
uyux
ux uy
MM
M M
αα
⎛ ⎞⎛ ⎞
+ ≤⎜ ⎟⎜ ⎟ ⎜ ⎟
⎝ ⎠ ⎝ ⎠
where Mux and Muy denote the factored biaxial moments acting on the
column, and Mux1 and Muy1 denote the uniaxial moment capacities with
reference to the major and minor axes respectively, all under an
accompanying axial load Pu = PuR.
Dept. of CE, GCE Kannur Dr.RajeshKN
In biaxial loading, Code (Cl. 39.6) suggests the following equation,
applicable for all grades of steel:
0 45 0 75. .uz ck c y scP f A f A= +
where Ag denotes the gross area of the section and Asc the total area
of steel in the section.
αn = 1 for Pu/Puz < 0.2;
αn = 2 for Pu/Puz > 0.8; and
αn is assumed to vary linearly for values of Pu/Puz between 0.2 and 0.8
( )0 45 0 75 0 45. . .uz ck g y ck scP f A f f A= + −
Dept. of CE, GCE Kannur Dr.RajeshKN
1. Given Pu, Mux , Muy , verify that the eccentricities ex = Mux / Pu
and ey = Muy / Pu are not less than the corresponding minimum
eccentricities.
2. Assume a trial section for the column.
3. Determine Mux1 and Muy1 , corresponding to the given Pu (using
SP:16). Ensure that Mux1 and Muy1 are significantly greater than
Mux and Muy respectively; otherwise, suitably redesign the
section.
4. Determine Puz , and hence αn
5. Check the adequacy of the section; if necessary, redesign the
section and check again.
Code Procedure
Dept. of CE, GCE Kannur Dr.RajeshKN
A column (400 mm × 400 mm), effectively held in position but
restrained against rotation at one end, is subjected to factored loads: Pu
= 1300 kN, Mux = 190 kNmand Muy = 110 kNm. The unsupported
length of the column is 3.5m. Design the reinforcement in the column,
assuming M 25 concrete and Fe 415 steel.
Design problem 3
Given: Dx = Dy = 400 mm, l = 3500 mm, Pu = 1300 kN, Mux = 190 kNm,
Muy = 110 kNm, fck = 25MPa, fy = 415MPa.
1. Slenderness ratios
Effective length = 0.8l for the braced column,
lex = ley = 0.8 × 3500 = 2800 mm
lex/Dx = ley/Dy = 2800/400 = 7.0 < 12
Hence the column may be designed as a short column.
Dept. of CE, GCE Kannur Dr.RajeshKN
2. Check minimum eccentricities
Applied eccentricities:
ex = Mux / Pu = 190 × 103/1300 = 146 mm
ey = Muy / Pu = 110 × 103/1300 = 84.6 mm
Minimum eccentricities as per Code:
ex, min = ey, min = 3500/500 + 400/30 = 20.3 mm > 20 mm
The applied eccentricities are larger than the minimum eccentricities.
Dept. of CE, GCE Kannur Dr.RajeshKN
Assume longitudinal reinforcement percentage as 3.5%.
Designing for uniaxial eccentricity with Pu = 1300 kN and
3. Trial section: Longitudinal reinforcement
As,reqd = 3.5 × 4002/100 = 5600 mm2
Provide 12 – 25 dia: As = 491 × 12 = 5892 mm2 > 5600 mm2. The
arrangement of bars is shown in Figure??.
Uniaxial moment capacities: Mux1, Muy1 [Here, due to symmetry, Mux1
= Mux2]
= 0.325
u
ck
P
f bd
Dept. of CE, GCE Kannur Dr.RajeshKN
pprovided = 5892 × 100/4002 = 3.68
p/fck = 3.68/25 = 0.147
d’= 40 + 8 + 25/2 = 60.5 mm (assuming a clear cover of 40 mm and 8 mm ties)
d’/D = 60.5/400 = 0.151 = 0.15 (say)
Referring to Chart 45
2
u
ck
M
f bd
=0.165
Mux1 = Muy1 = 0.165 × 25 × 4003 = 264 × 106 Nmm
= 264 kNm
which is significantly greater than Mux = 190 kNm and Muy = 110 kNm
Dept. of CE, GCE Kannur Dr.RajeshKN
Values of Puz and αn
= (0.45 × 25 × 4002) + (0.75 × 415 – 0.45 × 25) × 5892
= (1800 × 103 + 1767.6 × 103) N = 3568 kN
Pu/Puz = 1300/3568 = 0.364 (which lies between 0.2 and 0.8)
( )0 45 0 75 0 45. . .uz ck g y ck scP f A f f A= + −
αn= 1.273
1 1
nn
uyux
ux uy
MM
M M
αα
⎛ ⎞⎛ ⎞
+ ⎜ ⎟⎜ ⎟ ⎜ ⎟
⎝ ⎠ ⎝ ⎠
1 273 1 273
190 110
264 264
. .
⎛ ⎞ ⎛ ⎞
= +⎜ ⎟ ⎜ ⎟
⎝ ⎠ ⎝ ⎠
= 0.986 < 1.0
Hence, the trial section is safe under the applied loading.
4. Check for biaxial bending
Dept. of CE, GCE Kannur Dr.RajeshKN
5. Transverse reinforcement
The minimum diameter ϕt and maximum spacing st of the lateral ties
are specified by the Code
tie diameter
tie spacing
4
6mm
,maxlong
t
φ
φ
⎧
= ⎨
⎩
16
300mm
,mint long
D
s φ
⎧
⎪
= ⎨
⎪
⎩
25 4
6mm
⎧
= ⎨
⎩
400
16 25 400
300mm
⎧
⎪
= × =⎨
⎪
⎩
Provide 8 ϕ ties@ 300 c/c
Dept. of CE, GCE Kannur Dr.RajeshKN
6. Detailing
Dept. of CE, GCE Kannur Dr.RajeshKN
DESIGN OF SLENDER COLUMNS
Code Procedures for Design of Slender Columns
a. Strength Reduction Coefficient Method (B-3.3 of the Code)
• This is a highly simplified procedure, which is given in the Code
for the working stress method of design
• Although this method has been prescribed for WSM, it can be
extended to the limit state method (LSM) for the case of axial loading
(without primary bending moments)
Dept. of CE, GCE Kannur Dr.RajeshKN
where d is the least lateral dimension of the column (or diameter of the
core in a spiral column). Alternatively, for more exact calculations,
1 25
160 min
. e
r
l
C
r
= −
where rmin is the least radius of gyration of the column.
According to this procedure the permissible stresses in concrete and
steel are reduced by multiplying with a strength reduction coefficient Cr
given by:
1 25
48
. e
r
l
C
d
= −
Dept. of CE, GCE Kannur Dr.RajeshKN
Additional Moment Method (Cl. 39.7.1)
The method prescribed by the Code for slender column design by
the limit state method is the ‘additional moment method’
According to this method, every slender column should be designed
for biaxial eccentricities (which include the P–∆ moment -
“additional moment”) components eax = Max/Pu and eay = May/Pu :
2
2000
u ex
ax
P D l
M
D
⎧ ⎫
= ⎨ ⎬
⎩ ⎭
2
2000
eyu
ay
lP b
M
b
⎧ ⎫
= ⎨ ⎬
⎩ ⎭
The total design moments ( )ux ux ax u x axM M M P e e= + = +
( )uy uy ay u y ayM M M P e e= + = +
Dept. of CE, GCE Kannur Dr.RajeshKN
Mux, Muy
are the primary factored moments (obtained
from first-order structural analyses)
are the additional moments with reference to bending
about the major and minor axes respectively.
Max, May
Dept. of CE, GCE Kannur Dr.RajeshKN
1
,
uz u
x
uz b x
P P
k
P P
−
= ≤
−
Pb is the axial load corresponding to the condition of max
compressive strain of 0.0035 in concrete and tensile strain of 0.002 in
outermost layer of compression steel
The additional moments Max, May may be reduced by multiplying factors
(Cl. 39.7.1.1) defined as:
1
,
uz u
y
uz b y
P P
k
P P
−
= ≤
−
Code recommends the following modifications for the design of
slender columns in general:
Dept. of CE, GCE Kannur Dr.RajeshKN
• For braced columns subject to unequal primary moments M1, M2 at
the two ends, the value of Mu to be considered in the computation of
the total moment uM
1 2 20 4 0 6 0 4. . .uM M M M= + ≥
2uM M≥
where M2 is the higher column end moment.
Also,
• M1 and M2 are considered to be of opposite signs if the column is
bent in double curvature.
Dept. of CE, GCE Kannur Dr.RajeshKN
Hence, for design purposes, the total moment may be taken as
2u aM M M= + for unbraced columns
• For unbraced columns, the lateral drift effect needs to be included.
An approximate way for this is by assuming that the additional moment
Ma acts at the column end where the maximum primary moment M2 is
present.
Dept. of CE, GCE Kannur Dr.RajeshKN
1. Determine the effective depth and slenderness ratio in each direction.
2. a) Determine initial moment Mui from given primary end moments
Mu1 and Mu2 in each direction.
b) Calculate emin and Mu,min in each direction.
c) Compare the moments computed in steps a and b and take the
greater of the two as initial moment Mui in each direction.
3. a) Find additional moment Ma in each direction.
b) Find total moment Mut in each direction, without considering
reduction factor ka .
c) Make preliminary design for Pu and Mut and find area of steel.
Thus p is known.
Procedure for design of slender columns
Dept. of CE, GCE Kannur Dr.RajeshKN
4. a) Get Puz . Also find Pb each direction, for the reinforcement
ration p obtained above.
b) Find reduction factor ka in each direction.
c) Determine the modified design value of moment in each
direction Mut = Mui + ka Ma.
5. Redesign the column for Pu and Mut . If the column is slender
about both the axes, design the column for biaxial bending, for (Pu , Muxt
) about x-axis and (Pu , Muyt ) about y-axis.
Dept. of CE, GCE Kannur Dr.RajeshKN
Design the longitudinal reinforcement for a braced column, 300 mm ×
400 mm, subject to a factored axial load of 1200 kN and factored
moments of 50 kNm and 30 kNm with respect to the major axis and
minor axis respectively at the top end. Assume that the column is bent
in double curvature (in both directions) with the moments at the bottom
end equal to 40 percent of the corresponding moments at top. Assume
an unsupported length of 7.2 m and an effective length ratio of 0.85 in
both directions. Use M 20 concrete and Fe 415 steel. Effective cover is 60
mm.
Dx = 400 mm, Dy = 300 mm,
Pu = 1200 kN;
Mux = 50 kNm, Muy = 30 kNm, at top;
Mux = 0.4x50 = 20 kNm, Muy = 0.4x30 = 12 kNm, at bottom;
l = 7200 mm, kx = ky = 0.85.
Given:
Braced slender column design problem 1
Dept. of CE, GCE Kannur Dr.RajeshKN
1. Slenderness ratios lex = ley = 0.85 × 7200 = 6120 mm
lex/Dx = 6120/400 = 15.3 > 12
ley/Dy = 6120/300 = 20.4 > 12
Hence, the column is slender about both the axes.
2. Minimum eccentricities & Minimum moments
( )
7200 500 300 30
20
greater
mm
,minye
+⎧
= ⎨
⎩
( )
7200 500 400 30
20
greater
mm
,minxe
+⎧
= ⎨
⎩
27 73 mm.=
24 4 mm.=
,min ,min.ux u xM P e= 1200 27 73.= × 33 276kNm.=
,min ,min.uy u yM P e= 1200 24 4.= × 29 28kNm.=
Dept. of CE, GCE Kannur Dr.RajeshKN
3. Primary moments for design
As the column is braced and bent in double curvature,
0 6 50 0 4 20 22kNm. .uxM = × − × = 0 4 50 20.≥ × =
0 6 30 0 4 12 13 2kNm. . .uyM = × − × = 0 4 30 12.≥ × =
Since the minimum moments are larger than these, the primary
moments for design are:
33 276kNm.uxM = 29 28kNm.uyM =
Dept. of CE, GCE Kannur Dr.RajeshKN
Without modification factor, additional eccentricities
eax = Dx (lex/Dx)2/2000 = 400 (15.3)2/2000 = 46.82 mm
eay = Dy (ley/Dy
)2/2000 = 300 (20.4)2/2000 = 62.42 mm
Assume modification factors kax = kay ≈ 0.5 (to be verified later),
Additional moments:
Max = Pu (kaxeax) = 1200(0.5 × 46.82 × 10-3) = 28.092 kNm
May = Pu (kayeay) = 1200(0.5 × 62.42 × 10-3) = 37.452 kNm
4. Additional moments
ux ux axM M M= + 33 276 28 092 61 368kNm. . .= + =
uy uy ayM M M= + 29 28 37 452 66 732 kNm. . .= + = 61 368kNm.uxM> =
5. Total factored moments
Dept. of CE, GCE Kannur Dr.RajeshKN
• Designing for a resultant uniaxial moment with respect to the
minor axis (y-axis),
2 2
1 15 61 368 66 732. . .uM ≅ + = 104.26 kNm
6. Trial section
combined with Pu = 1200 kNm
Pu/(fckbD) = (1200 × 103/(30 × 400 × 300) = 0.5
Mu/(fckbD2) = 104.26 × 106/(30 × 400 × 3002) = 0.144
d’/D ≈ 60/300 = 0.20
with “equal reinforcement on all sides”, referring to
Chart 46 of SP : 16,
p/fck = 0.19
Dept. of CE, GCE Kannur Dr.RajeshKN
→ preqd = 0.19 × 20 = 3.8
→ As,reqd = 3.8 × 300 × 400/100 = 4560 mm2
Provide 10–25 ϕ bars. 4909 > 4560
→ pprovided = 4909 × 100/(300 × 400) =4.09
→ p/fck = 4.09/20 = 0.2045
Dept. of CE, GCE Kannur Dr.RajeshKN
d’/Dx= 60/400 = 0.15 mm
d’/Dy= 60/300 = 0.2 mm
From Table 60 of SP :16, the ultimate loads Pb,x and Pb,y at balanced
failure can be determined.
7. Check additional moments
For d’/Dx = 0.15, k1= 0.196, k2= 0.203,
Puz = 0.45fck Ag + (0.75fy – 0.45fck)As
= (0.45 × 20 × 300 × 400) + (0.75 × 415 – 0.45 × 20) × 4909 = 2563.7 kN
1 2
,b x
ck ck
P p
k k
f bD f
= +
570 03kN, .b xP∴ =
For d’/Dy = 0.2, k1= 0.184, k2= 0.028, 1 2
,b y
ck ck
P p
k k
f bD f
= +
455 34kN, .b yP∴ =
Dept. of CE, GCE Kannur Dr.RajeshKN
Modification factors:
,
uz u
x
uz b x
P P
k
P P
−
=
−
2563 65 1200
0 684 1
2563 65 570 03
.
.
. .
−
= = ≤
−
,
uz u
y
uz b y
P P
k
P P
−
=
−
Hence, the actual (revised) total moments are:
= 33.276 + 1200(0.684 × 46.82 × 10-3) = 71.706 kNm
= 29.28 + 1200(0.647 × 62.42 × 10-3) = 77.74 kNm
ux
uy
M
M
2563 65 1200
0 647 1
2563 65 455 34
.
.
. .
−
= = ≤
−
Dept. of CE, GCE Kannur Dr.RajeshKN
Referring to the design Charts 45 & 46 in SP : 16, uniaxial moment
capacities corresponding to Pu/fckbD = 0.5 and p/fck = 0.2045 are
obtained as:
Mux1/fckbD2 = 0.18 (for d’/Dx = 0.15)
Muy1/fckbD2 = 0.152 (for d’/Dy = 0.2)
8. Check safety under axial load with biaxial bending
Mux1 = 0.18 × 30 × 300 × 4002 = 172.8 kNm
77 74kNm.uyM> =Muy1 = 0.152 × 30 × 400 × 3002 = 109.44 kNm
Pu/Puz = 1200/2563.7 = 0.468 (which lies between 0.2 and 0.8)
αn= 1.447
71 706kNm.uxM> =
Dept. of CE, GCE Kannur Dr.RajeshKN
1 1
nn
uyux
ux uy
MM
M M
αα
⎛ ⎞⎛ ⎞
+ ⎜ ⎟⎜ ⎟ ⎜ ⎟
⎝ ⎠ ⎝ ⎠
1 447 1 447
71 706 77 74
172 8 109 44
. .
. .
. .
⎛ ⎞ ⎛ ⎞
= +⎜ ⎟ ⎜ ⎟
⎝ ⎠ ⎝ ⎠
= 0.89 < 1.0 — Hence, safe
Dept. of CE, GCE Kannur Dr.RajeshKN
Design the longitudinal reinforcement for a braced column, 300 mm ×
400 mm, subject to a factored axial load of 1500 kN and factored
moments of 60 kNm and 40 kNm with respect to the major axis and
minor axis respectively at the top end. Assume that the column is bent
in double curvature (in both directions) with the moments at the bottom
end equal to 50 percent of the corresponding moments at top. Assume
an unsupported length of 7.0 m and an effective length ratio of 0.85 in
both directions. Use M 30 concrete and Fe 415 steel.
Dx = 400 mm, Dy = 300 mm,
Pu = 1500 kN;
Mux = 60 kNm, Muy = 40 kNm, at top;
Mux = 30 kNm, Muy = 20 kNm, at bottom;
l = 7000 mm, kx = ky = 0.85.
Given:
Braced slender column design problem 2
Dept. of CE, GCE Kannur Dr.RajeshKN
1. Slenderness ratios
lex = ley = 0.85 × 7000 = 5950 mm
lex/Dx = 5950/400 = 14.88 > 12
ley/Dy = 5950/300 = 19.83 > 12
Hence, the column should be designed as a slender column.
2. Minimum eccentricities
( )
7000 500 300 30
20
greater
mm
,minye
+⎧
= ⎨
⎩
( )
7000 500 400 30
20
greater
mm
,minxe
+⎧
= ⎨
⎩
27 33 mm.=
24 mm=
Dept. of CE, GCE Kannur Dr.RajeshKN
3. Primary moments for design
As the column is braced and bent in double curvature,
0 6 60 0 4 30 24kNm. .uxM = × − × = 0 4 60 24.≥ × =
0 6 40 0 4 20 16kNm. .uyM = × − × = 0 4 40 16.≥ × =
Corresponding (primary) eccentricities:
ex = 24 × 103/1500 = 16 mm < exmin = 27.33 mm
ey = 16 × 103/1500 = 10.67 mm < eymin = 24.00 mm
The primary eccentricities should not be less than the minimum
eccentricities.
Hence primary moments for design are:
Mux = 1500 × (27.33 × 10–3) = 41.0 kNm
Muy = 1500 × (24.00 × 10–3) = 36.0 kNm
Dept. of CE, GCE Kannur Dr.RajeshKN
Without modification factor, additional eccentricities
eax = Dx (lex/Dx)2/2000 = 400 (14.88)2/2000 = 44.28 mm
eay = Dy (ley/Dy
)2/2000 = 300 (19.83)2/2000 = 58.98 mm
Assume modification factors kax = kay ≈ 0.5 (to be verified later),
Additional moments:
Max = Pu (kaxeax) = 1500(0.5 × 44.28 × 10-3) = 33.2 kNm
May = Pu (kayeay) = 1500(0.5 × 58.98 × 10-3) = 44.2 kNm
4. Additional moments
ux ux axM M M= + 41 33 2 74 2kNm. .= + =
uy uy ayM M M= + 36 44 2 80 2 kNm. .= + = 74 2kNm.uxM> =
5. Total factored moments
Dept. of CE, GCE Kannur Dr.RajeshKN
• Designing for a resultant uniaxial moment with respect to
the minor axis,
2 2
1 15 74 2 80 2. . .uM ≅ + = 126 kNm
6. Trial section
combined with Pu = 1500 kNm
Pu/(fckbD) = (1500 × 103/(30 × 400 × 300) = 0.417
Mu/(fckbD2) = 126 × 106/(30 × 400 × 3002) = 0.117
Assuming 25ϕ main bars, 8ϕ ties and 40mm clear cover, d' = 60.5 mm
d’/D ≈ 60.5/300 = 0.201 ≈ 0.20
with “equal reinforcement on all sides”, referring to Chart
46 of SP : 16,
p/fck = 0.13
Dept. of CE, GCE Kannur Dr.RajeshKN
→ preqd = 0.13 × 30 = 3.9
→ As,reqd = 3.9 × 300 × 400/100 = 4680 mm2
Provide 8–28 ϕ [As = 8 × 616 mm2] 4928 > 4680
→ pprovided = 4928 × 100/(300 × 400) =4.107
→ p/fck = 4.107/30 = 0.137
Dept. of CE, GCE Kannur Dr.RajeshKN
From Table 60 of SP :16, the ultimate loads Pb,x and Pb,y at balanced
failure can be determined.
7. Check additional moments
For d’/Dx = 0.15, k1= 0.196, k2= 0.203, 1 2
,b x
ck ck
P p
k k
f bD f
= +
805 71kN, .b xP∴ =
For d’/Dy = 0.2, k1= 0.184, k2= 0.028, 1 2
,b y
ck ck
P p
k k
f bD f
= +
676 21kN, .b yP∴ =
d’/Dx= 0.155 mm = 0.15 mm (say)
d’/Dy= 0.207 mm = 0.2 mm (say)
• Assuming a clear cover of 40 mm, d’= 40 + 8 + 28/2 = 62 mm
Puz = 0.45fck Ag + (0.75fy – 0.45fck)As
= (0.45 × 30 × 300 × 400) + (0.75 × 415 – 0.45 × 30) × 4928 = 3087 kN
Dept. of CE, GCE Kannur Dr.RajeshKN
Modification factors:
,
uz u
x
uz b x
P P
k
P P
−
=
−
3087 1500
0 696 1
3087 805 71
.
.
−
= = ≤
−
,
uz u
y
uz b y
P P
k
P P
−
=
−
3087 1500
0 658 1
3087 676 21
.
.
−
= = ≤
−
Hence, the actual (revised) total moments are:
= 41.0 + 1500(0.696 × 44.28 × 10-3) = 87.23 kNm
= 36.0 + 1500(0.658 × 58.98 × 10-3) = 94.21 kNm
ux
uy
M
M
Dept. of CE, GCE Kannur Dr.RajeshKN
Referring to the design Charts in SP : 16, uniaxial moment capacities
corresponding to Pu/fckbD = 0.417 and p/fck = 0.137 are obtained as:
Mux1/fckbD2 = 0.135 (for d’/Dx = 0.15)
Muy1/fckbD2 = 0.115 (for d’/Dy = 0.2)
8. Check safety under axial load with biaxial bending
Mux1 = 0.135 × 30 × 300 × 4002 = 194.4 × 106 Nmm = 194.4 kNm
94 21kNm.uyM> =
Muy1 = 0.115 × 30 × 400 × 3002 =124.2 × 106 Nmm = 124.2 kNm
Pu/Puz = 1500/3087 = 0.486 (which lies between 0.2 and 0.8)
αn= 1.477
87 23kNm.uxM> =
Dept. of CE, GCE Kannur Dr.RajeshKN
1 1
nn
uyux
ux uy
MM
M M
αα
⎛ ⎞⎛ ⎞
+ ⎜ ⎟⎜ ⎟ ⎜ ⎟
⎝ ⎠ ⎝ ⎠
1 477 1 477
87 23 94 21
194 4 124 2
. .
. .
. .
⎛ ⎞ ⎛ ⎞
= +⎜ ⎟ ⎜ ⎟
⎝ ⎠ ⎝ ⎠
= 0.971 < 1.0 — Hence, safe
Dept. of CE, GCE Kannur Dr.RajeshKN
Footings
Dept. of CE, GCE Kannur Dr.RajeshKN
The purpose of the foundation is to effectively support the
superstructure:
1. by transmitting the applied load effects (reactions in the form of
vertical and horizontal forces and moments) to the soil below,
2. without exceeding the safe bearing capacity of the soil,
3. and ensuring that the settlement of the structure is within tolerable
limits, and as nearly uniform as possible
• ‘Footings’ are shallow foundations used when soil of sufficient
strength is available within a relatively short depth below the ground
surface.
Dept. of CE, GCE Kannur Dr.RajeshKN
TYPES OF FOOTINGS
P
FLAT
P
STEPPED
P
SLOPED
isolated footings
combined footings
P1 P2
central beam
(if required)
individual footing
areas overlap
P1 P2
property line
Dept. of CE, GCE Kannur Dr.RajeshKN
Isolated Footings
For ordinary structures located on reasonably firm soil, a
separate isolated footing is provided for every column.
The soil bearing pressures from below tend to make the base slab of
the footing bend upwards, hence the footing needs to be suitably
reinforced by a mesh provided at the bottom
Dept. of CE, GCE Kannur Dr.RajeshKN
Combined Footings
• When two or more columns are close to each other and/or
• if they are relatively heavily loaded and/or
• if they rest on soil with low safe bearing capacity
If isolated footings are attempted in the following cases, it results in an
overlap of areas
Combined Footings are provided in the above cases.
Dept. of CE, GCE Kannur Dr.RajeshKN
Soil pressures under isolated footings
The plan area of a footing base slab is selected so as to limit the
maximum soil bearing pressure induced below the footing to
within a safe limit.
• safe soil bearing capacity (‘allowable soil pressure’), qa, given to the
structural designer by the geotechnical consultant is applicable for
service load conditions, as qa includes the factor of safety.
• Hence, the calculation for the required area of a footing must be
based on qa and the service load effects.
• The ‘partial load factors’ to be used for different load
combinations (DL, LL, WL/EL) should, therefore, be those
applicable for the serviceability limit state and not the ‘ultimate limit
state’ when used in association with qa.
Dept. of CE, GCE Kannur Dr.RajeshKN
• the prescribed allowable soil pressure qa at a given depth is
generally the gross pressure, which includes the pressure due to the
existing overburden (soil up to the founding depth), and not the net
pressure (in excess of the existing overburden pressure).
• Hence, the total load to be considered in calculating the
maximum soil pressure q (≤ qa) must include the weight of the
footing itself and that of the backfill.
• Often, these weights are initially taken as 10 – 15 percent of the
axial load on the column
Dept. of CE, GCE Kannur Dr.RajeshKN
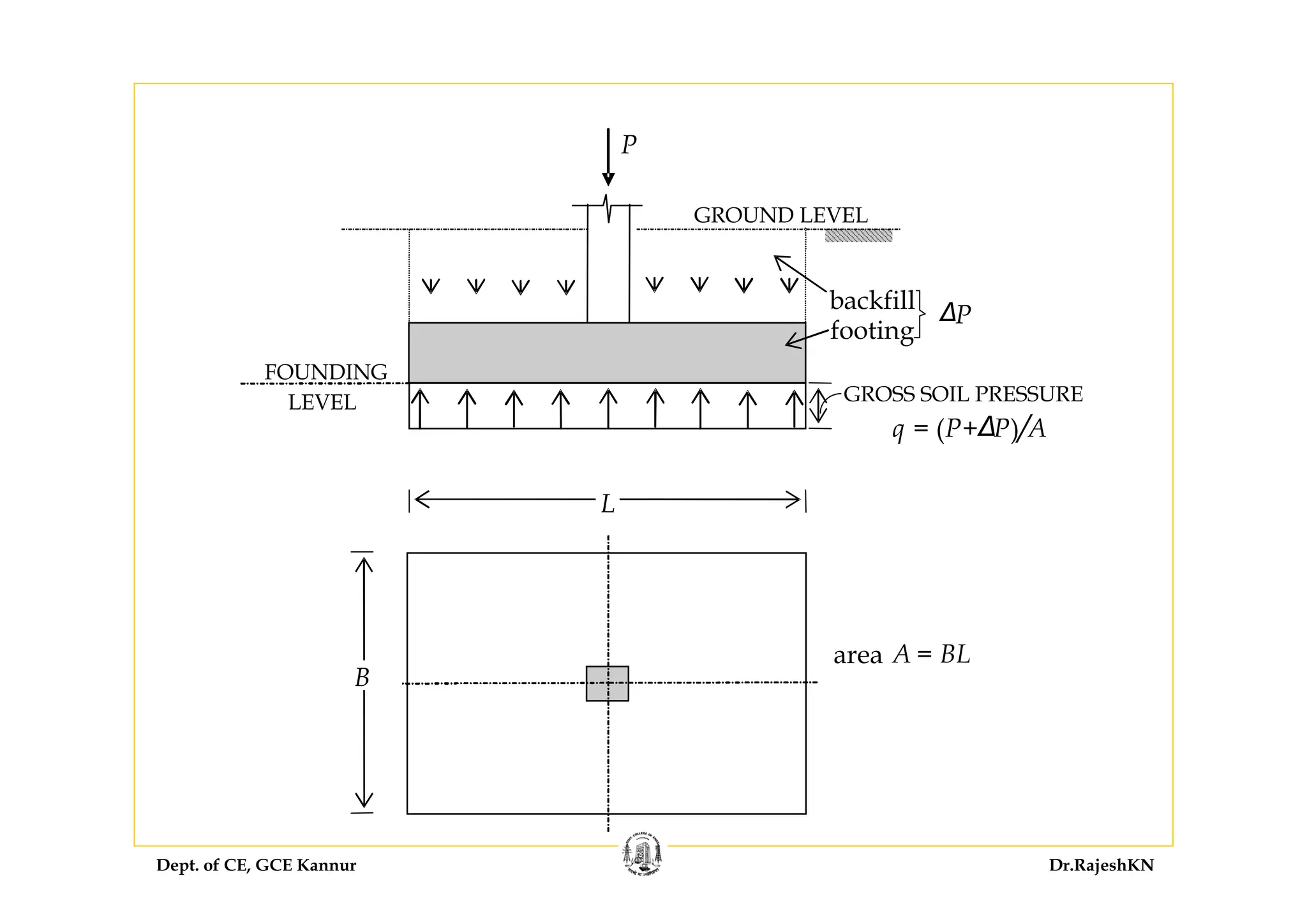
Distribution of Base Pressure
• The distribution of the soil reaction acting at the base of the
footing depends on the rigidity of the footing as well as the
properties of the soil.
• The distribution of soil pressure is generally non-uniform.
However, for convenience, a linear distribution of soil pressure is
assumed in normal design practice.
• In a symmetrically loaded footing, where the resultant vertical
(service) load P + ΔP (where P is the load from the column and ΔP
the weight of footing plus backfill) passes through the centroid of the
footing, the soil pressure is assumed to be uniformly distributed, and its
magnitude q is given by
Concentrically Loaded Footings
q
P P
A
=
+ Δ
where A is the base area of the footing.
Dept. of CE, GCE Kannur Dr.RajeshKN
L
B
area A = BL
P
GROUND LEVEL
backfill
footing
∆P
FOUNDING
LEVEL GROSS SOIL PRESSURE
q = (P+∆P)/A
Dept. of CE, GCE Kannur Dr.RajeshKN
• Limiting q to the allowable soil pressure qa will give the
minimum required area of footing:
A
P P
q
reqd
a
=
+ Δ
Eccentrically Loaded Footings
• The load P acting on a footing may act eccentrically with respect to the
centroid of the footing base due to:
• the column transmitting a moment M in addition to the vertical
load
• the column carrying a vertical load offset with respect to the
centroid of the footing
• the column transmitting a lateral force located above the
foundation level, in addition to the vertical load
Dept. of CE, GCE Kannur Dr.RajeshKN
P
ΔP
FOOTING
Pe
C
(b)
P
ΔP
FOOTING
M
e = M/P
C
(a)
C FOOTING
e
P
H
H
resultant thrust
(c)
Dept. of CE, GCE Kannur Dr.RajeshKN
General design considerations
• In order to compute the factored moments, shears, etc., acting at
critical sections of the footing, a fictitious factored soil pressure qu,
corresponding to the factored loads, should be considered.
• The major design considerations in the structural design of a footing
relate to flexure, shear (both one-way and two-way action), bearing and
bond (development length).
• Deflection control is not a consideration in the design of footings
which are buried underground (and hence not visible).
• However, control of crack-width and protection of reinforcement by
adequate cover are important serviceability considerations, particularly
in aggressive environments
• minimum cover prescribed in the Code (Cl. 26.4.2.2) is 50 mm
Dept. of CE, GCE Kannur Dr.RajeshKN
Thickness of Footing Base Slab
• The thickness of a footing base slab is generally based on
considerations of shear and flexure, which are critical near the
column location.
• Generally, shear considerations predominate, and the thickness is
based on shear criteria.
Both one-way shear and two-way shear (‘punching shear’) need to
be considered [Cl. 34.2.4.1].
Dept. of CE, GCE Kannur Dr.RajeshKN
a
b
d/2
d/2
critical section (all
around) for two–
way shearVu2
a+d
(b)
b+d
L
B b
a
critical sections
for moment
critical section for
one–way shear
Pu
Mu d
d
qu
(a)
Vu1
Dept. of CE, GCE Kannur Dr.RajeshKN
(d)
Pu
Mu
t/4
critical section for
moment
q
u
masonry
wallt
d
critical sections for
moment
Pu
Mu
qu
(c)
Dept. of CE, GCE Kannur Dr.RajeshKN
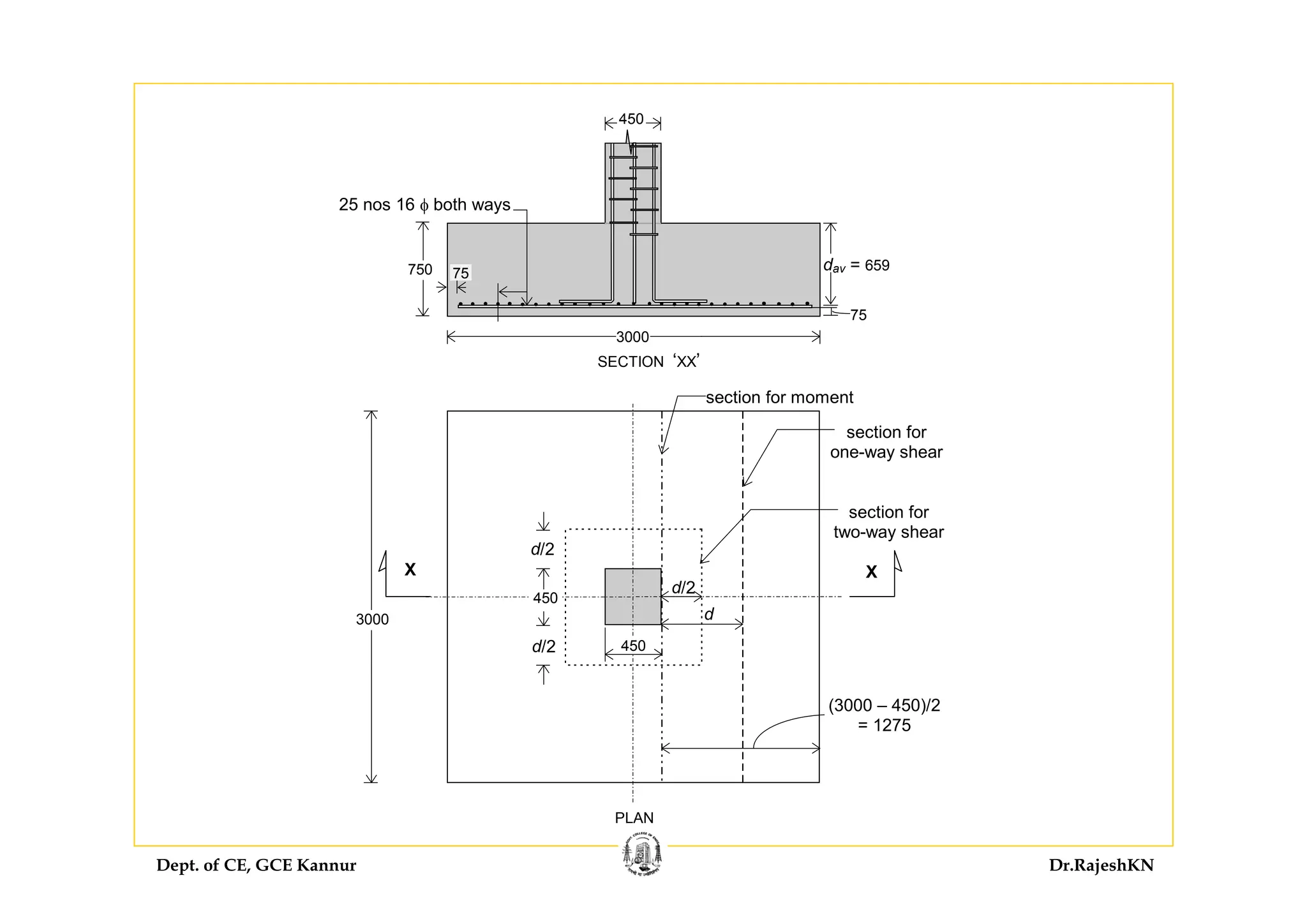
DESIGN EXAMPLE OF ISOLATED FOOTING
Design Problem 1: Square isolated footing, Concentrically loaded
Design an isolated footing for a square column, 450 mm × 450 mm,
reinforced with 8–25 φ bars, and carrying a service load of 2300 kN.
Assume soil with a safe bearing capacity of 300 kN/m2 at a depth of
1.5 m below ground. Assume M 20 grade concrete and Fe 415 grade
steel for the footing, and M 25 concrete and Fe 415 steel for the column.
Dept. of CE, GCE Kannur Dr.RajeshKN
1. Size of footing
Given: P = 2300 kN, qa = 300 kN/m2 (at h = 1.5 m below ground surface)
Assuming the weight of the footing + backfill to be 10 % of the load
P = 2300 kN,
base area required =
2300 11
300
× .
= 8.43 m2
Minimum size of square footing = 8.43 = 2.904 m
Assume a 3 m × 3 m footing base
Dept. of CE, GCE Kannur Dr.RajeshKN
2. Thickness of footing slab based on shear
Net soil pressure at ultimate loads (assuming a load factor of 1.5)
qu =
×
×
2300 15
3 0 3 0
.
. .
= 383 kN/m2
(a) One-way shear
The critical section is at a distance d from
the column face
Factored shear force
Vu1 = 0.383 N/mm2 × 3000 mm × (1275 – d)
= (1464975 – 1149d) N.
3000
3000
critical section for shear
450
450
d 1275-d
Dept. of CE, GCE Kannur Dr.RajeshKN
Assuming 0 36 MPa.cτ =
(for M 20 concrete with, say, pt = 0.25) [Table 19],
One-way shear resistance Vc1 = 0.36 × 3000 × d = (1080d) N
Vu1 ≤ Vc1
1464975 – 1149d ≤ 1080d
d ≥ 658 mm
Dept. of CE, GCE Kannur Dr.RajeshKN
(b) Two-way shear
The critical section is at d/2 from the periphery of the column
⇒ Factored shear force Vu2 = 0.383 × [30002 – (450 + d)2]
Two-way shear resistance
( )2 4 450c s cV k d dτ ⎡ ⎤= × × +⎣ ⎦
where ks = 1.0 for a square column
0 25 20.cτ =
= 1.118 MPa (Cl. 31.6.3.1)
450
450
d/2
d/2
critical section (all
around) for two–
way shear Vu2
450+d
450+d
Dept. of CE, GCE Kannur Dr.RajeshKN
Vc2 = 1.0 × 1.118 × 4d (450 + d)
= (2012.4d + 4.472d2) N
Evidently, in this problem, one-way shear governs the thickness.
Assuming a clear cover of 75 mm and 16 φ bars in both directions,
with an average d = 658 mm,
thickness D ≥ 658 + 75 + 16 = 749 mm
Vu2 ≤ Vc2 ⇒ 0.383 × [30002 – (450 + d)2] ≤ 2012.4d + 4.472d2
3369442.5 - 0.383 d2 - 900d ≤ 2012.4d + 4.472d2
4.855 d2 + 2912.4 d - 3369442.5 ≥ 0
d ≥ 585.5
Dept. of CE, GCE Kannur Dr.RajeshKN
Provide D = 750 mm.
The effective depths in the two directions will differ by one bar
diameter, which is not significant in relatively deep square footings.
For the purpose of flexural reinforcement calculations, an average
value of d may be assumed as:
d = 750 – 75 – 16 = 659 mm
Assuming unit weights of concrete and soil as 24 kN/m3 and 18kN/m3
respectively, actual gross pressure at footing base (under service loads)
q = 2300/(3.0 × 3.0) + (24 × 0.75) + (18 × 0.75) = 287 kN/m2
< 300 kN/m2 — OK.
Dept. of CE, GCE Kannur Dr.RajeshKN
3. Design of flexural reinforcement
Factored moment at column face (in either direction):
Mu = 0.383 × 3000 × 12752/2 = 933.9 × 106 Nmm
6
2 2
933 9 10
3000 659
.uM
Bd
×
=
×
=0.717 MPa
0 02 7( ) .t reqdp =
Ast,min = 0.0012BD = 0.0012 × 3000 × 750 = 2700 mm2
⇒ pt,min = 100 × 2700/(3000 × 659) = 0.137 < 0.207
3000
3000
450
450
critical section
for moment
1275
(Table 2, SP:16, Page 48)
Dept. of CE, GCE Kannur Dr.RajeshKN
But this reinforcement is less than the 0.25% assumed for one-way shear.
Hence Ast,reqd = 0.25 × 3000 × 659/100 = 4943 mm2
Using 16 mm φ bars, number of bars required = 4943/201 = 25
[corresponding spacing s = {3000 – (75 × 2) – 16}/(25 –1) = 118 mm —
is acceptable.]
Provide 25 nos 16 φ bars both ways
Required development length
( )0 87
4
. y
d
bd
f
L
φ
τ
= Cl. 26.2.1
For M 20 concrete and Fe 415 steel,
0 87 415
47
4 1 2 1 6
.
. .
dL φ φ
×
= =
× ×
For 16 φ bars in footing, Ld = 47.0 × 16 = 752 mm
Length available = 1275 – 75 = 1200 mm > 752 mm — Hence, OK.
Dept. of CE, GCE Kannur Dr.RajeshKN
dav = 659
450
750
3000
75
3000
450
d/2
d/2
d/2
d
450
section for moment
section for
one-way shear
section for
two-way shear
25 nos 16 φ both ways
(3000 – 450)/2
= 1275
75
XX
PLAN
SECTION ‘XX’
Dept. of CE, GCE Kannur Dr.RajeshKN
4. Transfer of force at column base
Dept. of CE, GCE Kannur Dr.RajeshKN
Design Problem 2: Isolated footing, Eccentrically loaded
Dept. of CE, GCE Kannur Dr.RajeshKN
DESIGN OF COMBINED FOOTINGS
Dept. of CE, GCE Kannur Dr.RajeshKN
Summary
Design of Compression Members: Effective length and classification as
per IS 456, short columns subjected to axial compression with and
without uniaxial/biaxial eccentricities; slender columns - Use of SP 16
charts.
Design of Footings: Wall footings, isolated footings – axial and
eccentric loading, rectangular and trapezoidal combined footings.

Sd i-module4- rajesh sir

  • 1.
    Dept. of CE,GCE Kannur Dr.RajeshKN Design of Columns and Footings Dr. Rajesh K. N. Assistant Professor in Civil Engineering Govt. College of Engineering, Kannur Design of Concrete Structures
  • 2.
    Dept. of CE,GCE Kannur Dr.RajeshKN 2 (Analysis and design in Module II, III and IV should be based on Limit State Method. Reinforcement detailing shall conform to SP34) MODULE IV (13 hours) Design of Compression Members: Effective length and classification as per IS 456, short columns subjected to axial compression with and without uniaxial/biaxial eccentricities; slender columns - Use of SP 16 charts. Design of Footings: Wall footings, isolated footings – axial and eccentric loading, rectangular and trapezoidal combined footings.
  • 3.
    Dept. of CE,GCE Kannur Dr.RajeshKN Columns
  • 4.
    Dept. of CE,GCE Kannur Dr.RajeshKN Columns • A ‘compression member’ is a structural element which is subjected (predominantly) to axial compressive forces. • Compression members are most commonly encountered in reinforced concrete buildings as columns • Column is a compression member, the ‘effective length’ of which exceeds three times the least lateral dimension (Cl. 25.1.1) • ‘Pedestal’ is a vertical compression member whose ‘effective length’ is less than three times its least lateral dimension [Cl. 26.5.3.1(h)].
  • 5.
    Dept. of CE,GCE Kannur Dr.RajeshKN 1) Tied columns: where the main longitudinal bars are enclosed within closely spaced lateral ties 2) Spiral columns: where the main longitudinal bars are enclosed within closely spaced and continuously wound spiral reinforcement 3) Composite columns: where the reinforcement is in the form of structural steel sections or pipes, with or without longitudinal bars Classification of Columns Based on Type of Reinforcement
  • 6.
    Dept. of CE,GCE Kannur Dr.RajeshKN 6 1. Columns with axial loading (applied concentrically) 2. Columns with uniaxial eccentric loading 3. Columns with biaxial eccentric loading Classification of Columns Based on Type of Loading P ex ey axial compression with biaxial bending. P e axial compression with uniaxial bending. P axial compression
  • 7.
    Dept. of CE,GCE Kannur Dr.RajeshKN 7 statically equivalent to The combination of axial compression (Pu) with bending moment (Mu) at any column section Load P applied with an eccentricity e = Mu/Pu with respect to the longitudinal centroidal axis of the column section.
  • 8.
    Dept. of CE,GCE Kannur Dr.RajeshKN 1. Short columns: slenderness ratios with respect to the ‘major principal axis’ (lex/Dx) as well as the ‘minor principal axis’ (ley/Dy) are both less than 12 2. Slender (or long) columns. Classification of Columns Based on Slenderness Ratios (Cl. 25.1.2), • ‘Slenderness ratio’ is the ratio of ‘effective length’ to its lateral dimension • It provides a measure of the vulnerability to failure of the column by elastic instability (buckling). Buckling tendency varies with slenderness ratio.
  • 9.
    Dept. of CE,GCE Kannur Dr.RajeshKN • Columns with low slenderness ratios fail under ultimate loads with the material (concrete, steel) reaching its ultimate compressive strength, and not by buckling • Columns with very high slenderness ratios may undergo buckling (with large lateral deflection) under relatively low compressive loads, and fail suddenly.
  • 10.
    Dept. of CE,GCE Kannur Dr.RajeshKN Effective length of a column The effective length of a column in a given plane is defined as the distance between the points of inflection in the buckled configuration of the column in that plane. The effective length depends on the unsupported length l and the boundary conditions at the column ends Code (Cl. 25.1.3) defines the ‘unsupported length’ l of a column explicitly for various types of constructions. Unsupported Length
  • 11.
    Dept. of CE,GCE Kannur Dr.RajeshKN Both ends fixed One end fixed and the other hinged One end fixed and the other end free Both ends hinged Effective lengthEnd conditions 2l 2l l 2l Effective lengths for idealised boundary conditions (Euler’s theory)
  • 12.
    Dept. of CE,GCE Kannur Dr.RajeshKN Use of Code Charts Charts are given in Fig. 26 and Fig. 27 of the Code for determining the effective length ratios of braced columns and unbraced columns respectively in terms of coefficients β1 and β2 which represent the degrees of rotational freedom at the top and bottom ends of the column. Code recommendations for idealised boundary conditions (Cl. E–1)
  • 13.
    Dept. of CE,GCE Kannur Dr.RajeshKN Recommended effective length ratios for normal usage (Table 28, Page 94) 1. columns braced against sideway: a) both ends ‘fixed’ rotationally : 0.65 b) one end ‘fixed’ and the other ‘pinned : 0.80 c) both ends ‘free’ rotationally (‘pinned’) : 1.00 2. columns unbraced against sideway: a) both ends ‘fixed’ rotationally : 1.20 b) one end ‘fixed’ and the other ‘partially fixed’ : 1.50 c) one end ‘fixed’ and the other free : 2.00
  • 14.
    Dept. of CE,GCE Kannur Dr.RajeshKN Eccentric loading The general case of loading on a compression member is axial compression combined with biaxial bending. • A state of biaxial eccentric compression • Axial load P acts eccentric to the longitudinal centroidal axis of the column cross section, with eccentricities ex and ey with respect to the major and minor principal axes
  • 15.
    Dept. of CE,GCE Kannur Dr.RajeshKN Code requirements on slenderness limits, minimum eccentricities and reinforcement Slenderness Limits (Cl. 25.3.1) Ratio of the unsupported length (l) to the least lateral dimension (d) of a column Furthermore, in case of cantilevered column, where D is the depth of the cross-section measured in the plane of the cantilever and b is the width (in the perpendicular direction) (Cl. 25.3.2) .
  • 16.
    Dept. of CE,GCE Kannur Dr.RajeshKN Very often, indirect eccentricities may arise due to: • lateral loads not considered in design; • live load placements not considered in design; • accidental lateral/eccentric loads; • errors in construction (such as misalignments); and • slenderness effects underestimated in design. Hence, the Code requires every column to be designed for a minimum eccentricity emin (in any plane) equal to: • unsupported length/500 plus lateral dimension/30, • subject to a minimum of 20 mm. Minimum eccentricities (Cl. 25.4)
  • 17.
    Dept. of CE,GCE Kannur Dr.RajeshKN Thus, for a column with a rectangular section: 500 30 20 whichever is greater mm ,min x x l D e +⎧ = ⎨ ⎩ 500 30 20 whichever is greater mm ,min y y l D e +⎧ = ⎨ ⎩
  • 18.
    Dept. of CE,GCE Kannur Dr.RajeshKN Code Requirements on Reinforcement and Detailing Longitudinal Reinforcement (Cl. 26.5.3.1) Minimum Reinforcement: The longitudinal bars must have a cross sectional area not less than 0.8 percent of the gross area of the column section. Maximum Reinforcement: The maximum cross-sectional area of longitudinal bars should not exceed 6 percent of the gross area of the column section. But a reduced maximum limit of 4 percent is recommended in general for better placement and compaction of concrete and also at lapped splice locations.
  • 19.
    Dept. of CE,GCE Kannur Dr.RajeshKN A minimum limit is specified by the Code inorder to: • ensure nominal flexural resistance under unforeseen eccentricities in loading; and • prevent the yielding of the bars due to creep and shrinkage effects, which result in a transfer of load from the concrete to the steel.
  • 20.
    Dept. of CE,GCE Kannur Dr.RajeshKN Minimum diameter / number of bars and their location: Longitudinal bars in columns (and pedestals) should not be less than 12 mm in diameter and should not be spaced more than 300 mm apart (centre-to- centre) along the periphery of the column At least 4 bars should be provided in a column with rectangular cross-section (one at each corner), and at least 6 bars) in a circular column (equally spaced near the periphery.
  • 21.
    Dept. of CE,GCE Kannur Dr.RajeshKN • A minimum clear cover of 40 mm or bar diameter (whichever is greater), to the column ties is recommended for columns in general • In small-sized columns (D < 200 mm and whose reinforcing bars do not exceed 12mm) a reduced clear cover of 25 mm is permitted Cover to reinforcement (Cl. 26.4.2.1) :
  • 22.
    Dept. of CE,GCE Kannur Dr.RajeshKN Transverse Reinforcement (Cl. 26.5.3.2) General: All longitudinal reinforcement in a compression member must be enclosed within transverse reinforcement, comprising either lateral ties (with internal angles not exceeding 135o) or spirals. This is required: • to prevent the premature buckling of individual bars; • to confine the concrete in the ‘core’, thus improving ductility and strength; • to hold the longitudinal bars in position during construction; and • to provide resistance against shear and torsion, if required.
  • 23.
    Dept. of CE,GCE Kannur Dr.RajeshKN tie diameter tie spacing Lateral Ties: φlong is the diameter of longitudinal bar to be tied D is the least lateral dimension of the column 4 6mm ,maxlong t φ φ ⎧ = ⎨ ⎩ 16 300mm ,mint long D s φ ⎧ ⎪ = ⎨ ⎪ ⎩ where
  • 24.
    Dept. of CE,GCE Kannur Dr.RajeshKN Helical reinforcement provides very good confinement to the concrete in the ‘core’ and enhances ductility of the column at ultimate loads. The diameter and pitch of the spiral may be computed as in the case of ties— except when the column is designed to carry a 5 percent overload (as permitted by the Code), in which case pitch and Spirals:
  • 25.
    Dept. of CE,GCE Kannur Dr.RajeshKN DESIGN OF SHORT COLUMNS UNDER AXIAL COMPRESSION Equilibrium of Axial Loading If fcc and fsc denote respectively the stresses in the concrete and the longitudinal steel, corresponding to the uniform compressive strain εc , then it follows that Ag = gross area of cross-section = Ac + Asc ; Asc = total area of longitudinal reinforcement Ac = net area of concrete in the section = Ag – Asc 0 c sP C C= + cc c sc scf A f A= + ( )cc g sc sc scf A A f A= − + ( )cc g sc cc scf A f f A= + −
  • 26.
    Dept. of CE,GCE Kannur Dr.RajeshKN Design Strength of Axially Loaded Short Columns (Cl. 39.3) Where the calculated minimum eccentricity (in any plane) does not exceed 0.05 times the lateral dimension (in the plane considered), members may be designed by a simplified equation: ( )0 4 0 67 0 4. . .u ck g y ck scP f A f f A= + −
  • 27.
    Dept. of CE,GCE Kannur Dr.RajeshKN Design the reinforcement in a column of size 450 mm x 600 mm, subject to an axial load of 2000 kN. The column has an unsupported length of 3.0m and is braced against sidesway in both directions. Use M 20 concrete and Fe 415 steel. 1. Short Column or Slender Column? Given: lx = ly = 3000 mm, Dy = 450 mm, Dx = 600 mm slenderness ratios • Effective length ratios kx and ky are less than unity (since the column is braced against sideway in both directions,) •and hence the slenderness ratios are both less than 12. • Hence, the column may be designed as a short column. Design problem 1 3000 600 5 3000 450 6 67. ex x x x x x x ey y y y y y y l D k l D k k l D k l D k k = = × =⎧ = ⎨ = = × =⎩
  • 28.
    Dept. of CE,GCE Kannur Dr.RajeshKN 2. Minimum Eccentricities 500 30 20 whichever is greater mm ,min x x l D e +⎧ = ⎨ ⎩ 3000 500 450 30 20 whichever is greater mm ,minye +⎧ = ⎨ ⎩ 3000 500 600 30 20 whichever is greater mm ,minxe +⎧ = ⎨ ⎩ 26mm= 21mm= As 0.05Dx = 0.05 x 600 = 30.0 mm > ex,min = 26.0 mm and 0.05Dy = 0.05 x 450 = 22.5 mm > ey,min = 21.0 mm, the Code formula for axially loaded short columns can be used. ( )0 4 0 67 0 4. . .u ck g y ck scP f A f f A= + −
  • 29.
    Dept. of CE,GCE Kannur Dr.RajeshKN 3. Factored Load Pu = 2000 x 1.5 = 3000 kN 4. Design of Longitudinal Reinforcement ( )3 3000 10 0 4 20 450 600 0 67 415 0 4 20. . . scA× = × × × + × − × Asc = 3111 mm2 Provide 4–25 ϕ at corners : 4 x 491 = 1964 mm2 and 4–20 ϕ additional: 4 x 314 = 1256 mm2 Asc = 3220 mm2 > 3111 mm2 p = (100x3220) / (450x600) = 1.192 > 0.8 (minimum reinf.) — OK. ( )0 4 0 67 0 4. . .u ck g y ck scP f A f f A= + −
  • 30.
    Dept. of CE,GCE Kannur Dr.RajeshKN tie diameter tie spacing 5. Lateral Ties: 4 6mm ,maxlong t φ φ ⎧ = ⎨ ⎩ 16 300mm ,mint long D s φ ⎧ ⎪ = ⎨ ⎪ ⎩ 25 4 6mm ⎧ = ⎨ ⎩ 450 16 20 320 300mm ⎧ ⎪ = × =⎨ ⎪ ⎩ Hence provide 8 φ ties @ 300 c/c
  • 31.
    Dept. of CE,GCE Kannur Dr.RajeshKN 600 450 4#20ϕ 4#25ϕ8ϕ@300c/c 6. Detailing
  • 32.
    Dept. of CE,GCE Kannur Dr.RajeshKN DESIGN OF SHORT COLUMNS UNDER COMPRESSION WITH UNIAXIAL BENDING Using the design aids given in SP:16, design the longitudinal reinforcement in a rectangular reinforced concrete column of size 300 mm × 600 mm subjected to a factored load of 1400 kN and a factored moment of 280 kNm with respect to the major axis. Assume M20 concrete and Fe415 steel. Given: b = 300 mm, D = 600 mm, fck = 20 MPa, fy = 415 MPa, Pu = 1400 kN, Mux = 280 kNm Design problem 2 Arrangement of bars: SP : 16 Charts for “equal reinforcement on four sides” may be used. (Charts 43-46 )
  • 33.
    Dept. of CE,GCE Kannur Dr.RajeshKN Assuming an effective cover d‘ = 60 mm d‘/D = 60/600 = 0.1 u ck P f bd 3 1400 10 20 300 600 × = × × 0 389.= 2 u ck M f bd 6 2 280 10 20 300 600 × = × × 0 13.= Referring to Chart 44 of SP : 16 d‘/D = 0.1 preqd = 0.11 × 20 = 2.2 As,reqd = 2.2 × 300 × 600/100 = 3960 mm2 Detailing of longitudinal reinforcement preqd /20 = 0.11
  • 34.
    Dept. of CE,GCE Kannur Dr.RajeshKN Detailing 600 300 4#28ϕ at corners4#22ϕ inner rows 8ϕ@200c/c staggered
  • 35.
    Dept. of CE,GCE Kannur Dr.RajeshKN Code Procedure for Design of Biaxially Loaded Columns (Cl. 39.6) DESIGN OF SHORT COLUMNS UNDER AXIAL COMPRESSION WITH BIAXIAL BENDING The simplified method adopted by the Code is based on Bresler’s formulation An approximate relationship between MuR,x and MuR,y (for a specified Pu = PuR) is established. This relationship is conveniently expressed in a non-dimensional form as follows: 1 1 1 nn uyux ux uy MM M M αα ⎛ ⎞⎛ ⎞ + ≤⎜ ⎟⎜ ⎟ ⎜ ⎟ ⎝ ⎠ ⎝ ⎠ where Mux and Muy denote the factored biaxial moments acting on the column, and Mux1 and Muy1 denote the uniaxial moment capacities with reference to the major and minor axes respectively, all under an accompanying axial load Pu = PuR.
  • 36.
    Dept. of CE,GCE Kannur Dr.RajeshKN In biaxial loading, Code (Cl. 39.6) suggests the following equation, applicable for all grades of steel: 0 45 0 75. .uz ck c y scP f A f A= + where Ag denotes the gross area of the section and Asc the total area of steel in the section. αn = 1 for Pu/Puz < 0.2; αn = 2 for Pu/Puz > 0.8; and αn is assumed to vary linearly for values of Pu/Puz between 0.2 and 0.8 ( )0 45 0 75 0 45. . .uz ck g y ck scP f A f f A= + −
  • 37.
    Dept. of CE,GCE Kannur Dr.RajeshKN 1. Given Pu, Mux , Muy , verify that the eccentricities ex = Mux / Pu and ey = Muy / Pu are not less than the corresponding minimum eccentricities. 2. Assume a trial section for the column. 3. Determine Mux1 and Muy1 , corresponding to the given Pu (using SP:16). Ensure that Mux1 and Muy1 are significantly greater than Mux and Muy respectively; otherwise, suitably redesign the section. 4. Determine Puz , and hence αn 5. Check the adequacy of the section; if necessary, redesign the section and check again. Code Procedure
  • 38.
    Dept. of CE,GCE Kannur Dr.RajeshKN A column (400 mm × 400 mm), effectively held in position but restrained against rotation at one end, is subjected to factored loads: Pu = 1300 kN, Mux = 190 kNmand Muy = 110 kNm. The unsupported length of the column is 3.5m. Design the reinforcement in the column, assuming M 25 concrete and Fe 415 steel. Design problem 3 Given: Dx = Dy = 400 mm, l = 3500 mm, Pu = 1300 kN, Mux = 190 kNm, Muy = 110 kNm, fck = 25MPa, fy = 415MPa. 1. Slenderness ratios Effective length = 0.8l for the braced column, lex = ley = 0.8 × 3500 = 2800 mm lex/Dx = ley/Dy = 2800/400 = 7.0 < 12 Hence the column may be designed as a short column.
  • 39.
    Dept. of CE,GCE Kannur Dr.RajeshKN 2. Check minimum eccentricities Applied eccentricities: ex = Mux / Pu = 190 × 103/1300 = 146 mm ey = Muy / Pu = 110 × 103/1300 = 84.6 mm Minimum eccentricities as per Code: ex, min = ey, min = 3500/500 + 400/30 = 20.3 mm > 20 mm The applied eccentricities are larger than the minimum eccentricities.
  • 40.
    Dept. of CE,GCE Kannur Dr.RajeshKN Assume longitudinal reinforcement percentage as 3.5%. Designing for uniaxial eccentricity with Pu = 1300 kN and 3. Trial section: Longitudinal reinforcement As,reqd = 3.5 × 4002/100 = 5600 mm2 Provide 12 – 25 dia: As = 491 × 12 = 5892 mm2 > 5600 mm2. The arrangement of bars is shown in Figure??. Uniaxial moment capacities: Mux1, Muy1 [Here, due to symmetry, Mux1 = Mux2] = 0.325 u ck P f bd
  • 41.
    Dept. of CE,GCE Kannur Dr.RajeshKN pprovided = 5892 × 100/4002 = 3.68 p/fck = 3.68/25 = 0.147 d’= 40 + 8 + 25/2 = 60.5 mm (assuming a clear cover of 40 mm and 8 mm ties) d’/D = 60.5/400 = 0.151 = 0.15 (say) Referring to Chart 45 2 u ck M f bd =0.165 Mux1 = Muy1 = 0.165 × 25 × 4003 = 264 × 106 Nmm = 264 kNm which is significantly greater than Mux = 190 kNm and Muy = 110 kNm
  • 42.
    Dept. of CE,GCE Kannur Dr.RajeshKN Values of Puz and αn = (0.45 × 25 × 4002) + (0.75 × 415 – 0.45 × 25) × 5892 = (1800 × 103 + 1767.6 × 103) N = 3568 kN Pu/Puz = 1300/3568 = 0.364 (which lies between 0.2 and 0.8) ( )0 45 0 75 0 45. . .uz ck g y ck scP f A f f A= + − αn= 1.273 1 1 nn uyux ux uy MM M M αα ⎛ ⎞⎛ ⎞ + ⎜ ⎟⎜ ⎟ ⎜ ⎟ ⎝ ⎠ ⎝ ⎠ 1 273 1 273 190 110 264 264 . . ⎛ ⎞ ⎛ ⎞ = +⎜ ⎟ ⎜ ⎟ ⎝ ⎠ ⎝ ⎠ = 0.986 < 1.0 Hence, the trial section is safe under the applied loading. 4. Check for biaxial bending
  • 43.
    Dept. of CE,GCE Kannur Dr.RajeshKN 5. Transverse reinforcement The minimum diameter ϕt and maximum spacing st of the lateral ties are specified by the Code tie diameter tie spacing 4 6mm ,maxlong t φ φ ⎧ = ⎨ ⎩ 16 300mm ,mint long D s φ ⎧ ⎪ = ⎨ ⎪ ⎩ 25 4 6mm ⎧ = ⎨ ⎩ 400 16 25 400 300mm ⎧ ⎪ = × =⎨ ⎪ ⎩ Provide 8 ϕ ties@ 300 c/c
  • 44.
    Dept. of CE,GCE Kannur Dr.RajeshKN 6. Detailing
  • 45.
    Dept. of CE,GCE Kannur Dr.RajeshKN DESIGN OF SLENDER COLUMNS Code Procedures for Design of Slender Columns a. Strength Reduction Coefficient Method (B-3.3 of the Code) • This is a highly simplified procedure, which is given in the Code for the working stress method of design • Although this method has been prescribed for WSM, it can be extended to the limit state method (LSM) for the case of axial loading (without primary bending moments)
  • 46.
    Dept. of CE,GCE Kannur Dr.RajeshKN where d is the least lateral dimension of the column (or diameter of the core in a spiral column). Alternatively, for more exact calculations, 1 25 160 min . e r l C r = − where rmin is the least radius of gyration of the column. According to this procedure the permissible stresses in concrete and steel are reduced by multiplying with a strength reduction coefficient Cr given by: 1 25 48 . e r l C d = −
  • 47.
    Dept. of CE,GCE Kannur Dr.RajeshKN Additional Moment Method (Cl. 39.7.1) The method prescribed by the Code for slender column design by the limit state method is the ‘additional moment method’ According to this method, every slender column should be designed for biaxial eccentricities (which include the P–∆ moment - “additional moment”) components eax = Max/Pu and eay = May/Pu : 2 2000 u ex ax P D l M D ⎧ ⎫ = ⎨ ⎬ ⎩ ⎭ 2 2000 eyu ay lP b M b ⎧ ⎫ = ⎨ ⎬ ⎩ ⎭ The total design moments ( )ux ux ax u x axM M M P e e= + = + ( )uy uy ay u y ayM M M P e e= + = +
  • 48.
    Dept. of CE,GCE Kannur Dr.RajeshKN Mux, Muy are the primary factored moments (obtained from first-order structural analyses) are the additional moments with reference to bending about the major and minor axes respectively. Max, May
  • 49.
    Dept. of CE,GCE Kannur Dr.RajeshKN 1 , uz u x uz b x P P k P P − = ≤ − Pb is the axial load corresponding to the condition of max compressive strain of 0.0035 in concrete and tensile strain of 0.002 in outermost layer of compression steel The additional moments Max, May may be reduced by multiplying factors (Cl. 39.7.1.1) defined as: 1 , uz u y uz b y P P k P P − = ≤ − Code recommends the following modifications for the design of slender columns in general:
  • 50.
    Dept. of CE,GCE Kannur Dr.RajeshKN • For braced columns subject to unequal primary moments M1, M2 at the two ends, the value of Mu to be considered in the computation of the total moment uM 1 2 20 4 0 6 0 4. . .uM M M M= + ≥ 2uM M≥ where M2 is the higher column end moment. Also, • M1 and M2 are considered to be of opposite signs if the column is bent in double curvature.
  • 51.
    Dept. of CE,GCE Kannur Dr.RajeshKN Hence, for design purposes, the total moment may be taken as 2u aM M M= + for unbraced columns • For unbraced columns, the lateral drift effect needs to be included. An approximate way for this is by assuming that the additional moment Ma acts at the column end where the maximum primary moment M2 is present.
  • 52.
    Dept. of CE,GCE Kannur Dr.RajeshKN 1. Determine the effective depth and slenderness ratio in each direction. 2. a) Determine initial moment Mui from given primary end moments Mu1 and Mu2 in each direction. b) Calculate emin and Mu,min in each direction. c) Compare the moments computed in steps a and b and take the greater of the two as initial moment Mui in each direction. 3. a) Find additional moment Ma in each direction. b) Find total moment Mut in each direction, without considering reduction factor ka . c) Make preliminary design for Pu and Mut and find area of steel. Thus p is known. Procedure for design of slender columns
  • 53.
    Dept. of CE,GCE Kannur Dr.RajeshKN 4. a) Get Puz . Also find Pb each direction, for the reinforcement ration p obtained above. b) Find reduction factor ka in each direction. c) Determine the modified design value of moment in each direction Mut = Mui + ka Ma. 5. Redesign the column for Pu and Mut . If the column is slender about both the axes, design the column for biaxial bending, for (Pu , Muxt ) about x-axis and (Pu , Muyt ) about y-axis.
  • 54.
    Dept. of CE,GCE Kannur Dr.RajeshKN Design the longitudinal reinforcement for a braced column, 300 mm × 400 mm, subject to a factored axial load of 1200 kN and factored moments of 50 kNm and 30 kNm with respect to the major axis and minor axis respectively at the top end. Assume that the column is bent in double curvature (in both directions) with the moments at the bottom end equal to 40 percent of the corresponding moments at top. Assume an unsupported length of 7.2 m and an effective length ratio of 0.85 in both directions. Use M 20 concrete and Fe 415 steel. Effective cover is 60 mm. Dx = 400 mm, Dy = 300 mm, Pu = 1200 kN; Mux = 50 kNm, Muy = 30 kNm, at top; Mux = 0.4x50 = 20 kNm, Muy = 0.4x30 = 12 kNm, at bottom; l = 7200 mm, kx = ky = 0.85. Given: Braced slender column design problem 1
  • 55.
    Dept. of CE,GCE Kannur Dr.RajeshKN 1. Slenderness ratios lex = ley = 0.85 × 7200 = 6120 mm lex/Dx = 6120/400 = 15.3 > 12 ley/Dy = 6120/300 = 20.4 > 12 Hence, the column is slender about both the axes. 2. Minimum eccentricities & Minimum moments ( ) 7200 500 300 30 20 greater mm ,minye +⎧ = ⎨ ⎩ ( ) 7200 500 400 30 20 greater mm ,minxe +⎧ = ⎨ ⎩ 27 73 mm.= 24 4 mm.= ,min ,min.ux u xM P e= 1200 27 73.= × 33 276kNm.= ,min ,min.uy u yM P e= 1200 24 4.= × 29 28kNm.=
  • 56.
    Dept. of CE,GCE Kannur Dr.RajeshKN 3. Primary moments for design As the column is braced and bent in double curvature, 0 6 50 0 4 20 22kNm. .uxM = × − × = 0 4 50 20.≥ × = 0 6 30 0 4 12 13 2kNm. . .uyM = × − × = 0 4 30 12.≥ × = Since the minimum moments are larger than these, the primary moments for design are: 33 276kNm.uxM = 29 28kNm.uyM =
  • 57.
    Dept. of CE,GCE Kannur Dr.RajeshKN Without modification factor, additional eccentricities eax = Dx (lex/Dx)2/2000 = 400 (15.3)2/2000 = 46.82 mm eay = Dy (ley/Dy )2/2000 = 300 (20.4)2/2000 = 62.42 mm Assume modification factors kax = kay ≈ 0.5 (to be verified later), Additional moments: Max = Pu (kaxeax) = 1200(0.5 × 46.82 × 10-3) = 28.092 kNm May = Pu (kayeay) = 1200(0.5 × 62.42 × 10-3) = 37.452 kNm 4. Additional moments ux ux axM M M= + 33 276 28 092 61 368kNm. . .= + = uy uy ayM M M= + 29 28 37 452 66 732 kNm. . .= + = 61 368kNm.uxM> = 5. Total factored moments
  • 58.
    Dept. of CE,GCE Kannur Dr.RajeshKN • Designing for a resultant uniaxial moment with respect to the minor axis (y-axis), 2 2 1 15 61 368 66 732. . .uM ≅ + = 104.26 kNm 6. Trial section combined with Pu = 1200 kNm Pu/(fckbD) = (1200 × 103/(30 × 400 × 300) = 0.5 Mu/(fckbD2) = 104.26 × 106/(30 × 400 × 3002) = 0.144 d’/D ≈ 60/300 = 0.20 with “equal reinforcement on all sides”, referring to Chart 46 of SP : 16, p/fck = 0.19
  • 59.
    Dept. of CE,GCE Kannur Dr.RajeshKN → preqd = 0.19 × 20 = 3.8 → As,reqd = 3.8 × 300 × 400/100 = 4560 mm2 Provide 10–25 ϕ bars. 4909 > 4560 → pprovided = 4909 × 100/(300 × 400) =4.09 → p/fck = 4.09/20 = 0.2045
  • 60.
    Dept. of CE,GCE Kannur Dr.RajeshKN d’/Dx= 60/400 = 0.15 mm d’/Dy= 60/300 = 0.2 mm From Table 60 of SP :16, the ultimate loads Pb,x and Pb,y at balanced failure can be determined. 7. Check additional moments For d’/Dx = 0.15, k1= 0.196, k2= 0.203, Puz = 0.45fck Ag + (0.75fy – 0.45fck)As = (0.45 × 20 × 300 × 400) + (0.75 × 415 – 0.45 × 20) × 4909 = 2563.7 kN 1 2 ,b x ck ck P p k k f bD f = + 570 03kN, .b xP∴ = For d’/Dy = 0.2, k1= 0.184, k2= 0.028, 1 2 ,b y ck ck P p k k f bD f = + 455 34kN, .b yP∴ =
  • 61.
    Dept. of CE,GCE Kannur Dr.RajeshKN Modification factors: , uz u x uz b x P P k P P − = − 2563 65 1200 0 684 1 2563 65 570 03 . . . . − = = ≤ − , uz u y uz b y P P k P P − = − Hence, the actual (revised) total moments are: = 33.276 + 1200(0.684 × 46.82 × 10-3) = 71.706 kNm = 29.28 + 1200(0.647 × 62.42 × 10-3) = 77.74 kNm ux uy M M 2563 65 1200 0 647 1 2563 65 455 34 . . . . − = = ≤ −
  • 62.
    Dept. of CE,GCE Kannur Dr.RajeshKN Referring to the design Charts 45 & 46 in SP : 16, uniaxial moment capacities corresponding to Pu/fckbD = 0.5 and p/fck = 0.2045 are obtained as: Mux1/fckbD2 = 0.18 (for d’/Dx = 0.15) Muy1/fckbD2 = 0.152 (for d’/Dy = 0.2) 8. Check safety under axial load with biaxial bending Mux1 = 0.18 × 30 × 300 × 4002 = 172.8 kNm 77 74kNm.uyM> =Muy1 = 0.152 × 30 × 400 × 3002 = 109.44 kNm Pu/Puz = 1200/2563.7 = 0.468 (which lies between 0.2 and 0.8) αn= 1.447 71 706kNm.uxM> =
  • 63.
    Dept. of CE,GCE Kannur Dr.RajeshKN 1 1 nn uyux ux uy MM M M αα ⎛ ⎞⎛ ⎞ + ⎜ ⎟⎜ ⎟ ⎜ ⎟ ⎝ ⎠ ⎝ ⎠ 1 447 1 447 71 706 77 74 172 8 109 44 . . . . . . ⎛ ⎞ ⎛ ⎞ = +⎜ ⎟ ⎜ ⎟ ⎝ ⎠ ⎝ ⎠ = 0.89 < 1.0 — Hence, safe
  • 64.
    Dept. of CE,GCE Kannur Dr.RajeshKN Design the longitudinal reinforcement for a braced column, 300 mm × 400 mm, subject to a factored axial load of 1500 kN and factored moments of 60 kNm and 40 kNm with respect to the major axis and minor axis respectively at the top end. Assume that the column is bent in double curvature (in both directions) with the moments at the bottom end equal to 50 percent of the corresponding moments at top. Assume an unsupported length of 7.0 m and an effective length ratio of 0.85 in both directions. Use M 30 concrete and Fe 415 steel. Dx = 400 mm, Dy = 300 mm, Pu = 1500 kN; Mux = 60 kNm, Muy = 40 kNm, at top; Mux = 30 kNm, Muy = 20 kNm, at bottom; l = 7000 mm, kx = ky = 0.85. Given: Braced slender column design problem 2
  • 65.
    Dept. of CE,GCE Kannur Dr.RajeshKN 1. Slenderness ratios lex = ley = 0.85 × 7000 = 5950 mm lex/Dx = 5950/400 = 14.88 > 12 ley/Dy = 5950/300 = 19.83 > 12 Hence, the column should be designed as a slender column. 2. Minimum eccentricities ( ) 7000 500 300 30 20 greater mm ,minye +⎧ = ⎨ ⎩ ( ) 7000 500 400 30 20 greater mm ,minxe +⎧ = ⎨ ⎩ 27 33 mm.= 24 mm=
  • 66.
    Dept. of CE,GCE Kannur Dr.RajeshKN 3. Primary moments for design As the column is braced and bent in double curvature, 0 6 60 0 4 30 24kNm. .uxM = × − × = 0 4 60 24.≥ × = 0 6 40 0 4 20 16kNm. .uyM = × − × = 0 4 40 16.≥ × = Corresponding (primary) eccentricities: ex = 24 × 103/1500 = 16 mm < exmin = 27.33 mm ey = 16 × 103/1500 = 10.67 mm < eymin = 24.00 mm The primary eccentricities should not be less than the minimum eccentricities. Hence primary moments for design are: Mux = 1500 × (27.33 × 10–3) = 41.0 kNm Muy = 1500 × (24.00 × 10–3) = 36.0 kNm
  • 67.
    Dept. of CE,GCE Kannur Dr.RajeshKN Without modification factor, additional eccentricities eax = Dx (lex/Dx)2/2000 = 400 (14.88)2/2000 = 44.28 mm eay = Dy (ley/Dy )2/2000 = 300 (19.83)2/2000 = 58.98 mm Assume modification factors kax = kay ≈ 0.5 (to be verified later), Additional moments: Max = Pu (kaxeax) = 1500(0.5 × 44.28 × 10-3) = 33.2 kNm May = Pu (kayeay) = 1500(0.5 × 58.98 × 10-3) = 44.2 kNm 4. Additional moments ux ux axM M M= + 41 33 2 74 2kNm. .= + = uy uy ayM M M= + 36 44 2 80 2 kNm. .= + = 74 2kNm.uxM> = 5. Total factored moments
  • 68.
    Dept. of CE,GCE Kannur Dr.RajeshKN • Designing for a resultant uniaxial moment with respect to the minor axis, 2 2 1 15 74 2 80 2. . .uM ≅ + = 126 kNm 6. Trial section combined with Pu = 1500 kNm Pu/(fckbD) = (1500 × 103/(30 × 400 × 300) = 0.417 Mu/(fckbD2) = 126 × 106/(30 × 400 × 3002) = 0.117 Assuming 25ϕ main bars, 8ϕ ties and 40mm clear cover, d' = 60.5 mm d’/D ≈ 60.5/300 = 0.201 ≈ 0.20 with “equal reinforcement on all sides”, referring to Chart 46 of SP : 16, p/fck = 0.13
  • 69.
    Dept. of CE,GCE Kannur Dr.RajeshKN → preqd = 0.13 × 30 = 3.9 → As,reqd = 3.9 × 300 × 400/100 = 4680 mm2 Provide 8–28 ϕ [As = 8 × 616 mm2] 4928 > 4680 → pprovided = 4928 × 100/(300 × 400) =4.107 → p/fck = 4.107/30 = 0.137
  • 70.
    Dept. of CE,GCE Kannur Dr.RajeshKN From Table 60 of SP :16, the ultimate loads Pb,x and Pb,y at balanced failure can be determined. 7. Check additional moments For d’/Dx = 0.15, k1= 0.196, k2= 0.203, 1 2 ,b x ck ck P p k k f bD f = + 805 71kN, .b xP∴ = For d’/Dy = 0.2, k1= 0.184, k2= 0.028, 1 2 ,b y ck ck P p k k f bD f = + 676 21kN, .b yP∴ = d’/Dx= 0.155 mm = 0.15 mm (say) d’/Dy= 0.207 mm = 0.2 mm (say) • Assuming a clear cover of 40 mm, d’= 40 + 8 + 28/2 = 62 mm Puz = 0.45fck Ag + (0.75fy – 0.45fck)As = (0.45 × 30 × 300 × 400) + (0.75 × 415 – 0.45 × 30) × 4928 = 3087 kN
  • 71.
    Dept. of CE,GCE Kannur Dr.RajeshKN Modification factors: , uz u x uz b x P P k P P − = − 3087 1500 0 696 1 3087 805 71 . . − = = ≤ − , uz u y uz b y P P k P P − = − 3087 1500 0 658 1 3087 676 21 . . − = = ≤ − Hence, the actual (revised) total moments are: = 41.0 + 1500(0.696 × 44.28 × 10-3) = 87.23 kNm = 36.0 + 1500(0.658 × 58.98 × 10-3) = 94.21 kNm ux uy M M
  • 72.
    Dept. of CE,GCE Kannur Dr.RajeshKN Referring to the design Charts in SP : 16, uniaxial moment capacities corresponding to Pu/fckbD = 0.417 and p/fck = 0.137 are obtained as: Mux1/fckbD2 = 0.135 (for d’/Dx = 0.15) Muy1/fckbD2 = 0.115 (for d’/Dy = 0.2) 8. Check safety under axial load with biaxial bending Mux1 = 0.135 × 30 × 300 × 4002 = 194.4 × 106 Nmm = 194.4 kNm 94 21kNm.uyM> = Muy1 = 0.115 × 30 × 400 × 3002 =124.2 × 106 Nmm = 124.2 kNm Pu/Puz = 1500/3087 = 0.486 (which lies between 0.2 and 0.8) αn= 1.477 87 23kNm.uxM> =
  • 73.
    Dept. of CE,GCE Kannur Dr.RajeshKN 1 1 nn uyux ux uy MM M M αα ⎛ ⎞⎛ ⎞ + ⎜ ⎟⎜ ⎟ ⎜ ⎟ ⎝ ⎠ ⎝ ⎠ 1 477 1 477 87 23 94 21 194 4 124 2 . . . . . . ⎛ ⎞ ⎛ ⎞ = +⎜ ⎟ ⎜ ⎟ ⎝ ⎠ ⎝ ⎠ = 0.971 < 1.0 — Hence, safe
  • 74.
    Dept. of CE,GCE Kannur Dr.RajeshKN Footings
  • 75.
    Dept. of CE,GCE Kannur Dr.RajeshKN The purpose of the foundation is to effectively support the superstructure: 1. by transmitting the applied load effects (reactions in the form of vertical and horizontal forces and moments) to the soil below, 2. without exceeding the safe bearing capacity of the soil, 3. and ensuring that the settlement of the structure is within tolerable limits, and as nearly uniform as possible • ‘Footings’ are shallow foundations used when soil of sufficient strength is available within a relatively short depth below the ground surface.
  • 76.
    Dept. of CE,GCE Kannur Dr.RajeshKN TYPES OF FOOTINGS P FLAT P STEPPED P SLOPED isolated footings combined footings P1 P2 central beam (if required) individual footing areas overlap P1 P2 property line
  • 77.
    Dept. of CE,GCE Kannur Dr.RajeshKN Isolated Footings For ordinary structures located on reasonably firm soil, a separate isolated footing is provided for every column. The soil bearing pressures from below tend to make the base slab of the footing bend upwards, hence the footing needs to be suitably reinforced by a mesh provided at the bottom
  • 78.
    Dept. of CE,GCE Kannur Dr.RajeshKN Combined Footings • When two or more columns are close to each other and/or • if they are relatively heavily loaded and/or • if they rest on soil with low safe bearing capacity If isolated footings are attempted in the following cases, it results in an overlap of areas Combined Footings are provided in the above cases.
  • 79.
    Dept. of CE,GCE Kannur Dr.RajeshKN Soil pressures under isolated footings The plan area of a footing base slab is selected so as to limit the maximum soil bearing pressure induced below the footing to within a safe limit. • safe soil bearing capacity (‘allowable soil pressure’), qa, given to the structural designer by the geotechnical consultant is applicable for service load conditions, as qa includes the factor of safety. • Hence, the calculation for the required area of a footing must be based on qa and the service load effects. • The ‘partial load factors’ to be used for different load combinations (DL, LL, WL/EL) should, therefore, be those applicable for the serviceability limit state and not the ‘ultimate limit state’ when used in association with qa.
  • 80.
    Dept. of CE,GCE Kannur Dr.RajeshKN • the prescribed allowable soil pressure qa at a given depth is generally the gross pressure, which includes the pressure due to the existing overburden (soil up to the founding depth), and not the net pressure (in excess of the existing overburden pressure). • Hence, the total load to be considered in calculating the maximum soil pressure q (≤ qa) must include the weight of the footing itself and that of the backfill. • Often, these weights are initially taken as 10 – 15 percent of the axial load on the column
  • 81.
    Dept. of CE,GCE Kannur Dr.RajeshKN Distribution of Base Pressure • The distribution of the soil reaction acting at the base of the footing depends on the rigidity of the footing as well as the properties of the soil. • The distribution of soil pressure is generally non-uniform. However, for convenience, a linear distribution of soil pressure is assumed in normal design practice. • In a symmetrically loaded footing, where the resultant vertical (service) load P + ΔP (where P is the load from the column and ΔP the weight of footing plus backfill) passes through the centroid of the footing, the soil pressure is assumed to be uniformly distributed, and its magnitude q is given by Concentrically Loaded Footings q P P A = + Δ where A is the base area of the footing.
  • 82.
    Dept. of CE,GCE Kannur Dr.RajeshKN L B area A = BL P GROUND LEVEL backfill footing ∆P FOUNDING LEVEL GROSS SOIL PRESSURE q = (P+∆P)/A
  • 83.
    Dept. of CE,GCE Kannur Dr.RajeshKN • Limiting q to the allowable soil pressure qa will give the minimum required area of footing: A P P q reqd a = + Δ Eccentrically Loaded Footings • The load P acting on a footing may act eccentrically with respect to the centroid of the footing base due to: • the column transmitting a moment M in addition to the vertical load • the column carrying a vertical load offset with respect to the centroid of the footing • the column transmitting a lateral force located above the foundation level, in addition to the vertical load
  • 84.
    Dept. of CE,GCE Kannur Dr.RajeshKN P ΔP FOOTING Pe C (b) P ΔP FOOTING M e = M/P C (a) C FOOTING e P H H resultant thrust (c)
  • 85.
    Dept. of CE,GCE Kannur Dr.RajeshKN General design considerations • In order to compute the factored moments, shears, etc., acting at critical sections of the footing, a fictitious factored soil pressure qu, corresponding to the factored loads, should be considered. • The major design considerations in the structural design of a footing relate to flexure, shear (both one-way and two-way action), bearing and bond (development length). • Deflection control is not a consideration in the design of footings which are buried underground (and hence not visible). • However, control of crack-width and protection of reinforcement by adequate cover are important serviceability considerations, particularly in aggressive environments • minimum cover prescribed in the Code (Cl. 26.4.2.2) is 50 mm
  • 86.
    Dept. of CE,GCE Kannur Dr.RajeshKN Thickness of Footing Base Slab • The thickness of a footing base slab is generally based on considerations of shear and flexure, which are critical near the column location. • Generally, shear considerations predominate, and the thickness is based on shear criteria. Both one-way shear and two-way shear (‘punching shear’) need to be considered [Cl. 34.2.4.1].
  • 87.
    Dept. of CE,GCE Kannur Dr.RajeshKN a b d/2 d/2 critical section (all around) for two– way shearVu2 a+d (b) b+d L B b a critical sections for moment critical section for one–way shear Pu Mu d d qu (a) Vu1
  • 88.
    Dept. of CE,GCE Kannur Dr.RajeshKN (d) Pu Mu t/4 critical section for moment q u masonry wallt d critical sections for moment Pu Mu qu (c)
  • 89.
    Dept. of CE,GCE Kannur Dr.RajeshKN DESIGN EXAMPLE OF ISOLATED FOOTING Design Problem 1: Square isolated footing, Concentrically loaded Design an isolated footing for a square column, 450 mm × 450 mm, reinforced with 8–25 φ bars, and carrying a service load of 2300 kN. Assume soil with a safe bearing capacity of 300 kN/m2 at a depth of 1.5 m below ground. Assume M 20 grade concrete and Fe 415 grade steel for the footing, and M 25 concrete and Fe 415 steel for the column.
  • 90.
    Dept. of CE,GCE Kannur Dr.RajeshKN 1. Size of footing Given: P = 2300 kN, qa = 300 kN/m2 (at h = 1.5 m below ground surface) Assuming the weight of the footing + backfill to be 10 % of the load P = 2300 kN, base area required = 2300 11 300 × . = 8.43 m2 Minimum size of square footing = 8.43 = 2.904 m Assume a 3 m × 3 m footing base
  • 91.
    Dept. of CE,GCE Kannur Dr.RajeshKN 2. Thickness of footing slab based on shear Net soil pressure at ultimate loads (assuming a load factor of 1.5) qu = × × 2300 15 3 0 3 0 . . . = 383 kN/m2 (a) One-way shear The critical section is at a distance d from the column face Factored shear force Vu1 = 0.383 N/mm2 × 3000 mm × (1275 – d) = (1464975 – 1149d) N. 3000 3000 critical section for shear 450 450 d 1275-d
  • 92.
    Dept. of CE,GCE Kannur Dr.RajeshKN Assuming 0 36 MPa.cτ = (for M 20 concrete with, say, pt = 0.25) [Table 19], One-way shear resistance Vc1 = 0.36 × 3000 × d = (1080d) N Vu1 ≤ Vc1 1464975 – 1149d ≤ 1080d d ≥ 658 mm
  • 93.
    Dept. of CE,GCE Kannur Dr.RajeshKN (b) Two-way shear The critical section is at d/2 from the periphery of the column ⇒ Factored shear force Vu2 = 0.383 × [30002 – (450 + d)2] Two-way shear resistance ( )2 4 450c s cV k d dτ ⎡ ⎤= × × +⎣ ⎦ where ks = 1.0 for a square column 0 25 20.cτ = = 1.118 MPa (Cl. 31.6.3.1) 450 450 d/2 d/2 critical section (all around) for two– way shear Vu2 450+d 450+d
  • 94.
    Dept. of CE,GCE Kannur Dr.RajeshKN Vc2 = 1.0 × 1.118 × 4d (450 + d) = (2012.4d + 4.472d2) N Evidently, in this problem, one-way shear governs the thickness. Assuming a clear cover of 75 mm and 16 φ bars in both directions, with an average d = 658 mm, thickness D ≥ 658 + 75 + 16 = 749 mm Vu2 ≤ Vc2 ⇒ 0.383 × [30002 – (450 + d)2] ≤ 2012.4d + 4.472d2 3369442.5 - 0.383 d2 - 900d ≤ 2012.4d + 4.472d2 4.855 d2 + 2912.4 d - 3369442.5 ≥ 0 d ≥ 585.5
  • 95.
    Dept. of CE,GCE Kannur Dr.RajeshKN Provide D = 750 mm. The effective depths in the two directions will differ by one bar diameter, which is not significant in relatively deep square footings. For the purpose of flexural reinforcement calculations, an average value of d may be assumed as: d = 750 – 75 – 16 = 659 mm Assuming unit weights of concrete and soil as 24 kN/m3 and 18kN/m3 respectively, actual gross pressure at footing base (under service loads) q = 2300/(3.0 × 3.0) + (24 × 0.75) + (18 × 0.75) = 287 kN/m2 < 300 kN/m2 — OK.
  • 96.
    Dept. of CE,GCE Kannur Dr.RajeshKN 3. Design of flexural reinforcement Factored moment at column face (in either direction): Mu = 0.383 × 3000 × 12752/2 = 933.9 × 106 Nmm 6 2 2 933 9 10 3000 659 .uM Bd × = × =0.717 MPa 0 02 7( ) .t reqdp = Ast,min = 0.0012BD = 0.0012 × 3000 × 750 = 2700 mm2 ⇒ pt,min = 100 × 2700/(3000 × 659) = 0.137 < 0.207 3000 3000 450 450 critical section for moment 1275 (Table 2, SP:16, Page 48)
  • 97.
    Dept. of CE,GCE Kannur Dr.RajeshKN But this reinforcement is less than the 0.25% assumed for one-way shear. Hence Ast,reqd = 0.25 × 3000 × 659/100 = 4943 mm2 Using 16 mm φ bars, number of bars required = 4943/201 = 25 [corresponding spacing s = {3000 – (75 × 2) – 16}/(25 –1) = 118 mm — is acceptable.] Provide 25 nos 16 φ bars both ways Required development length ( )0 87 4 . y d bd f L φ τ = Cl. 26.2.1 For M 20 concrete and Fe 415 steel, 0 87 415 47 4 1 2 1 6 . . . dL φ φ × = = × × For 16 φ bars in footing, Ld = 47.0 × 16 = 752 mm Length available = 1275 – 75 = 1200 mm > 752 mm — Hence, OK.
  • 98.
    Dept. of CE,GCE Kannur Dr.RajeshKN dav = 659 450 750 3000 75 3000 450 d/2 d/2 d/2 d 450 section for moment section for one-way shear section for two-way shear 25 nos 16 φ both ways (3000 – 450)/2 = 1275 75 XX PLAN SECTION ‘XX’
  • 99.
    Dept. of CE,GCE Kannur Dr.RajeshKN 4. Transfer of force at column base
  • 100.
    Dept. of CE,GCE Kannur Dr.RajeshKN Design Problem 2: Isolated footing, Eccentrically loaded
  • 101.
    Dept. of CE,GCE Kannur Dr.RajeshKN DESIGN OF COMBINED FOOTINGS
  • 102.
    Dept. of CE,GCE Kannur Dr.RajeshKN Summary Design of Compression Members: Effective length and classification as per IS 456, short columns subjected to axial compression with and without uniaxial/biaxial eccentricities; slender columns - Use of SP 16 charts. Design of Footings: Wall footings, isolated footings – axial and eccentric loading, rectangular and trapezoidal combined footings.