Koya University
Faculty of Engineering
Chemical Engineering Department – 2nd Stage
Petroleum Laboratory
Lab Report
Number of Experiment: 3
Experiment Name: Cloud Point and Pour Point
Experiment Date: 11/11/2020
Submitted on: 18/11/2020
Instructor: Mr. Ribwar and Mr. Hassan
Group: B
Prepared by:
Safeen Yaseen Jafar
Rivan Dler Ali
Rokan Mohammed Omer
Ramazan Shkur Kakl
Rasa Raz Ibrahim
Rozh Qubad
Rekar Hamza Muhammad
Rekan Kazm Jamel
Table of Content
Aim of Experiment ................................................................................................ 1
Theory/Introduction............................................................................................... 2
Tools and Apparatus .............................................................................................. 3
Procedure............................................................................................................... 4
Table of Reading.................................................................................................... 5
Discussions............................................................................................................ 6
References ........................................................................................................... 14
1
Aim of Experiment
To Determine the Cloud and Pour Point Of Given Oil Sample.
2
Theory/Introduction
Pour point is the lowest temperature at which the product continues to flow
when it is cooling, without stirring. Cloud point is the temperature at which
components within the fluid under test precipitate on cooling.
Cloud Point
Cloud point is an important quality specification for diesel fuels. This is an
indicator of the tendency of a fuel to form wax crystals when cold. These crystals
can clog the atomizer that injects fuel into the combustion chamber of a diesel
engine. Cloud point is measured as the temperature at which long-chained
paraffins begin to crystallize, causing the fuel to turn cloudy.
Figure (1)
Cloud point specifications are a maximum temperature. A material with lower
cloud point is more desirable. In general, low-density (lower boiling point)
material will have a lower (more desirable) cloud point.
Pour Points
Pour point is defined as the lowest temperature at which the test fluid can
be poured under the prescribed test conditions. It is one of the properties that
determine the low temperature fluidity of a lubricating oil.
Figure (2)
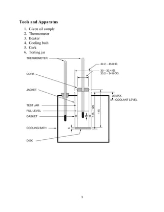
3
Tools and Apparatus
1. Given oil sample
2. Thermometer
3. Beaker
4. Cooling bath
5. Cork
6. Testing jar
4
Procedure
Cloud Point Determination:
Apparatus used in cloud point determination were test jar, cork carrying
thermometer, water bath with heater, cloud point chamber and crushed ice.
Experimental procedures are as enumerated below;
a) Test jar was filled to the level mark, closed tightly by the cork carrying the
thermometer and placed into a bath of crushed ice as shown in Fig. 3.
b) Test jar was removed from the jacket quickly without disturbing the specimen.
Inspection for cloud point was done and jacket replaced. Operation was done
without exceeding time duration of three (3) seconds.
c) Since cloud point is the temperature of a liquid specimen when the smallest
observable cluster of hydrocarbon crystals first occurs upon cooling under
prescribed conditions, observation was done and cloud point was reported to the
nearest 1˚C. At this point, cloud is observed at the bottom of the test jar,
which is confirmed by continued cooling.
Pour Point Determination:
Same apparatus that were used in cloud point determination were used in
pour point determination. Experimental procedures are enumerated below; A
sample of worm crude was filled to the level mark. The test jar was tightly closed
by the cork carrying the test thermometer and placed in a bath of crushed ice.
a) The test jar was inspected at an interval of at three (3) minutes by
holding in a horizontal position for a few seconds before returning it to
cool.
b) The pour point was reached when the oil surface stayed in the vertical position
for a period of 5 seconds without sagging. At this point the thermometer was
inserted to cool for 10 seconds and the temperature of the oil was taken.
c) The pour point was 3˚C higher than the thermometer reading. Crude sample at
pour point is shown in Fig. 4. Also, Fig. 5 shows cloud and pour point chambers.
5
Table of Reading
Point Sample 1 Sample 2
Cloud Point -3 -10
Pour Point -33 or -30 -1
6
Discussions
Discussion – Safeen Yaseen Jafar
1. What happen if hydrotrope is added to oil solution?
Hydrotrope have been used for the separation of difficultto-separate solid
mixtures. A simple technique is employed which involves either solubilization and
precipitation (i.e., the solubilization of the mixture in a hydrotrope solution and
subsequent selective precipitation of a desired component by controlled dilution
with water) or leaching (i.e., controlled partial solubilization so that one of the
components remains in the solid phase with improved purity). Both these
techniques can be conveniently employed to effect the separation of the component
at higher purity and reasonable recovery.
2. What happens if salt is added to oil solution?
Salt is heavier than water, so when you pour salt on the oil, it sinks to the
bottom of the mixture. Salts don't directly interact with oil because oils are non-
polar solvents whereas salts only dissolve in polar solvents (like Water). So you
can always dry up the unresolved mixture (of salt and oil) at temperatures at which
salt remains stabilized.
3. Why we should take care of thermometer reading during the
experiment?
Because the dependence of the cloud point and pour point on
temperature. So, the low temperature from thermometer related to the
pour point and the higher temperature than pour point related to the
cloud point.
7
Discussion – Rivan Dler Ali
Q1 When we attempt to increase solubility of solution we add hydrotropes. If we
add hydrotropes to oil consequently improve their surface activities and oil start to
soluble.
Q2 it sinks to the bottom of the mixture, carrying a blob of oil with it. Salts don't
directly interact with oil because oils are nonpolar solvents whereas salts only
dissolve in polar solvents (like Water). Salt doesn't dissolve in oil so there is not be
any change in pour and cloud point.
Q3 Because there is be change in temperature during the process and at any
moment may cloud point take place and then pour point
8
Discussion – Rokan Mohammad Omer
1. What happen if hydrotrope is added to oil solution?
When we attempt to increase solubility of solution, we add hydrotropes. If we add
hydrotropes to oil consequently improve their surface activities and oil start to
soluble.
2. What happens if salt is added to oil solution?
Salt is heavier than water, so when you pour salt on the oil, it sinks to the
bottom of the mixture. Salts don't directly interact with oil because oils are non-
polar solvents whereas salts only dissolve in polar solvents (like Water). So you
can always dry up the unresolved mixture (of salt and oil) at temperatures at which
salt remains stabilized.
3. Why we should take care of thermometer reading during the experiment?
During this experiment we care thermometer because finding the cloud and pour
points depends on temperature not pressure or volume, So during the lab’s work
we were found two difference temperature that the higher one is cloud point and
lower one is pour point.
9
Discussion – Ramazan Shkur Kakl
1. What happen if hydrotrope is added to oil solution?
Hydrotropes effect a several-fold increase of the solubility of sparingly soluble
solutes under normal conditions. Their water-solubility can significantly enhance
the solubility of organic solutes such as esters, alcohols, aldehydes, ketones,
hydrocarbons, and fats. While the study of hydrotropes is pioneered by a
biochemist, greater appreciation of their role and applicability has happened rather
in chemistry and chemical engineering than in biology. Hydrotropes are widely
used in drug solubilization, as extraction agents for fragrances, as agents to
increase the rate of heterogeneous reactions, and for separation of close-boiling
liquid mixtures through extractive distillation and liquid-liquid extraction.
2. What happens if salt is added to oil solution?
Salt is heavier than water, so when you pour salt on the oil, it sinks to the bottom
of the mixture, carrying a blob of oil with it. In the water, the salt starts to dissolve
so it will be increase solubility.
3. Why we should take care of thermometer reading during the experiment?
During this experiment we care thermometer because finding the cloud and pour
points depends on temperature not pressure or volume, So during the lab’s work
we were found two difference temperature that the higher one is cloud point and
lower one is pour point.
10
Discussion – Rasa Raz Ibrahim
1. Hydrotropes affect a several-fold increase of the solubility of
sparingly soluble solutes under normal conditions.
2. They typically don't dissolve because oils are non-polar solvents. In
addition, salts are only desolve in polar solvents.
3. The reason behind that is the cloud point and pour point are dappend
on temperature that's why we should take care of thermometer reading
during the experiment, the change of temperature is change the points
11
Discussion – Rozh Qubad
1. A hydrotrope is a compound that solubilizes hydrophobic compounds in
aqueous solutions by means other than micellar solubilization.
2. Salt is heavier than water, so when you pour salt on the oil, it sinks to the
bottom of the mixture, carrying a blob of oil with it. In the water, the salt
starts to dissolve. As it dissolves, the salt releases the oil, which floats back
up to the top of the water.
3. Since of the cloud point and the pour point we depend on the temperature
amid the method on arrange to calculate them.
12
Discussion – Rekar Hamza Muhammad
1.What happen if hydrotrope is added to oil solution?
Hydrotropes affect a several-fold increase of the solubility of sparingly soluble
solutes under normal conditions. Their water-solubility can significantly enhance
the solubility of organic solutes such as esters, alcohols, aldehydes, ketones,
hydrocarbons, and fats. While the study of hydrotropes is pioneered by a
biochemist, greater appreciation of their role and applicability has happened rather
in chemistry and chemical engineering than in biology. Hydrotropes are widely
used in drug solubilization, as extraction agents for fragrances, as agents to
increase the rate of heterogeneous reactions, and for separation of close-boiling
liquid mixtures through extractive distillation and liquid-liquid extraction.
2.What happens if salt is added to oil solution?
Water is lighter than salt,so when you mix them the water is floats,but basically or
easily the salt doesn't dissolve on the oil,because of the difference of their
ingredients.
3.Why we should take care of thermometer reading during the
experiment?
Because of the cloud point and the pour point we depend on the
temperature during the process on order to calculate them.
13
Discussion – Rekan Kazm Jamel
Q1/What happen if hydrotrope is added to oil solution?
This leads to an increase in the hydrocarbon chain, which in turn affects the
Decreased quality of the material and the difference between the base material and
the pour and cloud ratio.
Q2/What happens if salt is added to oil solution?
Oil is comprised of long chains of hydrogen and carbon atoms linked to each other.
It does not contain any net charge making it nonreactive. So, salt and oil are not
"chemically alike." One is charged, the other is not. As a result, when salt is added
to oil, no bonds are broken. because oils are non- polar solvents whereas salts only
dissolve in polar solvents (like Water) Salt and oil simply do not mix. When
combined, they remain distinctly separate.
Q3/Why we should take care of thermometer reading during the experiment?
Cloud and pour point characteristics are indicative of low temperature behaviour of
a product.So do we need to pay more attention to reading during the exam To
determine each of Cloud and pour point Which pour has the lowest temperature
and the cloud whose temperature is under test.
14
References
1. www.crodalubricants.com. (n.d.). Pour Point Cloud Point | Croda
Lubricants. [online] Available at: https://www.crodalubricants.com/en-
gb/discovery-zone/how-we-test-our-products/pour-point-cloud-
point#:~:text=Pour%20point%20is%20the%20lowest [Accessed 15 Nov.
2020].
2. www.glossary.oilfield.slb.com. (n.d.). cloud point | Oilfield Glossary.
[online] Available at:
https://www.glossary.oilfield.slb.com/en/Terms/c/cloud_point.aspx
[Accessed 15 Nov. 2020].
3. www.mckinseyenergyinsights.com. (n.d.). Cloud point. [online] Available
at: https://www.mckinseyenergyinsights.com/resources/refinery-reference-
desk/cloud-point/ [Accessed 15 Nov. 2020].
4. Wang, J.-L. (2013). Pour Point. Encyclopedia of Tribology, [online]
pp.2673–2678. Available at:
https://link.springer.com/referenceworkentry/10.1007%2F978-0-387-92897-
5_958 [Accessed 15 Nov. 2020].

Petroleum lab experiment 03 - cloud pour point

  • 1.
    Koya University Faculty ofEngineering Chemical Engineering Department – 2nd Stage Petroleum Laboratory Lab Report Number of Experiment: 3 Experiment Name: Cloud Point and Pour Point Experiment Date: 11/11/2020 Submitted on: 18/11/2020 Instructor: Mr. Ribwar and Mr. Hassan Group: B Prepared by: Safeen Yaseen Jafar Rivan Dler Ali Rokan Mohammed Omer Ramazan Shkur Kakl Rasa Raz Ibrahim Rozh Qubad Rekar Hamza Muhammad Rekan Kazm Jamel
  • 2.
    Table of Content Aimof Experiment ................................................................................................ 1 Theory/Introduction............................................................................................... 2 Tools and Apparatus .............................................................................................. 3 Procedure............................................................................................................... 4 Table of Reading.................................................................................................... 5 Discussions............................................................................................................ 6 References ........................................................................................................... 14
  • 3.
    1 Aim of Experiment ToDetermine the Cloud and Pour Point Of Given Oil Sample.
  • 4.
    2 Theory/Introduction Pour point isthe lowest temperature at which the product continues to flow when it is cooling, without stirring. Cloud point is the temperature at which components within the fluid under test precipitate on cooling. Cloud Point Cloud point is an important quality specification for diesel fuels. This is an indicator of the tendency of a fuel to form wax crystals when cold. These crystals can clog the atomizer that injects fuel into the combustion chamber of a diesel engine. Cloud point is measured as the temperature at which long-chained paraffins begin to crystallize, causing the fuel to turn cloudy. Figure (1) Cloud point specifications are a maximum temperature. A material with lower cloud point is more desirable. In general, low-density (lower boiling point) material will have a lower (more desirable) cloud point. Pour Points Pour point is defined as the lowest temperature at which the test fluid can be poured under the prescribed test conditions. It is one of the properties that determine the low temperature fluidity of a lubricating oil. Figure (2)
  • 5.
    3 Tools and Apparatus 1.Given oil sample 2. Thermometer 3. Beaker 4. Cooling bath 5. Cork 6. Testing jar
  • 6.
    4 Procedure Cloud Point Determination: Apparatusused in cloud point determination were test jar, cork carrying thermometer, water bath with heater, cloud point chamber and crushed ice. Experimental procedures are as enumerated below; a) Test jar was filled to the level mark, closed tightly by the cork carrying the thermometer and placed into a bath of crushed ice as shown in Fig. 3. b) Test jar was removed from the jacket quickly without disturbing the specimen. Inspection for cloud point was done and jacket replaced. Operation was done without exceeding time duration of three (3) seconds. c) Since cloud point is the temperature of a liquid specimen when the smallest observable cluster of hydrocarbon crystals first occurs upon cooling under prescribed conditions, observation was done and cloud point was reported to the nearest 1˚C. At this point, cloud is observed at the bottom of the test jar, which is confirmed by continued cooling. Pour Point Determination: Same apparatus that were used in cloud point determination were used in pour point determination. Experimental procedures are enumerated below; A sample of worm crude was filled to the level mark. The test jar was tightly closed by the cork carrying the test thermometer and placed in a bath of crushed ice. a) The test jar was inspected at an interval of at three (3) minutes by holding in a horizontal position for a few seconds before returning it to cool. b) The pour point was reached when the oil surface stayed in the vertical position for a period of 5 seconds without sagging. At this point the thermometer was inserted to cool for 10 seconds and the temperature of the oil was taken. c) The pour point was 3˚C higher than the thermometer reading. Crude sample at pour point is shown in Fig. 4. Also, Fig. 5 shows cloud and pour point chambers.
  • 7.
    5 Table of Reading PointSample 1 Sample 2 Cloud Point -3 -10 Pour Point -33 or -30 -1
  • 8.
    6 Discussions Discussion – SafeenYaseen Jafar 1. What happen if hydrotrope is added to oil solution? Hydrotrope have been used for the separation of difficultto-separate solid mixtures. A simple technique is employed which involves either solubilization and precipitation (i.e., the solubilization of the mixture in a hydrotrope solution and subsequent selective precipitation of a desired component by controlled dilution with water) or leaching (i.e., controlled partial solubilization so that one of the components remains in the solid phase with improved purity). Both these techniques can be conveniently employed to effect the separation of the component at higher purity and reasonable recovery. 2. What happens if salt is added to oil solution? Salt is heavier than water, so when you pour salt on the oil, it sinks to the bottom of the mixture. Salts don't directly interact with oil because oils are non- polar solvents whereas salts only dissolve in polar solvents (like Water). So you can always dry up the unresolved mixture (of salt and oil) at temperatures at which salt remains stabilized. 3. Why we should take care of thermometer reading during the experiment? Because the dependence of the cloud point and pour point on temperature. So, the low temperature from thermometer related to the pour point and the higher temperature than pour point related to the cloud point.
  • 9.
    7 Discussion – RivanDler Ali Q1 When we attempt to increase solubility of solution we add hydrotropes. If we add hydrotropes to oil consequently improve their surface activities and oil start to soluble. Q2 it sinks to the bottom of the mixture, carrying a blob of oil with it. Salts don't directly interact with oil because oils are nonpolar solvents whereas salts only dissolve in polar solvents (like Water). Salt doesn't dissolve in oil so there is not be any change in pour and cloud point. Q3 Because there is be change in temperature during the process and at any moment may cloud point take place and then pour point
  • 10.
    8 Discussion – RokanMohammad Omer 1. What happen if hydrotrope is added to oil solution? When we attempt to increase solubility of solution, we add hydrotropes. If we add hydrotropes to oil consequently improve their surface activities and oil start to soluble. 2. What happens if salt is added to oil solution? Salt is heavier than water, so when you pour salt on the oil, it sinks to the bottom of the mixture. Salts don't directly interact with oil because oils are non- polar solvents whereas salts only dissolve in polar solvents (like Water). So you can always dry up the unresolved mixture (of salt and oil) at temperatures at which salt remains stabilized. 3. Why we should take care of thermometer reading during the experiment? During this experiment we care thermometer because finding the cloud and pour points depends on temperature not pressure or volume, So during the lab’s work we were found two difference temperature that the higher one is cloud point and lower one is pour point.
  • 11.
    9 Discussion – RamazanShkur Kakl 1. What happen if hydrotrope is added to oil solution? Hydrotropes effect a several-fold increase of the solubility of sparingly soluble solutes under normal conditions. Their water-solubility can significantly enhance the solubility of organic solutes such as esters, alcohols, aldehydes, ketones, hydrocarbons, and fats. While the study of hydrotropes is pioneered by a biochemist, greater appreciation of their role and applicability has happened rather in chemistry and chemical engineering than in biology. Hydrotropes are widely used in drug solubilization, as extraction agents for fragrances, as agents to increase the rate of heterogeneous reactions, and for separation of close-boiling liquid mixtures through extractive distillation and liquid-liquid extraction. 2. What happens if salt is added to oil solution? Salt is heavier than water, so when you pour salt on the oil, it sinks to the bottom of the mixture, carrying a blob of oil with it. In the water, the salt starts to dissolve so it will be increase solubility. 3. Why we should take care of thermometer reading during the experiment? During this experiment we care thermometer because finding the cloud and pour points depends on temperature not pressure or volume, So during the lab’s work we were found two difference temperature that the higher one is cloud point and lower one is pour point.
  • 12.
    10 Discussion – RasaRaz Ibrahim 1. Hydrotropes affect a several-fold increase of the solubility of sparingly soluble solutes under normal conditions. 2. They typically don't dissolve because oils are non-polar solvents. In addition, salts are only desolve in polar solvents. 3. The reason behind that is the cloud point and pour point are dappend on temperature that's why we should take care of thermometer reading during the experiment, the change of temperature is change the points
  • 13.
    11 Discussion – RozhQubad 1. A hydrotrope is a compound that solubilizes hydrophobic compounds in aqueous solutions by means other than micellar solubilization. 2. Salt is heavier than water, so when you pour salt on the oil, it sinks to the bottom of the mixture, carrying a blob of oil with it. In the water, the salt starts to dissolve. As it dissolves, the salt releases the oil, which floats back up to the top of the water. 3. Since of the cloud point and the pour point we depend on the temperature amid the method on arrange to calculate them.
  • 14.
    12 Discussion – RekarHamza Muhammad 1.What happen if hydrotrope is added to oil solution? Hydrotropes affect a several-fold increase of the solubility of sparingly soluble solutes under normal conditions. Their water-solubility can significantly enhance the solubility of organic solutes such as esters, alcohols, aldehydes, ketones, hydrocarbons, and fats. While the study of hydrotropes is pioneered by a biochemist, greater appreciation of their role and applicability has happened rather in chemistry and chemical engineering than in biology. Hydrotropes are widely used in drug solubilization, as extraction agents for fragrances, as agents to increase the rate of heterogeneous reactions, and for separation of close-boiling liquid mixtures through extractive distillation and liquid-liquid extraction. 2.What happens if salt is added to oil solution? Water is lighter than salt,so when you mix them the water is floats,but basically or easily the salt doesn't dissolve on the oil,because of the difference of their ingredients. 3.Why we should take care of thermometer reading during the experiment? Because of the cloud point and the pour point we depend on the temperature during the process on order to calculate them.
  • 15.
    13 Discussion – RekanKazm Jamel Q1/What happen if hydrotrope is added to oil solution? This leads to an increase in the hydrocarbon chain, which in turn affects the Decreased quality of the material and the difference between the base material and the pour and cloud ratio. Q2/What happens if salt is added to oil solution? Oil is comprised of long chains of hydrogen and carbon atoms linked to each other. It does not contain any net charge making it nonreactive. So, salt and oil are not "chemically alike." One is charged, the other is not. As a result, when salt is added to oil, no bonds are broken. because oils are non- polar solvents whereas salts only dissolve in polar solvents (like Water) Salt and oil simply do not mix. When combined, they remain distinctly separate. Q3/Why we should take care of thermometer reading during the experiment? Cloud and pour point characteristics are indicative of low temperature behaviour of a product.So do we need to pay more attention to reading during the exam To determine each of Cloud and pour point Which pour has the lowest temperature and the cloud whose temperature is under test.
  • 16.
    14 References 1. www.crodalubricants.com. (n.d.).Pour Point Cloud Point | Croda Lubricants. [online] Available at: https://www.crodalubricants.com/en- gb/discovery-zone/how-we-test-our-products/pour-point-cloud- point#:~:text=Pour%20point%20is%20the%20lowest [Accessed 15 Nov. 2020]. 2. www.glossary.oilfield.slb.com. (n.d.). cloud point | Oilfield Glossary. [online] Available at: https://www.glossary.oilfield.slb.com/en/Terms/c/cloud_point.aspx [Accessed 15 Nov. 2020]. 3. www.mckinseyenergyinsights.com. (n.d.). Cloud point. [online] Available at: https://www.mckinseyenergyinsights.com/resources/refinery-reference- desk/cloud-point/ [Accessed 15 Nov. 2020]. 4. Wang, J.-L. (2013). Pour Point. Encyclopedia of Tribology, [online] pp.2673–2678. Available at: https://link.springer.com/referenceworkentry/10.1007%2F978-0-387-92897- 5_958 [Accessed 15 Nov. 2020].