Structural Analysis - III
Fl ibilit M th d 1Flexibility Method - 1
Dr. Rajesh K. N.
Assistant Professor in Civil EngineeringAssistant Professor in Civil Engineering
Govt. College of Engineering, Kannur
Dept. of CE, GCE Kannur Dr.RajeshKN
1
Module I
Matrix analysis of structures
Module I
• Definition of flexibility and stiffness influence coefficients –
d l t f fl ibilit t i b h i l h &
Matrix analysis of structures
development of flexibility matrices by physical approach &
energy principle.
Flexibility method
• Flexibility matrices for truss beam and frame elements –• Flexibility matrices for truss, beam and frame elements –
load transformation matrix-development of total flexibility
matrix of the structure –analysis of simple structures –
l t ti b d l f d l l dplane truss, continuous beam and plane frame- nodal loads
and element loads – lack of fit and temperature effects.
Dept. of CE, GCE Kannur Dr.RajeshKN
2
FUNDAMENTALS OF FLEXIBILITY METHOD
Introduction
•This method is a generalization of the Maxwell-Mohr
method(1874)method(1874)
•Not conducive to computer programming, because the choice
f d d t i t iof redundants is not unique
•Unknowns are the redundant actions, which are arbitrarily, y
chosen
Dept. of CE, GCE Kannur Dr.RajeshKN
3
Flexibility method (Explanation using principle of superposition)
Example 1: Single redundant - Continuous 2-span beam
Flexibility method (Explanation using principle of superposition)
Released structure
4
5
384
B
wL
EI
−
Δ =
Deflection of released
structure due to actual loads
Dept. of CE, GCE Kannur Dr.RajeshKN
4
(Negative, since deflection is downward)
BRApply unit load corresponding to
C
3
B
L
=δDisplacement due to unit load
48
B
EI
δDisplacement due to unit load,
BR B BR δDisplacement due to is
Dept. of CE, GCE Kannur Dr.RajeshKN
5
Deflection of releasedB BR δ
structure due to redundant
applied as a load
C
0R δΔ + =
Compatibility condition (or equation of
0B B BR δΔ + = superposition or equation of geometry)
5
8
B
B
B
wL
R
−Δ
∴ = =
δ
δ
(Displacement due to unit load corresponding to )BR
Bδ flexibility coefficient
Dept. of CE, GCE Kannur Dr.RajeshKN
6
Example 2 – More than one redundant
Ch i f d d t
Dept. of CE, GCE Kannur Dr.RajeshKN
Choice of redundants
Q Q b th d d tL t 1 2,Q Q be the redundantsLet
Deflections corresponding to
redundantsredundants
&D D Displacements in the released
1 2&QL QLD D Displacements in the released
structure corresponding to redundants, due to
external loads
Dept. of CE, GCE Kannur Dr.RajeshKN
8
•To get flexibility coefficientsTo get flexibility coefficients
1 2&Q Q•Apply unit loads corresponding to
Fl ibilit ffi i tFlexibility coefficients
Net deflection is zero at B and C
1 11 1 12 2 0QLD F Q F Q+ + =
0D F Q F Q
1 11 12 1 0
0
QLD F F Q
D F F Q
⎧ ⎫ ⎧ ⎫ ⎧ ⎫⎡ ⎤
+ =⎨ ⎬ ⎨ ⎬ ⎨ ⎬⎢ ⎥
⎩ ⎭⎩ ⎭⎣ ⎦⎩ ⎭
Dept. of CE, GCE Kannur Dr.RajeshKN
9
2 21 1 22 2 0QLD F Q F Q+ + = 2 21 22 2 0QLD F F Q⎢ ⎥
⎩ ⎭⎩ ⎭⎣ ⎦⎩ ⎭
•Generally, net deflection need not be zero
1 1 11 1 12 2Q QLD D F Q F Q= + +
D D F Q F Q+ +2 2 21 1 22 2Q QLD D F Q F Q= + +
Q Qh di l di1 2,Q QD D 1 2,Q Q•Where :support displacements corresponding to
{ } { } [ ]{ }D D F Q{ } { } [ ]{ }Q QLD D F Q= +
D⎧ ⎫ D⎧ ⎫ F F⎡ ⎤ Q⎧ ⎫
{ } 1
2
Q
Q
Q
D
D
D
⎧ ⎫
= ⎨ ⎬
⎩ ⎭
{ } 1
2
QL
QL
QL
D
D
D
⎧ ⎫
= ⎨ ⎬
⎩ ⎭
[ ] 11 12
21 22
F F
F
F F
⎡ ⎤
= ⎢ ⎥
⎣ ⎦
{ } 1
2
Q
Q
Q
⎧ ⎫
= ⎨ ⎬
⎩ ⎭
F QQDFlexibility coefficient is sometimes denoted as
Dept. of CE, GCE Kannur Dr.RajeshKN
10
F QQDFlexibility coefficient is sometimes denoted as
{ } [ ] { } { }( )1
Q QLQ F D D
−
= −
{ } { }0D•If there are no support displacements
{ } [ ] { }1
Q F D
−
∴
{ } { }0QD =•If there are no support displacements,
{ } [ ] { }QLQ F D∴ = −
Dept. of CE, GCE Kannur Dr.RajeshKN
11
• Example: To find out redundants
: 2P P M PL PGiv n P Pe P= = = =1 2 3: 2P P M PL PGiv n P Pe P= = = =
Dept. of CE, GCE Kannur Dr.RajeshKN
12
3
13PL
3
97PL3
1
13
24
QL
PL
D
EI
= 2
97
48
QL
PL
D
EI
=
⎡ ⎤3
26
9748
QL
PL
D
EI
⎡ ⎤
⎡ ⎤ = ⎢ ⎥⎣ ⎦
⎣ ⎦
∴
Dept. of CE, GCE Kannur Dr.RajeshKN
13
⎣ ⎦
33
11
3
L
F
EI
=
3
5L
21
5
6
L
F
EI
=
3
5L
F12
6
F
EI
=
3
22
8
3
L
F
EI
= [ ]
3
2 5
5 166
L
F
EI
⎡
=∴
⎤
⎢ ⎥
⎣ ⎦
Dept. of CE, GCE Kannur Dr.RajeshKN
14
22
3EI 5 166EI ⎣ ⎦
⎡ ⎤
[ ]
1
3
16 56
5 27
EI
F
L
− −⎡ ⎤
= ⎢ ⎥−⎣ ⎦⎣ ⎦
Q⎡ ⎤
[ ] [ ]
11
2
QL
Q
Q F D
Q
−⎡ ⎤
⎡ ⎤= = −⎢ ⎥ ⎣ ⎦
⎣ ⎦
3
16 5 26⎡ ⎤ ⎡ ⎤ ⎡ ⎤
3
3
16 5 266
5 2 977 48
EI PL
L EI
−⎡ ⎤ ⎡ ⎤−
= ⎢ ⎥ ⎢ ⎥−⎣ ⎦ ⎣ ⎦
69
6456
P ⎡
=
⎤
⎢ ⎥−⎣ ⎦⎣ ⎦
1 2
69 8
, ,
P P
i e Q Q
−
= =
Dept. of CE, GCE Kannur Dr.RajeshKN
15
1 2. ., ,
56 7
i e Q Q
Temperature changes, pre-strains andp g , p
support displacements not corresponding to redundants
L t
Displacements corresponding to redundants due to{ }D
Let:
Displacements corresponding to redundants due to
temperature changes, in the released structure
{ }QTD
Displacements corresponding to redundants due to
pre strains in the released structure
{ }QPD
pre-strains, in the released structure
Di l di d d d{ } Displacements corresponding to redundants due to
support displacements not corresponding to
redundants in the released structure
{ }QRD
Dept. of CE, GCE Kannur Dr.RajeshKN
16
redundants, in the released structure
{ } { } { } { } { } [ ]{ }{ } { } { } { } { } [ ]{ }Q QL QT QP QRD D D D D F Q= + + + +
{ } { } { } { } { }QC QL QT QP QRD D D D D= + + +•Let { } { } { } { } { }
{ } { } [ ]{ }Q QCD D F Q= +•Hence, and
{ } [ ] { } { }( )1
Q QCQ F D D
−
= −
Dept. of CE, GCE Kannur Dr.RajeshKN
17
Member end actions
• Member end actions are the couples and forces that act at
the ends of a member when it is considered to be isolatedthe ends of a member when it is considered to be isolated
from the remainder of the structure
• In the above case, member end actions are the SFs and
BMs at the ends of members AB and BC
Dept. of CE, GCE Kannur Dr.RajeshKN
18
• In the above figure are the
member end actions considered (upward forces and
l k )
1 2 3 4, , ,M M M MA A A A
anticlockwise moments are +ve).
•The first two are just to the left of B, and the last two are
just to the right of B
A A+ gives the reaction at B and1 3M MA A+ gives the reaction at B, and
A A i th b di t t B2 4M MA A+ gives the bending moment at B
Dept. of CE, GCE Kannur Dr.RajeshKN
19
Joint displacements, member end actions, and
•Once the redundants are found all the joint
support reactions
Once the redundants are found, all the joint
displacements, member end actions, and support reactions
can be found subsequentlyq y
•But it is easier to incorporate such calculations into the
b i t ti i t d f t i th tbasic computations, instead of postponing them as separate
calculations
Dept. of CE, GCE Kannur Dr.RajeshKN
20
• Example: To find out
j i di l• joint displacements,
• member end actions and
• reactions other than redundants• reactions other than redundants
Actual structure
Dept. of CE, GCE Kannur Dr.RajeshKN
1 2 3: 2Given P P M PL P P P P= = = =
{ } 1J
J
D
D
D
⎧ ⎫
= ⎨ ⎬
⎩ ⎭
Joint displacements in the actual structure
d l d2JD⎩ ⎭ due to loads
Q⎧ ⎫
{ } 1
2
Q
Q
Q
⎧ ⎫
= ⎨ ⎬
⎩ ⎭
Redundants
Dept. of CE, GCE Kannur Dr.RajeshKN
22
Joint displacements in the released
structure due to loads{ } 1
2
JL
JL
JL
D
D
D
⎧ ⎫
= ⎨ ⎬
⎩ ⎭2JLD⎩ ⎭
{ } 1RLA⎧ ⎫
⎨ ⎬
Reactions in the released structure due to
{ } 1
2
RL
RL
RL
A
A
⎧ ⎫
= ⎨ ⎬
⎩ ⎭
Reactions in the released structure due to
loads
Dept. of CE, GCE Kannur Dr.RajeshKN
23
Joint displacements in the released structure due to
i l f d d
JQijD
unit values of redundants
JQij
RQijA Reactions in the released structure due to unit
Dept. of CE, GCE Kannur Dr.RajeshKN
24
RQijA
values of redundants
D D D Q D Q= + +Joint displacements
1 1 11 1 12 2
2 2 21 1 22 2
J JL JQ JQ
J JL JQ JQ
D D D Q D Q
D D D Q D Q
= + +
= + +
J p
{ } { } { }D D D Q⎡ ⎤
oIn matrix form,
{ } { } { }J JL JQD D D Q⎡ ⎤= + ⎣ ⎦
D D⎧ ⎫ ⎧ ⎫
{ } { }1 1
2 2
, ,,
J JL
J JL
J JL
D D
D D
D D
w ereh
⎧ ⎫ ⎧ ⎫
= =⎨ ⎬ ⎨ ⎬
⎩ ⎭ ⎩ ⎭
{ }11 12 1
21 22 2
,
JQ JQ
JQ
JQ JQ
D D Q
D Q
D QD
⎡ ⎤ ⎧ ⎫
⎡ ⎤ = = ⎨ ⎬⎢ ⎥⎣ ⎦
⎩ ⎭⎣ ⎦21 22 2JQ JQD QD ⎩ ⎭⎣ ⎦
D Joint displacement i in the released structure
Dept. of CE, GCE Kannur Dr.RajeshKN
25
JQijD J p
due to unit value of redundant j
• If there are j joint displacements to be obtained,
{ } { } { }D D D Q⎡ ⎤
and there are q redundants,
{ } { } { }
11 1
J JL JQ
qj j j q
D D D Q
×× × ×
⎡ ⎤= +⎣ ⎦
Dept. of CE, GCE Kannur Dr.RajeshKN
26
Reactions (other than redundants)
1 1 11 1 12 2R RL RQ RQA A A Q A Q
A A A Q A Q
= + +
= + +
A AA A Q⎡ ⎤⎧ ⎫ ⎧ ⎫ ⎧ ⎫
2 2 21 1 22 2R RL RQ RQA A A Q A Q= + +
11 121 1 1
21 222 2 2
RQ RQR RL
RQ RQR RL
A AA A Q
A AA A Q
⎡ ⎤⎧ ⎫ ⎧ ⎫ ⎧ ⎫
= +⎨ ⎬ ⎨ ⎬ ⎨ ⎬⎢ ⎥
⎩ ⎭ ⎩ ⎭ ⎩ ⎭⎣ ⎦
{ } { } { }R RL RQA A A Q⎡ ⎤= +⎣ ⎦{ } { } { }Q⎣ ⎦
• If there are r reactions to be obtained (other than
{ } { } { }A A A Q⎡ ⎤= + ⎣ ⎦
redundants) and q redundants,
Dept. of CE, GCE Kannur Dr.RajeshKN
27
{ } { } { }
11 1
R RL RQ
qr r r q
A A A Q
×× × ×
⎡ ⎤= + ⎣ ⎦
Member end actions
•Member end actions { } { } { }M ML MQA A A Q⎡ ⎤= + ⎣ ⎦
{ }A Member end actions in the released structure
{ } { } { }M ML MQ Q⎣ ⎦
{ }MLA Member end actions in the released structure
due to loads
MQA⎡ ⎤⎣ ⎦
Member end actions in the released structure
due to unit values of redundants
Dept. of CE, GCE Kannur Dr.RajeshKN
If th b d ti d d d t
{ } { } { }A A A Q⎡ ⎤
If there are m member end actions and q redundants,
{ } { } { }
11 1
M ML MQ
qm m m q
A A A Q
×× × ×
⎡ ⎤= + ⎣ ⎦
Dept. of CE, GCE Kannur Dr.RajeshKN
29
• In the given example,In the given example,
1 2 32P P M PL P P P P= = = =
[ ]
69
64
P
Q
⎡ ⎤
= ⎢ ⎥
⎣ ⎦
As found out earlier,
Dept. of CE, GCE Kannur Dr.RajeshKN
[ ]
6456
Q ⎢ ⎥−⎣ ⎦
,
{ } { } { }J JL JQD D D Q⎡ ⎤= + ⎣ ⎦
{ } { } { }A A A Q⎡ ⎤+ ⎣ ⎦{ } { } { }M ML MQA A A Q⎡ ⎤= + ⎣ ⎦
{ } { } { }R RL RQA A A Q⎡ ⎤= +⎣ ⎦
To be found out
Dept. of CE, GCE Kannur Dr.RajeshKN
[ ]DTo get [ ]JLDTo get
2
10PL ⎡ ⎤2
1
5
4
JL
PL
D
EI
=
2
2
13
8
JL
PL
D
EI
= [ ]
2
10
138
JL
PL
D
EI
∴
⎡ ⎤
= ⎢ ⎥
⎣ ⎦
Dept. of CE, GCE Kannur Dr.RajeshKN
32
D⎡ ⎤⎣ ⎦To get JQD⎡ ⎤⎣ ⎦To get
2 2
3L L⎡ ⎤
2
11 12
2 2
21 22
3
1 32 2
1 424
JQ JQ
JQ
JQ JQ
L L
D D LEI EID
D D EIL L
⎡ ⎤
⎢ ⎥⎡ ⎤ ⎡ ⎤
⎡ ⎤ = = =⎢ ⎥⎢ ⎥ ⎢ ⎥⎣ ⎦
⎢ ⎥ ⎣ ⎦⎣ ⎦
Dept. of CE, GCE Kannur Dr.RajeshKN
21 22
2 2
JQ JQ
EI EI
⎢ ⎥ ⎣ ⎦⎣ ⎦
⎢ ⎥⎣ ⎦
[ ]
69P
Q
⎡ ⎤
= ⎢ ⎥Already we know [ ]
6456
Q = ⎢ ⎥−⎣ ⎦
Already we know,
Joint displacements
⎡ ⎤ ⎡ ⎤ ⎡ ⎤
{ } { } { }J JL JQD D D Q⎡ ⎤= + ⎣ ⎦
2 2
10 1 3 69
13 1 4 648 2 56
PL L P
EI EI
⎡ ⎤ ⎡ ⎤ ⎡ ⎤
= +⎢ ⎥ ⎢ ⎥ ⎢ ⎥−⎣ ⎦ ⎣ ⎦ ⎣ ⎦
2
17PL ⎡ ⎤
⎢ ⎥=
5112EI ⎢ ⎥−⎣ ⎦
=
Dept. of CE, GCE Kannur Dr.RajeshKN
{ }RLATo get { }RL
MAM
Released structure with loads
d i
AV
and reactions
1 2
3
3
2
2 2 2
A
PL P L PL
M M P L
−
= − + − =1 2 3 2AV P P P P= + − =
{ } 1
2
RL
RL
P
A
A PL
⎧ ⎫
⎧ ⎫ ⎪ ⎪
= =⎨ ⎬ ⎨ ⎬
Dept. of CE, GCE Kannur Dr.RajeshKN
{ }
2
2
RL
RL
PL
A
⎨ ⎬ ⎨ ⎬
−⎩ ⎭ ⎪ ⎪⎩ ⎭
RQA⎡ ⎤⎣ ⎦To get
LL L L
R l d t t ith it l1 Released structure with unit value
of redundant Q1
2L
1
L L
R l d t t ith it l
1 1
A
− −⎡ ⎤
⎡ ⎤ = ⎢ ⎥⎣ ⎦
Released structure with unit value
of redundant Q2
Dept. of CE, GCE Kannur Dr.RajeshKN
2RQA
L L
⎡ ⎤ = ⎢ ⎥⎣ ⎦ − −⎣ ⎦
{ } { } { }⎡ ⎤
Reactions (other than redundants)
{ } { } { }R RL RQA A A Q⎡ ⎤= + ⎣ ⎦
2
691 1
P
P− −⎡ ⎤
⎧ ⎫
⎡ ⎤⎪ ⎪ 69
6456
2
1 1
2L
P
PL
L
⎡ ⎤
⎢
⎡ ⎤⎪ ⎪
= +⎨ ⎬ ⎢ ⎥−− ⎣ ⎦⎪ ⎪⎩ ⎭
⎥− −⎣ ⎦
107P ⎡ ⎤
2⎩ ⎭
107
3156
P
L
⎡
=
⎤
⎢ ⎥
⎣ ⎦
Dept. of CE, GCE Kannur Dr.RajeshKN
37
Choice of member end actions
AM BM
A
V V
BA
AV BV
•Any number among the 4 member end actions can be
chosen for analysis
•Usually two among the 4 are chosen•Usually two among the 4 are chosen
•Any two of the 4 member end actions can be chosen for
analysis
•Usually the moments at both ends are chosen
Dept. of CE, GCE Kannur Dr.RajeshKN
Usually the moments at both ends are chosen
Member end actions
{ }MLATo get
1MA A
L BA
1M 2MA
Member end actions considered
are the reactive moments at the end of
members in the actual structure
1 2,M MA A
1 2,ML MLA A are the reactive moments at the end of1 2ML ML
members in the released structure
Dept. of CE, GCE Kannur Dr.RajeshKN
PL
M PL= 2P P= 3P P=1 2P P=
2
PL
Released
structure
2 3
2P
2
P L
3
2
PL
L
2P
B
2 P 0
L
BA
1MLA = reactive moment just to the right of A
2
PL−
=
2MLA = reactive moment just to the left of B
3
2
PL
=
Dept. of CE, GCE Kannur Dr.RajeshKN
40
2
P
2
PL
L
P P
0
3MLA = reactive moment just to the right of B
PL−
=
0
L
B C
0
3MLA reactive moment just to the right of B
2
A = reactive moment just to the left of C 0=4MLA = reactive moment just to the left of C 0=
Dept. of CE, GCE Kannur Dr.RajeshKN
41
A B C
PL 2P P PPL
A B C
2
L L
2P
P L
3
2
PL2P
2
PL P P
2
2
0
L BA
2
0
L
B C
0
⎧ ⎫ ⎧ ⎫
2 P 0 B C
{ }
1
2
2
3 2
ML
ML
A PL
A PL
A
−⎧ ⎫ ⎧ ⎫
⎪ ⎪ ⎪ ⎪
⎪ ⎪ ⎪ ⎪
= =⎨ ⎬ ⎨ ⎬{ }
3
4
2
0
ML
ML
ML
A
A PL
A
= =⎨ ⎬ ⎨ ⎬
−⎪ ⎪ ⎪ ⎪
⎪ ⎪ ⎪ ⎪⎩ ⎭⎩ ⎭
Dept. of CE, GCE Kannur Dr.RajeshKN
42
4ML ⎩ ⎭⎩ ⎭
A B CL
MQA⎡ ⎤⎣ ⎦To get
11
L L MQA⎡ ⎤⎣ ⎦
1 21 1
2
Q Q
L L
= =
⎡ ⎤
L 0 0
0 2
0
L L
L
− −⎡ ⎤
⎢ ⎥
⎢ ⎥
0
A B C2L
L L
0
0 0
L
⎢ ⎥=
−⎢ ⎥
⎢ ⎥
⎣ ⎦1
1
L L 0 0⎣ ⎦
2L L L−
0
Dept. of CE, GCE Kannur Dr.RajeshKN
43
H b d tiHence, member end actions
{ } { } { }M ML MQA A A Q⎡ ⎤= + ⎣ ⎦{ } { } { }M ML MQA A A Q⎡ ⎤+ ⎣ ⎦
2 2PL L L− − −⎧ ⎫ ⎡ ⎤ 0 554PL⎧ ⎫2 2
3 2 0 69
PL L L
PL L P
⎧ ⎫ ⎡ ⎤
⎪ ⎪ ⎢ ⎥
⎡ ⎤⎪ ⎪ ⎢ ⎥= +⎨ ⎬ ⎢ ⎥⎢ ⎥ ⎣ ⎦
0.554
0.357
PL
L
⎧ ⎫
⎪ ⎪
⎪
=
⎪
⎨ ⎬2 0 6456
0 0 0
PL L
⎨ ⎬ ⎢ ⎥− − −⎢ ⎥ ⎣ ⎦⎪ ⎪
⎢ ⎥⎪ ⎪⎩ ⎭ ⎣ ⎦
0.643
0
L
= ⎨ ⎬
⎪ ⎪
⎪ ⎪⎩ ⎭0⎩ ⎭
Dept. of CE, GCE Kannur Dr.RajeshKN
44
Member end actions (with a different choice of member
end actions for analysis)
Member end actions considered
{ }MLATo get
A A
In the released structure,
are SF and BM (equal to reactions) just to
the left of B, and
1 2,ML MLA A
Dept. of CE, GCE Kannur Dr.RajeshKN
3 4,ML MLA A are SF and BM just to the right of B
PL
M PL= 2P P= 3P P=1 2P P=
2
PL
Released
structure
2 3
2P
3PL
2
P L
3
2
PL
L
2P
BA
2 P 0
A
1MLA = Shear force just to the left of B 3 2 0P P= − =
2MLA = Bending moment just to the left of B
2 3P L PL
P L M
Dept. of CE, GCE Kannur Dr.RajeshKN
46
2
3
2 2
P L M= − + =
2
PL
P P
2
0
L
B CB C
A = Shear force just to the right of B3MLA = Shear force just to the right of B
12 2 2 0P P P P= − = − =
4MLA = Bending moment just to the right of B4ML g j g
1
2
2 2
PL PL
PL M
−
= − + +
2 2
2
2
PL PL PL
PL PL
− −
+ +
Dept. of CE, GCE Kannur Dr.RajeshKN
47
2
2 2 2
PL PL= − + + =
A B C
PL 2P P PPL
A B C
2
L L
P L
3PL2P PL P
2P
2
P L
2
0
L
2P
2
PL
L
P P
0⎧ ⎫
2 P
0 0
{ }
1
2
0
3
2
ML
ML
A PL
A
A
⎧ ⎫
⎪ ⎪⎧ ⎫
⎪ ⎪⎪ ⎪
⎪ ⎪ ⎪ ⎪
⎨ ⎬ ⎨ ⎬{ } 2
3
4
2
0
ML
ML
ML
ML
A
A
A PL
⎪ ⎪ ⎪ ⎪
= =⎨ ⎬ ⎨ ⎬
⎪ ⎪ ⎪ ⎪
⎪ ⎪ ⎪ ⎪⎩ ⎭
⎪ ⎪
Dept. of CE, GCE Kannur Dr.RajeshKN
48
4
2
ML⎩ ⎭ −⎪ ⎪
⎩ ⎭
A B CL
MQA⎡ ⎤⎣ ⎦To get
11
L L MQA⎡ ⎤⎣ ⎦
1 21 1
1 1
Q Q= =
⎡ ⎤
L 0 0
1 1
0 L
⎡ ⎤
⎢ ⎥
⎢ ⎥1 1
L
0
L
A B C2L
L L
0 1
0 L
⎢ ⎥=
−⎢ ⎥
⎢ ⎥
⎣ ⎦1
1
L L 0 L−⎣ ⎦
2L L
L
L−
1
L
1
Dept. of CE, GCE Kannur Dr.RajeshKN
49
1
1
11−
Hence, member end actions
{ } { } { }A A A Q⎡ ⎤+ ⎣ ⎦{ } { } { }M ML MQA A A Q⎡ ⎤= + ⎣ ⎦
5⎡ ⎤
0
1 13PL
⎧ ⎫
⎪ ⎪ ⎡ ⎤
⎪ ⎪ 5
20LP
⎡ ⎤
⎢ ⎥
⎢ ⎥
⎢ ⎥
=
3
0 692
0 0 1 6456
PL
L P
⎡ ⎤
⎪ ⎪ ⎢ ⎥
⎡ ⎤⎪ ⎪ ⎢ ⎥= +⎨ ⎬ ⎢ ⎥⎢ ⎥ ⎣ ⎦⎪ ⎪ 6456
36L
⎢ ⎥
⎢
⎦
⎥
⎣
0 0 1 6456
0PL L
⎢ ⎥− −⎢ ⎥ ⎣ ⎦⎪ ⎪
⎢ ⎥⎪ ⎪ −⎣ ⎦−⎪ ⎪
⎩ ⎭2
⎪ ⎪
⎩ ⎭
Dept. of CE, GCE Kannur Dr.RajeshKN
50
Flexibilities of prismatic membersp
•Flexibility coefficients of a structure are calculated from
the contributions of individual members
•Hence it is worthwhile to construct member flexibility
matrices for various types of actionsyp
•Member oriented axes (local coordinates) and structure
oriented axes (global coordinates)
Dept. of CE, GCE Kannur Dr.RajeshKN
51
Member flexibility matrices for prismatic members with
B b
one end fixed and the other free
3 2
L L⎡ ⎤
•Beam member
[ ] 11 12
2
21 22
3 2M M
Mi
M M
L L
F F EI EI
F
F F L L
⎡ ⎤
⎢ ⎥⎡ ⎤
⎢ ⎥= =⎢ ⎥
⎢ ⎥⎣ ⎦21 22
2
M MF F L L
EI EI
⎢ ⎥⎣ ⎦
⎢ ⎥⎣ ⎦
Dept. of CE, GCE Kannur Dr.RajeshKN
[ ]
L
F =•Truss member [ ]MiF
EA
=•Truss member
Dept. of CE, GCE Kannur Dr.RajeshKN
•Plane frame memberPlane frame member
Dept. of CE, GCE Kannur Dr.RajeshKN
1
FM33
11 12 13 3 2
0 0
M M M
L
EA
F F F
⎡ ⎤
⎢ ⎥
⎡ ⎤ ⎢ ⎥
[ ]
11 12 13 3 2
21 22 23
231 32 33
0
3 2
M M M
Mi M M M
M M M
L L
F F F F
EI EI
F F F
L L
⎡ ⎤ ⎢ ⎥
⎢ ⎥ ⎢ ⎥= =
⎢ ⎥ ⎢ ⎥
⎢ ⎥ ⎢ ⎥⎣ ⎦
Dept. of CE, GCE Kannur Dr.RajeshKN
231 32 33
0
2
M M M
L L
EI EI
⎢ ⎥ ⎢ ⎥⎣ ⎦
⎢ ⎥
⎢ ⎥⎣ ⎦
G id b•Grid member
Dept. of CE, GCE Kannur Dr.RajeshKN
FM31
FM33
3 2
L L⎡ ⎤
[ ]
11 12 13
0
3 2
M M M
L L
EI EIF F F
L
⎡ ⎤
⎢ ⎥
⎡ ⎤ ⎢ ⎥
⎢ ⎥ ⎢ ⎥
[ ] 21 22 23
231 32 33
0 0Mi M M M
M M M
L
F F F F
GJ
F F F
L L
⎢ ⎥ ⎢ ⎥= =
⎢ ⎥ ⎢ ⎥
⎢ ⎥ ⎢ ⎥⎣ ⎦
⎢ ⎥
Dept. of CE, GCE Kannur Dr.RajeshKN
0
2
L L
EI EI
⎢ ⎥
⎢ ⎥⎣ ⎦
•Space frame member•Space frame member
Dept. of CE, GCE Kannur Dr.RajeshKN
0 0 0 0 0
L
E A
⎡ ⎤
⎢ ⎥
⎢ ⎥3 2
0 0 0 0
3 2Z Z
E A
L L
E I E I
⎢ ⎥
⎢ ⎥
⎢ ⎥
⎢ ⎥
[ ]
3 2
0 0 0 0
3 2
Z Z
Y Y
L L
E I E I
F
⎢ ⎥
−⎢ ⎥
⎢ ⎥
⎢ ⎥[ ]
0 0 0 0 0
M iF
L
G J
⎢ ⎥=
⎢ ⎥
⎢ ⎥
⎢ ⎥2
0 0 0 0
2 Y Y
L L
E I E I
⎢ ⎥
−⎢ ⎥
⎢ ⎥
⎢ ⎥2
0 0 0 0
2 Z Z
L L
E I E I
⎢ ⎥
⎢ ⎥
⎢ ⎥
⎣ ⎦
Dept. of CE, GCE Kannur Dr.RajeshKN
Formalization of the Flexibility method
(Explanation using principle of complimentary virtual work)
{ } [ ]{ }D F A
For each member,
{ } [ ]{ }Mi Mi MiD F A=
contains relative displacements of the k end{ }DH contains relative displacements of the k end
with respect to j end of the i-th member
{ }MiDHere
Dept. of CE, GCE Kannur Dr.RajeshKN
•If there are m members in the structure,
{ } [ ] [ ] [ ] [ ] [ ] { }11 10 0 0 0MM MFD A⎧ ⎫ ⎧ ⎫⎡ ⎤
⎪ ⎪ ⎪ ⎪⎢ ⎥
{ }
{ }
[ ] [ ] [ ] [ ] [ ]
[ ] [ ] [ ] [ ] [ ]
{ }
{ }
22 2
33 3
0 0 0 0
0 0 0 0
MM M
MM M
FD A
FD A
⎪ ⎪ ⎪ ⎪⎢ ⎥
⎪ ⎪ ⎪ ⎪⎢ ⎥
⎪ ⎪ ⎪ ⎪⎢ ⎥
⎪ ⎪ ⎪ ⎪⎢ ⎥
{ } [ ] [ ] [ ] [ ] [ ] { }0 0 0 0MiMi MiFD A
⎪ ⎪ ⎪ ⎪⎢ ⎥
=⎨ ⎬ ⎨ ⎬⎢ ⎥
⎪ ⎪ ⎪ ⎪⎢ ⎥
⎪ ⎪ ⎪ ⎪⎢ ⎥
{ } [ ] [ ] [ ] [ ] [ ] { }0 0 0 0 MmMm MmFD A
⎪ ⎪ ⎪ ⎪⎢ ⎥
⎪ ⎪ ⎪ ⎪⎢ ⎥
⎪ ⎪ ⎪ ⎪⎢ ⎥
⎩ ⎭ ⎩ ⎭⎣ ⎦
{ } [ ]{ }D F A
Dept. of CE, GCE Kannur Dr.RajeshKN
{ } [ ]{ }M M MD F A=
{ } [ ]{ }M M MD F A={ } [ ]{ }M M M
[ ]MF is the unassembled flexibility matrix of the entire structure
{ }MA
{ }A
•Member end actions in will be related to the
structure actions applied to the released structure
{ }SA { }JA { }QAconsists of joint loads and redundant actions
{ }SAstructure actions applied to the released structure.
{ }S { }J { }Qj
{ } [ ]{ }M MS SA B A=Hence,
A i f i iAction transformation matrix
(equilibrium matrix)
{ } [ ]
{ }
{ }
J
M MJ MQ
A
A B B
⎧ ⎫⎪ ⎪⎡ ⎤⎡ ⎤= ⎨ ⎬⎣ ⎦⎣ ⎦
i.e.,
Dept. of CE, GCE Kannur Dr.RajeshKN
{ } [ ]
{ }M MJ MQ
QA
⎨ ⎬⎣ ⎦⎣ ⎦
⎪ ⎪⎩ ⎭
[ ]B { }A { }A andl t to[ ]MJB
MQB⎡ ⎤⎣ ⎦
{ }MA { }JA
{ }QA
andrelate to
relate to{ }MA
•Each column in the submatrix consists of[ ]MJB
MQB⎡ ⎤⎣ ⎦ { }Qrelate { }M
•Each column in the submatrix consists of
member end actions caused by a unit value of a joint
load applied to the released structure.
[ ]MJB
pp
•Each column in the submatrix consists of
member end actions caused by a unit value of a
MQB⎡ ⎤⎣ ⎦
member end actions caused by a unit value of a
redundant applied to the released structure.
Dept. of CE, GCE Kannur Dr.RajeshKN
{ }SAδ•Suppose an arbitrary set of virtual actions { }SSuppose an arbitrary set of virtual actions
is applied on the structure.
{ } [ ]{ } [ ]
{ }
{ }
J
M MS S MJ MQ
A
A B A B B
A
δ
δ δ
δ
⎧ ⎫⎪ ⎪⎡ ⎤⎡ ⎤= = ⎨ ⎬⎣ ⎦⎣ ⎦
⎪ ⎪⎩ ⎭
{ } [ ]{ } [ ]
{ }Q
QAδ⎣ ⎦⎣ ⎦
⎪ ⎪⎩ ⎭
External complimentary virtual work produced by the
{ }SAδ { }SD
External complimentary virtual work produced by the
virtual loads and actual displacements is
{ } { } { } { }
TT T* JD
W A D A Aδ δ δ δ
⎧ ⎫⎡ ⎤ ⎨ ⎬{ } { } { } { }T T J
S S J Q
Q
W A D A A
D
δ δ δ δ⎡ ⎤= = ⎨ ⎬⎢ ⎥⎣ ⎦ ⎩ ⎭
Dept. of CE, GCE Kannur Dr.RajeshKN
Internal complimentary virtual work produced by the
virtual member end actions and actual (relative){ }MAδ
end displacements is
{ }M
{ }MD
{ } { }
T*
M MU A Dδ δ=
Dept. of CE, GCE Kannur Dr.RajeshKN
•Equating the above two (principle of complimentary
i t l k)
{ } { } { } { }
T T
S S M MA D A Dδ δ=
virtual work),
{ } { } { } { }S S M MA D A Dδ δ
{ } [ ]{ }{ } [ ]{ }A A { } [ ]{ }M M MD F A={ } [ ]{ }M MS SA B A=But and
{ } [ ]{ }M MS SA B Aδ δ=Also,
{ } { } { } [ ] [ ][ ]{ }
TT T
S S S MS M MS SA D A B F B Aδ δ=Hence, { } { } { } [ ] [ ][ ]{ }S S S MS M MS S
Dept. of CE, GCE Kannur Dr.RajeshKN
{ } [ ] [ ][ ]{ }
T
D B F B A{ } [ ] [ ][ ]{ }S MS M MS SD B F B A=
{ } [ ]{ }S S SD F A=
[ ] [ ] [ ][ ]
T
F B F B
Where,
the assembled flexibility matrix
[ ] [ ] [ ][ ]
T
S MS M MSF B F B= , the assembled flexibility matrix
for the entire structure.
Dept. of CE, GCE Kannur Dr.RajeshKN
[ ]SF is partitioned into submatrices related to:[ ]S
{ }JA
p
joint loads
{ }QAand redundant actions
{ } [ ]{ }
{ } [ ] { }JJ JQJ J
F FD A
A
⎡ ⎤⎡ ⎤⎧ ⎫ ⎧ ⎫⎪ ⎪ ⎣ ⎦ ⎪ ⎪⎢ ⎥⎨ ⎬ ⎨ ⎬{ } [ ]{ }
{ }
{ }
[ ] { }
{ }
QJ J
Q QQJ
S S S
QQ
D
D AF F
F A
⎪ ⎪ ⎣ ⎦ ⎪ ⎪⎢ ⎥=⎨ ⎬ ⎨ ⎬
⎢ ⎥⎡ ⎤ ⎡ ⎤⎪ ⎪ ⎪ ⎪⎩ ⎭ ⎩ ⎭⎣ ⎦
=
⎣ ⎦⎣ ⎦
⇒
T T
⎡ ⎤ ⎡ ⎤
Where,
[ ] [ ] [ ][ ]
T
JJ MJ M MJF B F B= [ ] [ ]
T
JQ MJ M MQF B F B⎡ ⎤ ⎡ ⎤=⎣ ⎦ ⎣ ⎦
T
⎡ ⎤ ⎡ ⎤
T
⎡ ⎤ ⎡ ⎤ ⎡ ⎤
Dept. of CE, GCE Kannur Dr.RajeshKN
[ ][ ]
T
QJ MQ M MJF B F B⎡ ⎤ ⎡ ⎤=⎣ ⎦ ⎣ ⎦ [ ]
T
QQ MQ M MQF B F B⎡ ⎤ ⎡ ⎤ ⎡ ⎤=⎣ ⎦ ⎣ ⎦ ⎣ ⎦
{ } [ ]{ } { }D F A F A⎡ ⎤= + ⎣ ⎦{ } [ ]{ } { }J JJ J JQ QD F A F A⎡ ⎤= + ⎣ ⎦
{ } { } { }D F A F A⎡ ⎤ ⎡ ⎤= +⎣ ⎦ ⎣ ⎦{ } { } { }Q QJ J QQ QD F A F A⎡ ⎤ ⎡ ⎤= +⎣ ⎦ ⎣ ⎦
1
{ } { } { }
1
Q QQ Q QJ JA F D F A
−
⎡ ⎤⎡ ⎤ ⎡ ⎤= −⎣ ⎦ ⎣ ⎦⎣⇒ ⎦
Dept. of CE, GCE Kannur Dr.RajeshKN
In the subsequent calculations, the above {AQ} should be
d
However the final values of redundants are obtained
used.
However, the final values of redundants are obtained
by including actual or equivalent joint loads applied
directly to the supports.y pp
{ } { } { }Q QC QFINAL
A A A= − +Thus, { } { } { }Q QC QFINAL
,
{ }QCA
represents actual and equivalent joint loads applied
directly to the supports, corresponding to
redundants
Dept. of CE, GCE Kannur Dr.RajeshKN
70
redundants.
{ }{ }QA
{ }JD
• Once redundants are found,
can be found out from,
{ } [ ]{ } { }D F A F A⎡ ⎤+ ⎣ ⎦
{ }J ,
{ } [ ]{ } { }J JJ J JQ QD F A F A⎡ ⎤= + ⎣ ⎦
Dept. of CE, GCE Kannur Dr.RajeshKN
71
• Similarly, support reactions caused by joint loads and
redundant can be obtained with an action transformation
matrix [ ]RSB[ ]RS
{ } [ ]{ } [ ]
{ }JA⎧ ⎫⎪ ⎪⎡ ⎤⎡ ⎤{ } [ ]{ } [ ]
{ }
{ }
J
R RS S RJ RQ
Q
A B A B B
A
⎪ ⎪⎡ ⎤⎡ ⎤= = ⎨ ⎬⎣ ⎦⎣ ⎦
⎪ ⎪⎩ ⎭
•Each column in the submatrix consists of support
i d b i l f j i l d li d
[ ]RJB
reactions caused by a unit value of a joint load applied to
the released structure.
B⎡ ⎤RQB⎡ ⎤⎣ ⎦•Each column in the submatrix consists of
support reactions caused by a unit value of a
Dept. of CE, GCE Kannur Dr.RajeshKN
pp y
redundant applied to the released structure.
• If actual or equivalent joint loads are applied• If actual or equivalent joint loads are applied
directly to the supports,
{ } { } [ ]{ } { }R RC RJ J RQ QA A B A B A⎡ ⎤= − + + ⎣ ⎦
t bi d j i t l d ( t l d
{ }RCA
represents combined joint loads (actual and
equivalent) applied directly to the supports.
Dept. of CE, GCE Kannur Dr.RajeshKN
•As seen earlier, member end actions due to actual loads,
are obtained by superimposing member end actions due
to restraint actions and combined joint loads
{ } { } [ ]{ } { }M MF MJ J MQ QA A B A B A⎡ ⎤= + + ⎣ ⎦{ } { } [ ]{ } { }M MF MJ J MQ Q⎣ ⎦
{ }Awhere represents fixed end actions{ }MFAwhere represents fixed end actions
Dept. of CE, GCE Kannur Dr.RajeshKN
Comparison of the procedures explained with principle
of superposition and principle of complimentary virtual
work
•For calculating redundants,
{ } [ ] { } { }( )1
Q F D D
−
P i i l f iti
Principle of complimentary virtual work
{ } [ ] { } { }( )Q QLQ F D D= −Principle of superposition
{ } { } { }
1
Q QQ Q QJ JA F D F A
−
⎡ ⎤⎡ ⎤ ⎡ ⎤= −⎣ ⎦ ⎣ ⎦⎣ ⎦
Principle of complimentary virtual work
{ } { } { }Q QQ Q QJ J⎣ ⎦ ⎣ ⎦⎣ ⎦
[ ]F F⎡ ⎤⎣ ⎦H [ ] QQF F⎡ ⎤= ⎣ ⎦Hence,
{ } { }D F A⎡ ⎤d{ } { }Q A
Dept. of CE, GCE Kannur Dr.RajeshKN
{ } { }QL QJ JD F A⎡ ⎤= ⎣ ⎦and{ } { }QQ A=
•For calculating joint displacements,g j p
{ } { } { }J JL JQD D D Q⎡ ⎤= + ⎣ ⎦
Principle of superposition
Principle of complimentary virtual work
{ } [ ]{ } { }J JJ J JQ QD F A F A⎡ ⎤= + ⎣ ⎦
{ } [ ]{ }JL JJ JD F A=Hence and{ } [ ]{ }JL JJ JD F A
JQ JQD F⎡ ⎤ ⎡ ⎤=⎣ ⎦ ⎣ ⎦
Hence, and
Q Q⎣ ⎦ ⎣ ⎦
Dept. of CE, GCE Kannur Dr.RajeshKN
•For calculating member end actions,g ,
{ } { } { }M ML MQA A A Q⎡ ⎤= + ⎣ ⎦Principle of superposition
Principle of complimentary virtual work
{ } { } [ ]{ } { }M MF MJ J MQ QA A B A B A⎡ ⎤= + + ⎣ ⎦
{ } { } [ ]{ }ML MF MJ JA A B A= +Hence, and
MQ MQA B⎡ ⎤ ⎡ ⎤=⎣ ⎦ ⎣ ⎦
Dept. of CE, GCE Kannur Dr.RajeshKN
•For calculating support reactions•For calculating support reactions,
{ } { } { }R RL RQA A A Q⎡ ⎤= +⎣ ⎦Principle of superposition
Principle of complimentary virtual work
{ } { } { }R RL RQ Q⎣ ⎦p p p
{ } { } [ ]{ } { }R RC RJ J RQ QA A B A B A⎡ ⎤= − + + ⎣ ⎦
{ } { } [ ]{ }RL RC RJ JA A B A= − +Hence, and
RQ RQA B⎡ ⎤ ⎡ ⎤=⎣ ⎦ ⎣ ⎦
Dept. of CE, GCE Kannur Dr.RajeshKN
Member flexibility matrix for a beam member with
t t th d b d timoments at the ends as member end actions
Required to find out rotations at the ends due to unit
h d l
1
2
x d y
M EI
−
= = −
moments at each end separately
1
1 1x
2xM EI
L dx
= =
2
d1
L
1
L
x 2
1
2
dy x
EI C
dx L
= +
3
1 2
6
x
EIy C x C
L
= + +
Dept. of CE, GCE Kannur Dr.RajeshKN
79
1 2
6L
0
L
y C
−
= ⇒ =0 0y C= ⇒ = 10
6x L
y C
=
= ⇒ =2
0
0 0
x
y C
=
= ⇒ =
2
1
2 6
dy x L
dx EI L
⎛ ⎞
∴ = −⎜ ⎟
⎝ ⎠⎝ ⎠
L L
y y
−
′ ′
0
,
6 3x x L
y y
EI EI= =
= =
1 1
3
M
L
F
E I
= 21
6
M
L
F
EI
−
=
6
1
Dept. of CE, GCE Kannur Dr.RajeshKN
1
Similarly,
L
F
L
F
−
1
11
3
MF
EI
=12
6
MF
EI
=
11 12 3 6
L L
F F EI EI
−⎡ ⎤
⎢ ⎥⎡ ⎤
[ ] 11 12
21 22
3 6
6 3
M M
Mi
M M
F F EI EI
F
F F L L
EI EI
⎢ ⎥⎡ ⎤
∴ = = ⎢ ⎥⎢ ⎥ −⎣ ⎦ ⎢ ⎥
⎢ ⎥⎣ ⎦
Dept. of CE, GCE Kannur Dr.RajeshKN
81
6 3EI EI⎢ ⎥⎣ ⎦
Member flexibility matrix for a beam member with
t d h t d b d timoment and shear at one end as member end actions
3 2
L L
F F
⎡ ⎤
⎢ ⎥⎡ ⎤
[ ] 11 12
2
21 22
3 2M M
Mi
M M
F F EI EI
F
F F L L
⎢ ⎥⎡ ⎤
⎢ ⎥= =⎢ ⎥
⎢ ⎥⎣ ⎦
⎢ ⎥
Dept. of CE, GCE Kannur Dr.RajeshKN
2EI EI⎢ ⎥⎣ ⎦
SummarySummary
Flexibility method
• Flexibility matrices for truss beam and frame elements –
load transformation matrix-development of total flexibility
matrix of the structure .
Dept. of CE, GCE Kannur Dr.RajeshKN
83
James Clerk Maxwell (13 June 1831 – 5 November
1879) was a Scottish theoretical physicist and1879) was a Scottish theoretical physicist and
mathematician. His most important achievement was
classical electromagnetic theory. Maxwell also
developed the Maxwell–Boltzmann distribution, ap ,
statistical means of describing aspects of the kinetic
theory of gases. These two discoveries helped usher in
the era of modern physics, laying the foundation forp y y g
such fields as special relativity and quantum
mechanics.
Maxwell is also known for creating the first true colour
photograph in 1861 and for his foundational work on
the rigidity of rod-and-joint frameworks like those in
many bridges.
Maxwell is considered by many physicists to be the 19th-century scientist with
the greatest influence on 20th-century physics. His contributions to the science
are considered by many to be of the same magnitude as those of Isaac Newtony y g
and Albert Einstein. Einstein himself described Maxwell's work as the "most
profound and the most fruitful that physics has experienced since the time of
Newton." Einstein kept a photograph of Maxwell on his study wall, alongside
Dept. of CE, GCE Kannur Dr.RajeshKN
84
pictures of Michael Faraday and Newton.
Christian Otto Mohr (October 8, 1835 – October 2,
1918) was a German civil engineer one of the most1918) was a German civil engineer, one of the most
celebrated of the nineteenth century.
Starting in 1855, his early working life was spent in
railroad engineering for the Hanover and Oldenburgrailroad engineering for the Hanover and Oldenburg
state railways, designing some famous bridges and
making some of the earliest uses of steel trusses.
Even during his early railway years, Mohr hadg y y y ,
developed an interest in the theories of mechanics
and the strength of materials. In 1867, he became
professor of mechanics at Stuttgart Polytechnic, andp g y
in 1873 at Dresden Polytechnic in 1873. In 1874, Mohr
formalised the idea of a statically determinate
structure.
In 1882, he famously developed the graphical method for analysing stress
known as Mohr's circle and used it to propose an early theory of strength based
on shear stress He also developed the Williot-Mohr diagram for trusson shear stress. He also developed the Williot Mohr diagram for truss
displacements and the Maxwell-Mohr method for analysing statically
indeterminate structures, it can also be used to determine the displacement of
truss nodes and forces acting on each member. The Maxwell-Mohr method is
Dept. of CE, GCE Kannur Dr.RajeshKN
85
g
also referred to as the virtual force method for redundant trusses.

Module1 flexibility-1- rajesh sir

  • 1.
    Structural Analysis -III Fl ibilit M th d 1Flexibility Method - 1 Dr. Rajesh K. N. Assistant Professor in Civil EngineeringAssistant Professor in Civil Engineering Govt. College of Engineering, Kannur Dept. of CE, GCE Kannur Dr.RajeshKN 1
  • 2.
    Module I Matrix analysisof structures Module I • Definition of flexibility and stiffness influence coefficients – d l t f fl ibilit t i b h i l h & Matrix analysis of structures development of flexibility matrices by physical approach & energy principle. Flexibility method • Flexibility matrices for truss beam and frame elements –• Flexibility matrices for truss, beam and frame elements – load transformation matrix-development of total flexibility matrix of the structure –analysis of simple structures – l t ti b d l f d l l dplane truss, continuous beam and plane frame- nodal loads and element loads – lack of fit and temperature effects. Dept. of CE, GCE Kannur Dr.RajeshKN 2
  • 3.
    FUNDAMENTALS OF FLEXIBILITYMETHOD Introduction •This method is a generalization of the Maxwell-Mohr method(1874)method(1874) •Not conducive to computer programming, because the choice f d d t i t iof redundants is not unique •Unknowns are the redundant actions, which are arbitrarily, y chosen Dept. of CE, GCE Kannur Dr.RajeshKN 3
  • 4.
    Flexibility method (Explanationusing principle of superposition) Example 1: Single redundant - Continuous 2-span beam Flexibility method (Explanation using principle of superposition) Released structure 4 5 384 B wL EI − Δ = Deflection of released structure due to actual loads Dept. of CE, GCE Kannur Dr.RajeshKN 4 (Negative, since deflection is downward)
  • 5.
    BRApply unit loadcorresponding to C 3 B L =δDisplacement due to unit load 48 B EI δDisplacement due to unit load, BR B BR δDisplacement due to is Dept. of CE, GCE Kannur Dr.RajeshKN 5
  • 6.
    Deflection of releasedBBR δ structure due to redundant applied as a load C 0R δΔ + = Compatibility condition (or equation of 0B B BR δΔ + = superposition or equation of geometry) 5 8 B B B wL R −Δ ∴ = = δ δ (Displacement due to unit load corresponding to )BR Bδ flexibility coefficient Dept. of CE, GCE Kannur Dr.RajeshKN 6
  • 7.
    Example 2 –More than one redundant Ch i f d d t Dept. of CE, GCE Kannur Dr.RajeshKN Choice of redundants
  • 8.
    Q Q bth d d tL t 1 2,Q Q be the redundantsLet Deflections corresponding to redundantsredundants &D D Displacements in the released 1 2&QL QLD D Displacements in the released structure corresponding to redundants, due to external loads Dept. of CE, GCE Kannur Dr.RajeshKN 8
  • 9.
    •To get flexibilitycoefficientsTo get flexibility coefficients 1 2&Q Q•Apply unit loads corresponding to Fl ibilit ffi i tFlexibility coefficients Net deflection is zero at B and C 1 11 1 12 2 0QLD F Q F Q+ + = 0D F Q F Q 1 11 12 1 0 0 QLD F F Q D F F Q ⎧ ⎫ ⎧ ⎫ ⎧ ⎫⎡ ⎤ + =⎨ ⎬ ⎨ ⎬ ⎨ ⎬⎢ ⎥ ⎩ ⎭⎩ ⎭⎣ ⎦⎩ ⎭ Dept. of CE, GCE Kannur Dr.RajeshKN 9 2 21 1 22 2 0QLD F Q F Q+ + = 2 21 22 2 0QLD F F Q⎢ ⎥ ⎩ ⎭⎩ ⎭⎣ ⎦⎩ ⎭
  • 10.
    •Generally, net deflectionneed not be zero 1 1 11 1 12 2Q QLD D F Q F Q= + + D D F Q F Q+ +2 2 21 1 22 2Q QLD D F Q F Q= + + Q Qh di l di1 2,Q QD D 1 2,Q Q•Where :support displacements corresponding to { } { } [ ]{ }D D F Q{ } { } [ ]{ }Q QLD D F Q= + D⎧ ⎫ D⎧ ⎫ F F⎡ ⎤ Q⎧ ⎫ { } 1 2 Q Q Q D D D ⎧ ⎫ = ⎨ ⎬ ⎩ ⎭ { } 1 2 QL QL QL D D D ⎧ ⎫ = ⎨ ⎬ ⎩ ⎭ [ ] 11 12 21 22 F F F F F ⎡ ⎤ = ⎢ ⎥ ⎣ ⎦ { } 1 2 Q Q Q ⎧ ⎫ = ⎨ ⎬ ⎩ ⎭ F QQDFlexibility coefficient is sometimes denoted as Dept. of CE, GCE Kannur Dr.RajeshKN 10 F QQDFlexibility coefficient is sometimes denoted as
  • 11.
    { } [] { } { }( )1 Q QLQ F D D − = − { } { }0D•If there are no support displacements { } [ ] { }1 Q F D − ∴ { } { }0QD =•If there are no support displacements, { } [ ] { }QLQ F D∴ = − Dept. of CE, GCE Kannur Dr.RajeshKN 11
  • 12.
    • Example: Tofind out redundants : 2P P M PL PGiv n P Pe P= = = =1 2 3: 2P P M PL PGiv n P Pe P= = = = Dept. of CE, GCE Kannur Dr.RajeshKN 12
  • 13.
    3 13PL 3 97PL3 1 13 24 QL PL D EI = 2 97 48 QL PL D EI = ⎡ ⎤3 26 9748 QL PL D EI ⎡⎤ ⎡ ⎤ = ⎢ ⎥⎣ ⎦ ⎣ ⎦ ∴ Dept. of CE, GCE Kannur Dr.RajeshKN 13 ⎣ ⎦
  • 14.
    33 11 3 L F EI = 3 5L 21 5 6 L F EI = 3 5L F12 6 F EI = 3 22 8 3 L F EI = [ ] 3 25 5 166 L F EI ⎡ =∴ ⎤ ⎢ ⎥ ⎣ ⎦ Dept. of CE, GCE Kannur Dr.RajeshKN 14 22 3EI 5 166EI ⎣ ⎦
  • 15.
    ⎡ ⎤ [ ] 1 3 1656 5 27 EI F L − −⎡ ⎤ = ⎢ ⎥−⎣ ⎦⎣ ⎦ Q⎡ ⎤ [ ] [ ] 11 2 QL Q Q F D Q −⎡ ⎤ ⎡ ⎤= = −⎢ ⎥ ⎣ ⎦ ⎣ ⎦ 3 16 5 26⎡ ⎤ ⎡ ⎤ ⎡ ⎤ 3 3 16 5 266 5 2 977 48 EI PL L EI −⎡ ⎤ ⎡ ⎤− = ⎢ ⎥ ⎢ ⎥−⎣ ⎦ ⎣ ⎦ 69 6456 P ⎡ = ⎤ ⎢ ⎥−⎣ ⎦⎣ ⎦ 1 2 69 8 , , P P i e Q Q − = = Dept. of CE, GCE Kannur Dr.RajeshKN 15 1 2. ., , 56 7 i e Q Q
  • 16.
    Temperature changes, pre-strainsandp g , p support displacements not corresponding to redundants L t Displacements corresponding to redundants due to{ }D Let: Displacements corresponding to redundants due to temperature changes, in the released structure { }QTD Displacements corresponding to redundants due to pre strains in the released structure { }QPD pre-strains, in the released structure Di l di d d d{ } Displacements corresponding to redundants due to support displacements not corresponding to redundants in the released structure { }QRD Dept. of CE, GCE Kannur Dr.RajeshKN 16 redundants, in the released structure
  • 17.
    { } {} { } { } { } [ ]{ }{ } { } { } { } { } [ ]{ }Q QL QT QP QRD D D D D F Q= + + + + { } { } { } { } { }QC QL QT QP QRD D D D D= + + +•Let { } { } { } { } { } { } { } [ ]{ }Q QCD D F Q= +•Hence, and { } [ ] { } { }( )1 Q QCQ F D D − = − Dept. of CE, GCE Kannur Dr.RajeshKN 17
  • 18.
    Member end actions •Member end actions are the couples and forces that act at the ends of a member when it is considered to be isolatedthe ends of a member when it is considered to be isolated from the remainder of the structure • In the above case, member end actions are the SFs and BMs at the ends of members AB and BC Dept. of CE, GCE Kannur Dr.RajeshKN 18
  • 19.
    • In theabove figure are the member end actions considered (upward forces and l k ) 1 2 3 4, , ,M M M MA A A A anticlockwise moments are +ve). •The first two are just to the left of B, and the last two are just to the right of B A A+ gives the reaction at B and1 3M MA A+ gives the reaction at B, and A A i th b di t t B2 4M MA A+ gives the bending moment at B Dept. of CE, GCE Kannur Dr.RajeshKN 19
  • 20.
    Joint displacements, memberend actions, and •Once the redundants are found all the joint support reactions Once the redundants are found, all the joint displacements, member end actions, and support reactions can be found subsequentlyq y •But it is easier to incorporate such calculations into the b i t ti i t d f t i th tbasic computations, instead of postponing them as separate calculations Dept. of CE, GCE Kannur Dr.RajeshKN 20
  • 21.
    • Example: Tofind out j i di l• joint displacements, • member end actions and • reactions other than redundants• reactions other than redundants Actual structure Dept. of CE, GCE Kannur Dr.RajeshKN 1 2 3: 2Given P P M PL P P P P= = = =
  • 22.
    { } 1J J D D D ⎧⎫ = ⎨ ⎬ ⎩ ⎭ Joint displacements in the actual structure d l d2JD⎩ ⎭ due to loads Q⎧ ⎫ { } 1 2 Q Q Q ⎧ ⎫ = ⎨ ⎬ ⎩ ⎭ Redundants Dept. of CE, GCE Kannur Dr.RajeshKN 22
  • 23.
    Joint displacements inthe released structure due to loads{ } 1 2 JL JL JL D D D ⎧ ⎫ = ⎨ ⎬ ⎩ ⎭2JLD⎩ ⎭ { } 1RLA⎧ ⎫ ⎨ ⎬ Reactions in the released structure due to { } 1 2 RL RL RL A A ⎧ ⎫ = ⎨ ⎬ ⎩ ⎭ Reactions in the released structure due to loads Dept. of CE, GCE Kannur Dr.RajeshKN 23
  • 24.
    Joint displacements inthe released structure due to i l f d d JQijD unit values of redundants JQij RQijA Reactions in the released structure due to unit Dept. of CE, GCE Kannur Dr.RajeshKN 24 RQijA values of redundants
  • 25.
    D D DQ D Q= + +Joint displacements 1 1 11 1 12 2 2 2 21 1 22 2 J JL JQ JQ J JL JQ JQ D D D Q D Q D D D Q D Q = + + = + + J p { } { } { }D D D Q⎡ ⎤ oIn matrix form, { } { } { }J JL JQD D D Q⎡ ⎤= + ⎣ ⎦ D D⎧ ⎫ ⎧ ⎫ { } { }1 1 2 2 , ,, J JL J JL J JL D D D D D D w ereh ⎧ ⎫ ⎧ ⎫ = =⎨ ⎬ ⎨ ⎬ ⎩ ⎭ ⎩ ⎭ { }11 12 1 21 22 2 , JQ JQ JQ JQ JQ D D Q D Q D QD ⎡ ⎤ ⎧ ⎫ ⎡ ⎤ = = ⎨ ⎬⎢ ⎥⎣ ⎦ ⎩ ⎭⎣ ⎦21 22 2JQ JQD QD ⎩ ⎭⎣ ⎦ D Joint displacement i in the released structure Dept. of CE, GCE Kannur Dr.RajeshKN 25 JQijD J p due to unit value of redundant j
  • 26.
    • If thereare j joint displacements to be obtained, { } { } { }D D D Q⎡ ⎤ and there are q redundants, { } { } { } 11 1 J JL JQ qj j j q D D D Q ×× × × ⎡ ⎤= +⎣ ⎦ Dept. of CE, GCE Kannur Dr.RajeshKN 26
  • 27.
    Reactions (other thanredundants) 1 1 11 1 12 2R RL RQ RQA A A Q A Q A A A Q A Q = + + = + + A AA A Q⎡ ⎤⎧ ⎫ ⎧ ⎫ ⎧ ⎫ 2 2 21 1 22 2R RL RQ RQA A A Q A Q= + + 11 121 1 1 21 222 2 2 RQ RQR RL RQ RQR RL A AA A Q A AA A Q ⎡ ⎤⎧ ⎫ ⎧ ⎫ ⎧ ⎫ = +⎨ ⎬ ⎨ ⎬ ⎨ ⎬⎢ ⎥ ⎩ ⎭ ⎩ ⎭ ⎩ ⎭⎣ ⎦ { } { } { }R RL RQA A A Q⎡ ⎤= +⎣ ⎦{ } { } { }Q⎣ ⎦ • If there are r reactions to be obtained (other than { } { } { }A A A Q⎡ ⎤= + ⎣ ⎦ redundants) and q redundants, Dept. of CE, GCE Kannur Dr.RajeshKN 27 { } { } { } 11 1 R RL RQ qr r r q A A A Q ×× × × ⎡ ⎤= + ⎣ ⎦
  • 28.
    Member end actions •Memberend actions { } { } { }M ML MQA A A Q⎡ ⎤= + ⎣ ⎦ { }A Member end actions in the released structure { } { } { }M ML MQ Q⎣ ⎦ { }MLA Member end actions in the released structure due to loads MQA⎡ ⎤⎣ ⎦ Member end actions in the released structure due to unit values of redundants Dept. of CE, GCE Kannur Dr.RajeshKN
  • 29.
    If th bd ti d d d t { } { } { }A A A Q⎡ ⎤ If there are m member end actions and q redundants, { } { } { } 11 1 M ML MQ qm m m q A A A Q ×× × × ⎡ ⎤= + ⎣ ⎦ Dept. of CE, GCE Kannur Dr.RajeshKN 29
  • 30.
    • In thegiven example,In the given example, 1 2 32P P M PL P P P P= = = = [ ] 69 64 P Q ⎡ ⎤ = ⎢ ⎥ ⎣ ⎦ As found out earlier, Dept. of CE, GCE Kannur Dr.RajeshKN [ ] 6456 Q ⎢ ⎥−⎣ ⎦ ,
  • 31.
    { } {} { }J JL JQD D D Q⎡ ⎤= + ⎣ ⎦ { } { } { }A A A Q⎡ ⎤+ ⎣ ⎦{ } { } { }M ML MQA A A Q⎡ ⎤= + ⎣ ⎦ { } { } { }R RL RQA A A Q⎡ ⎤= +⎣ ⎦ To be found out Dept. of CE, GCE Kannur Dr.RajeshKN
  • 32.
    [ ]DTo get[ ]JLDTo get 2 10PL ⎡ ⎤2 1 5 4 JL PL D EI = 2 2 13 8 JL PL D EI = [ ] 2 10 138 JL PL D EI ∴ ⎡ ⎤ = ⎢ ⎥ ⎣ ⎦ Dept. of CE, GCE Kannur Dr.RajeshKN 32
  • 33.
    D⎡ ⎤⎣ ⎦Toget JQD⎡ ⎤⎣ ⎦To get 2 2 3L L⎡ ⎤ 2 11 12 2 2 21 22 3 1 32 2 1 424 JQ JQ JQ JQ JQ L L D D LEI EID D D EIL L ⎡ ⎤ ⎢ ⎥⎡ ⎤ ⎡ ⎤ ⎡ ⎤ = = =⎢ ⎥⎢ ⎥ ⎢ ⎥⎣ ⎦ ⎢ ⎥ ⎣ ⎦⎣ ⎦ Dept. of CE, GCE Kannur Dr.RajeshKN 21 22 2 2 JQ JQ EI EI ⎢ ⎥ ⎣ ⎦⎣ ⎦ ⎢ ⎥⎣ ⎦
  • 34.
    [ ] 69P Q ⎡ ⎤ =⎢ ⎥Already we know [ ] 6456 Q = ⎢ ⎥−⎣ ⎦ Already we know, Joint displacements ⎡ ⎤ ⎡ ⎤ ⎡ ⎤ { } { } { }J JL JQD D D Q⎡ ⎤= + ⎣ ⎦ 2 2 10 1 3 69 13 1 4 648 2 56 PL L P EI EI ⎡ ⎤ ⎡ ⎤ ⎡ ⎤ = +⎢ ⎥ ⎢ ⎥ ⎢ ⎥−⎣ ⎦ ⎣ ⎦ ⎣ ⎦ 2 17PL ⎡ ⎤ ⎢ ⎥= 5112EI ⎢ ⎥−⎣ ⎦ = Dept. of CE, GCE Kannur Dr.RajeshKN
  • 35.
    { }RLATo get{ }RL MAM Released structure with loads d i AV and reactions 1 2 3 3 2 2 2 2 A PL P L PL M M P L − = − + − =1 2 3 2AV P P P P= + − = { } 1 2 RL RL P A A PL ⎧ ⎫ ⎧ ⎫ ⎪ ⎪ = =⎨ ⎬ ⎨ ⎬ Dept. of CE, GCE Kannur Dr.RajeshKN { } 2 2 RL RL PL A ⎨ ⎬ ⎨ ⎬ −⎩ ⎭ ⎪ ⎪⎩ ⎭
  • 36.
    RQA⎡ ⎤⎣ ⎦Toget LL L L R l d t t ith it l1 Released structure with unit value of redundant Q1 2L 1 L L R l d t t ith it l 1 1 A − −⎡ ⎤ ⎡ ⎤ = ⎢ ⎥⎣ ⎦ Released structure with unit value of redundant Q2 Dept. of CE, GCE Kannur Dr.RajeshKN 2RQA L L ⎡ ⎤ = ⎢ ⎥⎣ ⎦ − −⎣ ⎦
  • 37.
    { } {} { }⎡ ⎤ Reactions (other than redundants) { } { } { }R RL RQA A A Q⎡ ⎤= + ⎣ ⎦ 2 691 1 P P− −⎡ ⎤ ⎧ ⎫ ⎡ ⎤⎪ ⎪ 69 6456 2 1 1 2L P PL L ⎡ ⎤ ⎢ ⎡ ⎤⎪ ⎪ = +⎨ ⎬ ⎢ ⎥−− ⎣ ⎦⎪ ⎪⎩ ⎭ ⎥− −⎣ ⎦ 107P ⎡ ⎤ 2⎩ ⎭ 107 3156 P L ⎡ = ⎤ ⎢ ⎥ ⎣ ⎦ Dept. of CE, GCE Kannur Dr.RajeshKN 37
  • 38.
    Choice of memberend actions AM BM A V V BA AV BV •Any number among the 4 member end actions can be chosen for analysis •Usually two among the 4 are chosen•Usually two among the 4 are chosen •Any two of the 4 member end actions can be chosen for analysis •Usually the moments at both ends are chosen Dept. of CE, GCE Kannur Dr.RajeshKN Usually the moments at both ends are chosen
  • 39.
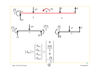
    Member end actions {}MLATo get 1MA A L BA 1M 2MA Member end actions considered are the reactive moments at the end of members in the actual structure 1 2,M MA A 1 2,ML MLA A are the reactive moments at the end of1 2ML ML members in the released structure Dept. of CE, GCE Kannur Dr.RajeshKN
  • 40.
    PL M PL= 2PP= 3P P=1 2P P= 2 PL Released structure 2 3 2P 2 P L 3 2 PL L 2P B 2 P 0 L BA 1MLA = reactive moment just to the right of A 2 PL− = 2MLA = reactive moment just to the left of B 3 2 PL = Dept. of CE, GCE Kannur Dr.RajeshKN 40 2
  • 41.
    P 2 PL L P P 0 3MLA =reactive moment just to the right of B PL− = 0 L B C 0 3MLA reactive moment just to the right of B 2 A = reactive moment just to the left of C 0=4MLA = reactive moment just to the left of C 0= Dept. of CE, GCE Kannur Dr.RajeshKN 41
  • 42.
    A B C PL2P P PPL A B C 2 L L 2P P L 3 2 PL2P 2 PL P P 2 2 0 L BA 2 0 L B C 0 ⎧ ⎫ ⎧ ⎫ 2 P 0 B C { } 1 2 2 3 2 ML ML A PL A PL A −⎧ ⎫ ⎧ ⎫ ⎪ ⎪ ⎪ ⎪ ⎪ ⎪ ⎪ ⎪ = =⎨ ⎬ ⎨ ⎬{ } 3 4 2 0 ML ML ML A A PL A = =⎨ ⎬ ⎨ ⎬ −⎪ ⎪ ⎪ ⎪ ⎪ ⎪ ⎪ ⎪⎩ ⎭⎩ ⎭ Dept. of CE, GCE Kannur Dr.RajeshKN 42 4ML ⎩ ⎭⎩ ⎭
  • 43.
    A B CL MQA⎡⎤⎣ ⎦To get 11 L L MQA⎡ ⎤⎣ ⎦ 1 21 1 2 Q Q L L = = ⎡ ⎤ L 0 0 0 2 0 L L L − −⎡ ⎤ ⎢ ⎥ ⎢ ⎥ 0 A B C2L L L 0 0 0 L ⎢ ⎥= −⎢ ⎥ ⎢ ⎥ ⎣ ⎦1 1 L L 0 0⎣ ⎦ 2L L L− 0 Dept. of CE, GCE Kannur Dr.RajeshKN 43
  • 44.
    H b dtiHence, member end actions { } { } { }M ML MQA A A Q⎡ ⎤= + ⎣ ⎦{ } { } { }M ML MQA A A Q⎡ ⎤+ ⎣ ⎦ 2 2PL L L− − −⎧ ⎫ ⎡ ⎤ 0 554PL⎧ ⎫2 2 3 2 0 69 PL L L PL L P ⎧ ⎫ ⎡ ⎤ ⎪ ⎪ ⎢ ⎥ ⎡ ⎤⎪ ⎪ ⎢ ⎥= +⎨ ⎬ ⎢ ⎥⎢ ⎥ ⎣ ⎦ 0.554 0.357 PL L ⎧ ⎫ ⎪ ⎪ ⎪ = ⎪ ⎨ ⎬2 0 6456 0 0 0 PL L ⎨ ⎬ ⎢ ⎥− − −⎢ ⎥ ⎣ ⎦⎪ ⎪ ⎢ ⎥⎪ ⎪⎩ ⎭ ⎣ ⎦ 0.643 0 L = ⎨ ⎬ ⎪ ⎪ ⎪ ⎪⎩ ⎭0⎩ ⎭ Dept. of CE, GCE Kannur Dr.RajeshKN 44
  • 45.
    Member end actions(with a different choice of member end actions for analysis) Member end actions considered { }MLATo get A A In the released structure, are SF and BM (equal to reactions) just to the left of B, and 1 2,ML MLA A Dept. of CE, GCE Kannur Dr.RajeshKN 3 4,ML MLA A are SF and BM just to the right of B
  • 46.
    PL M PL= 2PP= 3P P=1 2P P= 2 PL Released structure 2 3 2P 3PL 2 P L 3 2 PL L 2P BA 2 P 0 A 1MLA = Shear force just to the left of B 3 2 0P P= − = 2MLA = Bending moment just to the left of B 2 3P L PL P L M Dept. of CE, GCE Kannur Dr.RajeshKN 46 2 3 2 2 P L M= − + =
  • 47.
    2 PL P P 2 0 L B CBC A = Shear force just to the right of B3MLA = Shear force just to the right of B 12 2 2 0P P P P= − = − = 4MLA = Bending moment just to the right of B4ML g j g 1 2 2 2 PL PL PL M − = − + + 2 2 2 2 PL PL PL PL PL − − + + Dept. of CE, GCE Kannur Dr.RajeshKN 47 2 2 2 2 PL PL= − + + =
  • 48.
    A B C PL2P P PPL A B C 2 L L P L 3PL2P PL P 2P 2 P L 2 0 L 2P 2 PL L P P 0⎧ ⎫ 2 P 0 0 { } 1 2 0 3 2 ML ML A PL A A ⎧ ⎫ ⎪ ⎪⎧ ⎫ ⎪ ⎪⎪ ⎪ ⎪ ⎪ ⎪ ⎪ ⎨ ⎬ ⎨ ⎬{ } 2 3 4 2 0 ML ML ML ML A A A PL ⎪ ⎪ ⎪ ⎪ = =⎨ ⎬ ⎨ ⎬ ⎪ ⎪ ⎪ ⎪ ⎪ ⎪ ⎪ ⎪⎩ ⎭ ⎪ ⎪ Dept. of CE, GCE Kannur Dr.RajeshKN 48 4 2 ML⎩ ⎭ −⎪ ⎪ ⎩ ⎭
  • 49.
    A B CL MQA⎡⎤⎣ ⎦To get 11 L L MQA⎡ ⎤⎣ ⎦ 1 21 1 1 1 Q Q= = ⎡ ⎤ L 0 0 1 1 0 L ⎡ ⎤ ⎢ ⎥ ⎢ ⎥1 1 L 0 L A B C2L L L 0 1 0 L ⎢ ⎥= −⎢ ⎥ ⎢ ⎥ ⎣ ⎦1 1 L L 0 L−⎣ ⎦ 2L L L L− 1 L 1 Dept. of CE, GCE Kannur Dr.RajeshKN 49 1 1 11−
  • 50.
    Hence, member endactions { } { } { }A A A Q⎡ ⎤+ ⎣ ⎦{ } { } { }M ML MQA A A Q⎡ ⎤= + ⎣ ⎦ 5⎡ ⎤ 0 1 13PL ⎧ ⎫ ⎪ ⎪ ⎡ ⎤ ⎪ ⎪ 5 20LP ⎡ ⎤ ⎢ ⎥ ⎢ ⎥ ⎢ ⎥ = 3 0 692 0 0 1 6456 PL L P ⎡ ⎤ ⎪ ⎪ ⎢ ⎥ ⎡ ⎤⎪ ⎪ ⎢ ⎥= +⎨ ⎬ ⎢ ⎥⎢ ⎥ ⎣ ⎦⎪ ⎪ 6456 36L ⎢ ⎥ ⎢ ⎦ ⎥ ⎣ 0 0 1 6456 0PL L ⎢ ⎥− −⎢ ⎥ ⎣ ⎦⎪ ⎪ ⎢ ⎥⎪ ⎪ −⎣ ⎦−⎪ ⎪ ⎩ ⎭2 ⎪ ⎪ ⎩ ⎭ Dept. of CE, GCE Kannur Dr.RajeshKN 50
  • 51.
    Flexibilities of prismaticmembersp •Flexibility coefficients of a structure are calculated from the contributions of individual members •Hence it is worthwhile to construct member flexibility matrices for various types of actionsyp •Member oriented axes (local coordinates) and structure oriented axes (global coordinates) Dept. of CE, GCE Kannur Dr.RajeshKN 51
  • 52.
    Member flexibility matricesfor prismatic members with B b one end fixed and the other free 3 2 L L⎡ ⎤ •Beam member [ ] 11 12 2 21 22 3 2M M Mi M M L L F F EI EI F F F L L ⎡ ⎤ ⎢ ⎥⎡ ⎤ ⎢ ⎥= =⎢ ⎥ ⎢ ⎥⎣ ⎦21 22 2 M MF F L L EI EI ⎢ ⎥⎣ ⎦ ⎢ ⎥⎣ ⎦ Dept. of CE, GCE Kannur Dr.RajeshKN
  • 53.
    [ ] L F =•Trussmember [ ]MiF EA =•Truss member Dept. of CE, GCE Kannur Dr.RajeshKN
  • 54.
    •Plane frame memberPlaneframe member Dept. of CE, GCE Kannur Dr.RajeshKN
  • 55.
    1 FM33 11 12 133 2 0 0 M M M L EA F F F ⎡ ⎤ ⎢ ⎥ ⎡ ⎤ ⎢ ⎥ [ ] 11 12 13 3 2 21 22 23 231 32 33 0 3 2 M M M Mi M M M M M M L L F F F F EI EI F F F L L ⎡ ⎤ ⎢ ⎥ ⎢ ⎥ ⎢ ⎥= = ⎢ ⎥ ⎢ ⎥ ⎢ ⎥ ⎢ ⎥⎣ ⎦ Dept. of CE, GCE Kannur Dr.RajeshKN 231 32 33 0 2 M M M L L EI EI ⎢ ⎥ ⎢ ⎥⎣ ⎦ ⎢ ⎥ ⎢ ⎥⎣ ⎦
  • 56.
    G id b•Gridmember Dept. of CE, GCE Kannur Dr.RajeshKN
  • 57.
    FM31 FM33 3 2 L L⎡⎤ [ ] 11 12 13 0 3 2 M M M L L EI EIF F F L ⎡ ⎤ ⎢ ⎥ ⎡ ⎤ ⎢ ⎥ ⎢ ⎥ ⎢ ⎥ [ ] 21 22 23 231 32 33 0 0Mi M M M M M M L F F F F GJ F F F L L ⎢ ⎥ ⎢ ⎥= = ⎢ ⎥ ⎢ ⎥ ⎢ ⎥ ⎢ ⎥⎣ ⎦ ⎢ ⎥ Dept. of CE, GCE Kannur Dr.RajeshKN 0 2 L L EI EI ⎢ ⎥ ⎢ ⎥⎣ ⎦
  • 58.
    •Space frame member•Spaceframe member Dept. of CE, GCE Kannur Dr.RajeshKN
  • 59.
    0 0 00 0 L E A ⎡ ⎤ ⎢ ⎥ ⎢ ⎥3 2 0 0 0 0 3 2Z Z E A L L E I E I ⎢ ⎥ ⎢ ⎥ ⎢ ⎥ ⎢ ⎥ [ ] 3 2 0 0 0 0 3 2 Z Z Y Y L L E I E I F ⎢ ⎥ −⎢ ⎥ ⎢ ⎥ ⎢ ⎥[ ] 0 0 0 0 0 M iF L G J ⎢ ⎥= ⎢ ⎥ ⎢ ⎥ ⎢ ⎥2 0 0 0 0 2 Y Y L L E I E I ⎢ ⎥ −⎢ ⎥ ⎢ ⎥ ⎢ ⎥2 0 0 0 0 2 Z Z L L E I E I ⎢ ⎥ ⎢ ⎥ ⎢ ⎥ ⎣ ⎦ Dept. of CE, GCE Kannur Dr.RajeshKN
  • 60.
    Formalization of theFlexibility method (Explanation using principle of complimentary virtual work) { } [ ]{ }D F A For each member, { } [ ]{ }Mi Mi MiD F A= contains relative displacements of the k end{ }DH contains relative displacements of the k end with respect to j end of the i-th member { }MiDHere Dept. of CE, GCE Kannur Dr.RajeshKN
  • 61.
    •If there arem members in the structure, { } [ ] [ ] [ ] [ ] [ ] { }11 10 0 0 0MM MFD A⎧ ⎫ ⎧ ⎫⎡ ⎤ ⎪ ⎪ ⎪ ⎪⎢ ⎥ { } { } [ ] [ ] [ ] [ ] [ ] [ ] [ ] [ ] [ ] [ ] { } { } 22 2 33 3 0 0 0 0 0 0 0 0 MM M MM M FD A FD A ⎪ ⎪ ⎪ ⎪⎢ ⎥ ⎪ ⎪ ⎪ ⎪⎢ ⎥ ⎪ ⎪ ⎪ ⎪⎢ ⎥ ⎪ ⎪ ⎪ ⎪⎢ ⎥ { } [ ] [ ] [ ] [ ] [ ] { }0 0 0 0MiMi MiFD A ⎪ ⎪ ⎪ ⎪⎢ ⎥ =⎨ ⎬ ⎨ ⎬⎢ ⎥ ⎪ ⎪ ⎪ ⎪⎢ ⎥ ⎪ ⎪ ⎪ ⎪⎢ ⎥ { } [ ] [ ] [ ] [ ] [ ] { }0 0 0 0 MmMm MmFD A ⎪ ⎪ ⎪ ⎪⎢ ⎥ ⎪ ⎪ ⎪ ⎪⎢ ⎥ ⎪ ⎪ ⎪ ⎪⎢ ⎥ ⎩ ⎭ ⎩ ⎭⎣ ⎦ { } [ ]{ }D F A Dept. of CE, GCE Kannur Dr.RajeshKN { } [ ]{ }M M MD F A=
  • 62.
    { } []{ }M M MD F A={ } [ ]{ }M M M [ ]MF is the unassembled flexibility matrix of the entire structure { }MA { }A •Member end actions in will be related to the structure actions applied to the released structure { }SA { }JA { }QAconsists of joint loads and redundant actions { }SAstructure actions applied to the released structure. { }S { }J { }Qj { } [ ]{ }M MS SA B A=Hence, A i f i iAction transformation matrix (equilibrium matrix) { } [ ] { } { } J M MJ MQ A A B B ⎧ ⎫⎪ ⎪⎡ ⎤⎡ ⎤= ⎨ ⎬⎣ ⎦⎣ ⎦ i.e., Dept. of CE, GCE Kannur Dr.RajeshKN { } [ ] { }M MJ MQ QA ⎨ ⎬⎣ ⎦⎣ ⎦ ⎪ ⎪⎩ ⎭
  • 63.
    [ ]B {}A { }A andl t to[ ]MJB MQB⎡ ⎤⎣ ⎦ { }MA { }JA { }QA andrelate to relate to{ }MA •Each column in the submatrix consists of[ ]MJB MQB⎡ ⎤⎣ ⎦ { }Qrelate { }M •Each column in the submatrix consists of member end actions caused by a unit value of a joint load applied to the released structure. [ ]MJB pp •Each column in the submatrix consists of member end actions caused by a unit value of a MQB⎡ ⎤⎣ ⎦ member end actions caused by a unit value of a redundant applied to the released structure. Dept. of CE, GCE Kannur Dr.RajeshKN
  • 64.
    { }SAδ•Suppose anarbitrary set of virtual actions { }SSuppose an arbitrary set of virtual actions is applied on the structure. { } [ ]{ } [ ] { } { } J M MS S MJ MQ A A B A B B A δ δ δ δ ⎧ ⎫⎪ ⎪⎡ ⎤⎡ ⎤= = ⎨ ⎬⎣ ⎦⎣ ⎦ ⎪ ⎪⎩ ⎭ { } [ ]{ } [ ] { }Q QAδ⎣ ⎦⎣ ⎦ ⎪ ⎪⎩ ⎭ External complimentary virtual work produced by the { }SAδ { }SD External complimentary virtual work produced by the virtual loads and actual displacements is { } { } { } { } TT T* JD W A D A Aδ δ δ δ ⎧ ⎫⎡ ⎤ ⎨ ⎬{ } { } { } { }T T J S S J Q Q W A D A A D δ δ δ δ⎡ ⎤= = ⎨ ⎬⎢ ⎥⎣ ⎦ ⎩ ⎭ Dept. of CE, GCE Kannur Dr.RajeshKN
  • 65.
    Internal complimentary virtualwork produced by the virtual member end actions and actual (relative){ }MAδ end displacements is { }M { }MD { } { } T* M MU A Dδ δ= Dept. of CE, GCE Kannur Dr.RajeshKN
  • 66.
    •Equating the abovetwo (principle of complimentary i t l k) { } { } { } { } T T S S M MA D A Dδ δ= virtual work), { } { } { } { }S S M MA D A Dδ δ { } [ ]{ }{ } [ ]{ }A A { } [ ]{ }M M MD F A={ } [ ]{ }M MS SA B A=But and { } [ ]{ }M MS SA B Aδ δ=Also, { } { } { } [ ] [ ][ ]{ } TT T S S S MS M MS SA D A B F B Aδ δ=Hence, { } { } { } [ ] [ ][ ]{ }S S S MS M MS S Dept. of CE, GCE Kannur Dr.RajeshKN
  • 67.
    { } [] [ ][ ]{ } T D B F B A{ } [ ] [ ][ ]{ }S MS M MS SD B F B A= { } [ ]{ }S S SD F A= [ ] [ ] [ ][ ] T F B F B Where, the assembled flexibility matrix [ ] [ ] [ ][ ] T S MS M MSF B F B= , the assembled flexibility matrix for the entire structure. Dept. of CE, GCE Kannur Dr.RajeshKN
  • 68.
    [ ]SF ispartitioned into submatrices related to:[ ]S { }JA p joint loads { }QAand redundant actions { } [ ]{ } { } [ ] { }JJ JQJ J F FD A A ⎡ ⎤⎡ ⎤⎧ ⎫ ⎧ ⎫⎪ ⎪ ⎣ ⎦ ⎪ ⎪⎢ ⎥⎨ ⎬ ⎨ ⎬{ } [ ]{ } { } { } [ ] { } { } QJ J Q QQJ S S S QQ D D AF F F A ⎪ ⎪ ⎣ ⎦ ⎪ ⎪⎢ ⎥=⎨ ⎬ ⎨ ⎬ ⎢ ⎥⎡ ⎤ ⎡ ⎤⎪ ⎪ ⎪ ⎪⎩ ⎭ ⎩ ⎭⎣ ⎦ = ⎣ ⎦⎣ ⎦ ⇒ T T ⎡ ⎤ ⎡ ⎤ Where, [ ] [ ] [ ][ ] T JJ MJ M MJF B F B= [ ] [ ] T JQ MJ M MQF B F B⎡ ⎤ ⎡ ⎤=⎣ ⎦ ⎣ ⎦ T ⎡ ⎤ ⎡ ⎤ T ⎡ ⎤ ⎡ ⎤ ⎡ ⎤ Dept. of CE, GCE Kannur Dr.RajeshKN [ ][ ] T QJ MQ M MJF B F B⎡ ⎤ ⎡ ⎤=⎣ ⎦ ⎣ ⎦ [ ] T QQ MQ M MQF B F B⎡ ⎤ ⎡ ⎤ ⎡ ⎤=⎣ ⎦ ⎣ ⎦ ⎣ ⎦
  • 69.
    { } []{ } { }D F A F A⎡ ⎤= + ⎣ ⎦{ } [ ]{ } { }J JJ J JQ QD F A F A⎡ ⎤= + ⎣ ⎦ { } { } { }D F A F A⎡ ⎤ ⎡ ⎤= +⎣ ⎦ ⎣ ⎦{ } { } { }Q QJ J QQ QD F A F A⎡ ⎤ ⎡ ⎤= +⎣ ⎦ ⎣ ⎦ 1 { } { } { } 1 Q QQ Q QJ JA F D F A − ⎡ ⎤⎡ ⎤ ⎡ ⎤= −⎣ ⎦ ⎣ ⎦⎣⇒ ⎦ Dept. of CE, GCE Kannur Dr.RajeshKN
  • 70.
    In the subsequentcalculations, the above {AQ} should be d However the final values of redundants are obtained used. However, the final values of redundants are obtained by including actual or equivalent joint loads applied directly to the supports.y pp { } { } { }Q QC QFINAL A A A= − +Thus, { } { } { }Q QC QFINAL , { }QCA represents actual and equivalent joint loads applied directly to the supports, corresponding to redundants Dept. of CE, GCE Kannur Dr.RajeshKN 70 redundants.
  • 71.
    { }{ }QA {}JD • Once redundants are found, can be found out from, { } [ ]{ } { }D F A F A⎡ ⎤+ ⎣ ⎦ { }J , { } [ ]{ } { }J JJ J JQ QD F A F A⎡ ⎤= + ⎣ ⎦ Dept. of CE, GCE Kannur Dr.RajeshKN 71
  • 72.
    • Similarly, supportreactions caused by joint loads and redundant can be obtained with an action transformation matrix [ ]RSB[ ]RS { } [ ]{ } [ ] { }JA⎧ ⎫⎪ ⎪⎡ ⎤⎡ ⎤{ } [ ]{ } [ ] { } { } J R RS S RJ RQ Q A B A B B A ⎪ ⎪⎡ ⎤⎡ ⎤= = ⎨ ⎬⎣ ⎦⎣ ⎦ ⎪ ⎪⎩ ⎭ •Each column in the submatrix consists of support i d b i l f j i l d li d [ ]RJB reactions caused by a unit value of a joint load applied to the released structure. B⎡ ⎤RQB⎡ ⎤⎣ ⎦•Each column in the submatrix consists of support reactions caused by a unit value of a Dept. of CE, GCE Kannur Dr.RajeshKN pp y redundant applied to the released structure.
  • 73.
    • If actualor equivalent joint loads are applied• If actual or equivalent joint loads are applied directly to the supports, { } { } [ ]{ } { }R RC RJ J RQ QA A B A B A⎡ ⎤= − + + ⎣ ⎦ t bi d j i t l d ( t l d { }RCA represents combined joint loads (actual and equivalent) applied directly to the supports. Dept. of CE, GCE Kannur Dr.RajeshKN
  • 74.
    •As seen earlier,member end actions due to actual loads, are obtained by superimposing member end actions due to restraint actions and combined joint loads { } { } [ ]{ } { }M MF MJ J MQ QA A B A B A⎡ ⎤= + + ⎣ ⎦{ } { } [ ]{ } { }M MF MJ J MQ Q⎣ ⎦ { }Awhere represents fixed end actions{ }MFAwhere represents fixed end actions Dept. of CE, GCE Kannur Dr.RajeshKN
  • 75.
    Comparison of theprocedures explained with principle of superposition and principle of complimentary virtual work •For calculating redundants, { } [ ] { } { }( )1 Q F D D − P i i l f iti Principle of complimentary virtual work { } [ ] { } { }( )Q QLQ F D D= −Principle of superposition { } { } { } 1 Q QQ Q QJ JA F D F A − ⎡ ⎤⎡ ⎤ ⎡ ⎤= −⎣ ⎦ ⎣ ⎦⎣ ⎦ Principle of complimentary virtual work { } { } { }Q QQ Q QJ J⎣ ⎦ ⎣ ⎦⎣ ⎦ [ ]F F⎡ ⎤⎣ ⎦H [ ] QQF F⎡ ⎤= ⎣ ⎦Hence, { } { }D F A⎡ ⎤d{ } { }Q A Dept. of CE, GCE Kannur Dr.RajeshKN { } { }QL QJ JD F A⎡ ⎤= ⎣ ⎦and{ } { }QQ A=
  • 76.
    •For calculating jointdisplacements,g j p { } { } { }J JL JQD D D Q⎡ ⎤= + ⎣ ⎦ Principle of superposition Principle of complimentary virtual work { } [ ]{ } { }J JJ J JQ QD F A F A⎡ ⎤= + ⎣ ⎦ { } [ ]{ }JL JJ JD F A=Hence and{ } [ ]{ }JL JJ JD F A JQ JQD F⎡ ⎤ ⎡ ⎤=⎣ ⎦ ⎣ ⎦ Hence, and Q Q⎣ ⎦ ⎣ ⎦ Dept. of CE, GCE Kannur Dr.RajeshKN
  • 77.
    •For calculating memberend actions,g , { } { } { }M ML MQA A A Q⎡ ⎤= + ⎣ ⎦Principle of superposition Principle of complimentary virtual work { } { } [ ]{ } { }M MF MJ J MQ QA A B A B A⎡ ⎤= + + ⎣ ⎦ { } { } [ ]{ }ML MF MJ JA A B A= +Hence, and MQ MQA B⎡ ⎤ ⎡ ⎤=⎣ ⎦ ⎣ ⎦ Dept. of CE, GCE Kannur Dr.RajeshKN
  • 78.
    •For calculating supportreactions•For calculating support reactions, { } { } { }R RL RQA A A Q⎡ ⎤= +⎣ ⎦Principle of superposition Principle of complimentary virtual work { } { } { }R RL RQ Q⎣ ⎦p p p { } { } [ ]{ } { }R RC RJ J RQ QA A B A B A⎡ ⎤= − + + ⎣ ⎦ { } { } [ ]{ }RL RC RJ JA A B A= − +Hence, and RQ RQA B⎡ ⎤ ⎡ ⎤=⎣ ⎦ ⎣ ⎦ Dept. of CE, GCE Kannur Dr.RajeshKN
  • 79.
    Member flexibility matrixfor a beam member with t t th d b d timoments at the ends as member end actions Required to find out rotations at the ends due to unit h d l 1 2 x d y M EI − = = − moments at each end separately 1 1 1x 2xM EI L dx = = 2 d1 L 1 L x 2 1 2 dy x EI C dx L = + 3 1 2 6 x EIy C x C L = + + Dept. of CE, GCE Kannur Dr.RajeshKN 79 1 2 6L
  • 80.
    0 L y C − = ⇒=0 0y C= ⇒ = 10 6x L y C = = ⇒ =2 0 0 0 x y C = = ⇒ = 2 1 2 6 dy x L dx EI L ⎛ ⎞ ∴ = −⎜ ⎟ ⎝ ⎠⎝ ⎠ L L y y − ′ ′ 0 , 6 3x x L y y EI EI= = = = 1 1 3 M L F E I = 21 6 M L F EI − = 6 1 Dept. of CE, GCE Kannur Dr.RajeshKN 1
  • 81.
    Similarly, L F L F − 1 11 3 MF EI =12 6 MF EI = 11 12 36 L L F F EI EI −⎡ ⎤ ⎢ ⎥⎡ ⎤ [ ] 11 12 21 22 3 6 6 3 M M Mi M M F F EI EI F F F L L EI EI ⎢ ⎥⎡ ⎤ ∴ = = ⎢ ⎥⎢ ⎥ −⎣ ⎦ ⎢ ⎥ ⎢ ⎥⎣ ⎦ Dept. of CE, GCE Kannur Dr.RajeshKN 81 6 3EI EI⎢ ⎥⎣ ⎦
  • 82.
    Member flexibility matrixfor a beam member with t d h t d b d timoment and shear at one end as member end actions 3 2 L L F F ⎡ ⎤ ⎢ ⎥⎡ ⎤ [ ] 11 12 2 21 22 3 2M M Mi M M F F EI EI F F F L L ⎢ ⎥⎡ ⎤ ⎢ ⎥= =⎢ ⎥ ⎢ ⎥⎣ ⎦ ⎢ ⎥ Dept. of CE, GCE Kannur Dr.RajeshKN 2EI EI⎢ ⎥⎣ ⎦
  • 83.
    SummarySummary Flexibility method • Flexibilitymatrices for truss beam and frame elements – load transformation matrix-development of total flexibility matrix of the structure . Dept. of CE, GCE Kannur Dr.RajeshKN 83
  • 84.
    James Clerk Maxwell(13 June 1831 – 5 November 1879) was a Scottish theoretical physicist and1879) was a Scottish theoretical physicist and mathematician. His most important achievement was classical electromagnetic theory. Maxwell also developed the Maxwell–Boltzmann distribution, ap , statistical means of describing aspects of the kinetic theory of gases. These two discoveries helped usher in the era of modern physics, laying the foundation forp y y g such fields as special relativity and quantum mechanics. Maxwell is also known for creating the first true colour photograph in 1861 and for his foundational work on the rigidity of rod-and-joint frameworks like those in many bridges. Maxwell is considered by many physicists to be the 19th-century scientist with the greatest influence on 20th-century physics. His contributions to the science are considered by many to be of the same magnitude as those of Isaac Newtony y g and Albert Einstein. Einstein himself described Maxwell's work as the "most profound and the most fruitful that physics has experienced since the time of Newton." Einstein kept a photograph of Maxwell on his study wall, alongside Dept. of CE, GCE Kannur Dr.RajeshKN 84 pictures of Michael Faraday and Newton.
  • 85.
    Christian Otto Mohr(October 8, 1835 – October 2, 1918) was a German civil engineer one of the most1918) was a German civil engineer, one of the most celebrated of the nineteenth century. Starting in 1855, his early working life was spent in railroad engineering for the Hanover and Oldenburgrailroad engineering for the Hanover and Oldenburg state railways, designing some famous bridges and making some of the earliest uses of steel trusses. Even during his early railway years, Mohr hadg y y y , developed an interest in the theories of mechanics and the strength of materials. In 1867, he became professor of mechanics at Stuttgart Polytechnic, andp g y in 1873 at Dresden Polytechnic in 1873. In 1874, Mohr formalised the idea of a statically determinate structure. In 1882, he famously developed the graphical method for analysing stress known as Mohr's circle and used it to propose an early theory of strength based on shear stress He also developed the Williot-Mohr diagram for trusson shear stress. He also developed the Williot Mohr diagram for truss displacements and the Maxwell-Mohr method for analysing statically indeterminate structures, it can also be used to determine the displacement of truss nodes and forces acting on each member. The Maxwell-Mohr method is Dept. of CE, GCE Kannur Dr.RajeshKN 85 g also referred to as the virtual force method for redundant trusses.