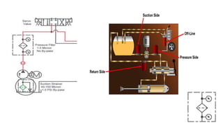
Hydraulic System
Presented By;
Bhavesh Solanki
Content
• Introduction
• Hydraulic System
• Components of Hydraulic System
▪ Reservoir
▪ Filters
▪ Control Valves
▪ Hydraulic Pump
▪ Accumulators
▪ Actuators
• Hydraulic Truck Unloader
• Hydraulic Chain Drive
• Troubleshooting
Power Transmission
• Power transmission is the movement of energy from its place of
generation to a location where it is applied to perform useful work.
• In the industry we use three methods for transmitting power from
one point to another.
• Mechanical transmission is through shafts, gears, couplings, chains,
belts, etc.
• Electrical transmission is through wires, transformers, rectifiers, etc.
• Fluid power is through liquids or gas in a confined space.
Fluid Power
• Fluid power is the method of using pressurized fluid to transmit
energy.
• Liquid or Gas is referred to as a fluid.
• Accordingly, there are two branches of fluid power; Pneumatics, and
Hydraulics.
• Hydraulic systems use pressurized liquid such as water or other
liquids to transfer Power from one point to another.
• Pneumatic systems use pressurized air or other gases to transfer
Power from one point to another.
Hydraulic
• Two Greek word,
hudro (Water) + aulos (Pipe) → hudraulikos
• hudraulikos (Greek) → hydraulic (Latin) early 17th century
• Hydraulics is the science of forces and movements transmitted by
means of liquids.
• Pressurized liquid act as a medium of power transmission.
• Hydraulic fluids are incompressible. These fluids doesn’t change to
smaller size when squeezing forces are applied.
Application of Hydraulic
• Hydraulic systems are commonly used where mechanisms require
large forces and precise control.
• Hydraulics plays an important role in many industries; there are a lot
of hydraulic applications in manufacturing, transportation, and
construction sectors.
• Examples include vehicle power steering and brakes, hydraulic jacks,
hydraulic elevators, Weapons systems (loading & launching), and
heavy earth moving machines.
• Heavy duty presses for bulk metal formation such as sheet metal
bending, forging, punching etc.
Hydrostatics
• A hydrostatic system uses fluid pressure to transmit power.
• The system creates high pressure, and through a transmission line
and a control element, this pressure drives an actuator (linear or
rotational).
• Hydrostatic transmission: Small Flow rate & Large Pressure Head
• The pump used in hydrostatic systems is a positive displacement
pump.
• An example of pure hydrostatics is the transfer of force in hydraulics.
• Linear movement against large force, Linear movement and stopping
in exact position : hydrostatics
Pressure
• Pressure is the magnitude F of a
force acting perpendicular to a
surface divided by the area S of the
surface over which the force acts.
P =
𝐹
𝐴
(SI unit Τ𝑁 𝑚2
or Pascal)
0
10
20
30
40
50
60
0 2 4 6
Force(N)
Area (m^2)
0
100
200
300
400
500
600
0 20 40 60
Pressure
Area
For Given Pressure
Force 𝜶 Area
For Given Force
Pressure 𝜶 1/Area
0
5
10
15
20
25
30
0 20 40 60
Pressure(Pa)
Force (N)
For Given Area
Pressure 𝜶 Force
Hydrostatic Pressure
• The pressure at a point in a liquid in static equilibrium
depends only on the depth at that point
𝑷 = 𝑷 𝟎 + 𝝆·g·H
• Where 𝑷 𝟎 is the external pressure on the surface of the
liquid, H is the depth, g is the gravity acceleration and
𝝆 is the liquid density
• Hydrostatic pressure inside the
water in a dam or a swimming pool
increases with depth
• That is the reason of the trapezoidal
shape of walls in dams and swimming
pools
Pascal’s Principle
• Any change in the pressure applied to a
completely enclosed fluid is transmitted
equally in all directions and walls of enclose
without any loss.
• French scientist pascal discovered this law in the 17th century.
• When the syringe is filled with water, pushing the
plunger water comes out from all nozzles with equal
speed perpendicularly to the surface of the container
Pascal’s Law
• P =
𝐹1
𝐴1
• 𝐹2 = P x 𝐴2
• Magnitude of force transferred
is in direct proportion to the
surface area (F = P*A)
𝐹1
𝐹2
Small Area 𝐴1
Large Area 𝐴2
Pressure
P
Pascal’s Law application
Law of Conservation of Energy
• Energy can neither be created nor destroyed. what is gained by force is sacrificed
in the distance moved.
Archimedes’ Principle
• Buoyancy: Buoyancy is an upward force exerted by a fluid that opposes
the weight of a partially or completely immersed object.
• Archimedes' principle states that the upward buoyant force that is exerted
on a body immersed in a fluid, whether fully or partially submerged, is equal to
the weight of the fluid that the body displaces and acts in the upward direction
at the center of mass of the displaced fluid
• Buoyant force =
Fluid Density x g x Volume of displaced fluid
𝑭𝑩 = 𝒅𝒇 ∙ 𝒈 ∙ 𝑽𝒇
• If object density < Fluid density → object will Float
• If object density > Fluid density → object will Sinks
Hydrodynamic
• Hydrodynamic systems use fluid motion to transmit power. Power is transmitted by the kinetic
energy of the fluid. Hydrodynamics deals with the mechanics of moving fluid and uses flow
theory.
• Hydrodynamic transmission: Large Flow rate & Small Pressure Head
• An example of pure hydrodynamics is the conversion of flow energy in turbines in hydroelectric
power plants. The pump used in hydrodynamic systems is a non-positive displacement pump.
Continuity Equation:
• Mass enter in tube = Mass exit from tube (for given time)
• ∆𝑚1 = ∆𝑚2
• 𝜌 ∆𝑉1 = 𝜌 ∆𝑉2
• 𝐴1 ∆𝑋1 = 𝐴2 ∆𝑋2 (Incompressible Fluid) 𝐴1 𝑣1 = 𝐴2 𝑣2
• 𝐴1 𝑣1∆𝑡 = 𝐴2 𝑣2 ∆𝑡
Bernoulli’s Equation
∆𝑈 = Q + W (Thermodynamics' First Law or Energy Conservation)
1
2
𝑀𝑣1
2
-
1
2
𝑀𝑣2
2
+𝑀 𝑔 𝑦1 - 𝑀 𝑔 𝑦2 = (𝑃2 −𝑃1)∆𝑉 (𝑚1 = 𝑚2 = M)
1
2
𝜌 ∆𝑉 𝑣1
2
-
1
2
𝜌 ∆𝑉 𝑣2
2
+ 𝜌 ∆𝑉 𝑔 𝑦1 - 𝜌 ∆𝑉 𝑔 𝑦2 = (𝑃2 −𝑃1)∆𝑉
𝑃1 +
1
2
𝜌 𝑣1
2
+ 𝜌 𝑔 𝑦1 = 𝑃2 +
1
2
𝜌 𝑣2
2
+ 𝜌 𝑔 𝑦2
𝑃1
𝜌 𝑔
+
𝑣1
2
2𝑔
+ 𝑦1 =
𝑃2
𝜌 𝑔
+
𝑣2
2
2𝑔
+ 𝑦2
Hydraulic System
• Hydraulic circuits composed of pumps, pressure control valve,
direction control valve, flow control valve, actuators, Reservoir and
accessories, and their composition according to objectives and
specifications. Many compositions are possible for single objective.
• The most efficient circuit is,
1) Safe and completely optimal to meet objective.
2) Capable of smooth movement.
3) Energy efficient.
4) Effective for initial and running costs.
5) Easy to maintain.
Schematic of Hydraulic System
Structure of hydraulic system
Power Supply Section
• Prime Mover (Motor, Engine)
• Coupling
• Pump
• Reservoir
• Filter
Power Control Section
• Direction control Valve
• Flow Control Valve
• Pressure Control Valve
• Non Return Valve
Drive Section
• Linear Actuator (Cylinders)
• Rotary Actuator (Motors)
Hydraulic Power Section
Signal Input (Sensing)
• Manually
• Mechanically
• Contactlessly
Signal Processing
• By the operator
• By Electrically
• By Pneumatics
• By Hydraulics
• By Mechanics
Signal Control Section
Power Transmission
Hydraulic
Cylinder
Electric
Motor
T x ω
V x I
Hydraulic
Pump
P x Q
Hydraulic
Motor
F x v
T x ω
Hydraulic System
Electrical Energy Mechanical Energy Hydraulic Energy Mechanical Energy
Input and Output power
Components of Hydraulic System
1. Reservoir
2. Filters
3. Control Valves
4. Pumps
5. Accumulators
6. Actuators
1. Hydraulic Reservoir
• Reservoir is supply source of hydraulic system fluid.
• A well designed and constructed reservoir assists the separation of
contamination and helps to dissipate heat generate with in the
system.
• The large removable covers on each end permits easy access for
cleaning. One of the cover has fluid level indicator to check fluid level
periodically.
• Most tanks are of welded construction with supports for mounting for
easy access to the drain plug.
• A tank must be totally enclosed and should have a filtered air
breather to screen out particles from the surrounding air.
• Contaminant are screened out using a strainer and a filter. Some
reservoirs have magnetic plugs to trap iron and steel particles carried
by the fluid.
Baffle Plate
• A Baffle plate extending length wise
through the tank separates the pump
inlet line from the system return,
preventing continuous recirculation
of the same fluid.
• Thus any foreign particles in the fluid
are allowed to settle to the bottom
and trapped air is permitted to
escape. It also helps maintain an
even fluid temperature.
Air Breather
• In every closed hydraulic tanks air breather mounted on air chamber
side and its function to maintain the pressure on hydraulic oil.
• When breath in it allows air to exit and enter the reservoir as the fluid
level rises and falls, respectively but prevents the entry of particles,
such as dust, wet air.
• When breath-out (suddenly) oil mists get sprayed/spilled out. To filter
the dust and suppress the oil mist, fine filter (wire mesh) elements
are used.
• Oil mist and dust together forms a pasty mass and could block the
breathing. Regular cleaning of filter and replacements of drying
elements are necessary.
2. Hydraulic Filters
Suction Strainer
• A strainer is the primary filtering system that removes large particles
of foreign matter from a hydraulic liquid. Even though its screening
action is not as good as a filter’s, a strainer offer less resistance to
flow.
• A Strainer is a device for the removal of solids from a fluid wherein
the resistance to motion of such solid in straight line.
• A strainer usually consists of a metal frame wrapped with a fine-mesh
wire screen or a screening element made up of varying thickness of
specially processed wire.
• Strainers are used to pump inlet lines where pressure drop must be
kept to a minimum and also protect the pump from large, damaging
contamination particles that can cause failure.
• A suction strainer or filter should have a bypass relief valve. when the strainer becomes
clogged. The reasoning behind this is that the pump will run many hours on
contaminated oil, but will fail in a few minutes with little or no oil.
Pressure line Filter
• Located downstream from the hydraulic pump, these filters are
designed to clean the fluid as it exits the pump to protect more
sensitive system components such as control valves and actuators
from contaminants generated from the pump.
• The typical filtering media used in these filters is capable of removing
a high percentage of the smaller particles of contaminant. When
there is a high pressure drop across the filter, the element must not
collapse.
• A pressure-line filter should not have a bypass. If the filter element
clogs, it is better to stop flow to servo valves than to contaminate
them.
• Indicators on the filters warn of clogging to allow the elements to be
changed before production speed is affected.
Return line filter
• Located between the control valve and the fluid reservoir, these filters
are designed to capture wear debris from the hydraulic systems
working components before returning the fluid back to the reservoir.
• The media used in these filters is designed to remove common size
wear particles that may be generated by these system components.
• Return-line filters should have integral bypass check valves. If the
filter becomes loaded, return oil needs a flow path to tank until it is
convenient to change the filter.
• Without a bypass, the filter element may collapse, or the element
housing or seal may rupture.
Off line filtration
• These filters are used, independent from
the hydraulic system. Fluid is pulled from
the reservoir through the filter and is
returned to the reservoir.
• Sometimes called kidney filters or bypass
filters.
• When the off-line filter indicator shows a
clogged element, the main hydraulic
circuit can continue to run during filter
change.
• Also, this type filter system can operate
while the main hydraulic circuit is shut off
over nights or weekends.
Pressure relief valve
• Pressure-relief valves limit the maximum pressure in a hydraulic circuit
by providing an alternate path for fluid flow when the pressure reaches
a preset level.
• All fixed-volume pump circuits require a relief valve to protect the
system from excess pressure.
• It is normally a closed valve whose function is to limit the pressure to a
specified maximum value by diverting pump flow back to the tank.
• Note the external adjusting screw, which varies spring force and, thus,
the pressure at which the valve begins to open (cracking pressure).
3. Control Valves
Flow control Valve
Non-Pressure-Compensated Valves
• Non-pressure-compensated flow-control valves are used when the system
pressure is relatively constant and motoring speeds are not too critical.
• The operating principle behind these valves is that the flow through an
orifice remains constant if the pressure drop across it remains the same. In
other words, the rate of flow through an orifice depends on the pressure
drop across it.
• The inlet pressure is the pressure from the pump that remains constant.
Therefore, the variation in pressure occurs at the outlet that is defined by
the work load.
• This implies that the flow rate depends on the work load. Hence, the speed
of the piston cannot be defined accurately using non-pressure-compensated
flow-control valves when the working load varies.
• Pressure-Compensated Valves
• It overcome the difficulty caused by non-pressure-compensated valves by
changing the size of the orifice in relation to the changes in the system
pressure.
• Once the valve is set, the
pressure compensator acts to
keep the pressure drop nearly
constant.
• It works on a kind of feedback
mechanism from the outlet
pressure. This keeps the flow
through the orifice nearly
constant
Speed Control of a Hydraulic Cylinder using a flow control valve
(Meter–In)
• It control the fluid flow just before fluid enters to the
actuator with the help of flow control valve. we can also say
that there could be a restriction in fluid flow to the actuator.
• Meter-in flow control circuit will have quite precise control if
load is resistive load but if there will be overrunning load
then in that situation meter-in circuit will not be able to
control the actuator speed.
• In case of overrunning load, actuator will move faster and
hydraulic circuit will not be able to fill it with hydraulic fluid
and hence cavitation phenomena will be possible over there.
Speed Control of a Hydraulic Cylinder using a flow control valve
(Meter–Out)
• Flow control valve will be installed on discharge
end or return side of actuator i.e. cylinder in
order to control the discharge of fluid flow.
Meter-out flow control circuit will control the
flow of fluid leaving the actuator.
• Actuator speed will be controlled in meter-out
circuit by restricting the flow of fluid leaving the
actuator.
• Meter-out circuit will work successfully with
resistive load and also with overrunning load or
running away load because actuator will not be
able to move faster than fluid discharge it
permits.
Counter Balance valve
Internally & Externally Piloted Counter Balance valve
Direction control valve
• A valve is a device that receives an external signal (mechanical, fluid
pilot signal, electrical or electronics) to release, stop or redirect the
fluid that flows through it.
• The function of a DCV is to control the direction of fluid flow in any
hydraulic system. A DCV does this by changing the position of internal
movable parts.
A B
P T
A B
P T
Check Valve
o The simplest type of direction control valve is a check valve
o it is a two-way valve because it contains two ports.
o The purpose of a check valve is to permit free flow in one direction
and prevent any flow in the opposite direction
(a) (b)
Figure5-1 Inline check valve
(a) Construction.(b) Graphic symbol
inletP1 outletP2
valve seat ball bias spring body
inletP1 outletP2
Poppet check valve:
(a) Open and (b) closed position
Shuttle Valve
• A shuttle valve allows two alternate flow sources to be connected to
one branch circuit.
Sliding Spool Valves
Most directional control valves use a sliding spool to change the path of
flow through the valve.
• Position :For a given position of the spool, a unique flow path
configuration exists within the valve.
• Way: The number of “ways” refers to the number of ports in the valve.
• Normal/Neutral/center position: The spool is not actuated
A BP T A P TB
• Two way, Two position, normally
closed direction control valve.
• Ex. A pair of two-way valves is used to
fill and drain a vessel.
• Three way, Two position, normally
closed direction control valve.
• Ex. Single acting cylinder, Double
acting with pair of normally closed &
normally open.
• Four way, Two position, normally
closed direction control valve.
• Ex. Bi directional Hydraulic Motor,
Double Acting Cylinder
TP
BA
A P TB
A
BA
TP B
TP A TP B
P T
P T
A B
A B
4-way, 3-position directional control valves
A B
TP AT(T1) P T(T2)B
TP
A B
AT(T1) P T(T2)B
TP
BA
AT(T1) P T(T2)B
Figure 5-12 Various center flow paths for three-position,four-way valve
open center
pressure andB closed;A open to tank
closed center--all ports closed tandem
B closed; pressure open to tank throughA
pressure closed;A & B open to tank
T(T1) ATP
BA
P T T(T1) A
A B
P T T(T1) A
A B
B T(T2)P
T(T2)BP
T(T2)BP
Center positions in three-position, four-way valves
Actuating Devices
• Manually operated: In manually operated DCVs, the spool is shifted
manually by moving a handle pushing a button or stepping on a foot
pedal. When the handle is not operated, the spool returns to its
original position by means of a spring.
• Mechanically operated: The spool is shifted by mechanical linkages
such as cam and rollers.
• Solenoid operated: When an electric coil or a solenoid is energized, it
creates a magnetic force that pulls the armature into the coil. This
causes the armature to push the spool of the valve.
• Pilot operated: A DCV can also be shifted by applying a pilot signal
(either hydraulic or pneumatic) against a piston at either end of the
valve spool. When pilot pressure is introduced, it pushes the piston to
shift the spool.
A B
T B P Aspring body spool hand lever
Figure 5-13 Manually actuated, spring-centered, three-position, four-way valve
(a) Construction (b) Complete graphic symbol
(a) (b)
TP
v
a
(a) (b)
P
A
5-14 Mechanically-actuated two-way valve
(a) Construction (b) Complete graphic symbol
AProllercam body spring
Figure
Mechanically-actuated valveManually-actuated valve
A B
K1 K2
T P T
(a)
(b)
TP
BA
K1 K2
Figure 5-15 Oil pilot-actuated four-way valve
(a) Construction (b) Complete graphic symbol
body spoolspring
Pilot-actuated valve
T P
A B
Figure 5-17 Solenoid-actuated directional control valve.
solenoid spool spring armaturecoil
Solenoid-actuated valve
Solenoid Controlled Pilot operated DCV
4. Hydraulic Pump
• Hydraulic Pump take oil from reservoir and supply to the hydraulic
system.
• Pump Produces fluid motion or flow it does not generate pressure.
But, the resistance to output fluid flow generates the pressure.
• It means that if the discharge port (output) of a pump is opened to
the atmosphere, then fluid flow will not generate any output pressure
above atmospheric pressure.
• But, if the discharge port is partially blocked, then the pressure will
rise due to the increase in fluid flow resistance.
• Hydraulic Pumps are classified in two categories: (1) Non Positive
Displacement pump (2) Positive displacement pump.
• Fluid motion or flow created by rotation of impeller. These pumps generally used
for low-pressure and high-volume flow applications.
• It provide continuous flow but output decrease with increase in system
resistance(Load).
• If the output port of a non-positive-displacement pump were blocked off, the
pressure would rise, and output would decrease to zero. Although the pumping
element would continue moving, flow would stop because of slippage inside the
pump.
• Advantages of these pumps are lower initial cost, less operating maintenance
because of less moving parts, simplicity of operation, higher reliability and
suitability with wide range of fluid etc.
• These pumps are primarily used for transporting fluids and find little use in the
hydraulic or fluid power industry.
Non-Positive Displacement Pumps (Hydro-dynamic)
Positive Displacement Pumps
• For each pump revolution
▪ Fixed amount of liquid taken from one end & Positively discharged at other end
▪ A specific amount of fluid passes through the pump for each rotation
▪ The output fluid flow is constant and is independent of the system pressure (load).
• Fluid flow is proportional to their displacement and rotor speed.
• The input and output region are separated and hence the fluid cannot leak back due to
higher pressure at the outlets. Because of this reason these pumps are mostly used in
hydraulic system.
• If pipe blocked
▪ Pressure rises It can damage the pump
▪ In order to avoid this happening, Relief valve is required
• They are highly efficient and almost constant throughout the designed pressure range.
They are a compact unit having a high power to weight ratio
Classification of Pump
Pump
Positive
Displacement
Rotary
Gear
Pump
Lobe
Pump
Screw
Pump
Vane
Pump
Cam Pump
Reciprocating
Piston
Pump
Plunger
Pump
Diaphragm
Pump
Roto
dynamic
Centrifugal
Pump
Axial
Pump
Reciprocating Positive Displacement Pump
• Reciprocating pumps move the fluid using one or more oscillating
pistons, plunger, or membranes (diaphragm), while valves restrict
fluid motion to the desired direction.
• They provide high efficiency, high pressure, low noise level, high
reliability with low speed.
• Reciprocating pump use in high pressure application like hydraulic
system of jet air crafts, Presses, plastic injection molding, automotive
sector (automatic transmission, hydraulic suspension control).
• Piston pump can handle hydraulic fluid or Oil. Diaphragm pump can
handle very corrosive, abrasive, volatile, viscous slurries with crystal
or particles.
Piston Pump
Axial Piston Pump Triplex Plunger Pump
Radial Piston Pump Diaphragm Pump
Rotary Positive Displacement Pump
• The working of all the rotary type positive displacement pumps are
based on the same principle, i.e pumping of the liquid with the help
of rotating elements. The rotating elements can be gears, screws,
vanes or cam, etc.
• The discharge of rotary pumps is smooth, continuous and not
pulsating. A very less vibration and noise is observed. They are
compact with less number of moving component and less sensitive
to contaminations.
• Close tolerances between the moving & stationary parts minimize
leakage from the discharge space back to the suction space.
• Rotary pumps operate best on clean, moderately viscous fluids such
as light lubricating oil.
5. Hydraulic accumulators
• A Hydraulic Accumulator is energy storage device.
• A hydraulic accumulator is a device in which the potential energy of
an incompressible fluid is held under pressure by an external source
against some dynamic force from sources like gravity, mechanical
spring and compressed gas.
• The potential energy is stored when the demand of energy by the
system is less than that available from the prime mover and is
released to the system during its period of peak demand of energy
which the prime mover alone cannot meet.
• Its function is analogous to that of the flywheel in a mechanical
system.
Types of Hydraulic Accumulators
1. Weight-loaded or gravity accumulator
• The weight applies a force on the
piston that generates a pressure on
the fluid side of piston.
• The advantage of this type of
accumulator over other types is that
it applies a constant pressure on the
fluid throughout its range of motion.
• The main disadvantage is its
extremely large size and heavy
weight. This makes it unsuitable for
mobile application.
2. Spring Loaded Accumulators
• The spring is a source of energy acting against the
piston. The pressure created by this type of
accumulator depends upon the stiffness and pre-
loading of spring.
• The pressure exerted on the fluid is not constant.
As the springs are compressed, the accumulator
pressure reaches its peak.
• It typically delivers a low flow rate of oil at low
pressures, so for high pressure situations, these
type of accumulator are somewhat heavy.
• This are not suitable for application demanding
high cycle rates as the spring may fail in fatigue
and lose its elasticity.
3. Gas Charged Accumulators
• These are also known as hydro-pneumatic accumulators because in
this type the force is applied to the oil using compressed air.
• The storage of potential energy is due to the compressibility nature of
the gas.
• The expansion of the gas forces the oil out of the accumulator.
• Here the oil and gas are separated by an element or a diaphragm.
Depending on type of element used to separate the oil and gas, they
classified as a
✓Piston type accumulators
✓Diaphragm type accumulators
✓Bladder or Bag type accumulators
• Only nitrogen gas is used to charge a gas filled with accumulator.
Nitrogen is chemically inert, non-flammable and does not combine
easily with other elements.
Piston Type Accumulator
Bladder Type Accumulator
Diaphragm Type Accumulator
6. Hydraulic Actuators
• Hydraulic actuators convert hydraulic energy into mechanical
energy.
• The amount of output power developed depends upon the flow
rate, pressure drop across the actuator and its overall efficiency.
• Thus they are devices which used to convert pressure energy of the
fluid In to mechanical energy.
• Depending on the type of actuation, hydraulic actuators are
classified as,
1) Linear Actuators: for linear actuation (hydraulic cylinder)
2) Rotary Actuators: for rotary actuation(hydraulic motor)
Linear actuator (hydraulic cylinder)
• Provides motion in straight line.
• Linear displacement depends on stroke length.
• Usually referred to as cylinders, rams (single acting cylinders) or jacks.
Rotary actuators (Hydraulic motors)
• Produces continuous rotational motion.
• Pump shaft is rotated to generate flow.
• A motor shaft is caused to rotate by fluid being forced into the driving
chambers.
Troubleshooting
Problem Possible Causes Remedies
Excessive Noise
Coupling Misalignment
Align unit and check condition of
seals, bearings and coupling.
Cavitation
Clean or replace dirty Filters, Air
Breather, Clean Clogged inlet line,
Change System Fluid, Change to
proper Pump drive Motor Speed.
Worn Poppet & Seat of Relief Valve Replace Relief Valve
Air Entrainment
Tighten leaking connections; fill
reservoir to proper level; bleed air
from system; replace pump shaft
seal (and shaft if worn or damaged).
Problem Possible Causes Remedies
Excessive Heat
System Pressure To High
Install pressure gauge and adjust to
correct pressure (If Relief Valve &
Unloading Valve Set To High).
Cavitation & Air Entrainment
Excessive Load
Check for work load in excess of circuit
design, Align unit and check condition of
seals and bearings;
Fluid Dirty or Low Supply
Change filters and also system fluid if
improper viscosity; fill reservoir to
proper level.
Faulty fluid cooling system
Clean cooler and/or cooler strainer;
replace cooler control valve; repair or
replace cooler.
Problem Possible Causes Remedies
Incorrect Flow
Pump Not Receiving Fluid
Replace/Clean Inlet Filter, inlet
clogged line, air Breather; Maintain
Proper Oil level in reservoir.
Flow passing over relief valve Adjust at High
Motor Turning in Wrong Direction Reverse Direction
RPM of Pump drive Motor Incorrect Replace With Correct Unit
Drive to Pump Coupling Sheared Align and replace Coupling
External Leak In System Tighten leaking Connection
Direction Control Set In Wrong Position
Check position of manually operated
Controls, Check Electrical Circuit On
Solenoid Operated Controls.
Damaged Pump Replace or Overhaul Pump
Problem Possible Causes Remedies
Incorrect Pressure
No Flow
Replace Dirty Filter & Clogged Lines,
Replace dirty Fluid.
Air In Fluid
Tighten leaking connections; fill
reservoir to proper level; bleed air
from system; replace pump shaft
seal (and shaft if worn or damaged).
Relief Valve Set High or Low
Adjust
Counter Balance Valve Misadjusted
Damaged Pump or Cylinder Replace or Overhaul
Accumulators defective or has lost
charge
Replace or Charge
Problem Possible Causes Remedies
Faulty Operation
No
Movement
No Flow, No Pressure
No Command Signal or Wrong Signal Check Electrical Connection
Inoperative Servo Valve Adjust, Repair or Replace
Low
Movement
Relief Valve set too Low Adjust
External Leak In System Tighten leaking Connection
Low RPM of drive Replace with Correct Unit
Worn or Damaged Cylinder & Pump Replace or Overhaul
Erratic
Movement
Sticking of Servo Valve Clean or Repair, Check Fluid & Filter Condition
Erratic Command Signal Repair Command Console or Connections
Malfunctioning feedback transducer Repair or Replace
Excessive
Movement
Improper Size of Pump
Replace With Correct Unit
High RPM of drive
Worn or Damaged Flow Control Valve or
Counter Balance Valve
Repair or Replace
Thank You

Hydraulic system

  • 1.
  • 2.
    Content • Introduction • HydraulicSystem • Components of Hydraulic System ▪ Reservoir ▪ Filters ▪ Control Valves ▪ Hydraulic Pump ▪ Accumulators ▪ Actuators • Hydraulic Truck Unloader • Hydraulic Chain Drive • Troubleshooting
  • 3.
    Power Transmission • Powertransmission is the movement of energy from its place of generation to a location where it is applied to perform useful work. • In the industry we use three methods for transmitting power from one point to another. • Mechanical transmission is through shafts, gears, couplings, chains, belts, etc. • Electrical transmission is through wires, transformers, rectifiers, etc. • Fluid power is through liquids or gas in a confined space.
  • 4.
    Fluid Power • Fluidpower is the method of using pressurized fluid to transmit energy. • Liquid or Gas is referred to as a fluid. • Accordingly, there are two branches of fluid power; Pneumatics, and Hydraulics. • Hydraulic systems use pressurized liquid such as water or other liquids to transfer Power from one point to another. • Pneumatic systems use pressurized air or other gases to transfer Power from one point to another.
  • 5.
    Hydraulic • Two Greekword, hudro (Water) + aulos (Pipe) → hudraulikos • hudraulikos (Greek) → hydraulic (Latin) early 17th century • Hydraulics is the science of forces and movements transmitted by means of liquids. • Pressurized liquid act as a medium of power transmission. • Hydraulic fluids are incompressible. These fluids doesn’t change to smaller size when squeezing forces are applied.
  • 6.
    Application of Hydraulic •Hydraulic systems are commonly used where mechanisms require large forces and precise control. • Hydraulics plays an important role in many industries; there are a lot of hydraulic applications in manufacturing, transportation, and construction sectors. • Examples include vehicle power steering and brakes, hydraulic jacks, hydraulic elevators, Weapons systems (loading & launching), and heavy earth moving machines. • Heavy duty presses for bulk metal formation such as sheet metal bending, forging, punching etc.
  • 7.
    Hydrostatics • A hydrostaticsystem uses fluid pressure to transmit power. • The system creates high pressure, and through a transmission line and a control element, this pressure drives an actuator (linear or rotational). • Hydrostatic transmission: Small Flow rate & Large Pressure Head • The pump used in hydrostatic systems is a positive displacement pump. • An example of pure hydrostatics is the transfer of force in hydraulics. • Linear movement against large force, Linear movement and stopping in exact position : hydrostatics
  • 8.
    Pressure • Pressure isthe magnitude F of a force acting perpendicular to a surface divided by the area S of the surface over which the force acts. P = 𝐹 𝐴 (SI unit Τ𝑁 𝑚2 or Pascal) 0 10 20 30 40 50 60 0 2 4 6 Force(N) Area (m^2) 0 100 200 300 400 500 600 0 20 40 60 Pressure Area For Given Pressure Force 𝜶 Area For Given Force Pressure 𝜶 1/Area 0 5 10 15 20 25 30 0 20 40 60 Pressure(Pa) Force (N) For Given Area Pressure 𝜶 Force
  • 9.
    Hydrostatic Pressure • Thepressure at a point in a liquid in static equilibrium depends only on the depth at that point 𝑷 = 𝑷 𝟎 + 𝝆·g·H • Where 𝑷 𝟎 is the external pressure on the surface of the liquid, H is the depth, g is the gravity acceleration and 𝝆 is the liquid density • Hydrostatic pressure inside the water in a dam or a swimming pool increases with depth • That is the reason of the trapezoidal shape of walls in dams and swimming pools
  • 10.
    Pascal’s Principle • Anychange in the pressure applied to a completely enclosed fluid is transmitted equally in all directions and walls of enclose without any loss. • French scientist pascal discovered this law in the 17th century. • When the syringe is filled with water, pushing the plunger water comes out from all nozzles with equal speed perpendicularly to the surface of the container
  • 11.
    Pascal’s Law • P= 𝐹1 𝐴1 • 𝐹2 = P x 𝐴2 • Magnitude of force transferred is in direct proportion to the surface area (F = P*A) 𝐹1 𝐹2 Small Area 𝐴1 Large Area 𝐴2 Pressure P
  • 12.
  • 13.
    Law of Conservationof Energy • Energy can neither be created nor destroyed. what is gained by force is sacrificed in the distance moved.
  • 14.
    Archimedes’ Principle • Buoyancy:Buoyancy is an upward force exerted by a fluid that opposes the weight of a partially or completely immersed object. • Archimedes' principle states that the upward buoyant force that is exerted on a body immersed in a fluid, whether fully or partially submerged, is equal to the weight of the fluid that the body displaces and acts in the upward direction at the center of mass of the displaced fluid • Buoyant force = Fluid Density x g x Volume of displaced fluid 𝑭𝑩 = 𝒅𝒇 ∙ 𝒈 ∙ 𝑽𝒇 • If object density < Fluid density → object will Float • If object density > Fluid density → object will Sinks
  • 15.
    Hydrodynamic • Hydrodynamic systemsuse fluid motion to transmit power. Power is transmitted by the kinetic energy of the fluid. Hydrodynamics deals with the mechanics of moving fluid and uses flow theory. • Hydrodynamic transmission: Large Flow rate & Small Pressure Head • An example of pure hydrodynamics is the conversion of flow energy in turbines in hydroelectric power plants. The pump used in hydrodynamic systems is a non-positive displacement pump.
  • 16.
    Continuity Equation: • Massenter in tube = Mass exit from tube (for given time) • ∆𝑚1 = ∆𝑚2 • 𝜌 ∆𝑉1 = 𝜌 ∆𝑉2 • 𝐴1 ∆𝑋1 = 𝐴2 ∆𝑋2 (Incompressible Fluid) 𝐴1 𝑣1 = 𝐴2 𝑣2 • 𝐴1 𝑣1∆𝑡 = 𝐴2 𝑣2 ∆𝑡 Bernoulli’s Equation ∆𝑈 = Q + W (Thermodynamics' First Law or Energy Conservation) 1 2 𝑀𝑣1 2 - 1 2 𝑀𝑣2 2 +𝑀 𝑔 𝑦1 - 𝑀 𝑔 𝑦2 = (𝑃2 −𝑃1)∆𝑉 (𝑚1 = 𝑚2 = M) 1 2 𝜌 ∆𝑉 𝑣1 2 - 1 2 𝜌 ∆𝑉 𝑣2 2 + 𝜌 ∆𝑉 𝑔 𝑦1 - 𝜌 ∆𝑉 𝑔 𝑦2 = (𝑃2 −𝑃1)∆𝑉 𝑃1 + 1 2 𝜌 𝑣1 2 + 𝜌 𝑔 𝑦1 = 𝑃2 + 1 2 𝜌 𝑣2 2 + 𝜌 𝑔 𝑦2 𝑃1 𝜌 𝑔 + 𝑣1 2 2𝑔 + 𝑦1 = 𝑃2 𝜌 𝑔 + 𝑣2 2 2𝑔 + 𝑦2
  • 17.
    Hydraulic System • Hydrauliccircuits composed of pumps, pressure control valve, direction control valve, flow control valve, actuators, Reservoir and accessories, and their composition according to objectives and specifications. Many compositions are possible for single objective. • The most efficient circuit is, 1) Safe and completely optimal to meet objective. 2) Capable of smooth movement. 3) Energy efficient. 4) Effective for initial and running costs. 5) Easy to maintain.
  • 18.
  • 20.
    Structure of hydraulicsystem Power Supply Section • Prime Mover (Motor, Engine) • Coupling • Pump • Reservoir • Filter Power Control Section • Direction control Valve • Flow Control Valve • Pressure Control Valve • Non Return Valve Drive Section • Linear Actuator (Cylinders) • Rotary Actuator (Motors) Hydraulic Power Section Signal Input (Sensing) • Manually • Mechanically • Contactlessly Signal Processing • By the operator • By Electrically • By Pneumatics • By Hydraulics • By Mechanics Signal Control Section
  • 21.
    Power Transmission Hydraulic Cylinder Electric Motor T xω V x I Hydraulic Pump P x Q Hydraulic Motor F x v T x ω Hydraulic System Electrical Energy Mechanical Energy Hydraulic Energy Mechanical Energy
  • 22.
  • 23.
    Components of HydraulicSystem 1. Reservoir 2. Filters 3. Control Valves 4. Pumps 5. Accumulators 6. Actuators
  • 24.
  • 25.
    • Reservoir issupply source of hydraulic system fluid. • A well designed and constructed reservoir assists the separation of contamination and helps to dissipate heat generate with in the system. • The large removable covers on each end permits easy access for cleaning. One of the cover has fluid level indicator to check fluid level periodically. • Most tanks are of welded construction with supports for mounting for easy access to the drain plug. • A tank must be totally enclosed and should have a filtered air breather to screen out particles from the surrounding air. • Contaminant are screened out using a strainer and a filter. Some reservoirs have magnetic plugs to trap iron and steel particles carried by the fluid.
  • 26.
    Baffle Plate • ABaffle plate extending length wise through the tank separates the pump inlet line from the system return, preventing continuous recirculation of the same fluid. • Thus any foreign particles in the fluid are allowed to settle to the bottom and trapped air is permitted to escape. It also helps maintain an even fluid temperature.
  • 27.
    Air Breather • Inevery closed hydraulic tanks air breather mounted on air chamber side and its function to maintain the pressure on hydraulic oil. • When breath in it allows air to exit and enter the reservoir as the fluid level rises and falls, respectively but prevents the entry of particles, such as dust, wet air. • When breath-out (suddenly) oil mists get sprayed/spilled out. To filter the dust and suppress the oil mist, fine filter (wire mesh) elements are used. • Oil mist and dust together forms a pasty mass and could block the breathing. Regular cleaning of filter and replacements of drying elements are necessary. 2. Hydraulic Filters
  • 29.
    Suction Strainer • Astrainer is the primary filtering system that removes large particles of foreign matter from a hydraulic liquid. Even though its screening action is not as good as a filter’s, a strainer offer less resistance to flow. • A Strainer is a device for the removal of solids from a fluid wherein the resistance to motion of such solid in straight line. • A strainer usually consists of a metal frame wrapped with a fine-mesh wire screen or a screening element made up of varying thickness of specially processed wire. • Strainers are used to pump inlet lines where pressure drop must be kept to a minimum and also protect the pump from large, damaging contamination particles that can cause failure.
  • 30.
    • A suctionstrainer or filter should have a bypass relief valve. when the strainer becomes clogged. The reasoning behind this is that the pump will run many hours on contaminated oil, but will fail in a few minutes with little or no oil.
  • 31.
    Pressure line Filter •Located downstream from the hydraulic pump, these filters are designed to clean the fluid as it exits the pump to protect more sensitive system components such as control valves and actuators from contaminants generated from the pump. • The typical filtering media used in these filters is capable of removing a high percentage of the smaller particles of contaminant. When there is a high pressure drop across the filter, the element must not collapse. • A pressure-line filter should not have a bypass. If the filter element clogs, it is better to stop flow to servo valves than to contaminate them. • Indicators on the filters warn of clogging to allow the elements to be changed before production speed is affected.
  • 33.
    Return line filter •Located between the control valve and the fluid reservoir, these filters are designed to capture wear debris from the hydraulic systems working components before returning the fluid back to the reservoir. • The media used in these filters is designed to remove common size wear particles that may be generated by these system components. • Return-line filters should have integral bypass check valves. If the filter becomes loaded, return oil needs a flow path to tank until it is convenient to change the filter. • Without a bypass, the filter element may collapse, or the element housing or seal may rupture.
  • 35.
    Off line filtration •These filters are used, independent from the hydraulic system. Fluid is pulled from the reservoir through the filter and is returned to the reservoir. • Sometimes called kidney filters or bypass filters. • When the off-line filter indicator shows a clogged element, the main hydraulic circuit can continue to run during filter change. • Also, this type filter system can operate while the main hydraulic circuit is shut off over nights or weekends.
  • 36.
    Pressure relief valve •Pressure-relief valves limit the maximum pressure in a hydraulic circuit by providing an alternate path for fluid flow when the pressure reaches a preset level. • All fixed-volume pump circuits require a relief valve to protect the system from excess pressure. • It is normally a closed valve whose function is to limit the pressure to a specified maximum value by diverting pump flow back to the tank. • Note the external adjusting screw, which varies spring force and, thus, the pressure at which the valve begins to open (cracking pressure). 3. Control Valves
  • 38.
    Flow control Valve Non-Pressure-CompensatedValves • Non-pressure-compensated flow-control valves are used when the system pressure is relatively constant and motoring speeds are not too critical. • The operating principle behind these valves is that the flow through an orifice remains constant if the pressure drop across it remains the same. In other words, the rate of flow through an orifice depends on the pressure drop across it. • The inlet pressure is the pressure from the pump that remains constant. Therefore, the variation in pressure occurs at the outlet that is defined by the work load. • This implies that the flow rate depends on the work load. Hence, the speed of the piston cannot be defined accurately using non-pressure-compensated flow-control valves when the working load varies.
  • 40.
    • Pressure-Compensated Valves •It overcome the difficulty caused by non-pressure-compensated valves by changing the size of the orifice in relation to the changes in the system pressure. • Once the valve is set, the pressure compensator acts to keep the pressure drop nearly constant. • It works on a kind of feedback mechanism from the outlet pressure. This keeps the flow through the orifice nearly constant
  • 41.
    Speed Control ofa Hydraulic Cylinder using a flow control valve (Meter–In) • It control the fluid flow just before fluid enters to the actuator with the help of flow control valve. we can also say that there could be a restriction in fluid flow to the actuator. • Meter-in flow control circuit will have quite precise control if load is resistive load but if there will be overrunning load then in that situation meter-in circuit will not be able to control the actuator speed. • In case of overrunning load, actuator will move faster and hydraulic circuit will not be able to fill it with hydraulic fluid and hence cavitation phenomena will be possible over there.
  • 42.
    Speed Control ofa Hydraulic Cylinder using a flow control valve (Meter–Out) • Flow control valve will be installed on discharge end or return side of actuator i.e. cylinder in order to control the discharge of fluid flow. Meter-out flow control circuit will control the flow of fluid leaving the actuator. • Actuator speed will be controlled in meter-out circuit by restricting the flow of fluid leaving the actuator. • Meter-out circuit will work successfully with resistive load and also with overrunning load or running away load because actuator will not be able to move faster than fluid discharge it permits.
  • 43.
  • 44.
    Internally & ExternallyPiloted Counter Balance valve
  • 45.
    Direction control valve •A valve is a device that receives an external signal (mechanical, fluid pilot signal, electrical or electronics) to release, stop or redirect the fluid that flows through it. • The function of a DCV is to control the direction of fluid flow in any hydraulic system. A DCV does this by changing the position of internal movable parts. A B P T A B P T
  • 46.
    Check Valve o Thesimplest type of direction control valve is a check valve o it is a two-way valve because it contains two ports. o The purpose of a check valve is to permit free flow in one direction and prevent any flow in the opposite direction (a) (b) Figure5-1 Inline check valve (a) Construction.(b) Graphic symbol inletP1 outletP2 valve seat ball bias spring body inletP1 outletP2 Poppet check valve: (a) Open and (b) closed position
  • 47.
    Shuttle Valve • Ashuttle valve allows two alternate flow sources to be connected to one branch circuit.
  • 48.
    Sliding Spool Valves Mostdirectional control valves use a sliding spool to change the path of flow through the valve. • Position :For a given position of the spool, a unique flow path configuration exists within the valve. • Way: The number of “ways” refers to the number of ports in the valve. • Normal/Neutral/center position: The spool is not actuated A BP T A P TB
  • 49.
    • Two way,Two position, normally closed direction control valve. • Ex. A pair of two-way valves is used to fill and drain a vessel. • Three way, Two position, normally closed direction control valve. • Ex. Single acting cylinder, Double acting with pair of normally closed & normally open. • Four way, Two position, normally closed direction control valve. • Ex. Bi directional Hydraulic Motor, Double Acting Cylinder
  • 50.
    TP BA A P TB A BA TPB TP A TP B P T P T A B A B 4-way, 3-position directional control valves
  • 51.
    A B TP AT(T1)P T(T2)B TP A B AT(T1) P T(T2)B TP BA AT(T1) P T(T2)B Figure 5-12 Various center flow paths for three-position,four-way valve open center pressure andB closed;A open to tank closed center--all ports closed tandem B closed; pressure open to tank throughA pressure closed;A & B open to tank T(T1) ATP BA P T T(T1) A A B P T T(T1) A A B B T(T2)P T(T2)BP T(T2)BP Center positions in three-position, four-way valves
  • 52.
    Actuating Devices • Manuallyoperated: In manually operated DCVs, the spool is shifted manually by moving a handle pushing a button or stepping on a foot pedal. When the handle is not operated, the spool returns to its original position by means of a spring. • Mechanically operated: The spool is shifted by mechanical linkages such as cam and rollers. • Solenoid operated: When an electric coil or a solenoid is energized, it creates a magnetic force that pulls the armature into the coil. This causes the armature to push the spool of the valve. • Pilot operated: A DCV can also be shifted by applying a pilot signal (either hydraulic or pneumatic) against a piston at either end of the valve spool. When pilot pressure is introduced, it pushes the piston to shift the spool.
  • 53.
    A B T BP Aspring body spool hand lever Figure 5-13 Manually actuated, spring-centered, three-position, four-way valve (a) Construction (b) Complete graphic symbol (a) (b) TP v a (a) (b) P A 5-14 Mechanically-actuated two-way valve (a) Construction (b) Complete graphic symbol AProllercam body spring Figure Mechanically-actuated valveManually-actuated valve A B K1 K2 T P T (a) (b) TP BA K1 K2 Figure 5-15 Oil pilot-actuated four-way valve (a) Construction (b) Complete graphic symbol body spoolspring Pilot-actuated valve T P A B Figure 5-17 Solenoid-actuated directional control valve. solenoid spool spring armaturecoil Solenoid-actuated valve
  • 54.
  • 55.
    4. Hydraulic Pump •Hydraulic Pump take oil from reservoir and supply to the hydraulic system. • Pump Produces fluid motion or flow it does not generate pressure. But, the resistance to output fluid flow generates the pressure. • It means that if the discharge port (output) of a pump is opened to the atmosphere, then fluid flow will not generate any output pressure above atmospheric pressure. • But, if the discharge port is partially blocked, then the pressure will rise due to the increase in fluid flow resistance. • Hydraulic Pumps are classified in two categories: (1) Non Positive Displacement pump (2) Positive displacement pump.
  • 56.
    • Fluid motionor flow created by rotation of impeller. These pumps generally used for low-pressure and high-volume flow applications. • It provide continuous flow but output decrease with increase in system resistance(Load). • If the output port of a non-positive-displacement pump were blocked off, the pressure would rise, and output would decrease to zero. Although the pumping element would continue moving, flow would stop because of slippage inside the pump. • Advantages of these pumps are lower initial cost, less operating maintenance because of less moving parts, simplicity of operation, higher reliability and suitability with wide range of fluid etc. • These pumps are primarily used for transporting fluids and find little use in the hydraulic or fluid power industry. Non-Positive Displacement Pumps (Hydro-dynamic)
  • 57.
    Positive Displacement Pumps •For each pump revolution ▪ Fixed amount of liquid taken from one end & Positively discharged at other end ▪ A specific amount of fluid passes through the pump for each rotation ▪ The output fluid flow is constant and is independent of the system pressure (load). • Fluid flow is proportional to their displacement and rotor speed. • The input and output region are separated and hence the fluid cannot leak back due to higher pressure at the outlets. Because of this reason these pumps are mostly used in hydraulic system. • If pipe blocked ▪ Pressure rises It can damage the pump ▪ In order to avoid this happening, Relief valve is required • They are highly efficient and almost constant throughout the designed pressure range. They are a compact unit having a high power to weight ratio
  • 58.
    Classification of Pump Pump Positive Displacement Rotary Gear Pump Lobe Pump Screw Pump Vane Pump CamPump Reciprocating Piston Pump Plunger Pump Diaphragm Pump Roto dynamic Centrifugal Pump Axial Pump
  • 59.
    Reciprocating Positive DisplacementPump • Reciprocating pumps move the fluid using one or more oscillating pistons, plunger, or membranes (diaphragm), while valves restrict fluid motion to the desired direction. • They provide high efficiency, high pressure, low noise level, high reliability with low speed. • Reciprocating pump use in high pressure application like hydraulic system of jet air crafts, Presses, plastic injection molding, automotive sector (automatic transmission, hydraulic suspension control). • Piston pump can handle hydraulic fluid or Oil. Diaphragm pump can handle very corrosive, abrasive, volatile, viscous slurries with crystal or particles.
  • 60.
    Piston Pump Axial PistonPump Triplex Plunger Pump Radial Piston Pump Diaphragm Pump
  • 61.
    Rotary Positive DisplacementPump • The working of all the rotary type positive displacement pumps are based on the same principle, i.e pumping of the liquid with the help of rotating elements. The rotating elements can be gears, screws, vanes or cam, etc. • The discharge of rotary pumps is smooth, continuous and not pulsating. A very less vibration and noise is observed. They are compact with less number of moving component and less sensitive to contaminations. • Close tolerances between the moving & stationary parts minimize leakage from the discharge space back to the suction space. • Rotary pumps operate best on clean, moderately viscous fluids such as light lubricating oil.
  • 63.
    5. Hydraulic accumulators •A Hydraulic Accumulator is energy storage device. • A hydraulic accumulator is a device in which the potential energy of an incompressible fluid is held under pressure by an external source against some dynamic force from sources like gravity, mechanical spring and compressed gas. • The potential energy is stored when the demand of energy by the system is less than that available from the prime mover and is released to the system during its period of peak demand of energy which the prime mover alone cannot meet. • Its function is analogous to that of the flywheel in a mechanical system.
  • 64.
    Types of HydraulicAccumulators 1. Weight-loaded or gravity accumulator • The weight applies a force on the piston that generates a pressure on the fluid side of piston. • The advantage of this type of accumulator over other types is that it applies a constant pressure on the fluid throughout its range of motion. • The main disadvantage is its extremely large size and heavy weight. This makes it unsuitable for mobile application.
  • 65.
    2. Spring LoadedAccumulators • The spring is a source of energy acting against the piston. The pressure created by this type of accumulator depends upon the stiffness and pre- loading of spring. • The pressure exerted on the fluid is not constant. As the springs are compressed, the accumulator pressure reaches its peak. • It typically delivers a low flow rate of oil at low pressures, so for high pressure situations, these type of accumulator are somewhat heavy. • This are not suitable for application demanding high cycle rates as the spring may fail in fatigue and lose its elasticity.
  • 66.
    3. Gas ChargedAccumulators • These are also known as hydro-pneumatic accumulators because in this type the force is applied to the oil using compressed air. • The storage of potential energy is due to the compressibility nature of the gas. • The expansion of the gas forces the oil out of the accumulator. • Here the oil and gas are separated by an element or a diaphragm. Depending on type of element used to separate the oil and gas, they classified as a ✓Piston type accumulators ✓Diaphragm type accumulators ✓Bladder or Bag type accumulators • Only nitrogen gas is used to charge a gas filled with accumulator. Nitrogen is chemically inert, non-flammable and does not combine easily with other elements.
  • 67.
    Piston Type Accumulator BladderType Accumulator Diaphragm Type Accumulator
  • 68.
    6. Hydraulic Actuators •Hydraulic actuators convert hydraulic energy into mechanical energy. • The amount of output power developed depends upon the flow rate, pressure drop across the actuator and its overall efficiency. • Thus they are devices which used to convert pressure energy of the fluid In to mechanical energy. • Depending on the type of actuation, hydraulic actuators are classified as, 1) Linear Actuators: for linear actuation (hydraulic cylinder) 2) Rotary Actuators: for rotary actuation(hydraulic motor)
  • 69.
    Linear actuator (hydrauliccylinder) • Provides motion in straight line. • Linear displacement depends on stroke length. • Usually referred to as cylinders, rams (single acting cylinders) or jacks.
  • 70.
    Rotary actuators (Hydraulicmotors) • Produces continuous rotational motion. • Pump shaft is rotated to generate flow. • A motor shaft is caused to rotate by fluid being forced into the driving chambers.
  • 71.
    Troubleshooting Problem Possible CausesRemedies Excessive Noise Coupling Misalignment Align unit and check condition of seals, bearings and coupling. Cavitation Clean or replace dirty Filters, Air Breather, Clean Clogged inlet line, Change System Fluid, Change to proper Pump drive Motor Speed. Worn Poppet & Seat of Relief Valve Replace Relief Valve Air Entrainment Tighten leaking connections; fill reservoir to proper level; bleed air from system; replace pump shaft seal (and shaft if worn or damaged).
  • 72.
    Problem Possible CausesRemedies Excessive Heat System Pressure To High Install pressure gauge and adjust to correct pressure (If Relief Valve & Unloading Valve Set To High). Cavitation & Air Entrainment Excessive Load Check for work load in excess of circuit design, Align unit and check condition of seals and bearings; Fluid Dirty or Low Supply Change filters and also system fluid if improper viscosity; fill reservoir to proper level. Faulty fluid cooling system Clean cooler and/or cooler strainer; replace cooler control valve; repair or replace cooler.
  • 73.
    Problem Possible CausesRemedies Incorrect Flow Pump Not Receiving Fluid Replace/Clean Inlet Filter, inlet clogged line, air Breather; Maintain Proper Oil level in reservoir. Flow passing over relief valve Adjust at High Motor Turning in Wrong Direction Reverse Direction RPM of Pump drive Motor Incorrect Replace With Correct Unit Drive to Pump Coupling Sheared Align and replace Coupling External Leak In System Tighten leaking Connection Direction Control Set In Wrong Position Check position of manually operated Controls, Check Electrical Circuit On Solenoid Operated Controls. Damaged Pump Replace or Overhaul Pump
  • 74.
    Problem Possible CausesRemedies Incorrect Pressure No Flow Replace Dirty Filter & Clogged Lines, Replace dirty Fluid. Air In Fluid Tighten leaking connections; fill reservoir to proper level; bleed air from system; replace pump shaft seal (and shaft if worn or damaged). Relief Valve Set High or Low Adjust Counter Balance Valve Misadjusted Damaged Pump or Cylinder Replace or Overhaul Accumulators defective or has lost charge Replace or Charge
  • 75.
    Problem Possible CausesRemedies Faulty Operation No Movement No Flow, No Pressure No Command Signal or Wrong Signal Check Electrical Connection Inoperative Servo Valve Adjust, Repair or Replace Low Movement Relief Valve set too Low Adjust External Leak In System Tighten leaking Connection Low RPM of drive Replace with Correct Unit Worn or Damaged Cylinder & Pump Replace or Overhaul Erratic Movement Sticking of Servo Valve Clean or Repair, Check Fluid & Filter Condition Erratic Command Signal Repair Command Console or Connections Malfunctioning feedback transducer Repair or Replace Excessive Movement Improper Size of Pump Replace With Correct Unit High RPM of drive Worn or Damaged Flow Control Valve or Counter Balance Valve Repair or Replace
  • 76.