Power System Protection
Fundamentals
Dr. Youssef A. Mobarak
y.a.Mobarak@Gmail.com
2014
1
AGENDA
Why protection is needed
Principles and elements of the protection system
Basic protection schemes
Digital relay advantages and enhancements
2
Topic_1
DISTURBANCES: LIGHT OR SEVERE
The power system must maintain acceptable operation
24 hours a day
 Voltage and frequency must stay within certain limits
Small disturbances
 The control system can handle these
 Example: variation in transformer or generator load
Severe disturbances require a protection system
 They can jeopardize the entire power system
 They cannot be overcome by a control system
3
POWER SYSTEM PROTECTION
Operation during severe disturbances:
 System element protection
 System protection
 Automatic reclosing
 Automatic transfer to alternate power supplies
 Automatic synchronization
4
Generation-typically at 4-35kV
Transmission-typically at 230-765kV
Subtransmission-typically at 69-161kV
Receives power from transmission system and transforms
into subtransmission level
Receives power from subtransmission system and
transforms into primary feeder voltage
Distribution network-typically 2.4-69kV
Low voltage (service)-typically 120-600V
TYPICAL BULK POWER SYSTEM
5
PROTECTION ZONES
1. Generator or Generator-Transformer Units
2. Transformers
3. Buses
4. Lines (transmission and distribution)
5. Utilization equipment (motors, static loads, etc.)
6. Capacitor or reactor (when separately protected)
Unit Generator-Tx zone
Bus zone
Line zone
Bus zone
Transformer zone
Transformer zone
Bus zone
Generator
~
XFMR Bus Line Bus XFMR Bus Motor
Motor zone
6
WHAT INFO IS REQUIRED TO APPLY PROTECTION
1. One-line diagram of the system or area involved
2. Impedances and connections of power equipment, system frequency,
voltage level and phase sequence
3. Existing schemes
4. Operating procedures and practices affecting protection
5. Importance of protection required and maximum allowed clearance
times
6. System fault studies
7. Maximum load and system swing limits
8. CTs and VTs locations, connections and ratios
9. Future expansion expectance
10. Any special considerations for application. 11
C37.2: DEVICE
NUMBERS
Partial listing
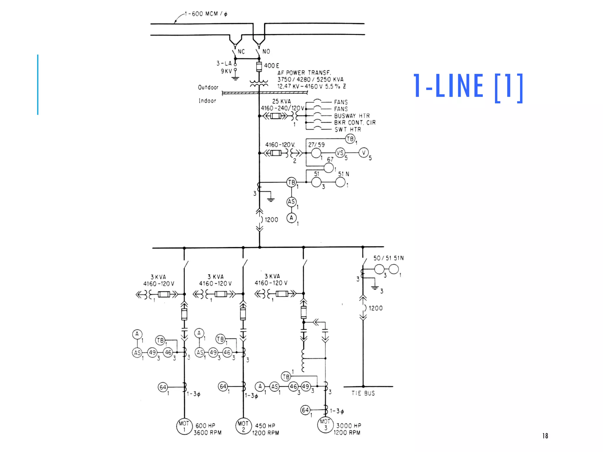
ONE LINE DIAGRAM
Non-dimensioned diagram showing how pieces of electrical
equipment are connected
Simplification of actual system
Equipment is shown as boxes, circles and other simple graphic
symbols
Symbols should follow ANSI or IEC conventions
13
LINE SYMBOLS [1]
14
LINE SYMBOLS [2]
15
LINE SYMBOLS [3]
16
LINE SYMBOLS [4]
17
1-LINE [1]
18
PROTECTION SYSTEM
A series of devices whose main purpose is to
protect persons and primary electric power
equipment from the effects of faults
19
BLACKOUTS
Loss of service in a large area
or population region
Hazard to human life
May result in enormous
economic losses
Overreaction of the protection
system
Bad design of the protection
system
Characteristics Main Causes
SHORT CIRCUITS PRODUCE HIGH CURRENTS
FaultSubstation
a
b
c
I
I
Wire
Three-Phase Line
Thousands of Amps
20
ELECTRICAL EQUIPMENT THERMAL DAMAGE
I
t
In Imd
Damage Curve
Short-Circuit
Current
Damage
Time
Rated Value
21
MECHANICAL DAMAGE DURING SHORT CIRCUITS
Very destructive in busbars, isolators, supports,
transformers, and machines
Damage is instantaneous
i1
i2
f1 f2
Rigid Conductors f1(t) = k i1(t) i2(t)
Mechanical
Forces
22
ELECTRIC POWER SYSTEM EXPOSURE TO EXTERNAL
AGENTS
23
DAMAGE TO MAIN EQUIPMENT
24
THE FUSE
Fuse
Transformer
25
PROTECTION SYSTEM ELEMENTS
Protective relays
Circuit breakers
Current and voltage transducers
Communications channels
DC supply system
Control cables
26
THREE-PHASE DIAGRAM OF THE PROTECTION TEAM
CTs
VTs
Relay
CB
Control
Protected
Equipment
27
DC TRIPPING CIRCUIT
SI
52
TC
DC Station
Battery
SI
Relay
Contact
Relay
Circuit
Breaker
52a
+
–
Red
Lamp
28
CIRCUIT BREAKERS
29
CURRENT TRANSFORMERS
Very High Voltage CT
Medium-Voltage CT
30
VOLTAGE TRANSFORMERS
Medium Voltage
High Voltage
Note: Voltage transformers
are also known as potential
transformers
31
TYPICAL CT/VT CIRCUITS
Courtesy of Blackburn, Protective Relay: Principles and Applications
32
CT/VT CIRCUIT VS. CASING GROUND
Case ground made at IT location
Secondary circuit ground made at first point of use
Case
Secondary Circuit
Prevents shock exposure of personnel
Provides current carrying capability for the ground-fault
current
Grounding includes design and construction of substation
ground mat and CT and VT safety grounding
SUBSTATION TYPES
• Single Supply
• Multiple Supply
• Mobile Substations for emergencies
• Types are defined by number of transformers, buses,
breakers to provide adequate service for application
34
SWITCHGEAR DEFINED
Assemblies containing electrical switching, protection,
metering and management devices
Used in three-phase, high-power industrial, commercial
and utility applications
Covers a variety of actual uses, including motor control,
distribution panels and outdoor switchyards
The term "switchgear" is plural, even when referring to a
single switchgear assembly (never say, "switchgears")
May be a described in terms of use:
 "the generator switchgear"
 "the stamping line switchgear"
35
PROTECTIVE RELAYS
38
EXAMPLES OF RELAY PANELS
Old Electromechanical
Microprocessor-
Based Relay
39
HOW DO RELAYS DETECT FAULTS?
When a fault takes place, the current, voltage,
frequency, and other electrical variables behave in a
peculiar way. For example:
 Current suddenly increases
 Voltage suddenly decreases
Relays can measure the currents and the voltages and
detect that there is an overcurrent, or an undervoltage, or
a combination of both
Many other detection principles determine the design of
protective relays
40
MAIN PROTECTION REQUIREMENTS
Reliability
 Dependability
 Security
Selectivity
Speed
 System stability
 Equipment damage
 Power quality
Sensitivity
 High-impedance faults
 Dispersed generation
41
PRIMARY PROTECTION
42
PRIMARY PROTECTION ZONE OVERLAPPING
Protection
Zone B
Protection
Zone A
To Zone B
Relays
To Zone A
Relays
52 Protection
Zone B
Protection
Zone A
To Zone B
Relays
To Zone A
Relays
52
43
BACKUP PROTECTION
A
C D
E
Breaker 5
Fails
1 2 5 6 11 12
T
3 4 7 8 9 10
B F
44
BALANCED VS. UNBALANCED CONDITIONS
Balanced System Unbalanced System
cI
aI
bI
aI
cI
bI
45
Typical Short-Circuit Type Distribution
Single-Phase-Ground: 70–80%
Phase-Phase-Ground: 17–10%
Phase-Phase: 10–8%
Three-Phase: 3–2%
DECOMPOSITION OF AN UNBALANCED SYSTEM
Positive-Sequence
Balanced Balanced
Negative-Sequence
1bI
1cI
1aI
2bI
2aI
2cI
0aI
0bI
0cI
aI
cI
bI
Zero-Sequence
Single-Phase
46
CONTRIBUTION TO FAULTS
47
FAULT TYPES (SHUNT)
48
X
X

Z
Z
Z
G
BC
A
Short Circuit Calculation
Fault Types – Single Phase to Ground
X
X

Z
Z
Z
G
BC
A
Short Circuit Calculations
Fault Types – Line to Line
Z
Z
Z
G
BC
A
X
X

X

Short Circuit Calculations
Fault Types – Three Phase
AC & DC CURRENT COMPONENTS OF FAULT CURRENT
49VARIATION OF CURRENT WITH TIME DURING A FAULT
VARIATION OF GENERATOR REACTANCE
DURING A FAULT
USEFUL CONVERSIONS
50
PER UNIT SYSTEM
Establish two base quantities:
Standard practice is to define
 Base power – 3 phase
 Base voltage – line to line
Other quantities derived
with basic power equations
51
SHORT CIRCUIT CALCULATIONS
PER UNIT SYSTEM
Per Unit Value = Actual Quantity
Base Quantity
Vpu = Vactual
Vbase
Ipu = Iactual
Ibase
Zpu = Zactual
Zbase
52
3 x kV L-L base
I base =
x 1000MVAbase
Z base =
kV2
L-L base
MVAbase
 Zpu2 =Zpu1 x kV 2
base1 x MVAbase2
kV 2
base2 MVAbase1
FAULT INTERRUPTION AND ARCING
57
POWER LINE PROTECTION PRINCIPLES
Overcurrent (50, 51, 50N, 51N)
Directional Overcurrent (67, 67N)
Distance (21, 21N)
Differential (87)
58
t
Relay
Operation
Time
I
Fault Load
Radial Line
APPLICATION OF INVERSE-TYPE RELAYS
INVERSE-TIME RELAY COORDINATION
59
tRelay
Operation
Time
I
Fault Load
Radial Line
Distance
Distance
t
I
  T T T
DIRECTIONAL OVERCURRENT PROTECTION
BASIC PRINCIPLE
F2
Relay
F
1
Forward Fault (F1)Reverse Fault (F2)
V
I
V
I
IV
60
11 )8.0( LS
SETTING
ZZ
E
I


11
)(
)8.0( LS
LIMITFAULT
ZZ
E
I


 Relay operates when the following condition holds:
SETTINGaFAULT III 
 As changes, the relay’s “reach” will change, since
setting is fixed
DISTANCE RELAY PRINCIPLE
L
Three-Phase
Solid Fault
d
Radial
Line2
1
Suppose Relay Is Designed to Operate When:
||||)8.0(|| 1 aLa IZV 
cba III ,,
cba VVV ,,
61
2
1
22
rZXR 
R
X Plain Impedance Relay
Operation Zone
Zr1
Radius Zr1
1rZZ 
NEED FOR DIRECTIONALITY F1
1 2 3 4 5 6
F2
R
XRELAY 3
Operation Zone
F1
F2
Nonselective Relay
Operation
62
1 2 3 4 5 6
F1F2
R
XRELAY 3
Operation Zone
F1
F2
The Relay Will
Not Operate for
This Fault
Directional Impedance
Relay Characteristic
 MTMZZ   cos
ZM
Z
R
X
MT

 MTMZIV   cosOperates when:
THREE-ZONE DISTANCE PROTECTION
1 2 3 4 5 6
Zone 1
Zone 2
Zone 3
Time
Time
Zone 1 Is Instantaneous
63
X
R
A
B
C
D
DISTANCE PROTECTION SUMMARY
Current and voltage information
Phase elements: more sensitive than 67 elements
Ground elements: less sensitive than 67N elements
Application: looped and parallel lines
64
Communications
Channel
Exchange of logic information
on relay status
RL
Relays Relays
T
R
R
T
LI RI
PERMISSIVE OVERREACHING TRANSFER TRIP
1 2 3 4 5 6
FWD
FWD
Bus A Bus B
65
1 2 3 4 5 6
FWD
FWD
RVS
RVS
Bus A Bus B
DIFFERENTIAL PROTECTION PRINCIPLE
No Relay Operation if CTs Are Considered Ideal
External
Fault
IDIF = 0
CT CT
50
Balanced CT Ratio
Protected
Equipment
66
Internal
Fault
IDIF > ISETTING
CTR CTR
50
Relay Operates
Protected
Equipment
PROBLEM OF UNEQUAL CT PERFORMANCE
False differential current can occur if a CT saturates
during a through-fault
Use some measure of through-current to desensitize the
relay when high currents are present
External
Fault
Protected
Equipment
IDIF  0
CT CT
50
67
POSSIBLE SCHEME – PERCENTAGE DIFFERENTIAL
PROTECTION PRINCIPLE
Protected
Equipment
ĪRĪS
CTR CTR
Compares:
Relay
(87)
OP S RI I I 
| | | |
2
S R
RT
I I
k I k

  
ĪRPĪSP
68
DIFFERENTIAL PROTECTION APPLICATIONS
Bus protection
Transformer protection
Generator protection
Line protection
Large motor protection
Reactor protection
Capacitor bank protection
Compound equipment protection
69
DIFFERENTIAL PROTECTION
SUMMARY
The overcurrent differential scheme is simple and
economical, but it does not respond well to unequal
current transformer performance
The percentage differential scheme responds better to
CT saturation
Percentage differential protection can be analyzed in
the relay and the alpha plane
Differential protection is the best alternative
selectivity/speed with present technology
70
MULTIPLE INPUT DIFFERENTIAL SCHEMES
EXAMPLES
Differential Protection Zone
Bus Differential: Several Inputs
ĪRPĪSP
OP
ĪT
I1 I2 I3 I4
Three-Winding Transformer
Differential: Three Inputs
71
ADVANTAGES OF DIGITAL RELAYS
Multifunctional
Compatibility with
digital integrated
systems
Low maintenance
(self-supervision)
Highly sensitive,
secure, and
selective
Adaptive
Highly reliable
(self-supervision)
Reduced burden
on
CTs and VTs
Programmable
Versatile
Low Cost
72
A GOOD DAY IN SYSTEM PROTECTION……
 CTs and VTs bring electrical info to relays
 Relays sense current and voltage and declare fault
 Relays send signals through control circuits to circuit breakers
 Circuit breaker(s) correctly trip
73
A BAD DAY IN SYSTEM PROTECTION……
 CTs or VTs are shorted, opened, or their wiring is
 Relays do not declare fault due to setting errors, faulty relay, CT
saturation
 Control wires cut or batteries dead so no signal is sent from relay to
circuit breaker
 Circuit breakers do not have power, burnt trip coil or otherwise fail
to trip
PROTECTION PERFORMANCE STATISTICS
Correct and desired: 92.2%
Correct but undesired: 5.3%
Incorrect: 2.1%
Fail to trip: 0.4%
74
THE FUTURE
Improvements in computer-based protection
Highly reliable and viable communication systems (satellite, optical
fiber, etc.)
Integration of control, command, protection, and communication
Improvements to human-machine interface
Much more

Power system protection topic 1

  • 1.
    Power System Protection Fundamentals Dr.Youssef A. Mobarak y.a.Mobarak@Gmail.com 2014 1
  • 2.
    AGENDA Why protection isneeded Principles and elements of the protection system Basic protection schemes Digital relay advantages and enhancements 2 Topic_1
  • 3.
    DISTURBANCES: LIGHT ORSEVERE The power system must maintain acceptable operation 24 hours a day  Voltage and frequency must stay within certain limits Small disturbances  The control system can handle these  Example: variation in transformer or generator load Severe disturbances require a protection system  They can jeopardize the entire power system  They cannot be overcome by a control system 3
  • 4.
    POWER SYSTEM PROTECTION Operationduring severe disturbances:  System element protection  System protection  Automatic reclosing  Automatic transfer to alternate power supplies  Automatic synchronization 4
  • 5.
    Generation-typically at 4-35kV Transmission-typicallyat 230-765kV Subtransmission-typically at 69-161kV Receives power from transmission system and transforms into subtransmission level Receives power from subtransmission system and transforms into primary feeder voltage Distribution network-typically 2.4-69kV Low voltage (service)-typically 120-600V TYPICAL BULK POWER SYSTEM 5
  • 6.
    PROTECTION ZONES 1. Generatoror Generator-Transformer Units 2. Transformers 3. Buses 4. Lines (transmission and distribution) 5. Utilization equipment (motors, static loads, etc.) 6. Capacitor or reactor (when separately protected) Unit Generator-Tx zone Bus zone Line zone Bus zone Transformer zone Transformer zone Bus zone Generator ~ XFMR Bus Line Bus XFMR Bus Motor Motor zone 6
  • 7.
    WHAT INFO ISREQUIRED TO APPLY PROTECTION 1. One-line diagram of the system or area involved 2. Impedances and connections of power equipment, system frequency, voltage level and phase sequence 3. Existing schemes 4. Operating procedures and practices affecting protection 5. Importance of protection required and maximum allowed clearance times 6. System fault studies 7. Maximum load and system swing limits 8. CTs and VTs locations, connections and ratios 9. Future expansion expectance 10. Any special considerations for application. 11
  • 8.
  • 9.
    ONE LINE DIAGRAM Non-dimensioneddiagram showing how pieces of electrical equipment are connected Simplification of actual system Equipment is shown as boxes, circles and other simple graphic symbols Symbols should follow ANSI or IEC conventions 13
  • 10.
  • 11.
  • 12.
  • 13.
  • 14.
  • 15.
    PROTECTION SYSTEM A seriesof devices whose main purpose is to protect persons and primary electric power equipment from the effects of faults 19 BLACKOUTS Loss of service in a large area or population region Hazard to human life May result in enormous economic losses Overreaction of the protection system Bad design of the protection system Characteristics Main Causes
  • 16.
    SHORT CIRCUITS PRODUCEHIGH CURRENTS FaultSubstation a b c I I Wire Three-Phase Line Thousands of Amps 20
  • 17.
    ELECTRICAL EQUIPMENT THERMALDAMAGE I t In Imd Damage Curve Short-Circuit Current Damage Time Rated Value 21
  • 18.
    MECHANICAL DAMAGE DURINGSHORT CIRCUITS Very destructive in busbars, isolators, supports, transformers, and machines Damage is instantaneous i1 i2 f1 f2 Rigid Conductors f1(t) = k i1(t) i2(t) Mechanical Forces 22
  • 19.
    ELECTRIC POWER SYSTEMEXPOSURE TO EXTERNAL AGENTS 23
  • 20.
    DAMAGE TO MAINEQUIPMENT 24
  • 21.
  • 22.
    PROTECTION SYSTEM ELEMENTS Protectiverelays Circuit breakers Current and voltage transducers Communications channels DC supply system Control cables 26
  • 23.
    THREE-PHASE DIAGRAM OFTHE PROTECTION TEAM CTs VTs Relay CB Control Protected Equipment 27
  • 24.
    DC TRIPPING CIRCUIT SI 52 TC DCStation Battery SI Relay Contact Relay Circuit Breaker 52a + – Red Lamp 28
  • 25.
  • 26.
    CURRENT TRANSFORMERS Very HighVoltage CT Medium-Voltage CT 30
  • 27.
    VOLTAGE TRANSFORMERS Medium Voltage HighVoltage Note: Voltage transformers are also known as potential transformers 31
  • 28.
    TYPICAL CT/VT CIRCUITS Courtesyof Blackburn, Protective Relay: Principles and Applications 32
  • 29.
    CT/VT CIRCUIT VS.CASING GROUND Case ground made at IT location Secondary circuit ground made at first point of use Case Secondary Circuit Prevents shock exposure of personnel Provides current carrying capability for the ground-fault current Grounding includes design and construction of substation ground mat and CT and VT safety grounding
  • 30.
    SUBSTATION TYPES • SingleSupply • Multiple Supply • Mobile Substations for emergencies • Types are defined by number of transformers, buses, breakers to provide adequate service for application 34
  • 31.
    SWITCHGEAR DEFINED Assemblies containingelectrical switching, protection, metering and management devices Used in three-phase, high-power industrial, commercial and utility applications Covers a variety of actual uses, including motor control, distribution panels and outdoor switchyards The term "switchgear" is plural, even when referring to a single switchgear assembly (never say, "switchgears") May be a described in terms of use:  "the generator switchgear"  "the stamping line switchgear" 35
  • 32.
  • 33.
    EXAMPLES OF RELAYPANELS Old Electromechanical Microprocessor- Based Relay 39
  • 34.
    HOW DO RELAYSDETECT FAULTS? When a fault takes place, the current, voltage, frequency, and other electrical variables behave in a peculiar way. For example:  Current suddenly increases  Voltage suddenly decreases Relays can measure the currents and the voltages and detect that there is an overcurrent, or an undervoltage, or a combination of both Many other detection principles determine the design of protective relays 40
  • 35.
    MAIN PROTECTION REQUIREMENTS Reliability Dependability  Security Selectivity Speed  System stability  Equipment damage  Power quality Sensitivity  High-impedance faults  Dispersed generation 41
  • 36.
  • 37.
    PRIMARY PROTECTION ZONEOVERLAPPING Protection Zone B Protection Zone A To Zone B Relays To Zone A Relays 52 Protection Zone B Protection Zone A To Zone B Relays To Zone A Relays 52 43
  • 38.
    BACKUP PROTECTION A C D E Breaker5 Fails 1 2 5 6 11 12 T 3 4 7 8 9 10 B F 44
  • 39.
    BALANCED VS. UNBALANCEDCONDITIONS Balanced System Unbalanced System cI aI bI aI cI bI 45 Typical Short-Circuit Type Distribution Single-Phase-Ground: 70–80% Phase-Phase-Ground: 17–10% Phase-Phase: 10–8% Three-Phase: 3–2%
  • 40.
    DECOMPOSITION OF ANUNBALANCED SYSTEM Positive-Sequence Balanced Balanced Negative-Sequence 1bI 1cI 1aI 2bI 2aI 2cI 0aI 0bI 0cI aI cI bI Zero-Sequence Single-Phase 46
  • 41.
  • 42.
    FAULT TYPES (SHUNT) 48 X X  Z Z Z G BC A ShortCircuit Calculation Fault Types – Single Phase to Ground X X  Z Z Z G BC A Short Circuit Calculations Fault Types – Line to Line Z Z Z G BC A X X  X  Short Circuit Calculations Fault Types – Three Phase
  • 43.
    AC & DCCURRENT COMPONENTS OF FAULT CURRENT 49VARIATION OF CURRENT WITH TIME DURING A FAULT VARIATION OF GENERATOR REACTANCE DURING A FAULT
  • 44.
  • 45.
    PER UNIT SYSTEM Establishtwo base quantities: Standard practice is to define  Base power – 3 phase  Base voltage – line to line Other quantities derived with basic power equations 51
  • 46.
    SHORT CIRCUIT CALCULATIONS PERUNIT SYSTEM Per Unit Value = Actual Quantity Base Quantity Vpu = Vactual Vbase Ipu = Iactual Ibase Zpu = Zactual Zbase 52 3 x kV L-L base I base = x 1000MVAbase Z base = kV2 L-L base MVAbase  Zpu2 =Zpu1 x kV 2 base1 x MVAbase2 kV 2 base2 MVAbase1
  • 47.
  • 48.
    POWER LINE PROTECTIONPRINCIPLES Overcurrent (50, 51, 50N, 51N) Directional Overcurrent (67, 67N) Distance (21, 21N) Differential (87) 58 t Relay Operation Time I Fault Load Radial Line APPLICATION OF INVERSE-TYPE RELAYS
  • 49.
    INVERSE-TIME RELAY COORDINATION 59 tRelay Operation Time I FaultLoad Radial Line Distance Distance t I   T T T
  • 50.
    DIRECTIONAL OVERCURRENT PROTECTION BASICPRINCIPLE F2 Relay F 1 Forward Fault (F1)Reverse Fault (F2) V I V I IV 60 11 )8.0( LS SETTING ZZ E I   11 )( )8.0( LS LIMITFAULT ZZ E I    Relay operates when the following condition holds: SETTINGaFAULT III   As changes, the relay’s “reach” will change, since setting is fixed
  • 51.
    DISTANCE RELAY PRINCIPLE L Three-Phase SolidFault d Radial Line2 1 Suppose Relay Is Designed to Operate When: ||||)8.0(|| 1 aLa IZV  cba III ,, cba VVV ,, 61 2 1 22 rZXR  R X Plain Impedance Relay Operation Zone Zr1 Radius Zr1 1rZZ 
  • 52.
    NEED FOR DIRECTIONALITYF1 1 2 3 4 5 6 F2 R XRELAY 3 Operation Zone F1 F2 Nonselective Relay Operation 62 1 2 3 4 5 6 F1F2 R XRELAY 3 Operation Zone F1 F2 The Relay Will Not Operate for This Fault Directional Impedance Relay Characteristic  MTMZZ   cos ZM Z R X MT   MTMZIV   cosOperates when:
  • 53.
    THREE-ZONE DISTANCE PROTECTION 12 3 4 5 6 Zone 1 Zone 2 Zone 3 Time Time Zone 1 Is Instantaneous 63 X R A B C D
  • 54.
    DISTANCE PROTECTION SUMMARY Currentand voltage information Phase elements: more sensitive than 67 elements Ground elements: less sensitive than 67N elements Application: looped and parallel lines 64 Communications Channel Exchange of logic information on relay status RL Relays Relays T R R T LI RI
  • 55.
    PERMISSIVE OVERREACHING TRANSFERTRIP 1 2 3 4 5 6 FWD FWD Bus A Bus B 65 1 2 3 4 5 6 FWD FWD RVS RVS Bus A Bus B
  • 56.
    DIFFERENTIAL PROTECTION PRINCIPLE NoRelay Operation if CTs Are Considered Ideal External Fault IDIF = 0 CT CT 50 Balanced CT Ratio Protected Equipment 66 Internal Fault IDIF > ISETTING CTR CTR 50 Relay Operates Protected Equipment
  • 57.
    PROBLEM OF UNEQUALCT PERFORMANCE False differential current can occur if a CT saturates during a through-fault Use some measure of through-current to desensitize the relay when high currents are present External Fault Protected Equipment IDIF  0 CT CT 50 67
  • 58.
    POSSIBLE SCHEME –PERCENTAGE DIFFERENTIAL PROTECTION PRINCIPLE Protected Equipment ĪRĪS CTR CTR Compares: Relay (87) OP S RI I I  | | | | 2 S R RT I I k I k     ĪRPĪSP 68
  • 59.
    DIFFERENTIAL PROTECTION APPLICATIONS Busprotection Transformer protection Generator protection Line protection Large motor protection Reactor protection Capacitor bank protection Compound equipment protection 69
  • 60.
    DIFFERENTIAL PROTECTION SUMMARY The overcurrentdifferential scheme is simple and economical, but it does not respond well to unequal current transformer performance The percentage differential scheme responds better to CT saturation Percentage differential protection can be analyzed in the relay and the alpha plane Differential protection is the best alternative selectivity/speed with present technology 70
  • 61.
    MULTIPLE INPUT DIFFERENTIALSCHEMES EXAMPLES Differential Protection Zone Bus Differential: Several Inputs ĪRPĪSP OP ĪT I1 I2 I3 I4 Three-Winding Transformer Differential: Three Inputs 71
  • 62.
    ADVANTAGES OF DIGITALRELAYS Multifunctional Compatibility with digital integrated systems Low maintenance (self-supervision) Highly sensitive, secure, and selective Adaptive Highly reliable (self-supervision) Reduced burden on CTs and VTs Programmable Versatile Low Cost 72
  • 63.
    A GOOD DAYIN SYSTEM PROTECTION……  CTs and VTs bring electrical info to relays  Relays sense current and voltage and declare fault  Relays send signals through control circuits to circuit breakers  Circuit breaker(s) correctly trip 73 A BAD DAY IN SYSTEM PROTECTION……  CTs or VTs are shorted, opened, or their wiring is  Relays do not declare fault due to setting errors, faulty relay, CT saturation  Control wires cut or batteries dead so no signal is sent from relay to circuit breaker  Circuit breakers do not have power, burnt trip coil or otherwise fail to trip
  • 64.
    PROTECTION PERFORMANCE STATISTICS Correctand desired: 92.2% Correct but undesired: 5.3% Incorrect: 2.1% Fail to trip: 0.4% 74 THE FUTURE Improvements in computer-based protection Highly reliable and viable communication systems (satellite, optical fiber, etc.) Integration of control, command, protection, and communication Improvements to human-machine interface Much more