Production Drawing Parts Description and Part Number for Initial Issue
Sub Assembly Number Part Number (Initial Issue) Part Description
SHT-0.R SKIDDED HELICOPTER TUG
1
SHT-GB-0.R GEAR BOX
SHT-GB-CVBA-0.R
COVER BOTTOM PART
ASEEMBLY
SHT-GB-CVBA-CVBP-0.R COVER BOTTOM PART
SHT-GB-CVBA-ISM1-0.R IDLE SHAFT MOUNT 1
SHT-GB-CVBA-ISM2-0.R IDLE SHAFT MOUNT 2
2
SHT-GB-MTRA-0.R MOTOR SHAFT ASSEMBLY
SHT-GB-MTRA-MTRP-0.R MOTOR SHAFT PART
SHT-GB-MTRA-H01G-0.R
HELICAL GEAR WHEEL
(H01)
SHT-GB-MTRA-H01K-0.R
HELICAL GEAR WHEEL KEY
(H01)
3
SHT-GB-INPA-0.R INPUT SHAFT ASSEMBLY
SHT-GB-INPA-INPP-0.R INPUT SHAFT
SHT-GB-INPA-H11G-0.R HELICAL GEAR (H11)
SHT-GB-INPA-H02G-0.R HELICAL GEAR (H02)
SHT-GB-INPA-H11K-0.R HELICAL GEAR KEY (H11)
SHT-GB-INPA-H02K-0.R HELICAL GEAR KEY (H02)
4
SHT-GB-IDLA-0.R IDLE SHAFT ASSEMBLY
SHT-GB-IDLA-IDLP-0.R IDLER SHAFT
SHT-GB-IDLA-TRIG-0.R SPUR GEAR (RI)
SHT-GB-IDLA-TRIK-0.R SPUR GEAR KEY (RI)
5
SHT-GB-LAYA-0.R LAY SHAFT ASSEMBLY
SHT-GB-LAYA-LAYP-0.R LAY SHAFT
SHT-GB-LAYA-T31G-0.R SPUR GEAR (T31)
SHT-GB-LAYA-T31K-0.R SPUR GEAR KEY (T31)
SHT-GB-LAYA-T21G-0.R SPUR GEAR (T21)
SHT-GB-LAYA-T21K-0.R SPUR GEAR KEY (T21)
SHT-GB-LAYA-H12G-0.R SPUR GEAR (H12)
SHT-GB-LAYA-H12K-0.R SPUR GEAR KEY (H12)
SHT-GB-LAYA-T11G-0.R SPUR GEAR (T11)
SHT-GB-LAYA-T11K-0.R SPUR GEAR KEY (T11)
SHT-GB-LAYA-TR1G-0.R SPUR GEAR (TR1)
SHT-GB-LAYA-TR1K-0.R SPUR GEAR KEY (TR1)
6
SHT-GB-OUTA-0.R OUTPUT SHAFT ASSEMBLY
SHT-GB-OUTA-OUTP-0.R OUTPUT SHAFT
7
SHT-GB-S23A-0.R 2-3 SELECTOR ASSEMBLY
SHT-GB-S23A-S23P-0.R 2-3 SELECTOR
SHT-GB-S23A-T22G-0.R SPUR GEAR (T22)
SHT-GB-S23A-T22K-0.R SPUR GEAR KEY (T22)
SHT-GB-S23A-T32G-0.R SPUR GEAR (T32)
SHT-GB-S23A-T32K-0.R SPUR GEAR KEY (T32)
8
SHT-GB-S1RA-0.R 1-R SELECTOR ASSEMBLY
SHT-GB-S1RA-S1RP-0.R 1-R SELECTOR
SHT-GB-S1RA-TR2G-0.R SPUR GEAR (TR2)
SHT-GB-S1RA-TR2K-0.R SPUR GEAR KEY (TR2)
SHT-GB-S1RA-T12G-0.R SPUR GEAR (T12)
SHT-GB-S1RA-T12K-0.R SPUR GEAR KEY (T12)
9
SHT-GB-F23A-0.R 2-3 FORK ASSEMBLY
SHT-GB-F23A-F23P-0.R 2-3 FORK
SHT-GB-F23A-LP23-0.R 2-3 GEAR LOCKING PART
SHT-GB-F23A-CN23-0.R 2-3 CONNECTOR
10
SHT-GB-F1RA-0.R 1-R FORK ASSEMBLY
SHT-GB-F1RA-F1RP-0.R 1-R FORK
SHT-GB-F1RA-LP1R-0.R 1-R GEAR LOCKING PART
SHT-GB-F1RA-CN1R-0.R 1-R CONNECTOR
11
SHT-GB-CVTA-0.R
COVER TOP PART
ASEEMBLY
SHT-GB-CVTA-CVTP-0.R COVER TOP PART
SHT-GB-CVTA-PGSE-0.R GEAR SELECTOR PATH
SHT-GB-CVTA-SPMT-0.R SLIDING PATH MOUNT
12
SHT-GB-GSHA-0.R
GEAR SHIFT HANDLE
ASSEMBLY
SHT-GB-GSHA-GSHP-0.R GEAR SHIFT HANDLE
SHT-GB-GSHA-SPFR-0.R
SELECTOR PATH
FOLLOWER
SHT-GB-GSHA-SKNB-0.R SELECTOR KNOB
SHT-GB-ECOS-0.R OUTPUT SHAFT END CAP
SHT-GB-ECIS-0.R INPUT SHAFT END CAP
SHT-GB-ECMS-0.R MOTOR SHAFT END CAP
SHT-GB-HPLT-0.R H - PLATE
85
86
84
75
76
78
66
77
74
72
73
65
69
68
67
60
61
54
59
57
31
58
32
49
33
46
49
34
36
24
80
5
90
79
87
6
23
22
1
26
3
25
2
11
9
16
8
82
81
83
89
88
4
7
13
12
14
15
17
19
18
21
20
27
29
30
43
42
35
44
28
37
38
39
40
52
51
41
53
45
55
56
62
64
63
70
71
ITEM NO. PART NUMBER DESCRIPTION QTY.
1 SHT-GB-CVBA-CVBP-0.R COVER BOTTOM PART 1
2 SHT-GB-CVBA-ISM1-0.R IDLER SHAFT MOUNT 1 1
3 SHT-GB-CVBA-ISM2-0.R IDLER SHAFT MOUNT 2 1
4 DIN 912 M8 x 20 --- 20C M8 ISO SCREW 20MM 3
5 ISO 7089 M8 WASHER M8 ISO WASHER 21
6 DIN 912 M12 x 20 --- 20C M12 DIN ISO SCREW 1
7 SHT-GB-MTRA-MTRP-0.R MOTOR SHAFT 1
8 SHT-GB-MTRA-H01G-0.R HELICAL GEAR WHEEL (H01) 1
9 Circlip DIN 471 - 14 x 1 CIRCLIP FOR DIAMETER 14MM 1
10 SHT-GB-MTRA-H01K-0.R HELICAL GEAR WHEEL KEY (H01) 1
11 BEARING 6300 BEARING NUMBER 6300 2
12 SHT-GB-INPA-INPP-0.R INPUT SHAFT 1
13 SHT-GB-INPA-H11G-0.R HELICAL GEAR (H11) 1
14 SHT-GB-INPA-H02G-0.R HELICAL GEAR (H02) 1
15 Circlip DIN 471 - 24 x 1.2 CIRCLIP FOR DIAMETER 24MM 2
16 bearing_6304_0 BEARING NUMBER 6304 1
17 roulement_6404_I BEARING 6404 INNER CASE 1
18 roulement_6404_O BEARING 6404 OUTER CASE 1
19 roulement_6404_B BEARING 6404 BALLS 1
20 SHT-GB-INPA-H02K-0.R HELICAL GEAR KEY (H02) 1
21 SHT-GB-INPA-H11K-0.R HELICAL GEAR KEY (H11) 1
22 SHT-GB-IDLA-IDLP-0.R IDLER SHAFT 1
23 SHT-GB-IDLA-TRIG-0.R SPUR GEAR (RI) 1
24 Circlip DIN 471 - 30 x 1.5 CIRCLIP FOR DUAMETER 30MM 1
25 bearing_63_28_0 BEARING 63-28 2
26 SHT-GB-IDLA-TRIK-0.R SPUR GEAR KEY (RI) 1
27 SHT-GB-LAYA-LAYP-0.R LAY SHAFT 1
28 SHT-GB-LAYA-T31G-0.R SPUR GEAR (T31) 1
29 SHT-GB-LAYA-T21G-0.R SPUR GEAR (T21) 1
30 SHT-GB-LAYA-H12G-0.R SPUR GEAR (H12) 1
31 SHT-GB-LAYA-T11G-0.R SPUR GEAR (T11) 1
32 SHT-GB-LAYA-TR1G-0.R SPUR GEAR (TR1) 1
33 bearing_6409-z_0_01_I BEARING 6409 INNER CASE 2
34 bearing_6409-z_0_02_O BEARING 6409 OUTER CASE 2
35 bearing_6409-z_0_03_B BEARING 6409 BALLS 2
36 bearing_6409-z_0_04_C BEARING 6409 COVER 2
37 SHT-GB-LAYA-H12K-0.R SPUR GEAR KEY (H12) 1
38 SHT-GB-LAYA-T21K-0.R SPUR GEAR KEY (T21) 1
39 SHT-GB-LAYA-T31K-0.R SPUR GEAR KEY (T31) 1
40 SHT-GB-LAYA-T11K-0.R SPUR GEAR KEY (T11) 2
41 SHT-GB-LAYA-TR1K-0.R SPUR GEAR KEY (TR1) 2
42 Circlip DIN 471 - 48 x 1.75 CIRCLIP FOR SHAFT 48MM 4
43 Circlip DIN 471 - 50 x 2 CIRCLIP FOR SHAFT 50MM 1
44 Circlip DIN 471 - 52 x 2 CIRCLIP FOR SHAFT 52MM 1
45 SHT-GB-OUTA-OUTP-0.R OUTPUT SHAFT 1
46 bearing_6408-2rs_ya5_0_01 BEARING 6408 OUTER COVER 2
47 bearing_6408-2rs_ya5_0_02 BEARING 6408 COVER 2
48 bearing_6408-2rs_ya5_0_03 BEARING 6408 BALLS 2
49 bearing_6408-2rs_ya5_0_04 BEARING 6408 INNER CASE 2
50 bearing_6408-2rs_ya5_0_05 BEARING 6408 INNER RACER 2
51 SHT-GB-S23A-S23P-0.R 2-3 SELECTOR 1
52 SHT-GB-S23A-T22G-0.R SPUR GEAR (T22) 1
53 SHT-GB-S23A-T32G-0.R SPUR GEAR (T32) 1
54 Circlip DIN 471 - 65 x 2.5 CIRCLIP FOR SHAFT 65MM 4
55 SHT-GB-S23A-T22K-0.R SPUR GEAR KEY (T22) 1
56 SHT-GB-S23A-T32K-0.R SPUR GEAR KEY (T32) 1
57 SHT-GB-S1RA-S1RP-0.R 1-R SELECTOR 1
58 SHT-GB-S1RA-TR2G-0.R SPUR GEAR (TR2) 1
59 SHT-GB-S1RA-T12G-0.R SPUR GEAR (T12) 1
60 SHT-GB-S1RA-TR2K-0.R SPUR GEAR KEY (TR2) 1
61 SHT-GB-S1RA-T12K-0.R SPUR GEAR KEY (T12) 1
62 SHT-GB-F23A-F23P-0.R 2-3 FORK 1
63 SHT-GB-F23A-LP23-0.R 2-3 GEAR LOCKING PART 1
64 SHT-GB-F23A-CN23-0.R 2-3 CONNECTOR 1
65 DIN 912 M4 x 12 --- 12C M4 DIN ISO SCREW 12MM 2
66 DIN 912 M4 x 20 --- 20C M4 DIN ISO SCREW 20MM 3
67 SHT-GB-F1RA-F1RP-0.R 1-R FORK 1
68 SHT-GB-F1RA-CN1R-0.R 1-R CONNECTOR 1
69 SHT-GB-F1RA-LP1R-0.R 1-R GEAR LOCKING PART 1
70 SHT-GB-CVTA-CVTP-0.R COVER TOP PART 1
71 SHT-GB-CVTA-PGSE-0.R GEAR SELECTOR PATH 1
72 SHT-GB-CVTA-SPMT-0.R SLIDING PATH MOUNT 1
73 EN ISO 4762 M6 x 12 - 12N ISO SKOCKET HEAD M6 SCREW 2
74 SHT-GB-GSHA-SPFR SELECTOR PATH FOLLOWER 1
75 SHT-GB-GSHA-SKNB SELECTOR KNOB 1
76 SHT-GB-GSHA-GSHP-0.R GEAR SHIFT HANDLE 1
77 ISO 7089 WASHER M8 M8 ISO WASHER 1
78 DIN ISO NUT M4 M4 ISO NUT 1
79 SHT-GB-ECOS-0.R OUTPUT SHAFT END CAP 1
80 MH A 40 60 8 OUTPUT SHAFT OIL SEAL 1
81 SHT-GB-ECMS-0.R MOTOR SHAFT END CAP 1
82 MH SA 10 20 8 MOTOR SHAFT OIL SEAL 1
83 SHT-GB-ECIS-0.R INPUT SHAFT END CAP 1
84 SHT-GB-HPLT-0.R H - PLATE 1
85 DIN ISO M12 M12 ISO HEX HEAD SCREW 22
86 ISO 7089 WASHER 12 M12 ISO WASHER 22
87 DIN ISO NUT M12 M12 ISO NUT 22
88 DIN ISO M4 M4 ISO SCREW 4
89 ISO 7089 WASHER M4 M4 ISO WASHER 4
90 DIN ISO M6 M6 ISO SCREW 18
DWG
NO:
SHEET 01 OF 01SCALE 1:5
ASSEMBLED ON:
REVISION
DRAWN
CHECKED
APPROVED
DATE
CHANGESINITIAL ISSUE
H.W.S. DILANJAYA
K.M.G.L. DILSHAN
00
SHT-0.R
GEARBOX ASSEMBLY
SHT-GB-0.R2018/05/29
51 53 70 55 62 56 64 85 86 84 65 71 63 74 72 73
75
66
76
77
78
69
37
68
67
54
38
45
39
41
40
60
61
59
31
57
42
58
49
47
32
34
33
36
3 2422 2326 8079876 25 2 4
1
16
9
8
82
81
83
7
11
5
14
13
12
17
18
19
15
30
35
43
29
44
20
46
28
52
21
27
ITEM NO. PART NUMBER DESCRIPTION QTY.
1 SHT-GB-CVBA-CVBP-0.R COVER BOTTOM PART 1
2 SHT-GB-CVBA-ISM1-0.R IDLER SHAFT MOUNT 1 1
3 SHT-GB-CVBA-ISM2-0.R IDLER SHAFT MOUNT 2 1
4 DIN 912 M8 x 20 --- 20C M8 ISO SCREW 20MM 3
5 ISO 7089 M8 WASHER M8 ISO WASHER 21
6 DIN 912 M12 x 20 --- 20C M12 ISO SCREW 20MM 1
7 SHT-GB-MTRA-MTRP-0.R MOTOR SHAFT 1
8 SHT-GB-MTRA-H01G-0.R HELICAL GEAR WHEEL (H01) 1
9 Circlip DIN 471 - 14 x 1 CIRCLIP FOR SHAFT 14MM 1
10 SHT-GB-MTRA-H01K-0.R HELICAL GEAR WHEEL KEY (H01) 1
11 BEARING 6300 BEARING NUMBER 6300 2
12 SHT-GB-INPA-INPP-0.R INPUT SHAFT 1
13 SHT-GB-INPA-H11G-0.R HELICAL GEAR (H11) 1
14 SHT-GB-INPA-H02G-0.R HELICAL GEAR (H02) 1
15 Circlip DIN 471 - 24 x 1.2 CIRCLIP FOR SHAFT 24MM 2
16 bearing_6304_0 BEARING NUMBER 6304 1
17 roulement_6404_I BEARING 6404 INNER CASE 1
18 roulement_6404_O BEARING 6404 OUTER CASE 1
19 roulement_6404_B BEARING 6404 BALLS 1
20 SHT-GB-INPA-H02K-0.R HELICAL GEAR KEY (H02) 1
21 SHT-GB-INPA-H11K-0.R HELICAL GEAR KEY (H11) 1
22 SHT-GB-IDLA-IDLP-0.R IDLER SHAFT 1
23 SHT-GB-IDLA-TRIG-0.R SPUR GEAR (RI) 1
24 Circlip DIN 471 - 30 x 1.5 CIRCLIP FOR SHAFT 30MM 1
25 bearing_63_28_0 BEARING 63-28 2
26 SHT-GB-IDLA-TRIK-0.R SPUR GEAR KEY (RI) 1
27 SHT-GB-LAYA-LAYP-0.R LAY SHAFT 1
28 SHT-GB-LAYA-T31G-0.R SPUR GEAR (T31) 1
29 SHT-GB-LAYA-T21G-0.R SPUR GEAR (T21) 1
30 SHT-GB-LAYA-H12G-0.R SPUR GEAR (H12) 1
31 SHT-GB-LAYA-T11G-0.R SPUR GEAR (T11) 1
32 SHT-GB-LAYA-TR1G-0.R SPUR GEAR (TR1) 1
ITEM NO. PART NUMBER DESCRIPTION QTY.
33 bearing_6409-z_0_01_I BEARING 6409 INNER CASE 2
34 bearing_6409-z_0_02_O BEARING 6409 OUTER CASE 2
35 bearing_6409-z_0_03_B BEARING 6409 BALLS 2
36 bearing_6409-z_0_04_C BEARING 6409 COVER 2
37 SHT-GB-LAYA-H12K-0.R SPUR GEAR KEY (H12) 1
38 SHT-GB-LAYA-T21K-0.R SPUR GEAR KEY (T21) 1
39 SHT-GB-LAYA-T31K-0.R SPUR GEAR KEY (T31) 1
40 SHT-GB-LAYA-T11K-0.R SPUR GEAR KEY (T11) 2
41 SHT-GB-LAYA-TR1K-0.R SPUR GEAR KEY (TR1) 2
42 Circlip DIN 471 - 48 x 1.75 CIRCLIP FOR SHAFT 48MM 4
43 Circlip DIN 471 - 50 x 2 CIRCLIP FOR SHAFT 50MM 1
44 Circlip DIN 471 - 52 x 2 CIRCLIP FOR SHAFT 52MM 1
45 SHT-GB-OUTA-OUTP-0.R OUTPUT SHAFT 1
46 bearing_6408-2rs_ya5_0_01 BEARING 6408 OUTER COVER 2
47 bearing_6408-2rs_ya5_0_02 BEARING 6408 COVER 2
48 bearing_6408-2rs_ya5_0_03 BEARING 6408 BALLS 2
49 bearing_6408-2rs_ya5_0_04 BEARING 6408 INNER CASE 2
50 bearing_6408-2rs_ya5_0_05 BEARING 6408 INNER RACER 2
51 SHT-GB-S23A-S23P-0.R 2-3 SELECTOR 1
52 SHT-GB-S23A-T22G-0.R SPUR GEAR (T22) 1
53 SHT-GB-S23A-T32G-0.R SPUR GEAR (T32) 1
54 Circlip DIN 471 - 65 x 2.5 CIRCLIP FOR SHAFT 65MM 4
55 SHT-GB-S23A-T22K-0.R SPUR GEAR KEY (T22) 1
56 SHT-GB-S23A-T32K-0.R SPUR GEAR KEY (T32) 1
57 SHT-GB-S1RA-S1RP-0.R 1-R SELECTOR 1
58 SHT-GB-S1RA-TR2G-0.R SPUR GEAR (TR2) 1
59 SHT-GB-S1RA-T12G-0.R SPUR GEAR (T12) 1
60 SHT-GB-S1RA-TR2K-0.R SPUR GEAR KEY (TR2) 1
61 SHT-GB-S1RA-T12K-0.R SPUR GEAR KEY (T12) 1
62 SHT-GB-F23A-F23P-0.R 2-3 FORK 1
63 SHT-GB-F23A-LP23-0.R 2-3 GEAR LOCKING PART 1
64 SHT-GB-F23A-CN23-0.R 2-3 CONNECTOR 1
65 DIN 912 M4 x 12 --- 12C M4 ISO SCREW 12MM 2
66 DIN 912 M4 x 20 --- 20C M4 ISO BOLT 20MM 3
67 SHT-GB-F1RA-F1RP-0.R 1-R FORK 1
68 SHT-GB-F1RA-CN1R-0.R 1-R CONNECTOR 1
69 SHT-GB-F1RA-LP1R-0.R 1-R GEAR LOCKING PART 1
70 SHT-GB-CVTA-CVTP-0.R COVER TOP PART 1
71 SHT-GB-CVTA-PGSE-0.R GEAR SELECTOR PATH 1
72 SHT-GB-CVTA-SPMT-0.R SLIDING PATH MOUNT 1
73 EN ISO 4762 M6 x 12 - 12N M6 ISO HEXHEAD SCREW 2
74 SHT-GB-GSHA-SPFR SELECTOR PATH FOLLOWER 1
75 SHT-GB-GSHA-SKNB SELECTOR KNOB 1
76 SHT-GB-GSHA-GSHP-0.R GEAR SHIFT HANDLE 1
77 ISO 7089 WASHER M8 M8 ISO WASHER 1
78 DIN ISO NUT M4 M4 ISO NUT 1
79 SHT-GB-ECOS-0.R OUTPUT SHAFT END CAP 1
80 MH A 40 60 8 OUTPUT SHAFT OIL SEAL 1
81 SHT-GB-ECMS-0.R MOTOR SHAFT END CAP 1
82 MH SA 10 20 8 MOTOR SHAFT OIL SEAL 1
83 SHT-GB-ECIS-0.R INPUT SHAFT END CAP 1
84 SHT-GB-HPLT-0.R H - PLATE 1
85 DIN ISO M12 M12 ISO HEX HEAD SCREW 22
86 ISO 7089 WASHER 12 M12 ISO WASHER 22
87 DIN ISO NUT M12 M12 ISO NUT 22
88 DIN ISO M4 M4 ISO SCREW 4
89 ISO 7089 WASHER M4 M4 ISO WASHER 4
90 DIN ISO M6 M6 ISO SCREW 18
00
K.M.G.L. DILSHAN
H.W.S. DILANJAYA
INITIAL ISSUE CHANGES
DATE
APPROVED
CHECKED
DRAWN
REVISION
ASSEMBLED ON:
SCALE 1:1 SHEET 01 OF 01
DWG
NO:
4
5
2
3
6
1
ITEM NO. PART NUMBER QTY.
1 SHT-GB-CVBA-CVBP-0.R 1
2 SHT-GB-CVBA-ISM1-0.R 1
3 SHT-GB-CVBA-ISM2-0.R 1
4 DIN 912 M8 x 20 --- 20C 3
5 ISO 7089 M8 WASHER 3
6 DIN 912 M12 x 20 --- 20C 1
DWG NO:
SHEET 01 OF 12SCALE 1:10
ASSEMBLED ON: SHT-GB-O.R
REVISION
DRAWN
CHECKED
APPROVED
DATE
CHANGESINITIAL ISSUE
H.W.S. DILANJAYA
K.M.G.L. DILSHAN
00
COVER BOTTOM PART
ASSEMBLY
2018/05/29
SHT-GB-CVBA-0.R
1
4
2
3
5
ITEM NO. PART NUMBER QTY.
1 SHT-GB-MTRA-MTRP-0.R 1
2 SHT-GB-MTRA-H01G-0.R 1
3 Circlip DIN 471 - 14 x 1 1
4 SHT-GB-MTRA-H01K-0.R 1
5 BEARING 6300 2
DWG NO:
SHEET 02 OF 12SCALE 1:2
ASSEMBLED ON: SHT-GB-0.R
REVISION
DRAWN
CHECKED
APPROVED
DATE
CHANGESINITIAL ISSUE
H.W.S. DILANJAYA
K.M.G.L. DILSHAN
00
MOTOR SHAFT ASSEMBLY
2018/05/29
SHT-GB-MTRA-0.R
1
2
5
10
9
3
4
8
6
7
ITEM NO. PART NUMBER QTY.
1 SHT-GB-INPA-INPP-0.R 1
2 SHT-GB-INPA-H11G-0.R 1
3 SHT-GB-INPA-H02G-0.R 1
4 Circlip DIN 471 - 24 x 1.2 2
5 bearing_6304_0 1
6 roulement_6404_I 1
7 roulement_6404_O 1
8 roulement_6404_B 1
9 SHT-GB-INPA-H02K-0.R 1
10 SHT-GB-INPA-H11K-0.R 1
DWG NO:
SHEET 03 OF 12SCALE 1:5
ASSEMBLED ON: SHT-GB-0.R
REVISION
DRAWN
CHECKED
APPROVED
DATE
CHANGESINITIAL ISSUE
H.W.S. DILANJAYA
K.M.G.L. DILSHAN
00
INPUT SHAFT ASSEMBLY
2018/05/29
SHT-GB-INPA-0.R
5
3
2
1
4
ITEM NO. PART NUMBER QTY.
1 SHT-GB-IDLA-IDLP-0.R 1
2 SHT-GB-IDLA-TRIG-0.R 1
3 Circlip DIN 471 - 30 x 1.5 1
4 bearing_63_28_0 2
5 SHT-GB-IDLA-TRIK-0.R 1
DWG NO:
SHEET 04 OF 12SCALE 1:2
ASSEMBLED ON: SHT-GB-0.R
REVISION
DRAWN
CHECKED
APPROVED
DATE
CHANGESINITIAL ISSUE
H.W.S. DILANJAYA
K.M.G.L. DILSHAN
00
IDLER SHAFT ASSEMBLY
2018/05/29
SHT-GB-IDLA-0.R
4
3
2
11
12
13
14
15
5
6
7
8
10
16
1
18
17
9
ITEM NO. PART NUMBER QTY.
1 SHT-GB-LAYA-LAYP-0.R 1
2 SHT-GB-LAYA-T31G-0.R 1
3 SHT-GB-LAYA-T21G-0.R 1
4 SHT-GB-LAYA-H12G-0.R 1
5 SHT-GB-LAYA-T11G-0.R 1
6 SHT-GB-LAYA-TR1G-0.R 1
7 bearing_6409-z_0_01_I 2
8 bearing_6409-z_0_02_O 2
9 bearing_6409-z_0_03_B 2
10 bearing_6409-z_0_04_C 2
11 SHT-GB-LAYA-H12K-0.R 1
12 SHT-GB-LAYA-T21K-0.R 1
13 SHT-GB-LAYA-T31K-0.R 1
14 SHT-GB-LAYA-T11K-0.R 2
15 SHT-GB-LAYA-TR1K-0.R 2
16 Circlip DIN 471 - 48 x 1.75 4
17 Circlip DIN 471 - 50 x 2 1
18 Circlip DIN 471 - 52 x 2 1
DWG NO:
SHEET 05 OF 12SCALE 1:10
ASSEMBLED ON: SHT-GB-0.R
REVISION
DRAWN
CHECKED
APPROVED
DATE
CHANGESINITIAL ISSUE
H.W.S. DILANJAYA
K.M.G.L. DILSHAN
00
LAYSHAFT ASSEMBLY
2018/05/29
SHT-GB-LAYA-0.R
5
3
2
1
ITEM NO. PART NUMBER QTY.
1 SHT-GB-OUTA-OUTP-0.R 1
2 bearing_6408-2rs_ya5_0_01 2
DWG NO:
SHEET 06 OF 12SCALE 1:5
ASSEMBLED ON: SHT-GB-0.R
REVISION
DRAWN
CHECKED
APPROVED
DATE
CHANGESINITIAL ISSUE
H.W.S. DILANJAYA
K.M.G.L. DILSHAN
00
OUTPUT SHAFT ASSEMBLY
2018/05/29
SHT-GB-OUTA-0.R
2
1
3
6
5
4
ITEM NO. PART NUMBER QTY.
1 SHT-GB-S23A-S23P-0.R 1
2 SHT-GB-S23A-T22G-0.R 1
3 SHT-GB-S23A-T32G-0.R 1
4 Circlip DIN 471 - 65 x 2.5 2
5 SHT-GB-S23A-T22K-0.R 1
6 SHT-GB-S23A-T32K-0.R 1
DWG NO:
SHEET 07 OF 12SCALE 1:5
ASSEMBLED ON: SHT-GB-0.R
REVISION
DRAWN
CHECKED
APPROVED
DATE
CHANGESINITIAL ISSUE
H.W.S. DILANJAYA
K.M.G.L. DILSHAN
00
2-3 SELECTOR ASSEMBLY
2018/05/29
SHT-GB-S23A-0.R
4
3
1
5
6
2
4
ITEM NO. PART NUMBER QTY.
1 SHT-GB-S1RA-S1RP-0.R 1
2 SHT-GB-S1RA-TR2G-0.R 1
3 SHT-GB-S1RA-T12G-0.R 1
4 Circlip DIN 471 - 65 x 2.5 2
5 SHT-GB-S1RA-TR2K-0.R 1
6 SHT-GB-S1RA-T12K-0.R 1
DWG NO:
SHEET 08 OF 12SCALE 1:5
ASSEMBLED ON: SHT-GB-0.R
REVISION
DRAWN
CHECKED
APPROVED
DATE
CHANGESINITIAL ISSUE
H.W.S. DILANJAYA
K.M.G.L. DILSHAN
00
1-R SELECTOR
ASSEMBLY
2018/05/29
SHT-GB-S1RA-0.R
2
4
5
1
3
ITEM NO. PART NUMBER QTY.
1 SHT-GB-F23A-F23P-0.R 1
2 SHT-GB-F23A-LP23-0.R 1
3 SHT-GB-F23A-CN23-0.R 1
4 DIN 912 M4 x 12 --- 12C 1
5 DIN 912 M4 x 20 --- 20C 1
DWG NO:
SHEET 09 OF 12SCALE 1:2
ASSEMBLED ON: SHT-GB-0.R
REVISION
DRAWN
CHECKED
APPROVED
DATE
CHANGESINITIAL ISSUE
H.W.S. DILANJAYA
K.M.G.L. DILSHAN
00
2-3 FORK ASSEMBLY
2018/05/29
SHT-GB-F23A-0.R
4
5
1
3
2
ITEM NO. PART NUMBER QTY.
1 SHT-GB-F1RA-F1RP-0.R 1
2 SHT-GB-F1RA-CN1R-0.R 1
3 SHT-GB-F1RA-LP1R-0.R 1
4 DIN 912 M4 x 20 --- 20C 1
5 DIN 912 M4 x 12 --- 12C 1
DWG NO:
SHEET 10 OF 12SCALE 1:2
ASSEMBLED ON: SHT-GB-0.R
REVISION
DRAWN
CHECKED
APPROVED
DATE
CHANGESINITIAL ISSUE
H.W.S. DILANJAYA
K.M.G.L. DILSHAN
00
1-R FORK ASSEMBLY
2018/05/29
SHT-GB-F1RA-0.R
1
2
3
4
ITEM NO. PART NUMBER QTY.
1 SHT-GB-CVTA-CVTP-0.R 1
2 SHT-GB-CVTA-PGSE-0.R 1
3 SHT-GB-CVTA-SPMT-0.R 1
4 EN ISO 4762 M6 x 12 - 12N 2
DWG NO:
SHEET 11 OF 12SCALE 1:10
ASSEMBLED ON: SHT-GB-0.R
REVISION
DRAWN
CHECKED
APPROVED
DATE
CHANGESINITIAL ISSUE
H.W.S. DILANJAYA
K.M.G.L. DILSHAN
00
COVER TOP PART
ASSEMBLY
2018/05/29
SHT-GB-CVTA-0.R
2
3
5
6
1
4
ITEM NO. PART NUMBER QTY.
1 SHT-GB-GSHA-SPFR 1
2 SHT-GB-GSHA-SKNB 1
3 SHT-GB-GSHA-GSHP 1
4 DIN 912 M4 x 20 --- 20C 1
5 ISO 7089 WASHER
M8
1
6 DIN ISO NUT M4 1
DWG NO:
SHEET 12 OF 12SCALE 1:5
ASSEMBLED ON: SHT-GB-0.R
REVISION
DRAWN
CHECKED
APPROVED
DATE
CHANGESINITIAL ISSUE
H.W.S. DILANJAYA
K.M.G.L. DILSHAN
00
GEAR SHIFT HANDLE
ASSEMBLY
2018/05/29
SHT-GB-GSHA-0.R
5
10
5
10
R1
R5
R32.50R35
1
4
5
15
25
3
4
140.42
10.13
20
5
FRONT ELEVATION
PLAN
END ELEVATION
SHT-GB-F23A-0.R
SHT-GB-F23A-F23P-0.R
LINEAR: .XX= 0.01;
.X= 0.05; X.=0.1
ANGULAR: 0.5
2-3 FORK
GREY CAST
IRON
DIMENSIONS IN MILLIMETERS
TOLERANCES
SURFACE FINISH: AS MACHINED
SCALE 1:1 SHEET 02 OF 03
00 REVISION
K.M.G.L. DILSHAN DRAWN
CHECKEDH.W.S. DILANJAYA
APPROVED
DATE
INITIAL ISSUE CHANGES
DWG NO:
ASSEMBLED ON:
MATERIAL
2018/05/29
60.00°
60.00°
18 18
R14
R1
A
A
FRONT ELEVATION
56
3.70
10 8.40
1 1
15
8
3.50
R16
SECTION A-A
LINEAR: .XX= 0.01;.X= 0.05;
X.=0.1
ANGULAR: 0.5
SHT-GB-IDLA-0.R
IDLE SHAFT
2018/05/29
Ni/14-46Cr
PLAN
DWG NO:
SHEET 02 OF 02SCALE 1:1
SURFACE FINISH: AS MACHINED
TOLERANCES
DIMENSIONS IN MILLIMETERS
ASSEMBLED ON:
REVISION
DRAWN
CHECKED
APPROVED
DATE
CHANGESINITIAL ISSUE
H.W.S. DILANJAYA
K.M.G.L. DILSHAN
00
MATERIAL
SHT-GB-IDLA-IDLP-0.R
8
3.79
80
88
70
A
A
NUMBER OF GEAR TEETH=20
5630
0.5
SECTION A-A
30 Ni 4 Cr 1LINEAR: .XX= 0.01;.X= 0.05;
X.=0.1
ANGULAR: 0.5
SHT-GB-IDLA-0.R
SHT-GB-IDLA-TRIG-0.R
SPUR GEAR (TRI)
2018/05/29
FRONT ELEVATION
DWG NO:
SHEET 01 OF 02SCALE 1:1
SURFACE FINISH: AS MACHINED
TOLERANCES
DIMENSIONS IN MILLIMETERS
ASSEMBLED ON:
REVISION
DRAWN
CHECKED
APPROVED
DATE
CHANGESINITIAL ISSUE
H.W.S. DILANJAYA
K.M.G.L. DILSHAN
00
MATERIAL
60.00°
3.70
60.00°
20
40
1
1
150
525
37
2
R1
1
1
3
4
0.40
45.00°
0.40
LINEAR: .XX= 0.01;
.X= 0.05; X.=0.1
ANGULAR: 0.5
2018/05/29
SHT-GB-OUTA-0.R
SHT-GB-OUTA-OUTP-0.R
OUTPUT SHAFT
FRONT ELEVATION END ELEVATION
Ni/14-46 Cr
DIMENSIONS IN MILLIMETERS
TOLERANCES
SURFACE FINISH: AS MACHINED
SCALE 1:2 SHEET 01 OF 03
00 REVISION
K.M.G.L. DILSHAN
DRAWN
CHECKED
H.W.S. DILANJAYA
APPROVED
DATE
INITIAL ISSUE CHANGES
DWG NO:
ASSEMBLED ON:
MATERIAL
10
10
56
10
5
8
10
15
2
56
R0.27
2.65
48 42
4
4
0.40
45.00°
R0.30
62.5362
LINEAR: .XX= 0.01;
.X= 0.05; X.=0.1
ANGULAR: 0.5
2018/05/29
SHT-GB-S1RA-0.R
SHT-GB-S1RA-S1RP-0.R
1-R SELECTOR
FRONT ELEVATION END ELEVATION
ALUMINUM
BRONZE
DIMENSIONS IN MILLIMETERS
TOLERANCES
SURFACE FINISH: AS MACHINED
SCALE 1:1 SHEET 03 OF 03
00 REVISION
K.M.G.L. DILSHAN
DRAWN
CHECKED
H.W.S. DILANJAYA
APPROVED
DATE
INITIAL ISSUE CHANGES
DWG NO:
ASSEMBLED ON:
MATERIAL

Gearbox assembly and production drawings

  • 1.
    Production Drawing PartsDescription and Part Number for Initial Issue Sub Assembly Number Part Number (Initial Issue) Part Description SHT-0.R SKIDDED HELICOPTER TUG 1 SHT-GB-0.R GEAR BOX SHT-GB-CVBA-0.R COVER BOTTOM PART ASEEMBLY SHT-GB-CVBA-CVBP-0.R COVER BOTTOM PART SHT-GB-CVBA-ISM1-0.R IDLE SHAFT MOUNT 1 SHT-GB-CVBA-ISM2-0.R IDLE SHAFT MOUNT 2 2 SHT-GB-MTRA-0.R MOTOR SHAFT ASSEMBLY SHT-GB-MTRA-MTRP-0.R MOTOR SHAFT PART SHT-GB-MTRA-H01G-0.R HELICAL GEAR WHEEL (H01) SHT-GB-MTRA-H01K-0.R HELICAL GEAR WHEEL KEY (H01) 3 SHT-GB-INPA-0.R INPUT SHAFT ASSEMBLY SHT-GB-INPA-INPP-0.R INPUT SHAFT SHT-GB-INPA-H11G-0.R HELICAL GEAR (H11) SHT-GB-INPA-H02G-0.R HELICAL GEAR (H02) SHT-GB-INPA-H11K-0.R HELICAL GEAR KEY (H11) SHT-GB-INPA-H02K-0.R HELICAL GEAR KEY (H02) 4 SHT-GB-IDLA-0.R IDLE SHAFT ASSEMBLY SHT-GB-IDLA-IDLP-0.R IDLER SHAFT SHT-GB-IDLA-TRIG-0.R SPUR GEAR (RI) SHT-GB-IDLA-TRIK-0.R SPUR GEAR KEY (RI) 5 SHT-GB-LAYA-0.R LAY SHAFT ASSEMBLY SHT-GB-LAYA-LAYP-0.R LAY SHAFT SHT-GB-LAYA-T31G-0.R SPUR GEAR (T31) SHT-GB-LAYA-T31K-0.R SPUR GEAR KEY (T31) SHT-GB-LAYA-T21G-0.R SPUR GEAR (T21) SHT-GB-LAYA-T21K-0.R SPUR GEAR KEY (T21) SHT-GB-LAYA-H12G-0.R SPUR GEAR (H12) SHT-GB-LAYA-H12K-0.R SPUR GEAR KEY (H12) SHT-GB-LAYA-T11G-0.R SPUR GEAR (T11) SHT-GB-LAYA-T11K-0.R SPUR GEAR KEY (T11) SHT-GB-LAYA-TR1G-0.R SPUR GEAR (TR1) SHT-GB-LAYA-TR1K-0.R SPUR GEAR KEY (TR1) 6 SHT-GB-OUTA-0.R OUTPUT SHAFT ASSEMBLY SHT-GB-OUTA-OUTP-0.R OUTPUT SHAFT 7 SHT-GB-S23A-0.R 2-3 SELECTOR ASSEMBLY SHT-GB-S23A-S23P-0.R 2-3 SELECTOR SHT-GB-S23A-T22G-0.R SPUR GEAR (T22) SHT-GB-S23A-T22K-0.R SPUR GEAR KEY (T22)
  • 2.
    SHT-GB-S23A-T32G-0.R SPUR GEAR(T32) SHT-GB-S23A-T32K-0.R SPUR GEAR KEY (T32) 8 SHT-GB-S1RA-0.R 1-R SELECTOR ASSEMBLY SHT-GB-S1RA-S1RP-0.R 1-R SELECTOR SHT-GB-S1RA-TR2G-0.R SPUR GEAR (TR2) SHT-GB-S1RA-TR2K-0.R SPUR GEAR KEY (TR2) SHT-GB-S1RA-T12G-0.R SPUR GEAR (T12) SHT-GB-S1RA-T12K-0.R SPUR GEAR KEY (T12) 9 SHT-GB-F23A-0.R 2-3 FORK ASSEMBLY SHT-GB-F23A-F23P-0.R 2-3 FORK SHT-GB-F23A-LP23-0.R 2-3 GEAR LOCKING PART SHT-GB-F23A-CN23-0.R 2-3 CONNECTOR 10 SHT-GB-F1RA-0.R 1-R FORK ASSEMBLY SHT-GB-F1RA-F1RP-0.R 1-R FORK SHT-GB-F1RA-LP1R-0.R 1-R GEAR LOCKING PART SHT-GB-F1RA-CN1R-0.R 1-R CONNECTOR 11 SHT-GB-CVTA-0.R COVER TOP PART ASEEMBLY SHT-GB-CVTA-CVTP-0.R COVER TOP PART SHT-GB-CVTA-PGSE-0.R GEAR SELECTOR PATH SHT-GB-CVTA-SPMT-0.R SLIDING PATH MOUNT 12 SHT-GB-GSHA-0.R GEAR SHIFT HANDLE ASSEMBLY SHT-GB-GSHA-GSHP-0.R GEAR SHIFT HANDLE SHT-GB-GSHA-SPFR-0.R SELECTOR PATH FOLLOWER SHT-GB-GSHA-SKNB-0.R SELECTOR KNOB SHT-GB-ECOS-0.R OUTPUT SHAFT END CAP SHT-GB-ECIS-0.R INPUT SHAFT END CAP SHT-GB-ECMS-0.R MOTOR SHAFT END CAP SHT-GB-HPLT-0.R H - PLATE
  • 3.
    85 86 84 75 76 78 66 77 74 72 73 65 69 68 67 60 61 54 59 57 31 58 32 49 33 46 49 34 36 24 80 5 90 79 87 6 23 22 1 26 3 25 2 11 9 16 8 82 81 83 89 88 4 7 13 12 14 15 17 19 18 21 20 27 29 30 43 42 35 44 28 37 38 39 40 52 51 41 53 45 55 56 62 64 63 70 71 ITEM NO. PARTNUMBER DESCRIPTION QTY. 1 SHT-GB-CVBA-CVBP-0.R COVER BOTTOM PART 1 2 SHT-GB-CVBA-ISM1-0.R IDLER SHAFT MOUNT 1 1 3 SHT-GB-CVBA-ISM2-0.R IDLER SHAFT MOUNT 2 1 4 DIN 912 M8 x 20 --- 20C M8 ISO SCREW 20MM 3 5 ISO 7089 M8 WASHER M8 ISO WASHER 21 6 DIN 912 M12 x 20 --- 20C M12 DIN ISO SCREW 1 7 SHT-GB-MTRA-MTRP-0.R MOTOR SHAFT 1 8 SHT-GB-MTRA-H01G-0.R HELICAL GEAR WHEEL (H01) 1 9 Circlip DIN 471 - 14 x 1 CIRCLIP FOR DIAMETER 14MM 1 10 SHT-GB-MTRA-H01K-0.R HELICAL GEAR WHEEL KEY (H01) 1 11 BEARING 6300 BEARING NUMBER 6300 2 12 SHT-GB-INPA-INPP-0.R INPUT SHAFT 1 13 SHT-GB-INPA-H11G-0.R HELICAL GEAR (H11) 1 14 SHT-GB-INPA-H02G-0.R HELICAL GEAR (H02) 1 15 Circlip DIN 471 - 24 x 1.2 CIRCLIP FOR DIAMETER 24MM 2 16 bearing_6304_0 BEARING NUMBER 6304 1 17 roulement_6404_I BEARING 6404 INNER CASE 1 18 roulement_6404_O BEARING 6404 OUTER CASE 1 19 roulement_6404_B BEARING 6404 BALLS 1 20 SHT-GB-INPA-H02K-0.R HELICAL GEAR KEY (H02) 1 21 SHT-GB-INPA-H11K-0.R HELICAL GEAR KEY (H11) 1 22 SHT-GB-IDLA-IDLP-0.R IDLER SHAFT 1 23 SHT-GB-IDLA-TRIG-0.R SPUR GEAR (RI) 1 24 Circlip DIN 471 - 30 x 1.5 CIRCLIP FOR DUAMETER 30MM 1 25 bearing_63_28_0 BEARING 63-28 2 26 SHT-GB-IDLA-TRIK-0.R SPUR GEAR KEY (RI) 1 27 SHT-GB-LAYA-LAYP-0.R LAY SHAFT 1 28 SHT-GB-LAYA-T31G-0.R SPUR GEAR (T31) 1 29 SHT-GB-LAYA-T21G-0.R SPUR GEAR (T21) 1 30 SHT-GB-LAYA-H12G-0.R SPUR GEAR (H12) 1 31 SHT-GB-LAYA-T11G-0.R SPUR GEAR (T11) 1 32 SHT-GB-LAYA-TR1G-0.R SPUR GEAR (TR1) 1 33 bearing_6409-z_0_01_I BEARING 6409 INNER CASE 2 34 bearing_6409-z_0_02_O BEARING 6409 OUTER CASE 2 35 bearing_6409-z_0_03_B BEARING 6409 BALLS 2 36 bearing_6409-z_0_04_C BEARING 6409 COVER 2 37 SHT-GB-LAYA-H12K-0.R SPUR GEAR KEY (H12) 1 38 SHT-GB-LAYA-T21K-0.R SPUR GEAR KEY (T21) 1 39 SHT-GB-LAYA-T31K-0.R SPUR GEAR KEY (T31) 1 40 SHT-GB-LAYA-T11K-0.R SPUR GEAR KEY (T11) 2 41 SHT-GB-LAYA-TR1K-0.R SPUR GEAR KEY (TR1) 2 42 Circlip DIN 471 - 48 x 1.75 CIRCLIP FOR SHAFT 48MM 4 43 Circlip DIN 471 - 50 x 2 CIRCLIP FOR SHAFT 50MM 1 44 Circlip DIN 471 - 52 x 2 CIRCLIP FOR SHAFT 52MM 1 45 SHT-GB-OUTA-OUTP-0.R OUTPUT SHAFT 1 46 bearing_6408-2rs_ya5_0_01 BEARING 6408 OUTER COVER 2 47 bearing_6408-2rs_ya5_0_02 BEARING 6408 COVER 2 48 bearing_6408-2rs_ya5_0_03 BEARING 6408 BALLS 2 49 bearing_6408-2rs_ya5_0_04 BEARING 6408 INNER CASE 2 50 bearing_6408-2rs_ya5_0_05 BEARING 6408 INNER RACER 2 51 SHT-GB-S23A-S23P-0.R 2-3 SELECTOR 1 52 SHT-GB-S23A-T22G-0.R SPUR GEAR (T22) 1 53 SHT-GB-S23A-T32G-0.R SPUR GEAR (T32) 1 54 Circlip DIN 471 - 65 x 2.5 CIRCLIP FOR SHAFT 65MM 4 55 SHT-GB-S23A-T22K-0.R SPUR GEAR KEY (T22) 1 56 SHT-GB-S23A-T32K-0.R SPUR GEAR KEY (T32) 1 57 SHT-GB-S1RA-S1RP-0.R 1-R SELECTOR 1 58 SHT-GB-S1RA-TR2G-0.R SPUR GEAR (TR2) 1 59 SHT-GB-S1RA-T12G-0.R SPUR GEAR (T12) 1 60 SHT-GB-S1RA-TR2K-0.R SPUR GEAR KEY (TR2) 1 61 SHT-GB-S1RA-T12K-0.R SPUR GEAR KEY (T12) 1 62 SHT-GB-F23A-F23P-0.R 2-3 FORK 1 63 SHT-GB-F23A-LP23-0.R 2-3 GEAR LOCKING PART 1 64 SHT-GB-F23A-CN23-0.R 2-3 CONNECTOR 1 65 DIN 912 M4 x 12 --- 12C M4 DIN ISO SCREW 12MM 2 66 DIN 912 M4 x 20 --- 20C M4 DIN ISO SCREW 20MM 3 67 SHT-GB-F1RA-F1RP-0.R 1-R FORK 1 68 SHT-GB-F1RA-CN1R-0.R 1-R CONNECTOR 1 69 SHT-GB-F1RA-LP1R-0.R 1-R GEAR LOCKING PART 1 70 SHT-GB-CVTA-CVTP-0.R COVER TOP PART 1 71 SHT-GB-CVTA-PGSE-0.R GEAR SELECTOR PATH 1 72 SHT-GB-CVTA-SPMT-0.R SLIDING PATH MOUNT 1 73 EN ISO 4762 M6 x 12 - 12N ISO SKOCKET HEAD M6 SCREW 2 74 SHT-GB-GSHA-SPFR SELECTOR PATH FOLLOWER 1 75 SHT-GB-GSHA-SKNB SELECTOR KNOB 1 76 SHT-GB-GSHA-GSHP-0.R GEAR SHIFT HANDLE 1 77 ISO 7089 WASHER M8 M8 ISO WASHER 1 78 DIN ISO NUT M4 M4 ISO NUT 1 79 SHT-GB-ECOS-0.R OUTPUT SHAFT END CAP 1 80 MH A 40 60 8 OUTPUT SHAFT OIL SEAL 1 81 SHT-GB-ECMS-0.R MOTOR SHAFT END CAP 1 82 MH SA 10 20 8 MOTOR SHAFT OIL SEAL 1 83 SHT-GB-ECIS-0.R INPUT SHAFT END CAP 1 84 SHT-GB-HPLT-0.R H - PLATE 1 85 DIN ISO M12 M12 ISO HEX HEAD SCREW 22 86 ISO 7089 WASHER 12 M12 ISO WASHER 22 87 DIN ISO NUT M12 M12 ISO NUT 22 88 DIN ISO M4 M4 ISO SCREW 4 89 ISO 7089 WASHER M4 M4 ISO WASHER 4 90 DIN ISO M6 M6 ISO SCREW 18 DWG NO: SHEET 01 OF 01SCALE 1:5 ASSEMBLED ON: REVISION DRAWN CHECKED APPROVED DATE CHANGESINITIAL ISSUE H.W.S. DILANJAYA K.M.G.L. DILSHAN 00 SHT-0.R GEARBOX ASSEMBLY SHT-GB-0.R2018/05/29
  • 4.
    51 53 7055 62 56 64 85 86 84 65 71 63 74 72 73 75 66 76 77 78 69 37 68 67 54 38 45 39 41 40 60 61 59 31 57 42 58 49 47 32 34 33 36 3 2422 2326 8079876 25 2 4 1 16 9 8 82 81 83 7 11 5 14 13 12 17 18 19 15 30 35 43 29 44 20 46 28 52 21 27 ITEM NO. PART NUMBER DESCRIPTION QTY. 1 SHT-GB-CVBA-CVBP-0.R COVER BOTTOM PART 1 2 SHT-GB-CVBA-ISM1-0.R IDLER SHAFT MOUNT 1 1 3 SHT-GB-CVBA-ISM2-0.R IDLER SHAFT MOUNT 2 1 4 DIN 912 M8 x 20 --- 20C M8 ISO SCREW 20MM 3 5 ISO 7089 M8 WASHER M8 ISO WASHER 21 6 DIN 912 M12 x 20 --- 20C M12 ISO SCREW 20MM 1 7 SHT-GB-MTRA-MTRP-0.R MOTOR SHAFT 1 8 SHT-GB-MTRA-H01G-0.R HELICAL GEAR WHEEL (H01) 1 9 Circlip DIN 471 - 14 x 1 CIRCLIP FOR SHAFT 14MM 1 10 SHT-GB-MTRA-H01K-0.R HELICAL GEAR WHEEL KEY (H01) 1 11 BEARING 6300 BEARING NUMBER 6300 2 12 SHT-GB-INPA-INPP-0.R INPUT SHAFT 1 13 SHT-GB-INPA-H11G-0.R HELICAL GEAR (H11) 1 14 SHT-GB-INPA-H02G-0.R HELICAL GEAR (H02) 1 15 Circlip DIN 471 - 24 x 1.2 CIRCLIP FOR SHAFT 24MM 2 16 bearing_6304_0 BEARING NUMBER 6304 1 17 roulement_6404_I BEARING 6404 INNER CASE 1 18 roulement_6404_O BEARING 6404 OUTER CASE 1 19 roulement_6404_B BEARING 6404 BALLS 1 20 SHT-GB-INPA-H02K-0.R HELICAL GEAR KEY (H02) 1 21 SHT-GB-INPA-H11K-0.R HELICAL GEAR KEY (H11) 1 22 SHT-GB-IDLA-IDLP-0.R IDLER SHAFT 1 23 SHT-GB-IDLA-TRIG-0.R SPUR GEAR (RI) 1 24 Circlip DIN 471 - 30 x 1.5 CIRCLIP FOR SHAFT 30MM 1 25 bearing_63_28_0 BEARING 63-28 2 26 SHT-GB-IDLA-TRIK-0.R SPUR GEAR KEY (RI) 1 27 SHT-GB-LAYA-LAYP-0.R LAY SHAFT 1 28 SHT-GB-LAYA-T31G-0.R SPUR GEAR (T31) 1 29 SHT-GB-LAYA-T21G-0.R SPUR GEAR (T21) 1 30 SHT-GB-LAYA-H12G-0.R SPUR GEAR (H12) 1 31 SHT-GB-LAYA-T11G-0.R SPUR GEAR (T11) 1 32 SHT-GB-LAYA-TR1G-0.R SPUR GEAR (TR1) 1 ITEM NO. PART NUMBER DESCRIPTION QTY. 33 bearing_6409-z_0_01_I BEARING 6409 INNER CASE 2 34 bearing_6409-z_0_02_O BEARING 6409 OUTER CASE 2 35 bearing_6409-z_0_03_B BEARING 6409 BALLS 2 36 bearing_6409-z_0_04_C BEARING 6409 COVER 2 37 SHT-GB-LAYA-H12K-0.R SPUR GEAR KEY (H12) 1 38 SHT-GB-LAYA-T21K-0.R SPUR GEAR KEY (T21) 1 39 SHT-GB-LAYA-T31K-0.R SPUR GEAR KEY (T31) 1 40 SHT-GB-LAYA-T11K-0.R SPUR GEAR KEY (T11) 2 41 SHT-GB-LAYA-TR1K-0.R SPUR GEAR KEY (TR1) 2 42 Circlip DIN 471 - 48 x 1.75 CIRCLIP FOR SHAFT 48MM 4 43 Circlip DIN 471 - 50 x 2 CIRCLIP FOR SHAFT 50MM 1 44 Circlip DIN 471 - 52 x 2 CIRCLIP FOR SHAFT 52MM 1 45 SHT-GB-OUTA-OUTP-0.R OUTPUT SHAFT 1 46 bearing_6408-2rs_ya5_0_01 BEARING 6408 OUTER COVER 2 47 bearing_6408-2rs_ya5_0_02 BEARING 6408 COVER 2 48 bearing_6408-2rs_ya5_0_03 BEARING 6408 BALLS 2 49 bearing_6408-2rs_ya5_0_04 BEARING 6408 INNER CASE 2 50 bearing_6408-2rs_ya5_0_05 BEARING 6408 INNER RACER 2 51 SHT-GB-S23A-S23P-0.R 2-3 SELECTOR 1 52 SHT-GB-S23A-T22G-0.R SPUR GEAR (T22) 1 53 SHT-GB-S23A-T32G-0.R SPUR GEAR (T32) 1 54 Circlip DIN 471 - 65 x 2.5 CIRCLIP FOR SHAFT 65MM 4 55 SHT-GB-S23A-T22K-0.R SPUR GEAR KEY (T22) 1 56 SHT-GB-S23A-T32K-0.R SPUR GEAR KEY (T32) 1 57 SHT-GB-S1RA-S1RP-0.R 1-R SELECTOR 1 58 SHT-GB-S1RA-TR2G-0.R SPUR GEAR (TR2) 1 59 SHT-GB-S1RA-T12G-0.R SPUR GEAR (T12) 1 60 SHT-GB-S1RA-TR2K-0.R SPUR GEAR KEY (TR2) 1 61 SHT-GB-S1RA-T12K-0.R SPUR GEAR KEY (T12) 1 62 SHT-GB-F23A-F23P-0.R 2-3 FORK 1 63 SHT-GB-F23A-LP23-0.R 2-3 GEAR LOCKING PART 1 64 SHT-GB-F23A-CN23-0.R 2-3 CONNECTOR 1 65 DIN 912 M4 x 12 --- 12C M4 ISO SCREW 12MM 2 66 DIN 912 M4 x 20 --- 20C M4 ISO BOLT 20MM 3 67 SHT-GB-F1RA-F1RP-0.R 1-R FORK 1 68 SHT-GB-F1RA-CN1R-0.R 1-R CONNECTOR 1 69 SHT-GB-F1RA-LP1R-0.R 1-R GEAR LOCKING PART 1 70 SHT-GB-CVTA-CVTP-0.R COVER TOP PART 1 71 SHT-GB-CVTA-PGSE-0.R GEAR SELECTOR PATH 1 72 SHT-GB-CVTA-SPMT-0.R SLIDING PATH MOUNT 1 73 EN ISO 4762 M6 x 12 - 12N M6 ISO HEXHEAD SCREW 2 74 SHT-GB-GSHA-SPFR SELECTOR PATH FOLLOWER 1 75 SHT-GB-GSHA-SKNB SELECTOR KNOB 1 76 SHT-GB-GSHA-GSHP-0.R GEAR SHIFT HANDLE 1 77 ISO 7089 WASHER M8 M8 ISO WASHER 1 78 DIN ISO NUT M4 M4 ISO NUT 1 79 SHT-GB-ECOS-0.R OUTPUT SHAFT END CAP 1 80 MH A 40 60 8 OUTPUT SHAFT OIL SEAL 1 81 SHT-GB-ECMS-0.R MOTOR SHAFT END CAP 1 82 MH SA 10 20 8 MOTOR SHAFT OIL SEAL 1 83 SHT-GB-ECIS-0.R INPUT SHAFT END CAP 1 84 SHT-GB-HPLT-0.R H - PLATE 1 85 DIN ISO M12 M12 ISO HEX HEAD SCREW 22 86 ISO 7089 WASHER 12 M12 ISO WASHER 22 87 DIN ISO NUT M12 M12 ISO NUT 22 88 DIN ISO M4 M4 ISO SCREW 4 89 ISO 7089 WASHER M4 M4 ISO WASHER 4 90 DIN ISO M6 M6 ISO SCREW 18 00 K.M.G.L. DILSHAN H.W.S. DILANJAYA INITIAL ISSUE CHANGES DATE APPROVED CHECKED DRAWN REVISION ASSEMBLED ON: SCALE 1:1 SHEET 01 OF 01 DWG NO:
  • 5.
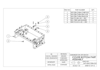
    4 5 2 3 6 1 ITEM NO. PARTNUMBER QTY. 1 SHT-GB-CVBA-CVBP-0.R 1 2 SHT-GB-CVBA-ISM1-0.R 1 3 SHT-GB-CVBA-ISM2-0.R 1 4 DIN 912 M8 x 20 --- 20C 3 5 ISO 7089 M8 WASHER 3 6 DIN 912 M12 x 20 --- 20C 1 DWG NO: SHEET 01 OF 12SCALE 1:10 ASSEMBLED ON: SHT-GB-O.R REVISION DRAWN CHECKED APPROVED DATE CHANGESINITIAL ISSUE H.W.S. DILANJAYA K.M.G.L. DILSHAN 00 COVER BOTTOM PART ASSEMBLY 2018/05/29 SHT-GB-CVBA-0.R
  • 6.
    1 4 2 3 5 ITEM NO. PARTNUMBER QTY. 1 SHT-GB-MTRA-MTRP-0.R 1 2 SHT-GB-MTRA-H01G-0.R 1 3 Circlip DIN 471 - 14 x 1 1 4 SHT-GB-MTRA-H01K-0.R 1 5 BEARING 6300 2 DWG NO: SHEET 02 OF 12SCALE 1:2 ASSEMBLED ON: SHT-GB-0.R REVISION DRAWN CHECKED APPROVED DATE CHANGESINITIAL ISSUE H.W.S. DILANJAYA K.M.G.L. DILSHAN 00 MOTOR SHAFT ASSEMBLY 2018/05/29 SHT-GB-MTRA-0.R
  • 7.
    1 2 5 10 9 3 4 8 6 7 ITEM NO. PARTNUMBER QTY. 1 SHT-GB-INPA-INPP-0.R 1 2 SHT-GB-INPA-H11G-0.R 1 3 SHT-GB-INPA-H02G-0.R 1 4 Circlip DIN 471 - 24 x 1.2 2 5 bearing_6304_0 1 6 roulement_6404_I 1 7 roulement_6404_O 1 8 roulement_6404_B 1 9 SHT-GB-INPA-H02K-0.R 1 10 SHT-GB-INPA-H11K-0.R 1 DWG NO: SHEET 03 OF 12SCALE 1:5 ASSEMBLED ON: SHT-GB-0.R REVISION DRAWN CHECKED APPROVED DATE CHANGESINITIAL ISSUE H.W.S. DILANJAYA K.M.G.L. DILSHAN 00 INPUT SHAFT ASSEMBLY 2018/05/29 SHT-GB-INPA-0.R
  • 8.
    5 3 2 1 4 ITEM NO. PARTNUMBER QTY. 1 SHT-GB-IDLA-IDLP-0.R 1 2 SHT-GB-IDLA-TRIG-0.R 1 3 Circlip DIN 471 - 30 x 1.5 1 4 bearing_63_28_0 2 5 SHT-GB-IDLA-TRIK-0.R 1 DWG NO: SHEET 04 OF 12SCALE 1:2 ASSEMBLED ON: SHT-GB-0.R REVISION DRAWN CHECKED APPROVED DATE CHANGESINITIAL ISSUE H.W.S. DILANJAYA K.M.G.L. DILSHAN 00 IDLER SHAFT ASSEMBLY 2018/05/29 SHT-GB-IDLA-0.R
  • 9.
    4 3 2 11 12 13 14 15 5 6 7 8 10 16 1 18 17 9 ITEM NO. PARTNUMBER QTY. 1 SHT-GB-LAYA-LAYP-0.R 1 2 SHT-GB-LAYA-T31G-0.R 1 3 SHT-GB-LAYA-T21G-0.R 1 4 SHT-GB-LAYA-H12G-0.R 1 5 SHT-GB-LAYA-T11G-0.R 1 6 SHT-GB-LAYA-TR1G-0.R 1 7 bearing_6409-z_0_01_I 2 8 bearing_6409-z_0_02_O 2 9 bearing_6409-z_0_03_B 2 10 bearing_6409-z_0_04_C 2 11 SHT-GB-LAYA-H12K-0.R 1 12 SHT-GB-LAYA-T21K-0.R 1 13 SHT-GB-LAYA-T31K-0.R 1 14 SHT-GB-LAYA-T11K-0.R 2 15 SHT-GB-LAYA-TR1K-0.R 2 16 Circlip DIN 471 - 48 x 1.75 4 17 Circlip DIN 471 - 50 x 2 1 18 Circlip DIN 471 - 52 x 2 1 DWG NO: SHEET 05 OF 12SCALE 1:10 ASSEMBLED ON: SHT-GB-0.R REVISION DRAWN CHECKED APPROVED DATE CHANGESINITIAL ISSUE H.W.S. DILANJAYA K.M.G.L. DILSHAN 00 LAYSHAFT ASSEMBLY 2018/05/29 SHT-GB-LAYA-0.R
  • 10.
    5 3 2 1 ITEM NO. PARTNUMBER QTY. 1 SHT-GB-OUTA-OUTP-0.R 1 2 bearing_6408-2rs_ya5_0_01 2 DWG NO: SHEET 06 OF 12SCALE 1:5 ASSEMBLED ON: SHT-GB-0.R REVISION DRAWN CHECKED APPROVED DATE CHANGESINITIAL ISSUE H.W.S. DILANJAYA K.M.G.L. DILSHAN 00 OUTPUT SHAFT ASSEMBLY 2018/05/29 SHT-GB-OUTA-0.R
  • 11.
    2 1 3 6 5 4 ITEM NO. PARTNUMBER QTY. 1 SHT-GB-S23A-S23P-0.R 1 2 SHT-GB-S23A-T22G-0.R 1 3 SHT-GB-S23A-T32G-0.R 1 4 Circlip DIN 471 - 65 x 2.5 2 5 SHT-GB-S23A-T22K-0.R 1 6 SHT-GB-S23A-T32K-0.R 1 DWG NO: SHEET 07 OF 12SCALE 1:5 ASSEMBLED ON: SHT-GB-0.R REVISION DRAWN CHECKED APPROVED DATE CHANGESINITIAL ISSUE H.W.S. DILANJAYA K.M.G.L. DILSHAN 00 2-3 SELECTOR ASSEMBLY 2018/05/29 SHT-GB-S23A-0.R
  • 12.
    4 3 1 5 6 2 4 ITEM NO. PARTNUMBER QTY. 1 SHT-GB-S1RA-S1RP-0.R 1 2 SHT-GB-S1RA-TR2G-0.R 1 3 SHT-GB-S1RA-T12G-0.R 1 4 Circlip DIN 471 - 65 x 2.5 2 5 SHT-GB-S1RA-TR2K-0.R 1 6 SHT-GB-S1RA-T12K-0.R 1 DWG NO: SHEET 08 OF 12SCALE 1:5 ASSEMBLED ON: SHT-GB-0.R REVISION DRAWN CHECKED APPROVED DATE CHANGESINITIAL ISSUE H.W.S. DILANJAYA K.M.G.L. DILSHAN 00 1-R SELECTOR ASSEMBLY 2018/05/29 SHT-GB-S1RA-0.R
  • 13.
    2 4 5 1 3 ITEM NO. PARTNUMBER QTY. 1 SHT-GB-F23A-F23P-0.R 1 2 SHT-GB-F23A-LP23-0.R 1 3 SHT-GB-F23A-CN23-0.R 1 4 DIN 912 M4 x 12 --- 12C 1 5 DIN 912 M4 x 20 --- 20C 1 DWG NO: SHEET 09 OF 12SCALE 1:2 ASSEMBLED ON: SHT-GB-0.R REVISION DRAWN CHECKED APPROVED DATE CHANGESINITIAL ISSUE H.W.S. DILANJAYA K.M.G.L. DILSHAN 00 2-3 FORK ASSEMBLY 2018/05/29 SHT-GB-F23A-0.R
  • 14.
    4 5 1 3 2 ITEM NO. PARTNUMBER QTY. 1 SHT-GB-F1RA-F1RP-0.R 1 2 SHT-GB-F1RA-CN1R-0.R 1 3 SHT-GB-F1RA-LP1R-0.R 1 4 DIN 912 M4 x 20 --- 20C 1 5 DIN 912 M4 x 12 --- 12C 1 DWG NO: SHEET 10 OF 12SCALE 1:2 ASSEMBLED ON: SHT-GB-0.R REVISION DRAWN CHECKED APPROVED DATE CHANGESINITIAL ISSUE H.W.S. DILANJAYA K.M.G.L. DILSHAN 00 1-R FORK ASSEMBLY 2018/05/29 SHT-GB-F1RA-0.R
  • 15.
    1 2 3 4 ITEM NO. PARTNUMBER QTY. 1 SHT-GB-CVTA-CVTP-0.R 1 2 SHT-GB-CVTA-PGSE-0.R 1 3 SHT-GB-CVTA-SPMT-0.R 1 4 EN ISO 4762 M6 x 12 - 12N 2 DWG NO: SHEET 11 OF 12SCALE 1:10 ASSEMBLED ON: SHT-GB-0.R REVISION DRAWN CHECKED APPROVED DATE CHANGESINITIAL ISSUE H.W.S. DILANJAYA K.M.G.L. DILSHAN 00 COVER TOP PART ASSEMBLY 2018/05/29 SHT-GB-CVTA-0.R
  • 16.
    2 3 5 6 1 4 ITEM NO. PARTNUMBER QTY. 1 SHT-GB-GSHA-SPFR 1 2 SHT-GB-GSHA-SKNB 1 3 SHT-GB-GSHA-GSHP 1 4 DIN 912 M4 x 20 --- 20C 1 5 ISO 7089 WASHER M8 1 6 DIN ISO NUT M4 1 DWG NO: SHEET 12 OF 12SCALE 1:5 ASSEMBLED ON: SHT-GB-0.R REVISION DRAWN CHECKED APPROVED DATE CHANGESINITIAL ISSUE H.W.S. DILANJAYA K.M.G.L. DILSHAN 00 GEAR SHIFT HANDLE ASSEMBLY 2018/05/29 SHT-GB-GSHA-0.R
  • 17.
    5 10 5 10 R1 R5 R32.50R35 1 4 5 15 25 3 4 140.42 10.13 20 5 FRONT ELEVATION PLAN END ELEVATION SHT-GB-F23A-0.R SHT-GB-F23A-F23P-0.R LINEAR:.XX= 0.01; .X= 0.05; X.=0.1 ANGULAR: 0.5 2-3 FORK GREY CAST IRON DIMENSIONS IN MILLIMETERS TOLERANCES SURFACE FINISH: AS MACHINED SCALE 1:1 SHEET 02 OF 03 00 REVISION K.M.G.L. DILSHAN DRAWN CHECKEDH.W.S. DILANJAYA APPROVED DATE INITIAL ISSUE CHANGES DWG NO: ASSEMBLED ON: MATERIAL 2018/05/29
  • 18.
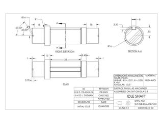
    60.00° 60.00° 18 18 R14 R1 A A FRONT ELEVATION 56 3.70 108.40 1 1 15 8 3.50 R16 SECTION A-A LINEAR: .XX= 0.01;.X= 0.05; X.=0.1 ANGULAR: 0.5 SHT-GB-IDLA-0.R IDLE SHAFT 2018/05/29 Ni/14-46Cr PLAN DWG NO: SHEET 02 OF 02SCALE 1:1 SURFACE FINISH: AS MACHINED TOLERANCES DIMENSIONS IN MILLIMETERS ASSEMBLED ON: REVISION DRAWN CHECKED APPROVED DATE CHANGESINITIAL ISSUE H.W.S. DILANJAYA K.M.G.L. DILSHAN 00 MATERIAL SHT-GB-IDLA-IDLP-0.R
  • 19.
    8 3.79 80 88 70 A A NUMBER OF GEARTEETH=20 5630 0.5 SECTION A-A 30 Ni 4 Cr 1LINEAR: .XX= 0.01;.X= 0.05; X.=0.1 ANGULAR: 0.5 SHT-GB-IDLA-0.R SHT-GB-IDLA-TRIG-0.R SPUR GEAR (TRI) 2018/05/29 FRONT ELEVATION DWG NO: SHEET 01 OF 02SCALE 1:1 SURFACE FINISH: AS MACHINED TOLERANCES DIMENSIONS IN MILLIMETERS ASSEMBLED ON: REVISION DRAWN CHECKED APPROVED DATE CHANGESINITIAL ISSUE H.W.S. DILANJAYA K.M.G.L. DILSHAN 00 MATERIAL
  • 20.
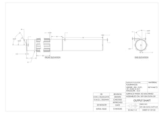
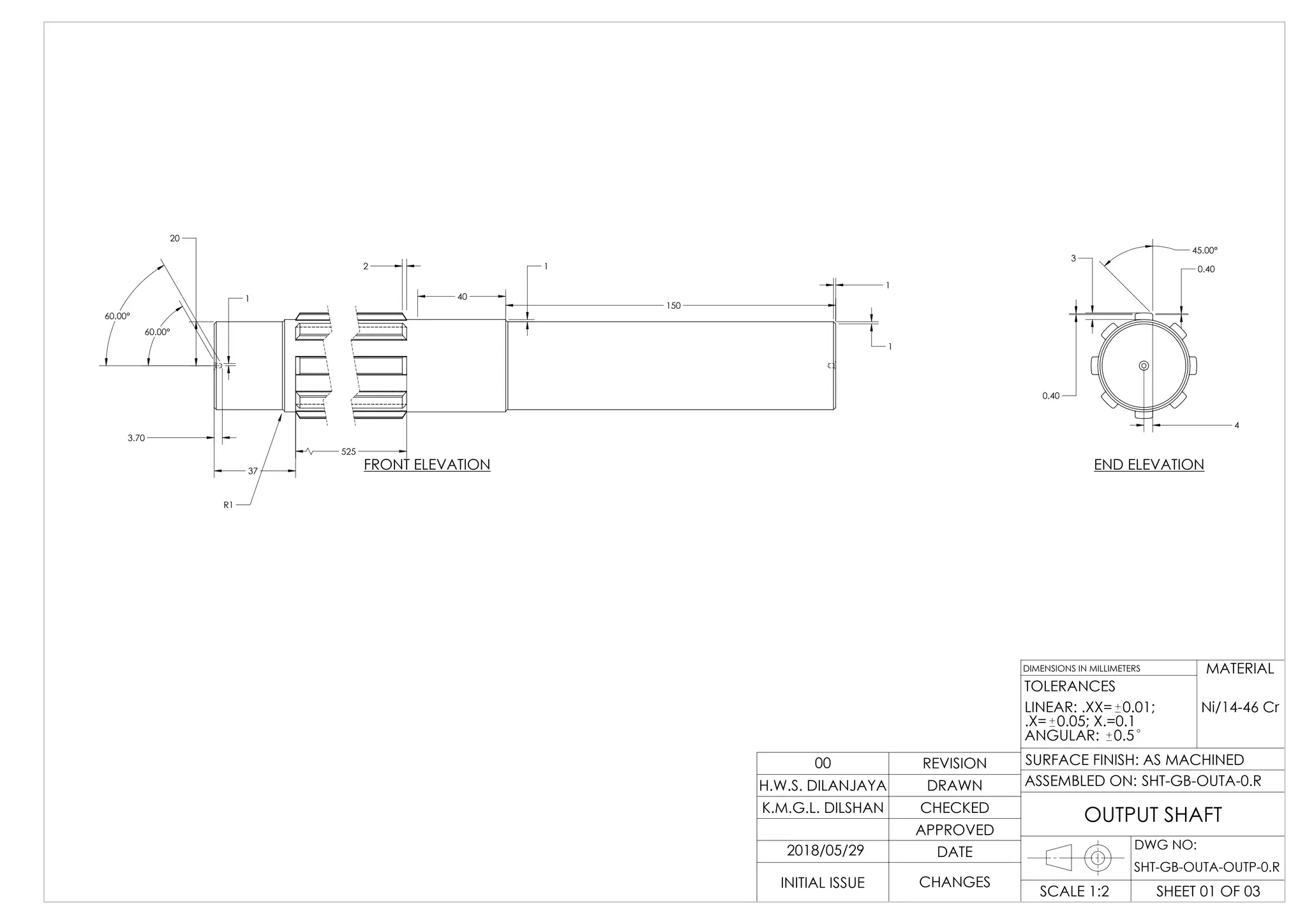
    60.00° 3.70 60.00° 20 40 1 1 150 525 37 2 R1 1 1 3 4 0.40 45.00° 0.40 LINEAR: .XX= 0.01; .X=0.05; X.=0.1 ANGULAR: 0.5 2018/05/29 SHT-GB-OUTA-0.R SHT-GB-OUTA-OUTP-0.R OUTPUT SHAFT FRONT ELEVATION END ELEVATION Ni/14-46 Cr DIMENSIONS IN MILLIMETERS TOLERANCES SURFACE FINISH: AS MACHINED SCALE 1:2 SHEET 01 OF 03 00 REVISION K.M.G.L. DILSHAN DRAWN CHECKED H.W.S. DILANJAYA APPROVED DATE INITIAL ISSUE CHANGES DWG NO: ASSEMBLED ON: MATERIAL
  • 21.
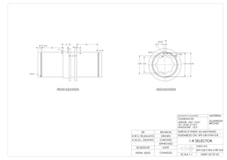
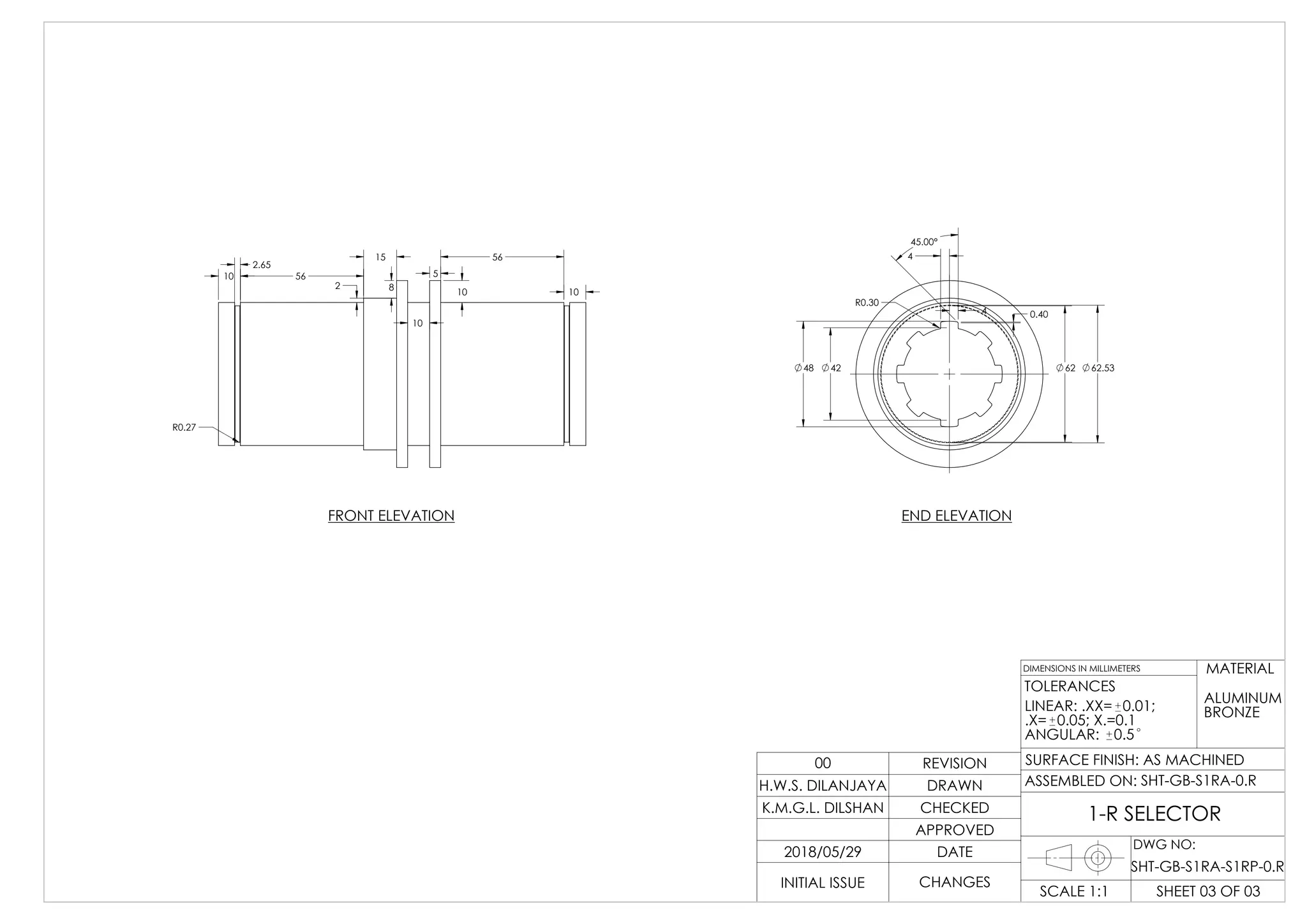
    10 10 56 10 5 8 10 15 2 56 R0.27 2.65 48 42 4 4 0.40 45.00° R0.30 62.5362 LINEAR: .XX=0.01; .X= 0.05; X.=0.1 ANGULAR: 0.5 2018/05/29 SHT-GB-S1RA-0.R SHT-GB-S1RA-S1RP-0.R 1-R SELECTOR FRONT ELEVATION END ELEVATION ALUMINUM BRONZE DIMENSIONS IN MILLIMETERS TOLERANCES SURFACE FINISH: AS MACHINED SCALE 1:1 SHEET 03 OF 03 00 REVISION K.M.G.L. DILSHAN DRAWN CHECKED H.W.S. DILANJAYA APPROVED DATE INITIAL ISSUE CHANGES DWG NO: ASSEMBLED ON: MATERIAL