1
Fully Automatic Anti-Collision Train Signalling
A
Minor project report
Submitted in partial fulfillment of the requirement for the degree of
Bachelor of Technology
In
Electronics and Communication Engineering
By
Hina Saxena (1103331064)
Anusha Srivastava (1103331037)
Anubha Mishra (1103331035)
Akanksha Gupta (1103331013)
Supervisor
Mr. Praveen Malik
Department of Electronics and Communication
RKGIT, Ghaziabad
Uttar Pradesh Technical University
2
Lucknow
ABSTRACT
The objective of this project is to control the railway tracks by using anti-collision techniques. The
model of railway track controller is designed by using 8952 microcontroller to avoid railway
accidents. When we go through the daily newspapers we come across many railway accidents
occurring at unmanned railway crossings. This is mainly due to the carelessness in manual
operations or lack of workers. And also the collision of two trains due to the same track. This model
is implemented using sensor technique. We placed the sensors at a certain distance from the gate
detects the approaching train and accordingly controls the operation of the gate. Also an indicator
light has been provided to alert the motorists about the approaching train.
3
4
ACKNOWLEDGEMENT
We extend our sincere gratitude towards Mr. Praveen Malik for giving us his
invaluable knowledge and wonderful technical guidance.
We express our thanks to all staff members of the Electronics and
Communication department for their kind co-operation and guidance.
We also thank all the other faculty members of ECE department and our
friends for their endless help and support.
Hina Saxena
Anusha Srivastava
Anubha Mishra
Akanksha Gupta
5
CANDIDATE DECLARATION
We hereby declare that the work, which is being presented in the project report, entitled “Fully
Automatic Anti-Collision Train Signalling” and submitted to the Department of Electronics &
Communication, Raj Kumar Goel Institute Of Technology, Ghaziabad is a record of our
work carried under Mr. Praveen Malik.
Hina Saxena (1103331064)
Anusha Srivastava (1103331037)
Anubha Mishra (1103331035)
Akanksha Gupta (1103331013)
6
CERTIFICATE
Certified that the work contained in the project report, entitled “Fully Automatic anti-Collision
Train Signalling”, by Hina Saxena (1103331064), Anusha Srivastava (1103331037), Anubha
Mishra (1103331035), Akanksha Gupta (1103331013) is being carried out under my
supervision. The work has been successfully completed to fulfill the requirement of project
report for this semester.
Mr. Praveen Malik
Associate Professor
Department of ECE
RKGIT, Ghaziabad
7
List of Figures and Tables
Fig 1.1: Causalities in Train Accidents during 1995-96 to 2006-07……..............8
Fig 2.1: Head-on collision………………………………………………………..11
Fig 2.2: Rear-end collision………………………………………………………..11
Fig 4.1: Advance Warning sign…………………………………………………..16
Fig 4.2: Whistle indicator………………………………………………………...17
Fig 4.3: Level crossing indicator…………………………………………………17
Fig 4.4: Cross bucks sign…………………………………………………………18
Fig 4.5: Speed limit sign………………………………………………………….18
Fig 5.1: Showing gate control…………………………………………………….19
Fig 5.2: Tracking switching………………………………………………………19
Fig 5.3: Anti collision device……………………………………………………..20
Fig 5.4: Circuit diagram of gate control………………………………………….20
Fig 5.5: Combination of track switching and gate controlling……………………21
Fig 6.1: Voltage regulator 78xx…………………………………………………...22
Fig 6.2: Pin diagram of 89S52 microcontroller……………………………………23
Fig 6.3: Block diagram of 89S52 microcontroller…………………………………23
Fig 6.4: Anti collision device………………………………………………………23
Fig 6.5: 1K Resistor………………………………………………………………..24
Fig 6.6: 1000 micro Farad capacitor……………………………………………….24
Fig 6.7: 1N4007 diode……………………………………………………………..24
Fig 6.8: LCD……………………………………………………………………….25
Fig 6.9: LED……………………………………………………………………….25
8
Fig 6.10: Crystal 12 Mhz………………………………………………………….26
Fig 6.11: Buzzer…………………………………………………………………...26
9
CONTENTS
Abstract……………………………………………………………………………….. 2
Acknowledgment……………………………………………………………............... 3
Candidate Declaration………………………………………….. ………………….. 4
Certificate…………………………….…………………………………………….... 5
List of Figure……………………………………………………………………….... 6-7
Chapter 1 Introduction……...……………..……………………………………….... 9
Chapter 2 Project background...................................................……………………..10-13
Chapter 3 Literature survey…………………………………………………………..14-15
Chapter 4 General features……………………………………………………………16-18
Chapter 5 Working model…………………………………………………….....19-21
Chapter 6 Devices Description…………………………………………………..22-26
Conclusion………………………………………………………………………………27
Bibliography………………………………………………………………………28
10
1.Introduction
Railway is lifeline of India and it is being the cheapest modes of transportation are preferred over
all other means of transportation. When we go through the daily newspapers we come across
many accidents in railroad railings. Railroad-related accidents are more dangerous than other
transportation accidents in terms of severity and death rate etc. Therefore more efforts are
necessary for improving safety. Collisions with train are generally catastrophic, in that the
destructive forces of a train usually no match for any other type of vehicle. Train collisions form
a major catastrophe, as they cause severe damage to life and property. Train collisions occur
frequently eluding all the latest technology.
Fig1.1: Causalities in Train Accidents during 1995-96 to 2006-07
11
2.Project Background
Railway safety is a crucial aspect of rail operation the world over. Malfunctions resulting in
accidents usually get wide media coverage even when the railway is not at fault and give to rail
transport, among the uninformed public, an undeserved image of inefficiency often fueling calls
for immediate reforms. This paper is aimed at helping the railway administrations concerned to
strengthen their safety culture and develop the monitoring tools required by modern safety
management. Railroad intersections are very unique, special, potentially dangerous and yet
unavoidable in the World. Here two different entities with entirely different responsibilities,
domains, performances come together and converge for a single cause of providing a facility to
the road user. During the normal operation also, there is every possibility of accidents occurring
even with very little negligence in procedure and the result is of very high risk. The potential for
accidents is made higher as the railways control only half the problem. The other half,
meanwhile, cannot really be said to be controlled by one entity, as even though traffic rules and
road design standards supposedly exist, the movements of road users are not organized and
monitored by one specific entity as rigidly as rail movements. The railway systems of Asia and
the Pacific are no exception to this. Each year, accidents at level crossings not only cause
fatalities or serious injuries to many thousands of road users and railway passengers, but also
impose a heavy financial burden in terms of disruptions of railway and road services and
damages to railway and road vehicles and property. A very high number of these collisions are
caused by the negligence, incompetence or incapacity of road vehicle drivers, who by and large
operate their vehicles in environments in which safety consciousness is practically non-existent.
Since it is the railway which must bear the responsibility for ensuring that it is protected from the
transgressions by road users (despite the fact that in many countries the law gives it priority of
passage over road users), it is the railway which also has to shoulder most of the financial burden
of providing this protection. Similarly, it is the railway, which has most of the responsibility for
educating road users on the safe use of its level crossings. Notwithstanding this, it appears that in
many regions, railways are ill-equipped to be in a position to monitor level crossing safety
effectively and to take both corrective and pro-active measures to improve the safety of their
level crossing installations.
12
In the rapidly flourishing country like ours, even though all the latest technologies are there train
collisions are occurring frequently. The railway accidents are happening due to the carelessness
in manual operations or lack of workers. The other main reasons for the collisions of Train are:
1.Train Derailment in curves and bends,2.Running Train collisions with the Standing
Train,3.Train Accidents in Slopes,4.Mis- signaling due to fog or Mist. There is no fruitful steps
have been taken so far in these areas. This paper deals about one of the efficient methods to
avoid train Collision and derailment. Also by using simple electronic components we tried to
automate the control of railway gate in an embedded platform.
13
2.1 Train Accidents
A classification of accidents by their consequences:
Head-on collisionand Rearend collision
Head on collision; one type of train accident is when two trains collide front face with each other
or train colliding on the same track from opposite ends called head on collision.
Fig2.1: Head-on Collision
Rear end collision; the other kind is when a train collides into the other that is in front of it,
called a rear end collision.
Fig. 2.2: Rear-end collision
14
2.2 Methodology
The following analyses are considered:
 Evaluation of the requirements of a Safety Management Information System which
adequately addresses the needs of railway management for information on train collision
avoidance performance; 

 Review of the essential and effective safety, enhancements, measures and priorities for
railway security. 

 Assessment of level crossing safety performance and safety measures 
 
 Examination of Cost Benefit Analysis of investments on level crossing safety
enhancement; 

 Review of the technical attributes and suitability of Networked Anti Collision System
(ACD) for level crossing protection system; 

Recommendations and guidelines for adoption of networked ACD Systems by railways.
15
3. Literature Review
3.1 Existing System:
The existing conventional signaling system most of the times relay on the oral
communication through telephonic and telegraphic conversations as input for the decision
making in track allocation for trains. There is large scope for miscommunication of the
information or communication gap due to the higher human interference in the system. This
miscommunication may lead to wrong allocation of the track for trains, which ultimately leads to
the train collision. The statistics in the developing countries showing that 80% of worst collisions
occurred so far is due to either human error or incorrect decision making through
miscommunication in signaling and its implementation. IR sensors are also used to identify the
cracks in the railway. IR sensors have limitations due to the geographic nature of the tracks. The
Anti collision device system also is found to be ineffective as it is not considering any active
inputs from existing Railway signaling system, and also lacks two ways communication
capability between the trains and the control centers or stations. Later geographical sensors have
also been used which makes use of satellites for communication. But the system is costly and
complicated to implement.
At present laser proximity detector is used for collision avoidance, IR sensors identifies the cracks in
the railway track and gate control is done by manual switch controlled gate. But there is no
combined solution for collision between trains, train derailment in curves and bends and the
automatic control of railway gate.
16
3.2 Proposed System
The proposed Train Anti Collision and Level Crossing Protection System consists of a
self-acting microcontroller and anti-collision technique which works round-the-clock to avert
train collisions and accidents at the level crosses. Thus enhances safety in train operations by
providing a NON-SIGNAL additional safety overlay over the existing signaling system. The
system operates without replacing any of the existing signaling and nowhere affects the vital
functioning of the present safety systems deployed for train operations. The proposed system
gets data from the vibration sensor. The efficiency of the system is expected to be considerably
increased as the proposed system takes inputs from the sensor and also from the level crossing
gates. As more relevant data are included, it is expected that the present system may assist loco
drivers in averting accidents efficiently. As no change is necessary to be made to the
infrastructure of the existing system, the cost of implementation of this system is also less. The
system has been designed and simulated using proteus real time simulation software.
17
4. General Features
Automatic track switching:
It displays monitoring of the two trains on one track. If the two trains are on one
track then one train stop immediate due to red light and second train changes its
path automatically.
Automatic Gate Control:
It deals with two things. Firstly, it deals with the reduction of time for which the
gate is being kept closed. And secondly, to provide safety to the road users by
reducing the accidents that usually occurdue to carelessness of road users and at
times errors made by the gatekeepers.
Anti-Collision Device:
ACDs have knowledge fixed intelligence. They take inputs from GPS satellite
system for position updates and take decisions for timely auto-application of
brakes to prevent dangerous ‘collisions’.
Warning Signs for railway:
1.Advance Sign: This sign tells you to slow your speed and look and listen for
the train, and be ready to stop at the tracks if a train is coming.
Fig4.1: Advance Warning Sign
18
2. Whistle Indicator: ‘W’, or ‘W/L’ on a square yellow board. The ‘W’ is a
general whistle indicator while the ‘W/L’ stands for Whistle for Level Crossing.
The latter is also seen in Hindi with the characters ‘see/pha’ == ‘seetee bajao -
phatak’).
Fig. 4.2: Whistle Indicator
3. Level Crossing Indicator: A black ‘L’ on a square yellow board indicates
approachto a level crossing.
Fig. 4.3: Level Crossing Indicator
4. Cross Buks Sign: Cross bucks are located at all grade crossings on both
approaches to the crossing. Form an X via the intersection of two 1200 mm x 200
mm retro-reflective pieces. A cross buck sign provides the last indication to the
driver where the crossing is located.
19
Fig. 4.4: Cross Bucks sign
5. Speed Limit: Number on triangular yellow board speed limit in km/h.
‘KMPH’ or ‘KM/H’ may optionally appear below the number in black text.
Fig. 4.5: Speed limit sign
20
5. Working Model
5.1 Technology used in Model gate control: Using simple electronic device, we have
tried to control the railway gate. A sensor is placed at certain distance of railway gate to detect
the train. When a train comes it detects the train and displayed it on the monitor and then it
controls the railway gate and reduces the railway accident.
Fig. 5.1: Showing Gate control
5.2 Track switching: Considering a situation where is an express train and a local train is
travelling on the same track in opposite directions; the express train is permitted to travel on the
same track and the local train has to switch on to the other track. Indicator lights have been
provided to avoid collisions. In this, switching operation is performed using a stepper motor. In
practical purposes this can be achieved using electromagnets.
Fig. 5.2: Tracking switching
5.3 Anti Collision device: Anti-Collision Devices have knowledge fixed intelligence. They
take inputs from GPS satellite system for position updates and take decisions for timely auto-
application of brakes to prevent dangerous ‘collisions’.
ACDs fitted (both in Locomotive and Guard’s Van of a train) act as a watchdog in the
21
dark as they constantly remain in lookout for other train bound ACDs, within the braking
distance required for their relative speeds.
Fig. 5.3: Anti Collision device
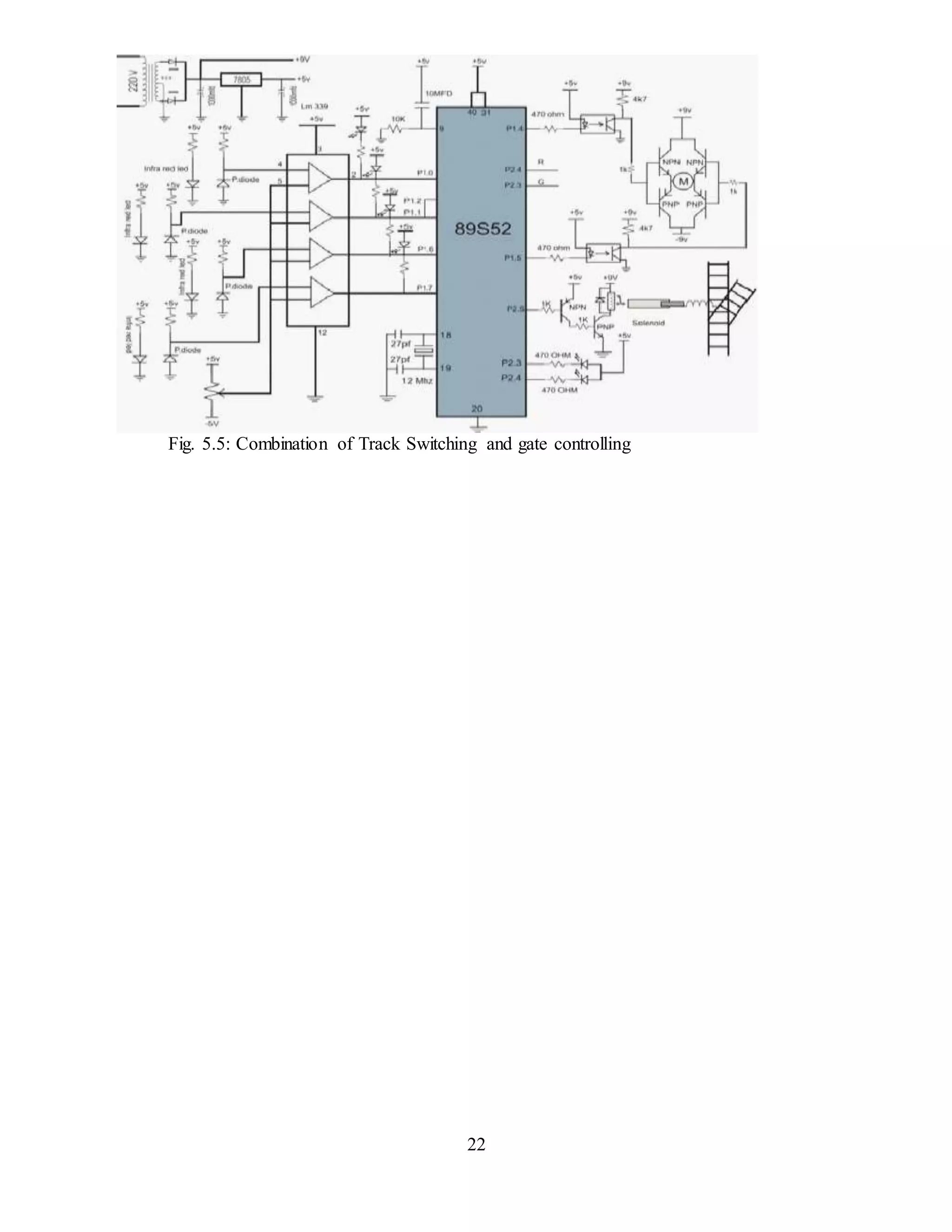
5.4 Combination of track switching and gate control:
Fig. 5.4: Circuit diagram of gate control
We use two platforms to make easy model which can make any number of platform. When train
reaches at certain distance from the railway track a set of sensors are placed to detect the train
and two pairs of sensor are placed on other side of track to detect the train.
When the train is at the first pair of sensors it sends a signal to microcontroller to know
the availability of plat form. Hereafter checking availability microcontroller operates stepper
motor to change the track.
22
Fig. 5.5: Combination of Track Switching and gate controlling
23
6. Devices description
6.1. 12012500 mAmp transformer: 12-0-12 means that the voltage or the potential
difference (p.d.) between each of the end terminal of the secondary winding and the mid-point of
the secondary winding of the transformer is 12V. And, between the two ends of the secondary
winding, you will get 12 + 12 = 24V. 500mA means the current delivery capability of the
secondary winding of the transformer. Normally it is said in VA. In your case it would be 25 x
0.5 = 12VA. The ratings are arrived at based on the requirements of the loads that are to be
connected to the transformer. The limiting criteria is the winding wire thickness and the
insulation of the winding.
6.2 Voltage regulator: We have used 2 types of voltage regulators: 7805 and 7812.
The 78xx is a family of self-contained fixed linear voltage regulator integrated circuits. The 78xx
family is commonly used in electronic circuits requiring a regulated power supply due to their
ease-of-use and low cost. For ICs within the family, the xx is replaced with two digits, indicating
the output voltage (for example, the 7805 has a 5 volt output, while the 7812 produces 12 volts).
The 78xx lines are positive voltage regulators: they produce a voltage that is positive relative to a
common ground.
Fig.6.1:voltage regulator 78xx
6.3 89S52micro-controller:The AT89S52 is a low-power, high-performance CMOS 8-bit
microcontroller with 8Kbytes of in-system programmable Flash memory. The device is
manufactured using Atmel’s high-density non-volatile memory technology and is compatible
with the industry-standard 80C51 instruction set and pin out. The on-chip flash allows the
program memory to be reprogrammed in-system or by a conservative non-volatile memory
programmer. The AT89S52 provides the following standard features: 8K bytes of Flash, 256
bytes of RAM, 32 I/O lines, Watchdog timer, two data pointers, three 16-bit timer/counters, a
six-vector two-level interrupt architecture, a full duplex serial port, on-chip oscillator, and clock
circuitry.
24
Fig. 6.2: Pin diagram of 89S52 Micro-controller
Fig.6.3: Block diagram of at89S52 micro-controller
6.4 Anti collisiondevice: ACDs fixed (both in Locomotive and Guard’s Van of a train) act
as a watchdog in the dark as they continuously remain in lookout for other train bound ACDs,
within the braking distance necessary for their relative speeds. They communicate through their
radios and identify each other. If they happen to find themselves on the same track and coming
closer to each other, they automatically restrain and stop each other, thereby preventing
dangerous head-on and rear-end collisions.
Fig. 6.4: Anti collision device
25
6.5 Resistor:A resistor is a passive two-terminal electrical component that implements
electrical resistance as a circuit element. Resistors act to reduce current flow, and, at the same
time, act to lower voltage levels within circuits.
We have used 1K, 10K, 1.2K resistors.
Fig. 5.2: 1K ohm resistor
6.6 Capacitor: A capacitor (originally known as a condenser) is a passive two-
terminal electrical component used to store energy electrostatically in an electric field. The forms
of practical capacitors vary widely, but all contain at least two electrical conductors (plates)
separated by a dielectric (i.e. insulator). The conductors can be thin films, foils or sintered beads
of metal or conductive electrolyte, etc. The "non conducting" dielectric acts to increase the
capacitor's charge capacity. A dielectric can be glass, ceramic, plastic film, air, vacuum, paper,
mica, oxide layer etc. Capacitors are widely used as parts of electrical circuits in many common
electrical devices. Unlike a resistor, an ideal capacitor does not dissipate energy. Instead, a
capacitor stores energy in the form of an electrostatic field between its plates.
We have used 1000 micro Farad, 10 micro Farad capacitors.
Fig. 6.6: 1000 microFarad capacitor
6.7 1N4007diode: A diode is a two-terminal electronic component with
asymmetric conductance; it has low (ideally zero) resistance to current in one direction, and high
(ideally infinite) resistance in the other. 1N4007 is a Rectifier diode and it has maximum reverse
bias voltage of 50 volt and maximum forward current capacity 1 ampere.
Fig. 6.7: 1N4007 diode
26
6.8 LCD: A liquid-crystal display (LCD) is a flat panel display, electronic visual display,
or video display that uses the light modulating properties of liquid crystals. Liquid crystals do not
emit light directly.
LCDs are available to display arbitrary images (as in a general-purpose computer display) or
fixed images which can be displayed or hidden, such as preset words, digits, and 7-
segment displays as in a digital clock. They use the same basic technology, except that arbitrary
images are made up of a large number of small pixels, while other displays have larger elements.
Fig. 6.8: LCD
6.9 LED: A light-emitting diode (LED) is a two-lead semiconductor light source. It is a
basic p n-junction diode, which emits light when activated. When a suitable voltage is applied to
the leads, electrons are able to recombine with electron holes within the device, releasing energy
in the form of photons. This effect is called electroluminescence, and the color of the light
(corresponding to the energy of the photon) is determined by the energy band gap of the
semiconductor. We have used Red and Green LED’s.
Fig. 6.9
6.10:Crystal12 MHz: Standard frequency crystals - we use these crystals to provide a
27
clock input to the microprocessor. It is rated at 20pF capacitance and +/- 50ppm stability. Low
profile HC49/US Package.
Fig. 6.10: Crystal 12 MHz
6.11 Buzzer: A buzzer or beeper is an audio signalling device, which may
be mechanical, electromechanical, or piezoelectric. Typical uses of buzzers and beepers
include alarm devices, timers and confirmation of user input such as a mouse click or keystroke.
Fig. 6.11: Buzzer
6.12Berg connectors:A Berg connector is a brand of electrical connector used in computer
hardware. Berg connectors are manufactured by Berg Electronics Corporation of St. Louis,
Missouri, a division of Framatome Connectors International.
Berg connectors have a 2.54 mm (=.100 inch) pitch, pins are square (0.64 mm x 0.64 mm =
approx. 0.025 x 0.025 inch), and usually come as single or double row connectors
28
Conclusion
This project is suitably fulfilled the basic things such as avoidance of accidents inside the gate
and the avoidable of a gatekeeper. It avoids the railway accidents and provides safety. We have
seen little improvement in railway accidents. We also observed stronger safety records in certain
areas and believe they are the result of constant efforts to improve safety. We demonstrate that it
is possible to improve the overall safety of the railway system in India. We believe that success
depends on both the railway industry and the regulator working together to achieve that common
goal. The proposed system provide the means for real time inspection, review and data collection
for the purpose of maintenance on the movable and fixed facilities for the guarantee of operation
safety and maintenance efficiency as well as the safety appraisal decision-making system based
on the share of safety data.
29
Bibliography
1. A complete reference of Micro Controllers, by Natwar Singh.
2. Railways overview- a technical magazine.
3. Quantification of the business benefits of positive train control Prepared for the Federal
Railroad Administration, Revised March 15, 2004.
4. Wireless Communication for Signaling in Mass Transit Larcenous, Regis, Siemens
Transportation Systems, 26 Sept, 2003. This presentation describes Siemens efforts to develop
advanced data radio systems for RATP and NYCT.
5. Indian Railways Corporate Safety Plan (2003-13), August 2003, Govt. of India, Ministry of
Railways.
6. Railway crossing collision avoidance system. Shirley et al. - September, 2001.
30
31
32

Fully automatic anti collision train signalling project

  • 1.
    1 Fully Automatic Anti-CollisionTrain Signalling A Minor project report Submitted in partial fulfillment of the requirement for the degree of Bachelor of Technology In Electronics and Communication Engineering By Hina Saxena (1103331064) Anusha Srivastava (1103331037) Anubha Mishra (1103331035) Akanksha Gupta (1103331013) Supervisor Mr. Praveen Malik Department of Electronics and Communication RKGIT, Ghaziabad Uttar Pradesh Technical University
  • 2.
    2 Lucknow ABSTRACT The objective ofthis project is to control the railway tracks by using anti-collision techniques. The model of railway track controller is designed by using 8952 microcontroller to avoid railway accidents. When we go through the daily newspapers we come across many railway accidents occurring at unmanned railway crossings. This is mainly due to the carelessness in manual operations or lack of workers. And also the collision of two trains due to the same track. This model is implemented using sensor technique. We placed the sensors at a certain distance from the gate detects the approaching train and accordingly controls the operation of the gate. Also an indicator light has been provided to alert the motorists about the approaching train.
  • 3.
  • 4.
    4 ACKNOWLEDGEMENT We extend oursincere gratitude towards Mr. Praveen Malik for giving us his invaluable knowledge and wonderful technical guidance. We express our thanks to all staff members of the Electronics and Communication department for their kind co-operation and guidance. We also thank all the other faculty members of ECE department and our friends for their endless help and support. Hina Saxena Anusha Srivastava Anubha Mishra Akanksha Gupta
  • 5.
    5 CANDIDATE DECLARATION We herebydeclare that the work, which is being presented in the project report, entitled “Fully Automatic Anti-Collision Train Signalling” and submitted to the Department of Electronics & Communication, Raj Kumar Goel Institute Of Technology, Ghaziabad is a record of our work carried under Mr. Praveen Malik. Hina Saxena (1103331064) Anusha Srivastava (1103331037) Anubha Mishra (1103331035) Akanksha Gupta (1103331013)
  • 6.
    6 CERTIFICATE Certified that thework contained in the project report, entitled “Fully Automatic anti-Collision Train Signalling”, by Hina Saxena (1103331064), Anusha Srivastava (1103331037), Anubha Mishra (1103331035), Akanksha Gupta (1103331013) is being carried out under my supervision. The work has been successfully completed to fulfill the requirement of project report for this semester. Mr. Praveen Malik Associate Professor Department of ECE RKGIT, Ghaziabad
  • 7.
    7 List of Figuresand Tables Fig 1.1: Causalities in Train Accidents during 1995-96 to 2006-07……..............8 Fig 2.1: Head-on collision………………………………………………………..11 Fig 2.2: Rear-end collision………………………………………………………..11 Fig 4.1: Advance Warning sign…………………………………………………..16 Fig 4.2: Whistle indicator………………………………………………………...17 Fig 4.3: Level crossing indicator…………………………………………………17 Fig 4.4: Cross bucks sign…………………………………………………………18 Fig 4.5: Speed limit sign………………………………………………………….18 Fig 5.1: Showing gate control…………………………………………………….19 Fig 5.2: Tracking switching………………………………………………………19 Fig 5.3: Anti collision device……………………………………………………..20 Fig 5.4: Circuit diagram of gate control………………………………………….20 Fig 5.5: Combination of track switching and gate controlling……………………21 Fig 6.1: Voltage regulator 78xx…………………………………………………...22 Fig 6.2: Pin diagram of 89S52 microcontroller……………………………………23 Fig 6.3: Block diagram of 89S52 microcontroller…………………………………23 Fig 6.4: Anti collision device………………………………………………………23 Fig 6.5: 1K Resistor………………………………………………………………..24 Fig 6.6: 1000 micro Farad capacitor……………………………………………….24 Fig 6.7: 1N4007 diode……………………………………………………………..24 Fig 6.8: LCD……………………………………………………………………….25 Fig 6.9: LED……………………………………………………………………….25
  • 8.
    8 Fig 6.10: Crystal12 Mhz………………………………………………………….26 Fig 6.11: Buzzer…………………………………………………………………...26
  • 9.
    9 CONTENTS Abstract……………………………………………………………………………….. 2 Acknowledgment……………………………………………………………............... 3 CandidateDeclaration………………………………………….. ………………….. 4 Certificate…………………………….…………………………………………….... 5 List of Figure……………………………………………………………………….... 6-7 Chapter 1 Introduction……...……………..……………………………………….... 9 Chapter 2 Project background...................................................……………………..10-13 Chapter 3 Literature survey…………………………………………………………..14-15 Chapter 4 General features……………………………………………………………16-18 Chapter 5 Working model…………………………………………………….....19-21 Chapter 6 Devices Description…………………………………………………..22-26 Conclusion………………………………………………………………………………27 Bibliography………………………………………………………………………28
  • 10.
    10 1.Introduction Railway is lifelineof India and it is being the cheapest modes of transportation are preferred over all other means of transportation. When we go through the daily newspapers we come across many accidents in railroad railings. Railroad-related accidents are more dangerous than other transportation accidents in terms of severity and death rate etc. Therefore more efforts are necessary for improving safety. Collisions with train are generally catastrophic, in that the destructive forces of a train usually no match for any other type of vehicle. Train collisions form a major catastrophe, as they cause severe damage to life and property. Train collisions occur frequently eluding all the latest technology. Fig1.1: Causalities in Train Accidents during 1995-96 to 2006-07
  • 11.
    11 2.Project Background Railway safetyis a crucial aspect of rail operation the world over. Malfunctions resulting in accidents usually get wide media coverage even when the railway is not at fault and give to rail transport, among the uninformed public, an undeserved image of inefficiency often fueling calls for immediate reforms. This paper is aimed at helping the railway administrations concerned to strengthen their safety culture and develop the monitoring tools required by modern safety management. Railroad intersections are very unique, special, potentially dangerous and yet unavoidable in the World. Here two different entities with entirely different responsibilities, domains, performances come together and converge for a single cause of providing a facility to the road user. During the normal operation also, there is every possibility of accidents occurring even with very little negligence in procedure and the result is of very high risk. The potential for accidents is made higher as the railways control only half the problem. The other half, meanwhile, cannot really be said to be controlled by one entity, as even though traffic rules and road design standards supposedly exist, the movements of road users are not organized and monitored by one specific entity as rigidly as rail movements. The railway systems of Asia and the Pacific are no exception to this. Each year, accidents at level crossings not only cause fatalities or serious injuries to many thousands of road users and railway passengers, but also impose a heavy financial burden in terms of disruptions of railway and road services and damages to railway and road vehicles and property. A very high number of these collisions are caused by the negligence, incompetence or incapacity of road vehicle drivers, who by and large operate their vehicles in environments in which safety consciousness is practically non-existent. Since it is the railway which must bear the responsibility for ensuring that it is protected from the transgressions by road users (despite the fact that in many countries the law gives it priority of passage over road users), it is the railway which also has to shoulder most of the financial burden of providing this protection. Similarly, it is the railway, which has most of the responsibility for educating road users on the safe use of its level crossings. Notwithstanding this, it appears that in many regions, railways are ill-equipped to be in a position to monitor level crossing safety effectively and to take both corrective and pro-active measures to improve the safety of their level crossing installations.
  • 12.
    12 In the rapidlyflourishing country like ours, even though all the latest technologies are there train collisions are occurring frequently. The railway accidents are happening due to the carelessness in manual operations or lack of workers. The other main reasons for the collisions of Train are: 1.Train Derailment in curves and bends,2.Running Train collisions with the Standing Train,3.Train Accidents in Slopes,4.Mis- signaling due to fog or Mist. There is no fruitful steps have been taken so far in these areas. This paper deals about one of the efficient methods to avoid train Collision and derailment. Also by using simple electronic components we tried to automate the control of railway gate in an embedded platform.
  • 13.
    13 2.1 Train Accidents Aclassification of accidents by their consequences: Head-on collisionand Rearend collision Head on collision; one type of train accident is when two trains collide front face with each other or train colliding on the same track from opposite ends called head on collision. Fig2.1: Head-on Collision Rear end collision; the other kind is when a train collides into the other that is in front of it, called a rear end collision. Fig. 2.2: Rear-end collision
  • 14.
    14 2.2 Methodology The followinganalyses are considered:  Evaluation of the requirements of a Safety Management Information System which adequately addresses the needs of railway management for information on train collision avoidance performance;    Review of the essential and effective safety, enhancements, measures and priorities for railway security.    Assessment of level crossing safety performance and safety measures     Examination of Cost Benefit Analysis of investments on level crossing safety enhancement;    Review of the technical attributes and suitability of Networked Anti Collision System (ACD) for level crossing protection system;   Recommendations and guidelines for adoption of networked ACD Systems by railways.
  • 15.
    15 3. Literature Review 3.1Existing System: The existing conventional signaling system most of the times relay on the oral communication through telephonic and telegraphic conversations as input for the decision making in track allocation for trains. There is large scope for miscommunication of the information or communication gap due to the higher human interference in the system. This miscommunication may lead to wrong allocation of the track for trains, which ultimately leads to the train collision. The statistics in the developing countries showing that 80% of worst collisions occurred so far is due to either human error or incorrect decision making through miscommunication in signaling and its implementation. IR sensors are also used to identify the cracks in the railway. IR sensors have limitations due to the geographic nature of the tracks. The Anti collision device system also is found to be ineffective as it is not considering any active inputs from existing Railway signaling system, and also lacks two ways communication capability between the trains and the control centers or stations. Later geographical sensors have also been used which makes use of satellites for communication. But the system is costly and complicated to implement. At present laser proximity detector is used for collision avoidance, IR sensors identifies the cracks in the railway track and gate control is done by manual switch controlled gate. But there is no combined solution for collision between trains, train derailment in curves and bends and the automatic control of railway gate.
  • 16.
    16 3.2 Proposed System Theproposed Train Anti Collision and Level Crossing Protection System consists of a self-acting microcontroller and anti-collision technique which works round-the-clock to avert train collisions and accidents at the level crosses. Thus enhances safety in train operations by providing a NON-SIGNAL additional safety overlay over the existing signaling system. The system operates without replacing any of the existing signaling and nowhere affects the vital functioning of the present safety systems deployed for train operations. The proposed system gets data from the vibration sensor. The efficiency of the system is expected to be considerably increased as the proposed system takes inputs from the sensor and also from the level crossing gates. As more relevant data are included, it is expected that the present system may assist loco drivers in averting accidents efficiently. As no change is necessary to be made to the infrastructure of the existing system, the cost of implementation of this system is also less. The system has been designed and simulated using proteus real time simulation software.
  • 17.
    17 4. General Features Automatictrack switching: It displays monitoring of the two trains on one track. If the two trains are on one track then one train stop immediate due to red light and second train changes its path automatically. Automatic Gate Control: It deals with two things. Firstly, it deals with the reduction of time for which the gate is being kept closed. And secondly, to provide safety to the road users by reducing the accidents that usually occurdue to carelessness of road users and at times errors made by the gatekeepers. Anti-Collision Device: ACDs have knowledge fixed intelligence. They take inputs from GPS satellite system for position updates and take decisions for timely auto-application of brakes to prevent dangerous ‘collisions’. Warning Signs for railway: 1.Advance Sign: This sign tells you to slow your speed and look and listen for the train, and be ready to stop at the tracks if a train is coming. Fig4.1: Advance Warning Sign
  • 18.
    18 2. Whistle Indicator:‘W’, or ‘W/L’ on a square yellow board. The ‘W’ is a general whistle indicator while the ‘W/L’ stands for Whistle for Level Crossing. The latter is also seen in Hindi with the characters ‘see/pha’ == ‘seetee bajao - phatak’). Fig. 4.2: Whistle Indicator 3. Level Crossing Indicator: A black ‘L’ on a square yellow board indicates approachto a level crossing. Fig. 4.3: Level Crossing Indicator 4. Cross Buks Sign: Cross bucks are located at all grade crossings on both approaches to the crossing. Form an X via the intersection of two 1200 mm x 200 mm retro-reflective pieces. A cross buck sign provides the last indication to the driver where the crossing is located.
  • 19.
    19 Fig. 4.4: CrossBucks sign 5. Speed Limit: Number on triangular yellow board speed limit in km/h. ‘KMPH’ or ‘KM/H’ may optionally appear below the number in black text. Fig. 4.5: Speed limit sign
  • 20.
    20 5. Working Model 5.1Technology used in Model gate control: Using simple electronic device, we have tried to control the railway gate. A sensor is placed at certain distance of railway gate to detect the train. When a train comes it detects the train and displayed it on the monitor and then it controls the railway gate and reduces the railway accident. Fig. 5.1: Showing Gate control 5.2 Track switching: Considering a situation where is an express train and a local train is travelling on the same track in opposite directions; the express train is permitted to travel on the same track and the local train has to switch on to the other track. Indicator lights have been provided to avoid collisions. In this, switching operation is performed using a stepper motor. In practical purposes this can be achieved using electromagnets. Fig. 5.2: Tracking switching 5.3 Anti Collision device: Anti-Collision Devices have knowledge fixed intelligence. They take inputs from GPS satellite system for position updates and take decisions for timely auto- application of brakes to prevent dangerous ‘collisions’. ACDs fitted (both in Locomotive and Guard’s Van of a train) act as a watchdog in the
  • 21.
    21 dark as theyconstantly remain in lookout for other train bound ACDs, within the braking distance required for their relative speeds. Fig. 5.3: Anti Collision device 5.4 Combination of track switching and gate control: Fig. 5.4: Circuit diagram of gate control We use two platforms to make easy model which can make any number of platform. When train reaches at certain distance from the railway track a set of sensors are placed to detect the train and two pairs of sensor are placed on other side of track to detect the train. When the train is at the first pair of sensors it sends a signal to microcontroller to know the availability of plat form. Hereafter checking availability microcontroller operates stepper motor to change the track.
  • 22.
    22 Fig. 5.5: Combinationof Track Switching and gate controlling
  • 23.
    23 6. Devices description 6.1.12012500 mAmp transformer: 12-0-12 means that the voltage or the potential difference (p.d.) between each of the end terminal of the secondary winding and the mid-point of the secondary winding of the transformer is 12V. And, between the two ends of the secondary winding, you will get 12 + 12 = 24V. 500mA means the current delivery capability of the secondary winding of the transformer. Normally it is said in VA. In your case it would be 25 x 0.5 = 12VA. The ratings are arrived at based on the requirements of the loads that are to be connected to the transformer. The limiting criteria is the winding wire thickness and the insulation of the winding. 6.2 Voltage regulator: We have used 2 types of voltage regulators: 7805 and 7812. The 78xx is a family of self-contained fixed linear voltage regulator integrated circuits. The 78xx family is commonly used in electronic circuits requiring a regulated power supply due to their ease-of-use and low cost. For ICs within the family, the xx is replaced with two digits, indicating the output voltage (for example, the 7805 has a 5 volt output, while the 7812 produces 12 volts). The 78xx lines are positive voltage regulators: they produce a voltage that is positive relative to a common ground. Fig.6.1:voltage regulator 78xx 6.3 89S52micro-controller:The AT89S52 is a low-power, high-performance CMOS 8-bit microcontroller with 8Kbytes of in-system programmable Flash memory. The device is manufactured using Atmel’s high-density non-volatile memory technology and is compatible with the industry-standard 80C51 instruction set and pin out. The on-chip flash allows the program memory to be reprogrammed in-system or by a conservative non-volatile memory programmer. The AT89S52 provides the following standard features: 8K bytes of Flash, 256 bytes of RAM, 32 I/O lines, Watchdog timer, two data pointers, three 16-bit timer/counters, a six-vector two-level interrupt architecture, a full duplex serial port, on-chip oscillator, and clock circuitry.
  • 24.
    24 Fig. 6.2: Pindiagram of 89S52 Micro-controller Fig.6.3: Block diagram of at89S52 micro-controller 6.4 Anti collisiondevice: ACDs fixed (both in Locomotive and Guard’s Van of a train) act as a watchdog in the dark as they continuously remain in lookout for other train bound ACDs, within the braking distance necessary for their relative speeds. They communicate through their radios and identify each other. If they happen to find themselves on the same track and coming closer to each other, they automatically restrain and stop each other, thereby preventing dangerous head-on and rear-end collisions. Fig. 6.4: Anti collision device
  • 25.
    25 6.5 Resistor:A resistoris a passive two-terminal electrical component that implements electrical resistance as a circuit element. Resistors act to reduce current flow, and, at the same time, act to lower voltage levels within circuits. We have used 1K, 10K, 1.2K resistors. Fig. 5.2: 1K ohm resistor 6.6 Capacitor: A capacitor (originally known as a condenser) is a passive two- terminal electrical component used to store energy electrostatically in an electric field. The forms of practical capacitors vary widely, but all contain at least two electrical conductors (plates) separated by a dielectric (i.e. insulator). The conductors can be thin films, foils or sintered beads of metal or conductive electrolyte, etc. The "non conducting" dielectric acts to increase the capacitor's charge capacity. A dielectric can be glass, ceramic, plastic film, air, vacuum, paper, mica, oxide layer etc. Capacitors are widely used as parts of electrical circuits in many common electrical devices. Unlike a resistor, an ideal capacitor does not dissipate energy. Instead, a capacitor stores energy in the form of an electrostatic field between its plates. We have used 1000 micro Farad, 10 micro Farad capacitors. Fig. 6.6: 1000 microFarad capacitor 6.7 1N4007diode: A diode is a two-terminal electronic component with asymmetric conductance; it has low (ideally zero) resistance to current in one direction, and high (ideally infinite) resistance in the other. 1N4007 is a Rectifier diode and it has maximum reverse bias voltage of 50 volt and maximum forward current capacity 1 ampere. Fig. 6.7: 1N4007 diode
  • 26.
    26 6.8 LCD: Aliquid-crystal display (LCD) is a flat panel display, electronic visual display, or video display that uses the light modulating properties of liquid crystals. Liquid crystals do not emit light directly. LCDs are available to display arbitrary images (as in a general-purpose computer display) or fixed images which can be displayed or hidden, such as preset words, digits, and 7- segment displays as in a digital clock. They use the same basic technology, except that arbitrary images are made up of a large number of small pixels, while other displays have larger elements. Fig. 6.8: LCD 6.9 LED: A light-emitting diode (LED) is a two-lead semiconductor light source. It is a basic p n-junction diode, which emits light when activated. When a suitable voltage is applied to the leads, electrons are able to recombine with electron holes within the device, releasing energy in the form of photons. This effect is called electroluminescence, and the color of the light (corresponding to the energy of the photon) is determined by the energy band gap of the semiconductor. We have used Red and Green LED’s. Fig. 6.9 6.10:Crystal12 MHz: Standard frequency crystals - we use these crystals to provide a
  • 27.
    27 clock input tothe microprocessor. It is rated at 20pF capacitance and +/- 50ppm stability. Low profile HC49/US Package. Fig. 6.10: Crystal 12 MHz 6.11 Buzzer: A buzzer or beeper is an audio signalling device, which may be mechanical, electromechanical, or piezoelectric. Typical uses of buzzers and beepers include alarm devices, timers and confirmation of user input such as a mouse click or keystroke. Fig. 6.11: Buzzer 6.12Berg connectors:A Berg connector is a brand of electrical connector used in computer hardware. Berg connectors are manufactured by Berg Electronics Corporation of St. Louis, Missouri, a division of Framatome Connectors International. Berg connectors have a 2.54 mm (=.100 inch) pitch, pins are square (0.64 mm x 0.64 mm = approx. 0.025 x 0.025 inch), and usually come as single or double row connectors
  • 28.
    28 Conclusion This project issuitably fulfilled the basic things such as avoidance of accidents inside the gate and the avoidable of a gatekeeper. It avoids the railway accidents and provides safety. We have seen little improvement in railway accidents. We also observed stronger safety records in certain areas and believe they are the result of constant efforts to improve safety. We demonstrate that it is possible to improve the overall safety of the railway system in India. We believe that success depends on both the railway industry and the regulator working together to achieve that common goal. The proposed system provide the means for real time inspection, review and data collection for the purpose of maintenance on the movable and fixed facilities for the guarantee of operation safety and maintenance efficiency as well as the safety appraisal decision-making system based on the share of safety data.
  • 29.
    29 Bibliography 1. A completereference of Micro Controllers, by Natwar Singh. 2. Railways overview- a technical magazine. 3. Quantification of the business benefits of positive train control Prepared for the Federal Railroad Administration, Revised March 15, 2004. 4. Wireless Communication for Signaling in Mass Transit Larcenous, Regis, Siemens Transportation Systems, 26 Sept, 2003. This presentation describes Siemens efforts to develop advanced data radio systems for RATP and NYCT. 5. Indian Railways Corporate Safety Plan (2003-13), August 2003, Govt. of India, Ministry of Railways. 6. Railway crossing collision avoidance system. Shirley et al. - September, 2001.
  • 30.
  • 31.
  • 32.