Electromagnetism, ElectricityAnd Digital ElectronicsByEngr. Jorge P. Bautista
Course OutlineTheory of Electrons and ElectricityResistor and other passive elementsOhm’s Law and Electric CircuitsTheory of MagnetismDiode and other Electronic DevicesLogic Gates and flip-flopsCombinational and sequential circuits
Text and ReferencesDigital Design by ManoElectronic Devices by FloydEngineering Circuit Analysis by HaytIntroduction to Electric Circuits by DorfIntroduction to Digital Circuits by Bogart
Theory of ElectronsPrinciples of Electrons:		Electrons orbit the nucleus of an atom at certain distances from the nucleus.  Electrons near the nucleus have less energy than those in more distant orbits.Bohr’s Atomic Theory of an atom		An atom consist of a nucleus in which it consist of a neutron and a proton in which electrons orbit around it.
Shells of an AtomIn an atom, orbits are group into energy bands know as shells.  Each shell has a fixed maximum number of electrons at permissible energy levels.  The shells are designated as K,L,M,N, and so on. The outermost shell is know as valence shell and the electrons in this shell are called valence electrons.  These valence electrons contribute to chemical reactions and bonding.
Shells of orbital Electrons in an Atom
Parts of an AtomProton – positively charge particleElectron – negatively charge particleNeutron – neutral charge particle or no charge at all.
Ionization Ionization – the process of losing a valence electrons.Ion – the resulting positively charge atomFree electrons – the escaped valence electron.Positive ion – ions that loses  an electronNegative ion – ions that gained an electron
What are insulators, conductors and semi-conductors?Insulator – name given to materials that do not conduct electricity. They have less than 8 free electronsConductor – name given to materials that is a good conductor of electricity. They have many free electronsSemiconductor – materials having 8 valence electrons.
Some insulators and conductors*Insulator                      *ConductorGlass			              GoldPorcelain			      SilverMica				      CopperRubber			      AluminumAsbestos			      ZincParaffin			      TinPaper                                 LeadAir      		               iron
WIRE SIZES
What is Electricity?Electricity isthe flow of electrons from an area high in electron excess to one of lower electron content. the flow of energy in a wire (similar to the flow of water in a pipe) that is invisible, that causes the wire to become hot , causes a magnetic field to develop around the wire and can be put to work driving pumps, blowers, fans and so forth.Electricity cannot be generated. It can neither be created nor destroyed.  It can, however, be forced to move and thus transmit power or produce electrical phenomena.Two types of electricity:Static electricity – electricity at restDynamic electricity – electricity in motion
Common Sources of Electrical energy or Power.1. Battery – a single unit capable of producing DC voltage by converting chemical energy into electrical energy.2.   Dynamo – a machine that converts mechanical energy to electrical energy and vice versa.3.   Motor – transformation from electrical energy to mechanical energy.4.   Generator – transformation from mechanical energy to electrical energy.5.   Solar energy – it converts solar energy from the sun through the use of solar cells.
Alternating Current (AC) and Direct Current (DC)Direct current or DC is the first type of current because it is easy to produce.  This current always flows in one direction. Its disadvantage is that it has an excessive voltage drop and power loss in the power lines for a long distance.  Batteries are common sources of direct current.
Alternating current is the solution to the problem of DC. AC allows the flow of current in two directions. Today, it is possible to step up electricity to a power station, transmit it to any distant place and step it down for consumption.  A transformer is the device used for stepping up and stepping down AC voltage.
Graphical Representation of a DC
Graphical Representation of an AC
How Electricity is Delivered to a Customer
What is electrical energy and power?Electrical Energy – the capacity to do electrical workUnit:	watt-sec, kilowatt-hour, joule 		W = P x t	Where:  W = energy	               P = power                    t   = timeConversion factor:  1 joule = 107 ergs
Electric Power – the rate of doing electrical work or it is the rate at which electrical energy is converted to other forms of energy.Unit:	joule/sec, watt           P = work/time = EI =  E2/R  =  I2R Where E = voltage	        I  =  current             R  =  resistance
What is voltage?Voltage -  (potential Difference) or (electromotive force) – the force or pressure which makes electrons moves or tends to move from atom to atom along the wire.Unit: volts
What are current and resistance?Current – the rate of flow of electrons per unit of time. It can be direct current or alternating current.Unit: AmpereResistance– the capability of the resistor to limit the flow of current and reduce the amount of voltage in a circuit.Unit: ohms, 
Ohm’s LawThe current is directly proportional to the voltage across the resistance and inversely proportional to the resistance.                        V                  I = -----                        RPower Relationship:  P = VI
Mathematical PrefixesGiga = x109Mega = x106Kilo = x103milli = x10-3micro = x10-6nano = x10-9pico = x10-12
Conversion to Prefixes and Scientific Notations25000000V 0.0000067A1250000 meters0.005 liters2.4x103 meters33x10-6watts0.00045 A6.6x106Ω
EXERCISES
Basic Electrical Variables
Examples A simple circuit has 12V and a resistance of 4.7K.  Determine the current and power of the circuit.2.  The output current of a certain integrated circuit is 6mA and it is flowing into a resistance of 5K. Determine the voltage across the resistance.
3. Determine the hot resistance of a 60watts bulb operated from an effective voltage of 120V.4.  The power dissipated in a certain resistance is 100watts and the current is 4A. Determine the resistance.
5.  Assume that a family leaves a 60watts light bulb on for a duration of a two weeks trip.  If electricity cost 9 cents per kilowatt-hour, determine the cost incurred.
Assignment no. 1Research on the following scientist and state what invention he contributed in the field of electronicsCuneus and MuschenbrockBenjamin FranklinCharles Augustus CoulombLuigi GalvaniAlessandro VoltaHans Christian OerstedAndre Marie Ampere
8. Georg Simon Ohm9. Michael Faraday10. Karl Friedrich Gauss and Wilhelm Eduard Weber11. Joseph Henry12. Heinrich Lenz13. Samuel Finley Breese Morse14. Gustav Robert Kirchhoff15. James Clerk Maxwell16. Joseph Wilson Swan17. Thomas Alva Edison18. Heinrich Rudolf Hertz19. Nikola Tesla20. Guglielmo Marconi
21. Albert Einstein22. Shockley, Bardeen and Brattain23. Jack Kilby24. Robert Norton Noyce25. Seymour Cray
II. Complete the Table below, show your solutions
III. Problem SolvingWhat is the power in a circuit if the secondary transformer rated at 12V, 2A?How much is the power loss of 100Ω resistance, which consumes current of 10A?How much current is flowing in a 1KΩ resistor with an input voltage of 12V?How much resistance is needed to absorbed a current of 2.5mA with a voltage of 3V?
Electronics Test InstrumentsElectronics test instruments are crucial instruments that are often use for troubleshooting, repairing and analyzing the operation of a specific device. The most frequently measured parameters are the voltage, resistance and current.The multi-tester or multi-meter or sometimes called VOM(Voltmeter, Ohmmeter, Milliammeter) is best instrument that can measure voltage, resistance and current. But this instrument measures the numerical value, not the actual waveform, which is also important to know when troubleshooting and determining the frequency of the signal.
Analog Multi-tester
The analog multi-tester has a moving coil assembly which is characterized by a needle pointer.  The advantage of analog multi-tester over digital multitester is a resistance test in testing electronic components such as capacitor and transistor.
Steps in Using Analog Multi-testerConnect the test probe to the appropriate jack. The red probe to the + jack and black probe to the (-) common jack.Check is the pointer rest exactly at the zero position or infinite position at the ohmmeter range. If not adjust the zero corrector screw.Check the accuracy of the ohmmeter by touching the two test probe. Set the multitester to x1 ohm or x10 ohms selector range. Hold the two test probe simultaneously. The pointer should not deflect when holding the two test probe. If the pointer deflects, the ohmmeter range is defective.
4. Check the probes if they are OK. Set the multi-tester to corresponding selector resistance range.  Short the two probes lead together. The pointer should deflect towards zero ohm reading. Adjust the ohm adjustment if the pointer could not rest exactly at “0” ohm reading. If nothing happen the possible cause is low powered battery
Resistance MeasurementSelect the desired resistance range scale with the selector switch. Read the pointer and multiply by the selected range.DC/AC Voltage MeasurementSet the selector knob to the proper scale range. The chosen scale range must be higher than the anticipated voltage to be measured.
DC/AC Current MeasurementThe ammeter scale is the same as the voltmeter scale. Apply the same procedure in measuring voltage. However, in current measurement , the meter must be connected in series with the circuit. Unlike in measuring voltage, the connection is parallel.
Advantages of Digital over AnalogMore accurateIt draws essentially no energy from the circuit being measured and hence will not affect the measured quantitySome are featured with autoranges that change the scale automatically providing the correct read out without having to change manually.
Resistor Color Code
Resistor Color Code
Con’t
Exercises Decode the following resistor color.red, blue, violet, greenBlue, black, red, redYellow, red, orange, silverBlue, black, black, red, redGreen, red, red, green, blueGrey, green, silver, greenYellow, green, black, white, goldBlue, green, violet, red, orange, red
Two main categories of resistorLinear resistor – those which obey ohms law.Non-linear resistor – consist of three typesLight dependent resistor(LDR)- light sensitiveThermistor – heat sensitiveVoltage dependent resistor
Linear Resistor
Potentiometer
Classification of ResistorAccording to type of materialCarbon compositionCarbon filmMetal filmWire woundAccording to their toleranceGeneral purpose, 5% or greaterSemi-precision, 1% to 5%Precision, 0.5% to 1%Ultra-precision, less than 0.5%
Cross section of a resistor--
Assignment no. 2Research on the following and draw the figure:	a. wattmeter	b. digital multimeterDecode the following color coded resistor.red, green, blue, violetYellow, green, silver, blueBlue, yellow, orange, green, redRed, blue, blue, red, orangeViolet, black, white, blue
Con’tIII. Find the color code of the given range of resistances.1.  4 bands 250Ω, +/-5%2.  5 bands 4.32KΩ, +/-1%3.  4 bands 270KΩ, +/-5%4. 5 bands 619MΩ, +/-2%5. 5 bands 356MΩ, +/-2%
Capacitor A device that stores electrons. The basic capacitor is made up of two conductors separated by an insulator, or dielectric. Depending on how the capacitor is built, the dielectric can be made of paper, plastic, mica, ceramic, glass, vacuum or any other non conductive materials. Capacitor storing ability is measured in Farad. 1 Farad is approximately 6,280,000,000,000,000,000 electrons.
Capacitor Parts
Capacitor Diagram
Commonly Used CapacitorElectrolytic, as in previous image is made of electrolyte, basically conductive salt in solvent.Ceramic- constructed with materials such as titanium acid barium for dielectric.Mylar(polyester Film)- this capacitor uses a thin polyester film as a dielectric.Tantalum- made of tantalum pentoxide.
Mylar Capacitor
Capacitor codeCode     ToleranceJ             +/-5%K            +/- 10%M           +/-20%C            +/- 0.25%
Ceramics Capacitor
Exercises Find the capacitance of the given capacitormylar:  333MMylar: 665JCeramics: 44Ceramics: 785Ceramics: 2K
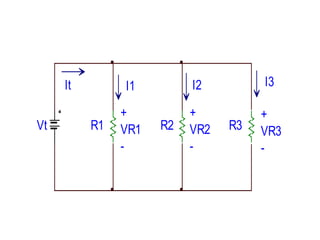
Series Parallel ResistorsSeries Resistors:Conditions:The total resistance of a series resistors is the sum of the individual resistances.The total voltage of a series resistors is the sum of individual voltages or voltage drops in each resistor.The total current of a series resistors is equal to the individual current in each resistors.
Equations:		Vt = VR1  +  VR2  +  VR3            =  I1R1  +  I2R2  +  I3R3		Rt  =  R1  +  R2  +  R3         It  =  I1  =  I2  =  I3
Power Equation         Pt = P1  +  P2  +  P3 The total power in a series resistors is equal to the sum of the individual power in each resistor.
Example Determine the total resistance, total current and current and voltage in each resistor of the circuit below
Find the total resistance, total current and voltage in each resistor.
3. Find Rx for the circuit shown below
4.  Find the value of the resistors in the given circuit if the total resistance is 100Ω.
5. Determine the voltage and power in each resistor below. Find the input voltage.
Assignment no. 3 Find Vt,P1, R1, V2, P2, R3, V3 and Pt for the circuit shown.
Parallel Resistors:Conditions:The total resistance is equal to the sum of the inverse of the resistances.The total current is equal to the sum of the current in each resistor.The voltages in each parallel resistor are equal.
Equations     Vt = VR1  =  VR2  =  VR3   1               1             1            1  ----   =     ------   +   ------   +  -------  Rt            R1           R2           R3   It =  I1  +  I2  +  I3
Exercises Find the total resistance of the given parallel resistors.
2. Determine the total resistance of the given parallel resistors
3.  Find Rx for the parallel resistor below
Assignment no. 4 4. Find the total resistance and current, voltage and power in each resistor below
Series-parallel resistorFind the total resistance of the circuit below:
2.  Find the total resistance of the circuit below. Determine the total current and power.
3. Find the total resistance of the circuit below.
4.  Find the total resistance of the circuit below.
Assignment no. 51. Find the total current and resistance of the circuit below.
MagnetismWhat is a magnet?A magnet is an object made of certain materials which create a magnetic field.  Every magnet has at least one north pole and one south pole.  By convention, we say that the magnetic field lines leave the North end of a magnet and enter the South end of a magnet.  This is an example of a magnetic dipole ("di" means two, thus two poles).  If you take a bar magnet and break it into two pieces, each piece will again have a North pole and a South pole.  If you take one of those pieces and break it into two, each of the smaller pieces will have a North pole and a South pole.  No matter how small the pieces of the magnet become, each piece will have a North pole and a South pole. 
The ancient Greeks and Chinese discovered that certain rare stones, called lodestones, were naturally magnetized.  These stones could attract small pieces of iron in a magical way, and were found to always point in the same direction when allowed to swing freely suspended by a piece of string.  The name comes from Magnesia, a district in Thessaly, Greece
Things that uses magnet:Headphones, stereo speakers, telephone receivers, phone ringers, microwave tubes, doorbell ringer solenoid, floppy disk recording and reading head, credit card, computer monitor deflection coil, computer hard drive recording, TV deflection coil, clothes washer and dryer, DVD spinner and head positioner, hard disk spinner, starter motor, A/C clutch, etc.
Ten facts about magnet1. North poles point north, south poles point south. 2. Like poles repel, unlike poles attract. 3. Magnetic forces attract only magnetic materials. 4. Magnetic forces act at a distance. 5. While magnetized, temporary magnets act like permanent magnets. 6. A coil of wire with an electric current flowing through it becomes a magnet. 7. Putting iron inside a current-carrying coil increases the strength of the electromagnet. 8. A changing magnetic field induces an electric current in a conductor. 9. A charged particle experiences no magnetic force when moving parallel to a magnetic field, but when it is moving perpendicular to the field it experiences a force perpendicular to both the field and the direction of motion. 10. A current-carrying wire in a perpendicular magnetic field experiences a force in a direction perpendicular to both the wire and the field.
Types of magnetsPermanent magnet Temporary magnets Electromagnets
Permanent MagnetsPermanent magnets are those we are most familiar with, such as the magnets hanging onto our refrigerator doors.  They are permanent in the sense that once they are magnetized, they retain a level of magnetism.  As we will see, different types of permanent magnets have different characteristics or properties concerning how easily they can be demagnetized, how strong they can be, how their strength varies with temperature, and so on.Temporary MagnetsTemporary magnets are those which act like a permanent magnet when they are within a strong magnetic field, but lose their magnetism when the magnetic field disappears.  Examples would be paperclips and nails and other soft iron items.
ElectromagnetsAn electromagnet is a tightly wound helical coil of wire, usually with an iron core, which acts like a permanent magnet when current is flowing in the wire.  The strength and polarity of the magnetic field created by the electromagnet are adjustable by changing the magnitude of the current flowing through the wire and by changing the direction of the current flow.Neodymium Iron Boron magnet = Nd2Fe14B or Nd15Fe77B8.
Coulomb’s lawThe magnitude of the electrostatic force between two point electric charges is directly proportional to the product of the magnitudes of each of the charges and inversely proportional to the square of the total distance between the two charges.           k Q1Q2 F  =  --------------  where k = 8.99E9 Nm2/C2                r2
K = 1 / 4oBut  = 8.854x10E-12
ExamplesTwo charges of +1C each is separated at a distance of 1meter.  Determine the force of repulsion of the two charge.Two balloons are charge with identical quantity of -6.25uC.  They are separated with a distance of 66.67cm.  Determine the force of repulsion of the two balloons.
Two charges +1.2uC and -2.4uC are separated with a distance of 2m. Determine the force of attraction of the two charges.The force of attraction between a +2.2uC and an unknown charge is 1.2N.  They are separated by 120cm distance.  Find the charge of the other electron.
Given the figure below:Find the total force of the two charges on charge -3.3uC.  Which has greater force of attraction?
Assignment no. 6Two charges, -10uC and +15uC, are  acting on a force of attraction of 4.5N.  Determine their distances.Two point charges, +25nC and -75nC, are 10cm apart.  Determine the force of attraction between them.
Determine the force of attraction of two negatively charge particle to the positively charge particle. Determine total force.
4.  Find the total force develop by three positive charge to the negative charge particle in the figure
Semiconductor MaterialsSemiconductors conduct less than metal conductors but more than insulators.Some common semiconductor materials are silicon (Si), germanium (Ge), and carbon (C).Silicon is the most widely used semiconductor material in the electronics industry.Almost all diodes, transistors, and ICs manufactured today are made from silicon.
Intrinsic semiconductors are semiconductors in their purest form.Extrinsic semiconductors are semiconductors with other atoms mixed in.These other atoms are called impurity atoms.The process of adding impurity atoms is called doping.
The figure below illustrates a bonding diagram of a silicon crystal.
Thermal energy is the main cause for the creation of an electron-hole pair, as shown in Figure As temperature increases, more thermally generated electron-hole pairs are created. In the figure, the hole acts like a positive charge because it attracts a free electron passing through the crystal.
The figure shows the doping of a silicon crystal with a pentavalent impurity.(N type) Arsenic (As) is shown in this figure, but other pentavalent impurities such as antimony (Sb) or phosphorous (P) could also be used.
The figure shows the doping of a silicon crystal with a trivalent impurity.(P type)  Aluminum (Al) is shown in this figure, but other trivalent impurities such as boron (B) or gallium (Ga) could also be used.
A popular semiconductor device called a diode is made by joining p- and n-type semiconductor materials, as shown in Fig. a. The doped regions meet to form a p-n junction.Diodes are unidirectional devices that allow current to flow in one direction. The schematic symbol for a diode is shown in Fig. b.
The PN junction
Biasing of DiodesForward biasReverse bias
Diode ApproximationsFirst approximation(switch)Second approximation(voltage Ge=0.3V, Si=0.7V)3.  Third approximation(with internal resistance called bulk resistance)
Polarity of Diodes
Diode ApplicationDetermine whether the diode is forward or reverse bias.1.
2.
Find the current and the voltage across the load if possible.
4.
5. Find the voltage and current in 1KΩ
6.Determine the current and voltage across 1.5KΩ
7.  Determine which switch will turn “ON” the LED.(all diode are silicon)
Find the output voltage
9. Find the total current and output voltage
Assignment no. 7Determine whether the diode is in forward or reverse bias. Why?
Identify the switches that will make the LED to “ON”
3.  Find the output voltage Vo
4.  Find the current and voltage across 2KΩ
Transistor- a three terminal device used for signal amplification.Three parts: collector, base and emitterTwo types: bipolar junction transistor                  field effect transistorTypes of transistor: pnp and npn
Symbol:NPN                            PNP
Construction:
Diode equivalent
Transistor configuration:Common baseCommon collectorCommon emitterCurrent consideration: Ic + Ib = Ie
Transistor parameters:The alpha, α, the ratio between the collector current and the emitter current’The beta, β, the ratio between the collector current and the base current.α = Ic / Ie, less than 1β = Ic / Ib, greater than 1 usually 50 to 500.
Examplescomplete the table below
LOGIC GATES AND DIGITAL CIRCUITSThere are generally two types of digital logic: combinational and sequential.Combinational logic refers to the type of logic that depends only in existing conditions to produce the outputs.  This type of logic can be implemented using logic gates only.  Sequential logic refers to operations that need some form of memory device such as flip flops since the output depend not only on the current existing input conditions but to previous input as well
The Logic GatesThey are the basic building blocks in digital electronics.  They are intended to implement different logic functions such as the NOT, OR, NOR, AND, NAND, XOR and XNOR.  The logic gate, regardless of the technology used such as CMOS(complementary metal-oxide semiconductor) or TTL(transistor-transistor logic), is internally composed of an electronic circuit usually transistor based to provide a preset logic function.
There are many ways of describing the function of logic gates and other logic devices. The two most common are truth table and timing diagrams.  A truth table is a tabulated list of all possible input and out combinations of a logic device. A timing diagram is a graphical method of showing the exact output behavior of a logic circuit for every possible set of input condition.For a 2 input device, there are 4 possible combinations of inputs and output.  The inputs can either be 0, 1 or even don’t care condition.  The don’t care status means that the particular input has no effect on the output.  This is usually marked by a D or an “x” symbol in many diagrams.
Truth table and Timing Diagram
The InverterThe inverter is one of the most popular logic gates in terms of use. It has one input and one output. This gate’s basic function is simply to complement the logic signal at its input. This means that is the input is 1, then the output is 0, and vice versa.
Inverter (NOT gate)
OR GateThe function of the OR gate is to provide a high or 1 output when at least one of its input is 1. the output is low or 0 when all its inputs are 0.  the OR gate may have two or more inputs
AND GateThe AND gate is a basic logic gate whose output is a high logic output only when all input are high or 1.  The most common IC AND gate is the 2 input AND gate. AND gates with more than 2 inputs are also available
NOR GateThis is derived from OR gate.  It produces a high logic output when the inputs are all at logic low or 0 and a low logic output when at least one input is at high or 1.  This gate is formed by an OR Gate and followed by an inverter.
NAND GateThe NAND Gate produces a low logic output only when all its inputs are high.  This is simply a complement of the AND Gate. The NAND means NOT AND.  This “only if” characteristics makes the NAND gate one of the most useful gates in logic design.
XOR GateExclusive OR gate produces a high logic output only when one but all its input are high.  When the inputs are all high or all low, the output is low. If there are odd number of 1, the output is 1.
XNOR GateThis is the complement of XOR Gate.  It produces a logic low output only when one but not all its input are high.  This gate is sometimes referred to as the equality gate because both its input must be the same to get a high output
Internal Diagram of an IC
Exercises Construct the truth table and the timing diagram of the given logic gates
Find the possible output for S and Cout
5.  Obtain the output function of the given logic gates using truth table and draw the timing diagram
Design a logic circuit that would generate the given function.f(a,b,c) = a’b + c(ab+b’)f(a,b,c) = a[b’c’ + ab]’ + ac’f(a,b,c) = a + bc + b(a’bc’)
Assignment No. 8Design the given function using logic gates and construct the truth table and timing diagram.X = abd’ + d(a + bc’)Y = bd’ + (a + b + c’)(a’ + b’ + cd)f(a,b,c,d) = (ab + cd)(a’b + ab’)X = abc’ + bcd’ + cd[ab’ + a’b]’Y = (abcd’)’(ab + bc + cd’)
Problem SolvingDesign a logic circuit with 3 input such that the output is a logic 1 when 2 or more of the inputs are high.Design a logic circuit with 3 input such that the output will be high if two adjacent input are high.Design a logic circuit with 3 input such that the output will be low if the decimal equivalent of the input are 2<decimal≤6
4. In a simple copy machine, a stop signal, S, is to be generated to stop the machine operation and energize an indicator light whenever either of the following conditions exist: (1) there is no paper in the paper feeder tray; (2) the two micro switches in the paper path are activated, indicating a jam in the paper path.  The presence of paper in the feeder tray is indicated by a HIGH at the logic signal P. Each of the microswitches produces a logic signal (Q and R) that goes HIGH whenever paper is passing over the switch to activate it. Design the logic circuit to produce a HIGH at output signal S for the stated conditions.
5. A man decided to go out and have some relaxation period either Saturday or Sunday if his girlfriend is available. Design a circuit that would trigger his time of going out.
Flip-Flops and DecodersOne of the most basic memory elements is the flip-flops.  It is a bistablemultivibrator whose output toggles back and forth between two stable states: 1 or high and 0 or low. The flip-flop is considered a memory element because it can store or hold a logic signal for as long as required conditions are met. Understanding them is essential in learning the operation of sequential logic circuits.
Multivibrator- a device that perform and generate pulses.Astable MV- have no stable state. Their outputs continuously toggle between high and low levels. (oscillators)Monostable MV- they are one shot circuits. They have one stable output state, either high or low. (pulsator)Bistable MV- they are know as flip-flops. These devices are the basic counting and memory units in digital circuits. They have two stable states.
Set-Reset FF(SRFF NOR)It is commonly known as SRFF. The two output states are meant to be complementary. The term SET and RESET may be thought of as ‘set to 1’ or ‘reset to 0’. The SRFF circuit  shown is constructed using NOR gates. Notice that the configuration is actually symmetrical. The input labels may be interchanged as long as the output labels are also interchanged.
OperationInitially, assume the S input to be 1 and the R input to be 0. if the S input is 1, then the Q’ will be 0 and the complement of Q output is 1. the important point is when the S input is 1, Q is also 1. now if the S input is 0 and R is 1, then the Q is 0 and the complement Q’ is 1. therefore when R pin is 1, then Q is 0.if both inputs are 0, will Q and Q’ be 0? No. in this case, the previous condition has an effect. It will remain unchanged(hold)
  S     R     Q     Q’     OPERATION  0      0     H      H      no change  0      1     0       1       reset condition  1      0     1       0       set condition  1      1     x       x       unused(not applicable)
Timing Diagram
SRFF (NAND)
Operation If R = S = 1, this condition is the normal resting state, and if has no effect on the output state. The Q and Q’ will remain in whatever state they were in prior to this input condition.If S = 0 and R = 1. this will always cause Q = 1 state, where it will remain even after SET returns to 1. this is called setting the latch(SRFF).
If S = 1 and R = 0, this will always produce Q = 0 state, where the output will remain even after RESET returns to 1. This is called clearing or resetting the latch.If S = R = 0, this is not applicable.
   S   R   Q   Q’   condition   1    1    H   H   no change (hold)   0    1    1    0   resetting condition   1    0    0    1   setting condition   0    0    x     x   invalid
Timing Diagram
CLK SRFFBoth the SRFF(NOR) and SRFF(NAND) is disabled meaning there will be no change in the previous state if the CLOCK(CLK) is 0.
Symbols of SRFF
Delay Flip-Flops(DFF)The SRFF, although quite useful as memory device has one disadvantage: S=R=1(NOR) and S=R=0(NAND) are never used. In digital circuits, this condition may easily be avoided by using a simple inverter.
Truth Table and Timing Diagram
JKFFAnother way of going around the indeterminate condition of SRFF is to add AND gates to the input as shown.
Symbol of JKFF
Truth table for JKFF  J   K   Q   condition  0   0    H   no change ( hold)  0   1    0    reset condition  1   0    1    set condition  1   1    T    toggle (change 0 if previous is 1)                              (change 1 if previous is 0)If clock is present, there will be no change in condition as in the prior condition if it is disabled or 0.
Timing Diagram
Draw the timing diagram of the given digital circuits1. The simple circuit below uses NOR SRFF and DFF with clock
2. Construct the complete truth table and draw the timing diagram of the circuit below. The preset pin is disabled.
3. Find the output of the given circuit.
4. Given the circuit below, the feedback loop is delayed for t sec, find the output.

COMPLETE FINAL EMAG PPT.

  • 1.
    Electromagnetism, ElectricityAnd DigitalElectronicsByEngr. Jorge P. Bautista
  • 2.
    Course OutlineTheory ofElectrons and ElectricityResistor and other passive elementsOhm’s Law and Electric CircuitsTheory of MagnetismDiode and other Electronic DevicesLogic Gates and flip-flopsCombinational and sequential circuits
  • 3.
    Text and ReferencesDigitalDesign by ManoElectronic Devices by FloydEngineering Circuit Analysis by HaytIntroduction to Electric Circuits by DorfIntroduction to Digital Circuits by Bogart
  • 4.
    Theory of ElectronsPrinciplesof Electrons: Electrons orbit the nucleus of an atom at certain distances from the nucleus. Electrons near the nucleus have less energy than those in more distant orbits.Bohr’s Atomic Theory of an atom An atom consist of a nucleus in which it consist of a neutron and a proton in which electrons orbit around it.
  • 5.
    Shells of anAtomIn an atom, orbits are group into energy bands know as shells. Each shell has a fixed maximum number of electrons at permissible energy levels. The shells are designated as K,L,M,N, and so on. The outermost shell is know as valence shell and the electrons in this shell are called valence electrons. These valence electrons contribute to chemical reactions and bonding.
  • 6.
    Shells of orbitalElectrons in an Atom
  • 7.
    Parts of anAtomProton – positively charge particleElectron – negatively charge particleNeutron – neutral charge particle or no charge at all.
  • 8.
    Ionization Ionization –the process of losing a valence electrons.Ion – the resulting positively charge atomFree electrons – the escaped valence electron.Positive ion – ions that loses an electronNegative ion – ions that gained an electron
  • 9.
    What are insulators,conductors and semi-conductors?Insulator – name given to materials that do not conduct electricity. They have less than 8 free electronsConductor – name given to materials that is a good conductor of electricity. They have many free electronsSemiconductor – materials having 8 valence electrons.
  • 10.
    Some insulators andconductors*Insulator *ConductorGlass GoldPorcelain SilverMica CopperRubber AluminumAsbestos ZincParaffin TinPaper LeadAir iron
  • 11.
  • 12.
    What is Electricity?Electricityisthe flow of electrons from an area high in electron excess to one of lower electron content. the flow of energy in a wire (similar to the flow of water in a pipe) that is invisible, that causes the wire to become hot , causes a magnetic field to develop around the wire and can be put to work driving pumps, blowers, fans and so forth.Electricity cannot be generated. It can neither be created nor destroyed. It can, however, be forced to move and thus transmit power or produce electrical phenomena.Two types of electricity:Static electricity – electricity at restDynamic electricity – electricity in motion
  • 13.
    Common Sources ofElectrical energy or Power.1. Battery – a single unit capable of producing DC voltage by converting chemical energy into electrical energy.2. Dynamo – a machine that converts mechanical energy to electrical energy and vice versa.3. Motor – transformation from electrical energy to mechanical energy.4. Generator – transformation from mechanical energy to electrical energy.5. Solar energy – it converts solar energy from the sun through the use of solar cells.
  • 14.
    Alternating Current (AC)and Direct Current (DC)Direct current or DC is the first type of current because it is easy to produce. This current always flows in one direction. Its disadvantage is that it has an excessive voltage drop and power loss in the power lines for a long distance. Batteries are common sources of direct current.
  • 15.
    Alternating current isthe solution to the problem of DC. AC allows the flow of current in two directions. Today, it is possible to step up electricity to a power station, transmit it to any distant place and step it down for consumption. A transformer is the device used for stepping up and stepping down AC voltage.
  • 16.
  • 17.
  • 18.
    How Electricity isDelivered to a Customer
  • 19.
    What is electricalenergy and power?Electrical Energy – the capacity to do electrical workUnit: watt-sec, kilowatt-hour, joule W = P x t Where: W = energy P = power t = timeConversion factor: 1 joule = 107 ergs
  • 20.
    Electric Power –the rate of doing electrical work or it is the rate at which electrical energy is converted to other forms of energy.Unit: joule/sec, watt P = work/time = EI = E2/R = I2R Where E = voltage I = current R = resistance
  • 21.
    What is voltage?Voltage- (potential Difference) or (electromotive force) – the force or pressure which makes electrons moves or tends to move from atom to atom along the wire.Unit: volts
  • 22.
    What are currentand resistance?Current – the rate of flow of electrons per unit of time. It can be direct current or alternating current.Unit: AmpereResistance– the capability of the resistor to limit the flow of current and reduce the amount of voltage in a circuit.Unit: ohms, 
  • 23.
    Ohm’s LawThe currentis directly proportional to the voltage across the resistance and inversely proportional to the resistance. V I = ----- RPower Relationship: P = VI
  • 25.
    Mathematical PrefixesGiga =x109Mega = x106Kilo = x103milli = x10-3micro = x10-6nano = x10-9pico = x10-12
  • 26.
    Conversion to Prefixesand Scientific Notations25000000V 0.0000067A1250000 meters0.005 liters2.4x103 meters33x10-6watts0.00045 A6.6x106Ω
  • 27.
  • 28.
  • 29.
    Examples A simplecircuit has 12V and a resistance of 4.7K. Determine the current and power of the circuit.2. The output current of a certain integrated circuit is 6mA and it is flowing into a resistance of 5K. Determine the voltage across the resistance.
  • 30.
    3. Determine thehot resistance of a 60watts bulb operated from an effective voltage of 120V.4. The power dissipated in a certain resistance is 100watts and the current is 4A. Determine the resistance.
  • 31.
    5. Assumethat a family leaves a 60watts light bulb on for a duration of a two weeks trip. If electricity cost 9 cents per kilowatt-hour, determine the cost incurred.
  • 32.
    Assignment no. 1Researchon the following scientist and state what invention he contributed in the field of electronicsCuneus and MuschenbrockBenjamin FranklinCharles Augustus CoulombLuigi GalvaniAlessandro VoltaHans Christian OerstedAndre Marie Ampere
  • 33.
    8. Georg SimonOhm9. Michael Faraday10. Karl Friedrich Gauss and Wilhelm Eduard Weber11. Joseph Henry12. Heinrich Lenz13. Samuel Finley Breese Morse14. Gustav Robert Kirchhoff15. James Clerk Maxwell16. Joseph Wilson Swan17. Thomas Alva Edison18. Heinrich Rudolf Hertz19. Nikola Tesla20. Guglielmo Marconi
  • 34.
    21. Albert Einstein22.Shockley, Bardeen and Brattain23. Jack Kilby24. Robert Norton Noyce25. Seymour Cray
  • 35.
    II. Complete theTable below, show your solutions
  • 36.
    III. Problem SolvingWhatis the power in a circuit if the secondary transformer rated at 12V, 2A?How much is the power loss of 100Ω resistance, which consumes current of 10A?How much current is flowing in a 1KΩ resistor with an input voltage of 12V?How much resistance is needed to absorbed a current of 2.5mA with a voltage of 3V?
  • 37.
    Electronics Test InstrumentsElectronicstest instruments are crucial instruments that are often use for troubleshooting, repairing and analyzing the operation of a specific device. The most frequently measured parameters are the voltage, resistance and current.The multi-tester or multi-meter or sometimes called VOM(Voltmeter, Ohmmeter, Milliammeter) is best instrument that can measure voltage, resistance and current. But this instrument measures the numerical value, not the actual waveform, which is also important to know when troubleshooting and determining the frequency of the signal.
  • 38.
  • 39.
    The analog multi-testerhas a moving coil assembly which is characterized by a needle pointer. The advantage of analog multi-tester over digital multitester is a resistance test in testing electronic components such as capacitor and transistor.
  • 40.
    Steps in UsingAnalog Multi-testerConnect the test probe to the appropriate jack. The red probe to the + jack and black probe to the (-) common jack.Check is the pointer rest exactly at the zero position or infinite position at the ohmmeter range. If not adjust the zero corrector screw.Check the accuracy of the ohmmeter by touching the two test probe. Set the multitester to x1 ohm or x10 ohms selector range. Hold the two test probe simultaneously. The pointer should not deflect when holding the two test probe. If the pointer deflects, the ohmmeter range is defective.
  • 41.
    4. Check theprobes if they are OK. Set the multi-tester to corresponding selector resistance range. Short the two probes lead together. The pointer should deflect towards zero ohm reading. Adjust the ohm adjustment if the pointer could not rest exactly at “0” ohm reading. If nothing happen the possible cause is low powered battery
  • 42.
    Resistance MeasurementSelect thedesired resistance range scale with the selector switch. Read the pointer and multiply by the selected range.DC/AC Voltage MeasurementSet the selector knob to the proper scale range. The chosen scale range must be higher than the anticipated voltage to be measured.
  • 43.
    DC/AC Current MeasurementTheammeter scale is the same as the voltmeter scale. Apply the same procedure in measuring voltage. However, in current measurement , the meter must be connected in series with the circuit. Unlike in measuring voltage, the connection is parallel.
  • 44.
    Advantages of Digitalover AnalogMore accurateIt draws essentially no energy from the circuit being measured and hence will not affect the measured quantitySome are featured with autoranges that change the scale automatically providing the correct read out without having to change manually.
  • 45.
  • 46.
  • 47.
  • 48.
    Exercises Decode thefollowing resistor color.red, blue, violet, greenBlue, black, red, redYellow, red, orange, silverBlue, black, black, red, redGreen, red, red, green, blueGrey, green, silver, greenYellow, green, black, white, goldBlue, green, violet, red, orange, red
  • 49.
    Two main categoriesof resistorLinear resistor – those which obey ohms law.Non-linear resistor – consist of three typesLight dependent resistor(LDR)- light sensitiveThermistor – heat sensitiveVoltage dependent resistor
  • 50.
  • 51.
  • 52.
    Classification of ResistorAccordingto type of materialCarbon compositionCarbon filmMetal filmWire woundAccording to their toleranceGeneral purpose, 5% or greaterSemi-precision, 1% to 5%Precision, 0.5% to 1%Ultra-precision, less than 0.5%
  • 53.
    Cross section ofa resistor--
  • 54.
    Assignment no. 2Researchon the following and draw the figure: a. wattmeter b. digital multimeterDecode the following color coded resistor.red, green, blue, violetYellow, green, silver, blueBlue, yellow, orange, green, redRed, blue, blue, red, orangeViolet, black, white, blue
  • 55.
    Con’tIII. Find thecolor code of the given range of resistances.1. 4 bands 250Ω, +/-5%2. 5 bands 4.32KΩ, +/-1%3. 4 bands 270KΩ, +/-5%4. 5 bands 619MΩ, +/-2%5. 5 bands 356MΩ, +/-2%
  • 56.
    Capacitor A devicethat stores electrons. The basic capacitor is made up of two conductors separated by an insulator, or dielectric. Depending on how the capacitor is built, the dielectric can be made of paper, plastic, mica, ceramic, glass, vacuum or any other non conductive materials. Capacitor storing ability is measured in Farad. 1 Farad is approximately 6,280,000,000,000,000,000 electrons.
  • 57.
  • 58.
  • 59.
    Commonly Used CapacitorElectrolytic,as in previous image is made of electrolyte, basically conductive salt in solvent.Ceramic- constructed with materials such as titanium acid barium for dielectric.Mylar(polyester Film)- this capacitor uses a thin polyester film as a dielectric.Tantalum- made of tantalum pentoxide.
  • 60.
  • 61.
    Capacitor codeCode ToleranceJ +/-5%K +/- 10%M +/-20%C +/- 0.25%
  • 62.
  • 63.
    Exercises Find thecapacitance of the given capacitormylar: 333MMylar: 665JCeramics: 44Ceramics: 785Ceramics: 2K
  • 64.
    Series Parallel ResistorsSeriesResistors:Conditions:The total resistance of a series resistors is the sum of the individual resistances.The total voltage of a series resistors is the sum of individual voltages or voltage drops in each resistor.The total current of a series resistors is equal to the individual current in each resistors.
  • 66.
    Equations: Vt = VR1 + VR2 + VR3 = I1R1 + I2R2 + I3R3 Rt = R1 + R2 + R3 It = I1 = I2 = I3
  • 67.
    Power Equation Pt = P1 + P2 + P3 The total power in a series resistors is equal to the sum of the individual power in each resistor.
  • 68.
    Example Determine thetotal resistance, total current and current and voltage in each resistor of the circuit below
  • 69.
    Find the totalresistance, total current and voltage in each resistor.
  • 70.
    3. Find Rxfor the circuit shown below
  • 71.
    4. Findthe value of the resistors in the given circuit if the total resistance is 100Ω.
  • 72.
    5. Determine thevoltage and power in each resistor below. Find the input voltage.
  • 73.
    Assignment no. 3Find Vt,P1, R1, V2, P2, R3, V3 and Pt for the circuit shown.
  • 74.
    Parallel Resistors:Conditions:The totalresistance is equal to the sum of the inverse of the resistances.The total current is equal to the sum of the current in each resistor.The voltages in each parallel resistor are equal.
  • 76.
    Equations Vt = VR1 = VR2 = VR3 1 1 1 1 ---- = ------ + ------ + ------- Rt R1 R2 R3 It = I1 + I2 + I3
  • 77.
    Exercises Find thetotal resistance of the given parallel resistors.
  • 78.
    2. Determine thetotal resistance of the given parallel resistors
  • 79.
    3. FindRx for the parallel resistor below
  • 80.
    Assignment no. 44. Find the total resistance and current, voltage and power in each resistor below
  • 81.
    Series-parallel resistorFind thetotal resistance of the circuit below:
  • 82.
    2. Findthe total resistance of the circuit below. Determine the total current and power.
  • 83.
    3. Find thetotal resistance of the circuit below.
  • 84.
    4. Findthe total resistance of the circuit below.
  • 85.
    Assignment no. 51.Find the total current and resistance of the circuit below.
  • 86.
    MagnetismWhat is amagnet?A magnet is an object made of certain materials which create a magnetic field.  Every magnet has at least one north pole and one south pole.  By convention, we say that the magnetic field lines leave the North end of a magnet and enter the South end of a magnet.  This is an example of a magnetic dipole ("di" means two, thus two poles).  If you take a bar magnet and break it into two pieces, each piece will again have a North pole and a South pole.  If you take one of those pieces and break it into two, each of the smaller pieces will have a North pole and a South pole.  No matter how small the pieces of the magnet become, each piece will have a North pole and a South pole. 
  • 87.
    The ancient Greeksand Chinese discovered that certain rare stones, called lodestones, were naturally magnetized.  These stones could attract small pieces of iron in a magical way, and were found to always point in the same direction when allowed to swing freely suspended by a piece of string.  The name comes from Magnesia, a district in Thessaly, Greece
  • 88.
    Things that usesmagnet:Headphones, stereo speakers, telephone receivers, phone ringers, microwave tubes, doorbell ringer solenoid, floppy disk recording and reading head, credit card, computer monitor deflection coil, computer hard drive recording, TV deflection coil, clothes washer and dryer, DVD spinner and head positioner, hard disk spinner, starter motor, A/C clutch, etc.
  • 89.
    Ten facts aboutmagnet1. North poles point north, south poles point south. 2. Like poles repel, unlike poles attract. 3. Magnetic forces attract only magnetic materials. 4. Magnetic forces act at a distance. 5. While magnetized, temporary magnets act like permanent magnets. 6. A coil of wire with an electric current flowing through it becomes a magnet. 7. Putting iron inside a current-carrying coil increases the strength of the electromagnet. 8. A changing magnetic field induces an electric current in a conductor. 9. A charged particle experiences no magnetic force when moving parallel to a magnetic field, but when it is moving perpendicular to the field it experiences a force perpendicular to both the field and the direction of motion. 10. A current-carrying wire in a perpendicular magnetic field experiences a force in a direction perpendicular to both the wire and the field.
  • 90.
    Types of magnetsPermanentmagnet Temporary magnets Electromagnets
  • 91.
    Permanent MagnetsPermanent magnetsare those we are most familiar with, such as the magnets hanging onto our refrigerator doors.  They are permanent in the sense that once they are magnetized, they retain a level of magnetism.  As we will see, different types of permanent magnets have different characteristics or properties concerning how easily they can be demagnetized, how strong they can be, how their strength varies with temperature, and so on.Temporary MagnetsTemporary magnets are those which act like a permanent magnet when they are within a strong magnetic field, but lose their magnetism when the magnetic field disappears.  Examples would be paperclips and nails and other soft iron items.
  • 92.
    ElectromagnetsAn electromagnet isa tightly wound helical coil of wire, usually with an iron core, which acts like a permanent magnet when current is flowing in the wire.  The strength and polarity of the magnetic field created by the electromagnet are adjustable by changing the magnitude of the current flowing through the wire and by changing the direction of the current flow.Neodymium Iron Boron magnet = Nd2Fe14B or Nd15Fe77B8.
  • 93.
    Coulomb’s lawThe magnitudeof the electrostatic force between two point electric charges is directly proportional to the product of the magnitudes of each of the charges and inversely proportional to the square of the total distance between the two charges. k Q1Q2 F = -------------- where k = 8.99E9 Nm2/C2 r2
  • 94.
    K = 1/ 4oBut  = 8.854x10E-12
  • 95.
    ExamplesTwo charges of+1C each is separated at a distance of 1meter. Determine the force of repulsion of the two charge.Two balloons are charge with identical quantity of -6.25uC. They are separated with a distance of 66.67cm. Determine the force of repulsion of the two balloons.
  • 96.
    Two charges +1.2uCand -2.4uC are separated with a distance of 2m. Determine the force of attraction of the two charges.The force of attraction between a +2.2uC and an unknown charge is 1.2N. They are separated by 120cm distance. Find the charge of the other electron.
  • 97.
    Given the figurebelow:Find the total force of the two charges on charge -3.3uC. Which has greater force of attraction?
  • 98.
    Assignment no. 6Twocharges, -10uC and +15uC, are acting on a force of attraction of 4.5N. Determine their distances.Two point charges, +25nC and -75nC, are 10cm apart. Determine the force of attraction between them.
  • 99.
    Determine the forceof attraction of two negatively charge particle to the positively charge particle. Determine total force.
  • 100.
    4. Findthe total force develop by three positive charge to the negative charge particle in the figure
  • 101.
    Semiconductor MaterialsSemiconductors conductless than metal conductors but more than insulators.Some common semiconductor materials are silicon (Si), germanium (Ge), and carbon (C).Silicon is the most widely used semiconductor material in the electronics industry.Almost all diodes, transistors, and ICs manufactured today are made from silicon.
  • 102.
    Intrinsic semiconductors aresemiconductors in their purest form.Extrinsic semiconductors are semiconductors with other atoms mixed in.These other atoms are called impurity atoms.The process of adding impurity atoms is called doping.
  • 103.
    The figure belowillustrates a bonding diagram of a silicon crystal.
  • 104.
    Thermal energy isthe main cause for the creation of an electron-hole pair, as shown in Figure As temperature increases, more thermally generated electron-hole pairs are created. In the figure, the hole acts like a positive charge because it attracts a free electron passing through the crystal.
  • 105.
    The figure showsthe doping of a silicon crystal with a pentavalent impurity.(N type) Arsenic (As) is shown in this figure, but other pentavalent impurities such as antimony (Sb) or phosphorous (P) could also be used.
  • 106.
    The figure showsthe doping of a silicon crystal with a trivalent impurity.(P type) Aluminum (Al) is shown in this figure, but other trivalent impurities such as boron (B) or gallium (Ga) could also be used.
  • 107.
    A popular semiconductordevice called a diode is made by joining p- and n-type semiconductor materials, as shown in Fig. a. The doped regions meet to form a p-n junction.Diodes are unidirectional devices that allow current to flow in one direction. The schematic symbol for a diode is shown in Fig. b.
  • 108.
  • 109.
    Biasing of DiodesForwardbiasReverse bias
  • 110.
    Diode ApproximationsFirst approximation(switch)Secondapproximation(voltage Ge=0.3V, Si=0.7V)3. Third approximation(with internal resistance called bulk resistance)
  • 111.
  • 112.
    Diode ApplicationDetermine whetherthe diode is forward or reverse bias.1.
  • 113.
  • 114.
    Find the currentand the voltage across the load if possible.
  • 115.
  • 116.
    5. Find thevoltage and current in 1KΩ
  • 117.
    6.Determine the currentand voltage across 1.5KΩ
  • 118.
    7. Determinewhich switch will turn “ON” the LED.(all diode are silicon)
  • 119.
  • 120.
    9. Find thetotal current and output voltage
  • 121.
    Assignment no. 7Determinewhether the diode is in forward or reverse bias. Why?
  • 122.
    Identify the switchesthat will make the LED to “ON”
  • 123.
    3. Findthe output voltage Vo
  • 124.
    4. Findthe current and voltage across 2KΩ
  • 125.
    Transistor- a threeterminal device used for signal amplification.Three parts: collector, base and emitterTwo types: bipolar junction transistor field effect transistorTypes of transistor: pnp and npn
  • 126.
  • 127.
  • 128.
  • 129.
    Transistor configuration:Common baseCommoncollectorCommon emitterCurrent consideration: Ic + Ib = Ie
  • 130.
    Transistor parameters:The alpha,α, the ratio between the collector current and the emitter current’The beta, β, the ratio between the collector current and the base current.α = Ic / Ie, less than 1β = Ic / Ib, greater than 1 usually 50 to 500.
  • 131.
  • 132.
    LOGIC GATES ANDDIGITAL CIRCUITSThere are generally two types of digital logic: combinational and sequential.Combinational logic refers to the type of logic that depends only in existing conditions to produce the outputs. This type of logic can be implemented using logic gates only. Sequential logic refers to operations that need some form of memory device such as flip flops since the output depend not only on the current existing input conditions but to previous input as well
  • 133.
    The Logic GatesTheyare the basic building blocks in digital electronics. They are intended to implement different logic functions such as the NOT, OR, NOR, AND, NAND, XOR and XNOR. The logic gate, regardless of the technology used such as CMOS(complementary metal-oxide semiconductor) or TTL(transistor-transistor logic), is internally composed of an electronic circuit usually transistor based to provide a preset logic function.
  • 134.
    There are manyways of describing the function of logic gates and other logic devices. The two most common are truth table and timing diagrams. A truth table is a tabulated list of all possible input and out combinations of a logic device. A timing diagram is a graphical method of showing the exact output behavior of a logic circuit for every possible set of input condition.For a 2 input device, there are 4 possible combinations of inputs and output. The inputs can either be 0, 1 or even don’t care condition. The don’t care status means that the particular input has no effect on the output. This is usually marked by a D or an “x” symbol in many diagrams.
  • 135.
    Truth table andTiming Diagram
  • 136.
    The InverterThe inverteris one of the most popular logic gates in terms of use. It has one input and one output. This gate’s basic function is simply to complement the logic signal at its input. This means that is the input is 1, then the output is 0, and vice versa.
  • 137.
  • 138.
    OR GateThe functionof the OR gate is to provide a high or 1 output when at least one of its input is 1. the output is low or 0 when all its inputs are 0. the OR gate may have two or more inputs
  • 140.
    AND GateThe ANDgate is a basic logic gate whose output is a high logic output only when all input are high or 1. The most common IC AND gate is the 2 input AND gate. AND gates with more than 2 inputs are also available
  • 142.
    NOR GateThis isderived from OR gate. It produces a high logic output when the inputs are all at logic low or 0 and a low logic output when at least one input is at high or 1. This gate is formed by an OR Gate and followed by an inverter.
  • 144.
    NAND GateThe NANDGate produces a low logic output only when all its inputs are high. This is simply a complement of the AND Gate. The NAND means NOT AND. This “only if” characteristics makes the NAND gate one of the most useful gates in logic design.
  • 146.
    XOR GateExclusive ORgate produces a high logic output only when one but all its input are high. When the inputs are all high or all low, the output is low. If there are odd number of 1, the output is 1.
  • 148.
    XNOR GateThis isthe complement of XOR Gate. It produces a logic low output only when one but not all its input are high. This gate is sometimes referred to as the equality gate because both its input must be the same to get a high output
  • 150.
  • 151.
    Exercises Construct thetruth table and the timing diagram of the given logic gates
  • 154.
    Find the possibleoutput for S and Cout
  • 155.
    5. Obtainthe output function of the given logic gates using truth table and draw the timing diagram
  • 156.
    Design a logiccircuit that would generate the given function.f(a,b,c) = a’b + c(ab+b’)f(a,b,c) = a[b’c’ + ab]’ + ac’f(a,b,c) = a + bc + b(a’bc’)
  • 157.
    Assignment No. 8Designthe given function using logic gates and construct the truth table and timing diagram.X = abd’ + d(a + bc’)Y = bd’ + (a + b + c’)(a’ + b’ + cd)f(a,b,c,d) = (ab + cd)(a’b + ab’)X = abc’ + bcd’ + cd[ab’ + a’b]’Y = (abcd’)’(ab + bc + cd’)
  • 158.
    Problem SolvingDesign alogic circuit with 3 input such that the output is a logic 1 when 2 or more of the inputs are high.Design a logic circuit with 3 input such that the output will be high if two adjacent input are high.Design a logic circuit with 3 input such that the output will be low if the decimal equivalent of the input are 2<decimal≤6
  • 159.
    4. In asimple copy machine, a stop signal, S, is to be generated to stop the machine operation and energize an indicator light whenever either of the following conditions exist: (1) there is no paper in the paper feeder tray; (2) the two micro switches in the paper path are activated, indicating a jam in the paper path. The presence of paper in the feeder tray is indicated by a HIGH at the logic signal P. Each of the microswitches produces a logic signal (Q and R) that goes HIGH whenever paper is passing over the switch to activate it. Design the logic circuit to produce a HIGH at output signal S for the stated conditions.
  • 160.
    5. A mandecided to go out and have some relaxation period either Saturday or Sunday if his girlfriend is available. Design a circuit that would trigger his time of going out.
  • 161.
    Flip-Flops and DecodersOneof the most basic memory elements is the flip-flops. It is a bistablemultivibrator whose output toggles back and forth between two stable states: 1 or high and 0 or low. The flip-flop is considered a memory element because it can store or hold a logic signal for as long as required conditions are met. Understanding them is essential in learning the operation of sequential logic circuits.
  • 162.
    Multivibrator- a devicethat perform and generate pulses.Astable MV- have no stable state. Their outputs continuously toggle between high and low levels. (oscillators)Monostable MV- they are one shot circuits. They have one stable output state, either high or low. (pulsator)Bistable MV- they are know as flip-flops. These devices are the basic counting and memory units in digital circuits. They have two stable states.
  • 163.
    Set-Reset FF(SRFF NOR)Itis commonly known as SRFF. The two output states are meant to be complementary. The term SET and RESET may be thought of as ‘set to 1’ or ‘reset to 0’. The SRFF circuit shown is constructed using NOR gates. Notice that the configuration is actually symmetrical. The input labels may be interchanged as long as the output labels are also interchanged.
  • 165.
    OperationInitially, assume theS input to be 1 and the R input to be 0. if the S input is 1, then the Q’ will be 0 and the complement of Q output is 1. the important point is when the S input is 1, Q is also 1. now if the S input is 0 and R is 1, then the Q is 0 and the complement Q’ is 1. therefore when R pin is 1, then Q is 0.if both inputs are 0, will Q and Q’ be 0? No. in this case, the previous condition has an effect. It will remain unchanged(hold)
  • 166.
    S R Q Q’ OPERATION 0 0 H H no change 0 1 0 1 reset condition 1 0 1 0 set condition 1 1 x x unused(not applicable)
  • 167.
  • 168.
  • 169.
    Operation If R= S = 1, this condition is the normal resting state, and if has no effect on the output state. The Q and Q’ will remain in whatever state they were in prior to this input condition.If S = 0 and R = 1. this will always cause Q = 1 state, where it will remain even after SET returns to 1. this is called setting the latch(SRFF).
  • 170.
    If S =1 and R = 0, this will always produce Q = 0 state, where the output will remain even after RESET returns to 1. This is called clearing or resetting the latch.If S = R = 0, this is not applicable.
  • 171.
    S R Q Q’ condition 1 1 H H no change (hold) 0 1 1 0 resetting condition 1 0 0 1 setting condition 0 0 x x invalid
  • 172.
  • 173.
    CLK SRFFBoth theSRFF(NOR) and SRFF(NAND) is disabled meaning there will be no change in the previous state if the CLOCK(CLK) is 0.
  • 174.
  • 175.
    Delay Flip-Flops(DFF)The SRFF,although quite useful as memory device has one disadvantage: S=R=1(NOR) and S=R=0(NAND) are never used. In digital circuits, this condition may easily be avoided by using a simple inverter.
  • 176.
    Truth Table andTiming Diagram
  • 177.
    JKFFAnother way ofgoing around the indeterminate condition of SRFF is to add AND gates to the input as shown.
  • 178.
  • 179.
    Truth table forJKFF J K Q condition 0 0 H no change ( hold) 0 1 0 reset condition 1 0 1 set condition 1 1 T toggle (change 0 if previous is 1) (change 1 if previous is 0)If clock is present, there will be no change in condition as in the prior condition if it is disabled or 0.
  • 180.
  • 181.
    Draw the timingdiagram of the given digital circuits1. The simple circuit below uses NOR SRFF and DFF with clock
  • 182.
    2. Construct thecomplete truth table and draw the timing diagram of the circuit below. The preset pin is disabled.
  • 183.
    3. Find theoutput of the given circuit.
  • 184.
    4. Given thecircuit below, the feedback loop is delayed for t sec, find the output.

Editor's Notes