Electromagnetism, Electricity And Digital Electronics By Engr. Jorge P. Bautista
Course Outline Theory of Electrons and Electricity Resistor and other passive elements Ohm’s Law and Electric Circuits Theory of Magnetism Diode and other Electronic Devices Logic Gates and flip-flops Combinational and sequential circuits
Text and References Digital Design by Mano Electronic Devices by Floyd Engineering Circuit Analysis by Hayt Introduction to Electric Circuits by Dorf Introduction to Digital Circuits by Bogart
Theory of Electrons Principles of Electrons: Electrons orbit the nucleus of an atom at certain distances from the nucleus.  Electrons near the nucleus have less energy than those in more distant orbits. Bohr’s Atomic Theory of an atom An atom consist of a nucleus in which it consist of a neutron and a proton in which electrons orbit around it.
Shells of an Atom In an atom, orbits are group into energy bands know as  shells.  Each shell has a fixed maximum number of electrons at permissible energy levels.  The shells are designated as K,L,M,N, and so on. The outermost shell is know as valence shell and the electrons in this shell are called  valence electrons .  These valence electrons contribute to chemical reactions and bonding.
Shells of orbital Electrons in an Atom 50 18 14 10 6 2 O 32 14 10 6 2 N 18 10 6 2 M 8 6 2 L 2 2 K Total g f d p s
Parts of an Atom Proton – positively charge particle Electron – negatively charge particle Neutron – neutral charge particle or no charge at all.
Ionization  Ionization – the process of losing a valence electrons. Ion – the resulting positively charge atom Free electrons – the escaped valence electron. Positive ion – ions that loses  an electron Negative ion – ions that gained an electron
What are insulators, conductors and semi-conductors? Insulator – name given to materials that do not conduct electricity. They have less than 8 free electrons Conductor – name given to materials that is a good conductor of electricity. They have many free electrons Semiconductor – materials having 8 valence electrons.
Some insulators and conductors *Insulator  *Conductor Glass   Gold Porcelain   Silver Mica   Copper Rubber   Aluminum Asbestos   Zinc Paraffin   Tin Paper  Lead Air    iron
WIRE SIZES 1.4A 212.872 0.3200 28 3.5A 84.1976 0.5105 24 7A 52.9392 0.6451 22 211A 0.4063 7.3482 1 245A 0.3224 8.2524 0 Ampacity Ohms per Km Diameter, mm AWG gauge
What is Electricity? Electricity is the flow of electrons from an area high in electron excess to one of lower electron content. the flow of energy in a wire (similar to the flow of water in a pipe) that is invisible, that causes the wire to become hot , causes a magnetic field to develop around the wire and can be put to work driving pumps, blowers, fans and so forth. Electricity cannot be generated. It can neither be created nor destroyed.  It can, however, be forced to move and thus transmit power or produce electrical phenomena. Two types of electricity: Static electricity – electricity at rest Dynamic electricity – electricity in motion
Common Sources of Electrical energy or Power. 1. Battery – a single unit capable of producing DC voltage by converting chemical energy into electrical energy. 2.  Dynamo – a machine that converts mechanical energy to electrical energy and vice versa. 3.  Motor – transformation from electrical energy to mechanical energy. 4.  Generator – transformation from mechanical energy to electrical energy. 5.  Solar energy – it converts solar energy from the sun through the use of solar cells.
Alternating Current (AC) and Direct Current (DC) Direct current or DC is the first type of current because it is easy to produce.  This current always flows in one direction. Its disadvantage is that it has an excessive voltage drop and power loss in the power lines for a long distance.  Batteries are common sources of direct current.
Alternating current is the solution to the problem of DC. AC allows the flow of current in two directions. Today, it is possible to step up electricity to a power station, transmit it to any distant place and step it down for consumption.  A transformer is the device used for stepping up and stepping down AC voltage.
Graphical Representation of a DC
Graphical Representation of an AC
How Electricity is Delivered to a Customer
What is electrical energy and power? Electrical Energy – the capacity to do electrical work Unit: watt-sec, kilowatt-hour, joule  W = P x t Where:  W = energy   P = power t  = time Conversion factor:  1 joule = 10 7  ergs
Electric Power – the rate of doing electrical work or it is the rate at which electrical energy is converted to other forms of energy. Unit: joule/sec, watt P = work/time = EI =  E2/R  =  I2R Where E = voltage   I  =  current R  =  resistance
What is voltage? Voltage -  (potential Difference) or (electromotive force) – the force or pressure which makes electrons moves or tends to move from atom to atom along the wire. Unit: volts
What are current and resistance? Current – the rate of flow of electrons per unit of time. It can be direct current or alternating current. Unit: Ampere Resistance– the capability of the resistor to limit the flow of current and reduce the amount of voltage in a circuit. Unit: ohms,  
Ohm’s Law The current is directly proportional to the voltage across the resistance and inversely proportional to the resistance. V I = ----- R Power Relationship:  P = VI
 
Mathematical Prefixes Giga = x10 9 Mega = x10 6 Kilo = x10 3 milli = x10 -3 micro = x10 -6 nano = x10 -9 pico = x10 -12
Conversion to Prefixes and Scientific Notations 25000000V  0.0000067A 1250000 meters 0.005 liters 2.4x10 3  meters 33x10 -6 watts 0.00045 A 6.6x10 6   Ω
EXERCISES 300W 12V 120W 1.2 Ω 260W 10A 3 Ω 30V 10 Ω 24A POWER RESISTANCE CURRENT VOLTAGE
Basic Electrical Variables Seimens, mho G Conductance Ohms R Resistance Joule W Energy Watts P Power Volts V Voltage Ampere I Current Coulomb Q Charge sec t Time Unit Symbol Variable
Examples  A simple circuit has 12V and a resistance of 4.7K  .  Determine the current and power of the circuit. 2.  The output current of a certain integrated circuit is 6mA and it is flowing into a resistance of 5K  . Determine the voltage across the resistance.
3. Determine the hot resistance of a 60watts bulb operated from an effective voltage of 120V. 4.  The power dissipated in a certain resistance is 100watts and the current is 4A. Determine the resistance.
5.  Assume that a family leaves a 60watts light bulb on for a duration of a two weeks trip.  If electricity cost 9 cents per kilowatt-hour, determine the cost incurred.
Assignment no. 1 Research on the following scientist and state what invention he contributed in the field of electronics Cuneus and Muschenbrock Benjamin Franklin Charles Augustus Coulomb Luigi Galvani Alessandro Volta Hans Christian Oersted Andre Marie Ampere
8. Georg Simon Ohm 9. Michael Faraday 10. Karl Friedrich Gauss and Wilhelm Eduard Weber 11. Joseph Henry 12. Heinrich Lenz 13. Samuel Finley Breese Morse 14. Gustav Robert Kirchhoff 15. James Clerk Maxwell 16. Joseph Wilson Swan 17. Thomas Alva Edison 18. Heinrich Rudolf Hertz 19. Nikola Tesla 20. Guglielmo Marconi
21. Albert Einstein 22. Shockley, Bardeen and Brattain 23. Jack Kilby 24. Robert Norton Noyce 25. Seymour Cray
II. Complete the Table below, show your solutions 3W 100 Ω 12V 10mA 13.75V 22 Ω 220W 2.4A power voltage current resistance
III. Problem Solving What is the power in a circuit if the secondary transformer rated at 12V, 2A? How much is the power loss of 100 Ω resistance, which consumes current of 10A? How much current is flowing in a 1KΩ resistor with an input voltage of 12V? How much resistance is needed to absorbed a current of 2.5mA with a voltage of 3V?
Electronics Test Instruments Electronics test instruments are crucial instruments that are often use for troubleshooting, repairing and analyzing the operation of a specific device. The most frequently measured parameters are the voltage, resistance and current. The multi-tester or multi-meter or sometimes called VOM(Voltmeter, Ohmmeter, Milliammeter) is best instrument that can measure voltage, resistance and current. But this instrument measures the numerical value, not the actual waveform, which is also important to know when troubleshooting and determining the frequency of the signal.
Analog Multi-tester
The analog multi-tester has a moving coil assembly which is characterized by a needle pointer.  The advantage of analog multi-tester over digital multitester is a resistance test in testing electronic components such as capacitor and transistor.
Steps in Using Analog Multi-tester Connect the test probe to the appropriate jack. The red probe to the + jack and black probe to the (-) common jack. Check is the pointer rest exactly at the zero position or infinite position at the ohmmeter range. If not adjust the zero corrector screw. Check the accuracy of the ohmmeter by touching the two test probe. Set the multitester to x1 ohm or x10 ohms selector range. Hold the two test probe simultaneously. The pointer should not deflect when holding the two test probe. If the pointer deflects, the ohmmeter range is defective.
4. Check the probes if they are OK. Set the multi-tester to corresponding selector resistance range.  Short the two probes lead together. The pointer should deflect towards zero ohm reading. Adjust the ohm adjustment if the pointer could not rest exactly at “0” ohm reading. If nothing happen the possible cause is low powered battery
Resistance Measurement Select the desired resistance range scale with the selector switch. Read the pointer and multiply by the selected range. DC/AC Voltage Measurement Set the selector knob to the proper scale range. The chosen scale range must be higher than the anticipated voltage to be measured.
DC/AC Current Measurement The ammeter scale is the same as the voltmeter scale. Apply the same procedure in measuring voltage. However, in current measurement , the meter must be connected in series with the circuit. Unlike in measuring voltage, the connection is parallel.
Advantages of Digital over Analog More accurate It draws essentially no energy from the circuit being measured and hence will not affect the measured quantity Some are featured with autoranges that change the scale automatically providing the correct read out without having to change manually.
Resistor Color Code Temp coef 6 th  band tolerance tolerance 5 th  band Multiplier Multiplier tolerance 4 th  band Significant figure Significant figure Multiplier 3 rd  band Significant figure Significant figure Significant figure 2 nd  band Significant figure Significant figure Significant figure 1 st  band 6 bands 5 bands 4 bands designation
Resistor Color Code +/- 0.5% 100000 5 Green 25 10000 4 Yellow 15 1000 3 Orange 50 +/- 2% 100 2 Red  100 +/- 1% 10 1 Brown 1 0 Black TC TOL multiplier SF Color
Con’t +/- 10% 10  -2 Silver +/- 5% 10  -1 Gold  1 10 9 9 White +/- 0.05% 10 8 8 Grey 5 +/- 0.1% 10 7 7 Violet 10 +/- 0.25% 10 6 6 Blue
Exercises  Decode the following resistor color. red, blue, violet, green Blue, black, red, red Yellow, red, orange, silver Blue, black, black, red, red Green, red, red, green, blue Grey, green, silver, green Yellow, green, black, white, gold Blue, green, violet, red, orange, red
Two main categories of resistor Linear resistor – those which obey ohms law. Non-linear resistor – consist of three types Light dependent resistor(LDR)- light sensitive Thermistor – heat sensitive Voltage dependent resistor
Linear Resistor
Potentiometer
Classification of Resistor According to type of material Carbon composition Carbon film Metal film Wire wound According to their tolerance General purpose, 5% or greater Semi-precision, 1% to 5% Precision, 0.5% to 1% Ultra-precision, less than 0.5%
Cross section of a resistor --
Assignment no. 2 Research on the following and draw the figure: a. wattmeter b. digital multimeter Decode the following color coded resistor. red, green, blue, violet Yellow, green, silver, blue Blue, yellow, orange, green, red Red, blue, blue, red, orange Violet, black, white, blue
Con’t III. Find the color code of the given range of resistances. 1.  4 bands 250 Ω, +/-5% 2.  5 bands 4.32KΩ, +/-1% 3.  4 bands 270KΩ, +/-5% 4. 5 bands 619MΩ, +/-2% 5. 5 bands 356MΩ, +/-20%
Capacitor  A device that stores electrons. The basic capacitor is made up of two conductors separated by an insulator, or dielectric. Depending on how the capacitor is built, the dielectric can be made of paper, plastic, mica, ceramic, glass, vacuum or any other non conductive materials. Capacitor storing ability is measured in Farad. 1 Farad is approximately 6,280,000,000,000,000,000 electrons.
Capacitor Parts
Capacitor Diagram
Commonly Used Capacitor Electrolytic, as in previous image is made of electrolyte, basically conductive salt in solvent. Ceramic- constructed with materials such as titanium acid barium for dielectric. Mylar(polyester Film)- this capacitor uses a thin polyester film as a dielectric. Tantalum- made of tantalum pentoxide.
Mylar Capacitor
Capacitor code Code  Tolerance J  +/-5% K  +/- 10% M  +/-20% C  +/- 0.25%
Ceramics Capacitor
Exercises  Find the capacitance of the given capacitor mylar:  333M Mylar: 665J Ceramics: 44 Ceramics: 785 Ceramics: 2K
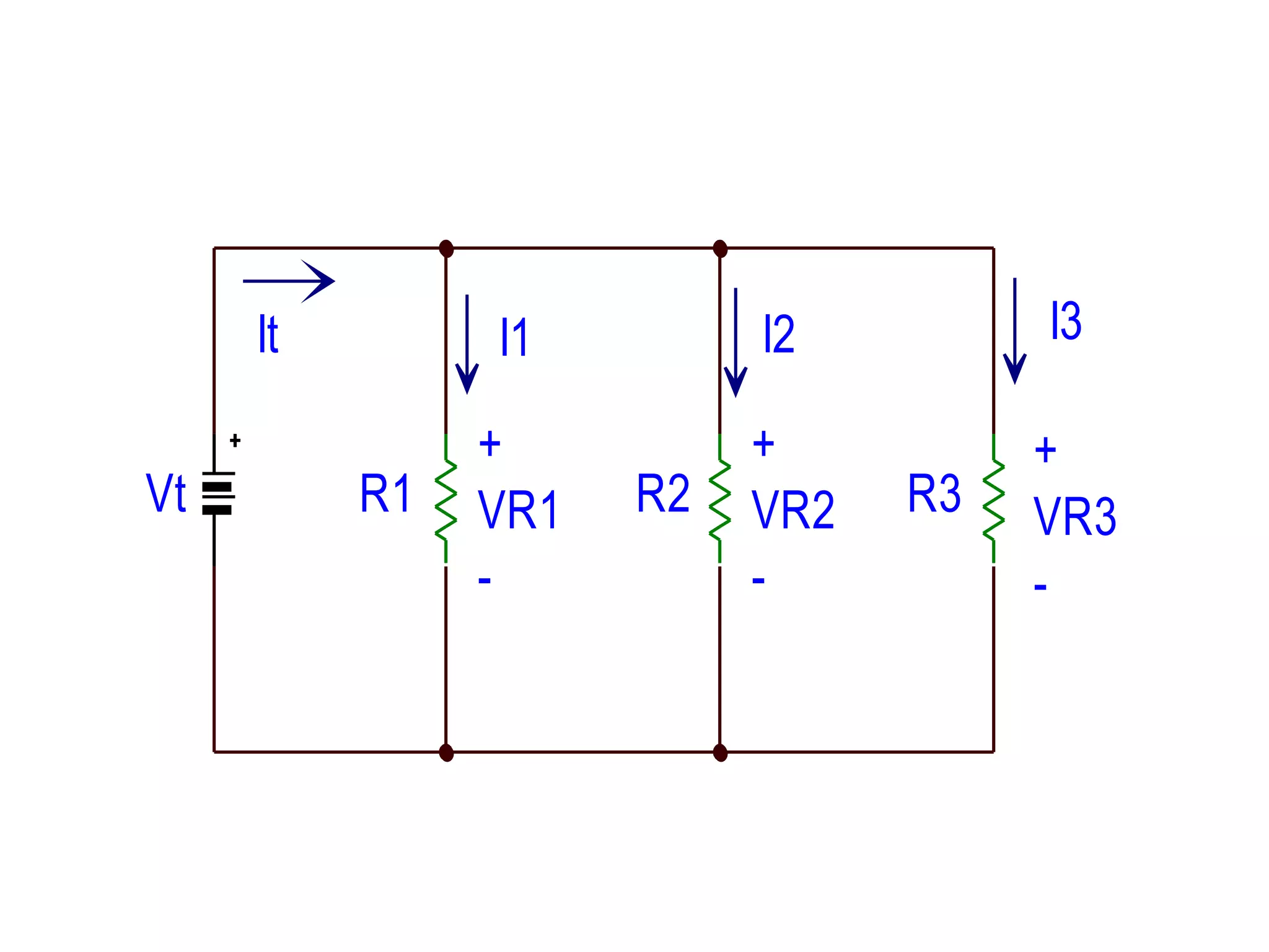
Series Parallel Resistors Series Resistors: Conditions: The total resistance of a series resistors is the sum of the individual resistances. The total voltage of a series resistors is the sum of individual voltages or voltage drops in each resistor. The total current of a series resistors is equal to the individual current in each resistors.
 
Equations: Vt = VR1  +  VR2  +  VR3 =  I1R1  +  I2R2  +  I3R3 Rt  =  R1  +  R2  +  R3 It  =  I1  =  I2  =  I3
Power Equation Pt = P1  +  P2  +  P3 The total power in a series resistors is equal to the sum of the individual power in each resistor.
Example  Determine the total resistance, total current and current and voltage in each resistor of the circuit below
Find the total resistance, total current and voltage in each resistor.
3. Find Rx for the circuit shown below
4.  Find the value of the resistors in the given circuit if the total resistance is 100 Ω .
5. Determine the voltage and power in each resistor below. Find the input voltage.
Assignment no. 3 Find Vt,P1, R1, V2, P2, R3, V3 and Pt for the circuit shown.
Parallel Resistors: Conditions: The total resistance is equal to the sum of the inverse of the resistances. The total current is equal to the sum of the current in each resistor. The voltages in each parallel resistor are equal.
 
Equations  Vt = VR1  =  VR2  =  VR3 1  1  1  1 ----  =  ------  +  ------  +  ------- Rt  R1  R2  R3 It =  I1  +  I2  +  I3
Exercises  Find the total resistance of the given parallel resistors.
2. Determine the total resistance of the given parallel resistors
3.  Find Rx for the parallel resistor below
Assignment no. 4  4. Find the total resistance and current, voltage and power in each resistor below
Series-parallel resistor Find the total resistance of the circuit below:
2 .  Find the total resistance of the circuit below. Determine the total current and power.
3. Find the total resistance of the circuit below.
4.  Find the total resistance of the circuit below.
Assignment no. 5 1. Find the total current and resistance of the circuit below.
Series Parallel Capacitor For series capacitor: 1/Ct = 1/C1 + 1/C2 + 1/C3
For parallel capacitor: Ct = C1 + C2 + C3
Series Parallel Inductor For series inductor Lt = L1 + L2 + L3
For parallel inductor 1/Lt = 1/L1 + 1/L2 + 1/L3
Exercises Determine the total capacitance or inductance of the circuit below 1.
2. Find the total inductance.
Assignment no. 6 Find the total inductance of the circuit below
2.  Change the inductor in problem 1 with Farad and determine the total capacitance.
Magnetism What is a magnet? A  magnet  is an object made of certain materials which create a  magnetic field .  Every magnet has at least one north pole and one south pole.  By convention, we say that the magnetic field lines leave the North end of a magnet and enter the South end of a magnet.  This is an example of a magnetic dipole ("di" means two, thus two poles).  If you take a bar magnet and break it into two pieces, each piece will again have a North pole and a South pole.  If you take one of those pieces and break it into two, each of the smaller pieces will have a North pole and a South pole.  No matter how small the pieces of the magnet become, each piece will have a North pole and a South pole. 
The ancient Greeks and Chinese discovered that certain rare stones, called lodestones, were naturally magnetized.  These stones could attract small pieces of iron in a magical way, and were found to always point in the same direction when allowed to swing freely suspended by a piece of string.  The name comes from Magnesia, a district in Thessaly, Greece
Things that uses magnet: Headphones, stereo speakers, telephone receivers, phone ringers, microwave tubes, doorbell ringer solenoid, floppy disk recording and reading head, credit card, computer monitor deflection coil, computer hard drive recording, TV deflection coil, clothes washer and dryer, DVD spinner and head positioner, hard disk spinner, starter motor, A/C clutch, etc.
Ten facts about magnet 1. North poles point north, south poles point south.  2. Like poles repel, unlike poles attract.  3. Magnetic forces attract only magnetic materials.  4. Magnetic forces act at a distance.  5. While magnetized, temporary magnets act like permanent magnets.  6. A coil of wire with an electric current flowing through it becomes a magnet.  7. Putting iron inside a current-carrying coil increases the strength of the electromagnet.  8. A changing magnetic field induces an electric current in a conductor.  9. A charged particle experiences no magnetic force when moving parallel to a magnetic field, but when it is moving perpendicular to the field it experiences a force perpendicular to both the field and the direction of motion.  10. A current-carrying wire in a perpendicular magnetic field experiences a force in a direction perpendicular to both the wire and the field.
Types of magnets Permanent magnet Temporary magnets Electromagnets
Permanent Magnets Permanent magnets are those we are most familiar with, such as the magnets hanging onto our refrigerator doors.  They are permanent in the sense that once they are magnetized, they retain a level of magnetism.  As we will see, different types of permanent magnets have different characteristics or properties concerning how easily they can be demagnetized, how strong they can be, how their strength varies with temperature, and so on. Temporary Magnets Temporary magnets are those which act like a permanent magnet when they are within a strong magnetic field, but lose their magnetism when the magnetic field disappears.  Examples would be paperclips and nails and other soft iron items.
Electromagnets An electromagnet is a tightly wound helical coil of wire, usually with an iron core, which acts like a permanent magnet when current is flowing in the wire.  The strength and polarity of the magnetic field created by the electromagnet are adjustable by changing the magnitude of the current flowing through the wire and by changing the direction of the current flow. Neodymium Iron Boron magnet = Nd2Fe14B or Nd15Fe77B8.
Coulomb’s law The magnitude of the electrostatic force between two  point  electric charges is  directly proportional  to the product of the magnitudes of each of the charges and  inversely proportional  to the square of the total distance between the two charges . k Q1Q2 F  =  --------------  where k = 8.99E9 Nm2/C2 r2
K = 1 / 4  o But    = 8.854x10E-12
Examples Two charges of +1C each is separated at a distance of 1meter.  Determine the force of repulsion of the two charge. Two balloons are charge with identical quantity of -6.25uC.  They are separated with a distance of 66.67cm.  Determine the force of repulsion of the two balloons.
Two charges +1.2uC and -2.4uC are separated with a distance of 2m. Determine the force of attraction of the two charges. The force of attraction between a +2.2uC and an unknown charge is 1.2N.  They are separated by 120cm distance.  Find the charge of the other electron.
Given the figure below: Find the total force of the two charges on charge -3.3uC.  Which has greater force of attraction?
Assignment no. 7 Two charges, -10uC and +15uC, are  acting on a force of attraction of 4.5N.  Determine their distances. Two point charges, +25nC and -75nC, are 10cm apart.  Determine the force of attraction between them.
Determine the force of attraction of two negatively charge particle to the positively charge particle. Determine total force.
4.  Find the total force develop by three positive charge to the negative charge particle in the figure
Semiconductor Materials Semiconductors conduct less than metal conductors but more than insulators. Some common  semiconductor  materials are  silicon (Si), germanium (Ge), and carbon (C) . Silicon is the most widely used semiconductor material in the electronics industry. Almost all diodes, transistors, and ICs manufactured today are made from silicon.
Intrinsic  semiconductors are semiconductors in their purest form. Extrinsic  semiconductors are semiconductors with other atoms mixed in. These other atoms are called impurity atoms. The process of adding impurity atoms is called doping.
The figure below illustrates a bonding diagram of a silicon crystal.
Thermal energy is the main cause for the creation of an electron-hole pair, as shown in Figure As temperature increases, more thermally generated electron-hole pairs are created. In the figure, the hole acts like a positive charge because it attracts a free electron passing through the crystal.
The figure shows the doping of a  silicon  crystal with a  pentavalent  impurity.(N type) Arsenic (As) is shown in this figure, but other pentavalent impurities such as antimony (Sb) or phosphorous (P) could also be used.
The figure shows the doping of a  silicon  crystal with a  trivalent  impurity.(P type)  Aluminum (Al) is shown in this figure, but other trivalent impurities such as boron (B) or gallium (Ga) could also be used.
A popular semiconductor device called a diode is made by joining p- and n-type semiconductor materials, as shown in Fig. a. The doped regions meet to form a p-n junction. Diodes are unidirectional devices that allow current to flow in one direction. The schematic symbol for a diode is shown in Fig. b.
The PN junction
Biasing of Diodes Forward bias Reverse bias
Volt-Ampere Characteristic Curve
Previous slide is a graph of diode current versus diode voltage for a silicon diode. The graph includes the diode current for both forward- and reverse-bias voltages. The upper right quadrant of the graph represents the forward-bias condition. Beyond 0.6 V of forward bias the diode current increases sharply. The lower left quadrant of the graph represents the reverse-bias condition. Only a small current flows until breakdown is reached.
Diode Approximations First approximation(switch) Second approximation(voltage Ge=0.3V, Si=0.7V) 3.  Third approximation(with internal resistance called bulk resistance)
Polarity of Diodes
Diode Application Determine whether the diode is forward or reverse bias. 1.
2.
Find the current and the voltage across the load if possible.
4.
5. Find the voltage and current in 1K Ω
6.Determine the current and voltage across 1.5K Ω
7.  Determine which switch will turn “ON” the LED.(all diode are silicon)
Find the output voltage
Assignment no. 8 Determine whether the diode is in forward or reverse bias. Why?
Identify the switches that will make the LED to “ON”
3.  Find the output voltage Vo
4.  Find the current and voltage across 2K Ω
Special types of diodes Zener diode – a silicon pn junction device that differs from rectifier diode because it is designed for operation in the reverse breakdown region. Symbol:
2. LED(light emitting diode) – it is made of gallium arsenide or gallium arsenide phosphide.  Operation: when the device is forward bias, electrons cross the pn junction from the n type material to p type material.  When recombination takes place, the electrons release energy in the form of heat and light.
3. photodiode- a pn junction that operates in reverse bias. It has a small transparent window that allows light to strike the pn junction.
Current regulator diode -  it maintain a constant current as the zener diode maintain constant voltage.
5. Varicap (variable capacitor)
Transistor- a three terminal device used for signal amplification. Three parts: collector, base and emitter Two types: bipolar junction transistor field effect transistor Types of transistor: pnp and npn
Symbol: NPN  PNP
Construction:
Diode equivalent
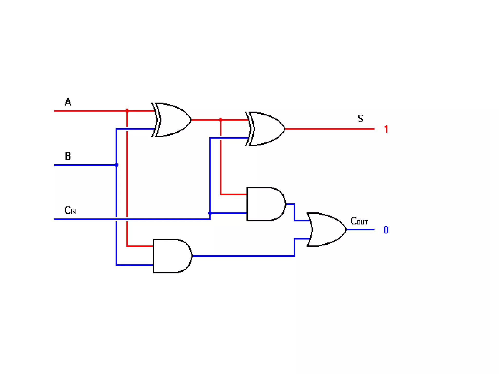
Transistor configuration: Common base Common collector Common emitter Current consideration: Ic + Ib = Ie
Transistor parameters: Alpha and beta
BJT proper biasing Mode   e-b jct. c-b jct. Use Active forward reverse amplifier Cutoff reverse reverse switch, off pos. Saturation forward forward switch, on pos.
Transistor characteristics curve:
Simple transistor circuit:
Logic gates and Boolean Algebra Boolean algebra(logic operation) 1+1=1 1+0=1 0+0=0 1x1=1 1x0=0 1’ = 0 Binary addition : 1+1 = 10
Perform binary addition for the following: 11101101 +  1011101 101011111 +  111101101
Use truth table to simplify the given expression. Y = A’ + BC’ Y = (AB)’(A+C)’ Y = A + A’(A) Y = B’
 

new lec electromag.

  • 1.
    Electromagnetism, Electricity AndDigital Electronics By Engr. Jorge P. Bautista
  • 2.
    Course Outline Theoryof Electrons and Electricity Resistor and other passive elements Ohm’s Law and Electric Circuits Theory of Magnetism Diode and other Electronic Devices Logic Gates and flip-flops Combinational and sequential circuits
  • 3.
    Text and ReferencesDigital Design by Mano Electronic Devices by Floyd Engineering Circuit Analysis by Hayt Introduction to Electric Circuits by Dorf Introduction to Digital Circuits by Bogart
  • 4.
    Theory of ElectronsPrinciples of Electrons: Electrons orbit the nucleus of an atom at certain distances from the nucleus. Electrons near the nucleus have less energy than those in more distant orbits. Bohr’s Atomic Theory of an atom An atom consist of a nucleus in which it consist of a neutron and a proton in which electrons orbit around it.
  • 5.
    Shells of anAtom In an atom, orbits are group into energy bands know as shells. Each shell has a fixed maximum number of electrons at permissible energy levels. The shells are designated as K,L,M,N, and so on. The outermost shell is know as valence shell and the electrons in this shell are called valence electrons . These valence electrons contribute to chemical reactions and bonding.
  • 6.
    Shells of orbitalElectrons in an Atom 50 18 14 10 6 2 O 32 14 10 6 2 N 18 10 6 2 M 8 6 2 L 2 2 K Total g f d p s
  • 7.
    Parts of anAtom Proton – positively charge particle Electron – negatively charge particle Neutron – neutral charge particle or no charge at all.
  • 8.
    Ionization Ionization– the process of losing a valence electrons. Ion – the resulting positively charge atom Free electrons – the escaped valence electron. Positive ion – ions that loses an electron Negative ion – ions that gained an electron
  • 9.
    What are insulators,conductors and semi-conductors? Insulator – name given to materials that do not conduct electricity. They have less than 8 free electrons Conductor – name given to materials that is a good conductor of electricity. They have many free electrons Semiconductor – materials having 8 valence electrons.
  • 10.
    Some insulators andconductors *Insulator *Conductor Glass Gold Porcelain Silver Mica Copper Rubber Aluminum Asbestos Zinc Paraffin Tin Paper Lead Air iron
  • 11.
    WIRE SIZES 1.4A212.872 0.3200 28 3.5A 84.1976 0.5105 24 7A 52.9392 0.6451 22 211A 0.4063 7.3482 1 245A 0.3224 8.2524 0 Ampacity Ohms per Km Diameter, mm AWG gauge
  • 12.
    What is Electricity?Electricity is the flow of electrons from an area high in electron excess to one of lower electron content. the flow of energy in a wire (similar to the flow of water in a pipe) that is invisible, that causes the wire to become hot , causes a magnetic field to develop around the wire and can be put to work driving pumps, blowers, fans and so forth. Electricity cannot be generated. It can neither be created nor destroyed. It can, however, be forced to move and thus transmit power or produce electrical phenomena. Two types of electricity: Static electricity – electricity at rest Dynamic electricity – electricity in motion
  • 13.
    Common Sources ofElectrical energy or Power. 1. Battery – a single unit capable of producing DC voltage by converting chemical energy into electrical energy. 2. Dynamo – a machine that converts mechanical energy to electrical energy and vice versa. 3. Motor – transformation from electrical energy to mechanical energy. 4. Generator – transformation from mechanical energy to electrical energy. 5. Solar energy – it converts solar energy from the sun through the use of solar cells.
  • 14.
    Alternating Current (AC)and Direct Current (DC) Direct current or DC is the first type of current because it is easy to produce. This current always flows in one direction. Its disadvantage is that it has an excessive voltage drop and power loss in the power lines for a long distance. Batteries are common sources of direct current.
  • 15.
    Alternating current isthe solution to the problem of DC. AC allows the flow of current in two directions. Today, it is possible to step up electricity to a power station, transmit it to any distant place and step it down for consumption. A transformer is the device used for stepping up and stepping down AC voltage.
  • 16.
  • 17.
  • 18.
    How Electricity isDelivered to a Customer
  • 19.
    What is electricalenergy and power? Electrical Energy – the capacity to do electrical work Unit: watt-sec, kilowatt-hour, joule W = P x t Where: W = energy P = power t = time Conversion factor: 1 joule = 10 7 ergs
  • 20.
    Electric Power –the rate of doing electrical work or it is the rate at which electrical energy is converted to other forms of energy. Unit: joule/sec, watt P = work/time = EI = E2/R = I2R Where E = voltage I = current R = resistance
  • 21.
    What is voltage?Voltage - (potential Difference) or (electromotive force) – the force or pressure which makes electrons moves or tends to move from atom to atom along the wire. Unit: volts
  • 22.
    What are currentand resistance? Current – the rate of flow of electrons per unit of time. It can be direct current or alternating current. Unit: Ampere Resistance– the capability of the resistor to limit the flow of current and reduce the amount of voltage in a circuit. Unit: ohms, 
  • 23.
    Ohm’s Law Thecurrent is directly proportional to the voltage across the resistance and inversely proportional to the resistance. V I = ----- R Power Relationship: P = VI
  • 24.
  • 25.
    Mathematical Prefixes Giga= x10 9 Mega = x10 6 Kilo = x10 3 milli = x10 -3 micro = x10 -6 nano = x10 -9 pico = x10 -12
  • 26.
    Conversion to Prefixesand Scientific Notations 25000000V 0.0000067A 1250000 meters 0.005 liters 2.4x10 3 meters 33x10 -6 watts 0.00045 A 6.6x10 6 Ω
  • 27.
    EXERCISES 300W 12V120W 1.2 Ω 260W 10A 3 Ω 30V 10 Ω 24A POWER RESISTANCE CURRENT VOLTAGE
  • 28.
    Basic Electrical VariablesSeimens, mho G Conductance Ohms R Resistance Joule W Energy Watts P Power Volts V Voltage Ampere I Current Coulomb Q Charge sec t Time Unit Symbol Variable
  • 29.
    Examples Asimple circuit has 12V and a resistance of 4.7K  . Determine the current and power of the circuit. 2. The output current of a certain integrated circuit is 6mA and it is flowing into a resistance of 5K  . Determine the voltage across the resistance.
  • 30.
    3. Determine thehot resistance of a 60watts bulb operated from an effective voltage of 120V. 4. The power dissipated in a certain resistance is 100watts and the current is 4A. Determine the resistance.
  • 31.
    5. Assumethat a family leaves a 60watts light bulb on for a duration of a two weeks trip. If electricity cost 9 cents per kilowatt-hour, determine the cost incurred.
  • 32.
    Assignment no. 1Research on the following scientist and state what invention he contributed in the field of electronics Cuneus and Muschenbrock Benjamin Franklin Charles Augustus Coulomb Luigi Galvani Alessandro Volta Hans Christian Oersted Andre Marie Ampere
  • 33.
    8. Georg SimonOhm 9. Michael Faraday 10. Karl Friedrich Gauss and Wilhelm Eduard Weber 11. Joseph Henry 12. Heinrich Lenz 13. Samuel Finley Breese Morse 14. Gustav Robert Kirchhoff 15. James Clerk Maxwell 16. Joseph Wilson Swan 17. Thomas Alva Edison 18. Heinrich Rudolf Hertz 19. Nikola Tesla 20. Guglielmo Marconi
  • 34.
    21. Albert Einstein22. Shockley, Bardeen and Brattain 23. Jack Kilby 24. Robert Norton Noyce 25. Seymour Cray
  • 35.
    II. Complete theTable below, show your solutions 3W 100 Ω 12V 10mA 13.75V 22 Ω 220W 2.4A power voltage current resistance
  • 36.
    III. Problem SolvingWhat is the power in a circuit if the secondary transformer rated at 12V, 2A? How much is the power loss of 100 Ω resistance, which consumes current of 10A? How much current is flowing in a 1KΩ resistor with an input voltage of 12V? How much resistance is needed to absorbed a current of 2.5mA with a voltage of 3V?
  • 37.
    Electronics Test InstrumentsElectronics test instruments are crucial instruments that are often use for troubleshooting, repairing and analyzing the operation of a specific device. The most frequently measured parameters are the voltage, resistance and current. The multi-tester or multi-meter or sometimes called VOM(Voltmeter, Ohmmeter, Milliammeter) is best instrument that can measure voltage, resistance and current. But this instrument measures the numerical value, not the actual waveform, which is also important to know when troubleshooting and determining the frequency of the signal.
  • 38.
  • 39.
    The analog multi-testerhas a moving coil assembly which is characterized by a needle pointer. The advantage of analog multi-tester over digital multitester is a resistance test in testing electronic components such as capacitor and transistor.
  • 40.
    Steps in UsingAnalog Multi-tester Connect the test probe to the appropriate jack. The red probe to the + jack and black probe to the (-) common jack. Check is the pointer rest exactly at the zero position or infinite position at the ohmmeter range. If not adjust the zero corrector screw. Check the accuracy of the ohmmeter by touching the two test probe. Set the multitester to x1 ohm or x10 ohms selector range. Hold the two test probe simultaneously. The pointer should not deflect when holding the two test probe. If the pointer deflects, the ohmmeter range is defective.
  • 41.
    4. Check theprobes if they are OK. Set the multi-tester to corresponding selector resistance range. Short the two probes lead together. The pointer should deflect towards zero ohm reading. Adjust the ohm adjustment if the pointer could not rest exactly at “0” ohm reading. If nothing happen the possible cause is low powered battery
  • 42.
    Resistance Measurement Selectthe desired resistance range scale with the selector switch. Read the pointer and multiply by the selected range. DC/AC Voltage Measurement Set the selector knob to the proper scale range. The chosen scale range must be higher than the anticipated voltage to be measured.
  • 43.
    DC/AC Current MeasurementThe ammeter scale is the same as the voltmeter scale. Apply the same procedure in measuring voltage. However, in current measurement , the meter must be connected in series with the circuit. Unlike in measuring voltage, the connection is parallel.
  • 44.
    Advantages of Digitalover Analog More accurate It draws essentially no energy from the circuit being measured and hence will not affect the measured quantity Some are featured with autoranges that change the scale automatically providing the correct read out without having to change manually.
  • 45.
    Resistor Color CodeTemp coef 6 th band tolerance tolerance 5 th band Multiplier Multiplier tolerance 4 th band Significant figure Significant figure Multiplier 3 rd band Significant figure Significant figure Significant figure 2 nd band Significant figure Significant figure Significant figure 1 st band 6 bands 5 bands 4 bands designation
  • 46.
    Resistor Color Code+/- 0.5% 100000 5 Green 25 10000 4 Yellow 15 1000 3 Orange 50 +/- 2% 100 2 Red 100 +/- 1% 10 1 Brown 1 0 Black TC TOL multiplier SF Color
  • 47.
    Con’t +/- 10%10 -2 Silver +/- 5% 10 -1 Gold 1 10 9 9 White +/- 0.05% 10 8 8 Grey 5 +/- 0.1% 10 7 7 Violet 10 +/- 0.25% 10 6 6 Blue
  • 48.
    Exercises Decodethe following resistor color. red, blue, violet, green Blue, black, red, red Yellow, red, orange, silver Blue, black, black, red, red Green, red, red, green, blue Grey, green, silver, green Yellow, green, black, white, gold Blue, green, violet, red, orange, red
  • 49.
    Two main categoriesof resistor Linear resistor – those which obey ohms law. Non-linear resistor – consist of three types Light dependent resistor(LDR)- light sensitive Thermistor – heat sensitive Voltage dependent resistor
  • 50.
  • 51.
  • 52.
    Classification of ResistorAccording to type of material Carbon composition Carbon film Metal film Wire wound According to their tolerance General purpose, 5% or greater Semi-precision, 1% to 5% Precision, 0.5% to 1% Ultra-precision, less than 0.5%
  • 53.
    Cross section ofa resistor --
  • 54.
    Assignment no. 2Research on the following and draw the figure: a. wattmeter b. digital multimeter Decode the following color coded resistor. red, green, blue, violet Yellow, green, silver, blue Blue, yellow, orange, green, red Red, blue, blue, red, orange Violet, black, white, blue
  • 55.
    Con’t III. Findthe color code of the given range of resistances. 1. 4 bands 250 Ω, +/-5% 2. 5 bands 4.32KΩ, +/-1% 3. 4 bands 270KΩ, +/-5% 4. 5 bands 619MΩ, +/-2% 5. 5 bands 356MΩ, +/-20%
  • 56.
    Capacitor Adevice that stores electrons. The basic capacitor is made up of two conductors separated by an insulator, or dielectric. Depending on how the capacitor is built, the dielectric can be made of paper, plastic, mica, ceramic, glass, vacuum or any other non conductive materials. Capacitor storing ability is measured in Farad. 1 Farad is approximately 6,280,000,000,000,000,000 electrons.
  • 57.
  • 58.
  • 59.
    Commonly Used CapacitorElectrolytic, as in previous image is made of electrolyte, basically conductive salt in solvent. Ceramic- constructed with materials such as titanium acid barium for dielectric. Mylar(polyester Film)- this capacitor uses a thin polyester film as a dielectric. Tantalum- made of tantalum pentoxide.
  • 60.
  • 61.
    Capacitor code Code Tolerance J +/-5% K +/- 10% M +/-20% C +/- 0.25%
  • 62.
  • 63.
    Exercises Findthe capacitance of the given capacitor mylar: 333M Mylar: 665J Ceramics: 44 Ceramics: 785 Ceramics: 2K
  • 64.
    Series Parallel ResistorsSeries Resistors: Conditions: The total resistance of a series resistors is the sum of the individual resistances. The total voltage of a series resistors is the sum of individual voltages or voltage drops in each resistor. The total current of a series resistors is equal to the individual current in each resistors.
  • 65.
  • 66.
    Equations: Vt =VR1 + VR2 + VR3 = I1R1 + I2R2 + I3R3 Rt = R1 + R2 + R3 It = I1 = I2 = I3
  • 67.
    Power Equation Pt= P1 + P2 + P3 The total power in a series resistors is equal to the sum of the individual power in each resistor.
  • 68.
    Example Determinethe total resistance, total current and current and voltage in each resistor of the circuit below
  • 69.
    Find the totalresistance, total current and voltage in each resistor.
  • 70.
    3. Find Rxfor the circuit shown below
  • 71.
    4. Findthe value of the resistors in the given circuit if the total resistance is 100 Ω .
  • 72.
    5. Determine thevoltage and power in each resistor below. Find the input voltage.
  • 73.
    Assignment no. 3Find Vt,P1, R1, V2, P2, R3, V3 and Pt for the circuit shown.
  • 74.
    Parallel Resistors: Conditions:The total resistance is equal to the sum of the inverse of the resistances. The total current is equal to the sum of the current in each resistor. The voltages in each parallel resistor are equal.
  • 75.
  • 76.
    Equations Vt= VR1 = VR2 = VR3 1 1 1 1 ---- = ------ + ------ + ------- Rt R1 R2 R3 It = I1 + I2 + I3
  • 77.
    Exercises Findthe total resistance of the given parallel resistors.
  • 78.
    2. Determine thetotal resistance of the given parallel resistors
  • 79.
    3. FindRx for the parallel resistor below
  • 80.
    Assignment no. 4 4. Find the total resistance and current, voltage and power in each resistor below
  • 81.
    Series-parallel resistor Findthe total resistance of the circuit below:
  • 82.
    2 . Find the total resistance of the circuit below. Determine the total current and power.
  • 83.
    3. Find thetotal resistance of the circuit below.
  • 84.
    4. Findthe total resistance of the circuit below.
  • 85.
    Assignment no. 51. Find the total current and resistance of the circuit below.
  • 86.
    Series Parallel CapacitorFor series capacitor: 1/Ct = 1/C1 + 1/C2 + 1/C3
  • 87.
    For parallel capacitor:Ct = C1 + C2 + C3
  • 88.
    Series Parallel InductorFor series inductor Lt = L1 + L2 + L3
  • 89.
    For parallel inductor1/Lt = 1/L1 + 1/L2 + 1/L3
  • 90.
    Exercises Determine thetotal capacitance or inductance of the circuit below 1.
  • 91.
    2. Find thetotal inductance.
  • 92.
    Assignment no. 6Find the total inductance of the circuit below
  • 93.
    2. Changethe inductor in problem 1 with Farad and determine the total capacitance.
  • 94.
    Magnetism What isa magnet? A magnet is an object made of certain materials which create a magnetic field .  Every magnet has at least one north pole and one south pole.  By convention, we say that the magnetic field lines leave the North end of a magnet and enter the South end of a magnet.  This is an example of a magnetic dipole ("di" means two, thus two poles).  If you take a bar magnet and break it into two pieces, each piece will again have a North pole and a South pole.  If you take one of those pieces and break it into two, each of the smaller pieces will have a North pole and a South pole.  No matter how small the pieces of the magnet become, each piece will have a North pole and a South pole. 
  • 95.
    The ancient Greeksand Chinese discovered that certain rare stones, called lodestones, were naturally magnetized.  These stones could attract small pieces of iron in a magical way, and were found to always point in the same direction when allowed to swing freely suspended by a piece of string.  The name comes from Magnesia, a district in Thessaly, Greece
  • 96.
    Things that usesmagnet: Headphones, stereo speakers, telephone receivers, phone ringers, microwave tubes, doorbell ringer solenoid, floppy disk recording and reading head, credit card, computer monitor deflection coil, computer hard drive recording, TV deflection coil, clothes washer and dryer, DVD spinner and head positioner, hard disk spinner, starter motor, A/C clutch, etc.
  • 97.
    Ten facts aboutmagnet 1. North poles point north, south poles point south. 2. Like poles repel, unlike poles attract. 3. Magnetic forces attract only magnetic materials. 4. Magnetic forces act at a distance. 5. While magnetized, temporary magnets act like permanent magnets. 6. A coil of wire with an electric current flowing through it becomes a magnet. 7. Putting iron inside a current-carrying coil increases the strength of the electromagnet. 8. A changing magnetic field induces an electric current in a conductor. 9. A charged particle experiences no magnetic force when moving parallel to a magnetic field, but when it is moving perpendicular to the field it experiences a force perpendicular to both the field and the direction of motion. 10. A current-carrying wire in a perpendicular magnetic field experiences a force in a direction perpendicular to both the wire and the field.
  • 98.
    Types of magnetsPermanent magnet Temporary magnets Electromagnets
  • 99.
    Permanent Magnets Permanentmagnets are those we are most familiar with, such as the magnets hanging onto our refrigerator doors.  They are permanent in the sense that once they are magnetized, they retain a level of magnetism.  As we will see, different types of permanent magnets have different characteristics or properties concerning how easily they can be demagnetized, how strong they can be, how their strength varies with temperature, and so on. Temporary Magnets Temporary magnets are those which act like a permanent magnet when they are within a strong magnetic field, but lose their magnetism when the magnetic field disappears.  Examples would be paperclips and nails and other soft iron items.
  • 100.
    Electromagnets An electromagnetis a tightly wound helical coil of wire, usually with an iron core, which acts like a permanent magnet when current is flowing in the wire.  The strength and polarity of the magnetic field created by the electromagnet are adjustable by changing the magnitude of the current flowing through the wire and by changing the direction of the current flow. Neodymium Iron Boron magnet = Nd2Fe14B or Nd15Fe77B8.
  • 101.
    Coulomb’s law Themagnitude of the electrostatic force between two point electric charges is directly proportional to the product of the magnitudes of each of the charges and inversely proportional to the square of the total distance between the two charges . k Q1Q2 F = -------------- where k = 8.99E9 Nm2/C2 r2
  • 102.
    K = 1/ 4  o But  = 8.854x10E-12
  • 103.
    Examples Two chargesof +1C each is separated at a distance of 1meter. Determine the force of repulsion of the two charge. Two balloons are charge with identical quantity of -6.25uC. They are separated with a distance of 66.67cm. Determine the force of repulsion of the two balloons.
  • 104.
    Two charges +1.2uCand -2.4uC are separated with a distance of 2m. Determine the force of attraction of the two charges. The force of attraction between a +2.2uC and an unknown charge is 1.2N. They are separated by 120cm distance. Find the charge of the other electron.
  • 105.
    Given the figurebelow: Find the total force of the two charges on charge -3.3uC. Which has greater force of attraction?
  • 106.
    Assignment no. 7Two charges, -10uC and +15uC, are acting on a force of attraction of 4.5N. Determine their distances. Two point charges, +25nC and -75nC, are 10cm apart. Determine the force of attraction between them.
  • 107.
    Determine the forceof attraction of two negatively charge particle to the positively charge particle. Determine total force.
  • 108.
    4. Findthe total force develop by three positive charge to the negative charge particle in the figure
  • 109.
    Semiconductor Materials Semiconductorsconduct less than metal conductors but more than insulators. Some common semiconductor materials are silicon (Si), germanium (Ge), and carbon (C) . Silicon is the most widely used semiconductor material in the electronics industry. Almost all diodes, transistors, and ICs manufactured today are made from silicon.
  • 110.
    Intrinsic semiconductorsare semiconductors in their purest form. Extrinsic semiconductors are semiconductors with other atoms mixed in. These other atoms are called impurity atoms. The process of adding impurity atoms is called doping.
  • 111.
    The figure belowillustrates a bonding diagram of a silicon crystal.
  • 112.
    Thermal energy isthe main cause for the creation of an electron-hole pair, as shown in Figure As temperature increases, more thermally generated electron-hole pairs are created. In the figure, the hole acts like a positive charge because it attracts a free electron passing through the crystal.
  • 113.
    The figure showsthe doping of a silicon crystal with a pentavalent impurity.(N type) Arsenic (As) is shown in this figure, but other pentavalent impurities such as antimony (Sb) or phosphorous (P) could also be used.
  • 114.
    The figure showsthe doping of a silicon crystal with a trivalent impurity.(P type) Aluminum (Al) is shown in this figure, but other trivalent impurities such as boron (B) or gallium (Ga) could also be used.
  • 115.
    A popular semiconductordevice called a diode is made by joining p- and n-type semiconductor materials, as shown in Fig. a. The doped regions meet to form a p-n junction. Diodes are unidirectional devices that allow current to flow in one direction. The schematic symbol for a diode is shown in Fig. b.
  • 116.
  • 117.
    Biasing of DiodesForward bias Reverse bias
  • 118.
  • 119.
    Previous slide isa graph of diode current versus diode voltage for a silicon diode. The graph includes the diode current for both forward- and reverse-bias voltages. The upper right quadrant of the graph represents the forward-bias condition. Beyond 0.6 V of forward bias the diode current increases sharply. The lower left quadrant of the graph represents the reverse-bias condition. Only a small current flows until breakdown is reached.
  • 120.
    Diode Approximations Firstapproximation(switch) Second approximation(voltage Ge=0.3V, Si=0.7V) 3. Third approximation(with internal resistance called bulk resistance)
  • 121.
  • 122.
    Diode Application Determinewhether the diode is forward or reverse bias. 1.
  • 123.
  • 124.
    Find the currentand the voltage across the load if possible.
  • 125.
  • 126.
    5. Find thevoltage and current in 1K Ω
  • 127.
    6.Determine the currentand voltage across 1.5K Ω
  • 128.
    7. Determinewhich switch will turn “ON” the LED.(all diode are silicon)
  • 129.
  • 130.
    Assignment no. 8Determine whether the diode is in forward or reverse bias. Why?
  • 131.
    Identify the switchesthat will make the LED to “ON”
  • 132.
    3. Findthe output voltage Vo
  • 133.
    4. Findthe current and voltage across 2K Ω
  • 134.
    Special types ofdiodes Zener diode – a silicon pn junction device that differs from rectifier diode because it is designed for operation in the reverse breakdown region. Symbol:
  • 135.
    2. LED(light emittingdiode) – it is made of gallium arsenide or gallium arsenide phosphide. Operation: when the device is forward bias, electrons cross the pn junction from the n type material to p type material. When recombination takes place, the electrons release energy in the form of heat and light.
  • 136.
    3. photodiode- apn junction that operates in reverse bias. It has a small transparent window that allows light to strike the pn junction.
  • 137.
    Current regulator diode- it maintain a constant current as the zener diode maintain constant voltage.
  • 138.
  • 139.
    Transistor- a threeterminal device used for signal amplification. Three parts: collector, base and emitter Two types: bipolar junction transistor field effect transistor Types of transistor: pnp and npn
  • 140.
  • 141.
  • 142.
  • 143.
    Transistor configuration: Commonbase Common collector Common emitter Current consideration: Ic + Ib = Ie
  • 144.
  • 145.
    BJT proper biasingMode e-b jct. c-b jct. Use Active forward reverse amplifier Cutoff reverse reverse switch, off pos. Saturation forward forward switch, on pos.
  • 146.
  • 147.
  • 148.
    Logic gates andBoolean Algebra Boolean algebra(logic operation) 1+1=1 1+0=1 0+0=0 1x1=1 1x0=0 1’ = 0 Binary addition : 1+1 = 10
  • 149.
    Perform binary additionfor the following: 11101101 + 1011101 101011111 + 111101101
  • 150.
    Use truth tableto simplify the given expression. Y = A’ + BC’ Y = (AB)’(A+C)’ Y = A + A’(A) Y = B’
  • 151.