Carbonate Rocks
Strong link with the “biologic world”
carbonate sediments are born, not made (James, 1984)
“Organic world” has stronger
and more complex relationship
with the environment than the
inorganic one.
A qz grain is a qz grain at the present time
as well as in the Cambrian.
An actual reef works in a different way than
a Cambrian reef.
The study of carbonate rocks
allows paleoenvironmental
recostructionof high detail
Why carbonate rocks are special?
Lateral transport of carbonate sediments
is usually very limited .
Why carbonate rocks are special?
The composition of a carbonate rock gives very often precise information
on the depositional environment.
The composition of a siliciclastic rock does not give in general information
of the original depositional setting
Why carbonate rocks are special?
Carbonates can be the final product of different processes
 mechanical deposition
 chemical precipitation
 in situ growth (build-up)
Why carbonate rocks are special?
Classification of carbonate rocks
Fundamental to understanding sedimentary rocks is the distinction of three basic components:
GRAINS (termed allochems by Folk), MATRIX (carbonate mud), and porosity or porosity-filling
CEMENT. Typical carbonate rocks are plotted here on a ternary diagram using those three end
members.
Ternary Plot of Major Limestone Constituents
Carbonate Rock-Petrography
Carbonate Rocks are made of :
Grains or allochems
Matrix or mud
Cement
matrix cement
grains grains
Grains
non-skeletal grains
skeletal grains/bioclasts
non-skeletal grains
Carbonate Rock-Petrography
skeletal grains
Carbonate sediments and rocks
(lithified sediment hardened by diagenetic
processes, such as cementation, compaction,
mineral recrystallization)
Carbonate rock classification: Dunham (1962) based on
DEPOSITIONAL TEXTURE: information about energy of the
depositional environment.
MOST IMPORTANT and COMMONLY in USE!!
Carbonate rock classification: Folk (1951) based on grain
composition and presence of micrite or cement: information about
the origin of the grains and of the depositional environment.
NOT CURRENTLY IN USE!!
Carbonate Classifications
Dunham (1962) Limestone Classification
The distinction as to whether a rock is supported by matrix (mud) or framework (grains) is
fundamental to this scheme. The four basic terms for normal (non-crystalline) limestones can be
further modified with terms describing constituent grains or other features. The most difficult
aspect of this classification, in many cases, is in deciding whether a rock with large and irregular
(skeletal or intraclastic) grains, or one that has undergone substantial post-depositional
compaction, was originally mud- or grain-supported.
Dunham classification is based on depositional texture
Embry& Klovan (1971) Limestone Classification
In Embry and Klovan (1971) scheme,for biogenic limestones, the term “floatstone” replaces Dunhamʼs
“packstone”. For coarser, grain-supported biogenic limestones, the term “rudstone” was coined. In
addition, an organically bound rock can be termed a “bafflestone”, a “bindstone”, or a “framestone”,
depending on the nature of the organic structures. These last three terms, in particular, have been widely
adopted by those working on reefs, bioherms, and other biogenic carbonates.
EMBRY & KLOWAN (1971)
Dunham (1962) Limestone Classification
1. Original components bound
together at the time of deposition:
BOUNDSTONE
1a. Organisms build a rigid
framework:
FRAMESTONE (corals)
1b. Organisms act as baffle:
BAFFLESTONE (algae, bryozoans)
1b. Organisms encrust and bind:
BINDSTONE (Stromatolites, red
algae)
Carbonate rock classification: Dunham (1962) + Embry and
Klovan (1972)
2. Original components not bound together at
the time of deposition
2a. Less 10% grains > 2mm
-When mud-supported and grains are < 10%:
MUDSTONE
-When mud-supported and grains are > 10%:
WACKESTONE
-When grain-supported with micrite matrix
filling the pore space: PACKSTONE
-When grain-supported, no micrite matrix
(sediment) but cement (precipitate) or unfilled
pore space: GRAINSTONE
2b. More 10% grains > 2mm
-Matrix supported: FLOATSTONE
-Grain supported: RUDSTONE
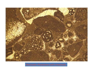
Peloidal grainstone with intraclasts and bioclasts
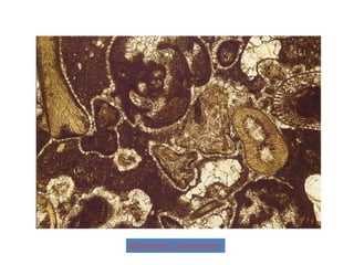
Bioclastic grainstone
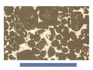
Lime mudstone
Bioclastic Packstone with intaclasts
Oolithic-bioclastic Grainstone
Bioclastic Packstone
Oolithic Grainstone
Bioclastic Wackestone
Bioclastic Packstone with intraclasts
Bioclastic Grainstone
Oolithic-peloidal Packstone
Boundstone
Algal boundstone
(bindstone)
Finely laminated, algal boundstone
(Stromatolite).
Coral boundstone
(framestone)
From Baccelle & Bosellini (1965)

Carbonate Reservoir.pdf

  • 1.
  • 2.
    Strong link withthe “biologic world” carbonate sediments are born, not made (James, 1984) “Organic world” has stronger and more complex relationship with the environment than the inorganic one. A qz grain is a qz grain at the present time as well as in the Cambrian. An actual reef works in a different way than a Cambrian reef. The study of carbonate rocks allows paleoenvironmental recostructionof high detail Why carbonate rocks are special?
  • 3.
    Lateral transport ofcarbonate sediments is usually very limited . Why carbonate rocks are special?
  • 4.
    The composition ofa carbonate rock gives very often precise information on the depositional environment. The composition of a siliciclastic rock does not give in general information of the original depositional setting Why carbonate rocks are special?
  • 5.
    Carbonates can bethe final product of different processes  mechanical deposition  chemical precipitation  in situ growth (build-up) Why carbonate rocks are special?
  • 6.
  • 7.
    Fundamental to understandingsedimentary rocks is the distinction of three basic components: GRAINS (termed allochems by Folk), MATRIX (carbonate mud), and porosity or porosity-filling CEMENT. Typical carbonate rocks are plotted here on a ternary diagram using those three end members. Ternary Plot of Major Limestone Constituents
  • 8.
    Carbonate Rock-Petrography Carbonate Rocksare made of : Grains or allochems Matrix or mud Cement matrix cement grains grains
  • 9.
    Grains non-skeletal grains skeletal grains/bioclasts non-skeletalgrains Carbonate Rock-Petrography skeletal grains
  • 10.
    Carbonate sediments androcks (lithified sediment hardened by diagenetic processes, such as cementation, compaction, mineral recrystallization) Carbonate rock classification: Dunham (1962) based on DEPOSITIONAL TEXTURE: information about energy of the depositional environment. MOST IMPORTANT and COMMONLY in USE!! Carbonate rock classification: Folk (1951) based on grain composition and presence of micrite or cement: information about the origin of the grains and of the depositional environment. NOT CURRENTLY IN USE!! Carbonate Classifications
  • 11.
    Dunham (1962) LimestoneClassification The distinction as to whether a rock is supported by matrix (mud) or framework (grains) is fundamental to this scheme. The four basic terms for normal (non-crystalline) limestones can be further modified with terms describing constituent grains or other features. The most difficult aspect of this classification, in many cases, is in deciding whether a rock with large and irregular (skeletal or intraclastic) grains, or one that has undergone substantial post-depositional compaction, was originally mud- or grain-supported. Dunham classification is based on depositional texture
  • 12.
    Embry& Klovan (1971)Limestone Classification In Embry and Klovan (1971) scheme,for biogenic limestones, the term “floatstone” replaces Dunhamʼs “packstone”. For coarser, grain-supported biogenic limestones, the term “rudstone” was coined. In addition, an organically bound rock can be termed a “bafflestone”, a “bindstone”, or a “framestone”, depending on the nature of the organic structures. These last three terms, in particular, have been widely adopted by those working on reefs, bioherms, and other biogenic carbonates.
  • 13.
    EMBRY & KLOWAN(1971) Dunham (1962) Limestone Classification
  • 14.
    1. Original componentsbound together at the time of deposition: BOUNDSTONE 1a. Organisms build a rigid framework: FRAMESTONE (corals) 1b. Organisms act as baffle: BAFFLESTONE (algae, bryozoans) 1b. Organisms encrust and bind: BINDSTONE (Stromatolites, red algae) Carbonate rock classification: Dunham (1962) + Embry and Klovan (1972) 2. Original components not bound together at the time of deposition 2a. Less 10% grains > 2mm -When mud-supported and grains are < 10%: MUDSTONE -When mud-supported and grains are > 10%: WACKESTONE -When grain-supported with micrite matrix filling the pore space: PACKSTONE -When grain-supported, no micrite matrix (sediment) but cement (precipitate) or unfilled pore space: GRAINSTONE 2b. More 10% grains > 2mm -Matrix supported: FLOATSTONE -Grain supported: RUDSTONE
  • 16.
    Peloidal grainstone withintraclasts and bioclasts
  • 17.
  • 18.
  • 19.
  • 20.
  • 21.
  • 22.
  • 23.
  • 24.
  • 25.
  • 26.
  • 27.
    Boundstone Algal boundstone (bindstone) Finely laminated,algal boundstone (Stromatolite). Coral boundstone (framestone)
  • 28.
    From Baccelle &Bosellini (1965)