ULTRASONIC DISTANCE MEASURE ROBOT
[ULTRA-4]
PROJECT REPORT
2012-2013
Submitted in partial fulfillment of the requirement for the award of degree
of Bachelor of Technology in
Electronics and Communication Engineering

Submitted by:
Nishant Singh
Shivanand Maurya

Shivasheesh Tripathi
Sushant Shankar

Under the guidance of:
Er. Umesh Singh

Er. Sweta Srivastava

Head of Department
Electronics and Comm. Engg.

Lecturer
Electronics and Comm. Engg.

Department of Electronics and Communication
Institute of Engineering and Technology
Dr.Ram Manohar Lohiya Avadh University, Faizabad
Declaration

We hereby declare that work entitled “Project report on ultrasonic distance measure
robot [ULTRA-4]”, is an authentic record of our own work carried out at Institute of
Engineering and Technology, Dr. Ram Manohar Lohiya Avadh University Faizabad, for
the award of degree of B.Tech. E.C.E. . Project comprises of our original work pursued
under the guidance of Er. Sweta Srivastava.
The results embodied in this report have not been submitted to any other
Institute or University for any award. The information provided is correct to the best
of our knowledge and belief.

Nishant Singh

9228

-------------------

Shivanand Maurya

9247

-------------------

Shivasheesh Tripathi

9248

-------------------

Sushant Shankar

9255

-------------------
CERTIFICATE

This

is

to

certify

that

Mr.Nishant

Singh,

Mr.Shivanand

Maurya,

Mr.Shivasheesh Tripathi, Mr.Sushant Shankar have successfully completed their
project entitled “Ultrasonic distance measure robot [ULTRA-4]” which is a bonafide
work carried out by themselves in partial fulfillment of Bachelor of Technology,
Degree in Electronics and Communication Engineering from Institute of Engineering
and technology,faizabad.
The work was carried out under our supervision during the academic
session 2012-2013.

Signature of the Guides:

Er.Umesh Singh
Head of Department
Electronics and comm. Engg.
Er.Sweta Srivastava
(Lecturer)

External Examiner
Acknowledgement

“It is not possible to prepare a project report without the assistance &
encouragement of other people. This one is certainly no exception.”

On the very outset of this report, we would like to extend our sincere & heartfelt
obligation towards all the personages who have helped us in this endeavor. Without
their active guidance, help, cooperation & encouragement, we could not have made
headway in the project.
First and foremost, we would like to express our sincere gratitude to our guide, Er.
Sweta Shrivastava we were privileged to experience a sustained enthusiastic and
involved interest from her side. This fuelled our enthusiasm even further and
encouraged us to boldly step into what was a totally dark and unexplored expanse
before us. She always fuelled our thoughts to think broad and out of the box. We
would also like to thank HOD (ECE), Er.Umesh Singh who, instead of his busy
schedule, always guided us in right direction. I would like to thank the entire staff
member for motivation guidance and support.
We are indebted to a number of friends and well-wishers who
have extended their co-operation and help in the preparation of the project. Last but
not the least, it goes without saying that we are deeply indebted to our parents for
their support and their patient guidance.
Thanking You

Nishant Singh
Shivanand Maurya
Shivasheesh Tripathi
Sushant Shankar
Abstract
Ultrasonic sensors are ideally suited to accurate, automatic distance measurement in
normal and difficult environments. Ultrasonic sensors are particularly suitable for
environments where optical sensors are unusable such as smoke, dust and similar.
Ultrasonic sensors are very accurate, stable and can be used over large ranges.
Ultrasonic sensors can measure the following parameters without contacting the
medium to be measured
•Distance
•Level
•Diameter
•Presence
•Position
Ultrasonic sensors make accurate measurements in many difficult environments and
unusual materials. Measurements are unaffected by:
•Material
•Surface
•Light
•Dust
•Mist and Vapor
ULTRA-4 or ultrasonic distance measure robot is a robot which perform many action
such as it gives the actual position of wall or obstacle which comes in front of it,
measures the distance which displayed by 7-segment and also show the moving
images of the objects by camera.
The application area of ultra-4 is very wide such as rescue oprations, spy robot,
versatile use in autonomus technology,use in mining,it has found essential use in light
industry (e.g. toy industry) agriculture and power engineering and used in car parking
system.
Table of Contents

CHAPTER

1. Introduction to ULTRA-4
2. Components & Working of ULTRA 4
3. Hardware Description
4. Software Description
--Program
5. Application
6. Appendix
IMAGES OF ULTRA-4

FRONT VIEW

BACK VIEW
SIDE VIEW

TOP VIEW
Introduction to ULTRA-4

ULTRA-4 or ultrasonic distance measure robot is a robot which perform many action such
as it gives the actual position of wall or obstacle which comes in front of it, measures the
distance which displayed by 7-segment and also show the moving images of the objects
by camera.
There are several ways to measure distance without making contact. One way is to use
ultrasonic waves (40 kHz) for distance measurement. Ultrasonic transducer measures the
amount of time taken by a pulse of sound to travel a particular surface and return back
as the reflected echo’s. This circuit calculates the distance measured by the speed of
sound at 25°C ambient temperature and demonstrates it on a 7-segment display. By
using it, we can measure distance up to 2.5 meters.
In recent times ultrasonic has been applied with considerable success in various
fields of Engineering and bio-medical. It has found essential use in light industry (e.g. toy
industry) agriculture and power engineering. In fact, it is difficult to find a field of
industrial endeavor for which ultrasonic energy has not been tried of suggested, if not
put in actual use.
Ultrasonic is the generation and detection ultrasonic vibrations. In materials having
plastic properties, the ultrasonic waves are of precisely the same matter as sound waves
and their propagation and absorption in various media are governed by the laws which
apply to sound transmission. An ultrasonic vibration has easily propagation in most of
the liquids and metals. Together with many other materials like glass, ceramics, plastic,
concrete etc. whether are highly attenuated in air land gases.
WORKING OF ULTRA -4
Ultrasonic generators use piezoelectric materials such as zinc or lead zirconium
tartrates or quartz crystal. The material thickness decides the resonant frequency when
mounted and excited by electrodes attached on either side of it. The medical scanners
used for abdomen or heart ultrasound are designed at 2.5 MHz. In this circuit, a 40kHz
transducer is used for measurement in the air medium. The velocity of sound in the air is
around 330 m/s at 0°C and varies with temperature.
In this project, we excite the ultrasonic transmitter unit with a 40kHz pulse burst
and expect an echo from the object whose distance we want to measure transmitted
burst, which lasts for a period of approximately 0.5 ms. It travels to the object in the air
and the echo signal is picked up by another ultrasonic transducer unit (receiver), also a
40 kHz pre-tuned unit. The received signal, which is very weak, is amplified several times
in the receiver circuit and appears somewhat as shown figure when seen on a CRO.

The ultrasonic pulse, echo signal and time measurement

Weak echoes also occur due to the signals being directly received through the side lobes.
These are ignored as the real echo received alone would give the correct distance. That is
why we should have a level control. Of course, the signal gets weaker if the target is
farther than 2.5 meters and will need a higher pulse excitation voltage or a better
transducer.
Here the microcontroller is used to generate 40 kHz sound pulses. It reads when the
echo arrives; it finds the time taken in microseconds for to-and-fro travel of sound
waves. Using velocity of 333 m/s, it does the calculations and shows on the four 7segment displays the distance in centimeters and millimeters (three digits for
centimeters and one for millimeters).
Ultrasonic sensors can measure the following parameters without contacting the
medium to be measured
•Distance
•Level
•Diameter
•Presence
•Position
Ultrasonic sensors make accurate measurements in many difficult environments and
unusual materials. Measurements are unaffected by:
•Material
•Surface
•Light
•Dust
•Mist and Vapor
1. COMPONENTS USE IN ULTRASONIC DISTANCE METER CIRCUIT
1. IC1
AT89C2051 microcontroller
2. IC2
ULN2003 current buffer
3. IC3
CD4049 hex inverting buffer
4. IC4
LM324 quad operational amplifier
5. IC5
7815, 15V regulator
6. IC6
7915, -15V regulator
7. IC7
7805, 5V regulator
8. T1-T4
BC557 pnp transistor
9. T5
2N2222 npn transistor
10. D1, D2 1N4148 switching diode
11. D3-D6 1N4007 rectifier diode
12. DIS1-DIS4 - LTS 542 common-anode,
13. 7-segment display
Resistors (all ¼-watt, ±5% carbon):
14. R1, R2 15. R3 – 82 16. R4, R7-R10 17. R5
18. R6
19. R11
20. R12-R15 21. R16
22. RNW1 23. VR1
-

2-mega-ohm
kilo-ohm
10-kilo-ohm
33-kilo-ohm
100-kilo-ohm
1-kilo-ohm
1.2-kilo-ohm
220-ohm
10-kilo-ohm resistor network
1-kilo-ohm preset

Capacitors:
24. C1, C2
25. C7, C10-C12
26. C3
27. C4
28. C5, C6
29. C8, C9

-

3.3nF ceramic disk
0.1μF ceramic disk
2.2nF ceramic disk
10μF, 16V electrolytic
22pF ceramic disk
1000μF, 50V electrolytic
Miscellaneous:
30. X1
230V AC primary to
31. 15V-0-15V, 500mA secondary transformer
32. XTAL
12MHz crystal
33. S1
Push-to-on switch
34. S2
On/off switch
35. TX1
40kHz ultrasonic transmitter
36. RX1
40kHz ultrasonic receiver

2. COMPONENTS USE IN RF ROBOT
1. IC 1
2. IC 2
3. IC 3
4. IC 4
5. XTAL
6. T1-T4
7. C1
8. C2
9. S1
10.R1
11. R2
12. D2
13.RNW1
14. Motor
15.Caster wheel
16.Wheel
-

L293D Motor Driver IC
RX28
AT 89S8253 Microcontroller
7805, 5V regulator
10MHz crystal oscillator
SS8050 transistor
470 μF Capacitors
4.7 μF Capacitors
Push-to-on switch
5.6 ohm register
10k ohm register
1N4148 switching diode
10-kilo-ohm resistor network
300 RPM
12cm dia

3. COMPONENTS USE IN CAMERA PART
1. Camera module
2. LDR
3. USB power supply
CIRCUIT DISCRIPTION OF DISTANCE METER MODULE
The 40kHz pulse bursts from the microcontroller are amplified by transistor T5.
Inverting buffer CD4049 drives the ultrasonic sensor used as the transmitter. Three
inverters (N1, N2 and N3) are connected in parallel to increase the transmitted power.
This inverted outputs fed to another set of three inverters (N4, N5 and N6).
Outputs of both sets of parallel inverters are applied as a push pull drive to the ultrasonic
transmitter. The positive going pulse is applied to one of the terminals of the ultrasonic
sensor and the same pulse after 180-degree phase shift is applied to another terminal.
Thus the transmitter power is increased for increasing the range. If we want to increase
the range up to 5 meters, use a ferrite-core step-up pulse transformer, which steps-up
the transmitter output to 60V (peak to- peak).
The echo signal received by the receiver sensor after reflection is very weak. It is
amplified by quad operational amplifier LM324. The first stage (A1) is a buffer with unity
gain. The Received signal is directly fed to the non-inverting input (pin 3) of A1 and
coupled to the second stage by a 3.3nF (small-value) capacitor. If you use the ubiquitous
0.01μF capacitor for coupling, there will be enormous hum at the output. The second
stage of the inverting amplifier uses a 2-mega-ohm resistor for feedback. The third stage
is a precision rectifier amplifier with a gain of 10. The rectifier functions, unlike a simple
diode, even for signal voltage of less than 0.6V. The output is filtered to accept 40kHz
frequencies and fed to pin 12 of microcontroller AT89C2051, which is an analogue
comparator. Pin 13 is the other pin of the comparator used for level adjustment using
preset VR1.
The ultrasonic transducer outputs a beam of sound waves, which has more energy on
the main lobe and less energy (60 dB below the main lobe) on the side lobes . Even this
low side-lobe signal is directly picked up by the receiver unit. So you have to space the
transmitter and receiver units about 5 cm apart. The two units are fixed by cellotape
onto a cardboard, with the analogue circuit at one end.
Two dimensional beam pattern of ultrasonic signal showing main lobe and side
lobe energy levels

Microcontroller AT89C2051 is at the heart of the circuit. Port-1 pins P1.7 through P1.2,
and port-3 pin P3.7 are connected to input pins 1 through 7 of IC2 (IC ULN2003),
respectively. These pins are pulled up with a 10-kilo-ohm resistor network RNW1. They
drive all the segments of the 7-segment display with the help of inverting buffer IC2.
Port-3 pins P3.0 through P3.3 of the microcontroller are connected to the base of
transistors T1 through T4 to provide the supply to displays DIS1 through DIS4,
respectively. Pin P3.0 of microcontroller IC1 goes low to drive transistor T1 into
saturation, which provides supply to the common- anode pin (either pin 3 or 8) of display
DIS1. Similarly, transistors T2 through T4 provide anode currents to the other three 7segment displays.
Microcontroller IC1 provides the segment data and display-enable signal simultaneously
in time-division multiplexed mode for displaying a particular number on the 7-segment
display unit. Segment data and display-enable pulse for the display are refreshed every 5
ms. Thus the display appears to be continuous, even though the individual LEDs used in it
light up one by one.
Using switch S1 we can manually reset the microcontroller, while the power
on reset signal for the microcontroller is derived from the combination of capacitor C4
and Resistor R8. A 12MHz crystal is used to generate the basic clock frequency for the
microcontroller.
Resistor R16 connected to pin 5 of DIS2 enables the decimal point. The comparator is
inbuilt in microcontroller AT89C2051. The echo signal will make port-3 pin 3.6 low when
it goes above the level of voltage set on pin 13. This status is sensed by the
microcontroller as programmed. When port-3 pin P3.6 goes high, we know that the echo
signal has arrived; the timer is read and the 16-bit number is divided by twice the
velocity of sound and then converted into decimal format as a 4-digit number.
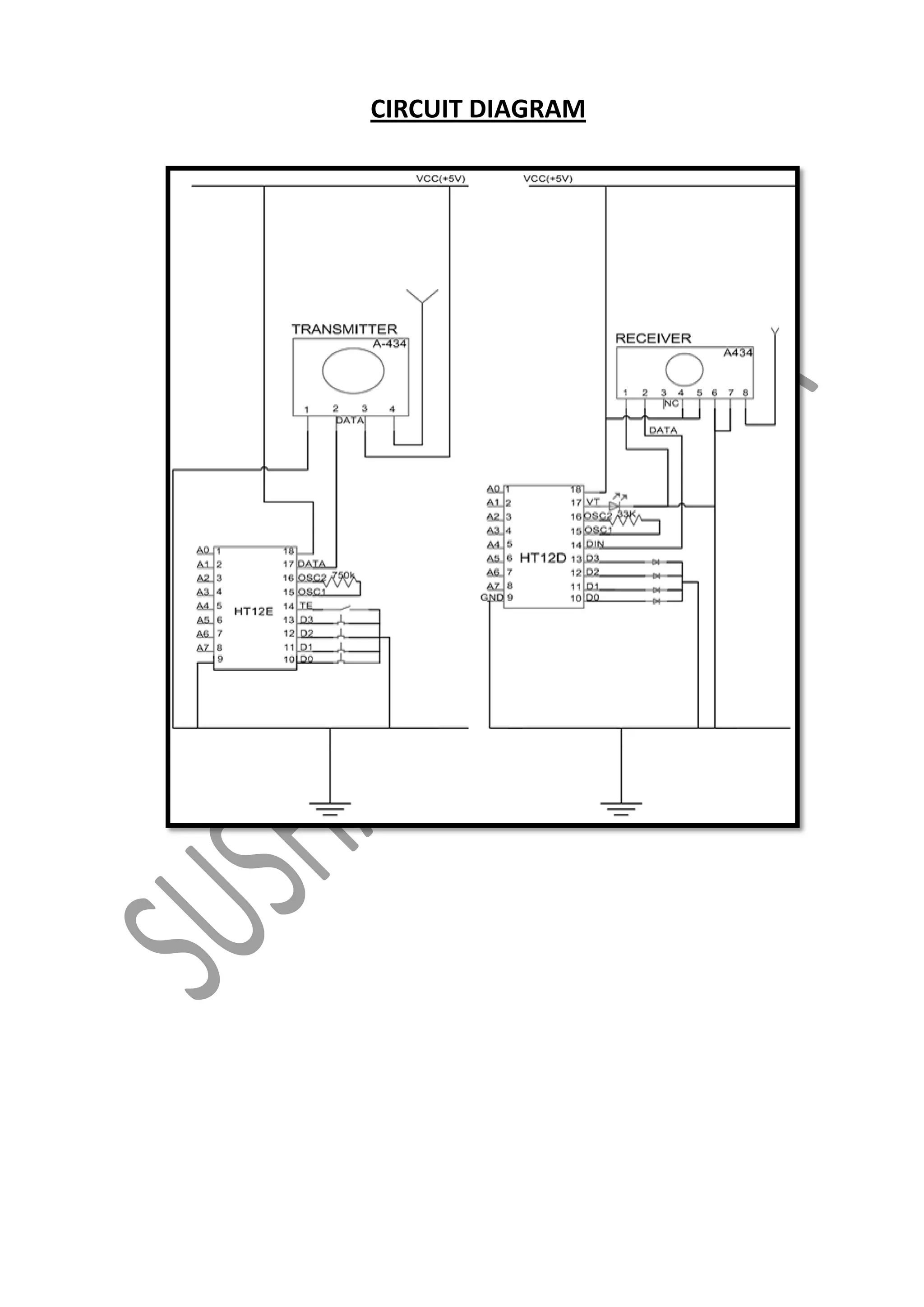
RF CIRCUIT MODULE
A circuit that operates on the phenomena of radio frequency ranging between 30KHz300GHz.This circuit utilizes the RF module (Tx/Rx) for making a wireless remote, which
could be used to drive an output from a distant place. RF module, as the name suggests,
uses radio frequency to send signals. These signals are transmitted at a particular
frequency and a baud rate. A receiver can receive these signals only if it is configured for
that frequency. Here we are using Tx/Rx operating at 49KHz.

A four channel encoder/decoder pair has also been used in this system. This radio
frequency (RF) transmission system employs Amplitude Shift Keying (ASK) with
transmitter/receiver (Tx/Rx) pair operating at 49KHz. The transmitter module takes serial
input and transmits these signals through RF. The transmitted signals are received by the
receiver module placed away from the source of transmission.

The system allows one way communication between two nodes, namely, transmission
and reception. The RF module has been used in conjunction with a set of four channel
encoder/decoder ICs. Here HT12E & HT12D have been used as encoder and decoder
respectively. The encoder converts the parallel inputs (from the remote switches) into
serial set of signals. These signals are serially transferred through RF to the reception
point. The decoder is used after the RF receiver to decode the serial format and retrieve
the original signals as outputs.
Encoder IC (HT12E) receives parallel data in the form of address bits and control bits. The control
signals from remote switches along with 8 address bits constitute a set of 12 parallel signals. The
encoder HT12E encodes these parallel signals into serial bits. Transmission is enabled by providing
ground to pin14 which is active low. The control signals are given at pins 10-13 of HT12E. The serial
data is fed to the RF transmitter through pin17 of HT12E.
Transmitter, upon receiving serial data from encoder IC (HT12E), transmits it wirelessly
to the RF receiver. The receiver, upon receiving these signals, sends them to the decoder
IC (HT12D) through pin2. The serial data is received at the data pin (DIN, pin14) of
HT12D. The decoder then retrieves the original parallel format from the received serial
data.

To summarize, on each transmission, 12 bits of data is transmitted consisting of 8
address bits and 4 data bits. The signal is received at receiver’s end which is then fed into
decoder IC. If address bits get matched, decoder converts it into parallel data and the
corresponding data bits get lowered which could be then used to drive the Motors. The
outputs from this system can either be used in negative logic or NOT gates (like 74LS04)
can be incorporated at data pins.
CIRCUIT DIAGRAM
Power supply
The 230V AC mains is stepped down by transformer X1 to deliver the secondary output
of 15V-0-15V, 500 mA. The transformer output is rectified by a full-wave bridge rectifier
comprising diodes D3 through D6, filtered by capacitors C8 and C9 and then regulated by
ICs 7815 (IC5), 7915 (IC6) and 7805 (IC7). Regulators 7815, 7915 and 7805 provide +15V,
-15V and +5V regulated supply, respectively.
Capacitors C10 through C12 bypass the ripples present in the regulated power supply.

Power supply circuit for distance meter
CONSTRUCTION AND TESTING

Component layout for the PCB

Assemble the PCB and put the programmed microcontroller into the socket. After
switching on the power supply and microcontroller automatically getting reset upon
power-’on, pin 8 will pulse at 40kHz bursts. This can be seen using an oscilloscope. Give
this signal to channel 1 of the oscilloscope. Adjust the time base to 2 ms per division and
set it to trigger mode instead of normal mode. Adjust the pot meter on the oscilloscope
labeled ‘level’ such that the trace starts with the burst and appears steady as shown.
Connect the transmitter and receiver ultrasonic units either by a twisted pair of wire or
by a shielded cable to the board. Give the received signal to channel 2 of the
oscilloscope. Then, place an A4-size plastic sheet in front of the ultrasonic transducers
and observe the echo signal. It will appear as. The two transducers can be fixed to a thick
cardboard with two wires leading to the circuit—two 40cm long shielded cables will do.
The laser pointer is fixed such that it is axial to the transducers. Channel 2 is connected
to pin 12, which is the positive non-inverting terminal of AT89C2051’s comparator. The
negative inverting terminal (pin 13) is connected to a preset reference. Adjust the preset
such that the voltage is 0.1V-0.2V at pin 13. This will enable detection of weak echoes
also. When the echo signal goes above the level of reference voltage set on pin 13, it will
make P3.6 low; the arrival of echo is sensed by the program using jnb p3.6 (jump not bit)
instruction.
PRINTED CIRCUIT BOARD

Actual-size, single-side PCB for the microcontroller-based ultrasonic distance meter
SOFTWARE
The software is written in Assembly language and assembled using 8051 Top View
Simulator. It is well commented and easy to understand. The pulse train for 0.5 ms is
started by making pin 8 high and low alternately for 12.5 microseconds so that the pulse
frequency is 40 kHz. After 25 such pulses have passed, a waiting time is given to avoid
direct echoes for about 20 μs. Then the signal is awaited, while the timer runs counting
time in microseconds.
When the echo arrives, port-3 pin P3.6 goes high, the timer reads and the 16-bit number
is divided by twice the velocity and converted into decimal format as a 4-digit number. If
the echo does not arrive even after 48 milliseconds, the waiting loop is broken and the
pulse train sequence is started once again. If the echo comes within this time, it is
displayed for half a second before proceeding to another measurement. Thus, the
display appears Continuous and flicker-free.
Topview Simulator gives an excellent simulation environment for the industry's most
popular 8 bit Microcontroller family, MCS 51. It gives required facilities to enable the
system designers to start projects right from the scratch and finish them with ease and

confidence.
It is the total simulation solution giving many state of art features meeting the needs of the
designers possessing different levels of expertise. If you are a beginner, then you can learn
about 8051 based embedded solutions without any hardware. If you are an experienced
designer, you may find most of the required facilities built in the simulator that enabling you to
complete your next project without waiting for the target hardware.

Top view simulator
PROGRAM
File name---Ultra_4.asm

Program listing:
$mod51
ORG 0H
AJMP 30H
ORG 0BH

; TIMER 0 INTERRUPT VECTOR
; AJMP TIMER0 IS R; Timer 0 Interrupt
Service routine address
ORG 30H
MOV SP,#60H ;
MOV P3,#0FFH ;
MOV P1,#03 ;
MOV TMOD,#01100001B ;
BEG:
MOV TH0,#0H ;
MOV TL0,#0H ;

set stack pointer
set all port 3 bits high to enable inputs also
set port 1 to all zeros expect bits 0,1
TIMER 1 - MODE 2 COUNTER,TIMR-0 TO MODE 1

TIMER REG.0 IS SET TO 0, GIVES 64ms
 timer low reg. is also so ;TOTAL CYCLE TIME IS 64.6ms
,350m/s gives 0.35mx65=22.5m
; up and down 10 meters say! .35 m/ms,
.35 mm/us, 1mm per 3 micros
; up and down .35/2 mm/us = 1/6 mm/us

VELOCITY OF SOUND IN AIR IS 350 M/S; AFTER 100 TIMES, WE HAVE TO STOP
TRANSMITTING FOR A TIME OF ABOUT .1 S ; SO WE STOP FOR THIS AMOUNT OF TIME
and expect an echo.

mov r2,#25 ;
setb p3.4 ;
mov r1,#5
djnz r1,$

25 pulses 26 us =.53 ms (343m/s*.5ms=17cm) pulse:
generates 40KHz
clr p3.4
mov r1,#5
djnz r1,$ ;
djnz r2, pulse ;
setb tr0 ;

wait for 13 us
20pulses
start timer

mov r2,#10
djnz r2,$ ;
wait 20 us
check_echo:
jnb p3.6,checktimeout
MOV 40h,TL0 ;
 read timer count
MOV 41h,TH0;
mov r0,40h;
mov r1,41h;
mov r3,#0;
mov r2,#6 ;
call UDIV16 ;
divide by 6
mov 40h,r0;
mov 41h,r1;
mov 50h,#25;
disp: call disp1 ;
 show the value on LED
djnz 50h,disp ;
so many times for visible time limit
jmp beg;
checktimeout: mov a,th0;
cjne a,#0c0h,check_echo ;
upto 4 metres
jmp beg;
subroutine UDIV16;
16 bit/16bit unsigned divide
input r1,r0 =dividend X;
input r3,r2 =divisor Y;
output r1,r0 =quottient q of x/y;
output r3,r2 = remainder;
alters acc,r4-47,flags,dptr;
UDIV16: mov r7,#0 ;
clear partial remainder
mov r6,#0 ;
mov B,#16 ;
set loop count
div_loop: clr C ;
clear carry flag
mov a,r0 ;
shift the highest bit of dividend into
rlc a;
mov r0,a;
mov a,r1;
rlc a;
mov r1,a;
mov a,r6 ;
rlc a;
mov r6,a;
mov a,r7;
rlc a;
mov r7,a;
mov a,r6;
clr C;
subb a,r2;
mov dpl,a;
mov a,r7;
subb a,r3;
mov dph,a;
cpl C;
jnc div_1 ;
mov r7,dph;
mov r6,dpl ;
div_1: mov a,r4;
rlc a;
mov r4,a;
mov a,r5;
rlc a;
mov r5,a;
djnz B,div_loop;
mov a,r5;
mov r1,a ;
mov a,r4;
mov r0,a;
mov a,r7 ;
mov r3,a ;
mov a,r6

 the lowest bit of partial remainder

update partial remainder if borrow
update parital reminder

 put qt. in r0,r1

get rem. saved before the
last subtraction.
mov r2,a
ret ;
16 Bit Hex to BCD Conversion for 8051 Microcontroller This routine is for 16 bit Hex to
BCD conversion;Accepts a 16 bit binary number in R1,R2 and returns 5 digit BCD in
;R7,R6,R5,R4,R3(upto 64K )
Hex2BCD: ;r1=high byte ;r7=most significant digit ;R2 = LSByte
MOV R3,#00D;
MOV R4,#00D;
MOV R5,#00D;
MOV R6,#00D;
MOV R7,#00D;
MOV B,#10D;
MOV A,R2;
DIV AB;
MOV R3,B ;
MOV B,#10 ; R7,R6,R5,R4,R3;
DIV AB;
MOV R4,B;
MOV R5,A;
CJNE R1,#0H,HIGH_BYTE ;
 CHECK FOR HIGH BYTE
SJMP ENDD;
HIGH_BYTE: MOV A,#6;
ADD A,R3;
MOV B,#10;
DIV AB;
MOV R3,B;
ADD A,#5;
ADD A,R4;
MOV B,#10;
DIV AB;
MOV R4,B;
ADD A,#2;
ADD A,R5;
MOV B,#10;
DIV AB;
MOV R5,B;
CJNE R6,#00D,ADD_IT;
SJMP CONTINUE;
ADD_IT: ADD A,R6;
CONTINUE: MOV R6,A;
DJNZ R1,HIGH_BYTE;
MOV B, #10D;
MOV A,R6;
DIV AB;
MOV R6,B;
MOV R7,A;
ENDD: re
DISP1:
REFRESH:

mov r1,41h;
mov r2,40h;
CALL HEX2BCD;
MOV 18H,r3 ;
MOV 19H,r4 ;
MOV 1AH,r5
MOV 1BH,R6 ;
refresh1: MOV R0,#1bh ;
MOV R4,#8 ;
mov r7,#2 ;
PQ2: CALL SEGDISP;
deC R0;
mov a,r4;
rrc a;
mov r4,a;
jnc pQ2;
PV3:

 content of 18 to 1B memory locations are output on LEDs
only numbers 0t 9 and A to F are valid data in these
locations

least significant digit
 next significant digit

 most significant digit (max:9999)
1b,1a,19,18,holds values for 4 digits
pin p3.3_0 made low one by one starts with 18
decimal pt.on 3rd digit from left (2 nd from right)
RET
SEGDISP:
mov dptr,#ledcode;
MOV A,@R0;
ANL A,#0FH;
MOVC A,@A+dptr;
segcode:
MOV R5,A;
ORL A,#03H ;

 WE WANT TO USE PORT 1 BITS 0 AND 1 FOR INPUT ANLOG
 so retain them high
 SEGMENT_PORT
we use p3.7 for the segment ‘a’ of display
so get that bit D0into carry

S3: MOV P1,A ;
MOV A,R5 ;
RRC A ;
cpl c;
mov p3.5,c ;
dec pt is D0 bit that is wired to p3.5
rrc a;
mov p3.7,c ;
segment ‘a;
S1: MOV A,R4 ;
get digit code from r4 00001000
cpl a ;
11110111
rrc a ;
11111011-1
mov p3.0,c ;
output to drive transistors for digit lighting
rrc a ;
11111101-1
mov p3.1,c;
rrc a ;
11111110-1
mov p3.2,c;
rrc a ;
1111111-0 yes low makes leftmost digit show msdigit
mov p3.3,c;
S5:
S4: ACALL DELAY1;
 let it burn for some time
MOV A,#0ffH ;
extinguish the digit after that time
MOV P3,A ;
to prevent shadow
s6: RET
ledcode:
DB 7EH,0CH,0B6H,9EH,0CCH,0DAH,0FAH
DB 0EH,0FEH,0CEH,0EEH,0F8H,72H,0BCH,0
F6H,0E2H;
these are code for the numbers 0 to 9 and A to F
DELAY1: MOV R1,#0ffH;
N: NOP;
DJNZ R1,N;
RET
END
HARDWARE DISCRIPTION
1. ULTRASONIC SENSORS :

Ultrasonic transmitter and receiver pair

Features:
• Working Voltage: 5V (DC)
• Working Current: 15mA
• Working frequency: 40HZ
• Output: 0-5V (Output high when obstacle detected in range)
• Beam Angle: Max 15 degree
• Distance: 2cm - 400cm
• Accuracy: 0.3cm
• Input trigger signal: 10us impulse TTL
• Echo signal: PWM signal (time required for sound signal to travel twice between source
and obstacle)
• Size: 45mm*20mm*15 mm
Introduction:
This sensor is a high performance ultrasonic range finder. It is compact and measures an
amazingly wide range from 2cm to 4m. This ranger is a perfect for any robotic
application, or any other projects requiring accurate ranging information. This sensor can
be connected directly to the digital I/O lines of your microcontroller and distance can be
measured in time required for travelling of sound signal using simple formula as below.
Distance = (Echo pulse width high time * Sound Velocity (340M/S)/2)
or
Distance in cm = (Echo pulse width high time (in uS)*0.017)
The module works on 5VDC input and also gives an output signal directly for detection of
any obstacle up to 4M.

Working:
Power up the sensor by 5VDC using pins “VCC” and “GND”. First of all a 10us trigger
input has to be given to the pin named “Trig” on the sensor. This starts one cycle of
range conversion and sends 8 bursts of sound waves from the transmitter.
As soon as the signals are transmitted the “Echo” pin goes to high level and remains in
high level until the same sound waves are received by the receiver. If the received sound
waves are same as what the same sensor transmitted then the Echo pin goes to low
level. If no object is detected within 5M after 30ms the Echo signal will automatically go
to low level.
*Caution: Burst should not be re-transmitted before one cycle of range conversion is
over and echo pin has been pulled to low by the sensor.
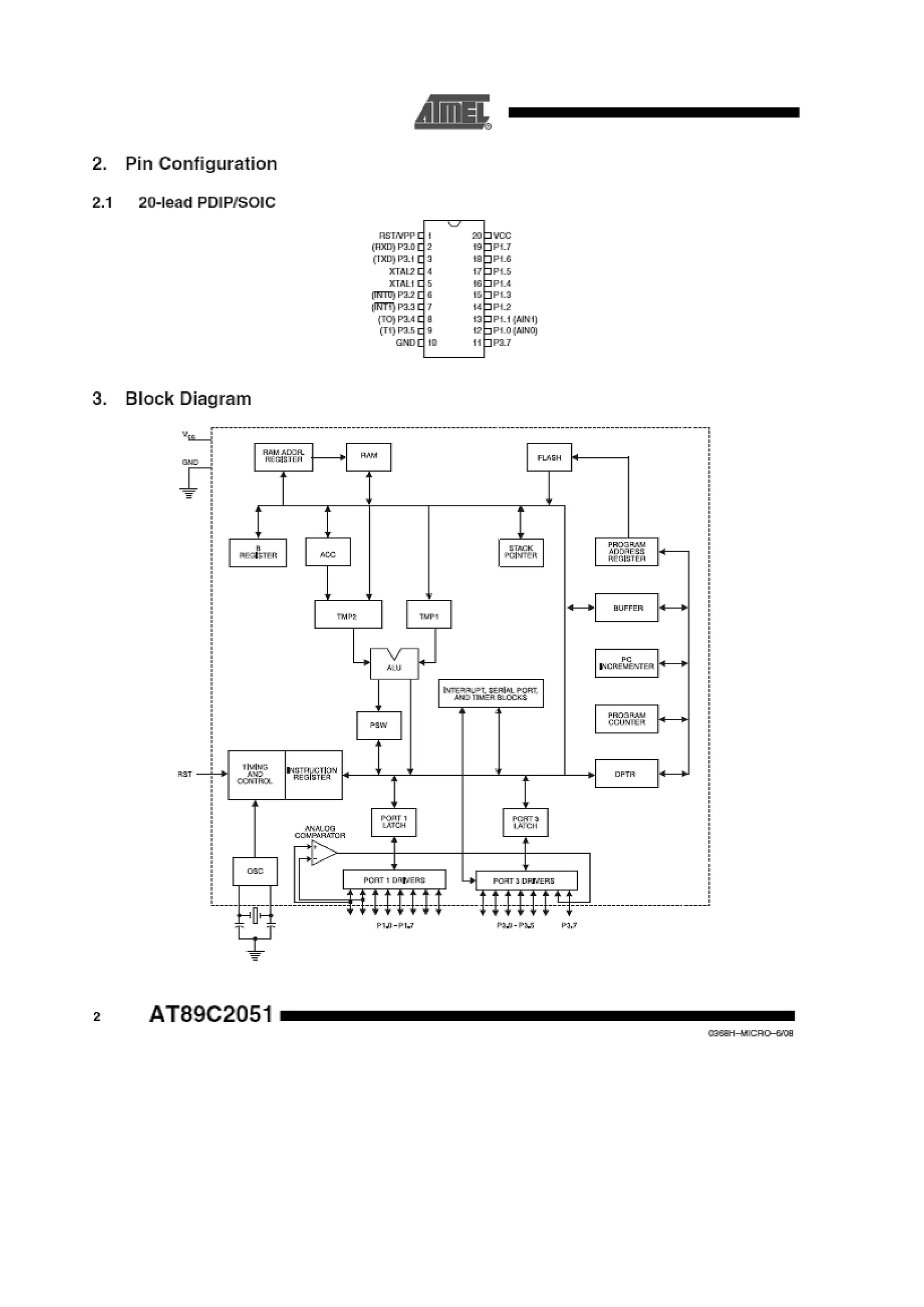
2. Microcontroller AT89C2051:
The AT89C2051 is a low-voltage, high-performance CMOS 8-bit microcomputer
with 2K bytes of Flash programmable and erasable read-only memory (PEROM). The
device is manufactured using Atmel’s high-density nonvolatile memory technology and is
compatible with the industry-standard MCS instruction set. By combining a versatile 8-bit
CPU with Flash on a monolithic chip, the Atmel AT89C2051 is a powerful microcomputer
which provides a highly-flexible and cost-effective solution to many embedded control
applications. The AT89C2051 provides the following standard features: 2K bytes of Flash,
128 bytes of RAM, 15 I/O lines, two 16-bit timer/counters, a five vector two-level
interrupt architecture, a full duplex serial port, a precision analog comparator, on-chip
oscillator and clock circuitry.

PIN

DIAGRAM :
Pin Description
1. VCC

Supply voltage.

2.

GND

Ground.

3.

Port 1

The Port 1 is an 8-bit bi-directional I/O port. Port pins P1.2 to P1.7 provide

internal pull-ups. P1.0 and P1.1 require external pull-ups. P1.0 and P1.1 also serve as the
positive input (AIN0) and the negative input (AIN1), respectively, of the on-chip
precision analog comparator. The Port 1 out-put buffers can sink 20 mA and can drive
LED displays directly. When 1s are written to Port 1 pins, they can be used as inputs.
When pins P1.2 to P1.7 are used as inputs and are externally pulled low, they will source
current (IIL) because of the internal pull-ups. Port 1 also receives code data during Flash
programming and verification.
4.

Port 3

Port 3 pins P3.0 to P3.5, P3.7 are seven bi-directional I/O pins with internal

pull-ups. P3.6 is hard-wired as an input to the output of the on-chip comparator and is
not accessible as a general purpose I/O pin. The Port 3 output buffers can sink 20 mA.
When 1s are written to Port 3 pins they are pulled high by the internal pull-ups and can
be used as inputs. As inputs, Port 3 pins that are externally being pulled low will source
current (IIL) because of the pull-ups.
5.

RST

Reset input. All I/O pins are reset to 1s as soon as RST goes high. Holding

the RST pin high for two machine cycles while the oscillator is running resets the device.
Each machine cycle takes 12 oscillator or clock cycles.
6.

XTAL1

Input to the inverting oscillator amplifier and input to the internal clock

operating circuit.
7.

XTAL2

Output from the inverting oscillator amplifier.

Oscillator Characteristics: The XTAL1 and XTAL2 are the input and output, respectively, of
an inverting amplifier which can be configured for use as an on-chip oscillator. Either a
quartz crystal or ceramic resonator may be used. To drive the device from an external clock
source, XTAL2 should be left unconnected while XTAL1 is driven. There are no requirements
on the duty cycle of the external clock signal, since the input to the internal clocking
circuitry is through a divide-by-two flip-flop, but minimum and maximum voltage high and
low time specifications must be observed.
3. CAMERA
SPECIFICATION:
Intex –IT305WC
 Image sensor

-

1/7 “ CMOS sensor

 Image resolution

-

30.0 Mega pixels interpolated

 Frame rate

-

up to 30 fPs

 Image control

-

Brightness, contrast, hue, saturation,
gamma, White Balance

 Image Flip

-

Horizontal, vertical

 Monitor type

-

CRT,LCD

 Environment

-

Indoor, Outdoor

 Focus distance

-

4cm-infinity

 Lens view angle

-

54 Degree

 I/O interface

-

USB 2.0

 Image format

-

RGB24.I420

 Power consumption

-

160mW typical

SYSTEM REQUIRMENTS:
 Pentium II 350 MHz CPU or advanced
 32 MB RAM or advanced
 16bit VGA card, sound card
 Operating system : windows 7,vista,XP,2000

Features:
 Night vision
 Support external microphone
 Zoom function
 Easy plug-and-play USB interface
 High quality CMOS sensor
 Support 30.0 Megapixel
 Auto white balance

Camera
4.HEF4049B Hex inverting buffers

1.

General description:
The HEF4049B provides six inverting buffers with high current
output capability suitable for driving TTL or high capacitive loads. Since input voltages in
excess of the buffers’ supply voltage are permitted, the buffers may also be used to
convert logic levels of up to 15 V to standard TTL levels. Their guaranteed fan-out into
common bipolar logic elements .
It operates over a recommended VDD power supply range of 3 V to 15 V referenced to
VSS (usually ground). Unused inputs must be connected to VDD, VSS, or another input.

2. Features and benefits:







Accepts input voltages in excess of the supply voltage
Fully static operation
5 V, 10 V, and 15 V parametric ratings
Standardized symmetrical output characteristics
Specified from -40 ◦C to +85 ◦C
Complies with JEDEC standard JESD 13-B

3. Applications:
 LOCMOS (Local Oxidation CMOS) to DTL/TTL converter
 HIGH sink current for driving two TTL loads
 HIGH-to-LOW level logic conversion

FUNCTION DIAGRAM
PIN

DIAGRAM :
PIN DISCRIPTION
1. VDD

1

supply voltage

2. 1Y to 6Y

2, 4, 6, 10, 12, 15

output

3. 1A to 6A
4. VSS
5. n.c.

3, 5, 7, 9, 11, 14
8
13, 16

input
ground supply voltage
not connected
APPLICATION OF ULTRA -4

1. ULTRA -4 can do the measurement of length,width in narrow zone.(like
dangeroues pit)
2. It is Use in RESCUE OPRATIONS.
3. Use as SPY ROBOT.
4. Versatile use in AUTONOMUS TECHNOLOGY.
5. Use in MINING.
6. It has found essential use in LIGHT INDUSTRY (e.g. toy industry) AGRICULTURE
AND POWER ENGINEERING.
7. It is used in CAR PARKING.

8. Use in MEDICINE Medical ultrasonic transducers (probes) come in a variety of different
shapes and sizes for use in making pictures of different parts of the body. The
transducer may be passed over the surface of the body or inserted into a body
opening such as the rectum or vagina. Clinicians who perform ultrasound-guided
procedures often use a probe positioning system to hold the ultrasonic
transducer. Air detection sensors are used in various roles. Non-invasive air
detection capabilities in the most critical applications where the safety of a
patient is mandatory. Many of the variables, which can affect performance of
amplitude or continuous wave based sensing systems, are eliminated or greatly
reduced, thus yielding accurate and repeatable detection. The principle behind
the technology is that the transmit signal consists of short bursts of ultrasonic
energy. After each burst, the electronics looks for a return signal within a small
window of time corresponding to the time it takes for the energy to pass through
the vessel. Only signals received during this period will qualify for additional signal
processing.
9. Use in INDUSTRY –
Ultrasonic sensors are used to detect the presence of targets and to measure the
distance to targets in many automated factories and process plants. Sensors with
an on or off digital output are available for detecting the presence of objects, and
sensors with an analog output which varies proportionally to the sensor to target
separation distance are commercially available. They can be used to sense the
edge of material as part of a web guiding system Ultrasonic sensors are gaining
popularity in a number of uses including ultrasonic people detection and assisting
in autonomous UAV navigation.
Because ultrasonic sensors use sound rather than light for detection, they work in
applications where photoelectric sensors may not. Ultrasonics are a great solution
for clear object detection, clear label detection and for liquid level measurement,
applications that photoelectrics struggle with because of target translucence.
Target color and/or reflectivity don't affect ultrasonic sensors which can operate
reliably in high-glare environments.
Other types of transducers are used in commercially available ultrasonic cleaning
devices. An ultrasonic transducer is affixed to a stainless steel pan which is filled
with a solvent (frequently water or isopropanol) and a square wave is applied to it,
imparting vibrational energy on the liquid.
Winding & Unwinding

Ultrasound sensors are used to detect the
changes in diameter of drums and reels as they
are wound or unwound. Typical industries are:




Paper and Printing
Metal working
Textiles


Slope Control

Ultrasonic sensors are used to monitor the
slope of loops of material in a process. They are
the sensing components of systems that control
continuous running of flexible material. Typical
industries are:



Height Measurement

Paper and Printing, Chemicals, Textiles
Metal Working, Packaging

With high accuracy and repeatability, ultrasonic
sensors are used to measure the height of
objects that are moving past the sensor.
Measurements are generally unaffected by
surface finishes and shapes of the measured
objects. Industries where this type of
application are found include:




Position Control

Packaging,Plastics

Automotive, Packaging and Distribution
Printing, Metal Working, Assembly
Agriculture

Pairs of ultrasonic sensors are used to
accurately position objects. Linked together in a
control system. the sensors provide the prime
input for object location and position
adjustment. Industries using these applications
include:
Automotive,Packaging,Printing,Assembly,
Robotics, Plastics
Collision Protection

Ultrasonic sensors are attached to moving
objects and equipment to provide collision
protection. The sensor continuously relays
proximity data to a controller. Many industrial
users include:





Level Sensing

Automotive
Automation
Logistics
Metal Working
Ultrasonic sensors have a unique ability to
detect uneven surfaces and return accurate
distance data. The sensors are used in many
applications where the detection of the level of
a fluid in a container is needed. Typical
industries include:



Filing Sensing

Food and Beverage, Chemical Water
Treatment, Power Generation
Ultrasonic sensors can accurately detect the
changing levels of powders, grains and other
semi fluid substances. Many industrial users
include:



Agriculture, Chemicals, Packaging, Fluid
Handling
APPENDIX
DATA SHEET:
MICROCONTROLLER 89C2051
LM324 OP-AMP IC
AT89S8253 MICROCONTROLLER
3. Pin Description
3.1 VCC
Supply voltage (all packages except 42-PDIP).
3.2 GND
Ground (all packages except 42-PDIP; for 42-PDIP GND connects only the logic core and the
embedded program/data memories).
3.3 VDD
Supply voltage for the 42-PDIP which connects only the logic core and the embedded program/
data memories.
3.4 PWRVDD
Supply voltage for the 42-PDIP which connects only the I/O Pad Drivers. The application board
must connect both VDD and PWRVDD to the board supply voltage.
3.5 PWRGND
Ground for the 42-PDIP which connects only the I/O Pad Drivers. PWRGND and GND are
weakly connected through the common silicon substrate, but not through any metal links. The
application board must connect both GND and PWRGND to the board ground.
3.6 Port 0
Port 0 is an 8-bit open drain bi-directional I/O port. As an output port, each pin can sink six TTL
inputs. When 1s are written to port 0 pins, the pins can be used as high-impedance inputs.
Port 0 can also be configured to be the multiplexed low-order address/data bus during accesses
to external program and data memory. In this mode, P0 has internal pull-ups.
Port 0 also receives the code bytes during Flash programming and outputs the code bytes
during program verification. External pull-ups are required during program verification.
3.7 Port 1
Port 1 is an 8-bit bi-directional I/O port with internal pull-ups. The Port 1 output buffers can
sink/source six TTL inputs. When 1s are written to Port 1 pins, they are pulled high by the weak
internal pull-ups and can be used as inputs. As inputs, Port 1 pins that are externally being
pulled low will source current (IIL,150 μA typical) because of the weak internal pull-ups.
3.8 Port 2
Port 2 is an 8-bit bi-directional I/O port with internal pull-ups. The Port 2 output buffers can
sink/source six TTL inputs. When 1s are written to Port 2 pins, they are pulled high by the weak
internal pull-ups and can be used as inputs. As inputs, Port 2 pins that are externally being
pulled low will source current (IIL,150 μA typical) because of the weak internal pull-ups.
Port 2 emits the high-order address byte during fetches from external program memory and
during accesses to external data memory that use 16-bit addresses (MOVX @ DPTR). In this
application, Port 2 uses strong internal pull-ups when emitting 1s. During accesses to external
data memory that use 8-bit addresses (MOVX @ RI), Port 2 emits the contents of the P2 Special
Function Register.
3.9 Port 3
Port 3 is an 8-bit bi-directional I/O port with internal pull-ups. The Port 3 output buffers can
sink/source six TTL inputs. When 1s are written to Port 3 pins, they are pulled high by the weak
internal pull-ups and can be used as inputs. As inputs, Port 3 pins that are externally being
pulled low will source current (IIL,150 μA typical) because of the weak internal pull-ups.
3.10 RST
Reset input. A high on this pin for at least two machine cycles while the oscillator is running
resets the device.
3.11 ALE/PROG
Address Latch Enable. ALE/PROG is an output pulse for latching the low byte of the address (on
its falling edge) during accesses to external memory. This pin is also the program pulse input
(PROG) during Flash programming.
In normal operation, ALE is emitted at a constant rate of 1/6 the oscillator frequency and may
be used for external timing or clocking purposes. Note, however, that one ALE pulse is skipped
during each access to external data memory.
If desired, ALE operation can be disabled by setting bit 0 of the AUXR SFR at location 8EH. With
the bit set, ALE is active only during a MOVX or MOVC instruction. Otherwise, the pin is weakly
pulled high.
3.12 PSEN
Program Store Enable. PSEN is the read strobe to external program memory (active low).
When the AT89S8253 is executing code from external program memory, PSEN is activated twice
each machine cycle, except that two PSEN activations are skipped during each access to
external data memory.
3.13 EA/VPP
External Access Enable. EA must be strapped to GND in order to enable the device to fetch code
from external program memory locations starting at 0000H up to FFFFH. Note, however, that if
lock bit 1 is programmed, EA will be internally latched on reset.
EA should be strapped to VCC for internal program executions. This pin also receives the 12-volt
programming enable voltage (VPP) during Flash programming when 12-volt programming is
selected.
3.14 XTAL1
Input to the inverting oscillator amplifier and input to the internal clock operating circuit.
3.15 XTAL2
Output from the inverting oscillator amplifier. XTAL2 should not drive a board-level clock
without a buffer.
REFERENCES
[1] Mazidi, Muhammad Ali, 8051 Microcontroller and Embedded Systems, The (1st
Edition) 1999, Prentice Hall
[2] Electronics for you, February 2008 edition ,EFY Group Publication (India), New Delhi.
[3] Datasheets of all the components involved (AT89C2051, IC 4066, IC 7805, IC TL084,
UA 741)
[4] www.efymag.com
[5] www.frontline.com
[6] www.electronicsdesign.com
[7] www.wikipedia.org
[8] www.finemach.com

B.Tech.Final Year ECE Project Report on Ultrasonic distance measure robot

  • 1.
    ULTRASONIC DISTANCE MEASUREROBOT [ULTRA-4] PROJECT REPORT 2012-2013 Submitted in partial fulfillment of the requirement for the award of degree of Bachelor of Technology in Electronics and Communication Engineering Submitted by: Nishant Singh Shivanand Maurya Shivasheesh Tripathi Sushant Shankar Under the guidance of: Er. Umesh Singh Er. Sweta Srivastava Head of Department Electronics and Comm. Engg. Lecturer Electronics and Comm. Engg. Department of Electronics and Communication Institute of Engineering and Technology Dr.Ram Manohar Lohiya Avadh University, Faizabad
  • 2.
    Declaration We hereby declarethat work entitled “Project report on ultrasonic distance measure robot [ULTRA-4]”, is an authentic record of our own work carried out at Institute of Engineering and Technology, Dr. Ram Manohar Lohiya Avadh University Faizabad, for the award of degree of B.Tech. E.C.E. . Project comprises of our original work pursued under the guidance of Er. Sweta Srivastava. The results embodied in this report have not been submitted to any other Institute or University for any award. The information provided is correct to the best of our knowledge and belief. Nishant Singh 9228 ------------------- Shivanand Maurya 9247 ------------------- Shivasheesh Tripathi 9248 ------------------- Sushant Shankar 9255 -------------------
  • 3.
    CERTIFICATE This is to certify that Mr.Nishant Singh, Mr.Shivanand Maurya, Mr.Shivasheesh Tripathi, Mr.SushantShankar have successfully completed their project entitled “Ultrasonic distance measure robot [ULTRA-4]” which is a bonafide work carried out by themselves in partial fulfillment of Bachelor of Technology, Degree in Electronics and Communication Engineering from Institute of Engineering and technology,faizabad. The work was carried out under our supervision during the academic session 2012-2013. Signature of the Guides: Er.Umesh Singh Head of Department Electronics and comm. Engg. Er.Sweta Srivastava (Lecturer) External Examiner
  • 4.
    Acknowledgement “It is notpossible to prepare a project report without the assistance & encouragement of other people. This one is certainly no exception.” On the very outset of this report, we would like to extend our sincere & heartfelt obligation towards all the personages who have helped us in this endeavor. Without their active guidance, help, cooperation & encouragement, we could not have made headway in the project. First and foremost, we would like to express our sincere gratitude to our guide, Er. Sweta Shrivastava we were privileged to experience a sustained enthusiastic and involved interest from her side. This fuelled our enthusiasm even further and encouraged us to boldly step into what was a totally dark and unexplored expanse before us. She always fuelled our thoughts to think broad and out of the box. We would also like to thank HOD (ECE), Er.Umesh Singh who, instead of his busy schedule, always guided us in right direction. I would like to thank the entire staff member for motivation guidance and support. We are indebted to a number of friends and well-wishers who have extended their co-operation and help in the preparation of the project. Last but not the least, it goes without saying that we are deeply indebted to our parents for their support and their patient guidance. Thanking You Nishant Singh Shivanand Maurya Shivasheesh Tripathi Sushant Shankar
  • 5.
    Abstract Ultrasonic sensors areideally suited to accurate, automatic distance measurement in normal and difficult environments. Ultrasonic sensors are particularly suitable for environments where optical sensors are unusable such as smoke, dust and similar. Ultrasonic sensors are very accurate, stable and can be used over large ranges. Ultrasonic sensors can measure the following parameters without contacting the medium to be measured •Distance •Level •Diameter •Presence •Position Ultrasonic sensors make accurate measurements in many difficult environments and unusual materials. Measurements are unaffected by: •Material •Surface •Light •Dust •Mist and Vapor ULTRA-4 or ultrasonic distance measure robot is a robot which perform many action such as it gives the actual position of wall or obstacle which comes in front of it, measures the distance which displayed by 7-segment and also show the moving images of the objects by camera. The application area of ultra-4 is very wide such as rescue oprations, spy robot, versatile use in autonomus technology,use in mining,it has found essential use in light industry (e.g. toy industry) agriculture and power engineering and used in car parking system.
  • 6.
    Table of Contents CHAPTER 1.Introduction to ULTRA-4 2. Components & Working of ULTRA 4 3. Hardware Description 4. Software Description --Program 5. Application 6. Appendix
  • 7.
  • 8.
  • 9.
    Introduction to ULTRA-4 ULTRA-4or ultrasonic distance measure robot is a robot which perform many action such as it gives the actual position of wall or obstacle which comes in front of it, measures the distance which displayed by 7-segment and also show the moving images of the objects by camera. There are several ways to measure distance without making contact. One way is to use ultrasonic waves (40 kHz) for distance measurement. Ultrasonic transducer measures the amount of time taken by a pulse of sound to travel a particular surface and return back as the reflected echo’s. This circuit calculates the distance measured by the speed of sound at 25°C ambient temperature and demonstrates it on a 7-segment display. By using it, we can measure distance up to 2.5 meters. In recent times ultrasonic has been applied with considerable success in various fields of Engineering and bio-medical. It has found essential use in light industry (e.g. toy industry) agriculture and power engineering. In fact, it is difficult to find a field of industrial endeavor for which ultrasonic energy has not been tried of suggested, if not put in actual use. Ultrasonic is the generation and detection ultrasonic vibrations. In materials having plastic properties, the ultrasonic waves are of precisely the same matter as sound waves and their propagation and absorption in various media are governed by the laws which apply to sound transmission. An ultrasonic vibration has easily propagation in most of the liquids and metals. Together with many other materials like glass, ceramics, plastic, concrete etc. whether are highly attenuated in air land gases.
  • 10.
    WORKING OF ULTRA-4 Ultrasonic generators use piezoelectric materials such as zinc or lead zirconium tartrates or quartz crystal. The material thickness decides the resonant frequency when mounted and excited by electrodes attached on either side of it. The medical scanners used for abdomen or heart ultrasound are designed at 2.5 MHz. In this circuit, a 40kHz transducer is used for measurement in the air medium. The velocity of sound in the air is around 330 m/s at 0°C and varies with temperature. In this project, we excite the ultrasonic transmitter unit with a 40kHz pulse burst and expect an echo from the object whose distance we want to measure transmitted burst, which lasts for a period of approximately 0.5 ms. It travels to the object in the air and the echo signal is picked up by another ultrasonic transducer unit (receiver), also a 40 kHz pre-tuned unit. The received signal, which is very weak, is amplified several times in the receiver circuit and appears somewhat as shown figure when seen on a CRO. The ultrasonic pulse, echo signal and time measurement Weak echoes also occur due to the signals being directly received through the side lobes. These are ignored as the real echo received alone would give the correct distance. That is why we should have a level control. Of course, the signal gets weaker if the target is
  • 11.
    farther than 2.5meters and will need a higher pulse excitation voltage or a better transducer. Here the microcontroller is used to generate 40 kHz sound pulses. It reads when the echo arrives; it finds the time taken in microseconds for to-and-fro travel of sound waves. Using velocity of 333 m/s, it does the calculations and shows on the four 7segment displays the distance in centimeters and millimeters (three digits for centimeters and one for millimeters). Ultrasonic sensors can measure the following parameters without contacting the medium to be measured •Distance •Level •Diameter •Presence •Position Ultrasonic sensors make accurate measurements in many difficult environments and unusual materials. Measurements are unaffected by: •Material •Surface •Light •Dust •Mist and Vapor
  • 12.
    1. COMPONENTS USEIN ULTRASONIC DISTANCE METER CIRCUIT 1. IC1 AT89C2051 microcontroller 2. IC2 ULN2003 current buffer 3. IC3 CD4049 hex inverting buffer 4. IC4 LM324 quad operational amplifier 5. IC5 7815, 15V regulator 6. IC6 7915, -15V regulator 7. IC7 7805, 5V regulator 8. T1-T4 BC557 pnp transistor 9. T5 2N2222 npn transistor 10. D1, D2 1N4148 switching diode 11. D3-D6 1N4007 rectifier diode 12. DIS1-DIS4 - LTS 542 common-anode, 13. 7-segment display Resistors (all ¼-watt, ±5% carbon): 14. R1, R2 15. R3 – 82 16. R4, R7-R10 17. R5 18. R6 19. R11 20. R12-R15 21. R16 22. RNW1 23. VR1 - 2-mega-ohm kilo-ohm 10-kilo-ohm 33-kilo-ohm 100-kilo-ohm 1-kilo-ohm 1.2-kilo-ohm 220-ohm 10-kilo-ohm resistor network 1-kilo-ohm preset Capacitors: 24. C1, C2 25. C7, C10-C12 26. C3 27. C4 28. C5, C6 29. C8, C9 - 3.3nF ceramic disk 0.1μF ceramic disk 2.2nF ceramic disk 10μF, 16V electrolytic 22pF ceramic disk 1000μF, 50V electrolytic
  • 13.
    Miscellaneous: 30. X1 230V ACprimary to 31. 15V-0-15V, 500mA secondary transformer 32. XTAL 12MHz crystal 33. S1 Push-to-on switch 34. S2 On/off switch 35. TX1 40kHz ultrasonic transmitter 36. RX1 40kHz ultrasonic receiver 2. COMPONENTS USE IN RF ROBOT 1. IC 1 2. IC 2 3. IC 3 4. IC 4 5. XTAL 6. T1-T4 7. C1 8. C2 9. S1 10.R1 11. R2 12. D2 13.RNW1 14. Motor 15.Caster wheel 16.Wheel - L293D Motor Driver IC RX28 AT 89S8253 Microcontroller 7805, 5V regulator 10MHz crystal oscillator SS8050 transistor 470 μF Capacitors 4.7 μF Capacitors Push-to-on switch 5.6 ohm register 10k ohm register 1N4148 switching diode 10-kilo-ohm resistor network 300 RPM 12cm dia 3. COMPONENTS USE IN CAMERA PART 1. Camera module 2. LDR 3. USB power supply
  • 14.
    CIRCUIT DISCRIPTION OFDISTANCE METER MODULE
  • 15.
    The 40kHz pulsebursts from the microcontroller are amplified by transistor T5. Inverting buffer CD4049 drives the ultrasonic sensor used as the transmitter. Three inverters (N1, N2 and N3) are connected in parallel to increase the transmitted power. This inverted outputs fed to another set of three inverters (N4, N5 and N6). Outputs of both sets of parallel inverters are applied as a push pull drive to the ultrasonic transmitter. The positive going pulse is applied to one of the terminals of the ultrasonic sensor and the same pulse after 180-degree phase shift is applied to another terminal. Thus the transmitter power is increased for increasing the range. If we want to increase the range up to 5 meters, use a ferrite-core step-up pulse transformer, which steps-up the transmitter output to 60V (peak to- peak). The echo signal received by the receiver sensor after reflection is very weak. It is amplified by quad operational amplifier LM324. The first stage (A1) is a buffer with unity gain. The Received signal is directly fed to the non-inverting input (pin 3) of A1 and coupled to the second stage by a 3.3nF (small-value) capacitor. If you use the ubiquitous 0.01μF capacitor for coupling, there will be enormous hum at the output. The second stage of the inverting amplifier uses a 2-mega-ohm resistor for feedback. The third stage is a precision rectifier amplifier with a gain of 10. The rectifier functions, unlike a simple diode, even for signal voltage of less than 0.6V. The output is filtered to accept 40kHz frequencies and fed to pin 12 of microcontroller AT89C2051, which is an analogue comparator. Pin 13 is the other pin of the comparator used for level adjustment using preset VR1. The ultrasonic transducer outputs a beam of sound waves, which has more energy on the main lobe and less energy (60 dB below the main lobe) on the side lobes . Even this low side-lobe signal is directly picked up by the receiver unit. So you have to space the transmitter and receiver units about 5 cm apart. The two units are fixed by cellotape onto a cardboard, with the analogue circuit at one end.
  • 16.
    Two dimensional beampattern of ultrasonic signal showing main lobe and side lobe energy levels Microcontroller AT89C2051 is at the heart of the circuit. Port-1 pins P1.7 through P1.2, and port-3 pin P3.7 are connected to input pins 1 through 7 of IC2 (IC ULN2003), respectively. These pins are pulled up with a 10-kilo-ohm resistor network RNW1. They drive all the segments of the 7-segment display with the help of inverting buffer IC2. Port-3 pins P3.0 through P3.3 of the microcontroller are connected to the base of transistors T1 through T4 to provide the supply to displays DIS1 through DIS4, respectively. Pin P3.0 of microcontroller IC1 goes low to drive transistor T1 into saturation, which provides supply to the common- anode pin (either pin 3 or 8) of display DIS1. Similarly, transistors T2 through T4 provide anode currents to the other three 7segment displays. Microcontroller IC1 provides the segment data and display-enable signal simultaneously in time-division multiplexed mode for displaying a particular number on the 7-segment display unit. Segment data and display-enable pulse for the display are refreshed every 5 ms. Thus the display appears to be continuous, even though the individual LEDs used in it light up one by one. Using switch S1 we can manually reset the microcontroller, while the power on reset signal for the microcontroller is derived from the combination of capacitor C4
  • 17.
    and Resistor R8.A 12MHz crystal is used to generate the basic clock frequency for the microcontroller. Resistor R16 connected to pin 5 of DIS2 enables the decimal point. The comparator is inbuilt in microcontroller AT89C2051. The echo signal will make port-3 pin 3.6 low when it goes above the level of voltage set on pin 13. This status is sensed by the microcontroller as programmed. When port-3 pin P3.6 goes high, we know that the echo signal has arrived; the timer is read and the 16-bit number is divided by twice the velocity of sound and then converted into decimal format as a 4-digit number.
  • 18.
    RF CIRCUIT MODULE Acircuit that operates on the phenomena of radio frequency ranging between 30KHz300GHz.This circuit utilizes the RF module (Tx/Rx) for making a wireless remote, which could be used to drive an output from a distant place. RF module, as the name suggests, uses radio frequency to send signals. These signals are transmitted at a particular frequency and a baud rate. A receiver can receive these signals only if it is configured for that frequency. Here we are using Tx/Rx operating at 49KHz. A four channel encoder/decoder pair has also been used in this system. This radio frequency (RF) transmission system employs Amplitude Shift Keying (ASK) with transmitter/receiver (Tx/Rx) pair operating at 49KHz. The transmitter module takes serial input and transmits these signals through RF. The transmitted signals are received by the receiver module placed away from the source of transmission. The system allows one way communication between two nodes, namely, transmission and reception. The RF module has been used in conjunction with a set of four channel encoder/decoder ICs. Here HT12E & HT12D have been used as encoder and decoder respectively. The encoder converts the parallel inputs (from the remote switches) into serial set of signals. These signals are serially transferred through RF to the reception point. The decoder is used after the RF receiver to decode the serial format and retrieve the original signals as outputs.
  • 19.
    Encoder IC (HT12E)receives parallel data in the form of address bits and control bits. The control signals from remote switches along with 8 address bits constitute a set of 12 parallel signals. The encoder HT12E encodes these parallel signals into serial bits. Transmission is enabled by providing ground to pin14 which is active low. The control signals are given at pins 10-13 of HT12E. The serial data is fed to the RF transmitter through pin17 of HT12E.
  • 20.
    Transmitter, upon receivingserial data from encoder IC (HT12E), transmits it wirelessly to the RF receiver. The receiver, upon receiving these signals, sends them to the decoder IC (HT12D) through pin2. The serial data is received at the data pin (DIN, pin14) of HT12D. The decoder then retrieves the original parallel format from the received serial data. To summarize, on each transmission, 12 bits of data is transmitted consisting of 8 address bits and 4 data bits. The signal is received at receiver’s end which is then fed into decoder IC. If address bits get matched, decoder converts it into parallel data and the corresponding data bits get lowered which could be then used to drive the Motors. The outputs from this system can either be used in negative logic or NOT gates (like 74LS04) can be incorporated at data pins.
  • 21.
  • 22.
    Power supply The 230VAC mains is stepped down by transformer X1 to deliver the secondary output of 15V-0-15V, 500 mA. The transformer output is rectified by a full-wave bridge rectifier comprising diodes D3 through D6, filtered by capacitors C8 and C9 and then regulated by ICs 7815 (IC5), 7915 (IC6) and 7805 (IC7). Regulators 7815, 7915 and 7805 provide +15V, -15V and +5V regulated supply, respectively. Capacitors C10 through C12 bypass the ripples present in the regulated power supply. Power supply circuit for distance meter
  • 23.
    CONSTRUCTION AND TESTING Componentlayout for the PCB Assemble the PCB and put the programmed microcontroller into the socket. After switching on the power supply and microcontroller automatically getting reset upon power-’on, pin 8 will pulse at 40kHz bursts. This can be seen using an oscilloscope. Give this signal to channel 1 of the oscilloscope. Adjust the time base to 2 ms per division and set it to trigger mode instead of normal mode. Adjust the pot meter on the oscilloscope labeled ‘level’ such that the trace starts with the burst and appears steady as shown. Connect the transmitter and receiver ultrasonic units either by a twisted pair of wire or by a shielded cable to the board. Give the received signal to channel 2 of the oscilloscope. Then, place an A4-size plastic sheet in front of the ultrasonic transducers and observe the echo signal. It will appear as. The two transducers can be fixed to a thick cardboard with two wires leading to the circuit—two 40cm long shielded cables will do.
  • 24.
    The laser pointeris fixed such that it is axial to the transducers. Channel 2 is connected to pin 12, which is the positive non-inverting terminal of AT89C2051’s comparator. The negative inverting terminal (pin 13) is connected to a preset reference. Adjust the preset such that the voltage is 0.1V-0.2V at pin 13. This will enable detection of weak echoes also. When the echo signal goes above the level of reference voltage set on pin 13, it will make P3.6 low; the arrival of echo is sensed by the program using jnb p3.6 (jump not bit) instruction.
  • 25.
    PRINTED CIRCUIT BOARD Actual-size,single-side PCB for the microcontroller-based ultrasonic distance meter
  • 26.
    SOFTWARE The software iswritten in Assembly language and assembled using 8051 Top View Simulator. It is well commented and easy to understand. The pulse train for 0.5 ms is started by making pin 8 high and low alternately for 12.5 microseconds so that the pulse frequency is 40 kHz. After 25 such pulses have passed, a waiting time is given to avoid direct echoes for about 20 μs. Then the signal is awaited, while the timer runs counting time in microseconds. When the echo arrives, port-3 pin P3.6 goes high, the timer reads and the 16-bit number is divided by twice the velocity and converted into decimal format as a 4-digit number. If the echo does not arrive even after 48 milliseconds, the waiting loop is broken and the pulse train sequence is started once again. If the echo comes within this time, it is displayed for half a second before proceeding to another measurement. Thus, the display appears Continuous and flicker-free. Topview Simulator gives an excellent simulation environment for the industry's most popular 8 bit Microcontroller family, MCS 51. It gives required facilities to enable the system designers to start projects right from the scratch and finish them with ease and confidence. It is the total simulation solution giving many state of art features meeting the needs of the designers possessing different levels of expertise. If you are a beginner, then you can learn
  • 27.
    about 8051 basedembedded solutions without any hardware. If you are an experienced designer, you may find most of the required facilities built in the simulator that enabling you to complete your next project without waiting for the target hardware. Top view simulator
  • 28.
    PROGRAM File name---Ultra_4.asm Program listing: $mod51 ORG0H AJMP 30H ORG 0BH ; TIMER 0 INTERRUPT VECTOR ; AJMP TIMER0 IS R; Timer 0 Interrupt Service routine address ORG 30H MOV SP,#60H ; MOV P3,#0FFH ; MOV P1,#03 ; MOV TMOD,#01100001B ; BEG: MOV TH0,#0H ; MOV TL0,#0H ; set stack pointer set all port 3 bits high to enable inputs also set port 1 to all zeros expect bits 0,1 TIMER 1 - MODE 2 COUNTER,TIMR-0 TO MODE 1 TIMER REG.0 IS SET TO 0, GIVES 64ms timer low reg. is also so ;TOTAL CYCLE TIME IS 64.6ms ,350m/s gives 0.35mx65=22.5m ; up and down 10 meters say! .35 m/ms, .35 mm/us, 1mm per 3 micros ; up and down .35/2 mm/us = 1/6 mm/us VELOCITY OF SOUND IN AIR IS 350 M/S; AFTER 100 TIMES, WE HAVE TO STOP TRANSMITTING FOR A TIME OF ABOUT .1 S ; SO WE STOP FOR THIS AMOUNT OF TIME and expect an echo. mov r2,#25 ; setb p3.4 ; mov r1,#5 djnz r1,$ 25 pulses 26 us =.53 ms (343m/s*.5ms=17cm) pulse: generates 40KHz
  • 29.
    clr p3.4 mov r1,#5 djnzr1,$ ; djnz r2, pulse ; setb tr0 ; wait for 13 us 20pulses start timer mov r2,#10 djnz r2,$ ; wait 20 us check_echo: jnb p3.6,checktimeout MOV 40h,TL0 ; read timer count MOV 41h,TH0; mov r0,40h; mov r1,41h; mov r3,#0; mov r2,#6 ; call UDIV16 ; divide by 6 mov 40h,r0; mov 41h,r1; mov 50h,#25; disp: call disp1 ; show the value on LED djnz 50h,disp ; so many times for visible time limit jmp beg; checktimeout: mov a,th0; cjne a,#0c0h,check_echo ; upto 4 metres jmp beg; subroutine UDIV16; 16 bit/16bit unsigned divide input r1,r0 =dividend X; input r3,r2 =divisor Y; output r1,r0 =quottient q of x/y; output r3,r2 = remainder; alters acc,r4-47,flags,dptr; UDIV16: mov r7,#0 ; clear partial remainder mov r6,#0 ; mov B,#16 ; set loop count div_loop: clr C ; clear carry flag mov a,r0 ; shift the highest bit of dividend into
  • 30.
    rlc a; mov r0,a; mova,r1; rlc a; mov r1,a; mov a,r6 ; rlc a; mov r6,a; mov a,r7; rlc a; mov r7,a; mov a,r6; clr C; subb a,r2; mov dpl,a; mov a,r7; subb a,r3; mov dph,a; cpl C; jnc div_1 ; mov r7,dph; mov r6,dpl ; div_1: mov a,r4; rlc a; mov r4,a; mov a,r5; rlc a; mov r5,a; djnz B,div_loop; mov a,r5; mov r1,a ; mov a,r4; mov r0,a; mov a,r7 ; mov r3,a ; mov a,r6 the lowest bit of partial remainder update partial remainder if borrow update parital reminder put qt. in r0,r1 get rem. saved before the last subtraction.
  • 31.
    mov r2,a ret ; 16Bit Hex to BCD Conversion for 8051 Microcontroller This routine is for 16 bit Hex to BCD conversion;Accepts a 16 bit binary number in R1,R2 and returns 5 digit BCD in ;R7,R6,R5,R4,R3(upto 64K ) Hex2BCD: ;r1=high byte ;r7=most significant digit ;R2 = LSByte MOV R3,#00D; MOV R4,#00D; MOV R5,#00D; MOV R6,#00D; MOV R7,#00D; MOV B,#10D; MOV A,R2; DIV AB; MOV R3,B ; MOV B,#10 ; R7,R6,R5,R4,R3; DIV AB; MOV R4,B; MOV R5,A; CJNE R1,#0H,HIGH_BYTE ; CHECK FOR HIGH BYTE SJMP ENDD; HIGH_BYTE: MOV A,#6; ADD A,R3; MOV B,#10; DIV AB; MOV R3,B; ADD A,#5; ADD A,R4; MOV B,#10; DIV AB; MOV R4,B; ADD A,#2; ADD A,R5; MOV B,#10; DIV AB; MOV R5,B;
  • 32.
    CJNE R6,#00D,ADD_IT; SJMP CONTINUE; ADD_IT:ADD A,R6; CONTINUE: MOV R6,A; DJNZ R1,HIGH_BYTE; MOV B, #10D; MOV A,R6; DIV AB; MOV R6,B; MOV R7,A; ENDD: re DISP1: REFRESH: mov r1,41h; mov r2,40h; CALL HEX2BCD; MOV 18H,r3 ; MOV 19H,r4 ; MOV 1AH,r5 MOV 1BH,R6 ; refresh1: MOV R0,#1bh ; MOV R4,#8 ; mov r7,#2 ; PQ2: CALL SEGDISP; deC R0; mov a,r4; rrc a; mov r4,a; jnc pQ2; PV3: content of 18 to 1B memory locations are output on LEDs only numbers 0t 9 and A to F are valid data in these locations least significant digit next significant digit most significant digit (max:9999) 1b,1a,19,18,holds values for 4 digits pin p3.3_0 made low one by one starts with 18 decimal pt.on 3rd digit from left (2 nd from right)
  • 33.
    RET SEGDISP: mov dptr,#ledcode; MOV A,@R0; ANLA,#0FH; MOVC A,@A+dptr; segcode: MOV R5,A; ORL A,#03H ; WE WANT TO USE PORT 1 BITS 0 AND 1 FOR INPUT ANLOG so retain them high SEGMENT_PORT we use p3.7 for the segment ‘a’ of display so get that bit D0into carry S3: MOV P1,A ; MOV A,R5 ; RRC A ; cpl c; mov p3.5,c ; dec pt is D0 bit that is wired to p3.5 rrc a; mov p3.7,c ; segment ‘a; S1: MOV A,R4 ; get digit code from r4 00001000 cpl a ; 11110111 rrc a ; 11111011-1 mov p3.0,c ; output to drive transistors for digit lighting rrc a ; 11111101-1 mov p3.1,c; rrc a ; 11111110-1 mov p3.2,c; rrc a ; 1111111-0 yes low makes leftmost digit show msdigit mov p3.3,c; S5: S4: ACALL DELAY1; let it burn for some time MOV A,#0ffH ; extinguish the digit after that time MOV P3,A ; to prevent shadow s6: RET ledcode: DB 7EH,0CH,0B6H,9EH,0CCH,0DAH,0FAH DB 0EH,0FEH,0CEH,0EEH,0F8H,72H,0BCH,0 F6H,0E2H; these are code for the numbers 0 to 9 and A to F
  • 34.
    DELAY1: MOV R1,#0ffH; N:NOP; DJNZ R1,N; RET END
  • 35.
    HARDWARE DISCRIPTION 1. ULTRASONICSENSORS : Ultrasonic transmitter and receiver pair Features: • Working Voltage: 5V (DC) • Working Current: 15mA • Working frequency: 40HZ • Output: 0-5V (Output high when obstacle detected in range) • Beam Angle: Max 15 degree • Distance: 2cm - 400cm • Accuracy: 0.3cm • Input trigger signal: 10us impulse TTL • Echo signal: PWM signal (time required for sound signal to travel twice between source and obstacle) • Size: 45mm*20mm*15 mm
  • 36.
    Introduction: This sensor isa high performance ultrasonic range finder. It is compact and measures an amazingly wide range from 2cm to 4m. This ranger is a perfect for any robotic application, or any other projects requiring accurate ranging information. This sensor can be connected directly to the digital I/O lines of your microcontroller and distance can be measured in time required for travelling of sound signal using simple formula as below. Distance = (Echo pulse width high time * Sound Velocity (340M/S)/2) or Distance in cm = (Echo pulse width high time (in uS)*0.017) The module works on 5VDC input and also gives an output signal directly for detection of any obstacle up to 4M. Working: Power up the sensor by 5VDC using pins “VCC” and “GND”. First of all a 10us trigger input has to be given to the pin named “Trig” on the sensor. This starts one cycle of range conversion and sends 8 bursts of sound waves from the transmitter. As soon as the signals are transmitted the “Echo” pin goes to high level and remains in high level until the same sound waves are received by the receiver. If the received sound waves are same as what the same sensor transmitted then the Echo pin goes to low level. If no object is detected within 5M after 30ms the Echo signal will automatically go to low level. *Caution: Burst should not be re-transmitted before one cycle of range conversion is over and echo pin has been pulled to low by the sensor.
  • 37.
    2. Microcontroller AT89C2051: TheAT89C2051 is a low-voltage, high-performance CMOS 8-bit microcomputer with 2K bytes of Flash programmable and erasable read-only memory (PEROM). The device is manufactured using Atmel’s high-density nonvolatile memory technology and is compatible with the industry-standard MCS instruction set. By combining a versatile 8-bit CPU with Flash on a monolithic chip, the Atmel AT89C2051 is a powerful microcomputer which provides a highly-flexible and cost-effective solution to many embedded control applications. The AT89C2051 provides the following standard features: 2K bytes of Flash, 128 bytes of RAM, 15 I/O lines, two 16-bit timer/counters, a five vector two-level interrupt architecture, a full duplex serial port, a precision analog comparator, on-chip oscillator and clock circuitry. PIN DIAGRAM :
  • 38.
    Pin Description 1. VCC Supplyvoltage. 2. GND Ground. 3. Port 1 The Port 1 is an 8-bit bi-directional I/O port. Port pins P1.2 to P1.7 provide internal pull-ups. P1.0 and P1.1 require external pull-ups. P1.0 and P1.1 also serve as the positive input (AIN0) and the negative input (AIN1), respectively, of the on-chip precision analog comparator. The Port 1 out-put buffers can sink 20 mA and can drive LED displays directly. When 1s are written to Port 1 pins, they can be used as inputs. When pins P1.2 to P1.7 are used as inputs and are externally pulled low, they will source current (IIL) because of the internal pull-ups. Port 1 also receives code data during Flash programming and verification. 4. Port 3 Port 3 pins P3.0 to P3.5, P3.7 are seven bi-directional I/O pins with internal pull-ups. P3.6 is hard-wired as an input to the output of the on-chip comparator and is not accessible as a general purpose I/O pin. The Port 3 output buffers can sink 20 mA. When 1s are written to Port 3 pins they are pulled high by the internal pull-ups and can be used as inputs. As inputs, Port 3 pins that are externally being pulled low will source current (IIL) because of the pull-ups. 5. RST Reset input. All I/O pins are reset to 1s as soon as RST goes high. Holding the RST pin high for two machine cycles while the oscillator is running resets the device. Each machine cycle takes 12 oscillator or clock cycles. 6. XTAL1 Input to the inverting oscillator amplifier and input to the internal clock operating circuit. 7. XTAL2 Output from the inverting oscillator amplifier. Oscillator Characteristics: The XTAL1 and XTAL2 are the input and output, respectively, of an inverting amplifier which can be configured for use as an on-chip oscillator. Either a quartz crystal or ceramic resonator may be used. To drive the device from an external clock source, XTAL2 should be left unconnected while XTAL1 is driven. There are no requirements on the duty cycle of the external clock signal, since the input to the internal clocking circuitry is through a divide-by-two flip-flop, but minimum and maximum voltage high and low time specifications must be observed.
  • 39.
    3. CAMERA SPECIFICATION: Intex –IT305WC Image sensor - 1/7 “ CMOS sensor  Image resolution - 30.0 Mega pixels interpolated  Frame rate - up to 30 fPs  Image control - Brightness, contrast, hue, saturation, gamma, White Balance  Image Flip - Horizontal, vertical  Monitor type - CRT,LCD  Environment - Indoor, Outdoor  Focus distance - 4cm-infinity  Lens view angle - 54 Degree  I/O interface - USB 2.0  Image format - RGB24.I420  Power consumption - 160mW typical SYSTEM REQUIRMENTS:
  • 40.
     Pentium II350 MHz CPU or advanced  32 MB RAM or advanced  16bit VGA card, sound card  Operating system : windows 7,vista,XP,2000 Features:  Night vision  Support external microphone  Zoom function  Easy plug-and-play USB interface  High quality CMOS sensor  Support 30.0 Megapixel  Auto white balance Camera
  • 41.
    4.HEF4049B Hex invertingbuffers 1. General description: The HEF4049B provides six inverting buffers with high current output capability suitable for driving TTL or high capacitive loads. Since input voltages in excess of the buffers’ supply voltage are permitted, the buffers may also be used to convert logic levels of up to 15 V to standard TTL levels. Their guaranteed fan-out into common bipolar logic elements . It operates over a recommended VDD power supply range of 3 V to 15 V referenced to VSS (usually ground). Unused inputs must be connected to VDD, VSS, or another input. 2. Features and benefits:       Accepts input voltages in excess of the supply voltage Fully static operation 5 V, 10 V, and 15 V parametric ratings Standardized symmetrical output characteristics Specified from -40 ◦C to +85 ◦C Complies with JEDEC standard JESD 13-B 3. Applications:  LOCMOS (Local Oxidation CMOS) to DTL/TTL converter  HIGH sink current for driving two TTL loads  HIGH-to-LOW level logic conversion FUNCTION DIAGRAM PIN DIAGRAM :
  • 42.
    PIN DISCRIPTION 1. VDD 1 supplyvoltage 2. 1Y to 6Y 2, 4, 6, 10, 12, 15 output 3. 1A to 6A 4. VSS 5. n.c. 3, 5, 7, 9, 11, 14 8 13, 16 input ground supply voltage not connected
  • 43.
    APPLICATION OF ULTRA-4 1. ULTRA -4 can do the measurement of length,width in narrow zone.(like dangeroues pit) 2. It is Use in RESCUE OPRATIONS. 3. Use as SPY ROBOT. 4. Versatile use in AUTONOMUS TECHNOLOGY. 5. Use in MINING. 6. It has found essential use in LIGHT INDUSTRY (e.g. toy industry) AGRICULTURE AND POWER ENGINEERING. 7. It is used in CAR PARKING. 8. Use in MEDICINE Medical ultrasonic transducers (probes) come in a variety of different shapes and sizes for use in making pictures of different parts of the body. The transducer may be passed over the surface of the body or inserted into a body opening such as the rectum or vagina. Clinicians who perform ultrasound-guided procedures often use a probe positioning system to hold the ultrasonic transducer. Air detection sensors are used in various roles. Non-invasive air
  • 44.
    detection capabilities inthe most critical applications where the safety of a patient is mandatory. Many of the variables, which can affect performance of amplitude or continuous wave based sensing systems, are eliminated or greatly reduced, thus yielding accurate and repeatable detection. The principle behind the technology is that the transmit signal consists of short bursts of ultrasonic energy. After each burst, the electronics looks for a return signal within a small window of time corresponding to the time it takes for the energy to pass through the vessel. Only signals received during this period will qualify for additional signal processing. 9. Use in INDUSTRY – Ultrasonic sensors are used to detect the presence of targets and to measure the distance to targets in many automated factories and process plants. Sensors with an on or off digital output are available for detecting the presence of objects, and sensors with an analog output which varies proportionally to the sensor to target separation distance are commercially available. They can be used to sense the edge of material as part of a web guiding system Ultrasonic sensors are gaining popularity in a number of uses including ultrasonic people detection and assisting in autonomous UAV navigation. Because ultrasonic sensors use sound rather than light for detection, they work in applications where photoelectric sensors may not. Ultrasonics are a great solution for clear object detection, clear label detection and for liquid level measurement, applications that photoelectrics struggle with because of target translucence. Target color and/or reflectivity don't affect ultrasonic sensors which can operate reliably in high-glare environments. Other types of transducers are used in commercially available ultrasonic cleaning devices. An ultrasonic transducer is affixed to a stainless steel pan which is filled with a solvent (frequently water or isopropanol) and a square wave is applied to it, imparting vibrational energy on the liquid. Winding & Unwinding Ultrasound sensors are used to detect the changes in diameter of drums and reels as they are wound or unwound. Typical industries are:    Paper and Printing Metal working Textiles
  • 45.
     Slope Control Ultrasonic sensorsare used to monitor the slope of loops of material in a process. They are the sensing components of systems that control continuous running of flexible material. Typical industries are:   Height Measurement Paper and Printing, Chemicals, Textiles Metal Working, Packaging With high accuracy and repeatability, ultrasonic sensors are used to measure the height of objects that are moving past the sensor. Measurements are generally unaffected by surface finishes and shapes of the measured objects. Industries where this type of application are found include:    Position Control Packaging,Plastics Automotive, Packaging and Distribution Printing, Metal Working, Assembly Agriculture Pairs of ultrasonic sensors are used to accurately position objects. Linked together in a control system. the sensors provide the prime input for object location and position adjustment. Industries using these applications include: Automotive,Packaging,Printing,Assembly, Robotics, Plastics
  • 46.
    Collision Protection Ultrasonic sensorsare attached to moving objects and equipment to provide collision protection. The sensor continuously relays proximity data to a controller. Many industrial users include:     Level Sensing Automotive Automation Logistics Metal Working Ultrasonic sensors have a unique ability to detect uneven surfaces and return accurate distance data. The sensors are used in many applications where the detection of the level of a fluid in a container is needed. Typical industries include:  Filing Sensing Food and Beverage, Chemical Water Treatment, Power Generation Ultrasonic sensors can accurately detect the changing levels of powders, grains and other semi fluid substances. Many industrial users include:  Agriculture, Chemicals, Packaging, Fluid Handling
  • 47.
  • 56.
  • 59.
  • 60.
    3. Pin Description 3.1VCC Supply voltage (all packages except 42-PDIP). 3.2 GND
  • 61.
    Ground (all packagesexcept 42-PDIP; for 42-PDIP GND connects only the logic core and the embedded program/data memories). 3.3 VDD Supply voltage for the 42-PDIP which connects only the logic core and the embedded program/ data memories. 3.4 PWRVDD Supply voltage for the 42-PDIP which connects only the I/O Pad Drivers. The application board must connect both VDD and PWRVDD to the board supply voltage. 3.5 PWRGND Ground for the 42-PDIP which connects only the I/O Pad Drivers. PWRGND and GND are weakly connected through the common silicon substrate, but not through any metal links. The application board must connect both GND and PWRGND to the board ground. 3.6 Port 0 Port 0 is an 8-bit open drain bi-directional I/O port. As an output port, each pin can sink six TTL inputs. When 1s are written to port 0 pins, the pins can be used as high-impedance inputs. Port 0 can also be configured to be the multiplexed low-order address/data bus during accesses to external program and data memory. In this mode, P0 has internal pull-ups. Port 0 also receives the code bytes during Flash programming and outputs the code bytes during program verification. External pull-ups are required during program verification. 3.7 Port 1 Port 1 is an 8-bit bi-directional I/O port with internal pull-ups. The Port 1 output buffers can sink/source six TTL inputs. When 1s are written to Port 1 pins, they are pulled high by the weak internal pull-ups and can be used as inputs. As inputs, Port 1 pins that are externally being pulled low will source current (IIL,150 μA typical) because of the weak internal pull-ups. 3.8 Port 2 Port 2 is an 8-bit bi-directional I/O port with internal pull-ups. The Port 2 output buffers can sink/source six TTL inputs. When 1s are written to Port 2 pins, they are pulled high by the weak internal pull-ups and can be used as inputs. As inputs, Port 2 pins that are externally being pulled low will source current (IIL,150 μA typical) because of the weak internal pull-ups. Port 2 emits the high-order address byte during fetches from external program memory and during accesses to external data memory that use 16-bit addresses (MOVX @ DPTR). In this application, Port 2 uses strong internal pull-ups when emitting 1s. During accesses to external data memory that use 8-bit addresses (MOVX @ RI), Port 2 emits the contents of the P2 Special Function Register. 3.9 Port 3 Port 3 is an 8-bit bi-directional I/O port with internal pull-ups. The Port 3 output buffers can sink/source six TTL inputs. When 1s are written to Port 3 pins, they are pulled high by the weak internal pull-ups and can be used as inputs. As inputs, Port 3 pins that are externally being pulled low will source current (IIL,150 μA typical) because of the weak internal pull-ups. 3.10 RST
  • 62.
    Reset input. Ahigh on this pin for at least two machine cycles while the oscillator is running resets the device. 3.11 ALE/PROG Address Latch Enable. ALE/PROG is an output pulse for latching the low byte of the address (on its falling edge) during accesses to external memory. This pin is also the program pulse input (PROG) during Flash programming. In normal operation, ALE is emitted at a constant rate of 1/6 the oscillator frequency and may be used for external timing or clocking purposes. Note, however, that one ALE pulse is skipped during each access to external data memory. If desired, ALE operation can be disabled by setting bit 0 of the AUXR SFR at location 8EH. With the bit set, ALE is active only during a MOVX or MOVC instruction. Otherwise, the pin is weakly pulled high. 3.12 PSEN Program Store Enable. PSEN is the read strobe to external program memory (active low). When the AT89S8253 is executing code from external program memory, PSEN is activated twice each machine cycle, except that two PSEN activations are skipped during each access to external data memory. 3.13 EA/VPP External Access Enable. EA must be strapped to GND in order to enable the device to fetch code from external program memory locations starting at 0000H up to FFFFH. Note, however, that if lock bit 1 is programmed, EA will be internally latched on reset. EA should be strapped to VCC for internal program executions. This pin also receives the 12-volt programming enable voltage (VPP) during Flash programming when 12-volt programming is selected. 3.14 XTAL1 Input to the inverting oscillator amplifier and input to the internal clock operating circuit. 3.15 XTAL2 Output from the inverting oscillator amplifier. XTAL2 should not drive a board-level clock without a buffer.
  • 63.
    REFERENCES [1] Mazidi, MuhammadAli, 8051 Microcontroller and Embedded Systems, The (1st Edition) 1999, Prentice Hall [2] Electronics for you, February 2008 edition ,EFY Group Publication (India), New Delhi. [3] Datasheets of all the components involved (AT89C2051, IC 4066, IC 7805, IC TL084, UA 741) [4] www.efymag.com [5] www.frontline.com [6] www.electronicsdesign.com [7] www.wikipedia.org [8] www.finemach.com