UNIT 3
Alternating Current: rms and average value of ac – definition and expressions, Representation
of sinusoids by complex numbers (brief explanation), response of LR, CR and LCR series circuit
to sinusoidal voltage, series and parallel resonant (LR parallel C) circuits (mention condition for
resonance with expressions for impedance and current), expression for Q factor, band width, AC
bridge - Maxwell bridge (derivation of condition for balance, determination of self-inductance of a
coil).
Thermoelectricity: Seebeck effect (brief explanation, experiment and temperature dependence),
Thermoelectric series, Neutral temperature, Laws of thermoelectricity (qualitative), Peltier effect,
Peltier coefficient (qualitative analysis), Thomson effect, Thomson coefficient (qualitative
analysis), Theory of thermoelectric circuits using thermodynamics (Application of
thermodynamics to a thermocouple and connected relations with derivation), Applications of
thermoelectricity - Boys' Radio-micrometer, thermopile and thermoelectric pyrometer (brief
explanation with experimental setup).
By: Dr. Mayank Pandey
Alternating Current: rms and average value of ac - definition and expressions
AC voltage alternates in polarity and AC current alternates in direction. We also know that AC can alternate in a variety
of different ways, and by tracing the alternation over time we can plot it as a “waveform.”
Ways of Expressing the Magnitude of an AC Waveform
One way to express the intensity, or magnitude (also called the amplitude), of an AC quantity is to measure its peak
height on a waveform graph. This is known as the peak or crest value of an AC waveform: Figure below
One way of expressing the amplitude of different wave shapes in a more
equivalent fashion is to mathematically average the values of all the
points on a waveform’s graph to a single, aggregate number. This
amplitude measurement is known simply as the average value of the
waveform.
If we average all the points on the waveform algebraically (that is, to
consider their sign, either positive or negative), the average value for
most waveforms is technically zero, because all the positive points cancel
out all the negative points over a full cycle: Figure below
Peak Value
Definition: The maximum value attained by an alternating quantity during one cycle is
called its Peak value. It is also known as the maximum value or amplitude or crest value.
The sinusoidal alternating quantity obtains its peak value at 90 degrees as shown in the
figure below.
The peak values of alternating voltage and current is represented by Em and Im respectively.
Average Value
Definition: The average of all the instantaneous values of an alternating voltage and currents over one complete
cycle is called Average Value.
If we consider symmetrical waves like sinusoidal current or voltage waveform, the positive half cycle will be
exactly equal to the negative half cycle. Therefore, the average value over a complete cycle will be zero.
The work is done by both, positive and negative cycle and hence the average value is determined without
considering the signs.
So, the only positive half cycle is considered to determine the average value of alternating quantities of sinusoidal
waves.
R.M.S Value
Definition: That steady current which, when flows through a resistor of known resistance for a
given period of time than as a result the same quantity of heat is produced by the alternating
current when flows through the same resistor for the same period of time is called R.M.S or
effective value of the alternating current.
In other words, the R.M.S value is defined as the square root of means of squares of
instantaneous values.
Let I be the alternating current flowing through a resistor R for time t seconds, which produces
the same amount of heat as produced by the direct current (Ieff). The base of one alteration is
divided into n equal parts so that each interval is of t/n seconds as shown in the figure below.
Root Mean Square is the actual value of an
alternating quantity which tells us an energy
transfer capability of an AC source.
The ammeter records the RMS value of alternating
current and voltmeter record’s the root mean
square (R.M.S) value of alternating voltage. The
domestic single-phase AC supply is 230 V, 50
hertz, where 230 V is the R.M.S value of
alternating voltage.
Representation of sinusoids by complex numbers
Response of LR, CR and LCR series circuit to sinusoidal voltage
When a constant voltage source or battery is connected across a resistor, current is developed in it. This current has a
unique direction and flows from the negative terminal of the battery to its positive terminal. The magnitude of current
remains constant as well.
If the direction of current through this resistor changes periodically or alternately, then the current is called alternating
current. An alternating current or AC generator or AC dynamo can be used as AC voltage source.
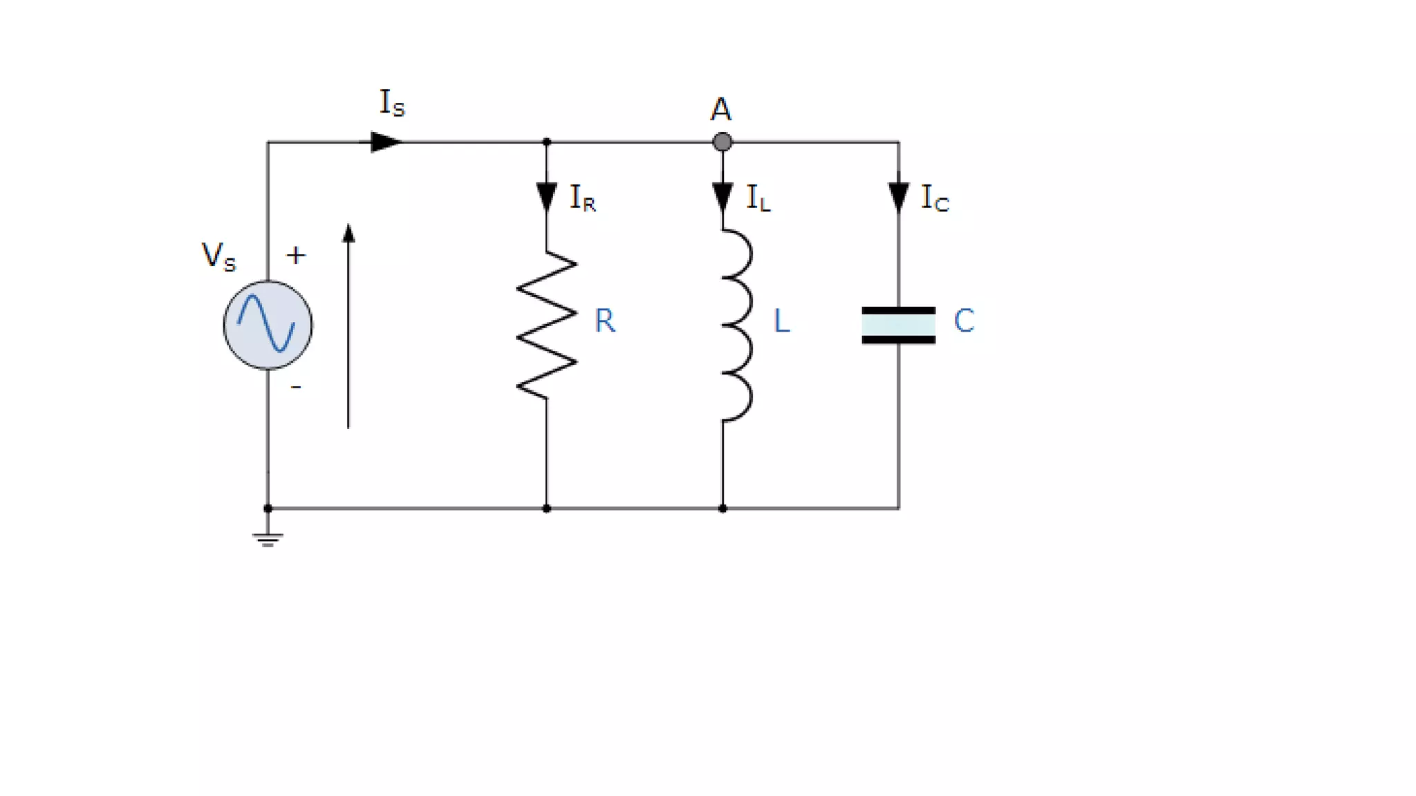
Resonance in Series and Parallel Circuits
Series circuit
The circuit, with resistance R,
inductance L, and a capacitor, C in
series (Fig. 17.1a) is connected to a
single phase variable frequency (f)
supply. The total impedance of the
circuit is
Q Factor and Bandwidth
The bandwidth of a parallel resonance circuit is defined in exactly the same way as for the series
resonance circuit. The upper and lower cut-off frequencies given as: ƒupper and ƒlower respectively denote
the half-power frequencies where the power dissipated in the circuit is half of the full power dissipated at
the resonant frequency 0.5 (I2 R) which gives us the same -3dB points at a current value that is equal to
70.7% of its maximum resonant value, (0.707 x I)2 R
As with the series circuit, if the resonant frequency remains constant, an increase in the quality
factor, Q will cause a decrease in the bandwidth and likewise, a decrease in the quality factor will cause
an increase in the bandwidth as defined by:
BW = ƒr /Q or BW = ƒupper - ƒlower
The selectivity or Q-factor for a parallel resonance circuit is generally defined as the ratio of the circulating branch
currents to the supply current and is given as:
Note that the Q-factor of a parallel resonance circuit is the inverse of the expression for the Q-factor of the series
circuit. Also in series resonance circuits the Q-factor gives the voltage magnification of the circuit, whereas in a
parallel circuit it gives the current magnification.
Parallel Resonance Example No 1
A parallel resonance network consisting of a resistor of 60Ω, a capacitor of 120uF and an inductor of 200mH is
connected across a sinusoidal supply voltage which has a constant output of 100 volts at all frequencies. Calculate,
the resonant frequency, the quality factor and the bandwidth of the circuit, the circuit current at resonance and current
magnification.
Electric Circuit Studio
AC bridge-Maxwell Bridge
Definition: The bridge used for the measurement of self-inductance of the circuit is known as the Maxwell
bridge. It is the advanced form of the Wheatstone bridge. The Maxwell bridge works on the principle of
the comparison, i.e., the value of unknown inductance is determined by comparing it with the known value or
standard value.
Types of Maxwell’s Bridge
Two methods are used for determining the self-inductance of the circuit. They are
1. Maxwell’s Inductance Bridge
2. Maxwell’s inductance Capacitance Bridge
Maxwell’sInductance Bridge
In such type of bridges, the value of unknown resistance is determined by comparing it with the known value
of the standard self-inductance. The connection diagram for the balance Maxwell bridge is shown in the figure
below.
Let, L1 – unknown inductance of resistance R1.
L2 – Variable inductance of fixed resistance r1.
R2 – variable resistance connected in series with inductor L2.
R3, R4 – known non-inductance resistance
At balance,
The value of the R3 and the R4 resistance varies from 10 to 1000 ohms with the help of the resistance box.
Sometimes for balancing the bridge, the additional resistance is also inserted into the circuit.
The phasor diagram of Maxwell’s inductance bridge is shown in the figure below.
Maxwell’s Inductance Capacitance Bridge
In this type of bridges, the unknown resistance is measured with the help of the standard variable capacitance. The
connection diagram of the Maxwell Bridge is shown in the figure below.
Let, L1 – unknown inductance of resistance R1.
R1 – Variable inductance of fixed resistance r1.
R2, R3, R4 – variable resistance connected in series with inductor L2.
C4 – known non-inductance resistance
For balance condition,
By separating the real and imaginary equation we get,
The above equation shows that the bridges have two variables R4 and C4 which appear in one of the two
equations and hence both the equations are independent.
The circuit quality factor is expressed as
Phasor diagram of Maxwell’s inductance capacitance bridge is shown in the figure below.
Advantages of the Maxwell’s Bridges
The following are the advantages of the Maxwell bridges
The balance equation of the circuit is free from frequency.
Both the balance equations are independent of each other.
The Maxwell’s inductor capacitance bridge is used for the measurement of the high range inductance.
Disadvantages of the Maxwell’sBridge
The main disadvantages of the bridges are
The Maxwell inductor capacitance bridge requires a variable capacitor which is very expensive. Thus, sometimes
the standard variable capacitor is used in the bridges.
The bridge is only used for the measurement of medium quality coils.
Because of the following disadvantages, the Hays bridge is used for the measurement of circuit inductance which is
the advanced form of the Maxwell’s Bridge.
Fundamentals of Thermoelectrics
Thermoelectric phenomena in materials can be described through three thermoelectric effects, the Seebeck effect, the
Peltier effect, and the Thomson effect. The Seebeck effect, discovered in 1821 by Thomas Johann Seebeck, represents
the generation of an electromotive force by a temperature gradient. When a temperature gradient is applied along a
conductive material, charge carriers move from the hot to the cold side. In the case of open-circuit, charge
accumulation results in an electric potential difference, as shown in Fig. 1.2. The Seebeck coefficient S of a material
shows the magnitude of the induced voltage in response to the temperature difference:
where TC and TH are the temperatures of the cold and the hot side, respectively. The Seebeck coefficient of a material is
generally a function of temperature. However, if the temperature difference ΔT= TH - TC is small enough, and the
Seebeck coefficient is nearly constant in the range of applied temperatures, one has:
A single thermoelectric conductor, however, is not able to play the role of a battery. This is due to the fact that the net
loop voltage would be zero if circuit wires of the same conductor were connected. A non-zero loop voltage can be
obtained when two dissimilar conductors are connected in the configuration shown in Fig. 1.3. The circuit configuration
of a thermoelectric generator is shown in Fig. 1.4-a. Here the generator is composed of two materials, an n -type and a p -
type material. The voltage obtained from this configuration is:
where Sp and Sn are the Seebeck coefficients of the p -type and n -type materials, respectively, and Spn is the Seebeck
coefficient of the device (junction). The Seebeck coefficient of a p -type material is positive, that of an n -type material
negative. Therefore, using this configuration one can achieve a high net voltage
The Peltier effect, on the other hand, discovered by Athanaseal Jean Charles Peltier in 1834,
describes how an electrical current can create a heat flow. This effect has enabled the second application of
thermoelectric devices, the thermoelectric cooler, as shown in Fig. 1.4-b. Here, by applying an external power
source, both the electrons of the n -type conductor and the holes of the p -type conductor move and carry heat from
one side to the other. Therefore, one side cools down, whereas the other side heats up. The heat flow absorbed at
the hot side is proportional to the current through the junction:
where, Πp, Πn and Πpn are the Peltier coefficients of the p -type material, the n -type material, and the device,
respectively.
The Thomson effect, observed by William Thomson in 1851, expresses a relation for heat production in
a current-carrying conductor in the presence of temperature gradient:
where qH is the heat production per volume, ρ the electrical resistivity, J the current density, and µ the
Thomson coefficient. Considering the second term in Eq. 1.5, the conductor can either release or absorb the
heat, depending on the direction of current with respect to the temperature gradient.
According to the Thomson relations, these three thermoelectric coefficients are not
independent. The Peltier coefficient and the Seebeck coefficient are linearly related to each
other
whereas the Thomson coefficient can be expressed as:
Therefore, the Seebeck coefficient as a function of temperature is enough for describing all three
thermoelectric phenomena. The computational method for obtaining the Seebeck coefficient, as well as the
calculation of the other transport coefficients, is presented. It is, however, worth mentioning that one can only
measure the Seebeck coefficient for a pair (junction) of dissimilar materials, but not of an individual
conductor, whereas measurement of the Thomson coefficient is possible even for individual materials.
so that the thermoelectric power is given by
The relationship between V and T is a parabola. The temperature Tn = -a/2b at which the thermoelectric power is
maximum is called the neutral temperature.
The temperatures Ti = T0 and Ti = T0 – a/b at which a small change in the difference of the junction temperatures leads
to a change in the sign of emf is called the inversion temperature.
A complete understanding of Seebeck effect requires knowledge of behaviour of electron in a metal which is rather
complicated. The Seebeck coefficient depends on factors like work functions of the two metals, electron densities of the
two components, scattering mechanism within each solid etc. However, a simple minded picture is as follows.
Example 2: Compute the thermo-emf of a copper-constantan thermocouple with its
junctions at 0oC and 100oC
Law of Intermediate Metals:
According to this law, inserting an wire of arbitrary material into a thermocouple circuit has no effect on the thermal
emf of the original circuit, if the additional junctions introduced in the circuit are at the same temperature. The law is
useful in using thermocouples with elements which are both different from the material of the lead wires of a voltmeter.
The most convenient way to analyze a thermocouple circuit is to use Kirchhoff's voltage law, which states that the
algebraic sum of voltages around a closed loop is zero. Thus when the junction of two metals a and b are maintained at
a temperature T and the open circuit voltage V is measured under isothermal condition at a temperature T0, we may
write
Alternating Current
Alternating Current

Alternating Current

  • 1.
    UNIT 3 Alternating Current:rms and average value of ac – definition and expressions, Representation of sinusoids by complex numbers (brief explanation), response of LR, CR and LCR series circuit to sinusoidal voltage, series and parallel resonant (LR parallel C) circuits (mention condition for resonance with expressions for impedance and current), expression for Q factor, band width, AC bridge - Maxwell bridge (derivation of condition for balance, determination of self-inductance of a coil). Thermoelectricity: Seebeck effect (brief explanation, experiment and temperature dependence), Thermoelectric series, Neutral temperature, Laws of thermoelectricity (qualitative), Peltier effect, Peltier coefficient (qualitative analysis), Thomson effect, Thomson coefficient (qualitative analysis), Theory of thermoelectric circuits using thermodynamics (Application of thermodynamics to a thermocouple and connected relations with derivation), Applications of thermoelectricity - Boys' Radio-micrometer, thermopile and thermoelectric pyrometer (brief explanation with experimental setup). By: Dr. Mayank Pandey
  • 2.
    Alternating Current: rmsand average value of ac - definition and expressions AC voltage alternates in polarity and AC current alternates in direction. We also know that AC can alternate in a variety of different ways, and by tracing the alternation over time we can plot it as a “waveform.” Ways of Expressing the Magnitude of an AC Waveform One way to express the intensity, or magnitude (also called the amplitude), of an AC quantity is to measure its peak height on a waveform graph. This is known as the peak or crest value of an AC waveform: Figure below
  • 3.
    One way ofexpressing the amplitude of different wave shapes in a more equivalent fashion is to mathematically average the values of all the points on a waveform’s graph to a single, aggregate number. This amplitude measurement is known simply as the average value of the waveform. If we average all the points on the waveform algebraically (that is, to consider their sign, either positive or negative), the average value for most waveforms is technically zero, because all the positive points cancel out all the negative points over a full cycle: Figure below
  • 4.
    Peak Value Definition: Themaximum value attained by an alternating quantity during one cycle is called its Peak value. It is also known as the maximum value or amplitude or crest value. The sinusoidal alternating quantity obtains its peak value at 90 degrees as shown in the figure below. The peak values of alternating voltage and current is represented by Em and Im respectively.
  • 5.
    Average Value Definition: Theaverage of all the instantaneous values of an alternating voltage and currents over one complete cycle is called Average Value. If we consider symmetrical waves like sinusoidal current or voltage waveform, the positive half cycle will be exactly equal to the negative half cycle. Therefore, the average value over a complete cycle will be zero. The work is done by both, positive and negative cycle and hence the average value is determined without considering the signs. So, the only positive half cycle is considered to determine the average value of alternating quantities of sinusoidal waves.
  • 6.
    R.M.S Value Definition: Thatsteady current which, when flows through a resistor of known resistance for a given period of time than as a result the same quantity of heat is produced by the alternating current when flows through the same resistor for the same period of time is called R.M.S or effective value of the alternating current. In other words, the R.M.S value is defined as the square root of means of squares of instantaneous values. Let I be the alternating current flowing through a resistor R for time t seconds, which produces the same amount of heat as produced by the direct current (Ieff). The base of one alteration is divided into n equal parts so that each interval is of t/n seconds as shown in the figure below. Root Mean Square is the actual value of an alternating quantity which tells us an energy transfer capability of an AC source. The ammeter records the RMS value of alternating current and voltmeter record’s the root mean square (R.M.S) value of alternating voltage. The domestic single-phase AC supply is 230 V, 50 hertz, where 230 V is the R.M.S value of alternating voltage.
  • 7.
    Representation of sinusoidsby complex numbers
  • 9.
    Response of LR,CR and LCR series circuit to sinusoidal voltage When a constant voltage source or battery is connected across a resistor, current is developed in it. This current has a unique direction and flows from the negative terminal of the battery to its positive terminal. The magnitude of current remains constant as well. If the direction of current through this resistor changes periodically or alternately, then the current is called alternating current. An alternating current or AC generator or AC dynamo can be used as AC voltage source.
  • 13.
    Resonance in Seriesand Parallel Circuits Series circuit The circuit, with resistance R, inductance L, and a capacitor, C in series (Fig. 17.1a) is connected to a single phase variable frequency (f) supply. The total impedance of the circuit is
  • 16.
    Q Factor andBandwidth The bandwidth of a parallel resonance circuit is defined in exactly the same way as for the series resonance circuit. The upper and lower cut-off frequencies given as: ƒupper and ƒlower respectively denote the half-power frequencies where the power dissipated in the circuit is half of the full power dissipated at the resonant frequency 0.5 (I2 R) which gives us the same -3dB points at a current value that is equal to 70.7% of its maximum resonant value, (0.707 x I)2 R As with the series circuit, if the resonant frequency remains constant, an increase in the quality factor, Q will cause a decrease in the bandwidth and likewise, a decrease in the quality factor will cause an increase in the bandwidth as defined by: BW = ƒr /Q or BW = ƒupper - ƒlower
  • 17.
    The selectivity orQ-factor for a parallel resonance circuit is generally defined as the ratio of the circulating branch currents to the supply current and is given as: Note that the Q-factor of a parallel resonance circuit is the inverse of the expression for the Q-factor of the series circuit. Also in series resonance circuits the Q-factor gives the voltage magnification of the circuit, whereas in a parallel circuit it gives the current magnification.
  • 18.
    Parallel Resonance ExampleNo 1 A parallel resonance network consisting of a resistor of 60Ω, a capacitor of 120uF and an inductor of 200mH is connected across a sinusoidal supply voltage which has a constant output of 100 volts at all frequencies. Calculate, the resonant frequency, the quality factor and the bandwidth of the circuit, the circuit current at resonance and current magnification. Electric Circuit Studio
  • 19.
    AC bridge-Maxwell Bridge Definition:The bridge used for the measurement of self-inductance of the circuit is known as the Maxwell bridge. It is the advanced form of the Wheatstone bridge. The Maxwell bridge works on the principle of the comparison, i.e., the value of unknown inductance is determined by comparing it with the known value or standard value. Types of Maxwell’s Bridge Two methods are used for determining the self-inductance of the circuit. They are 1. Maxwell’s Inductance Bridge 2. Maxwell’s inductance Capacitance Bridge
  • 20.
    Maxwell’sInductance Bridge In suchtype of bridges, the value of unknown resistance is determined by comparing it with the known value of the standard self-inductance. The connection diagram for the balance Maxwell bridge is shown in the figure below. Let, L1 – unknown inductance of resistance R1. L2 – Variable inductance of fixed resistance r1. R2 – variable resistance connected in series with inductor L2. R3, R4 – known non-inductance resistance At balance,
  • 21.
    The value ofthe R3 and the R4 resistance varies from 10 to 1000 ohms with the help of the resistance box. Sometimes for balancing the bridge, the additional resistance is also inserted into the circuit. The phasor diagram of Maxwell’s inductance bridge is shown in the figure below.
  • 22.
    Maxwell’s Inductance CapacitanceBridge In this type of bridges, the unknown resistance is measured with the help of the standard variable capacitance. The connection diagram of the Maxwell Bridge is shown in the figure below. Let, L1 – unknown inductance of resistance R1. R1 – Variable inductance of fixed resistance r1. R2, R3, R4 – variable resistance connected in series with inductor L2. C4 – known non-inductance resistance For balance condition,
  • 23.
    By separating thereal and imaginary equation we get, The above equation shows that the bridges have two variables R4 and C4 which appear in one of the two equations and hence both the equations are independent. The circuit quality factor is expressed as Phasor diagram of Maxwell’s inductance capacitance bridge is shown in the figure below.
  • 24.
    Advantages of theMaxwell’s Bridges The following are the advantages of the Maxwell bridges The balance equation of the circuit is free from frequency. Both the balance equations are independent of each other. The Maxwell’s inductor capacitance bridge is used for the measurement of the high range inductance. Disadvantages of the Maxwell’sBridge The main disadvantages of the bridges are The Maxwell inductor capacitance bridge requires a variable capacitor which is very expensive. Thus, sometimes the standard variable capacitor is used in the bridges. The bridge is only used for the measurement of medium quality coils. Because of the following disadvantages, the Hays bridge is used for the measurement of circuit inductance which is the advanced form of the Maxwell’s Bridge.
  • 25.
    Fundamentals of Thermoelectrics Thermoelectricphenomena in materials can be described through three thermoelectric effects, the Seebeck effect, the Peltier effect, and the Thomson effect. The Seebeck effect, discovered in 1821 by Thomas Johann Seebeck, represents the generation of an electromotive force by a temperature gradient. When a temperature gradient is applied along a conductive material, charge carriers move from the hot to the cold side. In the case of open-circuit, charge accumulation results in an electric potential difference, as shown in Fig. 1.2. The Seebeck coefficient S of a material shows the magnitude of the induced voltage in response to the temperature difference:
  • 26.
    where TC andTH are the temperatures of the cold and the hot side, respectively. The Seebeck coefficient of a material is generally a function of temperature. However, if the temperature difference ΔT= TH - TC is small enough, and the Seebeck coefficient is nearly constant in the range of applied temperatures, one has: A single thermoelectric conductor, however, is not able to play the role of a battery. This is due to the fact that the net loop voltage would be zero if circuit wires of the same conductor were connected. A non-zero loop voltage can be obtained when two dissimilar conductors are connected in the configuration shown in Fig. 1.3. The circuit configuration of a thermoelectric generator is shown in Fig. 1.4-a. Here the generator is composed of two materials, an n -type and a p - type material. The voltage obtained from this configuration is:
  • 27.
    where Sp andSn are the Seebeck coefficients of the p -type and n -type materials, respectively, and Spn is the Seebeck coefficient of the device (junction). The Seebeck coefficient of a p -type material is positive, that of an n -type material negative. Therefore, using this configuration one can achieve a high net voltage The Peltier effect, on the other hand, discovered by Athanaseal Jean Charles Peltier in 1834, describes how an electrical current can create a heat flow. This effect has enabled the second application of thermoelectric devices, the thermoelectric cooler, as shown in Fig. 1.4-b. Here, by applying an external power source, both the electrons of the n -type conductor and the holes of the p -type conductor move and carry heat from one side to the other. Therefore, one side cools down, whereas the other side heats up. The heat flow absorbed at the hot side is proportional to the current through the junction:
  • 28.
    where, Πp, Πnand Πpn are the Peltier coefficients of the p -type material, the n -type material, and the device, respectively. The Thomson effect, observed by William Thomson in 1851, expresses a relation for heat production in a current-carrying conductor in the presence of temperature gradient: where qH is the heat production per volume, ρ the electrical resistivity, J the current density, and µ the Thomson coefficient. Considering the second term in Eq. 1.5, the conductor can either release or absorb the heat, depending on the direction of current with respect to the temperature gradient.
  • 29.
    According to theThomson relations, these three thermoelectric coefficients are not independent. The Peltier coefficient and the Seebeck coefficient are linearly related to each other whereas the Thomson coefficient can be expressed as: Therefore, the Seebeck coefficient as a function of temperature is enough for describing all three thermoelectric phenomena. The computational method for obtaining the Seebeck coefficient, as well as the calculation of the other transport coefficients, is presented. It is, however, worth mentioning that one can only measure the Seebeck coefficient for a pair (junction) of dissimilar materials, but not of an individual conductor, whereas measurement of the Thomson coefficient is possible even for individual materials.
  • 31.
    so that thethermoelectric power is given by The relationship between V and T is a parabola. The temperature Tn = -a/2b at which the thermoelectric power is maximum is called the neutral temperature. The temperatures Ti = T0 and Ti = T0 – a/b at which a small change in the difference of the junction temperatures leads to a change in the sign of emf is called the inversion temperature. A complete understanding of Seebeck effect requires knowledge of behaviour of electron in a metal which is rather complicated. The Seebeck coefficient depends on factors like work functions of the two metals, electron densities of the two components, scattering mechanism within each solid etc. However, a simple minded picture is as follows.
  • 34.
    Example 2: Computethe thermo-emf of a copper-constantan thermocouple with its junctions at 0oC and 100oC
  • 37.
    Law of IntermediateMetals: According to this law, inserting an wire of arbitrary material into a thermocouple circuit has no effect on the thermal emf of the original circuit, if the additional junctions introduced in the circuit are at the same temperature. The law is useful in using thermocouples with elements which are both different from the material of the lead wires of a voltmeter. The most convenient way to analyze a thermocouple circuit is to use Kirchhoff's voltage law, which states that the algebraic sum of voltages around a closed loop is zero. Thus when the junction of two metals a and b are maintained at a temperature T and the open circuit voltage V is measured under isothermal condition at a temperature T0, we may write