AN955
                     VF Control of 3-Phase Induction Motor
                        Using Space Vector Modulation

 Author:    Rakesh Parekh                                 SPACE VECTOR MODULATION (SVM)
            Microchip Technology Inc.                     The SVM is a sophisticated, averaging algorithm which
                                                          gives 15% more voltage output compared to the Sine
INTRODUCTION                                              PWM algorithm, thereby increasing the VDC utilization.
                                                          It also minimizes the THD as well as switching loss.
VF control using the Sine PWM algorithm is a popular      Like Sine PWM, the SVM is also a scalar control. The
algorithm for AC induction motor control; however, this   direct controlled variables are the motor voltage and
algorithm has certain drawbacks which affect the          the motor frequency.
overall system efficiency. A more advanced switching      The 3-phase line-to-neutral sine waves required for
algorithm, like Space Vector Modulation (SVM), over-      driving the 3-phase AC induction motor can be
comes the drawbacks of the Sine PWM algorithm and         represented as 120° phase-shifted vectors (VRN, VYN,
increases the overall system efficiency.                  and VBN) in space, as shown in Figure 1.
This application note includes the description of the
SVM theory and its advantages over the Sine PWM. It       FIGURE 1:           3-PHASE VOLTAGE
also discusses the SVM digital implementation for VF                          VECTORS AND THE
control using Microchip’s PIC18FXX31 8-bit micro-                             RESULTANT SPACE
controllers. See the “References” section for more
                                                                              REFERENCE VECTOR
information on AC induction motors and their control.
                                                                 VYN
SINE PWM
Traditionally, VF control using the Sine PWM algorithm
is implemented using a Voltage Source Inverter (VSI)
controlled by a programmable device (microcontroller
or DSP). Its popularity is mainly due to its easy                                  120°
implementation and minimum online computational
                                                               VS
requirement. However, this algorithm has the following
drawbacks:                                                             120°
                                                                                                      VRN
• The Sine PWM algorithm is unable to fully utilize
                                                                                   120°
  the available DC bus supply voltage (VDC) to the
  VSI. The generated line-to-line voltage is less
  than 90% of VDC in the linear operating region.
  See Appendix B: “Sine PWM” for more
  information.
• This algorithm gives more Total Harmonic                          VBN
  Distortion (THD).
• Often, to reduce run-time processing load for slow
                                                          For a balanced 3-phase system, these vectors sum to
  controllers, three 120° phase-shifted sine tables
                                                          zero. Therefore, they can be expressed as a single
  are created in the controller memory. This is an
                                                          space reference vector (VS). By controlling the
  inefficient usage of the controller memory.
                                                          amplitude and the frequency of VS, the motor voltage
• There is no degree of freedom in implementation.        and the motor frequency can be controlled. Hence, this
• This algorithm does not facilitate more advanced        algorithm is known as the SVM.
  vector control implementation.




© 2005 Microchip Technology Inc.                                                               DS00955A-page 1
AN955
A typical block diagram of a VSI controlled by the                    States 1 through 6 are called the active states, as the
PIC18FXX31, which implements SVM, is shown in                         energy is supplied from the supply to the motor during
Figure 2. Point 0 is the midpoint of VDC (sometimes                   these states. States 0 and 7 are called the inactive
called the Virtual Neutral Point). For safe operation of              states, as no energy is supplied from the supply to the
the VSI, whenever one switch of a half bridge (Q1) is                 motor during these states. Each state can be
on, the other switch of the same half bridge (Q0) should              represented as a voltage vector in space. Figure 3
be off and vice versa. This gives rise to eight distinct              shows the space vector representation of all the
switching states of the VSI. Table 1 lists all the possible           possible switching states.
VSI switching states and respective line-to-neutral
voltages.


FIGURE 2:            BLOCK DIAGRAM OF PICmicro® MCU-CONTROLLED VSI



                                                                                       Q1     Q3      Q5
                                                              PIC18FXX31                                         3-Phase ACIM
                                                VDC/2                      PWM0 (Q0)
                                                                           PWM1 (Q1)                         B
                                                                                                      Y
                                                                           PWM2 (Q2)          R                              N
                                            O                              PWM3 (Q3)
                                   VDC
                                                                           PWM4 (Q4)
                   Rectifier
    115/230 VAC                                                            PWM5 (Q5)
                                                VDC/2
     50/60 Hz                                                                          Q0     Q2      Q4




TABLE 1:          VSI SWITCHING STATES AND RESPECTIVE LINE TO NEUTRAL VOLTAGES
 Switching State          On Switches                   VRN           VYN               VBN               Space Voltage Vector

         0                     Q0, Q2, Q4                0             0                 0                         V0
         1                     Q1, Q2, Q4           2/3 VDC         -1/3 VDC        -1/3 VDC                       V1

         2                     Q1, Q3, Q4           1/3 VDC         1/3 VDC         -2/3 VDC                       V2

         3                     Q0, Q3, Q4           -1/3 VDC        2/3 VDC         -1/3 VDC                       V3

         4                     Q0, Q3, Q5           -2/3 VDC        1/3 VDC            1/3 VDC                     V4

         5                     Q0, Q2, Q5           -1/3 VDC        -1/3 VDC           2/3 VDC                     V5

         6                     Q1, Q2, Q5           1/3 VDC         -2/3 VDC           1/3 VDC                     V6

         7                     Q1, Q3, Q5                0             0                 0                         V7




DS00955A-page 2                                                                                   © 2005 Microchip Technology Inc.
AN955
As seen in Figure 3, the entire space is distinctively                   this algorithm generates maximum THD. Also, the line-
divided into six equal sized sectors of 60°. Each sector                 to-line and the line-to-neutral waveforms are not sine
is bounded by two active vectors. V0 and V7 are the                      waves.
voltage vectors with zero amplitude and are located at
the hexagon origin.                                                      SVM Switching Rules
VS is the resultant output due to the switching states of
                                                                         To implement the SVM algorithm, the following switching
the VSI. For digital implementation of SVM, the VSI is
                                                                         rules are implemented:
switched at a very high frequency (FPWM). This fre-
quency is high enough (>20 kHz) so as not to generate                    •   The trajectory of VS should be a circle.
audible noise due to switching. FPWM decides the                         •   Only one switching per state transition.
sample time TS for VS, where TS = 1/FPWM. There are                      •   Not more than three switchings in one TS.
various switching ways to generate VS from V0, V1...V7.                  •   The final state of one sample must be the initial
Mathematically, it can be represented as shown in                            state of the next sample.
Equation 1. Variables T0, T1…T7 in Equation 1 are on
time for the corresponding VSI states and TS is the                      These rules help in limiting the number of switching
sample time.                                                             actions and hence, there is a reduction in the switching
                                                                         losses. Also, they maintain symmetry in switching
When the VSI follows the switching state pattern,                        waveforms at the VSI output to achieve the lower THD.
1-2-3-4-5-6-1-2..., it is called the Six-Step PWM algo-                  The SVM algorithm implementation, using these
rithm. This algorithm is easier to implement compared                    switching rules, is called Conventional SVM.
to all the other control algorithms. It can generate the
line-to-line fundamental voltage more than the VDC. But


FIGURE 3:           SPACE VECTOR HEXAGON


                                (Q0, Q3, Q4) V3              Sector 2
                                                                                       V2 (Q1, Q3, Q4)




                                                                                        VS      Sector 1
                           Sector 3

                                                                    TB
                                                        V7      0             Ψ
             (Q0, Q3, Q5) V4                                                                             V1 (Q1, Q2, Q4)
                                                                             TA

                                                               V0


                                                                                                Sector 6
                               Sector 4




                                 (Q0, Q2, Q5) V5             Sector 5                  V6 (Q1, Q2, Q5)




EQUATION 1:

                   ⎛T0   ⎞ ⎛T1     ⎞ ⎛T2     ⎞ ⎛T3     ⎞ ⎛T4     ⎞ ⎛T5     ⎞ ⎛T6     ⎞ ⎛T7     ⎞
              VS = ⎜ × V0⎟ + ⎜ × V1⎟ + ⎜ × V2⎟ + ⎜ × V3⎟ + ⎜ × V4⎟ + ⎜ × V5⎟ + ⎜ × V6⎟ + ⎜ × V7⎟
                   ⎝TS   ⎠ ⎝TS     ⎠ ⎝TS     ⎠ ⎝TS     ⎠ ⎝TS     ⎠ ⎝TS     ⎠ ⎝TS     ⎠ ⎝TS     ⎠


                                           TS = T0 + T1 + T2 + T3 + T4 + T5 + T6 + T7




© 2005 Microchip Technology Inc.                                                                                  DS00955A-page 3
AN955
Different SVM Algorithms                                     Equation 2 means that the VSI is in active state 1 for TA
                                                             time and it is in active state 2 for TB time. For the
There are various ways to implement the SVM, such as:        remaining time of TS, no voltage is applied. This can be
•   Conventional SVM                                         achieved by applying inactive state 0 (or 7) for the
•   Basic Bus Clamping SVM                                   remaining time T0 (or T7).
•   Boundary Sampling SVM
                                                             EQUATION 3:
•   Asymmetric Zero-Changing SVM, etc.
All SVM algorithms have the same on time for active as                          TS = TA + TB + T0/7
well as inactive vectors. They differ mainly in the imple-
mentation of the inactive vectors, such as T0 and/or T7
distribution within TS. Discussion of the various other      The time intervals, TA, TB and T0/7, have to be calcu-
SVM algorithms is beyond the scope of this application       lated such that the average volt seconds produced by
note.                                                        the vectors, V1, V2 and V0/7 along the X and Y axes, are
                                                             the same as those produced by the desired reference
                                                             space vector VS.
Time Calculation to Generate VS
                                                             The modulation index or amplitude ratio is defined as:
Let us take an example where VS is in Sector 1 at a
vector angle (Ψ), as shown in Figure 4.                                                  ⎪VS⎪
                                                                                    m=
                                                                                         VDC
FIGURE 4:              VECTOR VS IN SECTOR 1
                                                             where |VS| is the amplitude or the length of VS.
      Y Axis                                                 Resolving VS along the X and Y axes, we get:

                        V2                                   EQUATION 4:

                                                               (VDC × TA) + (VDC × cosπ/3 × TB) = ⎪VS⎪ × cosψ × TS
                                                               and
                               VS
                                                               VDC × sinπ/3 × TB = ⎪VS⎪ × sinψ × TS


                                                             Solving for TA and TB, we get:
                                TB
                       π/3
                   ψ                          X Axis
     V0/7                             V1                     EQUATION 5:
                 TA                                                         TA    2 × m × sin ⎛π    ⎞
                         VDC                                                   =              ⎜3 – ψ⎟
                                                                            TS   √3           ⎝     ⎠
                                                                            TB    2 × m × sinψ
                                                                               =
It is assumed that during time TS, VS remains steady.                       TS   √3
For implementing the conventional SVM using SVM
switching rules, VS is split as shown in Equation 2.         T0/7 can be found from Equation 3. For better THD, T0
                                                             (or T7) is split into two and then applied at the beginning
EQUATION 2:                                                  and at the end of the TS. The typical VSI switching
                                                             waveforms in Sector 1, as defined by Equation 2,
                 ⎛TA   ⎞ ⎛TB     ⎞ ⎛T0/7       ⎞             Equation 3 and the switching rules for the conventional
            VS = ⎜ × V1⎟ + ⎜ × V2⎟ + ⎜   × V0/7⎟             SVM using center aligned PWM, are as given in
                 ⎝TS   ⎠ ⎝TS     ⎠ ⎝ TS        ⎠
                                                             Figure 5.




DS00955A-page 4                                                                       © 2005 Microchip Technology Inc.
AN955
FIGURE 5:                  TYPICAL VSI SWITCHING WAVEFORMS IN SECTOR 1
                      TS                            TS                              TS                               TS


      T0/2      TA          TB   T7/2   T7/2   TB        TA      T0/2   T0/2   TA          TB     T7/2   T7/2   TB        TA   T0/2



 Q1


 Q0



 Q3


 Q2



 Q5


 Q4


                                                              Axes of Symmetry



We can observe the different axes of symmetry in all                     By solving Equation 2, Equation 5 and Equation 7, we
the waveforms as shown in Figure 5. These symme-                         get:
tries are mainly responsible for having lower THD in
SVM compared to Sine PWM in the linear operating                         EQUATION 8:
region.
                                                                                         Maximum Line-to-Line Voltage
From Figure 3, it is clear that in the linear operating
                                                                                                2
region, the maximum line-to-line voltage amplitude can                                     =       × mmax × VDC
be achieved when VS is rotated along the largest                                                √3
inscribed circle in the space vector hexagon. In                                                2    √3
                                                                                           =       ×    × VDC = VDC
mathematical terms, this is equivalent to:                                                      √3    2

EQUATION 6:                                                              Equation 8 shows that it is possible to get line-to-line
                                                                         voltage amplitude as high as VDC using the SVM algo-
                 Radius of Largest Inscribed Circle                      rithm in the linear operating range. This is the main
       mmax =
                               VDC                                       advantage of the SVM algorithm when compared to the
                                                                         Sine PWM algorithm. Due to higher line-to-line voltage
                                                                         amplitude, the torque generated by the motor is higher.
From Figure 4 and Equation 6, it is also clear that:
                                                                         This results in better dynamic response of the motor.
EQUATION 7:

                       VDC × cosπ/6            √3
             mmax =                 = cosπ/6 =
                          VDC                   2




© 2005 Microchip Technology Inc.                                                                                     DS00955A-page 5
AN955
The reason for the higher line-to-line voltage in SVM       harmonic component superimposed on the funda-
can be explained with the help of Figure 6. It shows the    mental component. The addition of this harmonic
phase voltage (line-to-virtual neutral point) generated     component is due to the effective usage of inactive
by Sine PWM and SVM. For clarity, only two phase            states which is not possible in the Sine PWM. With
voltages (RO and YO) and their resultant line-to-line       120° phase shift between them, the third harmonic
voltage (RY) are shown in each figure.                      component is cancelled out in the resultant line-to-line
The Sine PWM generated phase voltages are sine              voltage in such a way that the resultant line-to-line
waves. With 120° phase shift between them, the result-      voltage is boosted to VDC (100%). Thus, SVM
ant line-to-line voltage is approximately 86.6% of VDC.     generates line-to-line voltage with higher amplitude
But, the SVM generated phase voltages have a third          (about 15% more) compared to Sine PWM.


FIGURE 6:           GENERATED PHASE VOLTAGES AND CORRESPONDING LINE-TO-LINE
                    VOLTAGE IN (A) SINE PWM AND (B) SVM




                                             A) Sine PWM Generated Waveforms




                                         B) SVM Generated Waveforms




DS00955A-page 6                                                                     © 2005 Microchip Technology Inc.
AN955
Advantages of SVM                                      HARDWARE USED FOR SVM
The advantages of SVM vis-a-vis Sine PWM are as        IMPLEMENTATION
follows:                                               A PICDEM™ MC Development Board is used to
• Line-to-line voltage amplitude can be as high as     develop and test the SVM control firmware. The
  VDC. Thus, 100% VDC utilization is possible in the   PICDEM MC has a single-phase diode bridge rectifier,
  linear operating region.                             converting AC input to DC and a power capacitor bank
• In the linear operating range, modulation index      that keeps the DC bus stable. A 3-phase IGBT-based
  range is 0.0 to 1.0 in the Sine PWM; whereas in      inverter bridge is used to control the output voltage
  the SVM, it is 0 to 0.866. Line-to-line voltage      from the DC bus. See Appendix A: “PICDEM™ MC
  amplitude is 15% more in the SVM with the            Board Technical Information” for schematics of the
  modulation index = 0.866, compared to the Sine       PICDEM™ MC Development Board.
  PWM with the modulation index = 1. Hence, it has     The control circuit and power circuits are optically
  the better usage of the modulation index depth.      isolated with respect to each other. An on-board flyback
• With the increased output voltage, the user can      power supply generates +5 VD, with respect to the dig-
  design the motor control system with reduced         ital ground used for powering up the control circuit,
  current rating, keeping the horsepower rating the    including the PICmicro® device. The +5 VA and +15 VA
  same. The reduced current helps to reduce            are generated with respect to the power ground
  inherent conduction loss of the VSI.                 (negative of DC bus). The feedback interface circuit is
• Only one reference space vector is controlled to     powered by the +5 VA, while the +15 VA supplies
  generate 3-phase sine waves.                         power to the IGBT drivers located inside the Integrated
• Implementation of the switching rules gives less     Power Module (IPM).
  THD and less switching loss.                         With optical isolation between the power and the control
• Flexibility to select inactive states and their      circuits, the programming and debugging tools can be
  distribution in switching time periods gives two     plugged into the development board when main power
  degrees of freedom.                                  is connected to the board. The board communicates
• As the reference space vector is a                   with a host PC over a serial port configured with an on-
  two-dimensional quantity, it is feasible to          chip Enhanced USART (EUSART). The on-board user
  implement more advanced vector control using         interface has two toggle switches, a potentiometer and
  SVM.                                                 four LEDs for indication.
                                                       In this application note, switch SW1 is used to toggle
                                                       between the motor Run and Stop and SW2 is used to
                                                       toggle the motor rotation direction. A potentiometer is
                                                       used to set the speed reference as well as the modula-
                                                       tion index. The LEDs are used for indication of different
                                                       states of control.




© 2005 Microchip Technology Inc.                                                              DS00955A-page 7
AN955
DIGITAL IMPLEMENTATION                                              Looking at the definition of DEGREE_CONSTANT, one will
                                                                    notice that its value, without any multiplication factor, will
To implement the SVM in the digital domain, the power               result in a fractional number less than unity for
control PWM module of the PIC18FXX31 is utilized.                   FPWM > 1.536 kHz. Almost all motor control applications
The module provides up to 8 PWM output channels                     have FPWM much higher than 1.536 kHz. Handling a
with the dedicated PWM timer as its time base. The                  fractional number with any 8-bit microcontroller will
module has the capability to generate center aligned                require more CPU processing time. This requirement is
PWM with 14-bit resolution. This is the most important              difficult to meet in the SVM implementation, where VS is
feature required for the SVM implementation.                        updated at every TPWM (= 1/FPWM) time interval. At the
VS needs to be created and rotated in space for SVM                 same time, the multiplication factor value needs to be
implementation. To approximate the position of VS,                  such that its post-calculation adjustment requires the
Equation 3, Equation 5 and the previously mentioned                 least possible microcontroller processing time.
switching rules are utilized. Looking at Equation 5, one            It is proposed that the multiplication factor be 256. This
will notice that in the same sector, TA and TB are                  will result in a 16-bit value for the vector update step
inverted with respect to each other. Hence, only one                size and hence, 16-bit vector angle pointer
look-up table with time entries is needed. A look-up                (VECTOR_ANGLE<MSB:LSB>). As an adjustment for
table with TB entries (TABLE_TB_COUNT<MSB:LSB>)                     the multiplication factor, VECTOR_ANGLE_LSB is
is created. The size of the look-up table is decided by             discarded. VECTOR_ANGLE_MSB is used as the table
the angle resolution used. The total sector angle is 60°            pointer for reading the value of TA and TB from the look-
(π/3 radians). To get a good resolution with an 8-bit               up table. Whenever a carry is generated due to the
microcontroller like the PIC18FXX31, the entire sector              Equation 9 addition, it physically means that the VS has
is divided into 256 points, giving an angle resolution of           advanced to the next sector and hence, the sector
0.234°. The center aligned PWM is used for better THD               count (SECTOR_NO) is incremented by one. The motor
(FPWM = 1/2 * TS).                                                  voltage is decided by the amplitude of VS (modulation
The required motor speed in Hz is decided by the rate               index m). To implement the same digitally, values of TA
at which the VS is rotated. For this purpose, it is                 and TB are multiplied by m. Based on TS, TA and TB, the
necessary to find both the vector angle and the vector              duty cycle values for all 3 phases (R, Y and B) are
update step size. To speed up the online calculations,              calculated as shown in Table 2.
the constant, DEGREE_CONSTANT, is defined; this is                  Equations shown in Table 2 for Sector 1 are evident in
then used to calculate the vector update step size and              Figure 5. Similarly, equations for other sectors are
the vector angle as shown in Equation 9.                            derived with the switching rule constraints.

EQUATION 9:

                                                            360 × 256 × Multiplication Factor
                              DEGREE_CONSTANT =
                                                                      60 × FPWM

                      Vector Update Step Size = DEGREE_CONSTANT × Required Motor Speed (Hz)

                                  Vector Angle = Vector Angle + Vector Update Step Size




TABLE 2:          DUTY CYCLE VALUES FOR THE THREE MOTOR PHASES BASED ON VS LOCATION
         Sector No.                Phase R Duty Cycle               Phase Y Duty Cycle               Phase B Duty Cycle
              1                             T0/2                           T0/2 + TA                        TS – T0/2
              2                          T0/2 + TB                            T0/2                          TS – T0/2
              3                          TS – T0/2                            T0/2                          T0/2 + TA
              4                          TS – T0/2                         T0/2 + TB                           T0/2
              5                          T0/2 + TA                         TS – T0/2                           T0/2
              6                             T0/2                           TS – T0/2                        T0/2 + TB




DS00955A-page 8                                                                                 © 2005 Microchip Technology Inc.
AN955
SVM CONTROL FIRMWARE                                        a preprogrammed count (MAX_TEMP_FILT_COUNT),
                                                            then the motor is stopped and the overtemperature
The firmware is developed using PIC18F4431 and it           Fault is indicated by the blinking LED3.
implements the VF control using the SVM algorithm.
                                                            Whenever the motor is stopped due to any of the above
Apart from the basic SVM control, the firmware incor-
                                                            mentioned Faults, it can be restarted by removing the
porates various control and protection routines, such
                                                            Fault condition and then by pressing either SW1 or
as overcurrent protection, overvoltage protection, over-
                                                            SW2.
temperature protection, acceleration and deceleration
routine and rotation direction reversal.
                                                            Acceleration and Deceleration
To implement the VF control, an analog potentiometer
(R44) connected to RA1/AN1 is read. Using the               The RAMP_SPEED routine is called every 1 second to
CONVERT_MANUAL_COUNT_TO_HZ routine, the potenti-            implement the acceleration and deceleration feature.
ometer setting is converted to the required motor speed     Both the acceleration and deceleration rates are user-
in Hz. The potentiometer setting is also interpreted as     selectable and are given in the form of Hz/s.The
the modulation index, m. To get the required motor          acceleration and deceleration features are active only
speed, the vector update step size is calculated by         when the motor is in run condition.
calling the CALCULATE_UPDATE_STEP_SIZE routine.
As described in the previous section, TA and TB values
                                                            SOURCE CODE FILES
are scaled with m.
All protection routines (overcurrent, overvoltage and       The entire source code can be downloaded from
overtemperature) are checked at a fixed time interval       Microchip’s web site, www.microchip.com. It includes
(presently, 5 ms set by overflow rate of the Timer1).       the following files:
The acceleration and deceleration routine is called at      • ...SVMACSVM_OL.asm
one-second intervals.
                                                              This file is located in the source code folder (Main
                                                              Routine section).
Overcurrent Protection
                                                            • ...SVMACSVM_OL_routines.asm
A shunt resistor (R110) in the negative DC bus gives a        This file is located in the source code folder (Control
voltage corresponding to the current flowing into the         Routine section).
motor winding. This voltage is amplified and compared
with a reference. The current comparison setting allows     • ...SVMTIME_TABLE.asm
a current up to 6.3A. If the current exceeds 6.3A, the        This file is located in the source code folder (Look-up
FAULTA pin goes low, indicating the overcurrent Fault.        Table for TB).
The firmware is configured in the Cycle-by-Cycle Fault
                                                            • ...SVMInterfaceACSVMConstant.inc
mode. When the Fault persists for more than a pre-
programmed count (MAX_FLTA_COUNT) in the fixed                This file is located in the source code folder (System
time interval, then the motor is stopped and the Fault is     Parameters and User-Defined Constants section).
indicated by the blinking LED1.                             • ...SVMInterfaceACSVMVar.inc
                                                              This file is located in the source code folder
Overvoltage Protection                                        (User-Defined Variable section).
The DC bus voltage is attenuated using potential divid-     An Excel file (PARAMETERS.xls) is included in the
ers and compared with a fixed reference. If the jumper      source code folder which has two worksheets. The
JP5 is open, the reference is set for 200V on the DC        TB_TABLE worksheet calculates TB entries based on
bus. If jumper JP5 is shorted, the reference is set for     the main oscillator frequency (FOSC), FPWM, the
400V. The FAULTB pin is used to monitor the over-           required dead time, etc. The LIST worksheet creates a
voltage Fault. If the overvoltage Fault persists for more   table to be stored in the data EEPROM of the
than a preprogrammed count (MAX_FLTB_COUNT) in              PIC18FXX31 device. This table contains all user-
the fixed time interval, then the motor is stopped and      selectable compile-time parameters, such as the motor
the Fault is indicated by the blinking LED2.                rated speed in Hz, FPWM in kHz, the required dead time
                                                            in μs, etc. The user should make sure that the table is
Overtemperature Protection                                  entered in the ACSVM_OL.asm file as shown in the
                                                            worksheet.
The power module has an NTC thermal sensor, output-
ting 3.3V at 110°C on the junction of IGBTs. The NTC        An overview of the firmware’s logic flow is provided in
output is connected to AN8 through an optocoupler.          Figure 7 and Figure 8. A complete list of system
The temperature is continuously measured and if it          parameters and user-defined functions is provided in
exceeds 110°C (MAX_JUNCTION_TEMP) for more than             Table 3 through Table 5.




© 2005 Microchip Technology Inc.                                                                   DS00955A-page 9
AN955
FIGURE 7:          SVM IMPLEMENTATION FLOWCHART (MAIN ROUTINE)




                    Main Routine



                                                         START

                                             Motor Parameters and On-Chip
                                                Peripherals Initialization


                                             Blink all LEDs at a Rate Set by
                                                    the Potentiometer



                                     No               Is SW1/SW2
                                                        pressed?

                                                              Yes
                                             Configure PCPWM Module and
                                              Set Default Rotation Direction


                                                   Call KEY_CHECK to
                                                 Determine Pressed Key


                                             Call PROCESS_KEY_PRESSED
                                              to Act on the Pressed Key


                                                       Has TMR1                  No
                                                       overflowed?

                                                               Yes
                                             Call FAULT_CHECK to Check for
                                            Fault and Display the same, if any


                        Call CONVERT_MANUAL_COUNT_TO_HZ to Convert the Potentiometer
                      Setting to the Required Motor Speed in Hz and to Set the Modulation Index



                                       No              Is 1 sec time
                                                      interval over?

                                                               Yes
                                            Call RAMP_SPEED to Accelerate/
                                                  Decelerate the Motor


                                  Call CALCULATE_UPDATE_STEP_SIZE to Find
                                 Vector Update Step Size based on the Motor Speed




DS00955A-page 10                                                                         © 2005 Microchip Technology Inc.
AN955
FIGURE 8:           SVM IMPLEMENTATION FLOWCHART (INTERRUPT SERVICE ROUTINES)
                            High Priority Interrupt Service Routine

                                                        ISR_HIGH


                                                                             No
                                                       Is PTIF = 1?

                                                           Yes
                               Vector Angle = Vector Angle + Vector Update Step Size


                                       No                Is carry
                                                        generated?

                                                                Yes
                                             Increment Sector Number by 1



                                                         Is Sector                No
                                                        Number > 5?

                                                                Yes
                                                  Reset Sector Number to 0


                                                Calculate TA, TB, T0/2 and
                                            (TS – T0/2) using the Vector Angle

                                                   Load PWM Duty Cycle
                                                  Registers as per Table 2

                                                          RETFIE



                           Low Priority Interrupt Service Routine

                                                            ISR_LOW


                                             No             Is ADIF = 1?

                                                                Yes
                                      Read Phase Currents, IGBT Junction Temperature
                                      and the Potentiometer Setting for the Motor Speed


                                                          Is TMR1IF = 1?               No

                                                                      Yes
                                             Reload TMR1 for 5 msec Overflow Rate

                                   Increment RAMP_COUNT by 1 (used for giving 1 sec time
                                         interval for acceleration/deceleration feature)


                                            Yes                Is
                                                         SW1/SW2 pressed
                                                            any time?
                                                                     No
                                                            Toggle LEDs

                                                              RETFIE




© 2005 Microchip Technology Inc.                                                            DS00955A-page 11
AN955
TABLE 3:      USER-DEFINED PARAMETERS IN SVM FIRMWARE
              Name                                              Description
CHANGE_OVER_DELAY             Defines rotation direction changeover for the motor. Its value equals the
                              required changeover time in ms per 39 ms.
DIRECTION_AT_POR              Defines default rotation direction at start (1 = Forward, 0 = Reverse).
CYCLE_COUNT_MAX               Defines blinking rate for Fault indication. Its value equals the required blink
                              time interval in ms per 5 ms.
MAX_FAULT_CHECK_COUNT         Defines time window for Fault recognition. If any Fault occurs for more than
                              predefined count in this time window, then the Fault is recognized and
                              appropriate action is taken.
MAX_FLTA_COUNT                Defines count for overcurrent Fault recognition.
MAX_FLTB_COUNT                Defines count for overvoltage Fault recognition.
MAX_JUNCTION_TEMP             Defines limit for overtemperature Fault.
MAX_TEMP_FILT_COUNT           Defines count for overtemperature Fault recognition.
TMR1L_COUNT and TMR1H_COUNT   Defines overflow rate for Timer1. In the present application, it is set for 5 ms.
PARAMETER_BUFFER_SIZE         Defines array size for storing various compile-time parameters as well as
                              run-time parameters. It is set at 0x35 (do not change this value).




TABLE 4:      VARIABLES IN SVM FIRMWARE
               Name                                               Description
REQD_SPEED_REF                  Stores required motor speed set by the potentiometer.
SET_SPEED_HZ                    Stores actual motor speed (Hz).
RAMP_COUNT                      Stores count for Timer1 overflow. It is used for generating 1s time interval as
                                required for acceleration/deceleration feature.
CURRENT_R                       Stores either total DC bus current (when used with DC shunt current
                                measurement) or R phase current (when used with phase current sensor).
CURRENT_Y                       Stores Y phase current (when used with phase current sensor).
CURRENT_B                       Stores B phase current (when used with phase current sensor).
JUNCTION_TEMPH                  Stores junction temperature of the VSI switch.
SECTOR_NO                       Stores present sector location of VS.
MODULATION_INDEX                Stores required amplitude of VS.
VECTOR_ANGLE<MSB:LSB>           Stores present vector angle of VS in a sector.
TB_COUNT<MSB:LSB>               Stores TB count as pointed by the vector angle.
TA_COUNT<MSB:LSB>               Stores TA count as pointed by the vector angle.
HALF_T0_COUNT<MSB:LSB>          Stores T0/2 count.
TS_MINUS_HALF_T0<MSB:LSB>       Stores TS – T0/2 count.
TABLE_TB_COUNT<MSB:LSB>         Stores array base address for TB count.
PARAMETER_BUFFER                Stores array base address for compile-time and run-time parameters.




DS00955A-page 12                                                                 © 2005 Microchip Technology Inc.
AN955
TABLE 5:         FUNCTIONS IN SVM FIRMWARE
                 Name                                              Description
KEY_CHECK                          Checks the status of Run/Stop (SW1) and Fwd/Rev (SW2) keys.
PROCESS_KEY_PRESSED                Acts on command issued by the last pressed key.
FAULT_CHECK                        Checks for various Faults (overcurrent, overvoltage, overtemperature) and
                                   acts if any Fault is recognized.
CONVERT_MANUAL_COUNT_TO_HZ         Converts the potentiometer setting into the required motor speed (Hz) and
                                   sets the modulation index (m).
RAMP_SPEED                         Implements the acceleration/deceleration feature.
CALCULATE_UPDATE_STEP_SIZE         Calculates new vector update step size depending on the motor speed.
ISR_PWM                            Responds to setting of PTIF. This routine rotates by vector angle update step
                                   size and calculates new duty cycle values for all phases (R, Y and B).
ISR_ADC                            Responds to setting of ADIF. This routine reads the potentiometer setting,
                                   phase currents and junction temperature of the VSI switch and stores them
                                   at appropriate locations.
ISR_TMR1                           Responds to setting of TMR1IF. This routine reloads Timer1 for 5 ms
                                   overflow rate and increments RAMP_COUNT by 1 for generating a
                                   one-second interval (required for the acceleration/deceleration feature). This
                                   routine also blinks all LEDs at start when no key is pressed.




© 2005 Microchip Technology Inc.                                                               DS00955A-page 13
AN955
RESOURCE USAGE                                              CONCLUSION
The SVM control application consumes CPU                    VF control using the SVM in the open loop is more
resources, as shown in Table 6. Substantial CPU             energy efficient compared to the Sine PWM. With an
resources, especially memory and processing time,           on-chip dedicated motor control peripheral like the
are still available to users for the development of their   power control PWM module and the rich instruction set,
own applications.                                           the PIC18FXX31 is well suited to give a low-cost
                                                            solution, implementing the VF control using the SVM
TABLE 6:         RESOURCES USED IN THE                      algorithm for the 3-phase AC induction motor control. In
                 MOTOR CONTROL DEMO                         addition, the on-chip resources, such as the ADC and
                 BOARD (USING PIC18F4431)                   the multiple timers, allow users to implement other con-
                                                            trol (acceleration and deceleration) and protection
                                    Available to User       (overcurrent, overvoltage, overtemperature) features.
  Resource Type          Used       when PIC18F4431
                                         is Used
                                                            REFERENCES
Program Memory        1942 bytes        14442 bytes
                                                            R. Parekh, AN887, “AC Induction Motor Fundamentals”
Data Memory             93 bytes         675 bytes
                                                            (DS00887). Microchip Technology Inc., 2003.
EEPROM                  44 bytes         212 bytes
                                                            P. Yedamale, AN843, “Speed Control of 3-Phase
PWM Channels                6                2              Induction Motor Using PIC18 Microcontrollers”
CCP/Fault Input             2                0              (DS00843). Microchip Technology Inc., 2002.
Channels                                                    R. Parekh, AN889, “VF Control of 3-Phase Induction
ADC Channels                5                4              Motors    Using     PIC16F7X7      Microcontrollers”
EUSART                      0                1              (DS00889). Microchip Technology Inc., 2004.
QEI Module                  0                1              “PICDEM™ MC Development Board for PIC18FXX31
Timers                      1                3              User’s Guide” (DS51453). Microchip Technology Inc.,
                                                            2004.
External Interrupts         0                3
I/O Lines                  20                16
CPU Processing           ~27%              ~63%
Time
(FPWM = 20 kHz,
FOSC = 40 MHz)
Resource utilization, as mentioned in Table 6, is for a
general purpose, relocatable code implementing the
VF control using the SVM algorithm on PIC18F4431
with 14-bit PWM resolution. A customized solution with
only 8-bit PWM resolution can conceivably result in an
additional 10% savings in CPU processing time.




DS00955A-page 14                                                                    © 2005 Microchip Technology Inc.
AN955
APPENDIX A:            PICDEM™ MC BOARD TECHNICAL INFORMATION

FIGURE A-1:       PICDEM™ MC DEVELOPMENT BOARD FUNCTIONAL BLOCK DIAGRAM


                                                                             ICD
                                                                           Connector
                  Potentiometer
                                                           RS-232           RS-232
                    User                                  Interface        Connector
                 Push Buttons                                              Hall Sensor
                                            PIC18FXX31                                           Isolated
                                                                           Connector             Control
                    LEDs                                                                         Section
                                                                          Quad Encoder
                                                                           Connector

                                                                           Comparator


                                    PCPWM


                                                              Voltage
                                                              Monitor
                                                              Current     Phase Current
                                                              Monitor       Monitors
                                        Optoisolators
                                                            Temperature
                                                              Monitor
                                                             Back EMF
                                                            Conditioner
                                     PCPWM
                                                                                              Motor
                                                                                          Terminal Block

                                        IRAMS10UP60A

                                       Gate Driver and
                                       3-Phase Inverter



             Power Terminal Block                  VBUS                           +5 VDC
                        DC                                     Power              +5 VAC
                                                              Switcher            +15 VAC
                                                                                  D GND
                                                                                  A GND


                        AC                    Bridge
                                             Rectifier




© 2005 Microchip Technology Inc.                                                                     DS00955A-page 15
+5 VD                    MCLR                                             +5 VD

                                                                                                                                         R40 470
                                                                        RESET             R41                                C25                        C26                                                                                                           +5 VA
                                                                             S2          10K                                                                                                                              R30
                                                                                                                            0.1 μF                     0.1 μF
                                                                                                                                                                                                                                                                                                                     FIGURE A-2:



                                                                       4           1                                                                                                                         PWM4                       PWM5
                                                                                                          R42                                                                                                             300
                                                                                                                                                                                                                                                                                                                                                  AN955



                                                                       3           2                                                           U3                                           JP3




DS00955A-page 16
                                                                                                                                                                                                  1                                                                      C22
                                                                                                             2K         1                                          40                                                                    U5              R28             0.1 μF
                                                                                  C27                                       MCLR/VPP                   RB7/PGD                       RB7          2
                                                                                                                        2                                          39                                                           1 AN1                8   1K     R29
                                                                                                        CF1                 RA0/AN0                    RB6/PGC                    RB6             3                                            VCC              1K
                                                                                                                        3                                          38                                                           2 CA1                7
                                                                                  0.1 μF VREF                               RA1/AN1                  RB5/PWM4                                                                                  V01                            HIN3
                                                                                                                        4                                          37                                                           3 CA2                6
                                                                                                       INDX                 RA2/AN2/VREF-            RB4/PWM5                     PWM5                                                         V02                            LIN3
                                                                                                                        5                                         36                                                            4 AN2                5
                                                                                                        QEA                 RA3/AN3/VREF+            RB3/PWM3                     PWM3                          R34                            GND
                                                                                          +5 VD                         6                                         35
                                                                                                        QEB                 RA4/CAP3                 RB2/PWM2                     PWM2                          300
                                                                                                                        7                                         34                                                                TLP2630/
                                                                                                        RA5                 RA5/AN5/LVDIN            RB1/PWM1                     PWM1                                              SFH6326
                                                                                        R44                             8                                         33
                                                      +5 VD                                             CF2                 RE0/AN6                  RB0/PWM0                     PWM0
                                                                                        2K                              9                                         32
                                                                                                        CF3                 RE1/AN7                        VDD
                                   SW2 (FWD/REV)                                                                       10                                         31
                                                                                                        RE2                 RE2/AN8                        VSS                                                                     PWM2                           +5 VA
                                                                                                                       11                                         30              SW2                                  R33 300
                                                    R98                                                                     VDD                      RD7/PWM7
                                                                                        R43                            12                                         29
                                                    4.7K                                                                    VSS                      RD6/PWM6                        SW1                                           PWM3
                                          S4                                            100
                                                                                                                       13                                         28                                                   R35 300
                                                               R97                                     OSC1                 OSC1/CLKI/RA7                  RD5
                                      4        1                                                                                                                                                                                                                         C23
                                                                        SW2                                            14                                         27                                                                                     R31
                                                                                                       OSC2                 OSC2/CLKO/RA6             RD4/FLTA                    RD4                                                    U7                              0.1 μF
                                      3        2               4.7K                                                    15                                         26                                                                                     1K




                                                                                                                                                                                                       RD5
                                                                                                        RC0                 RC0/T1OSO/T1CKI          RC7/RX/DT                       RX                                         1 AN1                8
                                                                                                                                                                                                                                                                R32
                                                                                                                       16                                         25                                                                           VCC              1K
                                                                                                        RC1                 RC1/T1OSI/CCP2 RC6/TX/CK/SS                           TX                                            2 CA1                7
                                                                                                                       17                                         24                                                                           V01                            HIN2
                                                                                                      FAULTB                RC2/CCP1                   RC5/INT2                   INT2                                          3 CA2                6
                                                                                                                       18                                         23                                                                           V02                            LIN2
                                                                                                        INT0                RC3/INT0                   RC4/INT1                   INT1                                          4 AN2                5
                                                                                                                       19                                         22                                                                           GND
                                                                                                        RD0                 RD0/T0CKI/GPCKI RD3/SCK/SCL                              RD3
                                                                                                                       20                                         21                                                                TLP2630/
                                                                                                        RD1                 RD1/SDO                 RD2/SDI/SDA                   RD2
                                                     +5 VD                                                                                                                                                                          SFH6326
                                                                                                                                     PIC18F4431                                                                                    PWM0                           +5 VA
                                   SW1 (ON/OFF)                                                                                                                                                                        R38 300
                                                   R95
                                                                                                                                                                                                                                   PWM1
                                                   4.7K                                                                                                                                                                R39 300                           R36
                                          S3                                                                                                                                                                                                                              C24
                                                                                                                                                                                                                                         U8              1K
                                      4        1              R96                                                                                                                                                                                                         0.1 μF
                                                                       SW1                                                                                                                                                      1 AN1                8    R37
                                      3        2              4.7K                                                                                                                                                                             VCC        1K
                                                                                                                                                                                                                                2 CA1                7
                                                                                                                                                                                                                                               V01                            HIN1
                                                                                                                                                                                                                                3 CA2                6
                                                                                                                                                                                                                                               V02                            LIN1
                                                                                                                                                                                                                                4 AN2                5
                                                                                                                                                                                                                                               GND

                                                                                                                                                                                                                                    TLP2630/
                                                                                                                                                                                                                                    SFH6326

                                                                                                         +5 VD
                                                                                                                              +5 VD       C17
                                                                                                                                                                                                                         +5 VD
                                                                                                                                                                R24             RC1
                                                                                                                                         0.1 μF
                                                                                                                                                                1M                    JP1
                                                                                                      R25               2                                                        1
                                                                                                                                     8     U4:A                                                               C21       C18
                                                                                         R27          2.8K
                                                                                                                                           1                                     2
                                                                                                                                                                                                                                                                                     ISOLATORS, CURRENT COMPARATOR AND ASSOCIATED PARTS)




                                                                      FAULTC                                                                                                                          220 μF 25V      0.1 μF
                                                                                         4.7K                           3              MCP6002 8-DIP                             3
                                                                                                                                     4                            C53
                                                                                   C19          C52
                                                                                                                      C54                                         33 pF     RD4
                                                                                   0.1 μF 33 pF                R26    33 pF
                                                                                                                                                                                                                                                                                     BOARD SCHEMATIC, PART 1 (PIC18F4X31 MICROCONTROLLER, PCPWM




                                                                                                               4.7K




© 2005 Microchip Technology Inc.
+5 VD                                               +5 VD


                                                                                                                                                                                                         C45
                                                                                                                                             C44                       U18                               1 μF
                                                  +5 VD                                                                                      1 μF
                                                                                                                                                                                                                                                                                               FIGURE A-3:




                                                                                                                                                          2                       VCC    16
                                                                                                                                                              V+

                                                                                                                                                                                                                                    PIN1
                                                                                     U19                                                                                                                                          1  PIN6
                                                                                                                                                         11                              14                                                     6
                                                                                                                                TX                            T1IN                                                                  PIN2
                                                                                  PIC18F2431                                                                                                                                      2  PIN7
                                                                                                                                                         10                               7                                                     7
                                                                                                                                                              T2IN                                                                  PIN3
                                                                        1                              28                                                                                                                         3 PIN8
                                     INDX                 MCLR              MCLR/RE3             RB7         RB7                                                                                                                                8
                                                                                                                                                                                                                                    PIN4
                                                                        2                              27                                                                                                                         4 PIN9
                                                           CF1              RA0/AN0              RB6         RB6                                         12                              13                                                     9
                                   JP9                                                                                          RX                            A1OUT              A1IN                                               PIN5




© 2005 Microchip Technology Inc.
                                          1                             3                              26                                                                                                                         5
                                                          VREF              RA1/AN1             PWM4         PWM4                                         9                               8
                                                                                                                                                              A1OUT              A2IN                                                     J14
                                          2                             4                              25
                                                                            RA2/VREF-           PWM5         PWM5
                                          3                             5                              24
                                                           QEA              RA3/VREF+           PWM3         PWM3                                         1                               4
                                                                                                                                                              C1+                C2+
                                                                        6                              23                        C46                                                                        C43
                                                           QEB              RA4/AN4             PWM2         PWM2
                                      CF3                                                                                        1 μF                                                                       1 μF
                                                                        7                              22                                                                                                                        R107
                                                                            VDD                 PWM1         PWM1                                         3                               5
                                                                                                                                                              C1-                 C2-                                            10 ohm
                                                                        8                              21
                                                                            VSS                 PWM0         PWM0
                                                                        9                              20
                                                          OSC1              OSC1/RA7             VDD                                                      6                              15
                                                                                                                         JP5                                  V-                 GND
                                                          OSC2         10                              19                       SW2               C47
                                                                            OSC2/RA6             VSS
                                                                                                                                                  1 μF
                                                                       11                              18
                                                           RC0              RC0                  RC7         RX
                                                                       12                              17                                                      MAX232 16-DIP
                                                           RC1              RC1/CCP2             RC6         TX
                                                      FAULTB           13                              16
                                                                            RC2/CCP1        RC5/INT2                            SW1
                                                                       14                              15                JP6
                                                           INT0             RC3             RC4/INT1        INT2
                                                                                                            INT1



                                                                                                                    OPTIONAL                                                              +5 VD                          +5 VD
                                                                                                                                                                                                            R106

                                                                                                                                          +5 VD                                                                 50

                                                                                                                                                                                       R100                                  D22
                                                                                                                                                                                                        D21                  1N4007
                                                                                                                                                                                       100K             1N4007

                                                                                                                                       R99
                                                                                                                                      100K
                                                                                                                                                                                 RD0
                                   OSC2
                                                                                                                                                                                                                            R101
                                                                                                                                                                           U17                    D24           C42         1K
                                                                  Y1                                                                                                                              39V           0.1 μF
                                   OSC1                                                                                                                            1 RXD FAULT/SLPS 8
                                                                                                                        +5 VD    RX                                                                                                                     J13
                                                                                                                                                                   2 CS/WAKE     VBAT 7                                                             1
                                                   HC – 49US                                                                    RD1
                                           C48                                          C49                                                                        3 VDD                                                                            2
                                                                                                                                                                                  LIN 6
                                          33 pF                                         33 pF
                                                                                                                                                                   4 TXD          VSS 5                                                             3
                                                                                                                                     TX
                                                                                                                                                                                                                     D23
                                                                                                                     C41                                                                                             27V
                                                                                                                    0.1 μF                                             MCP201
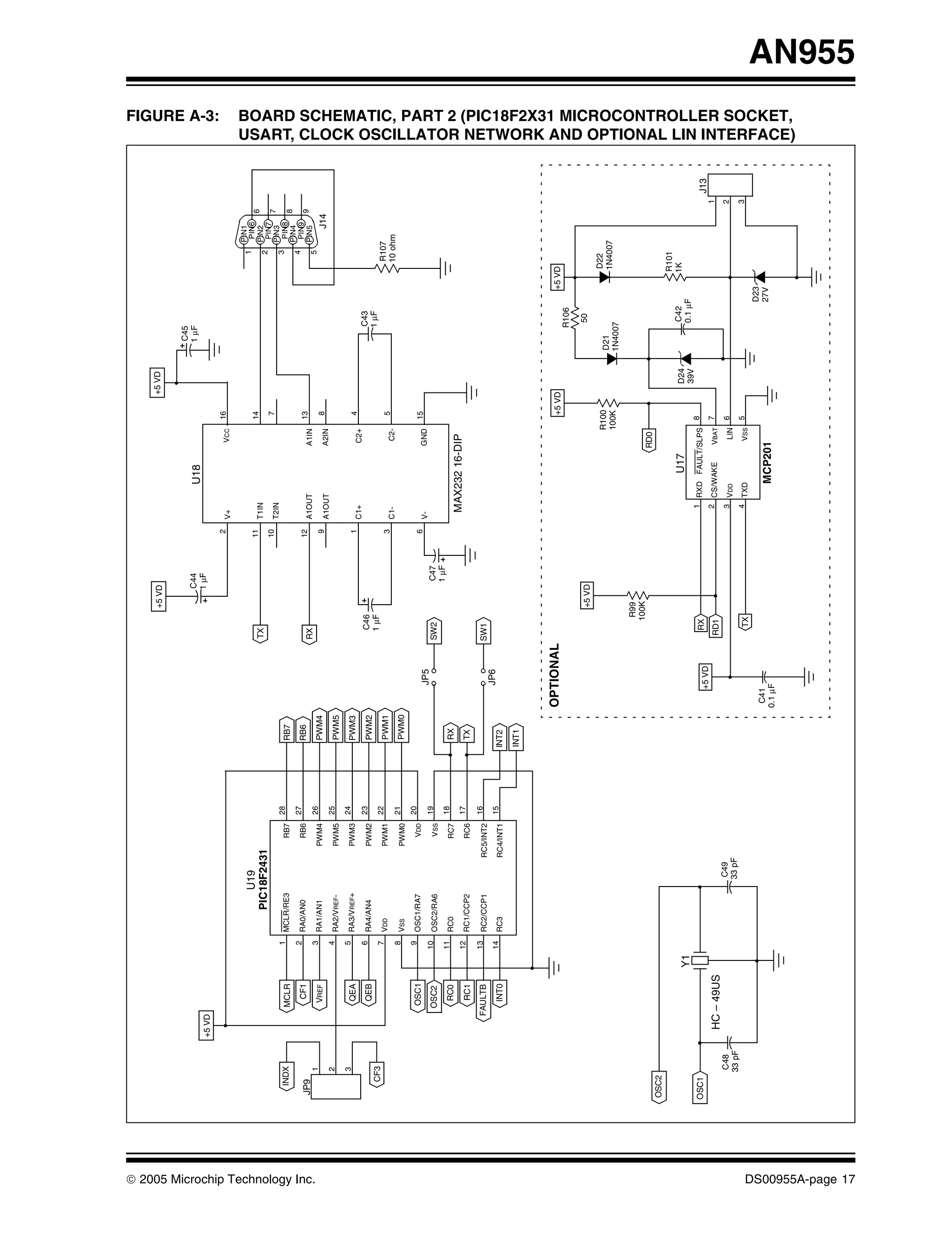
                                                                                                                                                                                                                                                              BOARD SCHEMATIC, PART 2 (PIC18F2X31 MICROCONTROLLER SOCKET,
                                                                                                                                                                                                                                                              USART, CLOCK OSCILLATOR NETWORK AND OPTIONAL LIN INTERFACE)




DS00955A-page 17
                                                                                                                                                                                                                                                                                                                            AN955
FIGURE A-4:
                                                                                                                                                                                                                                                                                        AN955




DS00955A-page 18
                                                                                        +5 VD
                                   J8                                      J7                                  J9                                     J10                J11                       J12
                                        1                                                                             1                                     1                  1                         1
                                                            CF1                 ICD 1                                                   PWM0                    RC0                       RD2                  CF2
                                        2                                                     MCLR                    2                                     2                  2                         2
                                                            VREF                2                                                       PWM1                    RC1                       RD3                  CF3
                                        3                                                                             3                                     3                  3                         3
                                                            INDX                3                                                       PWM2                    FAULTB                    INT1                 RE2
                                        4                                                                             4                                     4                  4
                                                            QEA                 4                                                       PWM3                    INT0                      INT2
                                        5                                                     RB7                     5                                     5                  5
                                                            QEB                 5                                                       PWM5                    RD0                       TX
                                        6                                                     RB6                     6                                     6                  6
                                                            RA5                 6                                                       PWM4                    RD1                       RX
                                                                                                                      7                                                        7
                                                                                                                                        RB6                                               RD4
                                                                                                                      8                                                        8
                                                                                                                                        RB7                                               RD5
                                                                                                                                                                               9
                                                                                                                                                                                          SW1
                                                                                                                                                                               10
                                                                                                                                                                                          SW2
                                                                                                                                                                                                                           CONNECTORS, MONITOR LEDS)




                                            +5 VD     +5 VD
                                                                                                    +5 VD +5 VD
                                                                                                                                                                                                         D17
                                   J2                                                    J3                                                                                                 R102
                                        1                   R15                                 1              R21               R18    1K                                          RD0
                                                            10K                                                10K                             INDX                                          470
                                        2                                                       2
                                        3                                                       3                                R19    1K                                                               D18
                                                                         INT0                                                                  QEA                                          R103
                                        4                                                       4                                                                                   RD1
                                                                         INT1
                                        5                                                       5                                 R20    1K                                                  470                     JP4
                                                                         INT2                                                                  QEB
                                                                   R17                                                                                                                                   D19




                                                                                                                           10K
                                                                                                                                                                                            R104




                                                                                                                     R23
                                                       R16         10K                                   R22                                                                        RD2
                                                       10K                                               10K                                                                                 470
                                                              +5 VD                                                  +5 VD                                                                               D20
                                                    +5 VD                                                  +5 VD                                                                            R105
                                                                                                                                                                                    RC0
                                                                                                                                                                                             470
                                                                                                                                                                                                                           BOARD SCHEMATIC, PART 3 (SENSOR AND MICROCONTROLLER HEADER




© 2005 Microchip Technology Inc.
R56
                                                                                                                                                                                                                                                                                                               FIGURE A-5:




                                                                                              100K
                                                                                                                                            +5 VA                      +5 VA
                                                                                                                                                    C36

                                                                                                                                                 0.1 μF                   R59
                                                      C31                                                                                    4                            4.7K                                                        +5 VD
                                                                                                                                 2
                                                                                                                                     -INA
                                                    0.1 μF                             R54                                                            1
                                                                                       100K                  R69                                                                                                                          C29
                                                                                                                                 3                 U12:A                                                               R46
                                                                                                                                     +INA                                                        U13




© 2005 Microchip Technology Inc.
                                                                                                                                                                                                                                          0.1 μF       INT0
                                                                                                             10K                                 MCP6544                         R48                                   1K     R47
                                                                                                                                            11                                           1 AN1                                                          1
                                                                                                                                                                                                        VCC 8                 1K
                                                                                                                                                                                                                                                                            OPERATION)




                                                                                                                                                                                 300     2 CA1          V01 7                                           2      JP11
                                            R73              R75            R76           R77                R74                                                                         3 CA2           V02 6                                          3
                                   LEG1                                                                                         R63                                                      4 AN2
                                            560K             560K           560K          22K                22K                                                                                        GND 5                                          INDX
                                                                                                                                1M
                                                                                                                                                                R60                            TLP2630/                                                INT1
                                                                               C32                                                                  +5 VA                                                                                               1
                                                                                                                                                                4.7K                           SFH6326
                                                                     R55     0.1 μF                                                                                                                                                                     2
                                                                    100K                                                             6
                                                                                                                                         -INB
                                                                                                                                                                                                                                                               JP10
                                                                                                                                                                                 R49                                                                    3
                                                                                                                                                            7
                                                                                                       R70                           5                                           300                                                                   QEA
                                                                                                                                         +INB         U12:B
                                                                                                       10K                                          MCP6544
                                            R78              R80            R81           R82                R79
                                   LEG2                                                                                              R64                                                                                      +5 VD
                                            560K             560K           560K          22K                22K
                                                                                                                                     1M
                                                                               C33
                                                                                                                                                                R61                                                                C30
                                                                             0.1 μF                                                                 +5 VA                                                        R51
                                                                     R109                                                                                                                      U14                               0.1 μF                        INT2
                                                                                                                                                                4.7K             R52                             1K     R53
                                                                     100K                                                            9                                                 1 AN1         VCC 8                                                      1
                                                                                                                                         -INC                                                                           1K
                                                                                                                                                          8                      300   2 CA1                                                                    2
                                                                                                                                                                                                     V01 7                                                            JP8
                                                                                                         R71                        10                                                 3 CA2                                                                    3
                                                                                                                                         +INC      U12:C                                              V02 6
                                                                                                         10K                                     MCP6544                               4 AN2         GND 5
                                             R83              R85            R86              R87              R84                                                                                                                                             QEB
                                     LEG3                                                                                      R65                                                        TLP2630/
                                             560K             560K           560K             22K              22K
                                                                                                                               1M                                                         SFH6326                                                       R113
                                                                                C34                                                                             R62                                                                                     1K
                                                                              0.1 μF                                                                +5 VA
                                                                                                                                                                4.7K
                                                                                                               R72                  13                                                                                                        FAULTB
                                                                                                 +5 VA                                   -IND
                                                                                                               10K                                        14
                                                                                                                                                                               R50
                                                                                                                                    12                U12:D                    300
                                                                                                                                         +IND
                                            R88              R90            R91           R92                R89
                                   VBUS +                                                                                                           MCP6544
                                            560K             560K           560K          27K                30K
                                                                                                                         R67                          R66
                                                                                                      JP2                27K
                                                                                         C35                                                         1M
                                                                                                                   R68
                                                                                       0.1 μF
                                                                                                                   30K
                                                                                                                                                                                                                                                                            BOARD SCHEMATIC, PART 4 (SIGNAL CONDITIONER FOR SENSORLESS BLDC




DS00955A-page 19
                                                                                                                                                                                                                                                                                                                                              AN955
FIGURE A-6:
                                                                                                                                                                                                                                                                                                                       AN955




DS00955A-page 20
                                       U15
                                   IRAMS10UP60A     C37 10 μF 16V                                                                 +5 VA
                                          VB3 1
                                          VS3                        W
                                               2                                                                                              C55
                                           NC
                                               3    C38 10 μF 16V                                                                             0.1 μF
                                          VB2
                                               4                                                                     U11:A                                                        +5 VA
                                          VS2                        V
                                               5                                                                 MCP6002 8-DIP                                   U11:B
                                           NC                                                                                2     8                          MCP6002 8-DIP
                                               6    C39 10 μF 16V
                                          VB1                                                                                             1            R117       6                  R118              U20
                                               7
                                          VS1                                                        R111                                                                            360                                      R119
                                               8                     U                                                       3                     51K 1%                     7             1
                                                                                                                                                                                                -LED                8
                                                                                               ISM                                                                                                            N/C
                                           NC                                                         1K                           4                              5                                                 7         51K 1%
                                               9             F2
                                                                                                                                                                                            2 +LED            N/C
                                                                                                                                                                                                                                                    CURRENT MEASUREMENT)




                                           V+                         VBUS+                                                                                                                                         6     6
                                               10                                                                          R116                                           C58               3 VCCT           VCC2
                                           NC               FUSE 6.3X32                    C56           C57                                                            100 pF                                      5                   7
                                               11                                                                                                                                           4 I1               I2
                                          DC-                                             33 pF        4.7 nF       R112   91K
                                               12                                                                                                                                                                         5
                                                                               R110                                 10K
                                          DC-                                                                                                                                                   LOC111 8-DIP
                                               13
                                          DC-                                 0.05R/3W                                                                                                                                      U4:B             R120
                                               14
                                           H1        HIN1                                DC-
                                                                                                                                                                                                                        MCP6002 8-DIP        470
                                               15
                                           H2        HIN2
                                               16
                                           H3        HIN3
                                               17                                                                    +5 VD
                                           L1        LIN1
                                               18                                                                                                                                                                                      JP7
                                           L2        LIN2
                                               19
                                           L3        LIN3
                                               20                              R93                                                                                                                                                     CF1
                                         ITRIP
                                               21                                                                   R94
                                          VCC                                  300
                                               22   +15 VA                                                           1K
                                          VSS
                                                                                                           U16
                                               23                 R108                                                            R115
                                                                                                     1 +LED
                                                                  4.3K                                      COL 4                               RE2
                                                                                                     2 -LED EMT 3                  1K

                                                                                                       SFH618
                                                                                                                                                                                                                                                    BOARD SCHEMATIC, PART 5 (3-PHASE INVERTER POWER MODULE AND SHUNT




© 2005 Microchip Technology Inc.
FIGURE A-7:




                                       J6




© 2005 Microchip Technology Inc.
                                            1
                                   R
                                            2
                                   Y
                                            3
                                   B
                                            4
                                   G
                                                EARTH

                                       LEG1
                                       LEG2
                                       LEG3

                                                                            OPTIONAL                                              OPTIONAL                                               OPTIONAL
                                                           R45
                                                 FAULTC
                                                           2.6K
                                                    C28            D12                                              D13                                                      D14
                                                   33 pF           1N4448                                           1N4448                                                   1N4448
                                                                                                                                                                                                                               CURRENT TRANSDUCER CIRCUITRY)




                                                                                                                                        U9                                                     U10
                                                                                     U6
                                                                                                                        R122                                                     R123
                                                                                                                                                                                                      IN6 6
                                                                                                                                                                                                      IN5 5
                                                                                                                                                                                                      IN4 4




                                                                                                                                               IN6 6
                                                                                                                                               IN5 5
                                                                                                                                               IN4 4
                                                                     R121                                   CF2                        7 OUT
                                                                                                                                                                       CF3
                                                                                                                                                                                              7 OUT




                                                                                            IN6 6
                                                                                            IN5 5
                                                                                            IN4 4
                                                                                    7 OUT
                                                             CF1                                                        1K             8 0V LTS15-NP   Load R125                 1K           8 0V LTS15-NP   Load R126
                                                                      1K            8 0V LTS15-NP   Load R124                                          0.01R, 1/2W                                            0.01R, 1/2W
                                                                                                    0.01R, 1/2W           C50          9 +5V           instead of U9                          9 +5V
                                                                                                                                                                                                              instead of U10
                                                                                    9 +5V
                                                                                                    instead of U6
                                                                                                                                                 IN3
                                                                                                                                                 IN2

                                                                                                                     33 μF 35V




                                                                                              IN3
                                                                                              IN2
                                                                                                                                                                                                      3 IN3
                                                                                                                                                                                                      2 IN2
                                                                                                                                                                                                      1 IN1




                                                                                                                                               3
                                                                                                                                               2
                                                                                                                                               1 IN1




                                                                                            3
                                                                                            2
                                                                                            1 IN1
                                                                            +5 VD                                      C51                                                            +5 VD

                                                                                                                      0.1 μF

                                                                                                                               +5 VD
                                            U
                                            V
                                            W
                                                                                                                                                                                                                               BOARD SCHEMATIC, PART 6 (MOTOR TERMINAL BLOCK AND OPTIONAL




DS00955A-page 21
                                                                                                                                                                                                                                                                                            AN955
J1                                                                      VBUS+
                                                                                                                                                                                                        T1
                                                                                                                                                                                                                                                                                                                     FIGURE A-8:



                                   DC- DC+     G N L                                                                                                                                                                                                                       L1           E3    +5 VA
                                                                                                                                                                                                TRANSFORMER TSD-877     D3
                                                                                                                                                                                                                                                                                                                                                              AN955



                                                                                                                                  R2




DS00955A-page 22
                                                                AC INPUT
                                                                                                                               1 ohm 3W                                                                                                                                   10 μH
                                                                                                                                                                                                                       11DQ10




                                     6
                                         5
                                             4
                                                 3
                                                       2
                                                           1
                                                                                                                                                                                       C15
                                                                                                                                                            C2             R3
                                                                                                                                                                                       2.2 nF                                           C3
                                                                                                                                                            4.7 μF 400V    47K                                                                                                                      C4
                                                                                                                                                                                       400V          1        8                         100 μF 25V
                                                                                                                                                                                                                                                                                                    47 μF 16V
                                             EARTH                                                                                                                                                   3        7
                                     DC-                                                                                  C1
                                                                                                                                                            DC-                                      2
                                                                                                                          470 μF 250V                                                                         6
                                                                                          D1                                                                                                         4        10
                                                                                                 1
                                                               R1                      GBPC2506C                                                                                                     5        9
                                                                                                                                                                         D11
                                                                                                                                                                                                                                                                                                       E4
                                                               NTC                                                                                                                                                                                                   L2
                                                                                                                               SHORTING LINK                          1N4937                                                       D5
                                                                                                  4 AC2               2           2   1
                                                                                                                AC1                                                                                                                                                                                         +15 VA
                                                                                                                                   J17                                                                                                                             10 μH
                                                                                                                                                                                                                                  11DQ10
                                                               F1
                                                               216010                                                               C5                                                                                                               C8                         C9
                                                                                                                                                                                                                                                                           47 μF 25V                  E5
                                                                                                          3                                                                                                                                          100 μF 25V
                                                                                                                               470 μF 250V                                                                                                                                                                 E6
                                              RV1                                                                                                                                                                            D6                              L3
                                                                                                                                                                                                                                                                                                            +5 VD
                                                                                                                                                      D8                                                                                                   10 μH
                                                                                                                                                                            R5                                             11DQ10
                                                                                                              DC-                                                                                                                                       C11                 C10
                                                                                                                                                                           27 ohm                                                         R9                                                 R8
                                                                                                                                                C6 1N4148                                                                                               100 μF 25V          47 μF 25V                      R6
                                                                                                                                                                                                                                          1K                                                 4.7K
                                                 C16                                                                                            33 μF 25V                                                                                                                                                  470 ohm

                                         0.01 μF 270 VAC
                                                                                                                                                                                                                             U2
                                                                                                                                  R4                                                                               6 NC
                                                                                                                                  150K                                                                                             A 1                                                       R7
                                                                                                                                                                    D9                                                                                            C14                        4.7K
                                                                                                                                               R10                  1N4148                                         5 E
                                                                                                                                                                                                                                  CA 2                                                                     D10
                                                                                                                                               4.7K                                                                                                           0.1 μF
                                                                                                                                                                                                    DC-            4               1 3
                                                                                                                                                                                                                       C
                                                                                                                                                                    R13                                                 MOC8101
                                                                                     OCP/FB                                                                         2.4K
                                            C7                                                5                                                                                                                                                 D2
                                                                                                                                                                                                                                                                                                                     BOARD SCHEMATIC, PART 7 (POWER SUPPLY)




                                                                                        VCC
                                         56 pF                                                4                                            D4                                                                                                   TL431
                                                               U1                        D
                                                                                              3
                                                                                       GND                                                1N4148                                       R14
                                                                                              2                                                                                                          E7




                                                                     IRIS4009-HORZ
                                                                                         S                      C13                                                                 10 ohm
                                                     DC-                                      1                                                              C12
                                                                                                                47 pF
                                                                                                                                                           220 pF
                                                                                                                                                                                 DC-
                                                                                        D7

                                                                                      1N5818                          R11
                                                                                                                    750 ohm
                                                                                                                                                                    DC-
                                                           R12
                                                       1.3 ohm




                                                                           DC-                            DC-




© 2005 Microchip Technology Inc.
AN955
TABLE A-1:        SIGNALS USED IN THE PICDEM™ MC SCHEMATIC
           Signal Name                                                   Function
+15 VA                             Non-isolated DC supply voltage for power components.
+5 VD                              Isolated supply voltage for digital components.
CF1, CF2 or CF3                    Current feedback signal from designated motor phase winding. CF can also
                                   represent total motor current when current transducer measurement is used.
DC-                                DC bus return path.
FAULTB                             PCPWM Fault signal input (overvoltage).
FAULTC                             Fault signal input from comparator (overcurrent).
HIN1, HIN2 or HIN3                 Upper leg input for designated phase to 3-phase inverter (isolated signal).
INDX                               Index position signal to QEI inputs on microcontroller.
INT0, INT1 or INT2                 Hall effect sensor signal to interrupt-on-change inputs on microcontroller.
LEG1, LEG2 or LEG3                 Current transducer signal for designated motor winding phase.
LIN1, LIN2 or LIN3                 Lower leg input for designated phase to 3-phase inverter (isolated signal).
MCLR                               Microcontroller hardware Reset.
PWM0 through PWM5                  PCPWM waveform outputs from microcontroller.
QEA, QEB                           Quadrature encoder sensor signals to QEI inputs on microcontroller.
RAn, RBn, RCn, RDn or REn          Bit n of the designated port of the microcontroller.
RX and TX                          RS-232 serial receive and transmit.
SW1, SW2                           Push button input from designated switch to microcontroller.
U, V, W                            Drive level output from inverter power module to motor.
VBUS+                              DC high voltage to inverter power module.
VREF                               External reference voltage for overcurrent detect.




© 2005 Microchip Technology Inc.                                                                     DS00955A-page 23
AN955
APPENDIX B:                SINE PWM                        APPENDIX C:           MOTOR CONTROL
The Sine PWM is implemented using a VSI as shown                                 MADE EASY
in Figure 2.                                               To assist motor control developers, Microchip has
At any instant, either the top or the bottom switch of a   developed the PICDEM™ MC Development Board
half bridge is on. Hence, the resultant phase-to-virtual   based on the PIC18FXX31. This demo board has all
neutral point ‘O’ (VRO, VYO and VBO) can be                the necessary hardware for a range of motor control,
represented as:                                            for example, AC Induction motor, BLDC motor and
                                                           Stepper motor. Various control algorithms have been
EQUATION B-1:                                              developed using the demo board to assist users in
                                                           developing motor control application. Also, a PC-based
                     VDC × V (where = R, Y, B)
            Vio =           if     i                       GUI has been developed for helping users in con-
                      2
                                                           figuring different motor control parameters and giving
                                                           real-time capability to monitor the motor speed, the
Vif represents the 3-phase waveforms in space with 120°
                                                           3-phase currents and temperature.
(2π/3) phase shift between them. Each phase waveform
can be represented as shown in Equation B-2:               All source code and the motor control GUI are free to
                                                           use and can be downloaded from the Microchip web
EQUATION B-2:                                              site at:

                    VRf = m × sinθ                                        www.microchip.com.
                    VYf = m × sin(θ + 2π/3)
                    VBf = m × sin(θ + 4π/3)

Substituting Equation B-2 into Equation B-1, we get:

EQUATION B-3:
                   VDC (m × sinθ)
             VRO =
                    2
                   VDC (m × sin(θ + 2π/3))
             VYO =
                    2
                   VDC (m × sin(θ + 4π/3))
             VBO =
                    2

The resultant line-to-line output voltage is given as:

EQUATION B-4:
                            √3 × VDC × m × sin(θ + π/6)
    VRY = VRO – VYO =
                                2
            √3 × VDC × m × sin(θ + (5π)/6)
    VYB =
                2
            √3 × VDC × m × sin(θ + 3π/2)
    VRB =
                2


From Equation B-4, it is clear that the maximum line-to-
line voltage in the linear operating range is achieved
when m = 1.

EQUATION B-5:
                                              √3 × VDC
       Maximum line-to-line voltage =
                                                  2

This clearly shows that in Sine PWM, the VDC
utilization is less than 90% (~86.6%) in the linear
operating range.




DS00955A-page 24                                                                  © 2005 Microchip Technology Inc.
Note the following details of the code protection feature on Microchip devices:
•    Microchip products meet the specification contained in their particular Microchip Data Sheet.

•    Microchip believes that its family of products is one of the most secure families of its kind on the market today, when used in the
     intended manner and under normal conditions.

•    There are dishonest and possibly illegal methods used to breach the code protection feature. All of these methods, to our
     knowledge, require using the Microchip products in a manner outside the operating specifications contained in Microchip’s Data
     Sheets. Most likely, the person doing so is engaged in theft of intellectual property.

•    Microchip is willing to work with the customer who is concerned about the integrity of their code.

•    Neither Microchip nor any other semiconductor manufacturer can guarantee the security of their code. Code protection does not
     mean that we are guaranteeing the product as “unbreakable.”

Code protection is constantly evolving. We at Microchip are committed to continuously improving the code protection features of our
products. Attempts to break Microchip’s code protection feature may be a violation of the Digital Millennium Copyright Act. If such acts
allow unauthorized access to your software or other copyrighted work, you may have a right to sue for relief under that Act.




Information contained in this publication regarding device               Trademarks
applications and the like is provided only for your convenience
                                                                         The Microchip name and logo, the Microchip logo, Accuron,
and may be superseded by updates. It is your responsibility to           dsPIC, KEELOQ, microID, MPLAB, PIC, PICmicro, PICSTART,
ensure that your application meets with your specifications.
                                                                         PRO MATE, PowerSmart, rfPIC, and SmartShunt are
MICROCHIP MAKES NO REPRESENTATIONS OR WAR-
                                                                         registered trademarks of Microchip Technology Incorporated
RANTIES OF ANY KIND WHETHER EXPRESS OR IMPLIED,
                                                                         in the U.S.A. and other countries.
WRITTEN OR ORAL, STATUTORY OR OTHERWISE,
RELATED TO THE INFORMATION, INCLUDING BUT NOT                            AmpLab, FilterLab, Migratable Memory, MXDEV, MXLAB,
LIMITED TO ITS CONDITION, QUALITY, PERFORMANCE,                          PICMASTER, SEEVAL, SmartSensor and The Embedded
MERCHANTABILITY OR FITNESS FOR PURPOSE.                                  Control Solutions Company are registered trademarks of
Microchip disclaims all liability arising from this information and      Microchip Technology Incorporated in the U.S.A.
its use. Use of Microchip’s products as critical components in           Analog-for-the-Digital Age, Application Maestro, dsPICDEM,
life support systems is not authorized except with express               dsPICDEM.net, dsPICworks, ECAN, ECONOMONITOR,
written approval by Microchip. No licenses are conveyed,                 FanSense, FlexROM, fuzzyLAB, In-Circuit Serial
implicitly or otherwise, under any Microchip intellectual property       Programming, ICSP, ICEPIC, MPASM, MPLIB, MPLINK,
rights.                                                                  MPSIM, PICkit, PICDEM, PICDEM.net, PICLAB, PICtail,
                                                                         PowerCal, PowerInfo, PowerMate, PowerTool, rfLAB,
                                                                         rfPICDEM, Select Mode, Smart Serial, SmartTel, Total
                                                                         Endurance and WiperLock are trademarks of Microchip
                                                                         Technology Incorporated in the U.S.A. and other countries.
                                                                         SQTP is a service mark of Microchip Technology Incorporated
                                                                         in the U.S.A.
                                                                         All other trademarks mentioned herein are property of their
                                                                         respective companies.
                                                                         © 2005, Microchip Technology Incorporated, Printed in the
                                                                         U.S.A., All Rights Reserved.
                                                                              Printed on recycled paper.




                                                                         Microchip received ISO/TS-16949:2002 quality system certification for
                                                                         its worldwide headquarters, design and wafer fabrication facilities in
                                                                         Chandler and Tempe, Arizona and Mountain View, California in
                                                                         October 2003. The Company’s quality system processes and
                                                                         procedures are for its PICmicro® 8-bit MCUs, KEELOQ® code hopping
                                                                         devices, Serial EEPROMs, microperipherals, nonvolatile memory and
                                                                         analog products. In addition, Microchip’s quality system for the design
                                                                         and manufacture of development systems is ISO 9001:2000 certified.




© 2005 Microchip Technology Inc.                                                                                         DS00955A-page 25
WORLDWIDE SALES AND SERVICE
AMERICAS                        ASIA/PACIFIC            ASIA/PACIFIC                EUROPE
Corporate Office                Australia - Sydney      India - Bangalore           Austria - Weis
2355 West Chandler Blvd.        Tel: 61-2-9868-6733     Tel: 91-80-2229-0061        Tel: 43-7242-2244-399
Chandler, AZ 85224-6199         Fax: 61-2-9868-6755     Fax: 91-80-2229-0062        Fax: 43-7242-2244-393
Tel: 480-792-7200               China - Beijing                                     Denmark - Ballerup
                                                        India - New Delhi
Fax: 480-792-7277               Tel: 86-10-8528-2100                                Tel: 45-4450-2828
                                                        Tel: 91-11-5160-8631
Technical Support:              Fax: 86-10-8528-2104                                Fax: 45-4485-2829
                                                        Fax: 91-11-5160-8632
http://support.microchip.com
                                China - Chengdu         Japan - Kanagawa            France - Massy
Web Address:
                                Tel: 86-28-8676-6200    Tel: 81-45-471- 6166        Tel: 33-1-69-53-63-20
www.microchip.com
                                Fax: 86-28-8676-6599    Fax: 81-45-471-6122         Fax: 33-1-69-30-90-79
Atlanta
Alpharetta, GA                  China - Fuzhou          Korea - Seoul               Germany - Ismaning
                                Tel: 86-591-8750-3506   Tel: 82-2-554-7200          Tel: 49-89-627-144-0
Tel: 770-640-0034
                                Fax: 86-591-8750-3521   Fax: 82-2-558-5932 or       Fax: 49-89-627-144-44
Fax: 770-640-0307
                                China - Hong Kong SAR   82-2-558-5934               Italy - Milan
Boston
                                Tel: 852-2401-1200                                  Tel: 39-0331-742611
Westborough, MA                                         Singapore
                                Fax: 852-2401-3431      Tel: 65-6334-8870           Fax: 39-0331-466781
Tel: 774-760-0087
Fax: 774-760-0088               China - Shanghai        Fax: 65-6334-8850           Netherlands - Drunen
                                Tel: 86-21-5407-5533    Taiwan - Kaohsiung          Tel: 31-416-690399
Chicago
                                Fax: 86-21-5407-5066    Tel: 886-7-536-4818         Fax: 31-416-690340
Itasca, IL
Tel: 630-285-0071               China - Shenyang        Fax: 886-7-536-4803         England - Berkshire
Fax: 630-285-0075               Tel: 86-24-2334-2829                                Tel: 44-118-921-5869
                                                        Taiwan - Taipei
                                Fax: 86-24-2334-2393    Tel: 886-2-2500-6610        Fax: 44-118-921-5820
Dallas
Addison, TX                     China - Shenzhen        Fax: 886-2-2508-0102
Tel: 972-818-7423               Tel: 86-755-8203-2660   Taiwan - Hsinchu
Fax: 972-818-2924               Fax: 86-755-8203-1760   Tel: 886-3-572-9526
Detroit                         China - Shunde          Fax: 886-3-572-6459
Farmington Hills, MI            Tel: 86-757-2839-5507
Tel: 248-538-2250               Fax: 86-757-2839-5571
Fax: 248-538-2260               China - Qingdao
Kokomo                          Tel: 86-532-502-7355
Kokomo, IN                      Fax: 86-532-502-7205
Tel: 765-864-8360
Fax: 765-864-8387
Los Angeles
Mission Viejo, CA
Tel: 949-462-9523
Fax: 949-462-9608
San Jose
Mountain View, CA
Tel: 650-215-1444
Fax: 650-961-0286
Toronto
Mississauga, Ontario,
Canada
Tel: 905-673-0699
Fax: 905-673-6509




                                                                                                     03/01/05




DS00955A-page 26                                                                © 2005 Microchip Technology Inc.

Vf controlo of 3 phase induction motor using space vector modulation

  • 1.
    AN955 VF Control of 3-Phase Induction Motor Using Space Vector Modulation Author: Rakesh Parekh SPACE VECTOR MODULATION (SVM) Microchip Technology Inc. The SVM is a sophisticated, averaging algorithm which gives 15% more voltage output compared to the Sine INTRODUCTION PWM algorithm, thereby increasing the VDC utilization. It also minimizes the THD as well as switching loss. VF control using the Sine PWM algorithm is a popular Like Sine PWM, the SVM is also a scalar control. The algorithm for AC induction motor control; however, this direct controlled variables are the motor voltage and algorithm has certain drawbacks which affect the the motor frequency. overall system efficiency. A more advanced switching The 3-phase line-to-neutral sine waves required for algorithm, like Space Vector Modulation (SVM), over- driving the 3-phase AC induction motor can be comes the drawbacks of the Sine PWM algorithm and represented as 120° phase-shifted vectors (VRN, VYN, increases the overall system efficiency. and VBN) in space, as shown in Figure 1. This application note includes the description of the SVM theory and its advantages over the Sine PWM. It FIGURE 1: 3-PHASE VOLTAGE also discusses the SVM digital implementation for VF VECTORS AND THE control using Microchip’s PIC18FXX31 8-bit micro- RESULTANT SPACE controllers. See the “References” section for more REFERENCE VECTOR information on AC induction motors and their control. VYN SINE PWM Traditionally, VF control using the Sine PWM algorithm is implemented using a Voltage Source Inverter (VSI) controlled by a programmable device (microcontroller or DSP). Its popularity is mainly due to its easy 120° implementation and minimum online computational VS requirement. However, this algorithm has the following drawbacks: 120° VRN • The Sine PWM algorithm is unable to fully utilize 120° the available DC bus supply voltage (VDC) to the VSI. The generated line-to-line voltage is less than 90% of VDC in the linear operating region. See Appendix B: “Sine PWM” for more information. • This algorithm gives more Total Harmonic VBN Distortion (THD). • Often, to reduce run-time processing load for slow For a balanced 3-phase system, these vectors sum to controllers, three 120° phase-shifted sine tables zero. Therefore, they can be expressed as a single are created in the controller memory. This is an space reference vector (VS). By controlling the inefficient usage of the controller memory. amplitude and the frequency of VS, the motor voltage • There is no degree of freedom in implementation. and the motor frequency can be controlled. Hence, this • This algorithm does not facilitate more advanced algorithm is known as the SVM. vector control implementation. © 2005 Microchip Technology Inc. DS00955A-page 1
  • 2.
    AN955 A typical blockdiagram of a VSI controlled by the States 1 through 6 are called the active states, as the PIC18FXX31, which implements SVM, is shown in energy is supplied from the supply to the motor during Figure 2. Point 0 is the midpoint of VDC (sometimes these states. States 0 and 7 are called the inactive called the Virtual Neutral Point). For safe operation of states, as no energy is supplied from the supply to the the VSI, whenever one switch of a half bridge (Q1) is motor during these states. Each state can be on, the other switch of the same half bridge (Q0) should represented as a voltage vector in space. Figure 3 be off and vice versa. This gives rise to eight distinct shows the space vector representation of all the switching states of the VSI. Table 1 lists all the possible possible switching states. VSI switching states and respective line-to-neutral voltages. FIGURE 2: BLOCK DIAGRAM OF PICmicro® MCU-CONTROLLED VSI Q1 Q3 Q5 PIC18FXX31 3-Phase ACIM VDC/2 PWM0 (Q0) PWM1 (Q1) B Y PWM2 (Q2) R N O PWM3 (Q3) VDC PWM4 (Q4) Rectifier 115/230 VAC PWM5 (Q5) VDC/2 50/60 Hz Q0 Q2 Q4 TABLE 1: VSI SWITCHING STATES AND RESPECTIVE LINE TO NEUTRAL VOLTAGES Switching State On Switches VRN VYN VBN Space Voltage Vector 0 Q0, Q2, Q4 0 0 0 V0 1 Q1, Q2, Q4 2/3 VDC -1/3 VDC -1/3 VDC V1 2 Q1, Q3, Q4 1/3 VDC 1/3 VDC -2/3 VDC V2 3 Q0, Q3, Q4 -1/3 VDC 2/3 VDC -1/3 VDC V3 4 Q0, Q3, Q5 -2/3 VDC 1/3 VDC 1/3 VDC V4 5 Q0, Q2, Q5 -1/3 VDC -1/3 VDC 2/3 VDC V5 6 Q1, Q2, Q5 1/3 VDC -2/3 VDC 1/3 VDC V6 7 Q1, Q3, Q5 0 0 0 V7 DS00955A-page 2 © 2005 Microchip Technology Inc.
  • 3.
    AN955 As seen inFigure 3, the entire space is distinctively this algorithm generates maximum THD. Also, the line- divided into six equal sized sectors of 60°. Each sector to-line and the line-to-neutral waveforms are not sine is bounded by two active vectors. V0 and V7 are the waves. voltage vectors with zero amplitude and are located at the hexagon origin. SVM Switching Rules VS is the resultant output due to the switching states of To implement the SVM algorithm, the following switching the VSI. For digital implementation of SVM, the VSI is rules are implemented: switched at a very high frequency (FPWM). This fre- quency is high enough (>20 kHz) so as not to generate • The trajectory of VS should be a circle. audible noise due to switching. FPWM decides the • Only one switching per state transition. sample time TS for VS, where TS = 1/FPWM. There are • Not more than three switchings in one TS. various switching ways to generate VS from V0, V1...V7. • The final state of one sample must be the initial Mathematically, it can be represented as shown in state of the next sample. Equation 1. Variables T0, T1…T7 in Equation 1 are on time for the corresponding VSI states and TS is the These rules help in limiting the number of switching sample time. actions and hence, there is a reduction in the switching losses. Also, they maintain symmetry in switching When the VSI follows the switching state pattern, waveforms at the VSI output to achieve the lower THD. 1-2-3-4-5-6-1-2..., it is called the Six-Step PWM algo- The SVM algorithm implementation, using these rithm. This algorithm is easier to implement compared switching rules, is called Conventional SVM. to all the other control algorithms. It can generate the line-to-line fundamental voltage more than the VDC. But FIGURE 3: SPACE VECTOR HEXAGON (Q0, Q3, Q4) V3 Sector 2 V2 (Q1, Q3, Q4) VS Sector 1 Sector 3 TB V7 0 Ψ (Q0, Q3, Q5) V4 V1 (Q1, Q2, Q4) TA V0 Sector 6 Sector 4 (Q0, Q2, Q5) V5 Sector 5 V6 (Q1, Q2, Q5) EQUATION 1: ⎛T0 ⎞ ⎛T1 ⎞ ⎛T2 ⎞ ⎛T3 ⎞ ⎛T4 ⎞ ⎛T5 ⎞ ⎛T6 ⎞ ⎛T7 ⎞ VS = ⎜ × V0⎟ + ⎜ × V1⎟ + ⎜ × V2⎟ + ⎜ × V3⎟ + ⎜ × V4⎟ + ⎜ × V5⎟ + ⎜ × V6⎟ + ⎜ × V7⎟ ⎝TS ⎠ ⎝TS ⎠ ⎝TS ⎠ ⎝TS ⎠ ⎝TS ⎠ ⎝TS ⎠ ⎝TS ⎠ ⎝TS ⎠ TS = T0 + T1 + T2 + T3 + T4 + T5 + T6 + T7 © 2005 Microchip Technology Inc. DS00955A-page 3
  • 4.
    AN955 Different SVM Algorithms Equation 2 means that the VSI is in active state 1 for TA time and it is in active state 2 for TB time. For the There are various ways to implement the SVM, such as: remaining time of TS, no voltage is applied. This can be • Conventional SVM achieved by applying inactive state 0 (or 7) for the • Basic Bus Clamping SVM remaining time T0 (or T7). • Boundary Sampling SVM EQUATION 3: • Asymmetric Zero-Changing SVM, etc. All SVM algorithms have the same on time for active as TS = TA + TB + T0/7 well as inactive vectors. They differ mainly in the imple- mentation of the inactive vectors, such as T0 and/or T7 distribution within TS. Discussion of the various other The time intervals, TA, TB and T0/7, have to be calcu- SVM algorithms is beyond the scope of this application lated such that the average volt seconds produced by note. the vectors, V1, V2 and V0/7 along the X and Y axes, are the same as those produced by the desired reference space vector VS. Time Calculation to Generate VS The modulation index or amplitude ratio is defined as: Let us take an example where VS is in Sector 1 at a vector angle (Ψ), as shown in Figure 4. ⎪VS⎪ m= VDC FIGURE 4: VECTOR VS IN SECTOR 1 where |VS| is the amplitude or the length of VS. Y Axis Resolving VS along the X and Y axes, we get: V2 EQUATION 4: (VDC × TA) + (VDC × cosπ/3 × TB) = ⎪VS⎪ × cosψ × TS and VS VDC × sinπ/3 × TB = ⎪VS⎪ × sinψ × TS Solving for TA and TB, we get: TB π/3 ψ X Axis V0/7 V1 EQUATION 5: TA TA 2 × m × sin ⎛π ⎞ VDC = ⎜3 – ψ⎟ TS √3 ⎝ ⎠ TB 2 × m × sinψ = It is assumed that during time TS, VS remains steady. TS √3 For implementing the conventional SVM using SVM switching rules, VS is split as shown in Equation 2. T0/7 can be found from Equation 3. For better THD, T0 (or T7) is split into two and then applied at the beginning EQUATION 2: and at the end of the TS. The typical VSI switching waveforms in Sector 1, as defined by Equation 2, ⎛TA ⎞ ⎛TB ⎞ ⎛T0/7 ⎞ Equation 3 and the switching rules for the conventional VS = ⎜ × V1⎟ + ⎜ × V2⎟ + ⎜ × V0/7⎟ SVM using center aligned PWM, are as given in ⎝TS ⎠ ⎝TS ⎠ ⎝ TS ⎠ Figure 5. DS00955A-page 4 © 2005 Microchip Technology Inc.
  • 5.
    AN955 FIGURE 5: TYPICAL VSI SWITCHING WAVEFORMS IN SECTOR 1 TS TS TS TS T0/2 TA TB T7/2 T7/2 TB TA T0/2 T0/2 TA TB T7/2 T7/2 TB TA T0/2 Q1 Q0 Q3 Q2 Q5 Q4 Axes of Symmetry We can observe the different axes of symmetry in all By solving Equation 2, Equation 5 and Equation 7, we the waveforms as shown in Figure 5. These symme- get: tries are mainly responsible for having lower THD in SVM compared to Sine PWM in the linear operating EQUATION 8: region. Maximum Line-to-Line Voltage From Figure 3, it is clear that in the linear operating 2 region, the maximum line-to-line voltage amplitude can = × mmax × VDC be achieved when VS is rotated along the largest √3 inscribed circle in the space vector hexagon. In 2 √3 = × × VDC = VDC mathematical terms, this is equivalent to: √3 2 EQUATION 6: Equation 8 shows that it is possible to get line-to-line voltage amplitude as high as VDC using the SVM algo- Radius of Largest Inscribed Circle rithm in the linear operating range. This is the main mmax = VDC advantage of the SVM algorithm when compared to the Sine PWM algorithm. Due to higher line-to-line voltage amplitude, the torque generated by the motor is higher. From Figure 4 and Equation 6, it is also clear that: This results in better dynamic response of the motor. EQUATION 7: VDC × cosπ/6 √3 mmax = = cosπ/6 = VDC 2 © 2005 Microchip Technology Inc. DS00955A-page 5
  • 6.
    AN955 The reason forthe higher line-to-line voltage in SVM harmonic component superimposed on the funda- can be explained with the help of Figure 6. It shows the mental component. The addition of this harmonic phase voltage (line-to-virtual neutral point) generated component is due to the effective usage of inactive by Sine PWM and SVM. For clarity, only two phase states which is not possible in the Sine PWM. With voltages (RO and YO) and their resultant line-to-line 120° phase shift between them, the third harmonic voltage (RY) are shown in each figure. component is cancelled out in the resultant line-to-line The Sine PWM generated phase voltages are sine voltage in such a way that the resultant line-to-line waves. With 120° phase shift between them, the result- voltage is boosted to VDC (100%). Thus, SVM ant line-to-line voltage is approximately 86.6% of VDC. generates line-to-line voltage with higher amplitude But, the SVM generated phase voltages have a third (about 15% more) compared to Sine PWM. FIGURE 6: GENERATED PHASE VOLTAGES AND CORRESPONDING LINE-TO-LINE VOLTAGE IN (A) SINE PWM AND (B) SVM A) Sine PWM Generated Waveforms B) SVM Generated Waveforms DS00955A-page 6 © 2005 Microchip Technology Inc.
  • 7.
    AN955 Advantages of SVM HARDWARE USED FOR SVM The advantages of SVM vis-a-vis Sine PWM are as IMPLEMENTATION follows: A PICDEM™ MC Development Board is used to • Line-to-line voltage amplitude can be as high as develop and test the SVM control firmware. The VDC. Thus, 100% VDC utilization is possible in the PICDEM MC has a single-phase diode bridge rectifier, linear operating region. converting AC input to DC and a power capacitor bank • In the linear operating range, modulation index that keeps the DC bus stable. A 3-phase IGBT-based range is 0.0 to 1.0 in the Sine PWM; whereas in inverter bridge is used to control the output voltage the SVM, it is 0 to 0.866. Line-to-line voltage from the DC bus. See Appendix A: “PICDEM™ MC amplitude is 15% more in the SVM with the Board Technical Information” for schematics of the modulation index = 0.866, compared to the Sine PICDEM™ MC Development Board. PWM with the modulation index = 1. Hence, it has The control circuit and power circuits are optically the better usage of the modulation index depth. isolated with respect to each other. An on-board flyback • With the increased output voltage, the user can power supply generates +5 VD, with respect to the dig- design the motor control system with reduced ital ground used for powering up the control circuit, current rating, keeping the horsepower rating the including the PICmicro® device. The +5 VA and +15 VA same. The reduced current helps to reduce are generated with respect to the power ground inherent conduction loss of the VSI. (negative of DC bus). The feedback interface circuit is • Only one reference space vector is controlled to powered by the +5 VA, while the +15 VA supplies generate 3-phase sine waves. power to the IGBT drivers located inside the Integrated • Implementation of the switching rules gives less Power Module (IPM). THD and less switching loss. With optical isolation between the power and the control • Flexibility to select inactive states and their circuits, the programming and debugging tools can be distribution in switching time periods gives two plugged into the development board when main power degrees of freedom. is connected to the board. The board communicates • As the reference space vector is a with a host PC over a serial port configured with an on- two-dimensional quantity, it is feasible to chip Enhanced USART (EUSART). The on-board user implement more advanced vector control using interface has two toggle switches, a potentiometer and SVM. four LEDs for indication. In this application note, switch SW1 is used to toggle between the motor Run and Stop and SW2 is used to toggle the motor rotation direction. A potentiometer is used to set the speed reference as well as the modula- tion index. The LEDs are used for indication of different states of control. © 2005 Microchip Technology Inc. DS00955A-page 7
  • 8.
    AN955 DIGITAL IMPLEMENTATION Looking at the definition of DEGREE_CONSTANT, one will notice that its value, without any multiplication factor, will To implement the SVM in the digital domain, the power result in a fractional number less than unity for control PWM module of the PIC18FXX31 is utilized. FPWM > 1.536 kHz. Almost all motor control applications The module provides up to 8 PWM output channels have FPWM much higher than 1.536 kHz. Handling a with the dedicated PWM timer as its time base. The fractional number with any 8-bit microcontroller will module has the capability to generate center aligned require more CPU processing time. This requirement is PWM with 14-bit resolution. This is the most important difficult to meet in the SVM implementation, where VS is feature required for the SVM implementation. updated at every TPWM (= 1/FPWM) time interval. At the VS needs to be created and rotated in space for SVM same time, the multiplication factor value needs to be implementation. To approximate the position of VS, such that its post-calculation adjustment requires the Equation 3, Equation 5 and the previously mentioned least possible microcontroller processing time. switching rules are utilized. Looking at Equation 5, one It is proposed that the multiplication factor be 256. This will notice that in the same sector, TA and TB are will result in a 16-bit value for the vector update step inverted with respect to each other. Hence, only one size and hence, 16-bit vector angle pointer look-up table with time entries is needed. A look-up (VECTOR_ANGLE<MSB:LSB>). As an adjustment for table with TB entries (TABLE_TB_COUNT<MSB:LSB>) the multiplication factor, VECTOR_ANGLE_LSB is is created. The size of the look-up table is decided by discarded. VECTOR_ANGLE_MSB is used as the table the angle resolution used. The total sector angle is 60° pointer for reading the value of TA and TB from the look- (π/3 radians). To get a good resolution with an 8-bit up table. Whenever a carry is generated due to the microcontroller like the PIC18FXX31, the entire sector Equation 9 addition, it physically means that the VS has is divided into 256 points, giving an angle resolution of advanced to the next sector and hence, the sector 0.234°. The center aligned PWM is used for better THD count (SECTOR_NO) is incremented by one. The motor (FPWM = 1/2 * TS). voltage is decided by the amplitude of VS (modulation The required motor speed in Hz is decided by the rate index m). To implement the same digitally, values of TA at which the VS is rotated. For this purpose, it is and TB are multiplied by m. Based on TS, TA and TB, the necessary to find both the vector angle and the vector duty cycle values for all 3 phases (R, Y and B) are update step size. To speed up the online calculations, calculated as shown in Table 2. the constant, DEGREE_CONSTANT, is defined; this is Equations shown in Table 2 for Sector 1 are evident in then used to calculate the vector update step size and Figure 5. Similarly, equations for other sectors are the vector angle as shown in Equation 9. derived with the switching rule constraints. EQUATION 9: 360 × 256 × Multiplication Factor DEGREE_CONSTANT = 60 × FPWM Vector Update Step Size = DEGREE_CONSTANT × Required Motor Speed (Hz) Vector Angle = Vector Angle + Vector Update Step Size TABLE 2: DUTY CYCLE VALUES FOR THE THREE MOTOR PHASES BASED ON VS LOCATION Sector No. Phase R Duty Cycle Phase Y Duty Cycle Phase B Duty Cycle 1 T0/2 T0/2 + TA TS – T0/2 2 T0/2 + TB T0/2 TS – T0/2 3 TS – T0/2 T0/2 T0/2 + TA 4 TS – T0/2 T0/2 + TB T0/2 5 T0/2 + TA TS – T0/2 T0/2 6 T0/2 TS – T0/2 T0/2 + TB DS00955A-page 8 © 2005 Microchip Technology Inc.
  • 9.
    AN955 SVM CONTROL FIRMWARE a preprogrammed count (MAX_TEMP_FILT_COUNT), then the motor is stopped and the overtemperature The firmware is developed using PIC18F4431 and it Fault is indicated by the blinking LED3. implements the VF control using the SVM algorithm. Whenever the motor is stopped due to any of the above Apart from the basic SVM control, the firmware incor- mentioned Faults, it can be restarted by removing the porates various control and protection routines, such Fault condition and then by pressing either SW1 or as overcurrent protection, overvoltage protection, over- SW2. temperature protection, acceleration and deceleration routine and rotation direction reversal. Acceleration and Deceleration To implement the VF control, an analog potentiometer (R44) connected to RA1/AN1 is read. Using the The RAMP_SPEED routine is called every 1 second to CONVERT_MANUAL_COUNT_TO_HZ routine, the potenti- implement the acceleration and deceleration feature. ometer setting is converted to the required motor speed Both the acceleration and deceleration rates are user- in Hz. The potentiometer setting is also interpreted as selectable and are given in the form of Hz/s.The the modulation index, m. To get the required motor acceleration and deceleration features are active only speed, the vector update step size is calculated by when the motor is in run condition. calling the CALCULATE_UPDATE_STEP_SIZE routine. As described in the previous section, TA and TB values SOURCE CODE FILES are scaled with m. All protection routines (overcurrent, overvoltage and The entire source code can be downloaded from overtemperature) are checked at a fixed time interval Microchip’s web site, www.microchip.com. It includes (presently, 5 ms set by overflow rate of the Timer1). the following files: The acceleration and deceleration routine is called at • ...SVMACSVM_OL.asm one-second intervals. This file is located in the source code folder (Main Routine section). Overcurrent Protection • ...SVMACSVM_OL_routines.asm A shunt resistor (R110) in the negative DC bus gives a This file is located in the source code folder (Control voltage corresponding to the current flowing into the Routine section). motor winding. This voltage is amplified and compared with a reference. The current comparison setting allows • ...SVMTIME_TABLE.asm a current up to 6.3A. If the current exceeds 6.3A, the This file is located in the source code folder (Look-up FAULTA pin goes low, indicating the overcurrent Fault. Table for TB). The firmware is configured in the Cycle-by-Cycle Fault • ...SVMInterfaceACSVMConstant.inc mode. When the Fault persists for more than a pre- programmed count (MAX_FLTA_COUNT) in the fixed This file is located in the source code folder (System time interval, then the motor is stopped and the Fault is Parameters and User-Defined Constants section). indicated by the blinking LED1. • ...SVMInterfaceACSVMVar.inc This file is located in the source code folder Overvoltage Protection (User-Defined Variable section). The DC bus voltage is attenuated using potential divid- An Excel file (PARAMETERS.xls) is included in the ers and compared with a fixed reference. If the jumper source code folder which has two worksheets. The JP5 is open, the reference is set for 200V on the DC TB_TABLE worksheet calculates TB entries based on bus. If jumper JP5 is shorted, the reference is set for the main oscillator frequency (FOSC), FPWM, the 400V. The FAULTB pin is used to monitor the over- required dead time, etc. The LIST worksheet creates a voltage Fault. If the overvoltage Fault persists for more table to be stored in the data EEPROM of the than a preprogrammed count (MAX_FLTB_COUNT) in PIC18FXX31 device. This table contains all user- the fixed time interval, then the motor is stopped and selectable compile-time parameters, such as the motor the Fault is indicated by the blinking LED2. rated speed in Hz, FPWM in kHz, the required dead time in μs, etc. The user should make sure that the table is Overtemperature Protection entered in the ACSVM_OL.asm file as shown in the worksheet. The power module has an NTC thermal sensor, output- ting 3.3V at 110°C on the junction of IGBTs. The NTC An overview of the firmware’s logic flow is provided in output is connected to AN8 through an optocoupler. Figure 7 and Figure 8. A complete list of system The temperature is continuously measured and if it parameters and user-defined functions is provided in exceeds 110°C (MAX_JUNCTION_TEMP) for more than Table 3 through Table 5. © 2005 Microchip Technology Inc. DS00955A-page 9
  • 10.
    AN955 FIGURE 7: SVM IMPLEMENTATION FLOWCHART (MAIN ROUTINE) Main Routine START Motor Parameters and On-Chip Peripherals Initialization Blink all LEDs at a Rate Set by the Potentiometer No Is SW1/SW2 pressed? Yes Configure PCPWM Module and Set Default Rotation Direction Call KEY_CHECK to Determine Pressed Key Call PROCESS_KEY_PRESSED to Act on the Pressed Key Has TMR1 No overflowed? Yes Call FAULT_CHECK to Check for Fault and Display the same, if any Call CONVERT_MANUAL_COUNT_TO_HZ to Convert the Potentiometer Setting to the Required Motor Speed in Hz and to Set the Modulation Index No Is 1 sec time interval over? Yes Call RAMP_SPEED to Accelerate/ Decelerate the Motor Call CALCULATE_UPDATE_STEP_SIZE to Find Vector Update Step Size based on the Motor Speed DS00955A-page 10 © 2005 Microchip Technology Inc.
  • 11.
    AN955 FIGURE 8: SVM IMPLEMENTATION FLOWCHART (INTERRUPT SERVICE ROUTINES) High Priority Interrupt Service Routine ISR_HIGH No Is PTIF = 1? Yes Vector Angle = Vector Angle + Vector Update Step Size No Is carry generated? Yes Increment Sector Number by 1 Is Sector No Number > 5? Yes Reset Sector Number to 0 Calculate TA, TB, T0/2 and (TS – T0/2) using the Vector Angle Load PWM Duty Cycle Registers as per Table 2 RETFIE Low Priority Interrupt Service Routine ISR_LOW No Is ADIF = 1? Yes Read Phase Currents, IGBT Junction Temperature and the Potentiometer Setting for the Motor Speed Is TMR1IF = 1? No Yes Reload TMR1 for 5 msec Overflow Rate Increment RAMP_COUNT by 1 (used for giving 1 sec time interval for acceleration/deceleration feature) Yes Is SW1/SW2 pressed any time? No Toggle LEDs RETFIE © 2005 Microchip Technology Inc. DS00955A-page 11
  • 12.
    AN955 TABLE 3: USER-DEFINED PARAMETERS IN SVM FIRMWARE Name Description CHANGE_OVER_DELAY Defines rotation direction changeover for the motor. Its value equals the required changeover time in ms per 39 ms. DIRECTION_AT_POR Defines default rotation direction at start (1 = Forward, 0 = Reverse). CYCLE_COUNT_MAX Defines blinking rate for Fault indication. Its value equals the required blink time interval in ms per 5 ms. MAX_FAULT_CHECK_COUNT Defines time window for Fault recognition. If any Fault occurs for more than predefined count in this time window, then the Fault is recognized and appropriate action is taken. MAX_FLTA_COUNT Defines count for overcurrent Fault recognition. MAX_FLTB_COUNT Defines count for overvoltage Fault recognition. MAX_JUNCTION_TEMP Defines limit for overtemperature Fault. MAX_TEMP_FILT_COUNT Defines count for overtemperature Fault recognition. TMR1L_COUNT and TMR1H_COUNT Defines overflow rate for Timer1. In the present application, it is set for 5 ms. PARAMETER_BUFFER_SIZE Defines array size for storing various compile-time parameters as well as run-time parameters. It is set at 0x35 (do not change this value). TABLE 4: VARIABLES IN SVM FIRMWARE Name Description REQD_SPEED_REF Stores required motor speed set by the potentiometer. SET_SPEED_HZ Stores actual motor speed (Hz). RAMP_COUNT Stores count for Timer1 overflow. It is used for generating 1s time interval as required for acceleration/deceleration feature. CURRENT_R Stores either total DC bus current (when used with DC shunt current measurement) or R phase current (when used with phase current sensor). CURRENT_Y Stores Y phase current (when used with phase current sensor). CURRENT_B Stores B phase current (when used with phase current sensor). JUNCTION_TEMPH Stores junction temperature of the VSI switch. SECTOR_NO Stores present sector location of VS. MODULATION_INDEX Stores required amplitude of VS. VECTOR_ANGLE<MSB:LSB> Stores present vector angle of VS in a sector. TB_COUNT<MSB:LSB> Stores TB count as pointed by the vector angle. TA_COUNT<MSB:LSB> Stores TA count as pointed by the vector angle. HALF_T0_COUNT<MSB:LSB> Stores T0/2 count. TS_MINUS_HALF_T0<MSB:LSB> Stores TS – T0/2 count. TABLE_TB_COUNT<MSB:LSB> Stores array base address for TB count. PARAMETER_BUFFER Stores array base address for compile-time and run-time parameters. DS00955A-page 12 © 2005 Microchip Technology Inc.
  • 13.
    AN955 TABLE 5: FUNCTIONS IN SVM FIRMWARE Name Description KEY_CHECK Checks the status of Run/Stop (SW1) and Fwd/Rev (SW2) keys. PROCESS_KEY_PRESSED Acts on command issued by the last pressed key. FAULT_CHECK Checks for various Faults (overcurrent, overvoltage, overtemperature) and acts if any Fault is recognized. CONVERT_MANUAL_COUNT_TO_HZ Converts the potentiometer setting into the required motor speed (Hz) and sets the modulation index (m). RAMP_SPEED Implements the acceleration/deceleration feature. CALCULATE_UPDATE_STEP_SIZE Calculates new vector update step size depending on the motor speed. ISR_PWM Responds to setting of PTIF. This routine rotates by vector angle update step size and calculates new duty cycle values for all phases (R, Y and B). ISR_ADC Responds to setting of ADIF. This routine reads the potentiometer setting, phase currents and junction temperature of the VSI switch and stores them at appropriate locations. ISR_TMR1 Responds to setting of TMR1IF. This routine reloads Timer1 for 5 ms overflow rate and increments RAMP_COUNT by 1 for generating a one-second interval (required for the acceleration/deceleration feature). This routine also blinks all LEDs at start when no key is pressed. © 2005 Microchip Technology Inc. DS00955A-page 13
  • 14.
    AN955 RESOURCE USAGE CONCLUSION The SVM control application consumes CPU VF control using the SVM in the open loop is more resources, as shown in Table 6. Substantial CPU energy efficient compared to the Sine PWM. With an resources, especially memory and processing time, on-chip dedicated motor control peripheral like the are still available to users for the development of their power control PWM module and the rich instruction set, own applications. the PIC18FXX31 is well suited to give a low-cost solution, implementing the VF control using the SVM TABLE 6: RESOURCES USED IN THE algorithm for the 3-phase AC induction motor control. In MOTOR CONTROL DEMO addition, the on-chip resources, such as the ADC and BOARD (USING PIC18F4431) the multiple timers, allow users to implement other con- trol (acceleration and deceleration) and protection Available to User (overcurrent, overvoltage, overtemperature) features. Resource Type Used when PIC18F4431 is Used REFERENCES Program Memory 1942 bytes 14442 bytes R. Parekh, AN887, “AC Induction Motor Fundamentals” Data Memory 93 bytes 675 bytes (DS00887). Microchip Technology Inc., 2003. EEPROM 44 bytes 212 bytes P. Yedamale, AN843, “Speed Control of 3-Phase PWM Channels 6 2 Induction Motor Using PIC18 Microcontrollers” CCP/Fault Input 2 0 (DS00843). Microchip Technology Inc., 2002. Channels R. Parekh, AN889, “VF Control of 3-Phase Induction ADC Channels 5 4 Motors Using PIC16F7X7 Microcontrollers” EUSART 0 1 (DS00889). Microchip Technology Inc., 2004. QEI Module 0 1 “PICDEM™ MC Development Board for PIC18FXX31 Timers 1 3 User’s Guide” (DS51453). Microchip Technology Inc., 2004. External Interrupts 0 3 I/O Lines 20 16 CPU Processing ~27% ~63% Time (FPWM = 20 kHz, FOSC = 40 MHz) Resource utilization, as mentioned in Table 6, is for a general purpose, relocatable code implementing the VF control using the SVM algorithm on PIC18F4431 with 14-bit PWM resolution. A customized solution with only 8-bit PWM resolution can conceivably result in an additional 10% savings in CPU processing time. DS00955A-page 14 © 2005 Microchip Technology Inc.
  • 15.
    AN955 APPENDIX A: PICDEM™ MC BOARD TECHNICAL INFORMATION FIGURE A-1: PICDEM™ MC DEVELOPMENT BOARD FUNCTIONAL BLOCK DIAGRAM ICD Connector Potentiometer RS-232 RS-232 User Interface Connector Push Buttons Hall Sensor PIC18FXX31 Isolated Connector Control LEDs Section Quad Encoder Connector Comparator PCPWM Voltage Monitor Current Phase Current Monitor Monitors Optoisolators Temperature Monitor Back EMF Conditioner PCPWM Motor Terminal Block IRAMS10UP60A Gate Driver and 3-Phase Inverter Power Terminal Block VBUS +5 VDC DC Power +5 VAC Switcher +15 VAC D GND A GND AC Bridge Rectifier © 2005 Microchip Technology Inc. DS00955A-page 15
  • 16.
    +5 VD MCLR +5 VD R40 470 RESET R41 C25 C26 +5 VA S2 10K R30 0.1 μF 0.1 μF FIGURE A-2: 4 1 PWM4 PWM5 R42 300 AN955 3 2 U3 JP3 DS00955A-page 16 1 C22 2K 1 40 U5 R28 0.1 μF C27 MCLR/VPP RB7/PGD RB7 2 2 39 1 AN1 8 1K R29 CF1 RA0/AN0 RB6/PGC RB6 3 VCC 1K 3 38 2 CA1 7 0.1 μF VREF RA1/AN1 RB5/PWM4 V01 HIN3 4 37 3 CA2 6 INDX RA2/AN2/VREF- RB4/PWM5 PWM5 V02 LIN3 5 36 4 AN2 5 QEA RA3/AN3/VREF+ RB3/PWM3 PWM3 R34 GND +5 VD 6 35 QEB RA4/CAP3 RB2/PWM2 PWM2 300 7 34 TLP2630/ RA5 RA5/AN5/LVDIN RB1/PWM1 PWM1 SFH6326 R44 8 33 +5 VD CF2 RE0/AN6 RB0/PWM0 PWM0 2K 9 32 CF3 RE1/AN7 VDD SW2 (FWD/REV) 10 31 RE2 RE2/AN8 VSS PWM2 +5 VA 11 30 SW2 R33 300 R98 VDD RD7/PWM7 R43 12 29 4.7K VSS RD6/PWM6 SW1 PWM3 S4 100 13 28 R35 300 R97 OSC1 OSC1/CLKI/RA7 RD5 4 1 C23 SW2 14 27 R31 OSC2 OSC2/CLKO/RA6 RD4/FLTA RD4 U7 0.1 μF 3 2 4.7K 15 26 1K RD5 RC0 RC0/T1OSO/T1CKI RC7/RX/DT RX 1 AN1 8 R32 16 25 VCC 1K RC1 RC1/T1OSI/CCP2 RC6/TX/CK/SS TX 2 CA1 7 17 24 V01 HIN2 FAULTB RC2/CCP1 RC5/INT2 INT2 3 CA2 6 18 23 V02 LIN2 INT0 RC3/INT0 RC4/INT1 INT1 4 AN2 5 19 22 GND RD0 RD0/T0CKI/GPCKI RD3/SCK/SCL RD3 20 21 TLP2630/ RD1 RD1/SDO RD2/SDI/SDA RD2 +5 VD SFH6326 PIC18F4431 PWM0 +5 VA SW1 (ON/OFF) R38 300 R95 PWM1 4.7K R39 300 R36 S3 C24 U8 1K 4 1 R96 0.1 μF SW1 1 AN1 8 R37 3 2 4.7K VCC 1K 2 CA1 7 V01 HIN1 3 CA2 6 V02 LIN1 4 AN2 5 GND TLP2630/ SFH6326 +5 VD +5 VD C17 +5 VD R24 RC1 0.1 μF 1M JP1 R25 2 1 8 U4:A C21 C18 R27 2.8K 1 2 ISOLATORS, CURRENT COMPARATOR AND ASSOCIATED PARTS) FAULTC 220 μF 25V 0.1 μF 4.7K 3 MCP6002 8-DIP 3 4 C53 C19 C52 C54 33 pF RD4 0.1 μF 33 pF R26 33 pF BOARD SCHEMATIC, PART 1 (PIC18F4X31 MICROCONTROLLER, PCPWM 4.7K © 2005 Microchip Technology Inc.
  • 17.
    +5 VD +5 VD C45 C44 U18 1 μF +5 VD 1 μF FIGURE A-3: 2 VCC 16 V+ PIN1 U19 1 PIN6 11 14 6 TX T1IN PIN2 PIC18F2431 2 PIN7 10 7 7 T2IN PIN3 1 28 3 PIN8 INDX MCLR MCLR/RE3 RB7 RB7 8 PIN4 2 27 4 PIN9 CF1 RA0/AN0 RB6 RB6 12 13 9 JP9 RX A1OUT A1IN PIN5 © 2005 Microchip Technology Inc. 1 3 26 5 VREF RA1/AN1 PWM4 PWM4 9 8 A1OUT A2IN J14 2 4 25 RA2/VREF- PWM5 PWM5 3 5 24 QEA RA3/VREF+ PWM3 PWM3 1 4 C1+ C2+ 6 23 C46 C43 QEB RA4/AN4 PWM2 PWM2 CF3 1 μF 1 μF 7 22 R107 VDD PWM1 PWM1 3 5 C1- C2- 10 ohm 8 21 VSS PWM0 PWM0 9 20 OSC1 OSC1/RA7 VDD 6 15 JP5 V- GND OSC2 10 19 SW2 C47 OSC2/RA6 VSS 1 μF 11 18 RC0 RC0 RC7 RX 12 17 MAX232 16-DIP RC1 RC1/CCP2 RC6 TX FAULTB 13 16 RC2/CCP1 RC5/INT2 SW1 14 15 JP6 INT0 RC3 RC4/INT1 INT2 INT1 OPTIONAL +5 VD +5 VD R106 +5 VD 50 R100 D22 D21 1N4007 100K 1N4007 R99 100K RD0 OSC2 R101 U17 D24 C42 1K Y1 39V 0.1 μF OSC1 1 RXD FAULT/SLPS 8 +5 VD RX J13 2 CS/WAKE VBAT 7 1 HC – 49US RD1 C48 C49 3 VDD 2 LIN 6 33 pF 33 pF 4 TXD VSS 5 3 TX D23 C41 27V 0.1 μF MCP201 BOARD SCHEMATIC, PART 2 (PIC18F2X31 MICROCONTROLLER SOCKET, USART, CLOCK OSCILLATOR NETWORK AND OPTIONAL LIN INTERFACE) DS00955A-page 17 AN955
  • 18.
    FIGURE A-4: AN955 DS00955A-page 18 +5 VD J8 J7 J9 J10 J11 J12 1 1 1 1 1 CF1 ICD 1 PWM0 RC0 RD2 CF2 2 MCLR 2 2 2 2 VREF 2 PWM1 RC1 RD3 CF3 3 3 3 3 3 INDX 3 PWM2 FAULTB INT1 RE2 4 4 4 4 QEA 4 PWM3 INT0 INT2 5 RB7 5 5 5 QEB 5 PWM5 RD0 TX 6 RB6 6 6 6 RA5 6 PWM4 RD1 RX 7 7 RB6 RD4 8 8 RB7 RD5 9 SW1 10 SW2 CONNECTORS, MONITOR LEDS) +5 VD +5 VD +5 VD +5 VD D17 J2 J3 R102 1 R15 1 R21 R18 1K RD0 10K 10K INDX 470 2 2 3 3 R19 1K D18 INT0 QEA R103 4 4 RD1 INT1 5 5 R20 1K 470 JP4 INT2 QEB R17 D19 10K R104 R23 R16 10K R22 RD2 10K 10K 470 +5 VD +5 VD D20 +5 VD +5 VD R105 RC0 470 BOARD SCHEMATIC, PART 3 (SENSOR AND MICROCONTROLLER HEADER © 2005 Microchip Technology Inc.
  • 19.
    R56 FIGURE A-5: 100K +5 VA +5 VA C36 0.1 μF R59 C31 4 4.7K +5 VD 2 -INA 0.1 μF R54 1 100K R69 C29 3 U12:A R46 +INA U13 © 2005 Microchip Technology Inc. 0.1 μF INT0 10K MCP6544 R48 1K R47 11 1 AN1 1 VCC 8 1K OPERATION) 300 2 CA1 V01 7 2 JP11 R73 R75 R76 R77 R74 3 CA2 V02 6 3 LEG1 R63 4 AN2 560K 560K 560K 22K 22K GND 5 INDX 1M R60 TLP2630/ INT1 C32 +5 VA 1 4.7K SFH6326 R55 0.1 μF 2 100K 6 -INB JP10 R49 3 7 R70 5 300 QEA +INB U12:B 10K MCP6544 R78 R80 R81 R82 R79 LEG2 R64 +5 VD 560K 560K 560K 22K 22K 1M C33 R61 C30 0.1 μF +5 VA R51 R109 U14 0.1 μF INT2 4.7K R52 1K R53 100K 9 1 AN1 VCC 8 1 -INC 1K 8 300 2 CA1 2 V01 7 JP8 R71 10 3 CA2 3 +INC U12:C V02 6 10K MCP6544 4 AN2 GND 5 R83 R85 R86 R87 R84 QEB LEG3 R65 TLP2630/ 560K 560K 560K 22K 22K 1M SFH6326 R113 C34 R62 1K 0.1 μF +5 VA 4.7K R72 13 FAULTB +5 VA -IND 10K 14 R50 12 U12:D 300 +IND R88 R90 R91 R92 R89 VBUS + MCP6544 560K 560K 560K 27K 30K R67 R66 JP2 27K C35 1M R68 0.1 μF 30K BOARD SCHEMATIC, PART 4 (SIGNAL CONDITIONER FOR SENSORLESS BLDC DS00955A-page 19 AN955
  • 20.
    FIGURE A-6: AN955 DS00955A-page 20 U15 IRAMS10UP60A C37 10 μF 16V +5 VA VB3 1 VS3 W 2 C55 NC 3 C38 10 μF 16V 0.1 μF VB2 4 U11:A +5 VA VS2 V 5 MCP6002 8-DIP U11:B NC 2 8 MCP6002 8-DIP 6 C39 10 μF 16V VB1 1 R117 6 R118 U20 7 VS1 R111 360 R119 8 U 3 51K 1% 7 1 -LED 8 ISM N/C NC 1K 4 5 7 51K 1% 9 F2 2 +LED N/C CURRENT MEASUREMENT) V+ VBUS+ 6 6 10 R116 C58 3 VCCT VCC2 NC FUSE 6.3X32 C56 C57 100 pF 5 7 11 4 I1 I2 DC- 33 pF 4.7 nF R112 91K 12 5 R110 10K DC- LOC111 8-DIP 13 DC- 0.05R/3W U4:B R120 14 H1 HIN1 DC- MCP6002 8-DIP 470 15 H2 HIN2 16 H3 HIN3 17 +5 VD L1 LIN1 18 JP7 L2 LIN2 19 L3 LIN3 20 R93 CF1 ITRIP 21 R94 VCC 300 22 +15 VA 1K VSS U16 23 R108 R115 1 +LED 4.3K COL 4 RE2 2 -LED EMT 3 1K SFH618 BOARD SCHEMATIC, PART 5 (3-PHASE INVERTER POWER MODULE AND SHUNT © 2005 Microchip Technology Inc.
  • 21.
    FIGURE A-7: J6 © 2005 Microchip Technology Inc. 1 R 2 Y 3 B 4 G EARTH LEG1 LEG2 LEG3 OPTIONAL OPTIONAL OPTIONAL R45 FAULTC 2.6K C28 D12 D13 D14 33 pF 1N4448 1N4448 1N4448 CURRENT TRANSDUCER CIRCUITRY) U9 U10 U6 R122 R123 IN6 6 IN5 5 IN4 4 IN6 6 IN5 5 IN4 4 R121 CF2 7 OUT CF3 7 OUT IN6 6 IN5 5 IN4 4 7 OUT CF1 1K 8 0V LTS15-NP Load R125 1K 8 0V LTS15-NP Load R126 1K 8 0V LTS15-NP Load R124 0.01R, 1/2W 0.01R, 1/2W 0.01R, 1/2W C50 9 +5V instead of U9 9 +5V instead of U10 9 +5V instead of U6 IN3 IN2 33 μF 35V IN3 IN2 3 IN3 2 IN2 1 IN1 3 2 1 IN1 3 2 1 IN1 +5 VD C51 +5 VD 0.1 μF +5 VD U V W BOARD SCHEMATIC, PART 6 (MOTOR TERMINAL BLOCK AND OPTIONAL DS00955A-page 21 AN955
  • 22.
    J1 VBUS+ T1 FIGURE A-8: DC- DC+ G N L L1 E3 +5 VA TRANSFORMER TSD-877 D3 AN955 R2 DS00955A-page 22 AC INPUT 1 ohm 3W 10 μH 11DQ10 6 5 4 3 2 1 C15 C2 R3 2.2 nF C3 4.7 μF 400V 47K C4 400V 1 8 100 μF 25V 47 μF 16V EARTH 3 7 DC- C1 DC- 2 470 μF 250V 6 D1 4 10 1 R1 GBPC2506C 5 9 D11 E4 NTC L2 SHORTING LINK 1N4937 D5 4 AC2 2 2 1 AC1 +15 VA J17 10 μH 11DQ10 F1 216010 C5 C8 C9 47 μF 25V E5 3 100 μF 25V 470 μF 250V E6 RV1 D6 L3 +5 VD D8 10 μH R5 11DQ10 DC- C11 C10 27 ohm R9 R8 C6 1N4148 100 μF 25V 47 μF 25V R6 1K 4.7K C16 33 μF 25V 470 ohm 0.01 μF 270 VAC U2 R4 6 NC 150K A 1 R7 D9 C14 4.7K R10 1N4148 5 E CA 2 D10 4.7K 0.1 μF DC- 4 1 3 C R13 MOC8101 OCP/FB 2.4K C7 5 D2 BOARD SCHEMATIC, PART 7 (POWER SUPPLY) VCC 56 pF 4 D4 TL431 U1 D 3 GND 1N4148 R14 2 E7 IRIS4009-HORZ S C13 10 ohm DC- 1 C12 47 pF 220 pF DC- D7 1N5818 R11 750 ohm DC- R12 1.3 ohm DC- DC- © 2005 Microchip Technology Inc.
  • 23.
    AN955 TABLE A-1: SIGNALS USED IN THE PICDEM™ MC SCHEMATIC Signal Name Function +15 VA Non-isolated DC supply voltage for power components. +5 VD Isolated supply voltage for digital components. CF1, CF2 or CF3 Current feedback signal from designated motor phase winding. CF can also represent total motor current when current transducer measurement is used. DC- DC bus return path. FAULTB PCPWM Fault signal input (overvoltage). FAULTC Fault signal input from comparator (overcurrent). HIN1, HIN2 or HIN3 Upper leg input for designated phase to 3-phase inverter (isolated signal). INDX Index position signal to QEI inputs on microcontroller. INT0, INT1 or INT2 Hall effect sensor signal to interrupt-on-change inputs on microcontroller. LEG1, LEG2 or LEG3 Current transducer signal for designated motor winding phase. LIN1, LIN2 or LIN3 Lower leg input for designated phase to 3-phase inverter (isolated signal). MCLR Microcontroller hardware Reset. PWM0 through PWM5 PCPWM waveform outputs from microcontroller. QEA, QEB Quadrature encoder sensor signals to QEI inputs on microcontroller. RAn, RBn, RCn, RDn or REn Bit n of the designated port of the microcontroller. RX and TX RS-232 serial receive and transmit. SW1, SW2 Push button input from designated switch to microcontroller. U, V, W Drive level output from inverter power module to motor. VBUS+ DC high voltage to inverter power module. VREF External reference voltage for overcurrent detect. © 2005 Microchip Technology Inc. DS00955A-page 23
  • 24.
    AN955 APPENDIX B: SINE PWM APPENDIX C: MOTOR CONTROL The Sine PWM is implemented using a VSI as shown MADE EASY in Figure 2. To assist motor control developers, Microchip has At any instant, either the top or the bottom switch of a developed the PICDEM™ MC Development Board half bridge is on. Hence, the resultant phase-to-virtual based on the PIC18FXX31. This demo board has all neutral point ‘O’ (VRO, VYO and VBO) can be the necessary hardware for a range of motor control, represented as: for example, AC Induction motor, BLDC motor and Stepper motor. Various control algorithms have been EQUATION B-1: developed using the demo board to assist users in developing motor control application. Also, a PC-based VDC × V (where = R, Y, B) Vio = if i GUI has been developed for helping users in con- 2 figuring different motor control parameters and giving real-time capability to monitor the motor speed, the Vif represents the 3-phase waveforms in space with 120° 3-phase currents and temperature. (2π/3) phase shift between them. Each phase waveform can be represented as shown in Equation B-2: All source code and the motor control GUI are free to use and can be downloaded from the Microchip web EQUATION B-2: site at: VRf = m × sinθ www.microchip.com. VYf = m × sin(θ + 2π/3) VBf = m × sin(θ + 4π/3) Substituting Equation B-2 into Equation B-1, we get: EQUATION B-3: VDC (m × sinθ) VRO = 2 VDC (m × sin(θ + 2π/3)) VYO = 2 VDC (m × sin(θ + 4π/3)) VBO = 2 The resultant line-to-line output voltage is given as: EQUATION B-4: √3 × VDC × m × sin(θ + π/6) VRY = VRO – VYO = 2 √3 × VDC × m × sin(θ + (5π)/6) VYB = 2 √3 × VDC × m × sin(θ + 3π/2) VRB = 2 From Equation B-4, it is clear that the maximum line-to- line voltage in the linear operating range is achieved when m = 1. EQUATION B-5: √3 × VDC Maximum line-to-line voltage = 2 This clearly shows that in Sine PWM, the VDC utilization is less than 90% (~86.6%) in the linear operating range. DS00955A-page 24 © 2005 Microchip Technology Inc.
  • 25.
    Note the followingdetails of the code protection feature on Microchip devices: • Microchip products meet the specification contained in their particular Microchip Data Sheet. • Microchip believes that its family of products is one of the most secure families of its kind on the market today, when used in the intended manner and under normal conditions. • There are dishonest and possibly illegal methods used to breach the code protection feature. All of these methods, to our knowledge, require using the Microchip products in a manner outside the operating specifications contained in Microchip’s Data Sheets. Most likely, the person doing so is engaged in theft of intellectual property. • Microchip is willing to work with the customer who is concerned about the integrity of their code. • Neither Microchip nor any other semiconductor manufacturer can guarantee the security of their code. Code protection does not mean that we are guaranteeing the product as “unbreakable.” Code protection is constantly evolving. We at Microchip are committed to continuously improving the code protection features of our products. Attempts to break Microchip’s code protection feature may be a violation of the Digital Millennium Copyright Act. If such acts allow unauthorized access to your software or other copyrighted work, you may have a right to sue for relief under that Act. Information contained in this publication regarding device Trademarks applications and the like is provided only for your convenience The Microchip name and logo, the Microchip logo, Accuron, and may be superseded by updates. It is your responsibility to dsPIC, KEELOQ, microID, MPLAB, PIC, PICmicro, PICSTART, ensure that your application meets with your specifications. PRO MATE, PowerSmart, rfPIC, and SmartShunt are MICROCHIP MAKES NO REPRESENTATIONS OR WAR- registered trademarks of Microchip Technology Incorporated RANTIES OF ANY KIND WHETHER EXPRESS OR IMPLIED, in the U.S.A. and other countries. WRITTEN OR ORAL, STATUTORY OR OTHERWISE, RELATED TO THE INFORMATION, INCLUDING BUT NOT AmpLab, FilterLab, Migratable Memory, MXDEV, MXLAB, LIMITED TO ITS CONDITION, QUALITY, PERFORMANCE, PICMASTER, SEEVAL, SmartSensor and The Embedded MERCHANTABILITY OR FITNESS FOR PURPOSE. Control Solutions Company are registered trademarks of Microchip disclaims all liability arising from this information and Microchip Technology Incorporated in the U.S.A. its use. Use of Microchip’s products as critical components in Analog-for-the-Digital Age, Application Maestro, dsPICDEM, life support systems is not authorized except with express dsPICDEM.net, dsPICworks, ECAN, ECONOMONITOR, written approval by Microchip. No licenses are conveyed, FanSense, FlexROM, fuzzyLAB, In-Circuit Serial implicitly or otherwise, under any Microchip intellectual property Programming, ICSP, ICEPIC, MPASM, MPLIB, MPLINK, rights. MPSIM, PICkit, PICDEM, PICDEM.net, PICLAB, PICtail, PowerCal, PowerInfo, PowerMate, PowerTool, rfLAB, rfPICDEM, Select Mode, Smart Serial, SmartTel, Total Endurance and WiperLock are trademarks of Microchip Technology Incorporated in the U.S.A. and other countries. SQTP is a service mark of Microchip Technology Incorporated in the U.S.A. All other trademarks mentioned herein are property of their respective companies. © 2005, Microchip Technology Incorporated, Printed in the U.S.A., All Rights Reserved. Printed on recycled paper. Microchip received ISO/TS-16949:2002 quality system certification for its worldwide headquarters, design and wafer fabrication facilities in Chandler and Tempe, Arizona and Mountain View, California in October 2003. The Company’s quality system processes and procedures are for its PICmicro® 8-bit MCUs, KEELOQ® code hopping devices, Serial EEPROMs, microperipherals, nonvolatile memory and analog products. In addition, Microchip’s quality system for the design and manufacture of development systems is ISO 9001:2000 certified. © 2005 Microchip Technology Inc. DS00955A-page 25
  • 26.
    WORLDWIDE SALES ANDSERVICE AMERICAS ASIA/PACIFIC ASIA/PACIFIC EUROPE Corporate Office Australia - Sydney India - Bangalore Austria - Weis 2355 West Chandler Blvd. Tel: 61-2-9868-6733 Tel: 91-80-2229-0061 Tel: 43-7242-2244-399 Chandler, AZ 85224-6199 Fax: 61-2-9868-6755 Fax: 91-80-2229-0062 Fax: 43-7242-2244-393 Tel: 480-792-7200 China - Beijing Denmark - Ballerup India - New Delhi Fax: 480-792-7277 Tel: 86-10-8528-2100 Tel: 45-4450-2828 Tel: 91-11-5160-8631 Technical Support: Fax: 86-10-8528-2104 Fax: 45-4485-2829 Fax: 91-11-5160-8632 http://support.microchip.com China - Chengdu Japan - Kanagawa France - Massy Web Address: Tel: 86-28-8676-6200 Tel: 81-45-471- 6166 Tel: 33-1-69-53-63-20 www.microchip.com Fax: 86-28-8676-6599 Fax: 81-45-471-6122 Fax: 33-1-69-30-90-79 Atlanta Alpharetta, GA China - Fuzhou Korea - Seoul Germany - Ismaning Tel: 86-591-8750-3506 Tel: 82-2-554-7200 Tel: 49-89-627-144-0 Tel: 770-640-0034 Fax: 86-591-8750-3521 Fax: 82-2-558-5932 or Fax: 49-89-627-144-44 Fax: 770-640-0307 China - Hong Kong SAR 82-2-558-5934 Italy - Milan Boston Tel: 852-2401-1200 Tel: 39-0331-742611 Westborough, MA Singapore Fax: 852-2401-3431 Tel: 65-6334-8870 Fax: 39-0331-466781 Tel: 774-760-0087 Fax: 774-760-0088 China - Shanghai Fax: 65-6334-8850 Netherlands - Drunen Tel: 86-21-5407-5533 Taiwan - Kaohsiung Tel: 31-416-690399 Chicago Fax: 86-21-5407-5066 Tel: 886-7-536-4818 Fax: 31-416-690340 Itasca, IL Tel: 630-285-0071 China - Shenyang Fax: 886-7-536-4803 England - Berkshire Fax: 630-285-0075 Tel: 86-24-2334-2829 Tel: 44-118-921-5869 Taiwan - Taipei Fax: 86-24-2334-2393 Tel: 886-2-2500-6610 Fax: 44-118-921-5820 Dallas Addison, TX China - Shenzhen Fax: 886-2-2508-0102 Tel: 972-818-7423 Tel: 86-755-8203-2660 Taiwan - Hsinchu Fax: 972-818-2924 Fax: 86-755-8203-1760 Tel: 886-3-572-9526 Detroit China - Shunde Fax: 886-3-572-6459 Farmington Hills, MI Tel: 86-757-2839-5507 Tel: 248-538-2250 Fax: 86-757-2839-5571 Fax: 248-538-2260 China - Qingdao Kokomo Tel: 86-532-502-7355 Kokomo, IN Fax: 86-532-502-7205 Tel: 765-864-8360 Fax: 765-864-8387 Los Angeles Mission Viejo, CA Tel: 949-462-9523 Fax: 949-462-9608 San Jose Mountain View, CA Tel: 650-215-1444 Fax: 650-961-0286 Toronto Mississauga, Ontario, Canada Tel: 905-673-0699 Fax: 905-673-6509 03/01/05 DS00955A-page 26 © 2005 Microchip Technology Inc.