A Mini Project Report on
VARIABLE SUSPENSION BY CONTROL
SYSTEMS
Submitted by
B.NAGA MOHAN 160106049
A.V.K.TEJA 160106001
A.SURYA MANIDEEP 160106008
CH.BHOOPATHI 160106058
A.V. SUBRAHMANYAM 160106015
G.S.S.SWAROOP 160106071
CH.SRI SAI THARUN 160106054
B.VIJAY RAGHAVA 160106035
Under the esteemed guidance of
Sri M.ANIL KUMAR, ME
Assistant Professor
DEPARTMENT OF MECHANICAL ENGINEERING
S.R.K.R. ENGINEERING COLLEGE
(Affiliated to Andhra University, Visakhapatnam)
(Recognized by All India Council for Technical Education, New Delhi)
(Accredited by NAAC ‘A’ Grade with 3.60 CGPA)
(Recognized as Scientific and Industrial Research Organization)
CHINA AMIRAM (P.O):: BHIMAVARAM-534 204
2016-2020
S.R.K.R. ENGINEERING COLLEGE
(Affiliated to Andhra University, Visakhapatnam)
(Recognized by All India Council for Technical Education, New Delhi)
(Accredited by NAAC ‘A’ Grade with 3.60 CGPA)
(Recognized as Scientific and Industrial Research Organization)
CHINA AMIRAM (P.O)::BHIMAVARAM-534 204
DEPARTMENT OF MECHANICAL ENGINEERING
Certificate
Certified that mini project titled “VARIABLE SUSPENSION BY CONTROL
SYSTEMS” is a bonafied record of work done by the following students of III/IV
B.Tech. Second Semester during the academic year 2018-2019 in the Department of
Mechanical Engineering. Submitted for the University Semester End Examination held
on _____________________ at S.R.K.R. Engineering College, Chinnamiram,
Bhimavaram-534204.
Guide:
Sri M.ANIL KUMAR, M.E.
Assistant Professor.
HOD:
Dr. K. Brahma Raju, M.E., Ph. D.
Professor & Head of the
Department.
ACKNOWLEDGEMENT
The satisfaction that accompanies the successful completion of any task would be
incomplete without the mention of the people who made it possible and whose constant
guidance and encouragement crown all the efforts success.
I thank my guide Sri M.ANIL KUMAR, Assistant Professor in Department of
Mechanical Engineering for his support in completion of my Dissertation. I wish to express my
sincere thanks to Dr. K. Brahma Raju, Head of the Department and all faculty members of
Department of Mechanical Engineering.I also express my sincere gratitude to our Principal
Dr. G. P. Saradhi Varma and Management members of S.R.K.R. Engineering College for
providing me the facilities to complete the Dissertation.
I am grateful to S.R.K.R. Engineering College for giving the opportunity to fulfill my
aspirations and for successful completion of degree.
Last but not least, I express my heartful thanks to all my staff and friends for their
constant support, encouragement and valuable contribution in the completion of this work.
PROJECT ASSOCIATES
B.NAGAMOHAN
A.V.K.TEJA
A.S.MANIDEEP
CH.BHOOPATHI
A.V.
SUBRAHMANYAM
G.S.S.SWAROOP
CH.SRI SAI
THARUN
B.VIJAY
RAGHAVA
ABSTRACT
The objective is to reduce a amplitudeand settling
time of oscillationsof a automobilesuspension system
when it is subjected to step response due to the bumps
and holes in the roads. The automobile body
shouldn’t have large oscillationsand should dissipate
quickly.
The road disturbance in this problem will be
simulated by a step input. This step could represent the
automobile coming out of a pot hole.
KEY WORDS:
Step response
Bode plot.
CONTENTS
TITLE Pg.No
Certificate
Acknowledgement
Abstract
Contents
List of figures
List of tables
CHAPTER 1: INTRODUCTION
CHAPTER 2: SYSTEM MODELING
CHAPTER 3: SYSTEM ANALYSIS
CHAPTER 4: FREQUENCY RESPONSE CONTROLLER DESIGN
CHAPTER 5: STATE-SPACE CONTROLLER DESIGN
CHAPTER 6: DIGITAL CONTROLLER DESIGN
CHAPTER7: SIMULINK MODELING AND CONTROLLER DESIGN
CONCLUSION
REFERENCES.
INTRODUCTION
The first step in the control design process is to develop appropriate
mathematical models of the system to be controlled. These models
may be derived either from physical laws or experimental data. In this
section, we introduce the state-space and transfer function
representations of dynamic systems. We then review some basic
approaches to modeling mechanical and electrical systems and show
how to generate these models in MATLAB for further analysis.
Dynamic systems: systems that change or evolve in time according
to a fixed rule. For many physical systems, this rule can be stated as a
set of first-order.
Mechanical Systems:
Newton's laws of motion form the basis for analyzing mechanical
systems.
Newton’s second law, Equation (11), states that the sum of the forces
acting on
a body equals the product of its mass and acceleration. Newton's third
law, for our purposes, states that if two bodies are in contact, then they
experience the same magnitude contact force, just acting in opposite
directions.
SYSTEM MODELING
Designing an automotive suspension system is an
interesting and challenging
control problem. When the suspension system is designed, a 1/4
model (one of
the four wheels) is used to simplify the problem to a 1D
multiple spring-damper
system. A diagram of this system is shown below. This model
is for an active
suspension system where an actuator is included that is able to
generate the
control force U to control the motion of the bus body.
SYSTEM PARAMETERS:
(M1) 1/4 bus body mass 2500 kg
(M2) suspension mass 320 kg
K1) spring constant of suspension system 80,000 N/m
(K2) spring constant of wheel and tire 500,000 N/m
(b1) damping constant of suspension system 350 N.s/m
(b2) damping constant of wheel and tire 15,020 N.s/m
(U) control force
EQUATIONS OF MOTION:
From the picture above and Newton's law,
we can obtain the dynamic equations as the following:
Entering equations in MATLAB:
MATLAB command we can generate the above transfer function models
in MATLAB by entering the following commands in the window.
M1 = 2500;
M2 = 320;
K1 = 80000;
K2 = 500000;
b1 = 350;
b2 = 15020;
s = tf('s');
G1=((M1+M2)*s^2+b2*s+K2)/((M1*s^2+b1*s+K1)*(M2*s^2+(b
1+b2)*s+(K1+K2))(b1*s+K1)*(b1*s+K1));
G2=(M1*b2*s^3M1*K2*s^2)/((M1*s^2+b1*s+K1)*(M2*s^2+(b1
+b2)*s+(K1+K2))(b1*s+K1)*(b1*s+K1));
SYSTEM ANALYSIS
OPEN-LOOP STEP RESPONSE:
We can use MATLAB to display how the
original open-loop system performs (without any feedback
control). Add the following commands into the m-file and run it in
the MATLAB command window to see the response of unit step
actuated force input, U(s). Note that the step command will
generate the unit step inputs for each input.
M1 = 2500;
M2 = 320;
K1 = 80000;
K2 = 500000;
b1 = 350;
b2 = 15020;
s = tf('s');
G1=
((M1+M2)*s^2+b2*s+K2)/((M1*s^2+b1*s+K1)*(M2*s^2+(b1+b
2)*s+(K1+K2))-(b1*s+K1)*(b1*s+K1));
step(G1)
From this graph of the open-loop response for a unit step
actuated force, we can see that the system is under-damped.
People sitting in the bus will feel very small amount of oscillation.
Moreover, the bus takes an unacceptably long time to reach the
steady state (the settling time is very large). Now enter the
following commands to see the response for a step disturbance
input, W(s), with magnitude 0.1 m.
G2=(-M1*b2*s^3-
M1*K2*s^2)/((M1*s^2+b1*s+K1)*(M2*s^2+(b1+b2)*s+
(K1+K2))-(b1*s+K1)*(b1*s+K1));
step(0.1*G2)
From this graph of the open-loop response for 10 cm
step disturbance, we can see that when the bus passes
a 10-cm bump on the road, the bus body will oscillate for
an unacceptably long time(~50 seconds) with an initial
amplitude of 8 cm. People sitting in the bus will not be
comfortable with such an oscillation due to the large
overshoot and long settling time.
The solution to these problems is to add a feedback
controller into the system to improve the performance.
FREQUENCY RESPONSE CONTROLLER DESIGN
We want to design a feedback controller
so that when the road disturbance(W) is simulated by a
unit step input, the output (X1-X2) has a settling time
less than 5 seconds and an overshoot less than 5%. For
example, when the bus runs onto a 10-cm step, the bus
body will oscillate within a range of +/- 5 mm and will
stop oscillating within 5 seconds.
m1 = 2500;
m2 = 320;
k1 = 80000;
k2 = 500000;
b1 = 350;
b2 = 15020;
nump=[(m1+m2) b2 k2];
denp=[(m1*m2) (m1*(b1+b2))+(m2*b1)
(m1*(k1+k2))+(m2*k1)+(b1*b2) (b1*k2)+(b2*k1) k1*k2];
G1=tf(nump,denp);
num1=[-(m1*b2) -(m1*k2) 0 0];
den1=[(m1*m2)(m1*(b1+b2))+(m2*b1)(m1*(k1+k2))+(m2*k1)
+(b1*b2) (b1*k2)+(b2*k1) k1*k2];
G2=tf(num1,den1);
numf=num1;
denf=nump;
F=tf(numf,denf);
PLOTTING THE FREQUENCY RESPONSE IN MATLAB:
The main idea of frequency-
based design is to use the Bode plot of the open-loop transfer
function to estimate the closed-loop response. Adding a
controller to the system changes the open-loop Bode plot so that
the closed-loop response will also change. Let's first draw the
Bode plot for the original open-loop transfer function. Add the
following line of code to your m-file and rerun. You should get the
following Bode plot:
w = logspace(-1,2);
bode(G1,w)
This normalization by adjusting the gain, , makes it
easier to add the components of the Bode plot. The
effect of is to move the magnitude curve up
(increasing ) or down (decreasing ) by an
amount , but the gain, , has no effect on the phase
curve. Therefore from the previous plot, must be equal
to 100 dB or 100,000 to move the magnitude curve up to
0 dB at 0.1 rad/s.
K=100000;
bode(K*G1,w)
ADDING LEAD CONTROL:
From the Bode plot above, we see that the phase curve is concave at
about 5 rad/sec.First, we will try to add positive phase around this region,
so that the phase will remain above the -180 degree line. Since a large
phase margin leads to a small overshoot, we will want to add at least 140
degrees of positive phase at the area near 5 rad/sec. Since one lead
controller can add no more than +90 degrees, we will use a two-lead
controller.
a = (1-sin(70/180*pi))/(1+sin(70/180*pi));
w=5;
T=1/(w*sqrt(a));
aT=sqrt(a)/w;
numc = conv([T 1], [T 1]);
denc = conv([aT 1], [aT 1]);
C = tf(numc,denc);
margin(K*C*G1)
PLOTTING THE CLOSED-LOOP RESPONSE:
Let's see what the step response looks like now. Keep in
mind that we are using a 0.1-m step as the disturbance. To simulate this,
simply multiply the system by 0.1. Add the following code into the m-file
and rerun it. Don't forget to put % mark in front of all bode and margin
commands!
t=0:0.01:5;
step(0.1*sys_cl,t)
axis([0 5 -.01 .01])
STATE-SPACE CONTROLLER DESIGN:
Designing the full state-feedback controller:
First, let's design a full state-
feedback controller for the system. Assuming for now that
all the states can be measured (this assumption is
probably not true but is sufficient for this problem), the
schematic of the system is shown below.
From the plot we see that the percent
overshoot and settling time requirements are satisfied.
Moreover the steady-state error approaches zero as
well.
DIGITAL CONTROLLER DESIGN
Sampling time selection:
The first step in the design of a discrete-time
controller is to convert the continuous plant to its discrete time equivalent.
First, we need to pick an appropriate sampling time, . In this example,
selection of sampling time is very important since a step in the road
surface very quickly affects the output. Physically, what happens is the
road surface suddenlylifts the wheel, compressing the spring,K2, and the
damper, b2. Since the suspension mass is relatively low, and the spring
fairly stiff, the suspension mass rises quickly, increasing X2 almost
immediately.Since the controllercan only see the effectof the disturbance
after a complete sampling period, we have to pick a sampling time, ,
short enough so that the output (X1-X2) does not exceed the 5%
requirementin one sampling period.To pickthe sampling period,we need
to closelyexamine the beginning of the step response.The output quickly
goes negative in response to a step disturbance, and then begins to
oscillate. We will simulate just the beginning of this response by setting
the time vector input to the step function to range from 0 to .005
DESIGNING THE CONTROLLER:
The structure of the controller is similar
to the structure of the continuous-time state-space controller. We
will now use the place command to compute the gain matrix, K,
which will, in feedback, give us the desired closed-loop poles.
SIMULATING THE CLOSED-LOOP RESPONSE:
We can use the step command to
simulate the closed-loop response. Since multiplying the state
vector by K in our controller only returns a single signal, U, we
need to add a row of zeros to K by multiplying it by [1 0]'. This is
identical to what was done in the continuous design to
compensate for the fact that there are two inputs to the plant, but
only one is a control input. We will simulate with a negative 0.1-
m step disturbance in the road to give us a positive deflection of
the bus for aesthetic reasons
d_sys_cl = ss(Ad-Bd*[1;0]*K,Bd,Cd,Dd,T);
step(-.1*d_sys_cl*[0;1],5);
SIMULINK MODELING
Upto now we designed the control system by using analytical methods
now we are modelling the suspensionby using the blockdiagram
method in simulink which is the part of matlab .
This is the block diagram when we double click the scope blockwe get
the following graph.
Now to reduce the settling time and amplitude we designthe controller In
SIMULINK
.
Closed-loop response:
To simulate this system, first, an appropriate simulation time must be set.
Select Model Configuration Parameters from the Simulation menu and enter "2" in
the Stop Time field. The design requirements included a settling time of less than 5
sec, and the system actually settles in 2 sec. The physical parameters must now be
set. Run the following commands at the MATLAB prompt:
m1 = 2500;
m2 = 320;
k1 = 80000;
k2 = 500000;
b1 = 350;
b2 = 15020;
The last step is to assign values to the feedback gain matrix K. Execute the following command at the MATLAB
prompt.
K = [ 0 2.3e6 5e8 0 8e6 ];
Run the simulation(Ctrl-T or Run from the Simulation menu).When the simulation is finished,double-click on the
Scope block and you should see the following output.
This
response agrees with the one found in state space controller design.
CONCLUSION :
Hence we design an automotive system controller by using
differentmethods which is combination of analyticaland block
diagram . Hence we reducethe oscillations below 5mm and
settling time of less than 5sec.now we have good suspension
system by having satisfactory road holdingability and providing
good comfortfor passengers
REFRENCES:
Modern control engineering by Katsuhiko ogata
Control system engineering by I J Nagrath , Madhan gopal……

Suspensioncontrollerdesignproject

  • 1.
    A Mini ProjectReport on VARIABLE SUSPENSION BY CONTROL SYSTEMS Submitted by B.NAGA MOHAN 160106049 A.V.K.TEJA 160106001 A.SURYA MANIDEEP 160106008 CH.BHOOPATHI 160106058 A.V. SUBRAHMANYAM 160106015 G.S.S.SWAROOP 160106071 CH.SRI SAI THARUN 160106054 B.VIJAY RAGHAVA 160106035 Under the esteemed guidance of Sri M.ANIL KUMAR, ME Assistant Professor DEPARTMENT OF MECHANICAL ENGINEERING S.R.K.R. ENGINEERING COLLEGE (Affiliated to Andhra University, Visakhapatnam) (Recognized by All India Council for Technical Education, New Delhi) (Accredited by NAAC ‘A’ Grade with 3.60 CGPA) (Recognized as Scientific and Industrial Research Organization) CHINA AMIRAM (P.O):: BHIMAVARAM-534 204 2016-2020 S.R.K.R. ENGINEERING COLLEGE
  • 2.
    (Affiliated to AndhraUniversity, Visakhapatnam) (Recognized by All India Council for Technical Education, New Delhi) (Accredited by NAAC ‘A’ Grade with 3.60 CGPA) (Recognized as Scientific and Industrial Research Organization) CHINA AMIRAM (P.O)::BHIMAVARAM-534 204 DEPARTMENT OF MECHANICAL ENGINEERING Certificate Certified that mini project titled “VARIABLE SUSPENSION BY CONTROL SYSTEMS” is a bonafied record of work done by the following students of III/IV B.Tech. Second Semester during the academic year 2018-2019 in the Department of Mechanical Engineering. Submitted for the University Semester End Examination held on _____________________ at S.R.K.R. Engineering College, Chinnamiram, Bhimavaram-534204. Guide: Sri M.ANIL KUMAR, M.E. Assistant Professor. HOD: Dr. K. Brahma Raju, M.E., Ph. D. Professor & Head of the Department.
  • 3.
    ACKNOWLEDGEMENT The satisfaction thataccompanies the successful completion of any task would be incomplete without the mention of the people who made it possible and whose constant guidance and encouragement crown all the efforts success. I thank my guide Sri M.ANIL KUMAR, Assistant Professor in Department of Mechanical Engineering for his support in completion of my Dissertation. I wish to express my sincere thanks to Dr. K. Brahma Raju, Head of the Department and all faculty members of Department of Mechanical Engineering.I also express my sincere gratitude to our Principal Dr. G. P. Saradhi Varma and Management members of S.R.K.R. Engineering College for providing me the facilities to complete the Dissertation. I am grateful to S.R.K.R. Engineering College for giving the opportunity to fulfill my aspirations and for successful completion of degree. Last but not least, I express my heartful thanks to all my staff and friends for their constant support, encouragement and valuable contribution in the completion of this work. PROJECT ASSOCIATES B.NAGAMOHAN A.V.K.TEJA A.S.MANIDEEP CH.BHOOPATHI A.V. SUBRAHMANYAM G.S.S.SWAROOP CH.SRI SAI THARUN
  • 4.
    B.VIJAY RAGHAVA ABSTRACT The objective isto reduce a amplitudeand settling time of oscillationsof a automobilesuspension system when it is subjected to step response due to the bumps and holes in the roads. The automobile body shouldn’t have large oscillationsand should dissipate quickly. The road disturbance in this problem will be simulated by a step input. This step could represent the automobile coming out of a pot hole. KEY WORDS: Step response Bode plot.
  • 5.
    CONTENTS TITLE Pg.No Certificate Acknowledgement Abstract Contents List offigures List of tables CHAPTER 1: INTRODUCTION CHAPTER 2: SYSTEM MODELING CHAPTER 3: SYSTEM ANALYSIS CHAPTER 4: FREQUENCY RESPONSE CONTROLLER DESIGN CHAPTER 5: STATE-SPACE CONTROLLER DESIGN CHAPTER 6: DIGITAL CONTROLLER DESIGN CHAPTER7: SIMULINK MODELING AND CONTROLLER DESIGN CONCLUSION REFERENCES.
  • 6.
    INTRODUCTION The first stepin the control design process is to develop appropriate mathematical models of the system to be controlled. These models may be derived either from physical laws or experimental data. In this section, we introduce the state-space and transfer function representations of dynamic systems. We then review some basic approaches to modeling mechanical and electrical systems and show how to generate these models in MATLAB for further analysis. Dynamic systems: systems that change or evolve in time according to a fixed rule. For many physical systems, this rule can be stated as a set of first-order. Mechanical Systems: Newton's laws of motion form the basis for analyzing mechanical systems. Newton’s second law, Equation (11), states that the sum of the forces acting on a body equals the product of its mass and acceleration. Newton's third law, for our purposes, states that if two bodies are in contact, then they experience the same magnitude contact force, just acting in opposite directions.
  • 8.
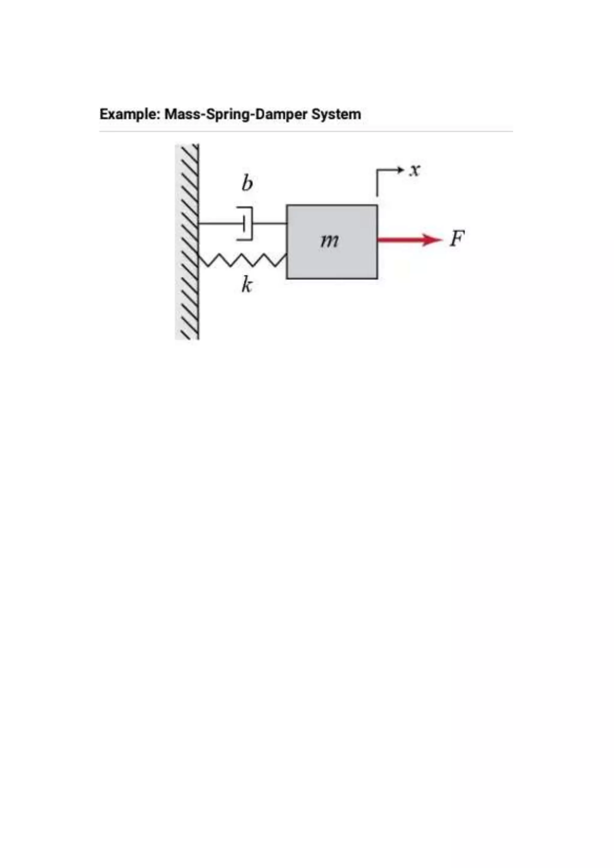
    SYSTEM MODELING Designing anautomotive suspension system is an interesting and challenging control problem. When the suspension system is designed, a 1/4 model (one of the four wheels) is used to simplify the problem to a 1D multiple spring-damper system. A diagram of this system is shown below. This model is for an active suspension system where an actuator is included that is able to generate the control force U to control the motion of the bus body.
  • 9.
    SYSTEM PARAMETERS: (M1) 1/4bus body mass 2500 kg (M2) suspension mass 320 kg K1) spring constant of suspension system 80,000 N/m (K2) spring constant of wheel and tire 500,000 N/m (b1) damping constant of suspension system 350 N.s/m (b2) damping constant of wheel and tire 15,020 N.s/m (U) control force EQUATIONS OF MOTION: From the picture above and Newton's law, we can obtain the dynamic equations as the following:
  • 10.
    Entering equations inMATLAB: MATLAB command we can generate the above transfer function models in MATLAB by entering the following commands in the window. M1 = 2500; M2 = 320; K1 = 80000; K2 = 500000; b1 = 350; b2 = 15020; s = tf('s'); G1=((M1+M2)*s^2+b2*s+K2)/((M1*s^2+b1*s+K1)*(M2*s^2+(b 1+b2)*s+(K1+K2))(b1*s+K1)*(b1*s+K1)); G2=(M1*b2*s^3M1*K2*s^2)/((M1*s^2+b1*s+K1)*(M2*s^2+(b1 +b2)*s+(K1+K2))(b1*s+K1)*(b1*s+K1));
  • 11.
    SYSTEM ANALYSIS OPEN-LOOP STEPRESPONSE: We can use MATLAB to display how the original open-loop system performs (without any feedback control). Add the following commands into the m-file and run it in the MATLAB command window to see the response of unit step actuated force input, U(s). Note that the step command will generate the unit step inputs for each input. M1 = 2500; M2 = 320; K1 = 80000; K2 = 500000; b1 = 350; b2 = 15020; s = tf('s'); G1= ((M1+M2)*s^2+b2*s+K2)/((M1*s^2+b1*s+K1)*(M2*s^2+(b1+b 2)*s+(K1+K2))-(b1*s+K1)*(b1*s+K1)); step(G1)
  • 12.
    From this graphof the open-loop response for a unit step actuated force, we can see that the system is under-damped. People sitting in the bus will feel very small amount of oscillation. Moreover, the bus takes an unacceptably long time to reach the steady state (the settling time is very large). Now enter the following commands to see the response for a step disturbance input, W(s), with magnitude 0.1 m. G2=(-M1*b2*s^3- M1*K2*s^2)/((M1*s^2+b1*s+K1)*(M2*s^2+(b1+b2)*s+ (K1+K2))-(b1*s+K1)*(b1*s+K1)); step(0.1*G2)
  • 13.
    From this graphof the open-loop response for 10 cm step disturbance, we can see that when the bus passes a 10-cm bump on the road, the bus body will oscillate for an unacceptably long time(~50 seconds) with an initial amplitude of 8 cm. People sitting in the bus will not be comfortable with such an oscillation due to the large overshoot and long settling time. The solution to these problems is to add a feedback controller into the system to improve the performance.
  • 14.
    FREQUENCY RESPONSE CONTROLLERDESIGN We want to design a feedback controller so that when the road disturbance(W) is simulated by a unit step input, the output (X1-X2) has a settling time less than 5 seconds and an overshoot less than 5%. For example, when the bus runs onto a 10-cm step, the bus body will oscillate within a range of +/- 5 mm and will stop oscillating within 5 seconds. m1 = 2500; m2 = 320; k1 = 80000; k2 = 500000;
  • 15.
    b1 = 350; b2= 15020; nump=[(m1+m2) b2 k2]; denp=[(m1*m2) (m1*(b1+b2))+(m2*b1) (m1*(k1+k2))+(m2*k1)+(b1*b2) (b1*k2)+(b2*k1) k1*k2]; G1=tf(nump,denp); num1=[-(m1*b2) -(m1*k2) 0 0]; den1=[(m1*m2)(m1*(b1+b2))+(m2*b1)(m1*(k1+k2))+(m2*k1) +(b1*b2) (b1*k2)+(b2*k1) k1*k2]; G2=tf(num1,den1); numf=num1; denf=nump; F=tf(numf,denf); PLOTTING THE FREQUENCY RESPONSE IN MATLAB: The main idea of frequency- based design is to use the Bode plot of the open-loop transfer function to estimate the closed-loop response. Adding a controller to the system changes the open-loop Bode plot so that the closed-loop response will also change. Let's first draw the Bode plot for the original open-loop transfer function. Add the following line of code to your m-file and rerun. You should get the following Bode plot: w = logspace(-1,2);
  • 16.
    bode(G1,w) This normalization byadjusting the gain, , makes it easier to add the components of the Bode plot. The effect of is to move the magnitude curve up (increasing ) or down (decreasing ) by an amount , but the gain, , has no effect on the phase curve. Therefore from the previous plot, must be equal to 100 dB or 100,000 to move the magnitude curve up to 0 dB at 0.1 rad/s. K=100000; bode(K*G1,w)
  • 17.
    ADDING LEAD CONTROL: Fromthe Bode plot above, we see that the phase curve is concave at about 5 rad/sec.First, we will try to add positive phase around this region, so that the phase will remain above the -180 degree line. Since a large phase margin leads to a small overshoot, we will want to add at least 140 degrees of positive phase at the area near 5 rad/sec. Since one lead controller can add no more than +90 degrees, we will use a two-lead controller. a = (1-sin(70/180*pi))/(1+sin(70/180*pi)); w=5; T=1/(w*sqrt(a)); aT=sqrt(a)/w; numc = conv([T 1], [T 1]); denc = conv([aT 1], [aT 1]); C = tf(numc,denc); margin(K*C*G1)
  • 18.
    PLOTTING THE CLOSED-LOOPRESPONSE: Let's see what the step response looks like now. Keep in mind that we are using a 0.1-m step as the disturbance. To simulate this, simply multiply the system by 0.1. Add the following code into the m-file and rerun it. Don't forget to put % mark in front of all bode and margin commands! t=0:0.01:5; step(0.1*sys_cl,t) axis([0 5 -.01 .01])
  • 19.
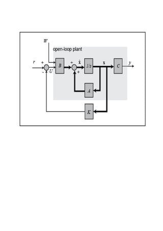
    STATE-SPACE CONTROLLER DESIGN: Designingthe full state-feedback controller: First, let's design a full state- feedback controller for the system. Assuming for now that all the states can be measured (this assumption is probably not true but is sufficient for this problem), the schematic of the system is shown below.
  • 21.
    From the plotwe see that the percent overshoot and settling time requirements are satisfied. Moreover the steady-state error approaches zero as well.
  • 22.
    DIGITAL CONTROLLER DESIGN Samplingtime selection: The first step in the design of a discrete-time controller is to convert the continuous plant to its discrete time equivalent. First, we need to pick an appropriate sampling time, . In this example, selection of sampling time is very important since a step in the road surface very quickly affects the output. Physically, what happens is the road surface suddenlylifts the wheel, compressing the spring,K2, and the damper, b2. Since the suspension mass is relatively low, and the spring fairly stiff, the suspension mass rises quickly, increasing X2 almost immediately.Since the controllercan only see the effectof the disturbance after a complete sampling period, we have to pick a sampling time, , short enough so that the output (X1-X2) does not exceed the 5% requirementin one sampling period.To pickthe sampling period,we need to closelyexamine the beginning of the step response.The output quickly goes negative in response to a step disturbance, and then begins to oscillate. We will simulate just the beginning of this response by setting the time vector input to the step function to range from 0 to .005 DESIGNING THE CONTROLLER:
  • 23.
    The structure ofthe controller is similar to the structure of the continuous-time state-space controller. We will now use the place command to compute the gain matrix, K, which will, in feedback, give us the desired closed-loop poles. SIMULATING THE CLOSED-LOOP RESPONSE: We can use the step command to simulate the closed-loop response. Since multiplying the state vector by K in our controller only returns a single signal, U, we need to add a row of zeros to K by multiplying it by [1 0]'. This is identical to what was done in the continuous design to compensate for the fact that there are two inputs to the plant, but only one is a control input. We will simulate with a negative 0.1- m step disturbance in the road to give us a positive deflection of the bus for aesthetic reasons d_sys_cl = ss(Ad-Bd*[1;0]*K,Bd,Cd,Dd,T); step(-.1*d_sys_cl*[0;1],5);
  • 24.
    SIMULINK MODELING Upto nowwe designed the control system by using analytical methods now we are modelling the suspensionby using the blockdiagram method in simulink which is the part of matlab . This is the block diagram when we double click the scope blockwe get the following graph.
  • 25.
    Now to reducethe settling time and amplitude we designthe controller In SIMULINK .
  • 26.
    Closed-loop response: To simulatethis system, first, an appropriate simulation time must be set. Select Model Configuration Parameters from the Simulation menu and enter "2" in the Stop Time field. The design requirements included a settling time of less than 5 sec, and the system actually settles in 2 sec. The physical parameters must now be set. Run the following commands at the MATLAB prompt: m1 = 2500; m2 = 320; k1 = 80000; k2 = 500000; b1 = 350; b2 = 15020; The last step is to assign values to the feedback gain matrix K. Execute the following command at the MATLAB prompt. K = [ 0 2.3e6 5e8 0 8e6 ]; Run the simulation(Ctrl-T or Run from the Simulation menu).When the simulation is finished,double-click on the Scope block and you should see the following output. This response agrees with the one found in state space controller design.
  • 27.
    CONCLUSION : Hence wedesign an automotive system controller by using differentmethods which is combination of analyticaland block diagram . Hence we reducethe oscillations below 5mm and settling time of less than 5sec.now we have good suspension system by having satisfactory road holdingability and providing good comfortfor passengers REFRENCES: Modern control engineering by Katsuhiko ogata Control system engineering by I J Nagrath , Madhan gopal……