GESTURE CONTROLLED ROBOT USING ARDUINO 2018
1 AMBALIKA INSTITUTE OF MANAGEMENT OF TECHNOLOGY (COLLEGE CODE – 363)
CHAPTER 1
INTRODUCTION
GESTURE CONTROLLED ROBOT USING ARDUINO 2018
2 AMBALIKA INSTITUTE OF MANAGEMENT OF TECHNOLOGY (COLLEGE CODE – 363)
1.1 INTRODUCTION
Recently, strong efforts have been carried out to develop intelligent and natural
interfaces between users and computer based systems based on human gestures.
Gestures provide an intuitive interface to both human and computer. Thus, such
gesture-based interfaces can not only substitute the common interface devices, but
can also be exploited to extend their functionality.
Robots are playing an important role in automation across all the sectors like
construction, military, medical, manufacturing, etc. After making some basic robots
like line follower robot, computer controlled robot, etc; we have developed this
accelerometer based gesture controlled robot by using Arduino Uno. In this project
we have used hand motion to drive the robot. For this purpose we have used
accelerometer which works on acceleration.
A gesture controlled robot is controlled by using hand in place of any other method
like buttons or joystick. Here one only needs to move hand to control the robot. A
transmitting device is used in your hand which contains RF Transmitter and accelero-
meter. This will transmit command to robot so that it can do the required task like
moving forward, reverse, turning left, turning right and stop. All these tasks will be
performed by using hand gesture.
Here the most important component is accelerometer. Accelerometer is a 3 axis
acceleration measurement device with ±3g range. This device is made by using
polysilicon surface sensor and signal conditioning circuit to measure acceleration.
The output of this device is Analog in nature and proportional to the acceleration.
This device measures the static acceleration of gravity when we tilt it and gives a
result in form of motion or vibration.
According to the datasheet of adxl335 polysilicon surface-micromachined structure
placed on top of silicon wafer. Polysilicon springs suspend the structure over the
surface of the wafer and provide a resistance against acceleration forces. Deflection
of the structure is measured using a differential capacitor which incorporate
independent fixed plates and plates attached to the moving mass. The fixed plates are
driven by 180° out-of-phase square waves. Acceleration deflects the moving mass
and unbalances the differential capacitor resulting in a sensor output whose
amplitude is proportional to acceleration. Phase-sensitive demodulation techniques
are then used to determine the magnitude and direction of the acceleration.
GESTURE CONTROLLED ROBOT USING ARDUINO 2018
3 AMBALIKA INSTITUTE OF MANAGEMENT OF TECHNOLOGY (COLLEGE CODE – 363)
1.2 ROBOT
A robot is usually an electro-mechanical machine that can perform tasks
automatically. Some robots require some degree of guidance, which may be done
using a remote control or with a computer interface. Robots can be autonomous,
semi-autonomous or remotely controlled. Robots have evolved so much and are
capable of mimicking humans that they seem to have a mind of their own.
1.3 HUMAN MACHINE INTERACTION
An important aspect of a successful robotic system is the Human-Machine
interaction. In the early years the only way to communicate with a robot was to
program which required extensive hard work. With the development in science and
robotics, gesture based recognition came into life. Gestures originate from any bodily
motion or state but commonly originate from the face or hand. Gesture recognition
can be considered as a way for computer to understand human body language. This
has minimized the need for text interfaces and GUIs (Graphical User Interface)
Gesture controlled robot moves according to hand movement as we place transmitter
in our hand. When we tilt hand in front side, robot start to moving forward and
continues moving forward until next command is given.
 When we tilt hand in backward side, robot change its state and start moving in
backwards direction until other command is given.
 When we tilt it in left side Robot get turn left till next command.
 When we tilt hand in right side robot turned to right.
 And for stopping robot we keeps hand in stable..
1.4 GESTURE
A gesture is an action that has to be seen by someone else and has to convey some
piece of information. Gesture is usually considered as a movement of part of the
body, esp. a hand or the head, to express an idea or meaning.
1.5 MOTIVATION FOR PROJECT
Our motivation to work on this project came from a disabled person who was driving
his wheel chair by hand with quite a lot of difficulty. So we wanted to make a device
which would help such people drive their chairs without even having the need to
touch the wheels of their chairs.
1.6 OBJECTIVE OF PROJECT
Our objective is to make this device simple as well as cheap so that it could be mass
produced and can be used for a number of purposes
GESTURE CONTROLLED ROBOT USING ARDUINO 2018
4 AMBALIKA INSTITUTE OF MANAGEMENT OF TECHNOLOGY (COLLEGE CODE – 363)
CHAPTER 2
GESTURE CONTROLLED ROBOT
GESTURE CONTROLLED ROBOT USING ARDUINO 2018
5 AMBALIKA INSTITUTE OF MANAGEMENT OF TECHNOLOGY (COLLEGE CODE – 363)
2.1 GESTURE CONTROLLED ROBOT
Gesture recognition technologies are much younger in the world of today. At this
time there is much active research in the field and little in the way of publicly
available implementations .Several approaches have been developed for sensing
gestures and controlling robots. Glove based technique is a well-known means of
recognizing hand gestures. It utilizes a sensor attached to a glove that directly
measures hand movements.
A Gesture Controlled robot is a kind of robot which can be controlled by hand
gestures and not the old fashioned way by using buttons. The user just needs to wear
a small transmitting device on his hand which includes a sensor which is an
accelerometer in our case. Movement of the hand in a specific direction will transmit
a command to the robot which will then move in a specific direction. The
transmitting device includes a Comparator IC for assigning proper levels to the input
voltages from the accelerometer and an Encoder IC which is used to encode the four
bit data and then it will be transmitted by an RF Transmitter module.
At the receiving end an RF Receiver module will receive the encoded data and
decode it by using a decoder IC. This data is then processed by a microcontroller and
passed onto a motor driver to rotate the motors in a special configuration to make the
robot move in the same direction as that of the hand.
GESTURE CONTROLLED ROBOT USING ARDUINO 2018
6 AMBALIKA INSTITUTE OF MANAGEMENT OF TECHNOLOGY (COLLEGE CODE – 363)
2.2 ROLE OF ROBOT
Robots are playing an important role in automation across all the sectors like
construction, military, medical, manufacturing, etc. After making some basic robots
like line follower robot, computer controlled robot, etc; we have developed this
accelerometer based gesture controlled robot by using Arduino Uno. In this project
we have used hand motion to drive the robot. For this purpose we have used
accelerometer which works on acceleration.
A gesture controlled robot is controlled by using hand in place of any other method
like buttons or joystick. Here one only needs to move hand to control the robot. A
transmitting device is used in your hand which contains RF Transmitter and accelero-
meter. This will transmit command to robot so that it can do the required task like
moving forward, reverse, turning left, turning right and stop. All these tasks will be
performed by using hand gesture.
Here the most important component is accelerometer. Accelerometer is a 3 axis
acceleration measurement device with ±3g range. This device is made by using
polysilicon surface sensor and signal conditioning circuit to measure acceleration.
The output of this device is Analog in nature and proportional to the acceleration.
This device measures the static acceleration of gravity when we tilt it and gives a
result in form of motion or vibration.
2.2 APPLICATIONS
 Through the use of gesture recognition, remote control with the wave of a hand
of various devices is possible.
 Gesture controlling is very helpful for handicapped and physically disabled
people to achieve certain tasks, such as driving a vehicle.
 Gestures can be used to control interactions for entertainment purposes such as
gaming to make the game player's experience more interactive or immersive.
 Traditional interfaces, keyboards and mice present a bottleneck in application
that rely on heavy interaction of the user with the machine due to the
unnaturalness of the interaction.
 From reading lots of related articles, we have learnt that recent efforts have
attempted to eliminate this bottleneck by developing different ways of
interacting with computers, for example: speech, handwriting.
GESTURE CONTROLLED ROBOT USING ARDUINO 2018
7 AMBALIKA INSTITUTE OF MANAGEMENT OF TECHNOLOGY (COLLEGE CODE – 363)
 Through the use of gesture recognition, remote control with the wave of a hand
of various devices is possible.
 Gesture controlling is very helpful for handicapped and physically disabled
people to achieve certain tasks, such as driving a vehicle.
 Gestures can be used to control interactions for entertainment purposes such as
gaming to make the game player's experience more interactive or immersive.
GESTURE CONTROLLED ROBOT USING ARDUINO 2018
8 AMBALIKA INSTITUTE OF MANAGEMENT OF TECHNOLOGY (COLLEGE CODE – 363)
CHAPTER 3
LITERATURE REVIEW
GESTURE CONTROLLED ROBOT USING ARDUINO 2018
9 AMBALIKA INSTITUTE OF MANAGEMENT OF TECHNOLOGY (COLLEGE CODE – 363)
3.1 BLOCK DIAGRAM
Our gesture controlled robot works on the principle of accelerometer which records
hand movements and sends that data to the comparator which assigns proper voltage
levels to the recorded movements. That information is then transferred to a encoder
which makes it ready for RF transmission. On the receiving end, the information is
received wirelessly via RF, decoded and then passed onto the microcontroller which
takes various decisions based on the received information. These decisions are
passed to the motor driver ic which triggers the motors in different configurations to
make the robot move in a specific direction. The following block diagram helps to
understand the working of the robot:
Figure 3-1 Block Diagram
GESTURE CONTROLLED ROBOT USING ARDUINO 2018
10 AMBALIKA INSTITUTE OF MANAGEMENT OF TECHNOLOGY (COLLEGE CODE – 363)
We divided our task into two parts to make the task easy and simple and to avoid
complexity and make it error free. The first is the transmitting section which includes
the following components:
 Accelerometer

 Comparator IC

 Encoder IC

 RF Transmitter Module
The second is the receiving end which comprises of following main components:
 RF Receiver Module

 Decoder IC

 Arduino

 Motor Driver IC

 DC Geared Motors
3.2 BLOCK DIAGRAM DESCRIPTION
 Accelerometer placed on the hand sensed the tilt made by the hand.
 Accelerometer capable of measuring how fast the speed of object is changing.
 This tilt corresponded to the analog voltage.
 Using this voltage, control signals are generated for four directions of the robot
car.
GESTURE CONTROLLED ROBOT USING ARDUINO 2018
11 AMBALIKA INSTITUTE OF MANAGEMENT OF TECHNOLOGY (COLLEGE CODE – 363)
3.3 FEATURES
 Traditional interfaces, keyboards and mice present a bottleneck in application
that rely on heavy interaction of the user with the machine due to the
unnaturalness of the interaction.
 From reading lots of related articles, we have learnt that recent efforts have
attempted to eliminate this bottleneck by developing different ways of
interacting with computers, for example: speech, handwriting.
 Through the use of gesture recognition, remote control with the wave of a hand
of various devices is possible.
 Gesture controlling is very helpful for handicapped and physically disabled
people to achieve certain tasks, such as driving a vehicle.
 Gestures can be used to control interactions for entertainment purposes such as
gaming to make the game player's experience more interactive or immersive.
3.4 COMPONENT DESCRIPTION
3.4.1 ACCELEROMETER (ADXL335)
Figure 3-2 ADXL335 Accelerometer
An Accelerometer is an electromechanical device that measures acceleration forces.
These forces may be static, like the constant force of gravity pulling at your feet, or
they could be dynamic – caused by moving or vibrating the accelerometer. It is a
kind of sensor which record acceleration and gives an analog data while moving in
X,Y,Z direction or may be X,Y direction only depending on the type of the sensor.
GESTURE CONTROLLED ROBOT USING ARDUINO 2018
12 AMBALIKA INSTITUTE OF MANAGEMENT OF TECHNOLOGY (COLLEGE CODE – 363)
The ADXL335 is a small, thin, low power, complete 3-axis accelerometer with signal
conditioned voltage outputs. The product measures acceleration with a minimum
full-scale range of ±3 g. It can measure the static acceleration of gravity in tilt-
sensing applications, as well as dynamic acceleration resulting from motion, shock,
or vibration. The user selects the bandwidth of the accelerometer using the CX, CY,
and CZ capacitors at the XOUT, YOUT, and ZOUT pins. Bandwidths can be
selected to suit the application, with a range of 0.5 Hz to 1600 Hz for the X and Y
axes, and a range of 0.5 Hz to 550 Hz for the Z axis. The ADXL335 is available in a
small, low profile, 4 mm × 4 mm × 1.45 mm, 16-lead, plastic lead frame chip scale
package (LFCSP_LQ).
 THEORY OF OPERATION
The ADXL335 is a complete 3-axis acceleration measurement system. The
ADXL335 has a measurement range of ±3 g minimum. It contains a polysilicon
surface-micro-machined sensor and signal conditioning circuitry to implement an
open-loop acceleration measurement architecture. The output signals are analog
voltages that are proportional to acceleration. The accelerometer can measure the
static acceleration of gravity in tilt-sensing applications as well as dynamic
acceleration resulting from motion, shock, or vibration. The sensor is a polysilicon
surface-micro-machined structure built on top of a silicon wafer. Polysilicon springs
suspend the structure over the surface of the wafer and provide a resistance against
acceleration forces. Deflection of the structure is measured using a differential
capacitor that consists of independent fixed plates and plates attached to the moving
mass. The fixed plates are driven by 180° out-of-phase square waves. Acceleration
deflects the moving mass and unbalances the differential capacitor resulting in a
sensor output whose amplitude is proportional to acceleration. Phase-sensitive
demodulation techniques are then used to determine the magnitude and direction of
the acceleration.
The demodulator output is amplified and brought off-chip through a 32 kΩ resistor.
The user then sets the signal bandwidth of the device by adding a capacitor. This
filtering improves measurement resolution and helps prevent aliasing.
GESTURE CONTROLLED ROBOT USING ARDUINO 2018
13 AMBALIKA INSTITUTE OF MANAGEMENT OF TECHNOLOGY (COLLEGE CODE – 363)
 MECHANICAL SENSOR
The ADXL335 uses a single structure for sensing the X, Y, and Z axes. As a result,
the three axes’ sense directions are highly orthogonal and have little cross-axis
sensitivity. Mechanical misalignment of the sensor die to the package is the chief
source of cross-axis sensitivity. Mechanical misalignment can, of course, be
calibrated out at the system level.
 PERFORMANCE
Rather than using additional temperature compensation circuitry, innovative design
techniques ensure that high performance is built in to the ADXL335. As a result,
there is no quantization error or non-monotonic behavior, and temperature hysteresis
is very low (typically less than 3 mg over the −25°C to +70°C temperature range).
 APPLICATIONS INFORMATION
 POWER SUPPLY DECOUPLING
For most applications, a single 0.1 μF capacitor, CDC, placed close to the ADXL335
supply pins adequately decouples the accelerometer from noise on the power supply.
However, in applications where noise is present at the 50 kHz internal clock
frequency (or any harmonic thereof), additional care in power supply bypassing is
required because this noise can cause errors in acceleration measurement. If
additional decoupling is needed, a 100 Ω (or smaller) resistor or ferrite bead can be
inserted in the supply line. Additionally, a larger bulk bypass capacitor (1 μF or
greater) can be added in parallel to CDC. Ensure that the connection from the
ADXL335 ground to the power supply ground is low impedance because noise
transmitted through ground has a similar effect to noise transmitted through VS.
GESTURE CONTROLLED ROBOT USING ARDUINO 2018
14 AMBALIKA INSTITUTE OF MANAGEMENT OF TECHNOLOGY (COLLEGE CODE – 363)
 SETTING THE BANDWIDTH USING CX, CY, AND CZ
The ADXL335 has provisions for band limiting the XOUT, YOUT, and ZOUT pins.
Capacitors must be added at these pins to implement low-pass filtering for anti-
aliasing and noise reduction. The equation for the 3 dB bandwidth
or more simply
The tolerance of the internal resistor (RFILT) typically varies as much as ±15% of its
nominal value (32 kΩ), and the bandwidth varies accordingly. A minimum
capacitance. The tolerance of the internal resistor (RFILT) typically varies as much
as ±15% of its nominal value (32 kΩ), and the bandwidth varies accordingly. A
minimum capacitance of 0.0047 μF for CX, CY, and CZ is recommended in all
cases.
FIGURE 3-3
GESTURE CONTROLLED ROBOT USING ARDUINO 2018
15 AMBALIKA INSTITUTE OF MANAGEMENT OF TECHNOLOGY (COLLEGE CODE – 363)
PIN NO. SYMBOL FUNCTION
1 ST Sets the sensitivity of the accelerometer
2 Z Records analog data for Z direction
3 Y Records analog data for Y direction
4 X Records analog data for X direction
5 GND Connected to ground for biasing
6 VCC +3.3 volt is applied
Table 3-1 Pin description for Accelerometer
GESTURE CONTROLLED ROBOT USING ARDUINO 2018
16 AMBALIKA INSTITUTE OF MANAGEMENT OF TECHNOLOGY (COLLEGE CODE – 363)
FIGURE 3-5
 USE WITH OPERATING VOLTAGES OTHER THAN 3 V
The ADXL335 is tested and specified at VS = 3 V; however, it can be powered with
VS as low as 1.8 V or as high as 3.6 V. Note that some performance parameters
change as the supply voltage is varied. The ADXL335 output is ratiometric,
therefore, the output sensitivity (or scale factor) varies proportionally to the supply
voltage. At VS = 3.6 V, the output sensitivity is typically 360 mV/g. At VS = 2 V,
the output sensitivity is typically 195 mV/g. The zero g bias output is also
ratiometric, thus the zero g output is nominally equal to VS/2 at all supply voltages.
The output noise is not ratiometric but is absolute in volts; therefore, the noise
density decreases as the supply voltage increases. This is because the scale factor
(mV/g) increases while the noise voltage remains constant. At VS = 3.6 V, the X-
axis and Y-axis noise density is typically 120 μg/√Hz, whereas at VS = 2 V, the X-
axis and Y-axis noise density is typically 270 μg/√Hz.
GESTURE CONTROLLED ROBOT USING ARDUINO 2018
17 AMBALIKA INSTITUTE OF MANAGEMENT OF TECHNOLOGY (COLLEGE CODE – 363)
3.2 COMPARATOR IC (LM324)
The comparator ic compares the analog voltage received from the accelerometer and
compares it with a reference voltage and gives a particular high or low voltage. The
received signal is quite noisy and of various voltage levels. This ic compares those
levels and outputs in the form of 1 or 0 voltage level. This process is called signal
conditioning.
The figure shown below is comparator IC. The pins 1, 7, 8 and 14 are output pins. A
reference voltage is connected to the negative terminal for high output when input is
high or positive terminal for high output when input is low from the LM324 IC.
Figure 3-6 LM324 IC
GESTURE CONTROLLED ROBOT USING ARDUINO 2018
18 AMBALIKA INSTITUTE OF MANAGEMENT OF TECHNOLOGY (COLLEGE CODE – 363)
PIN NO. SYMBOL FUNCTION
1 Output 1 Output of 1st
Comparator
2 Input 1- Inverting Input of 1st
Comparator
3 Input1+ Non-Inverting Input of 1st
Comparator
4 VCC Supply Voltage; 5V (up to 32V)
5 Input 2+ Non-Inverting Input of 2nd
Comparator
6 Input 2- Inverting Input of 2nd
Comparator
7 Output 2 Output of 2nd
Comparator
8 Output 3 Output of 3rd
Comparator
9 Input 3- Inverting Input of 3rd
Comparator
10 Input 3+ Non-Inverting Input of 3rd
Comparator
11 Ground Ground (0V)
12 Input 4+ Non-Inverting Input of 4th
Comparator
13 Input 4- Inverting Input of 4th
Comparator
14 Output 4 Output of 4th
Comparator
Table 3-2 Pin description for LM324
GESTURE CONTROLLED ROBOT USING ARDUINO 2018
19 AMBALIKA INSTITUTE OF MANAGEMENT OF TECHNOLOGY (COLLEGE CODE – 363)
3.3 ENCODER (HT12E)
HT12E is an encoder integrated circuit of 212
series of encoders. They are paired with
212
series of decoders for use in remote control system applications. It is mainly used
in interfacing RF and infrared circuits. The chosen pair of encoder/decoder should
have same number of addresses and data format. Simply put, HT12E converts the
parallel inputs into serial output. It encodes the 12 bit parallel data into serial for
transmission through an RF transmitter. These 12 bits are divided into 8 address bits
and 4 data bits.
HT12E has a transmission enable pin which is active low. When a trigger signal is
received on TE pin, the programmed addresses/data are transmitted together with the
header bits via an RF or an infrared transmission medium. HT12E begins a 4-word
transmission cycle upon receipt of a transmission enable. This cycle is repeated as
long as TE is kept low. As soon as TE returns to high, the encoder output completes
its final cycle and then stops.
Figure 3-7 ENCODER (HT12E)
GESTURE CONTROLLED ROBOT USING ARDUINO 2018
20 AMBALIKA INSTITUTE OF MANAGEMENT OF TECHNOLOGY (COLLEGE CODE – 363)
Table 3-3 Pin description for HT12E
GESTURE CONTROLLED ROBOT USING ARDUINO 2018
21 AMBALIKA INSTITUTE OF MANAGEMENT OF TECHNOLOGY (COLLEGE CODE – 363)
3.4 RF MODULE (Rx/Tx)
Radio frequency (RF) is a rate of oscillation in the range of about 3 KHz to 300 GHz,
which corresponds to the frequency of radio waves, and the alternating currents
which carry radio signals.
Although radio frequency is a rate of oscillation, the term "radio frequency" or its
abbreviation "RF" are also used as a synonym for radio – i.e. to describe the use of
wireless communication, as opposed to communication via electric wires
The RF module is working on the frequency of 434 MHz and has a range of 50-80
meters.
Figure 3-8 RF Transmitter
PIN FUNCTION
VCC 5V supply
GND Ground pin
Data
Input from pin 17 of HT12E for data
transmission
Ant A wire attached here works as an antenna
Table 3-3 Pin description for RF Tx
GESTURE CONTROLLED ROBOT USING ARDUINO 2018
22 AMBALIKA INSTITUTE OF MANAGEMENT OF TECHNOLOGY (COLLEGE CODE – 363)
Figure 3-9 RF Receiver
PIN FUNCTION
VCC 5V supply
GND Ground pin
Data
Output to pin 14 of HT12D for data
transmission
Ant A wire attached here works as an antenna
Table 4-1 Pin description for RF Rx
GESTURE CONTROLLED ROBOT USING ARDUINO 2018
23 AMBALIKA INSTITUTE OF MANAGEMENT OF TECHNOLOGY (COLLEGE CODE – 363)
3.5 DECODER IC (HT12D)
HT12D is a decoder integrated circuit that belongs to 212 series of decoders. This
series of decoders are mainly used for remote control system applications, like
burglar alarm, car door controller, security system etc. It is mainly provided to
interface RF and infrared circuits. They are paired with 212 series of encoders. The
chosen pair of encoder/decoder should have same number of addresses and data
format.
In simple terms, HT12D converts the serial input into parallel outputs. It decodes the
serial addresses and data received by, say, an RF receiver, into parallel data and
sends them to output data pins. The serial input data is compared with the local
addresses three times continuously. The input data code is decoded when no error or
unmatched codes are found. A valid transmission in indicated by a high signal at VT
pin.
HT12D is capable of decoding 12 bits, of which 8 are address bits and 4 are data bits.
The data on 4 bit latch type output pins remain unchanged until new is received.
GESTURE CONTROLLED ROBOT USING ARDUINO 2018
24 AMBALIKA INSTITUTE OF MANAGEMENT OF TECHNOLOGY (COLLEGE CODE – 363)
Figure 3-10 HT12D IC
Table 4-2 Pin description for HT12D
GESTURE CONTROLLED ROBOT USING ARDUINO 2018
25 AMBALIKA INSTITUTE OF MANAGEMENT OF TECHNOLOGY (COLLEGE CODE – 363)
3.6 MICROCONTROLLER (ARDUINO UNO)
Arduino Uno is a microcontroller board based on the ATmega328P. It has 14 digital
input/output pins (of which 6 can be used as PWM outputs), 6 analog inputs, a 16
MHz quartz crystal, a USB connection, a power jack, an ICSP header and a reset
button. It contains everything needed to support the microcontroller; simply connect
it to a computer with a USB cable or power it with an AC-to-DC adapter or battery to
get started.
"Uno" means one in Italian and was chosen to mark the release of Arduino Software
(IDE) 1.0. The Uno board and version 1.0 of Arduino Software (IDE) were the
reference versions of Arduino, now evolved to newer releases. The Uno board is the
first in a series of USB Arduino boards, and the reference model for the Arduino
platform; for an extensive list of current, past or outdated boards see the Arduino
index of boards.
3.6.1 Power
 The Arduino Uno board can be powered via the USB connection or with an
external power supply. The power source is selected automatically.
 External (non-USB) power can come either from an AC-to-DC adapter (wall-
wart) or battery. The adapter can be connected by plugging a 2.1mm center-
positive plug into the board's power jack. Leads from a battery can be inserted
in the GND and Vin pin headers of the POWER connector.
 The board can operate on an external supply from 6 to 20 volts. If supplied
with less than 7V, however, the 5V pin may supply less than five volts and the
board may become unstable. If using more than 12V, the voltage regulator
may overheat and damage the board. The recommended range is 7 to 12 volts.
GESTURE CONTROLLED ROBOT USING ARDUINO 2018
26 AMBALIKA INSTITUTE OF MANAGEMENT OF TECHNOLOGY (COLLEGE CODE – 363)
The power pins are as follows:
Vin: The input voltage to the Arduino/Genuino board when it's using an external
power source (as opposed to 5 volts from the USB connection or other regulated
power source). You can supply voltage through this pin, or, if supplying voltage via
the power jack, access it through this pin.
VT: This pin outputs a regulated 5V from the regulator on the board. The board can
be supplied with power either from the DC power jack (7 - 12V), the USB connector
(5V), or the VIN pin of the board (7-12V). Supplying voltage via the 5V or 3.3V pins
bypasses the regulator, and can damage your board. We don't advise it.
3V3. A 3.3 volt supply generated by the on-board regulator. Maximum current draw
is 50 mA.
GND. Ground pins.
IOREF. This pin on the Arduino/Genuino board provides the voltage reference with
which the microcontroller operates. A properly configured shield can read the IOREF
pin voltage and select the appropriate power source or enable voltage translators on
the outputs to work with the 5V or 3.3V.
Microcontroller ATmega328P
Operating Voltage 5V
Input Voltage (recommended) 7-12V
Input Voltage (limit) 6-20V
Digital I/O Pins 14 (of which 6 provide PWM output)
PWM Digital I/O Pins 6
Analog Input Pins 6
DC Current per I/O Pin 20 mA
DC Current for 3.3V Pin 50 mA
Flash Memory 32 KB (ATmega328P) of which 0.5 KB used by
GESTURE CONTROLLED ROBOT USING ARDUINO 2018
27 AMBALIKA INSTITUTE OF MANAGEMENT OF TECHNOLOGY (COLLEGE CODE – 363)
Table 4-3 Arduino Specifications
Memory
The ATmega328 has 32 KB (with 0.5 KB occupied by the bootloader). It also has 2
KB of SRAM and 1 KB of EEPROM (which can be read and written with
the EEPROM library).
Input and Output
See the mapping between Arduino pins and ATmega328P ports. The mapping for the
Atmega8, 168, and 328 is identical.
PIN MAPPING ATmega328P
Each of the 14 digital pins on the Uno can be used as an input or output,
using pinMode(),digitalWrite(), and digitalRead() functions. They operate at 5 volts.
Each pin can provide or receive 20 mA as recommended operating condition and has
an internal pull-up resistor (disconnected by default) of 20-50k ohm. A maximum of
40mA is the value that must not be exceeded on any I/O pin to avoid permanent
damage to the microcontroller.
In addition, some pins have specialized functions:
bootloader
SRAM 2 KB (ATmega328P)
EEPROM 1 KB (ATmega328P)
Clock Speed 16 MHz
LED_BUILTIN 13
Length 68.6 mm
Width 53.4 mm
GESTURE CONTROLLED ROBOT USING ARDUINO 2018
28 AMBALIKA INSTITUTE OF MANAGEMENT OF TECHNOLOGY (COLLEGE CODE – 363)
Serial: 0 (RX) and 1 (TX). Used to receive (RX) and transmit (TX) TTL serial data.
These pins are connected to the corresponding pins of the ATmega8U2 USB-to-TTL
Serial chip.
External Interrupts: 2 and 3. These pins can be configured to trigger an interrupt on
a low value, a rising or falling edge, or a change in value. See the attachInterrupt()
function for details.
PWM: 3, 5, 6, 9, 10, and 11. Provide 8-bit PWM output with the analogWrite()
function.
SPI: 10 (SS), 11 (MOSI), 12 (MISO), 13 (SCK). These pins support SPI
communication using the SPI library.
LED: 13. There is a built-in LED driven by digital pin 13. When the pin is HIGH
value, the LED is on, when the pin is LOW, it's off.
TWI: A4 or SDA pin and A5 or SCL pin. Support TWI communication using the
Wire library.
The Uno has 6 analog inputs, labeled A0 through A5, each of which provide 10 bits
of resolution (i.e. 1024 different values). By default they measure from ground to 5
volts, though is it possible to change the upper end of their range using the AREF pin
and the analogReference() function. There are a couple of other pins on the board:
AREF. Reference voltage for the analog inputs. Used with analogReference().
Reset. Bring this line LOW to reset the microcontroller. Typically used to add a reset
button to shields which block the one on the board.
GESTURE CONTROLLED ROBOT USING ARDUINO 2018
29 AMBALIKA INSTITUTE OF MANAGEMENT OF TECHNOLOGY (COLLEGE CODE – 363)
Figure 3-11 Arduino
3.6.1 INTERFACING WITH ARDUINO RF MODULE
Wireless Communication in any form has become an essential part of human life
whether it may be short distance T.V Remote or long distance radio communication.
Wireless communication is all about transmission of data wirelessly so that there is
no hassle of any wires and no direct contact with the device itself.
FIGURE 3-12
GESTURE CONTROLLED ROBOT USING ARDUINO 2018
30 AMBALIKA INSTITUTE OF MANAGEMENT OF TECHNOLOGY (COLLEGE CODE – 363)
FIGURE 3-13
Receiver Part
The receiver part consists of Arduino UNO and the 434 MHz Receiver module. An
external LED can be used along with a current limiting resistor but on board LED
would be sufficient. The design of the Receiver part is as follows.
The RF Receiver Module consists of 4 – pins: VCC, GND, Data and Antenna. VCC
and GND pins are connected to 3.3V pin of the Arduino and ground respectively.
The data pin is connected to Pin 12 of the Arduino.
An antenna similar to the transmitter module is connected to the antenna pin of the
434 MHz Receiver module. The on board LED which is connected to the 13th pin of
Arduino is used in the project although an external LED can always be used.
GESTURE CONTROLLED ROBOT USING ARDUINO 2018
31 AMBALIKA INSTITUTE OF MANAGEMENT OF TECHNOLOGY (COLLEGE CODE – 363)
Working Process
In this project, a simple demonstration of RF Communication with the help of
Arduino UNO boards is given. The aim of the project is to successfully transmit data
between the RF Transmitter – Receiver modules using two Arduino UNO
microcontroller boards. The working of the project is explained here.
 Note: The project can be implemented with or without the help
of a special library called “VirtualWire.h”. The project
implemented here uses the library. If we want to implement the
project without the library, then we need to change the receiver
part of the circuit.
 VirtualWire.h is a special library for Arduino created by Mike
McCauley. It is a communication library that allows two
Arduino’s to communicate with each other using RF Module
i.e. transmitter – receiver pair. This library consists of several
functions that are used for configuring the modules,
transmission of data by the transmitter module and data
reception by the receiver module.
 In this project, the transmitter simply sends two characters i.e.
it sends the character “1” and with a delay of few seconds, it
sends the character “0”. Whenever the “1” is sent, the LED on
the transmitting side of the project will be turned ON. As this
“1” is transmitted via RF communication, the receiver will
receive the data “1”.
 When the receiver receives “1”, the Arduino on the receiver
side of the project will turn ON the LED on its side.
 Similarly, when the data “0” is transmitted by the RF
transmitter, the LED on the transmitter side is turned OFF. As
GESTURE CONTROLLED ROBOT USING ARDUINO 2018
32 AMBALIKA INSTITUTE OF MANAGEMENT OF TECHNOLOGY (COLLEGE CODE – 363)
a result, the receiver now receives “0” and the LED on the
receiver side is also turned OFF.
 Hence, the receiver is imitating the actions of the transmitter.
GESTURE CONTROLLED ROBOT USING ARDUINO 2018
33 AMBALIKA INSTITUTE OF MANAGEMENT OF TECHNOLOGY (COLLEGE CODE – 363)
3.6.1 INTERFACING WITH ARDUINO ADXL 335
GESTURE CONTROLLED ROBOT USING ARDUINO 2018
34 AMBALIKA INSTITUTE OF MANAGEMENT OF TECHNOLOGY (COLLEGE CODE – 363)
The accelerometer module has 5 pins, namely
1. GND-To be connected to Arduino's GND
2. VCC-To be connected to Arduino's 5V
3. X-To be connected to Analog Pin A5
4. Y-To be connected to Analog Pin A4
5. Z-To be connected to Analog Pin A3
NOTE:
We don't need to power the module from 3.3v because it already has a 5v to 3.3v
converter. Use 2-pin relegate for connecting Vcc and GND. Use a 3-pin relegate for
connecting X, Y & Z outputs. Also connect AREF pin to the 3.3v. This is done to set
the reference voltage to 3.3v because the output of ADXL335 is 3.3v compatible.
3.6.1 INTERFACING WITH ARDUINO MOTOR DRIVER
What is a Motor Driver?
A motor driver is a small Current Amplifier whose function is to take a low-
current control signal and then turn it into a higher-current signal that can drive
a motor. The L293D is a typical Motor Driver which can drive 2 DC motors
simultaneously.
Why Motor Drivers?
Motor Driver ICs are primarily used in autonomous robotics only. Also
most microprocessors operate at low voltages and require a small amount of
current to operate while the motors require a relatively higher voltages and
current. Thus current cannot be supplied to the motors from the
microprocessor. This is the primary need for the motor driver IC.
So if you want to build a rover or a robot using DC motors, then look no further than
L293D Dual H-Bridge Motor Driver.
GESTURE CONTROLLED ROBOT USING ARDUINO 2018
35 AMBALIKA INSTITUTE OF MANAGEMENT OF TECHNOLOGY (COLLEGE CODE – 363)
GESTURE CONTROLLED ROBOT USING ARDUINO 2018
36 AMBALIKA INSTITUTE OF MANAGEMENT OF TECHNOLOGY (COLLEGE CODE – 363)
3.7 MOTOR DRIVER IC (L293D)
It is also known as H-Bridge or Actuator IC. Actuators are those devices which
actually gives the movement to do a task like that of a motor. In the real world there
are different types of motors available which work on different voltages. So we need
a motor driver for running them through the controller.
The output from the microcontroller is a low current signal. The motor driver
amplifies that current which can control and drive a motor. In most cases, a transistor
can act as a switch and perform this task which drives the motor in a single direction.
Figure 3-10 L293D IC
Turning a motor ON and OFF requires only one switch to control a single motor in a
single direction. We can reverse the direction of the motor by simply reversing its
polarity. This can be achieved by using four switches that are arranged in an
intelligent manner such that the circuit not only drives the motor, but also controls its
direction. Out of many, one of the most common and clever design is a H-bridge
circuit where transistors are arranged in a shape that resembles the English alphabet
"H".
GESTURE CONTROLLED ROBOT USING ARDUINO 2018
37 AMBALIKA INSTITUTE OF MANAGEMENT OF TECHNOLOGY (COLLEGE CODE – 363)
Figure 3-11 H-Bridge
As seen in the image, the circuit has four switches A, B, C and D. Turning these
switches ON and OFF can drive a motor in different ways.
 When switches A and D are on, motor rotates clockwise.

 When B and C are on, the motor rotates anti-clockwise.

 When A and B are on, the motor will stop.

 Turning off all the switches gives the motor a free wheel drive.

Turning on A & C at the same time or B & D at the same time shorts the entire
circuit. So, never try to do it.
GESTURE CONTROLLED ROBOT USING ARDUINO 2018
38 AMBALIKA INSTITUTE OF MANAGEMENT OF TECHNOLOGY (COLLEGE CODE – 363)
3.8 DC MOTORS
A machine that converts DC power into mechanical power is known as a DC motor.
Its operation is based on the principle that when a current carrying conductor is
placed in a magnetic field, the conductor experiences a mechanical force.
DC motors have a revolving armature winding but non-revolving armature magnetic
field and a stationary field winding or permanent magnet. Different connections of
the field and armature winding provide different speed/torque regulation features.
The speed of a DC motor can be controlled by changing the voltage applied to the
armature or by changing the field current.
Figure 3-12 DC Motor
GESTURE CONTROLLED ROBOT USING ARDUINO 2018
39 AMBALIKA INSTITUTE OF MANAGEMENT OF TECHNOLOGY (COLLEGE CODE – 363)
3.8.1 DC GEAR MOTOR
A geared DC Motor has a gear assembly devoted to the motor. The speed of motor is
counted in terms of rotations of the shaft per minute and is termed as RPM .The gear
assembly helps in increasing the torque and dropping the speed. Using the correct
arrangement of gears in a gear motor, its speed can be reduced to any required figure.
This concept of reducing the speed with the help of gears and increasing the torque is
known as gear reduction.
Reducing the speed put out by the motor while increasing the quantity of applied
torque is a important feature of the reduction gear trains found in a gear motor. The
decrease in speed is inversely relative to the increase in torque. This association
means that, in this sort of device, if the torque were to double, the speed would
decrease by one half. Small electric motors, such as the gear motor, are able to move
and stand very heavy loads because of these reduction gear trains. While the speed
and ability of larger motors is greater, small electric motors are sufficient to bear
these loads.
Figure 3-13 DC Gear Motor
GESTURE CONTROLLED ROBOT USING ARDUINO 2018
40 AMBALIKA INSTITUTE OF MANAGEMENT OF TECHNOLOGY (COLLEGE CODE – 363)
CHAPTER 4
IMPLEMENTATION
GESTURE CONTROLLED ROBOT USING ARDUINO 2018
41 AMBALIKA INSTITUTE OF MANAGEMENT OF TECHNOLOGY (COLLEGE CODE – 363)
4.1 INPUT TO ACCELEROMETER (ADXL 335)
Different Hand gestures to make the robot move in specific directions are as follow:
Fig 5-1 Move Forward
Fig 5-2 Move Backward
Fig 5-3 Move Right
GESTURE CONTROLLED ROBOT USING ARDUINO 2018
42 AMBALIKA INSTITUTE OF MANAGEMENT OF TECHNOLOGY (COLLEGE CODE – 363)
Fig 5-4 Move Left
The robot only moves when the accelerometer is moved in a specific direction. The
valid movements are as follows:
DIRECTION
ACCELEROMETER
ORIENTATION
Forward +y
Backward -y
Right +x
Left -x
Stop Rest
Table 5-1 Accelerometer Orientation
GESTURE CONTROLLED ROBOT USING ARDUINO 2018
43 AMBALIKA INSTITUTE OF MANAGEMENT OF TECHNOLOGY (COLLEGE CODE – 363)
The accelerometer records the hand movements in the X and Y directions only and
outputs constant analog voltage levels. These voltages are fed to the comparator IC
which compares it with the references voltages that we have set via variable resistors
attached to the IC. The levels that we have set are 1.7V and 1.4V. Every voltage
generated by the accelerometer is compared with these and an analog 1 or 0 signal is
given out by the comparator IC.
Fig 4-1 Input and Output of Comparator IC
There are total five conditions for this Gesture controlled Robot which are giving
below:
Movement of
hand
Input for Arduino from
gesture
Side D3 D2 D1 D0 Direction
Stable 0 0 0 0 Stop
Tilt right 0 0 0 1 Turn Right
Tilt left 0 0 1 0 Turn Left
GESTURE CONTROLLED ROBOT USING ARDUINO 2018
44 AMBALIKA INSTITUTE OF MANAGEMENT OF TECHNOLOGY (COLLEGE CODE – 363)
Tilt back 1 0 0 0 Backward
Tilt front 0 1 0 0 Forward
This analog signal is the input to the encoder IC. The input to the encoder is parallel
while the output is a serial coded waveform which is suitable for RF transmission. A
push button is attached to pin 14 of this IC which is the Transmission Enable (TE)
pin. The coded data will be passed onto the RF module only when the button is
pressed. This button makes sure no data is transmitted unless we want to.
The RF transmitter modulates the input signal using Amplitude Shift Keying (ASK)
modulation. It is the form of modulation that represents digital data as variations in
the amplitude of a carrier wave.
GESTURE CONTROLLED ROBOT USING ARDUINO 2018
44 AMBALIKA INSTITUTE OF MANAGEMENT OF TECHNOLOGY (COLLEGE
CODE – 363)
The following figure shows the modulated output of the RF module:
Fig 4-2 ASK Modulation
The RF modules works on the frequency of 315MHz. It means that
the carrier frequency of the RF module is 315MHz. The RF module
enables the user to control the robot wirelessly and with ease.
GESTURE CONTROLLED ROBOT| 2018
25| Ambalilka Institute Of Management And Technology (College Code-363)
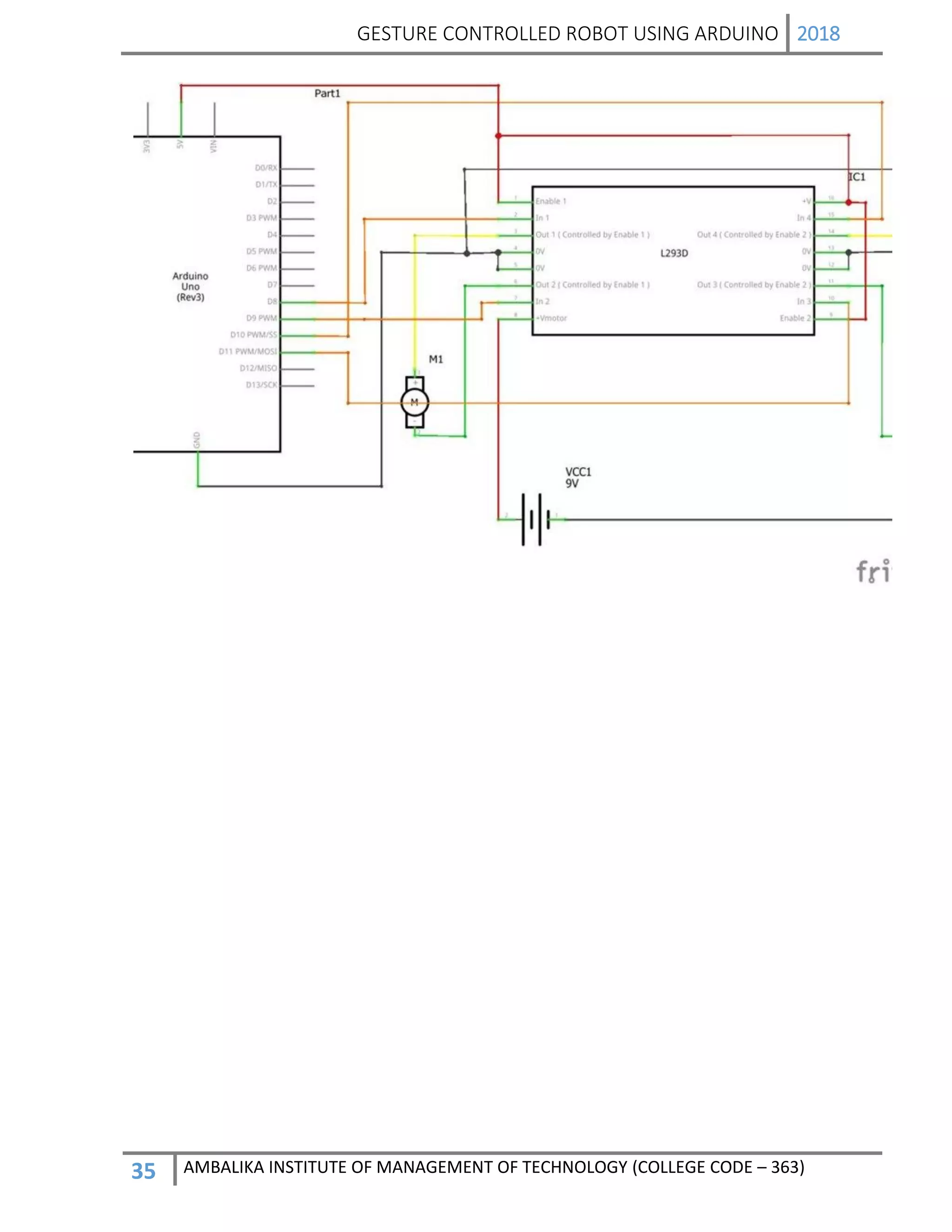
The schematic of transmitting end can be seen below:
GESTURE CONTROLLED ROBOT| 2018
26| Ambalilka Institute Of Management And Technology (College Code-363)
This transmitted signal is received by the RF receiver, demodulated
and then passed onto the decoder IC. The decoder IC decodes the
coded waveform and the original data bits are recovered. The input is
a serial coded modulated waveform while the output is parallel. The
pin 17 of the decoder IC is the Valid Transmission (VT) pin. A led
can be connected to this pin which will indicate the status of the
transmission. In the case of a successful transmission, the led will
blink.
The parallel data from the encoder is fed to the port 1of the
microcontroller. This data is in the form of bits. The microcontroller
reads these bits and takes decisions on the basis of these bits. What
the microcontroller does is, it compares the input bits with the coded
bits which are burnt into the program memory of the microcontroller
and outputs on the basis of these bits. Port 2 of the microcontroller is
used as the output port. Output bits from this port are forwarded to the
motor driver IC which drives the motors in a special configuration
based on the hand movements.
At a dead stop, a motor produces no voltage. If a voltage is applied
and the motor begins to spin, it will act as a generator that will
produce a voltage that opposes the external voltage applied to it. This
is called Counter Electromotive Force (CEF) or Back Electromotive
Force (Back EMF). If a load stops the motors from moving then the
current may be high enough to burn out the motor coil windings. To
prevent this, flyback diodes are used. They prevent the back emf from
increasing and damaging the motors.
GESTURE CONTROLLED ROBOT| 2018
27| Ambalilka Institute Of Management And Technology (College Code-363)
The schematic of receiving end can be seen below:
GESTURE CONTROLLED ROBOT| 2018
28| Ambalilka Institute Of Management And Technology (College Code-363)
4.2 SIMULATION
We performed a simulation of our project in PROTEUS and the code
was written in C language using KEIL MICROVISION. We wrote a
code for the microcontroller to run DC motors using the H-Bridge IC
(L293D). In the simulation we sent the relevant data to the
Microcontroller (AT89C51) through switches. The Microcontroller
processed the data and sent the information to the Actuator IC
(L293D). The Actuator IC upon receiving information showed
response by driving the DC motors. The simulation schematic is as
follow:
Figure 4-1 FYP-1 Simulation
GESTURE CONTROLLED ROBOT| 2018
29| Ambalilka Institute Of Management And Technology (College Code-363)
4.3 ADRUINO CODE
#define FD 16
#define BD 17
#define LD 18
#define RD 19
#define m11 3
#define m12 4
#define m21 5
#define m22 6
void forward()
{
digitalWrite(m11, HIGH);
digitalWrite(m12, LOW);
digitalWrite(m21, HIGH);
digitalWrite(m22, LOW);
}
void backward()
{
digitalWrite(m11, LOW);
digitalWrite(m12, HIGH);
digitalWrite(m21, LOW);
digitalWrite(m22, HIGH);
}
void left()
{
digitalWrite(m11, HIGH);
digitalWrite(m12, LOW);
digitalWrite(m21, LOW);
digitalWrite(m22, LOW);
}
void right()
{
digitalWrite(m11, LOW);
digitalWrite(m12, LOW);
digitalWrite(m21, HIGH);
GESTURE CONTROLLED ROBOT| 2018
30| Ambalilka Institute Of Management And Technology (College Code-363)
digitalWrite(m22, LOW);
}
void Stop()
{
digitalWrite(m11, LOW);
digitalWrite(m12, LOW);
digitalWrite(m21, LOW);
digitalWrite(m22, LOW);
}
void setup()
{
pinMode(FD, INPUT);
pinMode(BD, INPUT);
pinMode(LD, INPUT);
pinMode(RD, INPUT);
pinMode(m11, OUTPUT);
pinMode(m12, OUTPUT);
pinMode(m21, OUTPUT);
pinMode(m22, OUTPUT);
}
void loop()
{
int temp1=digitalRead(FD);
int temp2=digitalRead(BD);
int temp3=digitalRead(LD);
int temp4=digitalRead(RD);
if(temp1==1 && temp2==0 && temp3==0 && temp4==0)
backward();
else if(temp1==0 && temp2==1 && temp3==0 && temp4==0)
forward();
else if(temp1==0 && temp2==0 && temp3==1 && temp4==0)
left();
else if(temp1==0 && temp2==0 && temp3==0 && temp4==1)
right();
else
Stop();
}
GESTURE CONTROLLED ROBOT| 2018
31| Ambalilka Institute Of Management And Technology (College Code-363)
CHAPTER 5
CONCLUSION, LIMITATIONS AND FUTURE
WORK
GESTURE CONTROLLED ROBOT| 2018
32| Ambalilka Institute Of Management And Technology (College Code-363)
5.1 CONCLUSION
We achieved our objective without any hurdles i.e. the control of a
robot using gestures. The robot is showing proper responses whenever
we move our hand.
For controlling the robot remotely, Holteks’ encoder-decoder pair
(HT12E and HT12D) together with a 433MHz transmitter-receiver
pair is used.
HT12E and HT12D are CMOS ICs with working voltage ranging
from 2.4V to 12V. Encoder HT12E has eight address and another four
address/data lines. The data set on these twelve lines (address and
address/data lines) is serially transmitted when transmit-enable pin TE
is taken low. The data output appears serially on DOUT pin.
The data is transmitted four times in succession. It consists of
differing lengths of positive-going pulses for ‘1’ and ‘0,’ the pulse-
width for ‘0’ being twice the pulse-width for ‘1.’ The frequency of
these pulses may lie between 1.5 and 7 kHz depending on the resistor
value between OSC1 and OSC2 PINS.
GESTURE CONTROLLED ROBOT| 2018
33| Ambalilka Institute Of Management And Technology (College Code-363)
Our finished product can be seen in the images below:
Figure 5-5 Robot-1
Figure5-6 Robot-2
GESTURE CONTROLLED ROBOT| 2018
34| Ambalilka Institute Of Management And Technology (College Code-363)
Figure 5-7 Robot Wheel
Figure 5-8 Transmitter Circuit
GESTURE CONTROLLED ROBOT| 2018
35| Ambalilka Institute Of Management And Technology (College Code-363)
Figure 5-10 Hand Assembly
Figure 5-11 Robot with Hand Assembly
GESTURE CONTROLLED ROBOT| 2018
36| Ambalilka Institute Of Management And Technology (College Code-363)
Disadvantages of the Current Gesture
The current gesture recognition system is a vision-based system
which has many disadvantages, Including
 Costly solution
 Need high resolution cameras
 Highly sensitive to noise in image processing (lens
aberrations)
Advantages of Touch less Gesture Recognition
The disadvantages of the vision-based recognition system have been
overcome in the touch-less based Gesture Recognition system.
The advantages of the touch less sensing system are:
 Cheaper solution
 Easy to develop
 Easy to maintain
 Easy to replace
 Easy to access
 Touch-less
GESTURE CONTROLLED ROBOT| 2018
37| Ambalilka Institute Of Management And Technology (College Code-363)
5.2 LIMITATIONS AND FUTURE WORK
 The on-board batteries occupy a lot of space and are also quite
heavy. We can either use some alternate power source for the
batteries or replace the current DC Motors with ones which
require less power.

 Secondly, as we are using RF for wireless transmission, the
range is quite limited; nearly 50-80m. This problem can be
solved by utilizing a GSM module for wireless transmission.
The GSM infrastructure is installed almost all over the world.
GSM will not only provide wireless connectivity but also quite
a large range.

 Thirdly, an on-board camera can be installed for monitoring the
robot from faraway places. All we need is a wireless camera
which will broadcast and a receiver module which will provide
live streaming.
GESTURE CONTROLLED ROBOT| 2018
38| Ambalilka Institute Of Management And Technology (College Code-363)
REFERENCES
[1] “Gesture Controlled Robot PPT”
<http://seminarprojects.com/s/hand-gesture-controlled-robot-ppt>
[2] “Gesture Controlled Tank Toy User Guide”
<http://www.slideshare.net/neeraj18290/wireless-gesture-controlled-tank-toy-
transmitter>
[3] “Embedded Systems Guide (2002)”
<http://www.webstatschecker.com/stats/keyword/a_hand_gesture_based_cont
rol_interface_for_a _car_robot>
[4] “Robotic Gesture Recognition (1997)” by Jochen Triesch and
Christoph Von Der Malsburg
<http://citeseerx.ist.psu.edu/viewdoc/summary?doi=10.1.1.37.5427>
[5] “Real-Time Robotic Hand Control Using Hand Gestures” by
Jagdish Lal Raheja, Radhey Shyam, G. Arun Rajsekhar and P. Bhanu
Prasad
[6] “Hand Gesture Controlled Robot” by Bhosale Prasad S., Bunage
Yogesh B. and Shinde
Swapnil V.
[7]<http://www.robotplatform.com/howto/L293/motor_driver_1.htm>
[8]< http://en.wikipedia.org/wiki/Gesture_interface>
[9]< http://www.wisegeek.com/what-is-a-gear-motor.htm>
[10]<http://www.scribd.com/doc/98400320/InTech-Real-Time-Robotic-
Hand-Control-Using-Hand-Gestures>
[11]< http://en.wikipedia.org/wiki/DC_motor>
[12]<http://electronics.stackexchange.com/questions/18447/what-is-
back-emf-counter-electromotive-force>

Project Report on Hand gesture controlled robot part 2

  • 1.
    GESTURE CONTROLLED ROBOTUSING ARDUINO 2018 1 AMBALIKA INSTITUTE OF MANAGEMENT OF TECHNOLOGY (COLLEGE CODE – 363) CHAPTER 1 INTRODUCTION
  • 2.
    GESTURE CONTROLLED ROBOTUSING ARDUINO 2018 2 AMBALIKA INSTITUTE OF MANAGEMENT OF TECHNOLOGY (COLLEGE CODE – 363) 1.1 INTRODUCTION Recently, strong efforts have been carried out to develop intelligent and natural interfaces between users and computer based systems based on human gestures. Gestures provide an intuitive interface to both human and computer. Thus, such gesture-based interfaces can not only substitute the common interface devices, but can also be exploited to extend their functionality. Robots are playing an important role in automation across all the sectors like construction, military, medical, manufacturing, etc. After making some basic robots like line follower robot, computer controlled robot, etc; we have developed this accelerometer based gesture controlled robot by using Arduino Uno. In this project we have used hand motion to drive the robot. For this purpose we have used accelerometer which works on acceleration. A gesture controlled robot is controlled by using hand in place of any other method like buttons or joystick. Here one only needs to move hand to control the robot. A transmitting device is used in your hand which contains RF Transmitter and accelero- meter. This will transmit command to robot so that it can do the required task like moving forward, reverse, turning left, turning right and stop. All these tasks will be performed by using hand gesture. Here the most important component is accelerometer. Accelerometer is a 3 axis acceleration measurement device with ±3g range. This device is made by using polysilicon surface sensor and signal conditioning circuit to measure acceleration. The output of this device is Analog in nature and proportional to the acceleration. This device measures the static acceleration of gravity when we tilt it and gives a result in form of motion or vibration. According to the datasheet of adxl335 polysilicon surface-micromachined structure placed on top of silicon wafer. Polysilicon springs suspend the structure over the surface of the wafer and provide a resistance against acceleration forces. Deflection of the structure is measured using a differential capacitor which incorporate independent fixed plates and plates attached to the moving mass. The fixed plates are driven by 180° out-of-phase square waves. Acceleration deflects the moving mass and unbalances the differential capacitor resulting in a sensor output whose amplitude is proportional to acceleration. Phase-sensitive demodulation techniques are then used to determine the magnitude and direction of the acceleration.
  • 3.
    GESTURE CONTROLLED ROBOTUSING ARDUINO 2018 3 AMBALIKA INSTITUTE OF MANAGEMENT OF TECHNOLOGY (COLLEGE CODE – 363) 1.2 ROBOT A robot is usually an electro-mechanical machine that can perform tasks automatically. Some robots require some degree of guidance, which may be done using a remote control or with a computer interface. Robots can be autonomous, semi-autonomous or remotely controlled. Robots have evolved so much and are capable of mimicking humans that they seem to have a mind of their own. 1.3 HUMAN MACHINE INTERACTION An important aspect of a successful robotic system is the Human-Machine interaction. In the early years the only way to communicate with a robot was to program which required extensive hard work. With the development in science and robotics, gesture based recognition came into life. Gestures originate from any bodily motion or state but commonly originate from the face or hand. Gesture recognition can be considered as a way for computer to understand human body language. This has minimized the need for text interfaces and GUIs (Graphical User Interface) Gesture controlled robot moves according to hand movement as we place transmitter in our hand. When we tilt hand in front side, robot start to moving forward and continues moving forward until next command is given.  When we tilt hand in backward side, robot change its state and start moving in backwards direction until other command is given.  When we tilt it in left side Robot get turn left till next command.  When we tilt hand in right side robot turned to right.  And for stopping robot we keeps hand in stable.. 1.4 GESTURE A gesture is an action that has to be seen by someone else and has to convey some piece of information. Gesture is usually considered as a movement of part of the body, esp. a hand or the head, to express an idea or meaning. 1.5 MOTIVATION FOR PROJECT Our motivation to work on this project came from a disabled person who was driving his wheel chair by hand with quite a lot of difficulty. So we wanted to make a device which would help such people drive their chairs without even having the need to touch the wheels of their chairs. 1.6 OBJECTIVE OF PROJECT Our objective is to make this device simple as well as cheap so that it could be mass produced and can be used for a number of purposes
  • 4.
    GESTURE CONTROLLED ROBOTUSING ARDUINO 2018 4 AMBALIKA INSTITUTE OF MANAGEMENT OF TECHNOLOGY (COLLEGE CODE – 363) CHAPTER 2 GESTURE CONTROLLED ROBOT
  • 5.
    GESTURE CONTROLLED ROBOTUSING ARDUINO 2018 5 AMBALIKA INSTITUTE OF MANAGEMENT OF TECHNOLOGY (COLLEGE CODE – 363) 2.1 GESTURE CONTROLLED ROBOT Gesture recognition technologies are much younger in the world of today. At this time there is much active research in the field and little in the way of publicly available implementations .Several approaches have been developed for sensing gestures and controlling robots. Glove based technique is a well-known means of recognizing hand gestures. It utilizes a sensor attached to a glove that directly measures hand movements. A Gesture Controlled robot is a kind of robot which can be controlled by hand gestures and not the old fashioned way by using buttons. The user just needs to wear a small transmitting device on his hand which includes a sensor which is an accelerometer in our case. Movement of the hand in a specific direction will transmit a command to the robot which will then move in a specific direction. The transmitting device includes a Comparator IC for assigning proper levels to the input voltages from the accelerometer and an Encoder IC which is used to encode the four bit data and then it will be transmitted by an RF Transmitter module. At the receiving end an RF Receiver module will receive the encoded data and decode it by using a decoder IC. This data is then processed by a microcontroller and passed onto a motor driver to rotate the motors in a special configuration to make the robot move in the same direction as that of the hand.
  • 6.
    GESTURE CONTROLLED ROBOTUSING ARDUINO 2018 6 AMBALIKA INSTITUTE OF MANAGEMENT OF TECHNOLOGY (COLLEGE CODE – 363) 2.2 ROLE OF ROBOT Robots are playing an important role in automation across all the sectors like construction, military, medical, manufacturing, etc. After making some basic robots like line follower robot, computer controlled robot, etc; we have developed this accelerometer based gesture controlled robot by using Arduino Uno. In this project we have used hand motion to drive the robot. For this purpose we have used accelerometer which works on acceleration. A gesture controlled robot is controlled by using hand in place of any other method like buttons or joystick. Here one only needs to move hand to control the robot. A transmitting device is used in your hand which contains RF Transmitter and accelero- meter. This will transmit command to robot so that it can do the required task like moving forward, reverse, turning left, turning right and stop. All these tasks will be performed by using hand gesture. Here the most important component is accelerometer. Accelerometer is a 3 axis acceleration measurement device with ±3g range. This device is made by using polysilicon surface sensor and signal conditioning circuit to measure acceleration. The output of this device is Analog in nature and proportional to the acceleration. This device measures the static acceleration of gravity when we tilt it and gives a result in form of motion or vibration. 2.2 APPLICATIONS  Through the use of gesture recognition, remote control with the wave of a hand of various devices is possible.  Gesture controlling is very helpful for handicapped and physically disabled people to achieve certain tasks, such as driving a vehicle.  Gestures can be used to control interactions for entertainment purposes such as gaming to make the game player's experience more interactive or immersive.  Traditional interfaces, keyboards and mice present a bottleneck in application that rely on heavy interaction of the user with the machine due to the unnaturalness of the interaction.  From reading lots of related articles, we have learnt that recent efforts have attempted to eliminate this bottleneck by developing different ways of interacting with computers, for example: speech, handwriting.
  • 7.
    GESTURE CONTROLLED ROBOTUSING ARDUINO 2018 7 AMBALIKA INSTITUTE OF MANAGEMENT OF TECHNOLOGY (COLLEGE CODE – 363)  Through the use of gesture recognition, remote control with the wave of a hand of various devices is possible.  Gesture controlling is very helpful for handicapped and physically disabled people to achieve certain tasks, such as driving a vehicle.  Gestures can be used to control interactions for entertainment purposes such as gaming to make the game player's experience more interactive or immersive.
  • 8.
    GESTURE CONTROLLED ROBOTUSING ARDUINO 2018 8 AMBALIKA INSTITUTE OF MANAGEMENT OF TECHNOLOGY (COLLEGE CODE – 363) CHAPTER 3 LITERATURE REVIEW
  • 9.
    GESTURE CONTROLLED ROBOTUSING ARDUINO 2018 9 AMBALIKA INSTITUTE OF MANAGEMENT OF TECHNOLOGY (COLLEGE CODE – 363) 3.1 BLOCK DIAGRAM Our gesture controlled robot works on the principle of accelerometer which records hand movements and sends that data to the comparator which assigns proper voltage levels to the recorded movements. That information is then transferred to a encoder which makes it ready for RF transmission. On the receiving end, the information is received wirelessly via RF, decoded and then passed onto the microcontroller which takes various decisions based on the received information. These decisions are passed to the motor driver ic which triggers the motors in different configurations to make the robot move in a specific direction. The following block diagram helps to understand the working of the robot: Figure 3-1 Block Diagram
  • 10.
    GESTURE CONTROLLED ROBOTUSING ARDUINO 2018 10 AMBALIKA INSTITUTE OF MANAGEMENT OF TECHNOLOGY (COLLEGE CODE – 363) We divided our task into two parts to make the task easy and simple and to avoid complexity and make it error free. The first is the transmitting section which includes the following components:  Accelerometer   Comparator IC   Encoder IC   RF Transmitter Module The second is the receiving end which comprises of following main components:  RF Receiver Module   Decoder IC   Arduino   Motor Driver IC   DC Geared Motors 3.2 BLOCK DIAGRAM DESCRIPTION  Accelerometer placed on the hand sensed the tilt made by the hand.  Accelerometer capable of measuring how fast the speed of object is changing.  This tilt corresponded to the analog voltage.  Using this voltage, control signals are generated for four directions of the robot car.
  • 11.
    GESTURE CONTROLLED ROBOTUSING ARDUINO 2018 11 AMBALIKA INSTITUTE OF MANAGEMENT OF TECHNOLOGY (COLLEGE CODE – 363) 3.3 FEATURES  Traditional interfaces, keyboards and mice present a bottleneck in application that rely on heavy interaction of the user with the machine due to the unnaturalness of the interaction.  From reading lots of related articles, we have learnt that recent efforts have attempted to eliminate this bottleneck by developing different ways of interacting with computers, for example: speech, handwriting.  Through the use of gesture recognition, remote control with the wave of a hand of various devices is possible.  Gesture controlling is very helpful for handicapped and physically disabled people to achieve certain tasks, such as driving a vehicle.  Gestures can be used to control interactions for entertainment purposes such as gaming to make the game player's experience more interactive or immersive. 3.4 COMPONENT DESCRIPTION 3.4.1 ACCELEROMETER (ADXL335) Figure 3-2 ADXL335 Accelerometer An Accelerometer is an electromechanical device that measures acceleration forces. These forces may be static, like the constant force of gravity pulling at your feet, or they could be dynamic – caused by moving or vibrating the accelerometer. It is a kind of sensor which record acceleration and gives an analog data while moving in X,Y,Z direction or may be X,Y direction only depending on the type of the sensor.
  • 12.
    GESTURE CONTROLLED ROBOTUSING ARDUINO 2018 12 AMBALIKA INSTITUTE OF MANAGEMENT OF TECHNOLOGY (COLLEGE CODE – 363) The ADXL335 is a small, thin, low power, complete 3-axis accelerometer with signal conditioned voltage outputs. The product measures acceleration with a minimum full-scale range of ±3 g. It can measure the static acceleration of gravity in tilt- sensing applications, as well as dynamic acceleration resulting from motion, shock, or vibration. The user selects the bandwidth of the accelerometer using the CX, CY, and CZ capacitors at the XOUT, YOUT, and ZOUT pins. Bandwidths can be selected to suit the application, with a range of 0.5 Hz to 1600 Hz for the X and Y axes, and a range of 0.5 Hz to 550 Hz for the Z axis. The ADXL335 is available in a small, low profile, 4 mm × 4 mm × 1.45 mm, 16-lead, plastic lead frame chip scale package (LFCSP_LQ).  THEORY OF OPERATION The ADXL335 is a complete 3-axis acceleration measurement system. The ADXL335 has a measurement range of ±3 g minimum. It contains a polysilicon surface-micro-machined sensor and signal conditioning circuitry to implement an open-loop acceleration measurement architecture. The output signals are analog voltages that are proportional to acceleration. The accelerometer can measure the static acceleration of gravity in tilt-sensing applications as well as dynamic acceleration resulting from motion, shock, or vibration. The sensor is a polysilicon surface-micro-machined structure built on top of a silicon wafer. Polysilicon springs suspend the structure over the surface of the wafer and provide a resistance against acceleration forces. Deflection of the structure is measured using a differential capacitor that consists of independent fixed plates and plates attached to the moving mass. The fixed plates are driven by 180° out-of-phase square waves. Acceleration deflects the moving mass and unbalances the differential capacitor resulting in a sensor output whose amplitude is proportional to acceleration. Phase-sensitive demodulation techniques are then used to determine the magnitude and direction of the acceleration. The demodulator output is amplified and brought off-chip through a 32 kΩ resistor. The user then sets the signal bandwidth of the device by adding a capacitor. This filtering improves measurement resolution and helps prevent aliasing.
  • 13.
    GESTURE CONTROLLED ROBOTUSING ARDUINO 2018 13 AMBALIKA INSTITUTE OF MANAGEMENT OF TECHNOLOGY (COLLEGE CODE – 363)  MECHANICAL SENSOR The ADXL335 uses a single structure for sensing the X, Y, and Z axes. As a result, the three axes’ sense directions are highly orthogonal and have little cross-axis sensitivity. Mechanical misalignment of the sensor die to the package is the chief source of cross-axis sensitivity. Mechanical misalignment can, of course, be calibrated out at the system level.  PERFORMANCE Rather than using additional temperature compensation circuitry, innovative design techniques ensure that high performance is built in to the ADXL335. As a result, there is no quantization error or non-monotonic behavior, and temperature hysteresis is very low (typically less than 3 mg over the −25°C to +70°C temperature range).  APPLICATIONS INFORMATION  POWER SUPPLY DECOUPLING For most applications, a single 0.1 μF capacitor, CDC, placed close to the ADXL335 supply pins adequately decouples the accelerometer from noise on the power supply. However, in applications where noise is present at the 50 kHz internal clock frequency (or any harmonic thereof), additional care in power supply bypassing is required because this noise can cause errors in acceleration measurement. If additional decoupling is needed, a 100 Ω (or smaller) resistor or ferrite bead can be inserted in the supply line. Additionally, a larger bulk bypass capacitor (1 μF or greater) can be added in parallel to CDC. Ensure that the connection from the ADXL335 ground to the power supply ground is low impedance because noise transmitted through ground has a similar effect to noise transmitted through VS.
  • 14.
    GESTURE CONTROLLED ROBOTUSING ARDUINO 2018 14 AMBALIKA INSTITUTE OF MANAGEMENT OF TECHNOLOGY (COLLEGE CODE – 363)  SETTING THE BANDWIDTH USING CX, CY, AND CZ The ADXL335 has provisions for band limiting the XOUT, YOUT, and ZOUT pins. Capacitors must be added at these pins to implement low-pass filtering for anti- aliasing and noise reduction. The equation for the 3 dB bandwidth or more simply The tolerance of the internal resistor (RFILT) typically varies as much as ±15% of its nominal value (32 kΩ), and the bandwidth varies accordingly. A minimum capacitance. The tolerance of the internal resistor (RFILT) typically varies as much as ±15% of its nominal value (32 kΩ), and the bandwidth varies accordingly. A minimum capacitance of 0.0047 μF for CX, CY, and CZ is recommended in all cases. FIGURE 3-3
  • 15.
    GESTURE CONTROLLED ROBOTUSING ARDUINO 2018 15 AMBALIKA INSTITUTE OF MANAGEMENT OF TECHNOLOGY (COLLEGE CODE – 363) PIN NO. SYMBOL FUNCTION 1 ST Sets the sensitivity of the accelerometer 2 Z Records analog data for Z direction 3 Y Records analog data for Y direction 4 X Records analog data for X direction 5 GND Connected to ground for biasing 6 VCC +3.3 volt is applied Table 3-1 Pin description for Accelerometer
  • 16.
    GESTURE CONTROLLED ROBOTUSING ARDUINO 2018 16 AMBALIKA INSTITUTE OF MANAGEMENT OF TECHNOLOGY (COLLEGE CODE – 363) FIGURE 3-5  USE WITH OPERATING VOLTAGES OTHER THAN 3 V The ADXL335 is tested and specified at VS = 3 V; however, it can be powered with VS as low as 1.8 V or as high as 3.6 V. Note that some performance parameters change as the supply voltage is varied. The ADXL335 output is ratiometric, therefore, the output sensitivity (or scale factor) varies proportionally to the supply voltage. At VS = 3.6 V, the output sensitivity is typically 360 mV/g. At VS = 2 V, the output sensitivity is typically 195 mV/g. The zero g bias output is also ratiometric, thus the zero g output is nominally equal to VS/2 at all supply voltages. The output noise is not ratiometric but is absolute in volts; therefore, the noise density decreases as the supply voltage increases. This is because the scale factor (mV/g) increases while the noise voltage remains constant. At VS = 3.6 V, the X- axis and Y-axis noise density is typically 120 μg/√Hz, whereas at VS = 2 V, the X- axis and Y-axis noise density is typically 270 μg/√Hz.
  • 17.
    GESTURE CONTROLLED ROBOTUSING ARDUINO 2018 17 AMBALIKA INSTITUTE OF MANAGEMENT OF TECHNOLOGY (COLLEGE CODE – 363) 3.2 COMPARATOR IC (LM324) The comparator ic compares the analog voltage received from the accelerometer and compares it with a reference voltage and gives a particular high or low voltage. The received signal is quite noisy and of various voltage levels. This ic compares those levels and outputs in the form of 1 or 0 voltage level. This process is called signal conditioning. The figure shown below is comparator IC. The pins 1, 7, 8 and 14 are output pins. A reference voltage is connected to the negative terminal for high output when input is high or positive terminal for high output when input is low from the LM324 IC. Figure 3-6 LM324 IC
  • 18.
    GESTURE CONTROLLED ROBOTUSING ARDUINO 2018 18 AMBALIKA INSTITUTE OF MANAGEMENT OF TECHNOLOGY (COLLEGE CODE – 363) PIN NO. SYMBOL FUNCTION 1 Output 1 Output of 1st Comparator 2 Input 1- Inverting Input of 1st Comparator 3 Input1+ Non-Inverting Input of 1st Comparator 4 VCC Supply Voltage; 5V (up to 32V) 5 Input 2+ Non-Inverting Input of 2nd Comparator 6 Input 2- Inverting Input of 2nd Comparator 7 Output 2 Output of 2nd Comparator 8 Output 3 Output of 3rd Comparator 9 Input 3- Inverting Input of 3rd Comparator 10 Input 3+ Non-Inverting Input of 3rd Comparator 11 Ground Ground (0V) 12 Input 4+ Non-Inverting Input of 4th Comparator 13 Input 4- Inverting Input of 4th Comparator 14 Output 4 Output of 4th Comparator Table 3-2 Pin description for LM324
  • 19.
    GESTURE CONTROLLED ROBOTUSING ARDUINO 2018 19 AMBALIKA INSTITUTE OF MANAGEMENT OF TECHNOLOGY (COLLEGE CODE – 363) 3.3 ENCODER (HT12E) HT12E is an encoder integrated circuit of 212 series of encoders. They are paired with 212 series of decoders for use in remote control system applications. It is mainly used in interfacing RF and infrared circuits. The chosen pair of encoder/decoder should have same number of addresses and data format. Simply put, HT12E converts the parallel inputs into serial output. It encodes the 12 bit parallel data into serial for transmission through an RF transmitter. These 12 bits are divided into 8 address bits and 4 data bits. HT12E has a transmission enable pin which is active low. When a trigger signal is received on TE pin, the programmed addresses/data are transmitted together with the header bits via an RF or an infrared transmission medium. HT12E begins a 4-word transmission cycle upon receipt of a transmission enable. This cycle is repeated as long as TE is kept low. As soon as TE returns to high, the encoder output completes its final cycle and then stops. Figure 3-7 ENCODER (HT12E)
  • 20.
    GESTURE CONTROLLED ROBOTUSING ARDUINO 2018 20 AMBALIKA INSTITUTE OF MANAGEMENT OF TECHNOLOGY (COLLEGE CODE – 363) Table 3-3 Pin description for HT12E
  • 21.
    GESTURE CONTROLLED ROBOTUSING ARDUINO 2018 21 AMBALIKA INSTITUTE OF MANAGEMENT OF TECHNOLOGY (COLLEGE CODE – 363) 3.4 RF MODULE (Rx/Tx) Radio frequency (RF) is a rate of oscillation in the range of about 3 KHz to 300 GHz, which corresponds to the frequency of radio waves, and the alternating currents which carry radio signals. Although radio frequency is a rate of oscillation, the term "radio frequency" or its abbreviation "RF" are also used as a synonym for radio – i.e. to describe the use of wireless communication, as opposed to communication via electric wires The RF module is working on the frequency of 434 MHz and has a range of 50-80 meters. Figure 3-8 RF Transmitter PIN FUNCTION VCC 5V supply GND Ground pin Data Input from pin 17 of HT12E for data transmission Ant A wire attached here works as an antenna Table 3-3 Pin description for RF Tx
  • 22.
    GESTURE CONTROLLED ROBOTUSING ARDUINO 2018 22 AMBALIKA INSTITUTE OF MANAGEMENT OF TECHNOLOGY (COLLEGE CODE – 363) Figure 3-9 RF Receiver PIN FUNCTION VCC 5V supply GND Ground pin Data Output to pin 14 of HT12D for data transmission Ant A wire attached here works as an antenna Table 4-1 Pin description for RF Rx
  • 23.
    GESTURE CONTROLLED ROBOTUSING ARDUINO 2018 23 AMBALIKA INSTITUTE OF MANAGEMENT OF TECHNOLOGY (COLLEGE CODE – 363) 3.5 DECODER IC (HT12D) HT12D is a decoder integrated circuit that belongs to 212 series of decoders. This series of decoders are mainly used for remote control system applications, like burglar alarm, car door controller, security system etc. It is mainly provided to interface RF and infrared circuits. They are paired with 212 series of encoders. The chosen pair of encoder/decoder should have same number of addresses and data format. In simple terms, HT12D converts the serial input into parallel outputs. It decodes the serial addresses and data received by, say, an RF receiver, into parallel data and sends them to output data pins. The serial input data is compared with the local addresses three times continuously. The input data code is decoded when no error or unmatched codes are found. A valid transmission in indicated by a high signal at VT pin. HT12D is capable of decoding 12 bits, of which 8 are address bits and 4 are data bits. The data on 4 bit latch type output pins remain unchanged until new is received.
  • 24.
    GESTURE CONTROLLED ROBOTUSING ARDUINO 2018 24 AMBALIKA INSTITUTE OF MANAGEMENT OF TECHNOLOGY (COLLEGE CODE – 363) Figure 3-10 HT12D IC Table 4-2 Pin description for HT12D
  • 25.
    GESTURE CONTROLLED ROBOTUSING ARDUINO 2018 25 AMBALIKA INSTITUTE OF MANAGEMENT OF TECHNOLOGY (COLLEGE CODE – 363) 3.6 MICROCONTROLLER (ARDUINO UNO) Arduino Uno is a microcontroller board based on the ATmega328P. It has 14 digital input/output pins (of which 6 can be used as PWM outputs), 6 analog inputs, a 16 MHz quartz crystal, a USB connection, a power jack, an ICSP header and a reset button. It contains everything needed to support the microcontroller; simply connect it to a computer with a USB cable or power it with an AC-to-DC adapter or battery to get started. "Uno" means one in Italian and was chosen to mark the release of Arduino Software (IDE) 1.0. The Uno board and version 1.0 of Arduino Software (IDE) were the reference versions of Arduino, now evolved to newer releases. The Uno board is the first in a series of USB Arduino boards, and the reference model for the Arduino platform; for an extensive list of current, past or outdated boards see the Arduino index of boards. 3.6.1 Power  The Arduino Uno board can be powered via the USB connection or with an external power supply. The power source is selected automatically.  External (non-USB) power can come either from an AC-to-DC adapter (wall- wart) or battery. The adapter can be connected by plugging a 2.1mm center- positive plug into the board's power jack. Leads from a battery can be inserted in the GND and Vin pin headers of the POWER connector.  The board can operate on an external supply from 6 to 20 volts. If supplied with less than 7V, however, the 5V pin may supply less than five volts and the board may become unstable. If using more than 12V, the voltage regulator may overheat and damage the board. The recommended range is 7 to 12 volts.
  • 26.
    GESTURE CONTROLLED ROBOTUSING ARDUINO 2018 26 AMBALIKA INSTITUTE OF MANAGEMENT OF TECHNOLOGY (COLLEGE CODE – 363) The power pins are as follows: Vin: The input voltage to the Arduino/Genuino board when it's using an external power source (as opposed to 5 volts from the USB connection or other regulated power source). You can supply voltage through this pin, or, if supplying voltage via the power jack, access it through this pin. VT: This pin outputs a regulated 5V from the regulator on the board. The board can be supplied with power either from the DC power jack (7 - 12V), the USB connector (5V), or the VIN pin of the board (7-12V). Supplying voltage via the 5V or 3.3V pins bypasses the regulator, and can damage your board. We don't advise it. 3V3. A 3.3 volt supply generated by the on-board regulator. Maximum current draw is 50 mA. GND. Ground pins. IOREF. This pin on the Arduino/Genuino board provides the voltage reference with which the microcontroller operates. A properly configured shield can read the IOREF pin voltage and select the appropriate power source or enable voltage translators on the outputs to work with the 5V or 3.3V. Microcontroller ATmega328P Operating Voltage 5V Input Voltage (recommended) 7-12V Input Voltage (limit) 6-20V Digital I/O Pins 14 (of which 6 provide PWM output) PWM Digital I/O Pins 6 Analog Input Pins 6 DC Current per I/O Pin 20 mA DC Current for 3.3V Pin 50 mA Flash Memory 32 KB (ATmega328P) of which 0.5 KB used by
  • 27.
    GESTURE CONTROLLED ROBOTUSING ARDUINO 2018 27 AMBALIKA INSTITUTE OF MANAGEMENT OF TECHNOLOGY (COLLEGE CODE – 363) Table 4-3 Arduino Specifications Memory The ATmega328 has 32 KB (with 0.5 KB occupied by the bootloader). It also has 2 KB of SRAM and 1 KB of EEPROM (which can be read and written with the EEPROM library). Input and Output See the mapping between Arduino pins and ATmega328P ports. The mapping for the Atmega8, 168, and 328 is identical. PIN MAPPING ATmega328P Each of the 14 digital pins on the Uno can be used as an input or output, using pinMode(),digitalWrite(), and digitalRead() functions. They operate at 5 volts. Each pin can provide or receive 20 mA as recommended operating condition and has an internal pull-up resistor (disconnected by default) of 20-50k ohm. A maximum of 40mA is the value that must not be exceeded on any I/O pin to avoid permanent damage to the microcontroller. In addition, some pins have specialized functions: bootloader SRAM 2 KB (ATmega328P) EEPROM 1 KB (ATmega328P) Clock Speed 16 MHz LED_BUILTIN 13 Length 68.6 mm Width 53.4 mm
  • 28.
    GESTURE CONTROLLED ROBOTUSING ARDUINO 2018 28 AMBALIKA INSTITUTE OF MANAGEMENT OF TECHNOLOGY (COLLEGE CODE – 363) Serial: 0 (RX) and 1 (TX). Used to receive (RX) and transmit (TX) TTL serial data. These pins are connected to the corresponding pins of the ATmega8U2 USB-to-TTL Serial chip. External Interrupts: 2 and 3. These pins can be configured to trigger an interrupt on a low value, a rising or falling edge, or a change in value. See the attachInterrupt() function for details. PWM: 3, 5, 6, 9, 10, and 11. Provide 8-bit PWM output with the analogWrite() function. SPI: 10 (SS), 11 (MOSI), 12 (MISO), 13 (SCK). These pins support SPI communication using the SPI library. LED: 13. There is a built-in LED driven by digital pin 13. When the pin is HIGH value, the LED is on, when the pin is LOW, it's off. TWI: A4 or SDA pin and A5 or SCL pin. Support TWI communication using the Wire library. The Uno has 6 analog inputs, labeled A0 through A5, each of which provide 10 bits of resolution (i.e. 1024 different values). By default they measure from ground to 5 volts, though is it possible to change the upper end of their range using the AREF pin and the analogReference() function. There are a couple of other pins on the board: AREF. Reference voltage for the analog inputs. Used with analogReference(). Reset. Bring this line LOW to reset the microcontroller. Typically used to add a reset button to shields which block the one on the board.
  • 29.
    GESTURE CONTROLLED ROBOTUSING ARDUINO 2018 29 AMBALIKA INSTITUTE OF MANAGEMENT OF TECHNOLOGY (COLLEGE CODE – 363) Figure 3-11 Arduino 3.6.1 INTERFACING WITH ARDUINO RF MODULE Wireless Communication in any form has become an essential part of human life whether it may be short distance T.V Remote or long distance radio communication. Wireless communication is all about transmission of data wirelessly so that there is no hassle of any wires and no direct contact with the device itself. FIGURE 3-12
  • 30.
    GESTURE CONTROLLED ROBOTUSING ARDUINO 2018 30 AMBALIKA INSTITUTE OF MANAGEMENT OF TECHNOLOGY (COLLEGE CODE – 363) FIGURE 3-13 Receiver Part The receiver part consists of Arduino UNO and the 434 MHz Receiver module. An external LED can be used along with a current limiting resistor but on board LED would be sufficient. The design of the Receiver part is as follows. The RF Receiver Module consists of 4 – pins: VCC, GND, Data and Antenna. VCC and GND pins are connected to 3.3V pin of the Arduino and ground respectively. The data pin is connected to Pin 12 of the Arduino. An antenna similar to the transmitter module is connected to the antenna pin of the 434 MHz Receiver module. The on board LED which is connected to the 13th pin of Arduino is used in the project although an external LED can always be used.
  • 31.
    GESTURE CONTROLLED ROBOTUSING ARDUINO 2018 31 AMBALIKA INSTITUTE OF MANAGEMENT OF TECHNOLOGY (COLLEGE CODE – 363) Working Process In this project, a simple demonstration of RF Communication with the help of Arduino UNO boards is given. The aim of the project is to successfully transmit data between the RF Transmitter – Receiver modules using two Arduino UNO microcontroller boards. The working of the project is explained here.  Note: The project can be implemented with or without the help of a special library called “VirtualWire.h”. The project implemented here uses the library. If we want to implement the project without the library, then we need to change the receiver part of the circuit.  VirtualWire.h is a special library for Arduino created by Mike McCauley. It is a communication library that allows two Arduino’s to communicate with each other using RF Module i.e. transmitter – receiver pair. This library consists of several functions that are used for configuring the modules, transmission of data by the transmitter module and data reception by the receiver module.  In this project, the transmitter simply sends two characters i.e. it sends the character “1” and with a delay of few seconds, it sends the character “0”. Whenever the “1” is sent, the LED on the transmitting side of the project will be turned ON. As this “1” is transmitted via RF communication, the receiver will receive the data “1”.  When the receiver receives “1”, the Arduino on the receiver side of the project will turn ON the LED on its side.  Similarly, when the data “0” is transmitted by the RF transmitter, the LED on the transmitter side is turned OFF. As
  • 32.
    GESTURE CONTROLLED ROBOTUSING ARDUINO 2018 32 AMBALIKA INSTITUTE OF MANAGEMENT OF TECHNOLOGY (COLLEGE CODE – 363) a result, the receiver now receives “0” and the LED on the receiver side is also turned OFF.  Hence, the receiver is imitating the actions of the transmitter.
  • 33.
    GESTURE CONTROLLED ROBOTUSING ARDUINO 2018 33 AMBALIKA INSTITUTE OF MANAGEMENT OF TECHNOLOGY (COLLEGE CODE – 363) 3.6.1 INTERFACING WITH ARDUINO ADXL 335
  • 34.
    GESTURE CONTROLLED ROBOTUSING ARDUINO 2018 34 AMBALIKA INSTITUTE OF MANAGEMENT OF TECHNOLOGY (COLLEGE CODE – 363) The accelerometer module has 5 pins, namely 1. GND-To be connected to Arduino's GND 2. VCC-To be connected to Arduino's 5V 3. X-To be connected to Analog Pin A5 4. Y-To be connected to Analog Pin A4 5. Z-To be connected to Analog Pin A3 NOTE: We don't need to power the module from 3.3v because it already has a 5v to 3.3v converter. Use 2-pin relegate for connecting Vcc and GND. Use a 3-pin relegate for connecting X, Y & Z outputs. Also connect AREF pin to the 3.3v. This is done to set the reference voltage to 3.3v because the output of ADXL335 is 3.3v compatible. 3.6.1 INTERFACING WITH ARDUINO MOTOR DRIVER What is a Motor Driver? A motor driver is a small Current Amplifier whose function is to take a low- current control signal and then turn it into a higher-current signal that can drive a motor. The L293D is a typical Motor Driver which can drive 2 DC motors simultaneously. Why Motor Drivers? Motor Driver ICs are primarily used in autonomous robotics only. Also most microprocessors operate at low voltages and require a small amount of current to operate while the motors require a relatively higher voltages and current. Thus current cannot be supplied to the motors from the microprocessor. This is the primary need for the motor driver IC. So if you want to build a rover or a robot using DC motors, then look no further than L293D Dual H-Bridge Motor Driver.
  • 35.
    GESTURE CONTROLLED ROBOTUSING ARDUINO 2018 35 AMBALIKA INSTITUTE OF MANAGEMENT OF TECHNOLOGY (COLLEGE CODE – 363)
  • 36.
    GESTURE CONTROLLED ROBOTUSING ARDUINO 2018 36 AMBALIKA INSTITUTE OF MANAGEMENT OF TECHNOLOGY (COLLEGE CODE – 363) 3.7 MOTOR DRIVER IC (L293D) It is also known as H-Bridge or Actuator IC. Actuators are those devices which actually gives the movement to do a task like that of a motor. In the real world there are different types of motors available which work on different voltages. So we need a motor driver for running them through the controller. The output from the microcontroller is a low current signal. The motor driver amplifies that current which can control and drive a motor. In most cases, a transistor can act as a switch and perform this task which drives the motor in a single direction. Figure 3-10 L293D IC Turning a motor ON and OFF requires only one switch to control a single motor in a single direction. We can reverse the direction of the motor by simply reversing its polarity. This can be achieved by using four switches that are arranged in an intelligent manner such that the circuit not only drives the motor, but also controls its direction. Out of many, one of the most common and clever design is a H-bridge circuit where transistors are arranged in a shape that resembles the English alphabet "H".
  • 37.
    GESTURE CONTROLLED ROBOTUSING ARDUINO 2018 37 AMBALIKA INSTITUTE OF MANAGEMENT OF TECHNOLOGY (COLLEGE CODE – 363) Figure 3-11 H-Bridge As seen in the image, the circuit has four switches A, B, C and D. Turning these switches ON and OFF can drive a motor in different ways.  When switches A and D are on, motor rotates clockwise.   When B and C are on, the motor rotates anti-clockwise.   When A and B are on, the motor will stop.   Turning off all the switches gives the motor a free wheel drive.  Turning on A & C at the same time or B & D at the same time shorts the entire circuit. So, never try to do it.
  • 38.
    GESTURE CONTROLLED ROBOTUSING ARDUINO 2018 38 AMBALIKA INSTITUTE OF MANAGEMENT OF TECHNOLOGY (COLLEGE CODE – 363) 3.8 DC MOTORS A machine that converts DC power into mechanical power is known as a DC motor. Its operation is based on the principle that when a current carrying conductor is placed in a magnetic field, the conductor experiences a mechanical force. DC motors have a revolving armature winding but non-revolving armature magnetic field and a stationary field winding or permanent magnet. Different connections of the field and armature winding provide different speed/torque regulation features. The speed of a DC motor can be controlled by changing the voltage applied to the armature or by changing the field current. Figure 3-12 DC Motor
  • 39.
    GESTURE CONTROLLED ROBOTUSING ARDUINO 2018 39 AMBALIKA INSTITUTE OF MANAGEMENT OF TECHNOLOGY (COLLEGE CODE – 363) 3.8.1 DC GEAR MOTOR A geared DC Motor has a gear assembly devoted to the motor. The speed of motor is counted in terms of rotations of the shaft per minute and is termed as RPM .The gear assembly helps in increasing the torque and dropping the speed. Using the correct arrangement of gears in a gear motor, its speed can be reduced to any required figure. This concept of reducing the speed with the help of gears and increasing the torque is known as gear reduction. Reducing the speed put out by the motor while increasing the quantity of applied torque is a important feature of the reduction gear trains found in a gear motor. The decrease in speed is inversely relative to the increase in torque. This association means that, in this sort of device, if the torque were to double, the speed would decrease by one half. Small electric motors, such as the gear motor, are able to move and stand very heavy loads because of these reduction gear trains. While the speed and ability of larger motors is greater, small electric motors are sufficient to bear these loads. Figure 3-13 DC Gear Motor
  • 40.
    GESTURE CONTROLLED ROBOTUSING ARDUINO 2018 40 AMBALIKA INSTITUTE OF MANAGEMENT OF TECHNOLOGY (COLLEGE CODE – 363) CHAPTER 4 IMPLEMENTATION
  • 41.
    GESTURE CONTROLLED ROBOTUSING ARDUINO 2018 41 AMBALIKA INSTITUTE OF MANAGEMENT OF TECHNOLOGY (COLLEGE CODE – 363) 4.1 INPUT TO ACCELEROMETER (ADXL 335) Different Hand gestures to make the robot move in specific directions are as follow: Fig 5-1 Move Forward Fig 5-2 Move Backward Fig 5-3 Move Right
  • 42.
    GESTURE CONTROLLED ROBOTUSING ARDUINO 2018 42 AMBALIKA INSTITUTE OF MANAGEMENT OF TECHNOLOGY (COLLEGE CODE – 363) Fig 5-4 Move Left The robot only moves when the accelerometer is moved in a specific direction. The valid movements are as follows: DIRECTION ACCELEROMETER ORIENTATION Forward +y Backward -y Right +x Left -x Stop Rest Table 5-1 Accelerometer Orientation
  • 43.
    GESTURE CONTROLLED ROBOTUSING ARDUINO 2018 43 AMBALIKA INSTITUTE OF MANAGEMENT OF TECHNOLOGY (COLLEGE CODE – 363) The accelerometer records the hand movements in the X and Y directions only and outputs constant analog voltage levels. These voltages are fed to the comparator IC which compares it with the references voltages that we have set via variable resistors attached to the IC. The levels that we have set are 1.7V and 1.4V. Every voltage generated by the accelerometer is compared with these and an analog 1 or 0 signal is given out by the comparator IC. Fig 4-1 Input and Output of Comparator IC There are total five conditions for this Gesture controlled Robot which are giving below: Movement of hand Input for Arduino from gesture Side D3 D2 D1 D0 Direction Stable 0 0 0 0 Stop Tilt right 0 0 0 1 Turn Right Tilt left 0 0 1 0 Turn Left
  • 44.
    GESTURE CONTROLLED ROBOTUSING ARDUINO 2018 44 AMBALIKA INSTITUTE OF MANAGEMENT OF TECHNOLOGY (COLLEGE CODE – 363) Tilt back 1 0 0 0 Backward Tilt front 0 1 0 0 Forward This analog signal is the input to the encoder IC. The input to the encoder is parallel while the output is a serial coded waveform which is suitable for RF transmission. A push button is attached to pin 14 of this IC which is the Transmission Enable (TE) pin. The coded data will be passed onto the RF module only when the button is pressed. This button makes sure no data is transmitted unless we want to. The RF transmitter modulates the input signal using Amplitude Shift Keying (ASK) modulation. It is the form of modulation that represents digital data as variations in the amplitude of a carrier wave.
  • 45.
    GESTURE CONTROLLED ROBOTUSING ARDUINO 2018 44 AMBALIKA INSTITUTE OF MANAGEMENT OF TECHNOLOGY (COLLEGE CODE – 363) The following figure shows the modulated output of the RF module: Fig 4-2 ASK Modulation The RF modules works on the frequency of 315MHz. It means that the carrier frequency of the RF module is 315MHz. The RF module enables the user to control the robot wirelessly and with ease.
  • 46.
    GESTURE CONTROLLED ROBOT|2018 25| Ambalilka Institute Of Management And Technology (College Code-363) The schematic of transmitting end can be seen below:
  • 47.
    GESTURE CONTROLLED ROBOT|2018 26| Ambalilka Institute Of Management And Technology (College Code-363) This transmitted signal is received by the RF receiver, demodulated and then passed onto the decoder IC. The decoder IC decodes the coded waveform and the original data bits are recovered. The input is a serial coded modulated waveform while the output is parallel. The pin 17 of the decoder IC is the Valid Transmission (VT) pin. A led can be connected to this pin which will indicate the status of the transmission. In the case of a successful transmission, the led will blink. The parallel data from the encoder is fed to the port 1of the microcontroller. This data is in the form of bits. The microcontroller reads these bits and takes decisions on the basis of these bits. What the microcontroller does is, it compares the input bits with the coded bits which are burnt into the program memory of the microcontroller and outputs on the basis of these bits. Port 2 of the microcontroller is used as the output port. Output bits from this port are forwarded to the motor driver IC which drives the motors in a special configuration based on the hand movements. At a dead stop, a motor produces no voltage. If a voltage is applied and the motor begins to spin, it will act as a generator that will produce a voltage that opposes the external voltage applied to it. This is called Counter Electromotive Force (CEF) or Back Electromotive Force (Back EMF). If a load stops the motors from moving then the current may be high enough to burn out the motor coil windings. To prevent this, flyback diodes are used. They prevent the back emf from increasing and damaging the motors.
  • 48.
    GESTURE CONTROLLED ROBOT|2018 27| Ambalilka Institute Of Management And Technology (College Code-363) The schematic of receiving end can be seen below:
  • 49.
    GESTURE CONTROLLED ROBOT|2018 28| Ambalilka Institute Of Management And Technology (College Code-363) 4.2 SIMULATION We performed a simulation of our project in PROTEUS and the code was written in C language using KEIL MICROVISION. We wrote a code for the microcontroller to run DC motors using the H-Bridge IC (L293D). In the simulation we sent the relevant data to the Microcontroller (AT89C51) through switches. The Microcontroller processed the data and sent the information to the Actuator IC (L293D). The Actuator IC upon receiving information showed response by driving the DC motors. The simulation schematic is as follow: Figure 4-1 FYP-1 Simulation
  • 50.
    GESTURE CONTROLLED ROBOT|2018 29| Ambalilka Institute Of Management And Technology (College Code-363) 4.3 ADRUINO CODE #define FD 16 #define BD 17 #define LD 18 #define RD 19 #define m11 3 #define m12 4 #define m21 5 #define m22 6 void forward() { digitalWrite(m11, HIGH); digitalWrite(m12, LOW); digitalWrite(m21, HIGH); digitalWrite(m22, LOW); } void backward() { digitalWrite(m11, LOW); digitalWrite(m12, HIGH); digitalWrite(m21, LOW); digitalWrite(m22, HIGH); } void left() { digitalWrite(m11, HIGH); digitalWrite(m12, LOW); digitalWrite(m21, LOW); digitalWrite(m22, LOW); } void right() { digitalWrite(m11, LOW); digitalWrite(m12, LOW); digitalWrite(m21, HIGH);
  • 51.
    GESTURE CONTROLLED ROBOT|2018 30| Ambalilka Institute Of Management And Technology (College Code-363) digitalWrite(m22, LOW); } void Stop() { digitalWrite(m11, LOW); digitalWrite(m12, LOW); digitalWrite(m21, LOW); digitalWrite(m22, LOW); } void setup() { pinMode(FD, INPUT); pinMode(BD, INPUT); pinMode(LD, INPUT); pinMode(RD, INPUT); pinMode(m11, OUTPUT); pinMode(m12, OUTPUT); pinMode(m21, OUTPUT); pinMode(m22, OUTPUT); } void loop() { int temp1=digitalRead(FD); int temp2=digitalRead(BD); int temp3=digitalRead(LD); int temp4=digitalRead(RD); if(temp1==1 && temp2==0 && temp3==0 && temp4==0) backward(); else if(temp1==0 && temp2==1 && temp3==0 && temp4==0) forward(); else if(temp1==0 && temp2==0 && temp3==1 && temp4==0) left(); else if(temp1==0 && temp2==0 && temp3==0 && temp4==1) right(); else Stop(); }
  • 52.
    GESTURE CONTROLLED ROBOT|2018 31| Ambalilka Institute Of Management And Technology (College Code-363) CHAPTER 5 CONCLUSION, LIMITATIONS AND FUTURE WORK
  • 53.
    GESTURE CONTROLLED ROBOT|2018 32| Ambalilka Institute Of Management And Technology (College Code-363) 5.1 CONCLUSION We achieved our objective without any hurdles i.e. the control of a robot using gestures. The robot is showing proper responses whenever we move our hand. For controlling the robot remotely, Holteks’ encoder-decoder pair (HT12E and HT12D) together with a 433MHz transmitter-receiver pair is used. HT12E and HT12D are CMOS ICs with working voltage ranging from 2.4V to 12V. Encoder HT12E has eight address and another four address/data lines. The data set on these twelve lines (address and address/data lines) is serially transmitted when transmit-enable pin TE is taken low. The data output appears serially on DOUT pin. The data is transmitted four times in succession. It consists of differing lengths of positive-going pulses for ‘1’ and ‘0,’ the pulse- width for ‘0’ being twice the pulse-width for ‘1.’ The frequency of these pulses may lie between 1.5 and 7 kHz depending on the resistor value between OSC1 and OSC2 PINS.
  • 54.
    GESTURE CONTROLLED ROBOT|2018 33| Ambalilka Institute Of Management And Technology (College Code-363) Our finished product can be seen in the images below: Figure 5-5 Robot-1 Figure5-6 Robot-2
  • 55.
    GESTURE CONTROLLED ROBOT|2018 34| Ambalilka Institute Of Management And Technology (College Code-363) Figure 5-7 Robot Wheel Figure 5-8 Transmitter Circuit
  • 56.
    GESTURE CONTROLLED ROBOT|2018 35| Ambalilka Institute Of Management And Technology (College Code-363) Figure 5-10 Hand Assembly Figure 5-11 Robot with Hand Assembly
  • 57.
    GESTURE CONTROLLED ROBOT|2018 36| Ambalilka Institute Of Management And Technology (College Code-363) Disadvantages of the Current Gesture The current gesture recognition system is a vision-based system which has many disadvantages, Including  Costly solution  Need high resolution cameras  Highly sensitive to noise in image processing (lens aberrations) Advantages of Touch less Gesture Recognition The disadvantages of the vision-based recognition system have been overcome in the touch-less based Gesture Recognition system. The advantages of the touch less sensing system are:  Cheaper solution  Easy to develop  Easy to maintain  Easy to replace  Easy to access  Touch-less
  • 58.
    GESTURE CONTROLLED ROBOT|2018 37| Ambalilka Institute Of Management And Technology (College Code-363) 5.2 LIMITATIONS AND FUTURE WORK  The on-board batteries occupy a lot of space and are also quite heavy. We can either use some alternate power source for the batteries or replace the current DC Motors with ones which require less power.   Secondly, as we are using RF for wireless transmission, the range is quite limited; nearly 50-80m. This problem can be solved by utilizing a GSM module for wireless transmission. The GSM infrastructure is installed almost all over the world. GSM will not only provide wireless connectivity but also quite a large range.   Thirdly, an on-board camera can be installed for monitoring the robot from faraway places. All we need is a wireless camera which will broadcast and a receiver module which will provide live streaming.
  • 59.
    GESTURE CONTROLLED ROBOT|2018 38| Ambalilka Institute Of Management And Technology (College Code-363) REFERENCES [1] “Gesture Controlled Robot PPT” <http://seminarprojects.com/s/hand-gesture-controlled-robot-ppt> [2] “Gesture Controlled Tank Toy User Guide” <http://www.slideshare.net/neeraj18290/wireless-gesture-controlled-tank-toy- transmitter> [3] “Embedded Systems Guide (2002)” <http://www.webstatschecker.com/stats/keyword/a_hand_gesture_based_cont rol_interface_for_a _car_robot> [4] “Robotic Gesture Recognition (1997)” by Jochen Triesch and Christoph Von Der Malsburg <http://citeseerx.ist.psu.edu/viewdoc/summary?doi=10.1.1.37.5427> [5] “Real-Time Robotic Hand Control Using Hand Gestures” by Jagdish Lal Raheja, Radhey Shyam, G. Arun Rajsekhar and P. Bhanu Prasad [6] “Hand Gesture Controlled Robot” by Bhosale Prasad S., Bunage Yogesh B. and Shinde Swapnil V. [7]<http://www.robotplatform.com/howto/L293/motor_driver_1.htm> [8]< http://en.wikipedia.org/wiki/Gesture_interface> [9]< http://www.wisegeek.com/what-is-a-gear-motor.htm> [10]<http://www.scribd.com/doc/98400320/InTech-Real-Time-Robotic- Hand-Control-Using-Hand-Gestures> [11]< http://en.wikipedia.org/wiki/DC_motor> [12]<http://electronics.stackexchange.com/questions/18447/what-is- back-emf-counter-electromotive-force>