Department of Electrical Engineering
Power Electronics
Lab Manual
B.E-VI Electronics
Instructor: Engr. Jahangir Badar Soomro
Department of Electrical Engineering
Certificate
It is certified that Zeeshan Ahmed Lodro student of
BE -VI has carried out the necessary work of
Power Electronics
Lab as per course of studies prevailed in the department of
Electrical Engineering
Sukkur IBA University for Spring 2017.
____________________
Instructor’s Signature
Date: _______________
1
Lab Experiment No# 01
Single Phase Half Wave Uncontrolled Rectification using Resistive Load, Resistive-Inductive
Load, and Resistive-Capacitive Load
B. Sketch/Display the output voltage and current waveforms as displayed on the oscilloscope.
i) In case of resistive load.
Ans: R_Load Ω
ii) In case of resistive-inductive load.
Ans: RL_Load R= Ω, L= 385 mH
2
iii) In case of resistive inductive load with a freewheeling diode parallel across the load.
Ans: Free Wheeling
iv) In case of resistive-capacitive load. Attach all necessary results and discuss the effect of
increasing the capacitance value on average output voltage.
Ans: RC_Load R= Ω, C= 50 uF
1
Lab Experiment No# 02
Single Phase Full Wave Uncontrolled Rectification using Resistive Load, Resistive-Inductive
Load, and Resistive-Capacitive Load
B. Sketch/Display the output voltage and current waveforms as displayed on the oscilloscope.
i) In case of resistive load.
Ans: R_Load 3 Ω
ii) In case of resistive-inductive load. Attach all necessary results to verify that as the value of
inductance increases the average output voltage decreases.
Ans: RL_Load R= 3 Ω, L= 700 mH
2
iii) In case of resistive-capacitive load
Ans: RC_Load R= 3 Ω, C= 50 uF
1
Lab Experiment No# 03
Single Phase Half Wave Controlled Rectification using Resistive Load, Resistive-Inductive
Load, and Resistive-Capacitive Load
B. At any conduction angle sketch/display the load voltage and current waveforms as displayed on
the oscilloscope. Also, display total harmonic distortions in output voltage and current in case of
resistive load on that firing angle using power quality analyzer.
i) In case of resistive load.
Ans: Conduction angle 62°
Total Harmonic Distortions in Output Current
2
Total Harmonic Distortions in Output Voltage
ii) In case of resistive-inductive load.
3
iii) In case of resistive inductive load with a freewheeling diode parallel across the load.
iv) In case of resistive-capacitive load
4
0 0.01 0.02 0.03 0.04 0.05 0.06 0.07 0.08 0.09 0.1
-80
-60
-40
-20
0
20
40
60
80
Time
Amplitude
Single Phase Halfwave Controlled Rectifier using Resistive Load
C. Design MATLAB/SIMULINK model of Single phase half wave controlled rectifier using resistive
and resistive-inductive load. Also, connect freewheeling diode with resistive-inductive load and
discuss its effect on the output. Attach all necessary snapshots of models and resulting outputs of
circuits.
a) Single Phase Halfwave Controlled Rectifier using resistive Load.
Block Diagram:
Result:
5
b) Single Phase Halfwave Controlled Rectifier using Resistive-Inductive Load.
Block Diagram:
0 0.01 0.02 0.03 0.04 0.05 0.06 0.07 0.08 0.09 0.1
-80
-60
-40
-20
0
20
40
60
80
Time
Single Phase Halfwave Controlled Rectifier using Resistive-Inductive Load.
Result:
Amplitude
6
c) Single Phase Halfwave Controlled Rectifier using Resistive-Inductive Load with Freewheeling
diode.
Block Diagram:
0 0.01 0.02 0.03 0.04 0.05 0.06 0.07 0.08 0.09 0.1
-80
-60
-40
-20
0
20
40
60
80
Time
Amplitude
Single Phase Halfwave Controlled Rectifier using RL Load with Freewheeling diode.
Result:
1
Lab Experiment No# 04
Single Phase Full Wave Controlled Rectification using Resistive Load, Resistive-Inductive
Load, and Resistive-Capacitive Load
A. At any firing angles sketch/display the load voltage and current waveforms as displayed on the
oscilloscope. Also, display total harmonic distortions in output voltage and current in case of
resistive-inductive load on that firing angle using power quality analyzer.
i) In case of resistive load.
Ans: Firing angle 99°
ii) In case of resistive-inductive load
2
Total Harmonic Distortions in Output Current
Total Harmonic Distortions in Output Voltage
iii) In case of resistive-capacitive load
3
0 0.01 0.02 0.03 0.04 0.05 0.06 0.07 0.08 0.09 0.1
-100
-80
-60
-40
-20
0
20
40
60
80
100
Time
Amplitude
Single phase Full Wave Controlled Bridge Rectifier using Resistive load.
B. Design MATLAB/SIMULINK model of Single phase full wave controlled bridge rectifier using
resistive and resistive-inductive load. Attach all necessary snapshots of models and resulting
outputs of circuits.
a) Single phase Full Wave Controlled Bridge Rectifier using Resistive load.
Block Diagram:
Result:
4
0 0.01 0.02 0.03 0.04 0.05 0.06 0.07 0.08 0.09 0.1
-100
-80
-60
-40
-20
0
20
40
60
80
100
Time
Amplitude
Single phase Full Wave Controlled Bridge Rectifier using RL load
b) Single phase Full Wave Controlled Bridge Rectifier using Resistive-Inductive load.
Block Diagram:
Result:
1
Lab Experiment No# 05
Three Phase Half Wave & Full Wave Controlled Rectification using Resistive Load, Resistive-
Inductive Load, and Resistive-Capacitive Load
A. At any firing angle sketch/display the load voltage and current waveforms of three phase half
wave rectifier with resistive load as displayed on the oscilloscope.
At a reference voltage of scale division at Ω
At a reference voltage of 8 scale division at 272 Ω
2
At a reference voltage of scale division at Ω
At a reference voltage of 4 scale division at Ω
At a reference voltage of scale division at Ω
3
0 0.01 0.02 0.03 0.04 0.05 0.06 0.07 0.08 0.09 0.1
-100
-80
-60
-40
-20
0
20
40
60
80
100
Time
Amplitude
Three Phase Halfwave Controlled Rectifier using Resistive Load.
B) Simulate MATLAB/SIMULINK model of three phase Half Wave Controlled Rectifier using
Resistive and Resistive-Inductive load (firing angle should be your CMS ID). Attach all necessary
snapshots of models and resulting outputs of circuits.
a) Three Phase Halfwave Controlled Rectifier using Resistive Load.
Block Diagram:
Result:
4
b) Three Phase Halfwave Controlled Rectifier using Resistive-Inductive Load.
Block Diagram:
0 0.01 0.02 0.03 0.04 0.05 0.06 0.07 0.08 0.09 0.1
-100
-80
-60
-40
-20
0
20
40
60
80
100
Time
Amplitude
Three Phase Halfwave Controlled Rectifier using Resistive-Inductive Load.
Result:
1
Lab Experiment No# 06
Speed Control of DC Shunt Motor using AC-DC Converters
A) Record the reference voltage (at any five values), speed, armature voltage and armature current
to complete the table for dc motor drive using half wave and full wave controlled rectifier.
a) Single Phase Half Wave Controlled Rectifier (DC motor speed control) (470 mH).
a)
Single
Phase
Full
Wave
Control
led
Rectifie
r (DC
motor speed control) (470 mH).
Ref voltage scale div Speed rev/min Armature voltage Armature current
1 0.7rpm 1.8mV 0
3 45.4rpm 115mV 0.096A
5 352.1rpm 29.9V 0.33A
7 1210rpm 97.7V 0.37A
9 1474rpm 118V 0.36A
Ref voltage scale div Speed rev/min Armature voltage Armature current
2 0 124mV 0.027
4 129.8 388mV 0.303
6 1340 107V 0.355
8 1857 147.5V 0.353
10 2137 167.7V 0.366
2
B) At a reference voltage of 9 scale divisions, sketch/display the load voltage and current across the
armature of dc motor drive using half wave controlled rectifier and full wave controlled rectifier.
Half wave controlled rectifier dc motor drive at 9 scale division
Full wave controlled rectifier dc motor drive at 9 scale division
1
Lab Experiment No# 7
Step Down Chopper (DC-DC Converter)
B) Simulate Buck Converter using MATLAB/SIMULINK software keeping parameters L= 0μH, C=
22μF, R_Load= Ω, F Switching=1000 KHz, D=0.4 and input voltage=62V (CMS ID). Steps to follow:
i. Display its output voltage and inductor current on scope.
Voltage Waveform:
Current Waveform:
9.228 9.229 9.23 9.231 9.232 9.233 9.234 9.235 9.236 9.237
x 10
-3
24.3149
24.3149
24.3149
24.3149
24.3149
24.3149
24.3149
24.3149
Time
Voltage
9.228 9.229 9.23 9.231 9.232 9.233 9.234 9.235 9.236 9.237
x 10
-3
4.65
4.7
4.75
4.8
4.85
4.9
4.95
5
5.05
5.1
5.15
Time
Current
2
ii. Vary the duty cycle and comment on the results.
Duty Cycle 40 %:
Duty Cycle 60 %:
9.228 9.229 9.23 9.231 9.232 9.233 9.234 9.235 9.236 9.237
x 10
-3
24.3149
24.3149
24.3149
24.3149
24.3149
24.3149
24.3149
24.3149
Time
Voltage
9.228 9.229 9.23 9.231 9.232 9.233 9.234 9.235 9.236 9.237
x 10
-3
36.8729
36.8729
36.8729
36.8729
36.8729
36.8729
36.8729
36.8729
36.8729
Time
Voltage
1
Lab Experiment No# 08
Step Up Chopper (DC-DC Converter)
Questions
Vg = 18V And Duty Cycle = 40%
1. Display the steady-state average output voltage. Also write its value (expressed in volts)?
Ans: Average output voltage = 29.887V
2
2. Display the steady-state average inductor current. Also write its value (in amps)?
Ans: Average inductor current = 1.4942A
3) What is the steady-state output power (in watts)?
Ans: 44.6571 Watts
4. What is the average power drawn out of the input source Vg during steady-state operation of the
converter (in watts)?
Ans: 47.1708 Watts
5. What is the average power consumption of the gate driver (in watts)?
Ans: 0.3554 mWatt
6. What is the converter efficiency (enter a numeric value between 0 and 1)?
Ans: 94.671%
3
7. Now change the control voltage input to the pulse-width modulator, so that it produces a control
signal having a duty cycle of 0.6. Run the simulation again. What is the new steady-state average
output voltage? Also, display its new steady-state average output voltage.
1
0 0.01 0.02 0.03 0.04 0.05 0.06 0.07 0.08 0.09 0.1
-4
-2
0
2
4
Time
Current
0 0.01 0.02 0.03 0.04 0.05 0.06 0.07 0.08 0.09 0.1
-100
-50
0
50
100
Time
Voltage
Lab Experiment No# 09
Single Phase Half Bridge & Full Bridge Square Wave Inverter
A) Simulate MATLAB/SIMULINK model of single phase full bridge square wave voltage source
inverter using IGBTs with resistive load. Follow the below instructions to complete the lab report.
i) Attach the snapshot of your designed model.
ii. Attach the output voltage and current of your designed model
2
0 0.01 0.02 0.03 0.04 0.05 0.06 0.07 0.08 0.09 0.1
-2
0
2
Selected signal: 5 cycles. FFT window (in red): 1 cycles
Time (s)
0 100 200 300 400 500 600 700 800 900 1000
0
5
10
15
20
25
30
35
Frequency (Hz)
Fundamental (50Hz) = 4.71 , THD= 48.03%
Mag(%ofFundamental)
iii) Display the total harmonic distortions in output voltage and current of square wave inverter
using FFT analysis tool in MATLAB/SIMULINK. Why there are only odd harmonics and no even
harmonics in square wave inverter? Snapshot
THD in Output Voltage & Output Current using FFT Analysis:
Output Voltage THD:
Output Current THD:
0 0.01 0.02 0.03 0.04 0.05 0.06 0.07 0.08 0.09 0.1
-2
0
2
Selected signal: 5 cycles. FFT window (in red): 1 cycles
Time (s)
0 100 200 300 400 500 600 700 800 900 1000
0
5
10
15
20
25
30
35
Frequency (Hz)
Fundamental (50Hz) = 4.71 , THD= 48.03%
Mag(%ofFundamental)
3
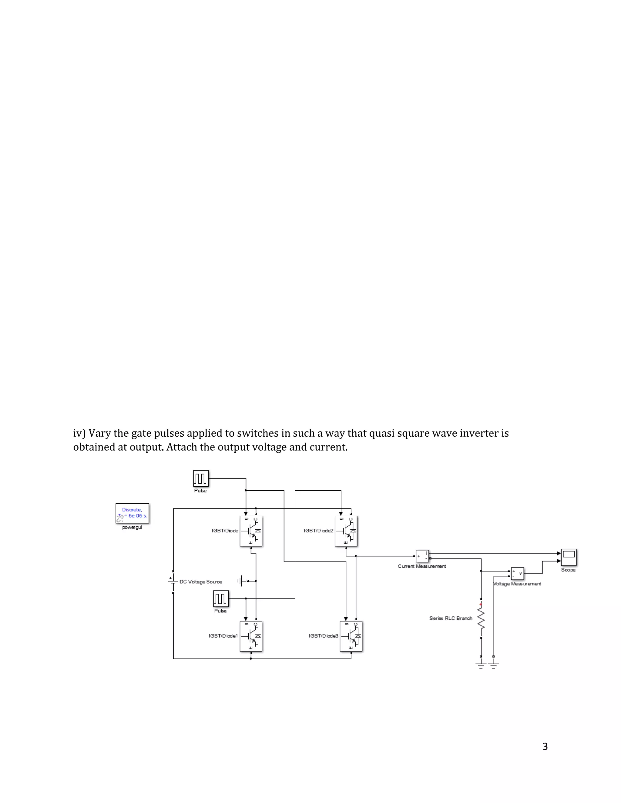
iv) Vary the gate pulses applied to switches in such a way that quasi square wave inverter is
obtained at output. Attach the output voltage and current.
4
Result
v) Display the total harmonic distortions in output voltage and current of quasi square inverter
using FFT analysis tool in MATLAB/SIMULINK. Compare the %THD of quasi square inverter with
square wave inverter. Which topology is better in terms of power quality?
THD in Output Voltage & Output Current of Quasi Square Wave using FFT Analysis:
Output Voltage THD:
0 0.01 0.02 0.03 0.04 0.05 0.06 0.07 0.08 0.09 0.1
-10
-5
0
5
10
Time
Current
0 0.01 0.02 0.03 0.04 0.05 0.06 0.07 0.08 0.09 0.1
-100
-50
0
50
100
Time
Voltage
5
Output Current THD:
0 0.01 0.02 0.03 0.04 0.05 0.06 0.07 0.08 0.09 0.1
-5
0
5
Selected signal: 5 cycles. FFT window (in red): 1 cycles
Time (s)
0 100 200 300 400 500 600 700 800 900 1000
0
5
10
15
20
25
Frequency (Hz)
Fundamental (50Hz) = 7.621 , THD= 36.18%
Mag(%ofFundamental)
0 0.01 0.02 0.03 0.04 0.05 0.06 0.07 0.08 0.09 0.1
-50
0
50
Selected signal: 5 cycles. FFT window (in red): 1 cycles
Time (s)
0 100 200 300 400 500 600 700 800 900 1000
0
5
10
15
20
25
Frequency (Hz)
Fundamental (50Hz) = 76.21 , THD= 36.18%
Mag(%ofFundamental)
1
Lab Experiment No# 10
Single Phase Bipolar & Unipolar PWM Inverters
Using SimPower Systems toolbox of MATLAB/SIMULINK software, simulate the circuit of
single phase H-Bridge inverter with Bipolar and Unipolar PWM. Connect the dc-side to a dc
voltage source of Vdc= (Your CMS ID) and the ac-side to an RL load with R=1Ω and L=5mH.
The desired ac voltage has a fundamental of 50 Hz. Select the triangle wave with a
frequency of 500Hz+Your CMS ID.
1) Single Phase Unipolar PWM Inverter:
i. Vary the modulation index of either bipolar or unipolar topology from 0.2 to 1 (steps of
0.2) and record (attach) the voltage and current waveforms. Confirm that the amplitude of
fundamental component of load voltage has a linear relationship with the modulation index
(you can confirm by measuring the amplitude of load current).
Block Diagram:
2
Result: At m= 0.2
At m=0.4
0 0.01 0.02 0.03 0.04 0.05 0.06 0.07 0.08 0.09 0.1
-20
-10
0
10
20Current
0 0.01 0.02 0.03 0.04 0.05 0.06 0.07 0.08 0.09 0.1
-100
-50
0
50
100
Time
Voltage
0 0.01 0.02 0.03 0.04 0.05 0.06 0.07 0.08 0.09 0.1
-40
-20
0
20
40
Current
0 0.01 0.02 0.03 0.04 0.05 0.06 0.07 0.08 0.09 0.1
-100
-50
0
50
100
Time
Voltage
3
At m=0.6
At m=0.8
0 0.01 0.02 0.03 0.04 0.05 0.06 0.07 0.08 0.09 0.1
-40
-20
0
20
40
Current
0 0.01 0.02 0.03 0.04 0.05 0.06 0.07 0.08 0.09 0.1
-100
-50
0
50
100
Time
Voltage
0 0.01 0.02 0.03 0.04 0.05 0.06 0.07 0.08 0.09 0.1
-40
-20
0
20
40
Current
0 0.01 0.02 0.03 0.04 0.05 0.06 0.07 0.08 0.09 0.1
-100
-50
0
50
100
Time
Voltage
4
At m=1
ii) Single Phase Unipolar PWM Inverter THD:
Voltage THD:
0 0.01 0.02 0.03 0.04 0.05 0.06 0.07 0.08 0.09 0.1
-50
0
50
Current
0 0.01 0.02 0.03 0.04 0.05 0.06 0.07 0.08 0.09 0.1
-100
-50
0
50
100
Time
Voltage
0 0.01 0.02 0.03 0.04 0.05 0.06 0.07 0.08 0.09 0.1
-50
0
50
Selected signal: 5 cycles. FFT window (in red): 1 cycles
Time (s)
0 100 200 300 400 500 600 700 800 900 1000
0
10
20
30
40
50
Frequency (Hz)
Fundamental (50Hz) = 73.75 , THD= 100.03%
Mag(%ofFundamental)
5
Current THD:
iii) Output Currents & THD at different Switching Frequencies:
A. At Fc= 1562 Hz.
Output Current & THD:
0 0.01 0.02 0.03 0.04 0.05 0.06 0.07 0.08 0.09 0.1
-40
-20
0
20
40
Selected signal: 5 cycles. FFT window (in red): 1 cycles
Time (s)
0 100 200 300 400 500 600 700 800 900 1000
0
2
4
6
8
10
12
14
16
Frequency (Hz)
Fundamental (50Hz) = 40.2 , THD= 18.40%
Mag(%ofFundamental)
0 0.01 0.02 0.03 0.04 0.05 0.06 0.07 0.08 0.09 0.1
-40
-20
0
20
40
Selected signal: 5 cycles. FFT window (in red): 1 cycles
Time (s)
0 100 200 300 400 500 600 700 800 900 1000
0
2
4
6
8
10
12
14
16
18
20
Frequency (Hz)
Fundamental (50Hz) = 39.59 , THD= 19.14%
Mag(%ofFundamental)
6
B. At Fc= 262 Hz.
Output Current & THD:
Bipolar Output Current & THD:
0 0.01 0.02 0.03 0.04 0.05 0.06 0.07 0.08 0.09 0.1
-40
-20
0
20
40
Selected signal: 5 cycles. FFT window (in red): 1 cycles
Time (s)
0 100 200 300 400 500 600 700 800 900 1000
0
5
10
15
Frequency (Hz)
Fundamental (50Hz) = 38.57 , THD= 23.13%
Mag(%ofFundamental)
0 0.02 0.04 0.06 0.08 0.1
-40
-20
0
20
40
Selected signal: 5 cycles. FFT window (in red): 1 cycles
Time (s)
0 200 400 600 800 1000
0
5
10
15
Frequency (Hz)
Fundamental (50Hz) = 40.7 , THD= 19.28%
Mag(%ofFundamental)
1
Lab Experiment No# 11
Single Phase to Single Phase(1Ø-1Ø) Cycloconverter
A. Simulate MATLAB/SIMULINK model of single Single-phase to Single-phase Step Down
Cycloconverter. Follow the below instructions to complete the lab report.
i. Attach the snapshot of your designed model.
ii. Keeping any frequency select (F, F/2, F/3, F/4), verify that the model works as step down
cycloconverter. Attach the output voltage and input voltage waveforms.
Frequency Fin = 50 Hz Fout = 50Hz :
Input Voltage Waveform:
0 0.05 0.1 0.15 0.2 0.25 0.3 0.35 0.4 0.45 0.5
-80
-60
-40
-20
0
20
40
60
80
Time
2
Output Voltage Waveform:
Frequency Fin = 50 Hz Fout/2= 25Hz :
Input Voltage Waveform:
Output Voltage Waveform:
0 0.05 0.1 0.15 0.2 0.25 0.3 0.35 0.4 0.45 0.5
-40
-30
-20
-10
0
10
20
30
40
Time
0 0.05 0.1 0.15 0.2 0.25 0.3 0.35 0.4 0.45 0.5
-80
-60
-40
-20
0
20
40
60
80
Time
0 0.05 0.1 0.15 0.2 0.25 0.3 0.35 0.4 0.45 0.5
-40
-30
-20
-10
0
10
20
30
40
Time
3
Frequency Fin = 50 Hz Fout/3= 16.66Hz :
Input Voltage Waveform:
Output Voltage Waveform:
Frequency Fin = 50 Hz Fout/4= 12.5Hz :
Input Voltage Waveform:
0 0.05 0.1 0.15 0.2 0.25 0.3 0.35 0.4 0.45 0.5
-80
-60
-40
-20
0
20
40
60
80
Time
0 0.05 0.1 0.15 0.2 0.25 0.3 0.35 0.4 0.45 0.5
-40
-30
-20
-10
0
10
20
30
40
Time
0 0.05 0.1 0.15 0.2 0.25 0.3 0.35 0.4 0.45 0.5
-80
-60
-40
-20
0
20
40
60
80
Time
4
Output Voltage Waveform:
0 0.05 0.1 0.15 0.2 0.25 0.3 0.35 0.4 0.45 0.5
-40
-30
-20
-10
0
10
20
30
40
Time
1
Lab Experiment No# 12
Single Phase Full Wave AC Voltage Controller using Resistive Load, Resistive-Inductive Load
and Resistive-Capacitive Load
A) At any firing angles sketch/display the load voltage and current waveforms as displayed on
the oscilloscope. Also, display total harmonic distortions in output voltage and current on that
firing angle using resistive load. What is the effect on total harmonic distortions if firing angle is
increased?
i) In case of resistive load. With firing angle 140.4° and R_Load 8 Ω
Total Harmonic Distortion in output Current
2
Total Harmonic Distortion in output Voltage
ii) In case of resistive-Inductive load. With firing angle 140.4° and RL_Load 8 Ω and L= 5 mH
3
0 0.01 0.02 0.03 0.04 0.05 0.06 0.07 0.08 0.09 0.1
-200
-150
-100
-50
0
50
100
150
200
Time
Amplitude
Single Phase Full Wave Bidirectional Ac Voltage Controller using SCRs with Resistive load
B) Simulate MATLAB/SIMULINK model of single phase full wave bidirectional ac voltage
controller using SCRs with resistive and resistive-inductive load. Using FFT analysis tool
calculate the total harmonic distortions at that firing angle in case of resistive load only. Attach
all necessary snapshots of model and results.
a) Single Phase Full Wave Bidirectional Ac Voltage Controller using SCRs with Resistive load.
Block Diagram:
Result:
4
0 0.01 0.02 0.03 0.04 0.05 0.06 0.07 0.08 0.09 0.1
-200
-150
-100
-50
0
50
100
150
200
Time
Amplitude
Single Phase Full wave Bidirectional Ac Voltage Controller using SCRs with RL load
b) Single Phase Full Wave Bidirectional Ac Voltage Controller using SCRs with Resistive-
Inductive load.
Block Diagram:
Result:
5
c) Total Harmonic Distortion Using Resistive Load only

Power Electronics Lab Manual Spring 2017

  • 1.
    Department of ElectricalEngineering Power Electronics Lab Manual B.E-VI Electronics Instructor: Engr. Jahangir Badar Soomro
  • 2.
    Department of ElectricalEngineering Certificate It is certified that Zeeshan Ahmed Lodro student of BE -VI has carried out the necessary work of Power Electronics Lab as per course of studies prevailed in the department of Electrical Engineering Sukkur IBA University for Spring 2017. ____________________ Instructor’s Signature Date: _______________
  • 3.
    1 Lab Experiment No#01 Single Phase Half Wave Uncontrolled Rectification using Resistive Load, Resistive-Inductive Load, and Resistive-Capacitive Load B. Sketch/Display the output voltage and current waveforms as displayed on the oscilloscope. i) In case of resistive load. Ans: R_Load Ω ii) In case of resistive-inductive load. Ans: RL_Load R= Ω, L= 385 mH
  • 4.
    2 iii) In caseof resistive inductive load with a freewheeling diode parallel across the load. Ans: Free Wheeling iv) In case of resistive-capacitive load. Attach all necessary results and discuss the effect of increasing the capacitance value on average output voltage. Ans: RC_Load R= Ω, C= 50 uF
  • 5.
    1 Lab Experiment No#02 Single Phase Full Wave Uncontrolled Rectification using Resistive Load, Resistive-Inductive Load, and Resistive-Capacitive Load B. Sketch/Display the output voltage and current waveforms as displayed on the oscilloscope. i) In case of resistive load. Ans: R_Load 3 Ω ii) In case of resistive-inductive load. Attach all necessary results to verify that as the value of inductance increases the average output voltage decreases. Ans: RL_Load R= 3 Ω, L= 700 mH
  • 6.
    2 iii) In caseof resistive-capacitive load Ans: RC_Load R= 3 Ω, C= 50 uF
  • 7.
    1 Lab Experiment No#03 Single Phase Half Wave Controlled Rectification using Resistive Load, Resistive-Inductive Load, and Resistive-Capacitive Load B. At any conduction angle sketch/display the load voltage and current waveforms as displayed on the oscilloscope. Also, display total harmonic distortions in output voltage and current in case of resistive load on that firing angle using power quality analyzer. i) In case of resistive load. Ans: Conduction angle 62° Total Harmonic Distortions in Output Current
  • 8.
    2 Total Harmonic Distortionsin Output Voltage ii) In case of resistive-inductive load.
  • 9.
    3 iii) In caseof resistive inductive load with a freewheeling diode parallel across the load. iv) In case of resistive-capacitive load
  • 10.
    4 0 0.01 0.020.03 0.04 0.05 0.06 0.07 0.08 0.09 0.1 -80 -60 -40 -20 0 20 40 60 80 Time Amplitude Single Phase Halfwave Controlled Rectifier using Resistive Load C. Design MATLAB/SIMULINK model of Single phase half wave controlled rectifier using resistive and resistive-inductive load. Also, connect freewheeling diode with resistive-inductive load and discuss its effect on the output. Attach all necessary snapshots of models and resulting outputs of circuits. a) Single Phase Halfwave Controlled Rectifier using resistive Load. Block Diagram: Result:
  • 11.
    5 b) Single PhaseHalfwave Controlled Rectifier using Resistive-Inductive Load. Block Diagram: 0 0.01 0.02 0.03 0.04 0.05 0.06 0.07 0.08 0.09 0.1 -80 -60 -40 -20 0 20 40 60 80 Time Single Phase Halfwave Controlled Rectifier using Resistive-Inductive Load. Result: Amplitude
  • 12.
    6 c) Single PhaseHalfwave Controlled Rectifier using Resistive-Inductive Load with Freewheeling diode. Block Diagram: 0 0.01 0.02 0.03 0.04 0.05 0.06 0.07 0.08 0.09 0.1 -80 -60 -40 -20 0 20 40 60 80 Time Amplitude Single Phase Halfwave Controlled Rectifier using RL Load with Freewheeling diode. Result:
  • 13.
    1 Lab Experiment No#04 Single Phase Full Wave Controlled Rectification using Resistive Load, Resistive-Inductive Load, and Resistive-Capacitive Load A. At any firing angles sketch/display the load voltage and current waveforms as displayed on the oscilloscope. Also, display total harmonic distortions in output voltage and current in case of resistive-inductive load on that firing angle using power quality analyzer. i) In case of resistive load. Ans: Firing angle 99° ii) In case of resistive-inductive load
  • 14.
    2 Total Harmonic Distortionsin Output Current Total Harmonic Distortions in Output Voltage iii) In case of resistive-capacitive load
  • 15.
    3 0 0.01 0.020.03 0.04 0.05 0.06 0.07 0.08 0.09 0.1 -100 -80 -60 -40 -20 0 20 40 60 80 100 Time Amplitude Single phase Full Wave Controlled Bridge Rectifier using Resistive load. B. Design MATLAB/SIMULINK model of Single phase full wave controlled bridge rectifier using resistive and resistive-inductive load. Attach all necessary snapshots of models and resulting outputs of circuits. a) Single phase Full Wave Controlled Bridge Rectifier using Resistive load. Block Diagram: Result:
  • 16.
    4 0 0.01 0.020.03 0.04 0.05 0.06 0.07 0.08 0.09 0.1 -100 -80 -60 -40 -20 0 20 40 60 80 100 Time Amplitude Single phase Full Wave Controlled Bridge Rectifier using RL load b) Single phase Full Wave Controlled Bridge Rectifier using Resistive-Inductive load. Block Diagram: Result:
  • 17.
    1 Lab Experiment No#05 Three Phase Half Wave & Full Wave Controlled Rectification using Resistive Load, Resistive- Inductive Load, and Resistive-Capacitive Load A. At any firing angle sketch/display the load voltage and current waveforms of three phase half wave rectifier with resistive load as displayed on the oscilloscope. At a reference voltage of scale division at Ω At a reference voltage of 8 scale division at 272 Ω
  • 18.
    2 At a referencevoltage of scale division at Ω At a reference voltage of 4 scale division at Ω At a reference voltage of scale division at Ω
  • 19.
    3 0 0.01 0.020.03 0.04 0.05 0.06 0.07 0.08 0.09 0.1 -100 -80 -60 -40 -20 0 20 40 60 80 100 Time Amplitude Three Phase Halfwave Controlled Rectifier using Resistive Load. B) Simulate MATLAB/SIMULINK model of three phase Half Wave Controlled Rectifier using Resistive and Resistive-Inductive load (firing angle should be your CMS ID). Attach all necessary snapshots of models and resulting outputs of circuits. a) Three Phase Halfwave Controlled Rectifier using Resistive Load. Block Diagram: Result:
  • 20.
    4 b) Three PhaseHalfwave Controlled Rectifier using Resistive-Inductive Load. Block Diagram: 0 0.01 0.02 0.03 0.04 0.05 0.06 0.07 0.08 0.09 0.1 -100 -80 -60 -40 -20 0 20 40 60 80 100 Time Amplitude Three Phase Halfwave Controlled Rectifier using Resistive-Inductive Load. Result:
  • 21.
    1 Lab Experiment No#06 Speed Control of DC Shunt Motor using AC-DC Converters A) Record the reference voltage (at any five values), speed, armature voltage and armature current to complete the table for dc motor drive using half wave and full wave controlled rectifier. a) Single Phase Half Wave Controlled Rectifier (DC motor speed control) (470 mH). a) Single Phase Full Wave Control led Rectifie r (DC motor speed control) (470 mH). Ref voltage scale div Speed rev/min Armature voltage Armature current 1 0.7rpm 1.8mV 0 3 45.4rpm 115mV 0.096A 5 352.1rpm 29.9V 0.33A 7 1210rpm 97.7V 0.37A 9 1474rpm 118V 0.36A Ref voltage scale div Speed rev/min Armature voltage Armature current 2 0 124mV 0.027 4 129.8 388mV 0.303 6 1340 107V 0.355 8 1857 147.5V 0.353 10 2137 167.7V 0.366
  • 22.
    2 B) At areference voltage of 9 scale divisions, sketch/display the load voltage and current across the armature of dc motor drive using half wave controlled rectifier and full wave controlled rectifier. Half wave controlled rectifier dc motor drive at 9 scale division Full wave controlled rectifier dc motor drive at 9 scale division
  • 23.
    1 Lab Experiment No#7 Step Down Chopper (DC-DC Converter) B) Simulate Buck Converter using MATLAB/SIMULINK software keeping parameters L= 0μH, C= 22μF, R_Load= Ω, F Switching=1000 KHz, D=0.4 and input voltage=62V (CMS ID). Steps to follow: i. Display its output voltage and inductor current on scope. Voltage Waveform: Current Waveform: 9.228 9.229 9.23 9.231 9.232 9.233 9.234 9.235 9.236 9.237 x 10 -3 24.3149 24.3149 24.3149 24.3149 24.3149 24.3149 24.3149 24.3149 Time Voltage 9.228 9.229 9.23 9.231 9.232 9.233 9.234 9.235 9.236 9.237 x 10 -3 4.65 4.7 4.75 4.8 4.85 4.9 4.95 5 5.05 5.1 5.15 Time Current
  • 24.
    2 ii. Vary theduty cycle and comment on the results. Duty Cycle 40 %: Duty Cycle 60 %: 9.228 9.229 9.23 9.231 9.232 9.233 9.234 9.235 9.236 9.237 x 10 -3 24.3149 24.3149 24.3149 24.3149 24.3149 24.3149 24.3149 24.3149 Time Voltage 9.228 9.229 9.23 9.231 9.232 9.233 9.234 9.235 9.236 9.237 x 10 -3 36.8729 36.8729 36.8729 36.8729 36.8729 36.8729 36.8729 36.8729 36.8729 Time Voltage
  • 25.
    1 Lab Experiment No#08 Step Up Chopper (DC-DC Converter) Questions Vg = 18V And Duty Cycle = 40% 1. Display the steady-state average output voltage. Also write its value (expressed in volts)? Ans: Average output voltage = 29.887V
  • 26.
    2 2. Display thesteady-state average inductor current. Also write its value (in amps)? Ans: Average inductor current = 1.4942A 3) What is the steady-state output power (in watts)? Ans: 44.6571 Watts 4. What is the average power drawn out of the input source Vg during steady-state operation of the converter (in watts)? Ans: 47.1708 Watts 5. What is the average power consumption of the gate driver (in watts)? Ans: 0.3554 mWatt 6. What is the converter efficiency (enter a numeric value between 0 and 1)? Ans: 94.671%
  • 27.
    3 7. Now changethe control voltage input to the pulse-width modulator, so that it produces a control signal having a duty cycle of 0.6. Run the simulation again. What is the new steady-state average output voltage? Also, display its new steady-state average output voltage.
  • 28.
    1 0 0.01 0.020.03 0.04 0.05 0.06 0.07 0.08 0.09 0.1 -4 -2 0 2 4 Time Current 0 0.01 0.02 0.03 0.04 0.05 0.06 0.07 0.08 0.09 0.1 -100 -50 0 50 100 Time Voltage Lab Experiment No# 09 Single Phase Half Bridge & Full Bridge Square Wave Inverter A) Simulate MATLAB/SIMULINK model of single phase full bridge square wave voltage source inverter using IGBTs with resistive load. Follow the below instructions to complete the lab report. i) Attach the snapshot of your designed model. ii. Attach the output voltage and current of your designed model
  • 29.
    2 0 0.01 0.020.03 0.04 0.05 0.06 0.07 0.08 0.09 0.1 -2 0 2 Selected signal: 5 cycles. FFT window (in red): 1 cycles Time (s) 0 100 200 300 400 500 600 700 800 900 1000 0 5 10 15 20 25 30 35 Frequency (Hz) Fundamental (50Hz) = 4.71 , THD= 48.03% Mag(%ofFundamental) iii) Display the total harmonic distortions in output voltage and current of square wave inverter using FFT analysis tool in MATLAB/SIMULINK. Why there are only odd harmonics and no even harmonics in square wave inverter? Snapshot THD in Output Voltage & Output Current using FFT Analysis: Output Voltage THD: Output Current THD: 0 0.01 0.02 0.03 0.04 0.05 0.06 0.07 0.08 0.09 0.1 -2 0 2 Selected signal: 5 cycles. FFT window (in red): 1 cycles Time (s) 0 100 200 300 400 500 600 700 800 900 1000 0 5 10 15 20 25 30 35 Frequency (Hz) Fundamental (50Hz) = 4.71 , THD= 48.03% Mag(%ofFundamental)
  • 30.
    3 iv) Vary thegate pulses applied to switches in such a way that quasi square wave inverter is obtained at output. Attach the output voltage and current.
  • 31.
    4 Result v) Display thetotal harmonic distortions in output voltage and current of quasi square inverter using FFT analysis tool in MATLAB/SIMULINK. Compare the %THD of quasi square inverter with square wave inverter. Which topology is better in terms of power quality? THD in Output Voltage & Output Current of Quasi Square Wave using FFT Analysis: Output Voltage THD: 0 0.01 0.02 0.03 0.04 0.05 0.06 0.07 0.08 0.09 0.1 -10 -5 0 5 10 Time Current 0 0.01 0.02 0.03 0.04 0.05 0.06 0.07 0.08 0.09 0.1 -100 -50 0 50 100 Time Voltage
  • 32.
    5 Output Current THD: 00.01 0.02 0.03 0.04 0.05 0.06 0.07 0.08 0.09 0.1 -5 0 5 Selected signal: 5 cycles. FFT window (in red): 1 cycles Time (s) 0 100 200 300 400 500 600 700 800 900 1000 0 5 10 15 20 25 Frequency (Hz) Fundamental (50Hz) = 7.621 , THD= 36.18% Mag(%ofFundamental) 0 0.01 0.02 0.03 0.04 0.05 0.06 0.07 0.08 0.09 0.1 -50 0 50 Selected signal: 5 cycles. FFT window (in red): 1 cycles Time (s) 0 100 200 300 400 500 600 700 800 900 1000 0 5 10 15 20 25 Frequency (Hz) Fundamental (50Hz) = 76.21 , THD= 36.18% Mag(%ofFundamental)
  • 33.
    1 Lab Experiment No#10 Single Phase Bipolar & Unipolar PWM Inverters Using SimPower Systems toolbox of MATLAB/SIMULINK software, simulate the circuit of single phase H-Bridge inverter with Bipolar and Unipolar PWM. Connect the dc-side to a dc voltage source of Vdc= (Your CMS ID) and the ac-side to an RL load with R=1Ω and L=5mH. The desired ac voltage has a fundamental of 50 Hz. Select the triangle wave with a frequency of 500Hz+Your CMS ID. 1) Single Phase Unipolar PWM Inverter: i. Vary the modulation index of either bipolar or unipolar topology from 0.2 to 1 (steps of 0.2) and record (attach) the voltage and current waveforms. Confirm that the amplitude of fundamental component of load voltage has a linear relationship with the modulation index (you can confirm by measuring the amplitude of load current). Block Diagram:
  • 34.
    2 Result: At m=0.2 At m=0.4 0 0.01 0.02 0.03 0.04 0.05 0.06 0.07 0.08 0.09 0.1 -20 -10 0 10 20Current 0 0.01 0.02 0.03 0.04 0.05 0.06 0.07 0.08 0.09 0.1 -100 -50 0 50 100 Time Voltage 0 0.01 0.02 0.03 0.04 0.05 0.06 0.07 0.08 0.09 0.1 -40 -20 0 20 40 Current 0 0.01 0.02 0.03 0.04 0.05 0.06 0.07 0.08 0.09 0.1 -100 -50 0 50 100 Time Voltage
  • 35.
    3 At m=0.6 At m=0.8 00.01 0.02 0.03 0.04 0.05 0.06 0.07 0.08 0.09 0.1 -40 -20 0 20 40 Current 0 0.01 0.02 0.03 0.04 0.05 0.06 0.07 0.08 0.09 0.1 -100 -50 0 50 100 Time Voltage 0 0.01 0.02 0.03 0.04 0.05 0.06 0.07 0.08 0.09 0.1 -40 -20 0 20 40 Current 0 0.01 0.02 0.03 0.04 0.05 0.06 0.07 0.08 0.09 0.1 -100 -50 0 50 100 Time Voltage
  • 36.
    4 At m=1 ii) SinglePhase Unipolar PWM Inverter THD: Voltage THD: 0 0.01 0.02 0.03 0.04 0.05 0.06 0.07 0.08 0.09 0.1 -50 0 50 Current 0 0.01 0.02 0.03 0.04 0.05 0.06 0.07 0.08 0.09 0.1 -100 -50 0 50 100 Time Voltage 0 0.01 0.02 0.03 0.04 0.05 0.06 0.07 0.08 0.09 0.1 -50 0 50 Selected signal: 5 cycles. FFT window (in red): 1 cycles Time (s) 0 100 200 300 400 500 600 700 800 900 1000 0 10 20 30 40 50 Frequency (Hz) Fundamental (50Hz) = 73.75 , THD= 100.03% Mag(%ofFundamental)
  • 37.
    5 Current THD: iii) OutputCurrents & THD at different Switching Frequencies: A. At Fc= 1562 Hz. Output Current & THD: 0 0.01 0.02 0.03 0.04 0.05 0.06 0.07 0.08 0.09 0.1 -40 -20 0 20 40 Selected signal: 5 cycles. FFT window (in red): 1 cycles Time (s) 0 100 200 300 400 500 600 700 800 900 1000 0 2 4 6 8 10 12 14 16 Frequency (Hz) Fundamental (50Hz) = 40.2 , THD= 18.40% Mag(%ofFundamental) 0 0.01 0.02 0.03 0.04 0.05 0.06 0.07 0.08 0.09 0.1 -40 -20 0 20 40 Selected signal: 5 cycles. FFT window (in red): 1 cycles Time (s) 0 100 200 300 400 500 600 700 800 900 1000 0 2 4 6 8 10 12 14 16 18 20 Frequency (Hz) Fundamental (50Hz) = 39.59 , THD= 19.14% Mag(%ofFundamental)
  • 38.
    6 B. At Fc=262 Hz. Output Current & THD: Bipolar Output Current & THD: 0 0.01 0.02 0.03 0.04 0.05 0.06 0.07 0.08 0.09 0.1 -40 -20 0 20 40 Selected signal: 5 cycles. FFT window (in red): 1 cycles Time (s) 0 100 200 300 400 500 600 700 800 900 1000 0 5 10 15 Frequency (Hz) Fundamental (50Hz) = 38.57 , THD= 23.13% Mag(%ofFundamental) 0 0.02 0.04 0.06 0.08 0.1 -40 -20 0 20 40 Selected signal: 5 cycles. FFT window (in red): 1 cycles Time (s) 0 200 400 600 800 1000 0 5 10 15 Frequency (Hz) Fundamental (50Hz) = 40.7 , THD= 19.28% Mag(%ofFundamental)
  • 39.
    1 Lab Experiment No#11 Single Phase to Single Phase(1Ø-1Ø) Cycloconverter A. Simulate MATLAB/SIMULINK model of single Single-phase to Single-phase Step Down Cycloconverter. Follow the below instructions to complete the lab report. i. Attach the snapshot of your designed model. ii. Keeping any frequency select (F, F/2, F/3, F/4), verify that the model works as step down cycloconverter. Attach the output voltage and input voltage waveforms. Frequency Fin = 50 Hz Fout = 50Hz : Input Voltage Waveform: 0 0.05 0.1 0.15 0.2 0.25 0.3 0.35 0.4 0.45 0.5 -80 -60 -40 -20 0 20 40 60 80 Time
  • 40.
    2 Output Voltage Waveform: FrequencyFin = 50 Hz Fout/2= 25Hz : Input Voltage Waveform: Output Voltage Waveform: 0 0.05 0.1 0.15 0.2 0.25 0.3 0.35 0.4 0.45 0.5 -40 -30 -20 -10 0 10 20 30 40 Time 0 0.05 0.1 0.15 0.2 0.25 0.3 0.35 0.4 0.45 0.5 -80 -60 -40 -20 0 20 40 60 80 Time 0 0.05 0.1 0.15 0.2 0.25 0.3 0.35 0.4 0.45 0.5 -40 -30 -20 -10 0 10 20 30 40 Time
  • 41.
    3 Frequency Fin =50 Hz Fout/3= 16.66Hz : Input Voltage Waveform: Output Voltage Waveform: Frequency Fin = 50 Hz Fout/4= 12.5Hz : Input Voltage Waveform: 0 0.05 0.1 0.15 0.2 0.25 0.3 0.35 0.4 0.45 0.5 -80 -60 -40 -20 0 20 40 60 80 Time 0 0.05 0.1 0.15 0.2 0.25 0.3 0.35 0.4 0.45 0.5 -40 -30 -20 -10 0 10 20 30 40 Time 0 0.05 0.1 0.15 0.2 0.25 0.3 0.35 0.4 0.45 0.5 -80 -60 -40 -20 0 20 40 60 80 Time
  • 42.
    4 Output Voltage Waveform: 00.05 0.1 0.15 0.2 0.25 0.3 0.35 0.4 0.45 0.5 -40 -30 -20 -10 0 10 20 30 40 Time
  • 43.
    1 Lab Experiment No#12 Single Phase Full Wave AC Voltage Controller using Resistive Load, Resistive-Inductive Load and Resistive-Capacitive Load A) At any firing angles sketch/display the load voltage and current waveforms as displayed on the oscilloscope. Also, display total harmonic distortions in output voltage and current on that firing angle using resistive load. What is the effect on total harmonic distortions if firing angle is increased? i) In case of resistive load. With firing angle 140.4° and R_Load 8 Ω Total Harmonic Distortion in output Current
  • 44.
    2 Total Harmonic Distortionin output Voltage ii) In case of resistive-Inductive load. With firing angle 140.4° and RL_Load 8 Ω and L= 5 mH
  • 45.
    3 0 0.01 0.020.03 0.04 0.05 0.06 0.07 0.08 0.09 0.1 -200 -150 -100 -50 0 50 100 150 200 Time Amplitude Single Phase Full Wave Bidirectional Ac Voltage Controller using SCRs with Resistive load B) Simulate MATLAB/SIMULINK model of single phase full wave bidirectional ac voltage controller using SCRs with resistive and resistive-inductive load. Using FFT analysis tool calculate the total harmonic distortions at that firing angle in case of resistive load only. Attach all necessary snapshots of model and results. a) Single Phase Full Wave Bidirectional Ac Voltage Controller using SCRs with Resistive load. Block Diagram: Result:
  • 46.
    4 0 0.01 0.020.03 0.04 0.05 0.06 0.07 0.08 0.09 0.1 -200 -150 -100 -50 0 50 100 150 200 Time Amplitude Single Phase Full wave Bidirectional Ac Voltage Controller using SCRs with RL load b) Single Phase Full Wave Bidirectional Ac Voltage Controller using SCRs with Resistive- Inductive load. Block Diagram: Result:
  • 47.
    5 c) Total HarmonicDistortion Using Resistive Load only