PREFACE
Modern Automotive Technology is an important paper for B TECH
Mechanical stream -Automobile Engineering 7th
semester. This book is prepared
in accordance with Kerala University Syllabus which can be useful for the
preparation of exam. The subject is presented in simple language for easy
understanding. Students are advised to refer prescribed text books to know the
subject deeply. This book has been prepared within a short period. Suggestion
from students for making the book more useful will be received with pleasure
Prepared by
Vivek V Kamal
Vishnu B C
Hari Krishnan
1
MODULE-I
Electric and Hybrid Vehicle technology: Introduction, LEV, TLEV, ULV & ZEV, Basic components
of Electric vehicles, Batteries suitable for electric vehicles, motor and controllers,
constructional features, Basic factors to be considered for converting automobiles to electric
vehicle, electric hybrid vehicle, types - series and parallel hybrid, layouts, comparison, Power
systems and control systems, Different modes of operation for best usage. Regenerative
braking, Recent Trends in Automotive Power Plants: Stratified charged / lean burn engines –
Hydrogen Engines- Electric propulsion with cables – Magnetic track vehicles.
MODULE -II
Fuel Cells and Alternative energy systems: Introduction to fuel cells, Operational fuel cell
voltages, Proton Exchange membrane fuel cells, Alkaline Electrolyte fuel cells, Medium and
high temperature fuel cells, fuel and fuel chose, fuel processing, fuel cell stacks, Delivering
fuel cell power, Integrated Air supply and humidification concepts for fuel cell systems, A
comparison of High pressure and low pressure operation PEM Fuel cell systems, Fuel cell
Auxiliary systems, Modern Developments in Automobiles: Air compression systems, Air
powered vehicles, Vehicle Automated Tracks: Preparation and maintenance of proper road
network-National highway network with automated roads and vehicles-Satellite control of
vehicle operation for safe and fast travel.
Module III
Modem electronic and micro control systems in automobiles: Electronically controlled
concealed headlight systems, LED and Audible warning systems Electro chromic mirrors,
automatic review mirrors, OBD II, Day time running lamps (DRL), Head up display, Travel
information systems, On board navigation system, Electronic climate control, Electronic cruise
control, Antilock braking system, Electronically controlled sunroof, Anti-theft systems,
Automatic door locks (ADL), engine management system, Electronic transmission control,
chassis control system, Integrated system, Vehicle Operation and Control: Computer Control
for pollution and noise control and for fuel economy-Transducers and operation of the vehicle
like optimum speed and direction.
2
ELECTRIC AND HYBRID VEHICLE TECHNOLOGY
Most of the cars you see today are powered by IC engines, which use Fossil fuels to power up.
As we all know, Fossil fuels are the apt example for Non-Renewable source of energy, thus a time with
no fuel for our Vehicles is not too far. Also IC Engine powered Vehicles contribute a great amount of
Pollutants to our environment. Due to these main problems, we Automobile Engineers need to think
of new ways of powering our Wheels and the best answer to this puzzle is Electric and Hybrid
Vehicles.
As the name suggests, Electric vehicles are powered by Electricity and uses Electric Motors for Traction
purposes. Electricity may be stored on rechargeable batteries or on any other energy storage devices
in case of electric cars, and electric power may be collected from Generator Plants through overhead
lines as in the case of other form of EV (Electric Vehicle) like electric trains.
HYBRID Vehicles uses more than one Power Source to power our wheel. For example an ELECTRIC
HYBRID, like Toyota Prius uses an Electric motor as well as an IC Engine as power plants.
ZEV Concepts
An agency named CARB (California Air Resource Board) brings in some Measures to minimize
air pollution, and an interesting idea was to encourage the development and use of Zero Emission
Vehicles (ZEVs). The ZEV program was thus born and evolved since its birth in 1990s. The partial or low
emission categories of vehicles created as a part of ZEV program are listed below.
TLEV (Transitional Low Emission Vehicles):- Introduction of TLEV categories was introduced in the
year 1994 and the primary aim was to reduce emissions. Some of the vehicles manufactured in 1990s
were capable of meeting the TLEV standards without much Engineering modifications, if they were
operated ith Clea Fuels. TLEV sta dard as phased out the ear 2004.
LEV (Low Emission Vehicles):- They are Categories of vehicles with cleaner emissions than TLEVs and
all light vehicles sold on and after the year 2004 in California were required to full fill LEV standards.
The development of LEVs is a result of advancement in engineering and technology, like the
introduction of techniques like Preheating of catalytic converters, Variable Valve Timing, Lean Burn
Engines etc.
ULEV (Ultra Low emission Vehicles):- They are 50% more cleaner than average new vehicle sold in the
year 2003. Hybrid vehicles can fulfill ULEV standards like Honda Jazz Hybrid. They can be defined as
the cars which produce 75g or less CO2 per kilometer from the tail pipe.
ZEV (Zero Emission Vehicles):- They are 98% cleaner than Average new vehicle manufactured in the
year 2003. They have almost zero tail pipe emission of any Pollutants. Electric and Hydrogen fuel
vehicles are the best examples of ZEVs. Currently only few cars meet the ZEV regulations like Electric-
Tesla Roadster, Fuel cell car like Mercedes-Benz F-Cell, etc.
ELECTRIC VEHICLES
An Electric Vehicle (EV), also referred to as an electric drive vehicle, is a vehicle which uses one
or more electric motors for propulsion. Depending on the type of vehicle, motion may be provided by
3
wheels or propellers driven by rotary motor. All-electric vehicles (EVs) run on electricity only. They are
propelled by one or more electric motors powered by rechargeable battery packs. EVs have several
advantages over vehicles with internal combustion engines (ICEs):
 Energy efficient. Electric vehicles convert about 59%–62% of the electrical energy from the
grid to power at the wheels—conventional gasoline vehicles only convert about 17%–21% of
the energy stored in gasoline to power at the wheels.*
 Environmentally friendly. EVs emit no tailpipe pollutants, although the power plant producing
the electricity may emit them. Electricity from nuclear-, hydro-, solar-, or wind-powered plants
causes no air pollutants.
 Performance benefits. Electric motors provide quiet, smooth operation and stronger
acceleration and require less maintenance than ICEs.
 Reduce energy dependence. Electricity is a domestic energy source.
EVs do, however, face significant battery-related challenges:
 Driving range. Most EVs can only go about 100–200 miles before recharging, gasoline vehicles
can go over 300 miles before refueling.
 Recharge time. Fully recharging the battery pack can take 4 to 8 hours. Even a "quick charge"
to 80% capacity can take 30 min.
 Battery cost: The large battery packs are expensive and may need to be replaced one or more
times.
 Bulk & weight: Battery packs are heavy and take up considerable vehicle space.
However, researchers are working on improved battery technologies to increase driving range and
decrease recharging time, weight, and cost. These factors will ultimately determine the future of EVs.
ELECTRIC VEHICLE COMPONENTS
1. Motor
2. Controller
3. Charger
4. Dc/Dc Converter
5. Battery Management System
6. Instrumentation
7. Contactor(s)
8. Safety Equipment
4
Motors
Electric motors are the main source of power, for an Electric vehicle, which convert Electrical Energy
into Mechanical Energy. There are mainly 2 types of Electric Motors used in EVs; DC Motors and AC
Motors. The main components of DC motors are;
1. A set of field coils around the perimeter of the motor that creates magnetic force which provides
torque.
2. A Rotor or Armature mounted on the bearing.
3. A commutating device, which reverses the magnetic field and makes armature turn.
AC Motors are similar to DC otors ut the do t eed a Co utati g de i es, si e there is a
continuous current reversal. Both AC and DC Motors have their own advantages and disadvantages so
they are not superior to one another
Electric Motor Comparison
AC Motor
1) Fail-safe design, Low initial torque, higher at speed
2) Requires complicated electronics package
• AC speed control (similar to industrial)
• Inverter (convert DC to AC)
• High voltage (240-350 V)
• Bearings is the only mechanical maintenance item
DC series wound
1) Motors are available and inexpensive
2) 100% torque at 0 RPM
3) Controllers are very cheap compared to AC
4) No inverter stage required
5) Lower voltage system (72-156 VDC)
6) Bearings and brushes are potential maintenance items.
A: shunt B: series C: compound f = field coil
AC Motors DC Motors
Single-Speed Transmission Multi-Speed Transmission
For HP Po er, Light eight. For HP Po er, ore hea
Less expensive More expensive
95% efficiency at full load 95%-85% efficiency at full load.
Controllers are expensive Simple Controllers
Motor/Controllers/Inverters more expensive Motors/Controllers less expensive
5
Controller
A motor controller is a device or group of devices that serves to govern in some predetermined
manner the performance of an electric motor.
A motor controller might include a manual or automatic means for
 Starting and stopping the motor
 Selecting forward or reverse rotation
 Selecting and regulating the speed,
 Regulating or limiting the torque
 Protecting against overloads and faults
Battery management system
There are three main objectives common to all Battery Management Systems
• Protect the cells or the battery from damage
• Prolong the life of the battery
• Maintain the battery in a state in which it can fulfil the functional requirements of the
application for which it was specified.
Most electric vehicles use lithium ion batteries. Lithium ion batteries have higher energy density,
longer life span and higher power density than most other practical batteries. Complicating factors
include safety, durability, thermal breakdown and cost. Li-ion batteries should be used within safe
temperature and voltage ranges in order to operate safely and efficiently. Increasing the battery's
lifespan decreases effective costs. One technique is to operate a subset of the battery cells at a time
and switching these subsets.
Dc /Dc convertor
An electric car still uses a 12 volt system to power all of the original 12 volt accessories: Lights, horn,
etc. This may also power some control circuits for the electric drive system. However, unlike a gas car,
there is no alternator to keep this battery charged. One option in the early days of EVs was to use a
deep cycle 12 volt battery, as heavy duty as possible, and recharge it when you charge the main
battery pack. This is not adequate if any amount of night driving is intended
The solution is a DC/DC convertor. This taps the full battery pack voltage and cuts it
down to a regulated output, similar to that from an alternator. By tapping the full pack, there is no
uneven discharge. Amperage required is so low that there is little effect on range. Isolation of the high
and low voltage systems is maintained inside the DC/DC converter. This also eliminates the need for a
separate 12 volt charging circuit for an auxiliary battery.
6
Contactor
A contactor is basically an electronically controlled switch, designed to carry a large amount of power.
They consist of a coil (electromagnet) which is energised from a low voltage (typically 12V for EV use).
When energised, the coil pulls contacts close allowing current to flow through the device.
In EVs, they are used to isolate the battery pack when the key is turned off - the equivalent of ignition
in an ICE vehicle. For typical EVs, contactors rated to around 200 amps continuous are recommended.
Contactors up to 600 amps continuous are available for high-performance EV applications.
Pot box
Petrol vehicles use a cable between the accelerator pedal and the engine's throttle. In EVs, the
throttle end is replaced with a connection to a pot box, which is basically an electronic throttle
connected to your motor speed controller. Most pot boxes are simply an industrial variable resistor
(5Kohm is the standard) in a robust packaging. Some newer motor speed controllers are using digital
pot boxes with optical encoders, which tend to be more reliable
7
Instrumentation
The main two gauges you will need to add for an EV are a voltmeter to monitor your battery pack
voltage, and an ammeter which measures either the current coming out of the battery pack or the
current flowing through the motor.
Instead of a fuel gauge, some EVs also have a "state of charge" meter. These usually include some
clever electronics to calculate the amount of power which has come out of the battery, and from this
work out how much of your battery capacity you have left. Some will even act like a trip computer,
telling you how much range you have remaining. Vehicles with a good battery management system
may also have a display showing the voltage levels of all batteries in the pack. This is a great way to
monitor the health of individual cells, and to make sure none get over-discharged
Electric Cars (working)
When the pedal is pushed;
1) The controller gathers energy from the battery
2) Controller delivers the appropriate amount of electrical energy to the motor
3) Electric energy transforms to mechanical energy
4) Wheels turn, vehicle moves
8
Basic factors to be considered for converting Automobiles to Electric Vehicle
 Almost any vehicle can be converted to electric. Many people prefer to pick a vehicle that is light
and aerodynamic in order to maximize distance traveled per battery charge. There must also be
adequate room and load capacity for batteries.
 The following components should be selected. The battery pack, which provides a source of
electrical power. The most commonly available and affordable batteries are lead-acid flooded
type. Next are the AGM (Absorption Glass Mat) sealed maintenance free batteries, a little more
powerful and expensive. Then there are the more exotic batteries like Ni-MH and Li-ion; more
difficult to find but light and longer lasting, maintenance free, and much more expensive. The new
lithium batteries are showing some promise for EVs in the near future.
 The charger which restores energy to the batteries (which may be mounted within the vehicle or
at a special charging station at some fixed location)
 The power controller, which regulates the flow of energy between the battery and the electric
motor(s), controlled by an electronic throttle.
 One or more electric motors and their mechanical attachment to the driveline
 Power conductors connecting the battery, controller, and motor(s)
 Accessory equipment to power auxiliary equipment such as power brakes and heating system
 Control circuitry and equipment to allow control and interlocking of the various components
 Instrumentation specific to the operation and maintenance of the conversion
HYBRID ELECTRIC VEHICLE
A hybrid electric vehicle (HEV) is a type of electric vehicle that combines a
conventional internal combustion engine (ICE) propulsion system with an electric propulsion system
(hybrid vehicle drive train). The presence of the electric power train is intended to achieve either
better fuel economy than a conventional vehicle or better performance. There are a variety of HEV
types, and the degree to which they function as EVs varies as well. The most common form of HEV is
the hybrid electric car, although hybrid electric trucks (pickups and tractors) and buses also exist.
Modern HEVs make use of efficiency-improving technologies such as regenerative brakes, which
converts the vehicle's kinetic energy into electric energy to charge the battery, rather than wasting it
as heat energy as conventional brakes do. Some varieties of HEVs use their internal combustion
engine to generate electricity by spinning an electrical generator (this combination is known as
a motor–generator), to either recharge their batteries or to directly power the electric drive motors.
Many HEVs reduce idle emissions by shutting down the ICE at idle and restarting it when needed; this
is known as a start-stop system. A hybrid-electric produces less emissions from its ICE than a
comparably sized gasoline car, since an HEV's gasoline engine is usually smaller than a comparably
sized pure gasoline-burning vehicle (natural gas and propane fuels produce lower emissions) and if not
used to directly drive the car, can be geared to run at maximum efficiency, further improving fuel
economy
Classification
1. Types by drive train structure
1.1. Series hybrid
9
In a series hybrid system, the combustion engine drives an electric generator (usually a three-
phase alternator plus rectifier) instead of directly driving the wheels. The electric motor is the only
means of providing power to the wheels. The generator both charges a battery and powers an electric
motor that moves the vehicle. When large amount of power is required, the motor draws electricity
from both the batteries and the generator.
Series hybrid configurations already exist a long time: diesel-electric locomotives, hydraulic earth
moving machines, diesel-electric power groups, loaders.
Structure of a series hybrid electric vehicle
10
Series hybrids can be assisted by ultra caps (or a flywheel: KERS=Kinetic Energy Recuperation
System), which can improve the efficiency by minimizing the losses in the battery. They deliver peak
energy during acceleration and take regenerative energy during braking. Therefore, the ultra caps are
kept charged at low speed and almost empty at top speed. Deep cycling of the battery is reduced; the
stress factor of the battery is lowered.
A complex transmission between motor and wheel is not needed, as electric motors are efficient over
a wide speed range. If the motors are attached to the vehicle body, flexible couplings are required.
Some vehicle designs have separate electric motors for each wheel. Motor integration into the wheels
has the disadvantage that the unsprung mass increases, decreasing ride performance. Advantages of
individual wheel motors include simplified traction control (no conventional mechanical transmission
elements such as gearbox, transmission shafts, and differential), all wheel drive, and allowing lower
floors, which is useful for buses. Some 8x8 all-wheel drive military vehicles use individual wheel
motors.
A fuel cell hybrid electric always has a series configuration: the engine-generator combination is
replaced by a fuel cell.
Structures of a fuel cell hybrid electric vehicle
Weaknesses of series hybrid vehicles:
The ICE(Internal Combustion Engine), the generator and the electric motor are dimensioned
to handle the full power of the vehicle. Therefore, the total weight, cost and size of the power train
can be excessive.
The power from the combustion engine has to run through both the generator and electric motor.
During long-distance highway driving, the total efficiency is inferior to a conventional transmission,
due to the several energy conversions.
Advantages of series hybrid vehicles:
 There is no mechanical link between the combustion engine and the wheels. The engine-
generator group can be located everywhere.
 There are no conventional mechanical transmission elements (gearbox, transmission shafts).
Separate electric wheel motors can be implemented easily.
 The combustion engine can operate in a narrow rpm range (its most efficient range), even as
the car changes speed.
 Series hybrids are relatively the most efficient during stop-and-go city driving.
Example of SHEV: Renault Kangoo.
11
1.2. Parallel hybrid
Parallel hybrid systems have both an internal combustion engine (ICE) and an electric motor in
parallel connected to a mechanical transmission.
Structure of a parallel hybrid electric vehicle
Most designs combine a large electrical generator and a motor into one unit, often located
between the combustion engine and the transmission, replacing both the conventional starter motor
and the alternator (see figures above). The battery can be recharged during regenerative breaking,
and during cruising (when the ICE power is higher than the required power for propulsion). As there is
12
a fixed mechanical link between the wheels and the motor (no clutch), the battery cannot be charged
he the ar is t o i g.
When the vehicle is using electrical traction power only, or during brake while regenerating
energy, the ICE is not running (it is disconnected by a clutch) or is not powered (it rotates in an idling
manner).
Operation modes:
The parallel configuration supports diverse operating modes
Some typical modes for a parallel hybrid configuration
PE = Power electronics
TX = Transmission
(a) Electric power only: Up to speeds of usually 40 km/h, the electric motor works with only the
energy of the batteries, which are not recharged by the ICE. This is the usual way of operating around
the city, as well as in reverse gear, since during reverse gear the speed is limited.
(b) ICE power only: At speeds superior to 40 km/h, only the heat engine operates. This is the normal
operating way at the road.
OR
(b) ICE + electric power: if more energy is needed (during acceleration or at high speed), the electric
motor starts working in parallel to the heat engine, achieving greater power
(c) ICE + battery charging: if less power is required, excess of energy is used to charge the batteries.
Operating the engine at higher torque than necessary, it runs at a higher efficiency.
(d) Regenerative breaking: While braking or decelerating, the electric motor takes profit of the kinetic
energy of the he moving vehicle to act as a generator.
13
Weaknesses of parallel hybrid vehicles:
Rather complicated system.
The ICE does t operate i a narrow or constant RPM range, thus efficiency drops at low
rotation speed.
As the ICE is not decoupled from the wheels, the battery cannot be charged at standstill.
Advantages of parallel hybrid vehicles:
Total efficiency is higher during cruising and long-distance highway driving.
Large flexibility to switch between electric and ICE power
Compared to series hybrids, the electromotor can be designed less powerful than the ICE, as it
is assisting traction. Only one electrical motor/generator is required
COMBINED HYBRID
Combined hybrid systems have features of both series and parallel hybrids. There is a double
connection between the engine and the drive axle: mechanical and electrical. This split power path
allows interconnecting mechanical and electrical power, at some cost in complexity.
Power-split devices are incorporated in the power train. The power to the wheels can be either
mechanical or electrical or both. This is also the case in parallel hybrids. But the main principle behind
the combined system is the decoupling of the power supplied by the engine from the power
demanded by the driver.
Simplified structure of a combined hybrid electric vehicle
In a conventional vehicle, a larger engine is used to provide acceleration from standstill than one
needed for steady speed cruising. This is because a combustion engine's torque is minimal at lower
RPMs, as the engine is its own air pump. On the other hand, an electric motor exhibits maximum
torque at stall and is well suited to complement the engine's torque deficiency at low RPMs. In a
14
combined hybrid, a smaller, less flexible, and highly efficient engine can be used. It is often a variation
of the conventional Otto cycle, such as the Miller or Atkinson cycle. This contributes significantly to
the higher overall efficiency of the vehicle, with regenerative braking playing a much smaller role.
At lower speeds, this system operates as a series HEV, while at high speeds, where the series power
train is less efficient, the engine takes over. This system is more expensive than a pure parallel system
as it needs an extra generator, a mechanical split power system and more computing power to control
the dual system.
Control System in HEVs and EVs
The major functions of the control system are:
i. to maximize the fuel efficiency
ii. to minimize the exhaust emissions.
The fuel efficiency and emissions are mutually conflicting and some of the reasons why this happens
are:
i. when more energy is extracted by the ICE (thereby increasing the ICE efficiency) the exhaust
temperature goes down. At lower temperatures, the chemical reactions associated with the
combustion of unburned hydrocarbons may not occur.
ii. Increase in compression ratio, which enhances fuel economy, also raises temperature in ICE.
Increased temperature increases both CO and oxides of nitrogen represented by NOx. The minor
functions of the control system are component monitoring and protection such as:
i. battery state of charge (SOC) monitoring
ii. Battery temperature monitoring
iii. EM overheating
iv. ICE overheating
The battery merits special attention to avoid failure and to assure long life. The control system
generally provides a fail safe mode in the event of failures. One of the functions of control systems,
which is minor in cost but valuable in practice, is onboard diagnostics (OBD).The switching from one
ode to a other ust e as s ooth. As the HEV s operatio ode ha ges, se eral para eters of the
ICE that have to be controlled are:
i. Ignition timing
ii. Tuned intake manifold
iii. Camshaft angle for exhaust valves
iv. Camshaft angle for intake valves
v. Fuel injector settings which includes
a. Timing of injection
b. Fuel flow rate
15
Elements of Control Theory
The basis for control is the feedback loop shown in Figure 2a. The input is the desired behavior of the
system and it is compared with the actual behavior to determine the error signal. The error signal is
fed i to o e or ore o trol ele e ts that o e a tuators at the pla t. The ord pla t is the a e
for the object being controlled. The actual value of the controlled variable from the plant is
transmitted via the feedback loop to the summation loop.
In Figure 2b a simple example of ICE control is shown with its control element and plant. The
control element is a general term and identifies the elements that receives the error signal and change
the pla t s behavior. In Figure 2b the fuel injector is the control element and the ICE is the plant. To
understand the working of the control system, shown in Figure 2b, let us assume that the desired
speed of ICE is 2000 rpm and the actual speed is 2200 rpm. An error signal of -200 rpm is generated
and this negative error signal is fed to the fuel injector. The fuel injector responds to the negative
error by decreasing the flow of fuel to the ICE. With less fuel, the speed of ICE drops
A modern control system for HEV may use only a few feedback control loop similar to the one
shown in Figure 2c. The control architecture shown in Figure 2c uses a single feedback loop and has
desired velocity as the variable being controlled. The driver is one of the control elements and acts on
the error. If the HEV is moving too slowly, the driver steps on the accelerator pedal and it the vehicle is
too fast, the driver steps on the brake pedal. The hybrid ECU is the master controller and it controls
the other subcomponents of the vehicle such as ICE, EM, power electronics, etc.
16
Overview of Control System: The Electronic Control Unit (ECU)
Typical control architecture of HEV is shown in Figure 3. In Figure 3 it can be seen that there are
multiple ECUs such as:
i. Hybrid ECU
ii. ICE ECU
iii. EM ECU
iv. Transmission ECU
v. Power Electronics ECU
vi. Battery ECU or Battery Management System
A brief description of each of the ECUs is given below.
Hybrid ECU: The Hybrid ECU is in command of all other ECUs and selects the operational mode based
on the dri er s i put. The h rid ECU is respo si le for s ste ide e erg a age e t. T pi all the
goal of control is to minimize the fuel consumption. For each litre of petrol, the hybrid ECU tries to
provide maximum mileage. To do this, the hybrid ECU allows or prohibits ICE shutoff. The hybrid ECU
commands
1. the amount of torque and power from the motor and ICE
2.the amount and timing of power generation to charge battery.
ICE EMU: This controls the various ICE parameters discussed in previous section
EM ECU: The EM ECU is responsible for switching of the EM from motoring mode to the generator
mode and also controls the motor to deliver the torque demanded by the hybrid ECU. The EM ECU
consists of various control strategies such as Constant Torque Control, Field Weakening Control, etc.
Transmission ECU: The transmission ECU provides the correct gear ratio to control the torques and
angular speeds of the EM and the ICE.
17
Power Electronics ECU: Having power from a battery is only the first step. The power must be
delivered to the EM, in the motoring mode, at the voltage and current needed. For regenerative
braking, the power must be accepted from the EM. The function of the power electronic ECU is to
receive commands from hybrid ECU, to control inverter energy flow both ways, that is, charge and
discharge, to control switching of EM between motor and generator modes and to control switching
of EM between motor and generator modes.
Battery ECU or Battery Management System: The battery ECU or the battery management system
(BMS) monitors and measures temperature and assures cooling is adequate. The BMS avoids the
stress of heat and over-temperature and the effects of excessive charging or discharging are
eliminated or lessened. The BMS is essentially for long battery life and optimum fuel efficiency
18
Control Area Network (CAN)
A typical CAN network in an HEV is shown in Figure 4. The CAN is a fast, high rate network which
enables communication between ECUs. In CAN most data can be updated every 10ms and the data is
checked to assure data reliability.
Regenerative braking
As i toda s orld, here there are e erg rises a d the resour es are depleti g at a higher
rate, there is a need of specific technology that recovers the energy, which gets usually wasted. So, in
case of automobiles one of these useful technologies is the regenerative braking system. Generally in
automobiles whenever the brakes are applied the vehicle comes to a halt and the kinetic energy gets
wasted due to friction in the form of kinetic energy. Using regenerative braking system in automobiles
enables us to recover the kinetic energy of the vehicle to some extent that is lost during the braking
process. In these two methods of utilizing the kinetic energy, that is usually wasted by converting it
into either electrical energy or into mechanical energy. Regenerative braking system can convert the
kinetic energy into electrical energy with help of electric motor. And it can also convert the kinetic
energy into mechanical energy, which is supplied to the vehicle whenever it is needed, with the help
of a flywheel.
Conventional Braking System
Braking in a moving vehicle means the application of the brakes to slow or stop its movement,
usually by depressing a pedal. The braking distance is the distance between the time the brakes are
applied and the time the vehicle comes to a complete stop. When brakes are applied to a vehicle using
conventional braking system, kinetic energy is converted into heat due to the friction between the
wheels and brake pads. This heat is carried away in the airstream and the energy is wasted. The total
amount of energy lost in this process depends on how often, how hard and for how long the brakes
are applied.
19
Regenerative Braking System
Regenerative braking is one of the emerging technologies which can prove very beneficent.
The use of regenerative braking in a vehicle not only results in the recovery of the energy but it also
increases the efficiency of vehicle(in case of hybrid vehicles) and saves energy, which is stored in the
auxiliary battery.
Block Diagram of Regenerative Braking System
In cities, driving involves many braking events resulting in much higher energy losses with greater
potential savings. With buses, taxis, delivery vans and so on there is even more potential for economy.
Since regenerative braking results in an increase in energy output for a given energy input to
a vehicle, the efficiency is improved. The amount of work done by the engine of the vehicle is reduced,
in turn reducing the amount of energy required to drive the vehicle. This technology of regenerative
raki g o trols the speed of the ehi le o erti g a portio of the ehi le s ki eti e erg i to
another useful form of energy. The energy so produced could then be stored as electrical energy in
the automobile battery, or as mechanical energy in flywheels, which can be used again by the vehicle.
20
Regenerative braking refers to a process in which a portion of the kinetic energy of the vehicle
is stored by a short term storage system. Energy normally dissipated in the brakes is directed by a
power transmission system to the auxiliary battery during deceleration. The energy that is stored by
the vehicle is converted back into kinetic energy and used whenever the vehicle is to be accelerated.
The magnitude of the portion available for energy storage varies according to the type of storage,
drive train efficiency, drive cycle and inertia weight. The effect of regenerative brakes is less at lower
speeds as compared to that at higher speeds of vehicle. So the friction brakes are needed in a
situation of regenerative brake failure, to stop the vehicle completely
Working of Regenerative Braking using Electric Motor
The working of the regenerative braking system depends upon the working principle of an
electric motor, which is the important component of the system. Generally the electric motor, is
actuated when electric current is passed through it. But, when some external force is used to actuate
the motor (that is during the braking process) then it behaves as a generator and generates electricity.
That is, whenever a motor is run in one direction the electric energy gets converted into mechanical
energy, which is used to accelerate the vehicle and whenever the motor is run in opposite direction it
functions as a generator, which converts mechanical energy into electrical
energy. This makes it possible to employ the rotational force of the driving axle to turn the electric
motors, thus regenerating electric energy for storage in the battery and simultaneously slowing the
car with the regenerative resistance of the electric motors [2]. This electricity is then used for
recharging the battery
Advantages
 Better fuel economy.
 Reduced CO2 emissions.
 Approximately 30% saving in fuel consumption.
 The lower operating and environment cost of the vehicle with regenerative braking system.
 Increase of overall energy efficiency of a vehicle
 Increases vehicle range
 Cuts down on pollution related to electricity generation
 Increases the lifespan of friction braking systems
 Less use of traditional mechanical brakes leads to less wear over time
Disadvantages
 Added complexity of brake control system
 Only works for wheels connected to motors
 Most vehicle operation is done in 2WD
 Friction brakes are still necessary
 Safety
 Motor braking power decreases as the kinetic energy of the vehicle decreases
21
MAGNETIC TRACK VEHICLES
Maglev (derived from magnetic levitation) is a transport method that uses magnetic
levitation to move vehicles without touching the ground. With maglev, a vehicle travels along a
guideway using magnets to create both lift and propulsion, thereby reducing friction by a great extent
and allowing very high speeds.
The Shanghai Maglev Train, also known as the Transrapid, is the fastest commercial train
currently in operation and has a top speed of 430 km/h (270 mph).
Maglev trains move more smoothly and more quietly than wheeled mass transit systems.
They are relatively unaffected by weather. The power needed for levitation is typically not a large
percentage of its overall energy consumption; most goes to overcome drag, as with other high-speed
transport. Maglev trains hold the speed record for rail transport. Vacuum tube train systems might
allow maglev trains to attain still higher speeds, though no such vacuum tubes have been built
commercially yet.
Compared to conventional (normal) trains, differences in construction affect the economics of
maglev trains, making them much more efficient. For high-speed trains with wheels, wear and tear
from friction along with the "hammer effect" from wheels on rails accelerates equipment wear and
prevents high speeds. Conversely, maglev systems have been much more expensive to construct,
offsetting lower maintenance costs.
1) Electromagnetic suspension
In electromagnetic suspension (EMS) systems, the train levitates above a steel rail while
electromagnets, attached to the train, are oriented toward the rail from below. The system is typically
arranged on a series of C-shaped arms, with the upper portion of the arm attached to the vehicle, and
the lower inside edge containing the magnets. The rail is situated inside the C, between the upper and
lower edges.
Magnetic attraction varies inversely with the cube of distance, so minor changes in distance
between the magnets and the rail produce greatly varying forces. These changes in force are
dynamically unstable – a slight divergence from the optimum position tends to grow, requiring
sophisticated feedback systems to maintain a constant distance from the track, (approximately 15
millimeters (0.59 in))
The major advantage to suspended maglev systems is that they work at all speeds, unlike
electrodynamics systems, which only work at a minimum speed of about 30 km/h (19 mph). This
eliminates the need for a separate low-speed suspension system, and can simplify track layout
Track Train magnets
22
1) Electrodynamic suspension (EDS)
In electro dynamic suspension (EDS), both the guide way and the train exert a magnetic field,
and the train is levitated by the repulsive and attractive force between these magnetic fields. In some
configurations, the train can be levitated only by repulsive force. In the early stages of maglev
development at the Miyazaki test track, a purely repulsive system was used instead of the later
repulsive and attractive EDS system. The magnetic field is produced either by superconducting
magnets (as in JR–Maglev) or by an array of permanent magnets. The repulsive and attractive force in
the track is created by an induced magnetic field in wires or other conducting strips in the track. A
major advantage of EDS maglev systems is that they are dynamically stable – changes in distance
between the track and the magnets creates strong forces to return the system to its original position.
In addition, the attractive force varies in the opposite manner, providing the same adjustment effects.
No active feedback control is needed.
However, at slow speeds, the current induced in these coils and the resultant magnetic flux is
not large enough to levitate the train. For this reason, the train must have wheels or some other form
of landing gear to support the train until it reaches take-off speed. Since a train may stop at any
location, due to equipment problems for instance, the entire track must be able to support both low-
and high-speed operation.
Another downside is that the EDS system naturally creates a field in the track in front and to
the rear of the lift magnets, which acts against the magnets and creates magnetic drag. This is
generally only a concern at low speeds (This is one of the reasons why JR abandoned a purely
repulsive system and adopted the sidewall levitation system). At higher speeds other modes of drag
dominate.
The drag force can be used to the electrodynamic system's advantage, however, as it creates a
varying force in the rails that can be used as a reactionary system to drive the train, without the need
for a separate reaction plate, as in most linear motor systems. Laithwaite led development of such
"traverse-flux" systems at his Imperial College laboratory. Alternatively, propulsion coils on the
guideway are used to exert a force on the magnets in the train and make the train move forward. The
propulsion coils that exert a force on the train are effectively a linear motor: an alternating current
through the coils generates a continuously varying magnetic field that moves forward along the track.
The frequency of the alternating current is synchronized to match the speed of the train. The offset
between the field exerted by magnets on the train and the applied field creates a force moving the
train forward.
23
STRATIFIED CHARGE ENGINE
Introduction
Of many types of internal combustion engines, two types namely petrol and diesel engines are
well established. However, each one of them has certain limitations. Petrol engine has very good full
load power characteristics. Example, high degree of air utilization, high speed and flexibility but has
rather poor part load efficiency, where as the diesel engine has good part load characteristics but has
poor air utilization, low smoke-limited power and higher weight-to-power ratio. The use of higher
compression ratio for better starting and good combustion over a wide range of engine operations are
other requirements which cause additional problems of maintenance and high losses in diesel
operation. For an automotive engine both part load efficiency and full load power are very important
because, for about 90 per cent of their total operating life, the engines work under part load
conditions and in maximum power output controls the speed, acceleration and other characteristics of
the vehicle.
Therefore, there is a need to develop an engine which combines the advantages of both petrol
and diesel engines and at the same time avoids as far as possible their disadvantages. Stratified charge
engine is an attempt in this direction. It is an engine which is mid-way between the homogeneous
charge spark-ignition engine and the heterogeneous charge compression-ignition engine.Charge
stratification means providing different fuel-air mixture strengths at various places in the combustion
chamber- relatively rich mixture at and in the vicinity of the spark plug and a leaner mixture in the rest
of the combustion chamber. That is, the whole fuel-air mixture is distributed in layers or stratas of
different mixture strengths across the combustion chamber while the overall mixture is rather lean.
Thus the stratified charge engine is usually defined as a spark ignition internal combustion
engine in which the mixture in the soul of the spark plug is very much richer than that in the rest of
the combustion chamber, i.e., one which burns leaner overall fuel-air mixtures.
Methods of Charge Stratification
The stratified charge engines can be classified into two main types., according to the method
of formation of the heterogeneous mixture in the combustion chamber.
1) Those use fuel injection and positive ignition
2) Those using carburetion alone
Stratification by fuel injection and positive ignition
The first approach-The first attempt to obtain charge stratification was made by Ricardo around 1922.
A relatively rich mixture was formed at the spark plug by an auxiliary spray while another spray
injecting fuel along the major axis of the combustion chamber formed a leaner mixture.
This arrangement could give combustion over a relatively wide range of overall mixture
strengths and allowed very lean engine operation giving efficiency as high as 36 per cent. However,
the range was limited at higher speeds and loads higher than about 50 per cent of the full load the
engine did not work properly presumably due to too rich a mixture near the spark plug.
24
Pre-chamber Stratified charge engine
This approach also involves many problems of engine operation. The first problem is that of
getting good performance over the full load range. At part loads the lean mixtures are effectively
burnt but at a full-load due to improper fuel distribution and incomplete scavenging of the pre
chamber the rich mixture is not properly burnt. The use of pre chamber means loss of thermal
efficiency due to throttling and rather costly fuel injection equipment. The fuel injection equipment
has to be highly sophisticated in order to provide regular injection at low fuel deliveries, good
distribution in pre chamber and avoiding an over-rich mixture at high loads.
Broderson method of Stratification
The Broderson method of charges stratification is shown in the figure. It consists of an engine
with a divided combustion chamber. The small or pre-chamber contains the injector, the intake valve,
and the spark plug. Whole of the fuel is injected into the pre-chamber. The direction of air flow in the
combustion chamber changes as the piston passes bdc position. It is this fact which forms the basis of
charge stratification in this method. Due to suction effect, the fuel injector before bdc is carried into
the main chamber by the air where it is mixed with all the air in the chamber. Fuel injected after bdc
remains in the pre-chamber because of the reversal of the air flow direction, and thus forms a
25
combustible mixture near the spark plug. It is apparent that by varying the time of beginning of
injection and the duration of injection any desired mixture ratio in each chamber can be obtained.
At high loads the fuel may be injected after bdc, i.e., after the start of compression
stroke. This is a situation in which the air is moving from main chamber to pre-chamber and almost all
of the fuel injected into the pre-chamber will remain there and will form an ignitable mixture near the
spark plug while the main chamber will contain air only or very lean mixture. Due to the blast of flame
from the pre-chamber, sometimes referred a torch effect, burning of this lean charge the main
chamber must be designed to ensure proper turbulence and mixing of the hot burning mixture coming
out of the pre-chamber with the mixture in the main chamber. At full load the fuel is injected before
bdc, i.e., during the suction stroke and is intimately mixed with whole of the air resulting in a mixture
of uniform strength throughout the combustion space. The flame produced by the spark plug will
spread throughout both the chambers just like in normal spark ignition operation.
Stratification by Carburetion alone
Russian stratified charge concept: - The figure sho s the Nilo jet ig itio
engine developed by Russians. This is a divided chamber design using carburetion to supply both the
pre-chamber and the main chamber. A special carburettor and an inlet valve supply relatively rich
mixture to the pre-chamber while another carburettor supplies a lean mixture to the main chamber.
Ignition is initiated by a spark plug situated in the pre-chamber. The flame front advances from the
pre-chamber and burns the lean mixture in the main chamber.
26
This system gave an economy of about 10 per cent over the conventional carburetted
engines. The high loss due to pre-chamber result in reduced maximum engine output and full
potential obtainable from the use of lean overall mixtures cannot be realized.
Institute Francias Du Petrols (IFP) Process:-
The figure shows the arrangement of the IFP process for charge stratification. In this process the
mixture is fed into two separate streams of different mixture strengths. A small diameter pipe is
placed in the intake port such that it supplies through an auxiliary carburettor, a rich mixture near the
intake valve. Pure air or very lean mixture is inducted by the main carburettor during the suction
stroke. Therefore, a heterogeneity or stratification is obtained which persists during the compression
stroke and a rich mixture near the spark plug is obtained by proper orientation of the rich mixture
tube.
General characteristics of Stratified Charge Engines
The following are some general characteristics of the stratified charge engines:
1) All types of stratified charge engines have good part load efficiency while the full load
performance is either equivalent to the petrol engine or slightly inferior.
2) Almost all stratification processes have inherent in them some degree of knock resistance,
smooth combustion and multi-fuel capability. Depending upon the particular design, it can
operate on low-octane gasoline or a range of quality down to diesel fuel and kerosene.
3) The volumetric efficiency of the unthrottled engines is higher than that of the carbureted
engines.
4) The exhaust emission characteristics of most of the stratification schemes are good.
Applications
All these characteristics promise for the stratified charge engine a bright future because of its
compact, lightweight design, good fuel economy, speed, range, antiknock resistance, multi-fuel
capability, and smooth and quiet engine operation over the entire speed and load range. A number of
companies are actively working on this engine for automotive applications.
27
Advantages and Disadvantages
Advantages
 It can tolerate a wide quality of fuels.
 It has low exhaust emission levels.
 It can be manufactured by existing technology.
Disadvantages
 Charge stratification results in reduced power for a given engine size.
 Its manufacture is more complex and hence, its manufacturing cost is higher.
 It has higher weight than that of a conventional engine.
 Its reliability is yet to be well established.
Hydrogen internal combustion engine (HICEV)
Hydrogen internal combustion engine vehicle (HICEV) is a type of hydrogen vehicle using
an internal combustion engine. Hydrogen internal combustion engine vehicles are different from
hydrogen fuel cell vehicles (which use electrochemical conversion of hydrogen rather than
combustion); the hydrogen internal combustion engine is simply a modified version of the traditional
gasoline-powered internal combustion engine.
The combustion of hydrogen with oxygen produces water as its only product:
2H2 + O2 → 2H2O
Of high temperature combustion fuels, such as kerosene, gasoline, or natural gas, with air can
produce oxides of nitrogen, known as NOx emissions. Although these are only produced in small
quantities, research has shown that the oxides of nitrogen are about 310 times more harmful as a
greenhouse gas than carbon dioxide
Combustive Properties of Hydrogen
The properties that contribute to its use as a combustible fuel are its:
 Wide range of flammability
 Low ignition energy
 Small quenching distance
 High auto-ignition temperature
 High flame speed at stoichiometric ratios
 High diffusivity
 Very low density
28
Wide Range of Flammability
Hydrogen has a wide flammability range in comparison with all other fuels. As a result,
hydrogen can be combusted in an internal combustion engine over a wide range of fuel-air mixtures. A
significant advantage of this is that hydrogen can run on a lean mixture. A lean mixture is one in which
the amount of fuel is less than the theoretical, stoichiometric or chemically ideal amount needed for
combustion with a given amount of air. This is why it is fairly easy to get an engine to start on
hydrogen. Generally, fuel economy is greater and the combustion reaction is more complete when a
vehicle is run on a lean mixture. Additionally, the final combustion temperature is generally lower,
reducing the amount of pollutants, such as nitrogen oxides, emitted in the exhaust. There is a limit to
how lean the engine can be run, as lean operation can significantly reduce the power output due to a
reduction in the volumetric heating value of the air/fuel mixture.
Low Ignition Energy Hydrogen
has very low ignition energy. The amount of energy needed to ignite hydrogen is about one order of
magnitude less than that required for gasoline. This enables hydrogen engines to ignite lean mixtures
and ensures prompt ignition. Unfortunately, the low ignition energy means that hot gases and hot
spots on the cylinder can serve as sources of ignition, creating problems of premature ignition and
flashback. Preventing this is one of the challenges associated with running an engine on hydrogen.
High Auto ignition Temperature
Hydrogen has a relatively high autoignition temperature. This has important implications
when a hydrogen-air mixture is compressed. In fact, the autoignition temperature is an important
factor in determining what compression ratio an engine can use, since the temperature rise during
compression is related to the compression ratio
High Flame Speed
Hydrogen has high flame speed at stoichiometric ratios. Under these conditions, the hydrogen flame
speed is nearly an order of magnitude higher (faster) than that of gasoline. This means that hydrogen
engines can more closely approach the thermodynamically ideal engine cycle. At leaner mixtures,
however, the flame velocity decreases significantly
High Diffusivity
Hydrogen has very high diffusivity. This ability to disperse in air is considerably greater than gasoline
and is advantageous for two main reasons. Firstly, it facilitates the formation of a uniform mixture of
fuel and air. Secondly, if a hydrogen leak develops, the hydrogen disperses rapidly. Thus, unsafe
conditions can either be avoided or minimized.
Low Density
Hydrogen has very low density. This results in two problems when used in an internal combustion
engine. Firstly, a very large volume is necessary to store enough hydrogen to give a vehicle an
adequate driving range. Secondly, the energy density of a hydrogen-air mixture, and hence the power
output, is reduced.
29
Working of Hydrogen Engine
Engine Design
The most effective means of controlling pre-ignition and knock is to re-design the engine for hydrogen
use, specifically the combustion chamber and the cooling system. A disk-shaped combust ion chamber
(with a flat piston and chamber ceiling) can be used to reduce turbulence within the chamber. The
disk shape helps produce low radial and tangential velocity components and does not amplify inlet
swirl during compression. Since unburned hydrocarbons are not a concern in hydrogen engines, a
large bore-to-stroke ratio can be used with this engine. To accommodate the wider range of flame
speeds that occur over a greater range of equivalence ratios, two spark plugs are needed. The cooling
system must be designed to provide uniform flow to all locations that need cooling. Additional
measures to decrease the probability of pre-ignition are the use of two small exhaust valves as
opposed to a single large one, and the development of an effective scavenging system, that is, a
means of displacing exhaust gas from the combustion chamber with fresh air
Fuel Delivery Systems
Adapting or re-designing the fuel delivery system can be effective in reducing or eliminating pre-
ignition. Hydrogen fuel delivery system can be broken down into three main types: central injection
or ar ureted , port i je tio a d dire t i je tio . Ce tral a d port fuel deli er s ste s i je tio
form the fuel-air mixture during the intake stroke. In the case of central injection or a carburetor, the
injection is at the inlet of the air intake manifold. In the case of port injection, it is injected at the inlet
port. Direct cylinder injection is more technologically sophisticated and involves forming the fuel-air
mixture inside the combustion cylinder after the air intake valve has closed
1) Central Injection or Carbureted Systems
The simplest method of delivering fuel to a hydrogen engine is by way of a carburetor or central
injection system. This system has advantages for a hydrogen engine. Firstly, central injection does not
require the hydrogen supply pressure to be as high as for other methods. Secondly, central injection
or carburetors are used on gasoline engines, making it easy to convert a standard gasoline engine to a
hydrogen or a gasoline/hydrogen engine. The disadvantage of central injection is that it is more
susceptible to irregular combustion due to pre-ignition and backfire. The greater amount of
hydrogen/air mixture within the intake manifold compounds the effects of pre-ignition
2) Port Injection Systems
The port injection fuel delivery system injects fuel directly into the intake manifold at each intake port,
rather than drawing fuel in at a central point. Typically, the hydrogen is injected into the manifold
after the beginning of the intake stroke. At this point conditions are much less severe and the
probability for premature ignition is reduced. In port injection, the air is injected separately at the
beginning of the intake stroke to dilute the hot residual gases and cool any hot spots. Since less gas
(hydrogen or air) is in the manifold at any one time, any pre-ignition is less severe. The inlet supply
pressure for port injection tends to be higher than for carbureted or central injection systems, but less
than for direct injection systems. The constant volume injection (CVI) system uses a mechanical cam-
operated device to time the injection of the hydrogen to each cylinder.
30
The electronic fuel injection (EFI) system meters the hydrogen to each cylinder. This system uses
individual electronic fuel injectors (solenoid valves) for each cylinder and is plumbed to a common fuel
rail located down the center of the intake manifold. Whereas the CVI system uses constant injection
timing and variable fuel rail pressure, the EFI system uses variable injection timing and constant fuel
rail pressure.
3) Direct Injection Systems
More sophisticated hydrogen engines use direct injection into the combustion cylinder during the
compression stroke. In direct injection, the intake valve is closed when the fuel is injected, completely
avoiding premature ignition during the intake stroke. Consequently the engine cannot backfire into
the intake manifold. The power output of a direct injected hydrogen engine is 20% more than for a
gasoline engine and 42% more than a hydrogen engine using a carburetor. While direct injection
solves the problem of pre-ignition in the intake manifold, it does not necessarily prevent preignition
within the combustion chamber. In addition, due to the reduced mixing time of the air and fuel in a
direct injection engine, the air/fuel mixture can be non-homogenous. Studies have suggested this can
lead to higher NOx emissions than the non-direct injection systems. Direct injection systems require a
higher fuel rail pressure than the other method
Ignition Systems
Due to h droge s lo ig itio e erg li it, ig iti g h droge is eas a d gasoli e ig itio
systems can be used. At very lean air/fuel ratios (130:1 to 180:1) the flame velocity is reduced
considerably and the use of a dual spark plug system is preferred. Ignition systems that use a waste
spark system should not be used for hydrogen engines. These systems energize the spark each time
the piston is at top dead center whether or not the piston is on the compression stroke or on its
exhaust stroke. For gasoline engines, waste spark systems work well and are less expensive than other
systems. For hydrogen engines, the waste sparks are a source of pre-ignition. Spark plugs for a
hydrogen engine should have a cold rating and have non-platinum tips. A cold-rated plug is one that
transfers heat from the plug tip to the cylinder head quicker than a hot-rated spark plug. This means
the chances of the spark plug tip igniting the air/fuel charge is reduced. Hot rated spark plugs are
designed to maintain a certain amount of heat so that carbon deposits do not accumulate. Since
hydrogen does not contain carbon, hot-rated spark plugs do not serve a useful function. Platinum-tip
spark plugs should also be avoided since platinum is a catalyst, causing hydrogen to oxidize with air
Crankcase Ventilation
Crankcase ventilation is even more important for hydrogen engines than for gasoline engines.
As with gasoline engines, unburnt fuel can seep by the piston rings and enter the crankcase. Since
hydrogen has a lower energy ignition limit than gasoline, any unburnt hydrogen entering the
crankcase has a greater chance of igniting. Hydrogen should be prevented from accumulating through
ventilation. Ignition within the crankcase can be just a startling noise or result in engine fire. When
hydrogen ignites within the crankcase, a sudden pressure rise occurs. To relieve this pressure, a
pressure relief valve must be installed on the valve cover
31
The working of hydrogen engine is similar to that of a two stroke engine. Ports are used as
shown in figure. A metering device meters the amount of hydrogen that is to be supplied to the
engine and gives it to the injector at high pressure.
COMPARISION FOR NORMAL ENGINE AND HYDROGEN ENGINE EFFICIENCY
NORMAL ENGINE
Engine efficiency refers to an engine's ability to transform the available energy from its fuel
into useful work power. The modern gasoline combustion engine operates at an average of roughly 20
to 30 percent engine efficiency. The remaining 70 to 80 percent of the gasoline's heat energy is
expelled from the engine as exhaust heat, mechanical sound energy or friction loss. At idle, the engine
efficiency is zero since the engine is not moving the vehicle and is only operating accessories, such as
the water pump and generator.
HYDROGEN ENGINE
Hydrogen engine provides a high torque density, high power density, efficient engines. Hydrogen is
used because it burns 7 to 9 times faster than high carbon fuels. Due to the relative instantaneity of
the explosive event during ignition, there is less of the wasted translational energy that is found in
traditional internal combustion engines. The combustion chamber is effectively cooled by massive
amounts of air prior to hydrogen ignition. Hydrogen engine efficiency will be approximately 65%.
32
MODULE II
FUEL CELLS AND ALTERNATE ENERGY SYSTEM:
Introduction to fuel cells
A fuel cell is like a battery in that it generates electricity from an electrochemical reaction. Both batteries
and fuel cells convert chemical potential energy into electrical energy and also, as a by-product of this
process, into heat energy. However, a battery holds a closed store of energy within it and once this is
depleted the battery must be discarded, or recharged by using an external supply of electricity to drive the
electrochemical reaction in the reverse direction. A fuel cell, on the other hand, uses an external supply of
chemical energy and can run indefinitely, as long as it is supplied with a source of hydrogen and a source of
oxygen (usually air).
There are several different types of fuel cell but they are all based around a central design. A fuel cell unit
consists of a stack, which is composed of a number of individual cells. Each cell within the stack has two
electrodes, one positive and one negative, called the cathode and the anode. The reactions that produce
electricity take place at the electrodes. Every fuel cell also has either a solid or a liquid electrolyte, which
carries ions from one electrode to the other, and a catalyst, which accelerates the reactions at the
electrodes. The electrolyte plays a key role - it must permit only the appropriate ions to pass between the
electrodes. If free electrons or other substances travel through the electrolyte, they disrupt the chemical
reaction and lower the efficiency of the cell
In electrolysis of water the water is separated into hydrogen and oxygen by the passage of an
electric current. In a fuel cell the electrolysis is being reversed the hydrogen and oxygen are
recombining, and an electric current is being produced. Another way of looking at the fuel cell is to
sa that the h d oge fuel is ei g u t o o usted i the si ple ea tio
2H2 + O2 → 2H2O
At the anode of an acid electrolyte fuel cell, the hydrogen gas ionizes, releasing electrons and
creating H+ions
33
2H2 → 4H+ + 4e−
This reaction releases energy. At the cathode, oxygen reacts with electrons taken from the electrode, and
H+ ions from the electrolyte, to form water
O2 + 4e− + 4H+ → 2H2O
Clearly, for both these reactions to proceed continuously, electrons produced at the anode must pass
through an electrical circuit to the cathode. Also, H+ ions must pass through the electrolyte. An acid is a
fluid with free H+ ions, and so serves this purpose very well. Certain polymers can also be made to contain
mobile H+ ions. These materials are called proton exchange membranes, as an H+ ion is also a proton.
Advantages and Applications
• Efficiency: Fuel cells are generally more efficient than combustion engines whether piston or turbine
based. A further feature of this is that small systems can be just as efficient as large ones. This is very
important in the case of the small local power generating systems needed for combined heat and power
systems.
• Simplicity: The essentials of a fuel cell are very simple, with few if any moving parts. This can lead to
highly reliable and long-lasting systems.
• Low emissions: The by-product of the main fuel cell reaction, when hydrogen is the fuel, is pure water,
hi h ea s a fuel ell a e esse tiall ze o e issio . This is thei ai ad a tage he used i
vehicles, as there is a requirement to reduce vehicle emissions, and even eliminate them within cities.
However, it should be noted that, at present, emissions of CO2 are nearly always involved in the production
of hydrogen that is needed as the fuel.
•Noise: Fuel cells are very quiet, even those with extensive extra fuel processing equipment. This is very
important in both portable power applications and for local power generation in combined heat and power
schemes.
The advantages of fuel cells impact particularly strongly on combined heat and power systems (for both
large- and small-scale applications), and on mobile power systems, especially for vehicles and electronic
equipment such as portable computers, mobile telephones, and military communications equipment.
These areas are the major fields in which fuel cells are being used.
Disadvantages
• High market entry cost, production cost.
• Unfamiliar technology to the power industry.
• Almost no infrastructure.
• Still at level of development.
Operational Fuel Cell Voltages
For the hydrogen fuel cell, two electrons pass round the external circuit for each water molecule produced
and each molecule of hydrogen used. So, for one mole of hydrogen used, 2N electrons pass round the
34
external circuit – where N is A ogad o s u e . If −e is the charge on one electron, then the charge that
flows is
−2 Ne = −2F coulombs
F being the Faraday constant or the charge on one mole of electrons. If E is the voltage of the fuel cell, then
the electrical work done moving this charge round the circuit is
Electrical work done = charge × voltage = −2FE joules
If the system is reversible (or has no losses), then this electrical work done will be equal to the Gibbs free
energy eleased ∆gf.
∆gf = −2F ・ E
Thus E =−∆gf / 2F
This fundamental equation gives the electromotive force (EMF) or reversible open circuit voltage of the
hydrogen fuel cell.
∆gf- Gibbs free energy released,
F- Faradays constant.
For example, a hydrogen fuel cell operating at 200◦C has ∆gf = −220 kJ, so
E = 220,000/ (2 × 96,485)
= 1.14V
This gives a value of about 1.2V for a cell operating below 100◦C. However, when a fuel cell is made and put
to use, it is found that the voltage is less than this, often considerably less.
The following observations are obtained while plotting cell voltage vs. current density
• Ope circuit voltage is less than the theoretical value.
• The e is a apid i itial fall i oltage.
• The oltage the falls less apidl , a d o e li ea l .
• The e is so eti es a highe u e t de sit at hi h the oltage falls apidl
35
The variation in theoretical value is due to the following losses
1. Activation losses
2. Fuel crossover and internal currents
3. Ohmic losses
4. Mass transport or concentration losses
1. Activation losses. These are caused by the slowness of the reactions taking place on the surface of the
electrodes. A proportion of the voltage generated is lost in driving the chemical reaction that transfers the
electrons to or from the electrode.
2. Fuel crossover and internal currents. This energy loss results from the waste of fuel passing through the
electrolyte, and, to a lesser extent, from electron conduction through the electrolyte. The electrolyte
should only transport ions through the cell, However, a certain amount of fuel diffusion and electron flow
will always be possible. Except in the case of direct methanol cells the fuel loss and current is small, and its
effect is usually not very important. However, it does have a marked effect on the OCV of low-temperature
cells,
3. Ohmic losses. This voltage drop is the straight forward resistance to the flow of electrons through the
material of the electrodes and the various interconnections, as well as the resistance to the flow of ions
through the electrolyte. This voltage drop is essentially proportional to current density, linear, and so is
called ohmic losses, or sometimes as resistive losses.
4. Mass transport or concentration losses. These result from the change in concentration of the reactants
at the surface of the electrodes as the fuel is used.Concentration affects voltage, and so this type of
irreversibility is sometimes called concentration loss. Because the reduction in concentration is the result of
a failure to transport sufficient reactant to the electrode surface, this type of loss is also often called mass
transport loss.
Proton Exchange Membrane Fuel Cell (PEMFC)
Proton exchange membrane fuel cells, also known as polymer electrolyte membrane (PEM)
fuel cells (PEMFC), are a type of fuel cell being developed for transport applications as well as for stationary
fuel cell applications and portable fuel cell applications. They have lower temperature/pressure ranges (50
36
to 100 °C) and a special polymer electrolyte membrane. The most commonly used membrane is
sulphonated fluoropolymers (Nafion) which relies on liquid water humidification of the membrane to
transport protons act as the solid electrolyte.
This implies that it is not feasible to use temperatures above 80 to 90 °C.PEMFCs are built out of
membrane electrode assemblies (MEA) which include the electrodes, electrolyte, catalyst, and gas diffusion
layers. An ink of catalyst, carbon, and electrode are sprayed or painted onto the solid electrolyte and
carbon paper is hot pressed on either side to protect the inside of the cell and also act as electrodes. The
pivotal part of the cell is the triple phase boundary (TPB) where the electrolyte, catalyst, and reactants mix
and thus where the cell reactions actually occur. The best catalyst for both the anode and the cathode is
platinum.
Reactions
A proton exchange membrane fuel cell transforms the chemical energy liberated during
the electrochemical reaction of hydrogen and oxygen into electrical energy, as opposed to the
direct combustion of hydrogen and oxygen gases to produce thermal energy. A stream of hydrogen is
delivered to the anode side of the membrane electrode assembly (MEA). At the anode side it
is catalytically split into protons and electrons. This oxidation half-cell reaction or hydrogen oxidation
reaction (HOR) is represented by:
At the anode:
H2→ H+
+2e-
The newly formed protons permeate through the polymer electrolyte membrane to the cathode
side. The electrons travel along an external load circuit to the cathode side of the MEA, thus creating
the current output of the fuel cell. Meanwhile, a stream of oxygen is delivered to the cathode side of the
MEA. At the cathode side oxygen molecules react with the protons permeating through the polymer
electrolyte membrane and the electrons arriving through the external circuit to form water molecules.
This reduction half-cell reaction or oxygen reduction reaction (ORR) is represented by:
37
At the cathode:
½ O2+2H+
+ 2e-
→ H2O
Overall reaction:
H2+ ½ O2→ H2O
PEMFC operate at a temperature of around 80°C. Each cell produces around 0.7 volts, about enough
power to run a light bulb. To generate high voltage, a number of individual cells are combined in series.
Advantages
 Operate at low temperatures which allow them to start up rapidly from cold.
 High power density which makes them really compact and lightweight.
 Compact construction
 Solid electrolyte
 Low working temperature
 Fast start-up
Disadvantages
• Needs pure hydrogen to operate as they are very susceptible to poisoning by carbon monoxide.
• Water management
• Noble metal catalyst
• CO sensitive (must be < 20 ppm)
• Cooling issues
38
Application
• Due to their light weight, PEMFCs are most suited for transportation applications.
• PEMFCs for busses, which use compressed hydrogen for fuel, can operate at up to 40% efficiency.
• Decentralized power generation for industrial and domestic applications
• Portable generation systems for domestic,industrial,military etc
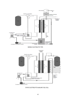
ALKALINE ELECTROLYTE FUEL CELLS
Alkaline fuel cells (AFCs) normally use a mobilized or immobilized aqueous solution(30–45 wt %) of
potassium hydroxide (KOH) as an electrolyte. The electrolyte obviously needs to be an alkaline solution.
Sodium hydroxide and potassium hydroxide solution, being of lowest cost, highly soluble, and not
excessively corrosive, are the prime candidates. It turns out that potassium carbonate is much more soluble
than sodium carbonate, and this is an important advantage. Since the cost difference is small, potassium
hydroxide solution is always used as the electrolyte
H + OH− → H O + e− anode reaction
O + e− + H O→ OH− cathode reaction
H + O → H O overall reaction
Hydroxyl anions diffuse continuously from the cathode to the anode and water diffuses the opposite way.
Most of the reaction water leaves on the anode side, but a small amount of reaction water is removed via
the electrolyte loop, if a circulating system is considered.
The oxygen reduction in alkaline environments is more favorable than in acid environments, i.e., the
voltage drop is lower. It yields the highest voltage at comparable current densities, leading to a higher
efficiency of the system. Consequently, the use of smaller amounts of noble metal electro catalysts is more
favorable in an AFC than in any other system. AFCs also operate well at room temperature and have a good
cold start capability.
39
However, a major disadvantage is the CO2 sensitivity of the alkaline electrolytes as carbonates are formed.
In strong alkaline environments, the solubility of carbonates is rather poor. This leads to the formation of
carbonate crystals, capable of blocking electrolyte pathways and electrolyte pores.
CO + OH− −−−→ CO − + H O
As a consequence, the use of AFCs has been restricted to special applications, where no CO2 is present, for
example in space vehicles, where pure hydrogen and pure oxygen are used. The formation of carbonates is
one of the causes of the poor long-term stability of AFCs.
Types of Alkaline Electrolyte Fuel Cell
Mobile electrolyte
The basic structure of the mobile electrolyte fuel cell is shown below The KOH solution is pumped around
the fuel cell. Hydrogen is supplied to the anode but must be circulated, as it is at the anode where the
water is produced. The hydrogen will evaporate the water, which is then condensed out at the cooling unit
through which the hydrogen is circulated. The hydrogen comes from a compressed gas cylinder, and the
circulation is achieved using an ejector circulator, though this may be done by a pump in other systems.
The majority of alkaline fuel cells are of this type. The main advantage of having the mobile
electrolyte is that it permits the electrolyte to be removed and replaced from time to time. The carbon
dioxide in the air will react with the potassium hydroxide electrolyte
2KOH + CO2 → K2CO3 + H2O
The potassium hydroxide is thus gradually changed to potassium carbonate. The effect of this is that the
concentration of OH− ions reduces as they are replaced with carbonate CO3 2− ions, which greatly affects
the performance of the cell. but one way of at least reducing it is to remove the CO2 from the air as much
as possible of, and this is done using a CO2 scrubber in the cathode air supply system. However, it is
impossible to remove all the carbon dioxide, so the electrolyte will inevitably deteriorate and require
replacing at some point. This mobile system allows that to be done reasonably easily and of course
potassium hydroxide solution is of very low cost. The disadvantages of the mobile electrolyte centre
around the extra equipment needed. A pump is needed, and the fluid to be pumped is corrosive. The extra
pipe work means more possibilities for leaks, and the surface tension of KOH solution makes for a fluid that
is prone to find its way through the smallest of gaps. Also, it becomes harder to design a system that will
work in any orientation.
Static electrolyte alkaline fuel cells
A alte ati e to a f ee ele t ol te, hi h i ulates is that, fo ea h ell i the sta k to ha e its
own, separate electrolyte that is held in a matrix material between the electrodes. The KOH solution is held
in a matrix material, which is usually asbestos. This material has excellent porosity, strength, and corrosion
resistance. The system uses pure oxygen at the cathode, and this is almost obligatory for a matrix-held
electrolyte, as it is very hard to renew if it becomes carbonated .The hydrogen is circulated, as with the
previous system, in order to remove the product water. In the spacecraft systems, this product water is
used for drinking, cooking, and cabin humidification
40
MOBILE ELECTROLYTE TYPE
STATIC ELECTROLYTE ALKALINE FUEL CELL
41
Advantages
 Very high ionic conductivity compared to other fuel cells, achieved by using high hydroxide ion
concentrations.
 Relatively low-cost electrodes compared to the platinum electrodes required for reactions in acidic
media
Disadvantages
They need to be installed in a carbon dioxide free environment. This is to avoid poisoning of the electrolyte.
If carbon dioxide comes into contact with the alkaline environment, carbonates are formed. These
carbonates are insoluble salts that clog the porous electrodes and block the flow of hydrogen and oxygen,
resulting in power failure. To prevent such an event from occurring, the input gasses need to be purified
extremely well. Although the technology for purification is fully developed and available, the process adds
to the total cost of the fuel cell and makes it less practical.
Medium and high temperature fuel cells
There are three types of medium- and high-temperature fuel cells they are solid oxide fuel cell, The
phosphoric acid electrolyte fuel cell (PAFC), molten carbonate (electrolyte) fuel cell (MCFC).
1.Solid Oxide Fuel Cells.
Solid oxide fuel cells (SOFCs) use a solid material, most commonly a ceramic material called yttria-stabilized
zirconia (YSZ), as the electrolyte. Because SOFCs are made entirely of solid materials, they are not limited to
the flat plane configuration of other types of fuel cells and are often designed as rolled tubes. They require
high operating temperatures (800–1000 °C) and can be run on a variety of fuels including natural gas.
SOFCs are unique since in those, negatively charged oxygen ions travel from the cathode to
the anode instead of positively charged hydrogen ions travelling from the anode to the cathode, as is the
case in all other types of fuel cells. Oxygen gas is fed through the cathode, where it absorbs electrons to
create oxygen ions. The oxygen ions then travel through the electrolyte to react with hydrogen gas at the
anode. The reaction at the anode produces electricity and water as by-products. Carbon dioxide may also
be a by-product depending on the fuel, but the carbon emissions from an SOFC system are less than those
from fossil fuel combustion plant. The chemical reactions for the SOFC system can be expressed as follow
Anode Reaction: 2H2 + 2O −
→ H2O + 4e−
Cathode Reaction: O2 + 4e−
→ O −
Overall Cell Reaction: 2H2 + O2 → 2H2O
SOFC systems can run on fuels other than pure hydrogen gas. However, For the fuel cell to operate, the fuel
must be converted into pure hydrogen gas. SOFCs are capable of internally reforming light hydrocarbons
such as methane (natural gas), propane and butane These fuel cells are at an early stage of development
42
Challenges exist in SOFC systems due to their high operating temperatures. One such challenge is the
potential for carbon dust to build up on the anode, which slows down the internal reforming
process.Another disadvantage of SOFC systems is slow start-up time, making SOFCs less useful for mobile
applications. Despite these disadvantages, a high operating temperature provides an advantage by
removing the need for a precious metal catalyst like platinum, thereby reducing cost. Additionally, waste
heat from SOFC systems may be captured and reused, increasing the theoretical overall efficiency to as
high as 80%–85%.
Intended mainly for stationary applications with an output of 1 kW and larger. They work at very high
temperatures (some at 1000ºC). Due to the high operating temperature of SOFC's, they have no need for
expensive catalyst.
Applications
Suitable for decentralized electricity production
While the major application of SOFCs are seen in stationary plants, auxiliary power units in
• Transportation vehicles
• On-board power for aircraft
Drawbacks
• The high temperature limits applications of SOFC units and they tend to be rather large
• While solid electrolytes cannot leak, they can crack.
• Complex materials
• Assembling
• Maintenance
• Design Cost & choice of material
43
Molten Carbonate Fuel Cell
The molten carbonate fuel cell uses a molten carbonate salt as the electrolyte. It has the
potential to be fuelled with coal- derived fuel gases, methane or natural gas. These fuel cells can work at up
to 60% efficiency In molten carbonate fuel cells, negative ions travel through the electrolyte to the anode
where they combine with hydrogen to generate water and electrons. Molten carbonate fuel cells (MCFCs)
are currently being developed for natural gas and coal-based power plants for electrical utility, industrial,
and military applications.
MCFCs are high-temperature fuel cells that use an electrolyte composed of a molten
carbonate salt mixture suspended in a porous, chemically inert ceramic lithium aluminum oxide (LiAlO2)
matrix. Since they operate at extremely high temperatures of 650ºC and above, no precious metals need
not to be used as catalysts at the anode and cathode, reducing costs. Unlike alkaline, phosphoric acid, and
polymer electrolyte membrane fuel cells, MCFCs don't require an external reformer to convert more
energy-dense fuels to hydrogen. Due to the high temperatures at which they operate, these fuels are
converted to hydrogen within the fuel cell itself by a process called internal reforming, which also reduces
cost. Although they are more resistant to impurities than other fuel cell types, scientists are looking for
ways to make MCFCs resistant enough to impurities from coal, such as sulfur and particulates.
Anode Reaction: CO3 - + H → H O + CO + e-
Cathode Reaction: CO2 + ½O2 + 2e- → CO3 -2
O e all Cell ‘ea tio : H + ½O → H O
44
The primary disadvantage of current MCFC technology is durability. The high temperatures at which these
cells operate and the corrosive electrolyte used accelerate component breakdown and corrosion,
decreasing cell life. Scientists are currently exploring corrosion-resistant materials for components as well
as fuel cell designs that increase cell life without decreasing performance.
Phosphoric acid Fuel Cell(PAFC)
It s a Medium temperature fuel cell. A phosphoric acid fuel cell (PAFC) consists of an anode
and a cathode made of a finely dispersed platinum catalyst on carbon and a silicon carbide structure that
holds the phosphoric acid electrolyte. Phosphoric acid (H3PO4) is the only common inorganic acid that has
enough thermal stability, chemical, and electrochemical stability, and low enough volatility (above
about150◦C) to be considered as electrolyte for PAFC. Most importantly, phosphoric acid is tolerant to CO2
in the fuel and oxidant, unlike the alkaline fuel cell
In phosphoric acid fuel cells, protons move through the electrolyte to the cathode to combine with oxygen
and electrons, producing water and heat. This is the most commercially developed type of fuel cell and is
being used to power many commercial premises Phosphoric acid fuel cells use liquid phosphoric acid as an
electrolyte the acid is contained in a Teflon-bonded silicon carbide matrix and porous carbon electrodes
containing a platinum catalyst.
This type of fuel cell is typically used for stationary power generation, but some PAFCs have been used to
power large vehicles such as city buses PAFCs are more tolerant of impurities They are 85 percent efficient
when used for the co-generation of electricity and heat, but less efficient at generating electricity alone (37
to 42 percent). PAFCs are also less powerful than other fuel cells, given the same weight and volume. As a
45
result, these fuel cells are typically large and heavy. PAFCs are also expensive. Like PEM fuel cells, PAFCs
require an expensive platinum catalyst, which raises the cost of the fuel cell.
Fuel and fuel choice.
The fuel cell types that have been described in detail so far employ hydrogen as the preferred fuel, on
a ou t of its high ea ti it fo the ele t o he i al a ode ea tio it a t e sto ed. Vehi les e plo i g
proton exchange membrane (PEM) fuel cells running on hydrogen may therefore be termed zero-emission,
because the only emission from the vehicle is water. Unfortunately, hydrogen does not occur naturally as a
gaseous fuel, and so for practical fuel cell systems it usually has to be generated from whatever fuel source
is locally available. Methane, Ammonia, Methanol, Ethanol, and Gasoline are commonly used to produce
Hydrogen
The primary fuels that can be directly utilized within fuel cell stacks today are
hydrogen, carbon monoxide, methanol, and dilute light hydrocarbons like methane, depending upon the
fuel cell type.
46
The table below presents various fuel cell types and the primary fuels that they are amenable to
using. Note that the presence of sulfur is not tolerated by fuel cells in general and that the SOFC is the
most inherently fuel flexible of the fuel cell types. MCFC units are also quite fuel flexible.
a. In reality CO reacts with H2O producing H2 and CO2 and CH4 with H2O reforms to H2 and CO faster
than reacting as a fuel at the electrode.
b. A fuel in the internal reforming MCFC and SOFC.
c. The fact that CO2 is a poison for the alkaline fuel cell more or less rules out its use with reformed fuels
H2 is preferable for a closed environment such as space vehicle application. There
are sources of H 2-rich gases, such as an off-gas at a chemical plant, that require only fuel cleaning. The fuel
choice for small, stationary power plants is pipeline gas (natural gas) due to its availability for multiple
commercial, light industrial and residential applications. Liquid fuels for light vehicles could be available like
gasoline or methanol (it may have an edge if it proves too difficult to process gasoline). The present
infrastructure fuel for heavy vehicles is high sulfur diesel (now ~500 ppm sulfur by weight) but this may
change to a nearly sulfur-free diesel as proposed by the EPA. On-board vehicle auxiliary power is increasing
dramatically to satisfy consumer convenience demands. Sulfur specification will remain high because the
military has to consider worldwide fuel sources. Methanol is the easiest of the potential liquid fuels to
convert to hydrogen for vehicle use. It generates CO and H 2 at 250 °C with catalyst (but methanol is from
natural gas requiring energy and is more toxic and dangerous than gasoline). Gasoline has many
advantages over methanol, but conversion to H 2 requires temperatures in excess of 650 °C with catalyst.
Processing Required for Fuels
Fuel processing may be defined as the conversion of the raw primary fuel, supplied to a fuel cell
system, into the fuel gas required by the stack. Each type of fuel cell stack has some particular fuel
requirements. Lower the operating temperature of the stack, the more stringent are the requirements, and
the greater the demand placed on fuel processing. For example, fuel fed to a PAFC needs to be hydrogen-
rich and contain less than about 0.5% carbon monoxide. The fuel fed to a PEM fuel cell needs to be
essentially carbon monoxide free, while both the MCFC and the SOFC are capable of utilizing carbon
monoxide through the water-gas shift reaction that occurs within the cell. Additionally, SOFCs and internal
reforming MCFCs can utilize methane within the fuel cell, whereas PAFCs and PEMs cannot. It is not widely
known that PEMFCs can utilize some hydrocarbons, such as propane, directly, although the performance is
poor
47
Fuel processing technology Fuel cell anode
Exhaust
Desulphuriser
Vapouriser
Water
Fuel air
The diagram shows the main process stages applied to fuel cell processing technology. The main
components of fuel processor are Reformer and a shift reactor.
Desulphurization: Natural gas and petroleum liquids contain organic Sulphar compounds that normally
have to be removed before any further fuel processing can be carried out. Even if Sulphar levels in fuels are
below 0.2 ppm, some deactivation of steam reforming catalysts can occur. Shift catalysts are even more
intolerant to sulphur and to ensure adequate lifetimes of fuel processors the desulphurization step is very
important Some of Fuel processing techniques which are used for the production of hydrogen is mentioned
below. They are
 Steam Reforming
 Partial oxidation
 Auto thermal reforming
 Plasma reforming
 Indirect internal reforming
 Direct internal reforming
Steam methane Reforming (SMR)
Sulphar
CH4
CO2
H2
High temp
shift
Low temp
shift
Reformer
Pre reformer
Heat reactionReformerDesulfurization
Shift
reactionPurification
48
Steam reforming is a method for producing hydrogen, carbon monoxide, or other useful products
from hydrocarbon fuels such as natural gas. This is achieved in a processing device called a reformer which
reacts steam at high temperature with the fossil fuel. The steam methane reformer is widely used in
industry to make hydrogen. Steam reforming includes catalytic reaction of hydro carbon fuel with steam in
o de to li e ate fuel ou d a d ate ou d h d oge
Pre-Treatment of the Feed
The hydrocarbon feedstock is desulphurised using e.g. activated carbon filters, pressurized
and, depending on the reformer design, either preheated and mixed with process steam or directly injected
with the water into the reformer.
Shift reaction
Methane and steam are converted within the compact reformer furnace at approx. 900 °C in the presence
of a nickel catalyst to a hydrogen rich reformate stream according to the following reactions
CH + H O→ CO + H
CO + H O → CO + H
The water gas shift reaction is an important industrial reaction; it is often used in steam reforming with
methyl or hydrocarbons which is important for producing high purity hydrogen.
Partial Oxidation
Fuel Sulphar
Air
N2
CO2
H2
CH4+O2→CO+ H2
A sub-stoichiometric amount of air or oxygen is used to partially combust the fuel.
Partial oxidation is highly exothermic, and raises the reactants to a high temperature. The resulting reaction
products, still in a reduced state, are then quenched through the introduction of superheated steam. The
addition of steam promotes the combined water-gas shift and steam reforming reactions In most cases the
overall reaction is exothermic and self-sustaining. Non catalytic processes for gasoline reforming require
temperatures in excess of 1,000 °C (special materials). The use of a catalyst can substantially reduce the
operating temperature (common materials and higher efficiency). Typical values range from as low as 870
DesulfurizationGasificationAir separation
Purification
Shift
reaction
49
°C for catalytic POX upwards to 1,400 °C for non-catalytic POX. Advantages of POX in comparison with SR:
POX does not need indirect heat transfer. POX is capable of higher efficiency than SR.
Auto thermal Reforming
Auto thermal reforming uses oxygen or steam in a reaction with methane to form hydrogen rich
gas. The reaction takes place in a single chamber where the methane is partially oxidized. The reaction is
exothermic due to oxidation when auto thermal reforming uses CO2 the H2-CO ratio is 2:5:1. Temperature
of gas is et ee 9 ˚C a d ˚C a d the outlet p essu e highest at a .
Reaction: CH4 + H2O→ CO + H2 or CH4 +O2→ CO2 + 2H2
Auto thermal reforming integrates partial oxidation & steam reforming process. It has low energy
requirement and gas velocity. Auto thermal reforming provides a fuel processor compromise that operates
at a lower O/C and lower temperature than the POX. It is smaller, quicker starting, and quicker responding
than the SR, and results in high H 2 concentration.
Plasma reforming of glycerol
The plasma configuration is used for producing H2 from glycerol.The anode is made of stainless steel tube
with a 1/16th
inch tube inside and 1/8th
inch tube outside. A hollow needle with an inner diameter of
0.26mm is put inside 1/8 inch tube close to the tip of tube electrode.
The feed is fed through the anode with a calibrated pump. The cathode is made of 3/8 inch
stainless steel tube with a filter cap over top. The porous structure of the filter cap distributes the plasma
on the cathode and allows the gases to pass through it. A catalyst may be put under the filter cap to
enhance a specified reaction. For example catalyst water shift reaction can be successfully tested in this
o figu atio . The tip of the a ode is the hottest poi t app o i atel 9 ˚C, follo ed plas a zo e
˚C a d the plate ele t ode. Ele t ode te pe atu e is ˚C to ˚C. gl e i a e di e tl
decomposed into H2 and CO. a small amount of water(steam) or oxygen (partial oxidation or auto thermal
50
reforming) is added in the process to inhibit carbon formation that essentially lead to deactivation of
catalyst.
Reaction: C3H8O3→ H2+3CO
Pure glycerol can be effectively converted into hydrogen and carbon monoxide. Using a non-
equilibrium plasma at low temperature and atmospheric pressure without external heating. In a non-
equilibrium plasma, high energy electrons are generated and activate the reactance initiating radical
reactions, while the work gas phase temperature remains low. The advantage of low temperature is quick
startup and free from the catalyst deactivation of these plasma leads to increasing attention for utilization
in fuel conservation.
Some miscellaneous methods of Hydrogen production
 Electrolysis
 Thermolysis
 Photo catalytic water splitting
 Sulphar-iodine cycle
 Biohydrogen routes
 Fermentative hydrogen production
Electrolysis:- Approximately 5.1% industrial hydrogen is produced by electrolysis. Two types of cells
which are popular- Solid oxide electrolysis cell and Alkaline electrolysis cell. These cells optimally
operate at high concentration electrolyte potassium carbonate and at high temperature. The catalyst
used is Zirconium together with Nickel.
Photo catalytic water splitting:- The conversion of solar energy to hydrogen by means of water
splitting process is one of the most interesting ways to achieve clean and renewable energy system. If
this process is assisted by photocatalyst suspended directly in water instead of using photo voltaic and
electrolytic system the reaction occurs in one step and it is more effective
Sulphar-iodine cycle:- The Sulphar-iodine cycle is a thermo chemical process which generate hydrogen
from water at a higher efficiency than water splitting. The Sulphar acid and iodine used in the process
and recovered and reused and it is not consumed by the process it is well suited production of
hydrogen at high temperature
Biohydrogen routes:- Biomass and biowaste can be converted into biohydrogen with biomass
gasification with steam reforming or biological conservation like biocatalysed electrolysis or
fermentative hydrogen production.
Fermentative hydrogen production:- Fermentative hydrogen production is fermentative conservation
of organic substrate to biohydrogen by biodiverse group of bacteria using multi enzyme system
involving 3 steps similar to anaerobic conversion
C6H10O5+7H2O→ H2+6CO2
51
Fuel Cell Stacks
A single fuel cell is only capable of producing about 1 volt, so typical fuel cell designs link together
many individual cells to form a "stack" to produce a more useful voltage. A fuel cell stack can be configured
with many groups of cells in series and parallel connections to further tailor the voltage, current, and
power. The number of individual cells contained within one stack is typically greater than 50 and varies
significantly with stack design.
The basic components of the fuel cell stack include the electrodes and electrolyte with additional
components required for electrical connections and/or insulation and the flow of fuel and oxidant. These
key components include current collectors and separator plates. The current collectors conduct electrons
from the anode to the separator plate. The separator plates provide the electrical series connections
between cells and physically separate the oxidant flow of one cell from the fuel flow of the adjacent cell.
The channels in the current collectors serve as the distribution pathways for the fuel and oxidant. Often,
the two current collectors and the separator plate are combined into a single unit called a "bipolar plate."
52
Delivering Fuel Cell Power
We have seen how electricity is generated in a fuel cell. But it has to undergo some variations in order to
utilize it properly. There are four technologies that we particularly need to address for this they are.
1. DC Regulation. The electrical output power of a fuel cell will often not be at a suitable voltage, and
certainly that voltage will not be constant. Increasing the current causes the voltage to fall in all electrical
power generators, but in fuel cells the fall is much greater. Voltage regulators, DC/DC converters, and
chopper circuits are used to control and shift the fuel cell voltage to a fixed value, which can be higher or
lower than the operating voltage of the fuel cell.
2. Inverters. Fuel cells generate their electricity as direct current, DC. In many cases, especially for small
systems, this is an advantage. However, in larger systems that connect to the mains grid, this DC must be
converted to alternating current, AC.
Single phase
Fuel cells will often be used in combined heat and power (CHP) systems in both homes and businesses. In
these systems the fuel cell will need to connect to the AC mains grid. The output may also be converted to
AC in some grid-independent systems. In small domestic systems, the electricity will be converted to a
single AC voltage. In Larger industrial systems, the fuel cell will be linked to a three-phase supply
Three phase
In almost all parts of the world, electricity is generated and distributed using three parallel circuits, the
voltage in each one being out of phase with the next by 120◦. While most homes are supplied with just one
phase, most industrial establishments have all three phases available. So, for industrial CHP systems, the DC
from the fuel cell will need to be converted to three-phase AC
3. Electric motors. A major area of application for fuel cells is transport, where the electrical power is
delivered to an electric motor. In addition, motors are often needed to drive compressors and pumps
within a fuel cell system. Most fuel cell systems of power greater than about 1 kW will have at least three
electric motors. About 20 electric motors are in a typical modern motor car. Some of the commonly used
motors are
Induction motor
Brushless DC motor
Switched reluctance motors
4. Fuel Cell/Battery or Capacitor Hybrid Systems
The use of batteries in association with a fuel cell can reduce the cost of a fuel cell–based power system.
This is especially the case when powering certain types of electronic equipment. The essence of a fuel cell
53
hybrid is that the fuel cell works quite close to its maximum power at all times. When the total system
power requirements are low, then the surplus electrical energy is stored in a rechargeable battery or
capacitor. When the power requirements exceed those that can be provided by the fuel cell, then energy is
taken from the battery or capacitor.
Concept of an Air Supply for Fuel Cells
The fuel cell vehicle generates electricity in the fuel cell. Hydrogen from the vehicle tank reacts with
oxygen from the surrounding air generating electricity. Water vapour is the only reaction product being
emitted. Auxiliary systems supply air and hydrogen in the correct ratio. Like in a standard international
combustion engine compression of the intake air leads to an increase in efficiency and power density. In
order to reduce costs, current applications avoid batteries with high capacity which could serve as a buffer
du i g t a sie ts. Thus, the fuel ell ust p o ide its e e g d a i all a o di g to the d i e s de a d.
This requires a highly transient operation of the air supply system, water management, heat management,
power conditioning and controls
54
When the fuel cell uses pure hydrogen as a fuel, the fuel supply system is relatively simple.
Pressure in hydrogen storage is always higher than the fuel cell operating pressure, regardless of the type
of storage (pressurized gas, liquid, or metal hydride). To reduce the hydrogen pressure to the fuel cell
operating pressure, a pressure regulator is needed on the pipeline connecting the fuel storage and the fuel
cell. There is no need to regulate the hydrogen flow. Hydrogen is simply consumed by the fuel cell at a rate
that is proportional to current generated and replenished from the storage due to the pressure difference.
To maintain the membrane hydration, hydrogen must be humidified before entering the fuel cell. Some
fuel cell designs do not require external humidification. Hydrogen is humidified internally inside the fuel
cell stack using either the water from the cathode side or an external source of water. To remove the water
from the anode compartment, hydrogen must be either recirculated while the water is separated and
removed or intermittently purged. Recirculation can be accomplished by a pump or ejector. Air supply is
more complicated. A blower or a compressor is needed to supply the required amount of air at the desired
pressure. Automotive fuel cell systems operate at pressures between atmospheric and 3 atm to 4 atm. In a
pressurized system, the pressure is maintained by the backpressure regulator at the air outlet. Air must
also be humidified to prevent drying of the inlet portion of the membrane. This water together with
product water generated on the cathode side must be expelled from the fuel cell stack with the excess flow
of air. A water separator at the fuel cell outlet removes water from the depleted air. In most of the
temperature/pressure combinations, the amount of liquid water collected at the cathode outlet is
sufficient for humidification of both reactant gases.
Although a higher operating pressure results in better fuel cell performance, the choice of
operating pressure is not that straightforward. A fuel cell performance gain at elevated pressure might be
offset by the parasitic power needed to run an air compressor. Because of these parasitic losses, the
systems operating at low pressure are usually more efficient than the pressurized systems. However, a low-
pressure system needs more water for humidification. To be able to preserve neutral water balance, the
system has to be operated at a lower temperature or additional water recovery equipment must be a part
of the system. Either way, a low-pressure system needs larger water and heat management equipment.
The desired fuel cell operational temperature (typically between 60 °C and 80 °C) is maintained by flowing a
coolant through the fuel cell stack. Some systems use deionized water for cooling, but to prevent freezing,
antifreeze coolant is preferred to water. The heat is then ejected from the coolant to the environment
through a radiator type heat exchanger. The fuel cell radiator is usually much larger than an internal
combustion engines adiato e ause of the fuel ell s lo e ope ati g te pe atu e.
Water is collected from the anode and cathode exhausts and then used to (re)humidify the inlets. Several
humidification schemes have been proposed and used in fuel cell automobiles, such as:
• Membrane humidifiers in which reactant gas flows across a wetted membrane. The membrane is
kept wetted by the flow of hot water. This humidifier can be external or internal, i.e. an integral
part of the stack.
• Membrane humidifiers in which the membrane is kept wetted by the exhaust gas saturated with
water vapor.
• In-stack humidification using porous bipolar plates. For obvious reasons, this method is feasible
only for the systems operating at low pressure.
• Spray humidifiers where the exact amount of water is injected into the reactant gas. The heat for
evaporation of this water must also be supplied (for example, using fuel cell coolant).
• Steam injectors, where the exact amount of steam is injected in the reactant gas. The steam is also
a heat carrier, and no additional heat is required; however, heat must be used to generate the
steam.
A fuel cell system does not require any sophisticated control schemes. The only parameters that must be
actively controlled are air supply, humidification, and operating temperature. Air supply is controlled by a
55
variable-speed compressor with mechanically (potentiostat) or electronically (PID loop) controlled motor
speed. Humidification is controlled either passively by the flow of reactant gas or actively with a computer
controlled metering pump or solenoid valve. The temperature of the system is regulated in the same
fashion as in an internal combustion engine vehicle, i.e. by on-off or multistage radiator fan or fans.
Comparison of High pressure and low pressure operation of PEM fuel cell system
PEM direct-hydrogen fuel cell (DHFC) system using a high-pressure air supply (compressor) versus
one using a low-pressure air supply (blower) is explained below
Over the past few years, a great deal of papers has focused on the optimal working
pressure level of a fuel cell stack. They have shown that for automotive applications, working pressures
a ou d − a a e to be preferred to low pressure. However, most fuel cell systems manufacturers prefer
to u thei s ste s − kW at a p essu e slightl a o e the at osphe i p essu e o l to o e o e
the pressure drop in the fuel cell.
Low pressure fuel cells have the drawbacks to be more heavy and voluminous than the high
pressure ones, but they do not require an air compressor; a blower, which is less expensive and power
consuming, is enough. High working pressures have shown many advantages but also some drawbacks: on
the one hand the stack cell voltage (i.e., efficiency) is increased due to an increased oxygen partial pressure
but on the other hand the compression creates more parasitic losses (i.e., voltage drop). These parasitic
losses come from the power consumption of the compressor which can represent 20 % or 25 % of the fuel
cell electric gross power. Fig. shows the influence of the working pressure on voltage change of one cell
v-air ratio
It can been seen that for this fuel cell, the optimal pressure is around 2 bar for an air excess
ratio of 2.For an air excess ratio greater than 3, the voltage change of the fuel is always negative. However,
stacks designed for high working pressures are smaller and consequently less expensive. Some
comparisons between high and low pressure stacks have been made and they show interesting results: for
a 86 kW net power stack, taking into account the compressor consumption, the size of a low-pressure stack
(with a blower) is increased by 16.3 % compared to a high pressure one. However, this study is made under
the assumption that the blower and the compressor have the same volume, which is not obvious in any
case.
Working at a high pressure improves the water management, because less water is
needed to achieve the same level of humidity since the amount of water and energy for heating and
vaporization required for the humidification is reduced to nearly one third, if the pressure level is increased
56
from atmospheric pressure to 4 bar. Fig. 5 shows how much water is needed to achieve a given humidity
level for different working pressures. Finally, the optimal pressure taking into account the power
consumption and the humidification level is around 2.0 − 2.5 bar
Fuel Cell Auxiliary Systems
Air has to be moved around fuel cell systems for cooling and to provide oxygen to the cathode. Fuel gas
often has to be pumped around the anode side of the fuel cell. To do this following auxiliary devices are
used:
 Compressors
 Turbines
 Ejector Circulators
 Fans and Blowers
 Membrane/Diaphragm Pumps
Compressor
Reciprocating compressors, positive displacement type rotary blowers, Roots type blower, centrifugal
compressor, for various applications. The following is a brief discussion of each type and its main field of
application.
1) Reciprocating compressor: Reciprocating piston compressors are very rarely used nowadays except
for some stationary installations. It is quite bulky and heavy. Though reciprocating compressor
allows a high compression ratio to be obtained and its isentropic efficiency is about 75-85%, the
speed is limited. This increases the weight of the compressor.
2) Vane blower: It is a positive displacement rotary blower. This consists of a rotor rotating in a large
cylindrical casing. The rotor, which has four slots, remains in contact with the casing at least at one
point all the time. The access of the rotor is mounted eccentrically.
57
3) Lysholm compressor: It is an another type of positive displacement rotary compressor called
Lysholm compressor. The air is admitted at one end of the compressor and trapped between
helical rotors and the casing. The screw action of the rotors displaces the air axially.
4) Roots blower: It consists of two cylindrically shaped lobes rotating in opposite direction in a
common housing. Air enters the space between the rotor lobes at inlet and is carried around the
rotor to discharge port.
58
5) Centrifugal Compressor: Centrifugal compressor consists of an impeller rotating in a close fitted
asi g. The ai e te s the hu of the i pelle a d is tu ed 9 ˚ the adial a es. High velocity air
from the tip of the radial vanes is passed to a diffuser or volute where the pressure is raised and air
is supplied to the engine.
Turbines
A turbine is a rotary mechanical device that extracts energy from a fluid flow and converts it
into useful work. A turbine is a turbo machine with at least one moving part called a rotor assembly, which
is a shaft or drum with blades attached. Moving fluid acts on the blades so that they move and impart
rotational energy to the rotor. Early turbine examples are windmills and waterwheel
Fuel cells usually output warm or hot gases. Fuel reformers do likewise. This energy can
be harnessed with a turbine. The turbine will frequently be used to turn a compressor to compress the
incoming air or fuel gas. In a few cases, there may be excess power, and in such cases a generator can be
fitted to the same shaft. There are only two types of turbines worth considering. The first is the centripetal
or radial, which is essentially the inverse of the centrifugal compressor considered above. This is the
preferred choice unless the powers concerned are over about 500 kW, when the axial turbine used as
standard in gas and steam turbine power generation sets may be considered.
Fans and Blowers
For straightforward cooling purposes, fans and blowers are available in a huge range of sizes. The normal
axial fan, such as we see cooling all types of electronic equipment, is an excellent device for moving air, but
only against very small pressures. The centrifugal fan, such as we often see being used to blow the air in
heating units, would be used normally. These draw air in and throw it out sideways. They are not totally
different from the centrifugal compressors, but turn at much slower speeds (by a factor of several
hundred), have much longer blades, and a much more open construction.
The e a e t o ai t pes, the a k a d u ed a d the fo a d u ed e t ifugal lo e s.
These names relate to the shape of the blades, as is shown in Figure 9.12 opposite. The forward curved
59
blade gives a higher throughput of air, but with a lower maximum back pressure – around 3 cm of water
being a typical value. This type of blower is used to drive the cooling air through small- to medium-sized
PEM fuel cells. The backward curved impeller is more suitable in cases where a higher pressure is needed,
but we accept a lower flow rate. This type of blower is used for feeding air to furnaces, and might well be
suitable for blowing the reactant air to small- and medium-sized PEM fuel cells
Ejector Circulators
The ejector is the simplest of all types of pumps. It has no moving parts. They are widely used in hydrogen
fuel cells where the hydrogen is stored at pressure. A simple ejector is shown in Figure. A gas or liquid
passes through the narrow pipe A into the venturi B. It acquires a high velocity at B and hence produces
suction in pipe C.Clearly, for this to work, the fluid from A must be at a higher pressure than that in C/B/D,
otherwise it would not eject from pipe A at high velocity.
The fluid entering at A does not have to be the same as that in pipe C/B/D. The most
common use of the ejector is in steam systems, with steam being the fluid passing through the narrow pipe
and jet A. In fuel cell systems in which, for example, the hydrogen fuel is circulated by an ejector as in
Figure the gas is supplied at high pressure at A, and in the ejector the energy of the expanding gas draws
the gas from the fuel cell at C and sends it on through D back to the fuel cell. The pressure difference
generated will be enough to drive the gas through the cell as well as through any humidifying equipment.
60
Membrane/Diaphragm Pumps
A Diaphragm pump is shown above. There is a membrane also called diaphragm which separates the air
and water. When air is supplied at one end the membrane deforms and pushes down the water causing the
pumping effect
Small- to medium-sized PEM fuel cells are liable to be an important market for fuel cells in portable
power systems. A problem with these cells is the pumps for circulating the reactant air, and the hydrogen
fuel, if not dead-ended. In compact designs of, say, 200W to 2 kW, the back pressure of the reactant air is
liable to be around 10 kPa, equivalent. to about 1m of water, or 0.1 bar. This is too great for the blowers
and fans we have just been considering. On the other hand the flow rates are too low for the commercial
blowers and compressors we considered in the earlier sections of this chapter. Another type of pump is
needed. The main features of these pumps should include the following:
• Low cost
• Silent
• Reliable when operated continuously for long periods
• Able to operate against pressures of about 10 kPa (1m water)
• Available in a suitable range of sizes
• Efficient, low power consumption
AIR COMPRESSION VEHICLES
Compressed air systems consist of a supply side, which includes compressors and air treatment, and a
demand side, which includes distribution and storage systems and end -use equipment. A properly
managed supply side will result in clean, dry, stable air being delivered at the appropriate pressure in a
dependable, cost-effective manner. A properly managed demand side minimizes wasted air and uses
compressed air for appropriate applications. Improving and maintaining peak compressed air system
performance requires addressing both the supply and demand sides of the system and how the two
interact
Main Components of Compressed Air Systems
Compressed air systems consist of following major components: Intake air filters, inter-stage coolers, after-
coolers, air-dryers, moisture drain traps, receivers, piping network, filters, regulators and lubricators.
61
Intake Air Filters: Prevent dust from entering a compressor; Dust causes sticking valves, Scoured cylinders,
excessive wear etc.
Inter-stage Coolers: Reduce the temperature of the air before it enters the next stage to reduce the work
of compression and increase efficiency. They are normally water-cooled.
After-Coolers: The objective is to remove the moisture in the air by reducing the temperature in a water-
cooled heat exchanger.
Air-dryers: The remaining traces of moisture after after-cooler are removed using air dryers, as air for
instrument and pneumatic equipment has to be relatively free of any moisture. The moisture is removed by
using adsorbents like silica gel /activated carbon, or refrigerant dryers, or heat of compression dryers.
Moisture Drain Traps: Moisture drain traps are used for removal of moisture in the compressed air. These
traps resemble steam traps. Various types of traps used are manual drain cocks, timer based / automatic
drain valves etc.
Receivers: Air receivers are provided as storage and smoothening pulsating air output -reducing pressure
variations from the compressor
TYPES OF COMPRESSORS USED
Two basic compressor types: positive-displacement and dynamic. In the positive-displacement type, a given
quantity of air or gas is trapped in a compression chamber and the volume it occupies is mechanically
reduced, causing a corresponding rise in pressure prior to discharge. At constant speed, the air flow
remains essentially constant with variations in discharge pressure.
Dynamic compressors impart velocity energy to continuously flowing air or gas by means of
impellers rotating at very high speeds. The velocity energy is changed into pressure energy both by the
impellers and the discharge volutes or diffusers. In the centrifugal-type dynamic compressors, the shape of
the impeller blades determines the relationship between air flow and the pressure (or head) generated.
62
AIR POWERED VEHICLES
In the present energy scenario the fossil fuel sources are fast depleting and their combustion products are
causing global environmental problems. So it is inevitable to shift towards the use of renewable energy
resources which in turn will reduce pollution and saves fossil fuels. Air Powered Engine is an alternative
technology which uses compressed air to run the engine and thus eliminates the use of fossil fuels. Exhaust
temperature of it will be slightly less than atmospheric temperature (i.e. 20-25°C) and thus helps in
controlling global warming and reducing temperature rise caused due to other means. As we are going to
convert the already existing conventional engine into an air powered one, this new technology is easy to
adapt. Another benefit is that it uses air as fuel which is available abundantly in atmosphere. Apart from
above other technical and economic benefits are as follows:
Technical benefits:
• The temperature of the engine while working will be slightly less than the ambient temperature.
• Smooth working of the engine due to very less wear and tear of the components.
• There is no possibility of knocking.
• No need of cooling systems and spark plugs or complex fuel injection systems.
Economic benefits:
• No use of expensive fossil fuels as the free air is compressed and taken to use.
• For this reason people can easily shift to the new technology.
• Compressors use electricity for generating compressed air which is relatively much cheaper and
widespread.
• Smooth working will lead to less wear & tear, so lesser maintenance cost
63
Detail Working of an air fuel Engine
Operation: Initial torque is supplied from the DC exciter motor, and then the engine operation starts.
Stage 1: When the piston is in the TDC, compressed air is injected through the pulsed air firing valve, which
pushes the piston to BDC
Stage 2: Due to the motion of the engine and its inertia, the piston moves back to TDC, pushing the air out
of the valves.
The plunger of the pulsed firing valve is controlled by a timing circuit which is specifically a PLC
programmed circuit. It supplies the electronic signals by which the plunger moves so that it opens and
closes the pulsed firing valve
On comparing it with the working of normal SI 4 stroke engine, we can say that:
“tage of the ai e gi e o p ises of the combined ope atio of “u tio stage a d Po e stage of
the normal 4 stroke SI engine.
“tage of the ai e gi e o p ises of the o i ed ope atio of the Co p essio stage a d E haust
stage of the o al st oke “I e gi e.
64
I co pariso to petrol or diesel po ered ehicles air po ered ehicles ha e follo i g ad a tages:
 Air on its own is non-flammable, abundant, economical, transportable, storable and, most
importantly, nonpolluting. Compressed air technology reduces the cost of vehicle production by
about 20%, because there is no need to build a cooling system, fuel tank, spark plugs or silencers.
 High torque for minimum volume. The mechanical design of the engine is simple and robust. Low
manufacture and maintenance costs as well as easy maintenance. Lighter vehicles would mean less
abuse on roads, thus, resulting in longer lasting roads.
 The price of fueling air powered vehicles will be significantly cheaper than current fuels. When the
air is being compressed at reasonable speeds, it heats up. The heat given off during compression
could be reclaimed for space heating or water heating, or used in a stirling engine.
 Transportation of the fuel would not be required due to drawing power off the electrical grid. This
presents significant cost benefits. Pollution created during fuel transportation would be eliminated.
Compressed-air vehicles are comparable many ways even to electric vehicles and their potential
advantages over electric vehicles include:
 Compressed-air vehicles are unconstrained by the degradation problems associated with current
battery systems.
 Much like electrical vehicles, air powered vehicles would ultimately be powered through the
electrical grid which makes it easier to focus on reducing pollution from one source, as opposed to
the millions of vehicles on the road.
 Compressed-air tanks can be disposed of or recycled with less pollution than batteries. The tank
may be able to be refilled more often and in less time than batteries can be recharged, with
refueling rates comparable to liquid fuels.
 The tanks used in a compressed air motor have a longer lifespan in comparison with batteries,
which, after a while suffer from a reduction in performance.
Automated Vehicles
In the context of smart vehicles, there are two main areas in which rapid technological
developments are occurring, defined as Automated Vehicles (AVs) and Connected Vehicles (CVs).
The developments in CVs and AVs are occurring largely independently, although convergence of the two
areas will be required for full automation of vehicles. AVs are vehicles where some aspects of a safety
critical control function such as steering, throttle control or braking occurs without direct driver input.
Vehicles that provide safety warnings to drivers (for example forward crash warning) but do not perform a
control function are, in this context, not considered automated, even though the technology necessary to
provide that warning involves varying degrees of automation (e.g. the necessary data is received and
processed, and the warning is provided without any driver input). AVs use on-board sensors, cameras, GPS
and telecommunications to obtain and analyze information using complex computer algorithms, and
respond appropriately by effectuating control in safety- iti al situatio s. The idel k o Google self-
d i i g a , is a e a ple of a AV.
65
Automated or Self Guided Vehicles (AGV/SGV) used in industries are
computer- o t olled d i e less o ile ehi les o all atte ope ated e uipped ith opti al,
magnetic or laser guidance systems for automated functionality, categorized as either load carrying
(forked, mandrel, unit load deck, etc) or load towing (tugger, tow train). Automated Guided Vehicles are
recommended for applications wherein long-distance horizontal transport of materials is required from or
to multiple destination points and/or the requirements for material transport include
repetitive/predictable and/or dangerous tasks. AGVs also have several advantages inherent to their design,
such as the reduction of product damage from removal of human error, the ability to travel into hazardous
areas without concern for operator safety, the ability to automatically track and record product movement,
the reduction of labor, and the flexibility and adaptability especially prevalent in laser guided systems.
AHS refers to a set of designated lanes on a limited access roadway
where specially equipped vehicles are operated under completely automatic control.This is done using
sensors that se e as the ehi le s e es, determining lane position and the speed and location of other
vehicles. Actuators on the throttle, brake, and steering wheel give the vehicle the commands that a driver
normally would. AHS vehicles often also have equipment to communicate with other AHS vehicles. The
vehicles and highway cooperate to coordinate vehicle movement, avoid obstacles and improve traffic flow,
improving safety and reducing congestion. In sum, the AHS concept combines on-board vehicle intelligence
with a range of intelligent technologies installed onto existing highway infrastructure and communication
technologies that connect vehicles to highway infrastructure.
The concept of an Automated Highway has been around for a long time. General Motors
displayed a working model of an automated highway at the 1939 Wo ld s Fai i Ne Yo k Cit . Automated
t ai s ha e ee i use si e the 9 s. But it has not been until recently that the technology has become
available to build automated highways and vehicles
The System Concept and Technologies
Concepts of Automated Highway System (AHS) can be classified into two groups, partially automated
systems and fully automated systems, depending on the extent of the automation. Partially automated
systems include notification and warning systems, temporary emergency controls and continuous partial
controls, which take limited control of the vehicle in emergency situations. They automate certain routine
parts of driving but rely on manual control for most driving functions. Fully automated driving would let
drivers be totally disengaged from all driving tasks.
The National Automated Highway System Consortium (NAHSC) defined several alternative AHS
concepts, from cooperative to fully automated, depending on the degree to which vehicles and
infrastructure work together.
66
Benefits of Automated Highway system
Element Benefits
Roadway
capacity
More vehicles can be accommodated on the highway. The number of vehicles per hour
per lane can be significantly increased as traffic speeds are standardized and increased and
headway distances are decreased. It is expected that two to three times more vehicles
could be accommodated through elimination of inefficiencies caused by inattentiveness,
merging, weaving, and lane changing
Safety
Driving safety will be significantly greater than at present. The human error factor will be
removed. Some estimates state that overall 50 percent improvement can be realized
with AHS application
Weather
Weather and environmental conditions will impact little on high performance driving.
Fog, haze, blowing dirt, low sun angle, rain, snow, darkness, and other conditions
affecting driver visibility and thus, safety and traffic flow will no longer impede progress
Mobility All drivers using AHS can be safe, efficient drivers. AHS offers enhanced mobility for
People with disabilities, the elderly, and less experienced drivers.
Energy
consumption
and air quality
Fuel consumption and emissions can be reduced. In short term, these reductions will be
accomplished because started-and-stop driving will be minimized and because onboard
sensors will be monitored to ensure that the vehicle is operating at top performance.
In the long term, the AHS can support future vehicle propulsion/fuel designs
Land use Land can be used more efficiently. Roads will not need to take up as much room, since
AHS facilities should allow for more effective use of the right of way.
Commercial
and transit
efficiency and
economic gains
More efficient commercial operations and transit operations. Commercial trucking can
realize better trip relia ilit to suppo t just-in-ti e deli e . A d, t a sit ope atio s
can be automated, extending the flexibility and convenience of the transit option to
increase ridership and service
Travel time
savings and
economic gains
Travel time savings: AHS can restore free-flow travel conditions from congested speeds
in urban highway travel, thereby reducing the travel times. In addition, for long-distance
i te it t a el, it pe itted highe uisi g speed tha toda s d i i g. The efo e, ti e
that AHS frees up could be used for other purposes
The Global Positioning System (GPS)
The Global Positioning System (GPS) is a satellite-based navigation system made up of a network of
24 satellites placed into orbit by the U.S. Department of Defense. GPS was originally intended for military
applications, but in the 1980s, the government made the system available for civilian use. GPS works in any
weather conditions, anywhere in the world, 24 hours a day. There are no subscription fees or setup charges
to use GPS
67
How it works
GPS satellites circle the earth twice a day in a very precise orbit and transmit signal
information to earth. GPS receivers take this information and use triangulation to calculate the user's exact
location. Essentially, the GPS receiver compares the time a signal was transmitted by a satellite with the
time it was received. The time difference tells the GPS receiver how far away the satellite is. Now, with
distance measurements from a few more satellites, the receiver can determine the user's position and
display it on the unit's electronic map. A GPS receiver must be locked on to the signal of at least three
satellites to calculate a 2D position (latitude and longitude) and track movement. With four or more
satellites in view, the receiver can determine the user's 3D position (latitude, longitude and altitude). Once
the user's position has been determined, the GPS unit can calculate other information, such as speed,
bearing, track, trip distance, distance to destination, sunrise and sunset time and more.
The GPS satellite system
The 24 satellites that make up the GPS space segment are orbiting the earth about 12,000 miles
above us. They are constantly moving, making two complete orbits in less than 24 hours. These satellites
are travelling at speeds of roughly 7,000 miles an hour.
GPS satellites are powered by solar energy. They have backup batteries onboard to keep them
running in the event of a solar eclipse, when there's no solar power. Small rocket boosters on each satellite
keep them flying in the correct path.
Facts about the GPS satellites (also called NAVSTAR, the official U.S. Department of Defense name for
GPS):
• The first GPS satellite was launched in 1978.
• A full constellation of 24 satellites was achieved in 1994.
• Each satellite is built to last about 10 years. Replacements are constantly being built and launched
into orbit.
• A GPS satellite weighs approximately 2,000 pounds and is about 17 feet across with the solar
panels extended.
• Transmitter power is only 50 watts or less.
Satellite control vehicle
The Google Driverless Car is like any car, but:
• It can steer itself while looking out for obstacles.
• It can accelerate itself to the correct speed limit.
• It can stop and go itself based on any traffic condition.
• It can take its passengers anywhere it wants to go safely, legally, and comfortably.
68
COMPONENTS:
Integrates Google Maps with various hardware sensors and artificial intelligence software
1. Google Maps
Provides the car with road information
• Google Maps interacts with GPS and acts like a database. Speed Limits.
• Upcoming intersections.
• Traffic Report.
• Nearby collisions.
2.Hardware Sensors
Provides the car with real time environment condition
• The hardware sensors gives real time environmental properties.
• Environment is dynamic so need real time results.
• Sensors attempt to create fully observable environment.
 VIDEO CAMERA: Detects upcoming traffic light.
 DISTANCE SENSOR: Allow the car to "see" far enough to detect nearby or upcoming cars or
obstacles
 POSITION ESTIMATOR(Wheel Encoder): Determines vehicle's location and keeps track of its
movements
69
LIDAR
It is the heart of the system. LIDAR (Light Detection and Ranging, also LADAR) is an optical remote
sensing technology that can measure the distance to, or other properties of a target by illuminating the
target with light, often using pulses from a laser. Scanning distance of 60 meters (~197 feet)
ARTIFICIAL INTELLIGENCE
Google Maps and the hardware sensors data are sent to the AI.
AI then determines:
 how fast to accelerate
 when to slow down/stop
 when to steer the wheel
Some facts about Google Driverless car
 Nevada 1st state to allow driverless vehicles can be legally operated on public roads
 There are 6 Google Driverless Cars now. 5 Toyota Prius and 1 Audi TT
 Total miles 140,000 miles with occasional human intervention
70
MODULE III
Concealed Headlights
A vehicle equipped with a concealed headlight system hides the lamps behind doors when the headlights
are turned off. When the headlight switch is turned to the HEADLIGHT position, the headlight doors open.
Early systems used vacuum-controlled doors. Today most systems use electric motors.
Electronically-Controlled Headlight Systems
The body control module (BCM) has been utilized by some manufacturers to operate the Concealed
headlight system. The BCM will receive inputs from the headlight and flash-to-pass switches. When the
headlight switch is turned on, the BCM receives a signal that the headlights are being activated. To open the
headlight doors, the BCM energizes the open door relay. The contacts of the open relay are closed and
battery voltage is applied to the door motor. In this example, battery voltage to operate the door motor is
supplied from the 30-ampere circuit breaker. The computer energizes the door open relay, which moves the
normally open relay contact arm. Ground is provided through the door close relay contact
71
LED Lighting
LED displays have been used for many years in dashboards and other instrument-type applications.
However, until recently, LEDs were not expected to be used for replacing bulbs in lighting applications. LEDs
provide much higher reliability and lower power consumption, as well as requiring less maintenance.
Recent advances in brightness and colour availability are leading to the use of LEDs in place of
incandescent lamps. It currently takes a cluster of LEDs to match the light output of an ordinary bulb, but the
LED cluster only consumes about 15% of the power for the same light output. Incandescent lamps need
replacing after about 1000 hours where as LEDs will last up to 100 000 hours. Recently, due to the advent of
galliu it ide GaN a d i diu doped galliu it ide I GaN , supe - ight LEDs a e sta ti g to epla e
incandescent bulbs. LEDs will continue to become more popular for less traditional uses. Light emitting
diode (LED) displays were first produced commercially in 1968. Almost from this time there has been
speculation as to possible vehicle applications. Such LEDs have certainly found applications in the interior
vehicle, particularly in dashboard displays.
The advantages of LED lighting are clear, the greatest being reliability. LEDs have a typical rated life
of over 50 000 hours, compared with just a few thousand for incandescent lamps. Extreme variations in
temperature and humidity as well as serious shocks and vibration have to be endured. A further advantage
is that they turn on quicker than ordinary bulbs. This turn-on time is important; the times are about
130milliseconds for the LEDs, and 200 milliseconds for bulbs.
Light-emitting diode displays
If the PN junction of a diode is manufactured from gallium arsenide phosphide (GaAsP), light will be
emitted from the junction when a current is made to pass in the forward-biased direction. This is a light
emitting diode (LED) and will produce red, yellow or green light with slight changes in the manufacturing
process. LEDs are used extensively as indicators on electronic equipment and in digital displays. They last for
a very long time and draw only a small current. LED displays are tending to be replaced for automobile use
by the liquid crystal type display, which can be backlit to make it easier to read in the daylight. However,
LEDs are still popular for many applications. The actual display will normally consist of a number of LEDs
arranged into a suitable pattern for the required output. This can range from the standard seven-segment
display to show numbers, to a custom-designed speedometer display.
Advantages of LED’s
 Very low voltage and current are enough to drive the LED.
 Voltage range – 1 to 2 volts.
 Current – 5 to 20 mill amperes.
 Total power output will be less than 150 mill watts.
 The response time is very less – only about 10 nanoseconds.
 The device does not need any heating and warm up time.
 Miniature in size and hence light weight.
 Have a rugged construction and hence can withstand shock and vibrations.
 An LED has a life span of more than 20 years.
72
Electrochromic mirrors
Electrochromic mirrors automatically adjust the amount of reflectance based on the
intensity of glare. This process is similar to that used by photo-gray or photo-chromic sunglasses. If the glare
is heavy, the mirror darkens about 6% reflectively. The electrochromic mirror has the advantage of providing
a comfort zone where the mirror will provide 20% to 30% reflectively. When no glare is present, the mirror
changes to the daytime reflectivity rating up to 85%. The reduction of the glare by darkening of the mirror
does not impair visibility.
Electrochromic mirrors can be installed as the outside mirrors or inside mirrors. The mirror is constructed of
a thin layer of electro chromic material that is placed between two plates of conductive glass. There are two
photo cell sensors that measure light intensity in front and in back of the mirror. During night driving the
headlight beam striking the mirror causes the mirror to gradually become darker as light intensity increases.
The darker mirror absorbs the glare
A block diagram of the EC mirror glass and associated electronics is shown in the figure. Two photosensitive
resistors are used to determine the lighting levels. One photo resistor faces the rear window and senses the
light level falling on the mirror glass. The other photo resistor faces the wind screen and senses the ambient
light level seen by the driver. Based on the difference between these two light levels a differential amplifier
module produces an output. The electronic module applies a bias voltage to the mirror electrodes when the
light level falling on the rear-facing sensor exceeds a certain percentage of the ambient light level. This
voltage causes a flow of ions from the electrolyte into the front electrodes, which darkens the EC glass,
thereby reduces the amount of light reflection from the mirror. The amount of darkening is proportional to
the bias voltage, and hence it is dependent on the difference in light levels falling on the two sensors.
73
Automatic Rearview Mirror
Some manufacturers have developed interior rearview mirrors that automatically tilt
when the intensity of light that strikes the mirror is sufficient enough to cause discomfort to the driver. The
system has two photocells mounted in the mirror housing. One of the photocells is used to measure the
intensity of light inside the vehicle. The second is used to measure the intensity of light the mirror is
receiving. When the intensity of the light striking the mirror is greater than that of ambient light, by a
predetermined amount, a solenoid is activated that tilts the mirror.
Daytime Running Lamps (DRL)
The basic idea behind day time running light is dimly lit head lamps during the day. This
allows the drivers to see the vehicle from a distance. Manufactures have taken many different approaches
to achieve this lighting. Most have a control module or a relay that turns the light on when the engine is
running and allows normal headlamp operation when the driver turns on the headlights. Most have a
control module or relay (Figure) that turns the lights on when the engine is running and allows normal
headlamp operation when the driver turns on the headlights. Daytime running lamps generally use the high-
beam or low-beam headlight system at a reduced intensity.
The dimmer headlight is obtained by passing the normal headlight current through a resistor during
daylight hours. The resistor reduces the available voltage and current to the headlights. The resistor is
bypassed during normal headlamp operation. Some systems use a control module which uses pulsed current
to the high beam lamps. Pulse width modulation reduces the illumination level of the high beams to less
than a normally operating low beam light.
74
Adaptive headlight system (AHS)
The adaptive headlight system (AHS) is designed to enhance night-time safety by turning
the headlight beams to follow the direction of the road as the vehicle enters a turn (Figure 12-15). This
provides the driver additional reaction time if approaching any road hazards. Conventional fixed headlights
illuminate the road straight in front of the vehicle only. On turns, the light beam can shine onto oncoming
traffic or leave the road beyond the turn in darkness. The AHS uses headlight assemblies that swivel into the
direction the vehicle is steering. This provides a 90% improvement in illumination of the road so obstacles
become visible sooner. The AHS uses sensors that measure vehicle speed, steering angle, and yaw (degree
of rotation around the vertical axis). Based on this information, small electric motors turn the headlights so
the beam falls on the road ahead, guiding the driver into the turn. The headlights can follow the bends of
the road through an arc of 15 degrees. The headlight located on the side of the vehicle opposite the
direction of turn will rotate about 7 degrees
Head-up displays
One of the main problems to solve with any automobile instrument or monitoring display is that the
driver has to look away from the road to see the information. Also, in many cases, the driver does not
actually need to look at the display, and hence could miss an important warning such as low oil pressure.
Many techniques can be used such as warning beepers or placing the instruments almost in view, but one of
the most innovative is the head-up display (HUD). Figure shows the principle of a head-up display.
Information from a display device, which could be a CRT (cathode ray tube), is directed onto a partially
reflecting mirror. The information displayed on the CRT would therefore have to be reversed for this system.
Under normal circumstances the driver would be able to see the road through the mirror. The brightness of
the display would, of course, have to be adjusted to suit ambient lighting conditions. A great deal of data
could be presented when this system is computer controlled.
75
The head-up control module is mounted in the top of the instrument panel. This module contains a
computer and an optical system that projects images to a holographic combiner integrated into the
i dshield a o e the odule. The holog aphi o i e p oje ts the i ages i the d i e s ie just a o e
the front end of the hood. The HUD contains the following displays and warnings.
1) Speedometer reading with USC/metric indicator
2) Turn signal indicators
3) High beam indicator
4) Check gauges indicator
The head-up control switch contains a head-up display on/off switch, USC/metric switch, and a
head-up dimming switch. The head-up dimming switch is a rheostat that sends an input signal to the head-
up module. The vertical position of the head-up display may be moved with one of the switches in the
control switch assembly. This switch is connected through a mechanic cable-drive system to the head-up
module. Moving the vertical position switch moves the position of the head-up module.
Travel information systems
The travel information system can be a simple calculator that computes fuel economy, distance to
empty, and remaining fuel. Other systems provide a much larger range of functions.
Fuel data centers display the amount of fuel remaining in the tank and provide additional
information to the driver. By depressing the RANGE button, the body computer calculates the distance until
the tank is empty by using the amount of fuel remaining and the average fuel economy. When the INST
button is depressed, the fuel data center displays instantaneous fuel economy. The display is updated every
half second and is computed by the BGM.
Depressing the AVG button displays average fuel economy for the total distance travelled since the
reset button was last pushed. FUEL USED displays the amount of fuel used since the last time this function
was reset. The RESET button resets the average fuel economy and fuel used calculations. The function to be
reset must be displayed on the fuel data center.
76
The system illustrated uses the fuel sender unit and ignition voltage references as input for calculating furl
data functions. Other inputs can include speed and fuel flow sensors. Deluxe systems may incorporate
additional features such as outside temperature, compass, elapsed time, estimated time of arrival, distance
to destination, day of the week, time, and average speed. The illustration (Figure 13-31) shows the inputs
that are used to determine many of these functions.
On Board Navigational systems
Many manufacturers offer navigational systems as an option on their higher line vehicles. These
systems use satellites to direct drivers to their desired destinations. Many navigational systems are
integrated in the vehicle radio. Regardless of the display method, most navigational systems use a GPS
77
a te a, to dete i e the ehi le s lo atio latitude and longitude coordinates, and a gyroscope to
determine vehicle turns. Usually map data, provided on a DVD, and navigation information are displayed on
a thin film transistor, liquid crystal display (TFT, LCD) color screen. Voice prompts can be sent through the
audio system speakers.
Most systems will provide at least some of the following features:
■ Full-screen map display.
■ Vehicle location and route guidance.
■ Turn-by-turn distance in feet or meters.
■ Points of interest en route.
■ The storage of favorite routes and locations.
■ The storage of recent routes.
During most conditions, the gyroscope, data bus information, and the map data locate the vehicle
on the displayed map. If the vehicle is traveling in an unmapped area, the system uses the GPS data. The
navigational system can also be incorporated into a vehicle-tracking system. If the vehicle is stolen, its
whereabouts can be tracked using the satellite. If the navigational system is tied to the hands-free cell
phone system, the driver can get on-road assistance in the event of a problem. For example, if the driver
locks the keys in the vehicle, he can call the assistance line and the representative can send a signal to
unlock the doors. If the air bags deploy, the system can automatically send a signal of this event. A
representative from the tracking subscription company will attempt to get in touch with the vehicle
occupants to see if assistance is required. Emergency personnel can be dispatched because the satellite
system informs the representative of the exact location of the vehicle
ON-BOARD DIAGNOSTICS
The pie e of oded i fo atio that is sto ed is k o as a fault ode o diag osti t ou le ode ofte
abbreviated to DTC). It will be evident that these DTCs are a valuable source of information when trouble
occurs and it is necessary for us to consider the methods that are available which provide access to them. It
is o th e tio i g at this poi t, that tools a e a aila le that pe it the eadi gs that the ECM sees to e
viewed on an oscilloscope while the system is in operation, or placed in a memory for later viewing and
analysis.
Early computer controlled systems often had quite small amounts of memory allocated to the storage of
DTCs, but as integrated circuit technology has developed, the amount of memory space allocated to the
storage of DTCs has also increased to the stage where hundreds of DTCs can be held in an ECM. In order that
the DTCs are not lost when the ignition is switched off, the section of RAM that they are stored may be
e e gized di e tl f o the atte , ia a fuse. This t pe of e o is so eti es efe ed to as keep ali e
e o KAM . I othe ases the DTCs a e sto ed i a EEP‘OM. These DTCs a e safel sto ed u til a
deliberate action is taken that instructs a circuit in the ECM to generate an electrical pulse, probably 25 V,
that will clear the DTCs.
78
As a result of the different technology used in automotive computer controlled systems, it is possible to find
a number of different methods of accessing DTCs.
Three methods are in general use.
1. Displaying the code as flashes on a dashboard indicator lamp.
2. Connecting an LED or test lamp externally and observing the number of flashes and pauses.
3. Connecting a code reading machine, and/or a scan tool, to the diagnostic port on the ECM.
The actual procedure varies very considerably from one type of vehicle to another. However, the following
examples give an insight into the general principles involved.
The term on board diagnostics refers to the self-diagnosing capabilities that are carried in the computers on
the vehicle, and the aids that are provided to make the diagnostic data available to authorized users. Off-
board diagnostics is equipment such as scan tools, oscilloscopes and other test equipment. In most cases
both types of equipment are required for vehicle repair work. To date (January 2000) there have been two
versions of OBD, i.e., OBD I and OBD II. Both apply to the USA, but introduction of similar legislation for
Europe is imminent.
OBD I
This required vehicles produced from 1988 onwards to be equipped with electronically (computer)
controlled systems that were capable of monitoring themselves. Any malfunction (defect) that affected
exhaust emissions must be displayed on a warning lamp, known as the malfunction indicator lamp (MIL), on
the dash oa d. The alfu tio ust e sto ed i the ECM s e o a d it ust e eada le ith the aid
of o oa d fa ilities, e.g. a flash ode o a la p.
OBD II
OBD II strengthens the requirements of OBD I on vehicles of model year 1994 and afterwards. OBD II applies
to spark-ignition cars and light vans, and from 1996 onwards to diesel-engined vehicles. The main features
are that the following emissions related systems must be continuously monitored:
 combustion
 catalytic convertor
 oxygen (lambda) sensors
 secondary air system
 fuel evaporative control system
 Exhaust gas recirculation system.
The requirements for diesel-engined vehicles vary and glow plug equipment may be monitored instead of
the catalytic converter.
Features of OBD II are as follows.
79
 The alfu tio i di ato la p MIL is p o ided ith a additio al flashi g fu tio .
 The DTCs can be read out by a standard form of scan tool, via a standardized interface that uses a
16-pin diagnostic connector
 The emissions-related components must be monitored for adherence to emissions limits in addition
to monitoring them for defects.
 Ope ati g o ditio s pe fo a e data a e logged a d sto ed i a f eeze f a e .
Until recently a diagnostic procedure, which required access to stored fault codes and other data was only
possible with the use of dedicated equipment or relatively expensive code readers or scanners. However,
with the proliferation of cars with EOBD/OBD-2 (European/On-Board Diagnostics, version 2) it is possible to
extract information from ECUs using a simple interface lead and a standard computer running appropriate
software.
Since 1 January 2001, all cars sold in Europe must have on-board diagnostic systems. European Directive
98/69/EC mandated that engine emissions must be monitored. The cars must also be fitted with a standard
diagnostic socket. The EOBD system is the same, or very similar, to the OBD-2 system used in the USA. A
he k e gi e a i g light o the dash oard is used to make the driver aware of any problems. This
provides no information to the driver or technician — other than that a fault has been detected.
Diagnostic link connector (DLC)
There are three basic OBD-2/EOBD protocols in use, each with minor
variations. As a rule of thumb most European and Asian cars use ISO
9141 circuitry as do Chrysler. GM cars and light trucks use SAE J1850
VPW (Variable Pulse Width Modulation), and Fords use SAE Jl 850 PWM
(Pulse Width Modulation) communication patterns. It is possible to tell
which protocol is used on a specific car by examining the connector socket:
• If the o e to has a pi i the u e positio a d o pi at u e o , the the a uses the I“O
9141 protocol (as shown)
• If o pi is p ese t in the number 7 position, the car uses the SAE protocol
• If the e a e pi s i positio s a d a d/o u e , the a a use the I“O p oto ol.
While there are three OBD-II electrical connection protocols, the command set is fixed by the SAE J1979
standard.
A range of low-cost tools is now available to read error codes. These tools can also be used to view live
readings from sensors. The error codes can be cleared and the warning light reset. OBD systems monitor
and store information from sensors throughout the car. Sensor readings that are outside a preprogrammed
range cause a Diagnostic Trouble Code (DTC) to be generated.
Reading an EOBD/OBD2 DTC
The first character of the code relates to the system of the vehicle that generated the code:
80
P - Powertrain
B - Body
C - Chassis
U - Network
The next character can be either 0 or 1:
0 = Standard (SAE) OBD code
= Ma ufa tu e s o ode
The next character identifies the specific part of the system concerned. For the Powertrain systems these
are:
1 = Fuel and air metering
2 = Fuel and air metering, specifically injector circuit
3 = Ignition system and misfire detection
4 = Auxiliary emission controls
5 = Vehicle speed control and idle control system
6 = Computer output circuit
7 = Transmission related faults
8 = Transmission related faults
The last two numbers identify the specific fault as seen by the on-board systems.
Fo e a ple, the ode P ould i di ate a E gi e Coola t Te pe atu e Ci uit Malfu tio .
81
Air conditioning
A vehicle fitted with air conditioning allows the temperature of the cabin to be
controlled to the ideal or most comfortable value determined by the ambient conditions. The system as a
whole still utilizes the standard heating and ventilation components, but with the important addition of an
evaporator, which both cools and dehumidifies the air. Air conditioning can be manually controlled or, as is
now often the case, combined with some form of electronic control. The system as a whole can be thought
of as a type of refrigerator or heat exchanger. Heat is removed from the car interior and dispersed to the
outside air. The most common components of air conditioning system are compressor, condenser,
evaporator, orifice tube, thermal expansion valve, receiver drier, and accumulator.
The compressor pumps low pressure heated vapour from the evaporator, compresses it and pumps
it as a super-heated vapour under high pressure to the condenser. The temperature of the refrigerant at this
stage is much higher than the outside air temperature, hence it gives up its heat via the fins on the
condenser as it changes state back to a liquid. This high-pressure liquid is then passed to the receiver-drier
where any vapour which has not yet turned back to a liquid is stored, and a desiccant bag removes any
moisture (water) that is contaminating the refrigerant. The high-pressure liquid is now passed through the
thermostatic expansion valve and is converted back to a low-pressure liquid as it passes through a
restriction in the valve into the evaporator. This valve is the element of the system that controls the
refrigerant flow and hence the amount of cooling provided. As the liquid changes state to a gas in the
apo ato , it takes up heat f o its su ou di gs, thus ooli g o u heati g the ai that is forced over the
82
fins. The low pressure vapour leaves the evaporator returning to the pump. The operation of the system is a
continuous cycle.
Automatic temperature control
Full temperature control systems provide a comfortable interior temperature in line
with the passenger controlled input. The electronic control unit has full control of fan speed, air distribution,
air temperature, fresh or recirculated air and the air conditioning pump. These systems will soon be able to
control automatic demist or defrost, when reliable sensors are available. A single button will currently set
the system to full defrost or demist. A number of sensors are used to provide input to the ECU.
An ambient temperature sensor mounted outside the vehicle will allow compensation for extreme
temperature variations. This device is usually a thermistor.
A solar light sensor is mounted on the fascia panel. This device is a photodiode and allows a measurement of
direct sunlight from which ECU can determine whether to increase the air to the face vents.
The in-car temperature sensors are simple thermistors but, to allow for an accurate reading, a small motor
and fan can be used to take a sample of interior air and direct it over the sensing elements.
A coolant temperature sensor is used to monitor the temperature of the coolant supplied to the heater
matrix. This sensor is used to prevent operation of the system until coolant temperature is high enough to
heat the vehicle interior. Driver input control switches.
The ECU takes information from all of the above sources and will set the system in the most
appropriate manner as determined by the software. Control of the flaps can be either by solenoid controlled
vacuum actuators or by small motors. The main blower motor is controlled by a heavy duty power transistor
and is constantly variable. These systems are able to provide a comfortable interior temperature when
exterior conditions range from _10 to _35 ° C even in extreme sunlight.
83
ANTI-LOCK BRAKING SYSTM
It is difficult to access the required brake pedal force to be applied for an emergency stop in the
shortest possible distance. This is because it is practically impossible to take into account several varying
factors such as type and roughness of the road, tyre and the condition of the road surface. Consequently, in
the extreme case, the driver applies too much or too little pressure on the pedal causing the following
Pedal pressure is too high, one or more of the wheels skid over the surface so that
 Stopping distance is increased
 If a rear wheel skid occurs, then the vehicle losses direction control
 Pedal pressure too low: stopping distance is increased. This can cause an impact with the
obstacle
In the id s a ious skids li iti g a a ge e ts e e added to the aki g s ste a d these
systems are generally called Anti-lock Braking System (ABS). The basic requirement of an ABS is to retain
steer ability in maximum braking situations and to avoid danger of skid under all road conditions. Skidding
is avoided by releasing brake pressure just before the wheels lock up, and then reapplying the same. This
releasing and reapplying the brakes in succession is what an anti-lock system does and this process is called
pressure modulation. These systems can modulate the pressure to the brakes about 15times/second.
When the front wheels of the vehicle are locked, its maneuverability is reduced, where as in case of rear
wheels locking, the vehicle stability is reduced. ABS calculates the required slip rate of the wheels and then
controls the brake fluid pressure to achieve the target slip rate. The pedal feel in case of ABS-equipped
brakes is quite similar to that of conventional power brake system.
A modern ABS consist of an Electronic Control Unit (ECU), one sensor on each wheel, an
electrically driven hydraulic pump and a pressure accumulator. Accumulator is used to store hydraulic fluid
to maintain high pressure in the braking system and to provide residual pressure for power assisted
braking. Generally the accumulator is charged with nitrogen gas. ECU monitors and controls the antilock
function when required. Its function is based on inputs from the wheel speed sensors and feedback from
the hydraulic unit to determine whether the ABS is working precisely.
84
Each ABS type shares common components which provide information to the ECU. This section will
examine each of these components and then describe each of the actuator types and their operation.
The components of a typical ABS
 Speed Sensors monitor wheel speed.
 G−“e so o ito s ate of de ele atio o late al a ele atio .
 ABS Actuators control brake system pressure.
 Control Relay controls the Actuator Pump Motor and Solenoids.
 ABS ECU monitors sensor inputs and controls the Actuator.
 ABS Warning Lamp alerts the driver to system conditions.
ABS ECU
The ABS ECU senses the rotational speed of the wheels as well as the vehicle speed based on signals
from the wheel speed sensors. During braking, the deceleration rate will vary depending on pedal pressure,
the vehicle speed during braking, and the road surface conditions. For example, the deceleration rate is
much greater on dry asphalt, compared to a wet or icy surface. The ECU judges the slip condition between
the heels a d the oad su fa e o ito i g the ha ge i the heel s otatio al speed du i g aki g.
The ECU controls the ABS actuator to deliver the optimum hydraulic pressure to the brake cylinder to
precisely control the speed of the wheels, maintaining maximum brake force with a 10 to 30% slip ratio
85
Wheel speed sensor
A wheel speed sensor is mounted at each wheel and sends a wheel rotation signal to the ABS ECU. The
front and rear wheel speed sensors consist of a permanent magnet attached to a soft iron core (yoke) and a
wire wound coil. The front wheel speed sensors are mounted to the steering knuckle, and the rear speed
sensors are mounted to the rear axle carrier. Serrated rotors are mounted to the drive axle shaft or brake
rotor, and rotate as a unit
“peed se so ope atio is si ila to the ag eti pi k−up i a dist i uto . Whe the teeth of the “e so
Rotor pass the iron core, the magnetic lines of force cut through the coil windings causing a voltage to be
induced into the coil. As the tooth approaches the iron core, the magnetic field contracts causing a positive
voltage to be induced in the coil. When the tooth is centered on the iron core the magnetic field does not
move and zero volts are induced in the coil. As the tooth moves away from the iron core the magnetic field
expands, resulting in a negative voltage. As the rotation of the sensor rotor increases, the voltage and the
frequency of this signal increase, indicating to the ECU a higher wheel speed
Deceleration Sensor
The de ele atio se so is used o so e s ste s to p o ide i put to the AB“ ECU a out the ehi le s ate of
deceleration to improve braking performance. In a typical ABS system, the ECU compares individual speed
sensors to determine the speed of the vehicle and rate of wheel deceleration. The deceleration sensor is
used o all full−ti e WD ehi les e uipped ith AB“ to dete i e de ele atio , as the f o t a d ea a les
are connected through the transfer case and present unique braking characteristics. Models equipped with
o l ea − heel AB“ ha e a si gle speed se so a d o ea s of dete i i g the a tual ehi le speed o
rate of deceleration. The deceleration sensor is composed of two pairs of LEDs (light emitting diodes) and
phototransistors, a slit plate, a d a sig al o e sio i uit. The de ele atio se so se ses the ehi le s
rate of deceleration and sends signals to the ABS ECU. The ECU compares the rate of deceleration and
vehicle speed to determine the precise road surface conditions and takes appropriate control measures.
Both LED s a e lo ated o o e side of the slit plate a d oth photo t a sisto s a e lo ated o the opposite
side. The LED s a e ON he the ig itio s it h is i the ON positio . Whe the ehi le s ate of
deceleration changes, the slit plate s i gs i the ehi le s ea −to−f o t di e tio . The slits i the slit plate
86
act to expose the light from the LEDs to the phototransistors. This movement of the slit plate switches the
phototransistors ON and OFF.
Lateral acceleration sensor
The lateral acceleration sensor has similar construction to the deceleration sensor described above. Rather
tha ha i g the slit plate s i g ea −to−f o t, the se so is ou ted i su h a a that the slit plate s i gs
from side to side.
Actuator
The actuator controls hydraulic brake pressure to each disc brake caliper or wheel cylinder based on input
from the system sensors, thereby controlling wheel speed. These solenoids provide three operating modes
during ABS operation:
• Pressure Holding.
• Pressure Reduction.
• Pressure Increase.
The a tuato o sists of si o eight −positio sole oid al es, a pu p a d ese oi . Ea h h d auli i uit
is controlled by a single set of solenoids:
 Pressure holding solenoid.
 pressure reduction solenoid.
87
Aside f o the −positio sole oid al es, the asi o st u tio a d ope atio of this s ste is the sa e
as the −positio sole oid s ste . Fou speed se so s p o ide i put to the ECU hi h o t ols the
ope atio of the sole oids a d p e e t heel lo k−up. The two front wheels are controlled independently
and the two rear wheels are controlled simultaneously for three channel control. The pressure holding
valve controls (opens and closes) the circuit between the brake master cylinder and the wheel cylinder. The
valve is spring loaded to the open position (normally open). When current flows in the coil the valve closes.
A spring loaded check valve provides an additional release passage when pressure from the master cylinder
drops
The pressure reduction valve controls (opens and closes) the circuit between the wheel cylinder and the
actuator reservoir. The valve is spring loaded in the closed position (normally closed). When current flows
through the coil, the valve compresses the spring and opens the valve
.
During normal braking the solenoids are not energized so the pressure holding valve remains open and the
pressure reduction valve remains closed. When the brake pedal is depressed, the master cylinder fluid
passes through the pressure holding valve to the wheel cylinder. The pressure reduction valve prevents
fluid pressure from going to the reservoir. As a result normal braking occurs
88
1.NORMAL BRAKING CONDITION
During normal braking (shown below) the solenoids are not energized so the pressure holding valve
remains open and the pressure reduction valve remains closed. When the brake pedal is depressed, the
master cylinder fluid passes through the pressure holding valve to the wheel cylinder. The pressure
reduction valve prevents fluid pressure from going to the reservoir. As a result normal braking occurs.
2. PRESSURE HOLDING
When any wheel begins to lock, the ABS ECU initially goes to hold mode to prevent any additional
increase in pressure. The ECU turns OFF the Pressure Reduction Valve and turns the Pressure Holding Valve
ON. The pressure reduction valve closes, preventing hydraulic fluid from going to the reservoir. The
pressure holding valve remains closed so no additional fluid pressure can reach the wheel cylinder.
89
3. PRESSURE REDUCTION
After the initial hold mode operation, the ABS ECU energizes both the holding valve and the reduction valve.
The pressure holding valve closes and blocks pressure from the master cylinder. The open reduction valve
allows hydraulic pressure from the wheel cylinder circuit into the reservoir, reducing brake pressure. The
pump is also energized to direct hydraulic fluid back to the master cylinder. This causes brake pedal
feedback and alerts the driver to ABS operation.
4. PRESSURE INCREASE MODE
90
As pressure inside the wheel cylinder is reduced and the speed sensor sends a signal indicating that the
speed is above the target level, the ECU turns OFF both the Pressure Reduction Valve and the Pressure
Holding Valve. The pressure reduction valve closes, preventing hydraulic fluid from going to the reservoir.
The pressure holding valve opens so additional pressure enters the wheel cylinder if the driver maintains
pedal pressure. The operation is the same as Normal Mode except the pump is on.
Advantages of Anti-Lock Brakes
The main benefits of an anti-lock brake system (ABS) include.
 Stopping on ice. As mentioned above, an ABS prevents lock-ups and skidding, even in slippery
conditions. Anti-lock brakes have been proven to save lives in some situations by helping drivers keep
control of a vehicle.
 Lower insurance costs. Because it is a thoroughly tested safety device with a track record of
effectiveness, insurers often give customers specific discounts for having an ABS system on their vehicle.
 Higher resale value. As a feature on a car or truck, an ABS raises the market value of the vehicle.
Nowadays, where ABS technology has become standard on many vehicles, not having it could result in a
lower price for resale.
 Traction control. An ABS shares some of the infrastructure of a traction control system, where new
technology helps ensure that each wheel has traction on the road. That makes it easy for manufacturers
to install both of these features at the factory.
Disadvantages of Anti-lock Brakes
Despite the fact that anti-lock brakes are proven to be a safety feature in most situations, and
insurers consider them to significantly lower risk for a vehicle, not all drivers are sold on this option for a car
or truck. Here are some of the down sides that drivers find in this kind of brake system.
 Inconsistent stop times. Anti-lock brakes are made to provide for surer braking in slippery
conditions. However, some drivers report that they find stopping distances for regular conditions
are lengthened by their ABS, either because there may be errors in the system, or because the
clunking or noise of the ABS may contribute to the driver not braking at the same rate.
 Expense. An ABS can be expensive to maintain. Expensive sensors on each wheel can cost hundreds
of dollars to fix if they get out of calibration or develop other problems. For some, this is a big
reason to decline an ABS in a vehicle.
 Delicate systems. It's easy to cause a problem in an ABS by messing around with the brakes.
Problems include disorientation of the ABS, where a compensating brake sensor causes the vehicle
to shudder, make loud noise or generally brake worse
91
SUNROOFS
Roof systems are available in many shapes, sizes and styles, and are known by many names. The
generally accepted sunroof/moon roof industry terms are as follows:
Pop-up sunroofs are simply a manually operated tilting panel. These panels are usually removable. The
tilting action provides a vent in the roof, or a full opening when the panel is removed. Pop-ups can be
installed in most vehicles, and are relatively inexpensive.
Spoiler sunroofs (tilt-&-slides) combine the features of a pop-up with those of a sliding roof system. They tilt
to vent and slide open above the roof, requiring little headroom or roof length. Spoilers typically do not
provide as large an opening as other roof systems, but offer the convenience of a self-storing panel. Most
spoiler roofs are electric, with optional features like integrated sun shades and express open/close. Spoilers
are ideal for short-roof vehicles where other types of sliders can't be installed.
Inbuilt sunroof systems have a panel which slides between the metal roof and interior headliner, requiring
some loss of headroom but providing a full opening in the roof. All inbuilt slide inside the roof, while some
also include a rear venting feature (see pop-up), and/or express open/close functions. Inbuilt don't fit every
vehicle, as the panel must slide and store completely within the vehicle roof.
Folding sunroofs they offer the convenience of a sunroof, with an opening more like a convertible. The
panel is made of fabric (often vinyl), which folds back as it slides open.
Top-mount sliding sunroofs (rail mount topslider) have been a popular factory option in Europe for many
years. A large glass panel slides open in tracks on top of the roof, with no loss of headroom. Most feature an
integral wind deflector to eliminate wind noise.
Panoramic roof systems are a new type of large or multi-panel moonroof which offer openings above both
the front and rear seats and may be operable or fixed glass panels. Large operable openings are often
accomplished with top-slider (tracks in the top of the roof) or spoiler type mechanisms.
Removable roof panels open a vehicle roof to the side windows, providing a wider opening than other roof
systems. T-roofs have two removable panels and leave a T-shaped structural brace in the roof center.
Solar sunroofs are made of glass, with an inlaid photovoltaic solar panel that makes the glass totally opaque.
They operate the same as conventional factory-fitted glass moonroofs (tilting and retracting), but when
closed the solar panel provides electricity to power the interior ventilation fans, for cooling the car interior
on hot days when the car is standing outside in the sunlight.
92
ELECTRIC MIRRORS AND SUNROOFS
Electric movements of mirrors and sunroofs are quite similar. Basically both of these are operated
by one or several permanent magnet motors, along with a supply reversing circuit.
When the switch is operated, one of the relays operates and changes the polarity of supply of one
side of the motor. In the same way, if the switch is moved in the other direction, the polarity of the other
side of the motor is altered. When the driver presses one of the switches, one of the two side contacts is
disconnected from the ground and connected to the center power contact, while the other remains
grounded. This provides power to window motor. If the switch is pressed the other way, then power runs
through the motor in the opposite direction. Positive supply is taken from the battery to the drivers control
switch arrangement as well as passenger is control switch arrangement
Electronically Controlled General Motors’ Sunroof
The figure describes sunroof system used on some GM model vehicles. The timing module uses
inputs from the control switch and the limit switches to direct current flow to the motor. Depending on the
93
inputs, the relays will be energized to rotate the motor in the proper direction. When the switch is located in
the OPEN position, the open relay is energized, sending current to the motor. The sunroof will continue to
retract as long as the switch is held in the OPEN position. When the sunroof reaches its full open position,
the limit switch will open and break the circuit to the open relay. Placing the switch in the CLOSE position
will energize the close relay. The current sent to the motor is in the opposite direction to close the sunroof.
If the close switch is held until the sunroof reaches the full closed position, the limit switch will open.
ANTI-THEFT SYSTEM
A huge number of cars are reported missing each year and over 20%are never
recovered. Even when returned, many are damaged. Most car thieves are opportunists, so even a basic
alarm system can serve as a deterrent. Car and alarm manufacturers are constantly fighting to improve
security. Building the alarm system as an integral part of the vehicle electronics has made significant
improvements. Even so, retrofit systems can still be very effective.
The below diagram is an overview of a good alarm system now available either as a retro-fit
or factory fitted. These types are mostly made for 12V, negative earth vehicles. They have electronic sirens
and give an audible signal when arming and disarming. They are all triggered when the car door opens and
will automatically reset after a period of time, often 1 or 2 minutes. The alarms are triggered instantly when
an entry point is breached. Most systems can be considered as two pieces, with a separate control unit and
siren; most will have the control unit in the passenger compartment and the siren under the bonnet. Most
systems now come with t o i f a ed e ote ke s that use s all utto -type batteries and have an LED
that shows when the signal is being sent..
The illustration shows many of the common components that are used in an antitheft system. These
components include:
1. An electronic control module.
94
2. Door switches at all doors.
3. Trunk key cylinder switch.
4. Hood switch.
5. Starter inhibitor relay.
6. Horn relay.
7. Alarm.
In addition, many systems incorporate the exterior lights into the system. The lights are flashed if the system
is activated.
For the system to operate, it must first be armed. This is done when the ignition switch is turned off and
the doo s a e lo ked. Whe the d i e s doo is shut, a se u it light ill illuminate for approximately 30
seconds to indicate that the system is armed and ready to function. If any other door is open, the system will
not arm until it is closed. Once armed the system is ready to detect an illegal entry. The control module
monitors the switches. If the doors or trunk are opened or the key cylinders are rotated, the module will
activate the system. The control module will sound the alarm and flash the lights until the timer circuit has
counted down. At the end of the timer function, the system will automatically rearm itself. Some systems
use ultrasonic sensors that will signal the control module if someone attempts to enter the vehicle through
the door or window. The sensors can be placed to sense the parameter of the vehicle and sound the alarm if
someone enters within the protected parameter distance. The system can also use current sensitive sensors
that ill a ti ate the ala if the e is a ha ge i the ehi le s ele t i al s ste . The ha ge a o u if the
courtesy lights come on or if an attempt is made to start the engine.
Figure below illustrates an antitheft system that uses a separate control module and
an inverter relay. If the system is triggered, it will sound the horn, flash the low-beam headlights, the
taillights, and parking lamps, and disable the ignition system. The arming process is started when the
ignition switch is turned off. Voltage provided to the module at terminal K is removed. When the door is
opened, a voltage is applied to the courtesy lamp circuit through the closed switch to terminal 2 of the
inverter relay. This voltage energizes the inverter relay and provides a ground for module terminal J. This
signal is used by the control module to provide an alternating ground at terminal D, causing the indicator
lamp to blink. The flashing indicator light alerts the driver that the system is not armed. When the door lock
switch is placed in the LOCK position, battery voltage is applied to terminal G of the module. The module
95
uses this signal to apply a steady ground at terminal D, causing the indicator light to stay on continuously.
When the door is closed, the door switch is opened. The opened door switch de-energizes the inverter relay
coil. Terminal J is no longer grounded, and the indicator light goes out after a couple of seconds.
To disarm the system, one of the front doors must be opened with a key or by pressing the correct
code into the keyless entry keypad. Unlocking the door closes the lock cylinder switch and grounds terminal
H of the module. This signal disarms the system. Once the system is armed, if terminal J and C receive a
ground signal, the control module will trigger the alarm. Terminal C is grounded if the trunk tamper switch
contacts close. Terminal J is grounded when the inverter relay contacts are closed. The inverter relay is
controlled by the doorjamb switches. If one of the doors is opened, the switch closes and energizes the relay
coil. The contacts close and ground is provided to terminal J. When the alarm is activated, a pulsating
ground is provided at module terminal F. This pulsating ground energizes and de-energizes the alarm relay.
As the relay contacts open and close, a pulsating voltage is sent to the horns and exterior lights. At the same
time, the start interrupt circuit is activated. The start interrupt relay receives battery voltage from the
ignition switch when it is in the START position. When the alarm is activated, the module provides a ground
through terminal E, causing the relay coil to be energized. The energized relay opens the circuit to the
starter system, preventing starter operation
96
ELECTRONIC CRUISE CONTROL
C uise Co t ol s ste as fi st i t odu ed du i g the id s as a ea of edu i g
d i e s fatigue o lo g oto a jou e s. C uise Co t ol allo s the d i e to set the vehicle speed and
when this control is activated, the speed of the vehicle is maintained automatically without touching the
accelerator pedal.
Most cruise control systems are a combination of electrical and mechanical components. The components
used depends on the manufacturer and system design. Cruise control has built upon the basic
electromechanical system to provide more accurate speed control and safer operation
The system is composed of 3 main Assemblies
1)A driver s “ it h pa k
2)A throttle actuator unit
3)Cruise Control ECU
The system adjusts the throttle according to the measured speed of the vehicle.
Functional requirements for a good cruise control system.
 Hold the vehicle at selected value
 Hold the speed with minimum variations.
 Store the last set speed.
 Allow the vehicle to change speed.
 Deactivate the control immediately after the brakes are applied.
 Contain built in safety features.
97
System Components
1) Actuator: Various methods are adopted to control the throttle position. The actuator unit is connected to
the throttle valve and controls the throttle butterfly position under the command of the cruise control ECU.
Commonly used actuating mechanisms are permanent magnet DC motor assembly, vacuum diaphragm
powered by a motor driven pneumatic pump and controlled by solenoid valves or in many cases a vacuum
operated diaphragm controlled by 3 simple valves as shown below.
To increase the speed, valve(X) is opened so that low pressure from the inlet manifold comes in contact with
one side of the diaphragm. The atmospheric pressure on the other side forces the diaphragm and hence
move the throttle. For movement in reverse direction, valve (X) is closed and valve (Y) is opened. So that
atmospheric pressure enters the chamber. The spring moves the diaphragm back when both valves are
closed the throttle position is held. Valve (Z) ensures extra safety.
1).Main switch & working lamp: The main switch of the CCS is a simple on/off switch fitted on the
dash oa d ithi the d i e s app oa ha ilit . The a i g la p a e pa t of the s it h o pa t of the
ai i st u e t displa , ut eithe a e, it should e ithi d i e s isi ilit .
2).Set & Resume Switches: They are located either on the steering wheel or on a stalk from the steering
column. The set button is used to program the speed into memory as well as to increase the vehicle
memory speed. The resume button permits the vehicle to attain its last set speed.
98
3) Clutch or Automatic Gearbox Switch: The clutch switch is installed in order to prevent increase of engine
speed. It deactivates the cruise system to prevent increase of engine speed.
4)Speed Sensor: Speed sensor is often the same sensor used for the speedometer. The most common
sensor produced a a pulsed signal frequency, which is proportional to the vehicle speed.
5)Brake switch: this switch is very important, as it would be dangerous braking if the cruise control system
was trying to maintain the vehicle speed. This switch is normally of superior quality and is fitted in place or
as a supplement to the brake light switch activated by the brake pedal. Adjustment of this switch is
important
System Operation
With the vehicle running above a minimum cruising speed the cruise control ON switch is
pressed, and the system becomes operational. When the vehicle attains the desired cruising speed the SET
utto is p essed. The ECU s speed o t ol i o p o essor operates the vacuum pump, which in turn
moves the throttle valve actuator diaphragm until the set speed is maintained without the use of
accelerator pedal, so that the driver can remove his foot from the pedal. The micro processor continuously
monitors the vehicle speed signal and constantly changes the throttle position taking account of variation
in road gradients, wind resistance etc.
Electronic Control Unit (ECU)
The cruise control ECU micro processor takes input from the switch park and various
sensors to find out the vehicle operating parameters. It then sends out signals to the throttle actuator to
regulate the throttle valve position so as to maintain the memorized cruising speed.
Command
Speed
Comparison
Vehicle
Speed
Adder
Lookup
proportional
Gain
Output
Control
Integrator for
integral gain
Sampling
Switch
From Speed Sensor
99
Autonomous Intelligent Cruise Control (AICC) or Adaptive Cruise Control
Conventional cruise control has now been improved substantially, which works well in
steady traffic conditions and maintain constant speed. But it is not very practical on many occasions as the
speed of the general traffic is constantly varying. In such cases the driver has to take over from the cruise
control system to speed up or slow down the vehicle. AICC is a concept that eliminates this drawback by
allowing the vehicle speed to continuously change to the traffic flow and hence maintain a safe following
distance. It has three main functions.
(a) To maintain a speed set by driver.
(b) To adapt this speed and maintain a safe distance from the vehicle infront.
(c) To provide a warning if there is a risk of collision.
The main extra components of AICC are a headway sensor and the steering angle sensor. Two types of the
headway sensor considered area radar and lidar. Both are incorporate transmitter and receiver unit.In the
radar system micro wave signals at about 35GHz, is transmitted from the front of the car and then reflected
back to the transmitter by obstruction in its path. Velocity and a range information is obtained from this. In
lidar system, a laser diode produced infrared light signals, the reflections of which are defected by a photo
diode.
Automatic Door Locks (ADL)
Automatic door locks (ADL) is a passive system used to lock all doors when the required
conditions are met. The ADL system is an additional safety and convenience system that uses the existing
power door function. Most systems lock the doors when the gear selector is placed in drive, the ignition
switch is in RUN, and all doors are shut. Some systems will lock the doors when the gear shift selector is
passed through the reverse position; others do not lock the doors unless the vehicle is moving 15 mph or
faster.
The system may use the body computer to control the door lock relays or a separate controller. The
controller (or body computer) takes the place of the door lock switches for automatic operation
100
Figure shows a door locking circuit. The main control unit contains two change-over relays
which are actuated by either the door lock switch or, if fitted, the remote infrared key. The motors for each
door lock are simply wired in parallel and all operate at the same time. Most door actuators are now small
motors which, via suitable gear reduction, operate a linear rod in either direction to lock or unlock the
doors. A simple motor reverse circuit is used to achieve the required action. Right side figure shows a typical
door lock actuator.
Infrared central door locking is controlled by a small hand-held transmitter and an infrared sensor receiver
unit as well as a decoder in the main control unit. This layout will vary slightly between different
manufacturers. When the infrared key is operated by pressing a small switch, a complex code is transmitted.
The number of codes used is well in excess of 50 000. The infrared sensor picks up this code and sends it in
an electrical form to the main control unit. If the received code is correct, the relays are triggered and the
door locks are either locked or unlocked. If an incorrect code is received on three consecutive occasions
101
when attempting to unlock the doors, then the infrared system will switch itself off until the door is opened
by the key. This will also reset the system and allow the correct code to operate the locks again. This
technique prevents a scanning type transmitter unit from being used to open the doors.
Electronically controlled transmission
An automatic transmission selects the most appropriate gear ratio for the engine speed, power train
load, and vehicle speed conditions without any intervention by the driver. All gear shifting is carried out by
the transmission system itself and the driver only selects the desired operating mode with the selector
given. The use of a micro computer control system provides precise control of the hydraulic system thereby
enhance the performance of the automatic transmission.
Electronically controlled transmissions were introduced on BMW products in 1986 on 5 and 7 series
vehicles. Currently EH (Electro-hydraulic) transmissions are offered on almost every production model
(Except E46 M3 and E39 M5). EH transmissions offer the following benefits to the driver
• I eased d i i g safet edu i g fatigue.
• I eased fuel e o o th ough use of lo k up to ue o e te .
• I eased fuel e o o th ough opti ized shift poi ts.
• I p o ed shift o fo t use of O e lap “hift technology (ZF).
• Mo e a aila le featu es th ough the use of CAN us te h olog
TRANSMISSION CONTROL SYSTEM
The operation of a typical electronically controlled transmission system is given below. The system
offers four forward gears controlled by a transmission ECU which communicates with engine ECU to provide
total power train management. The transmission ECU takes decisions based on electrical signals received
from various sensors located on the engine and gear box. ECU micro computers stores data relating to the
ideal gear for every speed and load condition along with correction factors for engine and transmission
temperatures, brake pedal depression, etc. using this corrected data the transmission ECU energizes
solenoid wires to engage the most suitable gear ratio. The transmission ECU also provides a self-diagnosis
function on some of the sensors and operates a fail-safe mode if a fault is found.
The electronically controlled automatic transmission system offer the following features.
1) It co-operates a duty cycle solenoid valve to vary line pressure so that clutch and brake band
engagement force is optimized during each gear shift.
2) It controls the engine and transmission totally by reducing the engine torque during gear shifts,
thereby producing smooth gear change.
3) It contains a duty cycle lock-up solenoid which causes controlled slip lock-up at low speeds and
provides less shock when engaging full lock-up at cruising speed.
4) It includes optional control programs like POWER program and HOLD program. The POWER program
delays each up shift by a few 100rpm to permit a sporty driving style. HOLD causes the transmission
ECU to hold a selected gear which is useful when driving in hilly conditions or difficult road surfaces.
102
Transmission ECU input system
 The pulse generator is a magnetic pickup, located in the upper part of the transaxle casing and
detects the torque converter output speed.
 Speedometer sensor is a magnetic pickup sensor which detects the gear box output shaft speed.
 The throttle sensor: it detects the throttle angle and hence engine load.
 Inhibitor switch: records the position of the selected lever to the transmission AC.
 Stop light switch: detects when the brakes have been used. If the brakes are applied while the
torque converter is in lock-up the transmission ECU releases the lockup to provide a smooth
deceleration.
 O/D signal is used together with the cruise control. It provides transmission from shifting into over
drive when the cruise control is in operation.
 ATF thermosensor is a thermistor which registers the temperature of transmission fluid. The ECU
utilizes this information to modify line pressure at extremes of temperature.
 Engine rpm signal is taken from the ignition coil primary winding
 Atmospheric pressure sensor senses signal to the transmission ECU when the measured
atmospheric pressure indicates that the vehicle is at a height of 1500m or more. The engine
103
develops less power at high altitudes and therefore the ECU modifies the gear shift points
accordingly.
Transmission ECU output system
To change a gear the transmission ECU sense a signal to seven solenoid valves located in the valve
body of the transmission. The solenoid valves are either of the on/off types or duty type where a variable
pressure is required. The three shift solenoids (1-2, 2-3, 3-4 shift) are either ON/OFF or direct line pressure
to the shift valves. The transmission ECU selects a programmed shift pattern based on selected position and
then receives signals for vehicle speed and throttle opening angle. Based on the results on the calculation
performed on these signal values, the ECU sets the gear ratio and energizes the appropriate solenoid valve.
 The 3-2 timing solenoid directs pressure to the3-2 timing valve and controls the precise timing of
clutch and brake band engagement.
 The lock-up control solenoid directs line pressure to torque converter lock-up system when the
transmission ECU energizes at appropriate time. This solenoid is either ON/OFF type.
 The lockup pressure solenoid controls engagement step in the lock-up clutch. This solenoid is
operated on a duty cycle basis and modifies the engagement force on clutch piston. The
engagement force applied to the brake band and multiple clutches is controlled by the pressure
solenoid.
104
ENGINE MANAGEMENT SYSTEM
The main objective of the Engine Management system is to ensure that the engine is operated at its
optimum settings. The engine management system of a car is responsible for managing the ignition and
fueling requirements of the engine.The power and speed of the engine are controlled by varying the ignition
timing and the Air-fuel mixture. In modern cars this is done by microprocessor.
To control the ignition delay, the crank shaft drives a distributer which makes electrical contact for
each spark plug in turn. The timing wheel generates pulses to indicate the crankshaft position. The
microprocessor then adjusts the timing at which high voltage pulses are sent to the distributor so that they
occur at the right moment of time. To control the amount of air-fuel mixture entering into a cylinder during
the suction stroke, the microprocessor varies the time for which a solenoid is activated to the inlet valve on
the basis of inputs received by the engine temperature and the throttle position. The amount of fuel to be
injected into the air stream is determined from the input given by the mass flow rate sensor. The
microprocessor then gives an output to control the fuel.
The system hence consists of number of sensor for observing vehicle speed, Engine temperature, oil
fuel pressure, air flow etc. These sensors supplies input signals to the microprocessor after suitable signal
conditioning and provides output signals via drivers to actuate corresponding actuators.
Engine control unit consisting of microprocessor and different sensors
105
Position of different sensors
SENSORS
Pressure sensors
Different types of pressure sensors commonly available are
a) Variable resistor potentiometer
b) Variable inductance type
c) Variable differential transformer
d) Strain gauge and piezo resistive
e) Capacitor capsule
Variable resistor potentiometer type: When a wiper contact blade is rubbed over a resistance material, it
acts as a divider of the voltage that is applied to the potentiometer resistor. In the circuit a drop in air
pressure causes the wiper blade to move towards the earthed end of the resistor thus reduces the output
voltage signal. In order to obtain reasonable sensitivity, a comparatively large movement of the wiper blade
must be provided.
Position and level sensors
This group of proximity sensors is designed to signal either a given position of mechanical component or the
level of a liquid in a reservoir. The many applications of these position sensors are
a) Crankshaft angular position for timing of the ignition and injection systems
b) Crankshaft movement for computation of the engine speed for engine management and
tachometer operation
c) Throttle position for fuel injection and automatic transmission systems
d) Gearbox output shaft movement for speedometer, odometer and trip computer operation
e) Axle to body position for indication of axle loading
106
f) Maximum wear of brake friction material
g) Door position for door hazard indication
h) Road wheel movement for anti skid braking (ABS) systems
The different types of position sensors used in automobiles are
1. Magnetic-variable reluctance
2. Magnetic-d.c-excited inductive
3. Magnetic-Hall effect
4. Optical and fiber optics type
Optical sensors can be used signal a shaft position when
used in conjunction with fiber optics. The numerous
advantages suggest that this system will be used
extensively in modern vehicles. A LED light source is
positioned opposite a phototransistor and a chopper
plate in the form of a disc is attached to the moving shaft.
A slot or hole in the disc allows the light to pass to the
phototransistor at the instant when the slot is aligned
with the LED. At this point it signals the position of the
shaft. Although it suggests a visual light radiation, the
system often uses light frequencies outside the vision of
the human eye. The LED fitted generally has a frequency
which falls within the range infra red to ultra violet.
Voltage supplied to the LED is set to give a phototransistor output which is sufficient after amplification to
suit the ECU. A square wave pulse is given by this type of sensor, this makes is compatible with the
requirement of a digital system. One drawback of this system is there is need to maintain the lens of the
emitter and receiver in a clean condition. Dirt on the surfaces reduces the sensor output. So periodic
attention to this task is necessary. Being the sensor is passive; it has the capability of detecting zero motion.
Air flow sensors
107
Generally hot wire air flow sensors are used in automobiles. A hot wire air mass meter relies on the
cooling effect of the air as it passes over the heated wire. If this wire is heated by passing a constant current
through it then the temperature of the wire will fall as the air flow is increased. Similarly if a hot wire is kept
at a constant temperature will be governed by the air flow, the large air flow requires the greater current.
Both the constant current and constant temperature methods use electronic mean to measure the
temperature. Generally this is achieved by utilizing the change in resistance which occurs where the
temperature is changed. Hot wire systems take into account changes in air density. This is particularly
important in cases where the vehicle is operated at different attitudes. Atmospheric pressure decreases
with attitude. So in an area situated well above sea level the air mass supplied for a given throttle opening is
reduced considerably unless this feature is taken into account. The richer mixture received by the engine
would cause high exhaust pollution. A thin platinum hot wire of diameter 0.070 mm is exposed to air which
passes through a tube situated where the galvanometer is placed in a bridge circuit, controls the current
supplied to the four arms of the bridge. When a signal shows that the bridge is unbalanced the amplifier
adjusts the heating current to restore the bridge to a balanced state. The armature of the cold wire
compensating resistor acts as a standard.
Throttle position sensor
Generally this type of sensor is a potentiometer, which is
meant for altering electrical potential. One of the simplest
arrangements is a variable resistor. In this case the throttle is
connected to a contact blade which wipes across the resistor
coil. As the throttle is opened the number of resistor coils in
the circuit is reduced. This alters the voltage and potential of
the output in relation to earth. An improved accuracy and a
longer life are obtained by using alternative resistor materials to wire. A typical sensor contains two pairs of
contact blades one pair acts as a micro switch to signal the throttle closed position. A constant voltage of 5v
is applied to the sensors. As the contact blades slide along the resistor in accordance with the opening of the
throttle valve, the output voltage increases proportionally. This linear signal is transmitted to the ECU.
Temperature sensor
A number of sensors are used on a vehicle to measure temperature. These include:
a) Engine temperature for ignition, fuel metering and instrumentation
b) Air intake temperature for fuel metering and vaporization control
c) Ambient conditions for driving safety
d) Exhaust temperature for fuel metering
The majority of the temperature uses a thermistor along with the thermocouples where it is needed.
108
Thermistor sensor:
This type normally consists of a brass bulb,
which is in contact with the substance it is
sensing. The bulb contains a capsule called
a thermistor. Resistance of common metals
increases with temperature and
thermistors which have a sensing capsule
that responds in this way are said to have a
positive temperature coefficient (p.t.c). A
capsule made of a semiconductor material
has a resistance which decreases with
temperature. These materials of which
silicon is most common have a negative
temperature coefficient (n.t.c). Such
thermistors are used in engine block to measure the temperature of coolant.
Thermocouple:
The thermistor is excellent for measuring
temperature upto about 2000
C. But above this
temperature a thermocouple is normally used. It
consists of two wires of dissimilar materials
joined together and connected to a
galvanometer. When the hot junction is heated,
an e.m.f is generated which is registered by the
galvanometer. Depending on the materials upto
a given temperature the current increases with
an increase in the temperature difference between the hot and cold ends of the wires. Indication of the
temperature is achieved by scaling of the galvanometer accordingly. A thermocouple can be made by using
two metals from antimony, iron, zinc, lead, copper and platinum. Current will flow from the higher to the
lower in this list across the cold junction. Nowadays other metals and alloys are used for a thermocouple like
nickel-chromonium/ nickel aluminium alloys. This type is suitable for temperature range of about 0-11000
C,
which is most common in exhaust system of the engine.
109
Knock detecting sensors
The main purpose of a knock sensor is to detect the
combustion knock in an engine combustion chamber.
A knock sensor has to detect vibrations from
combustion knock in the frequency range 1-10 kHz.
When severe knock occurs in the combustion
chamber, the transference of pressure waves through
the cylinder block causes the metal particles to be
accelerated to and fro. The accelerometer type knock
sensor detects this oscillatory motion by using a
piezo-ceramic semiconductor. Pressure on the
semiconductor generates a small electrical charge and
this is used to provide the signal current. The body of
the knock sensor is screwed into the side of the
cylinder block and piezo electric crystal is clamped by
a seismic mass which tunes the sensor to the required
frequency range. When an oscillation is applied to the
body of the sensor, the sound waves vary the
compression of the crystal. This causes a small emf of
the order 20 mV/g to be generator. The small
analogue signal current produced by the sensor when the engine is knocking is transmitted to the ECU. After
filtering to remove the unwanted waves, the signal is then averaged and converted to a digital form to
represent the knock/no-knock conditions. Whenever a digital pulse is sensed by a logic circuit, the system
responds by reducing the spark timing advance or changing the A.F strength.
Oxygen sensor/EGO sensor/Lambda sensor
The detection of oxygen in the exhaust gas from an engine provides useful means for controlling the air fuel
mixture. Excess oxygen in the exhaust indicates that the air fuel mixture is weak, whereas the deficiency of
110
oxygen shows that the mixture is rich and exhaust gas is polluting the atmosphere. The gas detector used to
provide this signal is called lambda sensor.
This type of exhaust gas oxygen sensor normally uses zirconium oxide (ZrO2) for its active material. It
consists of a thimble shaped portion of ZrO2 covered with two thin and porous platinum electrodes. The
internal electrode is in contact with air in the center of the dome and the outer electrode is placed so that it
is in contact with exhaust gas. Extra protection again gas erosion is given by covering the outer electrode
with a porous alumina ceramic coating through which gas can penetrate. The operation of the sensor is
similar to a galvanic battery cell, in the case of the sensor the ZrO2 acts as the electrolyte. At high
temperatures, this electrolyte becomes conductive so if the two plates are in contact with different amount
of oxygen, then a small voltage will be generated across the two plates. This action is produced because
oxygen atoms carry two electrons. So this means that the atom carries a negative charge. The ZrO2 attracts
oxygen ions with the result that negative charges build upon the surface of ZrO2 adjacent to the platinum
electrode. When the sensor is exposed to exhaust gas a greater concentration of oxygen on the air side of
the ZrO2 cause this side to have a greater number of negative charges. In consequence a potential difference
is built up across the plate which will depend on the difference in oxygen level.
(Air factor for proper air fuel ratio is 1, Air factor is referred as lambda. The value of lambda is given by
λ=A tual olu e of ai d a /theo eti al olu e of ai
The alue of λ> , it is efe ed as lea i tu e
The alue of λ< , it is efe ed as i h i tu e
Traction control
Sensors used to provide information to suspension ECU and general layout of an active suspension system
The steerability of a vehicle is not only lost when the wheels lock up on braking; the same
effect arises if the wheels spin when driving off under severe acceleration. Electronic traction control has
111
been developed as a supplement to ABS. This control system prevents the wheels from spinning when
moving off or when accelerating sharply while on the move. In this way, an individual wheel, which is
spinning is braked in a controlled manner. If both or all of the wheels are spinning, the drive torque is
reduced by means of an engine control function. Traction control has become known as ASR or TCR.
Traction control is not normally available as an independent system, but in combination with ABS. This is
because many of the components required are the same as for the ABS. Traction control only requires a
change in logic control in the ECU and a few extra control elements such as control of the throttle. Figure
shows a block diagram of a traction control system. Note the links with ABS and the engine control system.
Traction control will intervene to achieve the following:
 Maintain stability.
 Reduction of yawing moment reactions.
 Provide optimum propulsion at all speeds.
 Reduce driver workload.
The following list of advantages can be claimed for a good traction control system.
 Improved tractive force.
 Better safety and stability on poor surfaces.
 Less driver stress.
 Longer tyre life.
 No wheel skidding on turning and cornering.
ADAPTIVE NOISE CONTROL
Three signals layout of an adaptive noise control system
112
The principle of adaptive noise control is to cancel out the original source of noise by using sound,
which is identical and 180 degrees out of the phase, or in anti-phase. The figure shows three signals, the
original noise, the anti-phase cancelling waveform and the residual noise. It demonstrates the method used
where the original noise is picked up by a microphone, inverted and amplified, and then replayed by a
suitably located speaker. This effectively cancels the noise.
While the theory is relatively simple, until recently it has not been suitable particularly for motor
vehicle use. This is because the wide range of noise frequencies produced near fast response time to deliver
acceptable result. Low frequency noise (<200Hz), causes boom in a vehicle, and hence it become very
difficult to reduce by conventional methods.
For Contact: Email ID: vivekvkamal999@gmail.com
113

MODERN AUTOMOTIVE TECHNOLOGY

  • 1.
    PREFACE Modern Automotive Technologyis an important paper for B TECH Mechanical stream -Automobile Engineering 7th semester. This book is prepared in accordance with Kerala University Syllabus which can be useful for the preparation of exam. The subject is presented in simple language for easy understanding. Students are advised to refer prescribed text books to know the subject deeply. This book has been prepared within a short period. Suggestion from students for making the book more useful will be received with pleasure Prepared by Vivek V Kamal Vishnu B C Hari Krishnan 1
  • 2.
    MODULE-I Electric and HybridVehicle technology: Introduction, LEV, TLEV, ULV & ZEV, Basic components of Electric vehicles, Batteries suitable for electric vehicles, motor and controllers, constructional features, Basic factors to be considered for converting automobiles to electric vehicle, electric hybrid vehicle, types - series and parallel hybrid, layouts, comparison, Power systems and control systems, Different modes of operation for best usage. Regenerative braking, Recent Trends in Automotive Power Plants: Stratified charged / lean burn engines – Hydrogen Engines- Electric propulsion with cables – Magnetic track vehicles. MODULE -II Fuel Cells and Alternative energy systems: Introduction to fuel cells, Operational fuel cell voltages, Proton Exchange membrane fuel cells, Alkaline Electrolyte fuel cells, Medium and high temperature fuel cells, fuel and fuel chose, fuel processing, fuel cell stacks, Delivering fuel cell power, Integrated Air supply and humidification concepts for fuel cell systems, A comparison of High pressure and low pressure operation PEM Fuel cell systems, Fuel cell Auxiliary systems, Modern Developments in Automobiles: Air compression systems, Air powered vehicles, Vehicle Automated Tracks: Preparation and maintenance of proper road network-National highway network with automated roads and vehicles-Satellite control of vehicle operation for safe and fast travel. Module III Modem electronic and micro control systems in automobiles: Electronically controlled concealed headlight systems, LED and Audible warning systems Electro chromic mirrors, automatic review mirrors, OBD II, Day time running lamps (DRL), Head up display, Travel information systems, On board navigation system, Electronic climate control, Electronic cruise control, Antilock braking system, Electronically controlled sunroof, Anti-theft systems, Automatic door locks (ADL), engine management system, Electronic transmission control, chassis control system, Integrated system, Vehicle Operation and Control: Computer Control for pollution and noise control and for fuel economy-Transducers and operation of the vehicle like optimum speed and direction. 2
  • 3.
    ELECTRIC AND HYBRIDVEHICLE TECHNOLOGY Most of the cars you see today are powered by IC engines, which use Fossil fuels to power up. As we all know, Fossil fuels are the apt example for Non-Renewable source of energy, thus a time with no fuel for our Vehicles is not too far. Also IC Engine powered Vehicles contribute a great amount of Pollutants to our environment. Due to these main problems, we Automobile Engineers need to think of new ways of powering our Wheels and the best answer to this puzzle is Electric and Hybrid Vehicles. As the name suggests, Electric vehicles are powered by Electricity and uses Electric Motors for Traction purposes. Electricity may be stored on rechargeable batteries or on any other energy storage devices in case of electric cars, and electric power may be collected from Generator Plants through overhead lines as in the case of other form of EV (Electric Vehicle) like electric trains. HYBRID Vehicles uses more than one Power Source to power our wheel. For example an ELECTRIC HYBRID, like Toyota Prius uses an Electric motor as well as an IC Engine as power plants. ZEV Concepts An agency named CARB (California Air Resource Board) brings in some Measures to minimize air pollution, and an interesting idea was to encourage the development and use of Zero Emission Vehicles (ZEVs). The ZEV program was thus born and evolved since its birth in 1990s. The partial or low emission categories of vehicles created as a part of ZEV program are listed below. TLEV (Transitional Low Emission Vehicles):- Introduction of TLEV categories was introduced in the year 1994 and the primary aim was to reduce emissions. Some of the vehicles manufactured in 1990s were capable of meeting the TLEV standards without much Engineering modifications, if they were operated ith Clea Fuels. TLEV sta dard as phased out the ear 2004. LEV (Low Emission Vehicles):- They are Categories of vehicles with cleaner emissions than TLEVs and all light vehicles sold on and after the year 2004 in California were required to full fill LEV standards. The development of LEVs is a result of advancement in engineering and technology, like the introduction of techniques like Preheating of catalytic converters, Variable Valve Timing, Lean Burn Engines etc. ULEV (Ultra Low emission Vehicles):- They are 50% more cleaner than average new vehicle sold in the year 2003. Hybrid vehicles can fulfill ULEV standards like Honda Jazz Hybrid. They can be defined as the cars which produce 75g or less CO2 per kilometer from the tail pipe. ZEV (Zero Emission Vehicles):- They are 98% cleaner than Average new vehicle manufactured in the year 2003. They have almost zero tail pipe emission of any Pollutants. Electric and Hydrogen fuel vehicles are the best examples of ZEVs. Currently only few cars meet the ZEV regulations like Electric- Tesla Roadster, Fuel cell car like Mercedes-Benz F-Cell, etc. ELECTRIC VEHICLES An Electric Vehicle (EV), also referred to as an electric drive vehicle, is a vehicle which uses one or more electric motors for propulsion. Depending on the type of vehicle, motion may be provided by 3
  • 4.
    wheels or propellersdriven by rotary motor. All-electric vehicles (EVs) run on electricity only. They are propelled by one or more electric motors powered by rechargeable battery packs. EVs have several advantages over vehicles with internal combustion engines (ICEs):  Energy efficient. Electric vehicles convert about 59%–62% of the electrical energy from the grid to power at the wheels—conventional gasoline vehicles only convert about 17%–21% of the energy stored in gasoline to power at the wheels.*  Environmentally friendly. EVs emit no tailpipe pollutants, although the power plant producing the electricity may emit them. Electricity from nuclear-, hydro-, solar-, or wind-powered plants causes no air pollutants.  Performance benefits. Electric motors provide quiet, smooth operation and stronger acceleration and require less maintenance than ICEs.  Reduce energy dependence. Electricity is a domestic energy source. EVs do, however, face significant battery-related challenges:  Driving range. Most EVs can only go about 100–200 miles before recharging, gasoline vehicles can go over 300 miles before refueling.  Recharge time. Fully recharging the battery pack can take 4 to 8 hours. Even a "quick charge" to 80% capacity can take 30 min.  Battery cost: The large battery packs are expensive and may need to be replaced one or more times.  Bulk & weight: Battery packs are heavy and take up considerable vehicle space. However, researchers are working on improved battery technologies to increase driving range and decrease recharging time, weight, and cost. These factors will ultimately determine the future of EVs. ELECTRIC VEHICLE COMPONENTS 1. Motor 2. Controller 3. Charger 4. Dc/Dc Converter 5. Battery Management System 6. Instrumentation 7. Contactor(s) 8. Safety Equipment 4
  • 5.
    Motors Electric motors arethe main source of power, for an Electric vehicle, which convert Electrical Energy into Mechanical Energy. There are mainly 2 types of Electric Motors used in EVs; DC Motors and AC Motors. The main components of DC motors are; 1. A set of field coils around the perimeter of the motor that creates magnetic force which provides torque. 2. A Rotor or Armature mounted on the bearing. 3. A commutating device, which reverses the magnetic field and makes armature turn. AC Motors are similar to DC otors ut the do t eed a Co utati g de i es, si e there is a continuous current reversal. Both AC and DC Motors have their own advantages and disadvantages so they are not superior to one another Electric Motor Comparison AC Motor 1) Fail-safe design, Low initial torque, higher at speed 2) Requires complicated electronics package • AC speed control (similar to industrial) • Inverter (convert DC to AC) • High voltage (240-350 V) • Bearings is the only mechanical maintenance item DC series wound 1) Motors are available and inexpensive 2) 100% torque at 0 RPM 3) Controllers are very cheap compared to AC 4) No inverter stage required 5) Lower voltage system (72-156 VDC) 6) Bearings and brushes are potential maintenance items. A: shunt B: series C: compound f = field coil AC Motors DC Motors Single-Speed Transmission Multi-Speed Transmission For HP Po er, Light eight. For HP Po er, ore hea Less expensive More expensive 95% efficiency at full load 95%-85% efficiency at full load. Controllers are expensive Simple Controllers Motor/Controllers/Inverters more expensive Motors/Controllers less expensive 5
  • 6.
    Controller A motor controlleris a device or group of devices that serves to govern in some predetermined manner the performance of an electric motor. A motor controller might include a manual or automatic means for  Starting and stopping the motor  Selecting forward or reverse rotation  Selecting and regulating the speed,  Regulating or limiting the torque  Protecting against overloads and faults Battery management system There are three main objectives common to all Battery Management Systems • Protect the cells or the battery from damage • Prolong the life of the battery • Maintain the battery in a state in which it can fulfil the functional requirements of the application for which it was specified. Most electric vehicles use lithium ion batteries. Lithium ion batteries have higher energy density, longer life span and higher power density than most other practical batteries. Complicating factors include safety, durability, thermal breakdown and cost. Li-ion batteries should be used within safe temperature and voltage ranges in order to operate safely and efficiently. Increasing the battery's lifespan decreases effective costs. One technique is to operate a subset of the battery cells at a time and switching these subsets. Dc /Dc convertor An electric car still uses a 12 volt system to power all of the original 12 volt accessories: Lights, horn, etc. This may also power some control circuits for the electric drive system. However, unlike a gas car, there is no alternator to keep this battery charged. One option in the early days of EVs was to use a deep cycle 12 volt battery, as heavy duty as possible, and recharge it when you charge the main battery pack. This is not adequate if any amount of night driving is intended The solution is a DC/DC convertor. This taps the full battery pack voltage and cuts it down to a regulated output, similar to that from an alternator. By tapping the full pack, there is no uneven discharge. Amperage required is so low that there is little effect on range. Isolation of the high and low voltage systems is maintained inside the DC/DC converter. This also eliminates the need for a separate 12 volt charging circuit for an auxiliary battery. 6
  • 7.
    Contactor A contactor isbasically an electronically controlled switch, designed to carry a large amount of power. They consist of a coil (electromagnet) which is energised from a low voltage (typically 12V for EV use). When energised, the coil pulls contacts close allowing current to flow through the device. In EVs, they are used to isolate the battery pack when the key is turned off - the equivalent of ignition in an ICE vehicle. For typical EVs, contactors rated to around 200 amps continuous are recommended. Contactors up to 600 amps continuous are available for high-performance EV applications. Pot box Petrol vehicles use a cable between the accelerator pedal and the engine's throttle. In EVs, the throttle end is replaced with a connection to a pot box, which is basically an electronic throttle connected to your motor speed controller. Most pot boxes are simply an industrial variable resistor (5Kohm is the standard) in a robust packaging. Some newer motor speed controllers are using digital pot boxes with optical encoders, which tend to be more reliable 7
  • 8.
    Instrumentation The main twogauges you will need to add for an EV are a voltmeter to monitor your battery pack voltage, and an ammeter which measures either the current coming out of the battery pack or the current flowing through the motor. Instead of a fuel gauge, some EVs also have a "state of charge" meter. These usually include some clever electronics to calculate the amount of power which has come out of the battery, and from this work out how much of your battery capacity you have left. Some will even act like a trip computer, telling you how much range you have remaining. Vehicles with a good battery management system may also have a display showing the voltage levels of all batteries in the pack. This is a great way to monitor the health of individual cells, and to make sure none get over-discharged Electric Cars (working) When the pedal is pushed; 1) The controller gathers energy from the battery 2) Controller delivers the appropriate amount of electrical energy to the motor 3) Electric energy transforms to mechanical energy 4) Wheels turn, vehicle moves 8
  • 9.
    Basic factors tobe considered for converting Automobiles to Electric Vehicle  Almost any vehicle can be converted to electric. Many people prefer to pick a vehicle that is light and aerodynamic in order to maximize distance traveled per battery charge. There must also be adequate room and load capacity for batteries.  The following components should be selected. The battery pack, which provides a source of electrical power. The most commonly available and affordable batteries are lead-acid flooded type. Next are the AGM (Absorption Glass Mat) sealed maintenance free batteries, a little more powerful and expensive. Then there are the more exotic batteries like Ni-MH and Li-ion; more difficult to find but light and longer lasting, maintenance free, and much more expensive. The new lithium batteries are showing some promise for EVs in the near future.  The charger which restores energy to the batteries (which may be mounted within the vehicle or at a special charging station at some fixed location)  The power controller, which regulates the flow of energy between the battery and the electric motor(s), controlled by an electronic throttle.  One or more electric motors and their mechanical attachment to the driveline  Power conductors connecting the battery, controller, and motor(s)  Accessory equipment to power auxiliary equipment such as power brakes and heating system  Control circuitry and equipment to allow control and interlocking of the various components  Instrumentation specific to the operation and maintenance of the conversion HYBRID ELECTRIC VEHICLE A hybrid electric vehicle (HEV) is a type of electric vehicle that combines a conventional internal combustion engine (ICE) propulsion system with an electric propulsion system (hybrid vehicle drive train). The presence of the electric power train is intended to achieve either better fuel economy than a conventional vehicle or better performance. There are a variety of HEV types, and the degree to which they function as EVs varies as well. The most common form of HEV is the hybrid electric car, although hybrid electric trucks (pickups and tractors) and buses also exist. Modern HEVs make use of efficiency-improving technologies such as regenerative brakes, which converts the vehicle's kinetic energy into electric energy to charge the battery, rather than wasting it as heat energy as conventional brakes do. Some varieties of HEVs use their internal combustion engine to generate electricity by spinning an electrical generator (this combination is known as a motor–generator), to either recharge their batteries or to directly power the electric drive motors. Many HEVs reduce idle emissions by shutting down the ICE at idle and restarting it when needed; this is known as a start-stop system. A hybrid-electric produces less emissions from its ICE than a comparably sized gasoline car, since an HEV's gasoline engine is usually smaller than a comparably sized pure gasoline-burning vehicle (natural gas and propane fuels produce lower emissions) and if not used to directly drive the car, can be geared to run at maximum efficiency, further improving fuel economy Classification 1. Types by drive train structure 1.1. Series hybrid 9
  • 10.
    In a serieshybrid system, the combustion engine drives an electric generator (usually a three- phase alternator plus rectifier) instead of directly driving the wheels. The electric motor is the only means of providing power to the wheels. The generator both charges a battery and powers an electric motor that moves the vehicle. When large amount of power is required, the motor draws electricity from both the batteries and the generator. Series hybrid configurations already exist a long time: diesel-electric locomotives, hydraulic earth moving machines, diesel-electric power groups, loaders. Structure of a series hybrid electric vehicle 10
  • 11.
    Series hybrids canbe assisted by ultra caps (or a flywheel: KERS=Kinetic Energy Recuperation System), which can improve the efficiency by minimizing the losses in the battery. They deliver peak energy during acceleration and take regenerative energy during braking. Therefore, the ultra caps are kept charged at low speed and almost empty at top speed. Deep cycling of the battery is reduced; the stress factor of the battery is lowered. A complex transmission between motor and wheel is not needed, as electric motors are efficient over a wide speed range. If the motors are attached to the vehicle body, flexible couplings are required. Some vehicle designs have separate electric motors for each wheel. Motor integration into the wheels has the disadvantage that the unsprung mass increases, decreasing ride performance. Advantages of individual wheel motors include simplified traction control (no conventional mechanical transmission elements such as gearbox, transmission shafts, and differential), all wheel drive, and allowing lower floors, which is useful for buses. Some 8x8 all-wheel drive military vehicles use individual wheel motors. A fuel cell hybrid electric always has a series configuration: the engine-generator combination is replaced by a fuel cell. Structures of a fuel cell hybrid electric vehicle Weaknesses of series hybrid vehicles: The ICE(Internal Combustion Engine), the generator and the electric motor are dimensioned to handle the full power of the vehicle. Therefore, the total weight, cost and size of the power train can be excessive. The power from the combustion engine has to run through both the generator and electric motor. During long-distance highway driving, the total efficiency is inferior to a conventional transmission, due to the several energy conversions. Advantages of series hybrid vehicles:  There is no mechanical link between the combustion engine and the wheels. The engine- generator group can be located everywhere.  There are no conventional mechanical transmission elements (gearbox, transmission shafts). Separate electric wheel motors can be implemented easily.  The combustion engine can operate in a narrow rpm range (its most efficient range), even as the car changes speed.  Series hybrids are relatively the most efficient during stop-and-go city driving. Example of SHEV: Renault Kangoo. 11
  • 12.
    1.2. Parallel hybrid Parallelhybrid systems have both an internal combustion engine (ICE) and an electric motor in parallel connected to a mechanical transmission. Structure of a parallel hybrid electric vehicle Most designs combine a large electrical generator and a motor into one unit, often located between the combustion engine and the transmission, replacing both the conventional starter motor and the alternator (see figures above). The battery can be recharged during regenerative breaking, and during cruising (when the ICE power is higher than the required power for propulsion). As there is 12
  • 13.
    a fixed mechanicallink between the wheels and the motor (no clutch), the battery cannot be charged he the ar is t o i g. When the vehicle is using electrical traction power only, or during brake while regenerating energy, the ICE is not running (it is disconnected by a clutch) or is not powered (it rotates in an idling manner). Operation modes: The parallel configuration supports diverse operating modes Some typical modes for a parallel hybrid configuration PE = Power electronics TX = Transmission (a) Electric power only: Up to speeds of usually 40 km/h, the electric motor works with only the energy of the batteries, which are not recharged by the ICE. This is the usual way of operating around the city, as well as in reverse gear, since during reverse gear the speed is limited. (b) ICE power only: At speeds superior to 40 km/h, only the heat engine operates. This is the normal operating way at the road. OR (b) ICE + electric power: if more energy is needed (during acceleration or at high speed), the electric motor starts working in parallel to the heat engine, achieving greater power (c) ICE + battery charging: if less power is required, excess of energy is used to charge the batteries. Operating the engine at higher torque than necessary, it runs at a higher efficiency. (d) Regenerative breaking: While braking or decelerating, the electric motor takes profit of the kinetic energy of the he moving vehicle to act as a generator. 13
  • 14.
    Weaknesses of parallelhybrid vehicles: Rather complicated system. The ICE does t operate i a narrow or constant RPM range, thus efficiency drops at low rotation speed. As the ICE is not decoupled from the wheels, the battery cannot be charged at standstill. Advantages of parallel hybrid vehicles: Total efficiency is higher during cruising and long-distance highway driving. Large flexibility to switch between electric and ICE power Compared to series hybrids, the electromotor can be designed less powerful than the ICE, as it is assisting traction. Only one electrical motor/generator is required COMBINED HYBRID Combined hybrid systems have features of both series and parallel hybrids. There is a double connection between the engine and the drive axle: mechanical and electrical. This split power path allows interconnecting mechanical and electrical power, at some cost in complexity. Power-split devices are incorporated in the power train. The power to the wheels can be either mechanical or electrical or both. This is also the case in parallel hybrids. But the main principle behind the combined system is the decoupling of the power supplied by the engine from the power demanded by the driver. Simplified structure of a combined hybrid electric vehicle In a conventional vehicle, a larger engine is used to provide acceleration from standstill than one needed for steady speed cruising. This is because a combustion engine's torque is minimal at lower RPMs, as the engine is its own air pump. On the other hand, an electric motor exhibits maximum torque at stall and is well suited to complement the engine's torque deficiency at low RPMs. In a 14
  • 15.
    combined hybrid, asmaller, less flexible, and highly efficient engine can be used. It is often a variation of the conventional Otto cycle, such as the Miller or Atkinson cycle. This contributes significantly to the higher overall efficiency of the vehicle, with regenerative braking playing a much smaller role. At lower speeds, this system operates as a series HEV, while at high speeds, where the series power train is less efficient, the engine takes over. This system is more expensive than a pure parallel system as it needs an extra generator, a mechanical split power system and more computing power to control the dual system. Control System in HEVs and EVs The major functions of the control system are: i. to maximize the fuel efficiency ii. to minimize the exhaust emissions. The fuel efficiency and emissions are mutually conflicting and some of the reasons why this happens are: i. when more energy is extracted by the ICE (thereby increasing the ICE efficiency) the exhaust temperature goes down. At lower temperatures, the chemical reactions associated with the combustion of unburned hydrocarbons may not occur. ii. Increase in compression ratio, which enhances fuel economy, also raises temperature in ICE. Increased temperature increases both CO and oxides of nitrogen represented by NOx. The minor functions of the control system are component monitoring and protection such as: i. battery state of charge (SOC) monitoring ii. Battery temperature monitoring iii. EM overheating iv. ICE overheating The battery merits special attention to avoid failure and to assure long life. The control system generally provides a fail safe mode in the event of failures. One of the functions of control systems, which is minor in cost but valuable in practice, is onboard diagnostics (OBD).The switching from one ode to a other ust e as s ooth. As the HEV s operatio ode ha ges, se eral para eters of the ICE that have to be controlled are: i. Ignition timing ii. Tuned intake manifold iii. Camshaft angle for exhaust valves iv. Camshaft angle for intake valves v. Fuel injector settings which includes a. Timing of injection b. Fuel flow rate 15
  • 16.
    Elements of ControlTheory The basis for control is the feedback loop shown in Figure 2a. The input is the desired behavior of the system and it is compared with the actual behavior to determine the error signal. The error signal is fed i to o e or ore o trol ele e ts that o e a tuators at the pla t. The ord pla t is the a e for the object being controlled. The actual value of the controlled variable from the plant is transmitted via the feedback loop to the summation loop. In Figure 2b a simple example of ICE control is shown with its control element and plant. The control element is a general term and identifies the elements that receives the error signal and change the pla t s behavior. In Figure 2b the fuel injector is the control element and the ICE is the plant. To understand the working of the control system, shown in Figure 2b, let us assume that the desired speed of ICE is 2000 rpm and the actual speed is 2200 rpm. An error signal of -200 rpm is generated and this negative error signal is fed to the fuel injector. The fuel injector responds to the negative error by decreasing the flow of fuel to the ICE. With less fuel, the speed of ICE drops A modern control system for HEV may use only a few feedback control loop similar to the one shown in Figure 2c. The control architecture shown in Figure 2c uses a single feedback loop and has desired velocity as the variable being controlled. The driver is one of the control elements and acts on the error. If the HEV is moving too slowly, the driver steps on the accelerator pedal and it the vehicle is too fast, the driver steps on the brake pedal. The hybrid ECU is the master controller and it controls the other subcomponents of the vehicle such as ICE, EM, power electronics, etc. 16
  • 17.
    Overview of ControlSystem: The Electronic Control Unit (ECU) Typical control architecture of HEV is shown in Figure 3. In Figure 3 it can be seen that there are multiple ECUs such as: i. Hybrid ECU ii. ICE ECU iii. EM ECU iv. Transmission ECU v. Power Electronics ECU vi. Battery ECU or Battery Management System A brief description of each of the ECUs is given below. Hybrid ECU: The Hybrid ECU is in command of all other ECUs and selects the operational mode based on the dri er s i put. The h rid ECU is respo si le for s ste ide e erg a age e t. T pi all the goal of control is to minimize the fuel consumption. For each litre of petrol, the hybrid ECU tries to provide maximum mileage. To do this, the hybrid ECU allows or prohibits ICE shutoff. The hybrid ECU commands 1. the amount of torque and power from the motor and ICE 2.the amount and timing of power generation to charge battery. ICE EMU: This controls the various ICE parameters discussed in previous section EM ECU: The EM ECU is responsible for switching of the EM from motoring mode to the generator mode and also controls the motor to deliver the torque demanded by the hybrid ECU. The EM ECU consists of various control strategies such as Constant Torque Control, Field Weakening Control, etc. Transmission ECU: The transmission ECU provides the correct gear ratio to control the torques and angular speeds of the EM and the ICE. 17
  • 18.
    Power Electronics ECU:Having power from a battery is only the first step. The power must be delivered to the EM, in the motoring mode, at the voltage and current needed. For regenerative braking, the power must be accepted from the EM. The function of the power electronic ECU is to receive commands from hybrid ECU, to control inverter energy flow both ways, that is, charge and discharge, to control switching of EM between motor and generator modes and to control switching of EM between motor and generator modes. Battery ECU or Battery Management System: The battery ECU or the battery management system (BMS) monitors and measures temperature and assures cooling is adequate. The BMS avoids the stress of heat and over-temperature and the effects of excessive charging or discharging are eliminated or lessened. The BMS is essentially for long battery life and optimum fuel efficiency 18
  • 19.
    Control Area Network(CAN) A typical CAN network in an HEV is shown in Figure 4. The CAN is a fast, high rate network which enables communication between ECUs. In CAN most data can be updated every 10ms and the data is checked to assure data reliability. Regenerative braking As i toda s orld, here there are e erg rises a d the resour es are depleti g at a higher rate, there is a need of specific technology that recovers the energy, which gets usually wasted. So, in case of automobiles one of these useful technologies is the regenerative braking system. Generally in automobiles whenever the brakes are applied the vehicle comes to a halt and the kinetic energy gets wasted due to friction in the form of kinetic energy. Using regenerative braking system in automobiles enables us to recover the kinetic energy of the vehicle to some extent that is lost during the braking process. In these two methods of utilizing the kinetic energy, that is usually wasted by converting it into either electrical energy or into mechanical energy. Regenerative braking system can convert the kinetic energy into electrical energy with help of electric motor. And it can also convert the kinetic energy into mechanical energy, which is supplied to the vehicle whenever it is needed, with the help of a flywheel. Conventional Braking System Braking in a moving vehicle means the application of the brakes to slow or stop its movement, usually by depressing a pedal. The braking distance is the distance between the time the brakes are applied and the time the vehicle comes to a complete stop. When brakes are applied to a vehicle using conventional braking system, kinetic energy is converted into heat due to the friction between the wheels and brake pads. This heat is carried away in the airstream and the energy is wasted. The total amount of energy lost in this process depends on how often, how hard and for how long the brakes are applied. 19
  • 20.
    Regenerative Braking System Regenerativebraking is one of the emerging technologies which can prove very beneficent. The use of regenerative braking in a vehicle not only results in the recovery of the energy but it also increases the efficiency of vehicle(in case of hybrid vehicles) and saves energy, which is stored in the auxiliary battery. Block Diagram of Regenerative Braking System In cities, driving involves many braking events resulting in much higher energy losses with greater potential savings. With buses, taxis, delivery vans and so on there is even more potential for economy. Since regenerative braking results in an increase in energy output for a given energy input to a vehicle, the efficiency is improved. The amount of work done by the engine of the vehicle is reduced, in turn reducing the amount of energy required to drive the vehicle. This technology of regenerative raki g o trols the speed of the ehi le o erti g a portio of the ehi le s ki eti e erg i to another useful form of energy. The energy so produced could then be stored as electrical energy in the automobile battery, or as mechanical energy in flywheels, which can be used again by the vehicle. 20
  • 21.
    Regenerative braking refersto a process in which a portion of the kinetic energy of the vehicle is stored by a short term storage system. Energy normally dissipated in the brakes is directed by a power transmission system to the auxiliary battery during deceleration. The energy that is stored by the vehicle is converted back into kinetic energy and used whenever the vehicle is to be accelerated. The magnitude of the portion available for energy storage varies according to the type of storage, drive train efficiency, drive cycle and inertia weight. The effect of regenerative brakes is less at lower speeds as compared to that at higher speeds of vehicle. So the friction brakes are needed in a situation of regenerative brake failure, to stop the vehicle completely Working of Regenerative Braking using Electric Motor The working of the regenerative braking system depends upon the working principle of an electric motor, which is the important component of the system. Generally the electric motor, is actuated when electric current is passed through it. But, when some external force is used to actuate the motor (that is during the braking process) then it behaves as a generator and generates electricity. That is, whenever a motor is run in one direction the electric energy gets converted into mechanical energy, which is used to accelerate the vehicle and whenever the motor is run in opposite direction it functions as a generator, which converts mechanical energy into electrical energy. This makes it possible to employ the rotational force of the driving axle to turn the electric motors, thus regenerating electric energy for storage in the battery and simultaneously slowing the car with the regenerative resistance of the electric motors [2]. This electricity is then used for recharging the battery Advantages  Better fuel economy.  Reduced CO2 emissions.  Approximately 30% saving in fuel consumption.  The lower operating and environment cost of the vehicle with regenerative braking system.  Increase of overall energy efficiency of a vehicle  Increases vehicle range  Cuts down on pollution related to electricity generation  Increases the lifespan of friction braking systems  Less use of traditional mechanical brakes leads to less wear over time Disadvantages  Added complexity of brake control system  Only works for wheels connected to motors  Most vehicle operation is done in 2WD  Friction brakes are still necessary  Safety  Motor braking power decreases as the kinetic energy of the vehicle decreases 21
  • 22.
    MAGNETIC TRACK VEHICLES Maglev(derived from magnetic levitation) is a transport method that uses magnetic levitation to move vehicles without touching the ground. With maglev, a vehicle travels along a guideway using magnets to create both lift and propulsion, thereby reducing friction by a great extent and allowing very high speeds. The Shanghai Maglev Train, also known as the Transrapid, is the fastest commercial train currently in operation and has a top speed of 430 km/h (270 mph). Maglev trains move more smoothly and more quietly than wheeled mass transit systems. They are relatively unaffected by weather. The power needed for levitation is typically not a large percentage of its overall energy consumption; most goes to overcome drag, as with other high-speed transport. Maglev trains hold the speed record for rail transport. Vacuum tube train systems might allow maglev trains to attain still higher speeds, though no such vacuum tubes have been built commercially yet. Compared to conventional (normal) trains, differences in construction affect the economics of maglev trains, making them much more efficient. For high-speed trains with wheels, wear and tear from friction along with the "hammer effect" from wheels on rails accelerates equipment wear and prevents high speeds. Conversely, maglev systems have been much more expensive to construct, offsetting lower maintenance costs. 1) Electromagnetic suspension In electromagnetic suspension (EMS) systems, the train levitates above a steel rail while electromagnets, attached to the train, are oriented toward the rail from below. The system is typically arranged on a series of C-shaped arms, with the upper portion of the arm attached to the vehicle, and the lower inside edge containing the magnets. The rail is situated inside the C, between the upper and lower edges. Magnetic attraction varies inversely with the cube of distance, so minor changes in distance between the magnets and the rail produce greatly varying forces. These changes in force are dynamically unstable – a slight divergence from the optimum position tends to grow, requiring sophisticated feedback systems to maintain a constant distance from the track, (approximately 15 millimeters (0.59 in)) The major advantage to suspended maglev systems is that they work at all speeds, unlike electrodynamics systems, which only work at a minimum speed of about 30 km/h (19 mph). This eliminates the need for a separate low-speed suspension system, and can simplify track layout Track Train magnets 22
  • 23.
    1) Electrodynamic suspension(EDS) In electro dynamic suspension (EDS), both the guide way and the train exert a magnetic field, and the train is levitated by the repulsive and attractive force between these magnetic fields. In some configurations, the train can be levitated only by repulsive force. In the early stages of maglev development at the Miyazaki test track, a purely repulsive system was used instead of the later repulsive and attractive EDS system. The magnetic field is produced either by superconducting magnets (as in JR–Maglev) or by an array of permanent magnets. The repulsive and attractive force in the track is created by an induced magnetic field in wires or other conducting strips in the track. A major advantage of EDS maglev systems is that they are dynamically stable – changes in distance between the track and the magnets creates strong forces to return the system to its original position. In addition, the attractive force varies in the opposite manner, providing the same adjustment effects. No active feedback control is needed. However, at slow speeds, the current induced in these coils and the resultant magnetic flux is not large enough to levitate the train. For this reason, the train must have wheels or some other form of landing gear to support the train until it reaches take-off speed. Since a train may stop at any location, due to equipment problems for instance, the entire track must be able to support both low- and high-speed operation. Another downside is that the EDS system naturally creates a field in the track in front and to the rear of the lift magnets, which acts against the magnets and creates magnetic drag. This is generally only a concern at low speeds (This is one of the reasons why JR abandoned a purely repulsive system and adopted the sidewall levitation system). At higher speeds other modes of drag dominate. The drag force can be used to the electrodynamic system's advantage, however, as it creates a varying force in the rails that can be used as a reactionary system to drive the train, without the need for a separate reaction plate, as in most linear motor systems. Laithwaite led development of such "traverse-flux" systems at his Imperial College laboratory. Alternatively, propulsion coils on the guideway are used to exert a force on the magnets in the train and make the train move forward. The propulsion coils that exert a force on the train are effectively a linear motor: an alternating current through the coils generates a continuously varying magnetic field that moves forward along the track. The frequency of the alternating current is synchronized to match the speed of the train. The offset between the field exerted by magnets on the train and the applied field creates a force moving the train forward. 23
  • 24.
    STRATIFIED CHARGE ENGINE Introduction Ofmany types of internal combustion engines, two types namely petrol and diesel engines are well established. However, each one of them has certain limitations. Petrol engine has very good full load power characteristics. Example, high degree of air utilization, high speed and flexibility but has rather poor part load efficiency, where as the diesel engine has good part load characteristics but has poor air utilization, low smoke-limited power and higher weight-to-power ratio. The use of higher compression ratio for better starting and good combustion over a wide range of engine operations are other requirements which cause additional problems of maintenance and high losses in diesel operation. For an automotive engine both part load efficiency and full load power are very important because, for about 90 per cent of their total operating life, the engines work under part load conditions and in maximum power output controls the speed, acceleration and other characteristics of the vehicle. Therefore, there is a need to develop an engine which combines the advantages of both petrol and diesel engines and at the same time avoids as far as possible their disadvantages. Stratified charge engine is an attempt in this direction. It is an engine which is mid-way between the homogeneous charge spark-ignition engine and the heterogeneous charge compression-ignition engine.Charge stratification means providing different fuel-air mixture strengths at various places in the combustion chamber- relatively rich mixture at and in the vicinity of the spark plug and a leaner mixture in the rest of the combustion chamber. That is, the whole fuel-air mixture is distributed in layers or stratas of different mixture strengths across the combustion chamber while the overall mixture is rather lean. Thus the stratified charge engine is usually defined as a spark ignition internal combustion engine in which the mixture in the soul of the spark plug is very much richer than that in the rest of the combustion chamber, i.e., one which burns leaner overall fuel-air mixtures. Methods of Charge Stratification The stratified charge engines can be classified into two main types., according to the method of formation of the heterogeneous mixture in the combustion chamber. 1) Those use fuel injection and positive ignition 2) Those using carburetion alone Stratification by fuel injection and positive ignition The first approach-The first attempt to obtain charge stratification was made by Ricardo around 1922. A relatively rich mixture was formed at the spark plug by an auxiliary spray while another spray injecting fuel along the major axis of the combustion chamber formed a leaner mixture. This arrangement could give combustion over a relatively wide range of overall mixture strengths and allowed very lean engine operation giving efficiency as high as 36 per cent. However, the range was limited at higher speeds and loads higher than about 50 per cent of the full load the engine did not work properly presumably due to too rich a mixture near the spark plug. 24
  • 25.
    Pre-chamber Stratified chargeengine This approach also involves many problems of engine operation. The first problem is that of getting good performance over the full load range. At part loads the lean mixtures are effectively burnt but at a full-load due to improper fuel distribution and incomplete scavenging of the pre chamber the rich mixture is not properly burnt. The use of pre chamber means loss of thermal efficiency due to throttling and rather costly fuel injection equipment. The fuel injection equipment has to be highly sophisticated in order to provide regular injection at low fuel deliveries, good distribution in pre chamber and avoiding an over-rich mixture at high loads. Broderson method of Stratification The Broderson method of charges stratification is shown in the figure. It consists of an engine with a divided combustion chamber. The small or pre-chamber contains the injector, the intake valve, and the spark plug. Whole of the fuel is injected into the pre-chamber. The direction of air flow in the combustion chamber changes as the piston passes bdc position. It is this fact which forms the basis of charge stratification in this method. Due to suction effect, the fuel injector before bdc is carried into the main chamber by the air where it is mixed with all the air in the chamber. Fuel injected after bdc remains in the pre-chamber because of the reversal of the air flow direction, and thus forms a 25
  • 26.
    combustible mixture nearthe spark plug. It is apparent that by varying the time of beginning of injection and the duration of injection any desired mixture ratio in each chamber can be obtained. At high loads the fuel may be injected after bdc, i.e., after the start of compression stroke. This is a situation in which the air is moving from main chamber to pre-chamber and almost all of the fuel injected into the pre-chamber will remain there and will form an ignitable mixture near the spark plug while the main chamber will contain air only or very lean mixture. Due to the blast of flame from the pre-chamber, sometimes referred a torch effect, burning of this lean charge the main chamber must be designed to ensure proper turbulence and mixing of the hot burning mixture coming out of the pre-chamber with the mixture in the main chamber. At full load the fuel is injected before bdc, i.e., during the suction stroke and is intimately mixed with whole of the air resulting in a mixture of uniform strength throughout the combustion space. The flame produced by the spark plug will spread throughout both the chambers just like in normal spark ignition operation. Stratification by Carburetion alone Russian stratified charge concept: - The figure sho s the Nilo jet ig itio engine developed by Russians. This is a divided chamber design using carburetion to supply both the pre-chamber and the main chamber. A special carburettor and an inlet valve supply relatively rich mixture to the pre-chamber while another carburettor supplies a lean mixture to the main chamber. Ignition is initiated by a spark plug situated in the pre-chamber. The flame front advances from the pre-chamber and burns the lean mixture in the main chamber. 26
  • 27.
    This system gavean economy of about 10 per cent over the conventional carburetted engines. The high loss due to pre-chamber result in reduced maximum engine output and full potential obtainable from the use of lean overall mixtures cannot be realized. Institute Francias Du Petrols (IFP) Process:- The figure shows the arrangement of the IFP process for charge stratification. In this process the mixture is fed into two separate streams of different mixture strengths. A small diameter pipe is placed in the intake port such that it supplies through an auxiliary carburettor, a rich mixture near the intake valve. Pure air or very lean mixture is inducted by the main carburettor during the suction stroke. Therefore, a heterogeneity or stratification is obtained which persists during the compression stroke and a rich mixture near the spark plug is obtained by proper orientation of the rich mixture tube. General characteristics of Stratified Charge Engines The following are some general characteristics of the stratified charge engines: 1) All types of stratified charge engines have good part load efficiency while the full load performance is either equivalent to the petrol engine or slightly inferior. 2) Almost all stratification processes have inherent in them some degree of knock resistance, smooth combustion and multi-fuel capability. Depending upon the particular design, it can operate on low-octane gasoline or a range of quality down to diesel fuel and kerosene. 3) The volumetric efficiency of the unthrottled engines is higher than that of the carbureted engines. 4) The exhaust emission characteristics of most of the stratification schemes are good. Applications All these characteristics promise for the stratified charge engine a bright future because of its compact, lightweight design, good fuel economy, speed, range, antiknock resistance, multi-fuel capability, and smooth and quiet engine operation over the entire speed and load range. A number of companies are actively working on this engine for automotive applications. 27
  • 28.
    Advantages and Disadvantages Advantages It can tolerate a wide quality of fuels.  It has low exhaust emission levels.  It can be manufactured by existing technology. Disadvantages  Charge stratification results in reduced power for a given engine size.  Its manufacture is more complex and hence, its manufacturing cost is higher.  It has higher weight than that of a conventional engine.  Its reliability is yet to be well established. Hydrogen internal combustion engine (HICEV) Hydrogen internal combustion engine vehicle (HICEV) is a type of hydrogen vehicle using an internal combustion engine. Hydrogen internal combustion engine vehicles are different from hydrogen fuel cell vehicles (which use electrochemical conversion of hydrogen rather than combustion); the hydrogen internal combustion engine is simply a modified version of the traditional gasoline-powered internal combustion engine. The combustion of hydrogen with oxygen produces water as its only product: 2H2 + O2 → 2H2O Of high temperature combustion fuels, such as kerosene, gasoline, or natural gas, with air can produce oxides of nitrogen, known as NOx emissions. Although these are only produced in small quantities, research has shown that the oxides of nitrogen are about 310 times more harmful as a greenhouse gas than carbon dioxide Combustive Properties of Hydrogen The properties that contribute to its use as a combustible fuel are its:  Wide range of flammability  Low ignition energy  Small quenching distance  High auto-ignition temperature  High flame speed at stoichiometric ratios  High diffusivity  Very low density 28
  • 29.
    Wide Range ofFlammability Hydrogen has a wide flammability range in comparison with all other fuels. As a result, hydrogen can be combusted in an internal combustion engine over a wide range of fuel-air mixtures. A significant advantage of this is that hydrogen can run on a lean mixture. A lean mixture is one in which the amount of fuel is less than the theoretical, stoichiometric or chemically ideal amount needed for combustion with a given amount of air. This is why it is fairly easy to get an engine to start on hydrogen. Generally, fuel economy is greater and the combustion reaction is more complete when a vehicle is run on a lean mixture. Additionally, the final combustion temperature is generally lower, reducing the amount of pollutants, such as nitrogen oxides, emitted in the exhaust. There is a limit to how lean the engine can be run, as lean operation can significantly reduce the power output due to a reduction in the volumetric heating value of the air/fuel mixture. Low Ignition Energy Hydrogen has very low ignition energy. The amount of energy needed to ignite hydrogen is about one order of magnitude less than that required for gasoline. This enables hydrogen engines to ignite lean mixtures and ensures prompt ignition. Unfortunately, the low ignition energy means that hot gases and hot spots on the cylinder can serve as sources of ignition, creating problems of premature ignition and flashback. Preventing this is one of the challenges associated with running an engine on hydrogen. High Auto ignition Temperature Hydrogen has a relatively high autoignition temperature. This has important implications when a hydrogen-air mixture is compressed. In fact, the autoignition temperature is an important factor in determining what compression ratio an engine can use, since the temperature rise during compression is related to the compression ratio High Flame Speed Hydrogen has high flame speed at stoichiometric ratios. Under these conditions, the hydrogen flame speed is nearly an order of magnitude higher (faster) than that of gasoline. This means that hydrogen engines can more closely approach the thermodynamically ideal engine cycle. At leaner mixtures, however, the flame velocity decreases significantly High Diffusivity Hydrogen has very high diffusivity. This ability to disperse in air is considerably greater than gasoline and is advantageous for two main reasons. Firstly, it facilitates the formation of a uniform mixture of fuel and air. Secondly, if a hydrogen leak develops, the hydrogen disperses rapidly. Thus, unsafe conditions can either be avoided or minimized. Low Density Hydrogen has very low density. This results in two problems when used in an internal combustion engine. Firstly, a very large volume is necessary to store enough hydrogen to give a vehicle an adequate driving range. Secondly, the energy density of a hydrogen-air mixture, and hence the power output, is reduced. 29
  • 30.
    Working of HydrogenEngine Engine Design The most effective means of controlling pre-ignition and knock is to re-design the engine for hydrogen use, specifically the combustion chamber and the cooling system. A disk-shaped combust ion chamber (with a flat piston and chamber ceiling) can be used to reduce turbulence within the chamber. The disk shape helps produce low radial and tangential velocity components and does not amplify inlet swirl during compression. Since unburned hydrocarbons are not a concern in hydrogen engines, a large bore-to-stroke ratio can be used with this engine. To accommodate the wider range of flame speeds that occur over a greater range of equivalence ratios, two spark plugs are needed. The cooling system must be designed to provide uniform flow to all locations that need cooling. Additional measures to decrease the probability of pre-ignition are the use of two small exhaust valves as opposed to a single large one, and the development of an effective scavenging system, that is, a means of displacing exhaust gas from the combustion chamber with fresh air Fuel Delivery Systems Adapting or re-designing the fuel delivery system can be effective in reducing or eliminating pre- ignition. Hydrogen fuel delivery system can be broken down into three main types: central injection or ar ureted , port i je tio a d dire t i je tio . Ce tral a d port fuel deli er s ste s i je tio form the fuel-air mixture during the intake stroke. In the case of central injection or a carburetor, the injection is at the inlet of the air intake manifold. In the case of port injection, it is injected at the inlet port. Direct cylinder injection is more technologically sophisticated and involves forming the fuel-air mixture inside the combustion cylinder after the air intake valve has closed 1) Central Injection or Carbureted Systems The simplest method of delivering fuel to a hydrogen engine is by way of a carburetor or central injection system. This system has advantages for a hydrogen engine. Firstly, central injection does not require the hydrogen supply pressure to be as high as for other methods. Secondly, central injection or carburetors are used on gasoline engines, making it easy to convert a standard gasoline engine to a hydrogen or a gasoline/hydrogen engine. The disadvantage of central injection is that it is more susceptible to irregular combustion due to pre-ignition and backfire. The greater amount of hydrogen/air mixture within the intake manifold compounds the effects of pre-ignition 2) Port Injection Systems The port injection fuel delivery system injects fuel directly into the intake manifold at each intake port, rather than drawing fuel in at a central point. Typically, the hydrogen is injected into the manifold after the beginning of the intake stroke. At this point conditions are much less severe and the probability for premature ignition is reduced. In port injection, the air is injected separately at the beginning of the intake stroke to dilute the hot residual gases and cool any hot spots. Since less gas (hydrogen or air) is in the manifold at any one time, any pre-ignition is less severe. The inlet supply pressure for port injection tends to be higher than for carbureted or central injection systems, but less than for direct injection systems. The constant volume injection (CVI) system uses a mechanical cam- operated device to time the injection of the hydrogen to each cylinder. 30
  • 31.
    The electronic fuelinjection (EFI) system meters the hydrogen to each cylinder. This system uses individual electronic fuel injectors (solenoid valves) for each cylinder and is plumbed to a common fuel rail located down the center of the intake manifold. Whereas the CVI system uses constant injection timing and variable fuel rail pressure, the EFI system uses variable injection timing and constant fuel rail pressure. 3) Direct Injection Systems More sophisticated hydrogen engines use direct injection into the combustion cylinder during the compression stroke. In direct injection, the intake valve is closed when the fuel is injected, completely avoiding premature ignition during the intake stroke. Consequently the engine cannot backfire into the intake manifold. The power output of a direct injected hydrogen engine is 20% more than for a gasoline engine and 42% more than a hydrogen engine using a carburetor. While direct injection solves the problem of pre-ignition in the intake manifold, it does not necessarily prevent preignition within the combustion chamber. In addition, due to the reduced mixing time of the air and fuel in a direct injection engine, the air/fuel mixture can be non-homogenous. Studies have suggested this can lead to higher NOx emissions than the non-direct injection systems. Direct injection systems require a higher fuel rail pressure than the other method Ignition Systems Due to h droge s lo ig itio e erg li it, ig iti g h droge is eas a d gasoli e ig itio systems can be used. At very lean air/fuel ratios (130:1 to 180:1) the flame velocity is reduced considerably and the use of a dual spark plug system is preferred. Ignition systems that use a waste spark system should not be used for hydrogen engines. These systems energize the spark each time the piston is at top dead center whether or not the piston is on the compression stroke or on its exhaust stroke. For gasoline engines, waste spark systems work well and are less expensive than other systems. For hydrogen engines, the waste sparks are a source of pre-ignition. Spark plugs for a hydrogen engine should have a cold rating and have non-platinum tips. A cold-rated plug is one that transfers heat from the plug tip to the cylinder head quicker than a hot-rated spark plug. This means the chances of the spark plug tip igniting the air/fuel charge is reduced. Hot rated spark plugs are designed to maintain a certain amount of heat so that carbon deposits do not accumulate. Since hydrogen does not contain carbon, hot-rated spark plugs do not serve a useful function. Platinum-tip spark plugs should also be avoided since platinum is a catalyst, causing hydrogen to oxidize with air Crankcase Ventilation Crankcase ventilation is even more important for hydrogen engines than for gasoline engines. As with gasoline engines, unburnt fuel can seep by the piston rings and enter the crankcase. Since hydrogen has a lower energy ignition limit than gasoline, any unburnt hydrogen entering the crankcase has a greater chance of igniting. Hydrogen should be prevented from accumulating through ventilation. Ignition within the crankcase can be just a startling noise or result in engine fire. When hydrogen ignites within the crankcase, a sudden pressure rise occurs. To relieve this pressure, a pressure relief valve must be installed on the valve cover 31
  • 32.
    The working ofhydrogen engine is similar to that of a two stroke engine. Ports are used as shown in figure. A metering device meters the amount of hydrogen that is to be supplied to the engine and gives it to the injector at high pressure. COMPARISION FOR NORMAL ENGINE AND HYDROGEN ENGINE EFFICIENCY NORMAL ENGINE Engine efficiency refers to an engine's ability to transform the available energy from its fuel into useful work power. The modern gasoline combustion engine operates at an average of roughly 20 to 30 percent engine efficiency. The remaining 70 to 80 percent of the gasoline's heat energy is expelled from the engine as exhaust heat, mechanical sound energy or friction loss. At idle, the engine efficiency is zero since the engine is not moving the vehicle and is only operating accessories, such as the water pump and generator. HYDROGEN ENGINE Hydrogen engine provides a high torque density, high power density, efficient engines. Hydrogen is used because it burns 7 to 9 times faster than high carbon fuels. Due to the relative instantaneity of the explosive event during ignition, there is less of the wasted translational energy that is found in traditional internal combustion engines. The combustion chamber is effectively cooled by massive amounts of air prior to hydrogen ignition. Hydrogen engine efficiency will be approximately 65%. 32
  • 33.
    MODULE II FUEL CELLSAND ALTERNATE ENERGY SYSTEM: Introduction to fuel cells A fuel cell is like a battery in that it generates electricity from an electrochemical reaction. Both batteries and fuel cells convert chemical potential energy into electrical energy and also, as a by-product of this process, into heat energy. However, a battery holds a closed store of energy within it and once this is depleted the battery must be discarded, or recharged by using an external supply of electricity to drive the electrochemical reaction in the reverse direction. A fuel cell, on the other hand, uses an external supply of chemical energy and can run indefinitely, as long as it is supplied with a source of hydrogen and a source of oxygen (usually air). There are several different types of fuel cell but they are all based around a central design. A fuel cell unit consists of a stack, which is composed of a number of individual cells. Each cell within the stack has two electrodes, one positive and one negative, called the cathode and the anode. The reactions that produce electricity take place at the electrodes. Every fuel cell also has either a solid or a liquid electrolyte, which carries ions from one electrode to the other, and a catalyst, which accelerates the reactions at the electrodes. The electrolyte plays a key role - it must permit only the appropriate ions to pass between the electrodes. If free electrons or other substances travel through the electrolyte, they disrupt the chemical reaction and lower the efficiency of the cell In electrolysis of water the water is separated into hydrogen and oxygen by the passage of an electric current. In a fuel cell the electrolysis is being reversed the hydrogen and oxygen are recombining, and an electric current is being produced. Another way of looking at the fuel cell is to sa that the h d oge fuel is ei g u t o o usted i the si ple ea tio 2H2 + O2 → 2H2O At the anode of an acid electrolyte fuel cell, the hydrogen gas ionizes, releasing electrons and creating H+ions 33
  • 34.
    2H2 → 4H++ 4e− This reaction releases energy. At the cathode, oxygen reacts with electrons taken from the electrode, and H+ ions from the electrolyte, to form water O2 + 4e− + 4H+ → 2H2O Clearly, for both these reactions to proceed continuously, electrons produced at the anode must pass through an electrical circuit to the cathode. Also, H+ ions must pass through the electrolyte. An acid is a fluid with free H+ ions, and so serves this purpose very well. Certain polymers can also be made to contain mobile H+ ions. These materials are called proton exchange membranes, as an H+ ion is also a proton. Advantages and Applications • Efficiency: Fuel cells are generally more efficient than combustion engines whether piston or turbine based. A further feature of this is that small systems can be just as efficient as large ones. This is very important in the case of the small local power generating systems needed for combined heat and power systems. • Simplicity: The essentials of a fuel cell are very simple, with few if any moving parts. This can lead to highly reliable and long-lasting systems. • Low emissions: The by-product of the main fuel cell reaction, when hydrogen is the fuel, is pure water, hi h ea s a fuel ell a e esse tiall ze o e issio . This is thei ai ad a tage he used i vehicles, as there is a requirement to reduce vehicle emissions, and even eliminate them within cities. However, it should be noted that, at present, emissions of CO2 are nearly always involved in the production of hydrogen that is needed as the fuel. •Noise: Fuel cells are very quiet, even those with extensive extra fuel processing equipment. This is very important in both portable power applications and for local power generation in combined heat and power schemes. The advantages of fuel cells impact particularly strongly on combined heat and power systems (for both large- and small-scale applications), and on mobile power systems, especially for vehicles and electronic equipment such as portable computers, mobile telephones, and military communications equipment. These areas are the major fields in which fuel cells are being used. Disadvantages • High market entry cost, production cost. • Unfamiliar technology to the power industry. • Almost no infrastructure. • Still at level of development. Operational Fuel Cell Voltages For the hydrogen fuel cell, two electrons pass round the external circuit for each water molecule produced and each molecule of hydrogen used. So, for one mole of hydrogen used, 2N electrons pass round the 34
  • 35.
    external circuit –where N is A ogad o s u e . If −e is the charge on one electron, then the charge that flows is −2 Ne = −2F coulombs F being the Faraday constant or the charge on one mole of electrons. If E is the voltage of the fuel cell, then the electrical work done moving this charge round the circuit is Electrical work done = charge × voltage = −2FE joules If the system is reversible (or has no losses), then this electrical work done will be equal to the Gibbs free energy eleased ∆gf. ∆gf = −2F ・ E Thus E =−∆gf / 2F This fundamental equation gives the electromotive force (EMF) or reversible open circuit voltage of the hydrogen fuel cell. ∆gf- Gibbs free energy released, F- Faradays constant. For example, a hydrogen fuel cell operating at 200◦C has ∆gf = −220 kJ, so E = 220,000/ (2 × 96,485) = 1.14V This gives a value of about 1.2V for a cell operating below 100◦C. However, when a fuel cell is made and put to use, it is found that the voltage is less than this, often considerably less. The following observations are obtained while plotting cell voltage vs. current density • Ope circuit voltage is less than the theoretical value. • The e is a apid i itial fall i oltage. • The oltage the falls less apidl , a d o e li ea l . • The e is so eti es a highe u e t de sit at hi h the oltage falls apidl 35
  • 36.
    The variation intheoretical value is due to the following losses 1. Activation losses 2. Fuel crossover and internal currents 3. Ohmic losses 4. Mass transport or concentration losses 1. Activation losses. These are caused by the slowness of the reactions taking place on the surface of the electrodes. A proportion of the voltage generated is lost in driving the chemical reaction that transfers the electrons to or from the electrode. 2. Fuel crossover and internal currents. This energy loss results from the waste of fuel passing through the electrolyte, and, to a lesser extent, from electron conduction through the electrolyte. The electrolyte should only transport ions through the cell, However, a certain amount of fuel diffusion and electron flow will always be possible. Except in the case of direct methanol cells the fuel loss and current is small, and its effect is usually not very important. However, it does have a marked effect on the OCV of low-temperature cells, 3. Ohmic losses. This voltage drop is the straight forward resistance to the flow of electrons through the material of the electrodes and the various interconnections, as well as the resistance to the flow of ions through the electrolyte. This voltage drop is essentially proportional to current density, linear, and so is called ohmic losses, or sometimes as resistive losses. 4. Mass transport or concentration losses. These result from the change in concentration of the reactants at the surface of the electrodes as the fuel is used.Concentration affects voltage, and so this type of irreversibility is sometimes called concentration loss. Because the reduction in concentration is the result of a failure to transport sufficient reactant to the electrode surface, this type of loss is also often called mass transport loss. Proton Exchange Membrane Fuel Cell (PEMFC) Proton exchange membrane fuel cells, also known as polymer electrolyte membrane (PEM) fuel cells (PEMFC), are a type of fuel cell being developed for transport applications as well as for stationary fuel cell applications and portable fuel cell applications. They have lower temperature/pressure ranges (50 36
  • 37.
    to 100 °C)and a special polymer electrolyte membrane. The most commonly used membrane is sulphonated fluoropolymers (Nafion) which relies on liquid water humidification of the membrane to transport protons act as the solid electrolyte. This implies that it is not feasible to use temperatures above 80 to 90 °C.PEMFCs are built out of membrane electrode assemblies (MEA) which include the electrodes, electrolyte, catalyst, and gas diffusion layers. An ink of catalyst, carbon, and electrode are sprayed or painted onto the solid electrolyte and carbon paper is hot pressed on either side to protect the inside of the cell and also act as electrodes. The pivotal part of the cell is the triple phase boundary (TPB) where the electrolyte, catalyst, and reactants mix and thus where the cell reactions actually occur. The best catalyst for both the anode and the cathode is platinum. Reactions A proton exchange membrane fuel cell transforms the chemical energy liberated during the electrochemical reaction of hydrogen and oxygen into electrical energy, as opposed to the direct combustion of hydrogen and oxygen gases to produce thermal energy. A stream of hydrogen is delivered to the anode side of the membrane electrode assembly (MEA). At the anode side it is catalytically split into protons and electrons. This oxidation half-cell reaction or hydrogen oxidation reaction (HOR) is represented by: At the anode: H2→ H+ +2e- The newly formed protons permeate through the polymer electrolyte membrane to the cathode side. The electrons travel along an external load circuit to the cathode side of the MEA, thus creating the current output of the fuel cell. Meanwhile, a stream of oxygen is delivered to the cathode side of the MEA. At the cathode side oxygen molecules react with the protons permeating through the polymer electrolyte membrane and the electrons arriving through the external circuit to form water molecules. This reduction half-cell reaction or oxygen reduction reaction (ORR) is represented by: 37
  • 38.
    At the cathode: ½O2+2H+ + 2e- → H2O Overall reaction: H2+ ½ O2→ H2O PEMFC operate at a temperature of around 80°C. Each cell produces around 0.7 volts, about enough power to run a light bulb. To generate high voltage, a number of individual cells are combined in series. Advantages  Operate at low temperatures which allow them to start up rapidly from cold.  High power density which makes them really compact and lightweight.  Compact construction  Solid electrolyte  Low working temperature  Fast start-up Disadvantages • Needs pure hydrogen to operate as they are very susceptible to poisoning by carbon monoxide. • Water management • Noble metal catalyst • CO sensitive (must be < 20 ppm) • Cooling issues 38
  • 39.
    Application • Due totheir light weight, PEMFCs are most suited for transportation applications. • PEMFCs for busses, which use compressed hydrogen for fuel, can operate at up to 40% efficiency. • Decentralized power generation for industrial and domestic applications • Portable generation systems for domestic,industrial,military etc ALKALINE ELECTROLYTE FUEL CELLS Alkaline fuel cells (AFCs) normally use a mobilized or immobilized aqueous solution(30–45 wt %) of potassium hydroxide (KOH) as an electrolyte. The electrolyte obviously needs to be an alkaline solution. Sodium hydroxide and potassium hydroxide solution, being of lowest cost, highly soluble, and not excessively corrosive, are the prime candidates. It turns out that potassium carbonate is much more soluble than sodium carbonate, and this is an important advantage. Since the cost difference is small, potassium hydroxide solution is always used as the electrolyte H + OH− → H O + e− anode reaction O + e− + H O→ OH− cathode reaction H + O → H O overall reaction Hydroxyl anions diffuse continuously from the cathode to the anode and water diffuses the opposite way. Most of the reaction water leaves on the anode side, but a small amount of reaction water is removed via the electrolyte loop, if a circulating system is considered. The oxygen reduction in alkaline environments is more favorable than in acid environments, i.e., the voltage drop is lower. It yields the highest voltage at comparable current densities, leading to a higher efficiency of the system. Consequently, the use of smaller amounts of noble metal electro catalysts is more favorable in an AFC than in any other system. AFCs also operate well at room temperature and have a good cold start capability. 39
  • 40.
    However, a majordisadvantage is the CO2 sensitivity of the alkaline electrolytes as carbonates are formed. In strong alkaline environments, the solubility of carbonates is rather poor. This leads to the formation of carbonate crystals, capable of blocking electrolyte pathways and electrolyte pores. CO + OH− −−−→ CO − + H O As a consequence, the use of AFCs has been restricted to special applications, where no CO2 is present, for example in space vehicles, where pure hydrogen and pure oxygen are used. The formation of carbonates is one of the causes of the poor long-term stability of AFCs. Types of Alkaline Electrolyte Fuel Cell Mobile electrolyte The basic structure of the mobile electrolyte fuel cell is shown below The KOH solution is pumped around the fuel cell. Hydrogen is supplied to the anode but must be circulated, as it is at the anode where the water is produced. The hydrogen will evaporate the water, which is then condensed out at the cooling unit through which the hydrogen is circulated. The hydrogen comes from a compressed gas cylinder, and the circulation is achieved using an ejector circulator, though this may be done by a pump in other systems. The majority of alkaline fuel cells are of this type. The main advantage of having the mobile electrolyte is that it permits the electrolyte to be removed and replaced from time to time. The carbon dioxide in the air will react with the potassium hydroxide electrolyte 2KOH + CO2 → K2CO3 + H2O The potassium hydroxide is thus gradually changed to potassium carbonate. The effect of this is that the concentration of OH− ions reduces as they are replaced with carbonate CO3 2− ions, which greatly affects the performance of the cell. but one way of at least reducing it is to remove the CO2 from the air as much as possible of, and this is done using a CO2 scrubber in the cathode air supply system. However, it is impossible to remove all the carbon dioxide, so the electrolyte will inevitably deteriorate and require replacing at some point. This mobile system allows that to be done reasonably easily and of course potassium hydroxide solution is of very low cost. The disadvantages of the mobile electrolyte centre around the extra equipment needed. A pump is needed, and the fluid to be pumped is corrosive. The extra pipe work means more possibilities for leaks, and the surface tension of KOH solution makes for a fluid that is prone to find its way through the smallest of gaps. Also, it becomes harder to design a system that will work in any orientation. Static electrolyte alkaline fuel cells A alte ati e to a f ee ele t ol te, hi h i ulates is that, fo ea h ell i the sta k to ha e its own, separate electrolyte that is held in a matrix material between the electrodes. The KOH solution is held in a matrix material, which is usually asbestos. This material has excellent porosity, strength, and corrosion resistance. The system uses pure oxygen at the cathode, and this is almost obligatory for a matrix-held electrolyte, as it is very hard to renew if it becomes carbonated .The hydrogen is circulated, as with the previous system, in order to remove the product water. In the spacecraft systems, this product water is used for drinking, cooking, and cabin humidification 40
  • 41.
    MOBILE ELECTROLYTE TYPE STATICELECTROLYTE ALKALINE FUEL CELL 41
  • 42.
    Advantages  Very highionic conductivity compared to other fuel cells, achieved by using high hydroxide ion concentrations.  Relatively low-cost electrodes compared to the platinum electrodes required for reactions in acidic media Disadvantages They need to be installed in a carbon dioxide free environment. This is to avoid poisoning of the electrolyte. If carbon dioxide comes into contact with the alkaline environment, carbonates are formed. These carbonates are insoluble salts that clog the porous electrodes and block the flow of hydrogen and oxygen, resulting in power failure. To prevent such an event from occurring, the input gasses need to be purified extremely well. Although the technology for purification is fully developed and available, the process adds to the total cost of the fuel cell and makes it less practical. Medium and high temperature fuel cells There are three types of medium- and high-temperature fuel cells they are solid oxide fuel cell, The phosphoric acid electrolyte fuel cell (PAFC), molten carbonate (electrolyte) fuel cell (MCFC). 1.Solid Oxide Fuel Cells. Solid oxide fuel cells (SOFCs) use a solid material, most commonly a ceramic material called yttria-stabilized zirconia (YSZ), as the electrolyte. Because SOFCs are made entirely of solid materials, they are not limited to the flat plane configuration of other types of fuel cells and are often designed as rolled tubes. They require high operating temperatures (800–1000 °C) and can be run on a variety of fuels including natural gas. SOFCs are unique since in those, negatively charged oxygen ions travel from the cathode to the anode instead of positively charged hydrogen ions travelling from the anode to the cathode, as is the case in all other types of fuel cells. Oxygen gas is fed through the cathode, where it absorbs electrons to create oxygen ions. The oxygen ions then travel through the electrolyte to react with hydrogen gas at the anode. The reaction at the anode produces electricity and water as by-products. Carbon dioxide may also be a by-product depending on the fuel, but the carbon emissions from an SOFC system are less than those from fossil fuel combustion plant. The chemical reactions for the SOFC system can be expressed as follow Anode Reaction: 2H2 + 2O − → H2O + 4e− Cathode Reaction: O2 + 4e− → O − Overall Cell Reaction: 2H2 + O2 → 2H2O SOFC systems can run on fuels other than pure hydrogen gas. However, For the fuel cell to operate, the fuel must be converted into pure hydrogen gas. SOFCs are capable of internally reforming light hydrocarbons such as methane (natural gas), propane and butane These fuel cells are at an early stage of development 42
  • 43.
    Challenges exist inSOFC systems due to their high operating temperatures. One such challenge is the potential for carbon dust to build up on the anode, which slows down the internal reforming process.Another disadvantage of SOFC systems is slow start-up time, making SOFCs less useful for mobile applications. Despite these disadvantages, a high operating temperature provides an advantage by removing the need for a precious metal catalyst like platinum, thereby reducing cost. Additionally, waste heat from SOFC systems may be captured and reused, increasing the theoretical overall efficiency to as high as 80%–85%. Intended mainly for stationary applications with an output of 1 kW and larger. They work at very high temperatures (some at 1000ºC). Due to the high operating temperature of SOFC's, they have no need for expensive catalyst. Applications Suitable for decentralized electricity production While the major application of SOFCs are seen in stationary plants, auxiliary power units in • Transportation vehicles • On-board power for aircraft Drawbacks • The high temperature limits applications of SOFC units and they tend to be rather large • While solid electrolytes cannot leak, they can crack. • Complex materials • Assembling • Maintenance • Design Cost & choice of material 43
  • 44.
    Molten Carbonate FuelCell The molten carbonate fuel cell uses a molten carbonate salt as the electrolyte. It has the potential to be fuelled with coal- derived fuel gases, methane or natural gas. These fuel cells can work at up to 60% efficiency In molten carbonate fuel cells, negative ions travel through the electrolyte to the anode where they combine with hydrogen to generate water and electrons. Molten carbonate fuel cells (MCFCs) are currently being developed for natural gas and coal-based power plants for electrical utility, industrial, and military applications. MCFCs are high-temperature fuel cells that use an electrolyte composed of a molten carbonate salt mixture suspended in a porous, chemically inert ceramic lithium aluminum oxide (LiAlO2) matrix. Since they operate at extremely high temperatures of 650ºC and above, no precious metals need not to be used as catalysts at the anode and cathode, reducing costs. Unlike alkaline, phosphoric acid, and polymer electrolyte membrane fuel cells, MCFCs don't require an external reformer to convert more energy-dense fuels to hydrogen. Due to the high temperatures at which they operate, these fuels are converted to hydrogen within the fuel cell itself by a process called internal reforming, which also reduces cost. Although they are more resistant to impurities than other fuel cell types, scientists are looking for ways to make MCFCs resistant enough to impurities from coal, such as sulfur and particulates. Anode Reaction: CO3 - + H → H O + CO + e- Cathode Reaction: CO2 + ½O2 + 2e- → CO3 -2 O e all Cell ‘ea tio : H + ½O → H O 44
  • 45.
    The primary disadvantageof current MCFC technology is durability. The high temperatures at which these cells operate and the corrosive electrolyte used accelerate component breakdown and corrosion, decreasing cell life. Scientists are currently exploring corrosion-resistant materials for components as well as fuel cell designs that increase cell life without decreasing performance. Phosphoric acid Fuel Cell(PAFC) It s a Medium temperature fuel cell. A phosphoric acid fuel cell (PAFC) consists of an anode and a cathode made of a finely dispersed platinum catalyst on carbon and a silicon carbide structure that holds the phosphoric acid electrolyte. Phosphoric acid (H3PO4) is the only common inorganic acid that has enough thermal stability, chemical, and electrochemical stability, and low enough volatility (above about150◦C) to be considered as electrolyte for PAFC. Most importantly, phosphoric acid is tolerant to CO2 in the fuel and oxidant, unlike the alkaline fuel cell In phosphoric acid fuel cells, protons move through the electrolyte to the cathode to combine with oxygen and electrons, producing water and heat. This is the most commercially developed type of fuel cell and is being used to power many commercial premises Phosphoric acid fuel cells use liquid phosphoric acid as an electrolyte the acid is contained in a Teflon-bonded silicon carbide matrix and porous carbon electrodes containing a platinum catalyst. This type of fuel cell is typically used for stationary power generation, but some PAFCs have been used to power large vehicles such as city buses PAFCs are more tolerant of impurities They are 85 percent efficient when used for the co-generation of electricity and heat, but less efficient at generating electricity alone (37 to 42 percent). PAFCs are also less powerful than other fuel cells, given the same weight and volume. As a 45
  • 46.
    result, these fuelcells are typically large and heavy. PAFCs are also expensive. Like PEM fuel cells, PAFCs require an expensive platinum catalyst, which raises the cost of the fuel cell. Fuel and fuel choice. The fuel cell types that have been described in detail so far employ hydrogen as the preferred fuel, on a ou t of its high ea ti it fo the ele t o he i al a ode ea tio it a t e sto ed. Vehi les e plo i g proton exchange membrane (PEM) fuel cells running on hydrogen may therefore be termed zero-emission, because the only emission from the vehicle is water. Unfortunately, hydrogen does not occur naturally as a gaseous fuel, and so for practical fuel cell systems it usually has to be generated from whatever fuel source is locally available. Methane, Ammonia, Methanol, Ethanol, and Gasoline are commonly used to produce Hydrogen The primary fuels that can be directly utilized within fuel cell stacks today are hydrogen, carbon monoxide, methanol, and dilute light hydrocarbons like methane, depending upon the fuel cell type. 46
  • 47.
    The table belowpresents various fuel cell types and the primary fuels that they are amenable to using. Note that the presence of sulfur is not tolerated by fuel cells in general and that the SOFC is the most inherently fuel flexible of the fuel cell types. MCFC units are also quite fuel flexible. a. In reality CO reacts with H2O producing H2 and CO2 and CH4 with H2O reforms to H2 and CO faster than reacting as a fuel at the electrode. b. A fuel in the internal reforming MCFC and SOFC. c. The fact that CO2 is a poison for the alkaline fuel cell more or less rules out its use with reformed fuels H2 is preferable for a closed environment such as space vehicle application. There are sources of H 2-rich gases, such as an off-gas at a chemical plant, that require only fuel cleaning. The fuel choice for small, stationary power plants is pipeline gas (natural gas) due to its availability for multiple commercial, light industrial and residential applications. Liquid fuels for light vehicles could be available like gasoline or methanol (it may have an edge if it proves too difficult to process gasoline). The present infrastructure fuel for heavy vehicles is high sulfur diesel (now ~500 ppm sulfur by weight) but this may change to a nearly sulfur-free diesel as proposed by the EPA. On-board vehicle auxiliary power is increasing dramatically to satisfy consumer convenience demands. Sulfur specification will remain high because the military has to consider worldwide fuel sources. Methanol is the easiest of the potential liquid fuels to convert to hydrogen for vehicle use. It generates CO and H 2 at 250 °C with catalyst (but methanol is from natural gas requiring energy and is more toxic and dangerous than gasoline). Gasoline has many advantages over methanol, but conversion to H 2 requires temperatures in excess of 650 °C with catalyst. Processing Required for Fuels Fuel processing may be defined as the conversion of the raw primary fuel, supplied to a fuel cell system, into the fuel gas required by the stack. Each type of fuel cell stack has some particular fuel requirements. Lower the operating temperature of the stack, the more stringent are the requirements, and the greater the demand placed on fuel processing. For example, fuel fed to a PAFC needs to be hydrogen- rich and contain less than about 0.5% carbon monoxide. The fuel fed to a PEM fuel cell needs to be essentially carbon monoxide free, while both the MCFC and the SOFC are capable of utilizing carbon monoxide through the water-gas shift reaction that occurs within the cell. Additionally, SOFCs and internal reforming MCFCs can utilize methane within the fuel cell, whereas PAFCs and PEMs cannot. It is not widely known that PEMFCs can utilize some hydrocarbons, such as propane, directly, although the performance is poor 47
  • 48.
    Fuel processing technologyFuel cell anode Exhaust Desulphuriser Vapouriser Water Fuel air The diagram shows the main process stages applied to fuel cell processing technology. The main components of fuel processor are Reformer and a shift reactor. Desulphurization: Natural gas and petroleum liquids contain organic Sulphar compounds that normally have to be removed before any further fuel processing can be carried out. Even if Sulphar levels in fuels are below 0.2 ppm, some deactivation of steam reforming catalysts can occur. Shift catalysts are even more intolerant to sulphur and to ensure adequate lifetimes of fuel processors the desulphurization step is very important Some of Fuel processing techniques which are used for the production of hydrogen is mentioned below. They are  Steam Reforming  Partial oxidation  Auto thermal reforming  Plasma reforming  Indirect internal reforming  Direct internal reforming Steam methane Reforming (SMR) Sulphar CH4 CO2 H2 High temp shift Low temp shift Reformer Pre reformer Heat reactionReformerDesulfurization Shift reactionPurification 48
  • 49.
    Steam reforming isa method for producing hydrogen, carbon monoxide, or other useful products from hydrocarbon fuels such as natural gas. This is achieved in a processing device called a reformer which reacts steam at high temperature with the fossil fuel. The steam methane reformer is widely used in industry to make hydrogen. Steam reforming includes catalytic reaction of hydro carbon fuel with steam in o de to li e ate fuel ou d a d ate ou d h d oge Pre-Treatment of the Feed The hydrocarbon feedstock is desulphurised using e.g. activated carbon filters, pressurized and, depending on the reformer design, either preheated and mixed with process steam or directly injected with the water into the reformer. Shift reaction Methane and steam are converted within the compact reformer furnace at approx. 900 °C in the presence of a nickel catalyst to a hydrogen rich reformate stream according to the following reactions CH + H O→ CO + H CO + H O → CO + H The water gas shift reaction is an important industrial reaction; it is often used in steam reforming with methyl or hydrocarbons which is important for producing high purity hydrogen. Partial Oxidation Fuel Sulphar Air N2 CO2 H2 CH4+O2→CO+ H2 A sub-stoichiometric amount of air or oxygen is used to partially combust the fuel. Partial oxidation is highly exothermic, and raises the reactants to a high temperature. The resulting reaction products, still in a reduced state, are then quenched through the introduction of superheated steam. The addition of steam promotes the combined water-gas shift and steam reforming reactions In most cases the overall reaction is exothermic and self-sustaining. Non catalytic processes for gasoline reforming require temperatures in excess of 1,000 °C (special materials). The use of a catalyst can substantially reduce the operating temperature (common materials and higher efficiency). Typical values range from as low as 870 DesulfurizationGasificationAir separation Purification Shift reaction 49
  • 50.
    °C for catalyticPOX upwards to 1,400 °C for non-catalytic POX. Advantages of POX in comparison with SR: POX does not need indirect heat transfer. POX is capable of higher efficiency than SR. Auto thermal Reforming Auto thermal reforming uses oxygen or steam in a reaction with methane to form hydrogen rich gas. The reaction takes place in a single chamber where the methane is partially oxidized. The reaction is exothermic due to oxidation when auto thermal reforming uses CO2 the H2-CO ratio is 2:5:1. Temperature of gas is et ee 9 ˚C a d ˚C a d the outlet p essu e highest at a . Reaction: CH4 + H2O→ CO + H2 or CH4 +O2→ CO2 + 2H2 Auto thermal reforming integrates partial oxidation & steam reforming process. It has low energy requirement and gas velocity. Auto thermal reforming provides a fuel processor compromise that operates at a lower O/C and lower temperature than the POX. It is smaller, quicker starting, and quicker responding than the SR, and results in high H 2 concentration. Plasma reforming of glycerol The plasma configuration is used for producing H2 from glycerol.The anode is made of stainless steel tube with a 1/16th inch tube inside and 1/8th inch tube outside. A hollow needle with an inner diameter of 0.26mm is put inside 1/8 inch tube close to the tip of tube electrode. The feed is fed through the anode with a calibrated pump. The cathode is made of 3/8 inch stainless steel tube with a filter cap over top. The porous structure of the filter cap distributes the plasma on the cathode and allows the gases to pass through it. A catalyst may be put under the filter cap to enhance a specified reaction. For example catalyst water shift reaction can be successfully tested in this o figu atio . The tip of the a ode is the hottest poi t app o i atel 9 ˚C, follo ed plas a zo e ˚C a d the plate ele t ode. Ele t ode te pe atu e is ˚C to ˚C. gl e i a e di e tl decomposed into H2 and CO. a small amount of water(steam) or oxygen (partial oxidation or auto thermal 50
  • 51.
    reforming) is addedin the process to inhibit carbon formation that essentially lead to deactivation of catalyst. Reaction: C3H8O3→ H2+3CO Pure glycerol can be effectively converted into hydrogen and carbon monoxide. Using a non- equilibrium plasma at low temperature and atmospheric pressure without external heating. In a non- equilibrium plasma, high energy electrons are generated and activate the reactance initiating radical reactions, while the work gas phase temperature remains low. The advantage of low temperature is quick startup and free from the catalyst deactivation of these plasma leads to increasing attention for utilization in fuel conservation. Some miscellaneous methods of Hydrogen production  Electrolysis  Thermolysis  Photo catalytic water splitting  Sulphar-iodine cycle  Biohydrogen routes  Fermentative hydrogen production Electrolysis:- Approximately 5.1% industrial hydrogen is produced by electrolysis. Two types of cells which are popular- Solid oxide electrolysis cell and Alkaline electrolysis cell. These cells optimally operate at high concentration electrolyte potassium carbonate and at high temperature. The catalyst used is Zirconium together with Nickel. Photo catalytic water splitting:- The conversion of solar energy to hydrogen by means of water splitting process is one of the most interesting ways to achieve clean and renewable energy system. If this process is assisted by photocatalyst suspended directly in water instead of using photo voltaic and electrolytic system the reaction occurs in one step and it is more effective Sulphar-iodine cycle:- The Sulphar-iodine cycle is a thermo chemical process which generate hydrogen from water at a higher efficiency than water splitting. The Sulphar acid and iodine used in the process and recovered and reused and it is not consumed by the process it is well suited production of hydrogen at high temperature Biohydrogen routes:- Biomass and biowaste can be converted into biohydrogen with biomass gasification with steam reforming or biological conservation like biocatalysed electrolysis or fermentative hydrogen production. Fermentative hydrogen production:- Fermentative hydrogen production is fermentative conservation of organic substrate to biohydrogen by biodiverse group of bacteria using multi enzyme system involving 3 steps similar to anaerobic conversion C6H10O5+7H2O→ H2+6CO2 51
  • 52.
    Fuel Cell Stacks Asingle fuel cell is only capable of producing about 1 volt, so typical fuel cell designs link together many individual cells to form a "stack" to produce a more useful voltage. A fuel cell stack can be configured with many groups of cells in series and parallel connections to further tailor the voltage, current, and power. The number of individual cells contained within one stack is typically greater than 50 and varies significantly with stack design. The basic components of the fuel cell stack include the electrodes and electrolyte with additional components required for electrical connections and/or insulation and the flow of fuel and oxidant. These key components include current collectors and separator plates. The current collectors conduct electrons from the anode to the separator plate. The separator plates provide the electrical series connections between cells and physically separate the oxidant flow of one cell from the fuel flow of the adjacent cell. The channels in the current collectors serve as the distribution pathways for the fuel and oxidant. Often, the two current collectors and the separator plate are combined into a single unit called a "bipolar plate." 52
  • 53.
    Delivering Fuel CellPower We have seen how electricity is generated in a fuel cell. But it has to undergo some variations in order to utilize it properly. There are four technologies that we particularly need to address for this they are. 1. DC Regulation. The electrical output power of a fuel cell will often not be at a suitable voltage, and certainly that voltage will not be constant. Increasing the current causes the voltage to fall in all electrical power generators, but in fuel cells the fall is much greater. Voltage regulators, DC/DC converters, and chopper circuits are used to control and shift the fuel cell voltage to a fixed value, which can be higher or lower than the operating voltage of the fuel cell. 2. Inverters. Fuel cells generate their electricity as direct current, DC. In many cases, especially for small systems, this is an advantage. However, in larger systems that connect to the mains grid, this DC must be converted to alternating current, AC. Single phase Fuel cells will often be used in combined heat and power (CHP) systems in both homes and businesses. In these systems the fuel cell will need to connect to the AC mains grid. The output may also be converted to AC in some grid-independent systems. In small domestic systems, the electricity will be converted to a single AC voltage. In Larger industrial systems, the fuel cell will be linked to a three-phase supply Three phase In almost all parts of the world, electricity is generated and distributed using three parallel circuits, the voltage in each one being out of phase with the next by 120◦. While most homes are supplied with just one phase, most industrial establishments have all three phases available. So, for industrial CHP systems, the DC from the fuel cell will need to be converted to three-phase AC 3. Electric motors. A major area of application for fuel cells is transport, where the electrical power is delivered to an electric motor. In addition, motors are often needed to drive compressors and pumps within a fuel cell system. Most fuel cell systems of power greater than about 1 kW will have at least three electric motors. About 20 electric motors are in a typical modern motor car. Some of the commonly used motors are Induction motor Brushless DC motor Switched reluctance motors 4. Fuel Cell/Battery or Capacitor Hybrid Systems The use of batteries in association with a fuel cell can reduce the cost of a fuel cell–based power system. This is especially the case when powering certain types of electronic equipment. The essence of a fuel cell 53
  • 54.
    hybrid is thatthe fuel cell works quite close to its maximum power at all times. When the total system power requirements are low, then the surplus electrical energy is stored in a rechargeable battery or capacitor. When the power requirements exceed those that can be provided by the fuel cell, then energy is taken from the battery or capacitor. Concept of an Air Supply for Fuel Cells The fuel cell vehicle generates electricity in the fuel cell. Hydrogen from the vehicle tank reacts with oxygen from the surrounding air generating electricity. Water vapour is the only reaction product being emitted. Auxiliary systems supply air and hydrogen in the correct ratio. Like in a standard international combustion engine compression of the intake air leads to an increase in efficiency and power density. In order to reduce costs, current applications avoid batteries with high capacity which could serve as a buffer du i g t a sie ts. Thus, the fuel ell ust p o ide its e e g d a i all a o di g to the d i e s de a d. This requires a highly transient operation of the air supply system, water management, heat management, power conditioning and controls 54
  • 55.
    When the fuelcell uses pure hydrogen as a fuel, the fuel supply system is relatively simple. Pressure in hydrogen storage is always higher than the fuel cell operating pressure, regardless of the type of storage (pressurized gas, liquid, or metal hydride). To reduce the hydrogen pressure to the fuel cell operating pressure, a pressure regulator is needed on the pipeline connecting the fuel storage and the fuel cell. There is no need to regulate the hydrogen flow. Hydrogen is simply consumed by the fuel cell at a rate that is proportional to current generated and replenished from the storage due to the pressure difference. To maintain the membrane hydration, hydrogen must be humidified before entering the fuel cell. Some fuel cell designs do not require external humidification. Hydrogen is humidified internally inside the fuel cell stack using either the water from the cathode side or an external source of water. To remove the water from the anode compartment, hydrogen must be either recirculated while the water is separated and removed or intermittently purged. Recirculation can be accomplished by a pump or ejector. Air supply is more complicated. A blower or a compressor is needed to supply the required amount of air at the desired pressure. Automotive fuel cell systems operate at pressures between atmospheric and 3 atm to 4 atm. In a pressurized system, the pressure is maintained by the backpressure regulator at the air outlet. Air must also be humidified to prevent drying of the inlet portion of the membrane. This water together with product water generated on the cathode side must be expelled from the fuel cell stack with the excess flow of air. A water separator at the fuel cell outlet removes water from the depleted air. In most of the temperature/pressure combinations, the amount of liquid water collected at the cathode outlet is sufficient for humidification of both reactant gases. Although a higher operating pressure results in better fuel cell performance, the choice of operating pressure is not that straightforward. A fuel cell performance gain at elevated pressure might be offset by the parasitic power needed to run an air compressor. Because of these parasitic losses, the systems operating at low pressure are usually more efficient than the pressurized systems. However, a low- pressure system needs more water for humidification. To be able to preserve neutral water balance, the system has to be operated at a lower temperature or additional water recovery equipment must be a part of the system. Either way, a low-pressure system needs larger water and heat management equipment. The desired fuel cell operational temperature (typically between 60 °C and 80 °C) is maintained by flowing a coolant through the fuel cell stack. Some systems use deionized water for cooling, but to prevent freezing, antifreeze coolant is preferred to water. The heat is then ejected from the coolant to the environment through a radiator type heat exchanger. The fuel cell radiator is usually much larger than an internal combustion engines adiato e ause of the fuel ell s lo e ope ati g te pe atu e. Water is collected from the anode and cathode exhausts and then used to (re)humidify the inlets. Several humidification schemes have been proposed and used in fuel cell automobiles, such as: • Membrane humidifiers in which reactant gas flows across a wetted membrane. The membrane is kept wetted by the flow of hot water. This humidifier can be external or internal, i.e. an integral part of the stack. • Membrane humidifiers in which the membrane is kept wetted by the exhaust gas saturated with water vapor. • In-stack humidification using porous bipolar plates. For obvious reasons, this method is feasible only for the systems operating at low pressure. • Spray humidifiers where the exact amount of water is injected into the reactant gas. The heat for evaporation of this water must also be supplied (for example, using fuel cell coolant). • Steam injectors, where the exact amount of steam is injected in the reactant gas. The steam is also a heat carrier, and no additional heat is required; however, heat must be used to generate the steam. A fuel cell system does not require any sophisticated control schemes. The only parameters that must be actively controlled are air supply, humidification, and operating temperature. Air supply is controlled by a 55
  • 56.
    variable-speed compressor withmechanically (potentiostat) or electronically (PID loop) controlled motor speed. Humidification is controlled either passively by the flow of reactant gas or actively with a computer controlled metering pump or solenoid valve. The temperature of the system is regulated in the same fashion as in an internal combustion engine vehicle, i.e. by on-off or multistage radiator fan or fans. Comparison of High pressure and low pressure operation of PEM fuel cell system PEM direct-hydrogen fuel cell (DHFC) system using a high-pressure air supply (compressor) versus one using a low-pressure air supply (blower) is explained below Over the past few years, a great deal of papers has focused on the optimal working pressure level of a fuel cell stack. They have shown that for automotive applications, working pressures a ou d − a a e to be preferred to low pressure. However, most fuel cell systems manufacturers prefer to u thei s ste s − kW at a p essu e slightl a o e the at osphe i p essu e o l to o e o e the pressure drop in the fuel cell. Low pressure fuel cells have the drawbacks to be more heavy and voluminous than the high pressure ones, but they do not require an air compressor; a blower, which is less expensive and power consuming, is enough. High working pressures have shown many advantages but also some drawbacks: on the one hand the stack cell voltage (i.e., efficiency) is increased due to an increased oxygen partial pressure but on the other hand the compression creates more parasitic losses (i.e., voltage drop). These parasitic losses come from the power consumption of the compressor which can represent 20 % or 25 % of the fuel cell electric gross power. Fig. shows the influence of the working pressure on voltage change of one cell v-air ratio It can been seen that for this fuel cell, the optimal pressure is around 2 bar for an air excess ratio of 2.For an air excess ratio greater than 3, the voltage change of the fuel is always negative. However, stacks designed for high working pressures are smaller and consequently less expensive. Some comparisons between high and low pressure stacks have been made and they show interesting results: for a 86 kW net power stack, taking into account the compressor consumption, the size of a low-pressure stack (with a blower) is increased by 16.3 % compared to a high pressure one. However, this study is made under the assumption that the blower and the compressor have the same volume, which is not obvious in any case. Working at a high pressure improves the water management, because less water is needed to achieve the same level of humidity since the amount of water and energy for heating and vaporization required for the humidification is reduced to nearly one third, if the pressure level is increased 56
  • 57.
    from atmospheric pressureto 4 bar. Fig. 5 shows how much water is needed to achieve a given humidity level for different working pressures. Finally, the optimal pressure taking into account the power consumption and the humidification level is around 2.0 − 2.5 bar Fuel Cell Auxiliary Systems Air has to be moved around fuel cell systems for cooling and to provide oxygen to the cathode. Fuel gas often has to be pumped around the anode side of the fuel cell. To do this following auxiliary devices are used:  Compressors  Turbines  Ejector Circulators  Fans and Blowers  Membrane/Diaphragm Pumps Compressor Reciprocating compressors, positive displacement type rotary blowers, Roots type blower, centrifugal compressor, for various applications. The following is a brief discussion of each type and its main field of application. 1) Reciprocating compressor: Reciprocating piston compressors are very rarely used nowadays except for some stationary installations. It is quite bulky and heavy. Though reciprocating compressor allows a high compression ratio to be obtained and its isentropic efficiency is about 75-85%, the speed is limited. This increases the weight of the compressor. 2) Vane blower: It is a positive displacement rotary blower. This consists of a rotor rotating in a large cylindrical casing. The rotor, which has four slots, remains in contact with the casing at least at one point all the time. The access of the rotor is mounted eccentrically. 57
  • 58.
    3) Lysholm compressor:It is an another type of positive displacement rotary compressor called Lysholm compressor. The air is admitted at one end of the compressor and trapped between helical rotors and the casing. The screw action of the rotors displaces the air axially. 4) Roots blower: It consists of two cylindrically shaped lobes rotating in opposite direction in a common housing. Air enters the space between the rotor lobes at inlet and is carried around the rotor to discharge port. 58
  • 59.
    5) Centrifugal Compressor:Centrifugal compressor consists of an impeller rotating in a close fitted asi g. The ai e te s the hu of the i pelle a d is tu ed 9 ˚ the adial a es. High velocity air from the tip of the radial vanes is passed to a diffuser or volute where the pressure is raised and air is supplied to the engine. Turbines A turbine is a rotary mechanical device that extracts energy from a fluid flow and converts it into useful work. A turbine is a turbo machine with at least one moving part called a rotor assembly, which is a shaft or drum with blades attached. Moving fluid acts on the blades so that they move and impart rotational energy to the rotor. Early turbine examples are windmills and waterwheel Fuel cells usually output warm or hot gases. Fuel reformers do likewise. This energy can be harnessed with a turbine. The turbine will frequently be used to turn a compressor to compress the incoming air or fuel gas. In a few cases, there may be excess power, and in such cases a generator can be fitted to the same shaft. There are only two types of turbines worth considering. The first is the centripetal or radial, which is essentially the inverse of the centrifugal compressor considered above. This is the preferred choice unless the powers concerned are over about 500 kW, when the axial turbine used as standard in gas and steam turbine power generation sets may be considered. Fans and Blowers For straightforward cooling purposes, fans and blowers are available in a huge range of sizes. The normal axial fan, such as we see cooling all types of electronic equipment, is an excellent device for moving air, but only against very small pressures. The centrifugal fan, such as we often see being used to blow the air in heating units, would be used normally. These draw air in and throw it out sideways. They are not totally different from the centrifugal compressors, but turn at much slower speeds (by a factor of several hundred), have much longer blades, and a much more open construction. The e a e t o ai t pes, the a k a d u ed a d the fo a d u ed e t ifugal lo e s. These names relate to the shape of the blades, as is shown in Figure 9.12 opposite. The forward curved 59
  • 60.
    blade gives ahigher throughput of air, but with a lower maximum back pressure – around 3 cm of water being a typical value. This type of blower is used to drive the cooling air through small- to medium-sized PEM fuel cells. The backward curved impeller is more suitable in cases where a higher pressure is needed, but we accept a lower flow rate. This type of blower is used for feeding air to furnaces, and might well be suitable for blowing the reactant air to small- and medium-sized PEM fuel cells Ejector Circulators The ejector is the simplest of all types of pumps. It has no moving parts. They are widely used in hydrogen fuel cells where the hydrogen is stored at pressure. A simple ejector is shown in Figure. A gas or liquid passes through the narrow pipe A into the venturi B. It acquires a high velocity at B and hence produces suction in pipe C.Clearly, for this to work, the fluid from A must be at a higher pressure than that in C/B/D, otherwise it would not eject from pipe A at high velocity. The fluid entering at A does not have to be the same as that in pipe C/B/D. The most common use of the ejector is in steam systems, with steam being the fluid passing through the narrow pipe and jet A. In fuel cell systems in which, for example, the hydrogen fuel is circulated by an ejector as in Figure the gas is supplied at high pressure at A, and in the ejector the energy of the expanding gas draws the gas from the fuel cell at C and sends it on through D back to the fuel cell. The pressure difference generated will be enough to drive the gas through the cell as well as through any humidifying equipment. 60
  • 61.
    Membrane/Diaphragm Pumps A Diaphragmpump is shown above. There is a membrane also called diaphragm which separates the air and water. When air is supplied at one end the membrane deforms and pushes down the water causing the pumping effect Small- to medium-sized PEM fuel cells are liable to be an important market for fuel cells in portable power systems. A problem with these cells is the pumps for circulating the reactant air, and the hydrogen fuel, if not dead-ended. In compact designs of, say, 200W to 2 kW, the back pressure of the reactant air is liable to be around 10 kPa, equivalent. to about 1m of water, or 0.1 bar. This is too great for the blowers and fans we have just been considering. On the other hand the flow rates are too low for the commercial blowers and compressors we considered in the earlier sections of this chapter. Another type of pump is needed. The main features of these pumps should include the following: • Low cost • Silent • Reliable when operated continuously for long periods • Able to operate against pressures of about 10 kPa (1m water) • Available in a suitable range of sizes • Efficient, low power consumption AIR COMPRESSION VEHICLES Compressed air systems consist of a supply side, which includes compressors and air treatment, and a demand side, which includes distribution and storage systems and end -use equipment. A properly managed supply side will result in clean, dry, stable air being delivered at the appropriate pressure in a dependable, cost-effective manner. A properly managed demand side minimizes wasted air and uses compressed air for appropriate applications. Improving and maintaining peak compressed air system performance requires addressing both the supply and demand sides of the system and how the two interact Main Components of Compressed Air Systems Compressed air systems consist of following major components: Intake air filters, inter-stage coolers, after- coolers, air-dryers, moisture drain traps, receivers, piping network, filters, regulators and lubricators. 61
  • 62.
    Intake Air Filters:Prevent dust from entering a compressor; Dust causes sticking valves, Scoured cylinders, excessive wear etc. Inter-stage Coolers: Reduce the temperature of the air before it enters the next stage to reduce the work of compression and increase efficiency. They are normally water-cooled. After-Coolers: The objective is to remove the moisture in the air by reducing the temperature in a water- cooled heat exchanger. Air-dryers: The remaining traces of moisture after after-cooler are removed using air dryers, as air for instrument and pneumatic equipment has to be relatively free of any moisture. The moisture is removed by using adsorbents like silica gel /activated carbon, or refrigerant dryers, or heat of compression dryers. Moisture Drain Traps: Moisture drain traps are used for removal of moisture in the compressed air. These traps resemble steam traps. Various types of traps used are manual drain cocks, timer based / automatic drain valves etc. Receivers: Air receivers are provided as storage and smoothening pulsating air output -reducing pressure variations from the compressor TYPES OF COMPRESSORS USED Two basic compressor types: positive-displacement and dynamic. In the positive-displacement type, a given quantity of air or gas is trapped in a compression chamber and the volume it occupies is mechanically reduced, causing a corresponding rise in pressure prior to discharge. At constant speed, the air flow remains essentially constant with variations in discharge pressure. Dynamic compressors impart velocity energy to continuously flowing air or gas by means of impellers rotating at very high speeds. The velocity energy is changed into pressure energy both by the impellers and the discharge volutes or diffusers. In the centrifugal-type dynamic compressors, the shape of the impeller blades determines the relationship between air flow and the pressure (or head) generated. 62
  • 63.
    AIR POWERED VEHICLES Inthe present energy scenario the fossil fuel sources are fast depleting and their combustion products are causing global environmental problems. So it is inevitable to shift towards the use of renewable energy resources which in turn will reduce pollution and saves fossil fuels. Air Powered Engine is an alternative technology which uses compressed air to run the engine and thus eliminates the use of fossil fuels. Exhaust temperature of it will be slightly less than atmospheric temperature (i.e. 20-25°C) and thus helps in controlling global warming and reducing temperature rise caused due to other means. As we are going to convert the already existing conventional engine into an air powered one, this new technology is easy to adapt. Another benefit is that it uses air as fuel which is available abundantly in atmosphere. Apart from above other technical and economic benefits are as follows: Technical benefits: • The temperature of the engine while working will be slightly less than the ambient temperature. • Smooth working of the engine due to very less wear and tear of the components. • There is no possibility of knocking. • No need of cooling systems and spark plugs or complex fuel injection systems. Economic benefits: • No use of expensive fossil fuels as the free air is compressed and taken to use. • For this reason people can easily shift to the new technology. • Compressors use electricity for generating compressed air which is relatively much cheaper and widespread. • Smooth working will lead to less wear & tear, so lesser maintenance cost 63
  • 64.
    Detail Working ofan air fuel Engine Operation: Initial torque is supplied from the DC exciter motor, and then the engine operation starts. Stage 1: When the piston is in the TDC, compressed air is injected through the pulsed air firing valve, which pushes the piston to BDC Stage 2: Due to the motion of the engine and its inertia, the piston moves back to TDC, pushing the air out of the valves. The plunger of the pulsed firing valve is controlled by a timing circuit which is specifically a PLC programmed circuit. It supplies the electronic signals by which the plunger moves so that it opens and closes the pulsed firing valve On comparing it with the working of normal SI 4 stroke engine, we can say that: “tage of the ai e gi e o p ises of the combined ope atio of “u tio stage a d Po e stage of the normal 4 stroke SI engine. “tage of the ai e gi e o p ises of the o i ed ope atio of the Co p essio stage a d E haust stage of the o al st oke “I e gi e. 64
  • 65.
    I co parisoto petrol or diesel po ered ehicles air po ered ehicles ha e follo i g ad a tages:  Air on its own is non-flammable, abundant, economical, transportable, storable and, most importantly, nonpolluting. Compressed air technology reduces the cost of vehicle production by about 20%, because there is no need to build a cooling system, fuel tank, spark plugs or silencers.  High torque for minimum volume. The mechanical design of the engine is simple and robust. Low manufacture and maintenance costs as well as easy maintenance. Lighter vehicles would mean less abuse on roads, thus, resulting in longer lasting roads.  The price of fueling air powered vehicles will be significantly cheaper than current fuels. When the air is being compressed at reasonable speeds, it heats up. The heat given off during compression could be reclaimed for space heating or water heating, or used in a stirling engine.  Transportation of the fuel would not be required due to drawing power off the electrical grid. This presents significant cost benefits. Pollution created during fuel transportation would be eliminated. Compressed-air vehicles are comparable many ways even to electric vehicles and their potential advantages over electric vehicles include:  Compressed-air vehicles are unconstrained by the degradation problems associated with current battery systems.  Much like electrical vehicles, air powered vehicles would ultimately be powered through the electrical grid which makes it easier to focus on reducing pollution from one source, as opposed to the millions of vehicles on the road.  Compressed-air tanks can be disposed of or recycled with less pollution than batteries. The tank may be able to be refilled more often and in less time than batteries can be recharged, with refueling rates comparable to liquid fuels.  The tanks used in a compressed air motor have a longer lifespan in comparison with batteries, which, after a while suffer from a reduction in performance. Automated Vehicles In the context of smart vehicles, there are two main areas in which rapid technological developments are occurring, defined as Automated Vehicles (AVs) and Connected Vehicles (CVs). The developments in CVs and AVs are occurring largely independently, although convergence of the two areas will be required for full automation of vehicles. AVs are vehicles where some aspects of a safety critical control function such as steering, throttle control or braking occurs without direct driver input. Vehicles that provide safety warnings to drivers (for example forward crash warning) but do not perform a control function are, in this context, not considered automated, even though the technology necessary to provide that warning involves varying degrees of automation (e.g. the necessary data is received and processed, and the warning is provided without any driver input). AVs use on-board sensors, cameras, GPS and telecommunications to obtain and analyze information using complex computer algorithms, and respond appropriately by effectuating control in safety- iti al situatio s. The idel k o Google self- d i i g a , is a e a ple of a AV. 65
  • 66.
    Automated or SelfGuided Vehicles (AGV/SGV) used in industries are computer- o t olled d i e less o ile ehi les o all atte ope ated e uipped ith opti al, magnetic or laser guidance systems for automated functionality, categorized as either load carrying (forked, mandrel, unit load deck, etc) or load towing (tugger, tow train). Automated Guided Vehicles are recommended for applications wherein long-distance horizontal transport of materials is required from or to multiple destination points and/or the requirements for material transport include repetitive/predictable and/or dangerous tasks. AGVs also have several advantages inherent to their design, such as the reduction of product damage from removal of human error, the ability to travel into hazardous areas without concern for operator safety, the ability to automatically track and record product movement, the reduction of labor, and the flexibility and adaptability especially prevalent in laser guided systems. AHS refers to a set of designated lanes on a limited access roadway where specially equipped vehicles are operated under completely automatic control.This is done using sensors that se e as the ehi le s e es, determining lane position and the speed and location of other vehicles. Actuators on the throttle, brake, and steering wheel give the vehicle the commands that a driver normally would. AHS vehicles often also have equipment to communicate with other AHS vehicles. The vehicles and highway cooperate to coordinate vehicle movement, avoid obstacles and improve traffic flow, improving safety and reducing congestion. In sum, the AHS concept combines on-board vehicle intelligence with a range of intelligent technologies installed onto existing highway infrastructure and communication technologies that connect vehicles to highway infrastructure. The concept of an Automated Highway has been around for a long time. General Motors displayed a working model of an automated highway at the 1939 Wo ld s Fai i Ne Yo k Cit . Automated t ai s ha e ee i use si e the 9 s. But it has not been until recently that the technology has become available to build automated highways and vehicles The System Concept and Technologies Concepts of Automated Highway System (AHS) can be classified into two groups, partially automated systems and fully automated systems, depending on the extent of the automation. Partially automated systems include notification and warning systems, temporary emergency controls and continuous partial controls, which take limited control of the vehicle in emergency situations. They automate certain routine parts of driving but rely on manual control for most driving functions. Fully automated driving would let drivers be totally disengaged from all driving tasks. The National Automated Highway System Consortium (NAHSC) defined several alternative AHS concepts, from cooperative to fully automated, depending on the degree to which vehicles and infrastructure work together. 66
  • 67.
    Benefits of AutomatedHighway system Element Benefits Roadway capacity More vehicles can be accommodated on the highway. The number of vehicles per hour per lane can be significantly increased as traffic speeds are standardized and increased and headway distances are decreased. It is expected that two to three times more vehicles could be accommodated through elimination of inefficiencies caused by inattentiveness, merging, weaving, and lane changing Safety Driving safety will be significantly greater than at present. The human error factor will be removed. Some estimates state that overall 50 percent improvement can be realized with AHS application Weather Weather and environmental conditions will impact little on high performance driving. Fog, haze, blowing dirt, low sun angle, rain, snow, darkness, and other conditions affecting driver visibility and thus, safety and traffic flow will no longer impede progress Mobility All drivers using AHS can be safe, efficient drivers. AHS offers enhanced mobility for People with disabilities, the elderly, and less experienced drivers. Energy consumption and air quality Fuel consumption and emissions can be reduced. In short term, these reductions will be accomplished because started-and-stop driving will be minimized and because onboard sensors will be monitored to ensure that the vehicle is operating at top performance. In the long term, the AHS can support future vehicle propulsion/fuel designs Land use Land can be used more efficiently. Roads will not need to take up as much room, since AHS facilities should allow for more effective use of the right of way. Commercial and transit efficiency and economic gains More efficient commercial operations and transit operations. Commercial trucking can realize better trip relia ilit to suppo t just-in-ti e deli e . A d, t a sit ope atio s can be automated, extending the flexibility and convenience of the transit option to increase ridership and service Travel time savings and economic gains Travel time savings: AHS can restore free-flow travel conditions from congested speeds in urban highway travel, thereby reducing the travel times. In addition, for long-distance i te it t a el, it pe itted highe uisi g speed tha toda s d i i g. The efo e, ti e that AHS frees up could be used for other purposes The Global Positioning System (GPS) The Global Positioning System (GPS) is a satellite-based navigation system made up of a network of 24 satellites placed into orbit by the U.S. Department of Defense. GPS was originally intended for military applications, but in the 1980s, the government made the system available for civilian use. GPS works in any weather conditions, anywhere in the world, 24 hours a day. There are no subscription fees or setup charges to use GPS 67
  • 68.
    How it works GPSsatellites circle the earth twice a day in a very precise orbit and transmit signal information to earth. GPS receivers take this information and use triangulation to calculate the user's exact location. Essentially, the GPS receiver compares the time a signal was transmitted by a satellite with the time it was received. The time difference tells the GPS receiver how far away the satellite is. Now, with distance measurements from a few more satellites, the receiver can determine the user's position and display it on the unit's electronic map. A GPS receiver must be locked on to the signal of at least three satellites to calculate a 2D position (latitude and longitude) and track movement. With four or more satellites in view, the receiver can determine the user's 3D position (latitude, longitude and altitude). Once the user's position has been determined, the GPS unit can calculate other information, such as speed, bearing, track, trip distance, distance to destination, sunrise and sunset time and more. The GPS satellite system The 24 satellites that make up the GPS space segment are orbiting the earth about 12,000 miles above us. They are constantly moving, making two complete orbits in less than 24 hours. These satellites are travelling at speeds of roughly 7,000 miles an hour. GPS satellites are powered by solar energy. They have backup batteries onboard to keep them running in the event of a solar eclipse, when there's no solar power. Small rocket boosters on each satellite keep them flying in the correct path. Facts about the GPS satellites (also called NAVSTAR, the official U.S. Department of Defense name for GPS): • The first GPS satellite was launched in 1978. • A full constellation of 24 satellites was achieved in 1994. • Each satellite is built to last about 10 years. Replacements are constantly being built and launched into orbit. • A GPS satellite weighs approximately 2,000 pounds and is about 17 feet across with the solar panels extended. • Transmitter power is only 50 watts or less. Satellite control vehicle The Google Driverless Car is like any car, but: • It can steer itself while looking out for obstacles. • It can accelerate itself to the correct speed limit. • It can stop and go itself based on any traffic condition. • It can take its passengers anywhere it wants to go safely, legally, and comfortably. 68
  • 69.
    COMPONENTS: Integrates Google Mapswith various hardware sensors and artificial intelligence software 1. Google Maps Provides the car with road information • Google Maps interacts with GPS and acts like a database. Speed Limits. • Upcoming intersections. • Traffic Report. • Nearby collisions. 2.Hardware Sensors Provides the car with real time environment condition • The hardware sensors gives real time environmental properties. • Environment is dynamic so need real time results. • Sensors attempt to create fully observable environment.  VIDEO CAMERA: Detects upcoming traffic light.  DISTANCE SENSOR: Allow the car to "see" far enough to detect nearby or upcoming cars or obstacles  POSITION ESTIMATOR(Wheel Encoder): Determines vehicle's location and keeps track of its movements 69
  • 70.
    LIDAR It is theheart of the system. LIDAR (Light Detection and Ranging, also LADAR) is an optical remote sensing technology that can measure the distance to, or other properties of a target by illuminating the target with light, often using pulses from a laser. Scanning distance of 60 meters (~197 feet) ARTIFICIAL INTELLIGENCE Google Maps and the hardware sensors data are sent to the AI. AI then determines:  how fast to accelerate  when to slow down/stop  when to steer the wheel Some facts about Google Driverless car  Nevada 1st state to allow driverless vehicles can be legally operated on public roads  There are 6 Google Driverless Cars now. 5 Toyota Prius and 1 Audi TT  Total miles 140,000 miles with occasional human intervention 70
  • 71.
    MODULE III Concealed Headlights Avehicle equipped with a concealed headlight system hides the lamps behind doors when the headlights are turned off. When the headlight switch is turned to the HEADLIGHT position, the headlight doors open. Early systems used vacuum-controlled doors. Today most systems use electric motors. Electronically-Controlled Headlight Systems The body control module (BCM) has been utilized by some manufacturers to operate the Concealed headlight system. The BCM will receive inputs from the headlight and flash-to-pass switches. When the headlight switch is turned on, the BCM receives a signal that the headlights are being activated. To open the headlight doors, the BCM energizes the open door relay. The contacts of the open relay are closed and battery voltage is applied to the door motor. In this example, battery voltage to operate the door motor is supplied from the 30-ampere circuit breaker. The computer energizes the door open relay, which moves the normally open relay contact arm. Ground is provided through the door close relay contact 71
  • 72.
    LED Lighting LED displayshave been used for many years in dashboards and other instrument-type applications. However, until recently, LEDs were not expected to be used for replacing bulbs in lighting applications. LEDs provide much higher reliability and lower power consumption, as well as requiring less maintenance. Recent advances in brightness and colour availability are leading to the use of LEDs in place of incandescent lamps. It currently takes a cluster of LEDs to match the light output of an ordinary bulb, but the LED cluster only consumes about 15% of the power for the same light output. Incandescent lamps need replacing after about 1000 hours where as LEDs will last up to 100 000 hours. Recently, due to the advent of galliu it ide GaN a d i diu doped galliu it ide I GaN , supe - ight LEDs a e sta ti g to epla e incandescent bulbs. LEDs will continue to become more popular for less traditional uses. Light emitting diode (LED) displays were first produced commercially in 1968. Almost from this time there has been speculation as to possible vehicle applications. Such LEDs have certainly found applications in the interior vehicle, particularly in dashboard displays. The advantages of LED lighting are clear, the greatest being reliability. LEDs have a typical rated life of over 50 000 hours, compared with just a few thousand for incandescent lamps. Extreme variations in temperature and humidity as well as serious shocks and vibration have to be endured. A further advantage is that they turn on quicker than ordinary bulbs. This turn-on time is important; the times are about 130milliseconds for the LEDs, and 200 milliseconds for bulbs. Light-emitting diode displays If the PN junction of a diode is manufactured from gallium arsenide phosphide (GaAsP), light will be emitted from the junction when a current is made to pass in the forward-biased direction. This is a light emitting diode (LED) and will produce red, yellow or green light with slight changes in the manufacturing process. LEDs are used extensively as indicators on electronic equipment and in digital displays. They last for a very long time and draw only a small current. LED displays are tending to be replaced for automobile use by the liquid crystal type display, which can be backlit to make it easier to read in the daylight. However, LEDs are still popular for many applications. The actual display will normally consist of a number of LEDs arranged into a suitable pattern for the required output. This can range from the standard seven-segment display to show numbers, to a custom-designed speedometer display. Advantages of LED’s  Very low voltage and current are enough to drive the LED.  Voltage range – 1 to 2 volts.  Current – 5 to 20 mill amperes.  Total power output will be less than 150 mill watts.  The response time is very less – only about 10 nanoseconds.  The device does not need any heating and warm up time.  Miniature in size and hence light weight.  Have a rugged construction and hence can withstand shock and vibrations.  An LED has a life span of more than 20 years. 72
  • 73.
    Electrochromic mirrors Electrochromic mirrorsautomatically adjust the amount of reflectance based on the intensity of glare. This process is similar to that used by photo-gray or photo-chromic sunglasses. If the glare is heavy, the mirror darkens about 6% reflectively. The electrochromic mirror has the advantage of providing a comfort zone where the mirror will provide 20% to 30% reflectively. When no glare is present, the mirror changes to the daytime reflectivity rating up to 85%. The reduction of the glare by darkening of the mirror does not impair visibility. Electrochromic mirrors can be installed as the outside mirrors or inside mirrors. The mirror is constructed of a thin layer of electro chromic material that is placed between two plates of conductive glass. There are two photo cell sensors that measure light intensity in front and in back of the mirror. During night driving the headlight beam striking the mirror causes the mirror to gradually become darker as light intensity increases. The darker mirror absorbs the glare A block diagram of the EC mirror glass and associated electronics is shown in the figure. Two photosensitive resistors are used to determine the lighting levels. One photo resistor faces the rear window and senses the light level falling on the mirror glass. The other photo resistor faces the wind screen and senses the ambient light level seen by the driver. Based on the difference between these two light levels a differential amplifier module produces an output. The electronic module applies a bias voltage to the mirror electrodes when the light level falling on the rear-facing sensor exceeds a certain percentage of the ambient light level. This voltage causes a flow of ions from the electrolyte into the front electrodes, which darkens the EC glass, thereby reduces the amount of light reflection from the mirror. The amount of darkening is proportional to the bias voltage, and hence it is dependent on the difference in light levels falling on the two sensors. 73
  • 74.
    Automatic Rearview Mirror Somemanufacturers have developed interior rearview mirrors that automatically tilt when the intensity of light that strikes the mirror is sufficient enough to cause discomfort to the driver. The system has two photocells mounted in the mirror housing. One of the photocells is used to measure the intensity of light inside the vehicle. The second is used to measure the intensity of light the mirror is receiving. When the intensity of the light striking the mirror is greater than that of ambient light, by a predetermined amount, a solenoid is activated that tilts the mirror. Daytime Running Lamps (DRL) The basic idea behind day time running light is dimly lit head lamps during the day. This allows the drivers to see the vehicle from a distance. Manufactures have taken many different approaches to achieve this lighting. Most have a control module or a relay that turns the light on when the engine is running and allows normal headlamp operation when the driver turns on the headlights. Most have a control module or relay (Figure) that turns the lights on when the engine is running and allows normal headlamp operation when the driver turns on the headlights. Daytime running lamps generally use the high- beam or low-beam headlight system at a reduced intensity. The dimmer headlight is obtained by passing the normal headlight current through a resistor during daylight hours. The resistor reduces the available voltage and current to the headlights. The resistor is bypassed during normal headlamp operation. Some systems use a control module which uses pulsed current to the high beam lamps. Pulse width modulation reduces the illumination level of the high beams to less than a normally operating low beam light. 74
  • 75.
    Adaptive headlight system(AHS) The adaptive headlight system (AHS) is designed to enhance night-time safety by turning the headlight beams to follow the direction of the road as the vehicle enters a turn (Figure 12-15). This provides the driver additional reaction time if approaching any road hazards. Conventional fixed headlights illuminate the road straight in front of the vehicle only. On turns, the light beam can shine onto oncoming traffic or leave the road beyond the turn in darkness. The AHS uses headlight assemblies that swivel into the direction the vehicle is steering. This provides a 90% improvement in illumination of the road so obstacles become visible sooner. The AHS uses sensors that measure vehicle speed, steering angle, and yaw (degree of rotation around the vertical axis). Based on this information, small electric motors turn the headlights so the beam falls on the road ahead, guiding the driver into the turn. The headlights can follow the bends of the road through an arc of 15 degrees. The headlight located on the side of the vehicle opposite the direction of turn will rotate about 7 degrees Head-up displays One of the main problems to solve with any automobile instrument or monitoring display is that the driver has to look away from the road to see the information. Also, in many cases, the driver does not actually need to look at the display, and hence could miss an important warning such as low oil pressure. Many techniques can be used such as warning beepers or placing the instruments almost in view, but one of the most innovative is the head-up display (HUD). Figure shows the principle of a head-up display. Information from a display device, which could be a CRT (cathode ray tube), is directed onto a partially reflecting mirror. The information displayed on the CRT would therefore have to be reversed for this system. Under normal circumstances the driver would be able to see the road through the mirror. The brightness of the display would, of course, have to be adjusted to suit ambient lighting conditions. A great deal of data could be presented when this system is computer controlled. 75
  • 76.
    The head-up controlmodule is mounted in the top of the instrument panel. This module contains a computer and an optical system that projects images to a holographic combiner integrated into the i dshield a o e the odule. The holog aphi o i e p oje ts the i ages i the d i e s ie just a o e the front end of the hood. The HUD contains the following displays and warnings. 1) Speedometer reading with USC/metric indicator 2) Turn signal indicators 3) High beam indicator 4) Check gauges indicator The head-up control switch contains a head-up display on/off switch, USC/metric switch, and a head-up dimming switch. The head-up dimming switch is a rheostat that sends an input signal to the head- up module. The vertical position of the head-up display may be moved with one of the switches in the control switch assembly. This switch is connected through a mechanic cable-drive system to the head-up module. Moving the vertical position switch moves the position of the head-up module. Travel information systems The travel information system can be a simple calculator that computes fuel economy, distance to empty, and remaining fuel. Other systems provide a much larger range of functions. Fuel data centers display the amount of fuel remaining in the tank and provide additional information to the driver. By depressing the RANGE button, the body computer calculates the distance until the tank is empty by using the amount of fuel remaining and the average fuel economy. When the INST button is depressed, the fuel data center displays instantaneous fuel economy. The display is updated every half second and is computed by the BGM. Depressing the AVG button displays average fuel economy for the total distance travelled since the reset button was last pushed. FUEL USED displays the amount of fuel used since the last time this function was reset. The RESET button resets the average fuel economy and fuel used calculations. The function to be reset must be displayed on the fuel data center. 76
  • 77.
    The system illustrateduses the fuel sender unit and ignition voltage references as input for calculating furl data functions. Other inputs can include speed and fuel flow sensors. Deluxe systems may incorporate additional features such as outside temperature, compass, elapsed time, estimated time of arrival, distance to destination, day of the week, time, and average speed. The illustration (Figure 13-31) shows the inputs that are used to determine many of these functions. On Board Navigational systems Many manufacturers offer navigational systems as an option on their higher line vehicles. These systems use satellites to direct drivers to their desired destinations. Many navigational systems are integrated in the vehicle radio. Regardless of the display method, most navigational systems use a GPS 77
  • 78.
    a te a,to dete i e the ehi le s lo atio latitude and longitude coordinates, and a gyroscope to determine vehicle turns. Usually map data, provided on a DVD, and navigation information are displayed on a thin film transistor, liquid crystal display (TFT, LCD) color screen. Voice prompts can be sent through the audio system speakers. Most systems will provide at least some of the following features: ■ Full-screen map display. ■ Vehicle location and route guidance. ■ Turn-by-turn distance in feet or meters. ■ Points of interest en route. ■ The storage of favorite routes and locations. ■ The storage of recent routes. During most conditions, the gyroscope, data bus information, and the map data locate the vehicle on the displayed map. If the vehicle is traveling in an unmapped area, the system uses the GPS data. The navigational system can also be incorporated into a vehicle-tracking system. If the vehicle is stolen, its whereabouts can be tracked using the satellite. If the navigational system is tied to the hands-free cell phone system, the driver can get on-road assistance in the event of a problem. For example, if the driver locks the keys in the vehicle, he can call the assistance line and the representative can send a signal to unlock the doors. If the air bags deploy, the system can automatically send a signal of this event. A representative from the tracking subscription company will attempt to get in touch with the vehicle occupants to see if assistance is required. Emergency personnel can be dispatched because the satellite system informs the representative of the exact location of the vehicle ON-BOARD DIAGNOSTICS The pie e of oded i fo atio that is sto ed is k o as a fault ode o diag osti t ou le ode ofte abbreviated to DTC). It will be evident that these DTCs are a valuable source of information when trouble occurs and it is necessary for us to consider the methods that are available which provide access to them. It is o th e tio i g at this poi t, that tools a e a aila le that pe it the eadi gs that the ECM sees to e viewed on an oscilloscope while the system is in operation, or placed in a memory for later viewing and analysis. Early computer controlled systems often had quite small amounts of memory allocated to the storage of DTCs, but as integrated circuit technology has developed, the amount of memory space allocated to the storage of DTCs has also increased to the stage where hundreds of DTCs can be held in an ECM. In order that the DTCs are not lost when the ignition is switched off, the section of RAM that they are stored may be e e gized di e tl f o the atte , ia a fuse. This t pe of e o is so eti es efe ed to as keep ali e e o KAM . I othe ases the DTCs a e sto ed i a EEP‘OM. These DTCs a e safel sto ed u til a deliberate action is taken that instructs a circuit in the ECM to generate an electrical pulse, probably 25 V, that will clear the DTCs. 78
  • 79.
    As a resultof the different technology used in automotive computer controlled systems, it is possible to find a number of different methods of accessing DTCs. Three methods are in general use. 1. Displaying the code as flashes on a dashboard indicator lamp. 2. Connecting an LED or test lamp externally and observing the number of flashes and pauses. 3. Connecting a code reading machine, and/or a scan tool, to the diagnostic port on the ECM. The actual procedure varies very considerably from one type of vehicle to another. However, the following examples give an insight into the general principles involved. The term on board diagnostics refers to the self-diagnosing capabilities that are carried in the computers on the vehicle, and the aids that are provided to make the diagnostic data available to authorized users. Off- board diagnostics is equipment such as scan tools, oscilloscopes and other test equipment. In most cases both types of equipment are required for vehicle repair work. To date (January 2000) there have been two versions of OBD, i.e., OBD I and OBD II. Both apply to the USA, but introduction of similar legislation for Europe is imminent. OBD I This required vehicles produced from 1988 onwards to be equipped with electronically (computer) controlled systems that were capable of monitoring themselves. Any malfunction (defect) that affected exhaust emissions must be displayed on a warning lamp, known as the malfunction indicator lamp (MIL), on the dash oa d. The alfu tio ust e sto ed i the ECM s e o a d it ust e eada le ith the aid of o oa d fa ilities, e.g. a flash ode o a la p. OBD II OBD II strengthens the requirements of OBD I on vehicles of model year 1994 and afterwards. OBD II applies to spark-ignition cars and light vans, and from 1996 onwards to diesel-engined vehicles. The main features are that the following emissions related systems must be continuously monitored:  combustion  catalytic convertor  oxygen (lambda) sensors  secondary air system  fuel evaporative control system  Exhaust gas recirculation system. The requirements for diesel-engined vehicles vary and glow plug equipment may be monitored instead of the catalytic converter. Features of OBD II are as follows. 79
  • 80.
     The alfutio i di ato la p MIL is p o ided ith a additio al flashi g fu tio .  The DTCs can be read out by a standard form of scan tool, via a standardized interface that uses a 16-pin diagnostic connector  The emissions-related components must be monitored for adherence to emissions limits in addition to monitoring them for defects.  Ope ati g o ditio s pe fo a e data a e logged a d sto ed i a f eeze f a e . Until recently a diagnostic procedure, which required access to stored fault codes and other data was only possible with the use of dedicated equipment or relatively expensive code readers or scanners. However, with the proliferation of cars with EOBD/OBD-2 (European/On-Board Diagnostics, version 2) it is possible to extract information from ECUs using a simple interface lead and a standard computer running appropriate software. Since 1 January 2001, all cars sold in Europe must have on-board diagnostic systems. European Directive 98/69/EC mandated that engine emissions must be monitored. The cars must also be fitted with a standard diagnostic socket. The EOBD system is the same, or very similar, to the OBD-2 system used in the USA. A he k e gi e a i g light o the dash oard is used to make the driver aware of any problems. This provides no information to the driver or technician — other than that a fault has been detected. Diagnostic link connector (DLC) There are three basic OBD-2/EOBD protocols in use, each with minor variations. As a rule of thumb most European and Asian cars use ISO 9141 circuitry as do Chrysler. GM cars and light trucks use SAE J1850 VPW (Variable Pulse Width Modulation), and Fords use SAE Jl 850 PWM (Pulse Width Modulation) communication patterns. It is possible to tell which protocol is used on a specific car by examining the connector socket: • If the o e to has a pi i the u e positio a d o pi at u e o , the the a uses the I“O 9141 protocol (as shown) • If o pi is p ese t in the number 7 position, the car uses the SAE protocol • If the e a e pi s i positio s a d a d/o u e , the a a use the I“O p oto ol. While there are three OBD-II electrical connection protocols, the command set is fixed by the SAE J1979 standard. A range of low-cost tools is now available to read error codes. These tools can also be used to view live readings from sensors. The error codes can be cleared and the warning light reset. OBD systems monitor and store information from sensors throughout the car. Sensor readings that are outside a preprogrammed range cause a Diagnostic Trouble Code (DTC) to be generated. Reading an EOBD/OBD2 DTC The first character of the code relates to the system of the vehicle that generated the code: 80
  • 81.
    P - Powertrain B- Body C - Chassis U - Network The next character can be either 0 or 1: 0 = Standard (SAE) OBD code = Ma ufa tu e s o ode The next character identifies the specific part of the system concerned. For the Powertrain systems these are: 1 = Fuel and air metering 2 = Fuel and air metering, specifically injector circuit 3 = Ignition system and misfire detection 4 = Auxiliary emission controls 5 = Vehicle speed control and idle control system 6 = Computer output circuit 7 = Transmission related faults 8 = Transmission related faults The last two numbers identify the specific fault as seen by the on-board systems. Fo e a ple, the ode P ould i di ate a E gi e Coola t Te pe atu e Ci uit Malfu tio . 81
  • 82.
    Air conditioning A vehiclefitted with air conditioning allows the temperature of the cabin to be controlled to the ideal or most comfortable value determined by the ambient conditions. The system as a whole still utilizes the standard heating and ventilation components, but with the important addition of an evaporator, which both cools and dehumidifies the air. Air conditioning can be manually controlled or, as is now often the case, combined with some form of electronic control. The system as a whole can be thought of as a type of refrigerator or heat exchanger. Heat is removed from the car interior and dispersed to the outside air. The most common components of air conditioning system are compressor, condenser, evaporator, orifice tube, thermal expansion valve, receiver drier, and accumulator. The compressor pumps low pressure heated vapour from the evaporator, compresses it and pumps it as a super-heated vapour under high pressure to the condenser. The temperature of the refrigerant at this stage is much higher than the outside air temperature, hence it gives up its heat via the fins on the condenser as it changes state back to a liquid. This high-pressure liquid is then passed to the receiver-drier where any vapour which has not yet turned back to a liquid is stored, and a desiccant bag removes any moisture (water) that is contaminating the refrigerant. The high-pressure liquid is now passed through the thermostatic expansion valve and is converted back to a low-pressure liquid as it passes through a restriction in the valve into the evaporator. This valve is the element of the system that controls the refrigerant flow and hence the amount of cooling provided. As the liquid changes state to a gas in the apo ato , it takes up heat f o its su ou di gs, thus ooli g o u heati g the ai that is forced over the 82
  • 83.
    fins. The lowpressure vapour leaves the evaporator returning to the pump. The operation of the system is a continuous cycle. Automatic temperature control Full temperature control systems provide a comfortable interior temperature in line with the passenger controlled input. The electronic control unit has full control of fan speed, air distribution, air temperature, fresh or recirculated air and the air conditioning pump. These systems will soon be able to control automatic demist or defrost, when reliable sensors are available. A single button will currently set the system to full defrost or demist. A number of sensors are used to provide input to the ECU. An ambient temperature sensor mounted outside the vehicle will allow compensation for extreme temperature variations. This device is usually a thermistor. A solar light sensor is mounted on the fascia panel. This device is a photodiode and allows a measurement of direct sunlight from which ECU can determine whether to increase the air to the face vents. The in-car temperature sensors are simple thermistors but, to allow for an accurate reading, a small motor and fan can be used to take a sample of interior air and direct it over the sensing elements. A coolant temperature sensor is used to monitor the temperature of the coolant supplied to the heater matrix. This sensor is used to prevent operation of the system until coolant temperature is high enough to heat the vehicle interior. Driver input control switches. The ECU takes information from all of the above sources and will set the system in the most appropriate manner as determined by the software. Control of the flaps can be either by solenoid controlled vacuum actuators or by small motors. The main blower motor is controlled by a heavy duty power transistor and is constantly variable. These systems are able to provide a comfortable interior temperature when exterior conditions range from _10 to _35 ° C even in extreme sunlight. 83
  • 84.
    ANTI-LOCK BRAKING SYSTM Itis difficult to access the required brake pedal force to be applied for an emergency stop in the shortest possible distance. This is because it is practically impossible to take into account several varying factors such as type and roughness of the road, tyre and the condition of the road surface. Consequently, in the extreme case, the driver applies too much or too little pressure on the pedal causing the following Pedal pressure is too high, one or more of the wheels skid over the surface so that  Stopping distance is increased  If a rear wheel skid occurs, then the vehicle losses direction control  Pedal pressure too low: stopping distance is increased. This can cause an impact with the obstacle In the id s a ious skids li iti g a a ge e ts e e added to the aki g s ste a d these systems are generally called Anti-lock Braking System (ABS). The basic requirement of an ABS is to retain steer ability in maximum braking situations and to avoid danger of skid under all road conditions. Skidding is avoided by releasing brake pressure just before the wheels lock up, and then reapplying the same. This releasing and reapplying the brakes in succession is what an anti-lock system does and this process is called pressure modulation. These systems can modulate the pressure to the brakes about 15times/second. When the front wheels of the vehicle are locked, its maneuverability is reduced, where as in case of rear wheels locking, the vehicle stability is reduced. ABS calculates the required slip rate of the wheels and then controls the brake fluid pressure to achieve the target slip rate. The pedal feel in case of ABS-equipped brakes is quite similar to that of conventional power brake system. A modern ABS consist of an Electronic Control Unit (ECU), one sensor on each wheel, an electrically driven hydraulic pump and a pressure accumulator. Accumulator is used to store hydraulic fluid to maintain high pressure in the braking system and to provide residual pressure for power assisted braking. Generally the accumulator is charged with nitrogen gas. ECU monitors and controls the antilock function when required. Its function is based on inputs from the wheel speed sensors and feedback from the hydraulic unit to determine whether the ABS is working precisely. 84
  • 85.
    Each ABS typeshares common components which provide information to the ECU. This section will examine each of these components and then describe each of the actuator types and their operation. The components of a typical ABS  Speed Sensors monitor wheel speed.  G−“e so o ito s ate of de ele atio o late al a ele atio .  ABS Actuators control brake system pressure.  Control Relay controls the Actuator Pump Motor and Solenoids.  ABS ECU monitors sensor inputs and controls the Actuator.  ABS Warning Lamp alerts the driver to system conditions. ABS ECU The ABS ECU senses the rotational speed of the wheels as well as the vehicle speed based on signals from the wheel speed sensors. During braking, the deceleration rate will vary depending on pedal pressure, the vehicle speed during braking, and the road surface conditions. For example, the deceleration rate is much greater on dry asphalt, compared to a wet or icy surface. The ECU judges the slip condition between the heels a d the oad su fa e o ito i g the ha ge i the heel s otatio al speed du i g aki g. The ECU controls the ABS actuator to deliver the optimum hydraulic pressure to the brake cylinder to precisely control the speed of the wheels, maintaining maximum brake force with a 10 to 30% slip ratio 85
  • 86.
    Wheel speed sensor Awheel speed sensor is mounted at each wheel and sends a wheel rotation signal to the ABS ECU. The front and rear wheel speed sensors consist of a permanent magnet attached to a soft iron core (yoke) and a wire wound coil. The front wheel speed sensors are mounted to the steering knuckle, and the rear speed sensors are mounted to the rear axle carrier. Serrated rotors are mounted to the drive axle shaft or brake rotor, and rotate as a unit “peed se so ope atio is si ila to the ag eti pi k−up i a dist i uto . Whe the teeth of the “e so Rotor pass the iron core, the magnetic lines of force cut through the coil windings causing a voltage to be induced into the coil. As the tooth approaches the iron core, the magnetic field contracts causing a positive voltage to be induced in the coil. When the tooth is centered on the iron core the magnetic field does not move and zero volts are induced in the coil. As the tooth moves away from the iron core the magnetic field expands, resulting in a negative voltage. As the rotation of the sensor rotor increases, the voltage and the frequency of this signal increase, indicating to the ECU a higher wheel speed Deceleration Sensor The de ele atio se so is used o so e s ste s to p o ide i put to the AB“ ECU a out the ehi le s ate of deceleration to improve braking performance. In a typical ABS system, the ECU compares individual speed sensors to determine the speed of the vehicle and rate of wheel deceleration. The deceleration sensor is used o all full−ti e WD ehi les e uipped ith AB“ to dete i e de ele atio , as the f o t a d ea a les are connected through the transfer case and present unique braking characteristics. Models equipped with o l ea − heel AB“ ha e a si gle speed se so a d o ea s of dete i i g the a tual ehi le speed o rate of deceleration. The deceleration sensor is composed of two pairs of LEDs (light emitting diodes) and phototransistors, a slit plate, a d a sig al o e sio i uit. The de ele atio se so se ses the ehi le s rate of deceleration and sends signals to the ABS ECU. The ECU compares the rate of deceleration and vehicle speed to determine the precise road surface conditions and takes appropriate control measures. Both LED s a e lo ated o o e side of the slit plate a d oth photo t a sisto s a e lo ated o the opposite side. The LED s a e ON he the ig itio s it h is i the ON positio . Whe the ehi le s ate of deceleration changes, the slit plate s i gs i the ehi le s ea −to−f o t di e tio . The slits i the slit plate 86
  • 87.
    act to exposethe light from the LEDs to the phototransistors. This movement of the slit plate switches the phototransistors ON and OFF. Lateral acceleration sensor The lateral acceleration sensor has similar construction to the deceleration sensor described above. Rather tha ha i g the slit plate s i g ea −to−f o t, the se so is ou ted i su h a a that the slit plate s i gs from side to side. Actuator The actuator controls hydraulic brake pressure to each disc brake caliper or wheel cylinder based on input from the system sensors, thereby controlling wheel speed. These solenoids provide three operating modes during ABS operation: • Pressure Holding. • Pressure Reduction. • Pressure Increase. The a tuato o sists of si o eight −positio sole oid al es, a pu p a d ese oi . Ea h h d auli i uit is controlled by a single set of solenoids:  Pressure holding solenoid.  pressure reduction solenoid. 87
  • 88.
    Aside f othe −positio sole oid al es, the asi o st u tio a d ope atio of this s ste is the sa e as the −positio sole oid s ste . Fou speed se so s p o ide i put to the ECU hi h o t ols the ope atio of the sole oids a d p e e t heel lo k−up. The two front wheels are controlled independently and the two rear wheels are controlled simultaneously for three channel control. The pressure holding valve controls (opens and closes) the circuit between the brake master cylinder and the wheel cylinder. The valve is spring loaded to the open position (normally open). When current flows in the coil the valve closes. A spring loaded check valve provides an additional release passage when pressure from the master cylinder drops The pressure reduction valve controls (opens and closes) the circuit between the wheel cylinder and the actuator reservoir. The valve is spring loaded in the closed position (normally closed). When current flows through the coil, the valve compresses the spring and opens the valve . During normal braking the solenoids are not energized so the pressure holding valve remains open and the pressure reduction valve remains closed. When the brake pedal is depressed, the master cylinder fluid passes through the pressure holding valve to the wheel cylinder. The pressure reduction valve prevents fluid pressure from going to the reservoir. As a result normal braking occurs 88
  • 89.
    1.NORMAL BRAKING CONDITION Duringnormal braking (shown below) the solenoids are not energized so the pressure holding valve remains open and the pressure reduction valve remains closed. When the brake pedal is depressed, the master cylinder fluid passes through the pressure holding valve to the wheel cylinder. The pressure reduction valve prevents fluid pressure from going to the reservoir. As a result normal braking occurs. 2. PRESSURE HOLDING When any wheel begins to lock, the ABS ECU initially goes to hold mode to prevent any additional increase in pressure. The ECU turns OFF the Pressure Reduction Valve and turns the Pressure Holding Valve ON. The pressure reduction valve closes, preventing hydraulic fluid from going to the reservoir. The pressure holding valve remains closed so no additional fluid pressure can reach the wheel cylinder. 89
  • 90.
    3. PRESSURE REDUCTION Afterthe initial hold mode operation, the ABS ECU energizes both the holding valve and the reduction valve. The pressure holding valve closes and blocks pressure from the master cylinder. The open reduction valve allows hydraulic pressure from the wheel cylinder circuit into the reservoir, reducing brake pressure. The pump is also energized to direct hydraulic fluid back to the master cylinder. This causes brake pedal feedback and alerts the driver to ABS operation. 4. PRESSURE INCREASE MODE 90
  • 91.
    As pressure insidethe wheel cylinder is reduced and the speed sensor sends a signal indicating that the speed is above the target level, the ECU turns OFF both the Pressure Reduction Valve and the Pressure Holding Valve. The pressure reduction valve closes, preventing hydraulic fluid from going to the reservoir. The pressure holding valve opens so additional pressure enters the wheel cylinder if the driver maintains pedal pressure. The operation is the same as Normal Mode except the pump is on. Advantages of Anti-Lock Brakes The main benefits of an anti-lock brake system (ABS) include.  Stopping on ice. As mentioned above, an ABS prevents lock-ups and skidding, even in slippery conditions. Anti-lock brakes have been proven to save lives in some situations by helping drivers keep control of a vehicle.  Lower insurance costs. Because it is a thoroughly tested safety device with a track record of effectiveness, insurers often give customers specific discounts for having an ABS system on their vehicle.  Higher resale value. As a feature on a car or truck, an ABS raises the market value of the vehicle. Nowadays, where ABS technology has become standard on many vehicles, not having it could result in a lower price for resale.  Traction control. An ABS shares some of the infrastructure of a traction control system, where new technology helps ensure that each wheel has traction on the road. That makes it easy for manufacturers to install both of these features at the factory. Disadvantages of Anti-lock Brakes Despite the fact that anti-lock brakes are proven to be a safety feature in most situations, and insurers consider them to significantly lower risk for a vehicle, not all drivers are sold on this option for a car or truck. Here are some of the down sides that drivers find in this kind of brake system.  Inconsistent stop times. Anti-lock brakes are made to provide for surer braking in slippery conditions. However, some drivers report that they find stopping distances for regular conditions are lengthened by their ABS, either because there may be errors in the system, or because the clunking or noise of the ABS may contribute to the driver not braking at the same rate.  Expense. An ABS can be expensive to maintain. Expensive sensors on each wheel can cost hundreds of dollars to fix if they get out of calibration or develop other problems. For some, this is a big reason to decline an ABS in a vehicle.  Delicate systems. It's easy to cause a problem in an ABS by messing around with the brakes. Problems include disorientation of the ABS, where a compensating brake sensor causes the vehicle to shudder, make loud noise or generally brake worse 91
  • 92.
    SUNROOFS Roof systems areavailable in many shapes, sizes and styles, and are known by many names. The generally accepted sunroof/moon roof industry terms are as follows: Pop-up sunroofs are simply a manually operated tilting panel. These panels are usually removable. The tilting action provides a vent in the roof, or a full opening when the panel is removed. Pop-ups can be installed in most vehicles, and are relatively inexpensive. Spoiler sunroofs (tilt-&-slides) combine the features of a pop-up with those of a sliding roof system. They tilt to vent and slide open above the roof, requiring little headroom or roof length. Spoilers typically do not provide as large an opening as other roof systems, but offer the convenience of a self-storing panel. Most spoiler roofs are electric, with optional features like integrated sun shades and express open/close. Spoilers are ideal for short-roof vehicles where other types of sliders can't be installed. Inbuilt sunroof systems have a panel which slides between the metal roof and interior headliner, requiring some loss of headroom but providing a full opening in the roof. All inbuilt slide inside the roof, while some also include a rear venting feature (see pop-up), and/or express open/close functions. Inbuilt don't fit every vehicle, as the panel must slide and store completely within the vehicle roof. Folding sunroofs they offer the convenience of a sunroof, with an opening more like a convertible. The panel is made of fabric (often vinyl), which folds back as it slides open. Top-mount sliding sunroofs (rail mount topslider) have been a popular factory option in Europe for many years. A large glass panel slides open in tracks on top of the roof, with no loss of headroom. Most feature an integral wind deflector to eliminate wind noise. Panoramic roof systems are a new type of large or multi-panel moonroof which offer openings above both the front and rear seats and may be operable or fixed glass panels. Large operable openings are often accomplished with top-slider (tracks in the top of the roof) or spoiler type mechanisms. Removable roof panels open a vehicle roof to the side windows, providing a wider opening than other roof systems. T-roofs have two removable panels and leave a T-shaped structural brace in the roof center. Solar sunroofs are made of glass, with an inlaid photovoltaic solar panel that makes the glass totally opaque. They operate the same as conventional factory-fitted glass moonroofs (tilting and retracting), but when closed the solar panel provides electricity to power the interior ventilation fans, for cooling the car interior on hot days when the car is standing outside in the sunlight. 92
  • 93.
    ELECTRIC MIRRORS ANDSUNROOFS Electric movements of mirrors and sunroofs are quite similar. Basically both of these are operated by one or several permanent magnet motors, along with a supply reversing circuit. When the switch is operated, one of the relays operates and changes the polarity of supply of one side of the motor. In the same way, if the switch is moved in the other direction, the polarity of the other side of the motor is altered. When the driver presses one of the switches, one of the two side contacts is disconnected from the ground and connected to the center power contact, while the other remains grounded. This provides power to window motor. If the switch is pressed the other way, then power runs through the motor in the opposite direction. Positive supply is taken from the battery to the drivers control switch arrangement as well as passenger is control switch arrangement Electronically Controlled General Motors’ Sunroof The figure describes sunroof system used on some GM model vehicles. The timing module uses inputs from the control switch and the limit switches to direct current flow to the motor. Depending on the 93
  • 94.
    inputs, the relayswill be energized to rotate the motor in the proper direction. When the switch is located in the OPEN position, the open relay is energized, sending current to the motor. The sunroof will continue to retract as long as the switch is held in the OPEN position. When the sunroof reaches its full open position, the limit switch will open and break the circuit to the open relay. Placing the switch in the CLOSE position will energize the close relay. The current sent to the motor is in the opposite direction to close the sunroof. If the close switch is held until the sunroof reaches the full closed position, the limit switch will open. ANTI-THEFT SYSTEM A huge number of cars are reported missing each year and over 20%are never recovered. Even when returned, many are damaged. Most car thieves are opportunists, so even a basic alarm system can serve as a deterrent. Car and alarm manufacturers are constantly fighting to improve security. Building the alarm system as an integral part of the vehicle electronics has made significant improvements. Even so, retrofit systems can still be very effective. The below diagram is an overview of a good alarm system now available either as a retro-fit or factory fitted. These types are mostly made for 12V, negative earth vehicles. They have electronic sirens and give an audible signal when arming and disarming. They are all triggered when the car door opens and will automatically reset after a period of time, often 1 or 2 minutes. The alarms are triggered instantly when an entry point is breached. Most systems can be considered as two pieces, with a separate control unit and siren; most will have the control unit in the passenger compartment and the siren under the bonnet. Most systems now come with t o i f a ed e ote ke s that use s all utto -type batteries and have an LED that shows when the signal is being sent.. The illustration shows many of the common components that are used in an antitheft system. These components include: 1. An electronic control module. 94
  • 95.
    2. Door switchesat all doors. 3. Trunk key cylinder switch. 4. Hood switch. 5. Starter inhibitor relay. 6. Horn relay. 7. Alarm. In addition, many systems incorporate the exterior lights into the system. The lights are flashed if the system is activated. For the system to operate, it must first be armed. This is done when the ignition switch is turned off and the doo s a e lo ked. Whe the d i e s doo is shut, a se u it light ill illuminate for approximately 30 seconds to indicate that the system is armed and ready to function. If any other door is open, the system will not arm until it is closed. Once armed the system is ready to detect an illegal entry. The control module monitors the switches. If the doors or trunk are opened or the key cylinders are rotated, the module will activate the system. The control module will sound the alarm and flash the lights until the timer circuit has counted down. At the end of the timer function, the system will automatically rearm itself. Some systems use ultrasonic sensors that will signal the control module if someone attempts to enter the vehicle through the door or window. The sensors can be placed to sense the parameter of the vehicle and sound the alarm if someone enters within the protected parameter distance. The system can also use current sensitive sensors that ill a ti ate the ala if the e is a ha ge i the ehi le s ele t i al s ste . The ha ge a o u if the courtesy lights come on or if an attempt is made to start the engine. Figure below illustrates an antitheft system that uses a separate control module and an inverter relay. If the system is triggered, it will sound the horn, flash the low-beam headlights, the taillights, and parking lamps, and disable the ignition system. The arming process is started when the ignition switch is turned off. Voltage provided to the module at terminal K is removed. When the door is opened, a voltage is applied to the courtesy lamp circuit through the closed switch to terminal 2 of the inverter relay. This voltage energizes the inverter relay and provides a ground for module terminal J. This signal is used by the control module to provide an alternating ground at terminal D, causing the indicator lamp to blink. The flashing indicator light alerts the driver that the system is not armed. When the door lock switch is placed in the LOCK position, battery voltage is applied to terminal G of the module. The module 95
  • 96.
    uses this signalto apply a steady ground at terminal D, causing the indicator light to stay on continuously. When the door is closed, the door switch is opened. The opened door switch de-energizes the inverter relay coil. Terminal J is no longer grounded, and the indicator light goes out after a couple of seconds. To disarm the system, one of the front doors must be opened with a key or by pressing the correct code into the keyless entry keypad. Unlocking the door closes the lock cylinder switch and grounds terminal H of the module. This signal disarms the system. Once the system is armed, if terminal J and C receive a ground signal, the control module will trigger the alarm. Terminal C is grounded if the trunk tamper switch contacts close. Terminal J is grounded when the inverter relay contacts are closed. The inverter relay is controlled by the doorjamb switches. If one of the doors is opened, the switch closes and energizes the relay coil. The contacts close and ground is provided to terminal J. When the alarm is activated, a pulsating ground is provided at module terminal F. This pulsating ground energizes and de-energizes the alarm relay. As the relay contacts open and close, a pulsating voltage is sent to the horns and exterior lights. At the same time, the start interrupt circuit is activated. The start interrupt relay receives battery voltage from the ignition switch when it is in the START position. When the alarm is activated, the module provides a ground through terminal E, causing the relay coil to be energized. The energized relay opens the circuit to the starter system, preventing starter operation 96
  • 97.
    ELECTRONIC CRUISE CONTROL Cuise Co t ol s ste as fi st i t odu ed du i g the id s as a ea of edu i g d i e s fatigue o lo g oto a jou e s. C uise Co t ol allo s the d i e to set the vehicle speed and when this control is activated, the speed of the vehicle is maintained automatically without touching the accelerator pedal. Most cruise control systems are a combination of electrical and mechanical components. The components used depends on the manufacturer and system design. Cruise control has built upon the basic electromechanical system to provide more accurate speed control and safer operation The system is composed of 3 main Assemblies 1)A driver s “ it h pa k 2)A throttle actuator unit 3)Cruise Control ECU The system adjusts the throttle according to the measured speed of the vehicle. Functional requirements for a good cruise control system.  Hold the vehicle at selected value  Hold the speed with minimum variations.  Store the last set speed.  Allow the vehicle to change speed.  Deactivate the control immediately after the brakes are applied.  Contain built in safety features. 97
  • 98.
    System Components 1) Actuator:Various methods are adopted to control the throttle position. The actuator unit is connected to the throttle valve and controls the throttle butterfly position under the command of the cruise control ECU. Commonly used actuating mechanisms are permanent magnet DC motor assembly, vacuum diaphragm powered by a motor driven pneumatic pump and controlled by solenoid valves or in many cases a vacuum operated diaphragm controlled by 3 simple valves as shown below. To increase the speed, valve(X) is opened so that low pressure from the inlet manifold comes in contact with one side of the diaphragm. The atmospheric pressure on the other side forces the diaphragm and hence move the throttle. For movement in reverse direction, valve (X) is closed and valve (Y) is opened. So that atmospheric pressure enters the chamber. The spring moves the diaphragm back when both valves are closed the throttle position is held. Valve (Z) ensures extra safety. 1).Main switch & working lamp: The main switch of the CCS is a simple on/off switch fitted on the dash oa d ithi the d i e s app oa ha ilit . The a i g la p a e pa t of the s it h o pa t of the ai i st u e t displa , ut eithe a e, it should e ithi d i e s isi ilit . 2).Set & Resume Switches: They are located either on the steering wheel or on a stalk from the steering column. The set button is used to program the speed into memory as well as to increase the vehicle memory speed. The resume button permits the vehicle to attain its last set speed. 98
  • 99.
    3) Clutch orAutomatic Gearbox Switch: The clutch switch is installed in order to prevent increase of engine speed. It deactivates the cruise system to prevent increase of engine speed. 4)Speed Sensor: Speed sensor is often the same sensor used for the speedometer. The most common sensor produced a a pulsed signal frequency, which is proportional to the vehicle speed. 5)Brake switch: this switch is very important, as it would be dangerous braking if the cruise control system was trying to maintain the vehicle speed. This switch is normally of superior quality and is fitted in place or as a supplement to the brake light switch activated by the brake pedal. Adjustment of this switch is important System Operation With the vehicle running above a minimum cruising speed the cruise control ON switch is pressed, and the system becomes operational. When the vehicle attains the desired cruising speed the SET utto is p essed. The ECU s speed o t ol i o p o essor operates the vacuum pump, which in turn moves the throttle valve actuator diaphragm until the set speed is maintained without the use of accelerator pedal, so that the driver can remove his foot from the pedal. The micro processor continuously monitors the vehicle speed signal and constantly changes the throttle position taking account of variation in road gradients, wind resistance etc. Electronic Control Unit (ECU) The cruise control ECU micro processor takes input from the switch park and various sensors to find out the vehicle operating parameters. It then sends out signals to the throttle actuator to regulate the throttle valve position so as to maintain the memorized cruising speed. Command Speed Comparison Vehicle Speed Adder Lookup proportional Gain Output Control Integrator for integral gain Sampling Switch From Speed Sensor 99
  • 100.
    Autonomous Intelligent CruiseControl (AICC) or Adaptive Cruise Control Conventional cruise control has now been improved substantially, which works well in steady traffic conditions and maintain constant speed. But it is not very practical on many occasions as the speed of the general traffic is constantly varying. In such cases the driver has to take over from the cruise control system to speed up or slow down the vehicle. AICC is a concept that eliminates this drawback by allowing the vehicle speed to continuously change to the traffic flow and hence maintain a safe following distance. It has three main functions. (a) To maintain a speed set by driver. (b) To adapt this speed and maintain a safe distance from the vehicle infront. (c) To provide a warning if there is a risk of collision. The main extra components of AICC are a headway sensor and the steering angle sensor. Two types of the headway sensor considered area radar and lidar. Both are incorporate transmitter and receiver unit.In the radar system micro wave signals at about 35GHz, is transmitted from the front of the car and then reflected back to the transmitter by obstruction in its path. Velocity and a range information is obtained from this. In lidar system, a laser diode produced infrared light signals, the reflections of which are defected by a photo diode. Automatic Door Locks (ADL) Automatic door locks (ADL) is a passive system used to lock all doors when the required conditions are met. The ADL system is an additional safety and convenience system that uses the existing power door function. Most systems lock the doors when the gear selector is placed in drive, the ignition switch is in RUN, and all doors are shut. Some systems will lock the doors when the gear shift selector is passed through the reverse position; others do not lock the doors unless the vehicle is moving 15 mph or faster. The system may use the body computer to control the door lock relays or a separate controller. The controller (or body computer) takes the place of the door lock switches for automatic operation 100
  • 101.
    Figure shows adoor locking circuit. The main control unit contains two change-over relays which are actuated by either the door lock switch or, if fitted, the remote infrared key. The motors for each door lock are simply wired in parallel and all operate at the same time. Most door actuators are now small motors which, via suitable gear reduction, operate a linear rod in either direction to lock or unlock the doors. A simple motor reverse circuit is used to achieve the required action. Right side figure shows a typical door lock actuator. Infrared central door locking is controlled by a small hand-held transmitter and an infrared sensor receiver unit as well as a decoder in the main control unit. This layout will vary slightly between different manufacturers. When the infrared key is operated by pressing a small switch, a complex code is transmitted. The number of codes used is well in excess of 50 000. The infrared sensor picks up this code and sends it in an electrical form to the main control unit. If the received code is correct, the relays are triggered and the door locks are either locked or unlocked. If an incorrect code is received on three consecutive occasions 101
  • 102.
    when attempting tounlock the doors, then the infrared system will switch itself off until the door is opened by the key. This will also reset the system and allow the correct code to operate the locks again. This technique prevents a scanning type transmitter unit from being used to open the doors. Electronically controlled transmission An automatic transmission selects the most appropriate gear ratio for the engine speed, power train load, and vehicle speed conditions without any intervention by the driver. All gear shifting is carried out by the transmission system itself and the driver only selects the desired operating mode with the selector given. The use of a micro computer control system provides precise control of the hydraulic system thereby enhance the performance of the automatic transmission. Electronically controlled transmissions were introduced on BMW products in 1986 on 5 and 7 series vehicles. Currently EH (Electro-hydraulic) transmissions are offered on almost every production model (Except E46 M3 and E39 M5). EH transmissions offer the following benefits to the driver • I eased d i i g safet edu i g fatigue. • I eased fuel e o o th ough use of lo k up to ue o e te . • I eased fuel e o o th ough opti ized shift poi ts. • I p o ed shift o fo t use of O e lap “hift technology (ZF). • Mo e a aila le featu es th ough the use of CAN us te h olog TRANSMISSION CONTROL SYSTEM The operation of a typical electronically controlled transmission system is given below. The system offers four forward gears controlled by a transmission ECU which communicates with engine ECU to provide total power train management. The transmission ECU takes decisions based on electrical signals received from various sensors located on the engine and gear box. ECU micro computers stores data relating to the ideal gear for every speed and load condition along with correction factors for engine and transmission temperatures, brake pedal depression, etc. using this corrected data the transmission ECU energizes solenoid wires to engage the most suitable gear ratio. The transmission ECU also provides a self-diagnosis function on some of the sensors and operates a fail-safe mode if a fault is found. The electronically controlled automatic transmission system offer the following features. 1) It co-operates a duty cycle solenoid valve to vary line pressure so that clutch and brake band engagement force is optimized during each gear shift. 2) It controls the engine and transmission totally by reducing the engine torque during gear shifts, thereby producing smooth gear change. 3) It contains a duty cycle lock-up solenoid which causes controlled slip lock-up at low speeds and provides less shock when engaging full lock-up at cruising speed. 4) It includes optional control programs like POWER program and HOLD program. The POWER program delays each up shift by a few 100rpm to permit a sporty driving style. HOLD causes the transmission ECU to hold a selected gear which is useful when driving in hilly conditions or difficult road surfaces. 102
  • 103.
    Transmission ECU inputsystem  The pulse generator is a magnetic pickup, located in the upper part of the transaxle casing and detects the torque converter output speed.  Speedometer sensor is a magnetic pickup sensor which detects the gear box output shaft speed.  The throttle sensor: it detects the throttle angle and hence engine load.  Inhibitor switch: records the position of the selected lever to the transmission AC.  Stop light switch: detects when the brakes have been used. If the brakes are applied while the torque converter is in lock-up the transmission ECU releases the lockup to provide a smooth deceleration.  O/D signal is used together with the cruise control. It provides transmission from shifting into over drive when the cruise control is in operation.  ATF thermosensor is a thermistor which registers the temperature of transmission fluid. The ECU utilizes this information to modify line pressure at extremes of temperature.  Engine rpm signal is taken from the ignition coil primary winding  Atmospheric pressure sensor senses signal to the transmission ECU when the measured atmospheric pressure indicates that the vehicle is at a height of 1500m or more. The engine 103
  • 104.
    develops less powerat high altitudes and therefore the ECU modifies the gear shift points accordingly. Transmission ECU output system To change a gear the transmission ECU sense a signal to seven solenoid valves located in the valve body of the transmission. The solenoid valves are either of the on/off types or duty type where a variable pressure is required. The three shift solenoids (1-2, 2-3, 3-4 shift) are either ON/OFF or direct line pressure to the shift valves. The transmission ECU selects a programmed shift pattern based on selected position and then receives signals for vehicle speed and throttle opening angle. Based on the results on the calculation performed on these signal values, the ECU sets the gear ratio and energizes the appropriate solenoid valve.  The 3-2 timing solenoid directs pressure to the3-2 timing valve and controls the precise timing of clutch and brake band engagement.  The lock-up control solenoid directs line pressure to torque converter lock-up system when the transmission ECU energizes at appropriate time. This solenoid is either ON/OFF type.  The lockup pressure solenoid controls engagement step in the lock-up clutch. This solenoid is operated on a duty cycle basis and modifies the engagement force on clutch piston. The engagement force applied to the brake band and multiple clutches is controlled by the pressure solenoid. 104
  • 105.
    ENGINE MANAGEMENT SYSTEM Themain objective of the Engine Management system is to ensure that the engine is operated at its optimum settings. The engine management system of a car is responsible for managing the ignition and fueling requirements of the engine.The power and speed of the engine are controlled by varying the ignition timing and the Air-fuel mixture. In modern cars this is done by microprocessor. To control the ignition delay, the crank shaft drives a distributer which makes electrical contact for each spark plug in turn. The timing wheel generates pulses to indicate the crankshaft position. The microprocessor then adjusts the timing at which high voltage pulses are sent to the distributor so that they occur at the right moment of time. To control the amount of air-fuel mixture entering into a cylinder during the suction stroke, the microprocessor varies the time for which a solenoid is activated to the inlet valve on the basis of inputs received by the engine temperature and the throttle position. The amount of fuel to be injected into the air stream is determined from the input given by the mass flow rate sensor. The microprocessor then gives an output to control the fuel. The system hence consists of number of sensor for observing vehicle speed, Engine temperature, oil fuel pressure, air flow etc. These sensors supplies input signals to the microprocessor after suitable signal conditioning and provides output signals via drivers to actuate corresponding actuators. Engine control unit consisting of microprocessor and different sensors 105
  • 106.
    Position of differentsensors SENSORS Pressure sensors Different types of pressure sensors commonly available are a) Variable resistor potentiometer b) Variable inductance type c) Variable differential transformer d) Strain gauge and piezo resistive e) Capacitor capsule Variable resistor potentiometer type: When a wiper contact blade is rubbed over a resistance material, it acts as a divider of the voltage that is applied to the potentiometer resistor. In the circuit a drop in air pressure causes the wiper blade to move towards the earthed end of the resistor thus reduces the output voltage signal. In order to obtain reasonable sensitivity, a comparatively large movement of the wiper blade must be provided. Position and level sensors This group of proximity sensors is designed to signal either a given position of mechanical component or the level of a liquid in a reservoir. The many applications of these position sensors are a) Crankshaft angular position for timing of the ignition and injection systems b) Crankshaft movement for computation of the engine speed for engine management and tachometer operation c) Throttle position for fuel injection and automatic transmission systems d) Gearbox output shaft movement for speedometer, odometer and trip computer operation e) Axle to body position for indication of axle loading 106
  • 107.
    f) Maximum wearof brake friction material g) Door position for door hazard indication h) Road wheel movement for anti skid braking (ABS) systems The different types of position sensors used in automobiles are 1. Magnetic-variable reluctance 2. Magnetic-d.c-excited inductive 3. Magnetic-Hall effect 4. Optical and fiber optics type Optical sensors can be used signal a shaft position when used in conjunction with fiber optics. The numerous advantages suggest that this system will be used extensively in modern vehicles. A LED light source is positioned opposite a phototransistor and a chopper plate in the form of a disc is attached to the moving shaft. A slot or hole in the disc allows the light to pass to the phototransistor at the instant when the slot is aligned with the LED. At this point it signals the position of the shaft. Although it suggests a visual light radiation, the system often uses light frequencies outside the vision of the human eye. The LED fitted generally has a frequency which falls within the range infra red to ultra violet. Voltage supplied to the LED is set to give a phototransistor output which is sufficient after amplification to suit the ECU. A square wave pulse is given by this type of sensor, this makes is compatible with the requirement of a digital system. One drawback of this system is there is need to maintain the lens of the emitter and receiver in a clean condition. Dirt on the surfaces reduces the sensor output. So periodic attention to this task is necessary. Being the sensor is passive; it has the capability of detecting zero motion. Air flow sensors 107
  • 108.
    Generally hot wireair flow sensors are used in automobiles. A hot wire air mass meter relies on the cooling effect of the air as it passes over the heated wire. If this wire is heated by passing a constant current through it then the temperature of the wire will fall as the air flow is increased. Similarly if a hot wire is kept at a constant temperature will be governed by the air flow, the large air flow requires the greater current. Both the constant current and constant temperature methods use electronic mean to measure the temperature. Generally this is achieved by utilizing the change in resistance which occurs where the temperature is changed. Hot wire systems take into account changes in air density. This is particularly important in cases where the vehicle is operated at different attitudes. Atmospheric pressure decreases with attitude. So in an area situated well above sea level the air mass supplied for a given throttle opening is reduced considerably unless this feature is taken into account. The richer mixture received by the engine would cause high exhaust pollution. A thin platinum hot wire of diameter 0.070 mm is exposed to air which passes through a tube situated where the galvanometer is placed in a bridge circuit, controls the current supplied to the four arms of the bridge. When a signal shows that the bridge is unbalanced the amplifier adjusts the heating current to restore the bridge to a balanced state. The armature of the cold wire compensating resistor acts as a standard. Throttle position sensor Generally this type of sensor is a potentiometer, which is meant for altering electrical potential. One of the simplest arrangements is a variable resistor. In this case the throttle is connected to a contact blade which wipes across the resistor coil. As the throttle is opened the number of resistor coils in the circuit is reduced. This alters the voltage and potential of the output in relation to earth. An improved accuracy and a longer life are obtained by using alternative resistor materials to wire. A typical sensor contains two pairs of contact blades one pair acts as a micro switch to signal the throttle closed position. A constant voltage of 5v is applied to the sensors. As the contact blades slide along the resistor in accordance with the opening of the throttle valve, the output voltage increases proportionally. This linear signal is transmitted to the ECU. Temperature sensor A number of sensors are used on a vehicle to measure temperature. These include: a) Engine temperature for ignition, fuel metering and instrumentation b) Air intake temperature for fuel metering and vaporization control c) Ambient conditions for driving safety d) Exhaust temperature for fuel metering The majority of the temperature uses a thermistor along with the thermocouples where it is needed. 108
  • 109.
    Thermistor sensor: This typenormally consists of a brass bulb, which is in contact with the substance it is sensing. The bulb contains a capsule called a thermistor. Resistance of common metals increases with temperature and thermistors which have a sensing capsule that responds in this way are said to have a positive temperature coefficient (p.t.c). A capsule made of a semiconductor material has a resistance which decreases with temperature. These materials of which silicon is most common have a negative temperature coefficient (n.t.c). Such thermistors are used in engine block to measure the temperature of coolant. Thermocouple: The thermistor is excellent for measuring temperature upto about 2000 C. But above this temperature a thermocouple is normally used. It consists of two wires of dissimilar materials joined together and connected to a galvanometer. When the hot junction is heated, an e.m.f is generated which is registered by the galvanometer. Depending on the materials upto a given temperature the current increases with an increase in the temperature difference between the hot and cold ends of the wires. Indication of the temperature is achieved by scaling of the galvanometer accordingly. A thermocouple can be made by using two metals from antimony, iron, zinc, lead, copper and platinum. Current will flow from the higher to the lower in this list across the cold junction. Nowadays other metals and alloys are used for a thermocouple like nickel-chromonium/ nickel aluminium alloys. This type is suitable for temperature range of about 0-11000 C, which is most common in exhaust system of the engine. 109
  • 110.
    Knock detecting sensors Themain purpose of a knock sensor is to detect the combustion knock in an engine combustion chamber. A knock sensor has to detect vibrations from combustion knock in the frequency range 1-10 kHz. When severe knock occurs in the combustion chamber, the transference of pressure waves through the cylinder block causes the metal particles to be accelerated to and fro. The accelerometer type knock sensor detects this oscillatory motion by using a piezo-ceramic semiconductor. Pressure on the semiconductor generates a small electrical charge and this is used to provide the signal current. The body of the knock sensor is screwed into the side of the cylinder block and piezo electric crystal is clamped by a seismic mass which tunes the sensor to the required frequency range. When an oscillation is applied to the body of the sensor, the sound waves vary the compression of the crystal. This causes a small emf of the order 20 mV/g to be generator. The small analogue signal current produced by the sensor when the engine is knocking is transmitted to the ECU. After filtering to remove the unwanted waves, the signal is then averaged and converted to a digital form to represent the knock/no-knock conditions. Whenever a digital pulse is sensed by a logic circuit, the system responds by reducing the spark timing advance or changing the A.F strength. Oxygen sensor/EGO sensor/Lambda sensor The detection of oxygen in the exhaust gas from an engine provides useful means for controlling the air fuel mixture. Excess oxygen in the exhaust indicates that the air fuel mixture is weak, whereas the deficiency of 110
  • 111.
    oxygen shows thatthe mixture is rich and exhaust gas is polluting the atmosphere. The gas detector used to provide this signal is called lambda sensor. This type of exhaust gas oxygen sensor normally uses zirconium oxide (ZrO2) for its active material. It consists of a thimble shaped portion of ZrO2 covered with two thin and porous platinum electrodes. The internal electrode is in contact with air in the center of the dome and the outer electrode is placed so that it is in contact with exhaust gas. Extra protection again gas erosion is given by covering the outer electrode with a porous alumina ceramic coating through which gas can penetrate. The operation of the sensor is similar to a galvanic battery cell, in the case of the sensor the ZrO2 acts as the electrolyte. At high temperatures, this electrolyte becomes conductive so if the two plates are in contact with different amount of oxygen, then a small voltage will be generated across the two plates. This action is produced because oxygen atoms carry two electrons. So this means that the atom carries a negative charge. The ZrO2 attracts oxygen ions with the result that negative charges build upon the surface of ZrO2 adjacent to the platinum electrode. When the sensor is exposed to exhaust gas a greater concentration of oxygen on the air side of the ZrO2 cause this side to have a greater number of negative charges. In consequence a potential difference is built up across the plate which will depend on the difference in oxygen level. (Air factor for proper air fuel ratio is 1, Air factor is referred as lambda. The value of lambda is given by λ=A tual olu e of ai d a /theo eti al olu e of ai The alue of λ> , it is efe ed as lea i tu e The alue of λ< , it is efe ed as i h i tu e Traction control Sensors used to provide information to suspension ECU and general layout of an active suspension system The steerability of a vehicle is not only lost when the wheels lock up on braking; the same effect arises if the wheels spin when driving off under severe acceleration. Electronic traction control has 111
  • 112.
    been developed asa supplement to ABS. This control system prevents the wheels from spinning when moving off or when accelerating sharply while on the move. In this way, an individual wheel, which is spinning is braked in a controlled manner. If both or all of the wheels are spinning, the drive torque is reduced by means of an engine control function. Traction control has become known as ASR or TCR. Traction control is not normally available as an independent system, but in combination with ABS. This is because many of the components required are the same as for the ABS. Traction control only requires a change in logic control in the ECU and a few extra control elements such as control of the throttle. Figure shows a block diagram of a traction control system. Note the links with ABS and the engine control system. Traction control will intervene to achieve the following:  Maintain stability.  Reduction of yawing moment reactions.  Provide optimum propulsion at all speeds.  Reduce driver workload. The following list of advantages can be claimed for a good traction control system.  Improved tractive force.  Better safety and stability on poor surfaces.  Less driver stress.  Longer tyre life.  No wheel skidding on turning and cornering. ADAPTIVE NOISE CONTROL Three signals layout of an adaptive noise control system 112
  • 113.
    The principle ofadaptive noise control is to cancel out the original source of noise by using sound, which is identical and 180 degrees out of the phase, or in anti-phase. The figure shows three signals, the original noise, the anti-phase cancelling waveform and the residual noise. It demonstrates the method used where the original noise is picked up by a microphone, inverted and amplified, and then replayed by a suitably located speaker. This effectively cancels the noise. While the theory is relatively simple, until recently it has not been suitable particularly for motor vehicle use. This is because the wide range of noise frequencies produced near fast response time to deliver acceptable result. Low frequency noise (<200Hz), causes boom in a vehicle, and hence it become very difficult to reduce by conventional methods. For Contact: Email ID: vivekvkamal999@gmail.com 113