1
Dr. V. KANDAVEL, Asp/Mech. SSMIET, DGL-2
ME8791-MECHATRONICS
Regulation 2017
SEM:7th
2Dr. V. KANDAVEL, Asp/Mech. SSMIET, DGL-2
Dr. V. KANDAVEL, Asp/Mech. SSMIET, DGL-2 3
OBJECTIVE:
To impart knowledge about the elements and techniques involved in Mechatronics systems which are very much
essential to understand the emerging field of automation.
UNIT I MECHATRONICS, SENSORS AND TRANSDUCERS 9
Introduction to Mechatronics – Systems – Concepts of Mechatronics approach – Need for Mechatronics – Emerging
areas of Mechatronics – Classification of Mechatronics. Sensors and Transducers: Static and dynamic Characteristics
of Sensor, Potentiometers – LVDT – Capacitance sensors – Strain gauges – Eddy current sensor – Hall effect sensor –
Temperature sensors – Light sensors
UNIT II MICROPROCESSOR AND MICROCONTROLLER 9
Introduction – Architecture of 8085 – Pin Configuration – Addressing Modes –Instruction set, Timing diagram of 8085
– Concepts of 8051 microcontroller – Block diagram.
UNIT III PROGRAMMABLE PERIPHERAL INTERFACE 9
Introduction – Architecture of 8255, Keyboard interfacing, LED display –interfacing, ADC and DAC interface,
Temperature Control – Stepper Motor Control – Traffic Control interface.
UNIT IV PROGRAMMABLE LOGIC CONTROLLERS 9
Introduction – Basic structure – Input and output processing – Programming – Mnemonics – Timers, counters and
internal relays – Data handling – Selection of PLC.
UNIT V ACTUATORS AND MECHATRONIC SYSTEM DESIGN 9
Types of Stepper and Servo motors – Construction – Working Principle – Advantages and Disadvantages. Design
process-stages of design process – Traditional and Mechatronics design concepts – Case studies of Mechatronics
systems – Pick and place Robot – Engine Management system – Automatic car park barrier.
OTAL: 45 PERIODS
Dr. V. KANDAVEL, Asp/Mech. SSMIET, DGL-2 4
OUTCOMES:
Upon the completion of this course the students will be able to
CO1 Discuss the interdisciplinary applications of Electronics, Electrical, Mechanical
and Computer Systems for the Control of Mechanical, Electronic Systems and sensor
technology.
CO2 Discuss the architecture of Microprocessor and Microcontroller, Pin Diagram,
Addressing Modes of Microprocessor and Microcontroller.
CO3 Discuss Programmable Peripheral Interface, Architecture of 8255 PPI, and
various device interfacing
CO4 Explain the architecture, programming and application of programmable logic
controllers to problems and challenges in the areas of Mechatronic engineering.
CO5 Discuss various Actuators and Mechatronics system using the knowledge and
skills acquired through the course and also from the given case studies
Text books
Dr. V. KANDAVEL, Asp/Mech. SSMIET, DGL-2 5
1. Bolton,W, “Mechatronics” , Pearson education, second edition,
fifth Indian Reprint, 2003
2. Ramesh S Gaonkar, “Microprocessor Architecture, Programming,
and Applications with the 8085”, 5th Edition, PrenticeHall, 2008.
REFERENCES
1. Michael B.Histand and Davis G.Alciatore, “Introduction to Mechatronics and
Measurement systems”, McGraw Hill International edition, 2007.
2. Bradley D.A, Dawson D, Buru N.C and Loader A.J, “Mechatronics”, Chapman
and Hall, 1993.
3. Smaili.A and Mrad.F , “Mechatronics Integrated Technologies for Intelligent
Machines”,Oxford University Press, 2007.
4. Devadas Shetty and Richard A. Kolk, “Mechatronics Systems Design”, PWS
publishing
company, 2007.
5. Krishna Kant, “Microprocessors & Microcontrollers”, Prentice Hall of India,
2007.
6. Clarence W, de Silva, "Mechatronics" CRC Press, First Indian Re-print, 2013
UNIT I MECHATRONICS, SENSORS
AND TRANSDUCERS
– Introduction to Mechatronics
• Systems
• Concepts of Mechatronics approach
• Need for Mechatronics
• Emerging areas of Mechatronics
• Classification of Mechatronics.
– Sensors and Transducers:
• Static and dynamic Characteristics of Sensor,
• Potentiometers
• LVDT
• Capacitance.
• Strain gauges
• Eddy current sensor
• Hall effect sensor
• Temperature sensors
• Light sensors
6Dr. V. KANDAVEL, Asp/Mech. SSMIET, DGL-2
Introduction
to
Mechatronics Systems
7Dr. V. KANDAVEL, Asp/Mech. SSMIET, DGL-2
Mechatronics Definition…
• “The name [mechatronics] was coined by Ko Kikuchi, now president of Yasakawa
Electric Co., Chiyoda-Ku, Tokyo.”
– R. Comerford, “Mecha … what?” IEEE Spectrum, 31(8), 46-49, 1994.
• “The word, mechatronics is composed of mecha from mechanics and tronics
from electronics. In other words, technologies and developed products will be
incorporating electronics more and more into mechanisms, intimately and
organically, and making it impossible to tell where one ends and the other
begins.”
– T. Mori, “Mechatronics,” Yasakawa Internal Trademark Application Memo, 21.131.01,
July 12, 1969.
Mechatronics
mecha
tronicsEletronics
Mechanics
8Dr. V. KANDAVEL, Asp/Mech. SSMIET, DGL-2
Mechatronics Definition…
• “Integration of electronics, control engineering, and mechanical engineering.”
– W. Bolton, Mechatronics: Electronic Control Systems in Mechanical Engineering,
Longman, 1995.
• “Application of complex decision making to the operation of physical systems.”
– D. M. Auslander and C. J. Kempf, Mechatronics: Mechanical System Interfacing,
Prentice-Hall, 1996.
• “Synergistic integration of mechanical engineering with electronics and
intelligent computer control in the design and manufacturing of industrial
products and processes.”
– F. Harshama, M. Tomizuka, and T. Fukuda, “Mechatronics-what is it, why, and how?-
and editorial,” IEEE/ASME Trans. on Mechatronics, 1(1), 1-4, 1996.
9Dr. V. KANDAVEL, Asp/Mech. SSMIET, DGL-2
Mechatronics Definition…
• “Synergistic use of precision engineering, control theory, computer science, and
sensor and actuator technology to design improved products and processes.”
– S. Ashley, “Getting a hold on mechatronics,” Mechanical Engineering, 119(5), 1997.
• “Methodology used for the optimal design of electromechanical products.”
– D. Shetty and R. A Kolk, Mechatronics System Design, PWS Pub. Co., 1997.
• “Field of study involving the analysis, design, synthesis, and selection of systems
that combine electronics and mechanical components with modern controls and
microprocessors.”
– D. G. Alciatore and M. B. Histand, Introduction to Mechatronics and Measurement
Systems, McGraw Hill, 1998.
• Aside: Web site devoted to definitions of mechatronics:
– http://www.engr.colostate.edu/~dga/mechatronics/definitions.html
10Dr. V. KANDAVEL, Asp/Mech. SSMIET, DGL-2
Mechatronics is the synergistic integration of
sensors, actuators, signal conditioning, power
electronics, decision and control algorithms, and
computer hardware and software to manage complexity,
uncertainty, and communication in engineered systems.
11Dr. V. KANDAVEL, Asp/Mech. SSMIET, DGL-2
Working Definition
System
Dr. V. KANDAVEL, Asp/Mech. SSMIET, DGL-2 12
System OutputInput
System is indicated by a box where the input
and output is the responsibility of the system. So
that system is called the interconnection of some
components or elements to perform useful work.
A system can be thought of as a box or a
bounded whole which has input and output
elements, and a set of relationships between
these elements.
Figure shows a typical spring system. It has
‘force’ as an input which produces an
‘extension’. The input and output of this system
follows the Hooke’s law F = –kx, where F is force
in N, x is distance in m and k is stiffness of the
spring.
Dr. V. KANDAVEL, Asp/Mech. SSMIET, DGL-2 13
Key Elements of Mechatronics
14Dr. V. KANDAVEL, Asp/Mech. SSMIET, DGL-2
15
What CAD/CAM/CAD
• CAD: Computer-Aided Design
• CAM: Computer-Aided
Manufacturing
• CAE: Computer-Aided Engineering
Dr. V. KANDAVEL, Asp/Mech. SSMIET, DGL-2
16Dr. V. KANDAVEL, Asp/Mech. SSMIET, DGL-2
CAD/CAM/CAE software
• CAD – 2D drafting
– AutoCAD, TwinCAD, etc.
• CAD – Solid modeling
– Solid Edge, SolidWorks, Mechanical
Desktop(MDT), etc.
• CAM
– SOLIDCAM, SURFCAM, MasterCAM, SmartCAM,
etc.
• CAE
– ANSYS, ABAQUS, NASTRAN, ADAMS,
MOLDFLOW, etc.
17Dr. V. KANDAVEL, Asp/Mech. SSMIET, DGL-2
Mechatronics Applications
• Smart consumer products: home security, camera, microwave oven,
toaster, dish washer, laundry washer-dryer, climate control units, etc.
• Medical: implant-devices, assisted surgery, haptic, etc.
• Defense: unmanned air, ground, and underwater vehicles, smart
munitions, jet engines, etc.
• Manufacturing: robotics, machines, processes, etc.
• Automotive: climate control, antilock brake, active suspension, cruise
control, air bags, engine management, safety, etc.
• Network-centric, distributed systems: distributed robotics, tele-
robotics, intelligent highways, etc.
18Dr. V. KANDAVEL, Asp/Mech. SSMIET, DGL-2
Micro to Macro
Applications
Mechatronics Systems
MEMS
Consumer
Electronics
Tools
Computers
Cars
Stealth Bomber
High Speed Trains
19Dr. V. KANDAVEL, Asp/Mech. SSMIET, DGL-2
Emerging Areas of Mechatronics
Dr. V. KANDAVEL, Asp/Mech. SSMIET, DGL-2 20
Mechatronics has a variety of applications as
products and systems in the area of ‘manufacturing
automation’. Some of these applications are as
follows:
1. Computer numerical control (CNC) machines
2. Tool monitoring systems
3. Advanced manufacturing systems
a. Flexible manufacturing system (FMS)
b. Computer integrated manufacturing (CIM)
4. Industrial robots
5. Automatic inspection systems: machine vision
systems
Dr. V. KANDAVEL, Asp/Mech. SSMIET, DGL-2 21
6. Automatic packaging systems
7. Smart consumer products: home security, camera,
microwave oven, toaster, dish washer, laundry washer-dryer,
climate control units, etc.
8. Medical: implant-devices, assisted surgery, etc.
9. Defense: unmanned air, ground, and underwater vehicles,
smart munitions, jet engines, etc.
10. Manufacturing: robotics, machines, processes, etc.
Manufacturing: robotics, machines, processes, etc.
11. Automotive: climate control, antilock brake, active
suspension, cruise control, air bags, engine management,
safety, etc.
12. Network-centric, distributed systems: distributed robotics,
tele-robotics, intelligent highways, etc.
Classification of Mechatronics
Dr. V. KANDAVEL, Asp/Mech. SSMIET, DGL-2 22
Based on the application of basic
theories used, mechatronics systems
are classified as follows:
•Conventional mechatronic systems
•Micro electromechanical
- Micro mechatronic systems (MEMS)
•Nano electromechanical
- Micro mechatronic systems (NEMS)
Dr. V. KANDAVEL, Asp/Mech. SSMIET, DGL-2 23
Based on the technologies incorporated and product
features, Japan Society Promotion of Machine Industry
(JSPMI) classifies mechatronics products into following four
categories.
•Case I
Primarily mechanical products with electronic are
incorporated to enhance functionality.
e.g. NC machines tools and variable speed drives in
manufacturing machines.
•Case II
Traditional mechanical systems with significantly updated
internal devices are incorporating electronics. The external
user interfaces are unaltered.
e.g. Modern sewing machine and automated
manufacturing systems.
Dr. V. KANDAVEL, Asp/Mech. SSMIET, DGL-2 24
•Case III
Systems are that retain the functionality of
traditional mechanical systems but the internal
mechanisms are replaced by electronics.
e.g. Digital watch, automatic camera.
•Case IV
Products are designed with mechanical and
electronic technologies through synergistic
integration.
e.g. Photocopiers, intelligent washers and
dryers, rice cookers and automatic ovens.
Sensors and Actuators
• Sensor
A device that converts an environmental
condition into an electrical signal.
• Actuator
A device that converts a control signal
(usually electrical) into mechanical action
(motion).
(Taken together, sensors, actuators, controllers,
and power supply form the basic elements of
a control system.)
25Dr. V. KANDAVEL, Asp/Mech. SSMIET, DGL-2
A good sensor obeys the following rules
• Is sensitive to the measured property
• Is insensitive to any other property likely
to be encountered in its application
• Does not influence the measured
property
Dr. V. KANDAVEL, Asp/Mech. SSMIET, DGL-2 26
Characteristics of sensor
• The sensitivity may in practice differ from the value
specified. This is called a sensitivity error, but the sensor is
still linear.
•
• Since the range of the output signal is always limited, the
output signal will eventually reach a minimum or maximum
when the measured property exceeds the limits. The full
scale range defines the maximum and minimum values of
the measured property.
•
• If the output signal is not zero when the measured property
is zero, the sensor has an offset or bias. This is defined as
the output of the sensor at zero input.
Dr. V. KANDAVEL, Asp/Mech. SSMIET, DGL-2 27
• Long term drift usually indicates a slow degradation of sensor
properties over a long period of time.
•
• Noise is a random deviation of the signal that varies in time.
• Hysteresis is an error caused by when the measured property
reverses direction, but there is some finite lag in time for the
sensor to respond, creating a different offset error in one
direction than in the other.
• If the sensor has a digital output, the output is essentially an
approximation of the measured property. The approximation
error is also called digitization error.
•
Dr. V. KANDAVEL, Asp/Mech. SSMIET, DGL-2 28
Transducers
• It is defined as an element when subjected to
some physical change experiences a related
change or an element which converts a
specified measurand into a usable output by
using a transduction principle.
•
• It can also be defined as a device that converts
a signal from one form of energy to another
form.
Dr. V. KANDAVEL, Asp/Mech. SSMIET, DGL-2 29
Sensor/transducers specifications
• Transducers or measurement systems are not perfect
systems. Mechatronics design engineer must know the
capability and shortcoming of a transducer or
measurement system to properly assess its performance.
There are a number of performance related parameters of
a transducer or measurement system. These parameters
are called as sensor specifications.
• Sensor specifications inform the user to the about
deviations from the ideal behavior of the sensors. Following
are the various specifications of a sensor/transducer
system.
Dr. V. KANDAVEL, Asp/Mech. SSMIET, DGL-2 30
1. Range
The range of a sensor indicates the limits between which the input
can vary. For example, a thermocouple for the measurement of
temperature might have a range of 25-225 °C.
2. Span
The span is difference between the maximum and minimum values
of the input. Thus, the above-mentioned thermocouple will have a
span of 200 °C.
3. Error
Error is the difference between the result of the measurement and
the true value of the quantity being measured. A sensor might give
a displacement reading of 29.8 mm, when the actual displacement
had been 30 mm, then the error is –0.2 mm.
Dr. V. KANDAVEL, Asp/Mech. SSMIET, DGL-2 31
4. Accuracy
The accuracy defines the closeness of the agreement between
the actual measurement result and a true value of the
measurand. It is often expressed as a percentage of the full
range output or full–scale deflection. A piezoelectric
transducer used to evaluate dynamic pressure phenomena
associated with explosions, pulsations, or dynamic pressure
conditions in motors, rocket engines, compressors, and other
pressurized devices is capable to detect pressures between 0.1
and 10,000 psig (0.7 KPa to 70 MPa). If it is specified with the
accuracy of about ±1% full scale, then the reading given can be
expected to be within ± 0.7 MPa.
5. Sensitivity
Sensitivity of a sensor is defined as the ratio of change in
output value of a sensor to the per unit change in input value
that causes the output change. For example, a general purpose
thermocouple may have a sensitivity of 41 µV/°C.
Dr. V. KANDAVEL, Asp/Mech. SSMIET, DGL-2 32
6. Nonlinearity
The nonlinearity indicates the maximum
deviation of the actual measured curve of a
sensor from the ideal curve. Figure 1.3
shows a somewhat exaggerated relationship
between the ideal, or least squares fit, line
and the actual measured or calibration line.
Linearity is often specified in terms of
percentage of nonlinearity, which is defined
as:
Nonlinearity (%) = Maximum deviation in
input / Maximum full scale input figure
below.
The static nonlinearity defined by figure
below is dependent upon environmental
factors, including temperature, vibration,
acoustic noise level, and humidity.
Therefore it is important to know under
what conditions the specification is valid.
Dr. V. KANDAVEL, Asp/Mech. SSMIET, DGL-2 33
7. Hysteresis
The hysteresis is an error of a sensor, which is
defined as the maximum difference in output
at any measurement value within the sensor’s
specified range
Dr. V. KANDAVEL, Asp/Mech. SSMIET, DGL-2 34
When approaching the point
first with increasing and then
with decreasing the input
parameter. Figure shows the
hysteresis error might have
occurred during measurement of
temperature using a
thermocouple. The hysteresis
error value is normally specified
as a positive or negative
percentage of the specified input
range.
8. Resolution
Resolution is the smallest detectable incremental change of input
parameter that can be detected in the output signal. Resolution can be
expressed either as a proportion of the full-scale reading or in absolute
terms. For example, if a LVDT sensor measures a displacement up to 20
mm and it provides an output as a number between 1 and 100 then the
resolution of the sensor device is 0.2 mm.
9. Stability
Stability is the ability of a sensor device to give same output when used to
measure a constant input over a period of time. The term ‘drift’ is used to
indicate the change in output that occurs over a period of time. It is
expressed as the percentage of full range output.
10. Dead band/time
The dead band or dead space of a transducer is the range of input values
for which there is no output. The dead time of a sensor device is the time
duration from the application of an input until the output begins to
respond or change. Dr. V. KANDAVEL, Asp/Mech. SSMIET, DGL-2 35
11. Repeatability
It specifies the ability of a sensor to give same output
for repeated applications of same input value. It is
usually expressed as a percentage of the full range
output: Repeatability = (maximum – minimum values
given) X 100 / full range (Figure Hysteresis Error
Curve)
Response time
Response time describes the speed of change in the
output on a step-wise change of the measurand. It is
always specified with an indication of input step and
the output range for which the response time is
defined.
Dr. V. KANDAVEL, Asp/Mech. SSMIET, DGL-2 36
Classification of sensors
• Sensors can be classified into various groups
according to the factors such as measurand,
application fields, conversion principle, energy
domain of the measurand and
thermodynamic considerations. Detail
classification of sensors in view of their
applications in manufacturing is as follows.
Dr. V. KANDAVEL, Asp/Mech. SSMIET, DGL-2 37
Displacement, position and proximity
sensors
• Potentiometer
• Strain-gauged element
• Capacitive element
• Differential transformers
• Eddy current proximity sensors
• Inductive proximity switch
• Optical encoders
• Pneumatic sensors
• Proximity switches (magnetic)
• Hall effect sensors
Dr. V. KANDAVEL, Asp/Mech. SSMIET, DGL-2 38
Velocity and motion
• Incremental encoder
• Tachogenerator
• Pyroelectric sensors
• Force
• Strain gauge load cell
• Fluid pressure
• Diaphragm pressure gauge
• Capsules, bellows, pressure tubes
• Piezoelectric sensors
• Tactile sensor
Dr. V. KANDAVEL, Asp/Mech. SSMIET, DGL-2 39
Liquid flow
• Orifice plate
• Turbine meter
Liquid level
• Floats
• Differential pressure
Temperature
• Bimetallic strips
• Resistance temperature detectors
• Thermistors
• Thermo-diodes and transistors
• Thermocouples
• Light sensors
• Photo diodes
• Photo resistors
• Photo transistor Dr. V. KANDAVEL, Asp/Mech. SSMIET, DGL-2 40
UNIT II MICROPROCESSOR AND
MICROCONTROLLER
Introduction:
Architecture of 8085
Pin Configuration
Addressing Modes
Instruction set, Timing diagram of 8085
Concepts of 8051 microcontroller
Block diagram,.
41
Dr. V. KANDAVEL, Asp/Mech. SSMIET, DGL-2
Dr. V. KANDAVEL, Asp/Mech. SSMIET, DGL-2 42
Dr. V. KANDAVEL, Asp/Mech. SSMIET, DGL-2 43
Dr. V. KANDAVEL, Asp/Mech. SSMIET, DGL-2 44
Dr. V. KANDAVEL, Asp/Mech. SSMIET, DGL-2 45
CPU
General-
Purpose
Micro-
processor
RAM ROM I/O
Port
Timer
Serial
COM
Port
Data Bus
Address Bus
General-Purpose Microprocessor System
• CPU for Computers
• No RAM, ROM, I/O on CPU chip itself
• Example:Intel’s x86, Motorola’s 680x0
Many chips on mother’s board
Microprocessor
46Dr. V. KANDAVEL, Asp/Mech. SSMIET, DGL-2
Introduction:
RAM ROM
I/O
Port
Timer
Serial
COM
Port
Microcontroller
CPU
• A smaller computer
• On-chip RAM, ROM, I/O ports...
• Example:Motorola’s 6811, Intel’s 8051, Zilog’s Z8 and PIC 16X
A single chip
Microcontroller
47Dr. V. KANDAVEL, Asp/Mech. SSMIET, DGL-2
Microprocessor
• CPU is stand-alone, RAM,
ROM, I/O, timer are separate
• designer can decide on the
amount of ROM, RAM and I/O
ports.
• expansive
• versatility
• general-purpose
Microcontroller
• CPU, RAM, ROM, I/O and
timer are all on a single chip
• fix amount of on-chip ROM,
RAM, I/O ports
• for applications in which cost,
power and space are critical
• single-purpose
Microprocessor vs. Microcontroller
48Dr. V. KANDAVEL, Asp/Mech. SSMIET, DGL-2
49Dr. V. KANDAVEL, Asp/Mech. SSMIET, DGL-2
Dr. V. KANDAVEL, Asp/Mech. SSMIET, DGL-2 50
Dr. V. KANDAVEL, Asp/Mech. SSMIET, DGL-2 51
Dr. V. KANDAVEL, Asp/Mech. SSMIET, DGL-2 52
Dr. V. KANDAVEL, Asp/Mech. SSMIET, DGL-2 53
Dr. V. KANDAVEL, Asp/Mech. SSMIET, DGL-2 54
Dr. V. KANDAVEL, Asp/Mech. SSMIET, DGL-2 55
Dr. V. KANDAVEL, Asp/Mech. SSMIET, DGL-2 56
Dr. V. KANDAVEL, Asp/Mech. SSMIET, DGL-2 57
Dr. V. KANDAVEL, Asp/Mech. SSMIET, DGL-2 58
Dr. V. KANDAVEL, Asp/Mech. SSMIET, DGL-2 59
Dr. V. KANDAVEL, Asp/Mech. SSMIET, DGL-2 60
Dr. V. KANDAVEL, Asp/Mech. SSMIET, DGL-2 61
Dr. V. KANDAVEL, Asp/Mech. SSMIET, DGL-2 62
Dr. V. KANDAVEL, Asp/Mech. SSMIET, DGL-2 63
Dr. V. KANDAVEL, Asp/Mech. SSMIET, DGL-2 64
Dr. V. KANDAVEL, Asp/Mech. SSMIET, DGL-2 65
Architecture
• vedio
Dr. V. KANDAVEL, Asp/Mech. SSMIET, DGL-2 66
How to draw
67Dr. V. KANDAVEL, Asp/Mech. SSMIET, DGL-2
Dr. V. KANDAVEL, Asp/Mech. SSMIET, DGL-2 68
Dr. V. KANDAVEL, Asp/Mech. SSMIET, DGL-2 69
Dr. V. KANDAVEL, Asp/Mech. SSMIET, DGL-2 70
Dr. V. KANDAVEL, Asp/Mech. SSMIET, DGL-2 71
Dr. V. KANDAVEL, Asp/Mech. SSMIET, DGL-2 72
Dr. V. KANDAVEL, Asp/Mech. SSMIET, DGL-2 73
Dr. V. KANDAVEL, Asp/Mech. SSMIET, DGL-2 74
Dr. V. KANDAVEL, Asp/Mech. SSMIET, DGL-2 75
Dr. V. KANDAVEL, Asp/Mech. SSMIET, DGL-2 76
Dr. V. KANDAVEL, Asp/Mech. SSMIET, DGL-2 77
Dr. V. KANDAVEL, Asp/Mech. SSMIET, DGL-2 78
Timing Diagram
Dr. V. KANDAVEL, Asp/Mech. SSMIET, DGL-2 79
Dr. V. KANDAVEL, Asp/Mech. SSMIET, DGL-2 80
Dr. V. KANDAVEL, Asp/Mech. SSMIET, DGL-2 81
Dr. V. KANDAVEL, Asp/Mech. SSMIET, DGL-2 82
Dr. V. KANDAVEL, Asp/Mech. SSMIET, DGL-2 83
Dr. V. KANDAVEL, Asp/Mech. SSMIET, DGL-2 84
Dr. V. KANDAVEL, Asp/Mech. SSMIET, DGL-2 85
Dr. V. KANDAVEL, Asp/Mech. SSMIET, DGL-2 86
Dr. V. KANDAVEL, Asp/Mech. SSMIET, DGL-2 87
Dr. V. KANDAVEL, Asp/Mech. SSMIET, DGL-2 88
Dr. V. KANDAVEL, Asp/Mech. SSMIET, DGL-2 89
Dr. V. KANDAVEL, Asp/Mech. SSMIET, DGL-2 90
8051 microcontroller
A Microcontroller is a VLSI IC that contains a CPU
(Processor) along with some other peripherals like
Memory (RAM and ROM), I/O Ports, Timers/Counters,
Communication Interface, ADC, etc.
On the contrary, a
Microprocessor (which was
developed before
Microcontroller) is just a
Processor (CPU) and doesn’t
have the above mentioned
peripherals. In order to make
it work or build a system
around it, we need to
interface the peripherals
separately.
Until the development of
Microcontrollers, almost all
process and control tasks
were implemented using
Microprocessors. As
Microprocessor need the
additional peripherals to
work as a system, the
overall cost of the control
system was high.
Concepts of 8051 microcontroller
• 8051 microcontroller is designed by Intel in
1981. It is an 8-bit microcontroller. It is built
with 40 pins DIP (dual inline package), 4kb of
ROM storage and 128 bytes of RAM storage,
2 16-bit timers. It consists of are four parallel
8-bit ports, which are programmable as well as
addressable as per the requirement. An on-chip
crystal oscillator is integrated in the
microcontroller having crystal frequency of 12
MHz.
Brief History of 8051
• The first microprocessor 4004 was invented by Intel
Corporation. 8085 and 8086 microprocessors were
also invented by Intel. In 1981, Intel introduced an 8-
bit microcontroller called the 8051. It was referred
as system on a chip because it had 128 bytes of
RAM, 4K byte of on-chip ROM, two timers, one serial
port, and 4 ports (8-bit wide), all on a single chip.
When it became widely popular, Intel allowed other
manufacturers to make and market different flavors
of 8051 with its code compatible with 8051. It
means that if you write your program for one flavor
of 8051, it will run on other flavors too, regardless of
the manufacturer. This has led to several versions
with different speeds and amounts of on-chip RAM.
Comparison between 8051 Family Members
Feature 8051 8052 8031
ROM(bytes) 4K 8K 0K
RAM(bytes) 128 256 128
Timers 2 3 2
I/O pins 32 32 32
Serial port 1 1 1
Interrupt
sources
6 8 6
The following table compares the features available in 8051, 8052, and 8031.
Architecture of 8051 Microcontroller
• Let us now discuss the architecture of 8051
Microcontroller.
• In the next following diagram, the system bus
connects all the support devices to the CPU. The
system bus consists of an 8-bit data bus, a 16-bit
address bus and bus control signals. All other
devices like program memory, ports, data
memory, serial interface, interrupt control,
timers, and the CPU are all interfaced together
through the system bus.
Architecture / Block Diagram
of 8051 Microcontroller
Features of 8051 Microcontroller
An 8051 microcontroller comes bundled with the following features
• 8 – Bit ALU: ALU or Arithmetic Logic Unit is the heart of a microcontroller. It
performs arithmetic and bitwise operation on binary numbers. The ALU in 8051
is an 8 – Bit ALU i.e. it can perform operations on 8 – bit data.
• 8 – Bit Accumulator:The Accumulator is an important register associated with
the ALU. The accumulator in 8051 is an 8 – bit register.
• RAM: 8051 Microcontroller has 128 Bytes of RAM which includes SFRs and Input
/ Output Port Registers.
• ROM: 8051 has 4 KB of on-chip ROM (Program Memory).
• I/O Ports: 8051 has four 8 – bit Input / Output Ports which are bit addressable
and bidirectional.
• Timers / Counters: 8051 has two 16 – bit Timers / Counters.
• Serial Port: 8051 supports full duplex UART Communication.
• External Memory: 8051Microcontroller can access two 16 – bit address line at
once: one each for RAM and ROM. The total external memory that an 8051
Microcontroller can access for RAM and ROM is 64KB (216 for each type).
• Additional Features: Interrupts, on-chip oscillator, Boolean Processor, Power
Down Mode, etc.
– NOTE: Some of the features like size of RAM and ROM, number of Timers, etc. are
not generic. They vary by manufacturer.
• Reduced instruction set computer (RISC)
– The many varieties of RISC designs
include ARC, Alpha, Am29000, ARM, Atmel
AVR, Blackfin, i860, i960, M88000, MIPS, PA-RISC, Power
ISA (including PowerPC), RISC-V, SuperH, and SPARC. The use of ARM
architecture processors in smartphones and tablet computers such as
the iPad and Android devices provided a wide user base for RISC-based
systems. RISC processors are also used in supercomputers, such as Fugaku,
which, as of June 2020, is the world's fastest supercomputer.
• Complex instruction set computer (CISC)
– is a computer in which single instructions can execute several low-level
operations (such as a load from memory, an arithmetic operation, and
a memory store) or are capable of multi-step operations or addressing
modes within single instructions. The term was retroactively coined in
contrast to reduced instruction set computer.
– Examples of instruction set architectures that have been retroactively
labeled CISC are System/360 through z/Architecture, the PDP-
11 and VAX architectures, Data General Nova and many others.
– Well known microprocessors and microcontrollers that have also been
labeled CISC in many academic publications include the Motorola
6800, 6809 and 68000-families; the Intel 8080, iAPX432 and x86-family; the
Zilog Z80, Z8 and Z8000-families; and others
Pins 1 to 8 − These pins are known as Port 1. This port doesn’t serve
any other functions. It is internally pulled up, bi-directional I/O port.
Pin 9 − It is a RESET pin, which is used to reset the microcontroller to
its initial values.
Pins 10 to 17 − These pins are known as Port 3. This port serves some
functions like interrupts, timer input, control signals, serial
communication signals RxD and TxD, etc.
Pins 18 & 19 − These pins are used for interfacing an external crystal
to get the system clock.
Pin 20 − This pin provides the power supply to the circuit.
Pins 21 to 28 − These pins are known as Port 2. It serves as I/O port.
Higher order address bus signals are also multiplexed using this port.
Pin 29 − This is PSEN pin which stands for Program Store Enable. It is
used to read a signal from the external program memory.
Pin 30 − This is EA pin which stands for External Access input. It is
used to enable/disable the external memory interfacing.
Pin 31 − This is ALE pin which stands for Address Latch Enable.
It is used to demultiplex the address-data signal of port.
Pins 32 to 39 − These pins are known as Port 0. It serves as I/O
port. Lower order address and data bus signals are multiplexed
using this port.
Pin 40 − This pin is used to provide power supply to the circuit.
8051 microcontrollers have 4 I/O ports each of 8-bit, which can be
configured as input or output. Hence, total 32 input/output pins allow
the microcontroller to be connected with the peripheral devices.
Pin configuration, i.e. the pin can be configured as 1 for input and 0
for output as per the logic state.
Input/Output (I/O) pin − All the circuits within the
microcontroller must be connected to one of its pins except P0
port because it does not have pull-up resistors built-in.
Input pin − Logic 1 is applied to a bit of the P register. The output
FE transistor is turned off and the other pin remains connected to
the power supply voltage over a pull-up resistor of high
resistance.
Port 0 − The P0 (zero) port is characterized by two functions −
•When the external memory is used then the lower address
byte (addresses A0A7) is applied on it, else all bits of this port
are configured as input/output.
•When P0 port is configured as an output then other ports
consisting of pins with built-in pull-up resistor connected by its
end to 5V power supply, the pins of this port have this resistor
left out.
Output Configuration
When the pin is configured as an output, then it acts as an
“open drain”. By applying logic 0 to a port bit, the
appropriate pin will be connected to ground (0V), and
applying logic 1, the external output will keep on “floating”.
In order to apply logic 1 (5V) on this output pin, it is
necessary to build an external pullup resistor.
Port 1
P1 is a true I/O port as it doesn’t have any alternative
functions as in P0, but this port can be configured as
general I/O only. It has a built-in pull-up resistor and is
completely compatible with TTL circuits.
Port 2
P2 is similar to P0 when the external memory is used.
Pins of this port occupy addresses intended for the
external memory chip. This port can be used for higher
address byte with addresses A8-A15. When no memory
is added then this port can be used as a general
input/output port similar to Port 1.
Port 3
In this port, functions are similar to other ports except
that the logic 1 must be applied to appropriate bit of the
P3 register.
Pins Current Limitations
When pins are configured as an output (i.e. logic 0),
then the single port pins can receive a current of
10mA.
When these pins are configured as inputs (i.e. logic 1), then
built-in pull-up resistors provide very weak current, but can
activate up to 4 TTL inputs of LS series.
If all 8 bits of a port are active, then the total current must be
limited to 15mA (port P0: 26mA).
If all ports (32 bits) are active, then the total maximum current
must be limited to 71mA.
Interrupts are the events that temporarily suspend the main
program, pass the control to the external sources and execute their task.
It then passes the control to the main program where it had left off.
8051 has 5 interrupt signals, i.e. INT0, TFO, INT1, TF1, RI/TI. Each
interrupt can be enabled or disabled by setting bits of the IE register and
the whole interrupt system can be disabled by clearing the EA bit of the
same register.
Timers & Counters
Applications of 8051 Microcontroller
• Even with the development of many advanced and superior Microcontrollers,
8051 Microcontroller is still being used in many embedded system and
applications.
• Some of the applications of 8051 Microcontroller are mentioned below:
– Consumer Appliances (TV Tuners, Remote controls, Computers, Sewing
Machines, etc.)
– Home Applications (TVs, VCR, Video Games, Camcorder, Music Instruments,
Home Security Systems, Garage Door Openers, etc.)
– Communication Systems (Mobile Phones, Intercoms, Answering Machines,
Paging Devices, etc.)
– Office (Fax Machines, Printers, Copiers, Laser Printers, etc.)
– Automobiles (Air Bags, ABS, Engine Control, Transmission Control,
Temperature Control, Keyless Entry, etc)
– Aeronautical and Space
– Medical Equipment
– Defense Systems
– Robotics
– Industrial Process and Flow Control
– Radio and Networking Equipment
– Remote Sensing
Web links
Dr. V. KANDAVEL, Asp/Mech. SSMIET, DGL-2 129
UNIT III PROGRAMMABLE PERIPHERAL
INTERFACE
Introduction :
Architecture of 8255,
Keyboard interfacing,
LED display – interfacing,
ADC and DAC interface,
Temperature Control
Stepper Motor Control
Traffic Control interface.
130
Dr. V. KANDAVEL, Asp/Mech. SSMIET, DGL-2
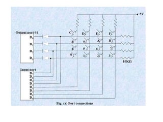
Programmable peripheral interface 8255
• PPI 8255 is a general purpose programmable I/O device
designed to interface the CPU with its outside world such as
ADC, DAC, keyboard etc. We can program it according to the
given condition. It can be used with almost any
microprocessor.
• It consists of three 8-bit bidirectional I/O ports i.e. PORT A,
PORT B and PORT C. We can assign different ports as input or
output functions.
• It consists of 40 pins and operates in +5V regulated power
supply. Port C is further divided into two 4-bit ports i.e. port C
lower and port C upper and port C can work in either BSR (bit
set rest) mode or in mode 0 of input-output mode of 8255.
Port B can work in either mode or in mode 1 of input-output
mode. Port A can work either in mode 0, mode 1 or mode 2 of
input-output mode.
• PA0 – PA7 – Pins of port A
• PB0 – PB7 – Pins of port B
• PC0 – PC7 – Pins of port C
• D0 – D7 – Data pins for the transfer of data
• RESET – Reset input
• RD’ – Read input
• WR’ – Write input
• CS’ – Chip select
• A1 and A0 – Address pins
Web links
194Dr. V. KANDAVEL, Asp/Mech. SSMIET, DGL-2
UNIT IV PROGRAMMABLE LOGIC
CONTROLLER
– Introduction:-
Basic Structure and Input / Output
Processing
Programming
Mnemonics
Timers and Internal relays and counters
Shift Registers
Master and Jump Controls
Data Handling and Analogs Input / Output
Selection of a PLC
195Dr. V. KANDAVEL, Asp/Mech. SSMIET, DGL-2
PLCs
(Definition according to NEMA standard ICS3-1978)
A digitally operating electronic apparatus which uses a
programming memory for the internal storage of instructions for
implementing specific functions such as logic, sequencing, timing,
counting and arithmetic to control through digital or analog modules,
various types of machines or process.
PLCs were designed to replace relay logic systems. These PLCs
were programmed in "ladder logic", which strongly resembles a
schematic diagram of relay logic. This program notation was chosen to
reduce training demands for the existing technicians. Other early PLCs
used a form of instruction list programming, based on a stack-based
logic solver
196Dr. V. KANDAVEL, Asp/Mech. SSMIET, DGL-2
197Dr. V. KANDAVEL, Asp/Mech. SSMIET, DGL-2
Dr. V. KANDAVEL, Asp/Mech. SSMIET, DGL-2 198
The Hydramatic Division of the General Motors Corporation specified
the design criteria for the first programmable controller in 1968
Their primary goal
To eliminate the high costs associated with inflexible, relay-
controlled systems.
In 1968 GM Hydra-Matic (the automatic transmission division of General
Motors) issued a request for proposals for an electronic replacement for hard-wired relay
systems based on a white paper written by engineer Edward R. Clark. The winning
proposal came from Bedford Associates of Bedford, Massachusetts.
History:
1968 Programmable concept developed
1969 Hardware CPU controller, with logic
instructions, 1 K of memory and 128 I/O points
1974 Use of several (multi) processors within a
PLC - timers and counters; arithmetic
operations; 12 K of memory and 1024 I/O points
1976 Remote input/output systems introduced
1977 Microprocessors - based PLC introduced
Dr. V. KANDAVEL, Asp/Mech. SSMIET, DGL-2 199
The functionality of the PLC has evolved over the years to
include sequential relay control, motion control, process
control, distributed control systems and networking. The data
handling, storage, processing power and communication
capabilities of some modern PLCs are approximately equivalent
to desktop computers. PLC-like programming combined with
remote I/O hardware, allow a general-purpose desktop computer
to overlap some PLCs in certain applications. Regarding the
practicality of these desktop computer based logic controllers
Major Components of a Common PLC
PROCESSOR
POWER
SUPPLY
I M
N O
P D
U U
T L
E
O M
U O
T D
P U
U L
T E
PROGRAMMING
DEVICE
From
SENSORS
Pushbuttons,
contacts,
limit switches,
etc.
To
OUTPUT
Solenoids,
contactors,
alarms
etc.
200Dr. V. KANDAVEL, Asp/Mech. SSMIET, DGL-2
Basic Structure
Dr. V. KANDAVEL, Asp/Mech. SSMIET, DGL-2 201
Contd.,
Dr. V. KANDAVEL, Asp/Mech. SSMIET, DGL-2 202
A structure of
PLC program is designed
to increase its
effectiveness in matching
CNC system to machine
Programmable logic controller
(PLC) is a control system using
electronic operations. Its easy storing
procedures, handy extending principles,
functions of sequential/position control,
timed counting and input/output control
are widely applied to the field of
industrial automation control.
Input / Output
Dr. V. KANDAVEL, Asp/Mech. SSMIET, DGL-2 203
The I/O module units form the interface between the microelectronics of
the programmable controller and the real world outside, and must
therefore provide all necessary signal conditioning and isolation
functions. This often allows a PLC to be directly connected to process
actuators and input devices without the need for intermediate circuitry
or relays.
Contd.,
Dr. V. KANDAVEL, Asp/Mech. SSMIET, DGL-2 204
Processing
Dr. V. KANDAVEL, Asp/Mech. SSMIET, DGL-2
205
All automated equipment is likely to have an initial or home position.
This is the position that all of its actuators will adopt prior to the operation of
the equipment. Therefore to signify and initialize a basic position for the
equipment, the home position of each actuator can be combined logically and
programmed as a step in a sequential process.
For example in a simple drill system that comprises of a drill cylinder and a
clamp cylinder as shown in Fig 1, the initial position can be defined as:
Drill cylinder retracted
Clamp cylinder retracted
Process status is often displayed using
indicator lamps or alarms, etc. Such elements are
programmed in this section of the software.
Standard logic instructions
The processing potential of binary signals can
be described using the three basic operations:
AND / OR / NOT (negation)
These basic logic operations can be used to solve
combinational control problems.
Programming
Dr. V. KANDAVEL, Asp/Mech. SSMIET, DGL-2 206
Programming
• Plan your program on paper first! Don’t just power up your PLC and start
keying in elements. 80% of your time should be spent working out the program,
and only 20% keying it in.
• Keep documentation of all elements used in the program – add comments as
necessary.
• Assume the program will find every error sequence possible – design safety
into it!
• Keep programs simple and readable. Comments would be helpful.
• Try sectional development and testing if possible.
• Use forcing and monitoring functions to observe program operation in
situations where it is safe to do so.
As example to illustrate how a ladder diagram, show in
is translated from the Boolean equation based on the
given requirement below: -
To operate valve Y1 limit switches A and B and valve X
are activated and both switch C and valve Z are not
activated. Valve Y1 will also operate if switch D and
valve X are activated and both level switch C and valve Z
are not activated
Dr. V. KANDAVEL, Asp/Mech. SSMIET, DGL-2 207
L1
LS1 PB1 LS2 R1
R1
R1
TIMER
R2
PR=5
For process control, it is desired to have the process start (by turning on a
motor) five seconds after a part touches a limit switch. The process is
terminated automatically when the finished part touches a second limit
switch. An emergency switch will stop the process any time when it is
pushed.
LS1
PB1
LS2
R1
TIMER
5
Motor
R2
Contd.,
208Dr. V. KANDAVEL, Asp/Mech. SSMIET, DGL-2
Mnemonics
Dr. V. KANDAVEL, Asp/Mech. SSMIET, DGL-2 209
Dr. V. KANDAVEL, Asp/Mech. SSMIET, DGL-2 210
Contd.,
Timers
Dr. V. KANDAVEL, Asp/Mech. SSMIET, DGL-2 211
Timer
A timer consists of an internal clock, a count value register, and
an accumulator. It is used for or some timing purpose.
Clock
Accumulator
contact
reset
output
Register
Contact
Time 5 seconds.
Clock
Reset
Output
Count 1 2 3 40 5
212Dr. V. KANDAVEL, Asp/Mech. SSMIET, DGL-2
Digital counters output in the form of a relay contact when a
preassigned count value is reached.
Register
Accumulator
contact
input
reset
output
Input
Reset
Output
Count 0 1 2 3 4 5 0 1
5
Counters
213Dr. V. KANDAVEL, Asp/Mech. SSMIET, DGL-2
Shift Registers
A shift register is a cascade of flip flops, sharing the same
clock, in which the output of each flip-flop is connected to the
"data" input of the next flip-flop in the chain, resulting in a
circuit that shifts by one position the "bit array" stored in it,
shifting in the data present at its input and shifting out the last
bit in the array, at each transition of the clock input.
Shift registers can have both parallel and serial inputs and
outputs. These are often configured as 'serial-in, parallel-out'
(SIPO) or as 'parallel-in, serial-out' (PISO). There are also types
that have both serial and parallel input and types with serial
and parallel output.
Dr. V. KANDAVEL, Asp/Mech. SSMIET, DGL-2 214
Master and Jump Controls
Dr. V. KANDAVEL, Asp/Mech. SSMIET, DGL-2 215
Master controls can be thought of as "emergency stop switches". An
emergency stop switch typically is a big red button on a machine that will shut it off in
cases of emergency. e.g In the local gas station’s door on the outside to see an example
of an e-stop, master control symbol
The master control instruction typically is used in pairs with a master control
reset. However this varies by manufacturer. Some use MCR in pairs instead of teaming it
with another symbol. It is commonly abbreviated as MC/MCR (master control/master
control reset), MCS/MCR (master control set/master control reset) or just simply MCR
(master control reset).
JMP
The jump instruction (JMP) is an output instruction
used for this purpose
Contd.,
Program control instructions are used to alter the
program scan from its normal sequence. Sometimes
referred to as override instructions, they provide a
means of executing sections of the control logic if certain
conditions are met. They allow for greater program
flexibility and greater efficiency in the program scan.
216Dr. V. KANDAVEL, Asp/Mech. SSMIET, DGL-2
Typical Program Control Instructions Based On The SLC 500 And Associated
RSLogix Software
Program Control
JMP
JMP Jump to Label Jump forward/backward
to a corresponding label
instruction
LBL JSR RET SBR TND MCR
MCR Master Control Reset Clears all set outputs
between the paired MCR
instruction
SUS
217Dr. V. KANDAVEL, Asp/Mech. SSMIET, DGL-2
Hardwired Master Control Relay Circuit
Hardwired master control relays are used in relay circuitry to provide input/output power
shutdown of an entire circuit.
218Dr. V. KANDAVEL, Asp/Mech. SSMIET, DGL-2
Hardwired Master Control Relay Circuit
219Dr. V. KANDAVEL, Asp/Mech. SSMIET, DGL-2
The master control reset (MCR) instruction can be
programmed to control an entire circuit or to control only
selected rungs of a circuit. When the MCR instruction is
false, or de-energized, all nonretentive (nonlatched) rungs
below the the MCR will be de-energized even if the
programmed logic for each rung is true. All retentive rungs
will remain in their last state. The MCR instruction
establishes a zone in the user program in which all
nonretentive outputs can be turned off simultaneously.
Therefore, retentive instructions should not normally be
placed within an MCR zone because the MCR zone
maintains retentive instructions in the last active state
when the instruction goes false.
MCR Instruction MCR
220Dr. V. KANDAVEL, Asp/Mech. SSMIET, DGL-2
MCR Instruction Programmed To Control An
Entire Circuit
221Dr. V. KANDAVEL, Asp/Mech. SSMIET, DGL-2
MCR Instruction Programmed To Control A
Fenced Zone
The Master Control Reset (MCR) instruction
is used in pairs to disable or enable a zone
within a ladder program and has no
address. You program the first MCR with
input instructions in the rung and the
ending MCR without any other instructions
in the rung.
Fenced
Zone
222Dr. V. KANDAVEL, Asp/Mech. SSMIET, DGL-2
MCR Instruction Programmed To Control A
Fenced Zone
MCR Zone False
223Dr. V. KANDAVEL, Asp/Mech. SSMIET, DGL-2
Programming MCR Instructions
If you start instructions such as timers and counters
in an MCR zone, instruction operation ceases when the
zone is disabled.
The TOF timer will activate when placed inside a false
MCR zone.
When troubleshooting a program that contains an MCR zone you need to be aware of
which rungs are within zones in order to correctly edit the circuit.
MCR controlled areas must contain only two MCR
instructions – one to define the start and one to define the end.
224Dr. V. KANDAVEL, Asp/Mech. SSMIET, DGL-2
Jump Instruction
As in computer programming, it is sometimes desirable
to be able to jump over certain program instructions.
The jump instruction (JMP) is an output instruction used for this purpose. The advantages
to the jump instruction include:
 the ability to reduce the processor scan time by jumping over instructions not pertinent
to the machines operation at that instant
 The PLC can hold more than one program and scan only the program appropriate to
operator requirements
 Sections of a program can be jumped when a production fault occurs
JMP
225Dr. V. KANDAVEL, Asp/Mech. SSMIET, DGL-2
Jump Operation
By using the jump instruction, you can branch or skip to different portions of a program
and freeze all affected outputs in their last state.
Jumps are normally allowed
in both the forward and
backward directions.
Jumping over counters and
timers will stop them from
being incremented.
226Dr. V. KANDAVEL, Asp/Mech. SSMIET, DGL-2
Jump-To-Label
With Allen-Bradley PLCs the jump (JMP) instruction and the label
(LBL) instruction are employed together so the scan can jump over
a portion of the program.
The label is a target for the jump, it is the first instruction in the
rung, and it is always true.
A jump jumps to a label with the same address. The area that the
processor jumps over is defined by the locations of the jump and
label instructions in the program.
If the jump coil is energized, all logic between the jump and label
instructions is bypassed and the processor continues scanning
after the LBL instruction.
227Dr. V. KANDAVEL, Asp/Mech. SSMIET, DGL-2
Jump-To-Label From Two Locations
20
20
20
228Dr. V. KANDAVEL, Asp/Mech. SSMIET, DGL-2
Jump - To - Subroutine
Another valuable tool in PLC programming is to be able to escape from the main program and
go to a program subroutine to perform certain functions and then return to the main
program.
229Dr. V. KANDAVEL, Asp/Mech. SSMIET, DGL-2
Dr. V. KANDAVEL, Asp/Mech. SSMIET, DGL-2 230
Data Handling
Data-handling instructions are used to convert and move data within a Micro- Logix PLC.
Data-handling instructions are often used to interface with field devices that supply or
require data in BCD (binary coded decimal) form.
Dr. V. KANDAVEL, Asp/Mech. SSMIET, DGL-2 231
Analogs Input / Output
Analog I/O that is distributed around your application or mounted on a
machine for distributed applications
Dr. V. KANDAVEL, Asp/Mech. SSMIET, DGL-2 232
The process of selecting a PLC can be broken into the steps listed below.
1. Understand the process to be controlled
• List the number and types of inputs and outputs.
• Determine how the process is to be controlled.
• Determine special needs such as distance between parts of the process.
2. If not already specified, a single vendor should be selected. Factors that might be
considered are, (Note: Vendor research may be needed here.)
• Manuals and documentation
• Support while developing programs
• The range of products available
• Support while troubleshooting
• Shipping times for emergency replacements
• Training
• The track record for the company
• Business practices (billing, upgrades/obsolete products, etc.)
3. Plan the ladder logic for the controls.
Selection of a PLC
Dr. V. KANDAVEL, Asp/Mech. SSMIET, DGL-2 233
Cost of hardware, software, Integration Engineering, Design,
Installation, Start-up and Commissioning, Validation documentation
and Execution, Training, Spare parts, Maintenance, System service
contract and system life cycle.
Reliability, Flexibility, Scalability and Validatability.
Ease of Database configuration, Graphics development, Interlocks
and Batch processing.
Integration of High-level Application.
Control Philosophy for Centralized versus Remote Operator
Console or both.
Limit selection to one, or two vendors.
PLC Size
Selection
Criteria
Customer Support
Wide Hardware Selection
Safety Support
Ease of EPICS Interfacing
TEXT import File style
Text Import of Tagnames
and I/O Symbols
Text Import of Program
Logic
TEXT import form
documented and supported
Ability to merge Input files
Cost Comparison, Config.
Company
Evaluation Totals
1. SMALL - it covers units with up to 128 I/O’s and memories up to 2 Kbytes.
- these PLC’s are capable of providing simple to advance levels
or machine controls.
2. MEDIUM- have up to 2048 I/O’s and memories up to 32 Kbytes.
3. LARGE - the most sophisticated units of the PLC family. They have up to
8192 I/O’s and memories up to 750 Kbytes.
- can control individual production processes or entire plant.
PLC Comparison Matrix
234Dr. V. KANDAVEL, Asp/Mech. SSMIET, DGL-2
PLC Manufacturer Performance
Per 1k Boolean
Instructions
Time Stamping
Capabilities
Fastest ADC and channel
count
Network Capabilities
AB, CompactLogix 0.04ms – 0.08 ms Software supported, ~1 ms
accuracy expected
4 @ .1ms/ch Yes, CIP, Ethernet are
easily supported.
Siemens, S7-300 0.05 ms – 0.10 ms Hardware support, <10 ms
accuracy
4 @ .1 ms/ch Yes, Profibus and Profinet
require special network
components
GE, RS7i 0.02 ms – 0.04 ms Hardware or Software,
h/w 1ms accuracy
64 @ 1 ms/ all ch,
Faster w / special VME
Yes, supports several
standard Ethernet protocols
Yokogawa FA-M3
Linux CPU or
Sequence CPU
0.02 ms – 0.04 ms Software support, EPICS
compatible
Software support ~1 ms
accuracy
4 simultaneous channels @
50 us/4
8 simultaneous channels @
500 us/8
Yes, standard EPICS
channel access,
Yes, but capabilities
unknown.
235
Leading Brands Of PLC
AMERICAN 1. Allen Bradley
2. Gould Modicon
3. Texas Instruments
4. General Electric
5. Westinghouse
6. Cutter Hammer
7. Square D
EUROPEAN 1. Siemens
2. Klockner & Mouller
3. Festo
4. Telemechanique
235Dr. V. KANDAVEL, Asp/Mech. SSMIET, DGL-2
236
Leading Brands Of PLC
JAPANESE 1. Toshiba
2. Omron
3. Fanuc
4. Mitsubishi
Areas of Application
 Manufacturing / Machining
 Food / Beverage
 Metals
 Power
 Mining
 Petrochemical / Chemical
236Dr. V. KANDAVEL, Asp/Mech. SSMIET, DGL-2
Dr. V. KANDAVEL, Asp/Mech. SSMIET, DGL-2 237
UNIT V ACTUATORS AND MECHATRONIC
SYSTEM DESIGN
Types of Stepper and Servo motors
Construction – Working Principle
Advantages and Disadvantages.
Design process-stages of design process
Traditional and Mechatronics design concepts
Case studies of Mechatronics systems
Pick and place Robot
Engine Management system
Automatic car park barrier.
238Dr. V. KANDAVEL, Asp/Mech. SSMIET, DGL-2
Sequential/Concurrent Product Realization
• Sequential and discipline specific concurrent design processes for
product realization are at best multi-disciplinary calling upon
discipline specialists to “design by discipline.”
– Design mechanical system “plant.”
– Select sensors and actuators and mount on plant.
– Design signal conditioning and power electronics.
– Design and implement control algorithm using electrical, electronics,
microprocessor, microcontroller, or microcomputer based hardware.
239Dr. V. KANDAVEL, Asp/Mech. SSMIET, DGL-2
Mechatronics-based Product Realization
• Systems engineering allows design, analysis, and synthesis of products and
processes involving components from multiple disciplines.
• Mechatronics exploits systems engineering to guide the product realization process
from design, model, simulate, analyze, refine, prototype, validate, and deployment
cycle.
• In mechatronics-based product realization: mechanical, electrical, and computer
engineering and information systems are integrated throughout the design process
so that the final products can be better than the sum of its parts.
• Mechatronics system is not
– simply a multi-disciplinary system
– simply an electromechanical system
– just a control system
240Dr. V. KANDAVEL, Asp/Mech. SSMIET, DGL-2
Mechatronic Design Process
241Dr. V. KANDAVEL, Asp/Mech. SSMIET, DGL-2
Evolution of Mechatronics as a Contemporary
Design Paradigm
• Technological advances in design, manufacturing, and operation of
engineered products/devices/processes can be traced through:
– Industrial revolution
– Semiconductor revolution
– Information revolution
242Dr. V. KANDAVEL, Asp/Mech. SSMIET, DGL-2
Case studies of Mechatronics systems
• Engine management system
Dr. V. KANDAVEL, Asp/Mech. SSMIET, DGL-2 243
Dr. V. KANDAVEL, Asp/Mech. SSMIET, DGL-2 244
The figure illustrates the basic concept of engine management system using a
microprocessor.
 Engine management system is used for managing the ignition and air/fuel
requirement of an IC engine.
 In the case of four stroke multi cylinder petrol engine, each cylinder has a
piston performing all the four stroke (suction, compression, working or expansion
and exhaust strokes) and the piston rod of each
 Piston connected to common crankshaft, and their power strokes at different
time‟s resulting power for rotation of the crankshaft.
 The power and speed of an engine are functions of ignition timing and
air/fuel mixture.
Hence, by controlling the ignition timing and air/fuel mixture it is possible to
control the speed and power of the engine
In modern cars the ignition timing, opening and closing of valves at appropriate
time, quality of air/fuel mixture are controlled by microprocessor with the help of
sensors.
Dr. V. KANDAVEL, Asp/Mech. SSMIET, DGL-2 245
Dr. V. KANDAVEL, Asp/Mech. SSMIET, DGL-2 246
Actuators-Motors
247Dr. V. KANDAVEL, Asp/Mech. SSMIET, DGL-2
Pneumatic and Hydraulic Systems
• Directional control valves are one of the most fundamental parts in Pneumatic
hydraulic machinery as well and pneumatic machinery. They allow fluid flow into
different paths from one or more sources. They usually consist of a spool inside a
cylinder which is mechanically or electrically controlled. The movement of the
spool restricts or permits the flow, thus it controls the fluid flow.
Directional Control Valves
Directional control valves can be
classified according to :-
•number of ports
two way,three way,four way
valves.
•number of positions
• two position and three
position
•actuating methods
Manually Operated
Mechanically Operated
Hydraulic/Pneumatically
•type of spool
Spool is of two types namely
sliding and rotary. 248
Dr. V. KANDAVEL, Asp/Mech. SSMIET, DGL-2
Rotary Actuators
• A rotary actuator is an actuator that produces a rotary motion
or torque.
• The simplest actuator is purely mechanical, where linear motion in
one direction gives rise to rotation. The most common actuators
though are electrically powered. Other actuators may be powered
by pneumatic or hydraulic power, or may use energy stored
internally through springs.
• The motion produced by an actuator may be either continuous
rotation, as for an electric motor, or movement to a fixed angular
position as forservos and stepper motors. A further form,
the torque motor, does not necessarily produce any rotation but
merely generates a precise torque which then either causes
rotation, or is balanced by some opposing torque.
249Dr. V. KANDAVEL, Asp/Mech. SSMIET, DGL-2
Types of Rotary Actuators
PNEUMATIC RACK AND PINION ROTARY
ACTUATORS
VANE STYLE ROTARY ACTUATORS
250
Dr. V. KANDAVEL, Asp/Mech. SSMIET, DGL-2
Mechanical Actuation Systems
Cams : –
A cam is a rotating or sliding piece in a mechanical
linkage used especially in transforming rotary motion into
linear motion or vice-versa. It is often a part of a
rotating wheel (e.g. an eccentric wheel) or shaft (e.g. a
cylinder with an irregular shape) that strikes a leverat one or
more points on its circular path. The cam can be a simple
tooth, as is used to deliver pulses of power to a steam
hammer, for example, or an eccentric disc or other shape
that produces a smooth reciprocating (back and forth)
motion in the follower, which is a lever making contact with
the cam
Classifications:
 Plate cam
 Cylindrical cam
 Face cam
 Linear cam
An early cam was built into Hellenistic water-driven automata from
the 3rd century BC.The cam and camshaft appeared in European
mechanisms from the 14th century.
251Dr. V. KANDAVEL, Asp/Mech. SSMIET, DGL-2
Gear trains
Gear-train-backlash-
and-contact-pattern-
checking
A gear train is formed by mounting gears on a frame so that the teeth of the gears engage. Gear
teeth are designed to ensure the pitch circles of engaging gears roll on each other without
slipping, providing a smooth transmission of rotation from one gear to the next.
The transmission of rotation between contacting toothed wheels can be traced back to
the Antikythera mechanism of Greece and thesouth-pointing chariot of China. Illustrations by
the renaissance scientist Georgius Agricola show gear trains with cylindrical teeth. The
implementation of the involute tooth yielded a standard gear design that provides a constant
speed ratio 252Dr. V. KANDAVEL, Asp/Mech. SSMIET, DGL-2
Some important features of gears and gear trains are:
The ratio of the pitch circles of mating gears defines the speed
ratio and the mechanical advantage of the gear set.
A planetary gear train provides high gear reduction in a compact
package.
It is possible to design gear teeth for gears that are non-circular, yet
still transmit torque smoothly.
The speed ratios of chain and belt drives are computed in the same
way as gear ratios
253
Dr. V. KANDAVEL, Asp/Mech. SSMIET, DGL-2
Electrical Actuation Systems
A actuator which can receive electrical energy
for motion is known as electrical actuator.
• Mechanical Switches :
– Relays
• Solid state switches:
– Diodes
– Thyristors (or) SCR [Silicon Controlled Rectifier]
– TRIAC (Triode for Alternating Current)
– Bipolar Transistors
– MOSFETS (Metal Oxide Field Effect Transistor)
254Dr. V. KANDAVEL, Asp/Mech. SSMIET, DGL-2
Mechatronics
Applications
Dr. V. KANDAVEL, Asp/Mech. SSMIET, DGL-2 255
•Desktop sized Factory
•Build small parts with a small factory
•Greatly reduces space, energy, and
materials
Manufacturing Applications-
Micro Factory
Micro Factory Drilling Unit
256Dr. V. KANDAVEL, Asp/Mech. SSMIET, DGL-2
CNC Bending
•Fully automated bending: load sheet
metal and the finished bent parts
come out
•Can bend complex shapes
257Dr. V. KANDAVEL, Asp/Mech. SSMIET, DGL-2
CNC Machining
Advantages
•Deliver the highest accuracies
•Can create very complex shapes
258Dr. V. KANDAVEL, Asp/Mech. SSMIET, DGL-2
Typical Applications
•Brake-By-Wire system
•Steer-By-Wire
•Integrated vehicle dynamics
•Camless engines
•Integrated starter alternator
Automobiles
OEM Driven
•Reliability
•Reduced weight
•Fuel economy
•Manufacturing flexibility
•Design freedom
•Advanced safety features
•Cost
Transportation Applications-
259Dr. V. KANDAVEL, Asp/Mech. SSMIET, DGL-2
•Train Position and Velocity
constantly monitored from main
command center.
•Error margin in scheduling no
more than 30 seconds
•Fastest trains use magnetic
levitation
High Speed Trains
JR-Maglev
Top Speed: 574 km/h (357 mph)
Country: Japan
Transrapid
Top Speed: 550 km/h (340 mph)
Country: German
Magnetic Levitation
260Dr. V. KANDAVEL, Asp/Mech. SSMIET, DGL-2
Transportation Applications-
Advantages
•Simple and intuitive
personal transportation
device
Systems Uses
•Tilt and pressure sensors
•Microcontroller
•Motors
•Onboard power source
Segway
261Dr. V. KANDAVEL, Asp/Mech. SSMIET, DGL-2
“Smart” Doorlock
Switchboard with
CAN Bus Gateway
“Smart” Window Lift-unit
CAM Bus
“Smart” Mirror motor-unit
pin-header
- Door System/Module-
262Dr. V. KANDAVEL, Asp/Mech. SSMIET, DGL-2
Seat System/Module-
Seat Harness Architecture showing various smart
connector interconnections solutions
263Dr. V. KANDAVEL, Asp/Mech. SSMIET, DGL-2
Smart Robotics Application
System Can
•Carry 340 lb
•Run 4 mph
•Climb, run, and walk
•Move over rough terrain
BigDog
Advantages
•Robot with rough-terrain mobility that could carry
equipment to remote location.
264Dr. V. KANDAVEL, Asp/Mech. SSMIET, DGL-2
•Robots can vacuum floors and clean
gutters so you don't have to.
Cleans Gutter
Vacuum Floors
265Dr. V. KANDAVEL, Asp/Mech. SSMIET, DGL-2
Space Exploration Application-
System Can
•Collect specimens
•Has automated onboard lab
for testing specimens
Advantages
•Robot that can travel to other
planets and take measurements
automatically.
Phoenix Mars Lander's
266Dr. V. KANDAVEL, Asp/Mech. SSMIET, DGL-2
-Medical Applications-
Prosthetics
•Arms, Legs, and other body parts can
be replaced with electromechanical
ones.
Mechatronics Systems
267Dr. V. KANDAVEL, Asp/Mech. SSMIET, DGL-2
Medical Applications
•Used by patients with slow or
erratic heart rates. The pacemaker
will set a normal heart rate when it
sees an irregular heart rhythm.
•Monitors the heart. If heart
fibrillates or stops completely it will
shock the heart at high voltage to
restore a normal heart rhythm.
Pace Maker
Implantable Defibrillation
268Dr. V. KANDAVEL, Asp/Mech. SSMIET, DGL-2
Defense Applications
•Advanced technology is making our
soldiers safer.
•Some planes can now be flown
remotely.
Unmanned Aerial Vehicle
Stealth Bomber
269Dr. V. KANDAVEL, Asp/Mech. SSMIET, DGL-2
-Sanitation Applications-
System Uses
•Proximity sensors
•Control circuitry
•Electromechanical valves
•Independent power source
Advantages
•Reduces spread of germs by making device
hands free
•Reduces wasted water by automatically
turning off when not in use
Mechatronics Systems
270Dr. V. KANDAVEL, Asp/Mech. SSMIET, DGL-2
-Sanitation Applications-
Advantages
•Reduces spread of germs by making device
hands free
•Reduces wasted materials by controlling
how much is dispensed
Systems Uses
•Motion sensors
•Control circuitry
•Electromechanical actuators
•Independent power source
Soap Dispenser
Paper Towel Dispenser
Mechatronics Systems
271Dr. V. KANDAVEL, Asp/Mech. SSMIET, DGL-2
Sports Applications
Advantages
•Automatically changes
cushioning in shoe for different
running styles and conditions for
improved
comfort
Running Shoes
272Dr. V. KANDAVEL, Asp/Mech. SSMIET, DGL-2
Washing MachineSolution Power Supply
Rectifiers/Regulator
Pressure Sensor
MPX5006/MPX2010
Smart Home Applications
273Dr. V. KANDAVEL, Asp/Mech. SSMIET, DGL-2
Smoke Detector System
Smart Home Applications …
274Dr. V. KANDAVEL, Asp/Mech. SSMIET, DGL-2
Dr. V. KANDAVEL, Asp/Mech. SSMIET, DGL-2 275
Exam date
ANNA UNIVERSITY, CHENNAI - 600 025
B E DEGREE EXAMINATIONS-NOV./DEC. 2020 For
candidates admitted in Anna University, Chennai
xx.11.2020
FN/AN
276V.Kandavel, RVSCET, DGL-5.Dr. V. KANDAVEL, Asp/Mech. SSMIET, DGL-2

ME8791 Mechatronics (vk-ssm)

  • 1.
    1 Dr. V. KANDAVEL,Asp/Mech. SSMIET, DGL-2
  • 2.
    ME8791-MECHATRONICS Regulation 2017 SEM:7th 2Dr. V.KANDAVEL, Asp/Mech. SSMIET, DGL-2
  • 3.
    Dr. V. KANDAVEL,Asp/Mech. SSMIET, DGL-2 3 OBJECTIVE: To impart knowledge about the elements and techniques involved in Mechatronics systems which are very much essential to understand the emerging field of automation. UNIT I MECHATRONICS, SENSORS AND TRANSDUCERS 9 Introduction to Mechatronics – Systems – Concepts of Mechatronics approach – Need for Mechatronics – Emerging areas of Mechatronics – Classification of Mechatronics. Sensors and Transducers: Static and dynamic Characteristics of Sensor, Potentiometers – LVDT – Capacitance sensors – Strain gauges – Eddy current sensor – Hall effect sensor – Temperature sensors – Light sensors UNIT II MICROPROCESSOR AND MICROCONTROLLER 9 Introduction – Architecture of 8085 – Pin Configuration – Addressing Modes –Instruction set, Timing diagram of 8085 – Concepts of 8051 microcontroller – Block diagram. UNIT III PROGRAMMABLE PERIPHERAL INTERFACE 9 Introduction – Architecture of 8255, Keyboard interfacing, LED display –interfacing, ADC and DAC interface, Temperature Control – Stepper Motor Control – Traffic Control interface. UNIT IV PROGRAMMABLE LOGIC CONTROLLERS 9 Introduction – Basic structure – Input and output processing – Programming – Mnemonics – Timers, counters and internal relays – Data handling – Selection of PLC. UNIT V ACTUATORS AND MECHATRONIC SYSTEM DESIGN 9 Types of Stepper and Servo motors – Construction – Working Principle – Advantages and Disadvantages. Design process-stages of design process – Traditional and Mechatronics design concepts – Case studies of Mechatronics systems – Pick and place Robot – Engine Management system – Automatic car park barrier. OTAL: 45 PERIODS
  • 4.
    Dr. V. KANDAVEL,Asp/Mech. SSMIET, DGL-2 4 OUTCOMES: Upon the completion of this course the students will be able to CO1 Discuss the interdisciplinary applications of Electronics, Electrical, Mechanical and Computer Systems for the Control of Mechanical, Electronic Systems and sensor technology. CO2 Discuss the architecture of Microprocessor and Microcontroller, Pin Diagram, Addressing Modes of Microprocessor and Microcontroller. CO3 Discuss Programmable Peripheral Interface, Architecture of 8255 PPI, and various device interfacing CO4 Explain the architecture, programming and application of programmable logic controllers to problems and challenges in the areas of Mechatronic engineering. CO5 Discuss various Actuators and Mechatronics system using the knowledge and skills acquired through the course and also from the given case studies
  • 5.
    Text books Dr. V.KANDAVEL, Asp/Mech. SSMIET, DGL-2 5 1. Bolton,W, “Mechatronics” , Pearson education, second edition, fifth Indian Reprint, 2003 2. Ramesh S Gaonkar, “Microprocessor Architecture, Programming, and Applications with the 8085”, 5th Edition, PrenticeHall, 2008. REFERENCES 1. Michael B.Histand and Davis G.Alciatore, “Introduction to Mechatronics and Measurement systems”, McGraw Hill International edition, 2007. 2. Bradley D.A, Dawson D, Buru N.C and Loader A.J, “Mechatronics”, Chapman and Hall, 1993. 3. Smaili.A and Mrad.F , “Mechatronics Integrated Technologies for Intelligent Machines”,Oxford University Press, 2007. 4. Devadas Shetty and Richard A. Kolk, “Mechatronics Systems Design”, PWS publishing company, 2007. 5. Krishna Kant, “Microprocessors & Microcontrollers”, Prentice Hall of India, 2007. 6. Clarence W, de Silva, "Mechatronics" CRC Press, First Indian Re-print, 2013
  • 6.
    UNIT I MECHATRONICS,SENSORS AND TRANSDUCERS – Introduction to Mechatronics • Systems • Concepts of Mechatronics approach • Need for Mechatronics • Emerging areas of Mechatronics • Classification of Mechatronics. – Sensors and Transducers: • Static and dynamic Characteristics of Sensor, • Potentiometers • LVDT • Capacitance. • Strain gauges • Eddy current sensor • Hall effect sensor • Temperature sensors • Light sensors 6Dr. V. KANDAVEL, Asp/Mech. SSMIET, DGL-2
  • 7.
    Introduction to Mechatronics Systems 7Dr. V.KANDAVEL, Asp/Mech. SSMIET, DGL-2
  • 8.
    Mechatronics Definition… • “Thename [mechatronics] was coined by Ko Kikuchi, now president of Yasakawa Electric Co., Chiyoda-Ku, Tokyo.” – R. Comerford, “Mecha … what?” IEEE Spectrum, 31(8), 46-49, 1994. • “The word, mechatronics is composed of mecha from mechanics and tronics from electronics. In other words, technologies and developed products will be incorporating electronics more and more into mechanisms, intimately and organically, and making it impossible to tell where one ends and the other begins.” – T. Mori, “Mechatronics,” Yasakawa Internal Trademark Application Memo, 21.131.01, July 12, 1969. Mechatronics mecha tronicsEletronics Mechanics 8Dr. V. KANDAVEL, Asp/Mech. SSMIET, DGL-2
  • 9.
    Mechatronics Definition… • “Integrationof electronics, control engineering, and mechanical engineering.” – W. Bolton, Mechatronics: Electronic Control Systems in Mechanical Engineering, Longman, 1995. • “Application of complex decision making to the operation of physical systems.” – D. M. Auslander and C. J. Kempf, Mechatronics: Mechanical System Interfacing, Prentice-Hall, 1996. • “Synergistic integration of mechanical engineering with electronics and intelligent computer control in the design and manufacturing of industrial products and processes.” – F. Harshama, M. Tomizuka, and T. Fukuda, “Mechatronics-what is it, why, and how?- and editorial,” IEEE/ASME Trans. on Mechatronics, 1(1), 1-4, 1996. 9Dr. V. KANDAVEL, Asp/Mech. SSMIET, DGL-2
  • 10.
    Mechatronics Definition… • “Synergisticuse of precision engineering, control theory, computer science, and sensor and actuator technology to design improved products and processes.” – S. Ashley, “Getting a hold on mechatronics,” Mechanical Engineering, 119(5), 1997. • “Methodology used for the optimal design of electromechanical products.” – D. Shetty and R. A Kolk, Mechatronics System Design, PWS Pub. Co., 1997. • “Field of study involving the analysis, design, synthesis, and selection of systems that combine electronics and mechanical components with modern controls and microprocessors.” – D. G. Alciatore and M. B. Histand, Introduction to Mechatronics and Measurement Systems, McGraw Hill, 1998. • Aside: Web site devoted to definitions of mechatronics: – http://www.engr.colostate.edu/~dga/mechatronics/definitions.html 10Dr. V. KANDAVEL, Asp/Mech. SSMIET, DGL-2
  • 11.
    Mechatronics is thesynergistic integration of sensors, actuators, signal conditioning, power electronics, decision and control algorithms, and computer hardware and software to manage complexity, uncertainty, and communication in engineered systems. 11Dr. V. KANDAVEL, Asp/Mech. SSMIET, DGL-2 Working Definition
  • 12.
    System Dr. V. KANDAVEL,Asp/Mech. SSMIET, DGL-2 12 System OutputInput System is indicated by a box where the input and output is the responsibility of the system. So that system is called the interconnection of some components or elements to perform useful work.
  • 13.
    A system canbe thought of as a box or a bounded whole which has input and output elements, and a set of relationships between these elements. Figure shows a typical spring system. It has ‘force’ as an input which produces an ‘extension’. The input and output of this system follows the Hooke’s law F = –kx, where F is force in N, x is distance in m and k is stiffness of the spring. Dr. V. KANDAVEL, Asp/Mech. SSMIET, DGL-2 13
  • 14.
    Key Elements ofMechatronics 14Dr. V. KANDAVEL, Asp/Mech. SSMIET, DGL-2
  • 15.
    15 What CAD/CAM/CAD • CAD:Computer-Aided Design • CAM: Computer-Aided Manufacturing • CAE: Computer-Aided Engineering Dr. V. KANDAVEL, Asp/Mech. SSMIET, DGL-2
  • 16.
    16Dr. V. KANDAVEL,Asp/Mech. SSMIET, DGL-2
  • 17.
    CAD/CAM/CAE software • CAD– 2D drafting – AutoCAD, TwinCAD, etc. • CAD – Solid modeling – Solid Edge, SolidWorks, Mechanical Desktop(MDT), etc. • CAM – SOLIDCAM, SURFCAM, MasterCAM, SmartCAM, etc. • CAE – ANSYS, ABAQUS, NASTRAN, ADAMS, MOLDFLOW, etc. 17Dr. V. KANDAVEL, Asp/Mech. SSMIET, DGL-2
  • 18.
    Mechatronics Applications • Smartconsumer products: home security, camera, microwave oven, toaster, dish washer, laundry washer-dryer, climate control units, etc. • Medical: implant-devices, assisted surgery, haptic, etc. • Defense: unmanned air, ground, and underwater vehicles, smart munitions, jet engines, etc. • Manufacturing: robotics, machines, processes, etc. • Automotive: climate control, antilock brake, active suspension, cruise control, air bags, engine management, safety, etc. • Network-centric, distributed systems: distributed robotics, tele- robotics, intelligent highways, etc. 18Dr. V. KANDAVEL, Asp/Mech. SSMIET, DGL-2
  • 19.
    Micro to Macro Applications MechatronicsSystems MEMS Consumer Electronics Tools Computers Cars Stealth Bomber High Speed Trains 19Dr. V. KANDAVEL, Asp/Mech. SSMIET, DGL-2
  • 20.
    Emerging Areas ofMechatronics Dr. V. KANDAVEL, Asp/Mech. SSMIET, DGL-2 20 Mechatronics has a variety of applications as products and systems in the area of ‘manufacturing automation’. Some of these applications are as follows: 1. Computer numerical control (CNC) machines 2. Tool monitoring systems 3. Advanced manufacturing systems a. Flexible manufacturing system (FMS) b. Computer integrated manufacturing (CIM) 4. Industrial robots 5. Automatic inspection systems: machine vision systems
  • 21.
    Dr. V. KANDAVEL,Asp/Mech. SSMIET, DGL-2 21 6. Automatic packaging systems 7. Smart consumer products: home security, camera, microwave oven, toaster, dish washer, laundry washer-dryer, climate control units, etc. 8. Medical: implant-devices, assisted surgery, etc. 9. Defense: unmanned air, ground, and underwater vehicles, smart munitions, jet engines, etc. 10. Manufacturing: robotics, machines, processes, etc. Manufacturing: robotics, machines, processes, etc. 11. Automotive: climate control, antilock brake, active suspension, cruise control, air bags, engine management, safety, etc. 12. Network-centric, distributed systems: distributed robotics, tele-robotics, intelligent highways, etc.
  • 22.
    Classification of Mechatronics Dr.V. KANDAVEL, Asp/Mech. SSMIET, DGL-2 22 Based on the application of basic theories used, mechatronics systems are classified as follows: •Conventional mechatronic systems •Micro electromechanical - Micro mechatronic systems (MEMS) •Nano electromechanical - Micro mechatronic systems (NEMS)
  • 23.
    Dr. V. KANDAVEL,Asp/Mech. SSMIET, DGL-2 23 Based on the technologies incorporated and product features, Japan Society Promotion of Machine Industry (JSPMI) classifies mechatronics products into following four categories. •Case I Primarily mechanical products with electronic are incorporated to enhance functionality. e.g. NC machines tools and variable speed drives in manufacturing machines. •Case II Traditional mechanical systems with significantly updated internal devices are incorporating electronics. The external user interfaces are unaltered. e.g. Modern sewing machine and automated manufacturing systems.
  • 24.
    Dr. V. KANDAVEL,Asp/Mech. SSMIET, DGL-2 24 •Case III Systems are that retain the functionality of traditional mechanical systems but the internal mechanisms are replaced by electronics. e.g. Digital watch, automatic camera. •Case IV Products are designed with mechanical and electronic technologies through synergistic integration. e.g. Photocopiers, intelligent washers and dryers, rice cookers and automatic ovens.
  • 25.
    Sensors and Actuators •Sensor A device that converts an environmental condition into an electrical signal. • Actuator A device that converts a control signal (usually electrical) into mechanical action (motion). (Taken together, sensors, actuators, controllers, and power supply form the basic elements of a control system.) 25Dr. V. KANDAVEL, Asp/Mech. SSMIET, DGL-2
  • 26.
    A good sensorobeys the following rules • Is sensitive to the measured property • Is insensitive to any other property likely to be encountered in its application • Does not influence the measured property Dr. V. KANDAVEL, Asp/Mech. SSMIET, DGL-2 26
  • 27.
    Characteristics of sensor •The sensitivity may in practice differ from the value specified. This is called a sensitivity error, but the sensor is still linear. • • Since the range of the output signal is always limited, the output signal will eventually reach a minimum or maximum when the measured property exceeds the limits. The full scale range defines the maximum and minimum values of the measured property. • • If the output signal is not zero when the measured property is zero, the sensor has an offset or bias. This is defined as the output of the sensor at zero input. Dr. V. KANDAVEL, Asp/Mech. SSMIET, DGL-2 27
  • 28.
    • Long termdrift usually indicates a slow degradation of sensor properties over a long period of time. • • Noise is a random deviation of the signal that varies in time. • Hysteresis is an error caused by when the measured property reverses direction, but there is some finite lag in time for the sensor to respond, creating a different offset error in one direction than in the other. • If the sensor has a digital output, the output is essentially an approximation of the measured property. The approximation error is also called digitization error. • Dr. V. KANDAVEL, Asp/Mech. SSMIET, DGL-2 28
  • 29.
    Transducers • It isdefined as an element when subjected to some physical change experiences a related change or an element which converts a specified measurand into a usable output by using a transduction principle. • • It can also be defined as a device that converts a signal from one form of energy to another form. Dr. V. KANDAVEL, Asp/Mech. SSMIET, DGL-2 29
  • 30.
    Sensor/transducers specifications • Transducersor measurement systems are not perfect systems. Mechatronics design engineer must know the capability and shortcoming of a transducer or measurement system to properly assess its performance. There are a number of performance related parameters of a transducer or measurement system. These parameters are called as sensor specifications. • Sensor specifications inform the user to the about deviations from the ideal behavior of the sensors. Following are the various specifications of a sensor/transducer system. Dr. V. KANDAVEL, Asp/Mech. SSMIET, DGL-2 30
  • 31.
    1. Range The rangeof a sensor indicates the limits between which the input can vary. For example, a thermocouple for the measurement of temperature might have a range of 25-225 °C. 2. Span The span is difference between the maximum and minimum values of the input. Thus, the above-mentioned thermocouple will have a span of 200 °C. 3. Error Error is the difference between the result of the measurement and the true value of the quantity being measured. A sensor might give a displacement reading of 29.8 mm, when the actual displacement had been 30 mm, then the error is –0.2 mm. Dr. V. KANDAVEL, Asp/Mech. SSMIET, DGL-2 31
  • 32.
    4. Accuracy The accuracydefines the closeness of the agreement between the actual measurement result and a true value of the measurand. It is often expressed as a percentage of the full range output or full–scale deflection. A piezoelectric transducer used to evaluate dynamic pressure phenomena associated with explosions, pulsations, or dynamic pressure conditions in motors, rocket engines, compressors, and other pressurized devices is capable to detect pressures between 0.1 and 10,000 psig (0.7 KPa to 70 MPa). If it is specified with the accuracy of about ±1% full scale, then the reading given can be expected to be within ± 0.7 MPa. 5. Sensitivity Sensitivity of a sensor is defined as the ratio of change in output value of a sensor to the per unit change in input value that causes the output change. For example, a general purpose thermocouple may have a sensitivity of 41 µV/°C. Dr. V. KANDAVEL, Asp/Mech. SSMIET, DGL-2 32
  • 33.
    6. Nonlinearity The nonlinearityindicates the maximum deviation of the actual measured curve of a sensor from the ideal curve. Figure 1.3 shows a somewhat exaggerated relationship between the ideal, or least squares fit, line and the actual measured or calibration line. Linearity is often specified in terms of percentage of nonlinearity, which is defined as: Nonlinearity (%) = Maximum deviation in input / Maximum full scale input figure below. The static nonlinearity defined by figure below is dependent upon environmental factors, including temperature, vibration, acoustic noise level, and humidity. Therefore it is important to know under what conditions the specification is valid. Dr. V. KANDAVEL, Asp/Mech. SSMIET, DGL-2 33
  • 34.
    7. Hysteresis The hysteresisis an error of a sensor, which is defined as the maximum difference in output at any measurement value within the sensor’s specified range Dr. V. KANDAVEL, Asp/Mech. SSMIET, DGL-2 34 When approaching the point first with increasing and then with decreasing the input parameter. Figure shows the hysteresis error might have occurred during measurement of temperature using a thermocouple. The hysteresis error value is normally specified as a positive or negative percentage of the specified input range.
  • 35.
    8. Resolution Resolution isthe smallest detectable incremental change of input parameter that can be detected in the output signal. Resolution can be expressed either as a proportion of the full-scale reading or in absolute terms. For example, if a LVDT sensor measures a displacement up to 20 mm and it provides an output as a number between 1 and 100 then the resolution of the sensor device is 0.2 mm. 9. Stability Stability is the ability of a sensor device to give same output when used to measure a constant input over a period of time. The term ‘drift’ is used to indicate the change in output that occurs over a period of time. It is expressed as the percentage of full range output. 10. Dead band/time The dead band or dead space of a transducer is the range of input values for which there is no output. The dead time of a sensor device is the time duration from the application of an input until the output begins to respond or change. Dr. V. KANDAVEL, Asp/Mech. SSMIET, DGL-2 35
  • 36.
    11. Repeatability It specifiesthe ability of a sensor to give same output for repeated applications of same input value. It is usually expressed as a percentage of the full range output: Repeatability = (maximum – minimum values given) X 100 / full range (Figure Hysteresis Error Curve) Response time Response time describes the speed of change in the output on a step-wise change of the measurand. It is always specified with an indication of input step and the output range for which the response time is defined. Dr. V. KANDAVEL, Asp/Mech. SSMIET, DGL-2 36
  • 37.
    Classification of sensors •Sensors can be classified into various groups according to the factors such as measurand, application fields, conversion principle, energy domain of the measurand and thermodynamic considerations. Detail classification of sensors in view of their applications in manufacturing is as follows. Dr. V. KANDAVEL, Asp/Mech. SSMIET, DGL-2 37
  • 38.
    Displacement, position andproximity sensors • Potentiometer • Strain-gauged element • Capacitive element • Differential transformers • Eddy current proximity sensors • Inductive proximity switch • Optical encoders • Pneumatic sensors • Proximity switches (magnetic) • Hall effect sensors Dr. V. KANDAVEL, Asp/Mech. SSMIET, DGL-2 38
  • 39.
    Velocity and motion •Incremental encoder • Tachogenerator • Pyroelectric sensors • Force • Strain gauge load cell • Fluid pressure • Diaphragm pressure gauge • Capsules, bellows, pressure tubes • Piezoelectric sensors • Tactile sensor Dr. V. KANDAVEL, Asp/Mech. SSMIET, DGL-2 39
  • 40.
    Liquid flow • Orificeplate • Turbine meter Liquid level • Floats • Differential pressure Temperature • Bimetallic strips • Resistance temperature detectors • Thermistors • Thermo-diodes and transistors • Thermocouples • Light sensors • Photo diodes • Photo resistors • Photo transistor Dr. V. KANDAVEL, Asp/Mech. SSMIET, DGL-2 40
  • 41.
    UNIT II MICROPROCESSORAND MICROCONTROLLER Introduction: Architecture of 8085 Pin Configuration Addressing Modes Instruction set, Timing diagram of 8085 Concepts of 8051 microcontroller Block diagram,. 41 Dr. V. KANDAVEL, Asp/Mech. SSMIET, DGL-2
  • 42.
    Dr. V. KANDAVEL,Asp/Mech. SSMIET, DGL-2 42
  • 43.
    Dr. V. KANDAVEL,Asp/Mech. SSMIET, DGL-2 43
  • 44.
    Dr. V. KANDAVEL,Asp/Mech. SSMIET, DGL-2 44
  • 45.
    Dr. V. KANDAVEL,Asp/Mech. SSMIET, DGL-2 45
  • 46.
    CPU General- Purpose Micro- processor RAM ROM I/O Port Timer Serial COM Port DataBus Address Bus General-Purpose Microprocessor System • CPU for Computers • No RAM, ROM, I/O on CPU chip itself • Example:Intel’s x86, Motorola’s 680x0 Many chips on mother’s board Microprocessor 46Dr. V. KANDAVEL, Asp/Mech. SSMIET, DGL-2 Introduction:
  • 47.
    RAM ROM I/O Port Timer Serial COM Port Microcontroller CPU • Asmaller computer • On-chip RAM, ROM, I/O ports... • Example:Motorola’s 6811, Intel’s 8051, Zilog’s Z8 and PIC 16X A single chip Microcontroller 47Dr. V. KANDAVEL, Asp/Mech. SSMIET, DGL-2
  • 48.
    Microprocessor • CPU isstand-alone, RAM, ROM, I/O, timer are separate • designer can decide on the amount of ROM, RAM and I/O ports. • expansive • versatility • general-purpose Microcontroller • CPU, RAM, ROM, I/O and timer are all on a single chip • fix amount of on-chip ROM, RAM, I/O ports • for applications in which cost, power and space are critical • single-purpose Microprocessor vs. Microcontroller 48Dr. V. KANDAVEL, Asp/Mech. SSMIET, DGL-2
  • 49.
    49Dr. V. KANDAVEL,Asp/Mech. SSMIET, DGL-2
  • 50.
    Dr. V. KANDAVEL,Asp/Mech. SSMIET, DGL-2 50
  • 51.
    Dr. V. KANDAVEL,Asp/Mech. SSMIET, DGL-2 51
  • 52.
    Dr. V. KANDAVEL,Asp/Mech. SSMIET, DGL-2 52
  • 53.
    Dr. V. KANDAVEL,Asp/Mech. SSMIET, DGL-2 53
  • 54.
    Dr. V. KANDAVEL,Asp/Mech. SSMIET, DGL-2 54
  • 55.
    Dr. V. KANDAVEL,Asp/Mech. SSMIET, DGL-2 55
  • 56.
    Dr. V. KANDAVEL,Asp/Mech. SSMIET, DGL-2 56
  • 57.
    Dr. V. KANDAVEL,Asp/Mech. SSMIET, DGL-2 57
  • 58.
    Dr. V. KANDAVEL,Asp/Mech. SSMIET, DGL-2 58
  • 59.
    Dr. V. KANDAVEL,Asp/Mech. SSMIET, DGL-2 59
  • 60.
    Dr. V. KANDAVEL,Asp/Mech. SSMIET, DGL-2 60
  • 61.
    Dr. V. KANDAVEL,Asp/Mech. SSMIET, DGL-2 61
  • 62.
    Dr. V. KANDAVEL,Asp/Mech. SSMIET, DGL-2 62
  • 63.
    Dr. V. KANDAVEL,Asp/Mech. SSMIET, DGL-2 63
  • 64.
    Dr. V. KANDAVEL,Asp/Mech. SSMIET, DGL-2 64
  • 65.
    Dr. V. KANDAVEL,Asp/Mech. SSMIET, DGL-2 65
  • 66.
    Architecture • vedio Dr. V.KANDAVEL, Asp/Mech. SSMIET, DGL-2 66 How to draw
  • 67.
    67Dr. V. KANDAVEL,Asp/Mech. SSMIET, DGL-2
  • 68.
    Dr. V. KANDAVEL,Asp/Mech. SSMIET, DGL-2 68
  • 69.
    Dr. V. KANDAVEL,Asp/Mech. SSMIET, DGL-2 69
  • 70.
    Dr. V. KANDAVEL,Asp/Mech. SSMIET, DGL-2 70
  • 71.
    Dr. V. KANDAVEL,Asp/Mech. SSMIET, DGL-2 71
  • 72.
    Dr. V. KANDAVEL,Asp/Mech. SSMIET, DGL-2 72
  • 73.
    Dr. V. KANDAVEL,Asp/Mech. SSMIET, DGL-2 73
  • 74.
    Dr. V. KANDAVEL,Asp/Mech. SSMIET, DGL-2 74
  • 75.
    Dr. V. KANDAVEL,Asp/Mech. SSMIET, DGL-2 75
  • 76.
    Dr. V. KANDAVEL,Asp/Mech. SSMIET, DGL-2 76
  • 77.
    Dr. V. KANDAVEL,Asp/Mech. SSMIET, DGL-2 77
  • 78.
    Dr. V. KANDAVEL,Asp/Mech. SSMIET, DGL-2 78 Timing Diagram
  • 79.
    Dr. V. KANDAVEL,Asp/Mech. SSMIET, DGL-2 79
  • 80.
    Dr. V. KANDAVEL,Asp/Mech. SSMIET, DGL-2 80
  • 81.
    Dr. V. KANDAVEL,Asp/Mech. SSMIET, DGL-2 81
  • 82.
    Dr. V. KANDAVEL,Asp/Mech. SSMIET, DGL-2 82
  • 83.
    Dr. V. KANDAVEL,Asp/Mech. SSMIET, DGL-2 83
  • 84.
    Dr. V. KANDAVEL,Asp/Mech. SSMIET, DGL-2 84
  • 85.
    Dr. V. KANDAVEL,Asp/Mech. SSMIET, DGL-2 85
  • 86.
    Dr. V. KANDAVEL,Asp/Mech. SSMIET, DGL-2 86
  • 87.
    Dr. V. KANDAVEL,Asp/Mech. SSMIET, DGL-2 87
  • 88.
    Dr. V. KANDAVEL,Asp/Mech. SSMIET, DGL-2 88
  • 89.
    Dr. V. KANDAVEL,Asp/Mech. SSMIET, DGL-2 89
  • 90.
    Dr. V. KANDAVEL,Asp/Mech. SSMIET, DGL-2 90
  • 91.
    8051 microcontroller A Microcontrolleris a VLSI IC that contains a CPU (Processor) along with some other peripherals like Memory (RAM and ROM), I/O Ports, Timers/Counters, Communication Interface, ADC, etc.
  • 92.
    On the contrary,a Microprocessor (which was developed before Microcontroller) is just a Processor (CPU) and doesn’t have the above mentioned peripherals. In order to make it work or build a system around it, we need to interface the peripherals separately. Until the development of Microcontrollers, almost all process and control tasks were implemented using Microprocessors. As Microprocessor need the additional peripherals to work as a system, the overall cost of the control system was high.
  • 93.
    Concepts of 8051microcontroller • 8051 microcontroller is designed by Intel in 1981. It is an 8-bit microcontroller. It is built with 40 pins DIP (dual inline package), 4kb of ROM storage and 128 bytes of RAM storage, 2 16-bit timers. It consists of are four parallel 8-bit ports, which are programmable as well as addressable as per the requirement. An on-chip crystal oscillator is integrated in the microcontroller having crystal frequency of 12 MHz.
  • 94.
    Brief History of8051 • The first microprocessor 4004 was invented by Intel Corporation. 8085 and 8086 microprocessors were also invented by Intel. In 1981, Intel introduced an 8- bit microcontroller called the 8051. It was referred as system on a chip because it had 128 bytes of RAM, 4K byte of on-chip ROM, two timers, one serial port, and 4 ports (8-bit wide), all on a single chip. When it became widely popular, Intel allowed other manufacturers to make and market different flavors of 8051 with its code compatible with 8051. It means that if you write your program for one flavor of 8051, it will run on other flavors too, regardless of the manufacturer. This has led to several versions with different speeds and amounts of on-chip RAM.
  • 95.
    Comparison between 8051Family Members Feature 8051 8052 8031 ROM(bytes) 4K 8K 0K RAM(bytes) 128 256 128 Timers 2 3 2 I/O pins 32 32 32 Serial port 1 1 1 Interrupt sources 6 8 6 The following table compares the features available in 8051, 8052, and 8031.
  • 96.
    Architecture of 8051Microcontroller • Let us now discuss the architecture of 8051 Microcontroller. • In the next following diagram, the system bus connects all the support devices to the CPU. The system bus consists of an 8-bit data bus, a 16-bit address bus and bus control signals. All other devices like program memory, ports, data memory, serial interface, interrupt control, timers, and the CPU are all interfaced together through the system bus.
  • 97.
    Architecture / BlockDiagram of 8051 Microcontroller
  • 99.
    Features of 8051Microcontroller An 8051 microcontroller comes bundled with the following features • 8 – Bit ALU: ALU or Arithmetic Logic Unit is the heart of a microcontroller. It performs arithmetic and bitwise operation on binary numbers. The ALU in 8051 is an 8 – Bit ALU i.e. it can perform operations on 8 – bit data. • 8 – Bit Accumulator:The Accumulator is an important register associated with the ALU. The accumulator in 8051 is an 8 – bit register. • RAM: 8051 Microcontroller has 128 Bytes of RAM which includes SFRs and Input / Output Port Registers. • ROM: 8051 has 4 KB of on-chip ROM (Program Memory). • I/O Ports: 8051 has four 8 – bit Input / Output Ports which are bit addressable and bidirectional. • Timers / Counters: 8051 has two 16 – bit Timers / Counters. • Serial Port: 8051 supports full duplex UART Communication. • External Memory: 8051Microcontroller can access two 16 – bit address line at once: one each for RAM and ROM. The total external memory that an 8051 Microcontroller can access for RAM and ROM is 64KB (216 for each type). • Additional Features: Interrupts, on-chip oscillator, Boolean Processor, Power Down Mode, etc. – NOTE: Some of the features like size of RAM and ROM, number of Timers, etc. are not generic. They vary by manufacturer.
  • 102.
    • Reduced instructionset computer (RISC) – The many varieties of RISC designs include ARC, Alpha, Am29000, ARM, Atmel AVR, Blackfin, i860, i960, M88000, MIPS, PA-RISC, Power ISA (including PowerPC), RISC-V, SuperH, and SPARC. The use of ARM architecture processors in smartphones and tablet computers such as the iPad and Android devices provided a wide user base for RISC-based systems. RISC processors are also used in supercomputers, such as Fugaku, which, as of June 2020, is the world's fastest supercomputer. • Complex instruction set computer (CISC) – is a computer in which single instructions can execute several low-level operations (such as a load from memory, an arithmetic operation, and a memory store) or are capable of multi-step operations or addressing modes within single instructions. The term was retroactively coined in contrast to reduced instruction set computer. – Examples of instruction set architectures that have been retroactively labeled CISC are System/360 through z/Architecture, the PDP- 11 and VAX architectures, Data General Nova and many others. – Well known microprocessors and microcontrollers that have also been labeled CISC in many academic publications include the Motorola 6800, 6809 and 68000-families; the Intel 8080, iAPX432 and x86-family; the Zilog Z80, Z8 and Z8000-families; and others
  • 104.
    Pins 1 to8 − These pins are known as Port 1. This port doesn’t serve any other functions. It is internally pulled up, bi-directional I/O port. Pin 9 − It is a RESET pin, which is used to reset the microcontroller to its initial values. Pins 10 to 17 − These pins are known as Port 3. This port serves some functions like interrupts, timer input, control signals, serial communication signals RxD and TxD, etc. Pins 18 & 19 − These pins are used for interfacing an external crystal to get the system clock. Pin 20 − This pin provides the power supply to the circuit. Pins 21 to 28 − These pins are known as Port 2. It serves as I/O port. Higher order address bus signals are also multiplexed using this port. Pin 29 − This is PSEN pin which stands for Program Store Enable. It is used to read a signal from the external program memory. Pin 30 − This is EA pin which stands for External Access input. It is used to enable/disable the external memory interfacing.
  • 105.
    Pin 31 −This is ALE pin which stands for Address Latch Enable. It is used to demultiplex the address-data signal of port. Pins 32 to 39 − These pins are known as Port 0. It serves as I/O port. Lower order address and data bus signals are multiplexed using this port. Pin 40 − This pin is used to provide power supply to the circuit. 8051 microcontrollers have 4 I/O ports each of 8-bit, which can be configured as input or output. Hence, total 32 input/output pins allow the microcontroller to be connected with the peripheral devices. Pin configuration, i.e. the pin can be configured as 1 for input and 0 for output as per the logic state. Input/Output (I/O) pin − All the circuits within the microcontroller must be connected to one of its pins except P0 port because it does not have pull-up resistors built-in. Input pin − Logic 1 is applied to a bit of the P register. The output FE transistor is turned off and the other pin remains connected to the power supply voltage over a pull-up resistor of high resistance.
  • 106.
    Port 0 −The P0 (zero) port is characterized by two functions − •When the external memory is used then the lower address byte (addresses A0A7) is applied on it, else all bits of this port are configured as input/output. •When P0 port is configured as an output then other ports consisting of pins with built-in pull-up resistor connected by its end to 5V power supply, the pins of this port have this resistor left out. Output Configuration When the pin is configured as an output, then it acts as an “open drain”. By applying logic 0 to a port bit, the appropriate pin will be connected to ground (0V), and applying logic 1, the external output will keep on “floating”. In order to apply logic 1 (5V) on this output pin, it is necessary to build an external pullup resistor.
  • 107.
    Port 1 P1 isa true I/O port as it doesn’t have any alternative functions as in P0, but this port can be configured as general I/O only. It has a built-in pull-up resistor and is completely compatible with TTL circuits. Port 2 P2 is similar to P0 when the external memory is used. Pins of this port occupy addresses intended for the external memory chip. This port can be used for higher address byte with addresses A8-A15. When no memory is added then this port can be used as a general input/output port similar to Port 1. Port 3 In this port, functions are similar to other ports except that the logic 1 must be applied to appropriate bit of the P3 register.
  • 108.
    Pins Current Limitations Whenpins are configured as an output (i.e. logic 0), then the single port pins can receive a current of 10mA. When these pins are configured as inputs (i.e. logic 1), then built-in pull-up resistors provide very weak current, but can activate up to 4 TTL inputs of LS series. If all 8 bits of a port are active, then the total current must be limited to 15mA (port P0: 26mA). If all ports (32 bits) are active, then the total maximum current must be limited to 71mA. Interrupts are the events that temporarily suspend the main program, pass the control to the external sources and execute their task. It then passes the control to the main program where it had left off. 8051 has 5 interrupt signals, i.e. INT0, TFO, INT1, TF1, RI/TI. Each interrupt can be enabled or disabled by setting bits of the IE register and the whole interrupt system can be disabled by clearing the EA bit of the same register.
  • 109.
  • 118.
    Applications of 8051Microcontroller • Even with the development of many advanced and superior Microcontrollers, 8051 Microcontroller is still being used in many embedded system and applications. • Some of the applications of 8051 Microcontroller are mentioned below: – Consumer Appliances (TV Tuners, Remote controls, Computers, Sewing Machines, etc.) – Home Applications (TVs, VCR, Video Games, Camcorder, Music Instruments, Home Security Systems, Garage Door Openers, etc.) – Communication Systems (Mobile Phones, Intercoms, Answering Machines, Paging Devices, etc.) – Office (Fax Machines, Printers, Copiers, Laser Printers, etc.) – Automobiles (Air Bags, ABS, Engine Control, Transmission Control, Temperature Control, Keyless Entry, etc) – Aeronautical and Space – Medical Equipment – Defense Systems – Robotics – Industrial Process and Flow Control – Radio and Networking Equipment – Remote Sensing
  • 129.
    Web links Dr. V.KANDAVEL, Asp/Mech. SSMIET, DGL-2 129
  • 130.
    UNIT III PROGRAMMABLEPERIPHERAL INTERFACE Introduction : Architecture of 8255, Keyboard interfacing, LED display – interfacing, ADC and DAC interface, Temperature Control Stepper Motor Control Traffic Control interface. 130 Dr. V. KANDAVEL, Asp/Mech. SSMIET, DGL-2
  • 131.
    Programmable peripheral interface8255 • PPI 8255 is a general purpose programmable I/O device designed to interface the CPU with its outside world such as ADC, DAC, keyboard etc. We can program it according to the given condition. It can be used with almost any microprocessor. • It consists of three 8-bit bidirectional I/O ports i.e. PORT A, PORT B and PORT C. We can assign different ports as input or output functions. • It consists of 40 pins and operates in +5V regulated power supply. Port C is further divided into two 4-bit ports i.e. port C lower and port C upper and port C can work in either BSR (bit set rest) mode or in mode 0 of input-output mode of 8255. Port B can work in either mode or in mode 1 of input-output mode. Port A can work either in mode 0, mode 1 or mode 2 of input-output mode.
  • 150.
    • PA0 –PA7 – Pins of port A • PB0 – PB7 – Pins of port B • PC0 – PC7 – Pins of port C • D0 – D7 – Data pins for the transfer of data • RESET – Reset input • RD’ – Read input • WR’ – Write input • CS’ – Chip select • A1 and A0 – Address pins
  • 194.
    Web links 194Dr. V.KANDAVEL, Asp/Mech. SSMIET, DGL-2
  • 195.
    UNIT IV PROGRAMMABLELOGIC CONTROLLER – Introduction:- Basic Structure and Input / Output Processing Programming Mnemonics Timers and Internal relays and counters Shift Registers Master and Jump Controls Data Handling and Analogs Input / Output Selection of a PLC 195Dr. V. KANDAVEL, Asp/Mech. SSMIET, DGL-2
  • 196.
    PLCs (Definition according toNEMA standard ICS3-1978) A digitally operating electronic apparatus which uses a programming memory for the internal storage of instructions for implementing specific functions such as logic, sequencing, timing, counting and arithmetic to control through digital or analog modules, various types of machines or process. PLCs were designed to replace relay logic systems. These PLCs were programmed in "ladder logic", which strongly resembles a schematic diagram of relay logic. This program notation was chosen to reduce training demands for the existing technicians. Other early PLCs used a form of instruction list programming, based on a stack-based logic solver 196Dr. V. KANDAVEL, Asp/Mech. SSMIET, DGL-2
  • 197.
    197Dr. V. KANDAVEL,Asp/Mech. SSMIET, DGL-2
  • 198.
    Dr. V. KANDAVEL,Asp/Mech. SSMIET, DGL-2 198 The Hydramatic Division of the General Motors Corporation specified the design criteria for the first programmable controller in 1968 Their primary goal To eliminate the high costs associated with inflexible, relay- controlled systems. In 1968 GM Hydra-Matic (the automatic transmission division of General Motors) issued a request for proposals for an electronic replacement for hard-wired relay systems based on a white paper written by engineer Edward R. Clark. The winning proposal came from Bedford Associates of Bedford, Massachusetts. History: 1968 Programmable concept developed 1969 Hardware CPU controller, with logic instructions, 1 K of memory and 128 I/O points 1974 Use of several (multi) processors within a PLC - timers and counters; arithmetic operations; 12 K of memory and 1024 I/O points 1976 Remote input/output systems introduced 1977 Microprocessors - based PLC introduced
  • 199.
    Dr. V. KANDAVEL,Asp/Mech. SSMIET, DGL-2 199 The functionality of the PLC has evolved over the years to include sequential relay control, motion control, process control, distributed control systems and networking. The data handling, storage, processing power and communication capabilities of some modern PLCs are approximately equivalent to desktop computers. PLC-like programming combined with remote I/O hardware, allow a general-purpose desktop computer to overlap some PLCs in certain applications. Regarding the practicality of these desktop computer based logic controllers
  • 200.
    Major Components ofa Common PLC PROCESSOR POWER SUPPLY I M N O P D U U T L E O M U O T D P U U L T E PROGRAMMING DEVICE From SENSORS Pushbuttons, contacts, limit switches, etc. To OUTPUT Solenoids, contactors, alarms etc. 200Dr. V. KANDAVEL, Asp/Mech. SSMIET, DGL-2
  • 201.
    Basic Structure Dr. V.KANDAVEL, Asp/Mech. SSMIET, DGL-2 201
  • 202.
    Contd., Dr. V. KANDAVEL,Asp/Mech. SSMIET, DGL-2 202 A structure of PLC program is designed to increase its effectiveness in matching CNC system to machine Programmable logic controller (PLC) is a control system using electronic operations. Its easy storing procedures, handy extending principles, functions of sequential/position control, timed counting and input/output control are widely applied to the field of industrial automation control.
  • 203.
    Input / Output Dr.V. KANDAVEL, Asp/Mech. SSMIET, DGL-2 203 The I/O module units form the interface between the microelectronics of the programmable controller and the real world outside, and must therefore provide all necessary signal conditioning and isolation functions. This often allows a PLC to be directly connected to process actuators and input devices without the need for intermediate circuitry or relays.
  • 204.
    Contd., Dr. V. KANDAVEL,Asp/Mech. SSMIET, DGL-2 204
  • 205.
    Processing Dr. V. KANDAVEL,Asp/Mech. SSMIET, DGL-2 205 All automated equipment is likely to have an initial or home position. This is the position that all of its actuators will adopt prior to the operation of the equipment. Therefore to signify and initialize a basic position for the equipment, the home position of each actuator can be combined logically and programmed as a step in a sequential process. For example in a simple drill system that comprises of a drill cylinder and a clamp cylinder as shown in Fig 1, the initial position can be defined as: Drill cylinder retracted Clamp cylinder retracted Process status is often displayed using indicator lamps or alarms, etc. Such elements are programmed in this section of the software. Standard logic instructions The processing potential of binary signals can be described using the three basic operations: AND / OR / NOT (negation) These basic logic operations can be used to solve combinational control problems.
  • 206.
    Programming Dr. V. KANDAVEL,Asp/Mech. SSMIET, DGL-2 206 Programming • Plan your program on paper first! Don’t just power up your PLC and start keying in elements. 80% of your time should be spent working out the program, and only 20% keying it in. • Keep documentation of all elements used in the program – add comments as necessary. • Assume the program will find every error sequence possible – design safety into it! • Keep programs simple and readable. Comments would be helpful. • Try sectional development and testing if possible. • Use forcing and monitoring functions to observe program operation in situations where it is safe to do so. As example to illustrate how a ladder diagram, show in is translated from the Boolean equation based on the given requirement below: - To operate valve Y1 limit switches A and B and valve X are activated and both switch C and valve Z are not activated. Valve Y1 will also operate if switch D and valve X are activated and both level switch C and valve Z are not activated
  • 207.
    Dr. V. KANDAVEL,Asp/Mech. SSMIET, DGL-2 207
  • 208.
    L1 LS1 PB1 LS2R1 R1 R1 TIMER R2 PR=5 For process control, it is desired to have the process start (by turning on a motor) five seconds after a part touches a limit switch. The process is terminated automatically when the finished part touches a second limit switch. An emergency switch will stop the process any time when it is pushed. LS1 PB1 LS2 R1 TIMER 5 Motor R2 Contd., 208Dr. V. KANDAVEL, Asp/Mech. SSMIET, DGL-2
  • 209.
    Mnemonics Dr. V. KANDAVEL,Asp/Mech. SSMIET, DGL-2 209
  • 210.
    Dr. V. KANDAVEL,Asp/Mech. SSMIET, DGL-2 210 Contd.,
  • 211.
    Timers Dr. V. KANDAVEL,Asp/Mech. SSMIET, DGL-2 211
  • 212.
    Timer A timer consistsof an internal clock, a count value register, and an accumulator. It is used for or some timing purpose. Clock Accumulator contact reset output Register Contact Time 5 seconds. Clock Reset Output Count 1 2 3 40 5 212Dr. V. KANDAVEL, Asp/Mech. SSMIET, DGL-2
  • 213.
    Digital counters outputin the form of a relay contact when a preassigned count value is reached. Register Accumulator contact input reset output Input Reset Output Count 0 1 2 3 4 5 0 1 5 Counters 213Dr. V. KANDAVEL, Asp/Mech. SSMIET, DGL-2
  • 214.
    Shift Registers A shiftregister is a cascade of flip flops, sharing the same clock, in which the output of each flip-flop is connected to the "data" input of the next flip-flop in the chain, resulting in a circuit that shifts by one position the "bit array" stored in it, shifting in the data present at its input and shifting out the last bit in the array, at each transition of the clock input. Shift registers can have both parallel and serial inputs and outputs. These are often configured as 'serial-in, parallel-out' (SIPO) or as 'parallel-in, serial-out' (PISO). There are also types that have both serial and parallel input and types with serial and parallel output. Dr. V. KANDAVEL, Asp/Mech. SSMIET, DGL-2 214
  • 215.
    Master and JumpControls Dr. V. KANDAVEL, Asp/Mech. SSMIET, DGL-2 215 Master controls can be thought of as "emergency stop switches". An emergency stop switch typically is a big red button on a machine that will shut it off in cases of emergency. e.g In the local gas station’s door on the outside to see an example of an e-stop, master control symbol The master control instruction typically is used in pairs with a master control reset. However this varies by manufacturer. Some use MCR in pairs instead of teaming it with another symbol. It is commonly abbreviated as MC/MCR (master control/master control reset), MCS/MCR (master control set/master control reset) or just simply MCR (master control reset). JMP The jump instruction (JMP) is an output instruction used for this purpose
  • 216.
    Contd., Program control instructionsare used to alter the program scan from its normal sequence. Sometimes referred to as override instructions, they provide a means of executing sections of the control logic if certain conditions are met. They allow for greater program flexibility and greater efficiency in the program scan. 216Dr. V. KANDAVEL, Asp/Mech. SSMIET, DGL-2
  • 217.
    Typical Program ControlInstructions Based On The SLC 500 And Associated RSLogix Software Program Control JMP JMP Jump to Label Jump forward/backward to a corresponding label instruction LBL JSR RET SBR TND MCR MCR Master Control Reset Clears all set outputs between the paired MCR instruction SUS 217Dr. V. KANDAVEL, Asp/Mech. SSMIET, DGL-2
  • 218.
    Hardwired Master ControlRelay Circuit Hardwired master control relays are used in relay circuitry to provide input/output power shutdown of an entire circuit. 218Dr. V. KANDAVEL, Asp/Mech. SSMIET, DGL-2
  • 219.
    Hardwired Master ControlRelay Circuit 219Dr. V. KANDAVEL, Asp/Mech. SSMIET, DGL-2
  • 220.
    The master controlreset (MCR) instruction can be programmed to control an entire circuit or to control only selected rungs of a circuit. When the MCR instruction is false, or de-energized, all nonretentive (nonlatched) rungs below the the MCR will be de-energized even if the programmed logic for each rung is true. All retentive rungs will remain in their last state. The MCR instruction establishes a zone in the user program in which all nonretentive outputs can be turned off simultaneously. Therefore, retentive instructions should not normally be placed within an MCR zone because the MCR zone maintains retentive instructions in the last active state when the instruction goes false. MCR Instruction MCR 220Dr. V. KANDAVEL, Asp/Mech. SSMIET, DGL-2
  • 221.
    MCR Instruction ProgrammedTo Control An Entire Circuit 221Dr. V. KANDAVEL, Asp/Mech. SSMIET, DGL-2
  • 222.
    MCR Instruction ProgrammedTo Control A Fenced Zone The Master Control Reset (MCR) instruction is used in pairs to disable or enable a zone within a ladder program and has no address. You program the first MCR with input instructions in the rung and the ending MCR without any other instructions in the rung. Fenced Zone 222Dr. V. KANDAVEL, Asp/Mech. SSMIET, DGL-2
  • 223.
    MCR Instruction ProgrammedTo Control A Fenced Zone MCR Zone False 223Dr. V. KANDAVEL, Asp/Mech. SSMIET, DGL-2
  • 224.
    Programming MCR Instructions Ifyou start instructions such as timers and counters in an MCR zone, instruction operation ceases when the zone is disabled. The TOF timer will activate when placed inside a false MCR zone. When troubleshooting a program that contains an MCR zone you need to be aware of which rungs are within zones in order to correctly edit the circuit. MCR controlled areas must contain only two MCR instructions – one to define the start and one to define the end. 224Dr. V. KANDAVEL, Asp/Mech. SSMIET, DGL-2
  • 225.
    Jump Instruction As incomputer programming, it is sometimes desirable to be able to jump over certain program instructions. The jump instruction (JMP) is an output instruction used for this purpose. The advantages to the jump instruction include:  the ability to reduce the processor scan time by jumping over instructions not pertinent to the machines operation at that instant  The PLC can hold more than one program and scan only the program appropriate to operator requirements  Sections of a program can be jumped when a production fault occurs JMP 225Dr. V. KANDAVEL, Asp/Mech. SSMIET, DGL-2
  • 226.
    Jump Operation By usingthe jump instruction, you can branch or skip to different portions of a program and freeze all affected outputs in their last state. Jumps are normally allowed in both the forward and backward directions. Jumping over counters and timers will stop them from being incremented. 226Dr. V. KANDAVEL, Asp/Mech. SSMIET, DGL-2
  • 227.
    Jump-To-Label With Allen-Bradley PLCsthe jump (JMP) instruction and the label (LBL) instruction are employed together so the scan can jump over a portion of the program. The label is a target for the jump, it is the first instruction in the rung, and it is always true. A jump jumps to a label with the same address. The area that the processor jumps over is defined by the locations of the jump and label instructions in the program. If the jump coil is energized, all logic between the jump and label instructions is bypassed and the processor continues scanning after the LBL instruction. 227Dr. V. KANDAVEL, Asp/Mech. SSMIET, DGL-2
  • 228.
    Jump-To-Label From TwoLocations 20 20 20 228Dr. V. KANDAVEL, Asp/Mech. SSMIET, DGL-2
  • 229.
    Jump - To- Subroutine Another valuable tool in PLC programming is to be able to escape from the main program and go to a program subroutine to perform certain functions and then return to the main program. 229Dr. V. KANDAVEL, Asp/Mech. SSMIET, DGL-2
  • 230.
    Dr. V. KANDAVEL,Asp/Mech. SSMIET, DGL-2 230 Data Handling Data-handling instructions are used to convert and move data within a Micro- Logix PLC. Data-handling instructions are often used to interface with field devices that supply or require data in BCD (binary coded decimal) form.
  • 231.
    Dr. V. KANDAVEL,Asp/Mech. SSMIET, DGL-2 231 Analogs Input / Output Analog I/O that is distributed around your application or mounted on a machine for distributed applications
  • 232.
    Dr. V. KANDAVEL,Asp/Mech. SSMIET, DGL-2 232 The process of selecting a PLC can be broken into the steps listed below. 1. Understand the process to be controlled • List the number and types of inputs and outputs. • Determine how the process is to be controlled. • Determine special needs such as distance between parts of the process. 2. If not already specified, a single vendor should be selected. Factors that might be considered are, (Note: Vendor research may be needed here.) • Manuals and documentation • Support while developing programs • The range of products available • Support while troubleshooting • Shipping times for emergency replacements • Training • The track record for the company • Business practices (billing, upgrades/obsolete products, etc.) 3. Plan the ladder logic for the controls. Selection of a PLC
  • 233.
    Dr. V. KANDAVEL,Asp/Mech. SSMIET, DGL-2 233 Cost of hardware, software, Integration Engineering, Design, Installation, Start-up and Commissioning, Validation documentation and Execution, Training, Spare parts, Maintenance, System service contract and system life cycle. Reliability, Flexibility, Scalability and Validatability. Ease of Database configuration, Graphics development, Interlocks and Batch processing. Integration of High-level Application. Control Philosophy for Centralized versus Remote Operator Console or both. Limit selection to one, or two vendors. PLC Size Selection Criteria Customer Support Wide Hardware Selection Safety Support Ease of EPICS Interfacing TEXT import File style Text Import of Tagnames and I/O Symbols Text Import of Program Logic TEXT import form documented and supported Ability to merge Input files Cost Comparison, Config. Company Evaluation Totals 1. SMALL - it covers units with up to 128 I/O’s and memories up to 2 Kbytes. - these PLC’s are capable of providing simple to advance levels or machine controls. 2. MEDIUM- have up to 2048 I/O’s and memories up to 32 Kbytes. 3. LARGE - the most sophisticated units of the PLC family. They have up to 8192 I/O’s and memories up to 750 Kbytes. - can control individual production processes or entire plant.
  • 234.
    PLC Comparison Matrix 234Dr.V. KANDAVEL, Asp/Mech. SSMIET, DGL-2 PLC Manufacturer Performance Per 1k Boolean Instructions Time Stamping Capabilities Fastest ADC and channel count Network Capabilities AB, CompactLogix 0.04ms – 0.08 ms Software supported, ~1 ms accuracy expected 4 @ .1ms/ch Yes, CIP, Ethernet are easily supported. Siemens, S7-300 0.05 ms – 0.10 ms Hardware support, <10 ms accuracy 4 @ .1 ms/ch Yes, Profibus and Profinet require special network components GE, RS7i 0.02 ms – 0.04 ms Hardware or Software, h/w 1ms accuracy 64 @ 1 ms/ all ch, Faster w / special VME Yes, supports several standard Ethernet protocols Yokogawa FA-M3 Linux CPU or Sequence CPU 0.02 ms – 0.04 ms Software support, EPICS compatible Software support ~1 ms accuracy 4 simultaneous channels @ 50 us/4 8 simultaneous channels @ 500 us/8 Yes, standard EPICS channel access, Yes, but capabilities unknown.
  • 235.
    235 Leading Brands OfPLC AMERICAN 1. Allen Bradley 2. Gould Modicon 3. Texas Instruments 4. General Electric 5. Westinghouse 6. Cutter Hammer 7. Square D EUROPEAN 1. Siemens 2. Klockner & Mouller 3. Festo 4. Telemechanique 235Dr. V. KANDAVEL, Asp/Mech. SSMIET, DGL-2
  • 236.
    236 Leading Brands OfPLC JAPANESE 1. Toshiba 2. Omron 3. Fanuc 4. Mitsubishi Areas of Application  Manufacturing / Machining  Food / Beverage  Metals  Power  Mining  Petrochemical / Chemical 236Dr. V. KANDAVEL, Asp/Mech. SSMIET, DGL-2
  • 237.
    Dr. V. KANDAVEL,Asp/Mech. SSMIET, DGL-2 237
  • 238.
    UNIT V ACTUATORSAND MECHATRONIC SYSTEM DESIGN Types of Stepper and Servo motors Construction – Working Principle Advantages and Disadvantages. Design process-stages of design process Traditional and Mechatronics design concepts Case studies of Mechatronics systems Pick and place Robot Engine Management system Automatic car park barrier. 238Dr. V. KANDAVEL, Asp/Mech. SSMIET, DGL-2
  • 239.
    Sequential/Concurrent Product Realization •Sequential and discipline specific concurrent design processes for product realization are at best multi-disciplinary calling upon discipline specialists to “design by discipline.” – Design mechanical system “plant.” – Select sensors and actuators and mount on plant. – Design signal conditioning and power electronics. – Design and implement control algorithm using electrical, electronics, microprocessor, microcontroller, or microcomputer based hardware. 239Dr. V. KANDAVEL, Asp/Mech. SSMIET, DGL-2
  • 240.
    Mechatronics-based Product Realization •Systems engineering allows design, analysis, and synthesis of products and processes involving components from multiple disciplines. • Mechatronics exploits systems engineering to guide the product realization process from design, model, simulate, analyze, refine, prototype, validate, and deployment cycle. • In mechatronics-based product realization: mechanical, electrical, and computer engineering and information systems are integrated throughout the design process so that the final products can be better than the sum of its parts. • Mechatronics system is not – simply a multi-disciplinary system – simply an electromechanical system – just a control system 240Dr. V. KANDAVEL, Asp/Mech. SSMIET, DGL-2
  • 241.
    Mechatronic Design Process 241Dr.V. KANDAVEL, Asp/Mech. SSMIET, DGL-2
  • 242.
    Evolution of Mechatronicsas a Contemporary Design Paradigm • Technological advances in design, manufacturing, and operation of engineered products/devices/processes can be traced through: – Industrial revolution – Semiconductor revolution – Information revolution 242Dr. V. KANDAVEL, Asp/Mech. SSMIET, DGL-2
  • 243.
    Case studies ofMechatronics systems • Engine management system Dr. V. KANDAVEL, Asp/Mech. SSMIET, DGL-2 243
  • 244.
    Dr. V. KANDAVEL,Asp/Mech. SSMIET, DGL-2 244 The figure illustrates the basic concept of engine management system using a microprocessor.  Engine management system is used for managing the ignition and air/fuel requirement of an IC engine.  In the case of four stroke multi cylinder petrol engine, each cylinder has a piston performing all the four stroke (suction, compression, working or expansion and exhaust strokes) and the piston rod of each  Piston connected to common crankshaft, and their power strokes at different time‟s resulting power for rotation of the crankshaft.  The power and speed of an engine are functions of ignition timing and air/fuel mixture. Hence, by controlling the ignition timing and air/fuel mixture it is possible to control the speed and power of the engine In modern cars the ignition timing, opening and closing of valves at appropriate time, quality of air/fuel mixture are controlled by microprocessor with the help of sensors.
  • 245.
    Dr. V. KANDAVEL,Asp/Mech. SSMIET, DGL-2 245
  • 246.
    Dr. V. KANDAVEL,Asp/Mech. SSMIET, DGL-2 246
  • 247.
    Actuators-Motors 247Dr. V. KANDAVEL,Asp/Mech. SSMIET, DGL-2
  • 248.
    Pneumatic and HydraulicSystems • Directional control valves are one of the most fundamental parts in Pneumatic hydraulic machinery as well and pneumatic machinery. They allow fluid flow into different paths from one or more sources. They usually consist of a spool inside a cylinder which is mechanically or electrically controlled. The movement of the spool restricts or permits the flow, thus it controls the fluid flow. Directional Control Valves Directional control valves can be classified according to :- •number of ports two way,three way,four way valves. •number of positions • two position and three position •actuating methods Manually Operated Mechanically Operated Hydraulic/Pneumatically •type of spool Spool is of two types namely sliding and rotary. 248 Dr. V. KANDAVEL, Asp/Mech. SSMIET, DGL-2
  • 249.
    Rotary Actuators • Arotary actuator is an actuator that produces a rotary motion or torque. • The simplest actuator is purely mechanical, where linear motion in one direction gives rise to rotation. The most common actuators though are electrically powered. Other actuators may be powered by pneumatic or hydraulic power, or may use energy stored internally through springs. • The motion produced by an actuator may be either continuous rotation, as for an electric motor, or movement to a fixed angular position as forservos and stepper motors. A further form, the torque motor, does not necessarily produce any rotation but merely generates a precise torque which then either causes rotation, or is balanced by some opposing torque. 249Dr. V. KANDAVEL, Asp/Mech. SSMIET, DGL-2
  • 250.
    Types of RotaryActuators PNEUMATIC RACK AND PINION ROTARY ACTUATORS VANE STYLE ROTARY ACTUATORS 250 Dr. V. KANDAVEL, Asp/Mech. SSMIET, DGL-2
  • 251.
    Mechanical Actuation Systems Cams: – A cam is a rotating or sliding piece in a mechanical linkage used especially in transforming rotary motion into linear motion or vice-versa. It is often a part of a rotating wheel (e.g. an eccentric wheel) or shaft (e.g. a cylinder with an irregular shape) that strikes a leverat one or more points on its circular path. The cam can be a simple tooth, as is used to deliver pulses of power to a steam hammer, for example, or an eccentric disc or other shape that produces a smooth reciprocating (back and forth) motion in the follower, which is a lever making contact with the cam Classifications:  Plate cam  Cylindrical cam  Face cam  Linear cam An early cam was built into Hellenistic water-driven automata from the 3rd century BC.The cam and camshaft appeared in European mechanisms from the 14th century. 251Dr. V. KANDAVEL, Asp/Mech. SSMIET, DGL-2
  • 252.
    Gear trains Gear-train-backlash- and-contact-pattern- checking A geartrain is formed by mounting gears on a frame so that the teeth of the gears engage. Gear teeth are designed to ensure the pitch circles of engaging gears roll on each other without slipping, providing a smooth transmission of rotation from one gear to the next. The transmission of rotation between contacting toothed wheels can be traced back to the Antikythera mechanism of Greece and thesouth-pointing chariot of China. Illustrations by the renaissance scientist Georgius Agricola show gear trains with cylindrical teeth. The implementation of the involute tooth yielded a standard gear design that provides a constant speed ratio 252Dr. V. KANDAVEL, Asp/Mech. SSMIET, DGL-2
  • 253.
    Some important featuresof gears and gear trains are: The ratio of the pitch circles of mating gears defines the speed ratio and the mechanical advantage of the gear set. A planetary gear train provides high gear reduction in a compact package. It is possible to design gear teeth for gears that are non-circular, yet still transmit torque smoothly. The speed ratios of chain and belt drives are computed in the same way as gear ratios 253 Dr. V. KANDAVEL, Asp/Mech. SSMIET, DGL-2
  • 254.
    Electrical Actuation Systems Aactuator which can receive electrical energy for motion is known as electrical actuator. • Mechanical Switches : – Relays • Solid state switches: – Diodes – Thyristors (or) SCR [Silicon Controlled Rectifier] – TRIAC (Triode for Alternating Current) – Bipolar Transistors – MOSFETS (Metal Oxide Field Effect Transistor) 254Dr. V. KANDAVEL, Asp/Mech. SSMIET, DGL-2
  • 255.
    Mechatronics Applications Dr. V. KANDAVEL,Asp/Mech. SSMIET, DGL-2 255
  • 256.
    •Desktop sized Factory •Buildsmall parts with a small factory •Greatly reduces space, energy, and materials Manufacturing Applications- Micro Factory Micro Factory Drilling Unit 256Dr. V. KANDAVEL, Asp/Mech. SSMIET, DGL-2
  • 257.
    CNC Bending •Fully automatedbending: load sheet metal and the finished bent parts come out •Can bend complex shapes 257Dr. V. KANDAVEL, Asp/Mech. SSMIET, DGL-2
  • 258.
    CNC Machining Advantages •Deliver thehighest accuracies •Can create very complex shapes 258Dr. V. KANDAVEL, Asp/Mech. SSMIET, DGL-2
  • 259.
    Typical Applications •Brake-By-Wire system •Steer-By-Wire •Integratedvehicle dynamics •Camless engines •Integrated starter alternator Automobiles OEM Driven •Reliability •Reduced weight •Fuel economy •Manufacturing flexibility •Design freedom •Advanced safety features •Cost Transportation Applications- 259Dr. V. KANDAVEL, Asp/Mech. SSMIET, DGL-2
  • 260.
    •Train Position andVelocity constantly monitored from main command center. •Error margin in scheduling no more than 30 seconds •Fastest trains use magnetic levitation High Speed Trains JR-Maglev Top Speed: 574 km/h (357 mph) Country: Japan Transrapid Top Speed: 550 km/h (340 mph) Country: German Magnetic Levitation 260Dr. V. KANDAVEL, Asp/Mech. SSMIET, DGL-2
  • 261.
    Transportation Applications- Advantages •Simple andintuitive personal transportation device Systems Uses •Tilt and pressure sensors •Microcontroller •Motors •Onboard power source Segway 261Dr. V. KANDAVEL, Asp/Mech. SSMIET, DGL-2
  • 262.
    “Smart” Doorlock Switchboard with CANBus Gateway “Smart” Window Lift-unit CAM Bus “Smart” Mirror motor-unit pin-header - Door System/Module- 262Dr. V. KANDAVEL, Asp/Mech. SSMIET, DGL-2
  • 263.
    Seat System/Module- Seat HarnessArchitecture showing various smart connector interconnections solutions 263Dr. V. KANDAVEL, Asp/Mech. SSMIET, DGL-2
  • 264.
    Smart Robotics Application SystemCan •Carry 340 lb •Run 4 mph •Climb, run, and walk •Move over rough terrain BigDog Advantages •Robot with rough-terrain mobility that could carry equipment to remote location. 264Dr. V. KANDAVEL, Asp/Mech. SSMIET, DGL-2
  • 265.
    •Robots can vacuumfloors and clean gutters so you don't have to. Cleans Gutter Vacuum Floors 265Dr. V. KANDAVEL, Asp/Mech. SSMIET, DGL-2
  • 266.
    Space Exploration Application- SystemCan •Collect specimens •Has automated onboard lab for testing specimens Advantages •Robot that can travel to other planets and take measurements automatically. Phoenix Mars Lander's 266Dr. V. KANDAVEL, Asp/Mech. SSMIET, DGL-2
  • 267.
    -Medical Applications- Prosthetics •Arms, Legs,and other body parts can be replaced with electromechanical ones. Mechatronics Systems 267Dr. V. KANDAVEL, Asp/Mech. SSMIET, DGL-2
  • 268.
    Medical Applications •Used bypatients with slow or erratic heart rates. The pacemaker will set a normal heart rate when it sees an irregular heart rhythm. •Monitors the heart. If heart fibrillates or stops completely it will shock the heart at high voltage to restore a normal heart rhythm. Pace Maker Implantable Defibrillation 268Dr. V. KANDAVEL, Asp/Mech. SSMIET, DGL-2
  • 269.
    Defense Applications •Advanced technologyis making our soldiers safer. •Some planes can now be flown remotely. Unmanned Aerial Vehicle Stealth Bomber 269Dr. V. KANDAVEL, Asp/Mech. SSMIET, DGL-2
  • 270.
    -Sanitation Applications- System Uses •Proximitysensors •Control circuitry •Electromechanical valves •Independent power source Advantages •Reduces spread of germs by making device hands free •Reduces wasted water by automatically turning off when not in use Mechatronics Systems 270Dr. V. KANDAVEL, Asp/Mech. SSMIET, DGL-2
  • 271.
    -Sanitation Applications- Advantages •Reduces spreadof germs by making device hands free •Reduces wasted materials by controlling how much is dispensed Systems Uses •Motion sensors •Control circuitry •Electromechanical actuators •Independent power source Soap Dispenser Paper Towel Dispenser Mechatronics Systems 271Dr. V. KANDAVEL, Asp/Mech. SSMIET, DGL-2
  • 272.
    Sports Applications Advantages •Automatically changes cushioningin shoe for different running styles and conditions for improved comfort Running Shoes 272Dr. V. KANDAVEL, Asp/Mech. SSMIET, DGL-2
  • 273.
    Washing MachineSolution PowerSupply Rectifiers/Regulator Pressure Sensor MPX5006/MPX2010 Smart Home Applications 273Dr. V. KANDAVEL, Asp/Mech. SSMIET, DGL-2
  • 274.
    Smoke Detector System SmartHome Applications … 274Dr. V. KANDAVEL, Asp/Mech. SSMIET, DGL-2
  • 275.
    Dr. V. KANDAVEL,Asp/Mech. SSMIET, DGL-2 275 Exam date ANNA UNIVERSITY, CHENNAI - 600 025 B E DEGREE EXAMINATIONS-NOV./DEC. 2020 For candidates admitted in Anna University, Chennai xx.11.2020 FN/AN
  • 276.
    276V.Kandavel, RVSCET, DGL-5.Dr.V. KANDAVEL, Asp/Mech. SSMIET, DGL-2