J4012 / UNIT 6/1
REKABENTUK LITAR

(LITAR ASAS BERBILANG

UNIT 6
REKABENTUK LITAR
(LITAR ASAS BERBILANG SELINDER SISTEM
ELEKTRO-PNEUMATIK DAN FUNGSI
TAMBAHAN)

OBJEKTIF
Objektif Am :

Mempelajari dan memahami rekabentuk litar
Elektro-pneumatik

Objektif Khusus : Di akhir unit ini anda sepatutnya dapat:Merekabentuk litar asas berbilang silinder
berdasarkan kawalan Elektro-pneumatik.
Menerangkan litar asas berbilang silinder
berdasarkan kawalan Elektro-pneumatik.
Menerangkan fungsi tambahan kawalan turutan
pneumatik dan Elektro-pneumatik
J4012 / UNIT 6/2
REKABENTUK LITAR

(LITAR ASAS BERBILANG

INPUT
6.0 Pengenalan

T

ahukah anda bahawa sistem pneumatik adalah satu sistem yang menggunakan
udara mampatan sebagai kawalan. Pemampat udara dan silinder adalah contoh
komponen yang digunakan dalam sistem pneumatik.
Sistem elektrik adalah sistem yang hanya menggunakan komponen-komponen
elektrik yang menggunakan tenaga elektrik sebagai kawalan. Kebanyakan komponen
masukan atau pemproses seperti suis, penderia dan geganti adalah contoh komponen
yang digunakan dalam sistem elektrik.
Sistem elektro-pneumatik adalah sistem yang menggunakan gabungan komponenkomponen pneumatik yang menggunakan udara mampatan dan komponenkomponen elektrik yang menggunakan tenaga elektrik sebagai kawalan. Injap
solenoid adalah satu contoh komponen yang digunakan dalam sistem elektropneumatik.
Rajah 6.1 menunjukkan perbezaan komponen-komponen yang digunakan dalam
sistem pneumatik dan komponen-komponen yang digunakan dalam sistem elektropneumatik.
Dapat diperhatikan bahawa komponen-komponen elektro-pneumatik mempunyai
injap solenoid padanya yang berfungsi menggerakan komponen secara elektrik.
Manakala pada komponen-komponen sistem pneumatik, komponen digerakan
dengan menggunakan udara mampatan.
J4012 / UNIT 6/3
REKABENTUK LITAR

(LITAR ASAS BERBILANG

Pneumatik

Elektro-Pneumatik

Rajah 6.1 : Perbezaan diantara pneumatik dan elektro-pneumatik
6.1 Gambarajah Tetangga
Gambarajah tetangga adalah satu sistem kawalan elektrik. Rajah tangga digunakan
untuk mengawal suatu sistem elektrik atau gabungannya dengan sistem lain seperti
pneumatik dan hidraulik. Contohnya sistem lampu isyarat, mesin-mesin automatik
dan mungkin juga beberapa fungsi mesin CNC dan robot.
Rajah tangga tidak boleh dianggap sebagai satu litar elektrik. Rajah tangga hanya
merupakan satu rujukan bagi melukis litar elektrik sebenar. Lazimnya, rajah tangga
berfungsi sebagai suatu aturcara logik untuk diproses oleh alat kawalan logik yang
dinamakan PLC (Programmable Logic Controller).

6.1.1 Reka Bentuk Gambarajah Tetangga
Rajah tetangga boleh direka bentuk dengan menggunakan beberapa kaedah
secara lazimnya. Antara kaedah yang digunakan ialah:
Kaedah Reka Bentuk Huffman
Kaedah Reka Bentuk Cascade
Kaedah Reka Bentuk Dengan Menggunakan Carta Jujukan
Tidak kira apa jua kaedah yang digunakan untuk mereka bentuk rajah tetangga,
bentuk suatu rajah tangga mempunyai satu piawai yang telah ditentukan.
J4012 / UNIT 6/4
REKABENTUK LITAR

(LITAR ASAS BERBILANG
Rajah 6.2 menunjukkan salah satu contoh rung tangga. Rung tangga terdiri
daripada rung-rung yang mempunyai tugas yang berlainan. Setiap rung terdiri
daripada bahagian syarat di sebelah kiri rung dan bahagian tindakan di sebelah
kanan rung.
24v(+)

0v(-)
Syarat

Tindakan
Satu Rung

Rajah 6.2 : Rung
Syarat ialah kumpulan yang mewakili sesentuh pelbagai komponen masukan
atau pemproses yang disusun secara bersiri atau selari di sebelah kiri rajah
tangga.
Tindakan ialah kumpulan yang mewakili pelbagai pemproses atau keluaran
yang disusunkan secara selari di sebelah kanan rajah tangga. Tindakantindakan tidak boleh disusunkan secara siri di dalam satu rung.
Contoh 6.1
Litar elektro-pneumatik bersama gambarajah tangga adalah seperti yang
ditunjukkan dalam rajah 6.3 di bawah. Kendalian rajah tangga gambarajah 6.3
adalah seperti berikut:
a. Rod silinder satu tindakan digerakkan keluar dan masuk
menggunakan injap kawalan arah 3/2 solenoid tunggal berpegas.
b. Rod silinder dua tindakan digerakkan keluar dan masuk
menggunakan injap kawalan arah 4/2 solenoid tunggal berpegas.
c. Rod silinder dua tindakan digerakkan keluar dan masuk
menggunakan injap kawalan arah 4/2 bersolenoid kembar.
d. Rod silinder satu tindakan digerakkan keluar dan masuk
menggunakan injap kaawalan arah 3/2 solenoid tunggal berpegas.
e. Rod silinder dua tindakan digerakkan keluar dan masuk
menggunakan injap kawalan arah 4/2 solenoid tunggal berpegas.
f. Rod silinder dua tindakan digerakkan keluar dan masuk
menggunakan injap kawalan arah 4/2 bersolenoid kembar.

dengan
dengan
dengan
dengan
dengan
dengan
J4012 / UNIT 6/5
REKABENTUK LITAR

(LITAR ASAS BERBILANG

Litar Elektro-Pneumatik

Gambarajah Tangga

A
(+)

(-)

a.
A+
st

A
(+)

(-)

b.
A+
st

A
(+)

(-)

c.

A+
st1
Ast2

Rajah 6.3 : Litar Tangga

Gambarajah 5.10 :
J4012 / UNIT 6/6
REKABENTUK LITAR

(LITAR ASAS BERBILANG
Contoh 6.2
24V(+)

0V(-)

st1
r1

st2
r2

A+

R1
A+

R2
A-

A-

Rajah 6.4 : Litar Tangga
Rajah di atas merupakan gambarajah litar elektro-pneumatik bersama dengan
gambarajah tangga bagi satu sistem yang terdiri daripada satu silinder dua
tindakan dan satu injap solenoid 4/2. Rod silinder dua tindakan akan keluar
apabila suis tekan st1 ditekan dan rod silinder tersebut akan masuk apabila suis
tekan st2 ditekan.
Penerangan kendalian rajah tangga pada sistem:
1. Bekalan udara dibekalkan kepada silinder dua tindakan melalui injap 4/2
yang mempunyai dua solenoid pada setiap hujung.
2. Apabila suis tekan st1 ditekan, arus elektrik akan mengalir kepada gelung
geganti R1.
3. Apabila gelung geganti R1 dijanakan, relay contact r1 biasa terbuka akan
tertutup dan membekalkan arus kepada solenoid A+.
4. Ini akan menggerakkan injap 4/2 ke sebelah kanan. Rod silinder akan
bergerak keluar.
5. Apabila suis tekan st2 ditekan, arus elektrik akan mengalir kepada gelung
geganti R2.
6. Apabila gelung geganti R2 dijanakan, relay contact r2 akan tertutup dan
membekalkan arus kepada solenoid A-.
7. Ini akan menggerakkan injap 4/2 ke sebelah kiri. Rod silinder akan
bergerak masuk.
J4012 / UNIT 6/7
REKABENTUK LITAR

(LITAR ASAS BERBILANG
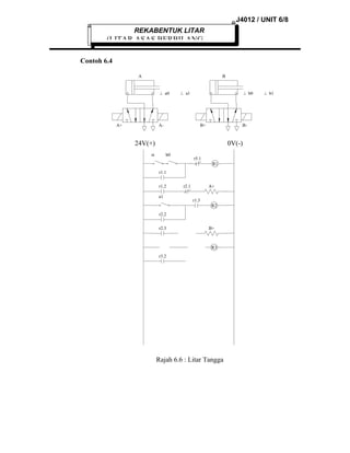
Contoh 6.3
24V(+)

a0

a1

0V(-)

st1
r1

R1
a0

A+

r1
R2
r2

A+

a1

A-

A-

Rajah 6.5 : Litar Tangga
Rajah 6.5 menunjukkan litar elektro-pneumatik bersama dengan rajah tangga
bagi satu sistem yang terdiri daripada satu silinder dua tindakan dan satu injap
4/2 dua solenoid. Rod silinder dua tindakan akan keluar dan masuk secara
automatik apabila suis tekan st1 ditekan.
Penerangan kendalian rajah tangga pada sistem:
1. Bekalan udara dibekalkan kepada silinder dua tindakan melalui injap 4/2
yang mempunyai dua solenoid pada setiap hujung.
2. Apabila suis tekan st1 ditekan, arus elektrik akan mengalir kepada gelung
geganti R1.
3. Apabila gelung geganti R1 dijanakan, relay contact r1 biasa terbuka akan
tertutup dan membekalkan arus kepada solenoid A+ melalui suis had a0
yang tertutup oleh sebab kedudukan asal rod silinder.
4. Ini akan menggerakkan injap 4/2 ke sebelah kanan. Rod silinder akan
bergerak keluar.
5. Pada masa yang sama, gelung geganti R2 juga dijanakan melalui relay
contact r1.
6. Apabila gelung geganti R2 dijanakan, relay contact r2 yang biasa terbuka
akan tertutup. Arus elektrik sampai ke suis had a1.
7. Apabila rod silinder bergerak sehingga menyentuhi suis had a1, suis had a1
akan tertutup dan arus elektrik dibekal kepada solenoid A-.
8. Ini akan menggerakkan injap 4/2 ke sebelah kiri. Rod silinder akan
bergerak masuk.
J4012 / UNIT 6/8
REKABENTUK LITAR

(LITAR ASAS BERBILANG
Contoh 6.4
A

B

a0

A+

a1

b0

A-

B+

B-

24V(+)

0V(-)

st

b0

r5.1
R1

r1.1
r1.2
a1

r2.1

A+
r1.3
R2

r2.2
r2.3

B+

R3
r3.2

Rajah 6.6 : Litar Tangga

b1
J4012 / UNIT 6/9
REKABENTUK LITAR

(LITAR ASAS BERBILANG
Rajah 6.6 menunjukkan satu litar elektro-pneumatik
berbilang silinder bersama gambarajah tangga litar
berkenaan. Komponen-komponen seperti injap kawalan
arah bersolenoid kembar, suis tekan st1, suis penghad a0,
a1, b0 dan b1 digunakan. Rod dua silinder dua tindakan A
dan B dikehendaki untuk digerakkan keluar dan masuk
secara automatik dengan jujukan A+, B+, A-, B-.
Penerangan kendalian rajah tangga pada sistem:
1. Bekalan udara dibekalkan kepada kedua-dua silinder dua tindakan melalui
injap 5/2 yang mempunyai dua solenoid pada setiap hujung.
2. Apabila suis tekan st1 ditekan, arus akan dibekalkan dan menjanakan
gelung geganti R1 melalui suis had b0 dan relay contact r5.1 biasa tertutup.
3. Gelung geganti R1 menjanakan relay contact r1.1, r1.2 dan 1.3. Relay
contact r1.1 akan menyebabkan gelung geganti R1 terus terjana.
4. Arus elektrik dibekalkan kepada solenoid A+ melalui relay contact r1.2
dan r2.1.
5. Rod silinder A akan bergerak keluar sehingga menyentuh suis had a1.
6. Apabila suis had a1 dicapai, arus akan mengalir melalui suis had a1 dan
relay contact r1.3 kepada gelung geganti R2.
7. Gelung geganti R2 akan menjanakan relay contact r2.1, r2.2, dan r2.3.
Relay contact r2.2 akan menyebabkan gelung geganti R2 terus terjana.
8. Arus elektrik dibekalkan kepada solenoid B+ melalui relay contact r2.3 dan
r3.1.
9. Rod silinder B akan bergerak keluar sehingga menyentuhi suis had b1.
10. Apabila suis had b1 dicapai, arus akan mengalir melalui suis had b1 dan
relay contact r2.4 kepada gelung geganti R3.
11. Gelung geganti R3 akan menjanakan relay contact r3.1, r3.2, r3.3 dan r3.4.
Relay contact r3.2 akan menyebabkan gelung geganti R3 terus terjana.
12. Arus elektrik dibekalkan kepada solenoid A- melalui relay contact r3.3.
13. Rod silinder A akan bergerak masuk sehingga menyentuhi suis had a0.
14. Apabila suis had a0 dicapai, arus akan mengalir melalui suis had a0 dan
relay contact r3.4 kepada gelung geganti R4.
15. Gelung geganti R4 akan menjanakan relay contact r4.1, r4.2 dan r4.3.
Relay contact r4.1 akan menyebabkan gelung geganti R4 terus terjana.
16. Arus elektrik dibekalkan kepada solenoid B- melalui relay contact r4.2.
17. Rod silinder B akan bergerak masuk sehingga menyentuhi suis had b0.
J4012 / UNIT 6/10
REKABENTUK LITAR

(LITAR ASAS BERBILANG
18. Apabila suis had b0 tercapai, arus akan mengalir melalui suis had b0 dan
relay contact r4.3 kepada gelung geganti R5.
19. Gelung geganti R5 akan menjanakan relay contact r5.1 dan seterusnya,
mematikan seluruh litar elektro-pneumatik.
20. Litar elektro-pneumatik penuh dan berhenti.
Contoh 6.5
A

B

a0

a1

b0

A

B

24V(+)

0V(-)

st

b0

r3.1
R1

Rung 1

r1.1
r1.2

r2.1

A+
Rung 2

a1

r1.3
R2

Rung 3

r2.2
a0
b1

r2.3

B+
Rung 4
r2.4
R3

Rung 5

b1
J4012 / UNIT 6/11
REKABENTUK LITAR

(LITAR ASAS BERBILANG
Rajah 6.7 : Litar Tangga

Rajah 6.7 merupakan satu litar elektro-pneumatik berbilang silinder bersama
gambarajah tangga litar berkenaan. Komponen-komponen seperti injap
kawalan arah bersolenoid tunggal berpegas, suis tekan st, suis penghad a0, a1,
b0 dan b1 digunakan. Rod dua silinder dua tindakan A dan B dikehendaki
untuk digerakkan keluar dan masuk secara otomatik dengan jujukan A+, A-,
B+, B-.

Penerangan kendalian rajah tangga pada sistem:
1. Bekalan udara dibekalkan kepada kedua-dua silinder dua tindakan melalui
injap 5/2 yang mempunyai dua solenoid pada setiap hujung.
2. Apabila suis tekan st ditekan, arus akan dibekalkan dan menjanakan gelung
geganti R1 melalui suis had b0 dan relay contact r3.1 biasa tertutup.
3. Gelung geganti R1 akan menjanakan relay contact r1.1 dan r1.2. Relay
contact r1.1 akan menyebabkan gelung geganti R1 terus terjana.
4. Arus elektrik akan dibekalkan kepada solenoid A+ melalui relay contact
r1.2 dan r2.1 biasa tertutup.
5. Rod silinder A akan bergerak keluar sehingga menyentuhi suis had a1.
6. Apabila suis had a1 dicapai, arus akan dibekalkan dan menjanakan gelung
geganti R2 melalui suis had a1 dan relay contact r1.3.
7. Gelung geganti R2 akan menjanakan relay contact r2.1, r2.2, r2.3 dan r2.4.
Relay contact r2.2 akan menyebabkan gelung geganti R2 terus terjana.
8. Apabila gelung geganti R2 dijanakan, relay contact r2.1 biasa tertutup akan
menjadi terbuka. Maka, solenoid A+ akan kehilangan tenaga dan
menyebabkan rod silinder A bergerak masuk disebabkan pegas sehingga
mencapai suis had a0.
9. Apabila suis had a0 dicapai, arus akan mengalir kepada solenoid B+
melalui suis had a0 dan relay contact r2.3.
10. Rod silinder B akan bergerak keluar sehingga menyentuhi suis had b1.
11. Apabila suis had b1 dicapai, arus akan dibekalkan dan menjanakan gelung
geganti R3 melalui suis had b1 dan relay contact r2.4.
12. Gelung geganti R3 akan menjanakan relay contact r3.1. Ini menyebabkan
arus yang dibekalkan kepada gelung geganti R1 terputus dan seterusnya
J4012 / UNIT 6/12
REKABENTUK LITAR

(LITAR ASAS BERBILANG
menyebabkan arus yang dibekalkan kepada gelung geganti R2 terputus
juga.
13. Gelung geganti R2 kehilangan tenaga dan menyebabkan relay contact r2.3
menjadi biasa terbuka semula. Maka, solenoid B+ kehilangan tenaga dan
menyebabkan rod silinder B bergerak masuk disebabkan pegas.
14. Litar elektro-pneumatik penuh dan berhenti.
J4012 / UNIT 6/13
REKABENTUK LITAR

(LITAR ASAS BERBILANG

AKTIVITI 6a

UJI KEFAHAMAN ANDA SEBELUM ANDA MENERUSKAN INPUT
SELANJUTNYA.
SILA SEMAK JAWAPAN ANDA PADA MAKLUM BALAS DI HALAMAN
BERIKUTNYA.

SELAMAT MENCUBA……

Soalan 6a-1
1. Elektro-pneumatik adalah operasi gabungan antara _________
dan_____________
2. Sistem pneumatik menggunakan _____________ sebagai penggerak injap
kawalan.
3. Sistem elektro-pneumatik menggunakan _____________ sebagai penggerak injap
kawalan.
4. Alat yang digunakan untuk menukarkan mekanisma elektrikal kepada mekanikal
untuk menggerakkan injap kawalan elektro-pneumatik di panggil
________________
5. Untuk menerangkan litar asas bagi berbilang silinder berdasarkan kawalan eletropneumatik di namakan_______________
J4012 / UNIT 6/14
REKABENTUK LITAR

(LITAR ASAS BERBILANG
Soalan 6a-2
Sila lengkapkan rajah tetangga di bawah

24V(+)

0V(-)

st1
r1

st2
r2

A+

R1
A+

R2
A-

A-

Soalan 6a-3
Sila padankan injap dibawah

Pneumatik

Elektro-Pneumatik
J4012 / UNIT 6/15
REKABENTUK LITAR

(LITAR ASAS BERBILANG

MAKLUM BALAS KEPADA AKTIVITI 6a

Jawapan 6a-1
1.
2.
3.
4.
5.

elektrik , pneumatik
angin mampat
elektrik
solenoid
Gambarajah tetangga

Jawapan 6a-2
24V(+)

0V(-)

st1
r1

st2
r2
A+

R1
A+

R2
A-

A-

Jawapan 6a-3

Pneumatik

Elektro-Pneumatik
J4012 / UNIT 6/16
REKABENTUK LITAR

(LITAR ASAS BERBILANG

INPUT
6.2 FUNGSI DAN ALAT TAMBAHAN BAGI KAWALAN TURUTAN
PNEUMATIK DAN ELEKTRO-PNEUMATIK
Terdapat tiga jenis alatan tambahan bagi mengawal kawalan turutan sistem
pneumatik dan juga elektro-pneumatik. Tiga jenis alat tersebut ialah :Lengah masa (timer)
Pembilang (counter)
Penyedut vakum
Simbol tangga bagi setiap komponen di atas adalah seperti berikut;
PERALATAN

SIMBOL TANGGA
TIM
N

Lengah Masa

SV
CP
Pembilang

R

CNT
N
SV

S
Penyedut Vakum

R

KEEP(1
1)
B

Gambarajah 6.8 : Simbol Ladder
J4012 / UNIT 6/17
REKABENTUK LITAR

(LITAR ASAS BERBILANG
6.2.1 LENGAH MASA (TIMER)
Jikalau dirumah kita sentiasa mengunakan penetap masa mesin basuh untuk
menetapkan jangkamasa membasuh dan alat yang anda gunakan itu merupakan
alat lengah masa. Begitu juga dengan sistem pneumatik dan elektropneumatik.
6.2.1.1 Binaan Alat Lengah Masa
Ia terdiri daripda gelung medan magnet yang dapat menghasilkan
daya elektromagnet, dimana daya elektromagnet ini dapat menarik
sesentuh untuk bertindak.
Terdapat sesentuh lazim terbuka dan sesentuh lazim tertutup
didalam komponen ini. Sesentuh ini adalah untuk mengawal litar.
Timer ini dilaras dengan melaraskan pelaras masa yang terdapat
pada bahagian atas untuk mengawal tindakkan timer supaya
mengikut masa yang kita hendaki.
Terdapat berbagai jenis timer dalam pasaran mengikut
kegunaannya dalam litar elektrik atau elektronik.
Bahagian badan timer ini biasanya dibuat dari plastik untuk
menutupi bahagian gegelung supaya gegelung dapat bertahan
dengan lebih lama.
6.2.1.2 Fungsi.
Timer biasanya digunakan di dalam litar eletrik bagi litar
Pneumatik adalah untuk mencipta litar separa automatik atau litar
automatik sepenuhnya. Dimana ia mengantikan kawalan manusia
dengan melaraskan masa yang diinginkan pada pelaras masa yang
terdapat pada timer.
J4012 / UNIT 6/18
REKABENTUK LITAR

(LITAR ASAS BERBILANG
Tugas utama timer adalah untuk memutuskan atau
menyambungkan bekalan pada beban apabila tempoh masa yang
dilaras telah sampai tempoh.
Tugas memutuskan atau menyambungkan bekalan adalah
dilakukan oleh sesentuh lazim terbuka dan lazim tertutup. Dimana
sesentuh lazim terbuka akan jadi tertutup apabila sampai tempoh
manakala sesentuh lazim tertutup akan terbuka.
6.2.2 PEMBILANG (COUNTER)
Pembilang dalam sistem pneumatik dan elektro-pneumatik boleh berfungsi
untuk mengira bilangan tindakan piston. Jikalau setiap tindakan piston
merupakan proses ke atas sesuatu produk, pembilang juga boleh membilang
jumlah produk yang telah melalui sistem tersebut.
6.2.3 PENYEDUT VAKUM
Proses utamanya ialah mevakumkan sesebuah sistem dengan mengeluarkan
kesemua udara didalam sistem tersebut, sehingga menjadikan sistem itu bebas
daripada udara. Udara yang di sedut keluar daripada sistem selalunya udara
yang kotor dan mengandungi pelbagai bendasing ataupun dipanggil satu proses
politropik.
Terdapat tiga jenis pam vakum iaitu seperti Rajah 6.9 di bawah :
Jenis piston

Jenis skru

Rajah 6.9 : Jenis-jenis pam vakum

Jenis berputar

Sumber:
Festo Didactic
J4012 / UNIT 6/19
REKABENTUK LITAR

(LITAR ASAS BERBILANG
Penerangan
Pemampat penyedut vakum ini menggunakan pemampat udara jenis salingan.
 Pemampat jenis ini menggunakan gerakan piston dalam silinder untuk
menyingkirkan bendasing yang terdapat didalam udara.
 Biasanya udara singkiran atau sedutan dari sesebuah unit dihasilkan
melalui proses mampatan dalam satu atau beberapa peringkat.
 Pemampat salingan satu peringkat menghasilkan udara yang kadar
sedutannya lebih rendah daripada pemampat salingan dua peringkat.
 Pemampat salingan satu peringkat menyedut udara dalam sesebuah unit
dengan menggunakan satu piston sahaja.
 Piston digerakkan kebawah dan udara yang kotor dan tercemar serta yang
mempunyai bendasing disedut masuk ke ruang silinder melalui liang
sedutan.
 Apabila injap sedutan terbuka, injap hantaran adalah dalam keadaan
tertutup.
 Selepas itu proses hantaran pun bermula dengan piston bergerak keatas.
 Injap hantaran terbuka dan injap sedutan tertutup.
 Udara dalam ruang atas piston dalam silinder akan ditolak keluar melalui
liang hantaran ke satu lubang atau satu saluran yang lebih di kenali
sebagai ekzos.
 Proses penyedutan atau penyingkiran udara yang tercemar ini berlaku
sehinggalah ke suatu tekanan yang telah dilaraskan.
J4012 / UNIT 6/20
REKABENTUK LITAR

(LITAR ASAS BERBILANG

Pemegang Objek Pam Vakum
Jenis pemegang objek yang digunakan oleh pam vakum ditentukan oleh bentuk
dan material bahan / alat yang hendak dipegang seperti ditunjukkan dalam
rajah 6.10 di bawah.
Plat keras

Plat lembut

Objek bulat

Lain-lain bentuk

Rajah 6.10 : Jenis-jenis pemegang objek

Sumber:
Festo Didactic
J4012 / UNIT 6/21
REKABENTUK LITAR

(LITAR ASAS BERBILANG

AKTIVITI 6b
SILA SEMAK JAWAPAN ANDA PADA MAKLUM BALAS DI
HALAMAN BERIKUTNYA.
Soalan 6b-1
Sila isikan jawapan anda di tempat kosong yang disediakan.
1. Bagi sesuatu proses yang memerlukan lengah masa, gambarajah tangga memerlukan
……………………….
2. Fungsi utama timer ialah untuk menentukan ……………………. sesuatu proses
3. Pembilang “counter” digunakan untuk …………………. proses atau objek yang telah
dilakukan oleh sistem elektro-pneumatik.
4. Proses ………………. merupakan proses membuang udara di dalam sesuatu sistem.
5. Alat vakum digunakan untuk memegang …………………….yang ringan dan mudah
pecah.
Soalan 6b-2
Lukiskan simbol bagi peralatan di bawah pada ruangan kosong yang disediakan.
PERALATAN

Lengah Masa

Pembilang

Penyedut Vakum

SIMBOL TANGGA
J4012 / UNIT 6/22
REKABENTUK LITAR

(LITAR ASAS BERBILANG

MAKLUM BALAS KEPADA AKTIVITI 6b

Jawapan 6b-1
1. Timer
2. Lengah Masa
3. Membilang
4. Vakum
5. Komponen

Jawapan 6b-1

PERALATAN

SIMBOL TANGGA
TIM
N

Lengah Masa

SV
CP
Pembilang

R

CNT
N
SV

S
Penyedut Vakum

R

KEEP(1
1)
B
J4012 / UNIT 6/23
REKABENTUK LITAR

(LITAR ASAS BERBILANG

PENILAIAN KENDIRI
UJIKAN KEFAHAMAN ANDA SEBELUM MENERUSKAN UNIT
SELANJUTNYA…!
SILA SEMAK JAWAPAN ANDA PADA MAKLUMBALAS DI
HALAMAN BERIKUTNYA
Soalan 1
Anda telah dibekalkan oleh syarikat anda beberapa komponen seperti di bawah :
Dua buah Silinder 2 tindakan
Dua buah injap kawalan arah 5/2 dengan 2 solenoid
Empat buah suis penghad
Sebuah suis tekan
i. Lukiskan Litar tangga untuk mengawal gerakan 2 buah silinder yang bergerak
mengikut jujukan A+
B+
ABii.

Berdasarkan jawapan soalan 1(i) di atas, terangkan operasi litar elektro-pneumatik
bagi jujukan tersebut.

Soalan 2
Anda telah dibekalkan oleh syarikat anda beberapa komponen seperti di bawah :
Dua buah Silinder 2 tindakan
Dua buah injap kawalan arah 5/2 dengan 2 solenoid
Empat buah suis penghad
Sebuah suis tekan
i. Lukiskan Litar tangga untuk mengawal gerakan 2 buah silinder yang bergerak
mengikut jujukan A+
AB+
Bii.

Berdasarkan jawapan soalan 2(i) di atas, terangkan operasi litar elektro-pneumatik
bagi jujukan tersebut.
J4012 / UNIT 6/24
REKABENTUK LITAR

(LITAR ASAS BERBILANG

MAKLUMBALAS KEPADA
PENILAIANKENDIRI

Jawapan 1)
(i)
A

B
a0

A+

a1

b0

A-

B+

B-

24V(+)

0V(-)

st

b0

r5.1

R1

Rung 1

r1.1
r1.2

r2.1

A+
Rung 2

a1

r1.3

R2

Rung 3

r2.2
r2.3
b1

r3.1

B+
Rung 4
r2.4
R3

Rung 5

r3.2
r3.3
a0

ARung 6
r3.4
R4

Rung 7

r4.1
r4.2
b0

BRung 8
r4.3

R5

Rung 9

b1
J4012 / UNIT 6/25
REKABENTUK LITAR

(LITAR ASAS BERBILANG
(ii)
Penerangan kendalian rajah tangga pada sistem:
1. Bekalan udara dibekalkan kepada kedua-dua silinder dua tindakan melalui
injap 5/2 yang mempunyai dua solenoid pada setiap hujung.
2. Apabila suis tekan st1 ditekan, arus akan dibekalkan dan menjanakan
gelung geganti R1 melalui suis had b0 dan relay contact r5.1 biasa tertutup.
3. Gelung geganti R1 menjanakan relay contact r1.1, r1.2 dan 1.3. Relay
contact r1.1 akan menyebabkan gelung geganti R1 terus terjana.
4. Arus elektrik dibekalkan kepada solenoid A+ melalui relay contact r1.2
dan r2.1.
5. Rod silinder A akan bergerak keluar sehingga menyentuh suis had a1.
6. Apabila suis had a1 dicapai, arus akan mengalir melalui suis had a1 dan
relay contact r1.3 kepada gelung geganti R2.
7. Gelung geganti R2 akan menjanakan relay contact r2.1, r2.2, dan r2.3.
Relay contact r2.2 akan menyebabkan gelung geganti R2 terus terjana.
8. Arus elektrik dibekalkan kepada solenoid B+ melalui relay contact r2.3 dan
r3.1.
9. Rod silinder B akan bergerak keluar sehingga menyentuhi suis had b1.
10. Apabila suis had b1 dicapai, arus akan mengalir melalui suis had b1 dan
relay contact r2.4 kepada gelung geganti R3.
11. Gelung geganti R3 akan menjanakan relay contact r3.1, r3.2, r3.3 dan r3.4.
Relay contact r3.2 akan menyebabkan gelung geganti R3 terus terjana.
12. Arus elektrik dibekalkan kepada solenoid A- melalui relay contact r3.3.
13. Rod silinder A akan bergerak masuk sehingga menyentuhi suis had a0.
14. Apabila suis had a0 dicapai, arus akan mengalir melalui suis had a0 dan
relay contact r3.4 kepada gelung geganti R4.
15. Gelung geganti R4 akan menjanakan relay contact r4.1, r4.2 dan r4.3.
Relay contact r4.1 akan menyebabkan gelung geganti R4 terus terjana.
16. Arus elektrik dibekalkan kepada solenoid B- melalui relay contact r4.2.
17. Rod silinder B akan bergerak masuk sehingga menyentuhi suis had b0.
18. Apabila suis had b0 tercapai, arus akan mengalir melalui suis had b0 dan
relay contact r4.3 kepada gelung geganti R5.
19. Gelung geganti R5 akan menjanakan relay contact r5.1 dan seterusnya,
mematikan seluruh litar elektro-pneumatik.
20. Litar elektro-pneumatik penuh dan berhenti.
J4012 / UNIT 6/26
REKABENTUK LITAR

(LITAR ASAS BERBILANG
Jawapan 2
(i)
A

B

a0

a1

b0

A

b1

B

24V(+)

0V(-)
st

b0

r3.1
R1

Rung 1

r1.1
r1.2

r2.1

A+
Rung 2

a1

r1.3
R2

Rung 3

r2.2
a0
b1

r2.3

B+
Rung 4
r2.4
R3

Rung 5

(ii)
Penerangan kendalian rajah tangga pada sistem:
1. Bekalan udara dibekalkan kepada kedua-dua silinder dua tindakan melalui
injap 5/2 yang mempunyai dua solenoid pada setiap hujung.
2. Apabila suis tekan st ditekan, arus akan dibekalkan dan menjanakan gelung
geganti R1 melalui suis had b0 dan relay contact r3.1 biasa tertutup.
3. Gelung geganti R1 akan menjanakan relay contact r1.1 dan r1.2. Relay
contact r1.1 akan menyebabkan gelung geganti R1 terus terjana.
4. Arus elektrik akan dibekalkan kepada solenoid A+ melalui relay contact
r1.2 dan r2.1 biasa tertutup.
5. Rod silinder A akan bergerak keluar sehingga menyentuhi suis had a1.
J4012 / UNIT 6/27
REKABENTUK LITAR

(LITAR ASAS BERBILANG
6. Apabila suis had a1 dicapai, arus akan dibekalkan dan menjanakan gelung
geganti R2 melalui suis had a1 dan relay contact r1.3.
7. Gelung geganti R2 akan menjanakan relay contact r2.1, r2.2, r2.3 dan r2.4.
Relay contact r2.2 akan menyebabkan gelung geganti R2 terus terjana.
8. Apabila gelung geganti R2 dijanakan, relay contact r2.1 biasa tertutup akan
menjadi terbuka. Maka, solenoid A+ akan kehilangan tenaga dan
menyebabkan rod silinder A bergerak masuk disebabkan pegas sehingga
mencapai suis had a0.
9. Apabila suis had a0 dicapai, arus akan mengalir kepada solenoid B+
melalui suis had a0 dan relay contact r2.3.
10. Rod silinder B akan bergerak keluar sehingga menyentuhi suis had b1.
11. Apabila suis had b1 dicapai, arus akan dibekalkan dan menjanakan gelung
geganti R3 melalui suis had b1 dan relay contact r2.4.
12. Gelung geganti R3 akan menjanakan relay contact r3.1. Ini menyebabkan
arus yang dibekalkan kepada gelung geganti R1 terputus dan seterusnya
menyebabkan arus yang dibekalkan kepada gelung geganti R2 terputus
juga.
13. Gelung geganti R2 kehilangan tenaga dan menyebabkan relay contact r2.3
menjadi biasa terbuka semula. Maka, solenoid B+ kehilangan tenaga dan
menyebabkan rod silinder B bergerak masuk disebabkan pegas.
14. Litar elektro-pneumatik penuh dan berhenti.

J4012 pneumatik dan hidraulik unit6

  • 1.
    J4012 / UNIT6/1 REKABENTUK LITAR (LITAR ASAS BERBILANG UNIT 6 REKABENTUK LITAR (LITAR ASAS BERBILANG SELINDER SISTEM ELEKTRO-PNEUMATIK DAN FUNGSI TAMBAHAN) OBJEKTIF Objektif Am : Mempelajari dan memahami rekabentuk litar Elektro-pneumatik Objektif Khusus : Di akhir unit ini anda sepatutnya dapat:Merekabentuk litar asas berbilang silinder berdasarkan kawalan Elektro-pneumatik. Menerangkan litar asas berbilang silinder berdasarkan kawalan Elektro-pneumatik. Menerangkan fungsi tambahan kawalan turutan pneumatik dan Elektro-pneumatik
  • 2.
    J4012 / UNIT6/2 REKABENTUK LITAR (LITAR ASAS BERBILANG INPUT 6.0 Pengenalan T ahukah anda bahawa sistem pneumatik adalah satu sistem yang menggunakan udara mampatan sebagai kawalan. Pemampat udara dan silinder adalah contoh komponen yang digunakan dalam sistem pneumatik. Sistem elektrik adalah sistem yang hanya menggunakan komponen-komponen elektrik yang menggunakan tenaga elektrik sebagai kawalan. Kebanyakan komponen masukan atau pemproses seperti suis, penderia dan geganti adalah contoh komponen yang digunakan dalam sistem elektrik. Sistem elektro-pneumatik adalah sistem yang menggunakan gabungan komponenkomponen pneumatik yang menggunakan udara mampatan dan komponenkomponen elektrik yang menggunakan tenaga elektrik sebagai kawalan. Injap solenoid adalah satu contoh komponen yang digunakan dalam sistem elektropneumatik. Rajah 6.1 menunjukkan perbezaan komponen-komponen yang digunakan dalam sistem pneumatik dan komponen-komponen yang digunakan dalam sistem elektropneumatik. Dapat diperhatikan bahawa komponen-komponen elektro-pneumatik mempunyai injap solenoid padanya yang berfungsi menggerakan komponen secara elektrik. Manakala pada komponen-komponen sistem pneumatik, komponen digerakan dengan menggunakan udara mampatan.
  • 3.
    J4012 / UNIT6/3 REKABENTUK LITAR (LITAR ASAS BERBILANG Pneumatik Elektro-Pneumatik Rajah 6.1 : Perbezaan diantara pneumatik dan elektro-pneumatik 6.1 Gambarajah Tetangga Gambarajah tetangga adalah satu sistem kawalan elektrik. Rajah tangga digunakan untuk mengawal suatu sistem elektrik atau gabungannya dengan sistem lain seperti pneumatik dan hidraulik. Contohnya sistem lampu isyarat, mesin-mesin automatik dan mungkin juga beberapa fungsi mesin CNC dan robot. Rajah tangga tidak boleh dianggap sebagai satu litar elektrik. Rajah tangga hanya merupakan satu rujukan bagi melukis litar elektrik sebenar. Lazimnya, rajah tangga berfungsi sebagai suatu aturcara logik untuk diproses oleh alat kawalan logik yang dinamakan PLC (Programmable Logic Controller). 6.1.1 Reka Bentuk Gambarajah Tetangga Rajah tetangga boleh direka bentuk dengan menggunakan beberapa kaedah secara lazimnya. Antara kaedah yang digunakan ialah: Kaedah Reka Bentuk Huffman Kaedah Reka Bentuk Cascade Kaedah Reka Bentuk Dengan Menggunakan Carta Jujukan Tidak kira apa jua kaedah yang digunakan untuk mereka bentuk rajah tetangga, bentuk suatu rajah tangga mempunyai satu piawai yang telah ditentukan.
  • 4.
    J4012 / UNIT6/4 REKABENTUK LITAR (LITAR ASAS BERBILANG Rajah 6.2 menunjukkan salah satu contoh rung tangga. Rung tangga terdiri daripada rung-rung yang mempunyai tugas yang berlainan. Setiap rung terdiri daripada bahagian syarat di sebelah kiri rung dan bahagian tindakan di sebelah kanan rung. 24v(+) 0v(-) Syarat Tindakan Satu Rung Rajah 6.2 : Rung Syarat ialah kumpulan yang mewakili sesentuh pelbagai komponen masukan atau pemproses yang disusun secara bersiri atau selari di sebelah kiri rajah tangga. Tindakan ialah kumpulan yang mewakili pelbagai pemproses atau keluaran yang disusunkan secara selari di sebelah kanan rajah tangga. Tindakantindakan tidak boleh disusunkan secara siri di dalam satu rung. Contoh 6.1 Litar elektro-pneumatik bersama gambarajah tangga adalah seperti yang ditunjukkan dalam rajah 6.3 di bawah. Kendalian rajah tangga gambarajah 6.3 adalah seperti berikut: a. Rod silinder satu tindakan digerakkan keluar dan masuk menggunakan injap kawalan arah 3/2 solenoid tunggal berpegas. b. Rod silinder dua tindakan digerakkan keluar dan masuk menggunakan injap kawalan arah 4/2 solenoid tunggal berpegas. c. Rod silinder dua tindakan digerakkan keluar dan masuk menggunakan injap kawalan arah 4/2 bersolenoid kembar. d. Rod silinder satu tindakan digerakkan keluar dan masuk menggunakan injap kaawalan arah 3/2 solenoid tunggal berpegas. e. Rod silinder dua tindakan digerakkan keluar dan masuk menggunakan injap kawalan arah 4/2 solenoid tunggal berpegas. f. Rod silinder dua tindakan digerakkan keluar dan masuk menggunakan injap kawalan arah 4/2 bersolenoid kembar. dengan dengan dengan dengan dengan dengan
  • 5.
    J4012 / UNIT6/5 REKABENTUK LITAR (LITAR ASAS BERBILANG Litar Elektro-Pneumatik Gambarajah Tangga A (+) (-) a. A+ st A (+) (-) b. A+ st A (+) (-) c. A+ st1 Ast2 Rajah 6.3 : Litar Tangga Gambarajah 5.10 :
  • 6.
    J4012 / UNIT6/6 REKABENTUK LITAR (LITAR ASAS BERBILANG Contoh 6.2 24V(+) 0V(-) st1 r1 st2 r2 A+ R1 A+ R2 A- A- Rajah 6.4 : Litar Tangga Rajah di atas merupakan gambarajah litar elektro-pneumatik bersama dengan gambarajah tangga bagi satu sistem yang terdiri daripada satu silinder dua tindakan dan satu injap solenoid 4/2. Rod silinder dua tindakan akan keluar apabila suis tekan st1 ditekan dan rod silinder tersebut akan masuk apabila suis tekan st2 ditekan. Penerangan kendalian rajah tangga pada sistem: 1. Bekalan udara dibekalkan kepada silinder dua tindakan melalui injap 4/2 yang mempunyai dua solenoid pada setiap hujung. 2. Apabila suis tekan st1 ditekan, arus elektrik akan mengalir kepada gelung geganti R1. 3. Apabila gelung geganti R1 dijanakan, relay contact r1 biasa terbuka akan tertutup dan membekalkan arus kepada solenoid A+. 4. Ini akan menggerakkan injap 4/2 ke sebelah kanan. Rod silinder akan bergerak keluar. 5. Apabila suis tekan st2 ditekan, arus elektrik akan mengalir kepada gelung geganti R2. 6. Apabila gelung geganti R2 dijanakan, relay contact r2 akan tertutup dan membekalkan arus kepada solenoid A-. 7. Ini akan menggerakkan injap 4/2 ke sebelah kiri. Rod silinder akan bergerak masuk.
  • 7.
    J4012 / UNIT6/7 REKABENTUK LITAR (LITAR ASAS BERBILANG Contoh 6.3 24V(+) a0 a1 0V(-) st1 r1 R1 a0 A+ r1 R2 r2 A+ a1 A- A- Rajah 6.5 : Litar Tangga Rajah 6.5 menunjukkan litar elektro-pneumatik bersama dengan rajah tangga bagi satu sistem yang terdiri daripada satu silinder dua tindakan dan satu injap 4/2 dua solenoid. Rod silinder dua tindakan akan keluar dan masuk secara automatik apabila suis tekan st1 ditekan. Penerangan kendalian rajah tangga pada sistem: 1. Bekalan udara dibekalkan kepada silinder dua tindakan melalui injap 4/2 yang mempunyai dua solenoid pada setiap hujung. 2. Apabila suis tekan st1 ditekan, arus elektrik akan mengalir kepada gelung geganti R1. 3. Apabila gelung geganti R1 dijanakan, relay contact r1 biasa terbuka akan tertutup dan membekalkan arus kepada solenoid A+ melalui suis had a0 yang tertutup oleh sebab kedudukan asal rod silinder. 4. Ini akan menggerakkan injap 4/2 ke sebelah kanan. Rod silinder akan bergerak keluar. 5. Pada masa yang sama, gelung geganti R2 juga dijanakan melalui relay contact r1. 6. Apabila gelung geganti R2 dijanakan, relay contact r2 yang biasa terbuka akan tertutup. Arus elektrik sampai ke suis had a1. 7. Apabila rod silinder bergerak sehingga menyentuhi suis had a1, suis had a1 akan tertutup dan arus elektrik dibekal kepada solenoid A-. 8. Ini akan menggerakkan injap 4/2 ke sebelah kiri. Rod silinder akan bergerak masuk.
  • 8.
    J4012 / UNIT6/8 REKABENTUK LITAR (LITAR ASAS BERBILANG Contoh 6.4 A B a0 A+ a1 b0 A- B+ B- 24V(+) 0V(-) st b0 r5.1 R1 r1.1 r1.2 a1 r2.1 A+ r1.3 R2 r2.2 r2.3 B+ R3 r3.2 Rajah 6.6 : Litar Tangga b1
  • 9.
    J4012 / UNIT6/9 REKABENTUK LITAR (LITAR ASAS BERBILANG Rajah 6.6 menunjukkan satu litar elektro-pneumatik berbilang silinder bersama gambarajah tangga litar berkenaan. Komponen-komponen seperti injap kawalan arah bersolenoid kembar, suis tekan st1, suis penghad a0, a1, b0 dan b1 digunakan. Rod dua silinder dua tindakan A dan B dikehendaki untuk digerakkan keluar dan masuk secara automatik dengan jujukan A+, B+, A-, B-. Penerangan kendalian rajah tangga pada sistem: 1. Bekalan udara dibekalkan kepada kedua-dua silinder dua tindakan melalui injap 5/2 yang mempunyai dua solenoid pada setiap hujung. 2. Apabila suis tekan st1 ditekan, arus akan dibekalkan dan menjanakan gelung geganti R1 melalui suis had b0 dan relay contact r5.1 biasa tertutup. 3. Gelung geganti R1 menjanakan relay contact r1.1, r1.2 dan 1.3. Relay contact r1.1 akan menyebabkan gelung geganti R1 terus terjana. 4. Arus elektrik dibekalkan kepada solenoid A+ melalui relay contact r1.2 dan r2.1. 5. Rod silinder A akan bergerak keluar sehingga menyentuh suis had a1. 6. Apabila suis had a1 dicapai, arus akan mengalir melalui suis had a1 dan relay contact r1.3 kepada gelung geganti R2. 7. Gelung geganti R2 akan menjanakan relay contact r2.1, r2.2, dan r2.3. Relay contact r2.2 akan menyebabkan gelung geganti R2 terus terjana. 8. Arus elektrik dibekalkan kepada solenoid B+ melalui relay contact r2.3 dan r3.1. 9. Rod silinder B akan bergerak keluar sehingga menyentuhi suis had b1. 10. Apabila suis had b1 dicapai, arus akan mengalir melalui suis had b1 dan relay contact r2.4 kepada gelung geganti R3. 11. Gelung geganti R3 akan menjanakan relay contact r3.1, r3.2, r3.3 dan r3.4. Relay contact r3.2 akan menyebabkan gelung geganti R3 terus terjana. 12. Arus elektrik dibekalkan kepada solenoid A- melalui relay contact r3.3. 13. Rod silinder A akan bergerak masuk sehingga menyentuhi suis had a0. 14. Apabila suis had a0 dicapai, arus akan mengalir melalui suis had a0 dan relay contact r3.4 kepada gelung geganti R4. 15. Gelung geganti R4 akan menjanakan relay contact r4.1, r4.2 dan r4.3. Relay contact r4.1 akan menyebabkan gelung geganti R4 terus terjana. 16. Arus elektrik dibekalkan kepada solenoid B- melalui relay contact r4.2. 17. Rod silinder B akan bergerak masuk sehingga menyentuhi suis had b0.
  • 10.
    J4012 / UNIT6/10 REKABENTUK LITAR (LITAR ASAS BERBILANG 18. Apabila suis had b0 tercapai, arus akan mengalir melalui suis had b0 dan relay contact r4.3 kepada gelung geganti R5. 19. Gelung geganti R5 akan menjanakan relay contact r5.1 dan seterusnya, mematikan seluruh litar elektro-pneumatik. 20. Litar elektro-pneumatik penuh dan berhenti. Contoh 6.5 A B a0 a1 b0 A B 24V(+) 0V(-) st b0 r3.1 R1 Rung 1 r1.1 r1.2 r2.1 A+ Rung 2 a1 r1.3 R2 Rung 3 r2.2 a0 b1 r2.3 B+ Rung 4 r2.4 R3 Rung 5 b1
  • 11.
    J4012 / UNIT6/11 REKABENTUK LITAR (LITAR ASAS BERBILANG Rajah 6.7 : Litar Tangga Rajah 6.7 merupakan satu litar elektro-pneumatik berbilang silinder bersama gambarajah tangga litar berkenaan. Komponen-komponen seperti injap kawalan arah bersolenoid tunggal berpegas, suis tekan st, suis penghad a0, a1, b0 dan b1 digunakan. Rod dua silinder dua tindakan A dan B dikehendaki untuk digerakkan keluar dan masuk secara otomatik dengan jujukan A+, A-, B+, B-. Penerangan kendalian rajah tangga pada sistem: 1. Bekalan udara dibekalkan kepada kedua-dua silinder dua tindakan melalui injap 5/2 yang mempunyai dua solenoid pada setiap hujung. 2. Apabila suis tekan st ditekan, arus akan dibekalkan dan menjanakan gelung geganti R1 melalui suis had b0 dan relay contact r3.1 biasa tertutup. 3. Gelung geganti R1 akan menjanakan relay contact r1.1 dan r1.2. Relay contact r1.1 akan menyebabkan gelung geganti R1 terus terjana. 4. Arus elektrik akan dibekalkan kepada solenoid A+ melalui relay contact r1.2 dan r2.1 biasa tertutup. 5. Rod silinder A akan bergerak keluar sehingga menyentuhi suis had a1. 6. Apabila suis had a1 dicapai, arus akan dibekalkan dan menjanakan gelung geganti R2 melalui suis had a1 dan relay contact r1.3. 7. Gelung geganti R2 akan menjanakan relay contact r2.1, r2.2, r2.3 dan r2.4. Relay contact r2.2 akan menyebabkan gelung geganti R2 terus terjana. 8. Apabila gelung geganti R2 dijanakan, relay contact r2.1 biasa tertutup akan menjadi terbuka. Maka, solenoid A+ akan kehilangan tenaga dan menyebabkan rod silinder A bergerak masuk disebabkan pegas sehingga mencapai suis had a0. 9. Apabila suis had a0 dicapai, arus akan mengalir kepada solenoid B+ melalui suis had a0 dan relay contact r2.3. 10. Rod silinder B akan bergerak keluar sehingga menyentuhi suis had b1. 11. Apabila suis had b1 dicapai, arus akan dibekalkan dan menjanakan gelung geganti R3 melalui suis had b1 dan relay contact r2.4. 12. Gelung geganti R3 akan menjanakan relay contact r3.1. Ini menyebabkan arus yang dibekalkan kepada gelung geganti R1 terputus dan seterusnya
  • 12.
    J4012 / UNIT6/12 REKABENTUK LITAR (LITAR ASAS BERBILANG menyebabkan arus yang dibekalkan kepada gelung geganti R2 terputus juga. 13. Gelung geganti R2 kehilangan tenaga dan menyebabkan relay contact r2.3 menjadi biasa terbuka semula. Maka, solenoid B+ kehilangan tenaga dan menyebabkan rod silinder B bergerak masuk disebabkan pegas. 14. Litar elektro-pneumatik penuh dan berhenti.
  • 13.
    J4012 / UNIT6/13 REKABENTUK LITAR (LITAR ASAS BERBILANG AKTIVITI 6a UJI KEFAHAMAN ANDA SEBELUM ANDA MENERUSKAN INPUT SELANJUTNYA. SILA SEMAK JAWAPAN ANDA PADA MAKLUM BALAS DI HALAMAN BERIKUTNYA. SELAMAT MENCUBA…… Soalan 6a-1 1. Elektro-pneumatik adalah operasi gabungan antara _________ dan_____________ 2. Sistem pneumatik menggunakan _____________ sebagai penggerak injap kawalan. 3. Sistem elektro-pneumatik menggunakan _____________ sebagai penggerak injap kawalan. 4. Alat yang digunakan untuk menukarkan mekanisma elektrikal kepada mekanikal untuk menggerakkan injap kawalan elektro-pneumatik di panggil ________________ 5. Untuk menerangkan litar asas bagi berbilang silinder berdasarkan kawalan eletropneumatik di namakan_______________
  • 14.
    J4012 / UNIT6/14 REKABENTUK LITAR (LITAR ASAS BERBILANG Soalan 6a-2 Sila lengkapkan rajah tetangga di bawah 24V(+) 0V(-) st1 r1 st2 r2 A+ R1 A+ R2 A- A- Soalan 6a-3 Sila padankan injap dibawah Pneumatik Elektro-Pneumatik
  • 15.
    J4012 / UNIT6/15 REKABENTUK LITAR (LITAR ASAS BERBILANG MAKLUM BALAS KEPADA AKTIVITI 6a Jawapan 6a-1 1. 2. 3. 4. 5. elektrik , pneumatik angin mampat elektrik solenoid Gambarajah tetangga Jawapan 6a-2 24V(+) 0V(-) st1 r1 st2 r2 A+ R1 A+ R2 A- A- Jawapan 6a-3 Pneumatik Elektro-Pneumatik
  • 16.
    J4012 / UNIT6/16 REKABENTUK LITAR (LITAR ASAS BERBILANG INPUT 6.2 FUNGSI DAN ALAT TAMBAHAN BAGI KAWALAN TURUTAN PNEUMATIK DAN ELEKTRO-PNEUMATIK Terdapat tiga jenis alatan tambahan bagi mengawal kawalan turutan sistem pneumatik dan juga elektro-pneumatik. Tiga jenis alat tersebut ialah :Lengah masa (timer) Pembilang (counter) Penyedut vakum Simbol tangga bagi setiap komponen di atas adalah seperti berikut; PERALATAN SIMBOL TANGGA TIM N Lengah Masa SV CP Pembilang R CNT N SV S Penyedut Vakum R KEEP(1 1) B Gambarajah 6.8 : Simbol Ladder
  • 17.
    J4012 / UNIT6/17 REKABENTUK LITAR (LITAR ASAS BERBILANG 6.2.1 LENGAH MASA (TIMER) Jikalau dirumah kita sentiasa mengunakan penetap masa mesin basuh untuk menetapkan jangkamasa membasuh dan alat yang anda gunakan itu merupakan alat lengah masa. Begitu juga dengan sistem pneumatik dan elektropneumatik. 6.2.1.1 Binaan Alat Lengah Masa Ia terdiri daripda gelung medan magnet yang dapat menghasilkan daya elektromagnet, dimana daya elektromagnet ini dapat menarik sesentuh untuk bertindak. Terdapat sesentuh lazim terbuka dan sesentuh lazim tertutup didalam komponen ini. Sesentuh ini adalah untuk mengawal litar. Timer ini dilaras dengan melaraskan pelaras masa yang terdapat pada bahagian atas untuk mengawal tindakkan timer supaya mengikut masa yang kita hendaki. Terdapat berbagai jenis timer dalam pasaran mengikut kegunaannya dalam litar elektrik atau elektronik. Bahagian badan timer ini biasanya dibuat dari plastik untuk menutupi bahagian gegelung supaya gegelung dapat bertahan dengan lebih lama. 6.2.1.2 Fungsi. Timer biasanya digunakan di dalam litar eletrik bagi litar Pneumatik adalah untuk mencipta litar separa automatik atau litar automatik sepenuhnya. Dimana ia mengantikan kawalan manusia dengan melaraskan masa yang diinginkan pada pelaras masa yang terdapat pada timer.
  • 18.
    J4012 / UNIT6/18 REKABENTUK LITAR (LITAR ASAS BERBILANG Tugas utama timer adalah untuk memutuskan atau menyambungkan bekalan pada beban apabila tempoh masa yang dilaras telah sampai tempoh. Tugas memutuskan atau menyambungkan bekalan adalah dilakukan oleh sesentuh lazim terbuka dan lazim tertutup. Dimana sesentuh lazim terbuka akan jadi tertutup apabila sampai tempoh manakala sesentuh lazim tertutup akan terbuka. 6.2.2 PEMBILANG (COUNTER) Pembilang dalam sistem pneumatik dan elektro-pneumatik boleh berfungsi untuk mengira bilangan tindakan piston. Jikalau setiap tindakan piston merupakan proses ke atas sesuatu produk, pembilang juga boleh membilang jumlah produk yang telah melalui sistem tersebut. 6.2.3 PENYEDUT VAKUM Proses utamanya ialah mevakumkan sesebuah sistem dengan mengeluarkan kesemua udara didalam sistem tersebut, sehingga menjadikan sistem itu bebas daripada udara. Udara yang di sedut keluar daripada sistem selalunya udara yang kotor dan mengandungi pelbagai bendasing ataupun dipanggil satu proses politropik. Terdapat tiga jenis pam vakum iaitu seperti Rajah 6.9 di bawah : Jenis piston Jenis skru Rajah 6.9 : Jenis-jenis pam vakum Jenis berputar Sumber: Festo Didactic
  • 19.
    J4012 / UNIT6/19 REKABENTUK LITAR (LITAR ASAS BERBILANG Penerangan Pemampat penyedut vakum ini menggunakan pemampat udara jenis salingan.  Pemampat jenis ini menggunakan gerakan piston dalam silinder untuk menyingkirkan bendasing yang terdapat didalam udara.  Biasanya udara singkiran atau sedutan dari sesebuah unit dihasilkan melalui proses mampatan dalam satu atau beberapa peringkat.  Pemampat salingan satu peringkat menghasilkan udara yang kadar sedutannya lebih rendah daripada pemampat salingan dua peringkat.  Pemampat salingan satu peringkat menyedut udara dalam sesebuah unit dengan menggunakan satu piston sahaja.  Piston digerakkan kebawah dan udara yang kotor dan tercemar serta yang mempunyai bendasing disedut masuk ke ruang silinder melalui liang sedutan.  Apabila injap sedutan terbuka, injap hantaran adalah dalam keadaan tertutup.  Selepas itu proses hantaran pun bermula dengan piston bergerak keatas.  Injap hantaran terbuka dan injap sedutan tertutup.  Udara dalam ruang atas piston dalam silinder akan ditolak keluar melalui liang hantaran ke satu lubang atau satu saluran yang lebih di kenali sebagai ekzos.  Proses penyedutan atau penyingkiran udara yang tercemar ini berlaku sehinggalah ke suatu tekanan yang telah dilaraskan.
  • 20.
    J4012 / UNIT6/20 REKABENTUK LITAR (LITAR ASAS BERBILANG Pemegang Objek Pam Vakum Jenis pemegang objek yang digunakan oleh pam vakum ditentukan oleh bentuk dan material bahan / alat yang hendak dipegang seperti ditunjukkan dalam rajah 6.10 di bawah. Plat keras Plat lembut Objek bulat Lain-lain bentuk Rajah 6.10 : Jenis-jenis pemegang objek Sumber: Festo Didactic
  • 21.
    J4012 / UNIT6/21 REKABENTUK LITAR (LITAR ASAS BERBILANG AKTIVITI 6b SILA SEMAK JAWAPAN ANDA PADA MAKLUM BALAS DI HALAMAN BERIKUTNYA. Soalan 6b-1 Sila isikan jawapan anda di tempat kosong yang disediakan. 1. Bagi sesuatu proses yang memerlukan lengah masa, gambarajah tangga memerlukan ………………………. 2. Fungsi utama timer ialah untuk menentukan ……………………. sesuatu proses 3. Pembilang “counter” digunakan untuk …………………. proses atau objek yang telah dilakukan oleh sistem elektro-pneumatik. 4. Proses ………………. merupakan proses membuang udara di dalam sesuatu sistem. 5. Alat vakum digunakan untuk memegang …………………….yang ringan dan mudah pecah. Soalan 6b-2 Lukiskan simbol bagi peralatan di bawah pada ruangan kosong yang disediakan. PERALATAN Lengah Masa Pembilang Penyedut Vakum SIMBOL TANGGA
  • 22.
    J4012 / UNIT6/22 REKABENTUK LITAR (LITAR ASAS BERBILANG MAKLUM BALAS KEPADA AKTIVITI 6b Jawapan 6b-1 1. Timer 2. Lengah Masa 3. Membilang 4. Vakum 5. Komponen Jawapan 6b-1 PERALATAN SIMBOL TANGGA TIM N Lengah Masa SV CP Pembilang R CNT N SV S Penyedut Vakum R KEEP(1 1) B
  • 23.
    J4012 / UNIT6/23 REKABENTUK LITAR (LITAR ASAS BERBILANG PENILAIAN KENDIRI UJIKAN KEFAHAMAN ANDA SEBELUM MENERUSKAN UNIT SELANJUTNYA…! SILA SEMAK JAWAPAN ANDA PADA MAKLUMBALAS DI HALAMAN BERIKUTNYA Soalan 1 Anda telah dibekalkan oleh syarikat anda beberapa komponen seperti di bawah : Dua buah Silinder 2 tindakan Dua buah injap kawalan arah 5/2 dengan 2 solenoid Empat buah suis penghad Sebuah suis tekan i. Lukiskan Litar tangga untuk mengawal gerakan 2 buah silinder yang bergerak mengikut jujukan A+ B+ ABii. Berdasarkan jawapan soalan 1(i) di atas, terangkan operasi litar elektro-pneumatik bagi jujukan tersebut. Soalan 2 Anda telah dibekalkan oleh syarikat anda beberapa komponen seperti di bawah : Dua buah Silinder 2 tindakan Dua buah injap kawalan arah 5/2 dengan 2 solenoid Empat buah suis penghad Sebuah suis tekan i. Lukiskan Litar tangga untuk mengawal gerakan 2 buah silinder yang bergerak mengikut jujukan A+ AB+ Bii. Berdasarkan jawapan soalan 2(i) di atas, terangkan operasi litar elektro-pneumatik bagi jujukan tersebut.
  • 24.
    J4012 / UNIT6/24 REKABENTUK LITAR (LITAR ASAS BERBILANG MAKLUMBALAS KEPADA PENILAIANKENDIRI Jawapan 1) (i) A B a0 A+ a1 b0 A- B+ B- 24V(+) 0V(-) st b0 r5.1 R1 Rung 1 r1.1 r1.2 r2.1 A+ Rung 2 a1 r1.3 R2 Rung 3 r2.2 r2.3 b1 r3.1 B+ Rung 4 r2.4 R3 Rung 5 r3.2 r3.3 a0 ARung 6 r3.4 R4 Rung 7 r4.1 r4.2 b0 BRung 8 r4.3 R5 Rung 9 b1
  • 25.
    J4012 / UNIT6/25 REKABENTUK LITAR (LITAR ASAS BERBILANG (ii) Penerangan kendalian rajah tangga pada sistem: 1. Bekalan udara dibekalkan kepada kedua-dua silinder dua tindakan melalui injap 5/2 yang mempunyai dua solenoid pada setiap hujung. 2. Apabila suis tekan st1 ditekan, arus akan dibekalkan dan menjanakan gelung geganti R1 melalui suis had b0 dan relay contact r5.1 biasa tertutup. 3. Gelung geganti R1 menjanakan relay contact r1.1, r1.2 dan 1.3. Relay contact r1.1 akan menyebabkan gelung geganti R1 terus terjana. 4. Arus elektrik dibekalkan kepada solenoid A+ melalui relay contact r1.2 dan r2.1. 5. Rod silinder A akan bergerak keluar sehingga menyentuh suis had a1. 6. Apabila suis had a1 dicapai, arus akan mengalir melalui suis had a1 dan relay contact r1.3 kepada gelung geganti R2. 7. Gelung geganti R2 akan menjanakan relay contact r2.1, r2.2, dan r2.3. Relay contact r2.2 akan menyebabkan gelung geganti R2 terus terjana. 8. Arus elektrik dibekalkan kepada solenoid B+ melalui relay contact r2.3 dan r3.1. 9. Rod silinder B akan bergerak keluar sehingga menyentuhi suis had b1. 10. Apabila suis had b1 dicapai, arus akan mengalir melalui suis had b1 dan relay contact r2.4 kepada gelung geganti R3. 11. Gelung geganti R3 akan menjanakan relay contact r3.1, r3.2, r3.3 dan r3.4. Relay contact r3.2 akan menyebabkan gelung geganti R3 terus terjana. 12. Arus elektrik dibekalkan kepada solenoid A- melalui relay contact r3.3. 13. Rod silinder A akan bergerak masuk sehingga menyentuhi suis had a0. 14. Apabila suis had a0 dicapai, arus akan mengalir melalui suis had a0 dan relay contact r3.4 kepada gelung geganti R4. 15. Gelung geganti R4 akan menjanakan relay contact r4.1, r4.2 dan r4.3. Relay contact r4.1 akan menyebabkan gelung geganti R4 terus terjana. 16. Arus elektrik dibekalkan kepada solenoid B- melalui relay contact r4.2. 17. Rod silinder B akan bergerak masuk sehingga menyentuhi suis had b0. 18. Apabila suis had b0 tercapai, arus akan mengalir melalui suis had b0 dan relay contact r4.3 kepada gelung geganti R5. 19. Gelung geganti R5 akan menjanakan relay contact r5.1 dan seterusnya, mematikan seluruh litar elektro-pneumatik. 20. Litar elektro-pneumatik penuh dan berhenti.
  • 26.
    J4012 / UNIT6/26 REKABENTUK LITAR (LITAR ASAS BERBILANG Jawapan 2 (i) A B a0 a1 b0 A b1 B 24V(+) 0V(-) st b0 r3.1 R1 Rung 1 r1.1 r1.2 r2.1 A+ Rung 2 a1 r1.3 R2 Rung 3 r2.2 a0 b1 r2.3 B+ Rung 4 r2.4 R3 Rung 5 (ii) Penerangan kendalian rajah tangga pada sistem: 1. Bekalan udara dibekalkan kepada kedua-dua silinder dua tindakan melalui injap 5/2 yang mempunyai dua solenoid pada setiap hujung. 2. Apabila suis tekan st ditekan, arus akan dibekalkan dan menjanakan gelung geganti R1 melalui suis had b0 dan relay contact r3.1 biasa tertutup. 3. Gelung geganti R1 akan menjanakan relay contact r1.1 dan r1.2. Relay contact r1.1 akan menyebabkan gelung geganti R1 terus terjana. 4. Arus elektrik akan dibekalkan kepada solenoid A+ melalui relay contact r1.2 dan r2.1 biasa tertutup. 5. Rod silinder A akan bergerak keluar sehingga menyentuhi suis had a1.
  • 27.
    J4012 / UNIT6/27 REKABENTUK LITAR (LITAR ASAS BERBILANG 6. Apabila suis had a1 dicapai, arus akan dibekalkan dan menjanakan gelung geganti R2 melalui suis had a1 dan relay contact r1.3. 7. Gelung geganti R2 akan menjanakan relay contact r2.1, r2.2, r2.3 dan r2.4. Relay contact r2.2 akan menyebabkan gelung geganti R2 terus terjana. 8. Apabila gelung geganti R2 dijanakan, relay contact r2.1 biasa tertutup akan menjadi terbuka. Maka, solenoid A+ akan kehilangan tenaga dan menyebabkan rod silinder A bergerak masuk disebabkan pegas sehingga mencapai suis had a0. 9. Apabila suis had a0 dicapai, arus akan mengalir kepada solenoid B+ melalui suis had a0 dan relay contact r2.3. 10. Rod silinder B akan bergerak keluar sehingga menyentuhi suis had b1. 11. Apabila suis had b1 dicapai, arus akan dibekalkan dan menjanakan gelung geganti R3 melalui suis had b1 dan relay contact r2.4. 12. Gelung geganti R3 akan menjanakan relay contact r3.1. Ini menyebabkan arus yang dibekalkan kepada gelung geganti R1 terputus dan seterusnya menyebabkan arus yang dibekalkan kepada gelung geganti R2 terputus juga. 13. Gelung geganti R2 kehilangan tenaga dan menyebabkan relay contact r2.3 menjadi biasa terbuka semula. Maka, solenoid B+ kehilangan tenaga dan menyebabkan rod silinder B bergerak masuk disebabkan pegas. 14. Litar elektro-pneumatik penuh dan berhenti.