IMPROVED DENITRIFICATION SYSTEM FOR
           PINGREE PARK


             FINAL PROJECT
                CIVE 540



           ASHWIN DHANASEKAR

                BING BAI

        KEERTHIVASAN VENKATAPATHI


               May 11, 2011
Table of Contents

List of Figures .......................................................................................................................................... 1

List of Tables ........................................................................................................................................... 1

Executive Summary .................................................................................... Error! Bookmark not defined.

Background ............................................................................................................................................. 3

Description of Design Alternatives ........................................................................................................... 4

Design Summary...................................................................................................................................... 8

Additional Considerations........................................................................................................................ 9

References ............................................................................................................................................ 10

Appendix A: Calculation of Denitrification parameters (spreadsheet) ................................................... 11

Appendix B: Calculation of BOD5 for both Denitrification and No Denitrification (spreadsheet) ........... 14

Appendix C: Calculation of proposed weir/orifice design……………………………………………………………….………17

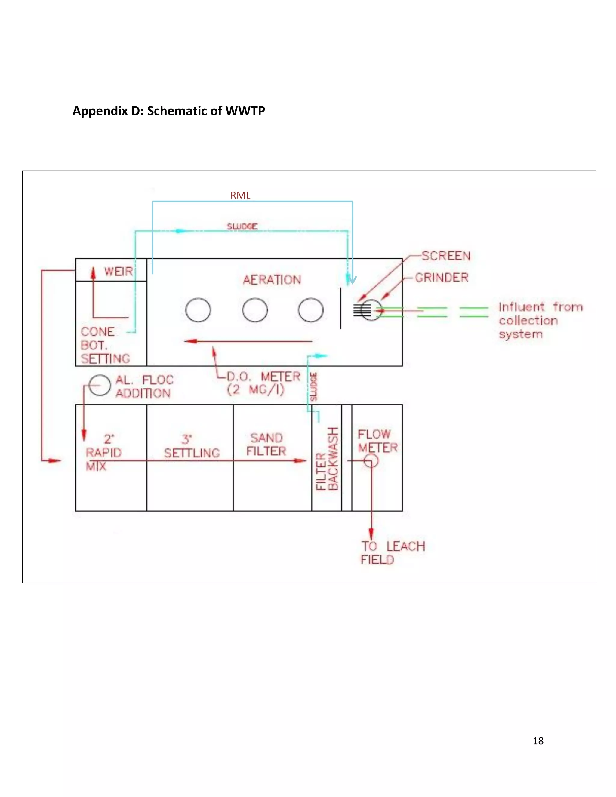
Appendix D: Schematic of WWTP ......................................................................................................... 18

Appendix E: Pingree Park Maps ............................................................................................................ 19




                                                                  List of Figures
Figure 1: Bardenpho or Predenitrification Design Schematic ................................................................... 4

Figure 2: Recommended Design schematic ............................................................................................. 7

Figure 3: Schematic of Weir/Orifice design ............................................................................................. 7




                                                                   List of Tables
Table 1: Recycle Ratio Alternatives for sludge vacuum (R1) and sump pump (R2) ................................... 5

Table 2: BOD5 and Nitrate Effluent Concentrations Design flow ............................................................. 6

Table 3: BOD5 and Nitrate Effluent Concentrations Peak flow ................................................................ 6



                                                                                                                                                          1
Executive Summary

Pingree Park is the mountain campus of Colorado State University. It is located about 53 miles west of
Fort Collins. It is operational from mid-May to mid-October. It is used by companies for retreats, high
school camps and class for students from CSU and houses around 130 people.

The campus has an existing Wastewater treatment plant with a capacity to treat 20000 gallons per day.
It is housed in a closed roof. This treatment plant has Grit chamber, aeration tank, settling tank, and
chemical addition, rapid mix, settler, sand filter, and leach field.

The influent wastewater has average BOD5 of 888 mg/L, Nitrate 12 mg/L, Ammonia 39mg/L, Phosphorus
(total) 130 mg/L, Dissolved Solids 411 mg/L, Suspended Solids 2543 mg/L. The average flow rate to the
treatment plant is 12500 gal/day with a maximum flow rate of 15150 gal/day.

The present treatment plant achieves removal efficiency 95% for BOD and 95% for TSS. The system is
not very efficient in removing the nutrients and often exceeded their CDPHE PELs regulations. Since they
release the effluent to leach field there is the possibility of containment of the ground water, they have
South Fork river right next to the plant. CDPHE is concerned that releasing the effluent water into leach
field may contaminate the South Fork River which is the head water for Cache Le Poudre River.

Therefore CSU decided to improve the present treatment plant by adding extra treatment unit for
denitrification system. We are focused in optimizing the previous proposal to achieve maximum
denitrification possible. This will be achieved by splitting their present aerobic reactor into an anoxic
chamber and aerobic chamber. The volume ratio between anoxic and aerobic as 1.5, that is aerobic zone
will be designed to have 1.5 times the volume of anoxic zone.

The earlier design had a priority of including a denitrification reactor to meet nitrate effluent standards
of 10mg/L or less. It employed a pre-denitrification process in the form of an aeration basin containing
an anoxic denitrification reactor. The Bardenpho or the Pre-denitrification process requires the recycling
of nitrates, which were produced from the nitrification of ammonia, from the anoxic chamber. The
earlier proposed design did significantly lower effluent nitrate concentrations.




                                                                                                         2
The current effluent standards are:




 In order to meet these standards, we need to optimize it. To address the problem of managing
increased flow rates, we might involve the usage of flow control valves.



Background
        Situated in a beautiful location atop hills, Colorado State University’s Pingree Park campus
operates only for a six-month period from May to October each year. The wastewater production rate is
nearly 7800 gallons per day. Since it’s remotely located, Pingree Park is required to process and treat
their own wastewater on-site. It might be a little impractical because of the huge population being
served and a relatively small septic system possessed.

The current system is constituted by an aeration basin followed by two settling basins with a 100% solids
recycle flow back into the aeration basin. Chlorination is employed for disinfection and the treated
wastewater is let into a leach field. Temperature fluctuations are avoided as all reactors are placed
indoors. There is no wasting of cells as the mean cell residence time, θx, is equal to the duration of
operation for the system (normally six months approx.,). This is a unique feature of Pingree Park. The
design of the aeration basin is done in such a way that a hydraulic retention time of approximately 3.5 to
5 days is maintained depending on the influent flow rate. Nitrate removal from wastewater is important
to prevent Eutrophication in surrounding water bodies. It precedes algal blooms which can disrupt the
normal functions of the ecosystem and can deplete oxygen levels in water thereby affecting various
aquatic species.




                                                                                                        3
Description of Design Alternatives

Pingree Park wastewater facility releases its effluent water to leach field after disinfecting with chlorine.
To keep the nutrient level within regulation limit,it was decided to use predenitrification or bardenpho
process. There current aeration tank is big enough to be split in to two as aeration and anoxic zones.
The plant is currently recycling sludge 10 times there influent flow. With the new configuration they will
be recycling both RML and RAS. This reduces the flow of sludge back in to the basin.

The current aeration basin has a volume of 36855 gallons (39’ X 12’ X 10.5’). The basins are split in such
a way that the aeration tank will have 1.5 times the volume of anoxic tank. This is a typical design for the
bardenpho process. With the new configuration the aeration tank will have a volume of 22005 gallons
(24’ X ’12’ X 10’). The anoxic chamber has a volume of 14850 gallons (15’X12’X11’). With this design
there will be difference of one foot height between anoxic and aerobic chamber. This arrangement is to
allow the water to flow from anoxic to aerobic through a weir by gravity. The two chambers will be
separated by a steel wall that will be at distance of approximately 15 feet from the starting of basin. The
steel wall was chosen to avoid corrosion problem in future and it will be easy to install. This is described
in figure 2 in Appendix B

                                                RML

                       Anoxic                               Aerobic
                    Denitrification                     Carbon Oxidation                    SC
                     NO3       N2                        NH3         NO3




                                                  RAS

Figure 1: Typical Bardenpho Process Design Schematic.

The first step in the pre denitrification process is the use of carbon from raw wastewater in the anoxic
zone to convert Nitrate to Nitrogen gas. This process helps in reducing the BOD. The water then flows to
the aerobic zone which is separated by a submerged Weir so as to have a side water depth of one foot
less then the side water depth of anoxic zone. This is to prevent the back flow of water from aerobic
zone to anoxic zone. Recycling Mixed Liquor and Activated Sludge to the anoxic zone is needed for the
denitrification process to take place in the anoxic zone.

Alternatives with regards to the recycle rates R1 (recycled sludge ratio) and R2 (recycled mix
liquor ratio) were developed for the system. Upon visiting the facility it was understood that
the current R1 value was roughly ten times the maximum influent flow rate. This was
determined based on the fact the sludge recycle vacuum pump for the main clarifier was run


                                                                                                           4
simultaneously with the aeration pumps that operated 30 to 45 minutes on the hour, 24 hours
a day (total of 12-18 hours/day). So in this case, the recycle rate of the mix liquor suspended
solids (R2) would essentially be negligible as a sufficient amount of liquids would be recycled in
the sludge vacuum pump.

Then we came to know that this pump can be run separately from the aeration system. So in
this case we will be able to save significant energy by reducing the time for which the sludge
pump is operating and install a new pump in the rear of aeration basin for recycling the mixed
liquor.So with the above assumptions, calculations where made utilizing the formulas in
Rittman & McCarty Appendix A for denitrification. The calculations were used to get a effluent
Nitrate value of less than or equal to 5 mg/L

Since the treatment plant does not waste any cells, we will be having a Mean Cell Residence
Time(MCRT) of 150 days at the last working day of the treatment plant. The calculations where
made taking MCRT at four different cases as 25, 75,125,150.The design calculations is made for
MCRT 75 days and design flow of 8272 gallons.

The R1 and R2 are calculated at this MCRT and the duration of operation of pump is calculated
corresponding to different R1 and R2.We used 1HP sump pump with a capacity of 5000 gal/hr
for recycle of mixed liquor. Table 1 shows the different R1 and R2 for current and future design
and peak flows and pumping duration for each of them.

Table 1: Recycle Ratio alternatives for sludge vacuum (R1) and sump pump (R2)




                                                                                                5
Calculations were made for effluent BOD5, Oxygen requirement, power for the system. This is shown in
Table 2 and Table 3. This calculations are made for deisgn flow of 8272 gallons is shown in Table 2 and a
peak flow of 19150 gallons is shown in Table 3. We used a R1 of 5 and R2 of 0.83.

Table 2:Effluent Characteristics for MCRT 75 days and flow 8272 gallons

                     R1=5 R2=0.83
                                                     O2
           MCRT NO3            BOD5          P  requirement Power
           days mg/L           mg/L        mg/L    kg/day     kw
             25 4.13            9.22       1.76     34.5     1.41
             75   5            10.56       1.36     38.3     1.56
            125 5.21           11.15       1.22     39.4     1.61
            153 5.28           11.36       1.18     39.6     1.62

Table 3:Effluent Characteristics for MCRT 75 days and flow 19150 gallons

                      R1=5 R2=0.83
                                                           O2
           MCRT       NO3        BOD5        P        requirement Power
           days       mg/L       mg/L       mg/L         kg/day     kw
             25       4.13        9.23      1.76          79.9     3.26
             75        5         10.56      1.36          89.8     3.67
            125       5.21       11.15      1.22           92      3.68
            153       5.28       11.37      1.18          92.6     3.78

The red values indicate that those values exceeded the effluent values for nitrate. This happens at
higher MCRT. So to contain the effuent values within 5 mg/L we need to increase the R2 to 1.2.The
comparision between the above tables shows that Nitrate and BOD5 value do not change much
depending on the flow. Oxygen requirement and power increases with increase in flow.

There will be rotary lobe pump in the anoxic zone to get the mixing of the RML and RAS with the raw
wastewater equally. Design mixing power for an anoxic tank is between 0.3HP and 0.5 HP per 1000 cubic
feet. Thus based on the volume of 14850 gallons , a required power of 1HP.




                                                                                                       6
The design system is shown below. The existing tank is separated into two parts for anoxic zone
and aerobic zone. The size of the anoxic zone is 15’ (L) x 12’ (W) x 11’ (H), and the size of
aerobic zone is 24’ (L) x 12’ (W) x 10’ (H). The volume is 14850 gallons for anoxic zone and
22005 gallons for aerobic reactor, and the ratio is 1:1.48 which is close to the recommended
value 1:1.5.




                                   Figure 2: Design schematic

Denitrification can only occur under anaerobic condition, so a cover (roof) is need for the anoxic
zone. Also for the design of the submerged weir or orifice in the steel wall, we decide to use the
size from previous design. So the size of the weir is 1 inch height and 1.98 feet wide .




                                 Figure 3: Schematic of weir design

                                                                                                7
Design Summary

   To achieve the effluent N standard, we design a Bardenpho or predenitrification process for
the current wastewater treatment process. This design requires an installation of a steel wall to
divide the existing aeration tank into two zones: anoxic and aerobic zone. The wall is about 15
feet from the influent chamber and 11 feet high, also the overflow weir is needed to allow the
water run from the anoxic zone to aerobic zone. The modified water level is 11 feet in anoxic
zone and 10 feet in aerobic zone.

   For the current system the ratio of recycled activated sludge is 10, and also due to an
extremely long mean cell residence time, the calculated ratio of recycled mixed liquor is 0. Since
there should be mixed liquor recycled back from aerobic zone to anoxic zone to maintain the
denitrification system working well, we change the R1 value to 5 and choose R2 value to 0.83.
So a pump is needed to recycle the liquor and we use the pump from previous design, 1 HP
5000gal/hour sump pump being installed near the surface at the end of the aeration chamber.
And the required running time for the sump pump is about 2 hours/day and for the existing
sludge pump is 6.5 hours/day.

    The effluent BOD5 and N concentration all meet the new standard from CDPHE by putting
into the proposed Bardenpho process. The design can be easily achieved by modifying the
existing aeration basin and also the maintenance of the design is easy. All of these
modifications can be achieved during the seasons when the treatment system is offline, and it
will turn out to be the most efficient and cost effective way to meet the new discharge
regulations for the Pingree Park.

   The materials needed for this design basically is the same as the list from previous design,
and the cost for the design could be estimated based on the materials and equipments.




                                                                                                8
Other considerations

The R1 and R2 value chosen for the design is based on the current peak flow and an average
mean cell residence time of 75 days, which will lead to an increase of effluent nitrate
concentration under the actual mean cell residence time of 153 days. So a modification of R2
value is needed to maintain the effluent nitrate concentration under 5mg/L.

This design is focusing on the removal of BOD and nitrate to meet the effluent standard, but
CDPHE also provides the limit for effluent phosphorus concentration, which should be
considered in the future design and modification.

A pilot test may be conducted if possible, and also the cost for the design can be variable,
including the materials, equipment and labors.

The source of activated sludge that is used for both denitrification and nitrification is hard to
determine, so tests on microorganism are essential for choosing the most effective sludge.

Further improvements could be made through consulting experts like Dr. Sharvelle, Dr. Richards
and Susanne Cordery-Cotter.

Also for the end of each open season, tons of sludge needs to treated and currently CSU hires
trucks to haul out the sludge. This could lead to a big cost for the whole system and therefore
more efficient ways to treating the sludge could be considered.




                                                                                                9
References

Pingree Park Map, Colorado State University. http://map.colostate.edu/old/oc-
pingree.aspx. Date Accessed: 4/10/2011.

Cordery-Cotter, Susanne. Interview, Site Visit: 12 April 2011.

Kroemer, Rex. Interview, Site Visit: 12 April 2011.

Rittman, B. E., and McCarty, P. L. Environmental Biotechnology: Principles and
Applications. Boston: McGraw-Hill, 2001.

Colorado    Department       of    Public    Health     and     Environment.
http://www.cdphe.state.co.us/regulations/wqccregs/index.html, Date Accessed:
4/10/2011.

Qian Liang, Ian Maycumber and Thomas Walsh. Denitrification reactor design for
Pingree Park. Colorado State University, Fort Collins, CO. May 2009.

Sharvelle, Dr. Sybil. Class Lectures. CIVE 540: Advanced Biological Wastewater
Processing, “Nitrification.” Colorado State University, Fort Collins, CO. April 2011.

Sharvelle, Dr. Sybil. Class Lectures. CIVE 540: Advanced Biological Wastewater
Processing, “Denitrification.” Colorado State University, Fort Collins, CO. April
2011.




                                                                                   10
Appendix A: Calculation for current system without denitrification
Note: Volume was given 36855 gallons, and mean cell residence time was actually 153 days.

Example of the calculation was based on the current design flow Q=8272 GPD, influent BOD5 is
888 mg/L.

Step 1 – 12:
                           BOD Removal without Denitrification (R=10)
                           Current design flow
                           Q=                8,272 gal/day
Step 1&3 (Given Values):   Q=            0.008272 MGD
                           S0 =                    888 mg/L BODL
                           Se =                     18 mg/L BOD5
                           SS =                     18 mg/L
                           To =                     18 Co
                                                                         Table 3.1
Step 2 (Table 3.1):        q=                     23.58 g BODL/g VSS-d   q20 =          27 g BODL/g VSS-d
                           b=                      0.13 /d               b20 =        0.15 /d
                           fd =                     0.8
                           Y=                      0.45 gVss/g BODL
                           K=                        10 mg BODL/L
Step 4:                    [qxmin]lim             0.095 days
                           Smin =                 0.125 mg BODL/L
                           SF =                      30
Step 5:                    qx =                    2.86 days
                           qx (rounded)=           153 days
Step 6:                    Se =                   0.131 mg BODL/L
Step 7, Table 6.2:         MLSS =                  3000 mg MLSS/L
                           Xv =                 3780.74 mg MLVSS/L
                           Xi0 =                     15 mg VSS/L
                           q=                      4.46 days             q=           4.46 days
Step 8:                    V=                   0.03686 MG               V=          36855 gal
                           Xa =                     652 mg/L
Step 9:                    Inorganic Sol   =        687 mg/L
                           MLSS =                  4888 mg MLSS/L
Step 10:                   DXss/Dt =                  4 Kg MLSS/day
                           DXa/Dt =                  1 Kg/day
                           DXv /Dt =                 3 Kg MLVSS/day
                           (DXv /Dt)biol =           3 Kg MLVSS/day
                             e
Step 11:                   Xv =                     15 mg VSS/L
                           Xae =                   2.59 mg/L
                           Xsse =                 11.90 mg MLSS/L
                             r
                           Xv =                  10,000 mg VSS/L
Step 12:                   Q=                  31268.16 L/day
                           Qw =                       0 L/day
                           Qw =                  0.0000 MGD
                           Mass rate =                0 Kg VSS/day


                                                                                                            11
Step 13 – 18 (cont.)
                                                             Typical
                                                               SMP
                                                             Values
Step 13:               N=              11.789 mg N/L          used:
                       P=               2.377 mg P/L        k1         0.12 g CODp/g CODs
Step 14:               rut =          -199.28 mg BODL/L-d   k2         0.09 g CODp/g VSSa
                       UAP =            2.040 mg COD/L      qUAP        1.8 g CODp/g VSSa
                       BAP =          102.577 mg COD/L      qBAP        0.1 g CODp/g VSSa
                       SMP =          104.617 mg COD/L      KUAP        100 g CODp/L
Step 15:               VSS =             21.3 mg COD/L      KBAP         85 g CODp/L
                       CODe =           126.0 mg COD/L
                       VSSa =        2.938339 mg BODL/L
                       BODL =          107.69 mg BODL/L
                       BOD5 =           15.91 mg BOD5/L
Step 16:               R=              10.000
                       QR =             0.083 MGD
Step 17:               O2 Input =    28432138 mg/day
                       O2 Output =   8163624 mg/day
                       O2 Uptake = 20.26851 kg/day
Step 18:               SOTE =             2 Kg O2/KW-hr
                       a=               0.7
                       b=              0.95
                       Cg =           0.168 atm
                       Cl* =             7.74 mg/l
                       Cl =                 2 mg/l
                       FOTE =            0.76 Kg O2/KW-hr
                       Power =           1.11 KW




Table 3.1 from Environmental Biotechnology textbook.




                                                                                            12
Equations used for calculation
           Q=           8272                                                      gal/day
Step 1&3 (Given Values):=D3/10^6
           Q=                                                                     MGD
            S0 =            888                                                   mg/L BODL                            BODL0 = =D5/0.68         mg BODL/L
            Se =            18                                                    mg/L BOD5
            SS =            18                                                    mg/L
            To =            18                                                    Co
                                                                                                                       Table 3.1
Step 2 (Table 3.1):
            q=              =I10*(1.07)^(D8-20)                                   g BODL/g VSS-d                       q20 =     27             g BODL/g VSS-d
            b=              =I11*(1.07)^(D8-20)                                   /d                                   b20 =    0.15            /d
            fd =            0.8
            Y=              0.45                                                  gVss/g BODL
            K=              10                                                    mg BODL/L
Step 4:     [qxmin]lim      =(D13*D10-D11)^-1                                     days
            Smin =          =D14*D11*D15                                          mg BODL/L
            SF =            30
Step 5:     qx =            =(D17*D15)                                            days
            qx (rounded)=   153                                                   days
Step 6:     Se =            =D14*(1+D11*D19)/(D19*(D13*D10-D11)-1)               mg BODL/L
Step 7, Table 6.2: =
            MLSS            3000                                                 mg MLSS/L
            Xv =            =(D19/D24)*(D23+(D13*(D5-D20)*(1+(1-D12)*D11*D19))/(1+D11*D19))
                                                                                 mg MLVSS/L
            Xi0 =           15                                                    mg VSS/L
            q=              =H24                                                  days                                 q=       =H25/D3         days
Step 8:     V=              =H25/10^6                                             MG                                   V=       36855           gal
            Xa =            =(D19/D24)*D13*(D5-D20)/(1+D11*D19)                   mg/L
Step 9:     Inorganic Sol = =20*(D19/D24)                                         mg/L
            MLSS =          =D22+D22*(10/90)+D27                                  mg MLSS/L
Step 10:    DXss/Dt =       =(D28*H25*3.785/D19)/10^6                             Kg MLSS/day
            DXa/Dt =        =(H25*D26/D19*3.785)/10^6                             Kg/day
            DXv /Dt =       =D22*D25/D19*3.78                                     Kg MLVSS/day
            (DXv /Dt) biol = =D31-D3*3.785*D23/10^6                               Kg MLVSS/day
Step 11:    Xv e =          15                                                    mg VSS/L
            Xae =           =D33*(D26/D22)                                        mg/L
            Xsse =          =D33*D21/D22                                          mg MLSS/L
            Xv r =          10000                                                 mg VSS/L
Step 12:    Q=              =D4*3.78*10^6                                         L/day
            Qw =            0                                                     L/day
            Qw =        0                                                         MGD
            Mass rate = 0                                                         Kg VSS/day
                                                                                                               Typical
                                                                                                                 SMP
                                                                                                               Values
Step 13:    N=              =0.124*D32*10^6/D37                                      mg N/L                     used:
            P=              = 0.025*D32*10^6/D37                                     mg P/L                   k1       0.12     g CODp/g CODs
Step 14:    rut =           =-(D5-D20)/D24                                           mg BODL/L-d              k2       0.09     g CODp/g VSSa
            UAP =           =-(I44*D26*D24+I46+I42*D43*D24)/2+(((I44*D26*D24+I46+I42*D43*D24)^2-4*I46*I42*D43*D24)^0.5)/2
                                                                                     mg COD/L                 qUAP     1.8      g CODp/g VSSa
            BAP =           =-(I47+(I45-I43)*D26*D24)/2+(((I47+(I45-I43)*D26*D24)^2+4*I47*I43*D26*D24)^0.5)/2 qBAP
                                                                                     mg COD/L                          0.1      g CODp/g VSSa
            SMP =           =D44+D45                                                 mg COD/L                 KUAP     100      g CODp/L
Step 15:    VSS =           =D33*1.42                                                mg COD/L                 KBAP     85       g CODp/L
            CODe =          =D20+D47+D46                                          mg COD/L
            VSSa =          =D34*D12*1.42                                         mg BODL/L
            BODL =          =D20+D49+D46                                          mg BODL/L
            BOD5 =          =D20*0.68+D49*0.4+D46*0.14                            mg BOD5/L
Step 16:    R=              10
            QR =            =D4*D52                                               MGD
Step 17:    O2 Input =      =D37*D5+1.42*D37*D23                                  mg/day
            O2 Output = =D37*D20+D37*D46+1.42*D31*10^6                            mg/day
            O2 Uptake =     =(D54-D55)/10^6                                       kg/day
Step 18:    SOTE =          2                                                     Kg O2/KW-hr
            a=              0.7
            b=              0.95
            Cg =            =0.21*0.8                                             atm
            Cl* =           =D60/(10^(0.914-(750/(273+D8))))                      mg/l
            Cl =            2                                                     mg/l
            FOTE =          =D57*1.035^(D8-20)*D58*(D59*D61-D62)/9.2              Kg O2/KW-hr
            Power =         =D56/D63/24                                           KW


                                                                                                                                                                 13
Appendix B: Calculation for denitrification

Note: For current system with R1=10

Example of the calculation was based on the current design flow Q=15150 GPD, influent BOD5
is 888 mg/L, TKN is 50 mg/L, and effluent nitrate is 5.0 mg/L. Mean cell residence time is 75
days.

When MCRT=75 days
Choose:                                                    Given:
MCRT                           75 days                     BOD50            888 mg/L
                                                                    0
fs (nit)                   0.13 (Table 10.3)               BODL            1306 mg/L
                                                                0
g BODl/g NO3-N             3.21 (Table 10.3)               TKN               50   mg/L
R1                           10                            Q              15150   GPD
  0
fs (nit)                   0.11                            Q              57267   L/day
b (nit)                     0.1 /day                       (NO3)2             5   mg/L
fs 0 (aer)                  0.5                            Xi                15   mg/L
b (aer)                    0.13 /day

Variables:                                                 Term1        Term2
               2
(NO3-)              3.1175512 mg/L                          1.6E-06 1963861
           1
BODL                104.125668 mg/L
R2                              0

Calculated
fs (aer)            0.1372093
fs (nit)             0.030186
Y (aer)             0.0968698 g VSS/g BODL
Y (nit)                   0.083 g VSS/g BODL
Y (denit)                 0.08      g VSS/g BODL
∆Xv/∆t (aer)          6353941       mg/d
∆Xv/∆t (den)        735308.28       mg/d
∆Xv/∆t (nit)         164695.5       mg/d

Sludge loss rate ∆Xv/∆t (tot)        8112950 mg/d
                 V=                    36855 gallons
HRT              q=                 2.432673 days
                   Xv =              4367.69 mg VSS/d
                     r
                   Xv =             4790.292 mg VSS/d
                    w
waste flow ratio R =                0.029574 (should be 0 actually)
                   ∆O2 /∆t =        61.66056 kg/d




                                                                                            14
Required R2=0 to achieve the target nitrate value of 5 mg/L.
Note: For design system with R1=5 and R2=0.83

Example of the calculation was based on the current design flow Q=15150 GPD, influent BOD5
is 888 mg/L, TKN is 50 mg/L, and effluent nitrate is 5.0 mg/L. Mean cell residence time is 75
days.

When MCRT=75 days
Choose:                                                   Given:
MCRT                           75 days                    BOD50            888 mg/L
                                                                   0
fs (nit)                   0.13 (Table 10.3)              BODL            1306 mg/L
                                                               0
g BODl/g NO3-N             3.21 (Table 10.3)              TKN               50   mg/L
R1                            5                           Q              15150   GPD
fs 0 (nit)                 0.11                           Q              57267   L/day
b (nit)                     0.1 /day                      (NO3)2             5   mg/L
fs 0 (aer)                  0.5                           Xi                15   mg/L
b (aer)                    0.13 /day

Variables:                                                Term1        Term2
               2
(NO3-)              5.0006588 mg/L                         2.6E-06 1955926
           1
BODL                177.497929 mg/L
R2                         0.83

Calculated
fs (aer)            0.1372093
fs (nit)             0.030186
Y (aer)             0.0968698 g VSS/g BODL
Y (nit)                   0.083 g VSS/g BODL
Y (denit)                0.08     g VSS/g BODL
∆Xv/∆t (aer)        6725222.9     mg/d
∆Xv/∆t (den)        428684.73     mg/d
∆Xv/∆t (nit)        164030.03     mg/d

Sludge loss rate ∆Xv/∆t (tot)       8176943 mg/d
                 V=                   36855 gallons
HRT              q=                2.432673 days
                   Xv =            4402.142 mg VSS/d
                     r
                   Xv =            5254.013 mg VSS/d
                    w
waste flow ratio R =               0.027177 (should be 0 actually)
                   ∆O2 /∆t =       64.72327 kg/d


                                                                                            15
Table 10.3 from Environmental Biotechnology textbook.




                                                        16
Appendix C: Calculation of proposed weir/orifice design
        1 in (height)
                           2.5 ft
                                                                Orifice

                                                               Water level of anoxic tank

                                                               Water level of aeration tank
12 ft




                                                      11 ft
                                             10 ft




                           12 ft

Figure 1: Schematic of Weir/Orifice design

The weir/orifice should be designed to have the capacity to allow the maximum flow to go through,
which is the sum of the inflow of the wastewater plus the recycle flow from the effluent of the aeration
tank. The maximum Inflow rate is 19150 gpd, and the maximum recycle rate is R1=10.

                                                     Qtotal=Qmax+RQmax

To determine the dimension of the orifice, we design a tentative value of maximum flow velocity as 1
ft/s. Determine the area of the orifice:        A=Q/V



Table 4: Calculations of Orifice



                                                                  The designed dimension of the orifice is 1 inches
                                                                  high and 1.96 feet wide.

                                                                  The position of the orifice determines the water
                                                                  level of the anoxic tank. It is designed that 1 foot
                                                                  difference between the water surface and the
                                                                  upper end of the tank.




                                                                                                                 17
Appendix D: Schematic of WWTP




                       RML




                                18
Appendix E: Pingree Park Maps




                                19

Final report cive 540 1

  • 1.
    IMPROVED DENITRIFICATION SYSTEMFOR PINGREE PARK FINAL PROJECT CIVE 540 ASHWIN DHANASEKAR BING BAI KEERTHIVASAN VENKATAPATHI May 11, 2011
  • 2.
    Table of Contents Listof Figures .......................................................................................................................................... 1 List of Tables ........................................................................................................................................... 1 Executive Summary .................................................................................... Error! Bookmark not defined. Background ............................................................................................................................................. 3 Description of Design Alternatives ........................................................................................................... 4 Design Summary...................................................................................................................................... 8 Additional Considerations........................................................................................................................ 9 References ............................................................................................................................................ 10 Appendix A: Calculation of Denitrification parameters (spreadsheet) ................................................... 11 Appendix B: Calculation of BOD5 for both Denitrification and No Denitrification (spreadsheet) ........... 14 Appendix C: Calculation of proposed weir/orifice design……………………………………………………………….………17 Appendix D: Schematic of WWTP ......................................................................................................... 18 Appendix E: Pingree Park Maps ............................................................................................................ 19 List of Figures Figure 1: Bardenpho or Predenitrification Design Schematic ................................................................... 4 Figure 2: Recommended Design schematic ............................................................................................. 7 Figure 3: Schematic of Weir/Orifice design ............................................................................................. 7 List of Tables Table 1: Recycle Ratio Alternatives for sludge vacuum (R1) and sump pump (R2) ................................... 5 Table 2: BOD5 and Nitrate Effluent Concentrations Design flow ............................................................. 6 Table 3: BOD5 and Nitrate Effluent Concentrations Peak flow ................................................................ 6 1
  • 3.
    Executive Summary Pingree Parkis the mountain campus of Colorado State University. It is located about 53 miles west of Fort Collins. It is operational from mid-May to mid-October. It is used by companies for retreats, high school camps and class for students from CSU and houses around 130 people. The campus has an existing Wastewater treatment plant with a capacity to treat 20000 gallons per day. It is housed in a closed roof. This treatment plant has Grit chamber, aeration tank, settling tank, and chemical addition, rapid mix, settler, sand filter, and leach field. The influent wastewater has average BOD5 of 888 mg/L, Nitrate 12 mg/L, Ammonia 39mg/L, Phosphorus (total) 130 mg/L, Dissolved Solids 411 mg/L, Suspended Solids 2543 mg/L. The average flow rate to the treatment plant is 12500 gal/day with a maximum flow rate of 15150 gal/day. The present treatment plant achieves removal efficiency 95% for BOD and 95% for TSS. The system is not very efficient in removing the nutrients and often exceeded their CDPHE PELs regulations. Since they release the effluent to leach field there is the possibility of containment of the ground water, they have South Fork river right next to the plant. CDPHE is concerned that releasing the effluent water into leach field may contaminate the South Fork River which is the head water for Cache Le Poudre River. Therefore CSU decided to improve the present treatment plant by adding extra treatment unit for denitrification system. We are focused in optimizing the previous proposal to achieve maximum denitrification possible. This will be achieved by splitting their present aerobic reactor into an anoxic chamber and aerobic chamber. The volume ratio between anoxic and aerobic as 1.5, that is aerobic zone will be designed to have 1.5 times the volume of anoxic zone. The earlier design had a priority of including a denitrification reactor to meet nitrate effluent standards of 10mg/L or less. It employed a pre-denitrification process in the form of an aeration basin containing an anoxic denitrification reactor. The Bardenpho or the Pre-denitrification process requires the recycling of nitrates, which were produced from the nitrification of ammonia, from the anoxic chamber. The earlier proposed design did significantly lower effluent nitrate concentrations. 2
  • 4.
    The current effluentstandards are: In order to meet these standards, we need to optimize it. To address the problem of managing increased flow rates, we might involve the usage of flow control valves. Background Situated in a beautiful location atop hills, Colorado State University’s Pingree Park campus operates only for a six-month period from May to October each year. The wastewater production rate is nearly 7800 gallons per day. Since it’s remotely located, Pingree Park is required to process and treat their own wastewater on-site. It might be a little impractical because of the huge population being served and a relatively small septic system possessed. The current system is constituted by an aeration basin followed by two settling basins with a 100% solids recycle flow back into the aeration basin. Chlorination is employed for disinfection and the treated wastewater is let into a leach field. Temperature fluctuations are avoided as all reactors are placed indoors. There is no wasting of cells as the mean cell residence time, θx, is equal to the duration of operation for the system (normally six months approx.,). This is a unique feature of Pingree Park. The design of the aeration basin is done in such a way that a hydraulic retention time of approximately 3.5 to 5 days is maintained depending on the influent flow rate. Nitrate removal from wastewater is important to prevent Eutrophication in surrounding water bodies. It precedes algal blooms which can disrupt the normal functions of the ecosystem and can deplete oxygen levels in water thereby affecting various aquatic species. 3
  • 5.
    Description of DesignAlternatives Pingree Park wastewater facility releases its effluent water to leach field after disinfecting with chlorine. To keep the nutrient level within regulation limit,it was decided to use predenitrification or bardenpho process. There current aeration tank is big enough to be split in to two as aeration and anoxic zones. The plant is currently recycling sludge 10 times there influent flow. With the new configuration they will be recycling both RML and RAS. This reduces the flow of sludge back in to the basin. The current aeration basin has a volume of 36855 gallons (39’ X 12’ X 10.5’). The basins are split in such a way that the aeration tank will have 1.5 times the volume of anoxic tank. This is a typical design for the bardenpho process. With the new configuration the aeration tank will have a volume of 22005 gallons (24’ X ’12’ X 10’). The anoxic chamber has a volume of 14850 gallons (15’X12’X11’). With this design there will be difference of one foot height between anoxic and aerobic chamber. This arrangement is to allow the water to flow from anoxic to aerobic through a weir by gravity. The two chambers will be separated by a steel wall that will be at distance of approximately 15 feet from the starting of basin. The steel wall was chosen to avoid corrosion problem in future and it will be easy to install. This is described in figure 2 in Appendix B RML Anoxic Aerobic Denitrification Carbon Oxidation SC NO3 N2 NH3 NO3 RAS Figure 1: Typical Bardenpho Process Design Schematic. The first step in the pre denitrification process is the use of carbon from raw wastewater in the anoxic zone to convert Nitrate to Nitrogen gas. This process helps in reducing the BOD. The water then flows to the aerobic zone which is separated by a submerged Weir so as to have a side water depth of one foot less then the side water depth of anoxic zone. This is to prevent the back flow of water from aerobic zone to anoxic zone. Recycling Mixed Liquor and Activated Sludge to the anoxic zone is needed for the denitrification process to take place in the anoxic zone. Alternatives with regards to the recycle rates R1 (recycled sludge ratio) and R2 (recycled mix liquor ratio) were developed for the system. Upon visiting the facility it was understood that the current R1 value was roughly ten times the maximum influent flow rate. This was determined based on the fact the sludge recycle vacuum pump for the main clarifier was run 4
  • 6.
    simultaneously with theaeration pumps that operated 30 to 45 minutes on the hour, 24 hours a day (total of 12-18 hours/day). So in this case, the recycle rate of the mix liquor suspended solids (R2) would essentially be negligible as a sufficient amount of liquids would be recycled in the sludge vacuum pump. Then we came to know that this pump can be run separately from the aeration system. So in this case we will be able to save significant energy by reducing the time for which the sludge pump is operating and install a new pump in the rear of aeration basin for recycling the mixed liquor.So with the above assumptions, calculations where made utilizing the formulas in Rittman & McCarty Appendix A for denitrification. The calculations were used to get a effluent Nitrate value of less than or equal to 5 mg/L Since the treatment plant does not waste any cells, we will be having a Mean Cell Residence Time(MCRT) of 150 days at the last working day of the treatment plant. The calculations where made taking MCRT at four different cases as 25, 75,125,150.The design calculations is made for MCRT 75 days and design flow of 8272 gallons. The R1 and R2 are calculated at this MCRT and the duration of operation of pump is calculated corresponding to different R1 and R2.We used 1HP sump pump with a capacity of 5000 gal/hr for recycle of mixed liquor. Table 1 shows the different R1 and R2 for current and future design and peak flows and pumping duration for each of them. Table 1: Recycle Ratio alternatives for sludge vacuum (R1) and sump pump (R2) 5
  • 7.
    Calculations were madefor effluent BOD5, Oxygen requirement, power for the system. This is shown in Table 2 and Table 3. This calculations are made for deisgn flow of 8272 gallons is shown in Table 2 and a peak flow of 19150 gallons is shown in Table 3. We used a R1 of 5 and R2 of 0.83. Table 2:Effluent Characteristics for MCRT 75 days and flow 8272 gallons R1=5 R2=0.83 O2 MCRT NO3 BOD5 P requirement Power days mg/L mg/L mg/L kg/day kw 25 4.13 9.22 1.76 34.5 1.41 75 5 10.56 1.36 38.3 1.56 125 5.21 11.15 1.22 39.4 1.61 153 5.28 11.36 1.18 39.6 1.62 Table 3:Effluent Characteristics for MCRT 75 days and flow 19150 gallons R1=5 R2=0.83 O2 MCRT NO3 BOD5 P requirement Power days mg/L mg/L mg/L kg/day kw 25 4.13 9.23 1.76 79.9 3.26 75 5 10.56 1.36 89.8 3.67 125 5.21 11.15 1.22 92 3.68 153 5.28 11.37 1.18 92.6 3.78 The red values indicate that those values exceeded the effluent values for nitrate. This happens at higher MCRT. So to contain the effuent values within 5 mg/L we need to increase the R2 to 1.2.The comparision between the above tables shows that Nitrate and BOD5 value do not change much depending on the flow. Oxygen requirement and power increases with increase in flow. There will be rotary lobe pump in the anoxic zone to get the mixing of the RML and RAS with the raw wastewater equally. Design mixing power for an anoxic tank is between 0.3HP and 0.5 HP per 1000 cubic feet. Thus based on the volume of 14850 gallons , a required power of 1HP. 6
  • 8.
    The design systemis shown below. The existing tank is separated into two parts for anoxic zone and aerobic zone. The size of the anoxic zone is 15’ (L) x 12’ (W) x 11’ (H), and the size of aerobic zone is 24’ (L) x 12’ (W) x 10’ (H). The volume is 14850 gallons for anoxic zone and 22005 gallons for aerobic reactor, and the ratio is 1:1.48 which is close to the recommended value 1:1.5. Figure 2: Design schematic Denitrification can only occur under anaerobic condition, so a cover (roof) is need for the anoxic zone. Also for the design of the submerged weir or orifice in the steel wall, we decide to use the size from previous design. So the size of the weir is 1 inch height and 1.98 feet wide . Figure 3: Schematic of weir design 7
  • 9.
    Design Summary To achieve the effluent N standard, we design a Bardenpho or predenitrification process for the current wastewater treatment process. This design requires an installation of a steel wall to divide the existing aeration tank into two zones: anoxic and aerobic zone. The wall is about 15 feet from the influent chamber and 11 feet high, also the overflow weir is needed to allow the water run from the anoxic zone to aerobic zone. The modified water level is 11 feet in anoxic zone and 10 feet in aerobic zone. For the current system the ratio of recycled activated sludge is 10, and also due to an extremely long mean cell residence time, the calculated ratio of recycled mixed liquor is 0. Since there should be mixed liquor recycled back from aerobic zone to anoxic zone to maintain the denitrification system working well, we change the R1 value to 5 and choose R2 value to 0.83. So a pump is needed to recycle the liquor and we use the pump from previous design, 1 HP 5000gal/hour sump pump being installed near the surface at the end of the aeration chamber. And the required running time for the sump pump is about 2 hours/day and for the existing sludge pump is 6.5 hours/day. The effluent BOD5 and N concentration all meet the new standard from CDPHE by putting into the proposed Bardenpho process. The design can be easily achieved by modifying the existing aeration basin and also the maintenance of the design is easy. All of these modifications can be achieved during the seasons when the treatment system is offline, and it will turn out to be the most efficient and cost effective way to meet the new discharge regulations for the Pingree Park. The materials needed for this design basically is the same as the list from previous design, and the cost for the design could be estimated based on the materials and equipments. 8
  • 10.
    Other considerations The R1and R2 value chosen for the design is based on the current peak flow and an average mean cell residence time of 75 days, which will lead to an increase of effluent nitrate concentration under the actual mean cell residence time of 153 days. So a modification of R2 value is needed to maintain the effluent nitrate concentration under 5mg/L. This design is focusing on the removal of BOD and nitrate to meet the effluent standard, but CDPHE also provides the limit for effluent phosphorus concentration, which should be considered in the future design and modification. A pilot test may be conducted if possible, and also the cost for the design can be variable, including the materials, equipment and labors. The source of activated sludge that is used for both denitrification and nitrification is hard to determine, so tests on microorganism are essential for choosing the most effective sludge. Further improvements could be made through consulting experts like Dr. Sharvelle, Dr. Richards and Susanne Cordery-Cotter. Also for the end of each open season, tons of sludge needs to treated and currently CSU hires trucks to haul out the sludge. This could lead to a big cost for the whole system and therefore more efficient ways to treating the sludge could be considered. 9
  • 11.
    References Pingree Park Map,Colorado State University. http://map.colostate.edu/old/oc- pingree.aspx. Date Accessed: 4/10/2011. Cordery-Cotter, Susanne. Interview, Site Visit: 12 April 2011. Kroemer, Rex. Interview, Site Visit: 12 April 2011. Rittman, B. E., and McCarty, P. L. Environmental Biotechnology: Principles and Applications. Boston: McGraw-Hill, 2001. Colorado Department of Public Health and Environment. http://www.cdphe.state.co.us/regulations/wqccregs/index.html, Date Accessed: 4/10/2011. Qian Liang, Ian Maycumber and Thomas Walsh. Denitrification reactor design for Pingree Park. Colorado State University, Fort Collins, CO. May 2009. Sharvelle, Dr. Sybil. Class Lectures. CIVE 540: Advanced Biological Wastewater Processing, “Nitrification.” Colorado State University, Fort Collins, CO. April 2011. Sharvelle, Dr. Sybil. Class Lectures. CIVE 540: Advanced Biological Wastewater Processing, “Denitrification.” Colorado State University, Fort Collins, CO. April 2011. 10
  • 12.
    Appendix A: Calculationfor current system without denitrification Note: Volume was given 36855 gallons, and mean cell residence time was actually 153 days. Example of the calculation was based on the current design flow Q=8272 GPD, influent BOD5 is 888 mg/L. Step 1 – 12: BOD Removal without Denitrification (R=10) Current design flow Q= 8,272 gal/day Step 1&3 (Given Values): Q= 0.008272 MGD S0 = 888 mg/L BODL Se = 18 mg/L BOD5 SS = 18 mg/L To = 18 Co Table 3.1 Step 2 (Table 3.1): q= 23.58 g BODL/g VSS-d q20 = 27 g BODL/g VSS-d b= 0.13 /d b20 = 0.15 /d fd = 0.8 Y= 0.45 gVss/g BODL K= 10 mg BODL/L Step 4: [qxmin]lim 0.095 days Smin = 0.125 mg BODL/L SF = 30 Step 5: qx = 2.86 days qx (rounded)= 153 days Step 6: Se = 0.131 mg BODL/L Step 7, Table 6.2: MLSS = 3000 mg MLSS/L Xv = 3780.74 mg MLVSS/L Xi0 = 15 mg VSS/L q= 4.46 days q= 4.46 days Step 8: V= 0.03686 MG V= 36855 gal Xa = 652 mg/L Step 9: Inorganic Sol = 687 mg/L MLSS = 4888 mg MLSS/L Step 10: DXss/Dt = 4 Kg MLSS/day DXa/Dt = 1 Kg/day DXv /Dt = 3 Kg MLVSS/day (DXv /Dt)biol = 3 Kg MLVSS/day e Step 11: Xv = 15 mg VSS/L Xae = 2.59 mg/L Xsse = 11.90 mg MLSS/L r Xv = 10,000 mg VSS/L Step 12: Q= 31268.16 L/day Qw = 0 L/day Qw = 0.0000 MGD Mass rate = 0 Kg VSS/day 11
  • 13.
    Step 13 –18 (cont.) Typical SMP Values Step 13: N= 11.789 mg N/L used: P= 2.377 mg P/L k1 0.12 g CODp/g CODs Step 14: rut = -199.28 mg BODL/L-d k2 0.09 g CODp/g VSSa UAP = 2.040 mg COD/L qUAP 1.8 g CODp/g VSSa BAP = 102.577 mg COD/L qBAP 0.1 g CODp/g VSSa SMP = 104.617 mg COD/L KUAP 100 g CODp/L Step 15: VSS = 21.3 mg COD/L KBAP 85 g CODp/L CODe = 126.0 mg COD/L VSSa = 2.938339 mg BODL/L BODL = 107.69 mg BODL/L BOD5 = 15.91 mg BOD5/L Step 16: R= 10.000 QR = 0.083 MGD Step 17: O2 Input = 28432138 mg/day O2 Output = 8163624 mg/day O2 Uptake = 20.26851 kg/day Step 18: SOTE = 2 Kg O2/KW-hr a= 0.7 b= 0.95 Cg = 0.168 atm Cl* = 7.74 mg/l Cl = 2 mg/l FOTE = 0.76 Kg O2/KW-hr Power = 1.11 KW Table 3.1 from Environmental Biotechnology textbook. 12
  • 14.
    Equations used forcalculation Q= 8272 gal/day Step 1&3 (Given Values):=D3/10^6 Q= MGD S0 = 888 mg/L BODL BODL0 = =D5/0.68 mg BODL/L Se = 18 mg/L BOD5 SS = 18 mg/L To = 18 Co Table 3.1 Step 2 (Table 3.1): q= =I10*(1.07)^(D8-20) g BODL/g VSS-d q20 = 27 g BODL/g VSS-d b= =I11*(1.07)^(D8-20) /d b20 = 0.15 /d fd = 0.8 Y= 0.45 gVss/g BODL K= 10 mg BODL/L Step 4: [qxmin]lim =(D13*D10-D11)^-1 days Smin = =D14*D11*D15 mg BODL/L SF = 30 Step 5: qx = =(D17*D15) days qx (rounded)= 153 days Step 6: Se = =D14*(1+D11*D19)/(D19*(D13*D10-D11)-1) mg BODL/L Step 7, Table 6.2: = MLSS 3000 mg MLSS/L Xv = =(D19/D24)*(D23+(D13*(D5-D20)*(1+(1-D12)*D11*D19))/(1+D11*D19)) mg MLVSS/L Xi0 = 15 mg VSS/L q= =H24 days q= =H25/D3 days Step 8: V= =H25/10^6 MG V= 36855 gal Xa = =(D19/D24)*D13*(D5-D20)/(1+D11*D19) mg/L Step 9: Inorganic Sol = =20*(D19/D24) mg/L MLSS = =D22+D22*(10/90)+D27 mg MLSS/L Step 10: DXss/Dt = =(D28*H25*3.785/D19)/10^6 Kg MLSS/day DXa/Dt = =(H25*D26/D19*3.785)/10^6 Kg/day DXv /Dt = =D22*D25/D19*3.78 Kg MLVSS/day (DXv /Dt) biol = =D31-D3*3.785*D23/10^6 Kg MLVSS/day Step 11: Xv e = 15 mg VSS/L Xae = =D33*(D26/D22) mg/L Xsse = =D33*D21/D22 mg MLSS/L Xv r = 10000 mg VSS/L Step 12: Q= =D4*3.78*10^6 L/day Qw = 0 L/day Qw = 0 MGD Mass rate = 0 Kg VSS/day Typical SMP Values Step 13: N= =0.124*D32*10^6/D37 mg N/L used: P= = 0.025*D32*10^6/D37 mg P/L k1 0.12 g CODp/g CODs Step 14: rut = =-(D5-D20)/D24 mg BODL/L-d k2 0.09 g CODp/g VSSa UAP = =-(I44*D26*D24+I46+I42*D43*D24)/2+(((I44*D26*D24+I46+I42*D43*D24)^2-4*I46*I42*D43*D24)^0.5)/2 mg COD/L qUAP 1.8 g CODp/g VSSa BAP = =-(I47+(I45-I43)*D26*D24)/2+(((I47+(I45-I43)*D26*D24)^2+4*I47*I43*D26*D24)^0.5)/2 qBAP mg COD/L 0.1 g CODp/g VSSa SMP = =D44+D45 mg COD/L KUAP 100 g CODp/L Step 15: VSS = =D33*1.42 mg COD/L KBAP 85 g CODp/L CODe = =D20+D47+D46 mg COD/L VSSa = =D34*D12*1.42 mg BODL/L BODL = =D20+D49+D46 mg BODL/L BOD5 = =D20*0.68+D49*0.4+D46*0.14 mg BOD5/L Step 16: R= 10 QR = =D4*D52 MGD Step 17: O2 Input = =D37*D5+1.42*D37*D23 mg/day O2 Output = =D37*D20+D37*D46+1.42*D31*10^6 mg/day O2 Uptake = =(D54-D55)/10^6 kg/day Step 18: SOTE = 2 Kg O2/KW-hr a= 0.7 b= 0.95 Cg = =0.21*0.8 atm Cl* = =D60/(10^(0.914-(750/(273+D8)))) mg/l Cl = 2 mg/l FOTE = =D57*1.035^(D8-20)*D58*(D59*D61-D62)/9.2 Kg O2/KW-hr Power = =D56/D63/24 KW 13
  • 15.
    Appendix B: Calculationfor denitrification Note: For current system with R1=10 Example of the calculation was based on the current design flow Q=15150 GPD, influent BOD5 is 888 mg/L, TKN is 50 mg/L, and effluent nitrate is 5.0 mg/L. Mean cell residence time is 75 days. When MCRT=75 days Choose: Given: MCRT 75 days BOD50 888 mg/L 0 fs (nit) 0.13 (Table 10.3) BODL 1306 mg/L 0 g BODl/g NO3-N 3.21 (Table 10.3) TKN 50 mg/L R1 10 Q 15150 GPD 0 fs (nit) 0.11 Q 57267 L/day b (nit) 0.1 /day (NO3)2 5 mg/L fs 0 (aer) 0.5 Xi 15 mg/L b (aer) 0.13 /day Variables: Term1 Term2 2 (NO3-) 3.1175512 mg/L 1.6E-06 1963861 1 BODL 104.125668 mg/L R2 0 Calculated fs (aer) 0.1372093 fs (nit) 0.030186 Y (aer) 0.0968698 g VSS/g BODL Y (nit) 0.083 g VSS/g BODL Y (denit) 0.08 g VSS/g BODL ∆Xv/∆t (aer) 6353941 mg/d ∆Xv/∆t (den) 735308.28 mg/d ∆Xv/∆t (nit) 164695.5 mg/d Sludge loss rate ∆Xv/∆t (tot) 8112950 mg/d V= 36855 gallons HRT q= 2.432673 days Xv = 4367.69 mg VSS/d r Xv = 4790.292 mg VSS/d w waste flow ratio R = 0.029574 (should be 0 actually) ∆O2 /∆t = 61.66056 kg/d 14
  • 16.
    Required R2=0 toachieve the target nitrate value of 5 mg/L. Note: For design system with R1=5 and R2=0.83 Example of the calculation was based on the current design flow Q=15150 GPD, influent BOD5 is 888 mg/L, TKN is 50 mg/L, and effluent nitrate is 5.0 mg/L. Mean cell residence time is 75 days. When MCRT=75 days Choose: Given: MCRT 75 days BOD50 888 mg/L 0 fs (nit) 0.13 (Table 10.3) BODL 1306 mg/L 0 g BODl/g NO3-N 3.21 (Table 10.3) TKN 50 mg/L R1 5 Q 15150 GPD fs 0 (nit) 0.11 Q 57267 L/day b (nit) 0.1 /day (NO3)2 5 mg/L fs 0 (aer) 0.5 Xi 15 mg/L b (aer) 0.13 /day Variables: Term1 Term2 2 (NO3-) 5.0006588 mg/L 2.6E-06 1955926 1 BODL 177.497929 mg/L R2 0.83 Calculated fs (aer) 0.1372093 fs (nit) 0.030186 Y (aer) 0.0968698 g VSS/g BODL Y (nit) 0.083 g VSS/g BODL Y (denit) 0.08 g VSS/g BODL ∆Xv/∆t (aer) 6725222.9 mg/d ∆Xv/∆t (den) 428684.73 mg/d ∆Xv/∆t (nit) 164030.03 mg/d Sludge loss rate ∆Xv/∆t (tot) 8176943 mg/d V= 36855 gallons HRT q= 2.432673 days Xv = 4402.142 mg VSS/d r Xv = 5254.013 mg VSS/d w waste flow ratio R = 0.027177 (should be 0 actually) ∆O2 /∆t = 64.72327 kg/d 15
  • 17.
    Table 10.3 fromEnvironmental Biotechnology textbook. 16
  • 18.
    Appendix C: Calculationof proposed weir/orifice design 1 in (height) 2.5 ft Orifice Water level of anoxic tank Water level of aeration tank 12 ft 11 ft 10 ft 12 ft Figure 1: Schematic of Weir/Orifice design The weir/orifice should be designed to have the capacity to allow the maximum flow to go through, which is the sum of the inflow of the wastewater plus the recycle flow from the effluent of the aeration tank. The maximum Inflow rate is 19150 gpd, and the maximum recycle rate is R1=10. Qtotal=Qmax+RQmax To determine the dimension of the orifice, we design a tentative value of maximum flow velocity as 1 ft/s. Determine the area of the orifice: A=Q/V Table 4: Calculations of Orifice The designed dimension of the orifice is 1 inches high and 1.96 feet wide. The position of the orifice determines the water level of the anoxic tank. It is designed that 1 foot difference between the water surface and the upper end of the tank. 17
  • 19.
    Appendix D: Schematicof WWTP RML 18
  • 20.
    Appendix E: PingreePark Maps 19