(Moving Bed Biofilm Reactor)
Introduction, and designing and planning
parameters
Mohammad Mehdi Golbini Mofrad
MSCs. Environmental Health Engineering /Engineering Department/
Health Faculty
spring 2014
Presentation overview
 MBBR : History And introduction
 Designing parameters
 Design Example : typical project
 review of papers and literatures
 Conclusion
MBBR : History and Introduction
History of MBBR
 New Technology (End of 1980s was developed in Trondheim
city by professor odegaard and coworkers)
 Developed in Norway (by caldnes company) commercially :
 Maximize Treatment Volume
 Free- Moving Plastic Media
 Aeration Basin
 500 Installation worldwide
 First North America- Moorhead, MN (2003)
MBBR PROCESS DESCRIPTION :
Moving Bed Biofilm Reactor
Biological Fixed Film Process
Floating, Free- Moving Biomass
Carrier Media
Media Retained in Aerated/Mixed
Reactor
 MBBR is a type of Activated Sludge process :
MBBR process includes combination of extended aeration and
Floating Biological Reactor or suspended and attached growth
technology.
 Classification of various major aerobic fixed film processes used
in Wastewater treatment
 Examples of Applied Reactors in MBBR:
a) Aerobic b) Anaerobic/Anoxic
 MBBR can be made in tow ways :
 Reinforced Concrete pools in or on the ground
 or as Pact system that is constructed with steel or coated
metal (steel)
Settling system is below of lamella plates
 Typically Process designing parameters (calculated by rosten
and et all, 2000 year) :
Parameter Unit Values Range
MBBR
Anoxic Retention Time Hour 1-1.2
Aerobic Retention Time Hour 3.5-4.5
Biofilm Area or Surface 𝑚2
𝑚3
200-250
BOD Loading 𝑘𝑔 𝑚3. 𝑑 1-1.4
Hydraulically Retention Time of
Secondary clarifier
𝑚 ℎ 0.5-0.8
 Typical Operating Parameters for Moving Bed Biofilm
Reactors (MBBRs):
Variable Range Source
Media
Media Diameter (mm) 7-15 (Andreottola at al., 2000; Odegaard et al.,
2000; Odegaard, 2000)Media Length(mm) 10-15
Specific Surface Area ( 𝑚2 𝑚3) 160,490-7700
Filling Fraction (%) 60-70
Contact Time (hr) 2-5 (Andreottola at al., 2000; Odegaard et al.,
2000). (Odegaard, 2000)BOD Loading Rate ( 𝒌𝒈 𝑩𝑶𝑫 𝟕 𝒎 𝟑
. 𝒅𝒂𝒚) 4-5
Backwashing Never
Maximum Head loss Insignificant
Media:
 special Density Media’s is a less of
water (≈ 0.36 𝑔𝑟 𝑐𝑚3
).
 Media material’s is such as : Polly
Ethylene, Polly urethane and other
high density plastics.
 Area of specific surface Bed’s
nearby is 500 cubic meter to a
voluminous Bed volume’s.
 Screen plates is installed in end of
reactors for preventing to Media
scape from reactors.
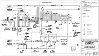
Design Example : typical project
(Waste Water Treatment Plant of Isfahan city
center)
Type of MBBR is PAKAGE unit
 Final Capacity : 3*200 𝑚3 𝑑
 Initial Capacity : 200 𝑚3 𝑑
 The process tanks constructed in Container dimension, Epoxy Coated
Carbon Steel and suitable to move on standard trailers as and when required.
 Sludge pumps are installed to take all the sludge from lamella bottom to
Sludge holding tank. Sludge holding tank to be provided in RCC (By Client)
for collection & digestion of sludge. Air will be provided for digestion of
sludge. The digested sludge will be then disposed of by tanker to suitable
site (by Client).
Continue:
 We will provide the air diffusers pipes for the equalization tank, to keep the
suspended matter homogenized and to prevent the sewage from getting
septic.
 The advantage of using floating media is that it shortened the footprint of
the plant and has proven results.
 Tertiary treatment system is now included in our scope and we confirm the
outlet BOD/ SS to be 20/20 as average, which is good enough for
irrigation.
 Design data:
TEM Design Unit NOTE
Operation / Week 7 Days
Operation / Day 24 Hours
FLOW 2 x 200.0 M3/Day.
BOD
Inlet 300.0 Mg/l
Outlet 20.0 Mg/l
COD
Inlet 500.0
Mg/l
Outlet 150
OIL & Grease
Inlet 10
Mg/l
Outlet 5
TSS
Inlet 250
Mg/l
Outlet 20
pH Inlet 7.5 Mg/l
Nitrogen
Inlet 35
Mg/l
Outlet 35
Phosphate
Inlet 9
Mg/l
Outlet 9
Residual
Chlorine
Inlet 0
Mg/l
Outlet 1
Water Temperature 25 C°
Ambient Temperature 45 C°
Lift Station & Pumping System
 Lift Station:
Considering the Project capacity of 600 CMD ( 3 x 200 CMD ), the design
capacity for Lift station tank is ( 30 min) retention time of normal flow. The
holding capacity of lift station will be 16 Cum.
 Lift station pump:
The design capacity of Lift station pump (1 Duty/ 1 Standby) (BY
CLIENT) shall be 100 CMH @ 1.2 bar to absorb the impact of the Peak
flow per day. The Peak flow is 3-4 times the normal flow.
 Semi Automatic Bar screen
Semi Automatic Bar screen One (1) (Duty) will be
provided at the lift station to trap the larger particles
size of 20 mm diameter.
Equalization & Pumping System:
Equalization Tank:
It is underground concrete tank taking in consideration the invert
level of the inlet sewage. Absorb the impacted of the Peak flow
per day. The Peak flow is 3 - 4 times the normal flow.
 The design capacity for the equalization tank is (8 -12) hours
retention time of the normal flow.
MBBR Aeration System:
 The sewage discharged into the Two Stage in series Aeration chambers,
each having certain volume of Floating Media and Set of Air Diffusers.
 The Media inside the Aeration compartment continuously in
suspension and kept rotating in circular motion by Air action directed
on them.
 This Media designed to enable biological growth on the surface and to
achieve high rate of oxygen transfer.
Continue :
 The PACT MBBR system operates on high MLSS and therefore requires
less power and is more efficient.
 The Moving Bed Bio Reactor (MBBR) requires less space as compared to
Extended Aeration system.
 The sewage from the First Aeration Tank is overflow by gravity to the
second Aeration tank.
 The microorganisms remove the organic material from the sewage and
multiply to greater numbers.
 This increase in number of microorganisms results in excess activated
sludge, which requires occasional disposal.
 The frequency and volume of sludge wastage is best determined from
individual plant operation.
 The sewage is than overflow by gravity in to the
lamella Clarification compartment for secondary
treatment.
Secondary Treatment (Settling):
 After the biological reaction, the mixed water flows to the
settlement chamber having tube settler (Lamella) where the
activated sludge is separated from the secondary effluent
during a period of quiescent settlement.
 The secondary effluent discharge from the plant via an
overflow weir and the settled sludge is pumped back to the
aeration chamber to treat more sewage and to maintain the
desired F/M ratio.
 The over flow liquid is passed to the Chlorination Tank for
tertiary treatment.
3.0 AERATION SYSTEM
3.1 & 3.2 Aeration Tank & Floating Media
ITEM DESCRIPTION REMARKS
Qty. One (1)
No. Chambers/ Tank Two (2)
Tank Make PACT
Media
Type 2P-836 P H O T O
Material HDPE
Surface 836 [m²/m³]
Protected Surface 494 [m²/m³]
Weight 165 [kg/m³]
Volume/Tank 15.0 m3
TANK
Material
BODY Carbon Steel, 4.75 mm,
Paint Epoxy Paint, internal: 300 Micron, External: 150 micron.
TANK
Dimension
Tank/Each 10 m Container (L10.0 x W 2.4 x H (2.65+0.2))
Aeration
Chamber
L 6.5 x W 2.4 x H (2.60 + 0.25 )
Volume
Effective 40.5 M3
Total 44.4 M3
Pipe
Size
IN
Water DN 50
Actual
sizes will
be at final
design
Air Main DN 80
OUT (Water) Opening With Screen
Drain DN 50
Over Flow DN 50 (2”)
Connection Type Flange, PN 10
Accessories
/
Tank
Two (2) Drain Pit with drain valve, 2”
Inlet & Outlet Screen
One (1) Ladder
4.0 SETTLING SYSTEM
4.1 SETTLING TANK
ITEM DESCRIPTION REMARKS
Qty. One (1)
Included in
item 3.1
Actual
sizes will
be at final
design
No. Chambers/ Tank One (1)
Tank Make PACT
TANK
Material
BODY Carbon Steel, 4.75 mm,
Paint Epoxy Paint, internal: 300 Micron, External: 150 micron.
TANK
Dimension
Tank/Each (L 3.5 x W 2.4 x H (2.5+0.3))
Chamber L 3.5 x W 2.4 x H (2.5 + 0.3 )
Sludge
Collection
System
Hopper
Bottom
No. One (1)
Angle (55-60) O
Valve
Type Ball / Manual
Size DN 80 (3”)
Qty. One (1)
Material
Body PVC
Disk NA
Pipe
Size
Inlet Opening with Screen
Outlet DN 80(3”)
Over Flow NA
Connection Type Flange, PN 10
Weir
Material C.S Plate, 4.0 mm Sheet,
No. of Weirs/Tank One (1)
Length Weir Plate 2.3 M/Tank
# V notches As final Design
Accessories
/ Tank
One (1) Drain Pit.
One (1) Ladder
4.1.1 Lamella Tube Settler.
Type PE Sheets P H O T O
Actual sizes will
be at final
design
Make xxx
Material PE
Volume / Tank 8.40 m³ Total Volume 8.40 m³
Sedimentation Area
55O 6.25 [m²/m³]
60O 7.0 [m²/m³]
Protected Surface 494 [m²/m³]
Weight 35.0kg/ m³
Volume/Tank Final Design
review of papers and literatures
Experimental comparison between MBBR and activated
sludge system for the treatment of municipal wastewater
(Water Science & Technology, 2000 May)
G. Andreottola, R Foladori, M. Ragazzi and F. Tatàno
Department of Civil and Environmental Engineering, University of Trento, Trento,
Via Mesiano, 77-38050 Trento, Italy
Abstract :
 Organic substance removal and nitrification were investigated over a 1
-year period. Comparing the results obtained with the two lines, it can
be observed AS totCOD removal efficiencies were higher than MBBR
ones; the average efficiencies for totCOD removal were 76 % for
MBRR and 84 % for AS. On the contrary, the solCOD removals
resulted alike (71 % for both systems).
 In spite of the remarkable variations of wastewater
temperature, mainly in winter (range of 5-21 ‫؛‬C), the
average ammonium removal efficiency resulted 92 % for
MBBR and 98 % for AS. With an ammonium loads up to
1.0 g m-2 d-1 (up to 0.12 kg rn-3 d-1), nitrification efficiencies
in MBBR were more than 98 %. At higher loads decrease in
the MBBR efficiency was registered; that is related to the
increase in the applied COD load.
Apart from the specific surface matter, MSBR shows a few
advantages when compared to AS:
1. biomass retention time and hydraulic retention time are
independent thanks to the presence of the fixed biofilm;
2. specialized biomass for C and N removal can be selected in
multi-reactor configuration;
3. the treatment process is easier thanks to the absence of
sludge recycling
4. settling shows no bulking problem.
Conclusion
 MBBR is a new and efficient technology for waste water
treatment .
This process needs to at least of energy and maintenance
and operational staffs and helper.
It is best technology for small community.
Effluent water of This process can be used for irrigation and
reuse if applied with other technology (RO, NF, carbon
filter and sand filter).
Thanks for your attention to me
Mbbr

Mbbr

  • 1.
    (Moving Bed BiofilmReactor) Introduction, and designing and planning parameters Mohammad Mehdi Golbini Mofrad MSCs. Environmental Health Engineering /Engineering Department/ Health Faculty spring 2014
  • 2.
    Presentation overview  MBBR: History And introduction  Designing parameters  Design Example : typical project  review of papers and literatures  Conclusion
  • 3.
    MBBR : Historyand Introduction
  • 4.
    History of MBBR New Technology (End of 1980s was developed in Trondheim city by professor odegaard and coworkers)  Developed in Norway (by caldnes company) commercially :  Maximize Treatment Volume  Free- Moving Plastic Media  Aeration Basin  500 Installation worldwide  First North America- Moorhead, MN (2003)
  • 5.
    MBBR PROCESS DESCRIPTION: Moving Bed Biofilm Reactor Biological Fixed Film Process Floating, Free- Moving Biomass Carrier Media Media Retained in Aerated/Mixed Reactor
  • 6.
     MBBR isa type of Activated Sludge process : MBBR process includes combination of extended aeration and Floating Biological Reactor or suspended and attached growth technology.
  • 7.
     Classification ofvarious major aerobic fixed film processes used in Wastewater treatment
  • 8.
     Examples ofApplied Reactors in MBBR: a) Aerobic b) Anaerobic/Anoxic
  • 9.
     MBBR canbe made in tow ways :  Reinforced Concrete pools in or on the ground  or as Pact system that is constructed with steel or coated metal (steel)
  • 11.
    Settling system isbelow of lamella plates
  • 13.
     Typically Processdesigning parameters (calculated by rosten and et all, 2000 year) : Parameter Unit Values Range MBBR Anoxic Retention Time Hour 1-1.2 Aerobic Retention Time Hour 3.5-4.5 Biofilm Area or Surface 𝑚2 𝑚3 200-250 BOD Loading 𝑘𝑔 𝑚3. 𝑑 1-1.4 Hydraulically Retention Time of Secondary clarifier 𝑚 ℎ 0.5-0.8
  • 14.
     Typical OperatingParameters for Moving Bed Biofilm Reactors (MBBRs): Variable Range Source Media Media Diameter (mm) 7-15 (Andreottola at al., 2000; Odegaard et al., 2000; Odegaard, 2000)Media Length(mm) 10-15 Specific Surface Area ( 𝑚2 𝑚3) 160,490-7700 Filling Fraction (%) 60-70 Contact Time (hr) 2-5 (Andreottola at al., 2000; Odegaard et al., 2000). (Odegaard, 2000)BOD Loading Rate ( 𝒌𝒈 𝑩𝑶𝑫 𝟕 𝒎 𝟑 . 𝒅𝒂𝒚) 4-5 Backwashing Never Maximum Head loss Insignificant
  • 15.
    Media:  special DensityMedia’s is a less of water (≈ 0.36 𝑔𝑟 𝑐𝑚3 ).  Media material’s is such as : Polly Ethylene, Polly urethane and other high density plastics.  Area of specific surface Bed’s nearby is 500 cubic meter to a voluminous Bed volume’s.  Screen plates is installed in end of reactors for preventing to Media scape from reactors.
  • 17.
    Design Example :typical project (Waste Water Treatment Plant of Isfahan city center)
  • 19.
    Type of MBBRis PAKAGE unit  Final Capacity : 3*200 𝑚3 𝑑  Initial Capacity : 200 𝑚3 𝑑  The process tanks constructed in Container dimension, Epoxy Coated Carbon Steel and suitable to move on standard trailers as and when required.  Sludge pumps are installed to take all the sludge from lamella bottom to Sludge holding tank. Sludge holding tank to be provided in RCC (By Client) for collection & digestion of sludge. Air will be provided for digestion of sludge. The digested sludge will be then disposed of by tanker to suitable site (by Client).
  • 20.
    Continue:  We willprovide the air diffusers pipes for the equalization tank, to keep the suspended matter homogenized and to prevent the sewage from getting septic.  The advantage of using floating media is that it shortened the footprint of the plant and has proven results.  Tertiary treatment system is now included in our scope and we confirm the outlet BOD/ SS to be 20/20 as average, which is good enough for irrigation.
  • 21.
     Design data: TEMDesign Unit NOTE Operation / Week 7 Days Operation / Day 24 Hours FLOW 2 x 200.0 M3/Day. BOD Inlet 300.0 Mg/l Outlet 20.0 Mg/l COD Inlet 500.0 Mg/l Outlet 150 OIL & Grease Inlet 10 Mg/l Outlet 5 TSS Inlet 250 Mg/l Outlet 20 pH Inlet 7.5 Mg/l Nitrogen Inlet 35 Mg/l Outlet 35 Phosphate Inlet 9 Mg/l Outlet 9 Residual Chlorine Inlet 0 Mg/l Outlet 1 Water Temperature 25 C° Ambient Temperature 45 C°
  • 22.
    Lift Station &Pumping System  Lift Station: Considering the Project capacity of 600 CMD ( 3 x 200 CMD ), the design capacity for Lift station tank is ( 30 min) retention time of normal flow. The holding capacity of lift station will be 16 Cum.  Lift station pump: The design capacity of Lift station pump (1 Duty/ 1 Standby) (BY CLIENT) shall be 100 CMH @ 1.2 bar to absorb the impact of the Peak flow per day. The Peak flow is 3-4 times the normal flow.
  • 23.
     Semi AutomaticBar screen Semi Automatic Bar screen One (1) (Duty) will be provided at the lift station to trap the larger particles size of 20 mm diameter.
  • 24.
    Equalization & PumpingSystem: Equalization Tank: It is underground concrete tank taking in consideration the invert level of the inlet sewage. Absorb the impacted of the Peak flow per day. The Peak flow is 3 - 4 times the normal flow.  The design capacity for the equalization tank is (8 -12) hours retention time of the normal flow.
  • 25.
    MBBR Aeration System: The sewage discharged into the Two Stage in series Aeration chambers, each having certain volume of Floating Media and Set of Air Diffusers.  The Media inside the Aeration compartment continuously in suspension and kept rotating in circular motion by Air action directed on them.  This Media designed to enable biological growth on the surface and to achieve high rate of oxygen transfer.
  • 26.
    Continue :  ThePACT MBBR system operates on high MLSS and therefore requires less power and is more efficient.  The Moving Bed Bio Reactor (MBBR) requires less space as compared to Extended Aeration system.  The sewage from the First Aeration Tank is overflow by gravity to the second Aeration tank.  The microorganisms remove the organic material from the sewage and multiply to greater numbers.  This increase in number of microorganisms results in excess activated sludge, which requires occasional disposal.  The frequency and volume of sludge wastage is best determined from individual plant operation.
  • 27.
     The sewageis than overflow by gravity in to the lamella Clarification compartment for secondary treatment.
  • 28.
    Secondary Treatment (Settling): After the biological reaction, the mixed water flows to the settlement chamber having tube settler (Lamella) where the activated sludge is separated from the secondary effluent during a period of quiescent settlement.  The secondary effluent discharge from the plant via an overflow weir and the settled sludge is pumped back to the aeration chamber to treat more sewage and to maintain the desired F/M ratio.  The over flow liquid is passed to the Chlorination Tank for tertiary treatment.
  • 29.
    3.0 AERATION SYSTEM 3.1& 3.2 Aeration Tank & Floating Media ITEM DESCRIPTION REMARKS Qty. One (1) No. Chambers/ Tank Two (2) Tank Make PACT Media Type 2P-836 P H O T O Material HDPE Surface 836 [m²/m³] Protected Surface 494 [m²/m³] Weight 165 [kg/m³] Volume/Tank 15.0 m3 TANK Material BODY Carbon Steel, 4.75 mm, Paint Epoxy Paint, internal: 300 Micron, External: 150 micron. TANK Dimension Tank/Each 10 m Container (L10.0 x W 2.4 x H (2.65+0.2)) Aeration Chamber L 6.5 x W 2.4 x H (2.60 + 0.25 ) Volume Effective 40.5 M3 Total 44.4 M3 Pipe Size IN Water DN 50 Actual sizes will be at final design Air Main DN 80 OUT (Water) Opening With Screen Drain DN 50 Over Flow DN 50 (2”) Connection Type Flange, PN 10 Accessories / Tank Two (2) Drain Pit with drain valve, 2” Inlet & Outlet Screen One (1) Ladder
  • 30.
    4.0 SETTLING SYSTEM 4.1SETTLING TANK ITEM DESCRIPTION REMARKS Qty. One (1) Included in item 3.1 Actual sizes will be at final design No. Chambers/ Tank One (1) Tank Make PACT TANK Material BODY Carbon Steel, 4.75 mm, Paint Epoxy Paint, internal: 300 Micron, External: 150 micron. TANK Dimension Tank/Each (L 3.5 x W 2.4 x H (2.5+0.3)) Chamber L 3.5 x W 2.4 x H (2.5 + 0.3 ) Sludge Collection System Hopper Bottom No. One (1) Angle (55-60) O Valve Type Ball / Manual Size DN 80 (3”) Qty. One (1) Material Body PVC Disk NA Pipe Size Inlet Opening with Screen Outlet DN 80(3”) Over Flow NA Connection Type Flange, PN 10 Weir Material C.S Plate, 4.0 mm Sheet, No. of Weirs/Tank One (1) Length Weir Plate 2.3 M/Tank # V notches As final Design Accessories / Tank One (1) Drain Pit. One (1) Ladder 4.1.1 Lamella Tube Settler. Type PE Sheets P H O T O Actual sizes will be at final design Make xxx Material PE Volume / Tank 8.40 m³ Total Volume 8.40 m³ Sedimentation Area 55O 6.25 [m²/m³] 60O 7.0 [m²/m³] Protected Surface 494 [m²/m³] Weight 35.0kg/ m³ Volume/Tank Final Design
  • 31.
    review of papersand literatures
  • 32.
    Experimental comparison betweenMBBR and activated sludge system for the treatment of municipal wastewater (Water Science & Technology, 2000 May) G. Andreottola, R Foladori, M. Ragazzi and F. Tatàno Department of Civil and Environmental Engineering, University of Trento, Trento, Via Mesiano, 77-38050 Trento, Italy
  • 33.
    Abstract :  Organicsubstance removal and nitrification were investigated over a 1 -year period. Comparing the results obtained with the two lines, it can be observed AS totCOD removal efficiencies were higher than MBBR ones; the average efficiencies for totCOD removal were 76 % for MBRR and 84 % for AS. On the contrary, the solCOD removals resulted alike (71 % for both systems).
  • 34.
     In spiteof the remarkable variations of wastewater temperature, mainly in winter (range of 5-21 ‫؛‬C), the average ammonium removal efficiency resulted 92 % for MBBR and 98 % for AS. With an ammonium loads up to 1.0 g m-2 d-1 (up to 0.12 kg rn-3 d-1), nitrification efficiencies in MBBR were more than 98 %. At higher loads decrease in the MBBR efficiency was registered; that is related to the increase in the applied COD load.
  • 35.
    Apart from thespecific surface matter, MSBR shows a few advantages when compared to AS: 1. biomass retention time and hydraulic retention time are independent thanks to the presence of the fixed biofilm; 2. specialized biomass for C and N removal can be selected in multi-reactor configuration; 3. the treatment process is easier thanks to the absence of sludge recycling 4. settling shows no bulking problem.
  • 36.
  • 37.
     MBBR isa new and efficient technology for waste water treatment . This process needs to at least of energy and maintenance and operational staffs and helper. It is best technology for small community. Effluent water of This process can be used for irrigation and reuse if applied with other technology (RO, NF, carbon filter and sand filter).
  • 38.
    Thanks for yourattention to me