By :
D.J.P.K.SIVAJI (11AP1A0107)
P.S.S.VIJAYA VARMA (11AP1A0122)
P.S.PAVAN KUMAR (11AP1A0115)
B.ADITYA (11AP1A0104)
G.NAGA SRINIVASULU (11AP1A0109)
P.PRUDVI RAJU (11AP1A0124)
CONTENTS
1. INTRODUCTION
2. CODES
3. STATEMENT OF THE PROJECT
4. LOADS ON THE STRUCTURE
5. OBJECTIVE OF STRUCTURAL DESIGN
6. DESIGN AND ANALYSIS
7. REFERENCES
INTRODUCTION
 Our project is based on the design and analysis
of the multi-storied building.
 Live loads and dead loads are taken into
consideration and analysis is done manually.
 Notation adopted through out the project is
same as in IS-456-2000.
STATEMENT OF THE PROJECT :
1.Utility of building : Residential building
2.Shape of the building: Rectangular
3.Type of walls : Brick wall
4. No . of flats for each floor : G+14
Geometric details :
Floor Height : 3.0 M
Height of Plinth : 0.6 M above G.L
Depth of Foundation : 6 ft below G.L
Material details :
 Concrete Grade : M15, M20
 Grade of steel : HYSD
 REINFORCEMENT of Grade Fe415
 Bearing Capacity of Soil : 400 KN/M2
 Type Of Construction : R.C.C
 framed structure
DIFFERENT TYPES OF LOADS ON
STRUCTURE
 Dead loads
 Imposed loads
 Wind loads
Dead loads
Involves self weight of
RCC slab
Beams & columns
Plinth
Walls
Imposed loads
 Imposed also known live loads
 Load over the floor i.e. load of persons it
is calculated as 0.5 kN/m2
 This load is applied over the length
of structure
Wind loads
 Wind is air in motion
 Intensity of wind and exposure are
applied
in the directions as required
TYPES OF LOADS IMAGE VIEW
Load combinations
 The structure should be analysed for
combination of loads as in practice
we have number of loads in various
directions act
 Some of the combinations to be
checked are
 DD + LL = 1.5
 DD + LL + WL = 1.2
Density of materials used
MATERIAL DENSITY
i) Plain concrete 24.0 KN/m3
ii) Reinforced 25.0 KN/m3
iii) Flooring material 20.0KN/m3
iv) Brick masonry 19.0KN/m3
OBJECTIVES OF STRUCURAL DEIGN
 Structure designed should satisfy the
criteration of ultimate strength.
 Structure should satisfy the serviceability
 It should satisfy the stability against
overturning , sliding , and buckling.
The main objective of the design
are
 Foundation design
 Column design
 Beam design
 Slab design
Structural design
 For slabs , Depth is 120 mm provided
 Factored Load on slab is 9KN/m
 For beams, after calculations are done. the
Dimensions of beam is 230*420mm
 Shape of column is Rectangular
 For columns, the dimension of column is
230*350mm & 230*450mm
 For footings, the bearing capacity of soil is
400Kn/m2
 To provide the dimension of footing is
2000*2000mm
DESIGN OF THE SLAB
 If Lx/Ly < 2 two way slab.
> 2 one way slab.
 LOADS ON SLABS :
 Dead load = thickness * unit weight of
concrete.
 Live Load for slab = 2.5
 CALCULATION OF B.M:
M x = α x W Lx
2
M y = α y W LY
2
 Check for depth d = √ ( Mu/2.7*b)
 REINFORCEMENT :
Mu = 0.87 f y A s t d [1- Ast*fy/bd*fck]
• Max Dia of the bars = 10mm
• Spacing of the bars 300 mm c/c
• CHECK FOR DEVELOPMENT LENGTH :-
Id = (Øσs)/(4Ʈbd)
• CHECK FOR SHEAR
Vu / b d
DESIGN OF BEAMS
 Max Dimensions of the beam
230*420mm
230*520mm
 Max Dia of the beam = 12mm HYSD
bars.
 Clear cover of the beams = 25mm.
DESIGN OF COLUMNS
• Max dimensions of the columns
230*350mm
230*450mm
• Max diameter of the bar = 16mm
• Clear cover = 40mm
FOOTINGS
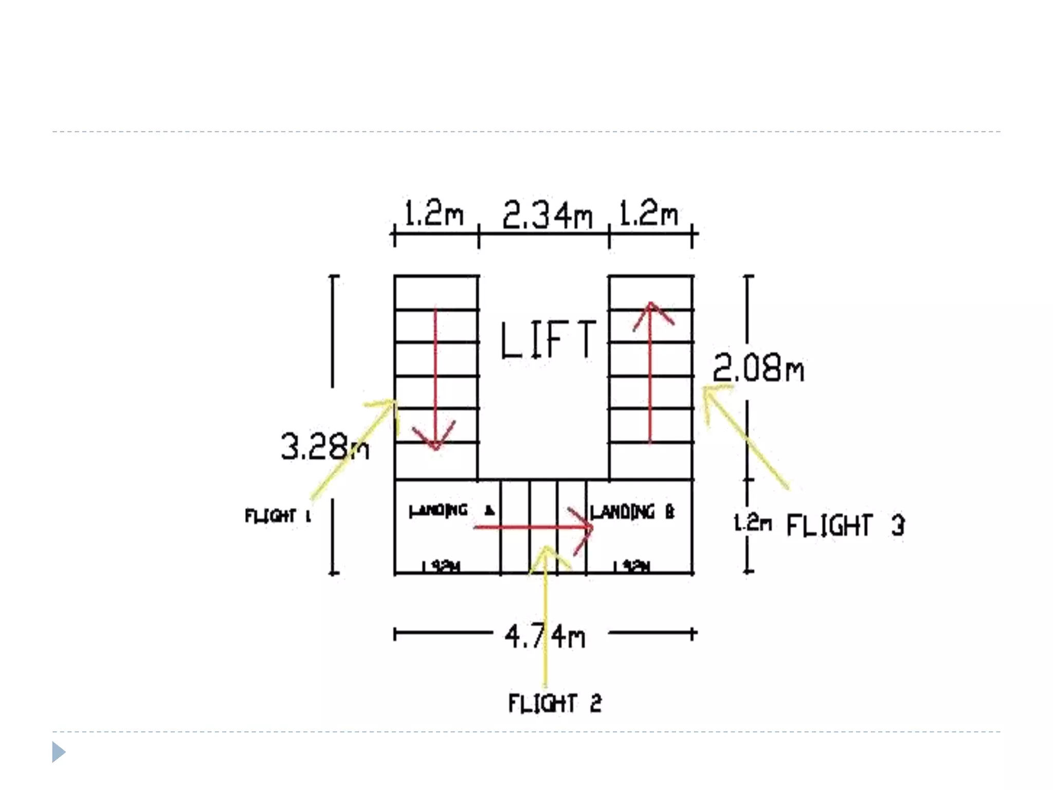
STAIR CASE
 Type : Open – newel stair case
 No. of flights = 3
 No. of steps for flight = 7
ANALYSIS
 Analysis of frames is done by using KANIS
Method.
 The KANIS Method to be simple for multi
storeyed building.
 Analysis is done for RCC structure
 M ab=MF ab +2M’ab +M ’ba
 M ba=MF ba +2M’ba +M’ ab
DESIGN OF WATER TANK
 Capacity required 32000 lit
 wall thickness 200 mm
 Area of the tank 2.6 x 3.6 m2
 Total Height of the water tank 3.96 m
 Total load 4 KN/M2
 Reinforcement provided 8 mm Ø bars at
240 mm c/c
RCC analysis
 Code is assigned as IS:456-2000
 The parameters are assigned to the structure
 Commands to be given are
concrete design
Conclusions
 It is Manual design.
 we can do this analysis within no time but
the basic thing is to know the concept
behind it.
 The same result can be achieved using
the software like “Staad-Pro”.
REFERENCES
 Structural analysis by THANDAVA MURTY
 IS456-2000 CODE
 Design of RCC structures by N.KRISHNAM RAJU
Thank you..!
Any Queries …?

Design of multistorey building

  • 1.
    By : D.J.P.K.SIVAJI (11AP1A0107) P.S.S.VIJAYAVARMA (11AP1A0122) P.S.PAVAN KUMAR (11AP1A0115) B.ADITYA (11AP1A0104) G.NAGA SRINIVASULU (11AP1A0109) P.PRUDVI RAJU (11AP1A0124)
  • 2.
    CONTENTS 1. INTRODUCTION 2. CODES 3.STATEMENT OF THE PROJECT 4. LOADS ON THE STRUCTURE 5. OBJECTIVE OF STRUCTURAL DESIGN 6. DESIGN AND ANALYSIS 7. REFERENCES
  • 3.
    INTRODUCTION  Our projectis based on the design and analysis of the multi-storied building.  Live loads and dead loads are taken into consideration and analysis is done manually.  Notation adopted through out the project is same as in IS-456-2000.
  • 4.
  • 5.
    1.Utility of building: Residential building 2.Shape of the building: Rectangular 3.Type of walls : Brick wall 4. No . of flats for each floor : G+14
  • 6.
    Geometric details : FloorHeight : 3.0 M Height of Plinth : 0.6 M above G.L Depth of Foundation : 6 ft below G.L
  • 7.
    Material details : Concrete Grade : M15, M20  Grade of steel : HYSD  REINFORCEMENT of Grade Fe415  Bearing Capacity of Soil : 400 KN/M2  Type Of Construction : R.C.C  framed structure
  • 8.
    DIFFERENT TYPES OFLOADS ON STRUCTURE  Dead loads  Imposed loads  Wind loads
  • 9.
    Dead loads Involves selfweight of RCC slab Beams & columns Plinth Walls
  • 10.
    Imposed loads  Imposedalso known live loads  Load over the floor i.e. load of persons it is calculated as 0.5 kN/m2  This load is applied over the length of structure
  • 11.
    Wind loads  Windis air in motion  Intensity of wind and exposure are applied in the directions as required
  • 12.
    TYPES OF LOADSIMAGE VIEW
  • 13.
    Load combinations  Thestructure should be analysed for combination of loads as in practice we have number of loads in various directions act  Some of the combinations to be checked are  DD + LL = 1.5  DD + LL + WL = 1.2
  • 14.
    Density of materialsused MATERIAL DENSITY i) Plain concrete 24.0 KN/m3 ii) Reinforced 25.0 KN/m3 iii) Flooring material 20.0KN/m3 iv) Brick masonry 19.0KN/m3
  • 15.
    OBJECTIVES OF STRUCURALDEIGN  Structure designed should satisfy the criteration of ultimate strength.  Structure should satisfy the serviceability  It should satisfy the stability against overturning , sliding , and buckling.
  • 16.
    The main objectiveof the design are  Foundation design  Column design  Beam design  Slab design
  • 17.
    Structural design  Forslabs , Depth is 120 mm provided  Factored Load on slab is 9KN/m  For beams, after calculations are done. the Dimensions of beam is 230*420mm
  • 18.
     Shape ofcolumn is Rectangular  For columns, the dimension of column is 230*350mm & 230*450mm  For footings, the bearing capacity of soil is 400Kn/m2  To provide the dimension of footing is 2000*2000mm
  • 19.
    DESIGN OF THESLAB  If Lx/Ly < 2 two way slab. > 2 one way slab.  LOADS ON SLABS :  Dead load = thickness * unit weight of concrete.  Live Load for slab = 2.5  CALCULATION OF B.M: M x = α x W Lx 2 M y = α y W LY 2  Check for depth d = √ ( Mu/2.7*b)
  • 20.
     REINFORCEMENT : Mu= 0.87 f y A s t d [1- Ast*fy/bd*fck] • Max Dia of the bars = 10mm • Spacing of the bars 300 mm c/c • CHECK FOR DEVELOPMENT LENGTH :- Id = (Øσs)/(4Ʈbd) • CHECK FOR SHEAR Vu / b d
  • 21.
    DESIGN OF BEAMS Max Dimensions of the beam 230*420mm 230*520mm  Max Dia of the beam = 12mm HYSD bars.  Clear cover of the beams = 25mm.
  • 22.
    DESIGN OF COLUMNS •Max dimensions of the columns 230*350mm 230*450mm • Max diameter of the bar = 16mm • Clear cover = 40mm
  • 23.
  • 24.
    STAIR CASE  Type: Open – newel stair case  No. of flights = 3  No. of steps for flight = 7
  • 26.
    ANALYSIS  Analysis offrames is done by using KANIS Method.  The KANIS Method to be simple for multi storeyed building.  Analysis is done for RCC structure  M ab=MF ab +2M’ab +M ’ba  M ba=MF ba +2M’ba +M’ ab
  • 31.
    DESIGN OF WATERTANK  Capacity required 32000 lit  wall thickness 200 mm  Area of the tank 2.6 x 3.6 m2  Total Height of the water tank 3.96 m  Total load 4 KN/M2  Reinforcement provided 8 mm Ø bars at 240 mm c/c
  • 32.
    RCC analysis  Codeis assigned as IS:456-2000  The parameters are assigned to the structure  Commands to be given are concrete design
  • 33.
    Conclusions  It isManual design.  we can do this analysis within no time but the basic thing is to know the concept behind it.  The same result can be achieved using the software like “Staad-Pro”.
  • 34.
    REFERENCES  Structural analysisby THANDAVA MURTY  IS456-2000 CODE  Design of RCC structures by N.KRISHNAM RAJU
  • 35.
  • 36.