PLANNING, ANALYSIS, DESIGN OF
AN APARTMENT BUILDING
ABSTRACT
• The development of apartment in coimbatore city, we planned
and designed the construction of the apartment building with
approved standards to fulfil the needs of the current situation.
• In our project, we have aimed to satisfy the basic requirement
of multi facility residential building. Allocating the available
space for different functions the entire structure was
developed.
• The apartment block have peaceful environment and the great
spacious rooms and best suited for studies.
OBJECTIVES
• A Building should be planned to make it comfortable,
Economical and meet all the requirements of the dwellers.
• The efforts of the planner should be obtain maximum comfort
with limited available resources.
• Functional utility, cost and comfort should also be considered
in planning a building.
INTRODUCTION
• The location have a good soil with sufficient SBC value .
• The site located on green environment.
• The site was fully secured and easy to all facilities like
hospital schools and colleges
• Power backups like generators are provided and solar energy
was used as partial electric uses like lights in balcony, stairs
and both rooms.
PLANNING
• Total building area of 7,744sq.feet. of 10,000 and the
remaining area of 2,256sq.feet. . are considered as parking and
playing area completes in the picture.
• Each floor consist of four houses (2BHK).
• All the rooms are well furnished .
PLAN AND DESIGN
• An apartment was analyzed and designed as per NBC, IS
codes
• Plan are drawn by using AutoCAD, to create precise drawings
of plan.
• Analysis are done by using STAAD-Pro .
METHODOLOGY
ADDITIONAL FACILITIES
• CCTV CAMERA
It is a Closed circuit television is a TV system in which are
not publicly distributed but are monitored.
• SMOKE DETECTOR
An Ionization smoke detector used Radio is so tope.
Typically americium-241, to ionization chamber. One open to
the air, and a reference chamber which does not allow the
entry of particles.
• FIRE SAFETY INSTALLATIONS
Fire safety is the set of practice intended to reduce the
destruction caused by fire safety measures include those that
are prevent from an uncontrolled fired, and those that are used
to limit the development and effects of a fire after it starts.
PROPERTIES OF MATERIALS
CEMENT
Grade -43(Ordinary Portland Cement )
Initial setting time-30mins
Final setting time -600mins(max)
Consistency value-30%
PROPERTIES OF MATERIALS
STEEL
Grade -Fe415
Modulus of elasticity -2.05N/mm2
Poisson’s ratio -0.28
Tensile strength -2000N/mm2
PROPERTIES OF MATERIALS
CONCRETE
Slump -120mm
Compressive strength -30N/mm2
Tensile strength -2.806N/mm2
MATERIALS USED AND ITS
PROPERTIES
• Cement -43grade ordinary Portland cement
• Sand -River Sand
• Steel -TMT- Fe415
• Concrete -M25grade (mix ratio-1:3:5)
SPECIFICATIONS
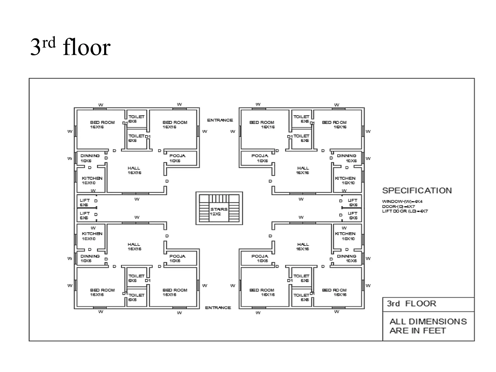
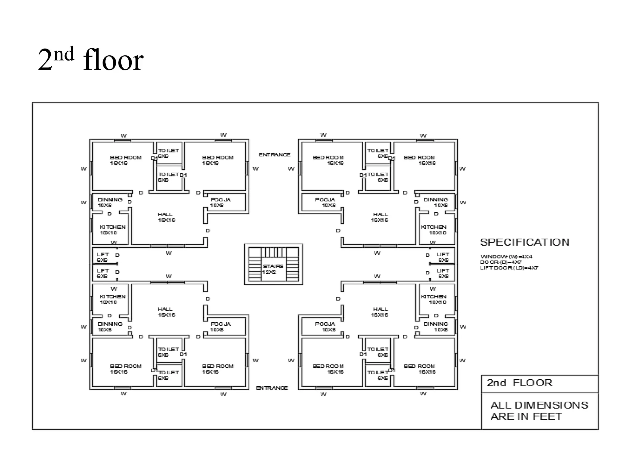
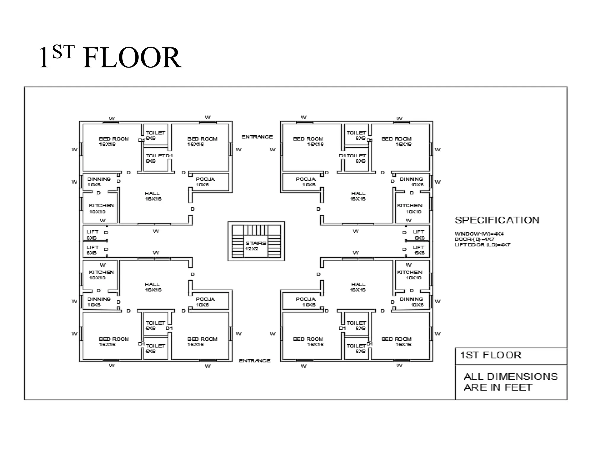
• Hall - 16X16.ft
• KITCHEN – 10X10.ft
• BED ROOM S – 16X16.ft
• TOILETS – 6X6.ft
• POOJA ROOM – 10X6.ft
• DINNING HALL – 10X6.ft
• LIFTS - 6X6.ft
• STAIRCASE - 12X2.ft
Auto cadd diagrams
GROUND FLOOR
1ST FLOOR
2nd floor
3rd floor
ANALYSIS
Method of analysis
LIMIT STATE METHOD
• In the method of design based on limit state concept,
thestructures shall be designed to withstand safely all
loads liable to act it throughout its life; it shall also
satisfy serviceability requirements such as limitations on
deflection and cracking.
• Members should not normally exceed (span 250).
SLAB
TYPES OF SLABS
• One way spanning slab.
• Two way spanning slab.
• Flat slab supported directly on column without beams.
• Grid slab or waffle slab.
• Circular and other slab.
• One way continuous slab.
• Two way continuous slab.
DESIGN OF SLAB
DIMENSION
D = 180mm
Clear span =5.03m
LOAD
Total Load = 5+4.5+1 = 10.5KN/m2
Factored Load = 10.5×1.5 = 15.75KN/m2
BENDING MOMENT AND SHEAR FORCE
• Shear force = (wl/2)= 39.61KN
• Mx = αx×w×lx
2 = 19.12 KN-m
• My = αy×w×ly
2 = 18.73 KN-m
REINFORCEMENT DETAILS
• Shorter span:
Mx = 0.87×fy×Ast ×d×(1-(Astfy/bdfck))
Ast = 300 mm2
Provide 16mm ф bars at 480mm spacing for c/c distance.
• Longer span:
Ast = 300 mm2
Provide 16mm ф bars at 420mm spacing for c/c distance.
DETAILING OF SLAB
BEAM
• A beam is a horizontal member or tension member.
CLASSIFICATION OF BEAM
– According to support conditions
– Simply supported beam
– Cantilever beam
– Fixed beam
– Over hanging beam
– Continuous beam
– According to structural configuration
– Simple beam
– Compound beam
– Plate girder
– Turn girder
DESIGN OF BEAM
• DIMENSION
D= 260+50 = 310mm
L= 5440mm
• LOAD
Total Load = 3.375+5+1 = 9.375KN/m
Factored Load =9.375×1.5 = 14.025KN/m
• REINFORCEMENT
Ast = 520.42 mm2
Provide 16mm ф bars at 300mm spacing for c/c distance.
• BENDING MOMENT AND SHEAR FORCE:
Mu= wl2/8 = (14.025×5.442)/8 = 51.881KN/m
Vu = wl/2 = (14.025×5.44)/2 = 38.148KN
DETAILING OF BEAM
COLUMNS
A column is a structural member provided to carry a compressive
load
• foundation.
TYPES OF COLUMNS
Classification based on types of loading
• Axially loaded column
• Axial load with uniaxial bending
• Axial load with biaxial bending
• Eccentrically loaded column
REINFORCEMENT
Classification based on slenderness ratio
• Long column
• Short column
MOMENT Mu =29.176kN/m
REINFORCEMENT Asc = 1080mm2
Provided 16mm #bars provide 300mm spacing
DEATILING OF COLUMN
FOOTING
• Foundation is the bottom most important component of the
structure, which generally lies well below the ground level
• TYPES OF FOOTING
• 1. Isolated footing
• 2. Combined footing
• 3. Continuous footing for walls
• 4. Pile footing
• 5. Spread footing
• 6. Mat footing
• 7. Strap footing
• 8. Cantilever footing
• DIMENSIONS :
Size of column = 300mmx450mm
Safe bearing capacity= 185kN/m2
Size of footing
Area = 5.95m2
Adopt the size of footing is 2mx3m
Bending Moment
B.M =66.10kN.m
• Reinforcement
Ast = 1123 mm2
Provide 16mm ф bars at 180mm spacing for c/c distance.
DETAILING OF FOOTING
STAIRCASE
• Staircase is a structured from provided in building to facilitate
easy vertical moment of persons from one floor to another
• COMPONENTS OF FLIGHT OF STAIRS
Treads of steps
Rise of steps
• TYPES OF STAIRCASE USED IN PROJECT
Dog legged stairs
DESIGN OF STAIRCASE
• Dimension
Width of the each flight = 1.2m
Height of the each flight =1.52m
Rise =150mm
Tread =250mm
Total laod =805 kN/m
Ast = 388.71mm2 Use 12mm diameter of 4 bars at Spacing of
250mm
DETAILING OF STAIRCASE
ANALYSIS AND DESIGN REPORT
CONCRETE DESIGN OF THE BEAM
SHEAR BENDING OF THE BEAM
SHEAR BENDING OF COLUMN
CONCRETE DESIGN OF THE COLUMN
NODES WITH SUPPORTS
NODES
BEAM AND COLUMNS IN
3DIMENSION
NODAL DISPALCEMENT
REFERENCES
• Dr.B.C.Punmia, “Soil Mechanics and Foundations”, S.Chand
& Co., New Delhi.
• Dr.Vaidhyanadhan “Structural analysis 2
“Er.A.P.Arulmanickam M.E., “Structural Engineering”.
• IS 875 for code book provision for designing the
reinforcement
• I.S 875 part 1, part 2, part 3
• IS 456 – 2000 (Indian Standard Plain and Reinforced
Concrete) Code of Practice (Fourth Edition)
• M.G. Shah , C.M. Kale, S.Y. Patki “ Buildings and Drawings”
• N.Krishna Raju, “Advance reinforced concrete designing’’,
• Graw Hill Publication, New Delhi
CONCLUSION
• A Three storey R.C.C framed structure is designed as an
apartment building.
• Analysis of the frame is carried out by STADD PRO software.
• The design adopted is limit state method M2O grade of
concrete and Fe415 grade of steel are used.
• All structural elements are designed as under reinforced
section.
• The design of slabs, beams, column and footing were done.
• All the drawing presented in this project report was drafted
using Auto CADD.
• We are introducing the new plans and innovation in our
project.
• We gain lot of experience and knowledge from this project.
THANK YOU

PLANNING, ANALYSIS, DESIGN OF.pptx

  • 1.
    PLANNING, ANALYSIS, DESIGNOF AN APARTMENT BUILDING
  • 2.
    ABSTRACT • The developmentof apartment in coimbatore city, we planned and designed the construction of the apartment building with approved standards to fulfil the needs of the current situation. • In our project, we have aimed to satisfy the basic requirement of multi facility residential building. Allocating the available space for different functions the entire structure was developed. • The apartment block have peaceful environment and the great spacious rooms and best suited for studies.
  • 3.
    OBJECTIVES • A Buildingshould be planned to make it comfortable, Economical and meet all the requirements of the dwellers. • The efforts of the planner should be obtain maximum comfort with limited available resources. • Functional utility, cost and comfort should also be considered in planning a building.
  • 4.
    INTRODUCTION • The locationhave a good soil with sufficient SBC value . • The site located on green environment. • The site was fully secured and easy to all facilities like hospital schools and colleges • Power backups like generators are provided and solar energy was used as partial electric uses like lights in balcony, stairs and both rooms.
  • 5.
    PLANNING • Total buildingarea of 7,744sq.feet. of 10,000 and the remaining area of 2,256sq.feet. . are considered as parking and playing area completes in the picture. • Each floor consist of four houses (2BHK). • All the rooms are well furnished .
  • 6.
    PLAN AND DESIGN •An apartment was analyzed and designed as per NBC, IS codes • Plan are drawn by using AutoCAD, to create precise drawings of plan. • Analysis are done by using STAAD-Pro .
  • 7.
  • 8.
    ADDITIONAL FACILITIES • CCTVCAMERA It is a Closed circuit television is a TV system in which are not publicly distributed but are monitored. • SMOKE DETECTOR An Ionization smoke detector used Radio is so tope. Typically americium-241, to ionization chamber. One open to the air, and a reference chamber which does not allow the entry of particles. • FIRE SAFETY INSTALLATIONS Fire safety is the set of practice intended to reduce the destruction caused by fire safety measures include those that are prevent from an uncontrolled fired, and those that are used to limit the development and effects of a fire after it starts.
  • 9.
    PROPERTIES OF MATERIALS CEMENT Grade-43(Ordinary Portland Cement ) Initial setting time-30mins Final setting time -600mins(max) Consistency value-30%
  • 10.
    PROPERTIES OF MATERIALS STEEL Grade-Fe415 Modulus of elasticity -2.05N/mm2 Poisson’s ratio -0.28 Tensile strength -2000N/mm2
  • 11.
    PROPERTIES OF MATERIALS CONCRETE Slump-120mm Compressive strength -30N/mm2 Tensile strength -2.806N/mm2
  • 12.
    MATERIALS USED ANDITS PROPERTIES • Cement -43grade ordinary Portland cement • Sand -River Sand • Steel -TMT- Fe415 • Concrete -M25grade (mix ratio-1:3:5)
  • 13.
    SPECIFICATIONS • Hall -16X16.ft • KITCHEN – 10X10.ft • BED ROOM S – 16X16.ft • TOILETS – 6X6.ft • POOJA ROOM – 10X6.ft • DINNING HALL – 10X6.ft • LIFTS - 6X6.ft • STAIRCASE - 12X2.ft
  • 14.
  • 15.
  • 16.
  • 17.
  • 18.
  • 19.
  • 20.
    Method of analysis LIMITSTATE METHOD • In the method of design based on limit state concept, thestructures shall be designed to withstand safely all loads liable to act it throughout its life; it shall also satisfy serviceability requirements such as limitations on deflection and cracking. • Members should not normally exceed (span 250).
  • 21.
    SLAB TYPES OF SLABS •One way spanning slab. • Two way spanning slab. • Flat slab supported directly on column without beams. • Grid slab or waffle slab. • Circular and other slab. • One way continuous slab. • Two way continuous slab.
  • 22.
    DESIGN OF SLAB DIMENSION D= 180mm Clear span =5.03m LOAD Total Load = 5+4.5+1 = 10.5KN/m2 Factored Load = 10.5×1.5 = 15.75KN/m2 BENDING MOMENT AND SHEAR FORCE • Shear force = (wl/2)= 39.61KN • Mx = αx×w×lx 2 = 19.12 KN-m • My = αy×w×ly 2 = 18.73 KN-m
  • 23.
    REINFORCEMENT DETAILS • Shorterspan: Mx = 0.87×fy×Ast ×d×(1-(Astfy/bdfck)) Ast = 300 mm2 Provide 16mm ф bars at 480mm spacing for c/c distance. • Longer span: Ast = 300 mm2 Provide 16mm ф bars at 420mm spacing for c/c distance.
  • 24.
  • 25.
    BEAM • A beamis a horizontal member or tension member. CLASSIFICATION OF BEAM – According to support conditions – Simply supported beam – Cantilever beam – Fixed beam – Over hanging beam – Continuous beam – According to structural configuration – Simple beam – Compound beam – Plate girder – Turn girder
  • 26.
    DESIGN OF BEAM •DIMENSION D= 260+50 = 310mm L= 5440mm • LOAD Total Load = 3.375+5+1 = 9.375KN/m Factored Load =9.375×1.5 = 14.025KN/m
  • 27.
    • REINFORCEMENT Ast =520.42 mm2 Provide 16mm ф bars at 300mm spacing for c/c distance. • BENDING MOMENT AND SHEAR FORCE: Mu= wl2/8 = (14.025×5.442)/8 = 51.881KN/m Vu = wl/2 = (14.025×5.44)/2 = 38.148KN
  • 28.
  • 29.
    COLUMNS A column isa structural member provided to carry a compressive load • foundation. TYPES OF COLUMNS Classification based on types of loading • Axially loaded column • Axial load with uniaxial bending • Axial load with biaxial bending • Eccentrically loaded column
  • 30.
    REINFORCEMENT Classification based onslenderness ratio • Long column • Short column MOMENT Mu =29.176kN/m REINFORCEMENT Asc = 1080mm2 Provided 16mm #bars provide 300mm spacing
  • 31.
  • 32.
    FOOTING • Foundation isthe bottom most important component of the structure, which generally lies well below the ground level • TYPES OF FOOTING • 1. Isolated footing • 2. Combined footing • 3. Continuous footing for walls • 4. Pile footing • 5. Spread footing • 6. Mat footing • 7. Strap footing • 8. Cantilever footing
  • 33.
    • DIMENSIONS : Sizeof column = 300mmx450mm Safe bearing capacity= 185kN/m2 Size of footing Area = 5.95m2 Adopt the size of footing is 2mx3m Bending Moment B.M =66.10kN.m
  • 34.
    • Reinforcement Ast =1123 mm2 Provide 16mm ф bars at 180mm spacing for c/c distance.
  • 35.
  • 36.
    STAIRCASE • Staircase isa structured from provided in building to facilitate easy vertical moment of persons from one floor to another • COMPONENTS OF FLIGHT OF STAIRS Treads of steps Rise of steps • TYPES OF STAIRCASE USED IN PROJECT Dog legged stairs
  • 37.
    DESIGN OF STAIRCASE •Dimension Width of the each flight = 1.2m Height of the each flight =1.52m Rise =150mm Tread =250mm Total laod =805 kN/m Ast = 388.71mm2 Use 12mm diameter of 4 bars at Spacing of 250mm
  • 38.
  • 39.
  • 40.
  • 41.
  • 42.
  • 43.
  • 44.
  • 45.
  • 46.
    BEAM AND COLUMNSIN 3DIMENSION
  • 47.
  • 48.
    REFERENCES • Dr.B.C.Punmia, “SoilMechanics and Foundations”, S.Chand & Co., New Delhi. • Dr.Vaidhyanadhan “Structural analysis 2 “Er.A.P.Arulmanickam M.E., “Structural Engineering”. • IS 875 for code book provision for designing the reinforcement • I.S 875 part 1, part 2, part 3 • IS 456 – 2000 (Indian Standard Plain and Reinforced Concrete) Code of Practice (Fourth Edition) • M.G. Shah , C.M. Kale, S.Y. Patki “ Buildings and Drawings” • N.Krishna Raju, “Advance reinforced concrete designing’’, • Graw Hill Publication, New Delhi
  • 49.
    CONCLUSION • A Threestorey R.C.C framed structure is designed as an apartment building. • Analysis of the frame is carried out by STADD PRO software. • The design adopted is limit state method M2O grade of concrete and Fe415 grade of steel are used. • All structural elements are designed as under reinforced section. • The design of slabs, beams, column and footing were done. • All the drawing presented in this project report was drafted using Auto CADD. • We are introducing the new plans and innovation in our project. • We gain lot of experience and knowledge from this project.
  • 50.