CONNECTION
Content :
1. Types of connection
2. Beam to beam connection
3. Beam to column connection
4. Moment resistant connection
5. Eccentrically loaded connection
6. Light moment connection
7. Heavy moment connection
8. Examples
Types of Connection
• Rigid connection
• Pinned or simple connection
• Semi-rigid connection
2
Rigid connection
• It transfer axial load, shear force and bending moment to the
connecting members.
3
Pinned or simple connection
• It is a connection in which no moment transfer is assumed
between the connected parts. It is considered as a hinged
connection.
4
Semi-rigid connection
• It is the connection which it transfer the shear force fully but
moments partially.
• They may not have sufficient rigidity to hold the original
angles between the members and develop less than the full
moment capacity of the connected members.
5
TYPES OF BEAM TO BEAM
CONNECTION
1. Web cleat angle connection
2. Clip and seat angle connection
3. web and seat angle connection
6
Web cleat angle connection
• A web cleat angle connection is used to transfer secondary beam
reaction through web angles to the web of main beam. Normally,
two web cleat angle on either side of the web of secondary beam are
used.
• The two beams may be connected at the same level or different
level. If the beams are connected at the same level, the flange may
be coped or notched, if required. A clearance of 2 to 5 mm is kept
between webs of two beams to provide sufficient end distance.
7
• The secondary beam reaction is transferred by shear and
bearing from the web of the secondary beam to the web bolts
and to the single cleats. These are then transferred by the cleat
angle to the bolts of the web of main beam.
• The length of the web angle is decided based on the number
of bolts and pitch and is normally not less than 0.6 times the
depth of the beam.
8
9
10
Web and seat angle connection
• The web angle connection may be combined with seat angle connection,
when the reaction from the beam is heavy.
• The beam reaction is transferred by bearing, shear and bending of the
horizontal leg of the seat angle and by vertical shear through the bolt.
11
12
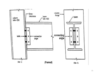
Beam to Column connection
1. Web angle connection
2. Clip and seat angle connection – unstiffened
3. Clip and seat angle connection – stiffened
13
Web angle connection
• It is used to transfer the beam reaction through web angle
either to flange or web of the column. Double web clit
connection is generally preferred.
14
15
Clip and seat angle connection - unstiffened
• This connection transfers the reaction from beam to column
through angle seat. Top cleat called clip angle is provided.
16
Clip and seat angle connection - stiffened
• When the reaction from the beam is too large, the outstanding
leg of seat angle must be stiffened.
17
Moment resistant connection
• Eccentrically loaded connection
• Light moment connection
• Heavy moment connection
18
Eccentrically loaded connection
• When load are applied Eccentrically, the connecting bolts are
subjected either to twisting moment or bending moment in
addition to shear.
19
Eccentrically loaded connection consider the
following two cases
• Eccentric load causing twisting moment
• Eccentric load causing bending moment
20
Eccentric load causing twisting
moment
• Design of Steel Consider a bracket subjected to an eccentric
load P as shown in fig. below. This load will cause, direct
shear force and torsional moment in the bolt group.
The eccentric load P can be replaced by force P acting at the
c.g. of the group and a moment M = P.e.
21
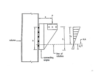
Eccentric load causing bending
moment
• Brackets are placed in the plane of web of column.
• When the line of action of the applied force does not lie in the
plane of group of bolts and also it does not pass through the
c.g. of the bolt group, the bolts are subjected to direct shear
along with tension due to the moment.
• Extra angle seats are often provided to the bracket at the point
where the reactions are transferred.
22
23
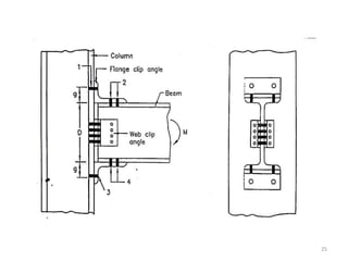
Light moment connection
• Connections subjected to small end moments and large end
shears are called light moment connections or clip angle
connections.
• In this type of connection four angles (two pairs) are used to
make the connection
• One pair of angles is used to connect the web of the beam
with the column flange (one angle on each side of the web)
and the other pair of angles called clip angles, is placed one on
top of the beam flange and the second below the lower flange
of the beam.
24
25
Heavy moment connection
• T connection is also called split-beam connection Split beams
are made by cutting l-sections at the mid of the web (T
sections may also be used) as shown in Fig.
• The bending moment split beam connection is resisted by the
bolts on split beams and the end shear is resisted by the bolts
on the web clip angles.
• A limitation of the spit beam connection is that only four bolts
can be used to resist the tension, for uniform forces in the
bolts.
26
27
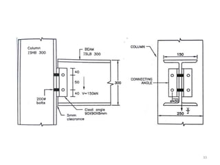
• A beam ISLB – 300 is connected to a flange of column ISHB – 300 to
transmit end reaction of 150 kN due to factored loads. Design web
angle connections using M 20 bolts and 4.6 grade and steel Fe 410.
Solution :
For ISLB 300,
tw = 6.7 mm
bf = 150 mm
tf = 9.4 mm
For ISHB 300 @ 63.0 kg/m ,
tw = 9.4 mm
tf = 10.6 mm
bf = 250 mm
28
• Shear capacity of bolt ( in single shear ) : IS : 800 , p.75 , cl.10.3.3
Vdsb = ( fu / 3 ) × ( nn . Anb + ns . Asb ) / ϒmb fu = 400 N/mm2
= ( 400 / 3 ) × ( 1 × 245 + 0 ) / 1.25 nn = 1
= 45.26 kN Anb = 245 mm2
Connection between cleat angle and web of the beam :
Two ISA on each side of web of beam , Assume cleat angle,
90 × 90 × 8 mm
Shear capacity of bolt in double shear ,
= 2 × 45.26
= 90.52 kN
29
• Bearing capacity of bolt :
Vdpb = ( 2.5 x kb x d x t x fu ) / γmb
= ( 2.5 × 1 × 20 × 6.7 × 400 ) / 1.25
= 107.20 kN
Bolt value = 90.52 kN ( smaller of shear and bearing capacity )
No. of bolts required = 150 / 90.52
= 1.65 say 2 no.
Min. pitch p = 2.5 d = 2.5 × 20 = 50 mm
End distance = 1.7 d0 = 1.7 × 22 = 37.4 say 40 mm
30
• Connection between cleat angle and flange of column :
Shear capacity of bolt ( single shear ) = 45.26 kN
Bearing capacity of bolt, 8 mm thick cleat ;
Vdpb = ( 2.5 x kb x d x t x fu ) / γmb
= ( 2.5 × 1 × 20 × 8 × 400 ) / 1.25
= 128.0 kN
Bolt value = 45.26 kN
No. of bolt required = 150 / 45.26 = 3.31 say 4 bolt
Provide two bolt on each angle ,
Length of cleat angle = 1 pitch + 2 × end distance
= 1 × 50 + 2 × 40
= 130 mm
31
• Check for shear ( for cleat angle ) :
Vd = Av . Fyw / (3 . γ mo )
= ( 2 × 90 × 8 ) × 250 / (3 × 1.10 )
= 188950 N = 188.95 kN ˃ 150…………OK.
Check for moment capacity :
B.M. = 150 / 2 ( 50 + (6.7/2) )
= 4001.25 kN.mm
= 4001.25 N.m
Moment capacity , IS ; 800 , cl. 8.2.1.2 , p. 53
Md = 1.2 Ze fy / γ mo
= 1.2 × 22533 × 250 / 1.10
= 6145 N .m ˃ 4001.25 N .m …….OK.
32
33
• A bracket is bolted to the flange of column ISHB 300 as shown in fig.
If M 20 bolts of grade 4.6 are used , determine the max. value of
factored load which carried safely by bracket. Take plate grade FE
410.
34
• Solution :
For ISHB 300 @ 58.8 kg/m ,
bf = 250 mm
tf = 10.6 mm
Thickness of bracket plate is 10 mm
t = 10 mm
d =20 mm
d0 = 20 + 2 = 22 mm
fub = 400 N/mm2 , fu = 410 N/mm2
Strength of bolt in shear , ( SINGLE SHEAR )
Vdsb = ( fu / 3 ) × ( nn . Anb + ns . Asb ) / ϒmb fu = 400 N/mm2
= ( 400 / 3 ) × ( 1 × 245 + 0 ) / 1.25 nn = 1
= 45.26 kN Anb = 245 mm2
35
• Shrength of bolt in bearing :
Kb is smaller of ,
1. e / 3d0 = (65 / 3* 22) = 0.984
2. p / 3d0 - 0.25 = ( 70/ 3*22 ) – 0.25 = 0.81
3. fub / fu = 400 / 410 = 0.975
4. 1.0
kb = 0.81
Vdpb = ( 2.5 x kb x d x t x fu ) / γmb
= ( 2.5 × 0.81 × 20 × 10 × 400 ) / 1.25
= 129.6 kN
Bolt value = 45.26 kN ( smaller of shear and bearing capacity)
36
• Moment M = P × 0.25 kN m
= 250 P kN. Mm
For extreme bolt , r =  ( 602 + 702 )
= 92.19 mm
Σ r2 = 4 (602 + 702 ) + 1( 0 ) = 34000 mm2
Force due to direct load = Pd = P / 5 = 0.2 P kN
Force due to bending moment ,
Pt = M . R / Σ r2
= 250 P × 92.19 / ( 34000 )
= 0.677 P kN
37
• Cos α = 60 / 92.19 = 0.65
• Resultant force on bolt ,
R =  Pd
2 + Pt
2 + 2 Pd Pt cos α
=  ( 0.2 )2 + ( 0.677 P ) 2 + 2 ( 0.2 P ) ( 0.377 P ) * 0.65
= 0.821 P
Equating to the strength of bolt ,
0.821 P = 45.26
P = 55.12 kN
38
THANK YOU
39

Connections

  • 1.
    CONNECTION Content : 1. Typesof connection 2. Beam to beam connection 3. Beam to column connection 4. Moment resistant connection 5. Eccentrically loaded connection 6. Light moment connection 7. Heavy moment connection 8. Examples
  • 2.
    Types of Connection •Rigid connection • Pinned or simple connection • Semi-rigid connection 2
  • 3.
    Rigid connection • Ittransfer axial load, shear force and bending moment to the connecting members. 3
  • 4.
    Pinned or simpleconnection • It is a connection in which no moment transfer is assumed between the connected parts. It is considered as a hinged connection. 4
  • 5.
    Semi-rigid connection • Itis the connection which it transfer the shear force fully but moments partially. • They may not have sufficient rigidity to hold the original angles between the members and develop less than the full moment capacity of the connected members. 5
  • 6.
    TYPES OF BEAMTO BEAM CONNECTION 1. Web cleat angle connection 2. Clip and seat angle connection 3. web and seat angle connection 6
  • 7.
    Web cleat angleconnection • A web cleat angle connection is used to transfer secondary beam reaction through web angles to the web of main beam. Normally, two web cleat angle on either side of the web of secondary beam are used. • The two beams may be connected at the same level or different level. If the beams are connected at the same level, the flange may be coped or notched, if required. A clearance of 2 to 5 mm is kept between webs of two beams to provide sufficient end distance. 7
  • 8.
    • The secondarybeam reaction is transferred by shear and bearing from the web of the secondary beam to the web bolts and to the single cleats. These are then transferred by the cleat angle to the bolts of the web of main beam. • The length of the web angle is decided based on the number of bolts and pitch and is normally not less than 0.6 times the depth of the beam. 8
  • 9.
  • 10.
  • 11.
    Web and seatangle connection • The web angle connection may be combined with seat angle connection, when the reaction from the beam is heavy. • The beam reaction is transferred by bearing, shear and bending of the horizontal leg of the seat angle and by vertical shear through the bolt. 11
  • 12.
  • 13.
    Beam to Columnconnection 1. Web angle connection 2. Clip and seat angle connection – unstiffened 3. Clip and seat angle connection – stiffened 13
  • 14.
    Web angle connection •It is used to transfer the beam reaction through web angle either to flange or web of the column. Double web clit connection is generally preferred. 14
  • 15.
  • 16.
    Clip and seatangle connection - unstiffened • This connection transfers the reaction from beam to column through angle seat. Top cleat called clip angle is provided. 16
  • 17.
    Clip and seatangle connection - stiffened • When the reaction from the beam is too large, the outstanding leg of seat angle must be stiffened. 17
  • 18.
    Moment resistant connection •Eccentrically loaded connection • Light moment connection • Heavy moment connection 18
  • 19.
    Eccentrically loaded connection •When load are applied Eccentrically, the connecting bolts are subjected either to twisting moment or bending moment in addition to shear. 19
  • 20.
    Eccentrically loaded connectionconsider the following two cases • Eccentric load causing twisting moment • Eccentric load causing bending moment 20
  • 21.
    Eccentric load causingtwisting moment • Design of Steel Consider a bracket subjected to an eccentric load P as shown in fig. below. This load will cause, direct shear force and torsional moment in the bolt group. The eccentric load P can be replaced by force P acting at the c.g. of the group and a moment M = P.e. 21
  • 22.
    Eccentric load causingbending moment • Brackets are placed in the plane of web of column. • When the line of action of the applied force does not lie in the plane of group of bolts and also it does not pass through the c.g. of the bolt group, the bolts are subjected to direct shear along with tension due to the moment. • Extra angle seats are often provided to the bracket at the point where the reactions are transferred. 22
  • 23.
  • 24.
    Light moment connection •Connections subjected to small end moments and large end shears are called light moment connections or clip angle connections. • In this type of connection four angles (two pairs) are used to make the connection • One pair of angles is used to connect the web of the beam with the column flange (one angle on each side of the web) and the other pair of angles called clip angles, is placed one on top of the beam flange and the second below the lower flange of the beam. 24
  • 25.
  • 26.
    Heavy moment connection •T connection is also called split-beam connection Split beams are made by cutting l-sections at the mid of the web (T sections may also be used) as shown in Fig. • The bending moment split beam connection is resisted by the bolts on split beams and the end shear is resisted by the bolts on the web clip angles. • A limitation of the spit beam connection is that only four bolts can be used to resist the tension, for uniform forces in the bolts. 26
  • 27.
  • 28.
    • A beamISLB – 300 is connected to a flange of column ISHB – 300 to transmit end reaction of 150 kN due to factored loads. Design web angle connections using M 20 bolts and 4.6 grade and steel Fe 410. Solution : For ISLB 300, tw = 6.7 mm bf = 150 mm tf = 9.4 mm For ISHB 300 @ 63.0 kg/m , tw = 9.4 mm tf = 10.6 mm bf = 250 mm 28
  • 29.
    • Shear capacityof bolt ( in single shear ) : IS : 800 , p.75 , cl.10.3.3 Vdsb = ( fu / 3 ) × ( nn . Anb + ns . Asb ) / ϒmb fu = 400 N/mm2 = ( 400 / 3 ) × ( 1 × 245 + 0 ) / 1.25 nn = 1 = 45.26 kN Anb = 245 mm2 Connection between cleat angle and web of the beam : Two ISA on each side of web of beam , Assume cleat angle, 90 × 90 × 8 mm Shear capacity of bolt in double shear , = 2 × 45.26 = 90.52 kN 29
  • 30.
    • Bearing capacityof bolt : Vdpb = ( 2.5 x kb x d x t x fu ) / γmb = ( 2.5 × 1 × 20 × 6.7 × 400 ) / 1.25 = 107.20 kN Bolt value = 90.52 kN ( smaller of shear and bearing capacity ) No. of bolts required = 150 / 90.52 = 1.65 say 2 no. Min. pitch p = 2.5 d = 2.5 × 20 = 50 mm End distance = 1.7 d0 = 1.7 × 22 = 37.4 say 40 mm 30
  • 31.
    • Connection betweencleat angle and flange of column : Shear capacity of bolt ( single shear ) = 45.26 kN Bearing capacity of bolt, 8 mm thick cleat ; Vdpb = ( 2.5 x kb x d x t x fu ) / γmb = ( 2.5 × 1 × 20 × 8 × 400 ) / 1.25 = 128.0 kN Bolt value = 45.26 kN No. of bolt required = 150 / 45.26 = 3.31 say 4 bolt Provide two bolt on each angle , Length of cleat angle = 1 pitch + 2 × end distance = 1 × 50 + 2 × 40 = 130 mm 31
  • 32.
    • Check forshear ( for cleat angle ) : Vd = Av . Fyw / (3 . γ mo ) = ( 2 × 90 × 8 ) × 250 / (3 × 1.10 ) = 188950 N = 188.95 kN ˃ 150…………OK. Check for moment capacity : B.M. = 150 / 2 ( 50 + (6.7/2) ) = 4001.25 kN.mm = 4001.25 N.m Moment capacity , IS ; 800 , cl. 8.2.1.2 , p. 53 Md = 1.2 Ze fy / γ mo = 1.2 × 22533 × 250 / 1.10 = 6145 N .m ˃ 4001.25 N .m …….OK. 32
  • 33.
  • 34.
    • A bracketis bolted to the flange of column ISHB 300 as shown in fig. If M 20 bolts of grade 4.6 are used , determine the max. value of factored load which carried safely by bracket. Take plate grade FE 410. 34
  • 35.
    • Solution : ForISHB 300 @ 58.8 kg/m , bf = 250 mm tf = 10.6 mm Thickness of bracket plate is 10 mm t = 10 mm d =20 mm d0 = 20 + 2 = 22 mm fub = 400 N/mm2 , fu = 410 N/mm2 Strength of bolt in shear , ( SINGLE SHEAR ) Vdsb = ( fu / 3 ) × ( nn . Anb + ns . Asb ) / ϒmb fu = 400 N/mm2 = ( 400 / 3 ) × ( 1 × 245 + 0 ) / 1.25 nn = 1 = 45.26 kN Anb = 245 mm2 35
  • 36.
    • Shrength ofbolt in bearing : Kb is smaller of , 1. e / 3d0 = (65 / 3* 22) = 0.984 2. p / 3d0 - 0.25 = ( 70/ 3*22 ) – 0.25 = 0.81 3. fub / fu = 400 / 410 = 0.975 4. 1.0 kb = 0.81 Vdpb = ( 2.5 x kb x d x t x fu ) / γmb = ( 2.5 × 0.81 × 20 × 10 × 400 ) / 1.25 = 129.6 kN Bolt value = 45.26 kN ( smaller of shear and bearing capacity) 36
  • 37.
    • Moment M= P × 0.25 kN m = 250 P kN. Mm For extreme bolt , r =  ( 602 + 702 ) = 92.19 mm Σ r2 = 4 (602 + 702 ) + 1( 0 ) = 34000 mm2 Force due to direct load = Pd = P / 5 = 0.2 P kN Force due to bending moment , Pt = M . R / Σ r2 = 250 P × 92.19 / ( 34000 ) = 0.677 P kN 37
  • 38.
    • Cos α= 60 / 92.19 = 0.65 • Resultant force on bolt , R =  Pd 2 + Pt 2 + 2 Pd Pt cos α =  ( 0.2 )2 + ( 0.677 P ) 2 + 2 ( 0.2 P ) ( 0.377 P ) * 0.65 = 0.821 P Equating to the strength of bolt , 0.821 P = 45.26 P = 55.12 kN 38
  • 39.