0. Introduction 3
1. General screen connection principles 5
2. Earthing circuit conditions and tests 13
3. Standardized screen connection diagrams 15
4. Elements making up the screen circuit 18
5. Multiple circuits 43
6. Tests 44
7. Earthing of lightning arresters 49
1
CONTENTS
This Engineering Recommendation deals with the earthing of cable screens which constitute
an insulated three phase line, installed either in a service gallery, in an indoor installation
or directly buried. To reduce the losses on the line and optimize the transport capacity,
connection systems tend to be adopted which reduce the intensity of the currents induced
on the screens. These systems involve specific connections of the screens to each other
and to earth and give rise to permanent current and current surges on the screen circuits
which must be considered.
0.1 SCOPE
This Recommendation describes the systems and components used in the connections
of the screen circuits of three phase power lines for voltages equal to or greater than 66
kV, made up of single-core cables with metallic screen and insulating sheath. Specific
means may be required to withstand the permanent current and current surges which can
occur between different parts of the screen circuit, and between the same and the earth,
and the testing and checking of the continuity of this circuit should be allowed.
0.2 DEFINITIONS
This Recommendation uses the definitions of the International Electrotechnical Vocabulary
(publication CEI 50), and in Appendix A of "The Design of Specially Bonded Cable Systems,
(part 1)" of Electra no. 28, of May 1973.
The following definitions are moreover added:
• Screen. Continuous concentric conductor which surrounds the main conductor and
insulation, aimed at confining the electric field and at conducting the possible short-
circuit currents. It can be made up of a continuous metallic covering or a corona of
wires possibly complemented with metallic tapes. It should be connected to earth
directly or indirectly.
• Sheath Voltage Limiters (SVL). Devices with two terminals of strongly non-linear
voltage-current characteristic, aimed at limiting the differences of transitory potential
which, on the occasion of impulse, atmospheric or manoeuvring surges, can appear
between elements of the screen circuit with limited dielectric strength.
• Connection box. Blockable box(1), built to house the connections of the screens, of
the earthing cables and the associated SVL when they exist. It should be connected
to earth if it is metallic.
0. INTRODUCTION
(1) Which requires a tool or a key to open it
3
• Indirect earthing Earthing of the screens of the cables, or of a section of them, so that
the screen circulation currents that would otherwise occur are reduced or eliminated.
Other sections of screen from the same or another phase may be involved in series in
this connection between a screen and an earth electrode. Indirect earthing causes small
permanent current at some points of the screens or at the terminal.
4
In an alternating current line, the whole formed by the screens and their connections
constitutes a secondary circuit strongly coupled to the primary circuit, formed by the main
conductors subjected to mains voltage. For this reason, considerable intensities can
appear on the screen circuit during the normal operation of the line. The added losses
and heating for this reason should be taken into account, and in many cases measures
should be taken to minimize them. This Recommendation distinguishes between two
screen earthing diagram types:
• Rigid earthing systems
• Special earthing systems
The following conditions should be fulfilled in both systems:
• During the normal operation the capacitive currents should be conducted to earth,
maintaining the screens at a potential close to that of earth.
• During the time a short-circuit lasts, both external to the line and occurring in the same
or on one of its elements, the fault currents which can travel along the screen circuit
should not cause excessive voltage between screens and earth and between parts of
the screen circuit. The strength of the insulation between screen and earth (cable sheath)
and of the separation insulation between sections of screen should be sufficient to
withstand these voltages.
• At the points in which the current surges of atmospheric or manoeuvring origin could
cause inadmissible dielectric stress on the screen circuit, there should be adequately
sized voltage limiting devices.
The adoption of measures to cancel or minimize the permanent intensities on the screens
associated with the operation of the line under normal conditions can cause another type
of problem, mainly the appearance on the screen circuit of high voltages during short-
circuits or current surges on the mains. This Recommendation regulates the procedures
to maintain these surges within acceptable limits.
5
1. MAIN SCREEN CONNECTION PRINCIPLES
1.1 RIGID EARTHING SYSTEMS
In these systems the screens of the three phases are connected together directly and to
earth so that, at all points of the line, the voltages of the screens between each other and
in relation to earth are maintained close to zero. No provision is adopted to prevent the
circulation of currents along the screens under a permanent regime. These currents, induced
by the main conductors, will give rise to an additional production of heat, with the consequent
reduction of the line’s transport capacity.
The screens should be joined together and to earth at both ends of the lines. If necessary,
with the aim of limiting the screen voltages which could appear in the event of a defect on
the line itself, the screens will be joined together at other points, which can also be earthed.(2)
Generally speaking, single-core cables which constitute a three phase line are arranged
in a triangle as close as possible, to reduce the currents on the screens, which increase
on increasing the separation between phases.
With this arrangement, the transpositions of phases along the line are only useful to reduce
their inductive influence on adjacent cables. When the arrangement is flat, or in some other
way asymmetric, the transposition of conductors can moreover achieve the equality of
currents on the screens, and thus obtain the minimum value of losses in this type of
connection. Under no circumstances can the transposition of conductors be used to cancel
the currents on the screens.
Joints
Fig. 1
Rigid earthing system
6
(2) It is prudent to connect the screens together and to earth every 2 to 3 km, but this is only required
if the voltages generated between phases or between phase and earth due to voltage drop because
of the circulation of fault current exceeds the perforation voltage of the sheath.
1.2 SPECIAL EARTHING SYSTEMS
The permanent circulation of current along the screens during the normal operation of the
line leads to a rise in the losses and to the need to oversize the section of the main
conductors in order to obtain a certain transporting capacity for the line. With the aim of
preventing these inconveniences, the screens are earthed following diagrams which exclude
the formation of closed circuits between them, or they manage to cancel the electromotive
forces induced in the possible closed circuits, without them ceasing to fulfil the safety
conditions already set forth.
Having attained this objective, a further two advantages appear, in addition to those sought:
• The separation between phases can be increased in order to obtain a better dissipation
of the heat to the surroundings.
• As the necessary section of the main conductor is smaller, the capacitive current
absorbed by the line is somewhat lower.
Certain inconveniences should be taken into account:
• The screen system (cables and accessories) should withstand permanent currents (in
the order of some tens of volts) and current surges (in the order of some kilovolts), and
consequently it should be completely insulated in relation to earth, except at the
connection points foreseen.
• In certain cases, joints have to be used which allow the electric discontinuity on the
screens.
• Limitation elements should be installed for the current surges of short duration at the
discontinuity points of the screens and, in certain cases, at the ends.
• In cases of earthing at a single point, an earth bonding conductor should be installed.
The losses in the screens cannot be eliminated completely on cancelling the complete
intensity which passes along them. The proximity effect generates stray currents in the
closed paths within the frame of the screen (Foucault’s losses) which also cause losses.
7
1.2.1 Cross bonded system
This system consists of dividing the total length of the line into sections by means of
discontinuities in the screens, making a crossed screen connection at each change of
section. The natural points to establish the discontinuity are the joints. The typical diagram
is that formed by one or more “major sections”, each containing three “minor sections”.
We thus achieve that in each major section the total EMF induced is practically nil. A
sufficient, although not total, reduction of this EMF can be achieved with unequal sections
or with a number which is not a multiple of three. The screens are earthed at the two ends
of the line and, possibly, at the ends of the major sections. If the arrangement of the cables
is not symmetrical (flat arrangement, for example) and, for this reason, transpositions of
the same are carried out, the crossing of the connections of the screens should be carried
out in the opposite direction to that of the transposition, so that the screens in series remain
in the same spatial position all along the run.
8
Fig. 3
Crossing of screens in the event of transposition of cables
Fig. 2
Cross bonded system
(1 major section, 3 minor sections)
Minor section Minor section Minor section
Major section
Cross-bonding
link boxes
Two variants are distinguished for the purposes of the connection of the screens to each
other and to earth: Sectionalised cross bonding: The screens are joined to each other
and to earth at the ends of the circuit and at the ends of all the major sections.
9
Continuous cross bonding: The screens are joined to each other and to earth only at the
ends of the circuit.
Fig. 4
Sectionalised cross bonding system
(2 major sections, 6 minor sections)
(Intermediate earthing)
Major section Major section
Major section Major section
Fig. 5
Continuous cross bonding system
(2 major sections, 6 minor sections)
Cross bonding link boxes
with SVL
Cross bonding link boxes
with SVL
1.2.2 Single-point earthing system
With short stretches or those which do not require more than one section of cable, the
cross bonding system may be uneconomical. In these cases we resort to a diagram in
which each screen has a single point of connection to the rest and to earth, Normally, the
point at which the screens are joined and are connected to earth is one of the ends of the
line but, if the permanent screen voltages which appear in this case are excessive, the
earth connection point can be transferred to an intermediate point. The screen circuit of
a line can be divided into isolated sections, with each section having a single earthing
point. Both in the previous case and in the latter, the system is called single-point earthing.
With the single-point system, each section of the screen circuit is joined to earth by
connecting it to the earth continuity conductor (described in 1.2.3), either at its ends or at
intermediate points.
Fig. 6, Fig. 7 and Fig. 8 show typical examples of single-point earthing for lines of one or
two sections.
Fig. 6
Single point bonding system
(Earthing at one end)
10
SVL
link box
Fig. 7
Single point bonding system
(Earthing at the middle point)
Earth continuity conductor
Earth continuity conductor
SVL
link box
SVL
link box
1.2.3 Earth continuity conductor
If there is no low impedance joint between the earthing electrodes of each end of the line,
in the event of circulation along the line of short-circuit currents with a strong homopolar
component there will be an earth return. In this case very high voltages may be induced
in the screen circuit and in conductors close to and parallel to the line. In order to provide
a low impedance path for the homopolar current, a conductor link is arranged between the
earth electrodes of both ends of the line, formed by one (or several) conductor(s) with a
sufficient section to admit the expected short-circuit current. This conductor, installed
adjacent to the line, is transposed at intermediate points to balance the EMF induced and
thus prevent the permanent circulation of current during the normal operation of the line.
The earth continuity conductor should be insulated all along its run. It is tested at a test
voltage of 10 kV, 50 Hz, 1 min.
1.2.4 Surges in the screen circuit
With the special connection systems, the circulation of fault currents external or internal
to the line induces voltages of industrial frequency on the screens, above those of permanent
operation. These voltages should not exceed the admissible values of the external cable
sheath and accessories or of the discontinuity insulation of screens on the joints and
terminals. Their value depends on the length of the smaller sections, on the electric and
geometric parameters of the line, on the intensity of short-circuit and on the screen circuit
diagram. The cables and accessories are designed to resist these surges.
The rapid transitory phenomena of atmospheric or manoeuvring origin cause abrupt front
surges which propagate around the screen circuit and can reach very high values at the
points of interruption of the screens and at the terminals. To limit these surges it is necessary
to install voltage limiting devices at certain points, as detailed in section 1.2.5. These limiters
must not, under any circumstances, initiate the conduction with the industrial frequency
voltage, caused by the fault currents, which can occur at their terminals.
11
Fig. 8
Single point bonding system
(Earthing at both ends with interruption of
screen at the middle point)
SVL
link boxes
Earth continuity conductor
1.2.5 Sheath voltage limiters (SVL)
The limiting devices indicated in the previous section, also called surges dischargers, are
strongly non-linear zinc oxide conductor elements. They present a very high resistance to
the reduced voltages that appear under normal operating conditions, and they do not
therefore modify the screen circuit diagram. They weakly conduct the industrial frequency
voltages originated during mains failures, without having any limiting effect on these voltages.
On the other hand, they conduct intensely for the short disturbances of atmospheric or
manoeuvring origin which would cause very high voltages at the ends and at the discontinuity
points, limiting these voltages to admissible values. This conduction is accompanied by
production of heat in the discharger, for which the latter has a reduced storage capacity.
For this reason, they are only adequate to limit surges of an order of duration lower than
1 ms, being able to be destroyed if an industrial frequency voltage, even of short duration,
exceeds their free conduction threshold.
It is necessary to limit the voltages which appear between screens and the local earth and
which subject the insulating sheath of the cable and the supporting insulators of the
terminals to dielectric stress, and the voltages that are presented between the two ends
of the screen which concur at the same joint with screen discontinuity, which must be
withstood by a very small thickness of insulating material inside the joint.
1.3 SCREEN CONNECTIONS
To allow periodic verifications of insulation and continuity of the screen circuit, the connections
between screens, to earth and to the SVL are carried out using detachable elements(3). The
connection of the SVL must also be detachable.
These connections and the SVL must be placed out of reach of unauthorized people, either
in adequate boxes, with insertion of physical barriers, or next to the external terminal base
if they are not accessible from the ground.
12
(3) The detachable connections are connected by means of blades or screws and can easily be
removed and replaced, without subjecting the elements of the circuit to stress or bending.
2.1 GENERAL CONDITIONS
All the direct connections between screens and between the latter and earth must be
carried out using detachable links. The connections between screens and between the
latter and earth carried out using SVL must be disconnectable. During the operation of the
line, these elements must be considered as live elements and the same precautions shall
be established to access them as for the live parts of the installation.
2.2 SCREEN EARTHING POINTS
The direct earthing of the screens shall be carried out taking into account the following
instructions:
• In the cases in which the screens must be earthed at one of the ends of the line, the
connection will be carried out to the general earth electrode of the substation and at the
same point where the earth bonding conductor, if it exists, is connected.
• In the cases in which the screens are earthed at intermediate points of the line, they will
also be connected to the bonding conductor, if it exists.
• If there is no bonding conductor, and in the location there is a local earth system intended
for other uses, to carry out the connection of the screens to this system at intermediate
points of the line it will be necessary to justify that it can accept the impulses of intensity
which would originate in the event of atmospheric or manoeuvring discharge, the industrial
frequency intensities that would appear in the event of short-circuit at any point of the
line or external to it and the permanent industrial frequency intensities that may occur
due to asymmetries of the line or other causes, always ensuring the safety of people and
equipment.
2.3 EARTHING POINTS OF THE SVL
In the situations in which the SVL devices are connected in a star, the centre of the star
can be earthed in the following cases:
• In the cases in which the SVL must be connected at one of the ends of the line, the
connection will be carried out to the general earth electrode of the substation and at the
same point where the earth continuity conductor, if it exists, is connected.
• To the earth continuity conductor, if it exists.
• If there is no earth continuity conductor, and there is no adequate earth network, the
connection may be carried out to an electrode formed by four earth rods with a length
no shorter than 1.2 m, connected parallel and situated in the four corners of the enclosure
where the SVL are housed, provided that this electrode is electrically independent from
any other local earth system of the installation.
2. EARTHING CIRCUIT CONDITIONS AND TESTS
13
• If there is no earth continuity conductor, and in the location there is a local earth system
intended for other uses, to carry out the connection to this system it will be necessary
to justify that it can accept the impulses of intensity which would originate in the event
of atmospheric or manoeuvring discharge and the industrial frequency intensities that
would appear in the event of action of one of the SVL ensuring the safety of people and
equipment.
• If none of the possibilities indicated in the above hypotheses is available, the centre of
the star of the SVL will not be earthed. In these cases, the connection of the SVL in a
triangle is preferred.
14
3.1 RIGID EARTHING SYSTEMS
With this system the screens are directly joined to each other and to earth at both ends
and, possibly, at some intermediate point, without there being any interruption in their
continuity. Fig.1 illustrates the general case, in which both ends of the line and possibly
the joint points are directly earthed.
3. STANDARDIZED SCREEN CONNECTION DIAGRAMS
Joints
Fig. 1
Rigid earthing system
3.2 CROSS BONDED CONNECTION SYSTEMS
Fig. 2 describes the diagram to be used in the event of a major single section and Fig. 5
in the event of two major sections. With this system surge limiting devices are only necessary
at the intermediate points of discontinuity of the screens.
Fig. 2
Cross bonting system
(1 Major section, 3 minor sections)
Minor sectionMinor section Minor section
Major section
15
Cross bonding
link boxes
with SVL
The SVL can be connected in the following manners (see Fig 9):
• In a triangle, each of them being parallel with the continuity interruption space of each
screen.
• In a star, with its centre connected to a local earth system or to the bonding conductor
(or to one of the conductors), if it exists (see section 2.3).
• In a star, with its centre insulated.
Major section Major section
Fig. 3
Continuous cross bonding system
(2 major sections, 6 minor sections)
16
Cross bonding link boxes with SVL
Fig. 9
Detail of SVL box and screen crossing
Cross bonding
link box
with SVL
SVL in
star
SVL in
triangle
3.3 SINGLE POINT EARTHING SYSTEMS
These systems, which can be made up of one or several sections, are characterized by the
discontinuity of the screens in some (or in all) the changes of section and by the joining
of the screens to each other and to earth in a single point within each section. Surge limiting
devices assembled in a star with centre earthed must be installed at each end of section
which does not coincide with the point of its earthing. There must be an earth continuity
conductor, and the earth connections, both of the screens and of the surge limiting devices,
must be carried out directly to this conductor (Figs. 6, 7 and 8).
17
Fig. 6
Single point bonded system
(Earthing at one end)
Fig. 7
Single point bonded system
(Earthing at the middle point)
Earth continuity conductor
SVL
link boxes
Earth continuity conductor
Fig. 8
Single point bonded system
(Earthing at both ends with interruption
of screen at the middle point)
SVL
link box
SVL
link box
Earth continuity conductor SVL
link box
4. ELEMENTS MAKING UP THE SCREEN CIRCUIT
(4) The connection boxes are of a watertight horizontal type, and are used in chests or galleries.
The cupboards are of vertical type protected against the elements and used fastened to walls of
substations or metallic structures (pylons or towers).
(5) An internal short-circuit generates a very considerable excess pressure. If the box breaks, this
excess pressure will be transmitted to the chest (of small volume) and may be sufficient to pull off
the cover and cause an accident.
18
The elements necessary to establish the connections between the elements of the screen
circuit that each system requires, and for the subsequent verification of the screens, are
described below.
4.1 CONNECTION BOXES OR CUPBOARDS (4)
The ends of the junction cables and of the SVL (except the SVL connected directly between
sectioning insulation on terminals of equipment with metallic casing or on external terminals
–see section 4.5.1), will be enclosed in connection boxes capable of containing the effects
of thermal or electric failure of any of the elements housed without damage being caused
to neighbouring external elements. In the cases of boxes installed in chests or enclosures
of small volume it is recommended that they should be capable of containing the effects
of an internal short-circuit.(5)
In the case of voltages of 245 kV upwards, with their corresponding high fault levels, it is
accepted that, in certain situations, the insulation of the SVL and of the connections may
not be capable of withstanding the conditions to which they are subjected in the event of
an internal fault of the line itself. When this situation is foreseen, additional measures should
be adopted to confine the consequences of this type of fault.
Metallic connection boxes should always be earthed, by means of a connection independent
from the earthing of the elements contained inside them (connections of the screens or of
the SVL) with a sufficient level of insulation. The internal insulation of the connection boxes
should fulfil the conditions of section 6.3.
The boxes or cupboards should be equipped with some means to prevent incorrect
connection positions and shall be equipped with a label which shows the normal connection
arrangement.
The connections of the terminals, junction cables and SVL must be designed so that they
can achieve and easily maintain the contact resistances of section 6.6 (d). The terminals
and junction cables must also fulfil the short-circuit resistance conditions given in the Table
of section 4.2.
4.1.1 Watertight connection boxes
They must fulfil protection grade IP68. Those which contain SVL and which are assembled
at ground level must be of a horizontal type, with covers equipped with adequate bolts for
installation in not very deep chests under the surface of the ground. The highest point of
the box assembled in a chest (without considering the lifting eyes) should not be more than
1 m below the level of the ground, to aid handling.
The boxes foreseen for external installation must be weatherproof and adequate for assembly
on watertight terminal support structures.
The metallic boxes must be earthed by means of connection to adjacent main earth
electrodes or to the earth bonding conductor. They can also be connected just to a local
earth system, independent from the main system, if the internal insulation of the box
guarantees an adequate safety level.
Each box should contain the elements of just one circuit.
4.1.2 Protected connection cupboards or boxes
All these boxes should fulfil protection grade IP54. When they are in vertical position they
are called cupboards. The cupboards should fulfil the following conditions:
(1) The back part of the cupboard should be a fixed panel.
(2) The door(s) should be closed by means of a security lock or an alternative method. When
the cupboard has two doors, only one of them needs to be blockable; the other door can
be secured by means of internal espagnolette bolts on the upper and lower part.
(3) Each circuit should have its own cables for connection to screens and to earth, SVL
and earth cables. These elements cannot be shared by two circuits.
When the cupboard is situated within the area of an important earth network (for example
of a substation), the internal earth bar should be connected to this network. If the cupboard
is metallic, it should also be connected to this earth network, it being possible to carry out
this connection to the earth bar inside it.
When the box is not situated thus (for example at joint points all along the cable run), the
earth bar to which the connecting cables are connected (by SVL, in the appropriate cases)
in normal operation should be connected to the earthing system of the location of the joint.
The box, if it is metallic, should be connected to its own local earth. The insulation between
the internal earth bar and the box should be adequate to resist the test level between
junction cable and earth specified under Point 6.3. The insulation between the casing of
the SVL and the box should also fulfil this condition.
When the box is metallic, its earth connection terminal shall be independent from the
elements housed in it. The set of connection devices may be covered by a transparent
methyl methacrylate insulating screen, or by another suitable material.
19
If higher values are foreseen in a specific installation, suitable larger sections should be adopted.
The connecting cables to be used should be:
• In cable systems with rigid connection: All the connecting cables will be single-core.
• In cable systems with special connection: Except in the cases which are indicated below,
all the connecting cables shall be concentric. In a joint with screen sectioning, the conductors
on both sides of the sectioning shall be the inside and the outside of the connecting cable.
In the terminals, the junction cables connected to the screens of the cables should be the
interior conductors of the concentric cables; the exterior conductors of the aforementioned
cables shall be connected in all cases to the metallic parts of the terminal support structures.
If metallic connection boxes are used, the exterior conductors of the concentric cables of
the terminals shall be connected in all cases to the metallic box.
4.2 JUNCTION CABLES BETWEEN SCREENS AND CONNECTION BOXES
AND/OR SVL HOUSING
These cables must be made up of stranded copper conductors insulated with XLPE, and
should be one of the following types:
(i ) Single-core construction, in accordance with Table 1A.
(ii) Concentric construction, in accordance with Table 1B.
Tables 1A and 1B show the minimum section of connecting conductor associated with the
nominal voltages and with the system’s short-circuit current levels. The connecting cables
must comply with the conditions of UNE-HD-603 in everything which is applicable to them,
except as regards the testing voltages, which shall be those indicated under Point 6.4 of
this recommendation.
The section of the connecting cables, both for the interior and exterior conductors of the
concentric cables and for the single-core cables in any type of connection, shall be determined
by the maximum value of the short-circuit current foreseen for the installation. Depending
on the highest voltage for the material, the minimum levels of this current to be taken into
account in the design of the connecting conductors are established in Tables 1A and 1B,
as follows:
20
U ≤ 72,5 kV 16 kA for 1 second
72,5 kV < U ≤ 145 kV 25 kA for 1 second
145 kV < U ≤ 245 kV 40 kA for 1 second
245 kV < U 63 kA for 1 second
The SVL and their detachable connections can be situated directly on the pylon or metallic
support structure.
The connections should be designed to minimize the length of the cables. Whenever
possible, no concentric type connecting cable should be more than 10 m long.
Joints will not be accepted in the connecting conductors in new installations, but they can
be accepted in subsequent interventions, for example in maintenance or repair work.
The exceptional cases in which single-core connecting cables can be used in systems with
special screen connection are:
• Junction cables used for the earthing of the screens of the cables at the common earthing
point of two sections with single-point connection, as shown in Fig. 7.
21
Fig. 7
Single point bonded system
(Earthing at the middle point)
Earth continuity conductor
• Junction cables used in terminals normally earthed.
• Junction cables used for earthing or other connections in the terminals in equipment
with metallic casings, as in Figs. 20, 21 and 22.
SVL
link box
SVL
link box
Fig. 10
Screen connection diagram in terminals with metallic casing
(Direct earthing)
22
Connections close to metallic casings
Blockable
connection box
assembled
on frame
Main earth of the system or
earth continuity conductor
The bridges must be connected directly to both sides of the
separation insulation and the metallic casings must be
connected to the main earth of the system.
NOTE:
Connection function:
Element:
Applicable to:
Direct earthing
Terminal of the cable
For direct earthing in systems with class SF61
insulated screen.
23
Fig. 11
Screen connection diagram in terminals with metallic casing
(Direct earthing)
Connections far from metallic casings
Blockable
connection box
on frame
Connecting cable
to pass through the
CT (if appropriate)
Main earth of the system or
earth continuity conductor
The SVL must be connected directly to both sides of the
separation insulation and the metallic casings must be
connected to the main earth of the system.
NOTE:
Connection function:
Element:
Applicable to:
Direct earthing
Terminal of the cable
Direct earthing in systems with class SF62
insulated screen.
Fig. 12
Screen connection diagram in terminals with metallic casing
Not earthing)
24
Connections of metallic casings
Connecting cable
(Can pass outside
the CT if appropriate)
Main earth of the system or
earth continuity conductor
The SVL are connected directly to both sides of the
separation insulation and the surrounding boxes are
connected to the main earth of the system.
NOTE:
Connection function:
Element:
Applicable to:
SVL connection
Terminal of the cable without earthing
Connections in systems with class SF63
insulated screen.
The cable and
the earthing box
can be replaced by
a portable earthing
when it acts on the
SVL
Blockable connection
box without bridge
connected
in normal service
4.3 LINE END TERMINALS
4.3.1 Terminals for installation in open air.
All the connecting cables between screens or metallic parts of the terminal base, the connection
boxes and the earthing points should be of one of the standardized insulated types.
The insulation level between screens (or metallic parts connected to them) and earth
should allow the application of the continuous high voltage rigidity tests specified for the
cable sheath. They must also withstand the surges indicated in column 3 of Table 2A.
The insulation in relation to earth of the metallic bases of the exterior terminals will be
carried out by means of pedestal insulators.
4.3.2 Terminals for direction connection to equipment with metallic casing.
The terminals for screened installations (GIS or transformers) shall incorporate screen
separation insulation.
When the cables end in equipment with metallic casing (with SF6 or oil insulation), special
arrangements may be necessary for the connection, the earthing and the use of SVL. The
main circuits can be divided into two classes, “OIL” and “SF6”.
4.3.2.1 OIL circuits
This class includes terminals with metallic shielding in a transformer (generally
submerged in oil). The connection to the winding of the transformer is carried out
directly or through an isolator (not manoeuvrable in service). For this application
it is permitted to use the same connection and earthing arrangements as the air
terminals, that is Figs. 10 to 12 inclusive. The connection and earthing arrangements
for class SF6 circuits can also be used if they are more economic or more
appropriate for the conditions of the site.
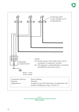
25
Fig. 13
Screen connection diagrams in rigid connection terminals
(Direct earthing)
26
Blockable
connection box
Connecting cable
to pass through an CT
(if appropriate)
Main earth
of the system
On the screens of the cables there will be
circulation, or capacitive, currents.
This diagram is used preferably in terminals
assembled on conversion towers.
NOTE:
(a)
(b)
Connection function:
Element:
Applicable to:
Direct earthing
Terminal
Except for class GIS terminations in equipment with
metallic shielding (see Figs. 10 and 11).
27
Fig. 14
Screen connection diagrams in terminals
(Direct earthing)
Blockable
connection box
assembled on
frame
Connecting cable
to pass through
an CT (if appropriate)
Main earth
of the system
Connection function:
Element:
Applicable to:
Direct earthing
Terminal
Systems of all kinds with connection of their ends to
weatherproof type terminals and to terminals of
equipment with OIL class metallic casing.
NOTE: (a)
(b)
On the screens there will be circulation, or capacitive,
currents.
This diagram is used preferably in terminals assembled
on individual towers.
Direct earthing
Terminal
Systems of all kinds whose ends are equipped with
weatherproof type terminals or terminals in equipment
with OIL class metallic casing.
Fig. 15
Screen connection diagrams in terminals
(Direct earthing)
28
Blockable
connection box
Concentric
cables
Main earth of the system
Connection function:
Element:
Applicable to:
Only the internal
connecting cable
should pass
through the
CT (if appropriate)
This diagram will give rise to
circulation or capacitive currents in
the screens of the cables.
NOTE:
4.3.2.2SF6 circuits
This class includes terminals with metallic shielding when there is no transformer
between them and an automatic switch or manoeuvrable isolator. In general these
terminals are submerged in SF6.
For this type of terminal it is essential that the sectioning insulation of the screens
is protected against current surges during the manoeuvring operations, by means
of short-circuit bars or SVL, as appropriate, connected directly between both sides
of this insulation. Normally, to obtain an effective suppression of the impulse surges,
two connections of this kind must be assembled (whenever possible), separated
some 180º around the circumference of the terminal(6). Each connection, including
those of the SVL, if appropriate, must be as short as possible and under no
circumstances must exceed 0.5 m. They should be fastened by screws to the
adjacent metallic parts in order to be able to remove them for the screen insulation
tests (see 6.6).
(a) Class SF61 refers to terminals earthed in which the earth connection of the
shielding is close to the terminals of the cables. In this case, the sectioning
insulation should be short-circuited using bridges connected directly to both
sides of the insulation, as Fig. 10 shows. If the current transformers are not
housed inside the assembly with metallic shielding of the substation, the SF62
connection should be used.
(b) Class SF62 refers to terminals earthed in which the earth connection of the
shielding is far from the terminals of the cables. In this case, the sectioning
insulation should be protected by means of SVL, as Fig. 11 shows.
(c) Class SF63 refers to terminals not earthed. The sectioning insulation of the
terminals should be protected by means of SVL, as Fig. 12 shows.
(6) Under these conditions there is no impedance between the switch and the cable and discharges
can occur with very marked wave fronts. The impulse frequency is very high and the wavelength
short. To maintain the protection level of the cable it is necessary to reduce as far as possible the
distance between the SVL and the screen and divide the length of the screen sectioning insulation
placing two SVL or connection bars parallel.
29
Fig. 10
Screen connection diagram in terminals with metallic casing
(Direct earthing)
30
Connections close to metallic casings
Blockable
connection box
assembled
on frame
Main earth of the system or
earth continuity conductor
The bridges must be connected directly to both sides of the
separation insulation and the metallic casings must be
connected to the main earth of the system.
NOTE:
Connection function:
Element:
Applicable to:
Direct earthing
Terminal of the cable
For direct earthing in systems with class SF61
insulated screen.
31
Fig. 11
Screen connection diagram in terminals with metallic casing
(Direct earthing)
Connections far from metallic casings
Blockable
connection box
on frame
Main earth of the system or
earth continuity conductor
The SVL must be connected directly to both sides of the
separation insulation and the metallic casings must be
connected to the main earth of the system.
NOTE:
Connection function:
Element:
Applicable to:
Direct earthing
Terminal of the cable
Direct earthing in systems with class SF62
insulated screen.
Connecting cable
to pass through the
CT (if appropriate)
Fig. 12
Screen connection diagrams in terminals with metallic casing
(Not earthed)
32
Connections of metallic casings
Blockable connection
box without bridge
connected
in normal service
The cable and
the earthing box
can be replaced by
a portable earthing
when it acts on the
SVL
Connecting cable
(Can pass outside
the CT if appropriate)
Main earth of the system or
earth continuity conductor
The SVL are connected directly to both sides of the
separation insulation and the surrounding boxes are
connected to the main earth of the system.
NOTE:
Connection function:
Element:
Applicable to:
SVL connection
Terminal of the cable without earthing
Connections in systems with class SF63
insulated screen.
4.3.3 Connection diagrams with intensity transformers
When intensity transformers are installed adjacent to the terminals, the connection diagrams
will normally be those described in the corresponding figure. When the connecting cable
is concentric, as in Fig 12, this entails part of the cable where the two conductors are
separated, and the connection diagram experiences a reduction in its efficiency in the
limitation of the transient voltage.(7)
33
(7) On separating the two conductors this increases the inductance of the circuit and the voltage drop at this point.
Direct earthing
Terminal
All kinds of system whose ends are equipped with
weatherproof type terminals or with terminals in
equipment with OIL class metallic casing.
Fig. 15
Screen connection diagrams in terminations
(Direct earthing)
Blockable
connection box
Concentric
cables
Main earth of the system
Connection function:
Element:
Applicable to:
Only the internal
connecting cable
should pass
through the
CT (if appropriate)
This diagram will give rise to
circulation or capacitive currents on
the screens of the cables.
NOTE:
4.3.4 Metallic shielding insulation of the terminals
Any oil or gas piping which penetrates the terminal must be connected through insulation
couplings or straps, so that it can be earthed permanently while the screens of the cables
are left insulated in relation to earth.
When the permanent screen voltage on a terminal exceeds 10 V, the metallic parts of the
shielded terminal base must be screened against accidental contacts by means of adequate
insulating protection.
4.4 JOINTS
The following conditions should be observed:
4.4.1 External insulation
The joint boxes and the connecting cables should be insulated externally in such a way
that allows the performance on the ground of the direct voltage rigidity tests of the cable
sheath.
4.4.2 Joints without screen sectioning
Any joint installed where screen sectioning is not required shall have direct metallic continuity
between the screens of two cables which access the joint.
The joints with screen sectioning (see 4.4.3) can be adapted to be used as joints without
sectioning if short connectors are added which directly and permanently bypass the
sectioning insulation. These connectors will be integrated in the general external insulation
of the joint box.
4.4.3 Joints with screen sectioning
Any joint installed where screen sectioning is required must incorporate an insulating part
and be arranged in a way that provides the insulation levels necessary both to earth, and
between screens, of the cables which access the joint.
All the joints with screen sectioning must be arranged in a way which accommodates the
concentric connecting cables (see 4.2). The connection elements shall be situated as close
as possible to the screen sectioning insulation.
When a cable system with insulated screen has to be connected to a non-insulated screen
cable system, the joint must be of the type with screen sectioning (see Fig. 16).
34
When the total length of a cable system with rigid connection of insulated screen is big,
it may be convenient, to aid the location and repair of possible defects on the cable sheath,
to subdivide the system into two or more sections. This subdivision can be achieved with
the inclusion of one or more groups of joints with screen sectioning.
35
Blockable connection box
with sheath voltage limiters
Concentric
cables
Earth of the substation or
earth continuity conductor
Joints with
screen discontinuity
Fig. 16
Joint between a system with earth connection
and a system with screen insulated at this point
Connection function:
Element:
Applicable to:
Rigid connection and SVL connection
Joint between different sections, one of which
is not earthed.
Systems which incorporate sections with
crossed connection and sections with single-
point connection.
36
4.4.4 Open-air joints
The external insulation of any joint which is going to be installed in the open air must be
identical to that of the buried joint. The insulation cannot be achieved on the basis of
distances in the air.
4.5 SURGE LIMITING DEVICES.
4.5.1 Application
To minimize the current surges in the screens of the cables, sheath voltage limiters (SVL)
must be installed:
• On the screen cross joints and on the non-earthed terminals of sections with single-point
connection.
• On non-earthed terminals, connected directly to equipment with metallic shielding of the
type defined in 4.3.2.2. The use of SVL should be avoided as far as possible at these
points, by means of the adoption of an alternative connection and earthing device.
• At the non-earthed terminals of all the other types.
• Under certain circumstances it may be necessary to install SVL in earthed terminals
when they are installed in equipment with metallic shielding (see 4.3.2.2).
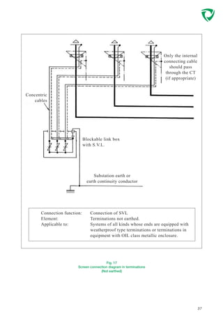
Figs. 15, 17, 18, 22 and 23 show these applications.
Fig. 17
Screen connection diagram in terminations
(Not earthed)
37
Connection function:
Element:
Applicable to:
Connection of SVL
Terminations not earthed.
Systems of all kinds whose ends are equipped with
weatherproof type terminations or terminations in
equipment with OIL class metallic enclosure.
Only the internal
connecting cable
should pass
through the CT
(if appropriate)
Concentric
cables
Blockable link box
with S.V.L.
Substation earth or
earth continuity conductor
Fig. 18
Screen connection diagram in joints
in cross bonded systems
38
Blockable connection box
with sheath voltage limiter
Concentric
cables
Earth system of the joint location
Connection function:
Element:
Applicable to:
Crossed connection protected with SVL
Joints at sectioning points of minor sections.
Cross bonded systems.
Joints with
screen discontinuity
Fig. 19
Screen connection diagram in screen interruption joints
without earthing between sections with single-point bonding
39
Concentric
cables
Main earth
of the system
Connection function:
Element:
Applicable to:
SVL connection
Screen not earthed.
Systems with single-point bonding.
Joints with
screen discontinuity
Main earth
of the system
Double link box with
SVL. Can be replaced with
two single boxes
Depending on the system design, the schematic diagram of a joint
between minor sections single point bonded can be this one or that
of Fig. 16 and 19.
NOTE:
40
Fig. 12
Screen connection diagrams in terminals with metallic casing
(Not earthed)
Connections of metallic casings
Blockable
connection box
on frame without
bridge connected
in normal service
Connecting cable
(Can pass outside
the CT if convenient)
Main earth of the system or
earth continuity conductor
The SVL are connected directly to both sides of the separation
insulation and the surrounding boxes are connected to the main
earth of the system.
NOTE:
Connection function:
Element:
Applicable to:
Connection of SVL
Terminal of the cable without earthing
Connections in systems with class SF63
insulated screen.
41
Blockable connection box
with sheath voltage limiters
Concentric
cables
Earth of the substation or
earth continuity conductor
Connection function:
Element:
Applicable to:
Rigid connection and SVL connection
Joint between different sections, one of which is
not earthed.
Systems which incorporate sections with crossed
connection and sections with single-point connection.
Joints with
screen discontinuity
Fig. 16
Joint between a system with earth connection
and a system with screen insulated at this point
42
4.5.2 Operating conditions
The units must be capable of withstanding the situations detailed below, already described
in section 1.2.5 of this Recommendation.
(1) The units must be capable of withstanding continuously the permanent screen voltage
induced by the nominal charging current.
(2) The units must be capable of withstanding for a period of 1 second each, two
applications in quick succession of their nominal voltage (at industrial frequency),
which must not be lower than the screen voltage induced under DC conditions external
to the line.
(3) The units must be capable of withstanding the transient voltages and the corresponding
currents to which they are subjected under abnormal conditions of the system; that is
to say, in routine manoeuvres, in nominal atmospheric discharges, in nominal manoeuvre
surges, or during a short-circuit current of nominal value. However, it is accepted that
occasionally the units are not capable of withstanding the conditions to which they are
subjected in the event of internal defect in the cable system (see 4.1).
(4) The units must be capable of limiting the transient voltages to which they are subjected
(residual peak voltage), to no more than the impulse voltage admissible in the connection
enclosure between links and earth (see 6.3). If the residual peak voltage exceeds the
value of 20 kV, it may be necessary to review the insulation levels of the cable sheath
and of the joint protection.
The units which are used to protect the sectioning insulation of the earthed terminals in
equipment with metallic shielding should fulfil only conditions (3) and (4).
4.5.3 Earthing
The earth connection of the SVL devices shall be carried out taking into account that
indicated in section 2.3 of this Recommendation.
4.5.4 Installation of SVL
When they are installed in enclosures with metallic casing or in external insulators, directly
in the air, they shall be encapsulated and weather resistant. The SVL must be installed in
such as way that they can be easily disconnected.
43
5. MULTIPLE CIRCUITS
An installation can contain two or more triads of single-core cables. The following conditions
must be fulfilled for the whole to be considered as a single line (several conductors per
phase) for the purposes of this recommendation:
• The run shall be identical for all the triads, as shall their relative distances.
• All the triads shall have the same screen connection diagram.
• All the triads must be earthed at the same points of their run and at the same points of
the earth network.
• All the triads must be connected rigidly in parallel in HV at both ends, without the insertion
of switchgear.
• It must be impossible to leave some of the triads out of service and to maintain the rest
in service.
Under these conditions, the following may be common to all the triads: the bonding
conductor, the connection boxes or enclosures and the surge limiting device housing boxes
or enclosures.
When any of the conditions indicated is not fulfilled and, in particular, when it is a question
of circuits projected as independent, there should not be common elements in the screen
circuits of the different triads.
44
6. TESTS
6.1 EXTERNAL INSULATION OF THE JOINTS.
The joint protection box should withstand mechanical resistance tests, immersion in 1m
of water column and 20 heating and cooling cycles, followed by direct voltage tests of 20
kV during 1 minute and impulse tests between screen ends and between each screen and
earth as indicated in the following table. In accordance with IEC 60840 Appendix H or IEC
62067 Appendix D
Table 2A
Impulse tests with nominal wave of 1/50 ms to IEC 60230
Voltage of Joint boxes
the system Between connectors Between connectors and earth
kV kVp kVp
66 60 30
132 75 37,5
275 95 47,5
400 125 62,5
6.2 WATERTIGHTNESS OF THE BURIED CONNECTION BOXES
Buried connection boxes for installation under ground level should be subjected to a
watertightness type test.
Connection boxes with small lengths of junction cable connected should be submerged
in water up to a depth of no less than 1 m in relation to the highest point of the box or must
be subjected to an external excess pressure of 0.1 bar for a period of 7 days.
The connection box must be built in such a way that it withstands this test without damage
or leak. At the end of the test, the appearance of small drops of water inside the box is
accepted, which overall are not considered to be harmful for the life or for the operation
of the connection box.
6.3 INTERNAL INSULATION OF THE CONNECTION ENCLOSURES
The connection enclosures shall be capable of withstanding type tests of:
(a) Impulse voltage (nominal wave form of 1/50 microseconds in accordance with IEC
60230) three positives and three negatives of 35 kVp between phases and of 17.5 kVp
between phases and earth.
(b) Direct voltage of 25 kV for 5 minutes between phases and between phases and earth.
45
Table 2B
6.4 CONNECTING CABLES
The connecting cables must be subjected to routine tests in accordance with HD 603,
except as regards the test voltages, which should be as follows:
Insulation of single-core cables 20 25 DC 1 minute
Internal insulation of concentric cables of
120 mm2, 240 mm2 and 300 mm2 25 15 AC 5 minutes
Internal insulation of concentric cables of
500 mm2 30 20 AC 5 minutes
External insulation of concentric cables 20 25 DC 1 minute
Description
Test voltage
Dry rigidity test
spark test
kV AC
Voltage test
on finished cables
kV
46
6.5 SHEATH VOLTAGE LIMITERS
The routine and maintenance tests on finished assemblies shall be as follows:
Zinc oxide units
The voltage test at AC 50Hz must be adapted to give a peak test intensity of
1.6 mA and the voltage measured must be within the range given below.
In the finished installation tests the visual examination must show that the junction cables
and the external surface of the unit or of the container are free from important protuberances
or from other signs of deterioration.
(a) Internal insulation resistances for SVL enclosures with earth cables.
The resistance between the earth cables and any metallic case should not be less than
10 MΩ measured with a 1000 V megaohmmeter.
Type of limiter Peak voltage Peak voltage/√2
(kV) (kV)
CPA-03 5,05 ÷ 5,56 3,57 ÷ 3,93
CPA-06 10,10 ÷ 11,12 7,14 ÷ 7,86
6.6 COMPLETE CIRCUITS ONCE INSTALLED
(a ) After installing a complete circuit tests shall be performed to ensure that the
screen and the sectioning insulation of the screen at all points are capable of
withstanding a rigidity test at direct voltage of 10 kV for 1 minute. The SVL should
be disconnected on performing these tests.
The connections and the earthing of the screens should also be checked.
(b ) It is recommended, at regular intervals, to test the integrity of the screen-earth
insulation at a direct voltage of 5 kV for 1 minute. The SVL should be checked
at the same time, in accordance with Point 6.5.
(c ) If there is an internal defect in a cable system with special connection, the tests
referred to in section (b) above should be carried out and the continuity of the
screen-earth metallic path should be checked before putting the cable back in
service.
(d ) After the installation a measurement should be taken of the resistance of all the
contacts of the junction cables of the screens in each connection box or cupboard,
using a digital microhmmeter. The contact resistance should not be greater than
20 µΩ.
The contact resistance of the SVL connections in the boxes or cupboards should
be measured in a similar manner and should not be greater than 50 µΩ.
When possible the contact resistance of the external earth cable should be
measured in a similar manner, and should not be greater than 50 µΩ.
Note
If a fault current has circulated through a cable system with special connection,
it is recommended at the first opportunity available to check the integrity of the
screen-earth insulation, the integrity of the connection cables and the characteristics
of the SVL.
47
48
Table 1A
CONSTRUCTION OF SCREEN CONNECTION SINGLE-CORE CABLES
*Also for connections of 132kV and 275kV systems not subjected to the short-circuit current, for example connections to SVL.
Table 1B
CONSTRUCTION OF SCREEN CONNECTION CONCENTRIC CABLES
12,8 13,3 17,8 18,7 20,2 21,0 26,4 28,0
1,2+2,0 19,2 20,7 1,7+1,0 23,4 25,3 1,8+1,0 25,8 27,9 2,2+3,0 36,8 39,7
24,4 26,4 33,6 36,3 36,0 38,9 47,4 51,2
1,8 28,4 30,7 1,8 37,6 40,6 2,1 40,6 43,8 2,4 52,6 56,8
Dimensions
(mm)
Nominal section
of the conductor
Voltage of the as-
sociated system
Central conductor
XLPE Insul. +
PVC internal sheath
30 up to 66 kV 132 kV 275 kV 400 kV
120* mm2 240 mm2 300 mm2 500 mm2
Concentric
conductor
PE external sheath
Thickness Diameter
Min Max
Thickness Diameter
Min Max
Thickness Diameter
Min Max
Thickness Diameter
Min Max
12,8 13,3 17,8 18,7 20,2 21,0 26,4 28,0
1,2+1,5 18,2 19,7 1,7+1,7 24,6 26,6 1,8+1,8 27,4 29,6 2,2+2,0 35,3 38,1
Thickness Diameter
Min
Dimensions
(mm)
Nominal section
of the conductor
Voltage of the as-
sociated system
Conductor
XLPE Insul. +
PVC Sheath
Max
30 up to 66 kV 132 kV 275 kV 400 kV
120 mm2 240 mm2 300 mm2 500 mm2
Thickness Diameter
Min Max
Thickness Diameter
Min Max
Thickness Diameter
Min Max
49
7. EARTHING OF LIGHTNING ARRESTERS
7.1. INTRODUCTION.
The object of this chapter is to determine how lightning arresters should be connected to
earth in high voltage circuits.
The earthing is standardized by the substation regulation MIE RAT 13 “Earthing installations”
of the “Regulation on Technical Conditions and Safety Guarantees in Electric Power Plants,
Transformer Stations and Substations”. To summarize, this regulation says:
- In an installation there cannot be a live accessible point which can damage people,
whether under conditions of normal operation or in short-circuit. Consequently, any
cable which conducts current should be insulated.
- The earthing circuit cables which connect the electrodes should be bare, resistant
to corrosion and preferably visible.
- The dischargers have to be connected to the earth of the accessory that they
protect.
- The earth circuits should be straight without forced bends and as short as possible.
The earthing of lightning arresters (insulated cable or bare conductor) is not determined.
There is no reason to use one or another type of conductor.
Taking the case of a lightning arrester at the top of a support. The earth connection can
be carried out with an insulated cable or with a bare conductor, and in actual fact is carried
out in both ways depending on what the customer decides. It should be taken into account
that:
- It is preferable to use an insulated cable, which is on the safety side.
- In any case the customer can make any decision without it affecting the safety of
the circuit.
- We can opt for a bare cable, linked electrically and mechanically to the support
in short sections, which will not have problems of perforation of insulation in the event
of an important impulse.
50
7.2. CONNECTION TO THE EARTH CIRCUIT.
The connection of the different earthings indicated (direct earthing, earthing of the
discharger, earthing of the lightning arresters) will be carried out as follows:
The lightning arrester earthing cable can be the same for the three lightning arresters of
a circuit.
The same cable cannot be used for lightning arresters of different circuits.
The earth connection will be carried out to the earth cable indicated by the customer.
The connection elements must be suitable for the section of the conductor connected.
The project completion documentation must indicate where the connection of each circuit
is carried out.
HEADQUARTERS
Casanova, 150 - 08036 BARCELONA
Tel.: +34 93 227 97 00 - Fax: +34 93 227 97 22
info@generalcable.es
BRANCHES IBERIA
ANDALUSIA
Averroes, 6, Edificio Eurosevilla, 4º, 7ª
41020 SEVILLA
Tel.: +34 95 499 95 18 - Fax: +34 95 451 10 13
delegacionandalucia@generalcable.es
Málaga
Tel. Móvil: +34 626 014 918 - Fax: +34 95 225 99 12
astecchini@generalcable.es
CENTRE
Ávila, Badajoz, Cáceres, Ciudad Real,
Guadalajara, Madrid, Segovia y Toledo
Avda. Ciudad de Barcelona, 81 A, 4º A - 28007 MADRID
Tel.: +34 91 309 66 20 - Fax: +34 91 309 66 30
delegacioncentro@generalcable.es
Burgos, León, Palencia, Salamanca, Valladolid y Zamora
Tel. Móvil: +34 609 154 594 - Fax: +34 983 24 96 32
aastorgano@generalcable.es
EAST COAST
Albacete, Comunidad Valenciana, Cuenca y Murcia
Cirilo Amorós, 27 - 6º C - 46004 VALENCIA
Tel.: +34 96 350 92 58 - Fax: +34 96 352 95 53
delegacionlevante@generalcable.es
NORTHEAST
Andorra, Aragón, Baleares y Cataluña
Aragón, 177-179, 2º planta - 08011 BARCELONA
Tel.: +34 93 467 85 78 - Fax: +34 93 467 46 97
nordeste@generalcable.es
NORTH
Álava, Asturias, Cantabria y Vizcaya
Juan de Ajuriaguerra, 26 - 48009 BILBAO
Tel.: +34 94 424 51 76 - Fax: +34 94 423 06 67
delegacionnorte@generalcable.es
Guipúzcoa, La Rioja, Navarra, Soria
Tel.: +34 629 34 85 22 - Fax +34 948 23 46 05
plopez@generalcable.es
Representación GALICIA
BESIGA COMERCIAL, S.L.
Av. Tierno Galván, 112
15178 MAIANCA - OLEIROS (La Coruña)
Tel.: +34 981 61 71 94 - Fax: +34 981 61 74 78
comercial@besiga.com
CANARIES Branch
Ángel Guerra, 23 - 1º
35003 LAS PALMAS DE GRAN CANARIA
Tel.: +34 928 36 11 57 - Fax: +34 928 36 44 73
info@emgg.es
PORTO
R. Gonçalo Cristovão, 312 - 4º B e C
4000-266 PORTO
Tel.: +351 223 392 350 - Fax: +351 223 323 878
EXPORT
Casanova, 150 - 08036 BARCELONA (Spain)
Tel.: + 34 93 227 97 24 - Fax: + 34 93 227 97 19
export@generalcable.es
FACTORIES
ABRERA (Spain)
Carrer del Metall, 4 (Polígon Can Sucarrats) - 08630 ABRERA (Barcelona)
Tel.: +34 93 773 48 00 - Fax: +34 93 773 48 48
MANLLEU (Spain)
Ctra. Rusiñol, 63 - 08560 MANLLEU (Barcelona)
Tel.: +34 93 852 02 00 - Fax: +34 93 852 02 22
MONTCADA I REIXAC (Spain)
Ctra. de Ribas, Km. 13,250 - 08110 MONTCADA I REIXAC (Barcelona)
Tel.: +34 93 227 95 00 - Fax: +34 93 227 95 22
VITORIA (Spain)
Portal de Bergara, 36 - 01013 VITORIA-GAZTEIZ
Tel.: +34 945 261 100 - Fax: +34 945 267 146 - marketing@ecn.es - www.ecn.es
MONTEREAU (France)
SILEC CABLE - Rue de Varennes Prolongée - 77876 MONTEREAU CEDEX (France)
Tel.: +33 (0) 1 60 57 30 00 - Fax: +33 (0) 1 60 57 30 15
contact@sileccable.com - www.sileccable.com
MORELENA (Portugal)
Av. Marquês de Pombal, 36-38 Morelena - 2715-055 PÊRO PINHEIRO (Portugal)
Tel.: +351 219 678 500 - Fax: +351 219 271 942
NORDENHAM (Germany)
NSW - Kabelstraße 9-11 - D-26954 NORDENHAM (Deutschland)
Tel.: +49 4731 82 0 - Fax: +49 4731 82 1301 - info@nsw.com - www.nsw.com
BISKRA (Algeria)
ENICAB - Zone Industrielle - B.P. 131 07000 RP BISKRA (Algérie)
Tel.: +213 033 75 43 21/22 - Fax: +213 033 74 15 19 - info@generalcable.dz
LUANDA (Angola)
CONDEL - Fábrica de Condutores Eléctricos de Angola, SARL
5ª Av Nº 9, Zona Industrial do Cazenga, Caixa Postal nº 3043 LUANDA (Angola)
Tel.: +244 2 380076/7/8/9/17 - Fax +244 2 33 78 12 - condel@snet.co.ao
INTERNATIONAL
ABU DHABI
P.O. Box No. 112478 - Next Showroom Building - Nazda Street, ABU DHABI (UAE)
Tel.:+971-2- 6338991 - Fax: +971-2- 6338993 - akhanka@generalcable-uk.com
ALGERIA
ENICAB
Centre Commercial de L’Egtc local nº A21 - 170 Rue, Hassiba Ben Bouali El Hamma
016000 ALGER - Telf: +213 021 67 61 73 - Fax: +213 021 67 61 75 - info@enicab.dz
NORWAY
Randemveien 17 - 1540 VESTBY (Norway)
Tel.: +47 64955900 - Fax: +47 64955910 - firmapost@generalcable.no
UNITED KINGDOM
Regus House, Herons Way, Chester Business Park,
CH4 9QR CHESTER (United Kingdom)
Tel.: +44 1244 893 245 - Fax:+44 1244 893 101- aribeiro@generalcable-uk.com
RUSSIA
Azovskaya str., 13 - (Russia) MOSCOW
Tel.: +7 495 617 0005 - Fax: +7 495 617 0006 - info@generalcable-ru.com
AGENCIES
ARGENTINA
Francisco Beiró 1490 - Florida Este 1602 - BUENOS AIRES (Argentina)
Tel.: +54 11 4760 6088 - Fax: +54 11 4761 0251 - e-mail: info@generalcable-ar.com
FRANCE
DOMEX Cabling s.a.s - 43, rue de Vincennes - 93100 MONTREUIL (France)
Tel.: +33 1 60 62 51 45 - Fax: +33 1 60 62 51 49 - manuel.dorado@wanadoo.fr
ITALY
Salvaneschi E.e.R.&C.S.A. - Via Pelizza da Volpedo, 20
20092 CINISELLO BALSAMO - MILANO (Italy)
Tel.:+39 02 660 49494 - Fax:+39 02 660 49489 - rsalvaneschi@generalcable-it.com
CUSTOMER SERVICE
TEL.:+34 932 279 700
FAX: +34 900 210 486
www.generalcable.es

Conexiones cross bonding

  • 2.
    0. Introduction 3 1.General screen connection principles 5 2. Earthing circuit conditions and tests 13 3. Standardized screen connection diagrams 15 4. Elements making up the screen circuit 18 5. Multiple circuits 43 6. Tests 44 7. Earthing of lightning arresters 49 1 CONTENTS
  • 3.
    This Engineering Recommendationdeals with the earthing of cable screens which constitute an insulated three phase line, installed either in a service gallery, in an indoor installation or directly buried. To reduce the losses on the line and optimize the transport capacity, connection systems tend to be adopted which reduce the intensity of the currents induced on the screens. These systems involve specific connections of the screens to each other and to earth and give rise to permanent current and current surges on the screen circuits which must be considered. 0.1 SCOPE This Recommendation describes the systems and components used in the connections of the screen circuits of three phase power lines for voltages equal to or greater than 66 kV, made up of single-core cables with metallic screen and insulating sheath. Specific means may be required to withstand the permanent current and current surges which can occur between different parts of the screen circuit, and between the same and the earth, and the testing and checking of the continuity of this circuit should be allowed. 0.2 DEFINITIONS This Recommendation uses the definitions of the International Electrotechnical Vocabulary (publication CEI 50), and in Appendix A of "The Design of Specially Bonded Cable Systems, (part 1)" of Electra no. 28, of May 1973. The following definitions are moreover added: • Screen. Continuous concentric conductor which surrounds the main conductor and insulation, aimed at confining the electric field and at conducting the possible short- circuit currents. It can be made up of a continuous metallic covering or a corona of wires possibly complemented with metallic tapes. It should be connected to earth directly or indirectly. • Sheath Voltage Limiters (SVL). Devices with two terminals of strongly non-linear voltage-current characteristic, aimed at limiting the differences of transitory potential which, on the occasion of impulse, atmospheric or manoeuvring surges, can appear between elements of the screen circuit with limited dielectric strength. • Connection box. Blockable box(1), built to house the connections of the screens, of the earthing cables and the associated SVL when they exist. It should be connected to earth if it is metallic. 0. INTRODUCTION (1) Which requires a tool or a key to open it 3
  • 4.
    • Indirect earthingEarthing of the screens of the cables, or of a section of them, so that the screen circulation currents that would otherwise occur are reduced or eliminated. Other sections of screen from the same or another phase may be involved in series in this connection between a screen and an earth electrode. Indirect earthing causes small permanent current at some points of the screens or at the terminal. 4
  • 5.
    In an alternatingcurrent line, the whole formed by the screens and their connections constitutes a secondary circuit strongly coupled to the primary circuit, formed by the main conductors subjected to mains voltage. For this reason, considerable intensities can appear on the screen circuit during the normal operation of the line. The added losses and heating for this reason should be taken into account, and in many cases measures should be taken to minimize them. This Recommendation distinguishes between two screen earthing diagram types: • Rigid earthing systems • Special earthing systems The following conditions should be fulfilled in both systems: • During the normal operation the capacitive currents should be conducted to earth, maintaining the screens at a potential close to that of earth. • During the time a short-circuit lasts, both external to the line and occurring in the same or on one of its elements, the fault currents which can travel along the screen circuit should not cause excessive voltage between screens and earth and between parts of the screen circuit. The strength of the insulation between screen and earth (cable sheath) and of the separation insulation between sections of screen should be sufficient to withstand these voltages. • At the points in which the current surges of atmospheric or manoeuvring origin could cause inadmissible dielectric stress on the screen circuit, there should be adequately sized voltage limiting devices. The adoption of measures to cancel or minimize the permanent intensities on the screens associated with the operation of the line under normal conditions can cause another type of problem, mainly the appearance on the screen circuit of high voltages during short- circuits or current surges on the mains. This Recommendation regulates the procedures to maintain these surges within acceptable limits. 5 1. MAIN SCREEN CONNECTION PRINCIPLES
  • 6.
    1.1 RIGID EARTHINGSYSTEMS In these systems the screens of the three phases are connected together directly and to earth so that, at all points of the line, the voltages of the screens between each other and in relation to earth are maintained close to zero. No provision is adopted to prevent the circulation of currents along the screens under a permanent regime. These currents, induced by the main conductors, will give rise to an additional production of heat, with the consequent reduction of the line’s transport capacity. The screens should be joined together and to earth at both ends of the lines. If necessary, with the aim of limiting the screen voltages which could appear in the event of a defect on the line itself, the screens will be joined together at other points, which can also be earthed.(2) Generally speaking, single-core cables which constitute a three phase line are arranged in a triangle as close as possible, to reduce the currents on the screens, which increase on increasing the separation between phases. With this arrangement, the transpositions of phases along the line are only useful to reduce their inductive influence on adjacent cables. When the arrangement is flat, or in some other way asymmetric, the transposition of conductors can moreover achieve the equality of currents on the screens, and thus obtain the minimum value of losses in this type of connection. Under no circumstances can the transposition of conductors be used to cancel the currents on the screens. Joints Fig. 1 Rigid earthing system 6 (2) It is prudent to connect the screens together and to earth every 2 to 3 km, but this is only required if the voltages generated between phases or between phase and earth due to voltage drop because of the circulation of fault current exceeds the perforation voltage of the sheath.
  • 7.
    1.2 SPECIAL EARTHINGSYSTEMS The permanent circulation of current along the screens during the normal operation of the line leads to a rise in the losses and to the need to oversize the section of the main conductors in order to obtain a certain transporting capacity for the line. With the aim of preventing these inconveniences, the screens are earthed following diagrams which exclude the formation of closed circuits between them, or they manage to cancel the electromotive forces induced in the possible closed circuits, without them ceasing to fulfil the safety conditions already set forth. Having attained this objective, a further two advantages appear, in addition to those sought: • The separation between phases can be increased in order to obtain a better dissipation of the heat to the surroundings. • As the necessary section of the main conductor is smaller, the capacitive current absorbed by the line is somewhat lower. Certain inconveniences should be taken into account: • The screen system (cables and accessories) should withstand permanent currents (in the order of some tens of volts) and current surges (in the order of some kilovolts), and consequently it should be completely insulated in relation to earth, except at the connection points foreseen. • In certain cases, joints have to be used which allow the electric discontinuity on the screens. • Limitation elements should be installed for the current surges of short duration at the discontinuity points of the screens and, in certain cases, at the ends. • In cases of earthing at a single point, an earth bonding conductor should be installed. The losses in the screens cannot be eliminated completely on cancelling the complete intensity which passes along them. The proximity effect generates stray currents in the closed paths within the frame of the screen (Foucault’s losses) which also cause losses. 7
  • 8.
    1.2.1 Cross bondedsystem This system consists of dividing the total length of the line into sections by means of discontinuities in the screens, making a crossed screen connection at each change of section. The natural points to establish the discontinuity are the joints. The typical diagram is that formed by one or more “major sections”, each containing three “minor sections”. We thus achieve that in each major section the total EMF induced is practically nil. A sufficient, although not total, reduction of this EMF can be achieved with unequal sections or with a number which is not a multiple of three. The screens are earthed at the two ends of the line and, possibly, at the ends of the major sections. If the arrangement of the cables is not symmetrical (flat arrangement, for example) and, for this reason, transpositions of the same are carried out, the crossing of the connections of the screens should be carried out in the opposite direction to that of the transposition, so that the screens in series remain in the same spatial position all along the run. 8 Fig. 3 Crossing of screens in the event of transposition of cables Fig. 2 Cross bonded system (1 major section, 3 minor sections) Minor section Minor section Minor section Major section Cross-bonding link boxes
  • 9.
    Two variants aredistinguished for the purposes of the connection of the screens to each other and to earth: Sectionalised cross bonding: The screens are joined to each other and to earth at the ends of the circuit and at the ends of all the major sections. 9 Continuous cross bonding: The screens are joined to each other and to earth only at the ends of the circuit. Fig. 4 Sectionalised cross bonding system (2 major sections, 6 minor sections) (Intermediate earthing) Major section Major section Major section Major section Fig. 5 Continuous cross bonding system (2 major sections, 6 minor sections) Cross bonding link boxes with SVL Cross bonding link boxes with SVL
  • 10.
    1.2.2 Single-point earthingsystem With short stretches or those which do not require more than one section of cable, the cross bonding system may be uneconomical. In these cases we resort to a diagram in which each screen has a single point of connection to the rest and to earth, Normally, the point at which the screens are joined and are connected to earth is one of the ends of the line but, if the permanent screen voltages which appear in this case are excessive, the earth connection point can be transferred to an intermediate point. The screen circuit of a line can be divided into isolated sections, with each section having a single earthing point. Both in the previous case and in the latter, the system is called single-point earthing. With the single-point system, each section of the screen circuit is joined to earth by connecting it to the earth continuity conductor (described in 1.2.3), either at its ends or at intermediate points. Fig. 6, Fig. 7 and Fig. 8 show typical examples of single-point earthing for lines of one or two sections. Fig. 6 Single point bonding system (Earthing at one end) 10 SVL link box Fig. 7 Single point bonding system (Earthing at the middle point) Earth continuity conductor Earth continuity conductor SVL link box SVL link box
  • 11.
    1.2.3 Earth continuityconductor If there is no low impedance joint between the earthing electrodes of each end of the line, in the event of circulation along the line of short-circuit currents with a strong homopolar component there will be an earth return. In this case very high voltages may be induced in the screen circuit and in conductors close to and parallel to the line. In order to provide a low impedance path for the homopolar current, a conductor link is arranged between the earth electrodes of both ends of the line, formed by one (or several) conductor(s) with a sufficient section to admit the expected short-circuit current. This conductor, installed adjacent to the line, is transposed at intermediate points to balance the EMF induced and thus prevent the permanent circulation of current during the normal operation of the line. The earth continuity conductor should be insulated all along its run. It is tested at a test voltage of 10 kV, 50 Hz, 1 min. 1.2.4 Surges in the screen circuit With the special connection systems, the circulation of fault currents external or internal to the line induces voltages of industrial frequency on the screens, above those of permanent operation. These voltages should not exceed the admissible values of the external cable sheath and accessories or of the discontinuity insulation of screens on the joints and terminals. Their value depends on the length of the smaller sections, on the electric and geometric parameters of the line, on the intensity of short-circuit and on the screen circuit diagram. The cables and accessories are designed to resist these surges. The rapid transitory phenomena of atmospheric or manoeuvring origin cause abrupt front surges which propagate around the screen circuit and can reach very high values at the points of interruption of the screens and at the terminals. To limit these surges it is necessary to install voltage limiting devices at certain points, as detailed in section 1.2.5. These limiters must not, under any circumstances, initiate the conduction with the industrial frequency voltage, caused by the fault currents, which can occur at their terminals. 11 Fig. 8 Single point bonding system (Earthing at both ends with interruption of screen at the middle point) SVL link boxes Earth continuity conductor
  • 12.
    1.2.5 Sheath voltagelimiters (SVL) The limiting devices indicated in the previous section, also called surges dischargers, are strongly non-linear zinc oxide conductor elements. They present a very high resistance to the reduced voltages that appear under normal operating conditions, and they do not therefore modify the screen circuit diagram. They weakly conduct the industrial frequency voltages originated during mains failures, without having any limiting effect on these voltages. On the other hand, they conduct intensely for the short disturbances of atmospheric or manoeuvring origin which would cause very high voltages at the ends and at the discontinuity points, limiting these voltages to admissible values. This conduction is accompanied by production of heat in the discharger, for which the latter has a reduced storage capacity. For this reason, they are only adequate to limit surges of an order of duration lower than 1 ms, being able to be destroyed if an industrial frequency voltage, even of short duration, exceeds their free conduction threshold. It is necessary to limit the voltages which appear between screens and the local earth and which subject the insulating sheath of the cable and the supporting insulators of the terminals to dielectric stress, and the voltages that are presented between the two ends of the screen which concur at the same joint with screen discontinuity, which must be withstood by a very small thickness of insulating material inside the joint. 1.3 SCREEN CONNECTIONS To allow periodic verifications of insulation and continuity of the screen circuit, the connections between screens, to earth and to the SVL are carried out using detachable elements(3). The connection of the SVL must also be detachable. These connections and the SVL must be placed out of reach of unauthorized people, either in adequate boxes, with insertion of physical barriers, or next to the external terminal base if they are not accessible from the ground. 12 (3) The detachable connections are connected by means of blades or screws and can easily be removed and replaced, without subjecting the elements of the circuit to stress or bending.
  • 13.
    2.1 GENERAL CONDITIONS Allthe direct connections between screens and between the latter and earth must be carried out using detachable links. The connections between screens and between the latter and earth carried out using SVL must be disconnectable. During the operation of the line, these elements must be considered as live elements and the same precautions shall be established to access them as for the live parts of the installation. 2.2 SCREEN EARTHING POINTS The direct earthing of the screens shall be carried out taking into account the following instructions: • In the cases in which the screens must be earthed at one of the ends of the line, the connection will be carried out to the general earth electrode of the substation and at the same point where the earth bonding conductor, if it exists, is connected. • In the cases in which the screens are earthed at intermediate points of the line, they will also be connected to the bonding conductor, if it exists. • If there is no bonding conductor, and in the location there is a local earth system intended for other uses, to carry out the connection of the screens to this system at intermediate points of the line it will be necessary to justify that it can accept the impulses of intensity which would originate in the event of atmospheric or manoeuvring discharge, the industrial frequency intensities that would appear in the event of short-circuit at any point of the line or external to it and the permanent industrial frequency intensities that may occur due to asymmetries of the line or other causes, always ensuring the safety of people and equipment. 2.3 EARTHING POINTS OF THE SVL In the situations in which the SVL devices are connected in a star, the centre of the star can be earthed in the following cases: • In the cases in which the SVL must be connected at one of the ends of the line, the connection will be carried out to the general earth electrode of the substation and at the same point where the earth continuity conductor, if it exists, is connected. • To the earth continuity conductor, if it exists. • If there is no earth continuity conductor, and there is no adequate earth network, the connection may be carried out to an electrode formed by four earth rods with a length no shorter than 1.2 m, connected parallel and situated in the four corners of the enclosure where the SVL are housed, provided that this electrode is electrically independent from any other local earth system of the installation. 2. EARTHING CIRCUIT CONDITIONS AND TESTS 13
  • 14.
    • If thereis no earth continuity conductor, and in the location there is a local earth system intended for other uses, to carry out the connection to this system it will be necessary to justify that it can accept the impulses of intensity which would originate in the event of atmospheric or manoeuvring discharge and the industrial frequency intensities that would appear in the event of action of one of the SVL ensuring the safety of people and equipment. • If none of the possibilities indicated in the above hypotheses is available, the centre of the star of the SVL will not be earthed. In these cases, the connection of the SVL in a triangle is preferred. 14
  • 15.
    3.1 RIGID EARTHINGSYSTEMS With this system the screens are directly joined to each other and to earth at both ends and, possibly, at some intermediate point, without there being any interruption in their continuity. Fig.1 illustrates the general case, in which both ends of the line and possibly the joint points are directly earthed. 3. STANDARDIZED SCREEN CONNECTION DIAGRAMS Joints Fig. 1 Rigid earthing system 3.2 CROSS BONDED CONNECTION SYSTEMS Fig. 2 describes the diagram to be used in the event of a major single section and Fig. 5 in the event of two major sections. With this system surge limiting devices are only necessary at the intermediate points of discontinuity of the screens. Fig. 2 Cross bonting system (1 Major section, 3 minor sections) Minor sectionMinor section Minor section Major section 15 Cross bonding link boxes with SVL
  • 16.
    The SVL canbe connected in the following manners (see Fig 9): • In a triangle, each of them being parallel with the continuity interruption space of each screen. • In a star, with its centre connected to a local earth system or to the bonding conductor (or to one of the conductors), if it exists (see section 2.3). • In a star, with its centre insulated. Major section Major section Fig. 3 Continuous cross bonding system (2 major sections, 6 minor sections) 16 Cross bonding link boxes with SVL Fig. 9 Detail of SVL box and screen crossing Cross bonding link box with SVL SVL in star SVL in triangle
  • 17.
    3.3 SINGLE POINTEARTHING SYSTEMS These systems, which can be made up of one or several sections, are characterized by the discontinuity of the screens in some (or in all) the changes of section and by the joining of the screens to each other and to earth in a single point within each section. Surge limiting devices assembled in a star with centre earthed must be installed at each end of section which does not coincide with the point of its earthing. There must be an earth continuity conductor, and the earth connections, both of the screens and of the surge limiting devices, must be carried out directly to this conductor (Figs. 6, 7 and 8). 17 Fig. 6 Single point bonded system (Earthing at one end) Fig. 7 Single point bonded system (Earthing at the middle point) Earth continuity conductor SVL link boxes Earth continuity conductor Fig. 8 Single point bonded system (Earthing at both ends with interruption of screen at the middle point) SVL link box SVL link box Earth continuity conductor SVL link box
  • 18.
    4. ELEMENTS MAKINGUP THE SCREEN CIRCUIT (4) The connection boxes are of a watertight horizontal type, and are used in chests or galleries. The cupboards are of vertical type protected against the elements and used fastened to walls of substations or metallic structures (pylons or towers). (5) An internal short-circuit generates a very considerable excess pressure. If the box breaks, this excess pressure will be transmitted to the chest (of small volume) and may be sufficient to pull off the cover and cause an accident. 18 The elements necessary to establish the connections between the elements of the screen circuit that each system requires, and for the subsequent verification of the screens, are described below. 4.1 CONNECTION BOXES OR CUPBOARDS (4) The ends of the junction cables and of the SVL (except the SVL connected directly between sectioning insulation on terminals of equipment with metallic casing or on external terminals –see section 4.5.1), will be enclosed in connection boxes capable of containing the effects of thermal or electric failure of any of the elements housed without damage being caused to neighbouring external elements. In the cases of boxes installed in chests or enclosures of small volume it is recommended that they should be capable of containing the effects of an internal short-circuit.(5) In the case of voltages of 245 kV upwards, with their corresponding high fault levels, it is accepted that, in certain situations, the insulation of the SVL and of the connections may not be capable of withstanding the conditions to which they are subjected in the event of an internal fault of the line itself. When this situation is foreseen, additional measures should be adopted to confine the consequences of this type of fault. Metallic connection boxes should always be earthed, by means of a connection independent from the earthing of the elements contained inside them (connections of the screens or of the SVL) with a sufficient level of insulation. The internal insulation of the connection boxes should fulfil the conditions of section 6.3. The boxes or cupboards should be equipped with some means to prevent incorrect connection positions and shall be equipped with a label which shows the normal connection arrangement. The connections of the terminals, junction cables and SVL must be designed so that they can achieve and easily maintain the contact resistances of section 6.6 (d). The terminals and junction cables must also fulfil the short-circuit resistance conditions given in the Table of section 4.2.
  • 19.
    4.1.1 Watertight connectionboxes They must fulfil protection grade IP68. Those which contain SVL and which are assembled at ground level must be of a horizontal type, with covers equipped with adequate bolts for installation in not very deep chests under the surface of the ground. The highest point of the box assembled in a chest (without considering the lifting eyes) should not be more than 1 m below the level of the ground, to aid handling. The boxes foreseen for external installation must be weatherproof and adequate for assembly on watertight terminal support structures. The metallic boxes must be earthed by means of connection to adjacent main earth electrodes or to the earth bonding conductor. They can also be connected just to a local earth system, independent from the main system, if the internal insulation of the box guarantees an adequate safety level. Each box should contain the elements of just one circuit. 4.1.2 Protected connection cupboards or boxes All these boxes should fulfil protection grade IP54. When they are in vertical position they are called cupboards. The cupboards should fulfil the following conditions: (1) The back part of the cupboard should be a fixed panel. (2) The door(s) should be closed by means of a security lock or an alternative method. When the cupboard has two doors, only one of them needs to be blockable; the other door can be secured by means of internal espagnolette bolts on the upper and lower part. (3) Each circuit should have its own cables for connection to screens and to earth, SVL and earth cables. These elements cannot be shared by two circuits. When the cupboard is situated within the area of an important earth network (for example of a substation), the internal earth bar should be connected to this network. If the cupboard is metallic, it should also be connected to this earth network, it being possible to carry out this connection to the earth bar inside it. When the box is not situated thus (for example at joint points all along the cable run), the earth bar to which the connecting cables are connected (by SVL, in the appropriate cases) in normal operation should be connected to the earthing system of the location of the joint. The box, if it is metallic, should be connected to its own local earth. The insulation between the internal earth bar and the box should be adequate to resist the test level between junction cable and earth specified under Point 6.3. The insulation between the casing of the SVL and the box should also fulfil this condition. When the box is metallic, its earth connection terminal shall be independent from the elements housed in it. The set of connection devices may be covered by a transparent methyl methacrylate insulating screen, or by another suitable material. 19
  • 20.
    If higher valuesare foreseen in a specific installation, suitable larger sections should be adopted. The connecting cables to be used should be: • In cable systems with rigid connection: All the connecting cables will be single-core. • In cable systems with special connection: Except in the cases which are indicated below, all the connecting cables shall be concentric. In a joint with screen sectioning, the conductors on both sides of the sectioning shall be the inside and the outside of the connecting cable. In the terminals, the junction cables connected to the screens of the cables should be the interior conductors of the concentric cables; the exterior conductors of the aforementioned cables shall be connected in all cases to the metallic parts of the terminal support structures. If metallic connection boxes are used, the exterior conductors of the concentric cables of the terminals shall be connected in all cases to the metallic box. 4.2 JUNCTION CABLES BETWEEN SCREENS AND CONNECTION BOXES AND/OR SVL HOUSING These cables must be made up of stranded copper conductors insulated with XLPE, and should be one of the following types: (i ) Single-core construction, in accordance with Table 1A. (ii) Concentric construction, in accordance with Table 1B. Tables 1A and 1B show the minimum section of connecting conductor associated with the nominal voltages and with the system’s short-circuit current levels. The connecting cables must comply with the conditions of UNE-HD-603 in everything which is applicable to them, except as regards the testing voltages, which shall be those indicated under Point 6.4 of this recommendation. The section of the connecting cables, both for the interior and exterior conductors of the concentric cables and for the single-core cables in any type of connection, shall be determined by the maximum value of the short-circuit current foreseen for the installation. Depending on the highest voltage for the material, the minimum levels of this current to be taken into account in the design of the connecting conductors are established in Tables 1A and 1B, as follows: 20 U ≤ 72,5 kV 16 kA for 1 second 72,5 kV < U ≤ 145 kV 25 kA for 1 second 145 kV < U ≤ 245 kV 40 kA for 1 second 245 kV < U 63 kA for 1 second
  • 21.
    The SVL andtheir detachable connections can be situated directly on the pylon or metallic support structure. The connections should be designed to minimize the length of the cables. Whenever possible, no concentric type connecting cable should be more than 10 m long. Joints will not be accepted in the connecting conductors in new installations, but they can be accepted in subsequent interventions, for example in maintenance or repair work. The exceptional cases in which single-core connecting cables can be used in systems with special screen connection are: • Junction cables used for the earthing of the screens of the cables at the common earthing point of two sections with single-point connection, as shown in Fig. 7. 21 Fig. 7 Single point bonded system (Earthing at the middle point) Earth continuity conductor • Junction cables used in terminals normally earthed. • Junction cables used for earthing or other connections in the terminals in equipment with metallic casings, as in Figs. 20, 21 and 22. SVL link box SVL link box
  • 22.
    Fig. 10 Screen connectiondiagram in terminals with metallic casing (Direct earthing) 22 Connections close to metallic casings Blockable connection box assembled on frame Main earth of the system or earth continuity conductor The bridges must be connected directly to both sides of the separation insulation and the metallic casings must be connected to the main earth of the system. NOTE: Connection function: Element: Applicable to: Direct earthing Terminal of the cable For direct earthing in systems with class SF61 insulated screen.
  • 23.
    23 Fig. 11 Screen connectiondiagram in terminals with metallic casing (Direct earthing) Connections far from metallic casings Blockable connection box on frame Connecting cable to pass through the CT (if appropriate) Main earth of the system or earth continuity conductor The SVL must be connected directly to both sides of the separation insulation and the metallic casings must be connected to the main earth of the system. NOTE: Connection function: Element: Applicable to: Direct earthing Terminal of the cable Direct earthing in systems with class SF62 insulated screen.
  • 24.
    Fig. 12 Screen connectiondiagram in terminals with metallic casing Not earthing) 24 Connections of metallic casings Connecting cable (Can pass outside the CT if appropriate) Main earth of the system or earth continuity conductor The SVL are connected directly to both sides of the separation insulation and the surrounding boxes are connected to the main earth of the system. NOTE: Connection function: Element: Applicable to: SVL connection Terminal of the cable without earthing Connections in systems with class SF63 insulated screen. The cable and the earthing box can be replaced by a portable earthing when it acts on the SVL Blockable connection box without bridge connected in normal service
  • 25.
    4.3 LINE ENDTERMINALS 4.3.1 Terminals for installation in open air. All the connecting cables between screens or metallic parts of the terminal base, the connection boxes and the earthing points should be of one of the standardized insulated types. The insulation level between screens (or metallic parts connected to them) and earth should allow the application of the continuous high voltage rigidity tests specified for the cable sheath. They must also withstand the surges indicated in column 3 of Table 2A. The insulation in relation to earth of the metallic bases of the exterior terminals will be carried out by means of pedestal insulators. 4.3.2 Terminals for direction connection to equipment with metallic casing. The terminals for screened installations (GIS or transformers) shall incorporate screen separation insulation. When the cables end in equipment with metallic casing (with SF6 or oil insulation), special arrangements may be necessary for the connection, the earthing and the use of SVL. The main circuits can be divided into two classes, “OIL” and “SF6”. 4.3.2.1 OIL circuits This class includes terminals with metallic shielding in a transformer (generally submerged in oil). The connection to the winding of the transformer is carried out directly or through an isolator (not manoeuvrable in service). For this application it is permitted to use the same connection and earthing arrangements as the air terminals, that is Figs. 10 to 12 inclusive. The connection and earthing arrangements for class SF6 circuits can also be used if they are more economic or more appropriate for the conditions of the site. 25
  • 26.
    Fig. 13 Screen connectiondiagrams in rigid connection terminals (Direct earthing) 26 Blockable connection box Connecting cable to pass through an CT (if appropriate) Main earth of the system On the screens of the cables there will be circulation, or capacitive, currents. This diagram is used preferably in terminals assembled on conversion towers. NOTE: (a) (b) Connection function: Element: Applicable to: Direct earthing Terminal Except for class GIS terminations in equipment with metallic shielding (see Figs. 10 and 11).
  • 27.
    27 Fig. 14 Screen connectiondiagrams in terminals (Direct earthing) Blockable connection box assembled on frame Connecting cable to pass through an CT (if appropriate) Main earth of the system Connection function: Element: Applicable to: Direct earthing Terminal Systems of all kinds with connection of their ends to weatherproof type terminals and to terminals of equipment with OIL class metallic casing. NOTE: (a) (b) On the screens there will be circulation, or capacitive, currents. This diagram is used preferably in terminals assembled on individual towers.
  • 28.
    Direct earthing Terminal Systems ofall kinds whose ends are equipped with weatherproof type terminals or terminals in equipment with OIL class metallic casing. Fig. 15 Screen connection diagrams in terminals (Direct earthing) 28 Blockable connection box Concentric cables Main earth of the system Connection function: Element: Applicable to: Only the internal connecting cable should pass through the CT (if appropriate) This diagram will give rise to circulation or capacitive currents in the screens of the cables. NOTE:
  • 29.
    4.3.2.2SF6 circuits This classincludes terminals with metallic shielding when there is no transformer between them and an automatic switch or manoeuvrable isolator. In general these terminals are submerged in SF6. For this type of terminal it is essential that the sectioning insulation of the screens is protected against current surges during the manoeuvring operations, by means of short-circuit bars or SVL, as appropriate, connected directly between both sides of this insulation. Normally, to obtain an effective suppression of the impulse surges, two connections of this kind must be assembled (whenever possible), separated some 180º around the circumference of the terminal(6). Each connection, including those of the SVL, if appropriate, must be as short as possible and under no circumstances must exceed 0.5 m. They should be fastened by screws to the adjacent metallic parts in order to be able to remove them for the screen insulation tests (see 6.6). (a) Class SF61 refers to terminals earthed in which the earth connection of the shielding is close to the terminals of the cables. In this case, the sectioning insulation should be short-circuited using bridges connected directly to both sides of the insulation, as Fig. 10 shows. If the current transformers are not housed inside the assembly with metallic shielding of the substation, the SF62 connection should be used. (b) Class SF62 refers to terminals earthed in which the earth connection of the shielding is far from the terminals of the cables. In this case, the sectioning insulation should be protected by means of SVL, as Fig. 11 shows. (c) Class SF63 refers to terminals not earthed. The sectioning insulation of the terminals should be protected by means of SVL, as Fig. 12 shows. (6) Under these conditions there is no impedance between the switch and the cable and discharges can occur with very marked wave fronts. The impulse frequency is very high and the wavelength short. To maintain the protection level of the cable it is necessary to reduce as far as possible the distance between the SVL and the screen and divide the length of the screen sectioning insulation placing two SVL or connection bars parallel. 29
  • 30.
    Fig. 10 Screen connectiondiagram in terminals with metallic casing (Direct earthing) 30 Connections close to metallic casings Blockable connection box assembled on frame Main earth of the system or earth continuity conductor The bridges must be connected directly to both sides of the separation insulation and the metallic casings must be connected to the main earth of the system. NOTE: Connection function: Element: Applicable to: Direct earthing Terminal of the cable For direct earthing in systems with class SF61 insulated screen.
  • 31.
    31 Fig. 11 Screen connectiondiagram in terminals with metallic casing (Direct earthing) Connections far from metallic casings Blockable connection box on frame Main earth of the system or earth continuity conductor The SVL must be connected directly to both sides of the separation insulation and the metallic casings must be connected to the main earth of the system. NOTE: Connection function: Element: Applicable to: Direct earthing Terminal of the cable Direct earthing in systems with class SF62 insulated screen. Connecting cable to pass through the CT (if appropriate)
  • 32.
    Fig. 12 Screen connectiondiagrams in terminals with metallic casing (Not earthed) 32 Connections of metallic casings Blockable connection box without bridge connected in normal service The cable and the earthing box can be replaced by a portable earthing when it acts on the SVL Connecting cable (Can pass outside the CT if appropriate) Main earth of the system or earth continuity conductor The SVL are connected directly to both sides of the separation insulation and the surrounding boxes are connected to the main earth of the system. NOTE: Connection function: Element: Applicable to: SVL connection Terminal of the cable without earthing Connections in systems with class SF63 insulated screen.
  • 33.
    4.3.3 Connection diagramswith intensity transformers When intensity transformers are installed adjacent to the terminals, the connection diagrams will normally be those described in the corresponding figure. When the connecting cable is concentric, as in Fig 12, this entails part of the cable where the two conductors are separated, and the connection diagram experiences a reduction in its efficiency in the limitation of the transient voltage.(7) 33 (7) On separating the two conductors this increases the inductance of the circuit and the voltage drop at this point. Direct earthing Terminal All kinds of system whose ends are equipped with weatherproof type terminals or with terminals in equipment with OIL class metallic casing. Fig. 15 Screen connection diagrams in terminations (Direct earthing) Blockable connection box Concentric cables Main earth of the system Connection function: Element: Applicable to: Only the internal connecting cable should pass through the CT (if appropriate) This diagram will give rise to circulation or capacitive currents on the screens of the cables. NOTE:
  • 34.
    4.3.4 Metallic shieldinginsulation of the terminals Any oil or gas piping which penetrates the terminal must be connected through insulation couplings or straps, so that it can be earthed permanently while the screens of the cables are left insulated in relation to earth. When the permanent screen voltage on a terminal exceeds 10 V, the metallic parts of the shielded terminal base must be screened against accidental contacts by means of adequate insulating protection. 4.4 JOINTS The following conditions should be observed: 4.4.1 External insulation The joint boxes and the connecting cables should be insulated externally in such a way that allows the performance on the ground of the direct voltage rigidity tests of the cable sheath. 4.4.2 Joints without screen sectioning Any joint installed where screen sectioning is not required shall have direct metallic continuity between the screens of two cables which access the joint. The joints with screen sectioning (see 4.4.3) can be adapted to be used as joints without sectioning if short connectors are added which directly and permanently bypass the sectioning insulation. These connectors will be integrated in the general external insulation of the joint box. 4.4.3 Joints with screen sectioning Any joint installed where screen sectioning is required must incorporate an insulating part and be arranged in a way that provides the insulation levels necessary both to earth, and between screens, of the cables which access the joint. All the joints with screen sectioning must be arranged in a way which accommodates the concentric connecting cables (see 4.2). The connection elements shall be situated as close as possible to the screen sectioning insulation. When a cable system with insulated screen has to be connected to a non-insulated screen cable system, the joint must be of the type with screen sectioning (see Fig. 16). 34
  • 35.
    When the totallength of a cable system with rigid connection of insulated screen is big, it may be convenient, to aid the location and repair of possible defects on the cable sheath, to subdivide the system into two or more sections. This subdivision can be achieved with the inclusion of one or more groups of joints with screen sectioning. 35 Blockable connection box with sheath voltage limiters Concentric cables Earth of the substation or earth continuity conductor Joints with screen discontinuity Fig. 16 Joint between a system with earth connection and a system with screen insulated at this point Connection function: Element: Applicable to: Rigid connection and SVL connection Joint between different sections, one of which is not earthed. Systems which incorporate sections with crossed connection and sections with single- point connection.
  • 36.
    36 4.4.4 Open-air joints Theexternal insulation of any joint which is going to be installed in the open air must be identical to that of the buried joint. The insulation cannot be achieved on the basis of distances in the air. 4.5 SURGE LIMITING DEVICES. 4.5.1 Application To minimize the current surges in the screens of the cables, sheath voltage limiters (SVL) must be installed: • On the screen cross joints and on the non-earthed terminals of sections with single-point connection. • On non-earthed terminals, connected directly to equipment with metallic shielding of the type defined in 4.3.2.2. The use of SVL should be avoided as far as possible at these points, by means of the adoption of an alternative connection and earthing device. • At the non-earthed terminals of all the other types. • Under certain circumstances it may be necessary to install SVL in earthed terminals when they are installed in equipment with metallic shielding (see 4.3.2.2). Figs. 15, 17, 18, 22 and 23 show these applications.
  • 37.
    Fig. 17 Screen connectiondiagram in terminations (Not earthed) 37 Connection function: Element: Applicable to: Connection of SVL Terminations not earthed. Systems of all kinds whose ends are equipped with weatherproof type terminations or terminations in equipment with OIL class metallic enclosure. Only the internal connecting cable should pass through the CT (if appropriate) Concentric cables Blockable link box with S.V.L. Substation earth or earth continuity conductor
  • 38.
    Fig. 18 Screen connectiondiagram in joints in cross bonded systems 38 Blockable connection box with sheath voltage limiter Concentric cables Earth system of the joint location Connection function: Element: Applicable to: Crossed connection protected with SVL Joints at sectioning points of minor sections. Cross bonded systems. Joints with screen discontinuity
  • 39.
    Fig. 19 Screen connectiondiagram in screen interruption joints without earthing between sections with single-point bonding 39 Concentric cables Main earth of the system Connection function: Element: Applicable to: SVL connection Screen not earthed. Systems with single-point bonding. Joints with screen discontinuity Main earth of the system Double link box with SVL. Can be replaced with two single boxes Depending on the system design, the schematic diagram of a joint between minor sections single point bonded can be this one or that of Fig. 16 and 19. NOTE:
  • 40.
    40 Fig. 12 Screen connectiondiagrams in terminals with metallic casing (Not earthed) Connections of metallic casings Blockable connection box on frame without bridge connected in normal service Connecting cable (Can pass outside the CT if convenient) Main earth of the system or earth continuity conductor The SVL are connected directly to both sides of the separation insulation and the surrounding boxes are connected to the main earth of the system. NOTE: Connection function: Element: Applicable to: Connection of SVL Terminal of the cable without earthing Connections in systems with class SF63 insulated screen.
  • 41.
    41 Blockable connection box withsheath voltage limiters Concentric cables Earth of the substation or earth continuity conductor Connection function: Element: Applicable to: Rigid connection and SVL connection Joint between different sections, one of which is not earthed. Systems which incorporate sections with crossed connection and sections with single-point connection. Joints with screen discontinuity Fig. 16 Joint between a system with earth connection and a system with screen insulated at this point
  • 42.
    42 4.5.2 Operating conditions Theunits must be capable of withstanding the situations detailed below, already described in section 1.2.5 of this Recommendation. (1) The units must be capable of withstanding continuously the permanent screen voltage induced by the nominal charging current. (2) The units must be capable of withstanding for a period of 1 second each, two applications in quick succession of their nominal voltage (at industrial frequency), which must not be lower than the screen voltage induced under DC conditions external to the line. (3) The units must be capable of withstanding the transient voltages and the corresponding currents to which they are subjected under abnormal conditions of the system; that is to say, in routine manoeuvres, in nominal atmospheric discharges, in nominal manoeuvre surges, or during a short-circuit current of nominal value. However, it is accepted that occasionally the units are not capable of withstanding the conditions to which they are subjected in the event of internal defect in the cable system (see 4.1). (4) The units must be capable of limiting the transient voltages to which they are subjected (residual peak voltage), to no more than the impulse voltage admissible in the connection enclosure between links and earth (see 6.3). If the residual peak voltage exceeds the value of 20 kV, it may be necessary to review the insulation levels of the cable sheath and of the joint protection. The units which are used to protect the sectioning insulation of the earthed terminals in equipment with metallic shielding should fulfil only conditions (3) and (4). 4.5.3 Earthing The earth connection of the SVL devices shall be carried out taking into account that indicated in section 2.3 of this Recommendation. 4.5.4 Installation of SVL When they are installed in enclosures with metallic casing or in external insulators, directly in the air, they shall be encapsulated and weather resistant. The SVL must be installed in such as way that they can be easily disconnected.
  • 43.
    43 5. MULTIPLE CIRCUITS Aninstallation can contain two or more triads of single-core cables. The following conditions must be fulfilled for the whole to be considered as a single line (several conductors per phase) for the purposes of this recommendation: • The run shall be identical for all the triads, as shall their relative distances. • All the triads shall have the same screen connection diagram. • All the triads must be earthed at the same points of their run and at the same points of the earth network. • All the triads must be connected rigidly in parallel in HV at both ends, without the insertion of switchgear. • It must be impossible to leave some of the triads out of service and to maintain the rest in service. Under these conditions, the following may be common to all the triads: the bonding conductor, the connection boxes or enclosures and the surge limiting device housing boxes or enclosures. When any of the conditions indicated is not fulfilled and, in particular, when it is a question of circuits projected as independent, there should not be common elements in the screen circuits of the different triads.
  • 44.
    44 6. TESTS 6.1 EXTERNALINSULATION OF THE JOINTS. The joint protection box should withstand mechanical resistance tests, immersion in 1m of water column and 20 heating and cooling cycles, followed by direct voltage tests of 20 kV during 1 minute and impulse tests between screen ends and between each screen and earth as indicated in the following table. In accordance with IEC 60840 Appendix H or IEC 62067 Appendix D Table 2A Impulse tests with nominal wave of 1/50 ms to IEC 60230 Voltage of Joint boxes the system Between connectors Between connectors and earth kV kVp kVp 66 60 30 132 75 37,5 275 95 47,5 400 125 62,5 6.2 WATERTIGHTNESS OF THE BURIED CONNECTION BOXES Buried connection boxes for installation under ground level should be subjected to a watertightness type test. Connection boxes with small lengths of junction cable connected should be submerged in water up to a depth of no less than 1 m in relation to the highest point of the box or must be subjected to an external excess pressure of 0.1 bar for a period of 7 days. The connection box must be built in such a way that it withstands this test without damage or leak. At the end of the test, the appearance of small drops of water inside the box is accepted, which overall are not considered to be harmful for the life or for the operation of the connection box. 6.3 INTERNAL INSULATION OF THE CONNECTION ENCLOSURES The connection enclosures shall be capable of withstanding type tests of: (a) Impulse voltage (nominal wave form of 1/50 microseconds in accordance with IEC 60230) three positives and three negatives of 35 kVp between phases and of 17.5 kVp between phases and earth. (b) Direct voltage of 25 kV for 5 minutes between phases and between phases and earth.
  • 45.
    45 Table 2B 6.4 CONNECTINGCABLES The connecting cables must be subjected to routine tests in accordance with HD 603, except as regards the test voltages, which should be as follows: Insulation of single-core cables 20 25 DC 1 minute Internal insulation of concentric cables of 120 mm2, 240 mm2 and 300 mm2 25 15 AC 5 minutes Internal insulation of concentric cables of 500 mm2 30 20 AC 5 minutes External insulation of concentric cables 20 25 DC 1 minute Description Test voltage Dry rigidity test spark test kV AC Voltage test on finished cables kV
  • 46.
    46 6.5 SHEATH VOLTAGELIMITERS The routine and maintenance tests on finished assemblies shall be as follows: Zinc oxide units The voltage test at AC 50Hz must be adapted to give a peak test intensity of 1.6 mA and the voltage measured must be within the range given below. In the finished installation tests the visual examination must show that the junction cables and the external surface of the unit or of the container are free from important protuberances or from other signs of deterioration. (a) Internal insulation resistances for SVL enclosures with earth cables. The resistance between the earth cables and any metallic case should not be less than 10 MΩ measured with a 1000 V megaohmmeter. Type of limiter Peak voltage Peak voltage/√2 (kV) (kV) CPA-03 5,05 ÷ 5,56 3,57 ÷ 3,93 CPA-06 10,10 ÷ 11,12 7,14 ÷ 7,86
  • 47.
    6.6 COMPLETE CIRCUITSONCE INSTALLED (a ) After installing a complete circuit tests shall be performed to ensure that the screen and the sectioning insulation of the screen at all points are capable of withstanding a rigidity test at direct voltage of 10 kV for 1 minute. The SVL should be disconnected on performing these tests. The connections and the earthing of the screens should also be checked. (b ) It is recommended, at regular intervals, to test the integrity of the screen-earth insulation at a direct voltage of 5 kV for 1 minute. The SVL should be checked at the same time, in accordance with Point 6.5. (c ) If there is an internal defect in a cable system with special connection, the tests referred to in section (b) above should be carried out and the continuity of the screen-earth metallic path should be checked before putting the cable back in service. (d ) After the installation a measurement should be taken of the resistance of all the contacts of the junction cables of the screens in each connection box or cupboard, using a digital microhmmeter. The contact resistance should not be greater than 20 µΩ. The contact resistance of the SVL connections in the boxes or cupboards should be measured in a similar manner and should not be greater than 50 µΩ. When possible the contact resistance of the external earth cable should be measured in a similar manner, and should not be greater than 50 µΩ. Note If a fault current has circulated through a cable system with special connection, it is recommended at the first opportunity available to check the integrity of the screen-earth insulation, the integrity of the connection cables and the characteristics of the SVL. 47
  • 48.
    48 Table 1A CONSTRUCTION OFSCREEN CONNECTION SINGLE-CORE CABLES *Also for connections of 132kV and 275kV systems not subjected to the short-circuit current, for example connections to SVL. Table 1B CONSTRUCTION OF SCREEN CONNECTION CONCENTRIC CABLES 12,8 13,3 17,8 18,7 20,2 21,0 26,4 28,0 1,2+2,0 19,2 20,7 1,7+1,0 23,4 25,3 1,8+1,0 25,8 27,9 2,2+3,0 36,8 39,7 24,4 26,4 33,6 36,3 36,0 38,9 47,4 51,2 1,8 28,4 30,7 1,8 37,6 40,6 2,1 40,6 43,8 2,4 52,6 56,8 Dimensions (mm) Nominal section of the conductor Voltage of the as- sociated system Central conductor XLPE Insul. + PVC internal sheath 30 up to 66 kV 132 kV 275 kV 400 kV 120* mm2 240 mm2 300 mm2 500 mm2 Concentric conductor PE external sheath Thickness Diameter Min Max Thickness Diameter Min Max Thickness Diameter Min Max Thickness Diameter Min Max 12,8 13,3 17,8 18,7 20,2 21,0 26,4 28,0 1,2+1,5 18,2 19,7 1,7+1,7 24,6 26,6 1,8+1,8 27,4 29,6 2,2+2,0 35,3 38,1 Thickness Diameter Min Dimensions (mm) Nominal section of the conductor Voltage of the as- sociated system Conductor XLPE Insul. + PVC Sheath Max 30 up to 66 kV 132 kV 275 kV 400 kV 120 mm2 240 mm2 300 mm2 500 mm2 Thickness Diameter Min Max Thickness Diameter Min Max Thickness Diameter Min Max
  • 49.
    49 7. EARTHING OFLIGHTNING ARRESTERS 7.1. INTRODUCTION. The object of this chapter is to determine how lightning arresters should be connected to earth in high voltage circuits. The earthing is standardized by the substation regulation MIE RAT 13 “Earthing installations” of the “Regulation on Technical Conditions and Safety Guarantees in Electric Power Plants, Transformer Stations and Substations”. To summarize, this regulation says: - In an installation there cannot be a live accessible point which can damage people, whether under conditions of normal operation or in short-circuit. Consequently, any cable which conducts current should be insulated. - The earthing circuit cables which connect the electrodes should be bare, resistant to corrosion and preferably visible. - The dischargers have to be connected to the earth of the accessory that they protect. - The earth circuits should be straight without forced bends and as short as possible. The earthing of lightning arresters (insulated cable or bare conductor) is not determined. There is no reason to use one or another type of conductor. Taking the case of a lightning arrester at the top of a support. The earth connection can be carried out with an insulated cable or with a bare conductor, and in actual fact is carried out in both ways depending on what the customer decides. It should be taken into account that: - It is preferable to use an insulated cable, which is on the safety side. - In any case the customer can make any decision without it affecting the safety of the circuit. - We can opt for a bare cable, linked electrically and mechanically to the support in short sections, which will not have problems of perforation of insulation in the event of an important impulse.
  • 50.
    50 7.2. CONNECTION TOTHE EARTH CIRCUIT. The connection of the different earthings indicated (direct earthing, earthing of the discharger, earthing of the lightning arresters) will be carried out as follows: The lightning arrester earthing cable can be the same for the three lightning arresters of a circuit. The same cable cannot be used for lightning arresters of different circuits. The earth connection will be carried out to the earth cable indicated by the customer. The connection elements must be suitable for the section of the conductor connected. The project completion documentation must indicate where the connection of each circuit is carried out.
  • 51.
    HEADQUARTERS Casanova, 150 -08036 BARCELONA Tel.: +34 93 227 97 00 - Fax: +34 93 227 97 22 info@generalcable.es BRANCHES IBERIA ANDALUSIA Averroes, 6, Edificio Eurosevilla, 4º, 7ª 41020 SEVILLA Tel.: +34 95 499 95 18 - Fax: +34 95 451 10 13 delegacionandalucia@generalcable.es Málaga Tel. Móvil: +34 626 014 918 - Fax: +34 95 225 99 12 astecchini@generalcable.es CENTRE Ávila, Badajoz, Cáceres, Ciudad Real, Guadalajara, Madrid, Segovia y Toledo Avda. Ciudad de Barcelona, 81 A, 4º A - 28007 MADRID Tel.: +34 91 309 66 20 - Fax: +34 91 309 66 30 delegacioncentro@generalcable.es Burgos, León, Palencia, Salamanca, Valladolid y Zamora Tel. Móvil: +34 609 154 594 - Fax: +34 983 24 96 32 aastorgano@generalcable.es EAST COAST Albacete, Comunidad Valenciana, Cuenca y Murcia Cirilo Amorós, 27 - 6º C - 46004 VALENCIA Tel.: +34 96 350 92 58 - Fax: +34 96 352 95 53 delegacionlevante@generalcable.es NORTHEAST Andorra, Aragón, Baleares y Cataluña Aragón, 177-179, 2º planta - 08011 BARCELONA Tel.: +34 93 467 85 78 - Fax: +34 93 467 46 97 nordeste@generalcable.es NORTH Álava, Asturias, Cantabria y Vizcaya Juan de Ajuriaguerra, 26 - 48009 BILBAO Tel.: +34 94 424 51 76 - Fax: +34 94 423 06 67 delegacionnorte@generalcable.es Guipúzcoa, La Rioja, Navarra, Soria Tel.: +34 629 34 85 22 - Fax +34 948 23 46 05 plopez@generalcable.es Representación GALICIA BESIGA COMERCIAL, S.L. Av. Tierno Galván, 112 15178 MAIANCA - OLEIROS (La Coruña) Tel.: +34 981 61 71 94 - Fax: +34 981 61 74 78 comercial@besiga.com CANARIES Branch Ángel Guerra, 23 - 1º 35003 LAS PALMAS DE GRAN CANARIA Tel.: +34 928 36 11 57 - Fax: +34 928 36 44 73 info@emgg.es PORTO R. Gonçalo Cristovão, 312 - 4º B e C 4000-266 PORTO Tel.: +351 223 392 350 - Fax: +351 223 323 878 EXPORT Casanova, 150 - 08036 BARCELONA (Spain) Tel.: + 34 93 227 97 24 - Fax: + 34 93 227 97 19 export@generalcable.es FACTORIES ABRERA (Spain) Carrer del Metall, 4 (Polígon Can Sucarrats) - 08630 ABRERA (Barcelona) Tel.: +34 93 773 48 00 - Fax: +34 93 773 48 48 MANLLEU (Spain) Ctra. Rusiñol, 63 - 08560 MANLLEU (Barcelona) Tel.: +34 93 852 02 00 - Fax: +34 93 852 02 22 MONTCADA I REIXAC (Spain) Ctra. de Ribas, Km. 13,250 - 08110 MONTCADA I REIXAC (Barcelona) Tel.: +34 93 227 95 00 - Fax: +34 93 227 95 22 VITORIA (Spain) Portal de Bergara, 36 - 01013 VITORIA-GAZTEIZ Tel.: +34 945 261 100 - Fax: +34 945 267 146 - marketing@ecn.es - www.ecn.es MONTEREAU (France) SILEC CABLE - Rue de Varennes Prolongée - 77876 MONTEREAU CEDEX (France) Tel.: +33 (0) 1 60 57 30 00 - Fax: +33 (0) 1 60 57 30 15 contact@sileccable.com - www.sileccable.com MORELENA (Portugal) Av. Marquês de Pombal, 36-38 Morelena - 2715-055 PÊRO PINHEIRO (Portugal) Tel.: +351 219 678 500 - Fax: +351 219 271 942 NORDENHAM (Germany) NSW - Kabelstraße 9-11 - D-26954 NORDENHAM (Deutschland) Tel.: +49 4731 82 0 - Fax: +49 4731 82 1301 - info@nsw.com - www.nsw.com BISKRA (Algeria) ENICAB - Zone Industrielle - B.P. 131 07000 RP BISKRA (Algérie) Tel.: +213 033 75 43 21/22 - Fax: +213 033 74 15 19 - info@generalcable.dz LUANDA (Angola) CONDEL - Fábrica de Condutores Eléctricos de Angola, SARL 5ª Av Nº 9, Zona Industrial do Cazenga, Caixa Postal nº 3043 LUANDA (Angola) Tel.: +244 2 380076/7/8/9/17 - Fax +244 2 33 78 12 - condel@snet.co.ao INTERNATIONAL ABU DHABI P.O. Box No. 112478 - Next Showroom Building - Nazda Street, ABU DHABI (UAE) Tel.:+971-2- 6338991 - Fax: +971-2- 6338993 - akhanka@generalcable-uk.com ALGERIA ENICAB Centre Commercial de L’Egtc local nº A21 - 170 Rue, Hassiba Ben Bouali El Hamma 016000 ALGER - Telf: +213 021 67 61 73 - Fax: +213 021 67 61 75 - info@enicab.dz NORWAY Randemveien 17 - 1540 VESTBY (Norway) Tel.: +47 64955900 - Fax: +47 64955910 - firmapost@generalcable.no UNITED KINGDOM Regus House, Herons Way, Chester Business Park, CH4 9QR CHESTER (United Kingdom) Tel.: +44 1244 893 245 - Fax:+44 1244 893 101- aribeiro@generalcable-uk.com RUSSIA Azovskaya str., 13 - (Russia) MOSCOW Tel.: +7 495 617 0005 - Fax: +7 495 617 0006 - info@generalcable-ru.com AGENCIES ARGENTINA Francisco Beiró 1490 - Florida Este 1602 - BUENOS AIRES (Argentina) Tel.: +54 11 4760 6088 - Fax: +54 11 4761 0251 - e-mail: info@generalcable-ar.com FRANCE DOMEX Cabling s.a.s - 43, rue de Vincennes - 93100 MONTREUIL (France) Tel.: +33 1 60 62 51 45 - Fax: +33 1 60 62 51 49 - manuel.dorado@wanadoo.fr ITALY Salvaneschi E.e.R.&C.S.A. - Via Pelizza da Volpedo, 20 20092 CINISELLO BALSAMO - MILANO (Italy) Tel.:+39 02 660 49494 - Fax:+39 02 660 49489 - rsalvaneschi@generalcable-it.com CUSTOMER SERVICE TEL.:+34 932 279 700 FAX: +34 900 210 486 www.generalcable.es