ii
A
Seminar Report On
“POWER FACTOR IMPROVEMENT USING UPFC”
iii
INDEX
SR.NO. CHAPTER PAGE NO.
1 Introduction 1
2 Flexible Ac Power Transmission System (Facts) 2
2.1 Objectives Of Facts Controller 4
2.2 Basic Types Of Facts Controller 4
2.2.1 Shunt Controller 6
2.2.2 Combined Series-Series Controller 6
2.2.3 Combined Series Shunt Controller 7
2.3 Benefits Of Facts Controller 7
3 Basic Principle Of UPFC 8
3.1 Operating Modes Of UPFC 9
3.1.1 Shunt Inverter 11
3.1.2 Series Inverter 13
3.2 Description Of Single Line Diagram 14
3.3 Static Compensator 15
3.4 Static Synchronous Series Compensator 16
3.5 Disadvantages 17
4 Application 18
5 Conclusion 19
References 20
iv
FIG NO. NAME OF FIGURE PAGE NO
2.1 Uncorrected SMPS Voltage And Current Waveform 3
2.2 Basic Types Of Facts Controller 5
3.1 Schematic Diagram Of UPFC 8
3.2 Vector Representation Of UPFC 11
3.3 UPFC Installed In Transmission Line 12
3.4 Single Line Diagram Of 500 KV / 230kv Transmission
System Using UPFC
14
3.5 Unified Power Flow Controller 15
3.6 Static Compensator(STATCOM) 16
3.7 Schematic Diagram Of SSSC 17
v
CHAPTER 1
INTRODUCTION
The significance of power factor correction (PFC) has long been visualized as
a technology requirement for improving the efficiency of a power system network by
compensating for the fundamental reactive power generated or consumed by simple
inductive or capacitive loads. With the Information Age in full swing, the growth of
high reliability, low cost electronic products have led utilities to escalate their power
quality concerns created by the increase of such “switching loads.” These products
include: entertainment devices such as Digital TVs, DVDs, and audio equipment;
information technology devices such as PCs, printers, and fax-machines; variable
speed motor drives for HVAC and white goods appliances; food preparation and
cooking products such as microwaves and cook tops; and lighting products, which
include electronic ballasts, LED and fluorescent lamps, and other power conversion
devices that operate a variety of lamps. The drivers that have resulted in this
proliferation are a direct result of the availability of low-cost switch-mode devices and
control circuitry in all major end-use segments: residential, commercial, and
industrial.
In order to keep power quality under the limits proposed by standards, it is
required to incorporate some sort of compensation. There are two basic types of PFC
circuits: active and passive. The simplest power factor correctors can be implemented
using a passive filter to suppress the harmonics in conjunction with capacitors or
inductors to generate or consume the fundamental reactive power, respectively.
Active power factor correction circuits have proven to be more effective, generally
integrated with the switch-mode circuitry, and actively control the input current of the
load. This enables the most efficient delivery of electrical power from the power grid
to the load. The demand for new smart, green products has set the stage for a
worldwide migration from antiquated passive circuits to active correctors as well as
from traditional analog technology to digital techniques. New digital active power
factor correction delivers better full- and light-load power efficiency while lowering
system costs, enabling smaller designs and providing a clear path for further feature
enhancements and improved competitive positioning for a whole host of consumer
and industrial products. Cirrus Logic’s novel advances in digital active PFC
vi
technology signify a major enabling element in the development of the newest generation of
low cost, energy-efficient switch mode products.
CHAPTER 2
FLEXIBLE AC TRANSMISSION SYSTEM (FACTS)
Power Factor (PF) is one of the first concepts introduced in a basic course on AC
circuit theory. Despite its apparent simplicity, it is frequently misunderstood and misapplied
due to misconceptions about the fundamental definition. The growing level of harmonic
currents generated by modern electronic devices has prompted government and industry to
look closer at the link between poor PF and harmonics created by “switching loads”. Power
factor is traditionally defined as the phase difference or displacement angle between
sinusoidal voltage and current waveforms created by linear loads (i.e. simple resistive and
reactive loads). When the AC load is partly capacitive or inductive, the current waveform is
out of phase with the voltage requiring additional AC current to be generated that is not
consumed by the load. These electrical losses (I2R) are consumed by the power delivery
system, e.g. power cables, transformers, etc. If the AC load is non-linear (i.e. current does not
very smoothly with voltage as in “switching loads”), the complex waveform’s PF is resolved
into fundamental frequency and its harmonics. Switching mode power supplies (SMPS) are a
good example onion-linear loads. SMPS conducts current in short pulses that are in phase
with the line voltage but is not a pure sine wave creating line harmonics.
These harmonic currents do not contribute to the load power. ENERGY STAR
Version 2.0 for External Power Supply defines true power factor as the ratio of the active, or
real, power (P) consumed in watts to the apparent power (S), drawn in volt-amperes (VA).
This definition of power factor includes the effect of both distortion and Displacement
Power factor correction (PFC) is a feature designed into the pulse width modulation (PWM)
controller to help regulate, stabilize, and provide the requirements for higher load current and
instantaneous current. The ideal objective for PFC is to drive the power factor as close to
unity as possible, making the load circuitry power factor corrected and the apparent power
equal to the real power. An effective power electronic circuit that controls the amount of
power drawn by a load in order to sustain a power factor as close as possible to unity is an
active PFC. Active PFC circuits control the load current in addition to shaping the input-
current waveform to follow a sinusoidal reference, the AC mains voltage.
vii
fig. 2.1 Uncorrected SMPS voltage & current waveform
The electricity supply industry is undergoing a profound transformation worldwide.
Market forces, scarcer natural resources, and an ever-increasing demand for electricity are
some of the drivers responsible for such unprecedented change. Against this background of
rapid evolution, the expansion programs of many utilities are being thwarted by a variety of
well-founded, environment, land-use, and regulatory pressures that prevent the licensing and
building of new transmission lines and electricity generating plants.
The ability of the transmission system to transmit power becomes impaired by one or
more of the following steady state and dynamic limitations:
(a) Angular stability,
(b) Voltage magnitude,
(c) Thermal limits,
(d) Transient stability, and
(e) Dynamic stability.
viii
These limits define the maximum electrical power to be transmitted without causing
damage to transmission lines and electrical equipment. In principle, limitations on power
transfer can always be relieved by the addition of new transmission lines and generation
facilities. Alternatively, flexible alternating current transmission system (FACTS) controllers
can enable the same objectives to be met with no major alterations to power system layout.
FACTS are alternating current transmission systems incorporating power electronic-based
and other static controllers to enhance controllability and increase power transfer capability.
The FACTS concept is based on the substantial incorporation of power electronic devices and
methods into the high-voltage side of the network, to make it electronically controllable.
2.1 OBJECTIVES OF FACTS CONTROLLERS
The main objectives of FACTS controllers are the following:
1. Regulation of power flows in prescribed transmission routes.
2. Secure loading of transmission lines nearer to their thermal limits.
3. Prevention of cascading outages by contributing to emergency control.
4. Damping of oscillations that can threaten security or limit the usable line capacity.
The implementation of the above objectives requires the development of high power
compensators and controllers. The technology needed for this is high power electronics with
real-time operating control. The realization of such an overall system optimization control
can be considered as an additional objective of FACTS controllers.
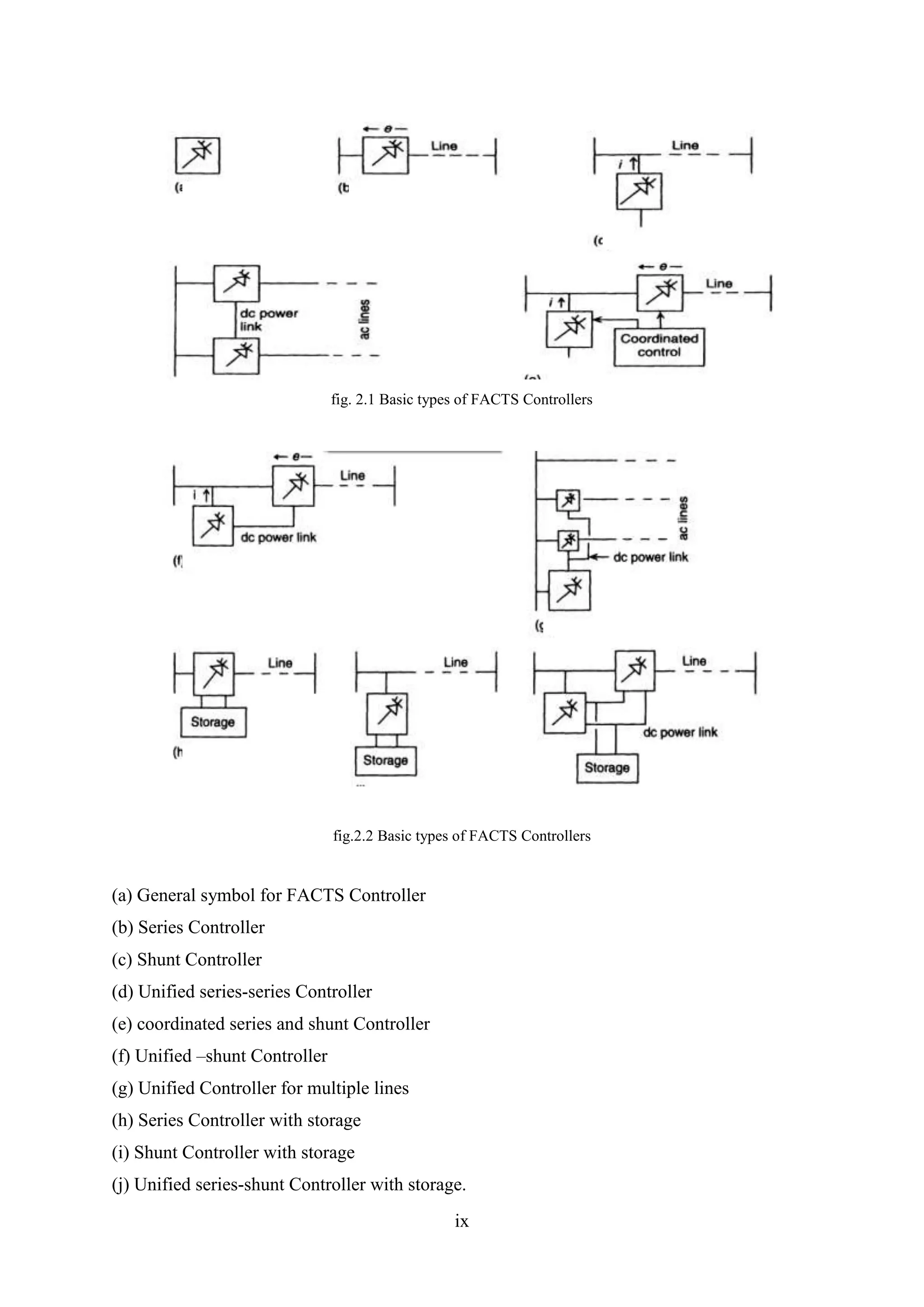
2.2 BASIC TYPES OF FACTS CONTROLLERS
In general, FACTS Controllers can be divided into four categories:
• Series Controllers
• Shunt Controllers
• Combined series-series Controllers
• Combined series-shunt Controllers
The general symbol for a FACTS Controller: a thyristor arrow inside a box.
ix
fig. 2.1 Basic types of FACTS Controllers
fig.2.2 Basic types of FACTS Controllers
(a) General symbol for FACTS Controller
(b) Series Controller
(c) Shunt Controller
(d) Unified series-series Controller
(e) coordinated series and shunt Controller
(f) Unified –shunt Controller
(g) Unified Controller for multiple lines
(h) Series Controller with storage
(i) Shunt Controller with storage
(j) Unified series-shunt Controller with storage.
x
2.2.1 SERIES CONTROLLERS:
The series Controller could be variable impedance, such as capacitor, reactor, etc., or
power electronics based variable source of main frequency, sub-synchronous and harmonic
frequencies (or a combination) to serve the desired need. In principle, all series Controllers
inject voltage in series with the line. Even variable impedance multiplied by the current flow
through it, represents an injected series voltage in the line. As long as the voltage is in phase
quadrature with the line current, the series Controller only supplies or consumes variable
reactive power. Any other phase relationship will involve handling of real power as well.
2.2.2 SHUNT CONTROLLERS:
As in the case of series Controllers, the shunt Controllers may be variable impedance,
variable source, or a combination of these. In principle, all shunt Controllers inject current
into the system at the point of connection. Even a variable shunt impedance connected to the
line voltage causes a variable current flow and hence represents injection of current into the
line. As long as the injected current is in phase quadrature with the line voltage, the shunt
Controller only supplies or consumes variable reactive power. Any other phase relationship
will involve handling of real power as well.
2.2.3 COMBINED SERIES-SERIES CONTROLLERS:
This could be a combination of separate series controllers, which are controlled in a
coordinated manner, in a multiline transmission system. Or it could be a unified Controller,
figure 2.3, in which series Controllers provide independent series reactive compensation for
each line but also transfer real power among the lines via the power link. The real power
transfer capability of the unified series-series Controller, referred to as Interline Power Flow
Controller, makes it possible to balance both the real and reactive power flow in the lines and
thereby maximize the utilization of the transmission system. Note that the term "unified" here
means that the de terminals of all Controller converters are all connected together for real
power transfer.
2.2.4 COMBINED SERIES-SHUNT CONTROLLERS:
This could be a combination of separate shunt and series Controllers, which are
controlled in a coordinated manner or a Unified Power Flow Controller with series and shunt
elements. In principle, combined shunt and series Controllers inject current into the system
xi
with the shunt part of the Controller and voltage in series in the line with the series part of the
Controller. However, when the shunt and series Controllers are unified, there can be a real
power exchange between the series and shunt Controllers via the power link.
2.3 BENEFITS OF FACTS CONTROLLERS
FACTS controllers enable the transmission owners to obtain, on a case-by-case basis,
one or more of the following benefits:
1. Cost: Due to high capital cost of transmission plant, cost considerations frequently
overweigh all other considerations. Compared to alternative methods of solving transmission
loading problems, FACTS technology is often the most economic alternative.
2. Convenience: All FACTS controllers can be retrofitted to existing ac transmission plant
with varying degrees of ease. Compared to high voltage direct current or six-phase
transmission schemes, solutions can be provided without wide scale system disruption and
within a reasonable timescale.
3. Control of power flow to follow a contract, meet the utilities own needs, ensure optimum
power flow, minimize the emergency conditions, or a combination thereof.
4. Contribute to optimal system operation by reducing power losses and improving voltage
profile.
5. Increase the loading capability of the lines to their thermal capabilities, including short
term and seasonal.
6. Increase the system security by raising the transient stability limit, limiting short-circuit
currents and overloads, managing cascading blackouts and damping electromechanical
oscillations of power systems and machines.
xii
CHAPTER 3
BASIC PRINCIPLE OF UPFC
The continuing rapid development of high-power semiconductor technology now
makes it possible to control electrical power systems by means of power electronic devices.
These devices constitute an emerging technology called FACTS (flexible alternating current
transmission systems). FACTS technology has a number of benefits, such as greater power
flow control, increased secure loading of existing transmission circuits, damping of power
system oscillations, less environmental impact and, potentially, less cost than most alternative
techniques of transmission system reinforcement. The UPFC is the most versatile of the
FACTS devices. It cannot only perform the functions of the static synchronous compensator
(STATCOM), thyristor switched capacitor (TSC) thyristor controlled reactor (TCR), and the
phase angle regulator but also provides additional flexibility by combining some of the
functions of the above controllers. Both the magnitude and the phase angle of the voltage can
be varied independently. Real and reactive power flow control can allow for power flow in
prescribed routes, loading of transmission lines closer to their thermal limits and can be
utilized for improving transient and small signal stability of the power system. The schematic
of the UPFC is shown in Fig.3.1
xiii
fig.3.1 Schematic diagram of UPFC
The UPFC consists of two branches. The series branch consists of a voltage source converter,
which injects a voltage in series through a transformer. The inverter at the input end of the
UPFC is connected in shunt to the AC power system and the inverter at the input end of the
UPFC is connected in series with the AC transmission circuit. Since the series branch of the
UPFC can inject a voltage with variable magnitude and phase angle it can exchange
real power with the transmission line. However the UPFC as a whole cannot supply or absorb
real power in steady state (except for the power drawn to compensate for the losses) unless it
has a power source at its DC terminals. The UPFC can control the transmission real power, at
its series-connected output end, while independently providing reactive power support to the
transmission line at its shunt-connected input end. Furthermore, the UPFC can independently
control real and reactive power flow along the transmission line at its output end, while
providing reactive power support to the transmission line at its input end. It has been shown
that it is possible to independently control real and reactive power flow at the UPFC input
circuit by regulating the DC-link capacitor voltage and varying both the phase angle and the
modulation index of the input inverter. The DC-link capacitor voltage (Vdc) is unregulated.
The main parameter of a power system i.e. line impedance (X), terminal voltage (V)
and Lt rotor angle (∂). The effectiveness of UPFC is analyzed by analyzing, damping of the
oscillation of rotor angle (∂) and change in angular speed (∂w) is analyzed in the three
machine of the 3-machine nine bus system. The control of an AC power system in real time is
involved because power flow is a function of the transmission line impedance, the magnitude
of the sending and receiving end voltages, and the phase angle between these voltages. Years
ago, electric power systems were relatively simple and were designed to be self-sufficient;
power exportation and importation were rare. Furthermore, it was generally understood that
xiv
AC transmission systems could not be controlled fast enough to handle dynamic system
conditions. The sustainability of a power system is the most important point.
3.1 OPERATING MODES OF UPFC
A Unified Power Flow Controller (or UPFC) is an electrical device for providing fast-
acting reactive power compensation on high-voltage electricity transmission networks. It uses
a pair of three-phase controllable bridges to produce current that is injected into a
transmission line using a series transformer. The controller can control active and reactive
power flows in a transmission line. The UPFC uses solid state devices, which provide
functional flexibility, generally not attainable by conventional thyristor controlled systems.
The UPFC is a combination of a static synchronous compensate or (STATCOM) and
a static synchronous series compensator (SSSC) coupled via a common DC voltage link. The
UPFC concept was described in 1995 by L. Gyugyi of Westinghouse. The UPFC allows a
secondary but important function such as stability control to suppress power system
oscillations improving the transient stability of power system.
The unified power flow controller (UPFC) is one of the most widely used FACTs
controllers and its main function is to control the voltage, phase angle and impedance of the
power system thereby modulating the line reactance and controlling the power flow in the
transmission line.
The basic components of the UPFC are two voltage source inverters (VSIs) connected
by a common dc storage capacitor which is connected to the power system through a
coupling transformers. One (VSIs) is connected in shunt to the transmission system through a
shunt transformer, while the other (VSIs) is connected in series to the transmission line
through a series transformer. Three phase system voltage of controllable magnitude and
phase angle (Vc) are inserted in series with the line to control active and reactive power flows
in the transmission line. So, this inverter will exchange active and reactive power with in the
line. The shunt inverter is operated in such a way as to demand this dc terminal power
(positive or negative) from the line keeping the voltage across the storage capacitor (Vdc)
constant. So, the net real power absorbed from the line by the UPFC is equal to the only
losses of the inverters and the transformers. The remaining capacity of the shunt inverter can
be used to exchange reactive power with the line so to provide a voltage regulation at the
connection point.
The two VSI‟s can work independently from each other by separating the dc side. So
in that case, the shunt inverter is operating as a (STATCOM) that generates or absorbs
xv
reactive power to regulate the voltage magnitude at the connection point. The series inverter
is operating as (SSSC) that generates or absorbs reactive power to regulate the current
flowing in the transmission line and hence regulate the power flows in the transmission line.
The UPFC has many possible operating modes.
fig.3.2 vector representation of UPFC
3.1.1 SHUNT INVERTER
The shunt inverter is operated in such a way as to draw a controlled current from the line.
One component of this current is automatically determined by the requirement to balance the
real power of the series inverter. The remaining current component is reactive and can be set
xvi
to any desired reference level (inductive or capacitive) within the capability of the inverter.
The reactive compensation control modes of the shunt inverter are very similar to those
commonly employed on conventional static VAR compensators.
(1) VAR control mode:-The reference input is a simple var request that is maintained by the
control system regardless of bus voltage variation.
(2) Automatic voltage control mode:-The shunt inverter reactive current is automatically
regulated to maintain the transmission line voltage at the point of connection to a reference
value with a defined slope characteristics the slope factor defines the per unit voltage error
per unit of inverter reactive current within the current range of the inverter. In Particular, the
shunt inverter is operating in such a way to inject a controllable current into the transmission
line. The figure 3.3 shows how the (UPFC) is connected to the transmission line.
fig.3.3 shows the UPFC installed in a transmission line
xvii
3.1.2 SERIES INVERTER
The series inverter controls the magnitude and angle of the voltage injected in series
with the line. This voltage injection is always intended to influence the flow of power on the
line, but the
actual value of the injected voltage can be determined in several different ways. These
include:
 DIRECT VOLTAGE INJECTION MODE
The series inverter simply generates a voltage vector with magnitude and phase angle
requested by reference input. A special case of direct voltage injection is when the injected
voltage is kept in quadrature with the line current to provide purely reactive series
compensation. The series inverter injects the appropriate voltage so that the voltage V, is
phase shifted relative to the voltage VI by an angle specified by reference input.
 LINE IMPEDANCE EMULATION MODE.
The series injected voltage is controlled in proportion to the line current so that the series
insertion transformer appears as an impedance when viewed from the line. The desired
impedance is specified by reference input and in general it may be a complex impedance with
resistive and reactive components of either polarity. Naturally care must be taken in this
mode to avoid values of negative resistance or capacitive reactance that would cause
resonance or instability.
 AUTOMATIC POWER FLOW CONTROL MODE.
The UPFC has the unique capability of independently controlling both the real power
flow. P, on a transmission line and the reactive power, Q, at a specified point. This capability
can be appreciated by interpreting the series injected voltage, Vi",; as a controllable two
dimensional vector quantity. This injected voltage vector can be chosen appropriately to force
any desired current vector (within limits) to flow on the line, hence establishing a
corresponding power flow. In automatic power flow control mode, the series injected voltage
is determined automatically and continuously by a vector control system to ensure that the
desired P and Q are maintained despite system changes.
xviii
fig.3.4 Shows the Single line diagram of a 500kv/230kv transmission system using UPFC
3.2 DESCRIPTION OF SINGLE LINE DIAGRAM:
The power flow in a 500 kV /230 kV transmission systems is shown in single line in
fig 2. The system is connected in a loop configuration, consists of five buses (B1 to B5)
interconnected through three transmission lines (L1, L2, L3) and two 500 kV/230 kV
transformer banks Tr1 and Tr2. Two power plants located on the 230 kV system generate a
total of 1500 MW (illustrated in figure 2) which is transmitted to a 500 kV, 15000 MVA
equivalent and to a 200 MW load connected at bus B3. Each plant model includes a speed
regulator, an excitation system as well as a power system stabilizer (PSS). In normal
operation, most of the 1200 MW generating capacity power plant P1 is exported to the 500
xix
kV equivalents through two 400 MVA transformer connected between buses B4 and B5 .The
UPFC is connected at the right end of line L2 is used to control the active and reactive power
at the 500kv bus B3 the UPFC used here include two 100 MVA, IGBT based converters (one
series converter and one shunt converter) both the converter are interconnected through a DC
bus two voltage source inverter connected by a capacitor charged to a DC voltage realize the
UPFC the converter number one which is a shunt converter draws real power from the source
and exchange it (minus the losses) to the series converter the power balance between the
shunt and series converter is maintained to keep the voltage across the DC link capacitor
constant. The single line diagram is implemented on MATLAB Simulink.
The series converter is rated 100MVA with a maximum voltage injection of 0.1pu the
shunt converter is also rated 100MVA the shunt converter is operated in voltage control mode
and the series converter is operated in power flow control mode the series converter can
inject a maximum of 10% of nominal line to ground voltage.
fig.3.5 Unified Power Flow Controller
3.3 STATIC COMPENSATOR (STATCOM)
The emergence of FACTS devices and in particular GTO thyristor-based STATCOM
has enabled such technology to be proposed as serious competitive alternatives to
conventional SVC.A static synchronous compensator (STATCOM) is a regulating device
used on alternating current electricity transmission networks. It is based on a power
electronics voltage-source converter and can act as either a source or sink of reactive AC
power to an electricity network. If connected to a source of power it can also provide active
AC power. It is a member of the FACTS family of devices. Usually a STATCOM is installed
xx
to support electricity networks that have a poor power factor and often poor voltage
regulation. There are however, other uses, the most common use is for voltage stability.
fig.3.6 Static Compensator (STATCOM)
3.4 STATIC SYNCHRONOUS SERIES COMPENSATOR (SSSC)
SSSC consists of a static synchronous generator, operated without an external electric
energy source as a series compensator whose output voltage is in quadrature with, and
controllable independently of, the line current for the purpose of increasing or decreasing the
overall reactive voltage drop across the line and thereby controlling the transmitted electric
power. The SSSC may include transiently rated energy storage or energy absorbing devices
to enhance the dynamic behavior of the power system by additional temporary real power
compensation, to increase or decrease momentarily, the overall real (resistive) voltage drop
across the line.
xxi
fig.3.7 Schematic diagram of SSSC
.
3.5 Disadvantage
1. Large Line Losses (Copper Losses)
2. Large KVA rating and Size of Electrical equipments
3. Greater Conductor Size and Cost
4. Poor Voltage Regulation and Large Voltage Drop
5. Low Efficiency
6. Penalty from Electric Power Supply Company on Low Power factor
xxii
CHAPTER 4
APPLICATION
1. Use of UPFC for optimal power flow control.
2. Increase transient stability of inter- area power system.
3. Use for damping power system oscillation.
4. For improving microgrid voltage profile.
5. For enhancement of voltage profile and minimization of losses.
6. Use in HVDC transmission system.
xxiii
CHAPTER 5
CONCLUSION
UPFC is a FACT device used to control the active and reactive power flow. The
overall result over the power system is that it improved the power factor. So it brings the
present power system at better economy level. Power system stability is one of the key issues
in the today’s world. And many different techniques have been used to improve the stability.
The FACTS devices-Unified Power Flow Controller UPFC and its performance has been
studied under the transient condition to enhance power system stability in the usage as power
system stabilizer.
xxiv
REFERENCES
1. N. G. Hingorani “Flexible AC Transmission Systems (FACTS) – Overview”,
IEEESpectrum, pp. 40 – 45, April 1993.
2. L. Gyugyi, C. D. Schauder, S. L. Williams, T. R. Rietman, D. R. Torgerson, and A Edris
“The Unified Power Flow Controller: A New Approach to Power Transmission Control”,
IEEE Transactions on Power Delivery, Vol. 10, No. 2, pp. 1085 – 1093, April 1995.
3. H. Mehta, R. K. Johnson, D. R. Torgerson, L. Gyugyi, and C. D. Schauder “Unified
Power Flow Controller for FACTS”, Modern Power Systems, Vol. 12, No. 12, December
1992, United Kingdom
4. L. Gyugyi, C. D. Schauder, M. R. Lund, D. M. Hammai, T. R. Reitman, D. R. Torgerson,
and A. Edris “Operation of Unified Power Flow Controller Under Practical Constraints”,
IEEE Winter Meeting, PE-511-PWRD-0-11-1996, February 1997.
5. L. Gyugyi “Power Electronics in Electric Utilities: Static Var Compensators”,
Proceedings of IEEE, Vol. 76, No. 4, pp. 483 – 494, April 1988.
6. L. Gyugyi “Solid-State Control of Electric Power in AC Transmission Systems”,
International Symposium on “Electric Energy Conversion in Power Systems, Invited
Paper, No. T-IP. 4, Capri, Italy, 1989.
7. BRIAN SOTT, “Review of Load Flow Calculation Methods”, proceedings of the IEEE,
Vol. 62, No. 7, pp. 916-929, July 1974.
8. Zhiping Yang, Chen Shen, “An improved STATCOM model for power flow analysis”,
IEEE TRANSACTIONS ON POWER SYSTEMS Pp 1121-1126 2000.
9. U.P.Mhaskar,A.B. Mote, “A new formulation for load flow solution of power systems
with series FACTS devices”, IEEE TRANSACTIONS ON POWER SYSTEMS Vol
18.No.4. Nov-2003.
10. N.Schnurr, Th. Weber, “Load flow control ith FACTS devices in competitive markets”,
IEEE TRANSACTIONS ON POWER SYSTEMS Pp 17-22 2000.
11. H.C.Leung T.S.Chung, “Optimal power flow with a versatile FACTS controller by
genetic algoritjm approach”, IEEE TRANSACTIONS ON POWER SYSTEMS Pp 2806-
2811 2000.

Power factor improvement using upfc

  • 1.
    ii A Seminar Report On “POWERFACTOR IMPROVEMENT USING UPFC”
  • 2.
    iii INDEX SR.NO. CHAPTER PAGENO. 1 Introduction 1 2 Flexible Ac Power Transmission System (Facts) 2 2.1 Objectives Of Facts Controller 4 2.2 Basic Types Of Facts Controller 4 2.2.1 Shunt Controller 6 2.2.2 Combined Series-Series Controller 6 2.2.3 Combined Series Shunt Controller 7 2.3 Benefits Of Facts Controller 7 3 Basic Principle Of UPFC 8 3.1 Operating Modes Of UPFC 9 3.1.1 Shunt Inverter 11 3.1.2 Series Inverter 13 3.2 Description Of Single Line Diagram 14 3.3 Static Compensator 15 3.4 Static Synchronous Series Compensator 16 3.5 Disadvantages 17 4 Application 18 5 Conclusion 19 References 20
  • 3.
    iv FIG NO. NAMEOF FIGURE PAGE NO 2.1 Uncorrected SMPS Voltage And Current Waveform 3 2.2 Basic Types Of Facts Controller 5 3.1 Schematic Diagram Of UPFC 8 3.2 Vector Representation Of UPFC 11 3.3 UPFC Installed In Transmission Line 12 3.4 Single Line Diagram Of 500 KV / 230kv Transmission System Using UPFC 14 3.5 Unified Power Flow Controller 15 3.6 Static Compensator(STATCOM) 16 3.7 Schematic Diagram Of SSSC 17
  • 4.
    v CHAPTER 1 INTRODUCTION The significanceof power factor correction (PFC) has long been visualized as a technology requirement for improving the efficiency of a power system network by compensating for the fundamental reactive power generated or consumed by simple inductive or capacitive loads. With the Information Age in full swing, the growth of high reliability, low cost electronic products have led utilities to escalate their power quality concerns created by the increase of such “switching loads.” These products include: entertainment devices such as Digital TVs, DVDs, and audio equipment; information technology devices such as PCs, printers, and fax-machines; variable speed motor drives for HVAC and white goods appliances; food preparation and cooking products such as microwaves and cook tops; and lighting products, which include electronic ballasts, LED and fluorescent lamps, and other power conversion devices that operate a variety of lamps. The drivers that have resulted in this proliferation are a direct result of the availability of low-cost switch-mode devices and control circuitry in all major end-use segments: residential, commercial, and industrial. In order to keep power quality under the limits proposed by standards, it is required to incorporate some sort of compensation. There are two basic types of PFC circuits: active and passive. The simplest power factor correctors can be implemented using a passive filter to suppress the harmonics in conjunction with capacitors or inductors to generate or consume the fundamental reactive power, respectively. Active power factor correction circuits have proven to be more effective, generally integrated with the switch-mode circuitry, and actively control the input current of the load. This enables the most efficient delivery of electrical power from the power grid to the load. The demand for new smart, green products has set the stage for a worldwide migration from antiquated passive circuits to active correctors as well as from traditional analog technology to digital techniques. New digital active power factor correction delivers better full- and light-load power efficiency while lowering system costs, enabling smaller designs and providing a clear path for further feature enhancements and improved competitive positioning for a whole host of consumer and industrial products. Cirrus Logic’s novel advances in digital active PFC
  • 5.
    vi technology signify amajor enabling element in the development of the newest generation of low cost, energy-efficient switch mode products. CHAPTER 2 FLEXIBLE AC TRANSMISSION SYSTEM (FACTS) Power Factor (PF) is one of the first concepts introduced in a basic course on AC circuit theory. Despite its apparent simplicity, it is frequently misunderstood and misapplied due to misconceptions about the fundamental definition. The growing level of harmonic currents generated by modern electronic devices has prompted government and industry to look closer at the link between poor PF and harmonics created by “switching loads”. Power factor is traditionally defined as the phase difference or displacement angle between sinusoidal voltage and current waveforms created by linear loads (i.e. simple resistive and reactive loads). When the AC load is partly capacitive or inductive, the current waveform is out of phase with the voltage requiring additional AC current to be generated that is not consumed by the load. These electrical losses (I2R) are consumed by the power delivery system, e.g. power cables, transformers, etc. If the AC load is non-linear (i.e. current does not very smoothly with voltage as in “switching loads”), the complex waveform’s PF is resolved into fundamental frequency and its harmonics. Switching mode power supplies (SMPS) are a good example onion-linear loads. SMPS conducts current in short pulses that are in phase with the line voltage but is not a pure sine wave creating line harmonics. These harmonic currents do not contribute to the load power. ENERGY STAR Version 2.0 for External Power Supply defines true power factor as the ratio of the active, or real, power (P) consumed in watts to the apparent power (S), drawn in volt-amperes (VA). This definition of power factor includes the effect of both distortion and Displacement Power factor correction (PFC) is a feature designed into the pulse width modulation (PWM) controller to help regulate, stabilize, and provide the requirements for higher load current and instantaneous current. The ideal objective for PFC is to drive the power factor as close to unity as possible, making the load circuitry power factor corrected and the apparent power equal to the real power. An effective power electronic circuit that controls the amount of power drawn by a load in order to sustain a power factor as close as possible to unity is an active PFC. Active PFC circuits control the load current in addition to shaping the input- current waveform to follow a sinusoidal reference, the AC mains voltage.
  • 6.
    vii fig. 2.1 UncorrectedSMPS voltage & current waveform The electricity supply industry is undergoing a profound transformation worldwide. Market forces, scarcer natural resources, and an ever-increasing demand for electricity are some of the drivers responsible for such unprecedented change. Against this background of rapid evolution, the expansion programs of many utilities are being thwarted by a variety of well-founded, environment, land-use, and regulatory pressures that prevent the licensing and building of new transmission lines and electricity generating plants. The ability of the transmission system to transmit power becomes impaired by one or more of the following steady state and dynamic limitations: (a) Angular stability, (b) Voltage magnitude, (c) Thermal limits, (d) Transient stability, and (e) Dynamic stability.
  • 7.
    viii These limits definethe maximum electrical power to be transmitted without causing damage to transmission lines and electrical equipment. In principle, limitations on power transfer can always be relieved by the addition of new transmission lines and generation facilities. Alternatively, flexible alternating current transmission system (FACTS) controllers can enable the same objectives to be met with no major alterations to power system layout. FACTS are alternating current transmission systems incorporating power electronic-based and other static controllers to enhance controllability and increase power transfer capability. The FACTS concept is based on the substantial incorporation of power electronic devices and methods into the high-voltage side of the network, to make it electronically controllable. 2.1 OBJECTIVES OF FACTS CONTROLLERS The main objectives of FACTS controllers are the following: 1. Regulation of power flows in prescribed transmission routes. 2. Secure loading of transmission lines nearer to their thermal limits. 3. Prevention of cascading outages by contributing to emergency control. 4. Damping of oscillations that can threaten security or limit the usable line capacity. The implementation of the above objectives requires the development of high power compensators and controllers. The technology needed for this is high power electronics with real-time operating control. The realization of such an overall system optimization control can be considered as an additional objective of FACTS controllers. 2.2 BASIC TYPES OF FACTS CONTROLLERS In general, FACTS Controllers can be divided into four categories: • Series Controllers • Shunt Controllers • Combined series-series Controllers • Combined series-shunt Controllers The general symbol for a FACTS Controller: a thyristor arrow inside a box.
  • 8.
    ix fig. 2.1 Basictypes of FACTS Controllers fig.2.2 Basic types of FACTS Controllers (a) General symbol for FACTS Controller (b) Series Controller (c) Shunt Controller (d) Unified series-series Controller (e) coordinated series and shunt Controller (f) Unified –shunt Controller (g) Unified Controller for multiple lines (h) Series Controller with storage (i) Shunt Controller with storage (j) Unified series-shunt Controller with storage.
  • 9.
    x 2.2.1 SERIES CONTROLLERS: Theseries Controller could be variable impedance, such as capacitor, reactor, etc., or power electronics based variable source of main frequency, sub-synchronous and harmonic frequencies (or a combination) to serve the desired need. In principle, all series Controllers inject voltage in series with the line. Even variable impedance multiplied by the current flow through it, represents an injected series voltage in the line. As long as the voltage is in phase quadrature with the line current, the series Controller only supplies or consumes variable reactive power. Any other phase relationship will involve handling of real power as well. 2.2.2 SHUNT CONTROLLERS: As in the case of series Controllers, the shunt Controllers may be variable impedance, variable source, or a combination of these. In principle, all shunt Controllers inject current into the system at the point of connection. Even a variable shunt impedance connected to the line voltage causes a variable current flow and hence represents injection of current into the line. As long as the injected current is in phase quadrature with the line voltage, the shunt Controller only supplies or consumes variable reactive power. Any other phase relationship will involve handling of real power as well. 2.2.3 COMBINED SERIES-SERIES CONTROLLERS: This could be a combination of separate series controllers, which are controlled in a coordinated manner, in a multiline transmission system. Or it could be a unified Controller, figure 2.3, in which series Controllers provide independent series reactive compensation for each line but also transfer real power among the lines via the power link. The real power transfer capability of the unified series-series Controller, referred to as Interline Power Flow Controller, makes it possible to balance both the real and reactive power flow in the lines and thereby maximize the utilization of the transmission system. Note that the term "unified" here means that the de terminals of all Controller converters are all connected together for real power transfer. 2.2.4 COMBINED SERIES-SHUNT CONTROLLERS: This could be a combination of separate shunt and series Controllers, which are controlled in a coordinated manner or a Unified Power Flow Controller with series and shunt elements. In principle, combined shunt and series Controllers inject current into the system
  • 10.
    xi with the shuntpart of the Controller and voltage in series in the line with the series part of the Controller. However, when the shunt and series Controllers are unified, there can be a real power exchange between the series and shunt Controllers via the power link. 2.3 BENEFITS OF FACTS CONTROLLERS FACTS controllers enable the transmission owners to obtain, on a case-by-case basis, one or more of the following benefits: 1. Cost: Due to high capital cost of transmission plant, cost considerations frequently overweigh all other considerations. Compared to alternative methods of solving transmission loading problems, FACTS technology is often the most economic alternative. 2. Convenience: All FACTS controllers can be retrofitted to existing ac transmission plant with varying degrees of ease. Compared to high voltage direct current or six-phase transmission schemes, solutions can be provided without wide scale system disruption and within a reasonable timescale. 3. Control of power flow to follow a contract, meet the utilities own needs, ensure optimum power flow, minimize the emergency conditions, or a combination thereof. 4. Contribute to optimal system operation by reducing power losses and improving voltage profile. 5. Increase the loading capability of the lines to their thermal capabilities, including short term and seasonal. 6. Increase the system security by raising the transient stability limit, limiting short-circuit currents and overloads, managing cascading blackouts and damping electromechanical oscillations of power systems and machines.
  • 11.
    xii CHAPTER 3 BASIC PRINCIPLEOF UPFC The continuing rapid development of high-power semiconductor technology now makes it possible to control electrical power systems by means of power electronic devices. These devices constitute an emerging technology called FACTS (flexible alternating current transmission systems). FACTS technology has a number of benefits, such as greater power flow control, increased secure loading of existing transmission circuits, damping of power system oscillations, less environmental impact and, potentially, less cost than most alternative techniques of transmission system reinforcement. The UPFC is the most versatile of the FACTS devices. It cannot only perform the functions of the static synchronous compensator (STATCOM), thyristor switched capacitor (TSC) thyristor controlled reactor (TCR), and the phase angle regulator but also provides additional flexibility by combining some of the functions of the above controllers. Both the magnitude and the phase angle of the voltage can be varied independently. Real and reactive power flow control can allow for power flow in prescribed routes, loading of transmission lines closer to their thermal limits and can be utilized for improving transient and small signal stability of the power system. The schematic of the UPFC is shown in Fig.3.1
  • 12.
    xiii fig.3.1 Schematic diagramof UPFC The UPFC consists of two branches. The series branch consists of a voltage source converter, which injects a voltage in series through a transformer. The inverter at the input end of the UPFC is connected in shunt to the AC power system and the inverter at the input end of the UPFC is connected in series with the AC transmission circuit. Since the series branch of the UPFC can inject a voltage with variable magnitude and phase angle it can exchange real power with the transmission line. However the UPFC as a whole cannot supply or absorb real power in steady state (except for the power drawn to compensate for the losses) unless it has a power source at its DC terminals. The UPFC can control the transmission real power, at its series-connected output end, while independently providing reactive power support to the transmission line at its shunt-connected input end. Furthermore, the UPFC can independently control real and reactive power flow along the transmission line at its output end, while providing reactive power support to the transmission line at its input end. It has been shown that it is possible to independently control real and reactive power flow at the UPFC input circuit by regulating the DC-link capacitor voltage and varying both the phase angle and the modulation index of the input inverter. The DC-link capacitor voltage (Vdc) is unregulated. The main parameter of a power system i.e. line impedance (X), terminal voltage (V) and Lt rotor angle (∂). The effectiveness of UPFC is analyzed by analyzing, damping of the oscillation of rotor angle (∂) and change in angular speed (∂w) is analyzed in the three machine of the 3-machine nine bus system. The control of an AC power system in real time is involved because power flow is a function of the transmission line impedance, the magnitude of the sending and receiving end voltages, and the phase angle between these voltages. Years ago, electric power systems were relatively simple and were designed to be self-sufficient; power exportation and importation were rare. Furthermore, it was generally understood that
  • 13.
    xiv AC transmission systemscould not be controlled fast enough to handle dynamic system conditions. The sustainability of a power system is the most important point. 3.1 OPERATING MODES OF UPFC A Unified Power Flow Controller (or UPFC) is an electrical device for providing fast- acting reactive power compensation on high-voltage electricity transmission networks. It uses a pair of three-phase controllable bridges to produce current that is injected into a transmission line using a series transformer. The controller can control active and reactive power flows in a transmission line. The UPFC uses solid state devices, which provide functional flexibility, generally not attainable by conventional thyristor controlled systems. The UPFC is a combination of a static synchronous compensate or (STATCOM) and a static synchronous series compensator (SSSC) coupled via a common DC voltage link. The UPFC concept was described in 1995 by L. Gyugyi of Westinghouse. The UPFC allows a secondary but important function such as stability control to suppress power system oscillations improving the transient stability of power system. The unified power flow controller (UPFC) is one of the most widely used FACTs controllers and its main function is to control the voltage, phase angle and impedance of the power system thereby modulating the line reactance and controlling the power flow in the transmission line. The basic components of the UPFC are two voltage source inverters (VSIs) connected by a common dc storage capacitor which is connected to the power system through a coupling transformers. One (VSIs) is connected in shunt to the transmission system through a shunt transformer, while the other (VSIs) is connected in series to the transmission line through a series transformer. Three phase system voltage of controllable magnitude and phase angle (Vc) are inserted in series with the line to control active and reactive power flows in the transmission line. So, this inverter will exchange active and reactive power with in the line. The shunt inverter is operated in such a way as to demand this dc terminal power (positive or negative) from the line keeping the voltage across the storage capacitor (Vdc) constant. So, the net real power absorbed from the line by the UPFC is equal to the only losses of the inverters and the transformers. The remaining capacity of the shunt inverter can be used to exchange reactive power with the line so to provide a voltage regulation at the connection point. The two VSI‟s can work independently from each other by separating the dc side. So in that case, the shunt inverter is operating as a (STATCOM) that generates or absorbs
  • 14.
    xv reactive power toregulate the voltage magnitude at the connection point. The series inverter is operating as (SSSC) that generates or absorbs reactive power to regulate the current flowing in the transmission line and hence regulate the power flows in the transmission line. The UPFC has many possible operating modes. fig.3.2 vector representation of UPFC 3.1.1 SHUNT INVERTER The shunt inverter is operated in such a way as to draw a controlled current from the line. One component of this current is automatically determined by the requirement to balance the real power of the series inverter. The remaining current component is reactive and can be set
  • 15.
    xvi to any desiredreference level (inductive or capacitive) within the capability of the inverter. The reactive compensation control modes of the shunt inverter are very similar to those commonly employed on conventional static VAR compensators. (1) VAR control mode:-The reference input is a simple var request that is maintained by the control system regardless of bus voltage variation. (2) Automatic voltage control mode:-The shunt inverter reactive current is automatically regulated to maintain the transmission line voltage at the point of connection to a reference value with a defined slope characteristics the slope factor defines the per unit voltage error per unit of inverter reactive current within the current range of the inverter. In Particular, the shunt inverter is operating in such a way to inject a controllable current into the transmission line. The figure 3.3 shows how the (UPFC) is connected to the transmission line. fig.3.3 shows the UPFC installed in a transmission line
  • 16.
    xvii 3.1.2 SERIES INVERTER Theseries inverter controls the magnitude and angle of the voltage injected in series with the line. This voltage injection is always intended to influence the flow of power on the line, but the actual value of the injected voltage can be determined in several different ways. These include:  DIRECT VOLTAGE INJECTION MODE The series inverter simply generates a voltage vector with magnitude and phase angle requested by reference input. A special case of direct voltage injection is when the injected voltage is kept in quadrature with the line current to provide purely reactive series compensation. The series inverter injects the appropriate voltage so that the voltage V, is phase shifted relative to the voltage VI by an angle specified by reference input.  LINE IMPEDANCE EMULATION MODE. The series injected voltage is controlled in proportion to the line current so that the series insertion transformer appears as an impedance when viewed from the line. The desired impedance is specified by reference input and in general it may be a complex impedance with resistive and reactive components of either polarity. Naturally care must be taken in this mode to avoid values of negative resistance or capacitive reactance that would cause resonance or instability.  AUTOMATIC POWER FLOW CONTROL MODE. The UPFC has the unique capability of independently controlling both the real power flow. P, on a transmission line and the reactive power, Q, at a specified point. This capability can be appreciated by interpreting the series injected voltage, Vi",; as a controllable two dimensional vector quantity. This injected voltage vector can be chosen appropriately to force any desired current vector (within limits) to flow on the line, hence establishing a corresponding power flow. In automatic power flow control mode, the series injected voltage is determined automatically and continuously by a vector control system to ensure that the desired P and Q are maintained despite system changes.
  • 17.
    xviii fig.3.4 Shows theSingle line diagram of a 500kv/230kv transmission system using UPFC 3.2 DESCRIPTION OF SINGLE LINE DIAGRAM: The power flow in a 500 kV /230 kV transmission systems is shown in single line in fig 2. The system is connected in a loop configuration, consists of five buses (B1 to B5) interconnected through three transmission lines (L1, L2, L3) and two 500 kV/230 kV transformer banks Tr1 and Tr2. Two power plants located on the 230 kV system generate a total of 1500 MW (illustrated in figure 2) which is transmitted to a 500 kV, 15000 MVA equivalent and to a 200 MW load connected at bus B3. Each plant model includes a speed regulator, an excitation system as well as a power system stabilizer (PSS). In normal operation, most of the 1200 MW generating capacity power plant P1 is exported to the 500
  • 18.
    xix kV equivalents throughtwo 400 MVA transformer connected between buses B4 and B5 .The UPFC is connected at the right end of line L2 is used to control the active and reactive power at the 500kv bus B3 the UPFC used here include two 100 MVA, IGBT based converters (one series converter and one shunt converter) both the converter are interconnected through a DC bus two voltage source inverter connected by a capacitor charged to a DC voltage realize the UPFC the converter number one which is a shunt converter draws real power from the source and exchange it (minus the losses) to the series converter the power balance between the shunt and series converter is maintained to keep the voltage across the DC link capacitor constant. The single line diagram is implemented on MATLAB Simulink. The series converter is rated 100MVA with a maximum voltage injection of 0.1pu the shunt converter is also rated 100MVA the shunt converter is operated in voltage control mode and the series converter is operated in power flow control mode the series converter can inject a maximum of 10% of nominal line to ground voltage. fig.3.5 Unified Power Flow Controller 3.3 STATIC COMPENSATOR (STATCOM) The emergence of FACTS devices and in particular GTO thyristor-based STATCOM has enabled such technology to be proposed as serious competitive alternatives to conventional SVC.A static synchronous compensator (STATCOM) is a regulating device used on alternating current electricity transmission networks. It is based on a power electronics voltage-source converter and can act as either a source or sink of reactive AC power to an electricity network. If connected to a source of power it can also provide active AC power. It is a member of the FACTS family of devices. Usually a STATCOM is installed
  • 19.
    xx to support electricitynetworks that have a poor power factor and often poor voltage regulation. There are however, other uses, the most common use is for voltage stability. fig.3.6 Static Compensator (STATCOM) 3.4 STATIC SYNCHRONOUS SERIES COMPENSATOR (SSSC) SSSC consists of a static synchronous generator, operated without an external electric energy source as a series compensator whose output voltage is in quadrature with, and controllable independently of, the line current for the purpose of increasing or decreasing the overall reactive voltage drop across the line and thereby controlling the transmitted electric power. The SSSC may include transiently rated energy storage or energy absorbing devices to enhance the dynamic behavior of the power system by additional temporary real power compensation, to increase or decrease momentarily, the overall real (resistive) voltage drop across the line.
  • 20.
    xxi fig.3.7 Schematic diagramof SSSC . 3.5 Disadvantage 1. Large Line Losses (Copper Losses) 2. Large KVA rating and Size of Electrical equipments 3. Greater Conductor Size and Cost 4. Poor Voltage Regulation and Large Voltage Drop 5. Low Efficiency 6. Penalty from Electric Power Supply Company on Low Power factor
  • 21.
    xxii CHAPTER 4 APPLICATION 1. Useof UPFC for optimal power flow control. 2. Increase transient stability of inter- area power system. 3. Use for damping power system oscillation. 4. For improving microgrid voltage profile. 5. For enhancement of voltage profile and minimization of losses. 6. Use in HVDC transmission system.
  • 22.
    xxiii CHAPTER 5 CONCLUSION UPFC isa FACT device used to control the active and reactive power flow. The overall result over the power system is that it improved the power factor. So it brings the present power system at better economy level. Power system stability is one of the key issues in the today’s world. And many different techniques have been used to improve the stability. The FACTS devices-Unified Power Flow Controller UPFC and its performance has been studied under the transient condition to enhance power system stability in the usage as power system stabilizer.
  • 23.
    xxiv REFERENCES 1. N. G.Hingorani “Flexible AC Transmission Systems (FACTS) – Overview”, IEEESpectrum, pp. 40 – 45, April 1993. 2. L. Gyugyi, C. D. Schauder, S. L. Williams, T. R. Rietman, D. R. Torgerson, and A Edris “The Unified Power Flow Controller: A New Approach to Power Transmission Control”, IEEE Transactions on Power Delivery, Vol. 10, No. 2, pp. 1085 – 1093, April 1995. 3. H. Mehta, R. K. Johnson, D. R. Torgerson, L. Gyugyi, and C. D. Schauder “Unified Power Flow Controller for FACTS”, Modern Power Systems, Vol. 12, No. 12, December 1992, United Kingdom 4. L. Gyugyi, C. D. Schauder, M. R. Lund, D. M. Hammai, T. R. Reitman, D. R. Torgerson, and A. Edris “Operation of Unified Power Flow Controller Under Practical Constraints”, IEEE Winter Meeting, PE-511-PWRD-0-11-1996, February 1997. 5. L. Gyugyi “Power Electronics in Electric Utilities: Static Var Compensators”, Proceedings of IEEE, Vol. 76, No. 4, pp. 483 – 494, April 1988. 6. L. Gyugyi “Solid-State Control of Electric Power in AC Transmission Systems”, International Symposium on “Electric Energy Conversion in Power Systems, Invited Paper, No. T-IP. 4, Capri, Italy, 1989. 7. BRIAN SOTT, “Review of Load Flow Calculation Methods”, proceedings of the IEEE, Vol. 62, No. 7, pp. 916-929, July 1974. 8. Zhiping Yang, Chen Shen, “An improved STATCOM model for power flow analysis”, IEEE TRANSACTIONS ON POWER SYSTEMS Pp 1121-1126 2000. 9. U.P.Mhaskar,A.B. Mote, “A new formulation for load flow solution of power systems with series FACTS devices”, IEEE TRANSACTIONS ON POWER SYSTEMS Vol 18.No.4. Nov-2003. 10. N.Schnurr, Th. Weber, “Load flow control ith FACTS devices in competitive markets”, IEEE TRANSACTIONS ON POWER SYSTEMS Pp 17-22 2000. 11. H.C.Leung T.S.Chung, “Optimal power flow with a versatile FACTS controller by genetic algoritjm approach”, IEEE TRANSACTIONS ON POWER SYSTEMS Pp 2806- 2811 2000.