1
EI 7051 ADVANCED INSTRUMENTATION LAB
LAB MANUAL
(Y10 Regulations)
For IV /IV B.Tech (VII Semester) E. I. E
Department of Electronics & Instrumentation Engineering
VELAGAPUDI RAMAKRISHNA
SIDDHARTHA ENGINEERING COLLEGE
VIJAYAWADA-520 007
(AUTONOMOUS)
2
INSTRUCTIONS TO BE FOLLOWED IN MAINTAINING
THE RECORD BOOK
The Record should be written nearly with ink on the right hand page only. The left hand page
being reserved for diagrams.
The Record should contain:
1. The date
2. The number and name of the experiment
3. The aim of the experiment
4. Characteristic tables of the circuit
5. On the left hand side, circuit should be designed
6. Index must be filled in regularly
7. You must get your record certified by the concerned staff on the every next class after
completing the experiment
8. You must get your record certified by the concerned staff at the end of every semester
INSTRUCTIONS TO BE FOLLOWED IN THE LABORATORY
1. You must bring record observations notebook, while coming to the practical class
without you may not be allowed to the practical.
2. Don’t touch the equipment which is not connected with our experiment.
3. When the apparatus is issued, you are advised to check their condition.
4. You should not leave the laboratory without obtaining the signature of the concerned
lecturer after completing the practical.
Note:
1. Damaged caused to the property of the laboratory will be recovered.
2. If 75% of the experiments prescribed are not completed the candidate will not be
allowed for attending examinations.
3
List of Experiments
1. Implementation of Logic gates using PLC.
2. Implementation of timer using PLC
3. Implementation of counters using PLC
4. Level controller using PLC
5. Pressure Control using PLC
6. Motor speed control using PLC
7. Bottle filling System using PLC
8. Temperature control using PLC
9. Elevator controller using PLC
10. Batch process Reactor system using PLC
11. Material Handling System using PLC
12. Process control Simulator
13. Implementation of PLC programming through SCADA
14. Fan Control using PLC
15. Reaction Vessel Control using PLC
NB: A minimum of 10 (Ten) experiments have to be performed and recorded by the
candidate to attain eligibility for University practical Examinations.
4
PLC INTRODUCTION
A PLC is an industrial digital computer used to monitor I / P’s and depending upon their
state make decision based on its program or logic to control its O/P’s to automatic a
machine or a process. The main difference from other computers is that PLC’s are
protected from savior conditions (such as dust, moisture, heat, cold) and has that facility for
extensive I/O arrangements. These I/P arrangements directly connect the PLC to sensor
and actuators. On the actuator side PLC’s operate electric motors, magnetic relays
solenoids or analog O/P’s
ADVANTAGES:
1. Rugged and designed to with stand vibrators temperature humidity and noise.
2. Easily programmed and have an easily understood programming language
3. Have interfacing for I/P’s and O/P’s already inside the controller
DISADVANTAGES:
1. Difficulty with change or replacement
2. When a problem occurs holdup time is in definite usually
APPLICATIONS:
1. In any automated system like steel plant, paper industry, COCO – COLA Industry
PLC controller is usually the central part of the process system.
2. To run more complex process, It is possible to connect or PLC controller to a control
computer
ARCHITECTURE OF PLC:
1. CPU: - The CPU accepts I / P data from various sensing devices, executes the stored
user program from memory and sends appropriate O/P command to controlled devices.
In small PLC, the processor solid state memory I / P modules and power
supply are housed in a single compack unit. The programming devices usually handling
unit, a key pad and LCD display are connected to the main unit with a cable. In large
PLC’s the processor and memory are in one unit. The power supply is second unit and
I/P interface in additional units. The programming devices in general personal computer
are connected to the main with RS232 cable serial data standard.
The Microprocessor or microcontroller is a part of PLC, CPU that receives
analyses the process and sends data. The memory unit contains RAM, ROM, the fixed
operating program and RAM contains the user program which is writing the ladder
diagram language.
The I/P system forms the interface by which field devices are connected to the
controller. The I/P module converts signals from the process device (12V, 24V, 120V
AC or DC) in to logic signals (5V DC) that can be used by the controller. The O/P
module converts logic signals (5V DC) in to field level signals (12V, 24V, 120V AC or
DC) to power device.
5
2. Programming device: - The programming device or PC is used to enter the desired
program in to the memory of PLC processor. This program is entered using ladder
logic. The program determines the sequence of operation and ultimate control by
process loops
TYPES OF PLC: - Name PLC – IC 200NDD101
→ Versa max NANO PLC has no. of I/P’s 6, 24V DC I/P switches
→ Addresses from 1i to 6i and 4, 24V DC LED O/P’s (address 1Q to 4q)
→ PLC software: versa pro2.02
About the software: The software used in NANO PLC’s when designing a ladder logic
diagram is versa pro 2.02.The software has been designed by GE FANUC. This is a
very user friendly program when compared to the other programs. The program has
been designed to suit the operating system environment
The block diagram of PLC is shown in figure 1:
PROGRAMMING LANGUAGES: - The 2 most common language structures are
1) Ladder diagram language
2) Boolean language
In laboratory we mostly prefer to use only ladder diagram language
The ladder diagram language is basically a symbolic set of instruction used to
create the controller program. These ladder instructions are arranged to obtain the
desired control logic.i.e, to be entered in to the memory of the PLC. The main Symbols
that are used in PLC programming are
6
Experiment No:1
IMPLEMENTATION OF – LOGIC GATES USING LADDER PROGRAMMING
Write the ladder language code for the logic gates with the help of PLC
AIM: To realize the logic gates using ladder programming
Procedure: -
1. Interface PC to PLC through Rs – 232 cables
2. Go to versa pro 2.02 Icon
3. Open “FILE” go to “new folder” fill the details and click finish
4. Go to “Hard ware configuration” and replace module
5. Enter the symbols on to file using symbol on menu bar
6. Given I/P, O/P address
7. Go to PLC click connect
8. After connecting go to PLC clear it and select all
9. After clearing go to PLC store it
10 Go to PLC go to Run
11. Thus checkout using PLC and realize respective truth tables
Result: -logic gate using ladder language are realized using PLC and their truth table are
verified
REVIEW QUESTIONS: -
1. What are the different symbols for building ladder diagram?
2. Draw the logic gates for AND,OR,NAND, NOR, NOT ,EX – OR ,EX – NOR
3. What is the software used for realizing logic gates?
_ _
4. Explain the Boolean expression Z= XY + XY
Applications:
1. Security Systems
2. Industrial applications
3. Petroleum collection & distribution
7
8
Experiment No:2
IMPLEMENTATION OF TIMERS USING PLC
AIM: - Design & verify the operation of timers & counters using PLC ladder language
THEORY: - A timer is simply a control that waits to turn ON or turn OFF the O/P after
receiving an ‘ON’ or’ OFF’ signal from the I/P. Times are basically 3 types.
ON DELAY TIMER: This timer wait a specific amount of time then turns ON an O/P. The
ON delay timer (TMR) increments while it receiver flow and resets to zero when flow stops.
Time may be counted in tenth of a sec, Hundredth of a sec or Thousandth of a sec the
range is 0 to + 327767 time units. The state of this timer is retentive on power failure, no
automatic initialization occurs at power up.
When the current value equals or exceeds the present value (PV) the
function begins passing power flow to the right. Timer continues accumulating time to the
right. The timer continues accumulating time until the maximum value is reached. When the
enabling parameter transitions from ON to OFF, The timer stops. Accumulating time &
current value is reset to zero
OFF DELAY TIMER: This timer takes turn on an O/P and keeps that O/P ‘ON’ until
specific amount of time has passed then turns it OFF.
When programming a timer instruction the programmer must
specify the timer address (one of the 256 internal resistor of PLC R0 to R255). Time base
(1B) and the preset value (PV).The time base value is an internal that the timer is going to
use these values. Can be said to 0.1sec,0.01sec,0.001sec
0.1sec → 1/10 timer
0.01sec → 1/100 timer
0.001sec → 1/1000 timer
The present value specifies how many intervals a timer should count before the timing is
complete. Also known as done. Timer selling time or delay time equals its present value
multiplied by the time base.
Delay time = PV X TB
A timer is done when its accumulator values reaches its preset value.
9
When ‘ON’ delay timer is enabled, when its ladder rung is true
An ‘OFF’ Delay timer is enabled. When its ladder rung is false
When ON or OFF delay timer is timing its rung condition change will cause the timer to stop
and its accumulated value to be reset to ‘Zero’
RETENTIVE TIMER: - A retentive timer was like an on delay timer with one difference .That
is when its Run conduction changes from the true to false the timer. Simply stops timing but
its accumulated value is not reset to zero. When its rung condition goes false to drew.
The off delay timer increments while power flow is OFF and resets to zero when power flow
is ON. Time may be counted in 10ths
(0.1), 100ths
(0.01) or 1000ths
(0.001) of a sec. The
range is 0 to + 32767 time units. The state of this timer is retentive on power failure, no
automatic initialization occurs at power up.
When the current value equals or exceeds the present value (PV) the function stops
passing power flow to the right. The timer continues accumulating time to the right. The
timer continues accumulating time until the maximum value is reached. When the enabling
parameters transitions from ON to OFF, the timer stops. Accumulating time & current value
is reset to zero
PARAMETERS: -
Input / output Choice Description
ADDRESS R The function uses 3
consecutive words as % R
memory to store the
following :
Current value = word 1
Present value = word 2
Control value = word 3
Don’t use this address
with other instructions
ENABLE
PV
Q
TIME
FLOW
I,Q,M,T,G,R,AI,AQ,
Constant, none
Flow, none
10ths
(0.1),100ths
(0.01)1000ths
(0.001)of
seconds
When enable receives
powder flow, the timer
current value is
incremented when TMR is
not enable, the current
value is reset to zero and
it is turned OFF
PV is the value to copy in
to timer’s present value
when timer is enabled or
reset
Output Q is energized
when current value of the
timer is ≥ present value
Time increment for low bit
of PV and CV(current
value)
10
11
Experiment No:3
IMPLEMENTATION OF COUNTER USING PLC
The basic counter block is shown in fig.2 Counter are basically two type’s 1.Up counter 2.
Down counter
Counter: A counter simply counts a no of events that occur on I/P
Up counter: - When a trigger event occur an up counter increments the count. UP counters
are started from zero and continue counting until the accumulated value matches the preset
value.
Down counter: - When ever a trigger event occurs a down decrements the count. Down
counters should always stop the counting at the preset value.
When a counter instruction is used in a program the programmer must
specify the counter address preset which is an integer.
UP COUNTER: - The UP counters function counts up to designated value. The range is 0
to + 32767 counts. When the up counter resets is ON, the CV of counter resets to 0.Each
time the enable input transactions from OFF to ON, the CV incremented by 1.The CV can
be incremented past the PV. The output IS on whenever the CV ≥ PV. The CV can be
incremented past the PV. The output is ON whenever the CV ≥ PV. The state of CTU is
Retentive on power failure, no automatic initialization occurs at power up.
12
DOWN COUNTER: - The down counter functions count from a PV. The minimum PV is
Zero, the Max PV is + 32767 .When reset the CV of counter is set to PV.When the enable
input transitions from OFF to ON, the CV is decremented by one. The output is ON
whenever the CV ≥ 0 (ZERO) .The CV of the down counter is retentive on power failure, no
automatic initialization occurs at power up.
PARAMETERS: -
Input / output Choice Description
ADDRESS R The function uses 3
consecutive words as % R
memory to store the
following :
Current value = word 1
Present value = word 2
Control value = word 3
Don’t use this address with
another up counter, down
counter or any other
instructions or improper
operation will result.
ENABLE
R
PV
Q
FLOW
FLOW
I,Q,M,T,G,R,AI,AQ,
Constant, none
Flow, none
On a positive transition of
enable the current count is
incremented (UP counter) or
decremented (down
counter)≤ by one
When R receives power flow,
it result the current value
back to zero(up counter) or it
resets the CV to PV (Down
counter)
PV is the value to copy into
counters present value when
counter is enable or reset
Output Q is energized
When CV≥PV (up counter)
When CV≤PV(Down counter)
13
14
Procedure: -
1. Interface PC to PLC through Rs – 232 cables
2. Go to versa pro 2.02 Icon
3. Open “FILE” go to “new folder” fill the details and click finish
4. Go to “Hard ware configuration” and replace module
5. Enter the symbols on to file using symbol on menu bar
6. Given I/P, O/P address
7. Go to PLC click connect
8. After connecting go to PLC clear it and select all
9. After clearing go to PLC store it
10 Go to PLC go to Run the ladder program and verify operations of timer &
counters
Result: - The counters and timers and their types are designed and verified experimentally
REVIEW QUESTIONS: -
1. What is the difference between up counter & Down counter
2. What is the value of to in off delay timer
3. Explain the input and output parameters
4. What is the count for max PV?
5. What is the range of time that can be counted in a timer?
Applications:
1. Heating systems
2. power monitoring
15
Experiment No:4
LEVEL CONTROLLER USING PLC
AIM: - Observation of ON – OFF controller using PLC ladder program
THEORY: The two position or ON – OFF Control is the most widely used type of control action
employed in domestic application like home heating system, refrigerator ,overhead fans & water
tanks.
ON – OFF Control is a position type of controller action in which the manipulated variable
is quickly changed to either a maximum or minimum value depending upon whether the controlled
variable is greater or less than the set point.
This control action is applicable to the process having not more than two energy storage
elements in operation. This control very simple but in theory the action is difficult to analyses
because of discontinuous nature of changes in the manipulated variable. In this experiment the ON
–OFF control action is applied to control water level b/w upper lower set points in the process tanks.
It has the widest industrial & domestic use on process having not more than two energy
storage elements in operation. ON – OFF control is very simple, but in theory the action is difficult to
analyze because of discontinuous nature of change in the manipulated variable. In this particular
experiment we are applying ON – OFF control action water level in overhead tanks
BLOCK DIAGRAM DESCRIPTION:
The block diagram of ON – OFF control system is shown in figure 1. In this control system is shown
in figure1. In this control system, there are two inputs and two outputs. The inputs to PLC are
signals from low level (1i) and high level (2i) sensors. After executing ladder diagram, output from
PLC are fed to motor (1q) and solenoid valve (2q) to perform ON – OFF control action
CONDITIONS TO PERFORM ON – OFF CONTROL ACTION:
Case 1: When water level reaches high, high level sensor is activated (closed) and low level sensor
is in its normal position (closed).Then solenoid valve is to be opened and motor is to be
turned OFF.
Case2: When water level reaches low, low level sensor is activated (opened) and high level sensor
is in its normal position (opened).Then solenoid valve is to be closed and motor is to be
turned ON.
TO satisfy the above two conditions we develop ladder program.
Fig.1 BLOCK DIAGRAM OF ON – OFF LEVEL CONTROLLER USING PLC
16
PROCEDURE:
1. Interface PC to PLC through Rs – 232 cable
2. A new file is created (Select file → new folder →name → finish)
3. Proper selection of Hard ware Configuration (Module: - NANO D00NDD101) is done
4. By using ladder option in menu we create ladder diagrams for ON/OFF control action &
addresses are assigned.
5. Connect PLC to PC and store the ladder program in PLC
6. Run the ladder program and verify the ON/OFF control action in water level control system.
RESULT:
ON –OFF level control is designed & observed using ladder PLC experimentally
REVIEW QUESTIONS: -
1. Explain ON – OFF controller operation
2. What are the inputs to PLC and outputs from PLC in this experiment
3. What are the advantages of solenoid valve?
4. What is the function of signal conditioner in this experiment?
APPLICATIONS:
1. Water & Waste Treatments
2. Home heating system
3. Domestic heaters and water tanks
17
Experiment No:5
PRESSURE CONTROL USING PLC
AIM: - ON – OFF Pressure control using PLC
THEORY: -
The two position or ON – OFF Control is the most widely used type of control
generally employed in home heating system, domestic heater & pressure tanks.
ON – OFF control is a position type of control action in which the manipulated
variable is quickly changed to either a maximum or minimum value depending upon
whether the controlled variable is greater or less than the set point.
It has the widest industrial & domestic use on processes having not more than two
energy storage elements in operation. ON – OFF control is very simple, but in theory the
action is difficult to analyze because of discontinuous nature of changes in the manipulated
variable. In this particular experiment we are applying ON – OFF control action to pressure
in process tanks.
DESCRIPTION: - The schematic of pressure control module is as shown in fig 1 .It consists
of piezo – resistive sensor, signal conditioner, power relay and solenoid valve. The tank
pressure is sensed by piezo – resistive sensor based on pressure variation, it will give the
resistance output. Variation of resistance is converted into voltage by signal conditioner. It
consists of wheat stone bridge pre – amplifier, gain amplifier
The set point is given through set point POT. The controller compares the
process variable with set point. When the process variable is above the set point, the
controller output is low. This will de –energize the relay coil. Now the value moves up to
allow the air supply. When the process variable is below the set point, the controller out put
is high. This will energize the relay coil. Now the value moves up to allow the air supply. Air
muffler is provided to create a disturbance. And restrict the noise and atmospheric air. This
type of control action specially used in compressor pressure control. The pressure is
controlled by solenoid valve. The SV indicator indicates whether the relay is energized or
not. Load disturbance is given through the Hvi adjustment. The dead band is varied by
varying the POT. Zero adjustment POT is provided to make the zero calibration. Toggle
switch is provided to release the extreme pressure and secure the pressure cell.
18
PROCEDURE
1. Load the versa max software in PC
2. Open versapro software.
3. PLC kit switches on.
4. Interface PC to PLC through Rs – 232 Cable.
5. Open new folder & draw ladder diagram
6. Connect PLC
7. Select correct hardware configuration.
8. Storage program to PLC.
9. Run the ladder program and verify the ON – OFF control action in pressure
control system
Result: - ON – OFF control action in pressure control system is verified using ladder
programming.
Applications: -
1. Petroleum collections & distribution
2. Home Heating Systems
3. Pressure tanks
REVIEW QUESTIONS: -
1. Explain the function of piezo – resistive sensor
2. Explain the terms dead band and zero adjustment in varying the pot.
3. What is the function of power relay block?
4. What is the function of toggle switch & compressor
19
Experiment No:6
MOTOR SPEED CONTROL USING PLC
AIM: Observation of speed control of PM DC motor using PLC
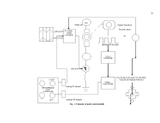
Theory: The speed of PMDC motor is controlled using versa max micro PLC. The PLC
asks as an array detector and PID controller using ladder programming and produces
controller O/P in the from of PWM signal to control the speed of D.C. Motor
The module maintains the speed of PMDC motor to the set point using PLC. The
speed of the motor is measured using opto couple sensor .The O/P of opto coupler will be a
series of pulses depending upon the speed of motor. These pulses are converted in to
voltage F/V converter 0 – 5V corresponding to 0 – 1500 RPM .The O/P of F/V converter is
conditioned to the level suitable for PLC analog I/P channel and display unit (0 – 10V)
The I/P analog channel was a 12 – bit successive approximation type A/D
converter for the I/P channel in all made %AI or % IR arranges in PLC environment is 0 –
3200 corresponds to 0 – 4000 counts of A/D converter.
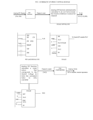
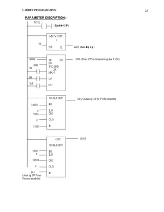
SCALE INTEGER BLOCK: -
IHE & ILO is inputs can be either % R (or) % AI. %AQ (analog O/P)
reference memory is constant. It represents the max & min I/P values.Simillary OHI &OLO
represents the max & min accumulated or O/P value when I/P value is max & min value.
IN: The I/P can be either %R, % AI & % AQ reference memory are constant. It represents
the value to be scaled
→ The scaled process variable (PV) is applied as one to PID ladder block. The set point is
given to the software.
→ The three mode PID control action was taken by the PLC & given to controlled O/P on
analog O/P channel
PID ladder block: -
The PID functions compare the feedback from a process variable with a desired
process set point & update a control variable based on the error.
The PID function uses PID loop again (KP, KI, KD) and other parameters showed in
array of 4 , 16 bit words to solve the PID algorithm at the desired time interval.
MAN: That I/P is designed the PID is in manual mode
UP: When energized the CV (control variable) O/P is incremented by 1 in manual mode
DN: when energized the CV O/P is decremented by 1 in manual mode.
To generate analog O/P the O/P of the PID block stored in %R is translated in to a
count value for the 12bit D/A converter which drives the analog O/P
20
PWM COUNTER: - PWM is a powerful technique for controlling analog CKT with a process
digital O/P. By controlling analog Circuit Digitally system cost power consumption and noise
effects can be deistically reduced .PWM is a way of digitally encoded analog signal levels.
To the use of high resolution counters the duty cycle (T on/T) of a square wave is
modulated to encode the specific analog signal level. In PMW technique at any given
instant of time the DC supply is either ON/OFF line time/sec
The modulated frequency is NHZ which is one r/p for the PWM counter
here the modulated frequency is selected as power line frequency equal to 50hz.The motor
& DC supply. To produce more power the only way is to increase the duty cycle of PWM
counter using software, A NANO PLC can be configured to operate as a PWM counter by
selecting one of the in built high speed counter. The following table shows the address of
PLC to select high speed counter operations as PWM counter
HSC – 1 HSC – 2 HSC-3
OUT PUT -1 OUTPUT – 2 OUTPUT – 3 DESCRIPTION
AQ 002 AQ004 AQ006 FWM frequency (15 to 1500)
AQ 003 AQ005 AQ007 PWM Duty cycle (0 – 10,000)
AQ505 AQ 506 AQ507 Enable O/P HS2 1/213
HSC --- High speed counter
21
22
23
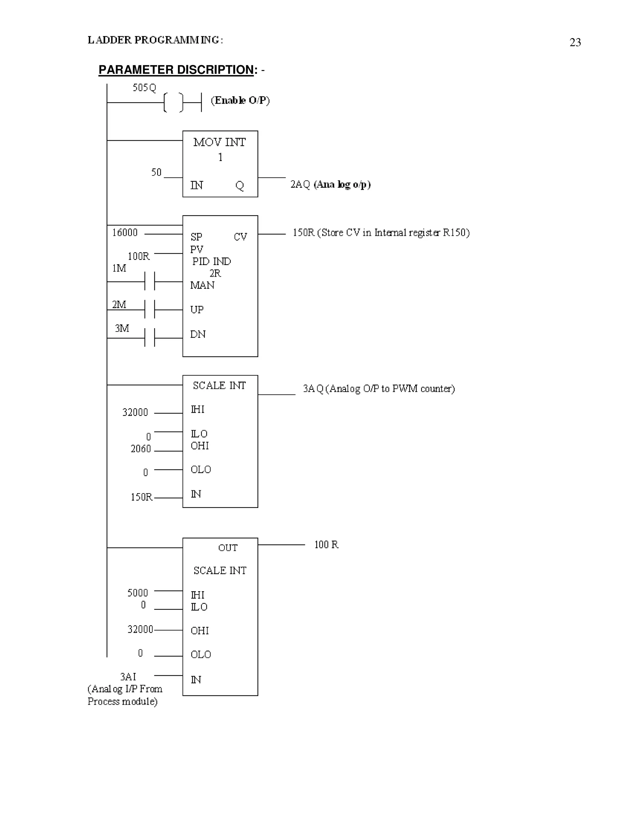
PARAMETER DISCRIPTION: -
24
PROCEDURE:
1. Load the versa max software in PC
2. open versapro software
3. PLC kits switches on
4. Interface pc to pc through Rs – 232 cable
5. Open new folder & draw ladder diagram
6. Connect PLC
7. Select correct hardware configuration.
8. Storage program to PC
9. Using patch cards connect PLC analog output to input of PWM.
10. Using patch cards connect speed control module trainer kit analog input to PLC
analog input.
11. Run the program
12. Check motor speed.
RESULT: The Speed of PMDC motor is designed & observed using PLC
experimentally
REVIEW QUESTIONS: -
1. The ability to handle analog signals along with arithmetic and other complex
calculations has mode PLC suitable for the control of process
2. PLC has the ability to store recipes of batch processing, reducing the read for
manual inputs.
3. What is the significance of PMDC motor?
4. Define the Pins OHI and OLO?
5. How do you interface PC to PLC?
6. What is the function of F to V converter?
7. Define Duty cycle.
Application: - Mineral & chemical processing
25
Experiment No:7
BOTTLE FILLING SYSTEM USING PLC
AIM: - Study of Bottle filling system using PLC.
Apparatus: - Bottle filling system module, PLC, PC, RS – 232, Cable, patch cards,
Bottles, Picas software
Theory: -
Schematic diagram PLC Bottle filling system
26
The Bottle filling system consists of Stepper Motor, Stepper Motor card, Proximity
Sensor, Optical Sensor, Level Tank, Sump Tank, FHP pump, Level Switch, Solenoid Valve,
Relay, Electrical Control Panel, PLC Controller
Stepper motor: - A step motor can be viewed as a DC motor with the number of poles (on
both rotor and stator) increased, taking care that they have no common denominator.
Additionally, soft magnetic material with many teeth on the rotor and stator cheaply
multiplies the number of poles (reluctance motor). Like an AC synchronous motor, it is
ideally driven by sinusoidal current, allowing a step less operation, but this puts some
burden on the controller. When using an 8-bitdigital controller, 256 micro steps per step are
possible. As a digital-to-analog converter produces unwanted ohmic heat in the controller,
pulse-width modulation is used instead to regulate the mean current. Simpler models switch
voltage only for doing a step, thus needing an extra current limiter: for every step, they
switch a single cable to the motor. Bipolar controller scan switch between supply voltage,
ground, and unconnected. Unipolar controllers can only connect or disconnect a cable,
because the voltage is already hard wired. Unipolar controllers need center-tapped
windings.
Stepper Motor card:- Stepper Motor Card is used in the Trainer. It is a 24 V operated, 3A
Stepper Motor Card. It is
used to drive the stepper motor. The stepper motor card gets input from PLC and, it drives
the stepper motor. The LED on the stepper motor card indicates that the card is “ON”. If the
LED is blinking then check for the 24 V supply.
Proximity Sensor (SWITCH): (24 VDC) A Capacitive Proximity Switch senses dielectric
properties of object material. It can sense non- metallic, metallic as well as liquid Low
counting speeds.
Optical Sensor (SWITCH): 24V supply, output 24V sensing distance upto 40cm, an
adjustable screw is provided at the back of the sensor. It can sense any object in its
proximity, such as metal, non-metal, plastic, etc. The sensing distance (for this trainer) is
adjusted such that it will sense bottle only. The LED on the
Sensor will glow when object is sensed.
Level Tank:-Dimensions 6’ x 6’ x 6’
Sump Tank:- Dimensions 1’ x 1’ x 1’
FHP pump (Water pump):- 230V AC supply. It is submersible type. Head generated
through the pump is 1-1.5(one to one
and half) meter.
Level Switch (Float type):- A float switch is an electro-mechanical switch which allows for
an electrical switch to be opened or closed depending on the fluid level in a container. The
float switch allows for Automatic operation of devices depending on the level of fluid, such
as the operation of pumps, or the opening or closing of valves. Float switches of numerous
configurations have been used for various marine and industrial applications. Most float
switches contain an electrical switch Imbedded within the body of the float switch device.
27
The electrical switch is actuated upon Physical movement of the portion of the float switch
device containing the electrical switch or upon physical movement of another portion of the
float switch device.
Solenoid Valve: 24V DC operated ½” size. A solenoid valve is an electromechanical valve
for use with liquid or gas. The valve is controlled by an electric current through a solenoid
coil. Solenoid valves may have two or more ports: in the case of a two-port valve the flow is
switched on or off; in the case of a three-port valve, the outflow is switched between the two
outlet ports. Multiple solenoid valves can be placed together on a manifold. A solenoid
valve has two main parts: the solenoid and the valve. The solenoid converts electrical
energy into mechanical energy which, in turn, opens or closes the valve mechanically
Solenoid valves may use metal seals or rubber seals, and may also have electrical
interfaces to allow for easy control. A spring may be used to hold the valve opened or
closed while the valve is not activated.
Relay: - 24Vdc ½” size
Electrical Control Panel : - M.S.Powder Coated
Specifications of programming language: Ladder logic
PLC:- A formal definition of a PLC comes from the National Electrical Manufacturers
Association (NEMA):
A Programmable controller is a digitally operated electronic system, designed for use in an
industrial environment, which uses a programmable memory for the internal storage of user
– orientated instructions for implementating specific functions such as logic sequencing
timing , counting & arithmetic to control, through digital or analog inputs & outputs ,various
types of machines or process. Both the PLC&its associated peripherals are designed so
that they can be easily integrated into an industrial control system & easily used in all their
intended functions.
PLC Specification: - ALLEN Bradley, PICO 1760 – L12BBB, 24V DC, I/P – 8,O/P –
4,Transister Output
Programming language: Ladder diagram logic
The optical switch, proximity switch has been adjusted to the avoid breakage. Before
Starting operation take them “behind” (such that they don’t obstruct the bottle and sense it)
with
the help of check nuts attached to them.
1) Fill the sump tank 70-80 percent with water.
2) Connect the main cord to plug & switch on the main switch, PLC & toggle switch.
3) Now as the level in the process tank will be low, the water will be pumped in the
process
tank & will be filled until the level reaches the higher limit (LS3 process level high).
4) Then the pump will stop. After a delay of 10 seconds the stepper motor will start
rotating
28
until optical sensor detects bottle after it detects bottle then after 10 sec the solenoid
valve
will be ON & it will start filling the water.
5) The solenoid will be ON till Capacitive sensor detects the presence of water; then
Solenoid valve will be OFF.
6) Then again the motor will start rotating until it detects the next bottle.
7) The above process will continue until toggle switch on and bottles are filled/or the
level
in the sump tank goes low.
Allen Bradley PLC (Pico Series B) can be programmed by using software Pico soft (version
6.1 or
later). For programming this software has to be installed in the computer and then connect
the
PLC and computer through cable provided. Then communicate the PC to PLC using Pico
Soft.
Then open the main program and you can edit, change, or do a new program.
Steps to start communication:
Procedure:
1) Install Pico Soft by the CD provided in the computer through which you want to
Communicate to PLC.
2) Fix the cable provided to the PLC & connect its other end to computer.
3. Connect PLC & Bottle filling system module
4. Open the new folder & draw the ladder logic program
5) Then click on the communication link on the left side of the bottom into the screen of
the computer.
6) After clicking there a screen will open at left side in which click on the online option.
7) Into the program option below the online there is symbol as “PC=>DEVICE” to transfer
the program from Computer to PLC.
8) Then press the “RUN” option below the option PC=>DEVICE. On that screen there is an
Option “RUN START” below the RUN option inside system setting, press that option.
Thus your PLC will have the program downloaded from the PC.
9) Now the configuration is complete.
10) Verify the operation of bottle filling system. 35
29
Result: Thus operation of bottle filling system using PLC was study
3
0
Experiment no:8
TEMPERATURE CONTROL USING PLC
AIM: - To control temperature of water in vessel using PLC.
Theory: - The temperature of water is controlled using PLC. The desired temperature
(sp) & actual temperature (P.V) are compared and difference is estimated as error.
Then the counter action is provided using PID algorithm till error becomes zero. The 3
mode PID control action is represented mathematically as:
P=KP + Kp
e
p + Kp.Ki ∫
t
ep.dt + kp.kd. dep/dt+PI (o)
0
Where
KP = proportional gain between error and controller output
dep = rate of change of error
dt
kd = derivative gain constant
ki = Scaling between error and controller output
ki epdt = controller output equal to net area under which the time curves multiplied by ki
This PID control action is implementation using ladder program.
TEMPERATURE CONTROL MODULES DESCRIPTION: The schematic of
temperature control module is as shown in fig1.This module maintains the water
temperature to the SP using PLC. The temperature of vessel is measured using
RTD.The output of RTD.is scaled to proper form using signal conditioner suitable for
PLC
This signal (PV) is fed to PLC through analog input channel. The set point (SP)
is provided through software (ladder programming).These two are taken as inputs for
ladder programming. After execution of program the output of PLC is fed to the PWM
convert through analog channel .This output control the excitation to the heater through
power driver in order to reach the temperature of water to desired values.
3
1
3
2
PARAMETER DISCRIPTION: -
ADDRESS: - The variable’s address is the location of the PID control block information,
which consists of 40 consecutive register of %R, %P or %L memory
SP: SP is the control loop S.P; data type: WORD
PV: PV is the control loop S.P; data type: WORD
MAN: When energized, the PID function is in manual mode
UP: When energized, if in manual mode, the CV output is adjusted up
DN: When energized, if in manual mode, the CV out put is adjusted down
Scale INT: Use this function to scale an input value & place it in an accumulator.
These function 5 input/Parameters. For the integer based version of the function
(scale integer)all the parameters be integer based (signed)
IHL: This input can either be% R, % AI. % AQ ref. memory or constant. It represents
the maximum input value.
ILO: This input can either be %R, %AI, %AQ ref memory or constant. It represents
minimum input value.
OHI: The input can either be ref memory or constant. It represents maximum scale
value when the IN input is at the IN high value, the accumulator value is the same
as OHI value.
OLO: This input can either be %R, %AI, %AQ ref memory or constant .It represents
the minimum scaled value when the IN input IS AT ILO value, the accumulator
value is the same as the OLO value.
IN: This input can either be %R, %AI, %AQ ref memory or constant. It represents
the value to be scaled
PROCEDURE:
1. Load the versa max software in PC
2. open versapro software
3. PLC kits switches on
4. Interface pc to pc through Rs – 232 cable
5. Open new folder & draw ladder diagram
6. Connect PLC
7. Select correct hardware configuration.
8. Storage program to PC
9. Using patch cards connect PLC analog output to input of PWM.
10.Using patch cards connect temperature control module trainer kit analog input to
PLC analog input.
11.Run the program
12.Check water temperature.
RESULT: The temperature of water is controlled using PLC
3
3
VIVA QUESTIONS: -
1. Control variable (CV) is stored in which particular register?
2. What is the sensor used for measuring temperature in this experiment?
3. Analog input from process module is taken at which particular pin?
4. What is the use for patch cards?
APPLICATIONS:
1. Room Temperature
2. Power monitoring systems
3
4
Experiment no:9
LIFT CONTROL USING PLC
.
AIM: - To study the performance of lift control system
APPARATUS: Lift control system, PLC, Versapro Software, PC, RS232 cable and patch
cards
THEORY: - In today’s world where sky scrapers are becoming common, lift has become
more of a necessary rather than Luxury. Imagine the plight of the man if he had to climb 50
floors if there was no lift. Lift can be controlled in different ways and different controllers are
available. This trainer kit demonstrates the PLC controlled lift, the main controller is the
Micro P.L.C which monitors the calls from where the lift is being called and performs the
work according to programmed logic.
Construction
The mechanical parts of the lift includes the pulley system, Top plate, bottom
plate, Bushes, Shaft and the lift top plate & bottom plate are made up of mild steel the top &
bottom is connected by two shaft and the lift move in between the two shaft with the help of
pulley and bush arrangement.
The Block diagram of lift control system is shown in fig.1
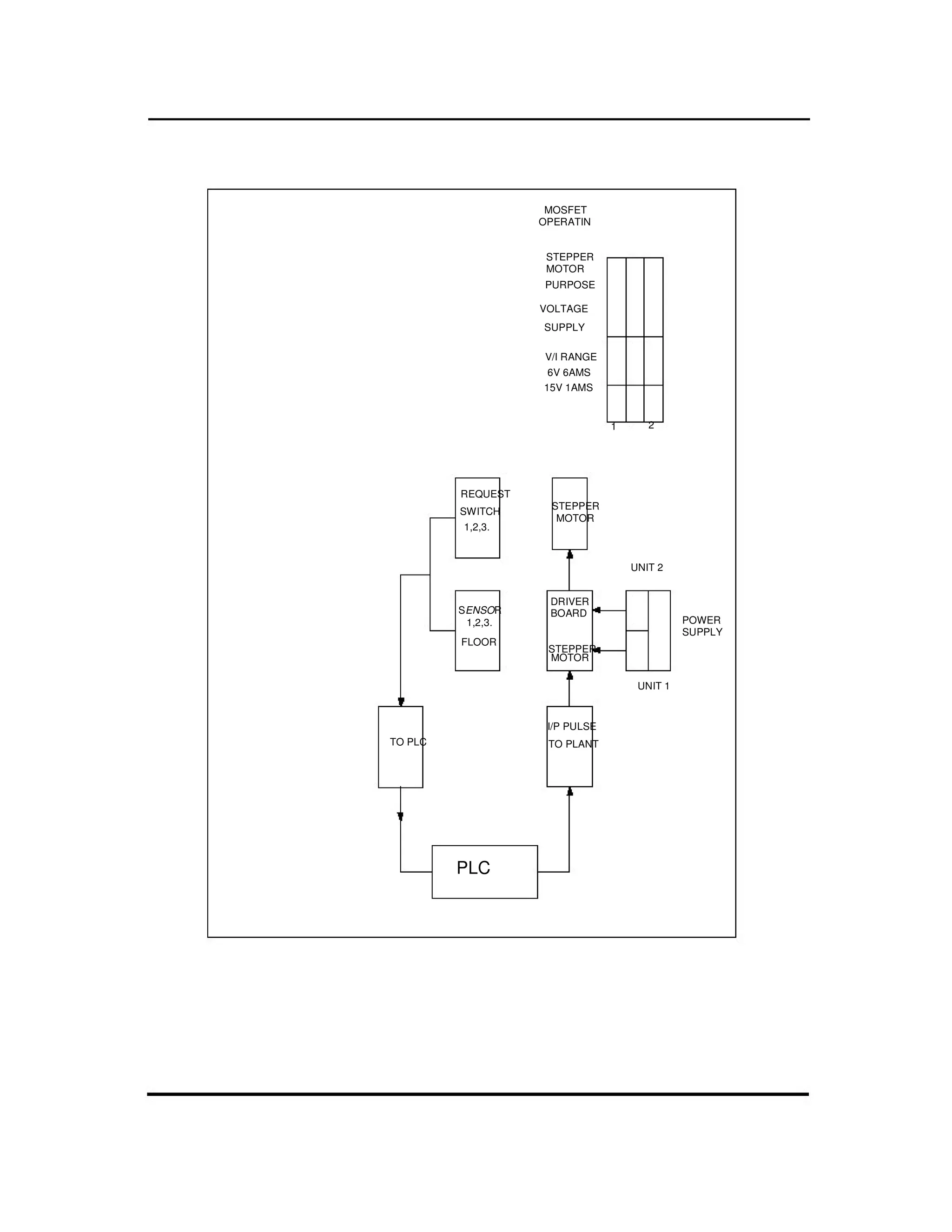
3
5
TO PLC
PLC
FLOOR
SENSOR
1,2,3.
REQUEST
SWITCH
1,2,3.
I/P PULSE
TO PLANT
STEPPER
MOTOR
DRIVER
BOARD
STEPPER
MOTOR
V/I RANGE
1 2
6V 6AMS
15V 1AMS
PURPOSE
STEPPER
MOTOR
SUPPLY
MOSFET
OPERATIN
VOLTAGE
UNIT 1
POWER
SUPPLY
UNIT 2
3
6
WORKING PRINCIPLE
There are three floors and each floor has one requisition switch. Whenever the switch is
pressed the lift comes to that floor and remains in that floor for the given particular time
period.
STEPPER MOTOR
The stepper motor in the trainer kit produces the required rotating
motion to the bottle platform. The stepper motor windings Coil 1, Coil 2, Coil 3, Coil 4 can
be cylindrically excited with the DC current to run the motor in clockwise direction. By
reversing the phase sequences Coil 1, Coil 4, Coil 3, Coil 2. The 4 coils of the stepper
motor are arranged in a fashion to rotate in steps. The steps angle for rotation of stepper
motor is governed by number of stator and rotors.
Step Angle = 360 / NS×NR
The Bottle platform stepper motor axis connected together exhibit synchronism.
The stepper motor operates in a two modes of operation as it is given.
i. Single step operation
For a single step operation energized each coil step by step for that consider the
below given table at the time of moving the first decimal data (1) Coil 1 is energized, then
coil 2 for second decimal data and so on. This process repeated again and again to achieve
the required job.
Coil 1 Coil 2 Coil 3 Coil 4 Decimal
Value
1 0 0 0 1
0 1 0 0 2
0 0 1 0 4
0 0 0 1 8
Double Step Operation
Double step operation energised 2 coils simultaneously and repeats same for step
by step at that time of moving the first decimal data (3) Coil 1 & 2 are energized. Then coil 2
& 3 for second decimal data (6) and so on.
Coil 1 Coil 2 Coil 3 Coil 4 Decimal
Value
1 1 0 0 3
0 1 1 0 6
0 0 1 1 12
1 0 0 1 9
Wiring for Stepper Motor:
3
7
Blue - Coil 1
Red - Coil 2
Green - Coil 3
Orange - Coil 4
Specifications
Torque - 7Kg
Voltage - 6V
Current - 5A
Inductive Sensor
This inductive sensor is used to monitor the lift position, when it senses the output of the
sensor
will be given to the PLC input.
Specifications
Voltage -- 5V – 40V
Current -- 100mA
Limit Switch
Two limit switches are used in this lift control system, which is placed in top floor &
ground floor, the Output of the lift switch will be interfaced with the PLC to change the
direction of steeper
Motor.
Specifications
Voltage - 125V, 250V
Current - 5A, 3A
3
8
3
9
4
0
4
1
4
2
4
3
4
4
Program Description
I1, I2, I3 -- Requisition switch.
I4, I5, I6 -- Sensor Inputs
Q2, Q3, Q4, Q5 -- Output for stepper motor.
I1, I2, I3 are the requisition switches I4, I5, I6 are the sensor placed in each
floor. The other coils
used in the program are the set coil, reset coil, Positive transition coil,
negative transition coil are
in memory location.
The timer functions are used to produce the required time delay.
Bit sequence function is used to drive the stepper motor.
Whenever the requirement switch I1, is pressed the set coil M1 is energized
and bit sequence
Outputs are enabled then the stepper motor rotates.
When the motor reaches the respective floor, the switch I4 gets closed and
energizes both positive
transition coil & negative transition coil.
The positive transition coil energizes one more set coil, which is used to
enable the timer.
This timer is used to give time delay for the lift in each floor.
The negative transition coil which was energized is used to reset the
requisition.
The above functions are repeated in each floor.
Conditions For rotation Of Motor
Consider the lift is in ground floor, when the requisition is given from first floor
or second floor
the motor has to move forward.
If the lift is in top floor then it has to move in the reverse direction.
If the lift is in middle floor then according to the requisition, lift will move in
forward or reverse
Direction.
4
5
PROCEDURE
1. Load the versapro software to the PC.
2. Open the versapro software.
3. Switch ON the PLC trainer and lift controls system.
4. Connect PLC and Lift control system kit.
5. Open the New folder and draw the ladder logic program.
6. Select the correct hardware configuration.
7. Store the Program to PLC.
8. Run the program.
Result: - Verify the performance to the lift control system.
4
6
Experiment No: 10
MATERIAL HANDLING SYSTEM USING PLC
AIM: To study performance for the material handling system
Apparatus: Material handling system, PLC, Versapro software, PC, RS – 232 cable, patch
cards
THEORY: - advancement in the field of Engineers has come to an extent that automation
is a must to perform well. The recent advancement in this field is the automatic material
handling equipment. A material handling trainer with a Micro PLC interface is a more
advanced application. Automation using Micro PLC is performed to reduce the man -
machine interface.
4
7
Schematic diagram of material handling system
The material handling system consists of the following interfaced to a micro PLC.
Stepper motor 1- To rotate a container belt
Stepper motor 2- To move a arm
Electromagnet – To pick a material (it is mount in arm end)
Limit switches - To Control the arm position
Micro PLC:
PLCs are used in virtually every segment of including where automation is
required they represent one of the fastest growing segments of the industrial electronics in
industry. PLCs are software compatible which work using a logical function diagram known
as ladder diagram (LD). The various tools in the versapro PLC software aid in designing the
desired control logic. A PLC can be divided into 3 parts
1. CPU
2. Input /Output section
3. Programming devices
STEPPER MOTOR: -
The stepper motor in the trainer kit produces the required rotating motion to the
bottle platform. The stepper motor windings Coil 1, Coil 2, Coil 3, Coil 4 can be cylindrically
excited with the DC current to run the motor in clockwise direction. By reversing the phase
sequences Coil 1, Coil 4, Coil 3, Coil 2. The 4 coils of the stepper motor are arranged in a
fashion to rotate in steps. The steps angle for rotation of stepper motor is governed by
number of stator and rotors.
4
8
Step Angles = 360 / NS x NR
The Bottle platform stepper motor axis connected together exhibit synchronism.
The stepper motor operates in a two modes of operation as it is given.
Single step operation
For a single step operation energized each coil step by step for that consider
the below given table at the time of moving the first decimal data (1) Coil 1 is energized,
then coil 2 for second decimal data and so on. This process repeated again and again to
achieve the required job.
Coil 1 Coil 2 Coil 3 Coil 4 Decimal Value
1 0 0 0 1
0 1 0 0 2
0 0 1 0 4
0 0 0 1 8
Double Step Operation
Double step operation energized 2 coils simultaneously and repeats same for
step by step at that time of moving the first decimal data (3) Coil 1 & 2 are energized. Then
coil 2 & 3 for second
Decimal data (6) and so on.
Wiring for Stepper Motor:
Blue - Coil 1
Red - Coil 2
Green - Coil 3
Orange - Coil 4
Specification
Stepper Motor 1:
Torque - 7kg-c
Coil 1 Coil 2 Coil 3 Coil 4 Decimal Value
1 1 0 0 3
0 1 1 0 6
0 0 1 1 12
1 0 0 1 9
4
9
Voltage - 6V
Current -1.4 A/phase
Stepper Motor 2:
Torque - 2kg-cm
Voltage -12V
Current - 0.5A/Phase
Capacitive Pickup Sensor
The capacitive pickup sensor connected vertically detects the presence of
material on the
Platform. The pickup sensor monitors the proper movement of material on the platform &
indicates during failures. This sensor also eliminated air gap between material & sensor.
Specifications:
Voltage - 10V-30V DC (NPN type)
Current - 100 mA
5
0
5
1
Solenoid Value:
The solenoid value is geometrically connected end of arm. The
solenoid coil is excited with a
Supply of 230V on excitation the coil is magnetic. So, the material is pickup by the
arm through the Electromagnet.
After moving the arm in particular position through the stepper motor, cut off the
supply to the coil. So, Coil is
De-excited then drop the material.
Operating Voltage -230V AC.
Limit Switch:
It is a ON-OFF switch. It is used to limit the stepper motor action. It
is positioned the maximum
& minimum movement of stepper motor2 action.
PROGRAM FOR MATERIAL HANDLING SYSTEM:
In the material handling system first the arm is go to the
initial position that means it is placed in the (i1) limit switch Point . Now the
program in run the conveyer settings is role whenever the Sensor (i3) is high at
the time the conveyer setting action in stop now the arm is rotate the initial point
to (i2) position. Whenever the input (i2) is high at the time the coil output is high
now the Coil is magnetized and to catch the material and rotate the reverse
direction. Whenever as the arm is touch the I/P (i1) at the time the I/P 1 is high
the coil O/P in low. So, the coil is demagnetized and the material is drop in the
storage box.
WIRING CONNECTION:
Stepper Motor 1
Coil 1 – Output 2
Coil 2 – Output 3
Coil 3 - Output 4
Coil 4 - Output 5
Stepper Motor 2
5
2
Coil 1 – Output 7
Coil 2 – Output 8
Coil 3 - Output 9
Coil 4 - Output 10
Electromagnet: Output
Limit Switch 1: Input 1
Limit Switch 2: Input 2
Pickup sensor 3: Input 3
5
3
PROCEDURE: -
1. Load the Versapro Software to the PC.
2. Open the Versapro Software.
3.Switch ON the PLC Trainer and Material handling system.
4.Connect PLC and Material handling System kit.
5.Open the New folder and draw the ladder logic program.
6.Connect the PLC to PC.
7.Select the correct hardware Configuration [Sl. No].
8. Store the Program to PLC.
9. Run the Program.
10. Verify the performance of the Material handling System.
Result: Verify the performance to the Material handling system
5
4
Experiment no:11
PROCESS CONTROL SIMULATOR
AIM: To determine the Transfer function of first order process control simulator.
THEORY:
Process simulator is a special purpose analog simulator employing integrated circuit
sufficiently versatile to permit a detail study of the dynamic response of a wide validity of
linear process and derivative control. The simulator can be used in a wide frequency range.
Speed selection b/w the fast & slow mode is achieved by independent control. The
controller and the process can be set at slow speed or high speed using the selected
switched. The simulator may be used at high speed for oscilloscope observation.
1st
Order process: For 1st
order process only one block in the simulator is connected as
shown in fig
A. toggle switch is provided in the block .If the toggle switch is in integrated position then
the simulated process generates a transfer function of 1/s.If the switches is in the lag
position then the block generates a transfer function 1/TS+1
Setting of proportional action:
It is normally used for systems whose over all forward path transfer function has not more
than 2 or 3 time constants the over all performance depends on KP. Increasing KP
decrease the steady state error. The combination of lag block and controller block give an
over all T.F = KP/ Ts +1 for the first order process.
Signal forces: The simulation consists of an inbuilt signal generator. The signal generator
contains a square wave generator to study the time response & sine wave generator.
There are two built in signal sources in the unit with the following normal
specifications.
1. Square wave: Frequency → 1HZ – 1KHZ & peak to peak amp → 0 – 10v
2. Sine wave : Frequency → 1HZ – 1KHZ & peak to peak amp → 0 – 6v
1ST
ORDER PROCESS
5
5
SETTING OF PREPORTIONAL CONTROL ACTION
For 1st
order process only one block is connected as shown in figure1
Result: Transfer function of First order process using process control simulator is
determined experimentally
REVIEW QUESTIONS: -
1. What is the transfer function for first order process
2. Mention some example for first order process
3. Give the details of front panels of process control simulator
4. Define time constant of first order process
5. How do you calculate gain from the output response?
Applications: - Complex mathematical Calculations
56
56

Advanced insrumentation lab manual

  • 1.
    1 EI 7051 ADVANCEDINSTRUMENTATION LAB LAB MANUAL (Y10 Regulations) For IV /IV B.Tech (VII Semester) E. I. E Department of Electronics & Instrumentation Engineering VELAGAPUDI RAMAKRISHNA SIDDHARTHA ENGINEERING COLLEGE VIJAYAWADA-520 007 (AUTONOMOUS)
  • 2.
    2 INSTRUCTIONS TO BEFOLLOWED IN MAINTAINING THE RECORD BOOK The Record should be written nearly with ink on the right hand page only. The left hand page being reserved for diagrams. The Record should contain: 1. The date 2. The number and name of the experiment 3. The aim of the experiment 4. Characteristic tables of the circuit 5. On the left hand side, circuit should be designed 6. Index must be filled in regularly 7. You must get your record certified by the concerned staff on the every next class after completing the experiment 8. You must get your record certified by the concerned staff at the end of every semester INSTRUCTIONS TO BE FOLLOWED IN THE LABORATORY 1. You must bring record observations notebook, while coming to the practical class without you may not be allowed to the practical. 2. Don’t touch the equipment which is not connected with our experiment. 3. When the apparatus is issued, you are advised to check their condition. 4. You should not leave the laboratory without obtaining the signature of the concerned lecturer after completing the practical. Note: 1. Damaged caused to the property of the laboratory will be recovered. 2. If 75% of the experiments prescribed are not completed the candidate will not be allowed for attending examinations.
  • 3.
    3 List of Experiments 1.Implementation of Logic gates using PLC. 2. Implementation of timer using PLC 3. Implementation of counters using PLC 4. Level controller using PLC 5. Pressure Control using PLC 6. Motor speed control using PLC 7. Bottle filling System using PLC 8. Temperature control using PLC 9. Elevator controller using PLC 10. Batch process Reactor system using PLC 11. Material Handling System using PLC 12. Process control Simulator 13. Implementation of PLC programming through SCADA 14. Fan Control using PLC 15. Reaction Vessel Control using PLC NB: A minimum of 10 (Ten) experiments have to be performed and recorded by the candidate to attain eligibility for University practical Examinations.
  • 4.
    4 PLC INTRODUCTION A PLCis an industrial digital computer used to monitor I / P’s and depending upon their state make decision based on its program or logic to control its O/P’s to automatic a machine or a process. The main difference from other computers is that PLC’s are protected from savior conditions (such as dust, moisture, heat, cold) and has that facility for extensive I/O arrangements. These I/P arrangements directly connect the PLC to sensor and actuators. On the actuator side PLC’s operate electric motors, magnetic relays solenoids or analog O/P’s ADVANTAGES: 1. Rugged and designed to with stand vibrators temperature humidity and noise. 2. Easily programmed and have an easily understood programming language 3. Have interfacing for I/P’s and O/P’s already inside the controller DISADVANTAGES: 1. Difficulty with change or replacement 2. When a problem occurs holdup time is in definite usually APPLICATIONS: 1. In any automated system like steel plant, paper industry, COCO – COLA Industry PLC controller is usually the central part of the process system. 2. To run more complex process, It is possible to connect or PLC controller to a control computer ARCHITECTURE OF PLC: 1. CPU: - The CPU accepts I / P data from various sensing devices, executes the stored user program from memory and sends appropriate O/P command to controlled devices. In small PLC, the processor solid state memory I / P modules and power supply are housed in a single compack unit. The programming devices usually handling unit, a key pad and LCD display are connected to the main unit with a cable. In large PLC’s the processor and memory are in one unit. The power supply is second unit and I/P interface in additional units. The programming devices in general personal computer are connected to the main with RS232 cable serial data standard. The Microprocessor or microcontroller is a part of PLC, CPU that receives analyses the process and sends data. The memory unit contains RAM, ROM, the fixed operating program and RAM contains the user program which is writing the ladder diagram language. The I/P system forms the interface by which field devices are connected to the controller. The I/P module converts signals from the process device (12V, 24V, 120V AC or DC) in to logic signals (5V DC) that can be used by the controller. The O/P module converts logic signals (5V DC) in to field level signals (12V, 24V, 120V AC or DC) to power device.
  • 5.
    5 2. Programming device:- The programming device or PC is used to enter the desired program in to the memory of PLC processor. This program is entered using ladder logic. The program determines the sequence of operation and ultimate control by process loops TYPES OF PLC: - Name PLC – IC 200NDD101 → Versa max NANO PLC has no. of I/P’s 6, 24V DC I/P switches → Addresses from 1i to 6i and 4, 24V DC LED O/P’s (address 1Q to 4q) → PLC software: versa pro2.02 About the software: The software used in NANO PLC’s when designing a ladder logic diagram is versa pro 2.02.The software has been designed by GE FANUC. This is a very user friendly program when compared to the other programs. The program has been designed to suit the operating system environment The block diagram of PLC is shown in figure 1: PROGRAMMING LANGUAGES: - The 2 most common language structures are 1) Ladder diagram language 2) Boolean language In laboratory we mostly prefer to use only ladder diagram language The ladder diagram language is basically a symbolic set of instruction used to create the controller program. These ladder instructions are arranged to obtain the desired control logic.i.e, to be entered in to the memory of the PLC. The main Symbols that are used in PLC programming are
  • 6.
    6 Experiment No:1 IMPLEMENTATION OF– LOGIC GATES USING LADDER PROGRAMMING Write the ladder language code for the logic gates with the help of PLC AIM: To realize the logic gates using ladder programming Procedure: - 1. Interface PC to PLC through Rs – 232 cables 2. Go to versa pro 2.02 Icon 3. Open “FILE” go to “new folder” fill the details and click finish 4. Go to “Hard ware configuration” and replace module 5. Enter the symbols on to file using symbol on menu bar 6. Given I/P, O/P address 7. Go to PLC click connect 8. After connecting go to PLC clear it and select all 9. After clearing go to PLC store it 10 Go to PLC go to Run 11. Thus checkout using PLC and realize respective truth tables Result: -logic gate using ladder language are realized using PLC and their truth table are verified REVIEW QUESTIONS: - 1. What are the different symbols for building ladder diagram? 2. Draw the logic gates for AND,OR,NAND, NOR, NOT ,EX – OR ,EX – NOR 3. What is the software used for realizing logic gates? _ _ 4. Explain the Boolean expression Z= XY + XY Applications: 1. Security Systems 2. Industrial applications 3. Petroleum collection & distribution
  • 7.
  • 8.
    8 Experiment No:2 IMPLEMENTATION OFTIMERS USING PLC AIM: - Design & verify the operation of timers & counters using PLC ladder language THEORY: - A timer is simply a control that waits to turn ON or turn OFF the O/P after receiving an ‘ON’ or’ OFF’ signal from the I/P. Times are basically 3 types. ON DELAY TIMER: This timer wait a specific amount of time then turns ON an O/P. The ON delay timer (TMR) increments while it receiver flow and resets to zero when flow stops. Time may be counted in tenth of a sec, Hundredth of a sec or Thousandth of a sec the range is 0 to + 327767 time units. The state of this timer is retentive on power failure, no automatic initialization occurs at power up. When the current value equals or exceeds the present value (PV) the function begins passing power flow to the right. Timer continues accumulating time to the right. The timer continues accumulating time until the maximum value is reached. When the enabling parameter transitions from ON to OFF, The timer stops. Accumulating time & current value is reset to zero OFF DELAY TIMER: This timer takes turn on an O/P and keeps that O/P ‘ON’ until specific amount of time has passed then turns it OFF. When programming a timer instruction the programmer must specify the timer address (one of the 256 internal resistor of PLC R0 to R255). Time base (1B) and the preset value (PV).The time base value is an internal that the timer is going to use these values. Can be said to 0.1sec,0.01sec,0.001sec 0.1sec → 1/10 timer 0.01sec → 1/100 timer 0.001sec → 1/1000 timer The present value specifies how many intervals a timer should count before the timing is complete. Also known as done. Timer selling time or delay time equals its present value multiplied by the time base. Delay time = PV X TB A timer is done when its accumulator values reaches its preset value.
  • 9.
    9 When ‘ON’ delaytimer is enabled, when its ladder rung is true An ‘OFF’ Delay timer is enabled. When its ladder rung is false When ON or OFF delay timer is timing its rung condition change will cause the timer to stop and its accumulated value to be reset to ‘Zero’ RETENTIVE TIMER: - A retentive timer was like an on delay timer with one difference .That is when its Run conduction changes from the true to false the timer. Simply stops timing but its accumulated value is not reset to zero. When its rung condition goes false to drew. The off delay timer increments while power flow is OFF and resets to zero when power flow is ON. Time may be counted in 10ths (0.1), 100ths (0.01) or 1000ths (0.001) of a sec. The range is 0 to + 32767 time units. The state of this timer is retentive on power failure, no automatic initialization occurs at power up. When the current value equals or exceeds the present value (PV) the function stops passing power flow to the right. The timer continues accumulating time to the right. The timer continues accumulating time until the maximum value is reached. When the enabling parameters transitions from ON to OFF, the timer stops. Accumulating time & current value is reset to zero PARAMETERS: - Input / output Choice Description ADDRESS R The function uses 3 consecutive words as % R memory to store the following : Current value = word 1 Present value = word 2 Control value = word 3 Don’t use this address with other instructions ENABLE PV Q TIME FLOW I,Q,M,T,G,R,AI,AQ, Constant, none Flow, none 10ths (0.1),100ths (0.01)1000ths (0.001)of seconds When enable receives powder flow, the timer current value is incremented when TMR is not enable, the current value is reset to zero and it is turned OFF PV is the value to copy in to timer’s present value when timer is enabled or reset Output Q is energized when current value of the timer is ≥ present value Time increment for low bit of PV and CV(current value)
  • 10.
  • 11.
    11 Experiment No:3 IMPLEMENTATION OFCOUNTER USING PLC The basic counter block is shown in fig.2 Counter are basically two type’s 1.Up counter 2. Down counter Counter: A counter simply counts a no of events that occur on I/P Up counter: - When a trigger event occur an up counter increments the count. UP counters are started from zero and continue counting until the accumulated value matches the preset value. Down counter: - When ever a trigger event occurs a down decrements the count. Down counters should always stop the counting at the preset value. When a counter instruction is used in a program the programmer must specify the counter address preset which is an integer. UP COUNTER: - The UP counters function counts up to designated value. The range is 0 to + 32767 counts. When the up counter resets is ON, the CV of counter resets to 0.Each time the enable input transactions from OFF to ON, the CV incremented by 1.The CV can be incremented past the PV. The output IS on whenever the CV ≥ PV. The CV can be incremented past the PV. The output is ON whenever the CV ≥ PV. The state of CTU is Retentive on power failure, no automatic initialization occurs at power up.
  • 12.
    12 DOWN COUNTER: -The down counter functions count from a PV. The minimum PV is Zero, the Max PV is + 32767 .When reset the CV of counter is set to PV.When the enable input transitions from OFF to ON, the CV is decremented by one. The output is ON whenever the CV ≥ 0 (ZERO) .The CV of the down counter is retentive on power failure, no automatic initialization occurs at power up. PARAMETERS: - Input / output Choice Description ADDRESS R The function uses 3 consecutive words as % R memory to store the following : Current value = word 1 Present value = word 2 Control value = word 3 Don’t use this address with another up counter, down counter or any other instructions or improper operation will result. ENABLE R PV Q FLOW FLOW I,Q,M,T,G,R,AI,AQ, Constant, none Flow, none On a positive transition of enable the current count is incremented (UP counter) or decremented (down counter)≤ by one When R receives power flow, it result the current value back to zero(up counter) or it resets the CV to PV (Down counter) PV is the value to copy into counters present value when counter is enable or reset Output Q is energized When CV≥PV (up counter) When CV≤PV(Down counter)
  • 13.
  • 14.
    14 Procedure: - 1. InterfacePC to PLC through Rs – 232 cables 2. Go to versa pro 2.02 Icon 3. Open “FILE” go to “new folder” fill the details and click finish 4. Go to “Hard ware configuration” and replace module 5. Enter the symbols on to file using symbol on menu bar 6. Given I/P, O/P address 7. Go to PLC click connect 8. After connecting go to PLC clear it and select all 9. After clearing go to PLC store it 10 Go to PLC go to Run the ladder program and verify operations of timer & counters Result: - The counters and timers and their types are designed and verified experimentally REVIEW QUESTIONS: - 1. What is the difference between up counter & Down counter 2. What is the value of to in off delay timer 3. Explain the input and output parameters 4. What is the count for max PV? 5. What is the range of time that can be counted in a timer? Applications: 1. Heating systems 2. power monitoring
  • 15.
    15 Experiment No:4 LEVEL CONTROLLERUSING PLC AIM: - Observation of ON – OFF controller using PLC ladder program THEORY: The two position or ON – OFF Control is the most widely used type of control action employed in domestic application like home heating system, refrigerator ,overhead fans & water tanks. ON – OFF Control is a position type of controller action in which the manipulated variable is quickly changed to either a maximum or minimum value depending upon whether the controlled variable is greater or less than the set point. This control action is applicable to the process having not more than two energy storage elements in operation. This control very simple but in theory the action is difficult to analyses because of discontinuous nature of changes in the manipulated variable. In this experiment the ON –OFF control action is applied to control water level b/w upper lower set points in the process tanks. It has the widest industrial & domestic use on process having not more than two energy storage elements in operation. ON – OFF control is very simple, but in theory the action is difficult to analyze because of discontinuous nature of change in the manipulated variable. In this particular experiment we are applying ON – OFF control action water level in overhead tanks BLOCK DIAGRAM DESCRIPTION: The block diagram of ON – OFF control system is shown in figure 1. In this control system is shown in figure1. In this control system, there are two inputs and two outputs. The inputs to PLC are signals from low level (1i) and high level (2i) sensors. After executing ladder diagram, output from PLC are fed to motor (1q) and solenoid valve (2q) to perform ON – OFF control action CONDITIONS TO PERFORM ON – OFF CONTROL ACTION: Case 1: When water level reaches high, high level sensor is activated (closed) and low level sensor is in its normal position (closed).Then solenoid valve is to be opened and motor is to be turned OFF. Case2: When water level reaches low, low level sensor is activated (opened) and high level sensor is in its normal position (opened).Then solenoid valve is to be closed and motor is to be turned ON. TO satisfy the above two conditions we develop ladder program. Fig.1 BLOCK DIAGRAM OF ON – OFF LEVEL CONTROLLER USING PLC
  • 16.
    16 PROCEDURE: 1. Interface PCto PLC through Rs – 232 cable 2. A new file is created (Select file → new folder →name → finish) 3. Proper selection of Hard ware Configuration (Module: - NANO D00NDD101) is done 4. By using ladder option in menu we create ladder diagrams for ON/OFF control action & addresses are assigned. 5. Connect PLC to PC and store the ladder program in PLC 6. Run the ladder program and verify the ON/OFF control action in water level control system. RESULT: ON –OFF level control is designed & observed using ladder PLC experimentally REVIEW QUESTIONS: - 1. Explain ON – OFF controller operation 2. What are the inputs to PLC and outputs from PLC in this experiment 3. What are the advantages of solenoid valve? 4. What is the function of signal conditioner in this experiment? APPLICATIONS: 1. Water & Waste Treatments 2. Home heating system 3. Domestic heaters and water tanks
  • 17.
    17 Experiment No:5 PRESSURE CONTROLUSING PLC AIM: - ON – OFF Pressure control using PLC THEORY: - The two position or ON – OFF Control is the most widely used type of control generally employed in home heating system, domestic heater & pressure tanks. ON – OFF control is a position type of control action in which the manipulated variable is quickly changed to either a maximum or minimum value depending upon whether the controlled variable is greater or less than the set point. It has the widest industrial & domestic use on processes having not more than two energy storage elements in operation. ON – OFF control is very simple, but in theory the action is difficult to analyze because of discontinuous nature of changes in the manipulated variable. In this particular experiment we are applying ON – OFF control action to pressure in process tanks. DESCRIPTION: - The schematic of pressure control module is as shown in fig 1 .It consists of piezo – resistive sensor, signal conditioner, power relay and solenoid valve. The tank pressure is sensed by piezo – resistive sensor based on pressure variation, it will give the resistance output. Variation of resistance is converted into voltage by signal conditioner. It consists of wheat stone bridge pre – amplifier, gain amplifier The set point is given through set point POT. The controller compares the process variable with set point. When the process variable is above the set point, the controller output is low. This will de –energize the relay coil. Now the value moves up to allow the air supply. When the process variable is below the set point, the controller out put is high. This will energize the relay coil. Now the value moves up to allow the air supply. Air muffler is provided to create a disturbance. And restrict the noise and atmospheric air. This type of control action specially used in compressor pressure control. The pressure is controlled by solenoid valve. The SV indicator indicates whether the relay is energized or not. Load disturbance is given through the Hvi adjustment. The dead band is varied by varying the POT. Zero adjustment POT is provided to make the zero calibration. Toggle switch is provided to release the extreme pressure and secure the pressure cell.
  • 18.
    18 PROCEDURE 1. Load theversa max software in PC 2. Open versapro software. 3. PLC kit switches on. 4. Interface PC to PLC through Rs – 232 Cable. 5. Open new folder & draw ladder diagram 6. Connect PLC 7. Select correct hardware configuration. 8. Storage program to PLC. 9. Run the ladder program and verify the ON – OFF control action in pressure control system Result: - ON – OFF control action in pressure control system is verified using ladder programming. Applications: - 1. Petroleum collections & distribution 2. Home Heating Systems 3. Pressure tanks REVIEW QUESTIONS: - 1. Explain the function of piezo – resistive sensor 2. Explain the terms dead band and zero adjustment in varying the pot. 3. What is the function of power relay block? 4. What is the function of toggle switch & compressor
  • 19.
    19 Experiment No:6 MOTOR SPEEDCONTROL USING PLC AIM: Observation of speed control of PM DC motor using PLC Theory: The speed of PMDC motor is controlled using versa max micro PLC. The PLC asks as an array detector and PID controller using ladder programming and produces controller O/P in the from of PWM signal to control the speed of D.C. Motor The module maintains the speed of PMDC motor to the set point using PLC. The speed of the motor is measured using opto couple sensor .The O/P of opto coupler will be a series of pulses depending upon the speed of motor. These pulses are converted in to voltage F/V converter 0 – 5V corresponding to 0 – 1500 RPM .The O/P of F/V converter is conditioned to the level suitable for PLC analog I/P channel and display unit (0 – 10V) The I/P analog channel was a 12 – bit successive approximation type A/D converter for the I/P channel in all made %AI or % IR arranges in PLC environment is 0 – 3200 corresponds to 0 – 4000 counts of A/D converter. SCALE INTEGER BLOCK: - IHE & ILO is inputs can be either % R (or) % AI. %AQ (analog O/P) reference memory is constant. It represents the max & min I/P values.Simillary OHI &OLO represents the max & min accumulated or O/P value when I/P value is max & min value. IN: The I/P can be either %R, % AI & % AQ reference memory are constant. It represents the value to be scaled → The scaled process variable (PV) is applied as one to PID ladder block. The set point is given to the software. → The three mode PID control action was taken by the PLC & given to controlled O/P on analog O/P channel PID ladder block: - The PID functions compare the feedback from a process variable with a desired process set point & update a control variable based on the error. The PID function uses PID loop again (KP, KI, KD) and other parameters showed in array of 4 , 16 bit words to solve the PID algorithm at the desired time interval. MAN: That I/P is designed the PID is in manual mode UP: When energized the CV (control variable) O/P is incremented by 1 in manual mode DN: when energized the CV O/P is decremented by 1 in manual mode. To generate analog O/P the O/P of the PID block stored in %R is translated in to a count value for the 12bit D/A converter which drives the analog O/P
  • 20.
    20 PWM COUNTER: -PWM is a powerful technique for controlling analog CKT with a process digital O/P. By controlling analog Circuit Digitally system cost power consumption and noise effects can be deistically reduced .PWM is a way of digitally encoded analog signal levels. To the use of high resolution counters the duty cycle (T on/T) of a square wave is modulated to encode the specific analog signal level. In PMW technique at any given instant of time the DC supply is either ON/OFF line time/sec The modulated frequency is NHZ which is one r/p for the PWM counter here the modulated frequency is selected as power line frequency equal to 50hz.The motor & DC supply. To produce more power the only way is to increase the duty cycle of PWM counter using software, A NANO PLC can be configured to operate as a PWM counter by selecting one of the in built high speed counter. The following table shows the address of PLC to select high speed counter operations as PWM counter HSC – 1 HSC – 2 HSC-3 OUT PUT -1 OUTPUT – 2 OUTPUT – 3 DESCRIPTION AQ 002 AQ004 AQ006 FWM frequency (15 to 1500) AQ 003 AQ005 AQ007 PWM Duty cycle (0 – 10,000) AQ505 AQ 506 AQ507 Enable O/P HS2 1/213 HSC --- High speed counter
  • 21.
  • 22.
  • 23.
  • 24.
    24 PROCEDURE: 1. Load theversa max software in PC 2. open versapro software 3. PLC kits switches on 4. Interface pc to pc through Rs – 232 cable 5. Open new folder & draw ladder diagram 6. Connect PLC 7. Select correct hardware configuration. 8. Storage program to PC 9. Using patch cards connect PLC analog output to input of PWM. 10. Using patch cards connect speed control module trainer kit analog input to PLC analog input. 11. Run the program 12. Check motor speed. RESULT: The Speed of PMDC motor is designed & observed using PLC experimentally REVIEW QUESTIONS: - 1. The ability to handle analog signals along with arithmetic and other complex calculations has mode PLC suitable for the control of process 2. PLC has the ability to store recipes of batch processing, reducing the read for manual inputs. 3. What is the significance of PMDC motor? 4. Define the Pins OHI and OLO? 5. How do you interface PC to PLC? 6. What is the function of F to V converter? 7. Define Duty cycle. Application: - Mineral & chemical processing
  • 25.
    25 Experiment No:7 BOTTLE FILLINGSYSTEM USING PLC AIM: - Study of Bottle filling system using PLC. Apparatus: - Bottle filling system module, PLC, PC, RS – 232, Cable, patch cards, Bottles, Picas software Theory: - Schematic diagram PLC Bottle filling system
  • 26.
    26 The Bottle fillingsystem consists of Stepper Motor, Stepper Motor card, Proximity Sensor, Optical Sensor, Level Tank, Sump Tank, FHP pump, Level Switch, Solenoid Valve, Relay, Electrical Control Panel, PLC Controller Stepper motor: - A step motor can be viewed as a DC motor with the number of poles (on both rotor and stator) increased, taking care that they have no common denominator. Additionally, soft magnetic material with many teeth on the rotor and stator cheaply multiplies the number of poles (reluctance motor). Like an AC synchronous motor, it is ideally driven by sinusoidal current, allowing a step less operation, but this puts some burden on the controller. When using an 8-bitdigital controller, 256 micro steps per step are possible. As a digital-to-analog converter produces unwanted ohmic heat in the controller, pulse-width modulation is used instead to regulate the mean current. Simpler models switch voltage only for doing a step, thus needing an extra current limiter: for every step, they switch a single cable to the motor. Bipolar controller scan switch between supply voltage, ground, and unconnected. Unipolar controllers can only connect or disconnect a cable, because the voltage is already hard wired. Unipolar controllers need center-tapped windings. Stepper Motor card:- Stepper Motor Card is used in the Trainer. It is a 24 V operated, 3A Stepper Motor Card. It is used to drive the stepper motor. The stepper motor card gets input from PLC and, it drives the stepper motor. The LED on the stepper motor card indicates that the card is “ON”. If the LED is blinking then check for the 24 V supply. Proximity Sensor (SWITCH): (24 VDC) A Capacitive Proximity Switch senses dielectric properties of object material. It can sense non- metallic, metallic as well as liquid Low counting speeds. Optical Sensor (SWITCH): 24V supply, output 24V sensing distance upto 40cm, an adjustable screw is provided at the back of the sensor. It can sense any object in its proximity, such as metal, non-metal, plastic, etc. The sensing distance (for this trainer) is adjusted such that it will sense bottle only. The LED on the Sensor will glow when object is sensed. Level Tank:-Dimensions 6’ x 6’ x 6’ Sump Tank:- Dimensions 1’ x 1’ x 1’ FHP pump (Water pump):- 230V AC supply. It is submersible type. Head generated through the pump is 1-1.5(one to one and half) meter. Level Switch (Float type):- A float switch is an electro-mechanical switch which allows for an electrical switch to be opened or closed depending on the fluid level in a container. The float switch allows for Automatic operation of devices depending on the level of fluid, such as the operation of pumps, or the opening or closing of valves. Float switches of numerous configurations have been used for various marine and industrial applications. Most float switches contain an electrical switch Imbedded within the body of the float switch device.
  • 27.
    27 The electrical switchis actuated upon Physical movement of the portion of the float switch device containing the electrical switch or upon physical movement of another portion of the float switch device. Solenoid Valve: 24V DC operated ½” size. A solenoid valve is an electromechanical valve for use with liquid or gas. The valve is controlled by an electric current through a solenoid coil. Solenoid valves may have two or more ports: in the case of a two-port valve the flow is switched on or off; in the case of a three-port valve, the outflow is switched between the two outlet ports. Multiple solenoid valves can be placed together on a manifold. A solenoid valve has two main parts: the solenoid and the valve. The solenoid converts electrical energy into mechanical energy which, in turn, opens or closes the valve mechanically Solenoid valves may use metal seals or rubber seals, and may also have electrical interfaces to allow for easy control. A spring may be used to hold the valve opened or closed while the valve is not activated. Relay: - 24Vdc ½” size Electrical Control Panel : - M.S.Powder Coated Specifications of programming language: Ladder logic PLC:- A formal definition of a PLC comes from the National Electrical Manufacturers Association (NEMA): A Programmable controller is a digitally operated electronic system, designed for use in an industrial environment, which uses a programmable memory for the internal storage of user – orientated instructions for implementating specific functions such as logic sequencing timing , counting & arithmetic to control, through digital or analog inputs & outputs ,various types of machines or process. Both the PLC&its associated peripherals are designed so that they can be easily integrated into an industrial control system & easily used in all their intended functions. PLC Specification: - ALLEN Bradley, PICO 1760 – L12BBB, 24V DC, I/P – 8,O/P – 4,Transister Output Programming language: Ladder diagram logic The optical switch, proximity switch has been adjusted to the avoid breakage. Before Starting operation take them “behind” (such that they don’t obstruct the bottle and sense it) with the help of check nuts attached to them. 1) Fill the sump tank 70-80 percent with water. 2) Connect the main cord to plug & switch on the main switch, PLC & toggle switch. 3) Now as the level in the process tank will be low, the water will be pumped in the process tank & will be filled until the level reaches the higher limit (LS3 process level high). 4) Then the pump will stop. After a delay of 10 seconds the stepper motor will start rotating
  • 28.
    28 until optical sensordetects bottle after it detects bottle then after 10 sec the solenoid valve will be ON & it will start filling the water. 5) The solenoid will be ON till Capacitive sensor detects the presence of water; then Solenoid valve will be OFF. 6) Then again the motor will start rotating until it detects the next bottle. 7) The above process will continue until toggle switch on and bottles are filled/or the level in the sump tank goes low. Allen Bradley PLC (Pico Series B) can be programmed by using software Pico soft (version 6.1 or later). For programming this software has to be installed in the computer and then connect the PLC and computer through cable provided. Then communicate the PC to PLC using Pico Soft. Then open the main program and you can edit, change, or do a new program. Steps to start communication: Procedure: 1) Install Pico Soft by the CD provided in the computer through which you want to Communicate to PLC. 2) Fix the cable provided to the PLC & connect its other end to computer. 3. Connect PLC & Bottle filling system module 4. Open the new folder & draw the ladder logic program 5) Then click on the communication link on the left side of the bottom into the screen of the computer. 6) After clicking there a screen will open at left side in which click on the online option. 7) Into the program option below the online there is symbol as “PC=>DEVICE” to transfer the program from Computer to PLC. 8) Then press the “RUN” option below the option PC=>DEVICE. On that screen there is an Option “RUN START” below the RUN option inside system setting, press that option. Thus your PLC will have the program downloaded from the PC. 9) Now the configuration is complete. 10) Verify the operation of bottle filling system. 35
  • 29.
    29 Result: Thus operationof bottle filling system using PLC was study
  • 30.
    3 0 Experiment no:8 TEMPERATURE CONTROLUSING PLC AIM: - To control temperature of water in vessel using PLC. Theory: - The temperature of water is controlled using PLC. The desired temperature (sp) & actual temperature (P.V) are compared and difference is estimated as error. Then the counter action is provided using PID algorithm till error becomes zero. The 3 mode PID control action is represented mathematically as: P=KP + Kp e p + Kp.Ki ∫ t ep.dt + kp.kd. dep/dt+PI (o) 0 Where KP = proportional gain between error and controller output dep = rate of change of error dt kd = derivative gain constant ki = Scaling between error and controller output ki epdt = controller output equal to net area under which the time curves multiplied by ki This PID control action is implementation using ladder program. TEMPERATURE CONTROL MODULES DESCRIPTION: The schematic of temperature control module is as shown in fig1.This module maintains the water temperature to the SP using PLC. The temperature of vessel is measured using RTD.The output of RTD.is scaled to proper form using signal conditioner suitable for PLC This signal (PV) is fed to PLC through analog input channel. The set point (SP) is provided through software (ladder programming).These two are taken as inputs for ladder programming. After execution of program the output of PLC is fed to the PWM convert through analog channel .This output control the excitation to the heater through power driver in order to reach the temperature of water to desired values.
  • 31.
  • 32.
    3 2 PARAMETER DISCRIPTION: - ADDRESS:- The variable’s address is the location of the PID control block information, which consists of 40 consecutive register of %R, %P or %L memory SP: SP is the control loop S.P; data type: WORD PV: PV is the control loop S.P; data type: WORD MAN: When energized, the PID function is in manual mode UP: When energized, if in manual mode, the CV output is adjusted up DN: When energized, if in manual mode, the CV out put is adjusted down Scale INT: Use this function to scale an input value & place it in an accumulator. These function 5 input/Parameters. For the integer based version of the function (scale integer)all the parameters be integer based (signed) IHL: This input can either be% R, % AI. % AQ ref. memory or constant. It represents the maximum input value. ILO: This input can either be %R, %AI, %AQ ref memory or constant. It represents minimum input value. OHI: The input can either be ref memory or constant. It represents maximum scale value when the IN input is at the IN high value, the accumulator value is the same as OHI value. OLO: This input can either be %R, %AI, %AQ ref memory or constant .It represents the minimum scaled value when the IN input IS AT ILO value, the accumulator value is the same as the OLO value. IN: This input can either be %R, %AI, %AQ ref memory or constant. It represents the value to be scaled PROCEDURE: 1. Load the versa max software in PC 2. open versapro software 3. PLC kits switches on 4. Interface pc to pc through Rs – 232 cable 5. Open new folder & draw ladder diagram 6. Connect PLC 7. Select correct hardware configuration. 8. Storage program to PC 9. Using patch cards connect PLC analog output to input of PWM. 10.Using patch cards connect temperature control module trainer kit analog input to PLC analog input. 11.Run the program 12.Check water temperature. RESULT: The temperature of water is controlled using PLC
  • 33.
    3 3 VIVA QUESTIONS: - 1.Control variable (CV) is stored in which particular register? 2. What is the sensor used for measuring temperature in this experiment? 3. Analog input from process module is taken at which particular pin? 4. What is the use for patch cards? APPLICATIONS: 1. Room Temperature 2. Power monitoring systems
  • 34.
    3 4 Experiment no:9 LIFT CONTROLUSING PLC . AIM: - To study the performance of lift control system APPARATUS: Lift control system, PLC, Versapro Software, PC, RS232 cable and patch cards THEORY: - In today’s world where sky scrapers are becoming common, lift has become more of a necessary rather than Luxury. Imagine the plight of the man if he had to climb 50 floors if there was no lift. Lift can be controlled in different ways and different controllers are available. This trainer kit demonstrates the PLC controlled lift, the main controller is the Micro P.L.C which monitors the calls from where the lift is being called and performs the work according to programmed logic. Construction The mechanical parts of the lift includes the pulley system, Top plate, bottom plate, Bushes, Shaft and the lift top plate & bottom plate are made up of mild steel the top & bottom is connected by two shaft and the lift move in between the two shaft with the help of pulley and bush arrangement. The Block diagram of lift control system is shown in fig.1
  • 35.
    3 5 TO PLC PLC FLOOR SENSOR 1,2,3. REQUEST SWITCH 1,2,3. I/P PULSE TOPLANT STEPPER MOTOR DRIVER BOARD STEPPER MOTOR V/I RANGE 1 2 6V 6AMS 15V 1AMS PURPOSE STEPPER MOTOR SUPPLY MOSFET OPERATIN VOLTAGE UNIT 1 POWER SUPPLY UNIT 2
  • 36.
    3 6 WORKING PRINCIPLE There arethree floors and each floor has one requisition switch. Whenever the switch is pressed the lift comes to that floor and remains in that floor for the given particular time period. STEPPER MOTOR The stepper motor in the trainer kit produces the required rotating motion to the bottle platform. The stepper motor windings Coil 1, Coil 2, Coil 3, Coil 4 can be cylindrically excited with the DC current to run the motor in clockwise direction. By reversing the phase sequences Coil 1, Coil 4, Coil 3, Coil 2. The 4 coils of the stepper motor are arranged in a fashion to rotate in steps. The steps angle for rotation of stepper motor is governed by number of stator and rotors. Step Angle = 360 / NS×NR The Bottle platform stepper motor axis connected together exhibit synchronism. The stepper motor operates in a two modes of operation as it is given. i. Single step operation For a single step operation energized each coil step by step for that consider the below given table at the time of moving the first decimal data (1) Coil 1 is energized, then coil 2 for second decimal data and so on. This process repeated again and again to achieve the required job. Coil 1 Coil 2 Coil 3 Coil 4 Decimal Value 1 0 0 0 1 0 1 0 0 2 0 0 1 0 4 0 0 0 1 8 Double Step Operation Double step operation energised 2 coils simultaneously and repeats same for step by step at that time of moving the first decimal data (3) Coil 1 & 2 are energized. Then coil 2 & 3 for second decimal data (6) and so on. Coil 1 Coil 2 Coil 3 Coil 4 Decimal Value 1 1 0 0 3 0 1 1 0 6 0 0 1 1 12 1 0 0 1 9 Wiring for Stepper Motor:
  • 37.
    3 7 Blue - Coil1 Red - Coil 2 Green - Coil 3 Orange - Coil 4 Specifications Torque - 7Kg Voltage - 6V Current - 5A Inductive Sensor This inductive sensor is used to monitor the lift position, when it senses the output of the sensor will be given to the PLC input. Specifications Voltage -- 5V – 40V Current -- 100mA Limit Switch Two limit switches are used in this lift control system, which is placed in top floor & ground floor, the Output of the lift switch will be interfaced with the PLC to change the direction of steeper Motor. Specifications Voltage - 125V, 250V Current - 5A, 3A
  • 38.
  • 39.
  • 40.
  • 41.
  • 42.
  • 43.
  • 44.
    4 4 Program Description I1, I2,I3 -- Requisition switch. I4, I5, I6 -- Sensor Inputs Q2, Q3, Q4, Q5 -- Output for stepper motor. I1, I2, I3 are the requisition switches I4, I5, I6 are the sensor placed in each floor. The other coils used in the program are the set coil, reset coil, Positive transition coil, negative transition coil are in memory location. The timer functions are used to produce the required time delay. Bit sequence function is used to drive the stepper motor. Whenever the requirement switch I1, is pressed the set coil M1 is energized and bit sequence Outputs are enabled then the stepper motor rotates. When the motor reaches the respective floor, the switch I4 gets closed and energizes both positive transition coil & negative transition coil. The positive transition coil energizes one more set coil, which is used to enable the timer. This timer is used to give time delay for the lift in each floor. The negative transition coil which was energized is used to reset the requisition. The above functions are repeated in each floor. Conditions For rotation Of Motor Consider the lift is in ground floor, when the requisition is given from first floor or second floor the motor has to move forward. If the lift is in top floor then it has to move in the reverse direction. If the lift is in middle floor then according to the requisition, lift will move in forward or reverse Direction.
  • 45.
    4 5 PROCEDURE 1. Load theversapro software to the PC. 2. Open the versapro software. 3. Switch ON the PLC trainer and lift controls system. 4. Connect PLC and Lift control system kit. 5. Open the New folder and draw the ladder logic program. 6. Select the correct hardware configuration. 7. Store the Program to PLC. 8. Run the program. Result: - Verify the performance to the lift control system.
  • 46.
    4 6 Experiment No: 10 MATERIALHANDLING SYSTEM USING PLC AIM: To study performance for the material handling system Apparatus: Material handling system, PLC, Versapro software, PC, RS – 232 cable, patch cards THEORY: - advancement in the field of Engineers has come to an extent that automation is a must to perform well. The recent advancement in this field is the automatic material handling equipment. A material handling trainer with a Micro PLC interface is a more advanced application. Automation using Micro PLC is performed to reduce the man - machine interface.
  • 47.
    4 7 Schematic diagram ofmaterial handling system The material handling system consists of the following interfaced to a micro PLC. Stepper motor 1- To rotate a container belt Stepper motor 2- To move a arm Electromagnet – To pick a material (it is mount in arm end) Limit switches - To Control the arm position Micro PLC: PLCs are used in virtually every segment of including where automation is required they represent one of the fastest growing segments of the industrial electronics in industry. PLCs are software compatible which work using a logical function diagram known as ladder diagram (LD). The various tools in the versapro PLC software aid in designing the desired control logic. A PLC can be divided into 3 parts 1. CPU 2. Input /Output section 3. Programming devices STEPPER MOTOR: - The stepper motor in the trainer kit produces the required rotating motion to the bottle platform. The stepper motor windings Coil 1, Coil 2, Coil 3, Coil 4 can be cylindrically excited with the DC current to run the motor in clockwise direction. By reversing the phase sequences Coil 1, Coil 4, Coil 3, Coil 2. The 4 coils of the stepper motor are arranged in a fashion to rotate in steps. The steps angle for rotation of stepper motor is governed by number of stator and rotors.
  • 48.
    4 8 Step Angles =360 / NS x NR The Bottle platform stepper motor axis connected together exhibit synchronism. The stepper motor operates in a two modes of operation as it is given. Single step operation For a single step operation energized each coil step by step for that consider the below given table at the time of moving the first decimal data (1) Coil 1 is energized, then coil 2 for second decimal data and so on. This process repeated again and again to achieve the required job. Coil 1 Coil 2 Coil 3 Coil 4 Decimal Value 1 0 0 0 1 0 1 0 0 2 0 0 1 0 4 0 0 0 1 8 Double Step Operation Double step operation energized 2 coils simultaneously and repeats same for step by step at that time of moving the first decimal data (3) Coil 1 & 2 are energized. Then coil 2 & 3 for second Decimal data (6) and so on. Wiring for Stepper Motor: Blue - Coil 1 Red - Coil 2 Green - Coil 3 Orange - Coil 4 Specification Stepper Motor 1: Torque - 7kg-c Coil 1 Coil 2 Coil 3 Coil 4 Decimal Value 1 1 0 0 3 0 1 1 0 6 0 0 1 1 12 1 0 0 1 9
  • 49.
    4 9 Voltage - 6V Current-1.4 A/phase Stepper Motor 2: Torque - 2kg-cm Voltage -12V Current - 0.5A/Phase Capacitive Pickup Sensor The capacitive pickup sensor connected vertically detects the presence of material on the Platform. The pickup sensor monitors the proper movement of material on the platform & indicates during failures. This sensor also eliminated air gap between material & sensor. Specifications: Voltage - 10V-30V DC (NPN type) Current - 100 mA
  • 50.
  • 51.
    5 1 Solenoid Value: The solenoidvalue is geometrically connected end of arm. The solenoid coil is excited with a Supply of 230V on excitation the coil is magnetic. So, the material is pickup by the arm through the Electromagnet. After moving the arm in particular position through the stepper motor, cut off the supply to the coil. So, Coil is De-excited then drop the material. Operating Voltage -230V AC. Limit Switch: It is a ON-OFF switch. It is used to limit the stepper motor action. It is positioned the maximum & minimum movement of stepper motor2 action. PROGRAM FOR MATERIAL HANDLING SYSTEM: In the material handling system first the arm is go to the initial position that means it is placed in the (i1) limit switch Point . Now the program in run the conveyer settings is role whenever the Sensor (i3) is high at the time the conveyer setting action in stop now the arm is rotate the initial point to (i2) position. Whenever the input (i2) is high at the time the coil output is high now the Coil is magnetized and to catch the material and rotate the reverse direction. Whenever as the arm is touch the I/P (i1) at the time the I/P 1 is high the coil O/P in low. So, the coil is demagnetized and the material is drop in the storage box. WIRING CONNECTION: Stepper Motor 1 Coil 1 – Output 2 Coil 2 – Output 3 Coil 3 - Output 4 Coil 4 - Output 5 Stepper Motor 2
  • 52.
    5 2 Coil 1 –Output 7 Coil 2 – Output 8 Coil 3 - Output 9 Coil 4 - Output 10 Electromagnet: Output Limit Switch 1: Input 1 Limit Switch 2: Input 2 Pickup sensor 3: Input 3
  • 53.
    5 3 PROCEDURE: - 1. Loadthe Versapro Software to the PC. 2. Open the Versapro Software. 3.Switch ON the PLC Trainer and Material handling system. 4.Connect PLC and Material handling System kit. 5.Open the New folder and draw the ladder logic program. 6.Connect the PLC to PC. 7.Select the correct hardware Configuration [Sl. No]. 8. Store the Program to PLC. 9. Run the Program. 10. Verify the performance of the Material handling System. Result: Verify the performance to the Material handling system
  • 54.
    5 4 Experiment no:11 PROCESS CONTROLSIMULATOR AIM: To determine the Transfer function of first order process control simulator. THEORY: Process simulator is a special purpose analog simulator employing integrated circuit sufficiently versatile to permit a detail study of the dynamic response of a wide validity of linear process and derivative control. The simulator can be used in a wide frequency range. Speed selection b/w the fast & slow mode is achieved by independent control. The controller and the process can be set at slow speed or high speed using the selected switched. The simulator may be used at high speed for oscilloscope observation. 1st Order process: For 1st order process only one block in the simulator is connected as shown in fig A. toggle switch is provided in the block .If the toggle switch is in integrated position then the simulated process generates a transfer function of 1/s.If the switches is in the lag position then the block generates a transfer function 1/TS+1 Setting of proportional action: It is normally used for systems whose over all forward path transfer function has not more than 2 or 3 time constants the over all performance depends on KP. Increasing KP decrease the steady state error. The combination of lag block and controller block give an over all T.F = KP/ Ts +1 for the first order process. Signal forces: The simulation consists of an inbuilt signal generator. The signal generator contains a square wave generator to study the time response & sine wave generator. There are two built in signal sources in the unit with the following normal specifications. 1. Square wave: Frequency → 1HZ – 1KHZ & peak to peak amp → 0 – 10v 2. Sine wave : Frequency → 1HZ – 1KHZ & peak to peak amp → 0 – 6v 1ST ORDER PROCESS
  • 55.
    5 5 SETTING OF PREPORTIONALCONTROL ACTION For 1st order process only one block is connected as shown in figure1 Result: Transfer function of First order process using process control simulator is determined experimentally REVIEW QUESTIONS: - 1. What is the transfer function for first order process 2. Mention some example for first order process 3. Give the details of front panels of process control simulator 4. Define time constant of first order process 5. How do you calculate gain from the output response? Applications: - Complex mathematical Calculations
  • 56.