10
• •
Vydáno 15. srpna 1961 Vyloženo 15. února 1961
PATENTNÍ SPIS č. 100591
Právo k využití vynálezu přísluší státu podle 3 odst. 6 zák. . 34/1957 Sb.
JAROSLAV BURIAN a VLADIMÍR SINGER, oba PLZEŇ
Hnací podvozek pro kolejová vozidla, s šikmými tyčemi pro přenos tažných a brzdových
sil a vyrovnání nápravových tlaků
Přihlášeno 23. března 1960 (PV 1950-60) Platnost patentu od 23. března 1960
U všech podvozkových hnacích vozidel vznikají vlivem tažné síly při jízdě dva druhy
klopných momentů. Klopný moment skříně, způsobený tím, že tažný hák a bod přenosu tažné
síly na skříň nejsou ve stejné výšce nad temenem kolejnice, vyvolává odlehčení předního a
přitížení zadního podvozku. Klopný moment podvozku, způsobený tím, že přenos tažné síly
podvozku není ve výšce temena kolejnice, vyvolává odlehčení přední a přitížení zadní nápravy.
Předním podvozkem a přední nápravou myslíme vždy první podvozek a první nápravu ve
směru jízdy. Nejpříznivější případ využití adhesní váhy vozidla je ten, při kterém nápravy
jednoho podvozku jsou přitěžovány nebo odlehčovány stejnou silou. Proto je snahou všech
konstruktérů tomuto případů se co nejvíce přiblížit nebo ho dosáhnout. Prakticky to znamená
odstranit klopný moment podvozku. . . . . . . . “ . . . . .
Jsou známy tzv. podvozky s nízko ležícím čepem otáčení, které řeší tento problém jen
částečně. . . . . . . . U jiných konstrukcí je pro vyrovnání nápravových tlaků použito vzducho
vých válců, upevněných k hlavnímu rámu vozidla a působících na konec rámu podvozku. Podle
velikosti tažné; síly se vpouští do vyrovnávacíchvzduchových
válců tolik, vzduchu, aby vznikl klopný moment stejné velikosti, jaký byl vyvozen tažnou
silou na obvodu kol. Toto zařízení má tu nevýhodu, že neřeší prin
cip zjevu, nýbrž až jeho následky a působí se zpožděním, takže při maximál-
ních tažných silách dochází často ke skluzům, Kromě toho, musí zde být
složité
40
2 100591
zařízení, které v závislosti na tažné síle vpouští do vyrovnávacích válců patřič
ný tlak vzduchu. Toto zařízení je často zdrojem poruch. . . . . .
. Je známa i ko nášená pomocí šikmých tyčí, jejichž prodloužená oša protíná rovinu
temëna kolejnice v místě, kam směřuje výslednice vah podvozku. Tyče jsou jedním
koncem zachyceny k hlavnímu rámu a druhým koncem k čelnímu rámu podvozku nebo
k převodové skříni, a to mimo jeho podélnou osu. Vyrovnání rozdílu nápravových tlaků v
podvozků z titulu tažných sil u tohoto uspořádání je sice úplné, ale má velké nevýhody.
Jsou-li šikmé tyče namáhány na tlak, pak síly, vznikající v tyčích, brání navrácení
podvozku do střední polohy po výjezdu z oblouku a mohou způsobit rozkmitání
podvozku v příčném směru. Jsou-li šikmé tyče namáhány na tah, pak síly, vznikající v
tyčích, ztěžují natáčení podvozků při vjezdu do oblouku. V každém případě vzniká
zvýšenéopotřebeni okolků, v důsledku velkých řídicích sil v oblouku. Majíli být tyče
namáhány jen na tah, nutno použít zařízení, které vyřadí z činnosti tu tyč, která by byla
podle směru jízdy namáhána na tlak.
Uvedené nevýhody odstraňuje předmět zde popsaného vynálezu, jehož podstata spočívá v
tom, že šikmé tyče pro přenos tažných nebo brzdových sil jsou lomené a jsou uchyceny na
jednom konci ke skříni a na druhém konci k otočnému čepu podvozku, umístěnému přibližně v
příčné ose podvozku, přičemž v místě lomení nebo poblíž něho jsou vzpěry, respektive táhla
nebo jiná zařízení, kterými je podvozek naklápěn stejně velkým momentem, jaký vzniká tažnou
silou na obvodu kol, ale opačného smyslu. Šikmá táhla mohou být uspořádána od otočného
čepu podvozku směrem dopředu a doządu, takže jsou vždy namáhána jen na tah nebo jen
směrem k příčné ose skříně, takže podle směru jízdy jsou namáhána na tah nebo na tlak. - .
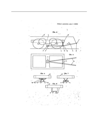
Praktické provedení předmětu vynálezu znázorňují obrázky 1 – 8 přiložených výkresů. Z
nich obr. 1 znázorňuje v nárysu schematicky spojení podvozků se skříní pro přenos tažných a
brzdových sil pomocí šikmých tyčí namáhaných jenom na tah. Obr. 2 znázorňuje spojení
pomocí šikmých tyčí, namáhaných na tah i na tlak i připojených ke skříni v jedné příčné rovině.
Obr. 3 znázorňuje spojení pomocí šikmých tyčí, namáhaných na tah i na tlak, ale připojených ke
skříni ve dvou příčných rovinách. Obrázek 4 znázorňuje polovinu
obr. 2 ve větším měřítku. Obr. 5 znázorňuje půdorys obr. 4. Obr. 6 znázor
ňuje pohled směrem šipky S v obr. 4, u níž kluzná plocha je upravena v horní části vzpěry. Obr.
7 zrázorňuje pohled na vzpěru, u níž kluzná plocha je upravena v dolní části vzpěry tak, aby
šikmé tyče , 5 byly namáhány na tah i na tlak. Vzpěry by mohly být nahrazeny protažením
čelníků 17 směrem dolů. Obr. 8 znázorňuje spojení šikmých tyčí s rámem podvozku pomocí
ojniček.
Jak patrno z obr. 1, vyčnívá z rámu podvozku 1 směrem dolů přibližně v příčné ose
podvozku otočný čep 2, uložený v kulovém ložisku 3. Tohoto kulového ložiska se chápou, šikmé
tyče , směřující jednak k příčné ose skříně 6 a jednak šikmé tyče , směřující k čelům skříně , 8.
Konce tyčí , 5 jsou jako jeden příklad řešení dvojité, vidlicovitě upravené (obr. 5) a v bodě
lomení jsou spojeny spojovacím okusem 11: Nad spojovacím kusem 11 jsou vzpěry 12 ve tvaru
trojúhelníka (obr. ), které jsou nahoře připojeny ke kluzátku 16, jež klouže po spodní ploše
čelníku 17 rámu podvozku 1.
Při jízdě vozidla směrem vlevo (podle obr. 1) otočný čep předního podvozku táhne za
šikmou 4 a otočný čep zadního podvozku táhne za šikmou týč . Tyto šikmé tyče , 5, které jsou
lomené, se snaží působením tažné síly napřimovat, tlačí na 12 a působí zespodu na čelníky 17
rámů podvozků İ: Chtějí tedy klopit: rámy podvozku proti směru točení ručiček: hodinovým stej
ným momentem, jakým. klopí podvozek tažné síly na obvodu kol vzhledem . .
k otočnémučepu2. Tím se oba klopné momenty vzájemně ruší. . . .
U uspořádání podle obrázku 2 a 3 při jízdě vlevo táhne otočný čep 2
konstrukce, kde tažná sila z podvozků na hlavní ráin
N
ního podvozku za tyč , která se snaží napřimovat a prostřednictvím vzpěry 14;
i
3 100591 · ·
tlačí zespodu na čelník 17 a klopí podvozek proti směru točení ručiček hodinových, zatím co
otočný čep zadního podvozku tlačí na lomenou tyč 4 zadního 80 podvozku, která se chce ještě
více lomit, a táhne prostřednictvím táhla 15 přední čelník 17 zadního podvozku směrem dolů a
tím klopí tento podvozek opět proti směru točení ručiček hodinových, takže jsou eliminovány
klopné momenty pod
vozků.
Dříve popsaný vynález odstraňuje nevýhody dosud používaných konstrukcí a má
proti nim naopak tyto výhody: .” .
-- Otočný čep je přibližně ve středu podvozku, což dovoluje volné natáčení
podvozku pro oba směry jízdy;
nemůže dojít k rozkmitání, neklidnému chodu nebo natočení podvozku k jedné straně pro
přenos tažných a brzdových sil a abnormálnímu opotřebení 90 okolků;
spojuje výhody přenosu tažných a brzdových sil pevnými otočnými čepy, které mají malé
řídící síly, s výhodami přenosu tažných a brzdových sil pomocí šikmých tyčí, které poskytují
maximální využití adhesní váhy.
1. Hnací podvozek pro kolejová vozidla, s šikmými tyčemi pro přenos tažných a brzdových sil a
vyrovnání nápravových tlaků, vyznačený tím, že šikmé tyče (4, 5) pro přenos tažných a
brzdových sil jsou lomené a jsou uchyceny na jednom konci ke skříni (6) a na druhém konci k
otočnému čepu (2) podvozku, umístěnému přibližně v příčné ose podvozku, přičemž v místě
lomení 100 nebo poblíž něho jsou k šikmým tyčím (4, 5) připojeny vzpěry nebo táhla (12, 13,
14, 15) opírající se prostřednictvím kluzátka (16) o spodní plochu čelníku (17) rámu podvozku
(1). .
2. Hnací podvozek podle bodu 1 vyznačený tím, že konce šikmých tyčí (4, 5) jsou ke skříni
(6) připojeny pružně
Příloha k patentnímu spisu č. 100591

100591

  • 2.
    10 • • Vydáno 15.srpna 1961 Vyloženo 15. února 1961 PATENTNÍ SPIS č. 100591 Právo k využití vynálezu přísluší státu podle 3 odst. 6 zák. . 34/1957 Sb. JAROSLAV BURIAN a VLADIMÍR SINGER, oba PLZEŇ Hnací podvozek pro kolejová vozidla, s šikmými tyčemi pro přenos tažných a brzdových sil a vyrovnání nápravových tlaků Přihlášeno 23. března 1960 (PV 1950-60) Platnost patentu od 23. března 1960 U všech podvozkových hnacích vozidel vznikají vlivem tažné síly při jízdě dva druhy klopných momentů. Klopný moment skříně, způsobený tím, že tažný hák a bod přenosu tažné síly na skříň nejsou ve stejné výšce nad temenem kolejnice, vyvolává odlehčení předního a přitížení zadního podvozku. Klopný moment podvozku, způsobený tím, že přenos tažné síly podvozku není ve výšce temena kolejnice, vyvolává odlehčení přední a přitížení zadní nápravy. Předním podvozkem a přední nápravou myslíme vždy první podvozek a první nápravu ve směru jízdy. Nejpříznivější případ využití adhesní váhy vozidla je ten, při kterém nápravy jednoho podvozku jsou přitěžovány nebo odlehčovány stejnou silou. Proto je snahou všech konstruktérů tomuto případů se co nejvíce přiblížit nebo ho dosáhnout. Prakticky to znamená odstranit klopný moment podvozku. . . . . . . . “ . . . . . Jsou známy tzv. podvozky s nízko ležícím čepem otáčení, které řeší tento problém jen částečně. . . . . . . . U jiných konstrukcí je pro vyrovnání nápravových tlaků použito vzducho vých válců, upevněných k hlavnímu rámu vozidla a působících na konec rámu podvozku. Podle velikosti tažné; síly se vpouští do vyrovnávacíchvzduchových válců tolik, vzduchu, aby vznikl klopný moment stejné velikosti, jaký byl vyvozen tažnou silou na obvodu kol. Toto zařízení má tu nevýhodu, že neřeší prin cip zjevu, nýbrž až jeho následky a působí se zpožděním, takže při maximál- ních tažných silách dochází často ke skluzům, Kromě toho, musí zde být složité
  • 4.
    40 2 100591 zařízení, kterév závislosti na tažné síle vpouští do vyrovnávacích válců patřič ný tlak vzduchu. Toto zařízení je často zdrojem poruch. . . . . . . Je známa i ko nášená pomocí šikmých tyčí, jejichž prodloužená oša protíná rovinu temëna kolejnice v místě, kam směřuje výslednice vah podvozku. Tyče jsou jedním koncem zachyceny k hlavnímu rámu a druhým koncem k čelnímu rámu podvozku nebo k převodové skříni, a to mimo jeho podélnou osu. Vyrovnání rozdílu nápravových tlaků v podvozků z titulu tažných sil u tohoto uspořádání je sice úplné, ale má velké nevýhody. Jsou-li šikmé tyče namáhány na tlak, pak síly, vznikající v tyčích, brání navrácení podvozku do střední polohy po výjezdu z oblouku a mohou způsobit rozkmitání podvozku v příčném směru. Jsou-li šikmé tyče namáhány na tah, pak síly, vznikající v tyčích, ztěžují natáčení podvozků při vjezdu do oblouku. V každém případě vzniká zvýšenéopotřebeni okolků, v důsledku velkých řídicích sil v oblouku. Majíli být tyče namáhány jen na tah, nutno použít zařízení, které vyřadí z činnosti tu tyč, která by byla podle směru jízdy namáhána na tlak. Uvedené nevýhody odstraňuje předmět zde popsaného vynálezu, jehož podstata spočívá v tom, že šikmé tyče pro přenos tažných nebo brzdových sil jsou lomené a jsou uchyceny na jednom konci ke skříni a na druhém konci k otočnému čepu podvozku, umístěnému přibližně v příčné ose podvozku, přičemž v místě lomení nebo poblíž něho jsou vzpěry, respektive táhla nebo jiná zařízení, kterými je podvozek naklápěn stejně velkým momentem, jaký vzniká tažnou silou na obvodu kol, ale opačného smyslu. Šikmá táhla mohou být uspořádána od otočného čepu podvozku směrem dopředu a doządu, takže jsou vždy namáhána jen na tah nebo jen směrem k příčné ose skříně, takže podle směru jízdy jsou namáhána na tah nebo na tlak. - . Praktické provedení předmětu vynálezu znázorňují obrázky 1 – 8 přiložených výkresů. Z nich obr. 1 znázorňuje v nárysu schematicky spojení podvozků se skříní pro přenos tažných a brzdových sil pomocí šikmých tyčí namáhaných jenom na tah. Obr. 2 znázorňuje spojení pomocí šikmých tyčí, namáhaných na tah i na tlak i připojených ke skříni v jedné příčné rovině. Obr. 3 znázorňuje spojení pomocí šikmých tyčí, namáhaných na tah i na tlak, ale připojených ke skříni ve dvou příčných rovinách. Obrázek 4 znázorňuje polovinu obr. 2 ve větším měřítku. Obr. 5 znázorňuje půdorys obr. 4. Obr. 6 znázor ňuje pohled směrem šipky S v obr. 4, u níž kluzná plocha je upravena v horní části vzpěry. Obr. 7 zrázorňuje pohled na vzpěru, u níž kluzná plocha je upravena v dolní části vzpěry tak, aby šikmé tyče , 5 byly namáhány na tah i na tlak. Vzpěry by mohly být nahrazeny protažením čelníků 17 směrem dolů. Obr. 8 znázorňuje spojení šikmých tyčí s rámem podvozku pomocí ojniček. Jak patrno z obr. 1, vyčnívá z rámu podvozku 1 směrem dolů přibližně v příčné ose podvozku otočný čep 2, uložený v kulovém ložisku 3. Tohoto kulového ložiska se chápou, šikmé tyče , směřující jednak k příčné ose skříně 6 a jednak šikmé tyče , směřující k čelům skříně , 8.
  • 5.
    Konce tyčí ,5 jsou jako jeden příklad řešení dvojité, vidlicovitě upravené (obr. 5) a v bodě lomení jsou spojeny spojovacím okusem 11: Nad spojovacím kusem 11 jsou vzpěry 12 ve tvaru trojúhelníka (obr. ), které jsou nahoře připojeny ke kluzátku 16, jež klouže po spodní ploše čelníku 17 rámu podvozku 1. Při jízdě vozidla směrem vlevo (podle obr. 1) otočný čep předního podvozku táhne za šikmou 4 a otočný čep zadního podvozku táhne za šikmou týč . Tyto šikmé tyče , 5, které jsou lomené, se snaží působením tažné síly napřimovat, tlačí na 12 a působí zespodu na čelníky 17 rámů podvozků İ: Chtějí tedy klopit: rámy podvozku proti směru točení ručiček: hodinovým stej ným momentem, jakým. klopí podvozek tažné síly na obvodu kol vzhledem . . k otočnémučepu2. Tím se oba klopné momenty vzájemně ruší. . . . U uspořádání podle obrázku 2 a 3 při jízdě vlevo táhne otočný čep 2 konstrukce, kde tažná sila z podvozků na hlavní ráin N ního podvozku za tyč , která se snaží napřimovat a prostřednictvím vzpěry 14; i
  • 7.
    3 100591 ·· tlačí zespodu na čelník 17 a klopí podvozek proti směru točení ručiček hodinových, zatím co otočný čep zadního podvozku tlačí na lomenou tyč 4 zadního 80 podvozku, která se chce ještě více lomit, a táhne prostřednictvím táhla 15 přední čelník 17 zadního podvozku směrem dolů a tím klopí tento podvozek opět proti směru točení ručiček hodinových, takže jsou eliminovány klopné momenty pod vozků. Dříve popsaný vynález odstraňuje nevýhody dosud používaných konstrukcí a má proti nim naopak tyto výhody: .” . -- Otočný čep je přibližně ve středu podvozku, což dovoluje volné natáčení podvozku pro oba směry jízdy; nemůže dojít k rozkmitání, neklidnému chodu nebo natočení podvozku k jedné straně pro přenos tažných a brzdových sil a abnormálnímu opotřebení 90 okolků; spojuje výhody přenosu tažných a brzdových sil pevnými otočnými čepy, které mají malé řídící síly, s výhodami přenosu tažných a brzdových sil pomocí šikmých tyčí, které poskytují maximální využití adhesní váhy. 1. Hnací podvozek pro kolejová vozidla, s šikmými tyčemi pro přenos tažných a brzdových sil a vyrovnání nápravových tlaků, vyznačený tím, že šikmé tyče (4, 5) pro přenos tažných a brzdových sil jsou lomené a jsou uchyceny na jednom konci ke skříni (6) a na druhém konci k otočnému čepu (2) podvozku, umístěnému přibližně v příčné ose podvozku, přičemž v místě lomení 100 nebo poblíž něho jsou k šikmým tyčím (4, 5) připojeny vzpěry nebo táhla (12, 13, 14, 15) opírající se prostřednictvím kluzátka (16) o spodní plochu čelníku (17) rámu podvozku (1). . 2. Hnací podvozek podle bodu 1 vyznačený tím, že konce šikmých tyčí (4, 5) jsou ke skříni (6) připojeny pružně
  • 11.
    Příloha k patentnímuspisu č. 100591