LECTURE UNIT 008

3. CONSTANT TEMPERATURE or ISOTHERMAL PROCESS (PV = c or T = c)
    A. CONSIDERING A CLOSED OR NON-FLOW SYSTEM
             ILLUSTRATION: (Piston-cylinder assembly perfectly cooled)


                            m


                            V

                        Q




                        P-v diagram                                          T-s diagram
                             P                                                    T
                                       1



                                                                                           1   2

                                                                     2




                                                                         v                         s
Equations:
     1. PVT Relationships
                a.      General Gas Law Equation
                        (Equation of State)
                                            PV = mRT

                                P1V1         P2V2
                   b.                  =                  = mR = constant
                                 T1              T2
                                  P1         V2
                                       =
                                  P2         V1

     2. Work Non-Flow, WNF                            2

                General Formula:           WNF = P dV
                                                      1

                                                     Where: PV = P1V1 = P2V2 = C
                                                                c
                                                             P=
                                                   2            V
                                           WNF   = c dV
                                                     V
                                                      1

                                                 = c (lnV2 - lnV1)
                                                           V2        P1
                                       WNF = c ln             = c ln
                                                           V1        P2
                                                              V2           P1
                                       WNF = P1V1 ln             = mRT1 ln
                                                              V1           P2
     3. Heat Energy, Q
              Using NFEE;
                                Q=         U + WNF

                                Q = WNF


                                              “The price of greatness is responsibility.”
4. Change in Total Internal Energy,                 U
           U = mCv(T2 - T1) = mCv(             T)
           U=0
 5. Change in Total Enthalpy,             H
          H = mCp(T2 - T1) = mCp(              T)
           H=0

 6. Change in Total Entropy,          S
           From;     dQ = Tds
                           dQ
                      dS =
                      2
                            T
                                 2

                      dS = 1     dQ = Q
                           T     1      T
                      1
                                       V2
                               mRT1 ln
                                       V1
                   S2 - S1 =
                                      T

                      V2         P1
        S = mR ln        = mR ln
                      V1         P2

B. CONSIDERING AN OPEN OR STEADY-FLOW SYSTEM
       ILLUSTRATION:                                            WSF


                           PE1                                                        PE2
                           KE1                                                        KE2
                                                         TS
                            U1                                                        U2
                                                      (PV = c)
                           Wf1                                                        Wf2



                                                                Q
                                                         [Ein = Eout]
                          PE1 + KE1 + U1 + Wf1 + Q = PE2 + KE2 + U2 + Wf2 + WSF

                      Q = (PE1 - PE2) + (KE2 - KE1) + (U2 - U1) + (Wf2 - Wf1) + WSF
                                     Q=       PE +       KE +       U+   Wf + WSF

                                               Recall:          H=       U+      Wf
                                     Q=       PE +    KE +      H + WSF
                                               When:         PE ˜ 0       (z1 ˜ z2)
                                                                ˜            ˜
                                                            KE ˜ 0       (v1 ˜ v2)
                                                                            ˜
                                     Q=       H + WSF
                                               But:       H=0

                                               Q = WSF




                     “There is nothing training cannot do. Nothing is above its reach.”
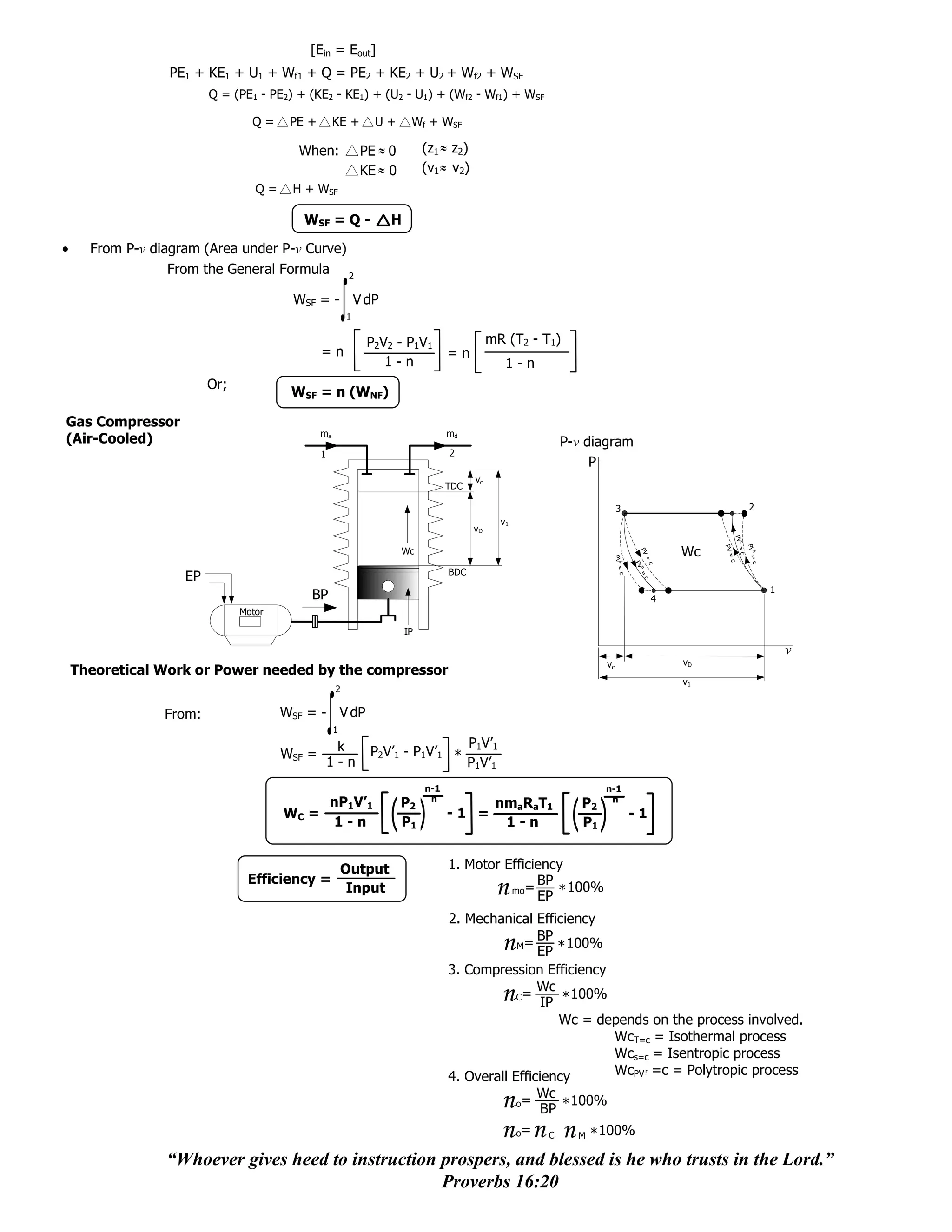
Gas Compressor
(Perfectly Cooled)                                                                                P-v diagram
                                    ma                                     md
                                                                                                      P
                                    1                                          2

                                                                                        vc
                                                                         TDC                                    3                              2


                                                                                             v1




                                                                                                                                                   PV
                                                                                        vD
                                                                                                                                 Wc




                                                                                                                                                    =
                                                                                                                    PV




                                                                                                                                                    c
                                                                   Wc




                                                                                                                     =
                                                                                                                         c
                                                                         BDC                                                                            1
         EP                                                                                                                  4

                                   BP
                  Motor

                                                                   IP
                                                                                                                                                            v
                                                                                                           vc                         vD
                                                                                                                                 v1

Theoretical Work or Power needed by the compressor
                                                           2
              From:
                                         WSF = - V dP
                                                           1


                                                                               P2               P2
                                         Wc = - P1V’1 ln                          = - maRaT1 ln                          , kW
                                                                               P1               P1


4. ISENTROPIC PROCESS or REVERSIBLE ADIABATIC PROCESS (PVk = c or s = c), Q = 0
      A. CONSIDERING A CLOSED OR NON-FLOW SYSTEM
          ILLUSTRATION: (Piston-cylinder assembly perfectly insulated)



                          m


                              V

                          Q



                  P-v diagram                                                                     T-s diagram
                          P                                                                            T
                                                                                                                                           1
                                    1




                                                      PV
                                                           =
                                                               c

                                          PV k
                                              =
                                                  c
                                                                                   2                                                       2


                                                                                        v                                                                       s
     Equations:
           1. PVT Relationships
                      a.      General Gas Law Equation
                              (Equation of State)
                                                                   PV = mRT

                                                               k-1                     k-1
                              b.         T2   P2                   k      V1
                                            =                           =
                                         T1   P1                          V2

                   “The achievements of an organization are the results of the combined efforts of
                                                each individual.”
2. Work Non-Flow, WNF                     2

              General Formula:         WNF = P dV
                                                1

                                                    Where: PVk = P1V1k = P2V2k = C
                                                                      P = c V-k
                                                2

                                       WNF =        cV-k dV
                                                1
                                                                 V2
                                                    V-k+1
                                            =c
                                                    -k +1
                                                                 V1
                                                            k.
                                                     P2V2        V2-k+1 - P1V1k . V1-k+1
                                            =c
                                                                     -k + 1


                                                    P2V2 - P1V1          = mR (T2 - T1)
                                       WNF =
                                                       1-k                   1-k

      3. Heat Energy, Q
                              2

                     Q = Tds
                              1


                     Q=0

                Hence, if we using NFEE, WNF can also be solved by:
                                  Q=   U + WNF

                                  WNF = -   U

       4. Change in Total Internal Energy,             U

                U = mCv(T2 - T1) = mCv(               T)

       5. Change in Total Enthalpy,         H
                H = mCp(T2 - T1) = mCp(               T)

       6. Change in Total Entropy,          S
                              2

           From;     Q = Tds
                              1
                              2
                                  dQ
                     S=
                           1
                                  T

                     S=0

B. CONSIDERING AN OPEN OR STEADY-FLOW SYSTEM
        ILLUSTRATION:                                   WSF


                        PE1                                                        PE2
                        KE1                                                        KE2
                                                   TS
                         U1                                                        U2
                                                (PVk = c)
                        Wf1                                                        Wf2



                                                       Q=0
                                                [Ein = Eout]
                    PE1 + KE1 + U1 + Wf1 + Q = PE2 + KE2 + U2 + Wf2 + WSF

                          “Leaders always find a way to make things happen.”
PE1 + KE1 + U1 + Wf1 + Q = PE2 + KE2 + U2 + Wf2 + WSF
                   Q = (PE1 - PE2) + (KE2 - KE1) + (U2 - U1) + (Wf2 - Wf1) + WSF

                              Q=     PE +   KE +          U+            Wf + WSF

                                      When:       PE ˜ 0                 (z1 ˜ z2)
                                                  KE ˜ 0                 (v1 ˜ v2)
                                                          ˜                      ˜
                              Q=     H + WSF
                                      But: Q = 0
                                                WSF = -                 H

   From P-v diagram (Area under P-v Curve)
               From the General Formula
                                                      2

                                        WSF = - V dP                                 Where: PVk = c
                                                   1                                              c
                                                                                            Vk =
                                                                                                  P
                                                                                                  1/k
                                                                                             V = c 1/k
                                                                                                 P
                                                      2                                      V = c P-1/k
                                        WSF = - cP-1/k dP
                                                      1
                                                                                 P2
                                                  P(-1/k + 1)
                                            = -c
                                                 (-1/k + 1)
                                                                                 P1
                                                               (-1/k + 1)
                                                          P2                 - P1(-1/k + 1)
                                               = -c
                                                                    (-1/k + 1)

                                                        But: C = P1/k V = Pa1/kV1 = P21/kV2
               Substituting and solving simultaneously, we have:
                                                          P2V2 - P1V1
                                            = -k
                                                             k-1

                                                          P2V2 - P1V1                           mR (T2 - T1)
                                            =k                                             =k
                                                             1-k                                   1-k
                        Or;
                                       WSF = k (WNF)
Gas Compressor
(Perfectly Insulated)
                                ma                               md
                                                                                                       P-v diagram
                                                                    2
                                                                                                           P
                                1

                                                                            vc
                                                              TDC                                                   3                              2


                                                                                      v1                                               W
                                                                                                                                                   PV =
                                                                                                                                            PV =




                                                                          vD
                                                                                                                          PV




                                                                                                                                                     k




                                                                                                                                       c
                                                                                                                        PV =
                                                                                                                        =




                                                                                                                                              c
                                                                                                                          k




                                                                                                                                                        c
                                                                                                                          c




                                                 Wc
                                                                                                                             c




                                                                                                                                                            1
                                                              BDC                                                         4
         EP
                               BP
                Motor
                                                                                                                                                                v
                                                 IP
                                                                                                               vc                      vD

   Theoretical Work or Power needed by the compressor                                                                                  v1
                                                      2

                From:                   WSF = - V dP
                                                      1

                                                   k                               P V’
                                        WSF =                       P2V’1 - P1V’1 * 1 1
                                                  1-k                              P1V’1
                                                                                      k-1                                        k-1
                                                                                       k                                          k
                                             kP1V’1                          P2                  kmaRaT1                P2
                                        WC =                                                -1 =                                       -1
                                              1-k                            P1                   1-k                   P1


                        “What happens to a man is less significant than what happens within him.”
5. SPECIAL POLYTROPIC PROCESS (PVn = C)
     A. CONSIDERING A CLOSED OR NON-FLOW SYSTEM
             ILLUSTRATION: (Piston-cylinder assembly air-cooled)




                            m


                            V


                            Q


                P-v diagram                                                                        T-s diagram
                        P                                                                               T
                                   1
                                                                                                                 1



                                                              PV
                                                                   =
                                                     PV                c
                                                          n
                                                          =
                                                              c
                                        PV   k
                                             =
                                                 c
                                                                                       2                             2



                                                                                               v                         s
Equations:
     1. PVT Relationships
                a.      General Gas Law Equation
                        (Equation of State)

                                                          PV = mRT

                                                      n-1                        n-1
                                                       n
                                 T2   P2                                 V1
                   b.               =                                  =
                                 T1   P1                                 V2

                        Derivation:
                                         P1V1n = P2V2n
                                  mRT1         mRT2
                                       (V1n) =      (V2n)
                                   V1           V2
                                       T1(V1n-1) = T2(V2n-1)
                                                                                 n-1
                                                     T2                    V1
                                                        =
                                                     T1                    V2
                                And;
                                             P1V1n = P2V2n
                                                                  n                        n
                                        mRT1                           = P2 mRT2
                                  P1
                                         P1                                  P2

                                  (mR)nT1n                                      (mR)nT2n
                            P1                                         = P2
                                     P1n                                           P2n
                                                  T1n      T2n
                                                    n-1 =
                                                 P1       P2n-1
                                                                                 n-1
                                                                                  n
                                                     T2                    P2
                                                        =
                                                     T1                    P1

                 “Unless we think of others and do something for them, we miss one of the
                                      greatest sources of happiness.”
2. Work Non-Flow, WNF

                                       P2V2 - P1V1              = mR (T2 - T1)
                    WNF =
                                               1-n                  1-n

3. Heat Energy, Q
        Using NFEE;
                         Q=           U + WNF
                         Q = mCv           T + mR T
                                                1-n
                                    (1 - n)mCv T + mR T
                              =
                                               1-n
                              =     mCv T - nmCv T + mR                         T
                                                1-n
                                    mCp T - nmCv T
                              =
                                            1-n
                                    Cp
          Where:          k=
                                   Cv
                         Cp =      k Cv

                              = m Cv k - n                      T
                                     1-n

                         Q = mCn                T


                                      Cn = Cv k - n
                                              1-n

4. Change in Total Internal Energy,                         U
         U = mCv(T2 - T1) = mCv(                           T)

5. Change in Total Enthalpy,                    H
         H = mCp(T2 - T1) = mCp(                           T)

6. Change in Total Entropy,                    S
          From;     dQ = Tds
                    2             2
                                      dQ
                        dS =
                    1          1
                                       T
                         s2
                               mCn dT
                        S =
                         s1      T 2
                                               dQ
             (S2 - S1) = mCn
                                           1
                                                T
                                                    T2

                         S = mCn ln T                    = mCn (lnT2 - lnT1)
                                                    T1
                                                                         n-1                   n-1
                                                                          n
                               T2          P2                                             V1
                    S = mCn ln    = mCn ln                                     = mCn ln
                               T1          P1                                             V2
  B. CONSIDERING AN OPEN OR STEADY-FLOW SYSTEM
                                                                          WSF
          ILLUSTRATION:


                                      PE1
                                      KE1                                                      PE2
                                       U1                              TS                      KE2
                                      Wf1                           (PVn = c)                  U2
                                                                                               Wf2



                                                                         Q

              “Champions don’t become champions in the field-they are merely recognized there.”
[Ein = Eout]
             PE1 + KE1 + U1 + Wf1 + Q = PE2 + KE2 + U2 + Wf2 + WSF
                      Q = (PE1 - PE2) + (KE2 - KE1) + (U2 - U1) + (Wf2 - Wf1) + WSF

                              Q=     PE +        KE +      U+        Wf + WSF

                                      When:              PE ˜ 0          (z1 ˜ z2)
                                                         KE ˜ 0          (v1 ˜ v2)
                                                            ˜               ˜
                               Q=    H + WSF

                                       WSF = Q -                H

  From P-v diagram (Area under P-v Curve)
              From the General Formula 2

                                     WSF = - V dP
                                                     1

                                                          P2V2 - P1V1                       mR (T2 - T1)
                                            =n                                  =n
                                                             1-n                               1-n
                      Or;
                                     WSF = n (WNF)

Gas Compressor
                                            ma                                  md
(Air-Cooled)                                                                                               P-v diagram
                                            1                                   2
                                                                                                                P
                                                                                       vc
                                                                               TDC

                                                                                                                        3                                   2
                                                                                              v1
                                                                                       vD




                                                                                                                                               PV =
                                                                                                                                                 n
                                                                                                                                                           PV =
                                                                                                                                                   PV
                                                                  Wc                                                                      Wc




                                                                                                                              PV




                                                                                                                                                             k
                                                                                                                                                      c
                                                                                                                                                      =c
                                                                                                                    PV =



                                                                                                                                  =




                                                                                                                                                                c
                                                                                                                      k


                                                                                                                             PV

                                                                                                                                  c
                                                                                                                              n
                                                                                BDC
                 EP



                                                                                                                              =
                                                                                                                         c



                                                                                                                                  c
                                                                                                                                                                    1
                                        BP                                                                                            4
                            Motor

                                                                    IP

                                                                                                                                                                        v
                                                                                                                   vc                     vD
Theoretical Work or Power needed by the compressor
                                                                                                                                          v1
                                                 2

             From:                  WSF = - V dP
                                                 1

                                                 k                                    P1V’1
                                    WSF =                 P2V’1 - P1V’1 *
                                                1-n                                   P1V’1
                                                                         n-1                                       n-1
                                         nP1V’1                           n                                         n
                                                                  P2                 nmaRaT1                  P2
                                    WC =                                        -1 =                                         -1
                                         1-n                      P1                  1-n                     P1


                                                     Output                     1. Motor Efficiency
                             Efficiency =                                                      BP 100%
                                                      Input                               mo=n EP *
                                                                                2. Mechanical Efficiency
                                                                                                BP
                                                                                            M=n EP *
                                                                                                     100%
                                                                                3. Compression Efficiency
                                                                                                Wc
                                                                                            C=n  IP *
                                                                                                      100%
                                                                                                    Wc = depends on the process involved.
                                                                                                           WcT=c = Isothermal process
                                                                                                           Wcs=c = Isentropic process
                                                                                4. Overall Efficiency      WcPV n =c = Polytropic process

                                                                                              n = Wc * 100%
                                                                                                   o
                                                                                                   BP
                                                                                              n = n n * 100%
                                                                                                   o   C     M

             “Whoever gives heed to instruction prospers, and blessed is he who trusts in the Lord.”
                                                Proverbs 16:20

008 isothermal isentropic_polytropic_process

  • 1.
    LECTURE UNIT 008 3.CONSTANT TEMPERATURE or ISOTHERMAL PROCESS (PV = c or T = c) A. CONSIDERING A CLOSED OR NON-FLOW SYSTEM ILLUSTRATION: (Piston-cylinder assembly perfectly cooled) m V Q P-v diagram T-s diagram P T 1 1 2 2 v s Equations: 1. PVT Relationships a. General Gas Law Equation (Equation of State) PV = mRT P1V1 P2V2 b. = = mR = constant T1 T2 P1 V2 = P2 V1 2. Work Non-Flow, WNF 2 General Formula: WNF = P dV 1 Where: PV = P1V1 = P2V2 = C c P= 2 V WNF = c dV V 1 = c (lnV2 - lnV1) V2 P1 WNF = c ln = c ln V1 P2 V2 P1 WNF = P1V1 ln = mRT1 ln V1 P2 3. Heat Energy, Q Using NFEE; Q= U + WNF Q = WNF “The price of greatness is responsibility.”
  • 2.
    4. Change inTotal Internal Energy, U U = mCv(T2 - T1) = mCv( T) U=0 5. Change in Total Enthalpy, H H = mCp(T2 - T1) = mCp( T) H=0 6. Change in Total Entropy, S From; dQ = Tds dQ dS = 2 T 2 dS = 1 dQ = Q T 1 T 1 V2 mRT1 ln V1 S2 - S1 = T V2 P1 S = mR ln = mR ln V1 P2 B. CONSIDERING AN OPEN OR STEADY-FLOW SYSTEM ILLUSTRATION: WSF PE1 PE2 KE1 KE2 TS U1 U2 (PV = c) Wf1 Wf2 Q [Ein = Eout] PE1 + KE1 + U1 + Wf1 + Q = PE2 + KE2 + U2 + Wf2 + WSF Q = (PE1 - PE2) + (KE2 - KE1) + (U2 - U1) + (Wf2 - Wf1) + WSF Q= PE + KE + U+ Wf + WSF Recall: H= U+ Wf Q= PE + KE + H + WSF When: PE ˜ 0 (z1 ˜ z2) ˜ ˜ KE ˜ 0 (v1 ˜ v2) ˜ Q= H + WSF But: H=0 Q = WSF “There is nothing training cannot do. Nothing is above its reach.”
  • 3.
    Gas Compressor (Perfectly Cooled) P-v diagram ma md P 1 2 vc TDC 3 2 v1 PV vD Wc = PV c Wc = c BDC 1 EP 4 BP Motor IP v vc vD v1 Theoretical Work or Power needed by the compressor 2 From: WSF = - V dP 1 P2 P2 Wc = - P1V’1 ln = - maRaT1 ln , kW P1 P1 4. ISENTROPIC PROCESS or REVERSIBLE ADIABATIC PROCESS (PVk = c or s = c), Q = 0 A. CONSIDERING A CLOSED OR NON-FLOW SYSTEM ILLUSTRATION: (Piston-cylinder assembly perfectly insulated) m V Q P-v diagram T-s diagram P T 1 1 PV = c PV k = c 2 2 v s Equations: 1. PVT Relationships a. General Gas Law Equation (Equation of State) PV = mRT k-1 k-1 b. T2 P2 k V1 = = T1 P1 V2 “The achievements of an organization are the results of the combined efforts of each individual.”
  • 4.
    2. Work Non-Flow,WNF 2 General Formula: WNF = P dV 1 Where: PVk = P1V1k = P2V2k = C P = c V-k 2 WNF = cV-k dV 1 V2 V-k+1 =c -k +1 V1 k. P2V2 V2-k+1 - P1V1k . V1-k+1 =c -k + 1 P2V2 - P1V1 = mR (T2 - T1) WNF = 1-k 1-k 3. Heat Energy, Q 2 Q = Tds 1 Q=0 Hence, if we using NFEE, WNF can also be solved by: Q= U + WNF WNF = - U 4. Change in Total Internal Energy, U U = mCv(T2 - T1) = mCv( T) 5. Change in Total Enthalpy, H H = mCp(T2 - T1) = mCp( T) 6. Change in Total Entropy, S 2 From; Q = Tds 1 2 dQ S= 1 T S=0 B. CONSIDERING AN OPEN OR STEADY-FLOW SYSTEM ILLUSTRATION: WSF PE1 PE2 KE1 KE2 TS U1 U2 (PVk = c) Wf1 Wf2 Q=0 [Ein = Eout] PE1 + KE1 + U1 + Wf1 + Q = PE2 + KE2 + U2 + Wf2 + WSF “Leaders always find a way to make things happen.”
  • 5.
    PE1 + KE1+ U1 + Wf1 + Q = PE2 + KE2 + U2 + Wf2 + WSF Q = (PE1 - PE2) + (KE2 - KE1) + (U2 - U1) + (Wf2 - Wf1) + WSF Q= PE + KE + U+ Wf + WSF When: PE ˜ 0 (z1 ˜ z2) KE ˜ 0 (v1 ˜ v2) ˜ ˜ Q= H + WSF But: Q = 0 WSF = - H From P-v diagram (Area under P-v Curve) From the General Formula 2 WSF = - V dP Where: PVk = c 1 c Vk = P 1/k V = c 1/k P 2 V = c P-1/k WSF = - cP-1/k dP 1 P2 P(-1/k + 1) = -c (-1/k + 1) P1 (-1/k + 1) P2 - P1(-1/k + 1) = -c (-1/k + 1) But: C = P1/k V = Pa1/kV1 = P21/kV2 Substituting and solving simultaneously, we have: P2V2 - P1V1 = -k k-1 P2V2 - P1V1 mR (T2 - T1) =k =k 1-k 1-k Or; WSF = k (WNF) Gas Compressor (Perfectly Insulated) ma md P-v diagram 2 P 1 vc TDC 3 2 v1 W PV = PV = vD PV k c PV = = c k c c Wc c 1 BDC 4 EP BP Motor v IP vc vD Theoretical Work or Power needed by the compressor v1 2 From: WSF = - V dP 1 k P V’ WSF = P2V’1 - P1V’1 * 1 1 1-k P1V’1 k-1 k-1 k k kP1V’1 P2 kmaRaT1 P2 WC = -1 = -1 1-k P1 1-k P1 “What happens to a man is less significant than what happens within him.”
  • 6.
    5. SPECIAL POLYTROPICPROCESS (PVn = C) A. CONSIDERING A CLOSED OR NON-FLOW SYSTEM ILLUSTRATION: (Piston-cylinder assembly air-cooled) m V Q P-v diagram T-s diagram P T 1 1 PV = PV c n = c PV k = c 2 2 v s Equations: 1. PVT Relationships a. General Gas Law Equation (Equation of State) PV = mRT n-1 n-1 n T2 P2 V1 b. = = T1 P1 V2 Derivation: P1V1n = P2V2n mRT1 mRT2 (V1n) = (V2n) V1 V2 T1(V1n-1) = T2(V2n-1) n-1 T2 V1 = T1 V2 And; P1V1n = P2V2n n n mRT1 = P2 mRT2 P1 P1 P2 (mR)nT1n (mR)nT2n P1 = P2 P1n P2n T1n T2n n-1 = P1 P2n-1 n-1 n T2 P2 = T1 P1 “Unless we think of others and do something for them, we miss one of the greatest sources of happiness.”
  • 7.
    2. Work Non-Flow,WNF P2V2 - P1V1 = mR (T2 - T1) WNF = 1-n 1-n 3. Heat Energy, Q Using NFEE; Q= U + WNF Q = mCv T + mR T 1-n (1 - n)mCv T + mR T = 1-n = mCv T - nmCv T + mR T 1-n mCp T - nmCv T = 1-n Cp Where: k= Cv Cp = k Cv = m Cv k - n T 1-n Q = mCn T Cn = Cv k - n 1-n 4. Change in Total Internal Energy, U U = mCv(T2 - T1) = mCv( T) 5. Change in Total Enthalpy, H H = mCp(T2 - T1) = mCp( T) 6. Change in Total Entropy, S From; dQ = Tds 2 2 dQ dS = 1 1 T s2 mCn dT S = s1 T 2 dQ (S2 - S1) = mCn 1 T T2 S = mCn ln T = mCn (lnT2 - lnT1) T1 n-1 n-1 n T2 P2 V1 S = mCn ln = mCn ln = mCn ln T1 P1 V2 B. CONSIDERING AN OPEN OR STEADY-FLOW SYSTEM WSF ILLUSTRATION: PE1 KE1 PE2 U1 TS KE2 Wf1 (PVn = c) U2 Wf2 Q “Champions don’t become champions in the field-they are merely recognized there.”
  • 8.
    [Ein = Eout] PE1 + KE1 + U1 + Wf1 + Q = PE2 + KE2 + U2 + Wf2 + WSF Q = (PE1 - PE2) + (KE2 - KE1) + (U2 - U1) + (Wf2 - Wf1) + WSF Q= PE + KE + U+ Wf + WSF When: PE ˜ 0 (z1 ˜ z2) KE ˜ 0 (v1 ˜ v2) ˜ ˜ Q= H + WSF WSF = Q - H From P-v diagram (Area under P-v Curve) From the General Formula 2 WSF = - V dP 1 P2V2 - P1V1 mR (T2 - T1) =n =n 1-n 1-n Or; WSF = n (WNF) Gas Compressor ma md (Air-Cooled) P-v diagram 1 2 P vc TDC 3 2 v1 vD PV = n PV = PV Wc Wc PV k c =c PV = = c k PV c n BDC EP = c c 1 BP 4 Motor IP v vc vD Theoretical Work or Power needed by the compressor v1 2 From: WSF = - V dP 1 k P1V’1 WSF = P2V’1 - P1V’1 * 1-n P1V’1 n-1 n-1 nP1V’1 n n P2 nmaRaT1 P2 WC = -1 = -1 1-n P1 1-n P1 Output 1. Motor Efficiency Efficiency = BP 100% Input mo=n EP * 2. Mechanical Efficiency BP M=n EP * 100% 3. Compression Efficiency Wc C=n IP * 100% Wc = depends on the process involved. WcT=c = Isothermal process Wcs=c = Isentropic process 4. Overall Efficiency WcPV n =c = Polytropic process n = Wc * 100% o BP n = n n * 100% o C M “Whoever gives heed to instruction prospers, and blessed is he who trusts in the Lord.” Proverbs 16:20