Voltage Harmonic Mitigation
using DVR based on
MATLAB/SIMULINK
Presented by:
Aniket Naugariya(Roll no.1130921011)
Udgam Tiwari(Roll no.1130921038)
Shivam Pandey(Roll no.1130921040)
Santosh Kumar(Roll no.1130921031)
Under the supervision of:
Mr. Priyank Agarwal
Electrical & Electronics Deptt.
Table of contents
1. Introduction to Power Quality
2. Power Quality problems
3. Harmonics
4. Introduction of custom power devices
5. DVR(Dynamic voltage Restorers)
6. DVR Circuit diagram
7. DVR power circuit
8. About MATLAB
9. DVR control strategy (based on SRF)
10. Control Diagram
11. Advantages
12. References
INTRODUCTION OF POWER
QUALITY
• The IEEE defines Power Quality is defined as “Any power problem
manifested in voltage, current, and/or frequency deviations that
results in the failure and/or mal-operation of end user’s
equipment”.
PQ mainly deals with
1. Continuity of the supply.
2. “Quality” of the voltage.
Power Quality Problems
Voltage Sag/Dip:-
•Description: A decrease of the normal voltage level between 90% to 10% of the
nominal rms voltage at the rated power frequency, for durations of 0.5 cycle to
1 minute(IEEE).
•Causes:
1.Faults on the transmission or distribution network.
2.Connection of heavy loads and start-up of large motors.
Voltage Swell
• Description: It is defined as an increase in RMS voltage b/w 110%-180% at
the rated power frequency for duration ½ cycle to 1min(IEEE)
• Causes:
1.Single line to ground fault in the system
2.Abruptly increase in load
3.Switching off large capacitor bank
• Consequences:
1.Data loss.
2.Flickering of light and screen
Harmonics
●Harmonic waveform is a periodic distortion of the normal
Sine wave
Introduction of Custom power
devices
• Custom power devices are designed to improve the quality of
power at their point of installation of power distribution systems.
They are not primarily designed to improve power quality of the
entire system.
• Custom power devices are of three types:
1.DVR
2.D-STATCOM
3.UPQC
DVR(Dynamic voltage
restorers)
•A DVR is a voltage-source converter (VSC)-based power
electronics device.
•Connected in series between the supply and the critical
loads.
•If fault occur it provides certain amount of compensating
voltage into the distribution line.
•Restore Balanced sinusoidal load voltage even if source
voltage is unbalanced or distorted.
Circuit
diagram
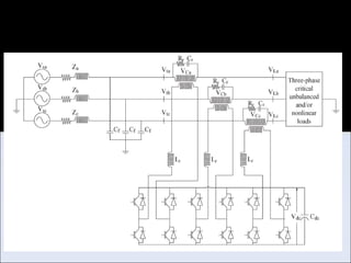
DVR Power circuit
• DVR Power circuit contains three single-phase H-bridge VSCs
along with a common dc capacitor (Cdc).
• The three H-bridge VSCs is connected through a ripple
filter(Lr,Cr,Rr) and an injection transformer.
• The shunt capacitor filter Cf is used to provide a low
impedance path to higher order harmonics of load voltage
when the load is nonlinear.
Power circuit of DVR
MATLAB
MATLAB(matrix laboratory) is a fourth-generation high-level programming
language and interactive environment for numerical computation, visualization and
programming.
•MATLAB is developed by MathWorks.
•It allows matrix manipulations; plotting of functions and data; implementation of
algorithms; creation of user interfaces; interfacing with programs written in other
languages, including C, C++, Java, and Fortran; analyze data; develope algorithms;
and create models and applications.
•It has numerous built-in commands and math functions that help you in
mathematical calculations, generating plots and performing numerical methods.
DVR Control strategy based
on SRF
• In steady state, the phase difference between instantaneous DVR
voltages and instantaneous line currents must be 90◦.
• Generally DVR control strategy can be divided into three parts:
i. Under Balanced Sinusoidal Supply Condition with Balanced Linear
Load.
ii.Under Unbalanced and/or Distorted Supply Condition With
Unbalanced Linear Load.
iii.Fundamental Positive-Sequence Extractor
Advantag
es
1. Capability to adapt by itself to changes that may occur in the
power system. Such as Voltage flickers &harmonics generated
by electric arc furnace.
2. Minimizes the possible occurrence of Resonances.
3. Reduce harmonics.
4. Balance the voltage at the PCC.
Thank You
Office
Make Presentation much more fun

Voltage harmonic mitigation using DVR

  • 1.
    Voltage Harmonic Mitigation usingDVR based on MATLAB/SIMULINK Presented by: Aniket Naugariya(Roll no.1130921011) Udgam Tiwari(Roll no.1130921038) Shivam Pandey(Roll no.1130921040) Santosh Kumar(Roll no.1130921031) Under the supervision of: Mr. Priyank Agarwal Electrical & Electronics Deptt.
  • 2.
    Table of contents 1.Introduction to Power Quality 2. Power Quality problems 3. Harmonics 4. Introduction of custom power devices 5. DVR(Dynamic voltage Restorers) 6. DVR Circuit diagram 7. DVR power circuit 8. About MATLAB 9. DVR control strategy (based on SRF) 10. Control Diagram 11. Advantages 12. References
  • 3.
    INTRODUCTION OF POWER QUALITY •The IEEE defines Power Quality is defined as “Any power problem manifested in voltage, current, and/or frequency deviations that results in the failure and/or mal-operation of end user’s equipment”. PQ mainly deals with 1. Continuity of the supply. 2. “Quality” of the voltage.
  • 4.
    Power Quality Problems VoltageSag/Dip:- •Description: A decrease of the normal voltage level between 90% to 10% of the nominal rms voltage at the rated power frequency, for durations of 0.5 cycle to 1 minute(IEEE). •Causes: 1.Faults on the transmission or distribution network. 2.Connection of heavy loads and start-up of large motors.
  • 6.
    Voltage Swell • Description:It is defined as an increase in RMS voltage b/w 110%-180% at the rated power frequency for duration ½ cycle to 1min(IEEE) • Causes: 1.Single line to ground fault in the system 2.Abruptly increase in load 3.Switching off large capacitor bank • Consequences: 1.Data loss. 2.Flickering of light and screen
  • 8.
    Harmonics ●Harmonic waveform isa periodic distortion of the normal Sine wave
  • 9.
    Introduction of Custompower devices • Custom power devices are designed to improve the quality of power at their point of installation of power distribution systems. They are not primarily designed to improve power quality of the entire system. • Custom power devices are of three types: 1.DVR 2.D-STATCOM 3.UPQC
  • 10.
    DVR(Dynamic voltage restorers) •A DVRis a voltage-source converter (VSC)-based power electronics device. •Connected in series between the supply and the critical loads. •If fault occur it provides certain amount of compensating voltage into the distribution line. •Restore Balanced sinusoidal load voltage even if source voltage is unbalanced or distorted.
  • 11.
  • 12.
    DVR Power circuit •DVR Power circuit contains three single-phase H-bridge VSCs along with a common dc capacitor (Cdc). • The three H-bridge VSCs is connected through a ripple filter(Lr,Cr,Rr) and an injection transformer. • The shunt capacitor filter Cf is used to provide a low impedance path to higher order harmonics of load voltage when the load is nonlinear.
  • 13.
  • 14.
    MATLAB MATLAB(matrix laboratory) isa fourth-generation high-level programming language and interactive environment for numerical computation, visualization and programming. •MATLAB is developed by MathWorks. •It allows matrix manipulations; plotting of functions and data; implementation of algorithms; creation of user interfaces; interfacing with programs written in other languages, including C, C++, Java, and Fortran; analyze data; develope algorithms; and create models and applications. •It has numerous built-in commands and math functions that help you in mathematical calculations, generating plots and performing numerical methods.
  • 15.
    DVR Control strategybased on SRF • In steady state, the phase difference between instantaneous DVR voltages and instantaneous line currents must be 90◦. • Generally DVR control strategy can be divided into three parts: i. Under Balanced Sinusoidal Supply Condition with Balanced Linear Load. ii.Under Unbalanced and/or Distorted Supply Condition With Unbalanced Linear Load. iii.Fundamental Positive-Sequence Extractor
  • 17.
    Advantag es 1. Capability toadapt by itself to changes that may occur in the power system. Such as Voltage flickers &harmonics generated by electric arc furnace. 2. Minimizes the possible occurrence of Resonances. 3. Reduce harmonics. 4. Balance the voltage at the PCC.
  • 18.