UNIT – IV
STARTING AND SPEED CONTROL OF THREE PHASE
INDUCTION MOTOR
Circle diagram – Separation of no load losses – Need
for starters – Types of starters: Stator resistance, Rotor
resistance, Autotransformer, Star-delta starters and
DOL starters – Soft starters – Speed control by varying
voltage, frequency, poles and rotor resistance – Slip
power recovery scheme.
CIRCLE DIAGRAM
• The IM performance can be analysed by a graphical
method.
• This method is based on the approximated equivalent
circuit of three phase IM
Construction of Circle Diagram
No load and Blocked rotor test are used to construct.
From no load test, I0 and φ0 & Isc and φsc are taken for
drawing.
The Isc or Ib must be converted to rated phase voltage.
Step 1:
• Take applied voltage V1 as the reference phasor
Step 2:
• With proper current scale draw I0 at φ0 (line OA) with reference V1.
Current scale should be suitably chosen.
cosΦ𝟎 =
𝑾𝟎
𝟑 × 𝑽𝟎×𝑰𝟎
Step 3:
• Draw Ib or Isc at φb or φsc (line OB) with reference to V1.
cos𝜱𝒃 =
𝑾𝒃
𝟑 × 𝑽𝒃 ×𝑰𝒃
Step 4:
• Join AB, Which represents the output line of the motor.
Step 5:
• Draw horizontal line AF
• erect perpendicular bisector on the output line to meet the line AF
at point O’
• Then O’ as the centre and AO’ as the radius draw semicircle ABF.
Step 6:
Draw a vertical line from B, to meet AF at point D.
Short circuit current with normal voltage applied,
𝐼𝑏𝑛 =
𝑉𝐿
𝑉𝑏
× 𝐼𝑏
Power Drawn at normal voltage,
𝑊𝑏𝑛 =
𝑉𝐿
𝑉𝑏
2
× 𝑊𝑏
Divide line BD in the ratio of rotor copper losses to
stator copper losses at the point E.
𝐵𝐸
𝐷𝐸
=
𝑅𝑜𝑡𝑜𝑟 𝑐𝑜𝑝𝑝𝑒𝑟 𝑙𝑜𝑠𝑠𝑒𝑠
𝑆𝑡𝑎𝑡𝑜𝑟 𝑐𝑜𝑝𝑝𝑒𝑟 𝑙𝑜𝑠𝑠𝑒𝑠
AE represents torque line.
Power Scale =
𝑊𝑛
𝑙(𝐵𝐸)
Location of Point E:
In SRIM
𝐴𝐸
𝐸𝐷
=
𝑅𝑜𝑡𝑜𝑟 𝑐𝑜𝑝𝑝𝑒𝑟 𝑙𝑜𝑠𝑠
𝑆𝑡𝑎𝑡𝑜𝑟 𝑐𝑜𝑝𝑝𝑒𝑟 𝑙𝑜𝑠𝑠
=
𝐼2
2
𝐼1
2
𝑅2
𝑅1
CONSTRUCTION OF CIRCLE DIAGRAM
O
V
Φ°
A
𝝋𝒃
B
X
F
O’
G
𝝋𝟏
D
E
C
P
L
Q
R
S
𝑃𝑚
N
𝑇𝑚
M
O
V
X
O
V
78.4°
C
66.1°
B
OA = 1cm
Φ𝟎 =78.435°
OB= 11.25cm
Φ𝒃 = 𝟔𝟔. 𝟏°
AB = 10.2cm
X
A D
B’
Rotor Cu loss
Stator Cu loss
𝝋𝟏
P
Q
R
S
T
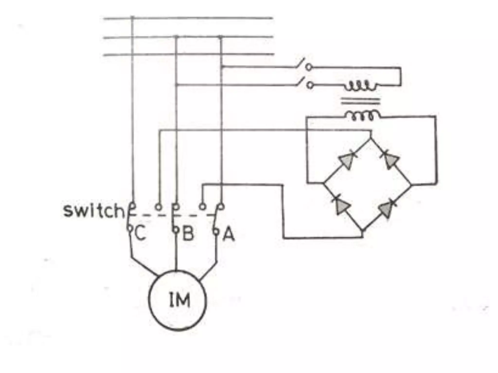
Direct on Line (D.O.L.) Starter
• A DOL starter essentially consists of a contactor having four
normally open (N.O.) contacts and a contactor coil also
known as no-volt coil or no volt release.
• There are two push buttons ON and OFF which are used to
start and stop the motor. To protect motor against overload,
thermal or magnetic over-load coils are connected in each
phase.
• To start the motor, the ON push button (green) is pressed
which energies the no-volt coil by connecting it across two
phases. The no-volt coil pulls its plunger in such a direction
that all the normally open (NO) contacts are closed and motor
is connected across supply through three contacts.
• The fourth contact serves as a hold on contact which keeps
the no-volt coil circuit closed even after the ON push button is
released.
• To stop the motor, OFF push button (red) is pressed
momentarily which de-energises the no volt coil opening the
main contacts.
When the motor is over loaded, the thermal overload
relay contact, connected in the control circuit opens thus
disconnecting the No-volt relay from the supply. Overload
protection is achieved by thermal element overload relay.
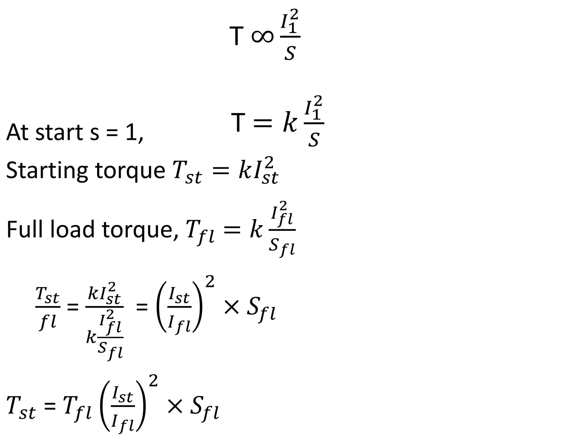
Torque developed by the motor when started by direct
on line starter:
• Power developed in the rotor or rotor input = ωT
• Rotor copper loss = S×rotor input
• Rotor copper loss = 𝐼2
2
𝑅2
s ωT = 𝐼2
2
𝑅2
T =
𝐼2
2𝑅2
s ω
T ∞
𝐼2
2
𝑆
Stator current is proportional to rotor current,
At start s = 1,
Starting torque 𝑇𝑠𝑡 = 𝑘𝐼𝑠𝑡
2
Full load torque, 𝑇𝑓𝑙 = 𝑘
𝐼𝑓𝑙
2
𝑆𝑓𝑙
𝑇𝑠𝑡
𝑓𝑙
=
𝑘𝐼𝑠𝑡
2
𝑘
𝐼𝑓𝑙
2
𝑆𝑓𝑙
=
𝐼𝑠𝑡
𝐼𝑓𝑙
2
× 𝑆𝑓𝑙
𝑇𝑠𝑡 = 𝑇𝑓𝑙
𝐼𝑠𝑡
𝐼𝑓𝑙
2
× 𝑆𝑓𝑙
T ∞
𝐼1
2
𝑆
T = 𝑘
𝐼1
2
𝑆
• When motor is connected to the mains by direct on
line starter, the starting current of the motor will be
equal to the short-circuit current 𝐼𝑆𝐶.
𝑇𝑠𝑡 = 𝑇𝑓𝑙
𝐼𝑠𝑐
𝐼𝑓𝑙
2
× 𝑆𝑓𝑙
Stator Resistance (or Reactance) Starter
• Very low voltage is supplied to each phase of the
winding at the start by inserting more resistance (or
inductance) in series with the winding.
• As the motor picks-up the speed, the resistance (or
inductance) is taken out of circuit.
Let the voltage applied across each phase be reduced to a fraction of x
Voltage applied across each phase at start = xV
Starting current, 𝐼𝑠𝑡= x 𝐼𝑆𝐶
the current is reduced to fraction x.
Merits
(i) Smooth acceleration since the resistance (or inductance) is
reduced gradually.
(ii) Simple and less expansive
(iii) Higher pf during starting
Demerits
i. Current is reduced by a fraction of x but the
torque is reduced to fraction 𝑋2
, hence starting
torque is poor.
ii. More energy loss in the resistors, therefore,
inductors are preferred. But still loss is more.
iii. Starting duration is comparatively more.
This method of starting is used very rarely.
Star-Delta Starter
• This method is based upon the principle that in star
connections, voltage across each winding is phase
voltage i.e., 1/ 3 times the line voltage, whereas the
same winding when connected in delta will have full
line voltage across it.
• So at start, connections of the motor are made in star
fashion so that reduced voltage is applied across each
winding.
• After the motor attains speed the same windings
through a change-over switch, are connected in delta
across the same supply.
• The starter is provided with overload and under voltage
protection devices also. Moreover, the starter is also
provided with a mechanical inter-locking which
prevents the handle to put in run position
• Since at start stator windings are connected in star
connection, so voltage across each phase winding is
reduced to 1/ 3 of line voltage, therefore, starting
current/phase becomes equal to
• Isc/ 3 = Starting line current
• Starting line current by direct switching with stator
winding connected in delta = 3 Isc
•
Line current with star delta starter
Line current with direct switching
=
𝐼𝑆𝐶
3
3 Isc
=
1
3
Torque developed by motor when started by star-
delta starter
• Starting torque, 𝑇𝑠𝑡 = 𝑇𝑓𝑙
𝐼𝑠𝑡
𝐼𝑓𝑙
2
× 𝑆𝑓𝑙
= 𝑇𝑓𝑙
𝐼𝑠𝑡
3
𝐼𝑓𝑙
2
× 𝑆𝑓𝑙
=
1
3
𝑇𝑓𝑙
𝐼𝑠𝑡
𝐼𝑓𝑙
2
× 𝑆𝑓𝑙
Starting torque =
1
3
torque developed by direct
switching.
Merits
• It is a simple, cheap, effective and most efficient
method of starting of squirrel cage induction motors.
• It is the most suitable method of starting for high
inertia and long acceleration loads.
Demerits
• All the six terminals of the stator winding are to be
brought out to starter through six leads and the motor
has to be operated in delta.
• The starting current can only be limited to 1/3rd of the
short circuit current.
• Starting torque developed by the motor is reduced to
1/3rd which is very low to pick the load.
• Accordingly, such starters are employed with the
squirrel cage induction motors having capacity 4 kW to
20 kW.
Auto-transformer Starter
• In this method, the voltage applied across the
motor and hence current can be reduced to a very
low value at the time of start.
• At the time of start, the motor is connected to
supply through auto-transformer by a 6 pole double
throw switch.
• When the motor is accelerated to about full speed,
the operating handle is moved to run position. By
this, motor is directly connected to the line.
• Although this type of starter is expensive but is
most suitable for both the star-connected and
delta-connected induction motors. It is most
suitable for starting of large motor.
To limit the initial rush of current to low values auto-
transformer starters are employed. With the help of auto-
transformer starters, we can limit the starting current to
any predetermined value,
• Let the motor be started by an auto transformer having
transformation ratio K.
• If 𝐼𝑆𝐶is the starting current when normal voltage is
applied.
• Applied voltage to stator at start = KV
• Then motor input current 𝐼𝑆𝑡 = K 𝐼𝑆𝐶
• Supply current = Primary current of Auto transformer
= K . Secondary current of Auto-transformer
= KK 𝐼𝑆𝐶 = 𝐾2
𝐼𝑆𝐶
If 20% (i.e., one-fifth) voltage is applied to the motor
through auto-transformer starter, the current
drawn from the mains is reduced to
1
5
2
i.e., 1/25th
times.
Torque developed by motor when started by an auto-
transformer starter,
• Starting torque, 𝑇𝑠𝑡 = 𝑇𝑓𝑙
𝐼𝑠𝑡
𝐼𝑓𝑙
2
× 𝑆𝑓𝑙
= 𝑇𝑓𝑙
𝑘𝐼𝑆𝐶
𝐼𝑓𝑙
2
× 𝑆𝑓𝑙
= 𝑘2
𝑇𝑓𝑙
𝐼𝑠𝑡
𝐼𝑓𝑙
2
× 𝑆𝑓𝑙
Starting torque = 𝑘2
torque developed by direct switching
Rotor Resistance Starter for Slip Ring Induction Motors
• To start a slip ring induction motor, a 3-phase
rheostat is connected in series with the rotor circuit
through brushes This is called rotor rheostat starter.
• This is made of three separate variable resistors
joined together by means of a 3-phase armed
handle which forms a star point.
• By moving the handle equal resistance in each
phase can be introduced.
At start, whole of the rheostat resistance is inserted in
the rotor circuit and the rotor current is reduced to
𝐼2𝑠 =
𝐸2𝑠
𝑅2 + 𝑅𝑠
2 + 𝑋2𝑠
2
• Correspondingly it reduces the current drawn by
the motor from the mains at start.
• When the motor picks up speed the external
resistance is reduced gradually and ultimately
whole of the resistance is taken out of circuit and
slip rings are short-circuited.
By inserting external resistance in the rotor circuit, not only the starting
current is reduced but at the same time starting torque is increased due
to improvement in power factor:
At starts:
Power factor without starter, cosΦ𝑠 =
𝑅2
𝑅2
2+ 𝑋2𝑠
2
Power factor with starter, cosΦ𝑠
′ =
𝑅2+ 𝑅𝑠
𝑅2+ 𝑅𝑠
2+ 𝑋2𝑠
2
cosΦ𝑠
′
>>cosΦ𝑠
Speed Control of Induction Motors
The speed of an induction motor is given by the relation,
N = 𝑁𝑠 1 − 𝑆 =
120𝑓
𝑃
1 − 𝑆
• The speed of an induction motor depends upon frequency,
slip and number of poles for which the motor is wound.
• It also depends upon the supply voltage.
• Thus, the speed of an induction motor can be controlled by
changing or controlling any one of these quantities.
Speed Control by Changing the Slip
• The speed of an induction motor can be changed by
changing its slip, and the slip can be changed
(1) by changing the rotor circuit resistance
(2) by changing the supply voltage and
(3) by injecting voltage in the rotor circuit.
There are two methods:
1. Stator side control
a. Stator voltage control b. Stator frequency control
c. V/F control d. Pole changing method
2. Rotor side control
1. Cascaded control 2. Adding external circuit in rotor
3. Slip power recovery scheme
Speed Control by Controlling the Supply Voltage
• Slip or speed of a motor can be changed by
controlling the voltage fed to the motor.
• The torque developed by the motor is directly
proportional to the square of the supply voltage (T
𝛼𝑉2
). If the supply voltage is decreased, the torque
developed by the motor decreases rapidly and to
pick-up the load slip increases or speed decreases.
• At rated voltage and given load, the speed of the
motor is N1. If the supply voltage is reduced (say to
90%), the speed of the motor decreases to N2 to
pick-up the given load.
This method is never used for the speed control of three-
phase large induction motors because the voltage control
devices are very costly and bulky.
However, this method is usually employed with single-
phase induction motors e.g., ceiling fans, etc.
Speed Control by Changing the Supply Frequency
• The frequency of the power supply is constant, therefore, to
control the speed of an induction motor by this method, the
induction motor is connected to the alternator operating
independently.
• To control the speed, the frequency of the alternator is
changed.
• It has made it possible to control the speed of induction
motor by controlling the supply frequency fed to the motor.
• By this method 5 to 10% of rated speed of induction motors
can be controlled. However, if the speed is to be controlled
beyond this value, the motor design has to be changed
accordingly.
• Further, If the speed of the motor is changed by changing the
frequency, to keep the flux level constant in the stator core,
supply voltage is also changed so that v/f is kept constant.
Below rated frequency at constant voltage:
• Air gap flux increases and magnetic core gets
saturated.(𝑓𝛼
1
𝜑
) (𝑁 𝛼
1
𝜑
)
• Draws more magnetizing current
• Losses are increased and noise is produced
• Low efficiency
Above rated frequency at constant voltage:
Air gap flux decrease. Flux and torque decreases.
• No load speed decreases
• Maximum torque decreases
• Starting torque reduces
• Starting current decreases
Voltage / Frequency Control
Speed Control by Changing the Poles
• By means of suitable switch, the stator winding
connections can be changed in such a manner that the
number of stator poles is changed.
• This changes the actual speed of motor since actual
speed of the motor is approximately inversely
proportional to the number of poles.
• By suitable connections one winding can give two
different speeds.
• Suppose there are four coils per phase. If these are
connected in such a way that they carry
• current in same direction then it will form eight poles
altogether
• If the connections are such that the alternate coils carry
current in opposite directions, we get four poles
altogether
• If more than two speeds are required. Two separate
windings are housed in same slots and if each is
arranged to give two speeds then two windings can
give four different speeds.
• In squirrel cage motors, the rotor poles are adjusted
automatically.
• However, in wound type motors, care has to be
taken to change the rotor poles accordingly.
Moreover, due to flux distribution, the pf of the
motor is also affected by changing the number of
poles to obtain different speeds.
• If the speed is decreased by increasing the number
of poles the power factor of the motor decreases.
Speed Control by Changing the Rotor Circuit Resistance
• In the wound type motor the slip may be changed
by introducing resistance in the rotor circuit and
hence speed is changed.
Torque developed in an induction motor is given by
the expression:
𝑇 =
3
ω𝑠
𝐸2𝑠
2
𝑅2 𝑠
𝑅2 𝑠 2 + 𝑋2𝑠
2
• The torque will remain constant if 𝑅2 𝑠 is constant.
For a given torque, the slip at which a motor works is
proportional to the rotor resistance.
When an external resistance is added in the rotor
circuit, speed decreases for the same torque T, so that
ratio 𝑅2 𝑠 remains constant.
The disadvantages of this method of speed control
are:
(i) Poor efficiency
(ii) Poor speed regulation
Speed Control by Cascade Method
• A method of speed control of induction motor
involving two or more motors is known as cascade
method of speed control.
• The two machines are mechanically coupled with
each other, one of them must be a slip ring
induction motor.
• Mostly both slip ring motors are used having
transformation ratio equal to unity.
• In this case supply is connected to the stator of one
of the induction motor and the induced emf of the
rotor from slip rings is fed to the stator or rotor of
the second induction motor
• If P1 and P2 are the number of poles of the two
machines and f is the supply frequency, then the set
can give the following different speeds:
(i) When machine I works alone:
The synchronous speed =
120𝑓
𝑃1
(ii) When machine II works alone;
The synchronous speed =
120𝑓
𝑃2
(iii) When machine I and II are connected in
cumulative cascade i.e., the torque of the two motors
are in same direction;
The synchronous speed of the set =
120𝑓
𝑃1+ 𝑃2
(iv) When machine I and II are connected in
differential cascade i.e., the torque of the motors are
in opposite direction;
The synchronous speed of the set =
120𝑓
𝑃1− 𝑃2
To prove the above relations, proceed as follows:
• Let, f be the supply frequency and P1 and P2 be the
number of poles of machine I and II respectively,
The synchronous speed Machine I, 𝑁𝑠1=
120𝑓
𝑃1
Speed of the motor with slip 𝑆1, 𝑁1 =𝑁𝑠1(1- 𝑆1)
=
120𝑓
𝑃1
(1- 𝑆1)
Frequency of the emf induced in the rotor of motor-1 fed
to the motor-2, 𝑓2 =𝑆1 × 𝑓
Synchronous speed of motor-2, 𝑁𝑠2=
120𝑓2
𝑃2
=
120𝑆1×𝑓
𝑃2
Speed of motor-2 with slip 𝑆2, 𝑁2=
120𝑆1×𝑓
𝑃2
(1− 𝑆2)
Since the two motors are mechanically coupled with each
other 𝑁1 must be equal to 𝑁2.
Equating two speeds,
120𝑓
𝑃1
(1- 𝑆1) =
120𝑆1×𝑓
𝑃2
(1− 𝑆2)
1− 𝑆1
𝑃1
=
𝑆1
𝑃2
(1− 𝑆2)
1− 𝑆1
𝑃1
=
𝑆1 − 𝑆1𝑆2
𝑃2
𝑠1𝑠2 being very small,
1− 𝑆1
𝑃1
=
𝑆1
𝑃2
1− 𝑆1
𝑠1
=
𝑃1
𝑃2
1
𝑆1
- 1 =
𝑃1
𝑃2
1
𝑆1
=
𝑃1
𝑃2
+ 1 =
𝑃1 +𝑃2
𝑃2
𝑆1 =
𝑃2
𝑃1 +𝑃2
Thus cascaded connection,
120𝑓
𝑃1
(1- 𝑆1)
=
120𝑓
𝑃1
(1- 𝑆1) =
120𝑓
𝑃1
(1 -
𝑃2
𝑃1 +𝑃2
)
N =
120𝑓
𝑃1+ 𝑃2
Disadvantages:
1. Requires two motors
2. More expensive
3. Wide range of speed control
4. Cannot be operate when 𝑃1 = 𝑃2 or 𝑃1 < 𝑃2 .
Speed Control by Injecting Voltage in the Rotor Circuit
• The speed of an induction motor can also be
controlled by injecting a voltage at slip frequency
directly into the rotor circuit.
• First of all, this method was introduced by K.H.
Schrage of Sweden and the motor in which this
method is employed is called Schrage motor.
• If the injected emf has a component directly
opposite to the rotor induced emf, the motor speed
decreases.
• On the other hand, if the injected emf has a
component in phase with the rotor induced emf the
motor speed increases and may rises beyond the
synchronous speed.
Types of Slip Power Recovery Scheme
1. Kramer system(Sub synchronous speed)
2. Scherbius system(Sub and super synchronous
speed)
Further divided into
1. Conventional method 2. Static method
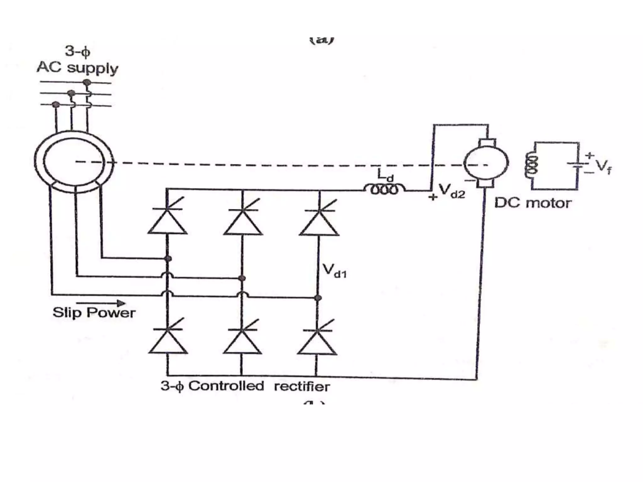
Conventional Kramer system
• The system consists of a three phase rotary converter and a
dc motor.
• The slip power is converted into dc power by a rotary
converter and fed to the armature of a dc motor.
• The slip ring induction motor is coupled to the dc motor.
The slip rings are connected to the rotary converter
• The dc output of rotary converter is used to drive a dc
motor. The rotary converter and dc bus bars or from an
exciter.
• The speed of slip ring induction motor is adjusted by
adjusting the speed of dc motor with the help of a field
regulator.
• This system is also called the electromechanical cascade,
because the slip frequency power is returned as mechanical
power to the slip ring induction motor shaft, by the dc
motor.
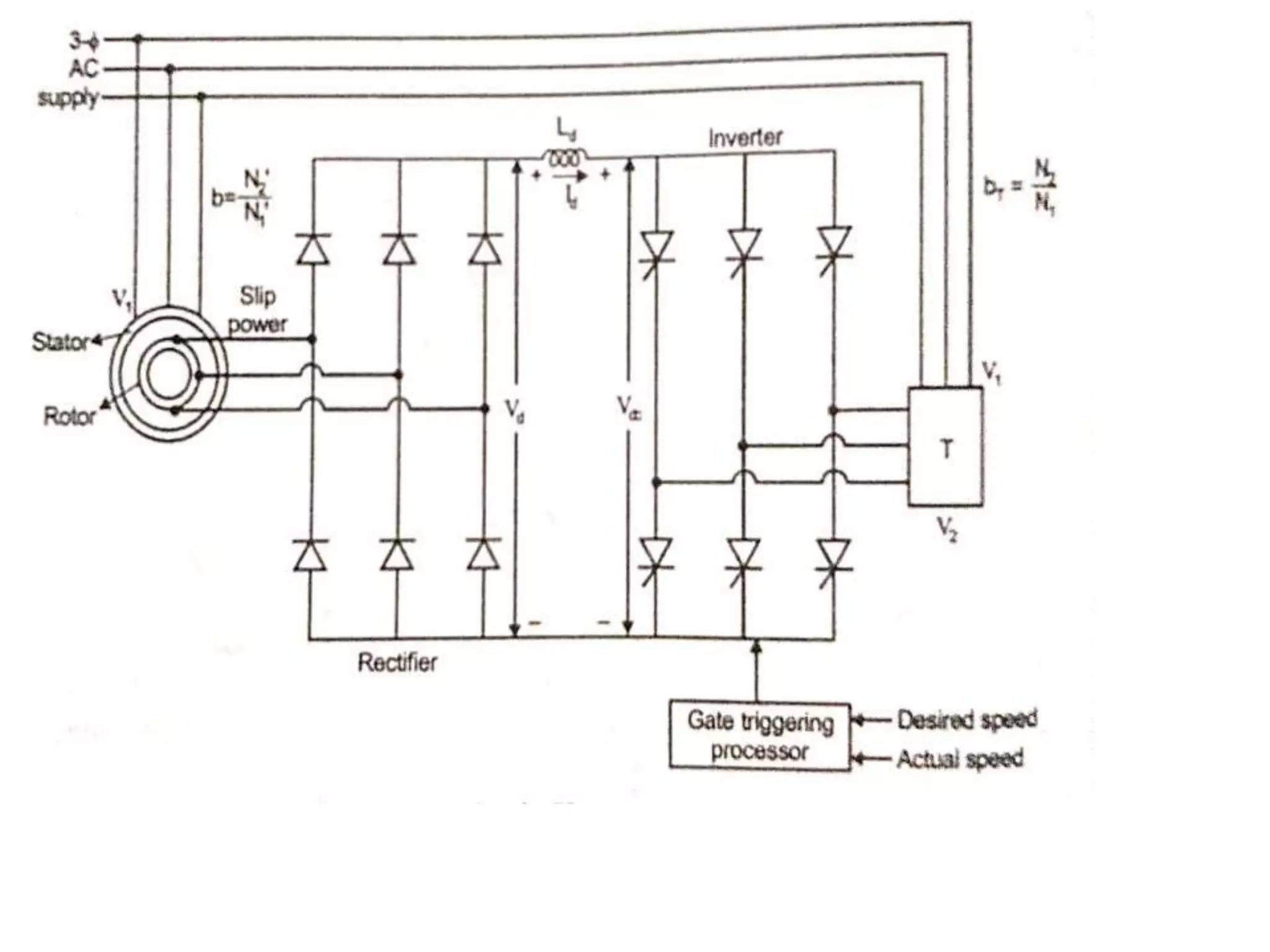
Static Kramer System:
• In rotor resistance control method the slip power is wasted in
the rotor circuit resistance. Instead of wasting the slip power
in the rotor circuit resistance, it can be converted to 50 Hz ac
and pumped back to the line. Here, the slip power can flow
only in one direction. This method of drive is called static
Kramer drive.. The static Kramer drive offers speed control
only for sub-synchronous speed. i.e. speed can be control
only less than the synchronous speed is possible.
• The slip power is taken from the rotor and it is rectified to dc
voltage by
• 3-phase diode bridge rectifier. Inductor Ld smoothens the
ripples in the rectified voltage Vd. This dc power is converted
into ac power by using line – commutated inverter. The
rectifier and inverter are both line commutated by alternating
emf appearing at the slip rings and supply bus bars
respectively. Here, the slip power flows from rotor circuit to
supply, this method is also, called as constant - torque drive.
Conventional Scherbius System
• Here the rotary converter converts slip power into
dc power and the dc power fed to the dc motor.
• The dc motor is coupled with induction generator.
• The induction generator converters the mechanical
power into electrical power and return it to the
supply line.
• The SRIM speed can be controlled by varying the
field regular of the dc motor.
Static Scherbius system
Sub-Synchronous speed operation
• In sub-synchronous speed – control of SRIM, slip
power is removed from the rotor circuit and is
pumped back into the ac supply.
• ln the Scherbius system, when the machine is
operated at subsynchronous speed, phase
controlled bridge l operates in the rectifier mode
and bridge 2 operates in the inverter mode.
• bridge l has firing angle less than 90° whereas
bridge 2 has firing angle more than 90°. The slip
power Flows from rotor circuit to bridge l, bridge 2,
transformer and returned to the supply.
Super Synchronous Speed operation
• In super synchronous speed operation, the additional
power is fed into the rotor circuit at slip frequency.
• Figure shows super synchronous speed operation of a
DC link static Scherbius system.
• In the Scherbius system, when the machine is operated
at super synchronous speed, phase controlled bridge 2
should operate in rectifier mode and bridge l in inverter
mode.
• In other words, the bridge 2 has firing angle less than
90° whereas bridge l has tiring angle more than 90°.
The slip power flows from the supply to transformer,
bridge 2 (rectifier), bridge l (line commutated inverter)
and to the rotor circuit.
A 4-pole induction motor and a 6-pole induction
motor are connected in cumulative cascade. The
frequency in the secondary circuit of the 6-pole motor
is observed to be 1Hz. Determine the slip in each
machine and the combined speed of the set. Take
supply frequency as 50Hz.
The rotor of a 6-pole SRIM has a resistance of 0.3Ω
per phase and runs at 950 RPM at full load. Calculate
the approximate value of the external resistance to be
inserted in the rotor circuit so as to bring down the
speed to 750RPM at full load.
Determine the ratio of starting current to full-load
current and starting torque to full-load torque for a
small 3-phase squirrel cage induction motor having
short-circuit current 5 times the full-load current. The
motor is started with a stator resistance starter which
reduces the impressed voltage to 70% of rated value.
The full-load slip of the motor is 4%.
Determine the starting torque of a 3-phase induction
motor in terms of full load torque when started
by means of:
(i) Star delta starter; and
(ii) An auto-transformer starter with 50% tapings.
The motor draws a starting current of 5 times the full
load current when started direct on line.
The full load slip is 4 percent.
Find the suitable tapping on an auto-transformer starter for
an induction motor required to start the motor with 36% of
full load torque. The short circuit current of the motor is 5
times the full load current and the full load slip is 4%.
Determine also the starting current in the supply mains as a
percentage of full load current.
Braking of IMs
• Regenerative braking of induction motor
• Plugging Braking of induction motor
• Dynamic braking of induction motor is further
categorized as,
1. AC dynamic breaking
2. Self excited braking using capacitors
3. DC dynamic braking
4. Zero Sequence braking
Regenerative Braking of Induction Motor
The power (input) of an induction motor is given as.
Pin = 3VIscosφs
• Here, φs the phase angle between stator phase
voltage V and the stator phase current Is.
• For motoring operation φs<90o and for braking
operation φs>90o.
• When the speed of the motor is more than the
synchronous speed, relative speed between the
motor conductors and air gap rotating field
reverses, as a result the phase angle because
greater than 90o and the power flow reverse and
thus regenerative braking takes place.
It the source frequency is fixed then the regenerative
braking of induction motor can only take place if the
speed of the motor is greater than synchronous
speed, but with a variable frequency source
regenerative braking of induction motor can occur for
speeds lower than synchronous speed.
Advantage of this kind of braking can be said that the
generated power is use fully employed
Disadvantage of this type of braking is that for fixed
frequency sources, braking cannot happen below
synchronous speeds
Plugging Braking of Induction Motor
Plugging induction motor braking is done by
reversing the phase sequence of the motor.
Plugging braking of induction motor is done by
interchanging connections of any two phases of stator
with respect of supply terminals with that the
operation of motoring shifts to plugging braking.
During plugging the slip is (2 – s), if the original slip of
the running motor is s, then it can be shown in the
following way.
From the figure beside we can see that the torque is
not zero at zero speed. That’s why when the motor is
needed to be stopped, it should be disconnected from
the supply at near zero speed.
The motor is connected to rotate in the reverse
direction and the torque is not zero at zero or any
other speed, and as a result the motor first
decelerates to zero and then smoothly accelerates in
the opposite direction.
AC Dynamic Braking
This type of induction motor braking is obtained when the
motor is made to run on a single phase supply by disconnecting
any one of the three phase from the source, and it is either left
open or it is connected with another phase.
When the disconnected phase is left open, it is called two lead
connection and when the disconnected phase is connected to
another machine phase it is known as three load connection.
The braking operation can be understood easily. When the
motor is running on 1-phase supply, the motor is fed by positive
and negative sequence, net torque produced by the machine at
that point of time is sum of torques due to positive and negative
sequence voltage.
At high resistance the net torque is found to be negative and
braking occurs. From the figure below the two and three load
connections can be understood.
DC Dynamic Braking
To obtain this type of braking the stator of a running
induction motor is connected to a DC supply. Two and
three load connections are the two common type of
connections for star and delta connected stators.
Now coming to the method of operation, the
moment when AC supply is disconnected and DC
supply is introduced across the terminals of the
induction motor, there is a stationery magnetic field
generated due to the DC current flow and as the rotor
of the motor rotates in that field, there is a field
induces in the rotor winding, and as a result the
machine works as a generator and the generated
energy dissipates in the rotor circuit resistance and
dynamic braking of induction motor occurs.
STARTING AND SPEED CONTROL OF THREE PHASE INDUCTION MOTOR

STARTING AND SPEED CONTROL OF THREE PHASE INDUCTION MOTOR

  • 1.
    UNIT – IV STARTINGAND SPEED CONTROL OF THREE PHASE INDUCTION MOTOR Circle diagram – Separation of no load losses – Need for starters – Types of starters: Stator resistance, Rotor resistance, Autotransformer, Star-delta starters and DOL starters – Soft starters – Speed control by varying voltage, frequency, poles and rotor resistance – Slip power recovery scheme.
  • 2.
    CIRCLE DIAGRAM • TheIM performance can be analysed by a graphical method. • This method is based on the approximated equivalent circuit of three phase IM Construction of Circle Diagram No load and Blocked rotor test are used to construct. From no load test, I0 and φ0 & Isc and φsc are taken for drawing. The Isc or Ib must be converted to rated phase voltage.
  • 3.
    Step 1: • Takeapplied voltage V1 as the reference phasor Step 2: • With proper current scale draw I0 at φ0 (line OA) with reference V1. Current scale should be suitably chosen. cosΦ𝟎 = 𝑾𝟎 𝟑 × 𝑽𝟎×𝑰𝟎 Step 3: • Draw Ib or Isc at φb or φsc (line OB) with reference to V1. cos𝜱𝒃 = 𝑾𝒃 𝟑 × 𝑽𝒃 ×𝑰𝒃 Step 4: • Join AB, Which represents the output line of the motor. Step 5: • Draw horizontal line AF • erect perpendicular bisector on the output line to meet the line AF at point O’ • Then O’ as the centre and AO’ as the radius draw semicircle ABF.
  • 4.
    Step 6: Draw avertical line from B, to meet AF at point D. Short circuit current with normal voltage applied, 𝐼𝑏𝑛 = 𝑉𝐿 𝑉𝑏 × 𝐼𝑏 Power Drawn at normal voltage, 𝑊𝑏𝑛 = 𝑉𝐿 𝑉𝑏 2 × 𝑊𝑏 Divide line BD in the ratio of rotor copper losses to stator copper losses at the point E. 𝐵𝐸 𝐷𝐸 = 𝑅𝑜𝑡𝑜𝑟 𝑐𝑜𝑝𝑝𝑒𝑟 𝑙𝑜𝑠𝑠𝑒𝑠 𝑆𝑡𝑎𝑡𝑜𝑟 𝑐𝑜𝑝𝑝𝑒𝑟 𝑙𝑜𝑠𝑠𝑒𝑠 AE represents torque line.
  • 5.
    Power Scale = 𝑊𝑛 𝑙(𝐵𝐸) Locationof Point E: In SRIM 𝐴𝐸 𝐸𝐷 = 𝑅𝑜𝑡𝑜𝑟 𝑐𝑜𝑝𝑝𝑒𝑟 𝑙𝑜𝑠𝑠 𝑆𝑡𝑎𝑡𝑜𝑟 𝑐𝑜𝑝𝑝𝑒𝑟 𝑙𝑜𝑠𝑠 = 𝐼2 2 𝐼1 2 𝑅2 𝑅1
  • 6.
  • 12.
  • 16.
  • 20.
    O V 78.4° C 66.1° B OA = 1cm Φ𝟎=78.435° OB= 11.25cm Φ𝒃 = 𝟔𝟔. 𝟏° AB = 10.2cm X A D B’ Rotor Cu loss Stator Cu loss 𝝋𝟏 P Q R S T
  • 24.
    Direct on Line(D.O.L.) Starter
  • 25.
    • A DOLstarter essentially consists of a contactor having four normally open (N.O.) contacts and a contactor coil also known as no-volt coil or no volt release. • There are two push buttons ON and OFF which are used to start and stop the motor. To protect motor against overload, thermal or magnetic over-load coils are connected in each phase. • To start the motor, the ON push button (green) is pressed which energies the no-volt coil by connecting it across two phases. The no-volt coil pulls its plunger in such a direction that all the normally open (NO) contacts are closed and motor is connected across supply through three contacts. • The fourth contact serves as a hold on contact which keeps the no-volt coil circuit closed even after the ON push button is released. • To stop the motor, OFF push button (red) is pressed momentarily which de-energises the no volt coil opening the main contacts.
  • 26.
    When the motoris over loaded, the thermal overload relay contact, connected in the control circuit opens thus disconnecting the No-volt relay from the supply. Overload protection is achieved by thermal element overload relay. Torque developed by the motor when started by direct on line starter: • Power developed in the rotor or rotor input = ωT • Rotor copper loss = S×rotor input • Rotor copper loss = 𝐼2 2 𝑅2 s ωT = 𝐼2 2 𝑅2 T = 𝐼2 2𝑅2 s ω T ∞ 𝐼2 2 𝑆 Stator current is proportional to rotor current,
  • 27.
    At start s= 1, Starting torque 𝑇𝑠𝑡 = 𝑘𝐼𝑠𝑡 2 Full load torque, 𝑇𝑓𝑙 = 𝑘 𝐼𝑓𝑙 2 𝑆𝑓𝑙 𝑇𝑠𝑡 𝑓𝑙 = 𝑘𝐼𝑠𝑡 2 𝑘 𝐼𝑓𝑙 2 𝑆𝑓𝑙 = 𝐼𝑠𝑡 𝐼𝑓𝑙 2 × 𝑆𝑓𝑙 𝑇𝑠𝑡 = 𝑇𝑓𝑙 𝐼𝑠𝑡 𝐼𝑓𝑙 2 × 𝑆𝑓𝑙 T ∞ 𝐼1 2 𝑆 T = 𝑘 𝐼1 2 𝑆
  • 28.
    • When motoris connected to the mains by direct on line starter, the starting current of the motor will be equal to the short-circuit current 𝐼𝑆𝐶. 𝑇𝑠𝑡 = 𝑇𝑓𝑙 𝐼𝑠𝑐 𝐼𝑓𝑙 2 × 𝑆𝑓𝑙
  • 29.
    Stator Resistance (orReactance) Starter
  • 30.
    • Very lowvoltage is supplied to each phase of the winding at the start by inserting more resistance (or inductance) in series with the winding. • As the motor picks-up the speed, the resistance (or inductance) is taken out of circuit. Let the voltage applied across each phase be reduced to a fraction of x Voltage applied across each phase at start = xV Starting current, 𝐼𝑠𝑡= x 𝐼𝑆𝐶 the current is reduced to fraction x.
  • 31.
    Merits (i) Smooth accelerationsince the resistance (or inductance) is reduced gradually. (ii) Simple and less expansive (iii) Higher pf during starting
  • 32.
    Demerits i. Current isreduced by a fraction of x but the torque is reduced to fraction 𝑋2 , hence starting torque is poor. ii. More energy loss in the resistors, therefore, inductors are preferred. But still loss is more. iii. Starting duration is comparatively more. This method of starting is used very rarely.
  • 33.
    Star-Delta Starter • Thismethod is based upon the principle that in star connections, voltage across each winding is phase voltage i.e., 1/ 3 times the line voltage, whereas the same winding when connected in delta will have full line voltage across it. • So at start, connections of the motor are made in star fashion so that reduced voltage is applied across each winding. • After the motor attains speed the same windings through a change-over switch, are connected in delta across the same supply. • The starter is provided with overload and under voltage protection devices also. Moreover, the starter is also provided with a mechanical inter-locking which prevents the handle to put in run position
  • 36.
    • Since atstart stator windings are connected in star connection, so voltage across each phase winding is reduced to 1/ 3 of line voltage, therefore, starting current/phase becomes equal to • Isc/ 3 = Starting line current • Starting line current by direct switching with stator winding connected in delta = 3 Isc • Line current with star delta starter Line current with direct switching = 𝐼𝑆𝐶 3 3 Isc = 1 3
  • 37.
    Torque developed bymotor when started by star- delta starter • Starting torque, 𝑇𝑠𝑡 = 𝑇𝑓𝑙 𝐼𝑠𝑡 𝐼𝑓𝑙 2 × 𝑆𝑓𝑙 = 𝑇𝑓𝑙 𝐼𝑠𝑡 3 𝐼𝑓𝑙 2 × 𝑆𝑓𝑙 = 1 3 𝑇𝑓𝑙 𝐼𝑠𝑡 𝐼𝑓𝑙 2 × 𝑆𝑓𝑙 Starting torque = 1 3 torque developed by direct switching.
  • 38.
    Merits • It isa simple, cheap, effective and most efficient method of starting of squirrel cage induction motors. • It is the most suitable method of starting for high inertia and long acceleration loads. Demerits • All the six terminals of the stator winding are to be brought out to starter through six leads and the motor has to be operated in delta. • The starting current can only be limited to 1/3rd of the short circuit current. • Starting torque developed by the motor is reduced to 1/3rd which is very low to pick the load. • Accordingly, such starters are employed with the squirrel cage induction motors having capacity 4 kW to 20 kW.
  • 39.
    Auto-transformer Starter • Inthis method, the voltage applied across the motor and hence current can be reduced to a very low value at the time of start. • At the time of start, the motor is connected to supply through auto-transformer by a 6 pole double throw switch. • When the motor is accelerated to about full speed, the operating handle is moved to run position. By this, motor is directly connected to the line. • Although this type of starter is expensive but is most suitable for both the star-connected and delta-connected induction motors. It is most suitable for starting of large motor.
  • 41.
    To limit theinitial rush of current to low values auto- transformer starters are employed. With the help of auto- transformer starters, we can limit the starting current to any predetermined value, • Let the motor be started by an auto transformer having transformation ratio K. • If 𝐼𝑆𝐶is the starting current when normal voltage is applied. • Applied voltage to stator at start = KV • Then motor input current 𝐼𝑆𝑡 = K 𝐼𝑆𝐶 • Supply current = Primary current of Auto transformer = K . Secondary current of Auto-transformer = KK 𝐼𝑆𝐶 = 𝐾2 𝐼𝑆𝐶
  • 42.
    If 20% (i.e.,one-fifth) voltage is applied to the motor through auto-transformer starter, the current drawn from the mains is reduced to 1 5 2 i.e., 1/25th times. Torque developed by motor when started by an auto- transformer starter, • Starting torque, 𝑇𝑠𝑡 = 𝑇𝑓𝑙 𝐼𝑠𝑡 𝐼𝑓𝑙 2 × 𝑆𝑓𝑙 = 𝑇𝑓𝑙 𝑘𝐼𝑆𝐶 𝐼𝑓𝑙 2 × 𝑆𝑓𝑙 = 𝑘2 𝑇𝑓𝑙 𝐼𝑠𝑡 𝐼𝑓𝑙 2 × 𝑆𝑓𝑙 Starting torque = 𝑘2 torque developed by direct switching
  • 43.
    Rotor Resistance Starterfor Slip Ring Induction Motors • To start a slip ring induction motor, a 3-phase rheostat is connected in series with the rotor circuit through brushes This is called rotor rheostat starter. • This is made of three separate variable resistors joined together by means of a 3-phase armed handle which forms a star point. • By moving the handle equal resistance in each phase can be introduced.
  • 45.
    At start, wholeof the rheostat resistance is inserted in the rotor circuit and the rotor current is reduced to 𝐼2𝑠 = 𝐸2𝑠 𝑅2 + 𝑅𝑠 2 + 𝑋2𝑠 2 • Correspondingly it reduces the current drawn by the motor from the mains at start. • When the motor picks up speed the external resistance is reduced gradually and ultimately whole of the resistance is taken out of circuit and slip rings are short-circuited.
  • 46.
    By inserting externalresistance in the rotor circuit, not only the starting current is reduced but at the same time starting torque is increased due to improvement in power factor: At starts: Power factor without starter, cosΦ𝑠 = 𝑅2 𝑅2 2+ 𝑋2𝑠 2 Power factor with starter, cosΦ𝑠 ′ = 𝑅2+ 𝑅𝑠 𝑅2+ 𝑅𝑠 2+ 𝑋2𝑠 2 cosΦ𝑠 ′ >>cosΦ𝑠
  • 47.
    Speed Control ofInduction Motors The speed of an induction motor is given by the relation, N = 𝑁𝑠 1 − 𝑆 = 120𝑓 𝑃 1 − 𝑆 • The speed of an induction motor depends upon frequency, slip and number of poles for which the motor is wound. • It also depends upon the supply voltage. • Thus, the speed of an induction motor can be controlled by changing or controlling any one of these quantities.
  • 48.
    Speed Control byChanging the Slip • The speed of an induction motor can be changed by changing its slip, and the slip can be changed (1) by changing the rotor circuit resistance (2) by changing the supply voltage and (3) by injecting voltage in the rotor circuit. There are two methods: 1. Stator side control a. Stator voltage control b. Stator frequency control c. V/F control d. Pole changing method 2. Rotor side control 1. Cascaded control 2. Adding external circuit in rotor 3. Slip power recovery scheme
  • 49.
    Speed Control byControlling the Supply Voltage • Slip or speed of a motor can be changed by controlling the voltage fed to the motor. • The torque developed by the motor is directly proportional to the square of the supply voltage (T 𝛼𝑉2 ). If the supply voltage is decreased, the torque developed by the motor decreases rapidly and to pick-up the load slip increases or speed decreases. • At rated voltage and given load, the speed of the motor is N1. If the supply voltage is reduced (say to 90%), the speed of the motor decreases to N2 to pick-up the given load.
  • 50.
    This method isnever used for the speed control of three- phase large induction motors because the voltage control devices are very costly and bulky. However, this method is usually employed with single- phase induction motors e.g., ceiling fans, etc.
  • 51.
    Speed Control byChanging the Supply Frequency • The frequency of the power supply is constant, therefore, to control the speed of an induction motor by this method, the induction motor is connected to the alternator operating independently. • To control the speed, the frequency of the alternator is changed. • It has made it possible to control the speed of induction motor by controlling the supply frequency fed to the motor. • By this method 5 to 10% of rated speed of induction motors can be controlled. However, if the speed is to be controlled beyond this value, the motor design has to be changed accordingly. • Further, If the speed of the motor is changed by changing the frequency, to keep the flux level constant in the stator core, supply voltage is also changed so that v/f is kept constant.
  • 52.
    Below rated frequencyat constant voltage: • Air gap flux increases and magnetic core gets saturated.(𝑓𝛼 1 𝜑 ) (𝑁 𝛼 1 𝜑 ) • Draws more magnetizing current • Losses are increased and noise is produced • Low efficiency Above rated frequency at constant voltage: Air gap flux decrease. Flux and torque decreases. • No load speed decreases • Maximum torque decreases • Starting torque reduces • Starting current decreases
  • 53.
  • 54.
    Speed Control byChanging the Poles • By means of suitable switch, the stator winding connections can be changed in such a manner that the number of stator poles is changed. • This changes the actual speed of motor since actual speed of the motor is approximately inversely proportional to the number of poles. • By suitable connections one winding can give two different speeds. • Suppose there are four coils per phase. If these are connected in such a way that they carry • current in same direction then it will form eight poles altogether • If the connections are such that the alternate coils carry current in opposite directions, we get four poles altogether
  • 56.
    • If morethan two speeds are required. Two separate windings are housed in same slots and if each is arranged to give two speeds then two windings can give four different speeds. • In squirrel cage motors, the rotor poles are adjusted automatically. • However, in wound type motors, care has to be taken to change the rotor poles accordingly. Moreover, due to flux distribution, the pf of the motor is also affected by changing the number of poles to obtain different speeds. • If the speed is decreased by increasing the number of poles the power factor of the motor decreases.
  • 57.
    Speed Control byChanging the Rotor Circuit Resistance • In the wound type motor the slip may be changed by introducing resistance in the rotor circuit and hence speed is changed. Torque developed in an induction motor is given by the expression: 𝑇 = 3 ω𝑠 𝐸2𝑠 2 𝑅2 𝑠 𝑅2 𝑠 2 + 𝑋2𝑠 2 • The torque will remain constant if 𝑅2 𝑠 is constant. For a given torque, the slip at which a motor works is proportional to the rotor resistance.
  • 58.
    When an externalresistance is added in the rotor circuit, speed decreases for the same torque T, so that ratio 𝑅2 𝑠 remains constant.
  • 59.
    The disadvantages ofthis method of speed control are: (i) Poor efficiency (ii) Poor speed regulation
  • 60.
    Speed Control byCascade Method • A method of speed control of induction motor involving two or more motors is known as cascade method of speed control. • The two machines are mechanically coupled with each other, one of them must be a slip ring induction motor. • Mostly both slip ring motors are used having transformation ratio equal to unity. • In this case supply is connected to the stator of one of the induction motor and the induced emf of the rotor from slip rings is fed to the stator or rotor of the second induction motor
  • 63.
    • If P1and P2 are the number of poles of the two machines and f is the supply frequency, then the set can give the following different speeds: (i) When machine I works alone: The synchronous speed = 120𝑓 𝑃1 (ii) When machine II works alone; The synchronous speed = 120𝑓 𝑃2 (iii) When machine I and II are connected in cumulative cascade i.e., the torque of the two motors are in same direction; The synchronous speed of the set = 120𝑓 𝑃1+ 𝑃2
  • 64.
    (iv) When machineI and II are connected in differential cascade i.e., the torque of the motors are in opposite direction; The synchronous speed of the set = 120𝑓 𝑃1− 𝑃2 To prove the above relations, proceed as follows: • Let, f be the supply frequency and P1 and P2 be the number of poles of machine I and II respectively, The synchronous speed Machine I, 𝑁𝑠1= 120𝑓 𝑃1 Speed of the motor with slip 𝑆1, 𝑁1 =𝑁𝑠1(1- 𝑆1) = 120𝑓 𝑃1 (1- 𝑆1)
  • 65.
    Frequency of theemf induced in the rotor of motor-1 fed to the motor-2, 𝑓2 =𝑆1 × 𝑓 Synchronous speed of motor-2, 𝑁𝑠2= 120𝑓2 𝑃2 = 120𝑆1×𝑓 𝑃2 Speed of motor-2 with slip 𝑆2, 𝑁2= 120𝑆1×𝑓 𝑃2 (1− 𝑆2) Since the two motors are mechanically coupled with each other 𝑁1 must be equal to 𝑁2. Equating two speeds, 120𝑓 𝑃1 (1- 𝑆1) = 120𝑆1×𝑓 𝑃2 (1− 𝑆2) 1− 𝑆1 𝑃1 = 𝑆1 𝑃2 (1− 𝑆2) 1− 𝑆1 𝑃1 = 𝑆1 − 𝑆1𝑆2 𝑃2
  • 66.
    𝑠1𝑠2 being verysmall, 1− 𝑆1 𝑃1 = 𝑆1 𝑃2 1− 𝑆1 𝑠1 = 𝑃1 𝑃2 1 𝑆1 - 1 = 𝑃1 𝑃2 1 𝑆1 = 𝑃1 𝑃2 + 1 = 𝑃1 +𝑃2 𝑃2 𝑆1 = 𝑃2 𝑃1 +𝑃2 Thus cascaded connection, 120𝑓 𝑃1 (1- 𝑆1)
  • 67.
    = 120𝑓 𝑃1 (1- 𝑆1) = 120𝑓 𝑃1 (1- 𝑃2 𝑃1 +𝑃2 ) N = 120𝑓 𝑃1+ 𝑃2 Disadvantages: 1. Requires two motors 2. More expensive 3. Wide range of speed control 4. Cannot be operate when 𝑃1 = 𝑃2 or 𝑃1 < 𝑃2 .
  • 68.
    Speed Control byInjecting Voltage in the Rotor Circuit • The speed of an induction motor can also be controlled by injecting a voltage at slip frequency directly into the rotor circuit. • First of all, this method was introduced by K.H. Schrage of Sweden and the motor in which this method is employed is called Schrage motor. • If the injected emf has a component directly opposite to the rotor induced emf, the motor speed decreases. • On the other hand, if the injected emf has a component in phase with the rotor induced emf the motor speed increases and may rises beyond the synchronous speed.
  • 69.
    Types of SlipPower Recovery Scheme 1. Kramer system(Sub synchronous speed) 2. Scherbius system(Sub and super synchronous speed) Further divided into 1. Conventional method 2. Static method
  • 70.
  • 71.
    • The systemconsists of a three phase rotary converter and a dc motor. • The slip power is converted into dc power by a rotary converter and fed to the armature of a dc motor. • The slip ring induction motor is coupled to the dc motor. The slip rings are connected to the rotary converter • The dc output of rotary converter is used to drive a dc motor. The rotary converter and dc bus bars or from an exciter. • The speed of slip ring induction motor is adjusted by adjusting the speed of dc motor with the help of a field regulator. • This system is also called the electromechanical cascade, because the slip frequency power is returned as mechanical power to the slip ring induction motor shaft, by the dc motor.
  • 73.
    Static Kramer System: •In rotor resistance control method the slip power is wasted in the rotor circuit resistance. Instead of wasting the slip power in the rotor circuit resistance, it can be converted to 50 Hz ac and pumped back to the line. Here, the slip power can flow only in one direction. This method of drive is called static Kramer drive.. The static Kramer drive offers speed control only for sub-synchronous speed. i.e. speed can be control only less than the synchronous speed is possible. • The slip power is taken from the rotor and it is rectified to dc voltage by • 3-phase diode bridge rectifier. Inductor Ld smoothens the ripples in the rectified voltage Vd. This dc power is converted into ac power by using line – commutated inverter. The rectifier and inverter are both line commutated by alternating emf appearing at the slip rings and supply bus bars respectively. Here, the slip power flows from rotor circuit to supply, this method is also, called as constant - torque drive.
  • 75.
  • 76.
    • Here therotary converter converts slip power into dc power and the dc power fed to the dc motor. • The dc motor is coupled with induction generator. • The induction generator converters the mechanical power into electrical power and return it to the supply line. • The SRIM speed can be controlled by varying the field regular of the dc motor.
  • 77.
  • 78.
    Sub-Synchronous speed operation •In sub-synchronous speed – control of SRIM, slip power is removed from the rotor circuit and is pumped back into the ac supply. • ln the Scherbius system, when the machine is operated at subsynchronous speed, phase controlled bridge l operates in the rectifier mode and bridge 2 operates in the inverter mode. • bridge l has firing angle less than 90° whereas bridge 2 has firing angle more than 90°. The slip power Flows from rotor circuit to bridge l, bridge 2, transformer and returned to the supply.
  • 79.
    Super Synchronous Speedoperation • In super synchronous speed operation, the additional power is fed into the rotor circuit at slip frequency. • Figure shows super synchronous speed operation of a DC link static Scherbius system. • In the Scherbius system, when the machine is operated at super synchronous speed, phase controlled bridge 2 should operate in rectifier mode and bridge l in inverter mode. • In other words, the bridge 2 has firing angle less than 90° whereas bridge l has tiring angle more than 90°. The slip power flows from the supply to transformer, bridge 2 (rectifier), bridge l (line commutated inverter) and to the rotor circuit.
  • 80.
    A 4-pole inductionmotor and a 6-pole induction motor are connected in cumulative cascade. The frequency in the secondary circuit of the 6-pole motor is observed to be 1Hz. Determine the slip in each machine and the combined speed of the set. Take supply frequency as 50Hz.
  • 81.
    The rotor ofa 6-pole SRIM has a resistance of 0.3Ω per phase and runs at 950 RPM at full load. Calculate the approximate value of the external resistance to be inserted in the rotor circuit so as to bring down the speed to 750RPM at full load.
  • 82.
    Determine the ratioof starting current to full-load current and starting torque to full-load torque for a small 3-phase squirrel cage induction motor having short-circuit current 5 times the full-load current. The motor is started with a stator resistance starter which reduces the impressed voltage to 70% of rated value. The full-load slip of the motor is 4%.
  • 83.
    Determine the startingtorque of a 3-phase induction motor in terms of full load torque when started by means of: (i) Star delta starter; and (ii) An auto-transformer starter with 50% tapings. The motor draws a starting current of 5 times the full load current when started direct on line. The full load slip is 4 percent.
  • 84.
    Find the suitabletapping on an auto-transformer starter for an induction motor required to start the motor with 36% of full load torque. The short circuit current of the motor is 5 times the full load current and the full load slip is 4%. Determine also the starting current in the supply mains as a percentage of full load current.
  • 85.
    Braking of IMs •Regenerative braking of induction motor • Plugging Braking of induction motor • Dynamic braking of induction motor is further categorized as, 1. AC dynamic breaking 2. Self excited braking using capacitors 3. DC dynamic braking 4. Zero Sequence braking
  • 86.
    Regenerative Braking ofInduction Motor The power (input) of an induction motor is given as. Pin = 3VIscosφs • Here, φs the phase angle between stator phase voltage V and the stator phase current Is. • For motoring operation φs<90o and for braking operation φs>90o. • When the speed of the motor is more than the synchronous speed, relative speed between the motor conductors and air gap rotating field reverses, as a result the phase angle because greater than 90o and the power flow reverse and thus regenerative braking takes place.
  • 87.
    It the sourcefrequency is fixed then the regenerative braking of induction motor can only take place if the speed of the motor is greater than synchronous speed, but with a variable frequency source regenerative braking of induction motor can occur for speeds lower than synchronous speed. Advantage of this kind of braking can be said that the generated power is use fully employed Disadvantage of this type of braking is that for fixed frequency sources, braking cannot happen below synchronous speeds
  • 89.
    Plugging Braking ofInduction Motor Plugging induction motor braking is done by reversing the phase sequence of the motor. Plugging braking of induction motor is done by interchanging connections of any two phases of stator with respect of supply terminals with that the operation of motoring shifts to plugging braking. During plugging the slip is (2 – s), if the original slip of the running motor is s, then it can be shown in the following way.
  • 91.
    From the figurebeside we can see that the torque is not zero at zero speed. That’s why when the motor is needed to be stopped, it should be disconnected from the supply at near zero speed. The motor is connected to rotate in the reverse direction and the torque is not zero at zero or any other speed, and as a result the motor first decelerates to zero and then smoothly accelerates in the opposite direction.
  • 92.
    AC Dynamic Braking Thistype of induction motor braking is obtained when the motor is made to run on a single phase supply by disconnecting any one of the three phase from the source, and it is either left open or it is connected with another phase. When the disconnected phase is left open, it is called two lead connection and when the disconnected phase is connected to another machine phase it is known as three load connection. The braking operation can be understood easily. When the motor is running on 1-phase supply, the motor is fed by positive and negative sequence, net torque produced by the machine at that point of time is sum of torques due to positive and negative sequence voltage. At high resistance the net torque is found to be negative and braking occurs. From the figure below the two and three load connections can be understood.
  • 94.
    DC Dynamic Braking Toobtain this type of braking the stator of a running induction motor is connected to a DC supply. Two and three load connections are the two common type of connections for star and delta connected stators.
  • 95.
    Now coming tothe method of operation, the moment when AC supply is disconnected and DC supply is introduced across the terminals of the induction motor, there is a stationery magnetic field generated due to the DC current flow and as the rotor of the motor rotates in that field, there is a field induces in the rotor winding, and as a result the machine works as a generator and the generated energy dissipates in the rotor circuit resistance and dynamic braking of induction motor occurs.