By: 
Name: Pooja Dubey 
Course: EEE 
Roll No:120104026
Short Circuit 
Open Circuit 
Transformer 
Short Circuit Test 
Open Circuit Test 
Conclusion 
Source
A short circuit is an electrical circuit that allows a current to 
travel along an unintended path, often where essentially no 
(or a very low) electrical impedance is encountered. 
In circuit analysis a short circuit is a connection between two 
nodes that forces them to be at the same voltage. 
In an ideal short circuit, this means there is no resistance and 
no voltage drop across the short. 
In real circuits, the result is a connection with almost no 
resistance. In such a case, the current that flows is limited by 
the rest of the circuit.
An electrical circuit is an "open circuit" if it lacks a complete 
path between the terminals of its power source; in other words, 
if no true "circuit" currently exists, because for instance a 
power switch is turned off. 
The electrical opposite of a short circuit is an "open circuit", 
which is an infinite resistance between two nodes. 
The open circuit test, or "no-load test", is one of the methods 
used in electrical engineering to determine the no load 
impedance in the excitation branch of a transformer. 
.
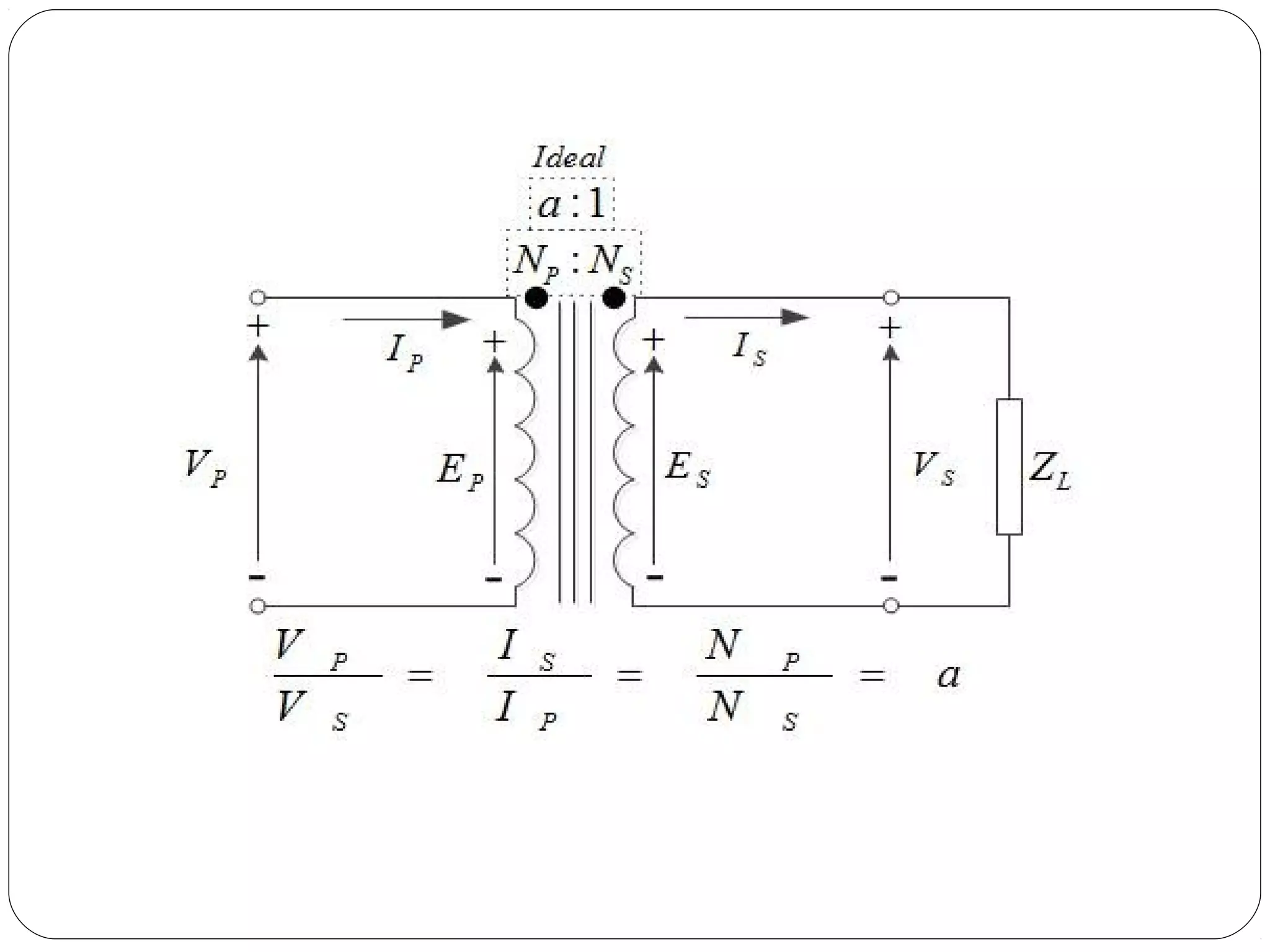
A transformer is a static electrical device that transfers energy by 
inductive coupling between its winding circuits. 
A varying current in the primary winding creates a varying magnetic flux 
in the transformer's core and thus a varying magnetic flux through the 
secondary winding. This varying magnetic flux induces a varying 
electromotive force (emf) or voltage in the secondary winding. 
In electrical engineering, two conductors are referred to as mutual-inductively 
coupled or magnetically coupled when they are configured 
such that change in current flow through one wire induces a voltage 
across the ends of the other wire through electromagnetic induction. The 
amount of inductive coupling between two conductors is measured by 
their mutual inductance.
These two tests are performed on a transformer to determine:- 
(i) equivalent circuit of transformer 
(ii) voltage regulation of transformer 
(iii) efficiency of transformer. 
The power required for these Open Circuit test and Short 
Circuit test on transformer is equal to the power loss occurring 
in the transformer.
A voltmeter, wattmeter, and an ammeter are connected in LV side of 
the transformer as shown in the figure below. 
The voltage at rated frequency is applied to that LV side with the help 
of a variac of variable ratio auto transformer. 
The HV side of the transformer is kept open. Now with help of variac 
applied voltage is slowly increase until the voltmeter gives reading 
equal to the rated voltage of the LV side. 
After reaching at rated LV side voltage, all three instruments reading 
(Voltmeter, Ammeter and Wattmeter readings) are recorded.
The ammeter reading gives the no load current Ie. 
As no load current Ie is quite small compared to rated current of the 
transformer, the voltage drops due to this electric current then can 
be taken as negligible. 
Since, voltmeter reading V can be considered equal to secondary 
induced voltage of the transformer. The input power during test is 
indicated by watt-meter reading. 
As the transformer is open circuited, there is no output hence the 
input power here consists of core losses in transformer and copper 
loss in transformer during no load condition. 
The no load current in the transformer is quite small compared to 
full load current so copper loss due to the small no load current can 
be neglected. 
Hence the wattmeter reading can be taken as equal to core losses in 
transformer.
Let us consider wattmeter reading is Po.
These values are referred to the LV side of transformer as 
because the test is conduced on LV side of transformer. 
These values could easily be referred to HV side by 
multiplying these values with square of transformation ratio. 
Therefore it is seen that the open circuit test on transformer 
is used to determine core losses in transformer and 
parameters of shunt branch of the equivalent circuit of 
transformer.
Open circuit Power Factor 
PF = cos q = P 
oc 
V I 
oc oc 
Open circuit Power Factor Angle 
q = cos-1 P 
oc 
V I 
oc oc
A voltmeter, wattmeter, and an ammeter are connected in HV 
side of the transformer as shown in figure. 
The voltage at rated frequency is applied to that HV side with 
the help of a variac of variable ratio auto transformer.
The LV side of the transformer is short circuited . Now with 
help of variac applied voltage is slowly increase until the 
ammeter gives reading equal to the rated current of the HV 
side 
After reaching at rated current of HV side, all three 
instruments reading (Voltmeter, Ammeter and Watt-meter 
readings) are recorded 
The ammeter reading gives the primary equivalent of full load 
current IL. 
As the voltage, applied for full load current in short circuit 
test on transformer, is quite small compared to rated primary 
voltage of the transformer, the core losses in transformer can 
be taken as negligible here.
Let’s, voltmeter reading is VSC . The input power during test is 
indicated by watt-meter reading. 
As the transformer is short circuited, there is no output hence 
the input power here consists of copper losses in transformer 
Since, the applied voltage Vsc is short circuit voltage in the 
transformer and hence it is quite small compared to rated 
voltage so core loss due to the small applied voltage can be 
neglected. 
Hence the wattmeter reading can be taken as equal to copper 
losses in transformer.
Let us consider wattmeter reading is Psc .
These values are referred to the HV side of transformer as 
because the test is conduced on HV side of transformer. 
These values could easily be referred to LV side by dividing 
these values with square of transformation ratio. 
Therefore it is seen that the Short Circuit test on transformer is 
used to determine copper loss in transformer at full load and 
parameters of approximate equivalent circuit of transformer.
Power Factor of the current 
PF = cosq = P 
sc 
V I 
sc sc 
Angle Power Factor 
q = cos-1 P 
sc 
V I 
sc sc
the open circuit test on transformer is used to determine 
core losses in transformer and parameters of shunt branch of 
the equivalent circuit of transformer. 
the Short Circuit test on transformer is used to determine 
copper loss in transformer at full load and parameters of 
approximate equivalent circuit of transformer.
www.ee.iitb.ac.in/~drivelab/EE003/EE003_EXPT2.pdf 
www.ece.vt.edu/ece3354/labs/xformermodel.pdf 
theego.com/HND/UEE.PDF
Sc and oc test on transformer

Sc and oc test on transformer

  • 1.
    By: Name: PoojaDubey Course: EEE Roll No:120104026
  • 2.
    Short Circuit OpenCircuit Transformer Short Circuit Test Open Circuit Test Conclusion Source
  • 3.
    A short circuitis an electrical circuit that allows a current to travel along an unintended path, often where essentially no (or a very low) electrical impedance is encountered. In circuit analysis a short circuit is a connection between two nodes that forces them to be at the same voltage. In an ideal short circuit, this means there is no resistance and no voltage drop across the short. In real circuits, the result is a connection with almost no resistance. In such a case, the current that flows is limited by the rest of the circuit.
  • 4.
    An electrical circuitis an "open circuit" if it lacks a complete path between the terminals of its power source; in other words, if no true "circuit" currently exists, because for instance a power switch is turned off. The electrical opposite of a short circuit is an "open circuit", which is an infinite resistance between two nodes. The open circuit test, or "no-load test", is one of the methods used in electrical engineering to determine the no load impedance in the excitation branch of a transformer. .
  • 7.
    A transformer isa static electrical device that transfers energy by inductive coupling between its winding circuits. A varying current in the primary winding creates a varying magnetic flux in the transformer's core and thus a varying magnetic flux through the secondary winding. This varying magnetic flux induces a varying electromotive force (emf) or voltage in the secondary winding. In electrical engineering, two conductors are referred to as mutual-inductively coupled or magnetically coupled when they are configured such that change in current flow through one wire induces a voltage across the ends of the other wire through electromagnetic induction. The amount of inductive coupling between two conductors is measured by their mutual inductance.
  • 10.
    These two testsare performed on a transformer to determine:- (i) equivalent circuit of transformer (ii) voltage regulation of transformer (iii) efficiency of transformer. The power required for these Open Circuit test and Short Circuit test on transformer is equal to the power loss occurring in the transformer.
  • 12.
    A voltmeter, wattmeter,and an ammeter are connected in LV side of the transformer as shown in the figure below. The voltage at rated frequency is applied to that LV side with the help of a variac of variable ratio auto transformer. The HV side of the transformer is kept open. Now with help of variac applied voltage is slowly increase until the voltmeter gives reading equal to the rated voltage of the LV side. After reaching at rated LV side voltage, all three instruments reading (Voltmeter, Ammeter and Wattmeter readings) are recorded.
  • 13.
    The ammeter readinggives the no load current Ie. As no load current Ie is quite small compared to rated current of the transformer, the voltage drops due to this electric current then can be taken as negligible. Since, voltmeter reading V can be considered equal to secondary induced voltage of the transformer. The input power during test is indicated by watt-meter reading. As the transformer is open circuited, there is no output hence the input power here consists of core losses in transformer and copper loss in transformer during no load condition. The no load current in the transformer is quite small compared to full load current so copper loss due to the small no load current can be neglected. Hence the wattmeter reading can be taken as equal to core losses in transformer.
  • 14.
    Let us considerwattmeter reading is Po.
  • 15.
    These values arereferred to the LV side of transformer as because the test is conduced on LV side of transformer. These values could easily be referred to HV side by multiplying these values with square of transformation ratio. Therefore it is seen that the open circuit test on transformer is used to determine core losses in transformer and parameters of shunt branch of the equivalent circuit of transformer.
  • 16.
    Open circuit PowerFactor PF = cos q = P oc V I oc oc Open circuit Power Factor Angle q = cos-1 P oc V I oc oc
  • 18.
    A voltmeter, wattmeter,and an ammeter are connected in HV side of the transformer as shown in figure. The voltage at rated frequency is applied to that HV side with the help of a variac of variable ratio auto transformer.
  • 19.
    The LV sideof the transformer is short circuited . Now with help of variac applied voltage is slowly increase until the ammeter gives reading equal to the rated current of the HV side After reaching at rated current of HV side, all three instruments reading (Voltmeter, Ammeter and Watt-meter readings) are recorded The ammeter reading gives the primary equivalent of full load current IL. As the voltage, applied for full load current in short circuit test on transformer, is quite small compared to rated primary voltage of the transformer, the core losses in transformer can be taken as negligible here.
  • 20.
    Let’s, voltmeter readingis VSC . The input power during test is indicated by watt-meter reading. As the transformer is short circuited, there is no output hence the input power here consists of copper losses in transformer Since, the applied voltage Vsc is short circuit voltage in the transformer and hence it is quite small compared to rated voltage so core loss due to the small applied voltage can be neglected. Hence the wattmeter reading can be taken as equal to copper losses in transformer.
  • 21.
    Let us considerwattmeter reading is Psc .
  • 22.
    These values arereferred to the HV side of transformer as because the test is conduced on HV side of transformer. These values could easily be referred to LV side by dividing these values with square of transformation ratio. Therefore it is seen that the Short Circuit test on transformer is used to determine copper loss in transformer at full load and parameters of approximate equivalent circuit of transformer.
  • 23.
    Power Factor ofthe current PF = cosq = P sc V I sc sc Angle Power Factor q = cos-1 P sc V I sc sc
  • 25.
    the open circuittest on transformer is used to determine core losses in transformer and parameters of shunt branch of the equivalent circuit of transformer. the Short Circuit test on transformer is used to determine copper loss in transformer at full load and parameters of approximate equivalent circuit of transformer.
  • 26.