Power Grid Design
INTRODUCTION
An electrical grid is an interconnected network for delivering electricity from suppliers to
consumers. It consists of three main components; 1) power station that produce electricity
from combustible fuels or non-combustible fuels; 2) transmission lines that carry
electricity from power plants to demand centers; and 3) transformers that reduce voltage
so distribution lines carry power for final delivery.
1: Electricity generation - Generating plants are usually located near a source of
water, and away from heavily populated areas. They are usually quite large to take
advantage of the economies of scale. The electric power which is generated is stepped up
to a higher voltage-at which it connects to the transmission network.
2: Electric power transmission - The transmission network will move (wheel) the
power long distances–often across state lines, and sometimes across international
boundaries, until it reaches its wholesale customer (usually the company that owns the
local distribution network).
3: Electricity distribution - Upon arrival at the substation, the power will be stepped
down in voltage—from a transmission level voltage to a distribution level voltage. As it
exits the substation, it enters the distribution wiring. Finally, upon arrival at the service
location, the power is stepped down again from the distribution voltage to the required
service voltage(s).
WHY WE NEED GRID?
Power is generated at the generating station, and this power could not satisfy to all load,
but by the help of grid the load could be satisfied. The benefits of grid are:-
1: Improvement of reliability
2: Improvement of Power quality
3: Improvement of security and safety
Dept Of Electrical Engineering 1
Power Grid Design
4: By the help of grid, the entire power system could be controlled
5: Economically power can be transferred from source to load.
INTRODUCTION TO POWER GRID DESIGN:-
For power grid design the most important criteria are selection of sites, bus bar schemes,
bill of material, safety clearance in grid, design of earth mat, control room building plan,
design of switch/relay room, other grid equipments. All these factors play important role
to design a power grid.
SELECTION OF LAND
SELECTION OF SITE:-
Selection of site for construction of a Grid Sub Station is the first and important activity.
This needs meticulous planning, fore-sight, skillful observation and handling so that the
selected site is technically, environmentally, economically and socially optimal and is the
best suited to the requirements.
1. The main points to be considered in the selection of site for construction of a Grid
Substation are given below.
The site should be:
a) As near the load centre as possible.
b) As far as possible rectangular or square in shape for ease of proper orientation of bus
bars and feeders.
c) Far away from obstructions, to permit easy and safe approach / termination of high
voltage overhead transmission lines.
d) Free from master plans / layouts or future development activities to have free line
corridors for the present and in future.
e) Easily accessible to the public road to facilitate transport of material.
f) As far as possible near a town and away from municipal dumping grounds, burial
grounds, tanneries and other obnoxious areas.
g) Preferably fairly leveled ground. This facilitates reduction in leveling expenditure.
h) Above highest flood level (HFL) so that there is no water logging.
i) Sufficiently away from areas where police and military rifle practices are held.
Dept Of Electrical Engineering 2
Power Grid Design
2 The site should have as far as possible good drinking water supply for the station staff.
3 The site of the proposed Sub Station should not be in the vicinity of an aerodrome. The
distance of a Sub Station from an aerodrome should be maintained as per regulations of
the aerodrome authority. Approval in writing should be obtained from the aerodrome
authority in case the Sub Station is proposed to be located near an aerodrome.
REQUIREMENT OF LAND / AREA:
The site should have sufficient area to properly accommodate the Sub Station buildings,
structures, equipments, etc. and should have the sufficient area for future extension of the
buildings and / or switchyard.
The requirement of land for construction of Sub Station including staff colony is as
under:
Table-1 Land Area for Respective Voltages
While preparing proposals for acquisition of private land and allotment of Government
land, the area of land for respective Grid Sub Stations shall be taken into consideration as
mentioned in table.
LAY OUT DESIGN
BUS BAR SCHEMES:
The commonly used bus bar schemes at Sub Stations are:
a) Single bus bar.
b) Main and Auxiliary bus bar.
c) Double bus bar.
d) Double Main and Auxiliary bus bar
e) One and a half breaker scheme.
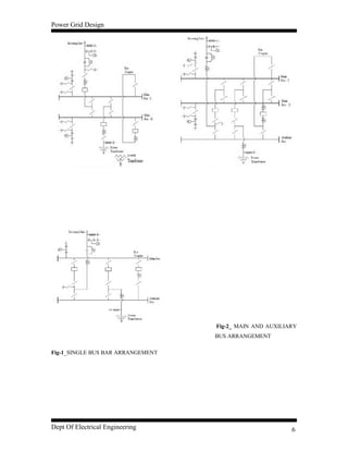
SINGLE BUS BAR ARRANGEMENT:
This is the simplest switching scheme in which each circuit is provided with one circuit
Dept Of Electrical Engineering 3
Power Grid Design
breaker. This arrangement offers little security against bus bar faults and no switching
flexibility resulting into quite extensive outages of bus bar and frequent maintenance of
bus bar isolator(s). The entire Sub Station is lost in case of a fault on the bus bar or on
any bus bar isolator and also in case of maintenance of the bus bar. Another disadvantage
of this switching scheme is that in case of maintenance of circuit breaker, the associated
feeder has also to be shutdown.
Typical Single Bus Bar arrangement is shown in Fig – 1.
MAIN AND AUXILIARY BUS ARRANGEMENT:
This is technically a single bus bar arrangement with an additional bus bar called
“Auxiliary bus” energized from main bus bars through a bus coupler circuit, i.e., for ‘n’
number of circuits, it employs ‘n + 1’ circuit breakers. Each circuit is connected to the
main bus bar through a circuit breaker with isolators on both sides and can be connected
to the auxiliary bus bar through an isolator. The additional provision of bus coupler
circuit (Auxiliary bus) facilitates taking out one circuit breaker at a time for routine
overhaul and maintenance without de – energizing the circuit controlled by that breaker
as that circuit then gets energized through bus coupler breaker.
As in the case of single bus arrangement, this scheme also suffers from the disadvantages
that in the event of a fault on the main bus bar or the associated isolator, the entire
substation is lost. This bus arrangement has been extensively used in 132 kV SubStations.
Typical Main and Auxiliary Bus Bar arrangement is shown in Fig -2.
DOUBLE BUS BAR ARRANGEMENT:
In this scheme, a double bus bar arrangement is provided. Each circuit can be connected
to either one of these bus bars through respective bus bar isolator. Bus coupler breaker is
also provided so that the circuits can be switched on from one bus to the other on load.
This scheme suffers from the disadvantage that when any circuit breaker is taken out for
maintenance, the associated feeder has to be shutdown.
This Bus bar arrangement was generally used in earlier 220 kV sub stations.
Typical Double Bus Bar arrangement is shown in Fig – 3.
DOUBLE MAIN AND AUXILIARY BUS BAR ARRANGEMENT:
The limitation of double bus bar scheme can be overcome by using additional Auxiliary
bus, bus coupler breaker and Auxiliary bus isolators. The feeder is transferred to the
Dept Of Electrical Engineering 4
Power Grid Design
Auxiliary bus during maintenance of its controlling circuit breaker without affecting the
other circuits.
This Bus bar arrangement is generally used nowadays in 220 kV sub stations.
Typical Double Main and Auxiliary Bus Bar arrangement is shown in Fig – 4.
ONE AND A HALF BREAKER ARRANGEMENT:
In this scheme, three circuit breakers are used for controlling two circuits which are
connected between two bus bars. Normally, both the bus bars are in service.
A fault on any one of the bus bars is cleared by opening of the associated circuit breakers
connected to the faulty bus bar without affecting continuity of supply. Similarly, any
circuit breaker can be taken out for maintenance without causing interruption. Load
transfer is achieved through the breakers and, therefore, the operation is simple.
However, protective relaying is somewhat more involved as the central (tie) breaker has
to be responsive to troubles on either feeder in the correct sequence. Besides, each
element of the bay has to be rated for carrying the currents of two feeders to meet the
requirement of various switching operations which increases the cost. The breaker and a
half scheme is best for those substations which handle large quantities of power and
where the orientation of outgoing feeders is in opposite directions. This scheme has been
used in the 400 kV substations.
Typical One and a Half Breaker arrangement is shown in Fig – 5.
Dept Of Electrical Engineering 5
Power Grid Design
Fig-2_ MAIN AND AUXILIARY
BUS ARRANGEMENT
Fig-1_SINGLE BUS BAR ARRANGEMENT
Dept Of Electrical Engineering 6
Power Grid Design
Fig-3 DOUBLE BUS BAR ARRANGEMENT
Fig-4 DOUBLE MAIN & AUXILIARY
BUS ARRANGEMENT
Fig-5 ONE & A HALF BREAKER ARRANGEMENT
BILL OF MATERIAL:
The lists of material are only typical and cover the
general requirement. Any other equipment /
structure / material which may be required for
construction of Sub Station as
per layout.
Lists of material showing, generally required for construction of 132Kv Substation.
Dept Of Electrical Engineering 7
Power Grid Design
Dept Of Electrical Engineering 8
Power Grid Design
Dept Of Electrical Engineering 9
Power Grid Design
Table-2 Grid Equipments
ELECTRICAL LAYOUT DRAWING:-
Typical electrical layout drawings and sectional drawings of 132 /33KV S/S, &
220/132/33KV S/S are shown in Fig-6 & Fig-7 respectively.
Fig-6 132/33KV GRID SUBSTATION
Dept Of Electrical Engineering 10
Power Grid Design
Fig-7 220/132/33KV GRID SUBSTATION
SAFETY CLEARANCE
SAFETY CLEARANCES:
The various equipments and associated / required facilities have to be so arranged within
the substation that specified minimum clearances are always available from the point of
view of the system reliability and safety of operating personnel. These include the
minimum clearances from live parts to earth, between live parts of adjacent phases and
sectional clearance between live parts of adjacent circuits / bays. It must be ensured that
sufficient clearance to ground is also available within the Sub Station so as to ensure
safety of the personnel moving about within the switchyard.
As per Rule 64 (2) of the Indian Electricity Rules, 1956, the following safety working
clearances shall be maintained for the bare conductors and live parts of any apparatus in
any Sub Stations, excluding over head lines of HV and EHV installations:
The Table below gives the minimum values of clearances required for Sub Stations up
to 765 kV:
TABLE-3 FOR MINIMUM CLEARANCE
“Safety Clearance” is the minimum clearance to be maintained in air between the live
part of the equipment on one hand and earth or another piece of equipment or conductor
(on which it is necessary to carry out the work) on the other.
Dept Of Electrical Engineering 11
Power Grid Design
EARTH MAT DESIGN
5.1BASIC REQUIREMENT:
Provision of adequate earthing system in a Sub Station is extremely important for the
safety of the operating personnel as well as for proper system operation and performance
of the protective devices. The primary requirements of a good earthing system in a Sub
Station are:
a) The impedance to ground should be as low as possible but it should not exceed 1.0
(ONE) Ohm.
b) The Step Potential, which is the maximum value of the potential difference possible of
being shunted by a human body between two accessible points on the ground
separated by the distance of one place (which may be assumed to be one metre), should
be within safe limits.
c) Touch Potential, which is the maximum value of potential difference between a point
on the ground and a point on an object likely to carry fault current such that the points
can be touched by a person, should also be within safe limits.
To meet these requirements, an earthed system comprising of an earthing mat buried at a
suitable depth below ground and supplemented with ground rods at suitable points is
provided in the Sub Stations.
All the structures & equipments in the Sub Station are connected to the earthing mat so as
to ensure that under fault conditions, none of these parts is at a potential higher than that
of the earthing mat.
The neutral points of different voltage levels of transformers & reactors are separately
earthed at two different points. Each of these earthed points should be interconnected
with the station earthing mat.
MEASUREMENT OF EARTH RESISTIVITY:
Weather Conditions:
The resistivity of earth varies over a wide range depending on its moisture content. It is,
therefore, advisable to conduct earth resistivity tests during the dry season in order to get
conservative results.
Dept Of Electrical Engineering 12
Power Grid Design
Test Procedure:
Four electrodes are driven in to the earth at equal intervals s along a straight line in the chosen
direction. The depth of the electrodes in the ground shall be of the order of 30 to 50 cm. The earth
resistance Megger is placed on a steady and approximately level base, the link between terminals
P1 and C1 is opened and the four electrodes are connected to the instrument terminals as shown
in the figure. An appropriate range on the instrument, avoiding the two ends of the scale as far as
possible, is then selected to obtain clear readings.
Fig-8 MEASUREMENT OF EARTH RESISTIVITY
The resistivity is calculated from the equation given below:
ρ = 2 π s R
where
ρ = resistivity of soil in ohm – metre,
s = distance between two successive electrodes in metres, and
R = Megger reading in ohms.
CHAPTER-6 CONTROL & RELAY PANELS
GENERAL INSTRUCTIONS:
Check and ensure that the Control & Relay Panels being installed are meeting the
requirements of DC control voltage (110V or 220V) and CT secondary rating (1A or 5A).
Dept Of Electrical Engineering 13
Power Grid Design
Check that there is no physical damage to the relays and other equipment installed in the
C&R Panel.
Event Loggers, Disturbance Recorders, Bus Bar Protection schemes, LBB Protection
schemes, etc. as well as special schemes / equipment for 400 kV GSS should be tested /
got tested as per their schematic diagrams.
ERECTION AND INSTALLATION:
Place the panels at their designated locations on the trenches in the Control Room as per
layout. Fix or bolt the panels (as per requirement of installation of the panels) on the
channel / M.S. Angle fitted on the top of the walls of the trench or on the base frame, as
provided, in the Control Room. Level the panels and check their verticality. In the case of
Duplex type of panels, connect the control panel to the relay panel across the corridor
using the fittings provided with the panels. Also fit the covers for the corridor portion.
Where a number of panels are to be placed adjacent to each other to form a Board or
where a panel is to be placed adjacent to an existing Panel / Board, these shall be bolted
together. There shall be no gap between panels which are placed adjacent to each other.
Connect the Bus wiring / interconnecting wiring between the control & relay panels of
the Duplex type. Also connect the similar wiring between control panel to control panel
and / or relay panel to relay panel where a Board formation is made or where panels are
connected to an existing Board / panel as per their relevant schematic drawings.
PRECOMISSION TESTS:
Dept Of Electrical Engineering 14
Power Grid Design
Table-4 Precomission Tests For Relay Panels
POST – COMMISSIONING CHECKS:
1 Check phase sequence of the VT supply in the Control & Relay panels.
2 Measure the voltage & current in the relevant circuits, and check their readings in the
relays, protection schemes, meters, etc.
3 Arrange for checking, by the Protection wing, of stability of transformer differential
protection on load.
4 Arrange for checking and verification, by the Protection wing, of directional feature of
over current, earth fault, and distance protection schemes, as applicable.
BATTERY CHARGERS
GENERAL INSTRUCTIONS:
The Battery Room houses lead acid or nickel cadmium batteries for uninterrupted power
supply (UPS) to the substation. In power grid normally 110 no. of batteries are present,
having each capacity of 2.1V to maintain 220V output & the specific gravity of liquid is
1.835. Power House FCBC are designed to supply continuous power to the DC load and
simultaneously charge the batteries connected. Input supply form 415V. AC 3 Phase or
220V. AC 1 Ph. is converted to regulated DC. The charger has two independent systems.
Normally the DC Power is supplied to he load by the Float Charger. It also supplies
Dept Of Electrical Engineering 15
Power Grid Design
trickle current to the battery to keep it healthy. If the charging current under Float Mode
exceeds a set level. Boost charger is switched ON. It supplies Quick charging current to
the battery. On battery reaching the set value the Boost Charger is switched OFF.
Maintain a minimum spacing of 15 cm between the Battery Charger and other panels on
both the sides for proper ventilation. During battery boost charging and in float operation,
it should be ensured that the rating of the relevant section is not exceeded. Place the
temperature sensor in the battery room and connect it to the Battery Charger.
GRID EQUIPMENTS:
LIGHTING ARRESTOR:
It is an instrument that protects vital equipments in the grid. When a lightning strikes a
power transmission line, the induced high voltage travels along the line towards both
ends; this arrester will bypass this high voltage to the ground so that the nearby
transformer will not be damaged.
Line Volt.(KV) L.A.Rating(KV)
400 327
220 180
132 108
33 27
Table-5 Lighting Arrestor Rating For Line Voltage
CVT:
It is that type tfr which is used to measure potential. It is the major advantage of PT, &
also used for carrier communication, which replace the coupling capacitor. At first for
carrier communication a coupling capacitor is used with a PT, which is costlier than
CVT. It act as a high pass filter.
POTENTIAL TRANSFORMER -
Potential Transformer or Voltage Transformer are used in electrical power system for
stepping down the system voltage to a safe value which can be fed to low ratings meters
Dept Of Electrical Engineering 16
Power Grid Design
and relays. Commercially available relays and meters used for protection and metering,
are designed for low voltage.
CURRENT TRANSFORMER:
A current transformer is used in high voltage circuits where it is not possible to measure
current directly. A CT is a step up transformer with only one turn in primary. There will
be as many cores based on the purposes like metering, protection etc. The secondary of a
CT should never be kept open circuited because very high flux will be developed in the
secondary and hence it may be damaged.
POWER TRANSFORMER:
It is a static device which transforms electrical energy from one ckt to another ckt without
change of frequency, but changing voltage with the principle mutual induction.
Most of the power transformer are in MVA ratings. It is the most costlier equipments in
the grid.
CIRCUIT BREAKER:-
It is protective equipments in the grid. It is the automatic on load switch. There are of 5
medium type of circuit breaker, but SF6 circuit breaker is used for best.
ISOLATORS:-
This is an off load switching device to used open or close for flow of current or not to
flow respectively in the grid.
WAVE TRAP:-
It is the combination of inductance & capacitance, which act as a low pass filter, which
passes low frequencies in to the grid, & this frequency is used in the grid. The Line trap
offers high impedance to the high frequency communication signals thus obstructs the
flow of these signals in to the substation bus bars. If there were not to be there, then
signal loss is more and communication will be ineffective/probably impossible.
INSULATOR:-
Insulators are used to prevent flow of current from conducting material to non conducting
material. It should be mechanically strong & high dielectric strength. Each insulator
rating is of 11kv to 16kv.
Dept Of Electrical Engineering 17
Power Grid Design
CONCLUSION:
Electrical grid is an interconnected network for delivering electricity from suppliers to
consumers. It consists of three main components; 1) power station that produce electricity
from combustible fuels or non-combustible fuels; 2) transmission lines that carry
electricity from power plants to demand centers; and 3) transformers that reduce voltage
so distribution lines carry power for final delivery. Grid is the nodal point of the entire
power system. It has two objectives i.e.1: Supply Quality Power, 2:Supply the power
from source to load with an economic reasons. AS Grids are interconnected so, there is
an improvement of reliability of can achieved. As grid is the nodal point, if it fails to
work, then entire power system will fails. Grid efficiency is lower i.e. 50-70%. As Grid
has too many equipments so, design of grid is too costlier.
REFERENCES:
 Construction Manual for substations by Shreemat Pandey Chairman &
Managing Director Jaipur Rajasthan Rajya Vidyut Prasaran Nigam Ltd.
 Albert, R., Albert, I., and Nakarado, G. L. (2004). Structural Vulnerability of the
North American Power Grid. Physical Review E 69 025103(R). 1-4 pgs.
 Grid Manual of OPTCL.
 http://www.powergridindia.com
Dept Of Electrical Engineering 18
Power Grid Design
Dept Of Electrical Engineering 19

power grid design

  • 1.
    Power Grid Design INTRODUCTION Anelectrical grid is an interconnected network for delivering electricity from suppliers to consumers. It consists of three main components; 1) power station that produce electricity from combustible fuels or non-combustible fuels; 2) transmission lines that carry electricity from power plants to demand centers; and 3) transformers that reduce voltage so distribution lines carry power for final delivery. 1: Electricity generation - Generating plants are usually located near a source of water, and away from heavily populated areas. They are usually quite large to take advantage of the economies of scale. The electric power which is generated is stepped up to a higher voltage-at which it connects to the transmission network. 2: Electric power transmission - The transmission network will move (wheel) the power long distances–often across state lines, and sometimes across international boundaries, until it reaches its wholesale customer (usually the company that owns the local distribution network). 3: Electricity distribution - Upon arrival at the substation, the power will be stepped down in voltage—from a transmission level voltage to a distribution level voltage. As it exits the substation, it enters the distribution wiring. Finally, upon arrival at the service location, the power is stepped down again from the distribution voltage to the required service voltage(s). WHY WE NEED GRID? Power is generated at the generating station, and this power could not satisfy to all load, but by the help of grid the load could be satisfied. The benefits of grid are:- 1: Improvement of reliability 2: Improvement of Power quality 3: Improvement of security and safety Dept Of Electrical Engineering 1
  • 2.
    Power Grid Design 4:By the help of grid, the entire power system could be controlled 5: Economically power can be transferred from source to load. INTRODUCTION TO POWER GRID DESIGN:- For power grid design the most important criteria are selection of sites, bus bar schemes, bill of material, safety clearance in grid, design of earth mat, control room building plan, design of switch/relay room, other grid equipments. All these factors play important role to design a power grid. SELECTION OF LAND SELECTION OF SITE:- Selection of site for construction of a Grid Sub Station is the first and important activity. This needs meticulous planning, fore-sight, skillful observation and handling so that the selected site is technically, environmentally, economically and socially optimal and is the best suited to the requirements. 1. The main points to be considered in the selection of site for construction of a Grid Substation are given below. The site should be: a) As near the load centre as possible. b) As far as possible rectangular or square in shape for ease of proper orientation of bus bars and feeders. c) Far away from obstructions, to permit easy and safe approach / termination of high voltage overhead transmission lines. d) Free from master plans / layouts or future development activities to have free line corridors for the present and in future. e) Easily accessible to the public road to facilitate transport of material. f) As far as possible near a town and away from municipal dumping grounds, burial grounds, tanneries and other obnoxious areas. g) Preferably fairly leveled ground. This facilitates reduction in leveling expenditure. h) Above highest flood level (HFL) so that there is no water logging. i) Sufficiently away from areas where police and military rifle practices are held. Dept Of Electrical Engineering 2
  • 3.
    Power Grid Design 2The site should have as far as possible good drinking water supply for the station staff. 3 The site of the proposed Sub Station should not be in the vicinity of an aerodrome. The distance of a Sub Station from an aerodrome should be maintained as per regulations of the aerodrome authority. Approval in writing should be obtained from the aerodrome authority in case the Sub Station is proposed to be located near an aerodrome. REQUIREMENT OF LAND / AREA: The site should have sufficient area to properly accommodate the Sub Station buildings, structures, equipments, etc. and should have the sufficient area for future extension of the buildings and / or switchyard. The requirement of land for construction of Sub Station including staff colony is as under: Table-1 Land Area for Respective Voltages While preparing proposals for acquisition of private land and allotment of Government land, the area of land for respective Grid Sub Stations shall be taken into consideration as mentioned in table. LAY OUT DESIGN BUS BAR SCHEMES: The commonly used bus bar schemes at Sub Stations are: a) Single bus bar. b) Main and Auxiliary bus bar. c) Double bus bar. d) Double Main and Auxiliary bus bar e) One and a half breaker scheme. SINGLE BUS BAR ARRANGEMENT: This is the simplest switching scheme in which each circuit is provided with one circuit Dept Of Electrical Engineering 3
  • 4.
    Power Grid Design breaker.This arrangement offers little security against bus bar faults and no switching flexibility resulting into quite extensive outages of bus bar and frequent maintenance of bus bar isolator(s). The entire Sub Station is lost in case of a fault on the bus bar or on any bus bar isolator and also in case of maintenance of the bus bar. Another disadvantage of this switching scheme is that in case of maintenance of circuit breaker, the associated feeder has also to be shutdown. Typical Single Bus Bar arrangement is shown in Fig – 1. MAIN AND AUXILIARY BUS ARRANGEMENT: This is technically a single bus bar arrangement with an additional bus bar called “Auxiliary bus” energized from main bus bars through a bus coupler circuit, i.e., for ‘n’ number of circuits, it employs ‘n + 1’ circuit breakers. Each circuit is connected to the main bus bar through a circuit breaker with isolators on both sides and can be connected to the auxiliary bus bar through an isolator. The additional provision of bus coupler circuit (Auxiliary bus) facilitates taking out one circuit breaker at a time for routine overhaul and maintenance without de – energizing the circuit controlled by that breaker as that circuit then gets energized through bus coupler breaker. As in the case of single bus arrangement, this scheme also suffers from the disadvantages that in the event of a fault on the main bus bar or the associated isolator, the entire substation is lost. This bus arrangement has been extensively used in 132 kV SubStations. Typical Main and Auxiliary Bus Bar arrangement is shown in Fig -2. DOUBLE BUS BAR ARRANGEMENT: In this scheme, a double bus bar arrangement is provided. Each circuit can be connected to either one of these bus bars through respective bus bar isolator. Bus coupler breaker is also provided so that the circuits can be switched on from one bus to the other on load. This scheme suffers from the disadvantage that when any circuit breaker is taken out for maintenance, the associated feeder has to be shutdown. This Bus bar arrangement was generally used in earlier 220 kV sub stations. Typical Double Bus Bar arrangement is shown in Fig – 3. DOUBLE MAIN AND AUXILIARY BUS BAR ARRANGEMENT: The limitation of double bus bar scheme can be overcome by using additional Auxiliary bus, bus coupler breaker and Auxiliary bus isolators. The feeder is transferred to the Dept Of Electrical Engineering 4
  • 5.
    Power Grid Design Auxiliarybus during maintenance of its controlling circuit breaker without affecting the other circuits. This Bus bar arrangement is generally used nowadays in 220 kV sub stations. Typical Double Main and Auxiliary Bus Bar arrangement is shown in Fig – 4. ONE AND A HALF BREAKER ARRANGEMENT: In this scheme, three circuit breakers are used for controlling two circuits which are connected between two bus bars. Normally, both the bus bars are in service. A fault on any one of the bus bars is cleared by opening of the associated circuit breakers connected to the faulty bus bar without affecting continuity of supply. Similarly, any circuit breaker can be taken out for maintenance without causing interruption. Load transfer is achieved through the breakers and, therefore, the operation is simple. However, protective relaying is somewhat more involved as the central (tie) breaker has to be responsive to troubles on either feeder in the correct sequence. Besides, each element of the bay has to be rated for carrying the currents of two feeders to meet the requirement of various switching operations which increases the cost. The breaker and a half scheme is best for those substations which handle large quantities of power and where the orientation of outgoing feeders is in opposite directions. This scheme has been used in the 400 kV substations. Typical One and a Half Breaker arrangement is shown in Fig – 5. Dept Of Electrical Engineering 5
  • 6.
    Power Grid Design Fig-2_MAIN AND AUXILIARY BUS ARRANGEMENT Fig-1_SINGLE BUS BAR ARRANGEMENT Dept Of Electrical Engineering 6
  • 7.
    Power Grid Design Fig-3DOUBLE BUS BAR ARRANGEMENT Fig-4 DOUBLE MAIN & AUXILIARY BUS ARRANGEMENT Fig-5 ONE & A HALF BREAKER ARRANGEMENT BILL OF MATERIAL: The lists of material are only typical and cover the general requirement. Any other equipment / structure / material which may be required for construction of Sub Station as per layout. Lists of material showing, generally required for construction of 132Kv Substation. Dept Of Electrical Engineering 7
  • 8.
    Power Grid Design DeptOf Electrical Engineering 8
  • 9.
    Power Grid Design DeptOf Electrical Engineering 9
  • 10.
    Power Grid Design Table-2Grid Equipments ELECTRICAL LAYOUT DRAWING:- Typical electrical layout drawings and sectional drawings of 132 /33KV S/S, & 220/132/33KV S/S are shown in Fig-6 & Fig-7 respectively. Fig-6 132/33KV GRID SUBSTATION Dept Of Electrical Engineering 10
  • 11.
    Power Grid Design Fig-7220/132/33KV GRID SUBSTATION SAFETY CLEARANCE SAFETY CLEARANCES: The various equipments and associated / required facilities have to be so arranged within the substation that specified minimum clearances are always available from the point of view of the system reliability and safety of operating personnel. These include the minimum clearances from live parts to earth, between live parts of adjacent phases and sectional clearance between live parts of adjacent circuits / bays. It must be ensured that sufficient clearance to ground is also available within the Sub Station so as to ensure safety of the personnel moving about within the switchyard. As per Rule 64 (2) of the Indian Electricity Rules, 1956, the following safety working clearances shall be maintained for the bare conductors and live parts of any apparatus in any Sub Stations, excluding over head lines of HV and EHV installations: The Table below gives the minimum values of clearances required for Sub Stations up to 765 kV: TABLE-3 FOR MINIMUM CLEARANCE “Safety Clearance” is the minimum clearance to be maintained in air between the live part of the equipment on one hand and earth or another piece of equipment or conductor (on which it is necessary to carry out the work) on the other. Dept Of Electrical Engineering 11
  • 12.
    Power Grid Design EARTHMAT DESIGN 5.1BASIC REQUIREMENT: Provision of adequate earthing system in a Sub Station is extremely important for the safety of the operating personnel as well as for proper system operation and performance of the protective devices. The primary requirements of a good earthing system in a Sub Station are: a) The impedance to ground should be as low as possible but it should not exceed 1.0 (ONE) Ohm. b) The Step Potential, which is the maximum value of the potential difference possible of being shunted by a human body between two accessible points on the ground separated by the distance of one place (which may be assumed to be one metre), should be within safe limits. c) Touch Potential, which is the maximum value of potential difference between a point on the ground and a point on an object likely to carry fault current such that the points can be touched by a person, should also be within safe limits. To meet these requirements, an earthed system comprising of an earthing mat buried at a suitable depth below ground and supplemented with ground rods at suitable points is provided in the Sub Stations. All the structures & equipments in the Sub Station are connected to the earthing mat so as to ensure that under fault conditions, none of these parts is at a potential higher than that of the earthing mat. The neutral points of different voltage levels of transformers & reactors are separately earthed at two different points. Each of these earthed points should be interconnected with the station earthing mat. MEASUREMENT OF EARTH RESISTIVITY: Weather Conditions: The resistivity of earth varies over a wide range depending on its moisture content. It is, therefore, advisable to conduct earth resistivity tests during the dry season in order to get conservative results. Dept Of Electrical Engineering 12
  • 13.
    Power Grid Design TestProcedure: Four electrodes are driven in to the earth at equal intervals s along a straight line in the chosen direction. The depth of the electrodes in the ground shall be of the order of 30 to 50 cm. The earth resistance Megger is placed on a steady and approximately level base, the link between terminals P1 and C1 is opened and the four electrodes are connected to the instrument terminals as shown in the figure. An appropriate range on the instrument, avoiding the two ends of the scale as far as possible, is then selected to obtain clear readings. Fig-8 MEASUREMENT OF EARTH RESISTIVITY The resistivity is calculated from the equation given below: ρ = 2 π s R where ρ = resistivity of soil in ohm – metre, s = distance between two successive electrodes in metres, and R = Megger reading in ohms. CHAPTER-6 CONTROL & RELAY PANELS GENERAL INSTRUCTIONS: Check and ensure that the Control & Relay Panels being installed are meeting the requirements of DC control voltage (110V or 220V) and CT secondary rating (1A or 5A). Dept Of Electrical Engineering 13
  • 14.
    Power Grid Design Checkthat there is no physical damage to the relays and other equipment installed in the C&R Panel. Event Loggers, Disturbance Recorders, Bus Bar Protection schemes, LBB Protection schemes, etc. as well as special schemes / equipment for 400 kV GSS should be tested / got tested as per their schematic diagrams. ERECTION AND INSTALLATION: Place the panels at their designated locations on the trenches in the Control Room as per layout. Fix or bolt the panels (as per requirement of installation of the panels) on the channel / M.S. Angle fitted on the top of the walls of the trench or on the base frame, as provided, in the Control Room. Level the panels and check their verticality. In the case of Duplex type of panels, connect the control panel to the relay panel across the corridor using the fittings provided with the panels. Also fit the covers for the corridor portion. Where a number of panels are to be placed adjacent to each other to form a Board or where a panel is to be placed adjacent to an existing Panel / Board, these shall be bolted together. There shall be no gap between panels which are placed adjacent to each other. Connect the Bus wiring / interconnecting wiring between the control & relay panels of the Duplex type. Also connect the similar wiring between control panel to control panel and / or relay panel to relay panel where a Board formation is made or where panels are connected to an existing Board / panel as per their relevant schematic drawings. PRECOMISSION TESTS: Dept Of Electrical Engineering 14
  • 15.
    Power Grid Design Table-4Precomission Tests For Relay Panels POST – COMMISSIONING CHECKS: 1 Check phase sequence of the VT supply in the Control & Relay panels. 2 Measure the voltage & current in the relevant circuits, and check their readings in the relays, protection schemes, meters, etc. 3 Arrange for checking, by the Protection wing, of stability of transformer differential protection on load. 4 Arrange for checking and verification, by the Protection wing, of directional feature of over current, earth fault, and distance protection schemes, as applicable. BATTERY CHARGERS GENERAL INSTRUCTIONS: The Battery Room houses lead acid or nickel cadmium batteries for uninterrupted power supply (UPS) to the substation. In power grid normally 110 no. of batteries are present, having each capacity of 2.1V to maintain 220V output & the specific gravity of liquid is 1.835. Power House FCBC are designed to supply continuous power to the DC load and simultaneously charge the batteries connected. Input supply form 415V. AC 3 Phase or 220V. AC 1 Ph. is converted to regulated DC. The charger has two independent systems. Normally the DC Power is supplied to he load by the Float Charger. It also supplies Dept Of Electrical Engineering 15
  • 16.
    Power Grid Design tricklecurrent to the battery to keep it healthy. If the charging current under Float Mode exceeds a set level. Boost charger is switched ON. It supplies Quick charging current to the battery. On battery reaching the set value the Boost Charger is switched OFF. Maintain a minimum spacing of 15 cm between the Battery Charger and other panels on both the sides for proper ventilation. During battery boost charging and in float operation, it should be ensured that the rating of the relevant section is not exceeded. Place the temperature sensor in the battery room and connect it to the Battery Charger. GRID EQUIPMENTS: LIGHTING ARRESTOR: It is an instrument that protects vital equipments in the grid. When a lightning strikes a power transmission line, the induced high voltage travels along the line towards both ends; this arrester will bypass this high voltage to the ground so that the nearby transformer will not be damaged. Line Volt.(KV) L.A.Rating(KV) 400 327 220 180 132 108 33 27 Table-5 Lighting Arrestor Rating For Line Voltage CVT: It is that type tfr which is used to measure potential. It is the major advantage of PT, & also used for carrier communication, which replace the coupling capacitor. At first for carrier communication a coupling capacitor is used with a PT, which is costlier than CVT. It act as a high pass filter. POTENTIAL TRANSFORMER - Potential Transformer or Voltage Transformer are used in electrical power system for stepping down the system voltage to a safe value which can be fed to low ratings meters Dept Of Electrical Engineering 16
  • 17.
    Power Grid Design andrelays. Commercially available relays and meters used for protection and metering, are designed for low voltage. CURRENT TRANSFORMER: A current transformer is used in high voltage circuits where it is not possible to measure current directly. A CT is a step up transformer with only one turn in primary. There will be as many cores based on the purposes like metering, protection etc. The secondary of a CT should never be kept open circuited because very high flux will be developed in the secondary and hence it may be damaged. POWER TRANSFORMER: It is a static device which transforms electrical energy from one ckt to another ckt without change of frequency, but changing voltage with the principle mutual induction. Most of the power transformer are in MVA ratings. It is the most costlier equipments in the grid. CIRCUIT BREAKER:- It is protective equipments in the grid. It is the automatic on load switch. There are of 5 medium type of circuit breaker, but SF6 circuit breaker is used for best. ISOLATORS:- This is an off load switching device to used open or close for flow of current or not to flow respectively in the grid. WAVE TRAP:- It is the combination of inductance & capacitance, which act as a low pass filter, which passes low frequencies in to the grid, & this frequency is used in the grid. The Line trap offers high impedance to the high frequency communication signals thus obstructs the flow of these signals in to the substation bus bars. If there were not to be there, then signal loss is more and communication will be ineffective/probably impossible. INSULATOR:- Insulators are used to prevent flow of current from conducting material to non conducting material. It should be mechanically strong & high dielectric strength. Each insulator rating is of 11kv to 16kv. Dept Of Electrical Engineering 17
  • 18.
    Power Grid Design CONCLUSION: Electricalgrid is an interconnected network for delivering electricity from suppliers to consumers. It consists of three main components; 1) power station that produce electricity from combustible fuels or non-combustible fuels; 2) transmission lines that carry electricity from power plants to demand centers; and 3) transformers that reduce voltage so distribution lines carry power for final delivery. Grid is the nodal point of the entire power system. It has two objectives i.e.1: Supply Quality Power, 2:Supply the power from source to load with an economic reasons. AS Grids are interconnected so, there is an improvement of reliability of can achieved. As grid is the nodal point, if it fails to work, then entire power system will fails. Grid efficiency is lower i.e. 50-70%. As Grid has too many equipments so, design of grid is too costlier. REFERENCES:  Construction Manual for substations by Shreemat Pandey Chairman & Managing Director Jaipur Rajasthan Rajya Vidyut Prasaran Nigam Ltd.  Albert, R., Albert, I., and Nakarado, G. L. (2004). Structural Vulnerability of the North American Power Grid. Physical Review E 69 025103(R). 1-4 pgs.  Grid Manual of OPTCL.  http://www.powergridindia.com Dept Of Electrical Engineering 18
  • 19.
    Power Grid Design DeptOf Electrical Engineering 19