EXPERIMENT 3 : HOPPER CONTROLLER
1.0 LEARNING OUTCOMES :
At the end of this experiment, the student should be able to ;
1.1 Build the electrical and pneumatic circuit.
1.2 Check the layout of the circuit.
2.0 EQUIPMENT / APPARATUS
2.1 An electrical distribution plate (transformer)
2.2 A button relay box ( Electrical Input signal)
2.3 A coil relay box
2.4 A 5/2 way double solenoid valve
2.5 A double acting cylinder
2.6 Two (2) electrical limits switch
2.7 A service unit & manifold & air hose & electrical wires.
3.0 SAFETY AND HEALTH :
All students must read and understand the information in this document with regard
to laboratory safety and emergency procedures prior to the first laboratory session. Your
personal laboratory safety depends mostly on you. Effort has been made to address
situations that may pose a hazard in the lab but the information and instruction provided
cannot be considered all inclusive.
Students must adhere to written and verbal safety instructions throughout the
academic term. Since additional instructions may be given at the beginning of laboratory
sessions, it is important that all students arrive at each session on time.
With good judgment, the chance of an accident in the course is very small.
Nevertheless, research and teaching workplace (labs, shops, etc.) are full of potential
hazard that can cause serious injury and or damage to the equipment. Working alone and
unsupervised in laboratories is forbidden if you are working with hazardous substances or
equipment. With prior approval, at least two people should be present so that one can shut
down equipment and call for help in the event of an emergency.
Safety training and information should be provided by a faculty member, teaching
assistant, lab safety contact, or staff member at the beginning of new assignment or when
a new hazard is introduced into the workplace.
3.1. Emergency Response
3.1.1. It is your responsibility to read safety and fire alarm and follow the
instruction during an emergency.
3.1.2. Know the location of the fire extinguisher and know how to use them.
3.1.3. Notify your instructor immediately any injury, fire or explosion, or spill.
3.1.4. Know the building evacuation procedures.
3.2. Common Sense
3.2.1. Good common sense is needed for safety in a laboratory. It is expected that
each student will work in responsible manner and exercise good judgment
and common sense.
3.2.2. If at any time you are how to handle not sure how to handle a particular
situation, ask your Teaching Assistant or Instructor For Advice. DO NOT
TOUCH ANYTHING WITH WHICH YOU ARE NOT
COMPLETELY FAMILIAR!!!
3.2.3. It is always better to ask question than to risk harm to yourself or damage to
the equipment.
3.3 Personal And General Laboratory Safety
3.3.1. Never eat, drink, or smoke while working in the laboratory.
3.3.2. Read labels carefully.
3.3.3. Do not use any equipment unless you are trained and approved as a user by
your supervisor.
3.3.4. Wear safety glasses or face shields when working with hazardous material
and equipment.
3.3.5. Wear gloves when using any hazardous or toxic agent.
3.3.6. Clothing: When handling dangerous substances, wear gloves, laboratory
coats, and safety shield or glasses, Shorts and sandals should not be worn in
the lab any time. Shoes are required when working in the machine shops.
3.3.7. If you have long hair or loose clothes, make sure it is tied back or confined.
3.3.8. Keep the work area clear of all material except those needed for your work.
Coats should be hung in then hall or placed in a locker. Extra books, purses,
etc. should be kept away from equipment that requires air flow or
ventilation to prevent overheating.
3.3.9. Disposal – Students are responsible for the proper proposal of used material
if any in appropriate containers.
3.3.10. Equipment Failure – If a place of equipment fails while be used, report it
immediately to your lab assistant or tutor. Never try to fix the problem
yourself because you could harm yourself and others.
3.3.11. If leaving a lab unattended, turn off all ignition sources and lock the doors
3.3.12. Clean up your work area before leaving.
3.3.13. Wash hands before leaving the lab and before eating.
3.4 Electrical Safety
3.4.1. Obtain permission before operating any high voltage equipment.
3.4.2. Maintain an unobstructed access to all electrical panels.
3.4.3. Wiring or other electrical modifications must be referred to the Workshop
Coordinator
3.4.4. Avoid using extension cords whenever possible. If you must use one, obtain
a heavy-duty one that is electrically grounded, with its own fuse, and install
it safety. Extension cords should not go under doors, across aisles, be hung
from the ceiling, or plugged into other extension cords.
3.4.5. Never, ever modify attach or otherwise change any high voltage
equipment.
3.4.6. Always make sure all capacitors are discharged ( using a grounded cable
with an insulating handle) before touching high been turned off. Capacitors
can hold charge for many hours after the equipment has been turned off.
3.4.7. When you are adjusting any high voltage equipment or a laser which is
powered with a high voltage supply, USE ONLY ONE HAND. Your other
hand is best placed in a pocket or behind your back. This procedure
eliminates the possibility of an accident where high voltage current flows
up one arm, through your chest & down the other arm.
3.5 Mechanical Safety
3.5.1. When using compressed air, use only approved nozzles and never directs
the air towards any person.
3.5.2. Guards on machinery must be in place during operation.
3.5.3. Exercise care when working with or near hydraulically or pneumatically
driven equipment. Sudden or unexpected motion can inflict serious injury.
3.6 Additional Safety Guidelines
3.6.1. Never do unauthorized experiments.
3.6.2. Never work alone in laboratory.
3.6.3. Keep your lab space clean & organized.
3.6.4. Do not leave an on going experiment unattended.
3.6.5. Always inform your instructor if you break a component.
3.6.6. Check your glassware for cracks and chips each time you use it. Crack
could cause the glassware to fail during use and cause serious injury to your
lab mates.
3.6.7. Maintain unobstructed access to all exists, fire extinguishers, electrical
panels, emergency showers & eye washes.
3.6.8. Do not use corridors for storage or work areas.
3.6.9. Do not store heavy items above table height. Any overhead storage of
supplies on top of cabinets should be limited to lightweight items only. Also
remember that a 36” diameter area around all fire sprinkler heads must be
kept clear at all times.
3.6.10. Areas containing lasers, biohazards, radioisotopes & carcinogens should
be posted accordingly. However, do not post areas unnecessarily and be
sure that the labels are removed when the hazard are not longer present.
3.6.11. Be careful when lifting heavy objects. Only shop staff may operate
forklifts or cranes.
3.6.12. Clean your lab bench and equipment and lock the door before you leave
the laboratory.
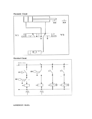
4.0 THEORY
4.1 As a device to transfer materials from other materials handling device to
another.
4.2 When S1 switch pushed, a cylinder move forward.
4.3 Raw materials then come out when the S1 switch, pushed.
4.4 Push S2 switch to move cylinder backward. It will close the hopper and
stopped the materials from coming out.
5.0 PROCEDURES :
5.1 The equipment based on the list is prepared.
5.2 The circuit based on the pneumatic circuit and electrical circuit given is
connected.
5.3 Make sure all connection fixed properly.
5.4 The air in the system is turned.
5.5 The start button is pushed and the movement of the cylinder is observed.
5.6 The circuit is disconnected and the compressor pressure is released.
Pneumatic Circuit
Electrical Circuit
6.0 RESULT / DATA
Figure 1. Arrangement of apparatus and actuator position before push button is applied
As the push button is entered, the actuator propels out and retracts in continuously where
the timing is determined by the air pressure regulator. In this case, the mechanical limit
switch is installed at the position where the double acting actuator propels put fully thus
the electrical signal output is differed being sent to the relay switch then causing the
continuous rapid motion of the actuator moving in and out.
7.0 CONCLUSION
The industrial hopper controller application has been taught through this experiment
where relay switch plays an important role in the application. The circuit arrangement
was exposed during the installation.

Pneumatic Lab 3 JJ512

  • 1.
    EXPERIMENT 3 :HOPPER CONTROLLER 1.0 LEARNING OUTCOMES : At the end of this experiment, the student should be able to ; 1.1 Build the electrical and pneumatic circuit. 1.2 Check the layout of the circuit. 2.0 EQUIPMENT / APPARATUS 2.1 An electrical distribution plate (transformer) 2.2 A button relay box ( Electrical Input signal) 2.3 A coil relay box 2.4 A 5/2 way double solenoid valve 2.5 A double acting cylinder 2.6 Two (2) electrical limits switch 2.7 A service unit & manifold & air hose & electrical wires. 3.0 SAFETY AND HEALTH : All students must read and understand the information in this document with regard to laboratory safety and emergency procedures prior to the first laboratory session. Your personal laboratory safety depends mostly on you. Effort has been made to address situations that may pose a hazard in the lab but the information and instruction provided cannot be considered all inclusive. Students must adhere to written and verbal safety instructions throughout the academic term. Since additional instructions may be given at the beginning of laboratory sessions, it is important that all students arrive at each session on time. With good judgment, the chance of an accident in the course is very small. Nevertheless, research and teaching workplace (labs, shops, etc.) are full of potential hazard that can cause serious injury and or damage to the equipment. Working alone and unsupervised in laboratories is forbidden if you are working with hazardous substances or equipment. With prior approval, at least two people should be present so that one can shut down equipment and call for help in the event of an emergency. Safety training and information should be provided by a faculty member, teaching assistant, lab safety contact, or staff member at the beginning of new assignment or when a new hazard is introduced into the workplace.
  • 2.
    3.1. Emergency Response 3.1.1.It is your responsibility to read safety and fire alarm and follow the instruction during an emergency. 3.1.2. Know the location of the fire extinguisher and know how to use them. 3.1.3. Notify your instructor immediately any injury, fire or explosion, or spill. 3.1.4. Know the building evacuation procedures. 3.2. Common Sense 3.2.1. Good common sense is needed for safety in a laboratory. It is expected that each student will work in responsible manner and exercise good judgment and common sense. 3.2.2. If at any time you are how to handle not sure how to handle a particular situation, ask your Teaching Assistant or Instructor For Advice. DO NOT TOUCH ANYTHING WITH WHICH YOU ARE NOT COMPLETELY FAMILIAR!!! 3.2.3. It is always better to ask question than to risk harm to yourself or damage to the equipment. 3.3 Personal And General Laboratory Safety 3.3.1. Never eat, drink, or smoke while working in the laboratory. 3.3.2. Read labels carefully. 3.3.3. Do not use any equipment unless you are trained and approved as a user by your supervisor. 3.3.4. Wear safety glasses or face shields when working with hazardous material and equipment. 3.3.5. Wear gloves when using any hazardous or toxic agent. 3.3.6. Clothing: When handling dangerous substances, wear gloves, laboratory coats, and safety shield or glasses, Shorts and sandals should not be worn in the lab any time. Shoes are required when working in the machine shops. 3.3.7. If you have long hair or loose clothes, make sure it is tied back or confined. 3.3.8. Keep the work area clear of all material except those needed for your work. Coats should be hung in then hall or placed in a locker. Extra books, purses, etc. should be kept away from equipment that requires air flow or ventilation to prevent overheating. 3.3.9. Disposal – Students are responsible for the proper proposal of used material if any in appropriate containers. 3.3.10. Equipment Failure – If a place of equipment fails while be used, report it immediately to your lab assistant or tutor. Never try to fix the problem yourself because you could harm yourself and others. 3.3.11. If leaving a lab unattended, turn off all ignition sources and lock the doors 3.3.12. Clean up your work area before leaving. 3.3.13. Wash hands before leaving the lab and before eating.
  • 3.
    3.4 Electrical Safety 3.4.1.Obtain permission before operating any high voltage equipment. 3.4.2. Maintain an unobstructed access to all electrical panels. 3.4.3. Wiring or other electrical modifications must be referred to the Workshop Coordinator 3.4.4. Avoid using extension cords whenever possible. If you must use one, obtain a heavy-duty one that is electrically grounded, with its own fuse, and install it safety. Extension cords should not go under doors, across aisles, be hung from the ceiling, or plugged into other extension cords. 3.4.5. Never, ever modify attach or otherwise change any high voltage equipment. 3.4.6. Always make sure all capacitors are discharged ( using a grounded cable with an insulating handle) before touching high been turned off. Capacitors can hold charge for many hours after the equipment has been turned off. 3.4.7. When you are adjusting any high voltage equipment or a laser which is powered with a high voltage supply, USE ONLY ONE HAND. Your other hand is best placed in a pocket or behind your back. This procedure eliminates the possibility of an accident where high voltage current flows up one arm, through your chest & down the other arm. 3.5 Mechanical Safety 3.5.1. When using compressed air, use only approved nozzles and never directs the air towards any person. 3.5.2. Guards on machinery must be in place during operation. 3.5.3. Exercise care when working with or near hydraulically or pneumatically driven equipment. Sudden or unexpected motion can inflict serious injury. 3.6 Additional Safety Guidelines 3.6.1. Never do unauthorized experiments. 3.6.2. Never work alone in laboratory. 3.6.3. Keep your lab space clean & organized. 3.6.4. Do not leave an on going experiment unattended. 3.6.5. Always inform your instructor if you break a component. 3.6.6. Check your glassware for cracks and chips each time you use it. Crack could cause the glassware to fail during use and cause serious injury to your lab mates. 3.6.7. Maintain unobstructed access to all exists, fire extinguishers, electrical panels, emergency showers & eye washes. 3.6.8. Do not use corridors for storage or work areas. 3.6.9. Do not store heavy items above table height. Any overhead storage of supplies on top of cabinets should be limited to lightweight items only. Also remember that a 36” diameter area around all fire sprinkler heads must be
  • 4.
    kept clear atall times. 3.6.10. Areas containing lasers, biohazards, radioisotopes & carcinogens should be posted accordingly. However, do not post areas unnecessarily and be sure that the labels are removed when the hazard are not longer present. 3.6.11. Be careful when lifting heavy objects. Only shop staff may operate forklifts or cranes. 3.6.12. Clean your lab bench and equipment and lock the door before you leave the laboratory. 4.0 THEORY 4.1 As a device to transfer materials from other materials handling device to another. 4.2 When S1 switch pushed, a cylinder move forward. 4.3 Raw materials then come out when the S1 switch, pushed. 4.4 Push S2 switch to move cylinder backward. It will close the hopper and stopped the materials from coming out. 5.0 PROCEDURES : 5.1 The equipment based on the list is prepared. 5.2 The circuit based on the pneumatic circuit and electrical circuit given is connected. 5.3 Make sure all connection fixed properly. 5.4 The air in the system is turned. 5.5 The start button is pushed and the movement of the cylinder is observed. 5.6 The circuit is disconnected and the compressor pressure is released.
  • 5.
  • 6.
    Figure 1. Arrangementof apparatus and actuator position before push button is applied As the push button is entered, the actuator propels out and retracts in continuously where the timing is determined by the air pressure regulator. In this case, the mechanical limit switch is installed at the position where the double acting actuator propels put fully thus the electrical signal output is differed being sent to the relay switch then causing the continuous rapid motion of the actuator moving in and out. 7.0 CONCLUSION The industrial hopper controller application has been taught through this experiment where relay switch plays an important role in the application. The circuit arrangement was exposed during the installation.