Sequencing & Interlocking
for Motors:
Unit 2
Sequencing & Interlocking for Motors:
1. Standard symbols used for Electrical Wiring Diagram, Electrical Wiring
Diagram in relation to motors:
2. • Concept of sequencing & Interlocking .
3. • Starting, Stopping, Emergency shutdown, (Direct on line, star delta)
4. • Protection of motors: Short circuit protection, Over load Protection,
Low/Under
5. Voltage Protection, Phase reversal Protection, Over temperature Protection.
6. • Reversing direction of rotation.
7. • Braking.
8. Starting with variable speeds.
9. • Jogging/Inching
10. Motor Control Center: Concept and wiring diagrams
Switches and symbol
Motor & working principle
An induction motor (also known as an asynchronous motor) is a commonly used AC electric motor. In an
induction motor, the electric current in the rotor needed to produce torque is obtained via electromagnetic
induction from the rotating magnetic field of the stator winding. The rotor of an induction motor can be a
squirrel cage rotor or wound type rotor.
When we give the supply to the stator winding, a magnetic flux gets produced in the stator due to the flow of
current in the coil. The rotor winding is so arranged that each coil becomes short-circuited.The flux from the
stator cuts the short-circuited coil in the rotor. As the rotor coils are short-circuited, according to Faraday’s law
of electromagnetic induction, the current will start flowing through the coil of the rotor. When the current
through the rotor coils flows, another flux gets generated in the rotor. Now there are two fluxes, one is stator
flux, and another is rotor flux. The rotor flux will be lagging in respect of the stator flux. Because of that,
the rotor will feel a torque which will make the rotor to rotate in the direction of the rotating magnetic field. This
is the working principle of both single and three phase induction motors.
https:/www.youtube.com/watch?time_continue=39&v=cuwSCutTHEI&feature=emb_logo/
Sequencing
Auxiliary contacts (or interlocks) used for automatic sequence control. Contact (M1) energizes coil (M2); contact
(M2) energizes coil (M3).
AUTOMATIC SEQUENCE CONTROL
A series of motors can be started automatically with only one start-stop control station as shown in fig. When the
lube oil pump, (M1) in ill. 3, is started by pressing the start button, the pressure must be built up enough to close
the pressure switch before the main drive motor (M2) will start. The pressure switch also energizes a timing relay
(TR). After a preset time delay, the contact (TR) will close and energize the feed motor starter coil (M3).
If the main drive motor (M2) becomes over loaded, the starter and timing relay (TR) will open. As a result, the feed
motor circuit (M3) will be de-energized due to the opening of the contact (TR). If the lube oil pump motor (M1)
becomes overloaded, all of the motors will stop. Practically any desired overload control arrangement is possible.
ill. 4 reviews some common overload control arrangements for operating different machinery control schemes.
Electrical Interlocking
To interconnect the motor circuit in such a way, in which the second motor will not start until the
first one run likewise the third one motor will not run unless the second one run and so on. This
kind of motor circuit connection is called interlocking.
Working:-
When we push the ON-1 button to energies the M1 Contactor (or starts M1 Motor), then circuit complete
through Fuse, Overload relay’s trip link, OFF Push -1 and ON Push 1. And motor M1 Starts to run.
As Contactor M1 energies, it’s all normally Close (NC) links open and the other normally open (NO) links
used in the circuit close. When m1 energies, the normally open (NO) link will be closed immediately, which
is in parallel with ON-Push 1. This is called Holding link i.e. it holds the motor in start condition. Now,
Motor will still run even we leave (disconnect to stop) the ON-Push 1.
A normally open (NO) link is also used in line 2. When M1 energizes, this link (NO M1 in line 2) will be
also closed, therefore, M1 Motor will start to run, this way, supply also will reach to ON Push 2. Now, if we
press ON-Push 2, then second motor M2 will be also started to run, in addition, the normally open (NO)
links of the connected contactor M2 in the circuit would be also closed immediately. And Holding would be
occurred through M2 link which is in parallel with ON-Push 2. This way, Motor 2 will start to run.
Note that Motor 2 will not start to run until Motor 1 runs, i.e. unless Motor 1 link M1 close. Likewise, Motor
3 will not start until motor 2 runs, i.e. motor 3 will start (by pressing the On-Push of Motor 3 =M3) to run
after start the motor 2.
In each control circuit, control fuse, and overload relays are connected for short circuit and overload
protection respectively.
Another case of Interlocking
if we need that Motor 1 should stop when Motor 3 starts to run, then we may
use a Normally Close (NC) link of M3 in line 1. This way, when Contactor M3
energizes, and motor 3 starts to run, then the normally close (NC) link of
Motor 1 connected in line 1 will open immediately (after energizing the M3
Contactor) which cause to de-energize the M1 contactor, hence, Motor M1 will
stop.
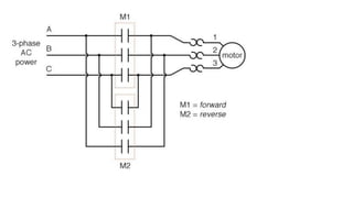
An example of this is in reversible motor control, where two motor contactors are wired to switch polarity (or
phase sequence) to an electric motor, and we don’t want the forward and reverse contactors energized
simultaneously:
When contactor M1 is energized, the 3 phases (A, B, and C) are connected directly to terminals 1, 2, and 3 of
the motor, respectively.
However, when contactor M2 is energized, phases A and B are reversed, A going to motor terminal 2 and B
going to motor terminal 1.
This reversal of phase wires results in the motor spinning the opposite direction.
If someone were to do that, phases A and B would be short-circuited together by virtue of the fact that
contactor M1 sends phases A and B straight to the motor and contactor M2 reverses them; phase A would be
shorted to phase B and vice versa.
Obviously, this is a bad control system design!
How to Prevent Short-Circuit in Control System’s Design?
To prevent this occurrence from happening, we can design the circuit so that the energization of one
contactor prevents the energization of the other.
This is called interlocking, and it is accomplished through the use of auxiliary contacts on each contactor
Now, when M1 is energized, the normally-closed auxiliary contact on the second rung will be open, thus
preventing M2 from being energized, even if the “Reverse” pushbutton is actuated.
Likewise, M1‘s energization is prevented when M2 is energized. Note, as well, how additional wire numbers (4
and 5) were added to reflect the wiring changes.
It should be noted that this is not the only way to interlock contactors to prevent a short-circuit condition.
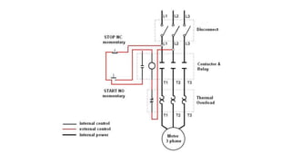
Motor Starters
Motor Starters are switches specially designed for starting motors. These switches are designed to
withstand the larger loads required by motors.
A Starter is a device that controls the use of electrical power to equipment, usually a motor. As the
name implies, starters "start" motors. They can also stop them, reverse them, and protect them.
Starters are made from two building blocks, Contactors and Overload Protection.
1. Contactors control the electric current to the motor. Their function is to repeatedly establish and
interrupt an electrical power circuit.
2. Overload Protection protects motors from drawing too much current, overheating, and from
literally "burning out".
There are basically two types of motor starters, Manual Starters and Magnetic Starters.
Manual Starter
The manual starter is operated manually. Operating a manual starter is fairly
simple and straightforward: a button or toggle (mounted directly on the starter) is
pressed to start or stop the connected electrical equipment. Mechanical linkages
from the buttons or toggle force the contacts to open and close, starting and
stopping the motor. Often, a manual starter is the best choice for an application
because it offers:
● Compact physical size
● Choice of enclosures
● Low initial cost
● Motor overload protection
● Safe and economical operation
manual starters are generally used on smaller loads where low voltage protection is
not needed.
Magnetic Motor Starter Circuitry
The motor starter has two circuits: the power circuit and the control circuit. The power
circuit runs from the line to the motor. Electricity passes through the contacts of a starter,
the overload relay and out to the motor. The power (main) contacts carry the motor current.
The control circuit operates the contactor (on/off). The contacts that interrupt or allow
the main current to flow to the motor are controlled by opening or closing the contacts in the
control circuit. The control circuit energizes the coil creating an electromagnetic field that pulls
the power contacts closed, thereby connecting the motor to the line. The control circuit makes
remote operation possible.
The control circuit can get its power on one of two ways. If the control circuit gets its power
from the same source as the motor, this is termed Common Control.
The other type is Separate Control. This is the most common form of control. In this
arrangement, the control circuit gets its power from a separate source, usually lower in voltage
than the motor's power source.
2 wire & 3 wire
In addition, there are two ways to wire the control circuit. One common method of wiring
the control circuit is known as Two-Wire. It uses a maintained contact type of pilot
device-such as thermostat, float switch, or presence sensor. This circuit provides for an
automatic operation (start-stop) of the load.
The other common method of wiring the control circuit is Three-Wire control. It uses
momentary contact pilot devices and a holding circuit contact. The holding circuit contact
is commonly an auxiliary contact on the starter or contactor. If power is interrupted, the
circuit must be restarted by an operator or other intervening logic.
Contactor connection
Single phase motor wiring diagram

Interlocking of motor

  • 1.
  • 2.
    Sequencing & Interlockingfor Motors: 1. Standard symbols used for Electrical Wiring Diagram, Electrical Wiring Diagram in relation to motors: 2. • Concept of sequencing & Interlocking . 3. • Starting, Stopping, Emergency shutdown, (Direct on line, star delta) 4. • Protection of motors: Short circuit protection, Over load Protection, Low/Under 5. Voltage Protection, Phase reversal Protection, Over temperature Protection. 6. • Reversing direction of rotation. 7. • Braking. 8. Starting with variable speeds. 9. • Jogging/Inching 10. Motor Control Center: Concept and wiring diagrams
  • 4.
  • 5.
    Motor & workingprinciple An induction motor (also known as an asynchronous motor) is a commonly used AC electric motor. In an induction motor, the electric current in the rotor needed to produce torque is obtained via electromagnetic induction from the rotating magnetic field of the stator winding. The rotor of an induction motor can be a squirrel cage rotor or wound type rotor.
  • 8.
    When we givethe supply to the stator winding, a magnetic flux gets produced in the stator due to the flow of current in the coil. The rotor winding is so arranged that each coil becomes short-circuited.The flux from the stator cuts the short-circuited coil in the rotor. As the rotor coils are short-circuited, according to Faraday’s law of electromagnetic induction, the current will start flowing through the coil of the rotor. When the current through the rotor coils flows, another flux gets generated in the rotor. Now there are two fluxes, one is stator flux, and another is rotor flux. The rotor flux will be lagging in respect of the stator flux. Because of that, the rotor will feel a torque which will make the rotor to rotate in the direction of the rotating magnetic field. This is the working principle of both single and three phase induction motors. https:/www.youtube.com/watch?time_continue=39&v=cuwSCutTHEI&feature=emb_logo/
  • 9.
    Sequencing Auxiliary contacts (orinterlocks) used for automatic sequence control. Contact (M1) energizes coil (M2); contact (M2) energizes coil (M3).
  • 10.
  • 11.
    A series ofmotors can be started automatically with only one start-stop control station as shown in fig. When the lube oil pump, (M1) in ill. 3, is started by pressing the start button, the pressure must be built up enough to close the pressure switch before the main drive motor (M2) will start. The pressure switch also energizes a timing relay (TR). After a preset time delay, the contact (TR) will close and energize the feed motor starter coil (M3). If the main drive motor (M2) becomes over loaded, the starter and timing relay (TR) will open. As a result, the feed motor circuit (M3) will be de-energized due to the opening of the contact (TR). If the lube oil pump motor (M1) becomes overloaded, all of the motors will stop. Practically any desired overload control arrangement is possible. ill. 4 reviews some common overload control arrangements for operating different machinery control schemes.
  • 12.
    Electrical Interlocking To interconnectthe motor circuit in such a way, in which the second motor will not start until the first one run likewise the third one motor will not run unless the second one run and so on. This kind of motor circuit connection is called interlocking. Working:- When we push the ON-1 button to energies the M1 Contactor (or starts M1 Motor), then circuit complete through Fuse, Overload relay’s trip link, OFF Push -1 and ON Push 1. And motor M1 Starts to run. As Contactor M1 energies, it’s all normally Close (NC) links open and the other normally open (NO) links used in the circuit close. When m1 energies, the normally open (NO) link will be closed immediately, which is in parallel with ON-Push 1. This is called Holding link i.e. it holds the motor in start condition. Now, Motor will still run even we leave (disconnect to stop) the ON-Push 1.
  • 13.
    A normally open(NO) link is also used in line 2. When M1 energizes, this link (NO M1 in line 2) will be also closed, therefore, M1 Motor will start to run, this way, supply also will reach to ON Push 2. Now, if we press ON-Push 2, then second motor M2 will be also started to run, in addition, the normally open (NO) links of the connected contactor M2 in the circuit would be also closed immediately. And Holding would be occurred through M2 link which is in parallel with ON-Push 2. This way, Motor 2 will start to run. Note that Motor 2 will not start to run until Motor 1 runs, i.e. unless Motor 1 link M1 close. Likewise, Motor 3 will not start until motor 2 runs, i.e. motor 3 will start (by pressing the On-Push of Motor 3 =M3) to run after start the motor 2. In each control circuit, control fuse, and overload relays are connected for short circuit and overload protection respectively.
  • 15.
    Another case ofInterlocking if we need that Motor 1 should stop when Motor 3 starts to run, then we may use a Normally Close (NC) link of M3 in line 1. This way, when Contactor M3 energizes, and motor 3 starts to run, then the normally close (NC) link of Motor 1 connected in line 1 will open immediately (after energizing the M3 Contactor) which cause to de-energize the M1 contactor, hence, Motor M1 will stop.
  • 16.
    An example ofthis is in reversible motor control, where two motor contactors are wired to switch polarity (or phase sequence) to an electric motor, and we don’t want the forward and reverse contactors energized simultaneously:
  • 18.
    When contactor M1is energized, the 3 phases (A, B, and C) are connected directly to terminals 1, 2, and 3 of the motor, respectively. However, when contactor M2 is energized, phases A and B are reversed, A going to motor terminal 2 and B going to motor terminal 1. This reversal of phase wires results in the motor spinning the opposite direction. If someone were to do that, phases A and B would be short-circuited together by virtue of the fact that contactor M1 sends phases A and B straight to the motor and contactor M2 reverses them; phase A would be shorted to phase B and vice versa. Obviously, this is a bad control system design!
  • 19.
    How to PreventShort-Circuit in Control System’s Design? To prevent this occurrence from happening, we can design the circuit so that the energization of one contactor prevents the energization of the other. This is called interlocking, and it is accomplished through the use of auxiliary contacts on each contactor
  • 20.
    Now, when M1is energized, the normally-closed auxiliary contact on the second rung will be open, thus preventing M2 from being energized, even if the “Reverse” pushbutton is actuated. Likewise, M1‘s energization is prevented when M2 is energized. Note, as well, how additional wire numbers (4 and 5) were added to reflect the wiring changes. It should be noted that this is not the only way to interlock contactors to prevent a short-circuit condition.
  • 21.
    Motor Starters Motor Startersare switches specially designed for starting motors. These switches are designed to withstand the larger loads required by motors. A Starter is a device that controls the use of electrical power to equipment, usually a motor. As the name implies, starters "start" motors. They can also stop them, reverse them, and protect them. Starters are made from two building blocks, Contactors and Overload Protection. 1. Contactors control the electric current to the motor. Their function is to repeatedly establish and interrupt an electrical power circuit. 2. Overload Protection protects motors from drawing too much current, overheating, and from literally "burning out". There are basically two types of motor starters, Manual Starters and Magnetic Starters.
  • 22.
    Manual Starter The manualstarter is operated manually. Operating a manual starter is fairly simple and straightforward: a button or toggle (mounted directly on the starter) is pressed to start or stop the connected electrical equipment. Mechanical linkages from the buttons or toggle force the contacts to open and close, starting and stopping the motor. Often, a manual starter is the best choice for an application because it offers: ● Compact physical size ● Choice of enclosures ● Low initial cost ● Motor overload protection ● Safe and economical operation manual starters are generally used on smaller loads where low voltage protection is not needed.
  • 25.
    Magnetic Motor StarterCircuitry The motor starter has two circuits: the power circuit and the control circuit. The power circuit runs from the line to the motor. Electricity passes through the contacts of a starter, the overload relay and out to the motor. The power (main) contacts carry the motor current. The control circuit operates the contactor (on/off). The contacts that interrupt or allow the main current to flow to the motor are controlled by opening or closing the contacts in the control circuit. The control circuit energizes the coil creating an electromagnetic field that pulls the power contacts closed, thereby connecting the motor to the line. The control circuit makes remote operation possible. The control circuit can get its power on one of two ways. If the control circuit gets its power from the same source as the motor, this is termed Common Control. The other type is Separate Control. This is the most common form of control. In this arrangement, the control circuit gets its power from a separate source, usually lower in voltage than the motor's power source.
  • 26.
    2 wire &3 wire In addition, there are two ways to wire the control circuit. One common method of wiring the control circuit is known as Two-Wire. It uses a maintained contact type of pilot device-such as thermostat, float switch, or presence sensor. This circuit provides for an automatic operation (start-stop) of the load. The other common method of wiring the control circuit is Three-Wire control. It uses momentary contact pilot devices and a holding circuit contact. The holding circuit contact is commonly an auxiliary contact on the starter or contactor. If power is interrupted, the circuit must be restarted by an operator or other intervening logic.
  • 29.
  • 32.
    Single phase motorwiring diagram