Two supply sources for a Three phase Induction motors:
In this method of speed control of three phase induction motor, we provide two
separate windings in the stator. These two stator windings are electrically isolated
from each other and are wound for two different numbers of poles. Using a switching
arrangement, at a time, supply is given to one winding only and hence speed control
is possible. Disadvantages of this method are that the smooth speed control is not
possible. This method is more costly and less efficient as two different stator
windings are required. This method of speed control can only be applied to squirrel
cage motor.
Direct reversing control & jogging operation of Motors
Interchanging any two leads to a three-phase induction motor will cause it to run in
the reverse direction. A three-phase reversing starter consists of two contactors
enclosed in the same cabinet.
As seen in the picture, the contacts (F) of the forward contactor, when closed,
connect L1 L2 and L3 to motor terminals T1 T2 and T3 respectively. In the other
way, the contacts (R) of the reverse contactor, when closed, connect L1 to motor
terminal T3 and connect L3 to motor terminal T1, causing the motor to run in the
opposite direction.
Mechanical and electrical interlocks are used to prevent the forward and
reverse contactors for being activated at the same time which would cause a short
circuit. Eletrical pushbutton interlocks use double-contact (NO and NC) pushbutton.
The reversal of a dc motor can be accomplished in two ways :
• Reversing the direction of the armature current and leaving the field current
the same.
• Reversing the direction of the field current and leaving the armature current
the same.
Most of dc motors are reversed by switching the direction of current flow through
the armature. The switching action generally takes place in the armature because the
armature hass a much lower inductance than the field. The lower inductance cause
less arcing of the switching contacs when the motor reverse its direction.
Jogging (inching) is the momentary operation of a motor for the purpose of
accomplishing small movement of the driven machine. Jogging is used when motors
must be operated momentarily.
From the picture, it shows a jog control circuit requiring a double contact jog
pushbutton (one NC contact and one NO contact). When the JOG button is pressed,
the seal in circuit to the starter coil is opened by the NC contacts of the JOG
pushbutton.
A jogging attachment can be used to prevent the reclosing of the NC contacts
of the JOG button. This devices ensures that the starter holding circuit is not
reestablished if the JOG button is released too rapidly. Jogging can be repeated by
reclosing the JOG button, it can be continued until the jogging attachment is
removed.
The control relay jogging is much safer than the previous circuit. A single
contact JOG pushbutton is used in addition, the circuit incorporates a jog control
relay.
Selector switch is used to obtain jogging in the control circuit.
Interlocking Methods for Reversing Control:
The direction of rotation of three-phase motors can be reversed by interchanging
any two motor leads to the line. If magnetic control devices are to be used, then
reversing starters accomplish the reversal of the motor direction, ill. 1. Reversing
starters wired to NEMA standards interchange lines L1 and L3, ill. 2. To do this,
two contactors for the starter assembly are required-one for the forward direction
and one for the reverse direction, ill. 3. A technique called interlocking is used to
prevent the contactors from being energized simultaneously or closing together and
causing a short circuit. There are three basic methods of interlocking.
ill. 1 Horizontal reversing starter shown without overload relay. (e.g., made by
Schneider Electric)
ill. 2 Reversing rotation of an induction motor.
ill. 3 Elementary diagram of a reversing starter power circuit.
MECHANICAL INTERLOCK
A mechanical interlocking device is assembled at the factory between the forward
and reverse contactors. This interlock locks out one contactor at the beginning of the
stroke of either contactor to prevent short circuits and burnouts.
The mechanical interlock between the contactors is represented in the elementary
diagram of ill. 4 by the broken line between the coils. The broken line indicates the
coils F and R cannot close contacts simultaneously because of the mechanical
interlocking action of the device. When the forward contactor coil (F) is energized
and closed through the forward push but ton, the mechanical interlock prevents the
accidental closing of coil R. Starter F is blocked by coil R in the same manner. The
first coil to close moves a lever to a position that prevents the other coil from closing
its contacts when it's energized. If an oversight allows the second coil to remain
energized without closing its contacts, the excess current in the coil due to the lack
of the proper inductive reactance will dam age the coil. Note in the elementary
diagram of ill. 4 that the stop button must be pushed before the motor can be
reversed. Reversing starters are available in horizontal and vertical construction. A
vertical starter is shown in ill. 5. A mechanical interlock is installed on the majority
of reversing starters in addition to the use of one or both of the following electrical
methods: push-button interlock and auxiliary contact interlock.
ill. 4 Mechanical interlock between the coils pre vents the starter from closing all
contacts simultaneously. Only one contactor can close at a time.
ill. 5 Vertical reversing motor starter. (Schneider Electric)
ill. 6 Elementary diagram of the reversing starter shown in ill. 1.The mechanical,
push-button, and auxiliary contact interlock are indicated.
PUSH-BUTTON INTERLOCK
Push-button interlocking is an electrical method of preventing both starter coils from
being energized simultaneously.
When the forward button in ill. 6 is pressed, coil F is energized and the normally
open (NO) contact F closes to hold in the forward contactor. Because the normally
closed (NC) contacts are used in the forward and reverse push-button units, there is
no need to press the stop button before changing the direction of rotation. If the
reverse button is pressed while the motor is running in the forward direction, the
forward control circuit's de-energized and the reverse contactor is energized and held
closed.
Repeated reversals of the direction of motor rotation are not recommended. Such
reversals may cause the overload relays and starting fuses to overheat; this
disconnects the motor from the circuit. The driven machine may also be damaged.
It may be necessary to wait until the motor has coasted to a standstill.
NEMA specifications call for a starter to be de-rated. That is, the next size larger
starter must be selected when it's to be used for "plugging" to stop, or "reversing" at
a rate of more than five times per minute.
Reversing starters consisting of mechanical and electrical interlocked devices are
preferred for maximum safety.
ill. 7 Electrical interlocks and terminal blocks. AUXILIARY CONTACT
INTERLOCK (e.g., as made by Eaton Corporation)
Another method of electrical interlock consists of normally closed auxiliary contacts
on the forward and reverse contactors of a reversing starter, ill. 6.
When the motor is running forward, a normally closed contact (F) on the forward
contactor opens and prevents the reverse contactor from being energized by mistake
and by closing.
The same operation occurs if the motor is running in reverse. Electrical interlocks
are usually mounted on the side of a motor starter.
These are shown in ill. 7.
The term interlocking is also used generally when referring to motor controllers and
control stations that are interconnected to provide control of production operations.
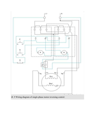
To reverse the direction of rotation of single phase motors, either the starting or
running winding motor leads are interchanged, but not both. A schematic diagram
showing the connection for reversing the direction of rotation for a single-phase
motor is shown in ill. 8. A wiring diagram of this connection is shown in ill. 9.
ill. 8 Reversing the direction of rotation of a single-phase motor.
ill. 9 Wiring diagram of single-phase motor reversing control.
Overload Relays:
Overload relay is one such device that protects a motor from damages caused due
to overloads and over-currents. It is used with contactors and can be found in
motor control centers and motor starters.
Principle of operation:
A thermal overload relay works in the principle of electro-thermal properties in a
bimetallic strip. It is placed in the motor circuit in such a way that the current to the
motor flows through its poles. The bimetallic strip gets heated up by the current
directly or indirectly and when the current flow exceeds the set value, it bends.
They are always work in combination with contactors. When the bimetallic strips
heat up, the trip contact is activated that in turn breaks the power supply to the
contactor coil, de-energizing it and breaking the current flow to the motor. This
tripping time is always inversely proportional to the current flow through the OLR.
Hence higher the current flow faster shall it trips. Therefore, thermal overload
relays are referred to as current dependent and inversely time-delayed relay.
Types of overload relays
Overload relays can be classified as follows:
1. Bimetallic thermal overload relays
2. Electronic overload relays
The working principle of the above differs a little from each other. Let us discuss
it in the following sections.
Working of bimetallic thermal overload relay
As explained above, a bimetallic thermal relay works on heating property of
bimetallic strip. In the direct heating method, the full current to the motor flows
through the OLR. Therefore, it gets heated up directly by the current.
But in the case of indirect heating, the bimetallic strip is held in close contact with
the current-carrying conductor inside the OLR. Excessive current flow to the motor
heats up the conductor and hence the bimetallic strip. The conductor shall be
insulated hence no current flow through the strip.
Working of electronic overload relay
Electronic overload relays do not have a bimetallic strip inside. Instead, it uses
temperature sensors or current transformers to sense the amount of current flowing
to the motor. It uses microprocessor-based technology for protection. Temperature
is sensed using PTC and the same is used to trip the circuit in case of overload faults.
Some electronic overload relays come with current transformers and Hall effect
sensors that directly senses the amount of current flow.
The major advantage of electronic OLR over thermal OLR is that lack of
bimetallic strip results in low heat losses inside the relay. Also, Electronic relays are
more precise that the thermal relays. Some manufacturers build electronic relays
with extensive features such as earth fault protection, motor stall protection etc.
Electronic overload relays are much suited for applications that require a frequent
start and stop of motors. They are designed in such a way to withstand the starting
current (which is typically 6 to 10 times the full load current) of the motor for a
limited period (typically 15-30 seconds depending on the threshold of current).
Symbol of an overload relay
Here 1, 2, 3, 4, 5 and 6 are power terminal 95 & 96 are trip contacts and 97 & 98 are
signalling contacts.
What is trip Class of overload relay?
The time taken by them to open the contactor during overloads is specified by the
trip class. It is commonly classified into Class 10, Class 20, Class 30 and Class 5.
The OLR trips in 10 seconds, 20 seconds, 30 seconds and 5 seconds respectively at
600% of full load current to the motor.
Class 10 and Class 20 are very commonly used ones. Class 30 overload relays are
used for protection of motors driving high inertia loads and Class 5 relays are used
for the motors requiring very fast tripping.
How to use an overload relay in a circuit?
They are always used in combination with the contactors in the circuit. It is
connected in line with the motor such that the current to motor fully flow through it.
Below are the various types of connections for single-phase and three-phase motors.
Contactor control circuit
A contactor is a relay which is capable of switching large electrical loads.
Contactors and relays are operated by applying a voltage to the coil of an Electro-
magnet, which will cause a switch, (or several switches) to close. The circuit that
applies the voltage to the coil is referred to as the control circuit, because it controls
the main device that the contactor or relay is switching.
The coil voltage of a contactor or relay can be installed for virtually any control
circuit voltage, to provide complete flexibility for these devices (both AC and DC),
as the control circuit can be completely independent of the load it is switching.
It should be noted that when installing contactors or relays that you always check
the coil ratings. They often have not got a default rating of 230volts, and only go
bang once if they are connected to the wrong voltage!
The contactor is operated by the control circuit energizing a coil, which can be
controlled by any sort of switching device (to perform an assortment of tasks). When
the coil is energized, the circuit that the contactor is switching will be energized.
In the above example, there are two stop buttons (in brown - fig1) in the supply to
the coil (black zigzag - fig1). In the event that one of the stop buttons is struck, the
circuit to the coil will become broken, de-energizing the coil. The supply that the
contactor is switching (grey cables fig1) will therefore be switched off.
The contactor is operated by the control circuit energizing a coil, as in the example
above. When the coil is energized, the circuit that the contactor is switching will be
energized.
In the above example, there are two start, and two stop buttons (in brown - fig2) in
the supply to the coil (black zigzag - fig2).
To close the contactor (to energize the switched circuit), one of the two start buttons
(in green - fig2) must be pressed. Once the start button has been pressed, the
contactor will close, which will also close the 'lock' circuit to the contactor (holding
the supply to the coil).
To open the contactor (to de-energize the switched circuit), one of the stop buttons
must be pressed. The circuit to the coil will become broken, de-energising the coil.
The supply that the contactor is switching (grey cables fig1) will therefore be
switched off.
l
I
I
J
¾ qe~ ~n8 ~
~ ¼hhl)'t -6ys/:iro lo.mps made- ol,- d,bffisi""d 0-~ ,
used t.0hic.h ~N~ near1'd e_qual ilu.ur)rnoJior> .tf) o.JJ
di'lfe.cHo-ns
0~~8 .~ -
~, c ~ ~~ITcJ~6~
.' . .
1) p-rovid~ a.de.quati- ~ lluroinQh071
~) ltl)i~ro ~1-,I- dis~bu,~e,ry
'3) avoid
01a.Ye QJ)cf ho:rd -shadcws
., .. : ...Lt) f>rovide.s ti'<thl- ob St/ilnble. cdcx.tv-
•
.·····,~
~?--~=--·~ ~ ~06" de.~i8nio51 ~
s ~ - . ~
,, :.tl")kn$r'cJ otr 'fff1.un;naJioY)
$ele.e-Jiem o~ lumfnoJres
6) Gf~e.. Dt"b"bOn')
4) ~W')H'"'r] ~r~'"° ard ~fl=la'"'3 °6- f11)Hi~
5) eooct;~ ~ u~
Oj J:')~Ob-~~:-
*""fQ..9uT~e,s p d;'~tre.rl- illuM~r">ctho,')
~()J.ef)6~~ ~ di~enJ- ou~~
(.a.) {ach:,.ie_s- ~ wos~~ps ..::;>  50 - ISoO
Po wez hous~ ~ 100 - aoo
ol,-biciu
(b) ~~~ oern~: - (1,<ahl-f;·Ht·riv
-----
* A l~rt')1t')oiTL. ·,s O-Ffb,qJ,.,s c,.).,·,~~cf~~buTes ~,L
~ ~~ err
~SF'mS-fhL ~r '6"1
~t) ~ a. I~ or lamps
* ~ '>~esan, 1-ot- -fi • . _,_,
V ~"'8 ff prote.<:.~c} ~ /~
~ f:>t,pe.ndma t1p:,o ~Pf!. 9 b,- ie61a lie,, fllttmT~ ~ .
· - 7
u1~ecJ
"1'ht. lype.. (!>Ir-~~)s dwdd ·· ,;
~) et~e. ob-~n'):-
~
• I
.:, .6ot.nree. ouJ,:,uJ. tS no rtuUij uHli~Q.d ~ u:,Od'k pb.cta.
4' ftt-.-4-or li~h'- is ahs~~ b~ ii~nif ~ Aome. ~I-ts
o».sorbed ~ ~ b~ ~~ cw- t.,Ql~. .
• cnns•~ . b ~ 0..-~
1
k,not,n o£ ~-
kt:~foc.b
tdl? aeewcitnr.efr uh0
li~-(M .
~ d~t- dr't>,c,tl~n6 ~t.~ .
(_O.) LumU15 ~
t.b) Si~CL ~ e~ ot,-,eoC)
~) ~e~e.clioCl ~ ,elf'tl.'.>olls 'tr cei l:~
td) ~1-CIJ-W~ !
,.
, ·· te.) ~Ll"'len- .07- ~~,.,fl ek
-~' -~ -
~~OD~
. l
*~u.">fna>I ~ ~Tved. rt~ ~ ~ij;~ t,V
E!!rl0fl6 and
b'-tfrd& ~ e,~ i~ net«<)hbottt's ' ,1
~ 11e. diaonca_ O--a. ~1-,f-~ouYC.a.. t,'t~~ 400.I iSheuld te.
. ~ .c et1e ~ I-he.... clie~ bt.~ ~o ~ ~~~
.se :.. . ' .. .
 U¥'caS; . ;
,t€ d.lalonct... b ~ ~h--~T ,6houtcf r>d:- ~ oed L
•S-
~. lwu Sbe. .,,....,,""a ~ .
N-=- E.x. A
~X UFXMF
Nz.. ~ ob ffHin~ t')eede.d
E :::. R~9utlfEC# Yllumircl1oo (to,<)
''
A - t"-10'f'l<r1 41tea C"'>~ ~
o -= 1.t..trr>ens frttL ' pnxiu.~ p~ Jo.Jl'>p(lwnos)
'
u F- ~ . tLnltsoJ-CJt) ~
N~ 6 ' Mol()k.nof'>CL~
..
* A S"1a.l, o.sSQmb~ ,5'-,op lbtn lo~ i ton, u:,"Je... Of)j ~If)
apl-o huGSe.5 i.s ~ ~ ·i11un,in~d 1-o a. l~"~1 o Ir~oo lu"L
-rhe. UF o.nd. rot== ~e. 0-1~ cmd ~-8~Pl1~ ~- 1rht..
r,2,_ ey o.,1")~ "'~'lu.tu-e.~ 1-,:, Jurt,in~ libo..·tJ)~e.. C.)2-~
• ' I'
·,,- lol'f)w ·elp 5 0000 l~~ . '
• I
j •
'
~ .o0"'-''~10 ::- 'B-
~ooo~e•1lx.e_•~
1,
I. .. "

' '
N~ EXA
OX.UF XMF
' r
t'> O::: &ol~
. OXO•G")(.I
1)at:iL"'IS c, f U MC"9§ }(. 'fiJr .
' , 't
I Ul"l"le.n5 := C. p X W
I • I • ,
~eo = c..p x. 4rr
~ aoo ~ ·!24~ ··
yTr
r • t •
* A ~H:n ·pik~ 12.ort) X~om is k, be. ~llumirxu-d ~ n~J..}
. ,, .
plo'd °I ~ i rnTla.Y bank"~ ~uo.J lc:to u:, brnps suppc,csjed cm
t& h:>we-c-s,. tnhi~f., CJ:1"e. di~bt.t«:I ~-ro~ ~e.. 81rowxJ 1-o provtdt.
ap~m~ ~~ , fllomi~h~ 4 ','rtcl,1
: ~ esl.JJT)r11+,,.J
~01. e~ m1o..1 i;e-hl-- e,n'.,r»ed ~e.s ~ p~,,.., po/1-cnon1 lh:J,
· ftl u,pt'~on ~ foc:,o trt')/,.,.,ri... •s n~CQS.sa.~ ~Tv pu~
02! lhe. ~C- la,nps.00 -
~ ~-7he. oue,snU e;,f~
·Ob- lQl'l)p•,s '3o lro/w· :. . ~ , .·
' 'I ,
Ou.lpuJ. o~ '1.0.Ch t,ooci tJ'.l tan--.p
· "'- -30 xtooo "" 30,000 !un-,ens
N!:!-o,- 1000 u:, lamp; "'>ec,ch I-owe,
• ~ I• s,q,s(, ,
::?>o,ooo
~ 5D
=
◄
,t I}- ls do.-s~m.d lo 1lum~nae. '0:d=col"'ij hall c.iilh OJ)<l)!d
~lumf"°"""" ~~ ob,,[,<}- ~s, u.,,_, Th._ a=a. ol,-f..c.ll is
:se...,Xaom. 1l>e. tomps <><e I-<> be. f»e.J o.1- oro ~eJ~IJ,
--t-!rdour the. ng and -Si~ e.. "l,- r,,~ eSce.l)i-- lC:,.,,ps ""'JU"'1
+,.on e..l5bioe.r>~ 01,- t.;i lum/ '1>oll- ,tJ-F~c-4 ~M-F•~BS
~,-0 ss lu"'ens =9ur"d
= E><'I .;_ .a,;oxo0"ao
11
UF_
l<."tt' ; . 0,4,._o,e,e:;
' ' : '
£ 4-411,, .
-L•~ .,-...,<.J~ < 't,l!lil'b ~ 31,,b!;<o
•-~-- -y• -,, · · IQ
.
Ta~i"'a e,lorn_p_s alo,-,6 I-he len8~ ~'"''1a"l<'t.."fr
?10
-m-
8Tal,i'"'f 0 lomp, c.,icl~ .sp:,ci"'a ol,- ~ Je.., +m c,>idf/i
Wloe..
Tolol l'9 ofr 1-,p;r 3X5.: 4c
I •
woJl.cae 01r l;&J,·10."1'~ ':3E.1E.s- " 1oooo::i
- ·II ' . · · 40
!hue. ~
0
~!11 be.~~
, ·. .. <!16:>(f) Cl)~(:£) EE)© ,f
® ©~ ~ll) ©.~If> ~n')
' ID (!) ID 0!) ID {!) ~ I
~it~E&~ .
.If- 11,Q_ b"n"td'"'t d~ ..--oioJe."' I¾. 1ra1-ih'1! Schen,e_ 0 ~,,,,
· -e~nee,Jn~ COllef
[)/mensior,s ot hall - _30m)(Qomi<_
gm(~l~f))
• 'W)OUT)~na heJ~fir - 5'1'J . ' ·
~e'l"'i.-e.d le-ie.l o~ ftlu"11 ooH01'l :... 140 lrn/,,,2..
O·F - o,i;;
l'·F - 0•15"'
~to he.ianl-'faiu). - un'ht
~/~ fo, "oeotill~ - 1olu={~
. '
.W'<l<n'l / u,oJ+- to' &>ow Jamp r II, Iumens{woil--
, 11·· ..
uSn1 meh,J iilorow- }<,Mps, u;~m<il1 I-he si~e, a,,d D!l 't
$1le ~p 1,..,., ·,,,a,<J~ o;,d ol.so dn,.w lh& /4p:td'1 ~ 1
. . . . '
~01": ' ' ', . : .,_
r ~ ~ 14olm/tn · · ·· . · , ,
' ' . . '}_
A~ • 001<11.0::-Goom , , ·
L)F :.O'b I tJF":0-15 .
~ lu.mu,S' rwiu.'r,.dc El<:/! , = - 14ox.&oo
UFX"F_ ~ ,I, 1<0-1'::r
.- I
·=·18&&!>1 ll<) , ., ,:. _, . ' ,
lbmen e/p ~~ ~w l°"'f'.c 5oox lb= l!,ooo ,
. , . . . .
t,le,. ' !:mt.l ai,;i:e, ~.:.ed =- ·860~1 - -~ ;
l . ,·  . 1 , ; Boco ,
' r . " I I
,blrriTla<~ ..,Q. i:j,, '!MWI °"'fS 'fe<:JW-d ,,• ~bJ ;;_48
I(. ;:';O ...-, - , . ., Ii- ,,
:3'.':° I( 1:3
~ ~ ® ~=~ - ~ '~ --
(!) ' -
~ '' ® ,(t) . © ,.· (t) ~ ;
, ! ·e· {£)1'Q') ~ I~ ®
® ® t.!) ® ®
s~~-!:}it:]:-
o~~"~ :-
~
{!J co.o:z,-~ Jis,,L 0~nuc.ka')5 on y~ 1r-,a,d~ ~
-o)J~ ~~ OJ"'ld c00v~ni~ ,
@ enho.n~I+~ cot'l'ln'W1 i1 valuct. o}r.skeJ-
© rn'"1?. olhoclive..
~ p,rfnciple..s f"vot"ed : -
t • 0,nt,-us~crr>
a. . /4pe.cul~ 'l"e.~ledio-o
~ : -
* lhe. lo.~p.!> ~H-e-d (J)jH) sull--a.bte. 'lfel,-e.~~ ~e.
'¾
I
I
ernplo~d ,the- des,ca.., ot,- 14)e. ve&,le.c."°"..s is. soc.h H-xd- H-ey
"Q dT~ I-he tiijhl- dotbn/Jlo,1'4s and sp-reo4 ~ uni!,mm~
cu p~asthl~ ttvex .h-Ubo-OLol,- rrocc4
.:f Ih o-fd.eJ h, a'-'~id ala-re · H->e. ~eh-lee~°"~ modei..,
~e ~o.-04-S°
* tJie ~tr~ao p~'"" o-n Ho)~ CftJl~fnc.ide.n~ SUJi~01J
"1"lalCU thL --a,ocl b~t~_
l-o o~"~ .
~~c.olcr.J~nca ~llw-r,ir,oh~ por~1-opei,.,~ ~ fn"e-rse
s9u01t"e lo.t&l me.l+,cx:t ·,.ei emplor · .
~ ..-e.sullonl- 'rllurw,To~at) te ~e.. ,SUll) ~,-.~ ilh.1Mt~ ~
dua. ~ Q..OV') ICIN'lp.
Cop Q..CO.}~ ~~~c:H :-,
~ --.,, ......,
* ~e.t,-ie..c.h:,is o.Te. c.u,rve..cl u f'W~Tes /4~ ~l+it- lif
; 5 H1'Y'otu0 c,f) Yo~ ~ a. ~e.,t J°(1e,~e.0 ~i,..,dcfeJU-
.'
f: i :-
I 1(' ,_ 'f--..,-..,
' '
'

..,__., ~'..', ' "
,. ,,,,
"'' '".- ','
-
- -
--
.:f :tn t-h  & rne.l+,ocf ~e.~uf'Y2rne.n- o,- o.. ~ed~ (.,.)~
~U""('L5 l-o Sae.. ob_jQ.C..6 ir) Jii-5 i mme.'1,ole. n14ef,boo,-.-~J
·,~ also lo-u,ill~
~ 11->i.s ~e.>+,ocf is l"'t')Ot"e e..cor,aroical bul- Pro4..tUJi a~ .for
-11,e. mo~
* :Illumfnahcio le"e.l .
-==- ~ ::=- - ' , . !
cOPS -A f~s-allo:tc:f.S .- s~win<o cenh,es 'y ~ Ju.ndiow:6
-- & lm/t"()'l-
~ l~ahttd Su~Ybor) r~4-lm/,0L ( , .,
0 "~ . ~, ~kd - . 8 ~ 151.m/'1')~. i- ,, , 1 •
NO'ff").oJ ·sp~~! -
~ sh,& t~f~ ;~ S~rr, i.D~H, a he.i-r"-4
A-"" .  I ' • i ' ,
c,'"9 • • , It
, i.. • • ,,, ., • ,, I '
Lon>p p ~ I .s~o-u.ld ba....b4xe.J- or.:JC.endioo o j-~od-s
I '
' ' ' '
... 
t 1 • t j •
l
' • I
., ' ,. f '. • '
' '
' t
• ' I
' • I f •" ,r
: 1
'
I ''
,.
'• 'I
• I I
••
, ,
, J
'' I I I I ( I ,
I :
1 '
'
' j •
I ,
I  l I 0
,>
t . f I t I I
~ lifl½ijnQ :-
........, ,..,, .-,..
c) Avoid ~ h--r~
d) sr rr")plt. and e_Q&I~ t!.leo.r,e.J
1i~n~~ .
6i~~~~t~
* .Ir, ~ t S o.nJ au~K6~ops ~uettol seh1..~ i~ k,
"t')c,urJ- ci._ ')umb~ st~p.9 oJ- o. s~~!Uf- ~~~-·so ~ot-
ltr:>•~ d.l.9htbu1;crf) ~ t;~ ~"t..1 ~ Wc)!K•nt par,e.... S
ob~
* -/6:~ tnl-e..ose.. ;tl'-IIYl~no.h'Ofl is ....-~ut..-~ and ,. ,s prt,1/l
'="d m~ efr o.d-.1'1.16.ol,l~ JiH,o,,1.s
)l' -;n-.. ;s de..'!:,rq,bte, b P"'o"tcle.. ctuaut~ ¼hlin1 J;cin., H-ie..
.&,~ ll~~ .,_,CII) tnCW) o.l~G s~ ~~ ~
bifh.t, u tN' ~ mall. Pt-f.td. cf..i>Jen ~lfltto.kra
F~U~:-
.,f "lf,e,. -tloodrnq "! 1
0 .,..ge_ Su,-~ w'1~ t-.,...1,1..
0 11 o --- cJ {ftorn pcx.c~.:rN
~~ ~ CQ.lla.d blooc# lial-:il-;n8
7l'>o.. 'b°leto:'n~ f>uTpt>~
l i) To ,_~ lhL ~uf.., ef,. a--,~~
,
O l'T'lOr)<A~ l-s b,,.,r i,1--
L''', To 1lltJl1'3fnok advs~ be .J- ,__. t _lJ U ·
Cl.l'~ .....q ..Sl'")O(aJ- CDS4s
dtiJ ,o i/lurnfnctk. ~I~ yc,_.,.451 -Spo<ls kJ·,u,-.,,s
* ·~~ OIi") ~~ ~CIIY)~ ~s;b1oc:l ~
t-Ow-n!>(.I) beaM) Pnzj~~ ~ f~ - &S-: "7 1 om
~t.dlurr') °1Jl'- ~ ➔ ~-¥0
., 3o-7ort")
~ide..~,,_p~~ ➔ . ~0- Cf>: < 3ort)
~ f)Sps IQ e,c:c,f).>, ''d p!,7r,4. ot Vtcz.w
'°1d4LOl"ld._ ~t..e.h:fl t.Oil½ h~'cfh ~ ~ l.s ~
av~ nc:l-t-1ow bQQl"'O ~e.&o,;> u,rtt, l.Dt-0 ~
* mediu.rf') °"'d e.eid'- 41a. Mj~~
"oa-f11I~ ~-f;loroo-,~ a), ~S)tOI ScnW '?e J,ooet..u
QI¢. w,e..d
.)f -teUeu.,,,•na kn-ns c«',L ~QC/
( a ) ~ ~ ~
•~ i"" ~~'tulc:tY a~
1,r;-{o-,- i~o6.jtt,'5 tke ~
lI,) Otpq~~
~
D·F .s: 8' 1lumtric:J;c,r, t1ncMJ :te:af c.m&Ftro
"itlumw,cJlc,o t.nclet l'I~ ~~
te.) c 'c.ian-ok ~~,,
...- I bQOMb.UIIUI$ )
.. I Io,q, .;;..
~QR) foch,r ~ ~•3~e• S-
fl c A>!IS~ J,laekfiqhl--+,:cb ><D•p.,.daJ;"'>~
,,i;u,,.fioof,do, "wa.~/,- lomp ~ t,,,.,,,
. . '#o~
N~ ~ ol,-p~,do,:s lo,p
,t- 1h• ..jk,,1-- ol,--C w1d1n6 46mXOo...; ;. (11~1n<CUed bl
...-fu,u,~-1000 w fc,.fl)pS Cl~ /4o J..hoJ- l.U>i~ i//un,j~
•o th,_ StJ.rF--1• dblouiel , ,¾.sum•na ~'""'''"""''tt,i~"'1
'}- ,&tut<>/ulo#-· : ""'t•b"- ukUzbi ,.:4:, wo,t, ~'t,1--
~ l•!l. ' ,..,J· c:F ~!l : def-II,-, r//u.,.,,:,.,,.fi,,,, .,..,i,,..
,oox Ee>< t~x,,:; ,
o•+x J<:i,olC 1~
IC~ too., Q. !.uro/nt- · ,
I , ,,
:
" '
'
' I ' ' • ~ '
,
' ''
d
Oit-
Tnroduchon
The locaneion in chich he aaving trachue
Elechie trochorn
tained Ro elechme motors is called
*usodin
a) elecic ralns
b) Tsam cars
c) Trolley buses
d) Diesel- elechic vehielas ok
rachon 5yskms
Non elechnc hachon syskms
do net u6e elechical ênea
stem engine d'nve
ICE
a. Flechnc rachon sysems
usos Elechic gnesa
) e
centained
vehiclos () locomohives
E Bate-elechicdive
Diaseelochncdive.
b) vehicles which seceive elecmc poueT on a diskmbuhor
o suîrably placod
Tramuays rolley buse.s supplied wih De
Sipp
Keurements a an tdeal hrachan Sysem
igh oadhe.sien coahianh
lo comokue tshall bo sei contained
3 inimum weaq on tha ack
Possiblo to overlood he
eqw pment sroi
6 Polluhon Ree
6 ensy Speed conol.
7 Do
interherend lo he communiohen ne
Dibheaen ysums trochon
shearm engine.dive
*Recipre caing ona ire is uses o 2ehng he
hecessm PeuoESY
mesHy usedin underdevelopia Counies
canteas
simpicihy in design
a) Simped matn e nana
3) Ey peed conol
)
L4Ne nFerherenca. ih commuiccoion
5) peai on od
ciependabiGhy
)Low capia cos
Disaduonages
)Lo hevmal ebbiciency
a)tow adhesien ehcien
mere e-pai ad
mainenane-
Exlensne and cosHy auxilioy eqipmen
5) ead's lmihd
undes nmal speed, cienY is about nsy
l u
foih al in veskmen
*Se contaunsdtun
*asy Simple.coohol
Vey slople braking syslo
cheap dvie toi outersburbs dcourhy dsics
aisadvanmqas
Limd oveglocd capacíly
* g e
box is
essenhal js peed
conhol
un nin and mauy
kenance
Cosks
pon &he. is short
I.cenaine elechicdive,
ducion gear oand gea box owe eliminae
*Diesel engine doives he. De generatoo
*alwsk and locomohves ono.beig tdidoly used
Aduantoqes
LoD inihal iovostment
RAs Ho locomohva. and haury is sel, conained unik
con be. put oto se>vica. o ong moment
Oveall ohieen is qrenes than seam locomohves
Pouelo9s is Anall
Lmitod ovenlebod Copau
t a rurnia nd nointasonc osr
c.omparahvely cosHue7
eqenesahve brakig aonno be. uses
pecial ceeung iysh s
Tequired
petsol- elecictsachen:-
POvidos -fno ond
conhnuousConhro
honlomesod buses.
5 aHery elechicdm ve-
5
Aeco mohya coneshe. Aecoy battenes uie)
Supply Pooes ho DC morees employed for daving
Vebi cle
* e l Bi red ta frequenty operalid Senvice ha
hos loc dolivery o goods io
lage aons.
*Sored by Series parelleh qrouping e bataies inp
bor saring and
running a speed upho E
hal ma
Speed and in Seres tos runnng ak full max Speed
Advonegea6
O.03 Fo Conkrol
&Lod maintenance CasE
No Polluk
Disodvaaop.s
frequent char
Jtm?led bpee d ran
doive hy means ob elechic mploss ohich
onf.d o
Nert
ad disbibuhon ysem This is mosly used
Advapeyo-
Sutable for udergund railways
melos ukli sed hove high sas ng torque.
m a m e n a n c e
cosr isSo%oh steom locomoho
*adhesion
ocbicient
is moe
veg enemhve brahing is employed
Disadvanfag
paer 4ailure
nvsulhs habbic dislcahonfa hours
*elechijied nxtes
*elechmcal
infeshesance. isposeiblo
Aslems o Railuwoselec.hihicahon
Desysm-6oou,1EoV, 1500u, GO0OU.
-AC
Sysem
15o95kv 16,25 and 5otHz
3-pAcsysl
33to3.6ky at 164z
Composie syst
sysemi-
D e sees motor ae employed for egeneahe
a Compound motoíS ave. used
oxoina
rebon ep Subusan mil4s- 60o to 750v DeLSed
man line ailanys
ISn ko soooy dcused
la
Goo to 7soV De Ccducko Yad)
Cirore ns
m ) c u o r e n k
500 ko 50OV DC
h e Substahn high voltage 3-psupply dis cony
ino lo votage 1-P Supply it help o
ScotConneck
Then equired lou vol age AC is
convered o t
The dshibuhon Syser) Corsisks oh aOehed tire
suitable. convenotens
ond a hack ri 3dphase
To nc eyslm, Tnducho) moloss employedio hs
byslen cge
bimple Tobus and give goub le-fret.
perahon.
higb iclenu and Can ackas generolor
Disacvanrages-
no suiabe fes pajalld opelahon
noFi ade bes crossings and jnshions
Used in Some hilly areas hete oukpu pouwer is
hig d egenegojon on tatge Sol is possible
Com posil. sysltns-
a) 1- ko 3-? CKancdosyslim)
b)1- o De
Kando sysioi-
1-?, 6ky, 5oHz > 3-pSuPPy
3- Induchonmoos
CVotaqe is compucaed dotinmly 3- sys
ConueTelacad coihkardosysiy
vaiabla ieq og 4 to 9Hz tred
quoto-frequon ska_ks Procucas high slahn
tosue whou akung excesmue Ce
stale pho
a5kN, 5o tz by epdoror hLe
coovested o Dc De Se-mes roc
Tachonrocro
e u a n s
1) Hah skong bbieien
a) hgh ache3i) coobcien
Less numbe 3ub-Stahons
4) ree tlezibfu
Discdvontage-
leds Fo walancing o Supply
I psocuces ineerence. In telecommunimhon
cicuirs
Ypes ob Talluay Seavices -
Ciy usbo svico frequenkskops < 1km
high accelerahon
psetadahe
Suburbar Seovco
3 Mai lina Sesv Co
8op disanca. averaqa3 30K
2So3okm
cceleahon p
Tetardahn is neena
high ala
Opesahion is eves longer noue
btops ae1oequer
t) Man.hve faeigbtervia
C) Local å pickup-fseghkrica
ahunh2
Setvico..
) slop gives aCcelemhom cd
velaydahon a
he co. may &e
Avea vepr* senksthe.distunca
i, Eneny -fe prpulkion danbe akulaed i
ess ne lo the ohim o haun is knrwn
Speat- hme. attve-
a) donsun accele mhon pexiod
Cb) Acelesahon
Ce) ee vunnina Peiuod
(d) coashog
(e) Braki
O constn acceleahon peiod (oloti):
Tnchion mooss acce levatu hiem Tes
Cument aken by motos hachveebhotare
Poacicaly conshan
notehing periecd, vepresened by porionol
Pceer akion on Speed Cireve. (tto t):
a f n sH Conh nues o accelerae along curve M
Duin his peaiod, he motor Curentond foqu
decseae as kaun Spoed
Henca acaleaion gmdually +*l toque.deve
by metes exacly balames haF due. hoesisn
to he. roin mohon
A t e
hain aHains ha nax
speed. Duming this (emod
ins runs ar con skant speed atained at and
the
sauns
r u n s ah.
v e p r e s e n e
d by povh on MN
doasing t3 ots);-
consn Pocwer1s draon
+At tz, he
poder Supply 1s
cutohb ard he hounis
allowed o run uncdes is aon momenum
Specd o,houn Shars
The rak o
decseo3e
ob Speed du379 Coashng peoiod is
known aas Coashna vetavciah en Cconsant)
de siabla aînca. îr uiizes Some oh He hE o haun,
othendise be wasled duing bmking
seprosenkd by perhom Np
Erahing (to s)
rol
aKas a e applied ad he. roun is brought roa Skop
seeTuning
Accelemhon o
Spetd cuue
M N cooshng
P
Baking
Rhepstahc
acce le rahon
t
A Geryico
o
Cshng
Vonph
cole ahan Bsakng
lime,
0presans cihy ervice.tikee lahve Vake,
oCCole-cahon ad
etascafior ae
higb ( o6km)
90fee unnng pesod bu a shoot penod oh
Coosh n PoVI der to e
ener consumphc)
Cp.n
9peed 46
Kmph 0 aia
A c t e l e s a s i o n
Time 9
hq sepreseors Gubbos) Seruico dishano behween
Sros 1s 3to5km
nosee Tunning pesiod but a longe7 Coaghng peut
orn a
long ops ale.
po2end
relaively high valtes o a cce lesahion and veatdhs
0quira
unN
Go
p e e d
Kroph 3o.
Jeohen
actelem
accederm
ine,o n
h4 diarar
feg pe i orta oh oe
atekhen nd Teatdaion feiods are less imporar
gopseents nain lioe ervic
joe urng o high Spee
he
acce
levn)
ian ubutbnn prb
mlley
sububan tpl}rbon 6o 4kmpps
o4- o 6skmphps
C o a h n g t o l a t d r l o o
IaKing e lntedeho)
to5 Kmphes
1brophps
NOs}opeed
AA AM
T s he. m a x
speed (vn) atained byhe vebicle.
diing he "oun
Ave1oqt e od
iytded by achua hme vu 1 Kncron o3 Aug Speed
The dishare Coveve d botoeer wo ShopS
9hedule peed Tisdelioed as he raho oh dishance
CoVeoec belween tuoo tops ad oa) rme oh run înclucina
hme slop
echedulo spoed, Vch
Dis Fano belocen Shops
Acl hme qrun +dophm
Aua eed DIShana bétioees 9 ops
-Actual hmeo )
Schedule 8peed avemge Apecd
pbotence lame in trrban ad Bubobon Åepuico
d Sml in coae o maun lne sevico
To have good
schecd ule 3peed
the srops mus be Taduc2a
15 o aosec Sma) Sevic
&The etechoshphme m
schecuk speed f man le
18 Deigly êmal.
The schedule.d Specd ob a gen hain depends an
olloccingfackors
(a) cceleraien and braking retarciaha
(b) max o cest Speed
Duraio o Skop
*Accelenah on and biakira Te a riahon
M NN
*increase in acceleranen l l vesul oecrEe
achua hme o n qnd lead ho
scheiuleSoes
6imilary nctease in brahing etardano al
pead
he vauahcn io accelerahon a retmdahn
e elheck on scheduled 8pezd in eoe
oj shonts
shor as-
Moi meum Speed
ot-fixed accelerahon and retadaton. fraco
D, fora Co
disana Vun, the acual hne o rur asill decrease a
there hose, chedul specd cill eoih in cw
Ape2d
lona disana un, He ehecto vau
tn css Apeed o Schadule apeed is Conbideeablk
Qurao
schedule Speod, to agive avg pee ri| A by
he
ulucig
he duaahon o stop
ru in Compason toI
lbrge distante run
inplitied
Speed hme cusve3
* efeckHo
elle ch he schecdule speed more Incole. of Fharer distarte
usban SeTYiLe imple quadylaterol shope
oun sevice tapezo idra shape
Toapezoidad Speed-time CLUaves-
A
m
D E
-
- t
shops
D disanco. bo.uweon (mehros )
t Achual hme o u n betueen Sops (sec)
Let
Accolevahan drmng Sarhng Peiod(m/3)
P Retardafien duing braking (m/s)
max ( or cres) SPeed (m/s),
av speed (= t), *ms
t time a acceleraion (Sec
t me ob boking (sec), G
Va
()
D Area OABC
Avea OAD AvE ABED + Aea BCE
Vnt+Vnt+Vts
t Vm(i-(t+t))
Vm
DV -
d+
D Vnt -Kvm
KV-Vrmt +D= o-5
=+t+N1-4KD
K
VD t -VE-yKD -
K
Toom (5
Kv Vmt-D
D Nnt -1)
. D
Nad a?
Vro1
D -
Vm vNa
bvousy b o, Va and D ala knauo then k, «, por
jound
Quadnlaksal speochme cuve
V
Specd
t
Time
Le Accelesatiom duaing shachng peod
Re tardahon doing coashng peod
B Retardahon durmng bmaKing
E max 3poed a he end " atelejahon
Speed a he end oj Conghn
Jota Hme o un
t
ime o accelevahon
time o moshing tV- -)
Time o baina Va/a
Tod disonca avelle d D Avea OABC
D- Avea OAD + Area ABEDt Avea BCE
( 4ta) + Va(tatts)
vt-t,)+ vo/t-4)
(Va) -t
t(Vt)-vi va
D Cv,+a)-KV V D
hee
so
-
Pet- t-ta)
Vy-Pet-V
3
Va
aV-Pelt-y)+Pe
C - Y-Fe(
M - R e ( t - )
Na C1-Pc
m s 8 apar values
o aaelnnha
rtriann a 8khs ar3 ékn>'hs kuk
x 4poas an aaum d a Sp aaa m
c
3600
6 kmphs
V
- + 5
5
5
V
a
-
*Po elechnc kaun hos an
avesage Speodo 42kmph
alevel hack behoeen sFeps 140om apar Iis
accelesaed at I7kmphs and is bveaked at 33tmt
Drd he Speed hme cuaVe -fos un.
Given
Va= 42kmph 49 xIO00_ =
{}.67ml.
. 67ms
3600
D- 14o0m
7krophs =17x1o00 = o:472ms
360
P: 3 kmphs 33XloOO =
O.qI7m/s
O.q17 ms
3600
peed hme Cume fos u)D
Achual hime. ok n, t:
tDva
t 00 105
.67
( ) O472'o-1n
Aleo max speed
t- t4kp
25
1a0-(120) yxl6x1400
xl6
1445 ms
Y 1445x 3600 =52kmph
Acceleroh an penod t n - 4:45 306
O 472
PraKin pesiod Fg: Vm e 14
S e1
1s85
10-(306+IS-8)
3 6
13 6S
A oin is
eguived to TUn
belhween tioo srahons 6 krn
p
Dor at Hhe averoge. Spaad eh 4okmph The
a.ccoleraion
rehorda.ian cuing coasing an d braking are.
krnphls, o:l6.n
and 3.2Kmphls masply. Assurning quadilaeral apprectimahion
aL Spend- ima
CuN, De.teomine
The duraion eh acsalamaion,co asking brakinapeno as
tily The
dislance covered duing hase pericds
D l6km e 160o
Var 40kroph= 410x10O= 1-Il ms
3600
2-X 1O00 O555 ms
3600
Fe 16=Ol6 xlooo.O0444-ms
36
p 3-9
3.2x100 o888ms
t Durahon o acceleraion, coashng braKing peviads
Actual Hmaorun ED = 600- 144S
V O 0444-(144-
.OS5S
-OC0444
888
Vae I1368V 613
Ie know ha
D=tC+2) -Ka
KC ) 44
&00 9 - 138Vj-673 464
(dr1368-673)
2
46644- 163-7 +2oB-G=O
984V 1251-8o
98-4 dNG84-4xX12528
V 15m
Va=1368 x15-673 Io:322.m/sS
leraioo
Durahon o accelerahio) tjE Vi
27.03sec
O5SS
Duraiono coashngtae VV05
l05 45ac
Durato o Tatardatiop tgeV 162.5ec
Disanto covead dunng e
x15X 3103 a09Tm
15+10/322) l654 =
1334m
S)ts= x 892-x i62 = 6om
Toachue ehos for Propulsian O hrain -
*The tra.chve ebhost is dained as he ebyecive fosce
hecossa o pro pel the ran at he caheels o he locomohve
Thetoachve ebhor CFe) equTed tor raiopoopulsio)
is given &
FL FaF os level rak
F Fatt
gradienks are invblved
C+ asending aracien
deseanding
Faz dosce Tequired for 9iving ihear accelerahion
to he rain
oce Tequired o OVercome.
raltaiered ebbeck
F foce requirad b oolercome Tesishance lo the moian
o rai
1.Vajue
M i s he dead shaionay mass otlrain andse
isha reas accaerahen, hen
a M 0
ounato the lack Hhaha krain has Tohaing paols kkes tsheel
Qles, mol8 aaues and qaasing ere. ils elhechue d
accolerahng oags Me is mde Hha tk slaicnahy mag
Pa Me
* Fa Neuon when Me g and ms
TMe> tonne and krnphs he
Fa 00oMe)x(oc0)
S600
Fa a7m8 Ma slealoo
Fa Wsinc
Fin Masio
k-Disance.
alang
hrack
Noogradienb
Elevalion
cose
N6i0e AC
6i0 levaficn)
gracherk IcoSin
M8l G
100
Mis in kga
981x peoM
TOO 98MG Nealeo
Value o
C) Mechanical vesislance.
(t
* ToBesnal resishance Tounols, axlas, auides
External mesistana icional vesisana
*almask n dependen o- train speed buh depends onils
(b)oipd Tesisharte
Vaies disecHy as square o hrain speed
FoM i
Lohere iS Apecihie rest shan
M Newlon
Tbe Folal achue eyos requred. Fo move he hrain
FtFa+a* .
e 8 aT8Me 98M OM1
MechanicS o, Tsainmovemenhg
ESsenhal, diving machanism an elachic locomotive is
sbon i10-f The. asmature. ha. ceiuing moes has apinio
o ciameltr dattached to it.The racive ebberha the edo
otha pinion is
ranstered to ha diving asheel b means e
gearasheel Arroalure ol rachon chot
Pinio oly molab
Ro ocsbee
earuhee
Le- he dsiving mola eseak a lorqua T in Nm
TracHve elbov a he adgo o pinion is given by equaio)
T F'Cd)
' 2T/
FrocHive beat ransherved Ra. hiving sheel
Fe7 C)
T()
d diameles o geartoheel, in
h,
mere.s
ybr inel diving wheelin m.
ebicreney o ransmission. nio
A
ThemaxGraHonol rca beween he diuing oheel and Frack is
ahaga is he coe bictenhok adhesion bewee
dariving cahaa arrackn
l i6 igb roin onaiving asles
A slpein is aveided
aaRicientoalheaio
axhacive hod Hhatcan beappied uoithouh s lpping Oohea
ackucos oi in spaa
alean dry rails 25 eros aransy o8
Pouer oupuk from.the Doivina Axla
Podes p ole oh doing osk
Teachwe altook Xdislan
tme
Tracive euhas xSpeed
= Fxy Nms
FtxV *1000wals .
h3600
Fexv Ku VE kmph
3600
Enea op ror Diving Axles &
Pssuming rapezotd.al pead-Hme curve
Tobo
enera reguied Ener9 requie dumng ane
accelerahian
Avg pouweY duvingcteleraianxacelexaion petod
" dn Va Pouer auing feeruy
X
durah
ph ,
FeVn
360O366O +FV Kkoh
3600 3600 d
Totol-eseta Eneagyeuhpuho uai-bous
Cbpaci cenu oefabhab ainiotomes disonu
olp
Tbe Specitic anetgy-oulpukisuseesCormpaah
dynanical pajormantas o maioa operago di
Schecules
The &nerg p omolos is called he energy consunphioo o
train
6pecine energ consumphio ,
Eneraydonsumpieo olhion in lat-houo
da hraisin tonnes Xdislarao un io km
petesoin ahion o spciEed
Lethe ock have a gradieph o6 . hroughou iis ur. Erery
oupu o accelerae e oin ancesh heapead
FLVnx ksh
3600
3600 . e
Sincet Y
271-84 981G Ka
esgy ouhpu totunhe raun a hespead Vagaunst he
rchen ard tesishana br
mofi
FLVm uh FXS
360D 30 3660
3600
Snca Nn .h dislane ravelledcdumng tree un
3boo
ool eneg outpuht the un 4
2d(3606)
V pooa11-8 +98 +lar
36c
ooley Me-loco e-l lG Hl] Ls'+s]
3600
he
usl atu a3600
Speciie enexgy oupo
Enegy oukpu- or he munin wal-hours
y etobhoftraip in omes dishard.ouiok
o-ol 6727o +0-778l981WG+r)S
l
WxS
olo72vxa oTR SL(81 4T
lh pesreorne-kn
She soackislevel ene GEo
6pari eneia ostmprio
Colo2V7He o218x h/enne.b
Compaalen berdeen puse Ac and D syelemo
vww
Dc seies molors a aheapes lighlez Tor eauivalen
essmounenana
componed o H A seres med.
Deseaies molers aja copable.o aving high aceleTalion
han aa seies moors
*aiablaApaade oqe possibla oth Acseies mora han
s
De se1es
Number subskahions a ACis leachan Occ
Ac 3ysin ho higb inkarlerancahan Dc
Genera regusemenS/FeauTes 1
* Molors must hae high orque duning stuhrg andoccelerahon
in order o accelerab The heavy mass enol
*-Moror5 hod hove suitableApeed-horque charaakeisice
Motor shoulcd,be opeakes l
Molorshotub besoidesigned o otthsandvottagefukahons
Morosshould be rmechonicaly
Proleced
Mots should hduehigh meehanlcal ahdaleekical keiamg
Melors should ebund
highpouesloag
had.
D.C Molers
Characreis kc3 e
Sexias dound moforS t.
iel d Lomding amauga. ala in sa4ies
Dmachani aal lcad Ta and hen
RSe :
)T characheri sh es
uplo magpehe Baturaion a
TaaT
*naure a Cuma is apasoubob
1s Comshant
Oemagpenc eauaioo
T
C-folle s&oiq ht line palh)
K used ohee bigh slaot ngtorques aa Tegluire.d
6) N/T eharaceisics
aedspead
N s. n 1
Lhee,,Fo-aCRatRoe
ta a . , Ep du to in
ATCfa+s)shaidas Ja
bu he drop o aCRatRseis quilk Bmal u
normal condt Hons and may b
nealeeed
upro magnehic Saurahom
Ta
ollo ws ha hqpasbolie Path
h e sagias moos is alaiablo 3pea moroThus " ha,
load daereasas, s spee.l is auomahcally ged
AS Ta reaches o led valiue, Pha-ure becones Vas
small anca ha Apaad rises oan orcosive igh Nalu2
Hen
CN) a lbad Hona Aaigmelor is do b
shaned h a.mechant cad load
TaN charactens He9
N
a
lo pand bign rqua uiceuersa
o 8 N
. Cormpises
betuoeen shunand Seoio9 maos
and combln s ha tankues e bo
* a field oindings one
o ohich
ts'connealed toseaies
ofth be cxmalure and aher tr paralle) wtb t
Cumulaive compound moot
DiLerenhia comp
chaaatei sics
aumulahve, co9pound mo loo:
ts
Ta aharache sha
Ta
sesh
Ta Cncrea3e hah oshun nl
Ta
NI aharacrerishcs
N se19s
shery loac Seies jield Srengtens unhheld
soThahi telal arz HeroN
As le.od N a3 încase cSesies mera
Con be operaed a no lead afth, SoleimsS
i
cha7acherisHe tnhiss
lies buea
l and seatas me or
Coa cuHng machin
Purchins8 sheamna
machines e
charadhenisfics o dglerenHoa cempeundmolers
Tata eharaaleri she
e T h I bukdoesneb
Tapidly as,'nenes mo t
:in (
ahatdceiatg )
toad
eandhance N
N ' E / )
henyloodgooeuld esul n sueh ahigh spes8
hok mgor
migh 6urs un der cenijugal torc
This propery ha mohor is 9ue dangaLs sintaa
NTacharacheishes
Ta N
Torgyeis eqmuch
e No dangeru
Ac Sees mee P
De moless raale n same dneaion megardles o
Polay o Supply
brdfnany D seies moler is conneclkd a AcsupRly.
would opealtbu-no Vey saiskacony
Roasam s a
(a Snce he Held and aamatuse euaren everse eveay
hal, cyale, he res qua weuld be eased at deubla }hequena
in one. direchen.
Cbieid
ua allerahan excossNaeddsy ciureolossa.s
Held ces tp yokes)
ola healingand pe.duda pasohna etlicias
Cc cay Tesds n haavy Sporking r èi
d) Preducas abrere volgedoopsin eldcaincinga
aOuseso pocdeT acto ard peo pero smort
eohan de sesies mofor is opexaked onAc upply
Ehe back em develeped is less ohen coampaed
orgen rsque. hesped ar A Oid
less han De suppy
or De Series mo
forAcSenies mere
TFL
chaocreisiTt
same asTha c dc seies mohasi
Tre Ta T Cnear) and N Vaies invessly
Theinduclively compensaed
Ad seies moleralso
opeo Aaisjochy en Oc 8yslo andhos p al ejiierg
To gep
kiu olp ha - Ae seaies moors hareSo2
Hmes ooigh
han comaspodig De moos
Oue ko poor
shai ng oTque ase morors amenhuel
suiledor sububanservicea
*estensivelp
used for maunine s evica
XAshe
motoi uolage isabou. 30peb 4co volk hentas
don tisessenha o eE
*Three-phase hduchom oror-
91s/vr a
5R
Imax
sitperesporndirg s
to Tst
Tcsque
dis
ugeon7 sltp
T a wtjsv
ASE6 T- satsfom ma'l.ni a
A'nomal spead, eis shalya s nealaibe as
compared'oRa dais
e lsTs SinceRa19canshan
TS
KIis sE line Tser) zeo 9lip lo ashp ha
approtimaBely
corresponds gull toad
A s slp S, Nbcyend -ful load sip, T and beccme
a x
a S=Ra/x. Tbis te Krousn as, pullout
break deewnkorque
Tpullouk Tat ,
T mare Hhan Tmax he tegm SK2 basHu
So hak Ra may be negleced
T sas:X ta.Constan
T
CRegeln hyperbea) t
* Addlion e Tesisande. to tolar Seeiuh dous rerchange
he mox Value a orque bur cml changeshe value o-s
a ohich max eccetrs
De motorseies and poralle! earnhrol
Eeteaic rách on, Seies-parallel mehod is usual
combined cofth Testslanta mehod o Conhrol In he
Simplas case, a da seies meles ame coupledmechenia
and dhi ve. he Same Vehiale
At landshl he morots iare canneced in Seies V
a
shsting heosrahe mehots age slasled upin series
Lofth each eher and Srrting Taststarta is curaur sep
srap o ha Bpead hen all tha esistantais auh
auh
The votogo applied to a.sch motor is
abou-one-ha, oFhe
ne
uoltoge The spead is Then aboukone-hal otoha
boould be
ih ull tina Votkage wea oppliad o each moler
o ha,
peedusther, he amotors arecennecedip
Parale ad a ha arne hmeha slarhng mesiskna
Con neced in Seai es oth thecombinai The sarhnG.
vEsfsan 1s gn cuthauhlep hy 4e unt fuil apeed
is atlaned hen-field comol is iorodutod
o-wwMwm-n- m-
GWMwwW m- m
w-Mm n OhLm-H
owwAWLSoun mm
M AwI m m
Mrom
Divese
UNIT -5
TRAIN LIGHTING
Systems of Train lighting:
Train lighting is one of the important passenger amenities which influence the
image of Railways. Although first train ran on 16th April 1883 from Mumbai CST
to Thane, train lighting system through axle driven dynamo pioneered by M/s.
J. Stone & Co. came to Indian Railways only by 1930. Dynamo / Brushless
alternator driven from axle through flat / ‘V’ belts, supplies the load when train
is in motion and charges the batteries. The batteries supply the load when train
is stationary. Following systems for train lighting are presently in use –
1) Axle driven system working on 110 V DC supply.
2) Mid-on generation with 415 V, 3 Phase generation AC 110 V utilization.
3) End on generation with 3 Phase 415 V generation and AC 110 V utilization
4) End on generation with 3 Phase 750 V generation and AC 110 V utilization
A decision has been taken that all coaches now being built will have only 110 V
system. The coaches operated in 24 V system have already been converted to
110 V system.
1.1 AXLE GENERATION SYSTEM WORKING ON 24 V DC.
Coaches provided with D.C. dynamo/brushless alternator were driven from
coach axle through flat belt or V belts on pulleys. The pulleys are mounted on
axle as well as dynamo/brushless alternator. The generation equipment used for
axle generation are as follows –
a) 60 A and 100 A Dynamos with inherent regulation
b) 100 A (3 KW) and 150 A (4.5 KW) brushless alternators with external
regulation for MG & BG respectively.
All D.C dynamos have already been replaced by brushless alternators in view of
simplicity in maintenance and superior characteristics for both high and low
speeds. No new DC dynamos are being procured and this system is practically
non-existent at present. Lead acid batteries of standard capacity 210 Ah, or 320
Ah are provided in each coach depending on the connected load of the coach.
Normally, each coach should be able to meet its own load independently.
Emergency feed terminal boards are provided at each end of the coach to enable
feeding from the adjoining coaches on either side. This emergency feed is availed
of only in case the coach is unable to feed the load due to missing/defective
generating equipment, regulator or batteries. Provision is made for charging the
batteries from external source by means of a terminal board. Incandescent /
fluorescent lamps are provided in the coach for lighting purposes.
1.2 AXLE GENERATION WORKING ON D.C. 110 V SUPPLY
This system has proved more reliable and capable of meeting future increase in
load. It has, therefore, been adopted as standard for all future builds of self-
generating, coaches. In this system 4.5 KW brushless alternators are driven
through V-belts from axle. Lead acid batteries 11O V, 120 Ah arranged from 3
cell Monoblock units, are provided in the B.G. coaches. Four numbers of
emergency feed terminals boxes for B.G. and one number for M.G. coach, are
provided on each end wall for interconnecting the coach to adjacent coach to
receive power, in the case generation fails. One number emergency terminal box
is provided centrally on each side of under frame to facilitate charging of battery
from external source. A schematic layout for 110 V DC system is at Figure 1.1
Three phase output from 4.5 KW alternator mounted on the bogie of coach is fed
to the regulator cum rectifier for rectifying the AC output to DC and regulating
the output voltage at different speeds and loads. The output from rectifier cum
regulator on the underframe is brought through cables on the coach. The load is
fed through four rotary switches (RSW) and fuses connecting circuits LI, L2, F
and SPM. LI feeds the essential lighting load like lavatories, gangways, doorways
and upto 50% of light in each compartment/bays corridor lights and night lights,
L2 feeds remaining lighting loads, F feeds the fan load and SPM feeds emergency
feed terminals (EFT). An external battery charging terminal (BCT) is provided to
charge the battery from external charger, if battery is in rundown condition due
to failure of alternator.
1.2 MID-ON-GENERATION
In this system a power car housing DG sets is used in middle of rake. This system
is chosen for small branch line slow trains having long halts where batteries are
likely to remain undercharged if conventional axle driven system is adopted.
Capacity of DG set will depend on composition of rake (usually 30 KVA) and
generation is at 415 V, 3 phase, 50 cycle and is stepped down to 110 V, 3 Phase,
50 cycles. The lights and fans in coaches are operated 110 V AC through feeders
on either side of Power Car.
A schematic layout of power car for mid-on-generation is shown at Figure 1-2.
1.3 END-ON-GENERATION
Rakes of Rajdhani / Shatabdi express trains having heavy load of air-conditioned
coaches, pantry cars with electrically operated cooking appliances, use Diesel
Generating Sets housed in coaches known as Power cars to meet the load.
Normally 2 power cars, one on either side of rake, generate power at 750 V AC
or 415 V AC, 3 phase, 50 cycles. All the coaches of power cars are interconnected
with each other through couplers consisting of switchgear flexible cables. Power
cars have control panel consisting of switchgear arid protective relays, The power
at 750 V/ 415 V is stepped down to 110 V AC for lighting and fan load in the
coaches.
A schematic layout of power car for end-on- generation is shown at Figure 1.3 .
Special Requirements of Train Lighting:
(a) Each lead locomotive used in road service shall illuminate its headlight while
the locomotive is in use. When illuminated, the headlight shall produce a peak
intensity of at least 200,000 candela and produce at least 3,000 candela at an
angle of 7.5 degrees and at least 400 candela at an angle of 20 degrees from the
centerline of the locomotive when the light is aimed parallel to the tracks. If
a locomotive or locomotive consist in road service is regularly required to run
backward for any portion of its trip other than to pick up a detached portion of
its train or to make terminal movements, it shall also have on its rear a headlight
that meets the intensity requirements above. Each headlight shall be aimed to
illuminate a person at least 800 feet ahead and in front of the headlight. For
purposes of this section, a headlight shall be comprised of either one or two
lamps.
(1) If a locomotive is equipped with a single-lamp headlight, the single lamp shall
produce a peak intensity of at least 200,000 candela and shall produce at least
3,000 candela at an angle of 7.5 degrees and at least 400 candela at an angle of
20 degrees from the centerline of the locomotive when the light is aimed parallel
to the tracks. The following operative lamps meet the standard set forth in this
paragraph: a single incandescent PAR-56, 200-watt, 30-volt lamp; a single
halogen PAR-56, 200-watt, 30-volt lamp; a single halogen PAR-56, 350-watt, 75-
volt lamp, or a single lamp meeting the intensity requirements given above.
(2) If a locomotive is equipped with a dual-lamp headlight, a peak intensity of at
least 200,000 candela and at least 3,000 candela at an angle of 7.5 degrees and
at least 400 candela at an angle of 20 degrees from the centerline of
the locomotive when the light is aimed parallel to the tracks shall be produced
by the headlight based either on a single lamp capable of individually producing
the required peak intensity or on the candela produced by the headlight with
both lamps illuminated. If both lamps are needed to produce the required peak
intensity, then both lamps in the headlight shall be operational.
Methods of obtaining Unidirectional Polarity
Dynamo has rocker arm mounted on the shaft, friction tight. When the direction
of rotation of the shaft is clockwise, terminal X (positive) touches P1 while
terminal Y (negative) touches N. Thus, giving the output polarity as shown in
figure. When the direction of rotation is anticlockwise, X (negative) terminal of
the rocker arm will now touch to N1 brush and Y (positive) terminal of the rocker
arm will touch to P. Thus, the output polarities will be obtained as shown in
figure. Thus, unidirectional polarity is obtained.
Double Battery Parallel Block System
Working of Double Battery Parallel Block System in Train Lighting: 1. When train
is stationary or runs slowly, generator contacts B1 and B2 are open and both
batteries supply the load through closed contacts L1 and L2, short circuiting
lamp resistance D as shown in following figure.
2. When train is in motion and lights on, generator is connected to battery 1
through closed contact B1 and lighting load is connected to battery 2 through
closed contact L2, as shown in following figure.
When train is in motion and lighting and other loads are switched off, switches
L1 and L2 are open, lamp resistance D is short circuited when both generator
contacts B1 and B2 are closed and both batteries will then be charged in parallel
Lead-Acid Batteries:
Principle of Operation :
In a charged lead acid cell positive active material consists of lead peroxide
(PbO2) and the negative of spongy lead (Pb). Dilute sulphuric acid (H2SO4 + H2O)
serves as electrolyte. The overall reactions inside the cell during discharge and
charge are represented most -conveniently by a reversible equation as follows :-
PbO2 + Pb + 2H2SO4 <=> 2PbSO4 + 2H2O
During discharge, the lead peroxide on the positive plates as well as the spongy
lead on the negative plates are converted into lead sulphate (PbSO4). In this
process, sulphuric acid (H2SO4) is consumed and water (H2O) is formed.
Consequently, the specific gravity of the electrolyte falls, the extent of fall being
proportional to the ampere-hours taken out. The process causes at first a slow,
and then a faster voltage drops, until a permissible lower limit (final discharge
voltage) is reached, which depends on the rate of discharge current. The amount
of ampere-hours (constant current x time) taken out is called the capacity of the
cell at this rate.
The chemical process during charge is the reverse of that during discharge. The
lead-sulphate on the positive plates is reconverted into lead peroxide and the
lead sulphate in the negative plates into spongy lead. Sulphuric acid is formed
and the water consumed. The specific gravity of the electrolyte rises. There is at
first a slow, later a faster rise of cell voltage. From 2.4 volts onwards gassing sets
in due to a strong decomposition of water into hydrogen and oxygen. Violent
gassing is injurious to the plate material. So, after reaching this gassing voltage
the rate of the charging current must be limited to within safe permissible values.
The nominal voltage of a lead acid cell is 2.0 volts. The true open circuit voltage,
however, is dependent on the specific gravity of the electrolyte and varies between
2.02 to 2.05 volts. During discharge the voltage depends on the rate of the
discharge current.
4.3 Constructional Features Main components of lead acid cell are :-
a) Positive Plates - Usually tubular construction is adopted. Positive plates are
made up of a number of tubes which contain active materials. Tubes have a large
number of minute pores which allow the electrolyte to pass through pores freely,
while preventing any loss of active material.
b) Negative Plates - Usually consist of a lead grid into which active material is
pressed. The grids are designed to retain the active material in position.
c) Separators - Synthetic separators are used between positive and negative
plates. The separators allow good diffusion of electrolyte.
d) Container - is made of hard rubber with high insulating strength to resist
acids.
e) Cell cover - is also made of hard rubber, resistant to acid having vent and level
indicator holes.
Accessories: The following are few accessories of a lead acid cell -
a) Float,
b) Float guide,
c) Vent plug.
a) Float ;
The float stem will have markings to indicate the lowest and highest electrolyte
levels permissible. It should be ensured that the electrolyte level is maintained
in service by adding pure distilled / de-mineralized water to IS: 1069.
b) Float guide :
The float guide is of removable and antisplash type and facilitates unrestricted
vertical movement of float stem. During maintenance it is essential to ensure
that the float assembly is designed to prevent acid splash in service (IS:6848).
Any defective float guides/assemblies should be replaced promptly.
c) Vent plug :
This is of the anti-splash type with more than one exit hole. This will allow the
gases to escape freely but effectively prevent acid particles or spray from coming
out. It should be ensured that the vent plug is tightened fully whenever the plug
is opened during maintenance for checking specific gravity of cell or after topping
up electrolyte level with distilled water
MAINTENANCE :
Train lighting batteries of coaches by the very nature of service conditions cannot
be expected to have steady rate of charge/discharge. They are often left to idle
for long duration or charged at higher rates. Such strenuous service of these
cells therefore calls for systematic and thorough examination while in service,
prompt remedial measures of defects/replacement of cells and quality POH work
in Shops to achieve the expected life without any loss of efficiency below 80 %.
Running maintenance of storage batteries falls under four categories :-
1. Trip examination,
2. Fortnightly examination,
3. Quarterly examination,
4. Intermediate overhaul.
Trip Examination :
➢ To know the condition of cells during 'Trip Examination' some cells in a
battery are treated as 'Pilot' cells. On arrival of train in the maintenance
line, disconnection shall be done at inter vehicle connections, recording of
the specific gravity of' ‘Pilot’ cells in each battery shall be done, Pilot cells
in coaches should be changed every month. Cells are usually provided
either in 2 battery boxes of 6 cells each or 1 battery box of 12 cells in
coaches with DC-.24 V system. Cell number for marking pilot cells should
be reckoned from left to right while facing the battery box.
➢ Replace vent plugs after taking specific gravity and ensure that they are
tight. "SWITCH ON" lights and fans in each coach and take the voltage
readings across the set of 56 cells. "SWITCH OFF" all lights and fans.
➢ Coaches with discharged batteries which show less than 22 V on load
should be put on charge at double the normal rate of charges and
continued as long as possible till gassing starts or till the specific gravity
rises to the fully charged value which should be between 1.210 and 1.220
for the cell up to 525 Ah or as recommended by the manufacturers and
which is stenciled on the battery box. Use the battery charging terminals
provided in coaches for charging purposes. Never skin the insulation of
cables near end cell connections for this purpose. Check up correct
polarity and connect the charging cables. Use a clip-on d. c. ammeter of
0-100 A range to check up the battery charging current. Note down the
rate of charging and the number of hours of charge.
➢ Check the specific gravity of Pilot cells and the total voltage of battery on
load at the end of charge and record.
➢ Keep vent plug tight. Ensure that washer is available for vent plugs.
➢ The person in charge of battery maintenance should record all the readings
mentioned above in his diary and this information should be transferred
to the register maintained for various trains.
➢ Check anti-theft rods and provision of nuts both inside and outside the
battery box on either side. Replace if found missing. Secure battery box
cover finally after all works are completed
FORTNIGHTLY EXAMINATION :
In addition to the instructions contained under "Trip Examination" the following
works shall be carried out.
1. Clean the interior of battery box.
2. Clean the cell tops and deposit of sulphate, if any, in intercell and end cell
connections.
3. Remove sulphated intercell connections, clean the connecting surface with a
piece of cloth and replace by spare ones. Use fresh fasteners. Sulphated inter
cell connections and fasteners should be soaked in kerosene oil, cleaned with
warm water and kept ready for use. Intercell connections should be provided
with both small and large strips and four fasteners each with one hexagonal nut,
one spring washer to IS:3063 and 2 steel punched washers to IS:2016.
4. Remove end cell connectors, clean the connecting surface both in cell and
connector thoroughly and provide them back. Check for proper crimping of
terminal. In case strands of connecting cable are found cut at the crimping end,
cut wire at the crimping end and re-crimp with a new intercell connector. End
cell connector conforming to IS:6848 only should be provided. Tinned copper
crimping sockets with a single hole, if any, provided as a stop gap measure
should be replaced by standard end cell connector. Provide end cell connectors
with both the fasteners each with one spring washer to IS:3063 and one punched
steel washer to IS:2016.
5. Tap float guides and check for free movement, Look for elongated holes in float
guides and replace such guides. Replace deficient floats promptly.
6. Check whether vent plugs are of the antisplash type and replace if required.
Check for blockages of holes due to dirt. Cleaning of blocked holes is necessary
to ensure free passage of gas from the cell.
7. Check the "make" of cells and the lug date. Different "makes" of cells if found
mixed together should be replaced by a single "make" of cells. If it is not possible
to do this during one 'Fortnightly Examination' this should be noted down and
attempts made to replace the same during the next Fortnightly Examination'.
8. Check whether cell packing is tight and provide additional packing, if
necessary. Use only hard wood coated with acid resistant paint for cell packing.
Never use untreated wood or plywood for packing of cells. If any cells are found
cracked, replace them promptly
9. Check up provision of anti-theft rods and provision of nuts, both inside and
outside the battery box on either side. Replace deficient rod and nuts.
10. Apply petroleum jelly on intercell connections and end cell connections.
11. Check battery fuses and replace overheated/incorrect size fuses by correct
size.
12. Check battery box fixing nuts for tightness.
13. Record Specific Gravity of individual cells. "Switch ON" full load of the coach
and record individual voltage of cells and total voltage. "Switch off' load. If the
specific gravity is less than that painted on the battery box, charge the cells as
specified under "Trip Examination" after topping up with battery grade water, if
required. Use battery charging terminals, provided on coaches for charging
purposes. Charging should be continued till the specific gravity rises, to the value
mentioned in battery box, in "Pilot" cells. In case pilot cells show no appreciable
improvement, check specific gravity of adjacent cells. If the specific gravity does
not improve in spite of charging, replace the battery by another set and send the
unloaded battery to Depot/Shop for treatment at the earliest. Cells should be
handled with due care while unloading and in transit to avoid breakages.
Facilities should be created in Depot for treatment of cells which do not pick up
charge. Sulphation will be the main cause for this and the cells can be sent to
shops for treatment if the facilities are not available in the depots.
14. On completion of charging, record the specific gravity of individual cells. If
there is any wide variation in the specific gravity/voltage of cells, disconnect and
replace those cells showing low specific gravity/voltage by spare ones. In case
there are more than l/3rd of total cells with low specific gravity, the entire set
should be replaced. Cells showing reverse voltage, zero volts should be
withdrawn and replaced by charged cells.
15. Record individual voltage of cells and the total voltage on full load of the
coach.
16. Change the marking of the "Pilot" cell
QUARTERLY EXAMINATION
In addition to the instructions contained under "Fortnightly Examination" give
an equalizing charge as given below :
1. Switch OFF load. Charge the cells at 50% of normal rate of charge i.e. at l/20th
of the rated capacity of cells. Record hourly cell voltage and specific gravity
readings.
2. Terminate charging when 3 successive readings are constant. Record specific
gravity and no load voltage of each cell 15 minutes after terminating charge.
Specific gravity should be between 1.210 and 1.220 for cells upto 525 Ah The
voltage should not be less than 2.1 V. If there is wide variation in the specific
gravity and voltage readings, such cells have to be sent to shops for treatment.
VALVE REGULATED LEAD ACID (VRLA) BATTERIES / SMF BATTERIES
To overcome problems of frequent topping up, and leakage of electrolyte, sealed
maintenance free lead acid batteries, termed as SMF (VRLA) batteries have been
developed and are now used in most of the ac coaches. These batteries are
governed by RDSO specifications EL/TL/59. Electrolyte in these batteries is in
immobilised form and these can be used in any position - horizontal or vertical.
The batteries are supplied by manufacturers duly charged and no initial charging
is required. Such a battery requires no topping up and maintenance except
periodic cleaning of terminals. It has self-sealing vent plug which normally does
not open out in service.
Valve Regulated Lead Acid (VRLA) Batteries
These batteries are also called Sealed Maintenance Free (SMF) Batteries
Mechanism
Safety Valve :
When the internal pressure increases abnormally, the safety valve opens to
release gas from the cell to restore the normal pressure.
Flame Arresting Vent Plug :
Provides with the explosion-proof filter constructed of aluminium oxide.
Container & Lid :
Made of Polypropylene Co-polymer.
Positive Plate :
With lead-calcium-tin alloy grid providing lower corrosion and less self-discharge
rates.
Separator :
Made of high Absorbent Glass Mat woven with excellent porosity (AGM type).
Negative Plate :
With lead-calcium-tin alloy grid providing lower corrosion and less self-discharge
rates.
Electrolyte :
Dilute sulphuric acid without any impurity.
Recombination Principle
The charge and discharge reaction of the lead acid battery can be expressed by
the following equation :
Anode Electrolyte Cathode Discharge Anode Electrolyte Cathode
Pb02 + 2H2S04 + Pb Charge PbSO4 + 2H2O + PbSO4
In a conventional flooded battery, towards the end of charge major part of the
energy supplied by charging is dissipated by electrolyzing the water in the
electrolyte generating Oxygen at the positive plate and Hydrogen at negative
plate. These gases are lost in a flooded system through the vent holes causing
steady depletion of water and therefore requiring periodic topping up.
In a VRLA system the design is such that negative plates are never fully charged-
even when the positive plate is fully charged and hence almost no Hydrogen gas
generates from the negative plate although Oxygen is generated from positive
plate. This Oxygen gas generated at the positive plate migrates towards the
negative plate and reacts with the freshly formed spongy lead and turns into lead
monoxide. The lead monoxide in turn reacts with the Sulphuric Acid to turn into
lead. To summarize the Oxygen evolved at the positive plate is absorbed by the
negative plate without being released to the outside. The negative plates being
always in a state of partial discharge never generate Hydrogen. This completely
prevents loss of water.
Benefits
• Maintenance-free and spill-proof. This enables flexible mounting
• Wide operating temperature range (-40C to +50C)
• High energy density (gravimetric and volumetric)
• Good charge retention leading to long storage life
• Low internal resistance ensures quick recharge
• Excellent high rate capability permits use of smaller capacity batteries
• Superior raw materials for good performance and life
• Excellent deep discharge recovery characteristics
• UL recognized plastic components
Single Battery System:
This is rarely used in India. This is the axel driven generator with a single battery.
When the generator runs above certain speed auto cut switch operates and the
dynamo operates. From the Fig, the Dynamo is connected to loads as well as
battery. Dynamo also connected to load resistance/ Lamp resistance (LR)
through Auto cut in switch. Battery is connected to light switch board through
LR. When train is at Running or moving at a specific speed, Axel is rotated so
that pulley gets rotated so that Dynamo Produces DC Electricity which supplies
to loads as well as for battery charging. Auto cut in switch determines the type
of supply to be given as input to loads. When Battery is fully charged it delivers
back to the dynamo, then the dynamo will behave as Motor, which is undesirable
operation. To avoid this, a high Resistance LR is connected to discharge the
battery so that voltage drop occurs at the battery. When train is at rest, dynamo
will not produce electricity and hence battery supplies the power to loads
through LR to Light switch board .
When the speed falls below certain speed (20KMPH) auto cut in switch cut outs
the Dynamo.
Advantages:
• Independent working
• Simple design
• Cheaper
• Only one set of battery is required
• Auto operation on speed variation
Double Battery System:
As the name suggest in the system two battery set in conjunction with dynamo
are used. This system is suitable for the trains which have some coaches fully
equipped with dynamo and batteries and some coaches are not at all equipped
with dynamo and batteries. This too works in parallel and it is provided with five
roof running in all coaches. The division of the battery are such that half of the
batteries connected directly across dynamo terminal and get charged and other
half batteries are connected to the loads and also dynamo terminal through load
resistance
It consists dynamo, 2 battery sets, lamp resistance,5 roof wire with coupler, auto
cut in switch, battery change over switch, load switch for controlling light
Working:
When the train is stationary or runs slowly, Generator contacts B1 and B2 are
opened and both the batteries supply the load through closed contacts L1 and
L2 through the short circuiting the lamp resistance D as shown in figure.
When the train is in motion and loads are used, Generator is connected to battery
B1 through closed contact L1 and lighting load is connected to battery 2 through
contact L2
When train is motion and loads are switched off, switches L1 and L2 are opened
and lamp resistance D is short circuited when both generator terminals B1 and
B2 are closed and both batteries are charging. When batteries are over charged
auto cut in switch operates
Utilization of Electrical Energy notes.pdf
Utilization of Electrical Energy notes.pdf
Utilization of Electrical Energy notes.pdf
Utilization of Electrical Energy notes.pdf
Utilization of Electrical Energy notes.pdf

Utilization of Electrical Energy notes.pdf

  • 52.
    Two supply sourcesfor a Three phase Induction motors: In this method of speed control of three phase induction motor, we provide two separate windings in the stator. These two stator windings are electrically isolated from each other and are wound for two different numbers of poles. Using a switching arrangement, at a time, supply is given to one winding only and hence speed control is possible. Disadvantages of this method are that the smooth speed control is not possible. This method is more costly and less efficient as two different stator windings are required. This method of speed control can only be applied to squirrel cage motor. Direct reversing control & jogging operation of Motors Interchanging any two leads to a three-phase induction motor will cause it to run in the reverse direction. A three-phase reversing starter consists of two contactors enclosed in the same cabinet. As seen in the picture, the contacts (F) of the forward contactor, when closed, connect L1 L2 and L3 to motor terminals T1 T2 and T3 respectively. In the other way, the contacts (R) of the reverse contactor, when closed, connect L1 to motor
  • 53.
    terminal T3 andconnect L3 to motor terminal T1, causing the motor to run in the opposite direction. Mechanical and electrical interlocks are used to prevent the forward and reverse contactors for being activated at the same time which would cause a short circuit. Eletrical pushbutton interlocks use double-contact (NO and NC) pushbutton. The reversal of a dc motor can be accomplished in two ways : • Reversing the direction of the armature current and leaving the field current the same. • Reversing the direction of the field current and leaving the armature current the same. Most of dc motors are reversed by switching the direction of current flow through the armature. The switching action generally takes place in the armature because the armature hass a much lower inductance than the field. The lower inductance cause less arcing of the switching contacs when the motor reverse its direction. Jogging (inching) is the momentary operation of a motor for the purpose of accomplishing small movement of the driven machine. Jogging is used when motors must be operated momentarily. From the picture, it shows a jog control circuit requiring a double contact jog pushbutton (one NC contact and one NO contact). When the JOG button is pressed, the seal in circuit to the starter coil is opened by the NC contacts of the JOG pushbutton.
  • 54.
    A jogging attachmentcan be used to prevent the reclosing of the NC contacts of the JOG button. This devices ensures that the starter holding circuit is not reestablished if the JOG button is released too rapidly. Jogging can be repeated by reclosing the JOG button, it can be continued until the jogging attachment is removed. The control relay jogging is much safer than the previous circuit. A single contact JOG pushbutton is used in addition, the circuit incorporates a jog control relay. Selector switch is used to obtain jogging in the control circuit.
  • 55.
    Interlocking Methods forReversing Control: The direction of rotation of three-phase motors can be reversed by interchanging any two motor leads to the line. If magnetic control devices are to be used, then reversing starters accomplish the reversal of the motor direction, ill. 1. Reversing starters wired to NEMA standards interchange lines L1 and L3, ill. 2. To do this, two contactors for the starter assembly are required-one for the forward direction and one for the reverse direction, ill. 3. A technique called interlocking is used to prevent the contactors from being energized simultaneously or closing together and causing a short circuit. There are three basic methods of interlocking. ill. 1 Horizontal reversing starter shown without overload relay. (e.g., made by Schneider Electric) ill. 2 Reversing rotation of an induction motor.
  • 56.
    ill. 3 Elementarydiagram of a reversing starter power circuit. MECHANICAL INTERLOCK A mechanical interlocking device is assembled at the factory between the forward and reverse contactors. This interlock locks out one contactor at the beginning of the stroke of either contactor to prevent short circuits and burnouts. The mechanical interlock between the contactors is represented in the elementary diagram of ill. 4 by the broken line between the coils. The broken line indicates the coils F and R cannot close contacts simultaneously because of the mechanical interlocking action of the device. When the forward contactor coil (F) is energized and closed through the forward push but ton, the mechanical interlock prevents the accidental closing of coil R. Starter F is blocked by coil R in the same manner. The first coil to close moves a lever to a position that prevents the other coil from closing its contacts when it's energized. If an oversight allows the second coil to remain energized without closing its contacts, the excess current in the coil due to the lack of the proper inductive reactance will dam age the coil. Note in the elementary diagram of ill. 4 that the stop button must be pushed before the motor can be reversed. Reversing starters are available in horizontal and vertical construction. A vertical starter is shown in ill. 5. A mechanical interlock is installed on the majority of reversing starters in addition to the use of one or both of the following electrical methods: push-button interlock and auxiliary contact interlock.
  • 57.
    ill. 4 Mechanicalinterlock between the coils pre vents the starter from closing all contacts simultaneously. Only one contactor can close at a time. ill. 5 Vertical reversing motor starter. (Schneider Electric) ill. 6 Elementary diagram of the reversing starter shown in ill. 1.The mechanical, push-button, and auxiliary contact interlock are indicated.
  • 58.
    PUSH-BUTTON INTERLOCK Push-button interlockingis an electrical method of preventing both starter coils from being energized simultaneously. When the forward button in ill. 6 is pressed, coil F is energized and the normally open (NO) contact F closes to hold in the forward contactor. Because the normally closed (NC) contacts are used in the forward and reverse push-button units, there is no need to press the stop button before changing the direction of rotation. If the reverse button is pressed while the motor is running in the forward direction, the forward control circuit's de-energized and the reverse contactor is energized and held closed. Repeated reversals of the direction of motor rotation are not recommended. Such reversals may cause the overload relays and starting fuses to overheat; this disconnects the motor from the circuit. The driven machine may also be damaged. It may be necessary to wait until the motor has coasted to a standstill. NEMA specifications call for a starter to be de-rated. That is, the next size larger starter must be selected when it's to be used for "plugging" to stop, or "reversing" at a rate of more than five times per minute. Reversing starters consisting of mechanical and electrical interlocked devices are preferred for maximum safety.
  • 59.
    ill. 7 Electricalinterlocks and terminal blocks. AUXILIARY CONTACT INTERLOCK (e.g., as made by Eaton Corporation) Another method of electrical interlock consists of normally closed auxiliary contacts on the forward and reverse contactors of a reversing starter, ill. 6. When the motor is running forward, a normally closed contact (F) on the forward contactor opens and prevents the reverse contactor from being energized by mistake and by closing.
  • 60.
    The same operationoccurs if the motor is running in reverse. Electrical interlocks are usually mounted on the side of a motor starter. These are shown in ill. 7. The term interlocking is also used generally when referring to motor controllers and control stations that are interconnected to provide control of production operations. To reverse the direction of rotation of single phase motors, either the starting or running winding motor leads are interchanged, but not both. A schematic diagram showing the connection for reversing the direction of rotation for a single-phase motor is shown in ill. 8. A wiring diagram of this connection is shown in ill. 9. ill. 8 Reversing the direction of rotation of a single-phase motor.
  • 61.
    ill. 9 Wiringdiagram of single-phase motor reversing control.
  • 62.
    Overload Relays: Overload relayis one such device that protects a motor from damages caused due to overloads and over-currents. It is used with contactors and can be found in motor control centers and motor starters. Principle of operation: A thermal overload relay works in the principle of electro-thermal properties in a bimetallic strip. It is placed in the motor circuit in such a way that the current to the motor flows through its poles. The bimetallic strip gets heated up by the current directly or indirectly and when the current flow exceeds the set value, it bends. They are always work in combination with contactors. When the bimetallic strips heat up, the trip contact is activated that in turn breaks the power supply to the contactor coil, de-energizing it and breaking the current flow to the motor. This tripping time is always inversely proportional to the current flow through the OLR. Hence higher the current flow faster shall it trips. Therefore, thermal overload relays are referred to as current dependent and inversely time-delayed relay. Types of overload relays Overload relays can be classified as follows:
  • 63.
    1. Bimetallic thermaloverload relays 2. Electronic overload relays The working principle of the above differs a little from each other. Let us discuss it in the following sections. Working of bimetallic thermal overload relay As explained above, a bimetallic thermal relay works on heating property of bimetallic strip. In the direct heating method, the full current to the motor flows through the OLR. Therefore, it gets heated up directly by the current. But in the case of indirect heating, the bimetallic strip is held in close contact with the current-carrying conductor inside the OLR. Excessive current flow to the motor heats up the conductor and hence the bimetallic strip. The conductor shall be insulated hence no current flow through the strip. Working of electronic overload relay Electronic overload relays do not have a bimetallic strip inside. Instead, it uses temperature sensors or current transformers to sense the amount of current flowing to the motor. It uses microprocessor-based technology for protection. Temperature is sensed using PTC and the same is used to trip the circuit in case of overload faults.
  • 64.
    Some electronic overloadrelays come with current transformers and Hall effect sensors that directly senses the amount of current flow. The major advantage of electronic OLR over thermal OLR is that lack of bimetallic strip results in low heat losses inside the relay. Also, Electronic relays are more precise that the thermal relays. Some manufacturers build electronic relays with extensive features such as earth fault protection, motor stall protection etc. Electronic overload relays are much suited for applications that require a frequent start and stop of motors. They are designed in such a way to withstand the starting current (which is typically 6 to 10 times the full load current) of the motor for a limited period (typically 15-30 seconds depending on the threshold of current). Symbol of an overload relay Here 1, 2, 3, 4, 5 and 6 are power terminal 95 & 96 are trip contacts and 97 & 98 are signalling contacts. What is trip Class of overload relay? The time taken by them to open the contactor during overloads is specified by the trip class. It is commonly classified into Class 10, Class 20, Class 30 and Class 5. The OLR trips in 10 seconds, 20 seconds, 30 seconds and 5 seconds respectively at 600% of full load current to the motor.
  • 65.
    Class 10 andClass 20 are very commonly used ones. Class 30 overload relays are used for protection of motors driving high inertia loads and Class 5 relays are used for the motors requiring very fast tripping. How to use an overload relay in a circuit? They are always used in combination with the contactors in the circuit. It is connected in line with the motor such that the current to motor fully flow through it. Below are the various types of connections for single-phase and three-phase motors. Contactor control circuit A contactor is a relay which is capable of switching large electrical loads. Contactors and relays are operated by applying a voltage to the coil of an Electro- magnet, which will cause a switch, (or several switches) to close. The circuit that
  • 66.
    applies the voltageto the coil is referred to as the control circuit, because it controls the main device that the contactor or relay is switching. The coil voltage of a contactor or relay can be installed for virtually any control circuit voltage, to provide complete flexibility for these devices (both AC and DC), as the control circuit can be completely independent of the load it is switching. It should be noted that when installing contactors or relays that you always check the coil ratings. They often have not got a default rating of 230volts, and only go bang once if they are connected to the wrong voltage! The contactor is operated by the control circuit energizing a coil, which can be controlled by any sort of switching device (to perform an assortment of tasks). When the coil is energized, the circuit that the contactor is switching will be energized. In the above example, there are two stop buttons (in brown - fig1) in the supply to the coil (black zigzag - fig1). In the event that one of the stop buttons is struck, the circuit to the coil will become broken, de-energizing the coil. The supply that the contactor is switching (grey cables fig1) will therefore be switched off.
  • 67.
    The contactor isoperated by the control circuit energizing a coil, as in the example above. When the coil is energized, the circuit that the contactor is switching will be energized. In the above example, there are two start, and two stop buttons (in brown - fig2) in the supply to the coil (black zigzag - fig2). To close the contactor (to energize the switched circuit), one of the two start buttons (in green - fig2) must be pressed. Once the start button has been pressed, the contactor will close, which will also close the 'lock' circuit to the contactor (holding the supply to the coil). To open the contactor (to de-energize the switched circuit), one of the stop buttons must be pressed. The circuit to the coil will become broken, de-energising the coil. The supply that the contactor is switching (grey cables fig1) will therefore be switched off.
  • 95.
    l I I J ¾ qe~ ~n8~ ~ ¼hhl)'t -6ys/:iro lo.mps made- ol,- d,bffisi""d 0-~ , used t.0hic.h ~N~ near1'd e_qual ilu.ur)rnoJior> .tf) o.JJ di'lfe.cHo-ns 0~~8 .~ - ~, c ~ ~~ITcJ~6~ .' . . 1) p-rovid~ a.de.quati- ~ lluroinQh071 ~) ltl)i~ro ~1-,I- dis~bu,~e,ry '3) avoid 01a.Ye QJ)cf ho:rd -shadcws ., .. : ...Lt) f>rovide.s ti'<thl- ob St/ilnble. cdcx.tv- • .·····,~ ~?--~=--·~ ~ ~06" de.~i8nio51 ~ s ~ - . ~ ,, :.tl")kn$r'cJ otr 'fff1.un;naJioY) $ele.e-Jiem o~ lumfnoJres 6) Gf~e.. Dt"b"bOn') 4) ~W')H'"'r] ~r~'"° ard ~fl=la'"'3 °6- f11)Hi~ 5) eooct;~ ~ u~ Oj J:')~Ob-~~:- *""fQ..9uT~e,s p d;'~tre.rl- illuM~r">ctho,') ~()J.ef)6~~ ~ di~enJ- ou~~ (.a.) {ach:,.ie_s- ~ wos~~ps ..::;> 50 - ISoO Po wez hous~ ~ 100 - aoo ol,-biciu
  • 96.
    (b) ~~~ oern~:- (1,<ahl-f;·Ht·riv ----- * A l~rt')1t')oiTL. ·,s O-Ffb,qJ,.,s c,.).,·,~~cf~~buTes ~,L ~ ~~ err ~SF'mS-fhL ~r '6"1 ~t) ~ a. I~ or lamps * ~ '>~esan, 1-ot- -fi • . _,_, V ~"'8 ff prote.<:.~c} ~ /~ ~ f:>t,pe.ndma t1p:,o ~Pf!. 9 b,- ie61a lie,, fllttmT~ ~ . · - 7 u1~ecJ "1'ht. lype.. (!>Ir-~~)s dwdd ·· ,; ~) et~e. ob-~n'):- ~ • I .:, .6ot.nree. ouJ,:,uJ. tS no rtuUij uHli~Q.d ~ u:,Od'k pb.cta. 4' ftt-.-4-or li~h'- is ahs~~ b~ ii~nif ~ Aome. ~I-ts o».sorbed ~ ~ b~ ~~ cw- t.,Ql~. . • cnns•~ . b ~ 0..-~ 1 k,not,n o£ ~- kt:~foc.b tdl? aeewcitnr.efr uh0 li~-(M . ~ d~t- dr't>,c,tl~n6 ~t.~ . (_O.) LumU15 ~ t.b) Si~CL ~ e~ ot,-,eoC) ~) ~e~e.clioCl ~ ,elf'tl.'.>olls 'tr cei l:~ td) ~1-CIJ-W~ ! ,. , ·· te.) ~Ll"'len- .07- ~~,.,fl ek -~' -~ - ~~OD~ . l *~u.">fna>I ~ ~Tved. rt~ ~ ~ij;~ t,V E!!rl0fl6 and b'-tfrd& ~ e,~ i~ net«<)hbottt's ' ,1 ~ 11e. diaonca_ O--a. ~1-,f-~ouYC.a.. t,'t~~ 400.I iSheuld te. . ~ .c et1e ~ I-he.... clie~ bt.~ ~o ~ ~~~ .se :.. . ' .. . U¥'caS; . ; ,t€ d.lalonct... b ~ ~h--~T ,6houtcf r>d:- ~ oed L •S- ~. lwu Sbe. .,,....,,""a ~ .
  • 97.
    N-=- E.x. A ~XUFXMF Nz.. ~ ob ffHin~ t')eede.d E :::. R~9utlfEC# Yllumircl1oo (to,<) '' A - t"-10'f'l<r1 41tea C"'>~ ~ o -= 1.t..trr>ens frttL ' pnxiu.~ p~ Jo.Jl'>p(lwnos) ' u F- ~ . tLnltsoJ-CJt) ~ N~ 6 ' Mol()k.nof'>CL~ .. * A S"1a.l, o.sSQmb~ ,5'-,op lbtn lo~ i ton, u:,"Je... Of)j ~If) apl-o huGSe.5 i.s ~ ~ ·i11un,in~d 1-o a. l~"~1 o Ir~oo lu"L -rhe. UF o.nd. rot== ~e. 0-1~ cmd ~-8~Pl1~ ~- 1rht.. r,2,_ ey o.,1")~ "'~'lu.tu-e.~ 1-,:, Jurt,in~ libo..·tJ)~e.. C.)2-~ • ' I' ·,,- lol'f)w ·elp 5 0000 l~~ . ' • I j • ' ~ .o0"'-''~10 ::- 'B- ~ooo~e•1lx.e_•~ 1, I. .. " ' '
  • 98.
    N~ EXA OX.UF XMF 'r t'> O::: &ol~ . OXO•G")(.I 1)at:iL"'IS c, f U MC"9§ }(. 'fiJr . ' , 't I Ul"l"le.n5 := C. p X W I • I • , ~eo = c..p x. 4rr ~ aoo ~ ·!24~ ·· yTr r • t • * A ~H:n ·pik~ 12.ort) X~om is k, be. ~llumirxu-d ~ n~J..} . ,, . plo'd °I ~ i rnTla.Y bank"~ ~uo.J lc:to u:, brnps suppc,csjed cm t& h:>we-c-s,. tnhi~f., CJ:1"e. di~bt.t«:I ~-ro~ ~e.. 81rowxJ 1-o provtdt. ap~m~ ~~ , fllomi~h~ 4 ','rtcl,1 : ~ esl.JJT)r11+,,.J ~01. e~ m1o..1 i;e-hl-- e,n'.,r»ed ~e.s ~ p~,,.., po/1-cnon1 lh:J, · ftl u,pt'~on ~ foc:,o trt')/,.,.,ri... •s n~CQS.sa.~ ~Tv pu~ 02! lhe. ~C- la,nps.00 - ~ ~-7he. oue,snU e;,f~ ·Ob- lQl'l)p•,s '3o lro/w· :. . ~ , .· ' 'I ,
  • 99.
    Ou.lpuJ. o~ '1.0.Cht,ooci tJ'.l tan--.p · "'- -30 xtooo "" 30,000 !un-,ens N!:!-o,- 1000 u:, lamp; "'>ec,ch I-owe, • ~ I• s,q,s(, , ::?>o,ooo ~ 5D = ◄ ,t I}- ls do.-s~m.d lo 1lum~nae. '0:d=col"'ij hall c.iilh OJ)<l)!d ~lumf"°"""" ~~ ob,,[,<}- ~s, u.,,_, Th._ a=a. ol,-f..c.ll is :se...,Xaom. 1l>e. tomps <><e I-<> be. f»e.J o.1- oro ~eJ~IJ, --t-!rdour the. ng and -Si~ e.. "l,- r,,~ eSce.l)i-- lC:,.,,ps ""'JU"'1 +,.on e..l5bioe.r>~ 01,- t.;i lum/ '1>oll- ,tJ-F~c-4 ~M-F•~BS ~,-0 ss lu"'ens =9ur"d = E><'I .;_ .a,;oxo0"ao 11 UF_ l<."tt' ; . 0,4,._o,e,e:; ' ' : ' £ 4-411,, . -L•~ .,-...,<.J~ < 't,l!lil'b ~ 31,,b!;<o •-~-- -y• -,, · · IQ . Ta~i"'a e,lorn_p_s alo,-,6 I-he len8~ ~'"''1a"l<'t.."fr ?10 -m- 8Tal,i'"'f 0 lomp, c.,icl~ .sp:,ci"'a ol,- ~ Je.., +m c,>idf/i Wloe.. Tolol l'9 ofr 1-,p;r 3X5.: 4c I • woJl.cae 01r l;&J,·10."1'~ ':3E.1E.s- " 1oooo::i - ·II ' . · · 40 !hue. ~ 0 ~!11 be.~~ , ·. .. <!16:>(f) Cl)~(:£) EE)© ,f ® ©~ ~ll) ©.~If> ~n') ' ID (!) ID 0!) ID {!) ~ I ~it~E&~ .
  • 100.
    .If- 11,Q_ b"n"td'"'td~ ..--oioJe."' I¾. 1ra1-ih'1! Schen,e_ 0 ~,,,, · -e~nee,Jn~ COllef [)/mensior,s ot hall - _30m)(Qomi<_ gm(~l~f)) • 'W)OUT)~na heJ~fir - 5'1'J . ' · ~e'l"'i.-e.d le-ie.l o~ ftlu"11 ooH01'l :... 140 lrn/,,,2.. O·F - o,i;; l'·F - 0•15"' ~to he.ianl-'faiu). - un'ht ~/~ fo, "oeotill~ - 1olu={~ . ' .W'<l<n'l / u,oJ+- to' &>ow Jamp r II, Iumens{woil-- , 11·· .. uSn1 meh,J iilorow- }<,Mps, u;~m<il1 I-he si~e, a,,d D!l 't $1le ~p 1,..,., ·,,,a,<J~ o;,d ol.so dn,.w lh& /4p:td'1 ~ 1 . . . . ' ~01": ' ' ', . : .,_ r ~ ~ 14olm/tn · · ·· . · , , ' ' . . '}_ A~ • 001<11.0::-Goom , , · L)F :.O'b I tJF":0-15 . ~ lu.mu,S' rwiu.'r,.dc El<:/! , = - 14ox.&oo UFX"F_ ~ ,I, 1<0-1'::r .- I ·=·18&&!>1 ll<) , ., ,:. _, . ' , lbmen e/p ~~ ~w l°"'f'.c 5oox lb= l!,ooo , . , . . . . t,le,. ' !:mt.l ai,;i:e, ~.:.ed =- ·860~1 - -~ ; l . ,· . 1 , ; Boco , ' r . " I I ,blrriTla<~ ..,Q. i:j,, '!MWI °"'fS 'fe<:JW-d ,,• ~bJ ;;_48 I(. ;:';O ...-, - , . ., Ii- ,, :3'.':° I( 1:3 ~ ~ ® ~=~ - ~ '~ -- (!) ' - ~ '' ® ,(t) . © ,.· (t) ~ ; , ! ·e· {£)1'Q') ~ I~ ® ® ® t.!) ® ®
  • 101.
    s~~-!:}it:]:- o~~"~ :- ~ {!J co.o:z,-~Jis,,L 0~nuc.ka')5 on y~ 1r-,a,d~ ~ -o)J~ ~~ OJ"'ld c00v~ni~ , @ enho.n~I+~ cot'l'ln'W1 i1 valuct. o}r.skeJ- © rn'"1?. olhoclive.. ~ p,rfnciple..s f"vot"ed : - t • 0,nt,-us~crr> a. . /4pe.cul~ 'l"e.~ledio-o ~ : - * lhe. lo.~p.!> ~H-e-d (J)jH) sull--a.bte. 'lfel,-e.~~ ~e. '¾ I I ernplo~d ,the- des,ca.., ot,- 14)e. ve&,le.c."°"..s is. soc.h H-xd- H-ey "Q dT~ I-he tiijhl- dotbn/Jlo,1'4s and sp-reo4 ~ uni!,mm~ cu p~asthl~ ttvex .h-Ubo-OLol,- rrocc4 .:f Ih o-fd.eJ h, a'-'~id ala-re · H->e. ~eh-lee~°"~ modei.., ~e ~o.-04-S° * tJie ~tr~ao p~'"" o-n Ho)~ CftJl~fnc.ide.n~ SUJi~01J "1"lalCU thL --a,ocl b~t~_ l-o o~"~ . ~~c.olcr.J~nca ~llw-r,ir,oh~ por~1-opei,.,~ ~ fn"e-rse s9u01t"e lo.t&l me.l+,cx:t ·,.ei emplor · . ~ ..-e.sullonl- 'rllurw,To~at) te ~e.. ,SUll) ~,-.~ ilh.1Mt~ ~ dua. ~ Q..OV') ICIN'lp. Cop Q..CO.}~ ~~~c:H :-, ~ --.,, ......, * ~e.t,-ie..c.h:,is o.Te. c.u,rve..cl u f'W~Tes /4~ ~l+it- lif ; 5 H1'Y'otu0 c,f) Yo~ ~ a. ~e.,t J°(1e,~e.0 ~i,..,dcfeJU-
  • 102.
    .' f: i :- I1(' ,_ 'f--..,-.., ' ' ' ..,__., ~'..', ' " ,. ,,,, "'' '".- ',' - - - --
  • 103.
    .:f :tn t-h & rne.l+,ocf ~e.~uf'Y2rne.n- o,- o.. ~ed~ (.,.)~ ~U""('L5 l-o Sae.. ob_jQ.C..6 ir) Jii-5 i mme.'1,ole. n14ef,boo,-.-~J ·,~ also lo-u,ill~ ~ 11->i.s ~e.>+,ocf is l"'t')Ot"e e..cor,aroical bul- Pro4..tUJi a~ .for -11,e. mo~ * :Illumfnahcio le"e.l . -==- ~ ::=- - ' , . ! cOPS -A f~s-allo:tc:f.S .- s~win<o cenh,es 'y ~ Ju.ndiow:6 -- & lm/t"()'l- ~ l~ahttd Su~Ybor) r~4-lm/,0L ( , ., 0 "~ . ~, ~kd - . 8 ~ 151.m/'1')~. i- ,, , 1 • NO'ff").oJ ·sp~~! - ~ sh,& t~f~ ;~ S~rr, i.D~H, a he.i-r"-4 A-"" . I ' • i ' , c,'"9 • • , It , i.. • • ,,, ., • ,, I ' Lon>p p ~ I .s~o-u.ld ba....b4xe.J- or.:JC.endioo o j-~od-s I ' ' ' ' ' ... t 1 • t j • l ' • I ., ' ,. f '. • ' ' ' ' t • ' I ' • I f •" ,r : 1 ' I '' ,. '• 'I • I I •• , , , J '' I I I I ( I , I : 1 ' ' ' j • I , I l I 0 ,> t . f I t I I
  • 104.
    ~ lifl½ijnQ :- ........,,..,, .-,.. c) Avoid ~ h--r~ d) sr rr")plt. and e_Q&I~ t!.leo.r,e.J 1i~n~~ . 6i~~~~t~ * .Ir, ~ t S o.nJ au~K6~ops ~uettol seh1..~ i~ k, "t')c,urJ- ci._ ')umb~ st~p.9 oJ- o. s~~!Uf- ~~~-·so ~ot- ltr:>•~ d.l.9htbu1;crf) ~ t;~ ~"t..1 ~ Wc)!K•nt par,e.... S ob~ * -/6:~ tnl-e..ose.. ;tl'-IIYl~no.h'Ofl is ....-~ut..-~ and ,. ,s prt,1/l '="d m~ efr o.d-.1'1.16.ol,l~ JiH,o,,1.s )l' -;n-.. ;s de..'!:,rq,bte, b P"'o"tcle.. ctuaut~ ¼hlin1 J;cin., H-ie.. .&,~ ll~~ .,_,CII) tnCW) o.l~G s~ ~~ ~ bifh.t, u tN' ~ mall. Pt-f.td. cf..i>Jen ~lfltto.kra
  • 105.
    F~U~:- .,f "lf,e,. -tloodrnq"! 1 0 .,..ge_ Su,-~ w'1~ t-.,...1,1.. 0 11 o --- cJ {ftorn pcx.c~.:rN ~~ ~ CQ.lla.d blooc# lial-:il-;n8 7l'>o.. 'b°leto:'n~ f>uTpt>~ l i) To ,_~ lhL ~uf.., ef,. a--,~~ , O l'T'lOr)<A~ l-s b,,.,r i,1-- L''', To 1lltJl1'3fnok advs~ be .J- ,__. t _lJ U · Cl.l'~ .....q ..Sl'")O(aJ- CDS4s dtiJ ,o i/lurnfnctk. ~I~ yc,_.,.451 -Spo<ls kJ·,u,-.,,s * ·~~ OIi") ~~ ~CIIY)~ ~s;b1oc:l ~ t-Ow-n!>(.I) beaM) Pnzj~~ ~ f~ - &S-: "7 1 om ~t.dlurr') °1Jl'- ~ ➔ ~-¥0 ., 3o-7ort") ~ide..~,,_p~~ ➔ . ~0- Cf>: < 3ort) ~ f)Sps IQ e,c:c,f).>, ''d p!,7r,4. ot Vtcz.w '°1d4LOl"ld._ ~t..e.h:fl t.Oil½ h~'cfh ~ ~ l.s ~ av~ nc:l-t-1ow bQQl"'O ~e.&o,;> u,rtt, l.Dt-0 ~ * mediu.rf') °"'d e.eid'- 41a. Mj~~ "oa-f11I~ ~-f;loroo-,~ a), ~S)tOI ScnW '?e J,ooet..u QI¢. w,e..d .)f -teUeu.,,,•na kn-ns c«',L ~QC/ ( a ) ~ ~ ~ •~ i"" ~~'tulc:tY a~ 1,r;-{o-,- i~o6.jtt,'5 tke ~ lI,) Otpq~~ ~ D·F .s: 8' 1lumtric:J;c,r, t1ncMJ :te:af c.m&Ftro "itlumw,cJlc,o t.nclet l'I~ ~~ te.) c 'c.ian-ok ~~,, ...- I bQOMb.UIIUI$ ) .. I Io,q, .;;.. ~QR) foch,r ~ ~•3~e• S-
  • 106.
    fl c A>!IS~J,laekfiqhl--+,:cb ><D•p.,.daJ;"'>~ ,,i;u,,.fioof,do, "wa.~/,- lomp ~ t,,,.,,, . . '#o~ N~ ~ ol,-p~,do,:s lo,p ,t- 1h• ..jk,,1-- ol,--C w1d1n6 46mXOo...; ;. (11~1n<CUed bl ...-fu,u,~-1000 w fc,.fl)pS Cl~ /4o J..hoJ- l.U>i~ i//un,j~ •o th,_ StJ.rF--1• dblouiel , ,¾.sum•na ~'""'''"""''tt,i~"'1 '}- ,&tut<>/ulo#-· : ""'t•b"- ukUzbi ,.:4:, wo,t, ~'t,1-- ~ l•!l. ' ,..,J· c:F ~!l : def-II,-, r//u.,.,,:,.,,.fi,,,, .,..,i,,.. ,oox Ee>< t~x,,:; , o•+x J<:i,olC 1~ IC~ too., Q. !.uro/nt- · , I , ,, : " ' ' ' I ' ' • ~ ' , ' '' d
  • 107.
    Oit- Tnroduchon The locaneion inchich he aaving trachue Elechie trochorn tained Ro elechme motors is called *usodin a) elecic ralns b) Tsam cars c) Trolley buses d) Diesel- elechic vehielas ok rachon 5yskms Non elechnc hachon syskms do net u6e elechical ênea stem engine d'nve ICE a. Flechnc rachon sysems usos Elechic gnesa ) e centained vehiclos () locomohives E Bate-elechicdive Diaseelochncdive. b) vehicles which seceive elecmc poueT on a diskmbuhor o suîrably placod Tramuays rolley buse.s supplied wih De Sipp Keurements a an tdeal hrachan Sysem igh oadhe.sien coahianh lo comokue tshall bo sei contained 3 inimum weaq on tha ack
  • 108.
    Possiblo to overloodhe eqw pment sroi 6 Polluhon Ree 6 ensy Speed conol. 7 Do interherend lo he communiohen ne Dibheaen ysums trochon shearm engine.dive *Recipre caing ona ire is uses o 2ehng he hecessm PeuoESY mesHy usedin underdevelopia Counies canteas simpicihy in design a) Simped matn e nana 3) Ey peed conol ) L4Ne nFerherenca. ih commuiccoion 5) peai on od ciependabiGhy )Low capia cos Disaduonages )Lo hevmal ebbiciency a)tow adhesien ehcien mere e-pai ad mainenane- Exlensne and cosHy auxilioy eqipmen 5) ead's lmihd
  • 109.
    undes nmal speed,cienY is about nsy l u foih al in veskmen *Se contaunsdtun *asy Simple.coohol Vey slople braking syslo cheap dvie toi outersburbs dcourhy dsics aisadvanmqas Limd oveglocd capacíly * g e box is essenhal js peed conhol un nin and mauy kenance Cosks pon &he. is short I.cenaine elechicdive, ducion gear oand gea box owe eliminae *Diesel engine doives he. De generatoo *alwsk and locomohves ono.beig tdidoly used Aduantoqes LoD inihal iovostment RAs Ho locomohva. and haury is sel, conained unik con be. put oto se>vica. o ong moment Oveall ohieen is qrenes than seam locomohves Pouelo9s is Anall
  • 110.
    Lmitod ovenlebod Copau ta rurnia nd nointasonc osr c.omparahvely cosHue7 eqenesahve brakig aonno be. uses pecial ceeung iysh s Tequired petsol- elecictsachen:- POvidos -fno ond conhnuousConhro honlomesod buses. 5 aHery elechicdm ve- 5 Aeco mohya coneshe. Aecoy battenes uie) Supply Pooes ho DC morees employed for daving Vebi cle * e l Bi red ta frequenty operalid Senvice ha hos loc dolivery o goods io lage aons. *Sored by Series parelleh qrouping e bataies inp bor saring and running a speed upho E hal ma Speed and in Seres tos runnng ak full max Speed Advonegea6 O.03 Fo Conkrol &Lod maintenance CasE No Polluk Disodvaaop.s frequent char Jtm?led bpee d ran
  • 111.
    doive hy meansob elechic mploss ohich onf.d o Nert ad disbibuhon ysem This is mosly used Advapeyo- Sutable for udergund railways melos ukli sed hove high sas ng torque. m a m e n a n c e cosr isSo%oh steom locomoho *adhesion ocbicient is moe veg enemhve brahing is employed Disadvanfag paer 4ailure nvsulhs habbic dislcahonfa hours *elechijied nxtes *elechmcal infeshesance. isposeiblo Aslems o Railuwoselec.hihicahon Desysm-6oou,1EoV, 1500u, GO0OU. -AC Sysem 15o95kv 16,25 and 5otHz 3-pAcsysl 33to3.6ky at 164z Composie syst sysemi- D e sees motor ae employed for egeneahe a Compound motoíS ave. used oxoina rebon ep Subusan mil4s- 60o to 750v DeLSed man line ailanys ISn ko soooy dcused la Goo to 7soV De Ccducko Yad) Cirore ns m ) c u o r e n k 500 ko 50OV DC
  • 112.
    h e Substahnhigh voltage 3-psupply dis cony ino lo votage 1-P Supply it help o ScotConneck Then equired lou vol age AC is convered o t The dshibuhon Syser) Corsisks oh aOehed tire suitable. convenotens ond a hack ri 3dphase To nc eyslm, Tnducho) moloss employedio hs byslen cge bimple Tobus and give goub le-fret. perahon. higb iclenu and Can ackas generolor Disacvanrages- no suiabe fes pajalld opelahon noFi ade bes crossings and jnshions Used in Some hilly areas hete oukpu pouwer is hig d egenegojon on tatge Sol is possible Com posil. sysltns- a) 1- ko 3-? CKancdosyslim) b)1- o De Kando sysioi- 1-?, 6ky, 5oHz > 3-pSuPPy 3- Induchonmoos CVotaqe is compucaed dotinmly 3- sys ConueTelacad coihkardosysiy vaiabla ieq og 4 to 9Hz tred quoto-frequon ska_ks Procucas high slahn tosue whou akung excesmue Ce
  • 113.
    stale pho a5kN, 5otz by epdoror hLe coovested o Dc De Se-mes roc Tachonrocro e u a n s 1) Hah skong bbieien a) hgh ache3i) coobcien Less numbe 3ub-Stahons 4) ree tlezibfu Discdvontage- leds Fo walancing o Supply I psocuces ineerence. In telecommunimhon cicuirs Ypes ob Talluay Seavices - Ciy usbo svico frequenkskops < 1km high accelerahon psetadahe Suburbar Seovco 3 Mai lina Sesv Co 8op disanca. averaqa3 30K 2So3okm cceleahon p Tetardahn is neena high ala Opesahion is eves longer noue btops ae1oequer t) Man.hve faeigbtervia C) Local å pickup-fseghkrica ahunh2 Setvico..
  • 114.
    ) slop givesaCcelemhom cd velaydahon a he co. may &e Avea vepr* senksthe.distunca i, Eneny -fe prpulkion danbe akulaed i ess ne lo the ohim o haun is knrwn Speat- hme. attve- a) donsun accele mhon pexiod Cb) Acelesahon Ce) ee vunnina Peiuod (d) coashog (e) Braki O constn acceleahon peiod (oloti): Tnchion mooss acce levatu hiem Tes Cument aken by motos hachveebhotare Poacicaly conshan notehing periecd, vepresened by porionol Pceer akion on Speed Cireve. (tto t): a f n sH Conh nues o accelerae along curve M Duin his peaiod, he motor Curentond foqu decseae as kaun Spoed Henca acaleaion gmdually +*l toque.deve by metes exacly balames haF due. hoesisn to he. roin mohon
  • 115.
    A t e hainaHains ha nax speed. Duming this (emod ins runs ar con skant speed atained at and the sauns r u n s ah. v e p r e s e n e d by povh on MN doasing t3 ots);- consn Pocwer1s draon +At tz, he poder Supply 1s cutohb ard he hounis allowed o run uncdes is aon momenum Specd o,houn Shars The rak o decseo3e ob Speed du379 Coashng peoiod is known aas Coashna vetavciah en Cconsant) de siabla aînca. îr uiizes Some oh He hE o haun, othendise be wasled duing bmking seprosenkd by perhom Np Erahing (to s) rol aKas a e applied ad he. roun is brought roa Skop seeTuning Accelemhon o Spetd cuue M N cooshng P Baking Rhepstahc acce le rahon t
  • 116.
    A Geryico o Cshng Vonph cole ahanBsakng lime, 0presans cihy ervice.tikee lahve Vake, oCCole-cahon ad etascafior ae higb ( o6km) 90fee unnng pesod bu a shoot penod oh Coosh n PoVI der to e ener consumphc) Cp.n 9peed 46 Kmph 0 aia A c t e l e s a s i o n Time 9 hq sepreseors Gubbos) Seruico dishano behween Sros 1s 3to5km nosee Tunning pesiod but a longe7 Coaghng peut orn a long ops ale. po2end relaively high valtes o a cce lesahion and veatdhs 0quira unN Go p e e d Kroph 3o. Jeohen actelem accederm ine,o n
  • 117.
    h4 diarar feg pei orta oh oe atekhen nd Teatdaion feiods are less imporar gopseents nain lioe ervic joe urng o high Spee he acce levn) ian ubutbnn prb mlley sububan tpl}rbon 6o 4kmpps o4- o 6skmphps C o a h n g t o l a t d r l o o IaKing e lntedeho) to5 Kmphes 1brophps NOs}opeed AA AM T s he. m a x speed (vn) atained byhe vebicle. diing he "oun Ave1oqt e od iytded by achua hme vu 1 Kncron o3 Aug Speed The dishare Coveve d botoeer wo ShopS 9hedule peed Tisdelioed as he raho oh dishance CoVeoec belween tuoo tops ad oa) rme oh run înclucina hme slop echedulo spoed, Vch Dis Fano belocen Shops Acl hme qrun +dophm Aua eed DIShana bétioees 9 ops -Actual hmeo ) Schedule 8peed avemge Apecd pbotence lame in trrban ad Bubobon Åepuico d Sml in coae o maun lne sevico
  • 118.
    To have good schecdule 3peed the srops mus be Taduc2a 15 o aosec Sma) Sevic &The etechoshphme m schecuk speed f man le 18 Deigly êmal. The schedule.d Specd ob a gen hain depends an olloccingfackors (a) cceleraien and braking retarciaha (b) max o cest Speed Duraio o Skop *Accelenah on and biakira Te a riahon M NN *increase in acceleranen l l vesul oecrEe achua hme o n qnd lead ho scheiuleSoes 6imilary nctease in brahing etardano al pead he vauahcn io accelerahon a retmdahn e elheck on scheduled 8pezd in eoe oj shonts shor as- Moi meum Speed ot-fixed accelerahon and retadaton. fraco D, fora Co disana Vun, the acual hne o rur asill decrease a there hose, chedul specd cill eoih in cw Ape2d lona disana un, He ehecto vau tn css Apeed o Schadule apeed is Conbideeablk
  • 119.
    Qurao schedule Speod, toagive avg pee ri| A by he ulucig he duaahon o stop ru in Compason toI lbrge distante run inplitied Speed hme cusve3 * efeckHo elle ch he schecdule speed more Incole. of Fharer distarte usban SeTYiLe imple quadylaterol shope oun sevice tapezo idra shape Toapezoidad Speed-time CLUaves- A m D E - - t shops D disanco. bo.uweon (mehros ) t Achual hme o u n betueen Sops (sec) Let Accolevahan drmng Sarhng Peiod(m/3) P Retardafien duing braking (m/s) max ( or cres) SPeed (m/s), av speed (= t), *ms t time a acceleraion (Sec t me ob boking (sec), G Va
  • 120.
    () D Area OABC AveaOAD AvE ABED + Aea BCE Vnt+Vnt+Vts t Vm(i-(t+t)) Vm DV - d+ D Vnt -Kvm KV-Vrmt +D= o-5 =+t+N1-4KD K VD t -VE-yKD - K Toom (5 Kv Vmt-D
  • 121.
    D Nnt -1) .D Nad a? Vro1 D - Vm vNa bvousy b o, Va and D ala knauo then k, «, por jound Quadnlaksal speochme cuve V Specd t Time Le Accelesatiom duaing shachng peod Re tardahon doing coashng peod B Retardahon durmng bmaKing E max 3poed a he end " atelejahon Speed a he end oj Conghn Jota Hme o un
  • 122.
    t ime o accelevahon timeo moshing tV- -) Time o baina Va/a Tod disonca avelle d D Avea OABC D- Avea OAD + Area ABEDt Avea BCE ( 4ta) + Va(tatts) vt-t,)+ vo/t-4) (Va) -t t(Vt)-vi va D Cv,+a)-KV V D hee so - Pet- t-ta) Vy-Pet-V 3 Va aV-Pelt-y)+Pe C - Y-Fe( M - R e ( t - ) Na C1-Pc
  • 123.
    m s 8apar values o aaelnnha rtriann a 8khs ar3 ékn>'hs kuk x 4poas an aaum d a Sp aaa m c 3600 6 kmphs V - + 5 5 5 V a -
  • 124.
    *Po elechnc kaunhos an avesage Speodo 42kmph alevel hack behoeen sFeps 140om apar Iis accelesaed at I7kmphs and is bveaked at 33tmt Drd he Speed hme cuaVe -fos un. Given Va= 42kmph 49 xIO00_ = {}.67ml. . 67ms 3600 D- 14o0m 7krophs =17x1o00 = o:472ms 360 P: 3 kmphs 33XloOO = O.qI7m/s O.q17 ms 3600 peed hme Cume fos u)D Achual hime. ok n, t: tDva t 00 105 .67 ( ) O472'o-1n Aleo max speed t- t4kp 25 1a0-(120) yxl6x1400 xl6 1445 ms Y 1445x 3600 =52kmph Acceleroh an penod t n - 4:45 306 O 472 PraKin pesiod Fg: Vm e 14 S e1 1s85 10-(306+IS-8) 3 6
  • 125.
  • 126.
    A oin is eguivedto TUn belhween tioo srahons 6 krn p Dor at Hhe averoge. Spaad eh 4okmph The a.ccoleraion rehorda.ian cuing coasing an d braking are. krnphls, o:l6.n and 3.2Kmphls masply. Assurning quadilaeral apprectimahion aL Spend- ima CuN, De.teomine The duraion eh acsalamaion,co asking brakinapeno as tily The dislance covered duing hase pericds D l6km e 160o Var 40kroph= 410x10O= 1-Il ms 3600 2-X 1O00 O555 ms 3600 Fe 16=Ol6 xlooo.O0444-ms 36 p 3-9 3.2x100 o888ms t Durahon o acceleraion, coashng braKing peviads Actual Hmaorun ED = 600- 144S V O 0444-(144- .OS5S -OC0444 888 Vae I1368V 613 Ie know ha D=tC+2) -Ka KC ) 44 &00 9 - 138Vj-673 464 (dr1368-673) 2 46644- 163-7 +2oB-G=O 984V 1251-8o
  • 127.
    98-4 dNG84-4xX12528 V 15m Va=1368x15-673 Io:322.m/sS leraioo Durahon o accelerahio) tjE Vi 27.03sec O5SS Duraiono coashngtae VV05 l05 45ac Durato o Tatardatiop tgeV 162.5ec Disanto covead dunng e x15X 3103 a09Tm 15+10/322) l654 = 1334m S)ts= x 892-x i62 = 6om Toachue ehos for Propulsian O hrain - *The tra.chve ebhost is dained as he ebyecive fosce hecossa o pro pel the ran at he caheels o he locomohve Thetoachve ebhor CFe) equTed tor raiopoopulsio) is given & FL FaF os level rak F Fatt gradienks are invblved C+ asending aracien deseanding Faz dosce Tequired for 9iving ihear accelerahion to he rain
  • 128.
    oce Tequired oOVercome. raltaiered ebbeck F foce requirad b oolercome Tesishance lo the moian o rai 1.Vajue M i s he dead shaionay mass otlrain andse isha reas accaerahen, hen a M 0 ounato the lack Hhaha krain has Tohaing paols kkes tsheel Qles, mol8 aaues and qaasing ere. ils elhechue d accolerahng oags Me is mde Hha tk slaicnahy mag Pa Me * Fa Neuon when Me g and ms TMe> tonne and krnphs he Fa 00oMe)x(oc0) S600 Fa a7m8 Ma slealoo Fa Wsinc Fin Masio k-Disance. alang hrack Noogradienb Elevalion cose N6i0e AC 6i0 levaficn) gracherk IcoSin M8l G 100 Mis in kga 981x peoM TOO 98MG Nealeo
  • 129.
    Value o C) Mechanicalvesislance. (t * ToBesnal resishance Tounols, axlas, auides External mesistana icional vesisana *almask n dependen o- train speed buh depends onils (b)oipd Tesisharte Vaies disecHy as square o hrain speed FoM i Lohere iS Apecihie rest shan M Newlon Tbe Folal achue eyos requred. Fo move he hrain FtFa+a* . e 8 aT8Me 98M OM1 MechanicS o, Tsainmovemenhg ESsenhal, diving machanism an elachic locomotive is sbon i10-f The. asmature. ha. ceiuing moes has apinio o ciameltr dattached to it.The racive ebberha the edo otha pinion is ranstered to ha diving asheel b means e gearasheel Arroalure ol rachon chot Pinio oly molab Ro ocsbee earuhee
  • 130.
    Le- he dsivingmola eseak a lorqua T in Nm TracHve elbov a he adgo o pinion is given by equaio) T F'Cd) ' 2T/ FrocHive beat ransherved Ra. hiving sheel Fe7 C) T() d diameles o geartoheel, in h, mere.s ybr inel diving wheelin m. ebicreney o ransmission. nio A ThemaxGraHonol rca beween he diuing oheel and Frack is ahaga is he coe bictenhok adhesion bewee dariving cahaa arrackn l i6 igb roin onaiving asles A slpein is aveided aaRicientoalheaio axhacive hod Hhatcan beappied uoithouh s lpping Oohea ackucos oi in spaa alean dry rails 25 eros aransy o8
  • 131.
    Pouer oupuk from.theDoivina Axla Podes p ole oh doing osk Teachwe altook Xdislan tme Tracive euhas xSpeed = Fxy Nms FtxV *1000wals . h3600 Fexv Ku VE kmph 3600 Enea op ror Diving Axles & Pssuming rapezotd.al pead-Hme curve Tobo enera reguied Ener9 requie dumng ane accelerahian Avg pouweY duvingcteleraianxacelexaion petod " dn Va Pouer auing feeruy X durah ph , FeVn 360O366O +FV Kkoh 3600 3600 d Totol-eseta Eneagyeuhpuho uai-bous Cbpaci cenu oefabhab ainiotomes disonu olp Tbe Specitic anetgy-oulpukisuseesCormpaah dynanical pajormantas o maioa operago di Schecules
  • 132.
    The &nerg pomolos is called he energy consunphioo o train 6pecine energ consumphio , Eneraydonsumpieo olhion in lat-houo da hraisin tonnes Xdislarao un io km petesoin ahion o spciEed Lethe ock have a gradieph o6 . hroughou iis ur. Erery oupu o accelerae e oin ancesh heapead FLVnx ksh 3600 3600 . e Sincet Y 271-84 981G Ka esgy ouhpu totunhe raun a hespead Vagaunst he rchen ard tesishana br mofi FLVm uh FXS 360D 30 3660 3600 Snca Nn .h dislane ravelledcdumng tree un 3boo ool eneg outpuht the un 4 2d(3606) V pooa11-8 +98 +lar 36c
  • 133.
    ooley Me-loco e-llG Hl] Ls'+s] 3600 he usl atu a3600 Speciie enexgy oupo Enegy oukpu- or he munin wal-hours y etobhoftraip in omes dishard.ouiok o-ol 6727o +0-778l981WG+r)S l WxS olo72vxa oTR SL(81 4T lh pesreorne-kn She soackislevel ene GEo 6pari eneia ostmprio Colo2V7He o218x h/enne.b
  • 134.
    Compaalen berdeen puseAc and D syelemo vww Dc seies molors a aheapes lighlez Tor eauivalen essmounenana componed o H A seres med. Deseaies molers aja copable.o aving high aceleTalion han aa seies moors *aiablaApaade oqe possibla oth Acseies mora han s De se1es Number subskahions a ACis leachan Occ Ac 3ysin ho higb inkarlerancahan Dc Genera regusemenS/FeauTes 1 * Molors must hae high orque duning stuhrg andoccelerahon in order o accelerab The heavy mass enol *-Moror5 hod hove suitableApeed-horque charaakeisice Motor shoulcd,be opeakes l Molorshotub besoidesigned o otthsandvottagefukahons Morosshould be rmechonicaly Proleced Mots should hduehigh meehanlcal ahdaleekical keiamg Melors should ebund highpouesloag had.
  • 135.
    D.C Molers Characreis kc3e Sexias dound moforS t. iel d Lomding amauga. ala in sa4ies Dmachani aal lcad Ta and hen RSe : )T characheri sh es uplo magpehe Baturaion a TaaT *naure a Cuma is apasoubob 1s Comshant Oemagpenc eauaioo T C-folle s&oiq ht line palh) K used ohee bigh slaot ngtorques aa Tegluire.d 6) N/T eharaceisics aedspead N s. n 1 Lhee,,Fo-aCRatRoe ta a . , Ep du to in ATCfa+s)shaidas Ja bu he drop o aCRatRseis quilk Bmal u normal condt Hons and may b nealeeed upro magnehic Saurahom Ta ollo ws ha hqpasbolie Path
  • 136.
    h e sagiasmoos is alaiablo 3pea moroThus " ha, load daereasas, s spee.l is auomahcally ged AS Ta reaches o led valiue, Pha-ure becones Vas small anca ha Apaad rises oan orcosive igh Nalu2 Hen CN) a lbad Hona Aaigmelor is do b shaned h a.mechant cad load TaN charactens He9 N a lo pand bign rqua uiceuersa o 8 N . Cormpises betuoeen shunand Seoio9 maos and combln s ha tankues e bo * a field oindings one o ohich ts'connealed toseaies ofth be cxmalure and aher tr paralle) wtb t Cumulaive compound moot DiLerenhia comp chaaatei sics aumulahve, co9pound mo loo: ts
  • 137.
    Ta aharache sha Ta sesh TaCncrea3e hah oshun nl Ta NI aharacrerishcs N se19s shery loac Seies jield Srengtens unhheld soThahi telal arz HeroN As le.od N a3 încase cSesies mera Con be operaed a no lead afth, SoleimsS i cha7acherisHe tnhiss lies buea l and seatas me or Coa cuHng machin Purchins8 sheamna machines e
  • 138.
    charadhenisfics o dglerenHoacempeundmolers Tata eharaaleri she e T h I bukdoesneb Tapidly as,'nenes mo t :in ( ahatdceiatg ) toad eandhance N N ' E / ) henyloodgooeuld esul n sueh ahigh spes8 hok mgor migh 6urs un der cenijugal torc This propery ha mohor is 9ue dangaLs sintaa NTacharacheishes Ta N Torgyeis eqmuch e No dangeru
  • 139.
    Ac Sees meeP De moless raale n same dneaion megardles o Polay o Supply brdfnany D seies moler is conneclkd a AcsupRly. would opealtbu-no Vey saiskacony Roasam s a (a Snce he Held and aamatuse euaren everse eveay hal, cyale, he res qua weuld be eased at deubla }hequena in one. direchen. Cbieid ua allerahan excossNaeddsy ciureolossa.s Held ces tp yokes) ola healingand pe.duda pasohna etlicias Cc cay Tesds n haavy Sporking r èi d) Preducas abrere volgedoopsin eldcaincinga aOuseso pocdeT acto ard peo pero smort eohan de sesies mofor is opexaked onAc upply Ehe back em develeped is less ohen coampaed orgen rsque. hesped ar A Oid less han De suppy or De Series mo forAcSenies mere TFL
  • 140.
    chaocreisiTt same asTha cdc seies mohasi Tre Ta T Cnear) and N Vaies invessly Theinduclively compensaed Ad seies moleralso opeo Aaisjochy en Oc 8yslo andhos p al ejiierg To gep kiu olp ha - Ae seaies moors hareSo2 Hmes ooigh han comaspodig De moos Oue ko poor shai ng oTque ase morors amenhuel suiledor sububanservicea *estensivelp used for maunine s evica XAshe motoi uolage isabou. 30peb 4co volk hentas don tisessenha o eE *Three-phase hduchom oror- 91s/vr a 5R Imax sitperesporndirg s to Tst Tcsque dis ugeon7 sltp T a wtjsv ASE6 T- satsfom ma'l.ni a A'nomal spead, eis shalya s nealaibe as compared'oRa dais e lsTs SinceRa19canshan TS
  • 141.
    KIis sE lineTser) zeo 9lip lo ashp ha approtimaBely corresponds gull toad A s slp S, Nbcyend -ful load sip, T and beccme a x a S=Ra/x. Tbis te Krousn as, pullout break deewnkorque Tpullouk Tat , T mare Hhan Tmax he tegm SK2 basHu So hak Ra may be negleced T sas:X ta.Constan T CRegeln hyperbea) t * Addlion e Tesisande. to tolar Seeiuh dous rerchange he mox Value a orque bur cml changeshe value o-s a ohich max eccetrs De motorseies and poralle! earnhrol Eeteaic rách on, Seies-parallel mehod is usual combined cofth Testslanta mehod o Conhrol In he Simplas case, a da seies meles ame coupledmechenia and dhi ve. he Same Vehiale At landshl he morots iare canneced in Seies V a shsting heosrahe mehots age slasled upin series Lofth each eher and Srrting Taststarta is curaur sep srap o ha Bpead hen all tha esistantais auh auh
  • 142.
    The votogo appliedto a.sch motor is abou-one-ha, oFhe ne uoltoge The spead is Then aboukone-hal otoha boould be ih ull tina Votkage wea oppliad o each moler o ha, peedusther, he amotors arecennecedip Parale ad a ha arne hmeha slarhng mesiskna Con neced in Seai es oth thecombinai The sarhnG. vEsfsan 1s gn cuthauhlep hy 4e unt fuil apeed is atlaned hen-field comol is iorodutod o-wwMwm-n- m- GWMwwW m- m w-Mm n OhLm-H owwAWLSoun mm M AwI m m Mrom Divese
  • 143.
    UNIT -5 TRAIN LIGHTING Systemsof Train lighting: Train lighting is one of the important passenger amenities which influence the image of Railways. Although first train ran on 16th April 1883 from Mumbai CST to Thane, train lighting system through axle driven dynamo pioneered by M/s. J. Stone & Co. came to Indian Railways only by 1930. Dynamo / Brushless alternator driven from axle through flat / ‘V’ belts, supplies the load when train is in motion and charges the batteries. The batteries supply the load when train is stationary. Following systems for train lighting are presently in use – 1) Axle driven system working on 110 V DC supply. 2) Mid-on generation with 415 V, 3 Phase generation AC 110 V utilization. 3) End on generation with 3 Phase 415 V generation and AC 110 V utilization 4) End on generation with 3 Phase 750 V generation and AC 110 V utilization A decision has been taken that all coaches now being built will have only 110 V system. The coaches operated in 24 V system have already been converted to 110 V system. 1.1 AXLE GENERATION SYSTEM WORKING ON 24 V DC. Coaches provided with D.C. dynamo/brushless alternator were driven from coach axle through flat belt or V belts on pulleys. The pulleys are mounted on axle as well as dynamo/brushless alternator. The generation equipment used for axle generation are as follows – a) 60 A and 100 A Dynamos with inherent regulation b) 100 A (3 KW) and 150 A (4.5 KW) brushless alternators with external regulation for MG & BG respectively. All D.C dynamos have already been replaced by brushless alternators in view of simplicity in maintenance and superior characteristics for both high and low speeds. No new DC dynamos are being procured and this system is practically non-existent at present. Lead acid batteries of standard capacity 210 Ah, or 320
  • 144.
    Ah are providedin each coach depending on the connected load of the coach. Normally, each coach should be able to meet its own load independently. Emergency feed terminal boards are provided at each end of the coach to enable feeding from the adjoining coaches on either side. This emergency feed is availed of only in case the coach is unable to feed the load due to missing/defective generating equipment, regulator or batteries. Provision is made for charging the batteries from external source by means of a terminal board. Incandescent / fluorescent lamps are provided in the coach for lighting purposes. 1.2 AXLE GENERATION WORKING ON D.C. 110 V SUPPLY This system has proved more reliable and capable of meeting future increase in load. It has, therefore, been adopted as standard for all future builds of self- generating, coaches. In this system 4.5 KW brushless alternators are driven through V-belts from axle. Lead acid batteries 11O V, 120 Ah arranged from 3 cell Monoblock units, are provided in the B.G. coaches. Four numbers of emergency feed terminals boxes for B.G. and one number for M.G. coach, are provided on each end wall for interconnecting the coach to adjacent coach to receive power, in the case generation fails. One number emergency terminal box is provided centrally on each side of under frame to facilitate charging of battery from external source. A schematic layout for 110 V DC system is at Figure 1.1 Three phase output from 4.5 KW alternator mounted on the bogie of coach is fed to the regulator cum rectifier for rectifying the AC output to DC and regulating the output voltage at different speeds and loads. The output from rectifier cum regulator on the underframe is brought through cables on the coach. The load is fed through four rotary switches (RSW) and fuses connecting circuits LI, L2, F and SPM. LI feeds the essential lighting load like lavatories, gangways, doorways and upto 50% of light in each compartment/bays corridor lights and night lights, L2 feeds remaining lighting loads, F feeds the fan load and SPM feeds emergency feed terminals (EFT). An external battery charging terminal (BCT) is provided to charge the battery from external charger, if battery is in rundown condition due to failure of alternator.
  • 145.
    1.2 MID-ON-GENERATION In thissystem a power car housing DG sets is used in middle of rake. This system is chosen for small branch line slow trains having long halts where batteries are likely to remain undercharged if conventional axle driven system is adopted. Capacity of DG set will depend on composition of rake (usually 30 KVA) and generation is at 415 V, 3 phase, 50 cycle and is stepped down to 110 V, 3 Phase, 50 cycles. The lights and fans in coaches are operated 110 V AC through feeders on either side of Power Car. A schematic layout of power car for mid-on-generation is shown at Figure 1-2.
  • 146.
    1.3 END-ON-GENERATION Rakes ofRajdhani / Shatabdi express trains having heavy load of air-conditioned coaches, pantry cars with electrically operated cooking appliances, use Diesel Generating Sets housed in coaches known as Power cars to meet the load. Normally 2 power cars, one on either side of rake, generate power at 750 V AC
  • 147.
    or 415 VAC, 3 phase, 50 cycles. All the coaches of power cars are interconnected with each other through couplers consisting of switchgear flexible cables. Power cars have control panel consisting of switchgear arid protective relays, The power at 750 V/ 415 V is stepped down to 110 V AC for lighting and fan load in the coaches. A schematic layout of power car for end-on- generation is shown at Figure 1.3 . Special Requirements of Train Lighting: (a) Each lead locomotive used in road service shall illuminate its headlight while the locomotive is in use. When illuminated, the headlight shall produce a peak intensity of at least 200,000 candela and produce at least 3,000 candela at an angle of 7.5 degrees and at least 400 candela at an angle of 20 degrees from the centerline of the locomotive when the light is aimed parallel to the tracks. If a locomotive or locomotive consist in road service is regularly required to run backward for any portion of its trip other than to pick up a detached portion of its train or to make terminal movements, it shall also have on its rear a headlight that meets the intensity requirements above. Each headlight shall be aimed to illuminate a person at least 800 feet ahead and in front of the headlight. For
  • 148.
    purposes of thissection, a headlight shall be comprised of either one or two lamps. (1) If a locomotive is equipped with a single-lamp headlight, the single lamp shall produce a peak intensity of at least 200,000 candela and shall produce at least 3,000 candela at an angle of 7.5 degrees and at least 400 candela at an angle of 20 degrees from the centerline of the locomotive when the light is aimed parallel to the tracks. The following operative lamps meet the standard set forth in this paragraph: a single incandescent PAR-56, 200-watt, 30-volt lamp; a single halogen PAR-56, 200-watt, 30-volt lamp; a single halogen PAR-56, 350-watt, 75- volt lamp, or a single lamp meeting the intensity requirements given above. (2) If a locomotive is equipped with a dual-lamp headlight, a peak intensity of at least 200,000 candela and at least 3,000 candela at an angle of 7.5 degrees and at least 400 candela at an angle of 20 degrees from the centerline of the locomotive when the light is aimed parallel to the tracks shall be produced by the headlight based either on a single lamp capable of individually producing the required peak intensity or on the candela produced by the headlight with both lamps illuminated. If both lamps are needed to produce the required peak intensity, then both lamps in the headlight shall be operational. Methods of obtaining Unidirectional Polarity Dynamo has rocker arm mounted on the shaft, friction tight. When the direction of rotation of the shaft is clockwise, terminal X (positive) touches P1 while terminal Y (negative) touches N. Thus, giving the output polarity as shown in figure. When the direction of rotation is anticlockwise, X (negative) terminal of
  • 149.
    the rocker armwill now touch to N1 brush and Y (positive) terminal of the rocker arm will touch to P. Thus, the output polarities will be obtained as shown in figure. Thus, unidirectional polarity is obtained. Double Battery Parallel Block System Working of Double Battery Parallel Block System in Train Lighting: 1. When train is stationary or runs slowly, generator contacts B1 and B2 are open and both batteries supply the load through closed contacts L1 and L2, short circuiting lamp resistance D as shown in following figure. 2. When train is in motion and lights on, generator is connected to battery 1 through closed contact B1 and lighting load is connected to battery 2 through closed contact L2, as shown in following figure. When train is in motion and lighting and other loads are switched off, switches L1 and L2 are open, lamp resistance D is short circuited when both generator contacts B1 and B2 are closed and both batteries will then be charged in parallel
  • 150.
    Lead-Acid Batteries: Principle ofOperation : In a charged lead acid cell positive active material consists of lead peroxide (PbO2) and the negative of spongy lead (Pb). Dilute sulphuric acid (H2SO4 + H2O) serves as electrolyte. The overall reactions inside the cell during discharge and charge are represented most -conveniently by a reversible equation as follows :- PbO2 + Pb + 2H2SO4 <=> 2PbSO4 + 2H2O During discharge, the lead peroxide on the positive plates as well as the spongy lead on the negative plates are converted into lead sulphate (PbSO4). In this process, sulphuric acid (H2SO4) is consumed and water (H2O) is formed. Consequently, the specific gravity of the electrolyte falls, the extent of fall being proportional to the ampere-hours taken out. The process causes at first a slow, and then a faster voltage drops, until a permissible lower limit (final discharge voltage) is reached, which depends on the rate of discharge current. The amount of ampere-hours (constant current x time) taken out is called the capacity of the cell at this rate. The chemical process during charge is the reverse of that during discharge. The lead-sulphate on the positive plates is reconverted into lead peroxide and the lead sulphate in the negative plates into spongy lead. Sulphuric acid is formed and the water consumed. The specific gravity of the electrolyte rises. There is at first a slow, later a faster rise of cell voltage. From 2.4 volts onwards gassing sets in due to a strong decomposition of water into hydrogen and oxygen. Violent gassing is injurious to the plate material. So, after reaching this gassing voltage the rate of the charging current must be limited to within safe permissible values.
  • 151.
    The nominal voltageof a lead acid cell is 2.0 volts. The true open circuit voltage, however, is dependent on the specific gravity of the electrolyte and varies between 2.02 to 2.05 volts. During discharge the voltage depends on the rate of the discharge current. 4.3 Constructional Features Main components of lead acid cell are :- a) Positive Plates - Usually tubular construction is adopted. Positive plates are made up of a number of tubes which contain active materials. Tubes have a large
  • 152.
    number of minutepores which allow the electrolyte to pass through pores freely, while preventing any loss of active material. b) Negative Plates - Usually consist of a lead grid into which active material is pressed. The grids are designed to retain the active material in position. c) Separators - Synthetic separators are used between positive and negative plates. The separators allow good diffusion of electrolyte. d) Container - is made of hard rubber with high insulating strength to resist acids. e) Cell cover - is also made of hard rubber, resistant to acid having vent and level indicator holes. Accessories: The following are few accessories of a lead acid cell - a) Float, b) Float guide, c) Vent plug. a) Float ; The float stem will have markings to indicate the lowest and highest electrolyte levels permissible. It should be ensured that the electrolyte level is maintained in service by adding pure distilled / de-mineralized water to IS: 1069. b) Float guide : The float guide is of removable and antisplash type and facilitates unrestricted vertical movement of float stem. During maintenance it is essential to ensure that the float assembly is designed to prevent acid splash in service (IS:6848). Any defective float guides/assemblies should be replaced promptly. c) Vent plug : This is of the anti-splash type with more than one exit hole. This will allow the gases to escape freely but effectively prevent acid particles or spray from coming out. It should be ensured that the vent plug is tightened fully whenever the plug is opened during maintenance for checking specific gravity of cell or after topping up electrolyte level with distilled water
  • 153.
    MAINTENANCE : Train lightingbatteries of coaches by the very nature of service conditions cannot be expected to have steady rate of charge/discharge. They are often left to idle for long duration or charged at higher rates. Such strenuous service of these cells therefore calls for systematic and thorough examination while in service, prompt remedial measures of defects/replacement of cells and quality POH work in Shops to achieve the expected life without any loss of efficiency below 80 %. Running maintenance of storage batteries falls under four categories :- 1. Trip examination, 2. Fortnightly examination, 3. Quarterly examination, 4. Intermediate overhaul. Trip Examination : ➢ To know the condition of cells during 'Trip Examination' some cells in a battery are treated as 'Pilot' cells. On arrival of train in the maintenance line, disconnection shall be done at inter vehicle connections, recording of the specific gravity of' ‘Pilot’ cells in each battery shall be done, Pilot cells in coaches should be changed every month. Cells are usually provided either in 2 battery boxes of 6 cells each or 1 battery box of 12 cells in coaches with DC-.24 V system. Cell number for marking pilot cells should be reckoned from left to right while facing the battery box. ➢ Replace vent plugs after taking specific gravity and ensure that they are tight. "SWITCH ON" lights and fans in each coach and take the voltage readings across the set of 56 cells. "SWITCH OFF" all lights and fans. ➢ Coaches with discharged batteries which show less than 22 V on load should be put on charge at double the normal rate of charges and continued as long as possible till gassing starts or till the specific gravity rises to the fully charged value which should be between 1.210 and 1.220 for the cell up to 525 Ah or as recommended by the manufacturers and which is stenciled on the battery box. Use the battery charging terminals provided in coaches for charging purposes. Never skin the insulation of
  • 154.
    cables near endcell connections for this purpose. Check up correct polarity and connect the charging cables. Use a clip-on d. c. ammeter of 0-100 A range to check up the battery charging current. Note down the rate of charging and the number of hours of charge. ➢ Check the specific gravity of Pilot cells and the total voltage of battery on load at the end of charge and record. ➢ Keep vent plug tight. Ensure that washer is available for vent plugs. ➢ The person in charge of battery maintenance should record all the readings mentioned above in his diary and this information should be transferred to the register maintained for various trains. ➢ Check anti-theft rods and provision of nuts both inside and outside the battery box on either side. Replace if found missing. Secure battery box cover finally after all works are completed FORTNIGHTLY EXAMINATION : In addition to the instructions contained under "Trip Examination" the following works shall be carried out. 1. Clean the interior of battery box. 2. Clean the cell tops and deposit of sulphate, if any, in intercell and end cell connections. 3. Remove sulphated intercell connections, clean the connecting surface with a piece of cloth and replace by spare ones. Use fresh fasteners. Sulphated inter cell connections and fasteners should be soaked in kerosene oil, cleaned with warm water and kept ready for use. Intercell connections should be provided with both small and large strips and four fasteners each with one hexagonal nut, one spring washer to IS:3063 and 2 steel punched washers to IS:2016. 4. Remove end cell connectors, clean the connecting surface both in cell and connector thoroughly and provide them back. Check for proper crimping of terminal. In case strands of connecting cable are found cut at the crimping end, cut wire at the crimping end and re-crimp with a new intercell connector. End cell connector conforming to IS:6848 only should be provided. Tinned copper crimping sockets with a single hole, if any, provided as a stop gap measure
  • 155.
    should be replacedby standard end cell connector. Provide end cell connectors with both the fasteners each with one spring washer to IS:3063 and one punched steel washer to IS:2016. 5. Tap float guides and check for free movement, Look for elongated holes in float guides and replace such guides. Replace deficient floats promptly. 6. Check whether vent plugs are of the antisplash type and replace if required. Check for blockages of holes due to dirt. Cleaning of blocked holes is necessary to ensure free passage of gas from the cell. 7. Check the "make" of cells and the lug date. Different "makes" of cells if found mixed together should be replaced by a single "make" of cells. If it is not possible to do this during one 'Fortnightly Examination' this should be noted down and attempts made to replace the same during the next Fortnightly Examination'. 8. Check whether cell packing is tight and provide additional packing, if necessary. Use only hard wood coated with acid resistant paint for cell packing. Never use untreated wood or plywood for packing of cells. If any cells are found cracked, replace them promptly 9. Check up provision of anti-theft rods and provision of nuts, both inside and outside the battery box on either side. Replace deficient rod and nuts. 10. Apply petroleum jelly on intercell connections and end cell connections. 11. Check battery fuses and replace overheated/incorrect size fuses by correct size. 12. Check battery box fixing nuts for tightness. 13. Record Specific Gravity of individual cells. "Switch ON" full load of the coach and record individual voltage of cells and total voltage. "Switch off' load. If the specific gravity is less than that painted on the battery box, charge the cells as specified under "Trip Examination" after topping up with battery grade water, if required. Use battery charging terminals, provided on coaches for charging purposes. Charging should be continued till the specific gravity rises, to the value mentioned in battery box, in "Pilot" cells. In case pilot cells show no appreciable improvement, check specific gravity of adjacent cells. If the specific gravity does not improve in spite of charging, replace the battery by another set and send the
  • 156.
    unloaded battery toDepot/Shop for treatment at the earliest. Cells should be handled with due care while unloading and in transit to avoid breakages. Facilities should be created in Depot for treatment of cells which do not pick up charge. Sulphation will be the main cause for this and the cells can be sent to shops for treatment if the facilities are not available in the depots. 14. On completion of charging, record the specific gravity of individual cells. If there is any wide variation in the specific gravity/voltage of cells, disconnect and replace those cells showing low specific gravity/voltage by spare ones. In case there are more than l/3rd of total cells with low specific gravity, the entire set should be replaced. Cells showing reverse voltage, zero volts should be withdrawn and replaced by charged cells. 15. Record individual voltage of cells and the total voltage on full load of the coach. 16. Change the marking of the "Pilot" cell QUARTERLY EXAMINATION In addition to the instructions contained under "Fortnightly Examination" give an equalizing charge as given below : 1. Switch OFF load. Charge the cells at 50% of normal rate of charge i.e. at l/20th of the rated capacity of cells. Record hourly cell voltage and specific gravity readings. 2. Terminate charging when 3 successive readings are constant. Record specific gravity and no load voltage of each cell 15 minutes after terminating charge. Specific gravity should be between 1.210 and 1.220 for cells upto 525 Ah The voltage should not be less than 2.1 V. If there is wide variation in the specific gravity and voltage readings, such cells have to be sent to shops for treatment. VALVE REGULATED LEAD ACID (VRLA) BATTERIES / SMF BATTERIES To overcome problems of frequent topping up, and leakage of electrolyte, sealed maintenance free lead acid batteries, termed as SMF (VRLA) batteries have been developed and are now used in most of the ac coaches. These batteries are governed by RDSO specifications EL/TL/59. Electrolyte in these batteries is in immobilised form and these can be used in any position - horizontal or vertical.
  • 157.
    The batteries aresupplied by manufacturers duly charged and no initial charging is required. Such a battery requires no topping up and maintenance except periodic cleaning of terminals. It has self-sealing vent plug which normally does not open out in service. Valve Regulated Lead Acid (VRLA) Batteries These batteries are also called Sealed Maintenance Free (SMF) Batteries Mechanism Safety Valve : When the internal pressure increases abnormally, the safety valve opens to release gas from the cell to restore the normal pressure. Flame Arresting Vent Plug : Provides with the explosion-proof filter constructed of aluminium oxide. Container & Lid : Made of Polypropylene Co-polymer. Positive Plate : With lead-calcium-tin alloy grid providing lower corrosion and less self-discharge rates. Separator : Made of high Absorbent Glass Mat woven with excellent porosity (AGM type). Negative Plate : With lead-calcium-tin alloy grid providing lower corrosion and less self-discharge rates. Electrolyte : Dilute sulphuric acid without any impurity. Recombination Principle The charge and discharge reaction of the lead acid battery can be expressed by the following equation : Anode Electrolyte Cathode Discharge Anode Electrolyte Cathode Pb02 + 2H2S04 + Pb Charge PbSO4 + 2H2O + PbSO4 In a conventional flooded battery, towards the end of charge major part of the
  • 158.
    energy supplied bycharging is dissipated by electrolyzing the water in the electrolyte generating Oxygen at the positive plate and Hydrogen at negative plate. These gases are lost in a flooded system through the vent holes causing steady depletion of water and therefore requiring periodic topping up. In a VRLA system the design is such that negative plates are never fully charged- even when the positive plate is fully charged and hence almost no Hydrogen gas generates from the negative plate although Oxygen is generated from positive plate. This Oxygen gas generated at the positive plate migrates towards the negative plate and reacts with the freshly formed spongy lead and turns into lead monoxide. The lead monoxide in turn reacts with the Sulphuric Acid to turn into lead. To summarize the Oxygen evolved at the positive plate is absorbed by the negative plate without being released to the outside. The negative plates being always in a state of partial discharge never generate Hydrogen. This completely prevents loss of water. Benefits • Maintenance-free and spill-proof. This enables flexible mounting • Wide operating temperature range (-40C to +50C) • High energy density (gravimetric and volumetric) • Good charge retention leading to long storage life • Low internal resistance ensures quick recharge • Excellent high rate capability permits use of smaller capacity batteries
  • 159.
    • Superior rawmaterials for good performance and life • Excellent deep discharge recovery characteristics • UL recognized plastic components Single Battery System: This is rarely used in India. This is the axel driven generator with a single battery. When the generator runs above certain speed auto cut switch operates and the dynamo operates. From the Fig, the Dynamo is connected to loads as well as battery. Dynamo also connected to load resistance/ Lamp resistance (LR) through Auto cut in switch. Battery is connected to light switch board through LR. When train is at Running or moving at a specific speed, Axel is rotated so that pulley gets rotated so that Dynamo Produces DC Electricity which supplies to loads as well as for battery charging. Auto cut in switch determines the type of supply to be given as input to loads. When Battery is fully charged it delivers back to the dynamo, then the dynamo will behave as Motor, which is undesirable operation. To avoid this, a high Resistance LR is connected to discharge the battery so that voltage drop occurs at the battery. When train is at rest, dynamo will not produce electricity and hence battery supplies the power to loads through LR to Light switch board .
  • 160.
    When the speedfalls below certain speed (20KMPH) auto cut in switch cut outs the Dynamo. Advantages: • Independent working • Simple design • Cheaper • Only one set of battery is required • Auto operation on speed variation Double Battery System:
  • 161.
    As the namesuggest in the system two battery set in conjunction with dynamo are used. This system is suitable for the trains which have some coaches fully equipped with dynamo and batteries and some coaches are not at all equipped with dynamo and batteries. This too works in parallel and it is provided with five roof running in all coaches. The division of the battery are such that half of the batteries connected directly across dynamo terminal and get charged and other half batteries are connected to the loads and also dynamo terminal through load resistance It consists dynamo, 2 battery sets, lamp resistance,5 roof wire with coupler, auto cut in switch, battery change over switch, load switch for controlling light Working: When the train is stationary or runs slowly, Generator contacts B1 and B2 are opened and both the batteries supply the load through closed contacts L1 and L2 through the short circuiting the lamp resistance D as shown in figure. When the train is in motion and loads are used, Generator is connected to battery B1 through closed contact L1 and lighting load is connected to battery 2 through contact L2 When train is motion and loads are switched off, switches L1 and L2 are opened and lamp resistance D is short circuited when both generator terminals B1 and B2 are closed and both batteries are charging. When batteries are over charged auto cut in switch operates