Electrification of Multistore
Building
Prepared By D.H.Shukla
Introduction
Electrical installation is done by “Electric architecture
“
This architecture prepared by building plan
Using standard symbol it indicated load, main
distribution switch board outlet point, and preparing
wiring layout
This section we studying
1. Wiring layout for electric plan
2. Calculation of load & number of sub circuits
3. Size of cable , conduct size and length
4. Estimation
Introduction
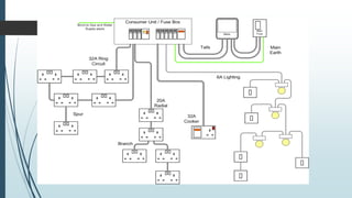
Wiring Layout & Blue Print
Wiring Layout and Blue Print
 First Prepare Blue Print
 Bases of Blue Print prepare a layout
 In this wiring diagram they indicate switch, fuse, load connection etc.
 Using this layout it is easy to doing wiring by electrician
 Commonly for Residential plan ¼ inch = 1 foot means 1 inch = 4
foot“ it represent by ¼” = 1’
 Size of blue print 24” x 36” means Vertically = 24” and
Horizontally = 36” At Right hand side Bottom represent a Title
Block
Steps to Make a Blue Print
 First represent a wall at outside
 Based on width of outside wall represent inner side wall
 Stair case is also indicated in blue print, and Up Down
direction labelled in blue print
 Door and windows position are represent in plan
 Room Labels are indicated like Dining , Kitchen, Living, Bath,
Bedroom, Entrance
 Kitchen furniture, bathroom cabinet, Air- conditioner, water
tank, etc. are represented by symbol in plan
 In plan electrical load and equipment's are considered
1. Main Distribution Board (MBD)
2. Switch Board (SB)
1. 5 A / 15 A switch socket
2. Kitchen appliances
3. Telephone point
4. Celling point
5. Bell push button
6. Smoke alarm
7. Type of wiring
Continue…
 Room/ Bed Room / Kitchen are represents with its measurement like Bed-room
4m x 3.5 m , Kitchen 2.5 x 3.35m
 Every Door and Windows are numbered
 This Blue-Print are Helpful for wireman supervisor, Engineer
 Following load calculations are made
1. Light/Fan Point
2. Power Point
 Using this load calculation number of sub circuits are decide
 Current calculation for sub-circuit
 Based on load, wiring circuit/ wiring layout are prepared
Layout
Information Available from the Blue Print
 From Blue Print we get information about Building Plan, size of room,
No.of room, size of kitchen, Electrical Installation
 MDB, Switch Board, Light/Fan Point, 3-pin Socket outlet and Accessories
are represent by standard Symbol that’s why we can get all information
about load
 Based on Blue Print Load calculation & Numbers of sub circuits can be
determine
 Rate of Current flowing in sub-circuit can be calculated
 Based on sub-circuit size of cable/ wire can be determine
 Wiring diagram can be prepared for every sub-circuit
 Material specification, estimating for costing material list etc can be
determine
 From Industrial plan we can get 3-phase machine, MDB, switch board and
miscellaneous electrical equipment information
 Time of Fault in Complex Building it is easy to trace a fault
Types Of Wiring
Clit Wiring
Casing Capping Wiring
Metal Sheath Wiring
Cab Tyre sheath
 Tuff Rubber sheath
PVC Sheath
Insulated Wiring : Surface Wiring & Concealed Wiring
Enclosed Wiring or Conduit Wiring : steel, plastic,
flexible
Conduit Wiring
VIR or PVC
wire is passed
in Conduit
Pipe
Continue..
Inside celling or Wall
Rule Surface Conduit Wiring
 Steel Pipe Should be in IS-1653-1964
 Conduit Accessories Should be in threaded
 Classification of conduit should be protected against outer phonomime
and its design should be IP-30 (International Protection Rating )
 For safety purpose There is no any permission to use a metallic conduit
 Conduit pipe should be connect with screw coupler
 IF conduit has a large distance then provide a inspection coupler with
some distance
 For cable is extract from conduit then end sharp should not be because it
will not damage an insulation
 If Conduit installation is at outside then it should be protected against
atmosphere
Diameter of Conduit
Continue..
 Minimum Inner diameter of Conduit = Outside Diameter /1.33
 A distance between two support in Conduit (Rigid Metal)
Continue…
 Flexible conduit should not
used for conduit support
 For conduit pipe fixing
heavy gauge saddles are
used
 For fitting of saddles less
then 1.0m distance are
considered, If band, coupler
or other fitting are there
then saddles are fitting in
distance 30 cm from centre,
 For installation band
conduit band, elbow or cast
iron inspection box are used
 Metal /wooden box is used
for every light, switch and
outlet position in surface
mounted and flush mounted
system
Continue…
 To extract a cable inside a
conduit first laying a
conduit
 In conduit system after
testing a mechanical and
electrical strength connect
a permanent earth as per
IS:732-1983
 Use cable trucking for two
or more cable drawing
 Never use more then two
band
 Conduit cable should be
straight
Concealed or Recessed conduit wiring
Continue…
 This type of Wiring done during building
construction
 PVC Conduit installed as per load during
building construction after completing building
construction wire is drawing in the conduit
 This type of wiring cable can be easily change
during fault
Continue…
 Conduit pipe fixed by saddles a
distance between two saddles
less then 60cm
 Inspection box is provided for
inspection and it will installed
in some distance
Continue…
 Conduit joint in plain coupler and
if distance is long then installed
inspection coupler in regular
interval
 Use PVC conduit installed of steel
conduit because it has less cost
and 25 % benefit for this conduit
 PVC conduit give protection
against acid, alkalis, oil & moisture
but it will affected by fire and
temperature so not given a
protection against them
Conduit Wiring
System
Conduit Running
in Solid Floor
Insulated
Conduit System
Plastic Conduit
Conduit Ruining in Solid Floor
 For conduit running in solid floor then use “Looping in System “
 Looping System Means” If space is present in floor then install a junction box in it,
but if space not there then install a conduit as like a cable can be easily drawn from
conduit for celling or floor point “
Continue…
 To looping in conduit from
one box to another box
holes are provided in box , In
this box for “T” connection
2,3,or 4, holes should be
provided
 If Cement-Concret are used
beside a junction box then
every connection in conduit
should be tight if connection
are loos then cement-
concret are entered in
conduit and it will block a
space
 Use a Conduit Chesses, This
chesses is 10mm with
cement plaster , this will help
to not enter a dust inside it
Insulated Conduit System
 In commercial & residence wiring non-
metallic conduit if famous
 There are different size of conduit
fitting
 Use Universal box which has special
socket fitting
Continue…
 For surface installation if use 20mm diameter conduit then fix
a saddle in 800mm interval & if Size if more then 20mm then
distance is 1600mm to 2000mm
 An expansion of conduit pipe is causes that reason special
socket and saddles are used
 In conduit circuit protective conductor is required for every
insulated conduit and it connect with switch, socket etc.
 If band is not present for installing cable in the conduit then
use flexible conduit
 If use a PVC conduit for luminous then one thing should be
take care temp. of PVC box will not increase 60 degree
Advantages of PVC Pipe
Non-Corrosive
Not affected by Chemical
Weather-proof
It will not spot by combustion
It will not used at temperature at -5 to 60 degree
Disadvantages of PVC Pipe
Plastic Conduit
Plastic Conduit easily Installed
Plastic Conduit has 6 times more expansion
compared to steel so when surface installation is
more then 6.0m then provide an expansion
For that use a saddle, A saddle has a clearance for
conduit expansion
Small size conduit approximately 25mm size is
banding by cold method , In this method x-section
should not change for this reason Banding Spring will
be use
In Cold band method conduit will banding at double
angle after then it will convert its original angle
Calculation Of Total Load on Electrical
Distribution
 In Electrical Installation a load which utilise a power from
Outlet that load an be consider
 Connected load & Maximum Load Never be same
 If Divide a load in Branches is called “Diversification “ Through
is at a time of fault load can be dis-connected
 Cable/Wire & switch socket are decided on base on
connected load & future scope
 For Domestic Load take diversity factor 0.6 (60% of maximum
Load), But for electrical installation 100% load are considered
Assessment of Load
Calculation of load decided on base of type of outlet
and number of outlet
Decide a sub-circuit by Number of point or total load
After Calculating Sub-Circuit Decide a rate of current
flowing in it
On base of this decide MDB, main Switch, rating of
switches, etc
Sr
No
.
Devices Watt Copper Wire Aluminium
Wire
1 Light /Fan
/Electrical
Iron/TV/Computer
/Mobile Charger
/Printer /Pump
(0.5 to 1 hp)/Air
Cooler
3W to
1000W
1.0mm2 1.5mm2
2 Electrical
Iron/Refrigerator/
Washing Machine
/Floor
Mill/Toaster/
Mixture juicer/
vacuum cleaner
300 to
2000W
2.5mm2 4.0mm2
3 A.C (1 ton, 1.5
ton,),Gizzer (6 lit
10 lit),
1400 W
to
3500W
6.0mm2 10.00m2
Sub Circuit
Sub Circuit
Light & Fan SC Power SC
Light & Fan Sub –Circuit
 In Any Electrical Installation Light, Fan Three Pin Socket (5A)
are always Connect in one Sub –Circuit
 As per IE Rule a sub circuit of light fan a maximum points are
10
 A One sub circuit on light & fan maximum watts not more
then 800W, and if separate sub circuit for Only Fans not more
then 10 fans are connected
 For Residential Minimum two sub circuit are required because
if one sub circuit is in fault then another will work continues
Power Sub Circuit
In residential installation 15 A three pin socket are
consider as a power load like Heater, Washing
Machine, AC, Refrigerator.
Maximum load of power sub circuit is 3000W if load
in more then 3000W then make another sub Circuit
Size of wire is different to light fan sub circuit
Example
Light Point Fan Point Socket (5A)
2 2 3
Three Pin Socket
(15A)
1
Solution
 Light Fan Sub Circuit :
 Step 1: Light point =2 X60= 120
Fan Point = 2 X 60= 120
3-pin Socket = 3 x 100= 300
Total = 540 W (Less then 800W so only 1 sub circuit
required)
 Power Sub Circuit :
 Three pin Socket = 2 x1000 = 2000W (Less then 3000 W so Required only 1
Power Sub Circuit )
Determination of size of conductor
Minimum Size of Cable
Current carrying Capacity
Voltage Drop
Current Carrying Capacity
Heat is generated in wire depending upon it’s
resistance, Consequences temperature is increased,
Generated heat is not depending upon resistance but
also current density
So if size of wire increased then current density
decreased
 A current capacity of same size insulated paper wire
or lead cover cable is more then VIR cable , Because
Temperature withstanding capacity of impregnated
paper is more then VIR cable
Voltage Drop
Lighting load Wiring : 2% of supply voltage + 1 V
Power load wiring : 5% of supply voltage
To determine size of cable
1. Length of cable & multiplication of Maximum load
current
2. Maximum Voltage of supply voltage
3. A-Meter/ Voltage = A/B
4. Standard Rating
Size of underground Cable
First Find Current by KVA rating of
Transformer
I = KVA x 1000 / 3 x V
Total Current = I + 20% of Current ( Because
Overload )
From Table 2.9 find size of Cable & Determine
Cable Resistance from Table 2.13
Find Resistance /Km
Voltage Drop = 3 X V X Total Current
Main Switch & Distribution Board
Main Distribution
DPIC TPIC
TPNIC
DISTRIBUTION BOARD
 Distribution board system is also called “ Distribution fuse board system” OR “ Distribution
Miniature Circuit Breaker “
 In this system Over current, Short Circuit and other protective systems are provided for panel
switch board sub-circuit. Capacity of protective device can be interrupt a short circuit
 In building for Main Board 300/500mA Residual current devices and Sub- Distribution Board
30mA RCD should be used
 If HRC fuse used for Circuit Breaker protection and circuit breaker used to protect a sub-
circuit so if
1. If short circuit current value is more then sub circuit breaker then first HRC fuse will operated
2. When overload circuit breaker capacity is less then short circuit capacity then first HRC fuse
will operated
 If HRC use for Main Circuit Protection and rewireable fuse use to protect a sub circuit then if
short - circuit an overload fault will discriminated then first HRC fuse will damage
 Rewireable fuse use at 4000A short circuit protection
 In circuit to use a low current value protection instead of use low current value cable
Main & Branch Distribution System
Continue…
 Setting an over-current protection device which
can protect a circuit cable and conductors
 In main Distribution board a circuit breaker or
switch fuse unit and in neutral/earth conductor
link should be provided for every pole
 With main & branch distribution board a
protective device or ELCB should be provided , In
addition, a required rating of MCB or fuse and
neutral link should be provided in sub-circuit
 Every branch circuit has future circuit should be
provided for future scope
 In residential or Industrial lighting installation
separate protection is provided because faulty
circuit will be isolated
Continue..
 For residential heavy power consumption
load should be give a separate supply
though 15A plug, This type of load should
protected with ELCB
 Every power circuit design based on load,
Although in every condition power circuit
should have not more then 2 power 15A plug
for every sub-circuit
 In industrial or another group for light, fan,
and another switching a separate circuit
should be installed
 But in stadium, construction site, ship yard
etc have required high power lighting. At
that place there is no limit of load but size of
conductor is calculated based on load
Distribution Board
Branch Distribution Board
Installation of Distribution Board
Wiring of Distribution Board
Location of D.B
Feeding D.B
Branch Distribution Board
1.Rewireable fuse link
type D.B: Rewireable
fuse used
2.HRC fuse link type D.B: In
MCB or HRC fuse use (rating
6.0A to 63.0A)
3. D.B. Fitting with Circuit Breaker
Installation of Distribution Board
 D.B board should be installed at load centre, easy and
economical
 If two or more LV D.B board are installed then
1. Installed a D.B such as both D.B cannot open
2. Mark “415V Danger” and use proper symbol
3. Another person will not come in installation room
 Mark “Power/Lighting DB”
 When mounting DB on wall then use non-combusting
material
 DB should be metal clade or insulated type, DB use as per IS:
5771
 Use plastic compound on DB to protect against corrosion
Wiring of Distribution Board
 Controlling of main distribution board linkage with C.B
 Circuit of main DB to sub-main DB linked with MCB or Disconnector switch
 For 1-ph 2 wire distribution board SPN( Single phase Neutral) board/
Three phase neutral DB control through line conductor
 In DB neutral conductor linked commonly, installed a neutral wire that we
can dis-connect a neutral for testing
 For Domestic use 5A and Power use 15 A
 For safety make separate circuit in wiring
 Looping of phase wire in switch box, and outlet a neural conductor,
 Load balancing for multiphase circuit
Location of DB
For controlling a load installed a DB near to
load centre
Installation of DB not more then 2.0m from
Ground level
If voltage of DB exceed 230V then mark
“400/415 V Adjacent Enclosure”
This mark marking on switch gear, Bus-Bar
chamber, etc
Feeding of Distribution Board
Continue…
If bus bar more then one then which gives power
to distribution board provide isolation near to DB
If distance between main switch and distribution is
more then provided a isolation &
If main line or sub-main line passed in cable
trucking then install a DB near to it and provide a
control it by SFU
Marking of DB
Approximate Voltage Drop
Voltage drop in Light/ Fan circuit not
more then 3% of supply voltage
Main fuse to DB 1.0V DB to Sub circuit
4.5 V and sub DB to Final sub circuit
not more then 1.5 V
Residential Pump motor voltage drop
under 7.5 V
Wiring Accessories with Specification
MCB Rating
RCCB
Circuit Breaker
S.O.R (Schedule Of Rate)
SOR is prepared by PWD or GEB in tabular form, based on
SOR electrical, mechanical civil project work’s tender can be
easily published,
 Commonly New SOR prepared every three year.
In this SOR different costings are included like
1. New Market cost
2. Overhead charges
3. Profit etc.
Estimating & Costing Of Electrical
Installation
Estimation of Material required
Estimation of labour cost
Overhead Charges
Contingencies
Profit Purchase System
Estimation of Material Requirement
Estimation of Labour Cost
Skilled worker
 Skilled wireman
Semi Skilled
 Laboure
Calculate Total Point
Total Labour Cost =
𝐿𝑜𝑏𝑜𝑢𝑟
𝑐𝑜𝑠𝑡
𝑑𝑎𝑦
×𝑡𝑜𝑡𝑎𝑙 𝑑𝑎𝑦𝑠 𝑡𝑜 𝑐𝑜𝑚𝑝𝑙𝑒𝑡𝑒 𝐸𝑙𝑒𝑐𝑡𝑟𝑖𝑐𝑎𝑙 𝑊𝑖𝑟𝑖𝑛𝑔
Overhead Charges
Office Cost
Rent of Office
Depreciation Cost
Salary of Office Staff
Contingencies
 Total Cost = Material cost + Labour
Cost+ Overhead Charges +
Contingencies
Profit Purchases System
When tender is prepared then good quality material
cost can be found
A tender fees should be deposited in office's of
different manufacturing company
Then Preparing comparative Statement, Low cost
tender will be approved
After approval of tender a supply order is given with
advance payment to supplier.
Costing of Electrical Wiring for Commercial
building
Different material Cost like switch board , DB,
MCB etc
Total Labour Cost =
𝐿𝑜𝑏𝑜𝑢𝑟
𝑐𝑜𝑠𝑡
𝑑𝑎𝑦
×𝑡𝑜𝑡𝑎𝑙 𝑑𝑎𝑦𝑠 𝑡𝑜 𝑐𝑜𝑚𝑝𝑙𝑒𝑡𝑒 𝐸𝑙𝑒𝑐𝑡𝑟𝑖𝑐𝑎𝑙 𝑊𝑖𝑟𝑖𝑛𝑔
Total Cost = Material cost + Labour Cost
Add 10% of Contingencies cost with total cost
Procedure to follow while Electrical
estimation for internal Electrification
 Decide Conduit length by wiring plan
 Add 20% wastage of decided length
 Length of wire is 2.5 times of conduit length & length of wire in junction
box is 2 times of conduit length
 Length of looping wiring in switch board > 0.5 X height of switch board
 Length of wire from Main board to meter is always less then 7.5 m, and its
size always more then wiring size
 Given a continues earthing in sub circuit
 If load is more then 6Kw then give a 3-phase supply
 For 1 phase supply use one electrode and for 3phase supply use two
electrode in earthing
 If load more ten 5Kw then use ELCB
 Consider a fire safety rule as per IE
Inspection Report for Medium voltage
installation of Consumer
Assignment
A1
1
Calculate total load and number of sub-circuits required for an installation consists of
30 light, 21 fan and 7 five Amp. Plug socket.
2Explain the importance of blue print plan for electrical installation.
3Write a short note on concealed wiring.
4Write steps for estimation for internal electrification multistory building.
5 Explain use of S.O.R. for calculation of material cost in multistoried building.
A2
1Explain the importance of blue print plan for electrical installation.
2Explain factor affecting the size of conductor.
3State factor consideration location of D.B.
4Write a short note on sub circuits.
5List the points to be considered while preparing estimation of building
wiring.
A3
1 State advantages of sub-circuits.
2 Write full name of CPC and XLPVC cable.
3 Write two disadvantages of metal conduit wiring system.
4state advantages of taking permission from electrical inspector in high rise
multi storied buildings.
5Calculate total load and number of sub-circuits required for an installation
consists of 30 light, 21 fan and 7 five Amp. Plug socket.
A4
1Write a short note on sub circuits.
2List the points to be considered while preparing estimation of building
wiring.
3Write a short note on distribution board system.
4Write a short note on concealed wiring.
5 Explain the factor affecting the size of cable.
Thank You

Electrification of multistore building

  • 1.
  • 2.
    Introduction Electrical installation isdone by “Electric architecture “ This architecture prepared by building plan Using standard symbol it indicated load, main distribution switch board outlet point, and preparing wiring layout This section we studying 1. Wiring layout for electric plan 2. Calculation of load & number of sub circuits 3. Size of cable , conduct size and length 4. Estimation
  • 3.
  • 4.
    Wiring Layout &Blue Print
  • 5.
    Wiring Layout andBlue Print  First Prepare Blue Print  Bases of Blue Print prepare a layout  In this wiring diagram they indicate switch, fuse, load connection etc.  Using this layout it is easy to doing wiring by electrician  Commonly for Residential plan ¼ inch = 1 foot means 1 inch = 4 foot“ it represent by ¼” = 1’  Size of blue print 24” x 36” means Vertically = 24” and Horizontally = 36” At Right hand side Bottom represent a Title Block
  • 6.
    Steps to Makea Blue Print  First represent a wall at outside  Based on width of outside wall represent inner side wall  Stair case is also indicated in blue print, and Up Down direction labelled in blue print  Door and windows position are represent in plan  Room Labels are indicated like Dining , Kitchen, Living, Bath, Bedroom, Entrance  Kitchen furniture, bathroom cabinet, Air- conditioner, water tank, etc. are represented by symbol in plan  In plan electrical load and equipment's are considered 1. Main Distribution Board (MBD) 2. Switch Board (SB)
  • 7.
    1. 5 A/ 15 A switch socket 2. Kitchen appliances 3. Telephone point 4. Celling point 5. Bell push button 6. Smoke alarm 7. Type of wiring
  • 8.
    Continue…  Room/ BedRoom / Kitchen are represents with its measurement like Bed-room 4m x 3.5 m , Kitchen 2.5 x 3.35m  Every Door and Windows are numbered  This Blue-Print are Helpful for wireman supervisor, Engineer  Following load calculations are made 1. Light/Fan Point 2. Power Point  Using this load calculation number of sub circuits are decide  Current calculation for sub-circuit  Based on load, wiring circuit/ wiring layout are prepared
  • 9.
  • 11.
    Information Available fromthe Blue Print  From Blue Print we get information about Building Plan, size of room, No.of room, size of kitchen, Electrical Installation  MDB, Switch Board, Light/Fan Point, 3-pin Socket outlet and Accessories are represent by standard Symbol that’s why we can get all information about load  Based on Blue Print Load calculation & Numbers of sub circuits can be determine  Rate of Current flowing in sub-circuit can be calculated  Based on sub-circuit size of cable/ wire can be determine  Wiring diagram can be prepared for every sub-circuit  Material specification, estimating for costing material list etc can be determine  From Industrial plan we can get 3-phase machine, MDB, switch board and miscellaneous electrical equipment information  Time of Fault in Complex Building it is easy to trace a fault
  • 12.
    Types Of Wiring ClitWiring Casing Capping Wiring Metal Sheath Wiring Cab Tyre sheath  Tuff Rubber sheath PVC Sheath Insulated Wiring : Surface Wiring & Concealed Wiring Enclosed Wiring or Conduit Wiring : steel, plastic, flexible
  • 13.
    Conduit Wiring VIR orPVC wire is passed in Conduit Pipe
  • 14.
  • 15.
    Rule Surface ConduitWiring  Steel Pipe Should be in IS-1653-1964  Conduit Accessories Should be in threaded  Classification of conduit should be protected against outer phonomime and its design should be IP-30 (International Protection Rating )  For safety purpose There is no any permission to use a metallic conduit  Conduit pipe should be connect with screw coupler  IF conduit has a large distance then provide a inspection coupler with some distance  For cable is extract from conduit then end sharp should not be because it will not damage an insulation  If Conduit installation is at outside then it should be protected against atmosphere
  • 16.
  • 17.
    Continue..  Minimum Innerdiameter of Conduit = Outside Diameter /1.33  A distance between two support in Conduit (Rigid Metal)
  • 19.
    Continue…  Flexible conduitshould not used for conduit support  For conduit pipe fixing heavy gauge saddles are used  For fitting of saddles less then 1.0m distance are considered, If band, coupler or other fitting are there then saddles are fitting in distance 30 cm from centre,  For installation band conduit band, elbow or cast iron inspection box are used  Metal /wooden box is used for every light, switch and outlet position in surface mounted and flush mounted system
  • 20.
    Continue…  To extracta cable inside a conduit first laying a conduit  In conduit system after testing a mechanical and electrical strength connect a permanent earth as per IS:732-1983  Use cable trucking for two or more cable drawing  Never use more then two band  Conduit cable should be straight
  • 22.
    Concealed or Recessedconduit wiring
  • 23.
    Continue…  This typeof Wiring done during building construction  PVC Conduit installed as per load during building construction after completing building construction wire is drawing in the conduit  This type of wiring cable can be easily change during fault
  • 24.
    Continue…  Conduit pipefixed by saddles a distance between two saddles less then 60cm  Inspection box is provided for inspection and it will installed in some distance
  • 25.
    Continue…  Conduit jointin plain coupler and if distance is long then installed inspection coupler in regular interval  Use PVC conduit installed of steel conduit because it has less cost and 25 % benefit for this conduit  PVC conduit give protection against acid, alkalis, oil & moisture but it will affected by fire and temperature so not given a protection against them
  • 26.
    Conduit Wiring System Conduit Running inSolid Floor Insulated Conduit System Plastic Conduit
  • 27.
    Conduit Ruining inSolid Floor  For conduit running in solid floor then use “Looping in System “  Looping System Means” If space is present in floor then install a junction box in it, but if space not there then install a conduit as like a cable can be easily drawn from conduit for celling or floor point “
  • 28.
    Continue…  To loopingin conduit from one box to another box holes are provided in box , In this box for “T” connection 2,3,or 4, holes should be provided  If Cement-Concret are used beside a junction box then every connection in conduit should be tight if connection are loos then cement- concret are entered in conduit and it will block a space  Use a Conduit Chesses, This chesses is 10mm with cement plaster , this will help to not enter a dust inside it
  • 29.
    Insulated Conduit System In commercial & residence wiring non- metallic conduit if famous  There are different size of conduit fitting  Use Universal box which has special socket fitting
  • 30.
    Continue…  For surfaceinstallation if use 20mm diameter conduit then fix a saddle in 800mm interval & if Size if more then 20mm then distance is 1600mm to 2000mm  An expansion of conduit pipe is causes that reason special socket and saddles are used  In conduit circuit protective conductor is required for every insulated conduit and it connect with switch, socket etc.  If band is not present for installing cable in the conduit then use flexible conduit  If use a PVC conduit for luminous then one thing should be take care temp. of PVC box will not increase 60 degree
  • 31.
    Advantages of PVCPipe Non-Corrosive Not affected by Chemical Weather-proof It will not spot by combustion It will not used at temperature at -5 to 60 degree Disadvantages of PVC Pipe
  • 32.
    Plastic Conduit Plastic Conduiteasily Installed Plastic Conduit has 6 times more expansion compared to steel so when surface installation is more then 6.0m then provide an expansion For that use a saddle, A saddle has a clearance for conduit expansion Small size conduit approximately 25mm size is banding by cold method , In this method x-section should not change for this reason Banding Spring will be use In Cold band method conduit will banding at double angle after then it will convert its original angle
  • 34.
    Calculation Of TotalLoad on Electrical Distribution  In Electrical Installation a load which utilise a power from Outlet that load an be consider  Connected load & Maximum Load Never be same  If Divide a load in Branches is called “Diversification “ Through is at a time of fault load can be dis-connected  Cable/Wire & switch socket are decided on base on connected load & future scope  For Domestic Load take diversity factor 0.6 (60% of maximum Load), But for electrical installation 100% load are considered
  • 35.
    Assessment of Load Calculationof load decided on base of type of outlet and number of outlet Decide a sub-circuit by Number of point or total load After Calculating Sub-Circuit Decide a rate of current flowing in it On base of this decide MDB, main Switch, rating of switches, etc
  • 36.
    Sr No . Devices Watt CopperWire Aluminium Wire 1 Light /Fan /Electrical Iron/TV/Computer /Mobile Charger /Printer /Pump (0.5 to 1 hp)/Air Cooler 3W to 1000W 1.0mm2 1.5mm2 2 Electrical Iron/Refrigerator/ Washing Machine /Floor Mill/Toaster/ Mixture juicer/ vacuum cleaner 300 to 2000W 2.5mm2 4.0mm2 3 A.C (1 ton, 1.5 ton,),Gizzer (6 lit 10 lit), 1400 W to 3500W 6.0mm2 10.00m2
  • 37.
  • 39.
    Light & FanSub –Circuit  In Any Electrical Installation Light, Fan Three Pin Socket (5A) are always Connect in one Sub –Circuit  As per IE Rule a sub circuit of light fan a maximum points are 10  A One sub circuit on light & fan maximum watts not more then 800W, and if separate sub circuit for Only Fans not more then 10 fans are connected  For Residential Minimum two sub circuit are required because if one sub circuit is in fault then another will work continues
  • 40.
    Power Sub Circuit Inresidential installation 15 A three pin socket are consider as a power load like Heater, Washing Machine, AC, Refrigerator. Maximum load of power sub circuit is 3000W if load in more then 3000W then make another sub Circuit Size of wire is different to light fan sub circuit
  • 41.
    Example Light Point FanPoint Socket (5A) 2 2 3 Three Pin Socket (15A) 1
  • 42.
    Solution  Light FanSub Circuit :  Step 1: Light point =2 X60= 120 Fan Point = 2 X 60= 120 3-pin Socket = 3 x 100= 300 Total = 540 W (Less then 800W so only 1 sub circuit required)  Power Sub Circuit :  Three pin Socket = 2 x1000 = 2000W (Less then 3000 W so Required only 1 Power Sub Circuit )
  • 43.
    Determination of sizeof conductor Minimum Size of Cable Current carrying Capacity Voltage Drop
  • 44.
    Current Carrying Capacity Heatis generated in wire depending upon it’s resistance, Consequences temperature is increased, Generated heat is not depending upon resistance but also current density So if size of wire increased then current density decreased  A current capacity of same size insulated paper wire or lead cover cable is more then VIR cable , Because Temperature withstanding capacity of impregnated paper is more then VIR cable
  • 45.
    Voltage Drop Lighting loadWiring : 2% of supply voltage + 1 V Power load wiring : 5% of supply voltage To determine size of cable 1. Length of cable & multiplication of Maximum load current 2. Maximum Voltage of supply voltage 3. A-Meter/ Voltage = A/B 4. Standard Rating
  • 46.
    Size of undergroundCable First Find Current by KVA rating of Transformer I = KVA x 1000 / 3 x V Total Current = I + 20% of Current ( Because Overload ) From Table 2.9 find size of Cable & Determine Cable Resistance from Table 2.13 Find Resistance /Km Voltage Drop = 3 X V X Total Current
  • 47.
    Main Switch &Distribution Board
  • 48.
  • 49.
    DISTRIBUTION BOARD  Distributionboard system is also called “ Distribution fuse board system” OR “ Distribution Miniature Circuit Breaker “  In this system Over current, Short Circuit and other protective systems are provided for panel switch board sub-circuit. Capacity of protective device can be interrupt a short circuit  In building for Main Board 300/500mA Residual current devices and Sub- Distribution Board 30mA RCD should be used  If HRC fuse used for Circuit Breaker protection and circuit breaker used to protect a sub- circuit so if 1. If short circuit current value is more then sub circuit breaker then first HRC fuse will operated 2. When overload circuit breaker capacity is less then short circuit capacity then first HRC fuse will operated  If HRC use for Main Circuit Protection and rewireable fuse use to protect a sub circuit then if short - circuit an overload fault will discriminated then first HRC fuse will damage  Rewireable fuse use at 4000A short circuit protection  In circuit to use a low current value protection instead of use low current value cable
  • 52.
    Main & BranchDistribution System
  • 53.
    Continue…  Setting anover-current protection device which can protect a circuit cable and conductors  In main Distribution board a circuit breaker or switch fuse unit and in neutral/earth conductor link should be provided for every pole  With main & branch distribution board a protective device or ELCB should be provided , In addition, a required rating of MCB or fuse and neutral link should be provided in sub-circuit  Every branch circuit has future circuit should be provided for future scope  In residential or Industrial lighting installation separate protection is provided because faulty circuit will be isolated
  • 54.
    Continue..  For residentialheavy power consumption load should be give a separate supply though 15A plug, This type of load should protected with ELCB  Every power circuit design based on load, Although in every condition power circuit should have not more then 2 power 15A plug for every sub-circuit  In industrial or another group for light, fan, and another switching a separate circuit should be installed  But in stadium, construction site, ship yard etc have required high power lighting. At that place there is no limit of load but size of conductor is calculated based on load
  • 55.
    Distribution Board Branch DistributionBoard Installation of Distribution Board Wiring of Distribution Board Location of D.B Feeding D.B
  • 56.
    Branch Distribution Board 1.Rewireablefuse link type D.B: Rewireable fuse used 2.HRC fuse link type D.B: In MCB or HRC fuse use (rating 6.0A to 63.0A) 3. D.B. Fitting with Circuit Breaker
  • 57.
    Installation of DistributionBoard  D.B board should be installed at load centre, easy and economical  If two or more LV D.B board are installed then 1. Installed a D.B such as both D.B cannot open 2. Mark “415V Danger” and use proper symbol 3. Another person will not come in installation room  Mark “Power/Lighting DB”  When mounting DB on wall then use non-combusting material  DB should be metal clade or insulated type, DB use as per IS: 5771  Use plastic compound on DB to protect against corrosion
  • 58.
    Wiring of DistributionBoard  Controlling of main distribution board linkage with C.B  Circuit of main DB to sub-main DB linked with MCB or Disconnector switch  For 1-ph 2 wire distribution board SPN( Single phase Neutral) board/ Three phase neutral DB control through line conductor  In DB neutral conductor linked commonly, installed a neutral wire that we can dis-connect a neutral for testing  For Domestic use 5A and Power use 15 A  For safety make separate circuit in wiring  Looping of phase wire in switch box, and outlet a neural conductor,  Load balancing for multiphase circuit
  • 59.
    Location of DB Forcontrolling a load installed a DB near to load centre Installation of DB not more then 2.0m from Ground level If voltage of DB exceed 230V then mark “400/415 V Adjacent Enclosure” This mark marking on switch gear, Bus-Bar chamber, etc
  • 60.
  • 61.
    Continue… If bus barmore then one then which gives power to distribution board provide isolation near to DB If distance between main switch and distribution is more then provided a isolation & If main line or sub-main line passed in cable trucking then install a DB near to it and provide a control it by SFU
  • 62.
  • 64.
    Approximate Voltage Drop Voltagedrop in Light/ Fan circuit not more then 3% of supply voltage Main fuse to DB 1.0V DB to Sub circuit 4.5 V and sub DB to Final sub circuit not more then 1.5 V Residential Pump motor voltage drop under 7.5 V
  • 65.
  • 67.
  • 69.
  • 70.
  • 73.
    S.O.R (Schedule OfRate) SOR is prepared by PWD or GEB in tabular form, based on SOR electrical, mechanical civil project work’s tender can be easily published,  Commonly New SOR prepared every three year. In this SOR different costings are included like 1. New Market cost 2. Overhead charges 3. Profit etc.
  • 76.
    Estimating & CostingOf Electrical Installation Estimation of Material required Estimation of labour cost Overhead Charges Contingencies Profit Purchase System
  • 77.
  • 78.
    Estimation of LabourCost Skilled worker  Skilled wireman Semi Skilled  Laboure Calculate Total Point Total Labour Cost = 𝐿𝑜𝑏𝑜𝑢𝑟 𝑐𝑜𝑠𝑡 𝑑𝑎𝑦 ×𝑡𝑜𝑡𝑎𝑙 𝑑𝑎𝑦𝑠 𝑡𝑜 𝑐𝑜𝑚𝑝𝑙𝑒𝑡𝑒 𝐸𝑙𝑒𝑐𝑡𝑟𝑖𝑐𝑎𝑙 𝑊𝑖𝑟𝑖𝑛𝑔
  • 79.
    Overhead Charges Office Cost Rentof Office Depreciation Cost Salary of Office Staff Contingencies  Total Cost = Material cost + Labour Cost+ Overhead Charges + Contingencies
  • 80.
    Profit Purchases System Whentender is prepared then good quality material cost can be found A tender fees should be deposited in office's of different manufacturing company Then Preparing comparative Statement, Low cost tender will be approved After approval of tender a supply order is given with advance payment to supplier.
  • 81.
    Costing of ElectricalWiring for Commercial building Different material Cost like switch board , DB, MCB etc Total Labour Cost = 𝐿𝑜𝑏𝑜𝑢𝑟 𝑐𝑜𝑠𝑡 𝑑𝑎𝑦 ×𝑡𝑜𝑡𝑎𝑙 𝑑𝑎𝑦𝑠 𝑡𝑜 𝑐𝑜𝑚𝑝𝑙𝑒𝑡𝑒 𝐸𝑙𝑒𝑐𝑡𝑟𝑖𝑐𝑎𝑙 𝑊𝑖𝑟𝑖𝑛𝑔 Total Cost = Material cost + Labour Cost Add 10% of Contingencies cost with total cost
  • 82.
    Procedure to followwhile Electrical estimation for internal Electrification  Decide Conduit length by wiring plan  Add 20% wastage of decided length  Length of wire is 2.5 times of conduit length & length of wire in junction box is 2 times of conduit length  Length of looping wiring in switch board > 0.5 X height of switch board  Length of wire from Main board to meter is always less then 7.5 m, and its size always more then wiring size  Given a continues earthing in sub circuit  If load is more then 6Kw then give a 3-phase supply  For 1 phase supply use one electrode and for 3phase supply use two electrode in earthing  If load more ten 5Kw then use ELCB  Consider a fire safety rule as per IE
  • 83.
    Inspection Report forMedium voltage installation of Consumer
  • 85.
    Assignment A1 1 Calculate total loadand number of sub-circuits required for an installation consists of 30 light, 21 fan and 7 five Amp. Plug socket. 2Explain the importance of blue print plan for electrical installation. 3Write a short note on concealed wiring. 4Write steps for estimation for internal electrification multistory building. 5 Explain use of S.O.R. for calculation of material cost in multistoried building. A2 1Explain the importance of blue print plan for electrical installation. 2Explain factor affecting the size of conductor. 3State factor consideration location of D.B. 4Write a short note on sub circuits. 5List the points to be considered while preparing estimation of building wiring.
  • 86.
    A3 1 State advantagesof sub-circuits. 2 Write full name of CPC and XLPVC cable. 3 Write two disadvantages of metal conduit wiring system. 4state advantages of taking permission from electrical inspector in high rise multi storied buildings. 5Calculate total load and number of sub-circuits required for an installation consists of 30 light, 21 fan and 7 five Amp. Plug socket. A4 1Write a short note on sub circuits. 2List the points to be considered while preparing estimation of building wiring. 3Write a short note on distribution board system. 4Write a short note on concealed wiring. 5 Explain the factor affecting the size of cable.
  • 87.