“TECHNIQUES FOR MEASUREMENT OF ORGANIC
POLLUTANTS LIKE BENZENE & BENZO(a)PYRENE
(& METALS) IN AMBIENT AIR”
S.K.TYAGI, SCIENTIST,
CENTRAL POLLUTION CONTROL BOARD
(MINISTRY OF ENVIRONMENT & FORESTS)
Delhi-110 032
TRAINING PROGRAME (SHORT COURSE ) ON
“APPROPRIATE INSTRUMENTS & TECHNIQUES FOR COMPLYING
WITH NEW AMBIENT AIR QUALITY STANDARDS”
AT BBD INSTITUTE OF TECHNOLOGY ,GHAZIABAD
ORGANISED BY “ENVIROTECH CENTRE FOR R&D,NEW DELHI”
CENTRAL POLLUTION CONTROL BOARD
(MINISTRY OF ENVIRONMENT & FORESTS)
PARIVESH BHAVAN,EAST ARJUN NAGAR,
DELHI-110 032
Presntation Covers
About Legislation
About CPCB
About Challenges
About Organic Pollutants
PAHs & BTX- Sampling &
Analytical Techniques
About AAQ Standards
About Interventions &
Strategies to control A.P.
Small Exercise
1. The Water (Prevention & Control of Pollution) Act, 1974
2. The Water (Prevention & Control of Pollution) Cess, Act, 1977
3. The Air (Prevention & Control of Pollution) Act, 1981
4. The Environment (Protection) Act, 1986
5. Environmental Impact Assessment Notification
6. The Hazardous Waste (Management and Handling) Rules 1989
7. The Bio - Medical Waste (Management and Handling) Rules 1988
8. The Municipal Solid Waste (Management and Handling) Rules 2000
9. The Noise Pollution (Regulation & Control) Rules, 2000
10. The Batteries (Management and Handling) Rules 2001
Major EnvironmentalMajor Environmental
Acts/RulesActs/Rules
CPCB HEAD OFFICE, DELHICPCB HEAD OFFICE, DELHI
KANPUR KOLKATA SHILONG BHOPAL
VADODARA BANGLORE
Uttar Pradesh
Uttaranchal
Jammu &
Kashmir,
Himachal
Pradesh,
Punjab,
Haryana
UT Delhi
BiharBihar
JharkhandJharkhand
OrrisaOrrisa
SikkimSikkim
West BengalWest Bengal
UT AndamanUT Andaman
NicobarNicobar
Assam
Manipur
Meghalaya
Mizoram
Nagaland
Tripura
MadhyaMadhya
PradeshPradesh
RajasthanRajasthan
ChattisgarhChattisgarh
Gujrat
Maharastra
UT Daman,
Diu and Dadra
& Nagar
Haveli
Andhra PradeshAndhra Pradesh
GoaGoa
KarnatakaKarnataka
KerlaKerla
TamilnaduTamilnadu
UT LakshadweepUT Lakshadweep
UTUT PondicharyPondichary
ZONAL OFFICES OF CPCB
Offices of CPCBOffices of CPCB
17 Members Governing Board
- Chairman, CPCB (Full Time)
- 5 from Central Government
- 3 from SPCB
- 2 from local authorities
- 3 from filed of agri./fishery/industry or trade
- 2 from companies or corporation
- Member Secretary, CPCB (Full Time)
Member
Secretary
Member
Secretary
ChairmanChairman
Planning
Division
Planning
Division
Pollution
Assessment
Monitoring &
Survey Division
Pollution
Assessment
Monitoring &
Survey Division
Infrastructure
Division
Infrastructure
Division
Pollution
Control
Implementation
Pollution
Control
Implementation
Zonal Office
Lucknow
Zonal Office
Lucknow
Zonal Office
Vadodara
Zonal Office
Vadodara
Zonal Office
Bhopal
Zonal Office
Bhopal
Zonal Office
Kolkata
Zonal Office
Kolkata
Zonal Office
Shillong
Zonal Office
Shillong
Zonal Office
Bangalore
Zonal Office
Bangalore
Administration
Personnel
Administration
Personnel
Administration
Materials
Administration
Materials
Administration
Estate
Administration
Estate
Administration
Publications, PR
Administration
Publications, PR
Finance &
Accounts
Finance &
Accounts
Administration
Recruitment
Administration
Recruitment
A.S. SectionA.S. Section Computer
Section
Computer
Section
Training
Training
Chemical
Haz. Waste
Env. Planning
Basic
Noise
Bio-medical
DG Sets
Noise
Agro-based
Policy, SSI
Law
R&D Laboratory
Monitoring
Assessment
Policy
Planning
MSW
Coordina-
tion
Draughting
Section
Draughting
Section
ExistingExisting OrganogramOrganogram
Activities of IFD (Activities of IFD (LABsLABs.).)
CPCB Laboratory, DelhiCPCB Laboratory, Delhi
WATER
LABORATORY
AIR
LABORATORY
SOPHISTICATED
INSTRUMENTATION LABORATORY
BIO
LABORATORY
TREATABILITY
LABORATORY
NATIONAL REFERRAL
TRACE ORGANIC LABORATORY
- Laboratory management
- Monitoring activities
- Laboratory analysis
- R & D Activities
- Quality Assurance / Quality
Control system
- Strengthening of laboratories
- Scientific services to SPCBs,
MoEF, etc.
- Training of Personnel
AIR LABORATORY
IFD (LABs)
AIR TOXIC LAB
METEOROLOGY
NAMP/Wet
Anal
ONLINE AIR MONITORING
STACK MONITORING
PARTICULATE AND RAIN
WATER CHARACTERIZATION
CALIBRATION AND QA/QC
Parameters monitored to support and infer
air monitoring data
Organic / Hazardous air pollutants
Criteria air pollutants monitoring with manual
sampling and physico-chemical analysis
Real time continuous
ambient air monitoring network
Static injection facility for
AQC of gaseous pollutants
QUALITY MANAGEMENT SYSTEM
In-depth analysis to know
the composition
Source emission monitoring for
compliance control efficiency and
or pollution potential estimation
VEHICULAR EMISSION
MONITORING
PUC Calibration
NABL related activities
NOISE MONITORING Ambient noise
Alveolar macrophages in sputum
a, Rural control; b, Urban control; c & d, Exposed to vehicular emission
Epidemiological study by CNRI on children in Delhi to assess respiratory
health status of 10,000 school children
National Ambient Air Quality Monitoring Programme (NAMP)
Started in 1984 - 7 Station ( Manual Station)
 By 2000 - Increased to 295 Stations (Operated and
Maintained by SPCB /CPCB / Universities,
etc. and funded by CPCB)
By 2009 - Increased to 346 Stations
 Monitoring in Delhi
3 (old) +3 (new) Continuous AQMS
2 Mobile air Laboratories
6 Manual AQMS
1 Integrated Air Quality Monitoring Station being set up
 About 300 continuous stations maintained by industries.
Parameters Monitored
Criteria Pollutants - SPM, RSPM (PM10), SO2, NOx,
CO, Pb, NH3 (additional parameters
at few locations)
Other Parameters: - PM2.5, O3, BTX, PAHs
Monitoring Techniques
SO2 – Absorption in TCM and Spectrophotometric determination
SPM, RSPM (PM10), PM2.5 – High Volume / Low Volume Sampling followed by
Gravimetric analysis
NOx – Absorption in NaOH, Na- Arsenite solution followed by Spectrophotometric
determination
Pb + other metals – Particulate Lead AAS analysis after acid digestion
O3 – Both manual and automatic method; VOCs & PAHs -GCMS
CO, SO2, NOx, O3, BTX, -Automatic analyser
S.
No.
Parameter Method Instrument
1. Determination of Suspended
particulate matter (SPM) in
the atmosphere
High Volume
Method
High Volume
Sampler
(HVS)
2 Measurement of Respirable
suspended particulate
matter (PM10 in air
Cyclonic flow
techniques
Respirable Dust
Sampler (RDS)
3. Determination of Sulphur
dioxide in air
Modified West and
Gaeke Method
Spectrophotometer
4. Determination of Nitrogen
dioxide in atmosphere
Sodium Arsenite
Method
Spectrophotometer
5. Measurement of Carbon
monoxide
In Air by U-V
photometric O3
Analysis
Automatic Analyser
6. Determination of Ozone in
atmosphere
Buffered Potassium
Iodide Method
Spectrophotometer
7. Determination of Hydrocarbon
(HC), Benzene, Toluene and
Xylene (BTX) & PAHs
G.C. Method Gas
Chromatograph
8. Determination of Heavy
Metal in atmosphere
AAS Method Atomic Absorption
Spectrophotometer
Measurement Methods of Air Pollutants
• The complex organic compound have got into use in many diverse
applicationsencompassing all types of human activities.
• While rural environments often have high levels of pesticides and other
residues from sprays of weedicides and other chemicals used in modernfarming,
•urban environments have high doses of a host of organics coming from paints
& varnishes, lacquers, solvents, foam blowingagents, sprays etc.
•Recent addition of Benzene in petrol, in place of a leadcompound, has made
Benzene and itsderivatives a part of vehicular pollution.Already Benzene
concentrations in high traffic areas and near petrol pumps have become a matter
of concern.
•Unfortunately a majority ofthese compounds are highly toxic and many ofthem
have been reported to the carcinogenic.
•Organic compounds are also reported to bepre-cursers for Ozone formation and
play arole in secondary formation of oxidants.
•As such air pollution monitoring networks are now beginning intensive efforts
for monitoring of specific organic compounds such as Benzene,Toluene &
Xylene (BTX)and often a mixture of polynuclear aromatic hydrocarbons (PAHS) .
ORGANIC COMPOUNDS
33 URBAN AIR TOXICS IDENTIFIED BY US EPA
acetaldehyde ethylene oxide
acrolein formaldehyde
acrylonitrile hexachlorobenzene
arsenic compounds hydrazine
Benzene lead compounds
beryllium compounds manganese compounds
1, 3-butadiene mercury compounds
cadmium compounds methylene chloride
carbon tetrachloride nickel compounds
chloroform polychlorinated biphenyls (PCBs)
chromium compounds
Polycyclic Aromatic Hydrocarbon
(PAH)
coke oven emissions quinoline
dioxin 1, 1, 2, 2-tetrachloroethane
ethylene dibromide perchloroethylene
propylene dichloride trichloroethylene
1, 3-dichloropropene vinyl chloride
ethylene dichloride --
METHOD FOR MEASUREMENT OF POLYNUCLEAR AROMATIC
HYDROCARBONS (PAHS) IN AIR PARTICULATE MATTER
PRINCIPLE
This method is designed to collect particulate phase PAHs in ambient air and
fugitive emissions and to determine individual PAH compounds. It is based on
high volume ( ~ 1.2 m3 / min) sampling method capable of detecting sub ng/ m3
concentration of PAH with a total sample volume ~ 480 m3 / of air over a
period of 8 hours with same filter. It Involves collection from air particulate on a
fine particle (glass-fibre) filter using high volume sampler for total suspended
particulate matter (TSPM) or respirable dust sampler for respirable suspended
particulate matter (RSPM or PM10) and subsequent analysis by Capillary Gas
Chromatograph (GC) using Flame Ionization Detector (FID). If sampling period is
extended to 24 hours without changing the filter, it may enhance sample loss due
to volatility or reactions of PAHs on collection media.
Major PAH Compounds
Acenaphthylene(C10H8) Benzo(b) f luoranthene (C20H12)
Acenaphthene(C10H8) Benzo(k) fluoranthene (C20H12)
Fluorene(C10H8) Coronene (C24H12)
Naphthalene (C10H8) Benzo(e) pyrene (C20H12)
Phenanthrene (C14H10) Benzo(a) pyrene (C20H12)
Anthracene (C14H10) Perylene (C20H12)
Fluoranthene (C16H10) Benzo(ghi) perylene (C22H12)
Pyrene (C16H10) Dibenzo(ah) anthracenes (C22H14)
Chrysene (C18H12) Indeno(cd) pyrene (C22H12)
Benzo(a) anthracene (C18H12)
SAMPLE PRESERVATION
Sample should be wrapped in a aluminum-foil and should be
stored in a refrigerator at 4oC in dark place to avoid photo-
oxidation of PAHs for a period upto two months. However, sample
extracts may be strored in dried form for a longer period
SAMPLE PROCESSING
The filters samples are extracted with Toluene using
ultrasonication & concentrated to 1ml volume .
GAS CHROMATOGRAPHIC ANALYSIS
Dilute the extracted residue and make up to 0.5 ml or 1 ml. Inject 1 µl or 2
µl into GC-FID for analysis.
GAS CHROMATOGRAPHY CONDITIONS
Gas chromatograph equipped with flame ionization detector (FID), a split
injector and capillary column (Phase cross linked 5% phenyl, methyl-
silicone) : 25 meter length, 0.20 mm inner diameter (I.D.), 0.33 µm film
thickness with following GC conditions:
ANALYSIS
Rotary Vacuum Evaporator
Measurement Method of PAH (ISO, BIS, CPCB, Tyagi, 2004 Method) - Individual PAHS
The concentration in ng/ m3 of each analyte in the air sampled is
given
by:
C = Cs x Ve / Vs
Where
Ve = final volume of extract, µl
CALCULATION
7.1 Calculate the concentration in (ng/µl ) of each identified analyte
in the
sample extract ( Cs ) as follows:
Cs (ng/µl) = (As * Cis ) / ((Ais * RF )
Where
As = Area count of characteristic analyte sample/peak being
measured.
Ais = Area count of characteristic internal standard/peak.
Cis = Concentration of internal Standard.
METHODS FOR MEASUREMENT
OF BENZENE ,
TOLUENE & XYLENE
(BTX) IN AIR
Synspec May 2004 2 Component selection 25
Aromates
• Benzene
• Toluene
• Ethylbenzene
• M,P-Xylene
• O-Xylene
• Styrene
Common Monitoring Protocol
Field sampling is critical as far as VOC is concerned 3
established sampling methods are available for field
sampling
• Canister Method
• Tenax Method
• Charcoal Method
Other sampling methods that are followed have
limitations are
• Tedlerbag method
• PUF method
Vapor Phase Sampling
• Sorbent tube
• Canister
• On-line air stream
Results for
Dichloroethane,
Benzene & Toluene
are within a
difference of
10%
When sorbent tube
& Canister methods
are compared
METHOD ADVANTAGES DISADVANTAGES
Passive
samplers
•
Very low cost · Very simple
· No dependance on mains
electricity
· Can be deployed in very large
numbers
· Useful for screening, mapping
and baseline studies
•
Useful for prelim survey only
• In general only provide monthly and
weekly averages
• Slow data throughput
• Samplers require laboratory analysis
Active
Samplers Low cost
•Easy to operate
•Reliable operation
•Reliable performance
•Historical dataset
Provide daily average
•Labour intensive sample collection
and analysis
•Laboratory analysis required
Automat
ic
Aanalyse
rs
Proven
•High performance
•Hourly data
•On-line information
Complex
•Expensive
•High skill (Repair & maintenance)
requirement
•High recurrent cost
THE TWO APPROACHES TO MEASUREMENT OF
VOCS IN AIR:
a) Taking the sample:
adsorption on activated charcoal/Tenax-Chromosorb
b) Sample Processing:
solvent extraction(CS2)/ thermal desorption
c) Separation: gas chromatography with capillary columns
Identification & Quantification:
Flame ionisation detector (FID)/Mass spectrometry
(MS)
d) PASSIVE / ACTIVE SAMPLING
Diffusion Tube for BTX
Sampling
PASSIVE SAMPLING
Field Protection Shelter
for Diffusion Tubes
Adsorption on activated charcoal, solvent extraction
Procedure
• Diffusion tube is exposed for two weeks in the
ambient air.
• After exposure the charcoal of the exposed tube
is transferred in the sample vials and desorbed
using carbon-disulfide(CS2 ).
• Desorption is done employing Ultra-sonic bath
followed by centrifugation.
• Samples are analysed on Gas chromatograph.
Calculations
C = (M-Mblank) / DE x U t’
Where:
C : concentration of the measured compound in µg/m3
M : determined mass of the measured compound in ng
M blank : weight (ng) of analyte organic vapour on blank tube
DE : desorption efficiency ( 0.98 )
U : uptake rate in l/h at 25°C(benzene 0.387 l/h,
toluene 0.343 l/h)
t’ : sampling duration in hours
Conc. (µg/m3
) = Conc. (µg/m3
) * 101.3 (273+T)
At (STP) (at ambient condition)
--------------------------------------------------
298 * Pa
Where:
T: Temperature in Kelvin of the ambient air,
Pa: Atmospheric pressure, kPa
ACTIVE SAMPLING
USING ACTIVATED CHARCOAL TUBES , DESOERBED BY
CARBON-DI SULPHIDE
PRINCIPLE
The charcoal tubes are available in different sizes and contain varying
amount of activated charcoal. The ambient air is sucked through the
tube using a low flow personal sampler in a way that results in an
enrichment of the relevant substances in the activated charcoal.
Desorption of the adsorbed benzene is done using Carbon disulfide
(CS2).
The substances desorbed in the CS2 are analyzed by capillary gas
chromatography.
A flame ionization detector (FID) is used for analysis while
quantification is performed using the internal/ external standard.
APPARATUS
1 LOW VOLUME PUMP
Intrinsically safe, portable, battery powered pump with a low flow
controller with operating range between 5 to 500 ml/min (+/- 0.2
ml/min).to suck the air sample , low flow pump* capable of accurate &
adjustable flow with time programmable with selectable run time from
15minutes to 8hr, built in flow indicator and rechargeable battery
should be preferred for sampling of BTX.
2 SAMPLING SORBENT (SAMPLE) TUBES
The most extensively used sorbent tubes are 1/4 inch or 6 mm O.D.
glass lined (or fused silica lined) stainless steel tub or stainless steel.
Different suppliers provide different size tubes and packing lengths;
however, 3.5 inch long tubes with a 6 cm of sorbent bed of 200 mg of
activated charcoal (coconut shell) or other suitable adsorbent (Figure-
2.1) are generally used to collect the sample.
Envirotech had made an Organic Vapour Sampler (APM 850) several years
ago. The APM 856 Organic Vapour Sampler has evolved from the
experiences gained and the feedback received from the users of the APM
850 and now provides a system which meets all important requirements for
field measurements of gaseous organic pollutants in ambient air.
Organic Vapour Sampler Envirotech APM 856
SAPMLING ADSORPTION TUBES
A sample is collected by opening a tube at two ends, connecting it to a
sample pump, and pulling air through the tube with the pump. Airborne
chemicals are trapped onto the surface of the sorbent.
Two tubes are used in series to take care of breakthrough (if any)
compatible to the thermal desorber . The sampling is carried out using
low flow sampler. The sampling train is given in the figure –2.2
Keep the tube in a vertical position during sampling to prevent the
possibility of channeling that can lead to under sampling
The arrow on the tube indicates air flow direction and should point to the
tube holder and pump. If no arrow is present, the smallest section should
be near the tube holder
Sampling flow rate in the range of 20-30ml /min is required (+/- 0.2 ml/min)
for ambient air.
SAMPLING PROCEDURE & SAMPLING RATE
Any suitable gas chromatograph with flame ionization detector (FID) with
fused silica capillary columns having a length of 25 meter or more, an
internal diameter of 320 µm or below and with a stationary phase film
thickness less than 1.5 µm as follows or equivalent may be recommended.
Capillary Column 624, Coating: cyanopropyl phenyl polysiloxane Length *
ID: 30m* 0.25 mm , Film thickness (df) : 1.4µm
Calibration
Prepare a mix stock standard solution of 50 µg/µl of benzene, toluene &
xylene each gravimetrically. using a micro syringe in the eluting solvent
i.e. CS2 . Prepare further diluted solutions of concentration range of 10,
1.0, 0.10 µg/µl with CS2 from stock standard in a clean vial. Make up to one
ml solution. Introduce immediately 1µL standard solution into the injector
of GC directly and plot the curve between the concentration & response
(peak area).
GAS CHROMATOGRAPHIC ANALYSIS
ATD
GC – ATD - MS
Electron IonisationElectron Ionisation : M + e- M+. + 2e-
CH4 + e- CH4+. + 2e-
CH4+. CH3+ + H.
Primary ionsPrimary ions
Analytical Procedure
Samples collected through active sampling (sorbent tubes) are
extracted or desorbed by conventional solvent (generally 1-2 ml of
carbon disulfide) using ultrasonication for 15 minutes to remove
analye from the sorbent material . Desorbed samples are analyzed
using gas chromatograph (GC) fitted with capillary column and flame
ionization detector (FID). A single tube may provide enough samples to
permit several analyses.
y =1E+0 6 x
R2 = 0 . 9 9 9 9
0
5 0 0 0 0
10 0 0 0 0
15 0 0 0 0
2 0 0 0 0 0
2 5 0 0 0 0
3 0 0 0 0 0
3 5 0 0 0 0
4 0 0 0 0 0
0 0.05 0.1 0.15 0.2 0.25 0.3 0.35 0.4
Amount (ugm)
area Linear (area)
y = 1E+06x
R2
= 0.9999
0
50000
100000
150000
200000
250000
300000
350000
400000
0 0.05 0.1 0.15 0.2 0.25 0.3 0.35 0.4
Amount (ugm)
area(uv.s)
area Linear (area)
Calibration Graph of Benzene
Calibration Graph of Toluene
Amount of analyte compound found on tube can be converted into µg/m3
by using the formula-
Volume of air (ml) = Sampling rate (ml/min) * Sampling time
(Sucked through the adsorption tube)
Conc. (µg/m3
) = Amount of compound found (µg) per µl injection ample
(at ambient condition) * Total volume of the sample extracted (ml) * 103
Vol. of sample extract injected into GC (µl) * Vol. of
Air sucked through the tube (m3)
CALCULATIONS
Blank value is to be subtracted from
the amount of compound found in the sample.
Fig :1 BENZENE LEVELS IN AMBIENT AIR IN DELHI
110
248
382
116
169
428
0
50
100
150
200
250
300
350
400
450
August, 1998 Nov-98
CONC.INug/m3
Residential Area Traffic intersection Petrol Pump
ON-LINE BENZENE ANALYZER
(THE SYNSPEC ALPHA 400 BENZENE ANALYSER)
THE NEW SYNSPEC ALPHA BENZENE IS A VERY SIMPLE BUT PRECISE
FOR THE MEASUREMENT OF BENZENE IN AMBIENT AIR.
Alpha is a compact GC containing all the essential elements:
preconcentration sampling unit, backflush valve, separation column in
special small oven unit and detector. The detector is a PID.
BENZENE ANALYZER
MEASURING PRINCIPLE:
The gas sample is
concentrated in a TRAP.
The sample is then
desorbed and injected over
the valve into a column and
benzene passes on to the
detector. The system is
optimized for ambient
benzene concentrations.
Alpha is a compact GC
containing all the essential
elements: preconcentration
sampling unit, backflush
valve, separation column
in special small oven unit
and detector. The detector
is a PID.
Chromatograph of MLU Analyser – 19Chromatograph of MLU Analyser – 19thth
September 0330 hrs.September 0330 hrs.
0.00
2.00
4.00
6.00
8.00
10.00
12.00
28-03-
01
29-03-
01
30-03-
01
31-03-
01
Average 01-04-01 02-04-01 03-04-01 04-04-01 Average
DATES IN MARCH-APRIL 2001
CONCENTRATIONINV-PPB
Benzene Toluene m,p-Xylene o-Xylene Ethyl-Benzene
TRENDS OF BTX IN MARCH-APRIL 2001 ATTRENDS OF BTX IN MARCH-APRIL 2001 AT
I.T.O. (BSZ MARG),DELHII.T.O. (BSZ MARG),DELHI
Fig.-5:AVERAGE CONCENTRATION OF BENZENE AND TOLUENE
DURING -2004
5.2 5.1
3.9
6.5 5.8
7.2
8.5
7.1
13.5
18.4
14.8
9.6 10.3
7.7
13.2
10 9.7
13
18.6
35.9
47.3
35.9
0.0
5.0
10.0
15.0
20.0
25.0
30.0
35.0
40.0
45.0
50.0
Ja
n
-04
F
e
b
-04
M
ar-0
4
A
p
r-04
M
ay
-0
4
Ju
n
-0
4
Ju
l-0
4
A
ug
-04
S
e
p
-0
4
O
c
t-0
4
N
ov
-04
D
ec
-0
4
MONTH
CONCENTRATION(ug/m3)
BENZENE TOLUENE
Maintenance and Calibration
Tips for On-Line VOC Analyzer
Due to its design, the BTX Analyzer requires little maintenance.
However following regular maintenance must be carried out for
continuous smooth operation of the Analyzer.
• Check or if needed replace the PTFE Sample Inlet dust Filter at
an interval of every week/15-days.
• Check fluid , pressure & Flows parameters using instruments
built-in diagnosis facility at an interval of every week/15-days
• Check the stability of retention times.
If retention times of the measured compound is out side the
retention time window which is usually +- 0.5 seconds then
make a reset.
Calibration:
• Calibration must be carried out regularly to check
the quality of measurements made using the on-line
BTX analyzer. This also make it possible to check
whether or not programming of retention times and
sensitivities is correct.
• Zero and a single point span check calibration
checks can be performed on the analyzer for
complete verification operation on the
characteristics of the analyzer
• linearity,
• detectable limits,
• check of retention times etc
ppm = (mg/m3) x (24.45/MW)
Expressing
Concentration in ppm
ppm= [(mg/m3)x(24.45/MW)x(760/P)x((T+273)/298)]
PM 10 & 2.5 CONTINUOUS MONITOR AT BHADUR SHAH
ZAFAR MARG (ITO), NEW DELHI
SIDE VIEW
CPCB
CONTINUOUS
MONITORING
STATION AT
DELHI
COLLEGE OF
ENGINEERING
,BAWANA,
DELHI
CALIBRATION AND AQC
Pioneer lab in India who developed
the ifrastructure and extended AQC
facilities to SPCBs, Industries etc.
for gaseous pollutants
Primary Calibrations for all the
online Parameters are being done
here with tracable standard gases
and Field based instruments are
calibrated subsequently in regular
intervals
Calibrations of all the manual
Instruments are done with different
calibrators time to time
ANNUAL TREND : TOTAL POLYCYCLIC AROMATIC HYDROCARBONS IN AMBIENT
AIR IN DELHI (1993-2000)
0
10
20
30
40
50
60
70
80
Minimum Maximum Average Monsoon Winter Summer
Range ------>
Conc.inng./m3
Year1993 Year1994 Year 1995 Year1996 Year1997 Year 1998 Year 1999 Yea
The ambient air quality objectives/standards are pre-requisite for developing
programme for effective management of ambient air quality and to reduce the
damaging effects of air pollution.
The objectives of air quality standards are:
• To indicate the levels of air quality necessary with an adequate margin of
safety to protect the public health, vegetation and property;
• To assist in establishing priorities for abatement and control of pollutant level;
• To provide uniform yardstick for assessing air quality at national level; and
• To indicate the need and extent of monitoring programme.
The Central Pollution Control Board had adopted first ambient air quality
standards on November 11, 1982 as per section 16 (2) (h) of the Air (Prevention
and Control of Pollution) Act, 1981.
The air quality standards have been revised by the Central Pollution Control Board
on April 11, 1994. The latest revised National Ambient Air Quality Standards of
CPCB notified as on November 16, 2009 are depicted as follows:
National Ambient Air Quality Standards
EXISTING NATIONAL AMBIENT AIR QUALITY STANDARDS (NAAQS)
Pollutant
Time Weighted
Average
Concent ration in Ambient Air Method of Measurement
I ndustri
al Area
Resident ial,
Rural and
ot her Areas
Sensitive
Area
Sulphur Dioxide
(SO2)
Annual
Average*
80
µg/ m3
60 µg/ m3 15 µg/ m3 1. I mproved West and Gaeke
Method
2. Ultraviolet Fluorescence24 Hours
Average* *
120
µg/ m3
80 µg/ m3
30 µg/ m3
Oxides of
Nitrogen
as NO2
Annual
Average*
80
µg/ m3
60 µg/ m3
15 µg/ m3
1. Jacob & Hochheiser modified
(NaOH-NaAsO2
) Met hod
2. Gas Phase Chemiluminiscence24 Hours
Average* *
120
µg/ m3
80 µg/ m3
30 µg/ m3
Suspended
Particulate
Matt er (SPM)
Annual
Average*
360
µg/ m3
140 µg/ m3
70 µg/ m3
High Volume Sampling (Average
flow rate not less than
1.1m3
/ minute)24 Hours
Average* *
500
µg/ m3
200 µg/ m3
100 µg/ m3
Respirable
Particulate
Matt er (Size less
than 10µm)
(RPM)
Annual
Average*
120
µg/ m3
60 µg/ m3
50 µg/ m3
Respirable Part iculate Matt er
Sampler24 Hours
Average* *
150
µg/ m3
100 µg/ m3
75 µg/ m3
Lead (Pb) Annual
Average*
1.0
µg/ m3
0.75 µg/ m3
0.50 µg/ m3
AAS Met hod after sampling using
EPM 2000
or equivalent filter paper24 Hour
Average* *
1.5
µg/ m3
1.0 µg/ m3
0.75 µg/ m3
Carbon
Monoxide (CO)
8 Hours
Average* *
5.0
mg/ m3
2.0 mg/ m3
1.0 mg/ m3
Non dispersive I nfrared
Spectroscopy1 Hour
Average
10.0mg/
m3
4.0 mg/ m3
2.0 mg/ m3
Ammonia (NH3
) Annual
Average*
0.1 mg/ m3
-
24 Hour
Average* *
0.4 mg/ m3
So far State Governments of the all the sixteen critically polluted cities as identified
by the Hon’ble Supreme Court of India have submitted their action plan for
controlling air Pollution from all the major sources including industrial, vehicular &
domestic sources. The major actions those have been proposed for almost all the
cities are:
1. Industrial Pollution
Shifting of Industries from non- confirming zones, Switching over to clean
technologies, Using clean fuel, Installation of Pollution control Devices
Development of green belt, etc.
2. Vehicular Pollution
Implementation of the emission norms as well as fuel quality in accordance
with the road map proposed by the Auto Fuel Policy, Switching over to
clean alternate fuels like CNG, LPG & Bio-fuels, Augmentation in Public
Transport system ,Better traffic Management, Implementation of fiscal
measures, etc
3. Domestic Pollution
Ban on open burning of garbage, biomass, Augmentation on supply of LPG
as cooking fuel,
Action Plan for Controlling Air Pollution
Carbon Monoxide (CO) levels in Ambient Air
Year 1997-98 1998-99 1999-2000 2000-01 2001-02 2002-03 2003-04
Carbon Monoxide 5.45 4.241 4.686 4.183 3.258 2.831 2.581
Vehicle Population 3 3.2 3.4 3.5 3.6 3.8 4.1
VehicleRegistrationinMillions
Valuesinmg/m3
IMPACTS OF INTERVENTIONS ON THE
AIR POLLUTANTS IN DELHI
Dr. S.K.Tyagi
Methods of Sampling and Analysis of
Metals in Ambient Air
(CADMIUM, CHROMIUM, IRON, LEAD, MANGANESE, NICKEL, COBALT,
ALUMINUM, VANADIUM, AND ZINC)
PRINCIPLE
This method is designed to collect particulate phase Metals in the
ambient air and fugitive emissions and to determine individual
metal . It is based on high volume ( ~ 1.2 m3 / min) sampling method
capable of detecting ng/ m3 concentration of metal with a total
sample volume ~ 480 m3 / of air over a period of 8 hours with same
filter. It Involves collection from air particulate on a fine particle
(glass-fibre) filter using high volume sampler for total suspended
particulate matter (TSPM) or respirable dust sampler for respirable
suspended particulate matter (RSPM or PM10) and subsequent
analysis by Flame Atomic Absorption Spectroscopy (FAAS) after the
digestion of samples with concentrated nitric acid & hydrochloric
acid .
Atomic absorption spectrometer measures absorption of
characteristic radiation by atoms of a particular element to be
determined which are thermally atomized either by flame or by
graphite furnace.
The element which is to be determined is dissolved in a
suitable vehicle (normally an acid)
In case of furnace atomization auto sampler or micro syringe
is used for transforming the sample solution into the furnace.
A hallow cathode lamp of the element to be determined is
used as a source of radiation, which is absorbed by the atoms
produced in flame or furnace of that element and absorption is
directly proportional to the concentration of the analyte atoms.
PRINCIPLE
BURNER
ADJUSTER
VAPOR VENT
DRAIN TUBING
EXHAUST
CHIMNEY
BENCH
SMALL NON-GLASS
WASTE VESSEL
Cool and filter the solution in a 100 ml volumetric
flask
Bring the solution up to the 100 ml mark using
distilled water
Analyse the sample using the AAS with relevant
Hollow Cathode
AAS Method for Metals
Digest Filter paper with HNO3:HCl (3:8ml) in 100ml at
80o
C for 4 hour or so till the final volume is about 10 ml
Metals W. L. Detection Limit (ug/lit)
FAAS GFF
As 193.7 100 0.2
Ni 232 4 0.1
Pb 217 10 0.05
Q1. Calculate Volume of Air Sampled in m3 from following data?
Sampling Period 4 hour
Sampling Rate of LVS 200ml/min
Calculate Vol. of Air
Sampled (m3
) =
Q2. Calculate Volume of Air Sampled in m3 & Benzene Conc. In
Ambient Air from following data
Slope (ug/ml) for 1ul inj
4.35712452981368
E-06
Peak Area 5000
Flow Rate of LVS 80 ml/min
Total Sampling Time 4hr
Calculate Tot Vol of Air(m3)
Ambient Temp @45degree C
Calculate Benzene Conc (ug/m3)
@45degree C Ambient condition
Calculate Benzene Conc (ug/m3)
@25degree C Ambient condition
Q1. Vol of Air Sampled (m3) =
0.048
Q2. Tot Vol of Air Sampled (m3) =
19.2
Bz Conc (ug/m3) @45degree C =
1.13
Bz Conc (ug/m3) @25degree C =
1.06
ANSWERS
PRESERVE PLANET EARTH
THROUGH YOUR DEEDS
The Photovac 2020 PRO uses
photoionization, the technology of
choice for detecting VOCs. The 2020
PRO is equipped standard with a 10.6
eV UV lamp, and has an optional 11.7
eV UV lamp for ionizing chlorinated
compounds.
Operating concentration range is 0.1-
2000 PPM or use the optional dilution
probe to detect up to 20,000 PPM.
The Photovac photoionization detector
is humidity-compensated so you can
rely on the results in PPM range.
Portable Total VOC Sensor/Monitor
Voc Sampling Train Voc Sampling Control Module
Heated Teflon
Sampling Tube

Dr tyagi lecture presentn bbit enviro final 12 feb10

  • 1.
    “TECHNIQUES FOR MEASUREMENTOF ORGANIC POLLUTANTS LIKE BENZENE & BENZO(a)PYRENE (& METALS) IN AMBIENT AIR” S.K.TYAGI, SCIENTIST, CENTRAL POLLUTION CONTROL BOARD (MINISTRY OF ENVIRONMENT & FORESTS) Delhi-110 032 TRAINING PROGRAME (SHORT COURSE ) ON “APPROPRIATE INSTRUMENTS & TECHNIQUES FOR COMPLYING WITH NEW AMBIENT AIR QUALITY STANDARDS” AT BBD INSTITUTE OF TECHNOLOGY ,GHAZIABAD ORGANISED BY “ENVIROTECH CENTRE FOR R&D,NEW DELHI”
  • 2.
    CENTRAL POLLUTION CONTROLBOARD (MINISTRY OF ENVIRONMENT & FORESTS) PARIVESH BHAVAN,EAST ARJUN NAGAR, DELHI-110 032 Presntation Covers About Legislation About CPCB About Challenges About Organic Pollutants PAHs & BTX- Sampling & Analytical Techniques About AAQ Standards About Interventions & Strategies to control A.P. Small Exercise
  • 3.
    1. The Water(Prevention & Control of Pollution) Act, 1974 2. The Water (Prevention & Control of Pollution) Cess, Act, 1977 3. The Air (Prevention & Control of Pollution) Act, 1981 4. The Environment (Protection) Act, 1986 5. Environmental Impact Assessment Notification 6. The Hazardous Waste (Management and Handling) Rules 1989 7. The Bio - Medical Waste (Management and Handling) Rules 1988 8. The Municipal Solid Waste (Management and Handling) Rules 2000 9. The Noise Pollution (Regulation & Control) Rules, 2000 10. The Batteries (Management and Handling) Rules 2001 Major EnvironmentalMajor Environmental Acts/RulesActs/Rules
  • 4.
    CPCB HEAD OFFICE,DELHICPCB HEAD OFFICE, DELHI KANPUR KOLKATA SHILONG BHOPAL VADODARA BANGLORE Uttar Pradesh Uttaranchal Jammu & Kashmir, Himachal Pradesh, Punjab, Haryana UT Delhi BiharBihar JharkhandJharkhand OrrisaOrrisa SikkimSikkim West BengalWest Bengal UT AndamanUT Andaman NicobarNicobar Assam Manipur Meghalaya Mizoram Nagaland Tripura MadhyaMadhya PradeshPradesh RajasthanRajasthan ChattisgarhChattisgarh Gujrat Maharastra UT Daman, Diu and Dadra & Nagar Haveli Andhra PradeshAndhra Pradesh GoaGoa KarnatakaKarnataka KerlaKerla TamilnaduTamilnadu UT LakshadweepUT Lakshadweep UTUT PondicharyPondichary ZONAL OFFICES OF CPCB Offices of CPCBOffices of CPCB 17 Members Governing Board - Chairman, CPCB (Full Time) - 5 from Central Government - 3 from SPCB - 2 from local authorities - 3 from filed of agri./fishery/industry or trade - 2 from companies or corporation - Member Secretary, CPCB (Full Time)
  • 5.
    Member Secretary Member Secretary ChairmanChairman Planning Division Planning Division Pollution Assessment Monitoring & Survey Division Pollution Assessment Monitoring& Survey Division Infrastructure Division Infrastructure Division Pollution Control Implementation Pollution Control Implementation Zonal Office Lucknow Zonal Office Lucknow Zonal Office Vadodara Zonal Office Vadodara Zonal Office Bhopal Zonal Office Bhopal Zonal Office Kolkata Zonal Office Kolkata Zonal Office Shillong Zonal Office Shillong Zonal Office Bangalore Zonal Office Bangalore Administration Personnel Administration Personnel Administration Materials Administration Materials Administration Estate Administration Estate Administration Publications, PR Administration Publications, PR Finance & Accounts Finance & Accounts Administration Recruitment Administration Recruitment A.S. SectionA.S. Section Computer Section Computer Section Training Training Chemical Haz. Waste Env. Planning Basic Noise Bio-medical DG Sets Noise Agro-based Policy, SSI Law R&D Laboratory Monitoring Assessment Policy Planning MSW Coordina- tion Draughting Section Draughting Section ExistingExisting OrganogramOrganogram
  • 6.
    Activities of IFD(Activities of IFD (LABsLABs.).) CPCB Laboratory, DelhiCPCB Laboratory, Delhi WATER LABORATORY AIR LABORATORY SOPHISTICATED INSTRUMENTATION LABORATORY BIO LABORATORY TREATABILITY LABORATORY NATIONAL REFERRAL TRACE ORGANIC LABORATORY - Laboratory management - Monitoring activities - Laboratory analysis - R & D Activities - Quality Assurance / Quality Control system - Strengthening of laboratories - Scientific services to SPCBs, MoEF, etc. - Training of Personnel
  • 7.
    AIR LABORATORY IFD (LABs) AIRTOXIC LAB METEOROLOGY NAMP/Wet Anal ONLINE AIR MONITORING STACK MONITORING PARTICULATE AND RAIN WATER CHARACTERIZATION CALIBRATION AND QA/QC Parameters monitored to support and infer air monitoring data Organic / Hazardous air pollutants Criteria air pollutants monitoring with manual sampling and physico-chemical analysis Real time continuous ambient air monitoring network Static injection facility for AQC of gaseous pollutants QUALITY MANAGEMENT SYSTEM In-depth analysis to know the composition Source emission monitoring for compliance control efficiency and or pollution potential estimation VEHICULAR EMISSION MONITORING PUC Calibration NABL related activities NOISE MONITORING Ambient noise
  • 10.
    Alveolar macrophages insputum a, Rural control; b, Urban control; c & d, Exposed to vehicular emission Epidemiological study by CNRI on children in Delhi to assess respiratory health status of 10,000 school children
  • 11.
    National Ambient AirQuality Monitoring Programme (NAMP) Started in 1984 - 7 Station ( Manual Station)  By 2000 - Increased to 295 Stations (Operated and Maintained by SPCB /CPCB / Universities, etc. and funded by CPCB) By 2009 - Increased to 346 Stations  Monitoring in Delhi 3 (old) +3 (new) Continuous AQMS 2 Mobile air Laboratories 6 Manual AQMS 1 Integrated Air Quality Monitoring Station being set up  About 300 continuous stations maintained by industries.
  • 12.
    Parameters Monitored Criteria Pollutants- SPM, RSPM (PM10), SO2, NOx, CO, Pb, NH3 (additional parameters at few locations) Other Parameters: - PM2.5, O3, BTX, PAHs Monitoring Techniques SO2 – Absorption in TCM and Spectrophotometric determination SPM, RSPM (PM10), PM2.5 – High Volume / Low Volume Sampling followed by Gravimetric analysis NOx – Absorption in NaOH, Na- Arsenite solution followed by Spectrophotometric determination Pb + other metals – Particulate Lead AAS analysis after acid digestion O3 – Both manual and automatic method; VOCs & PAHs -GCMS CO, SO2, NOx, O3, BTX, -Automatic analyser
  • 13.
    S. No. Parameter Method Instrument 1.Determination of Suspended particulate matter (SPM) in the atmosphere High Volume Method High Volume Sampler (HVS) 2 Measurement of Respirable suspended particulate matter (PM10 in air Cyclonic flow techniques Respirable Dust Sampler (RDS) 3. Determination of Sulphur dioxide in air Modified West and Gaeke Method Spectrophotometer 4. Determination of Nitrogen dioxide in atmosphere Sodium Arsenite Method Spectrophotometer 5. Measurement of Carbon monoxide In Air by U-V photometric O3 Analysis Automatic Analyser 6. Determination of Ozone in atmosphere Buffered Potassium Iodide Method Spectrophotometer 7. Determination of Hydrocarbon (HC), Benzene, Toluene and Xylene (BTX) & PAHs G.C. Method Gas Chromatograph 8. Determination of Heavy Metal in atmosphere AAS Method Atomic Absorption Spectrophotometer Measurement Methods of Air Pollutants
  • 14.
    • The complexorganic compound have got into use in many diverse applicationsencompassing all types of human activities. • While rural environments often have high levels of pesticides and other residues from sprays of weedicides and other chemicals used in modernfarming, •urban environments have high doses of a host of organics coming from paints & varnishes, lacquers, solvents, foam blowingagents, sprays etc. •Recent addition of Benzene in petrol, in place of a leadcompound, has made Benzene and itsderivatives a part of vehicular pollution.Already Benzene concentrations in high traffic areas and near petrol pumps have become a matter of concern. •Unfortunately a majority ofthese compounds are highly toxic and many ofthem have been reported to the carcinogenic. •Organic compounds are also reported to bepre-cursers for Ozone formation and play arole in secondary formation of oxidants. •As such air pollution monitoring networks are now beginning intensive efforts for monitoring of specific organic compounds such as Benzene,Toluene & Xylene (BTX)and often a mixture of polynuclear aromatic hydrocarbons (PAHS) . ORGANIC COMPOUNDS
  • 15.
    33 URBAN AIRTOXICS IDENTIFIED BY US EPA acetaldehyde ethylene oxide acrolein formaldehyde acrylonitrile hexachlorobenzene arsenic compounds hydrazine Benzene lead compounds beryllium compounds manganese compounds 1, 3-butadiene mercury compounds cadmium compounds methylene chloride carbon tetrachloride nickel compounds chloroform polychlorinated biphenyls (PCBs) chromium compounds Polycyclic Aromatic Hydrocarbon (PAH) coke oven emissions quinoline dioxin 1, 1, 2, 2-tetrachloroethane ethylene dibromide perchloroethylene propylene dichloride trichloroethylene 1, 3-dichloropropene vinyl chloride ethylene dichloride --
  • 16.
    METHOD FOR MEASUREMENTOF POLYNUCLEAR AROMATIC HYDROCARBONS (PAHS) IN AIR PARTICULATE MATTER PRINCIPLE This method is designed to collect particulate phase PAHs in ambient air and fugitive emissions and to determine individual PAH compounds. It is based on high volume ( ~ 1.2 m3 / min) sampling method capable of detecting sub ng/ m3 concentration of PAH with a total sample volume ~ 480 m3 / of air over a period of 8 hours with same filter. It Involves collection from air particulate on a fine particle (glass-fibre) filter using high volume sampler for total suspended particulate matter (TSPM) or respirable dust sampler for respirable suspended particulate matter (RSPM or PM10) and subsequent analysis by Capillary Gas Chromatograph (GC) using Flame Ionization Detector (FID). If sampling period is extended to 24 hours without changing the filter, it may enhance sample loss due to volatility or reactions of PAHs on collection media.
  • 17.
    Major PAH Compounds Acenaphthylene(C10H8)Benzo(b) f luoranthene (C20H12) Acenaphthene(C10H8) Benzo(k) fluoranthene (C20H12) Fluorene(C10H8) Coronene (C24H12) Naphthalene (C10H8) Benzo(e) pyrene (C20H12) Phenanthrene (C14H10) Benzo(a) pyrene (C20H12) Anthracene (C14H10) Perylene (C20H12) Fluoranthene (C16H10) Benzo(ghi) perylene (C22H12) Pyrene (C16H10) Dibenzo(ah) anthracenes (C22H14) Chrysene (C18H12) Indeno(cd) pyrene (C22H12) Benzo(a) anthracene (C18H12)
  • 18.
    SAMPLE PRESERVATION Sample shouldbe wrapped in a aluminum-foil and should be stored in a refrigerator at 4oC in dark place to avoid photo- oxidation of PAHs for a period upto two months. However, sample extracts may be strored in dried form for a longer period SAMPLE PROCESSING The filters samples are extracted with Toluene using ultrasonication & concentrated to 1ml volume . GAS CHROMATOGRAPHIC ANALYSIS Dilute the extracted residue and make up to 0.5 ml or 1 ml. Inject 1 µl or 2 µl into GC-FID for analysis. GAS CHROMATOGRAPHY CONDITIONS Gas chromatograph equipped with flame ionization detector (FID), a split injector and capillary column (Phase cross linked 5% phenyl, methyl- silicone) : 25 meter length, 0.20 mm inner diameter (I.D.), 0.33 µm film thickness with following GC conditions: ANALYSIS
  • 20.
  • 21.
    Measurement Method ofPAH (ISO, BIS, CPCB, Tyagi, 2004 Method) - Individual PAHS
  • 23.
    The concentration inng/ m3 of each analyte in the air sampled is given by: C = Cs x Ve / Vs Where Ve = final volume of extract, µl CALCULATION 7.1 Calculate the concentration in (ng/µl ) of each identified analyte in the sample extract ( Cs ) as follows: Cs (ng/µl) = (As * Cis ) / ((Ais * RF ) Where As = Area count of characteristic analyte sample/peak being measured. Ais = Area count of characteristic internal standard/peak. Cis = Concentration of internal Standard.
  • 24.
    METHODS FOR MEASUREMENT OFBENZENE , TOLUENE & XYLENE (BTX) IN AIR
  • 25.
    Synspec May 20042 Component selection 25 Aromates • Benzene • Toluene • Ethylbenzene • M,P-Xylene • O-Xylene • Styrene
  • 26.
    Common Monitoring Protocol Fieldsampling is critical as far as VOC is concerned 3 established sampling methods are available for field sampling • Canister Method • Tenax Method • Charcoal Method Other sampling methods that are followed have limitations are • Tedlerbag method • PUF method
  • 27.
    Vapor Phase Sampling •Sorbent tube • Canister • On-line air stream Results for Dichloroethane, Benzene & Toluene are within a difference of 10% When sorbent tube & Canister methods are compared
  • 28.
    METHOD ADVANTAGES DISADVANTAGES Passive samplers • Verylow cost · Very simple · No dependance on mains electricity · Can be deployed in very large numbers · Useful for screening, mapping and baseline studies • Useful for prelim survey only • In general only provide monthly and weekly averages • Slow data throughput • Samplers require laboratory analysis Active Samplers Low cost •Easy to operate •Reliable operation •Reliable performance •Historical dataset Provide daily average •Labour intensive sample collection and analysis •Laboratory analysis required Automat ic Aanalyse rs Proven •High performance •Hourly data •On-line information Complex •Expensive •High skill (Repair & maintenance) requirement •High recurrent cost
  • 29.
    THE TWO APPROACHESTO MEASUREMENT OF VOCS IN AIR: a) Taking the sample: adsorption on activated charcoal/Tenax-Chromosorb b) Sample Processing: solvent extraction(CS2)/ thermal desorption c) Separation: gas chromatography with capillary columns Identification & Quantification: Flame ionisation detector (FID)/Mass spectrometry (MS) d) PASSIVE / ACTIVE SAMPLING
  • 30.
    Diffusion Tube forBTX Sampling PASSIVE SAMPLING
  • 31.
  • 32.
    Adsorption on activatedcharcoal, solvent extraction
  • 33.
    Procedure • Diffusion tubeis exposed for two weeks in the ambient air. • After exposure the charcoal of the exposed tube is transferred in the sample vials and desorbed using carbon-disulfide(CS2 ). • Desorption is done employing Ultra-sonic bath followed by centrifugation. • Samples are analysed on Gas chromatograph.
  • 34.
    Calculations C = (M-Mblank)/ DE x U t’ Where: C : concentration of the measured compound in µg/m3 M : determined mass of the measured compound in ng M blank : weight (ng) of analyte organic vapour on blank tube DE : desorption efficiency ( 0.98 ) U : uptake rate in l/h at 25°C(benzene 0.387 l/h, toluene 0.343 l/h) t’ : sampling duration in hours Conc. (µg/m3 ) = Conc. (µg/m3 ) * 101.3 (273+T) At (STP) (at ambient condition) -------------------------------------------------- 298 * Pa Where: T: Temperature in Kelvin of the ambient air, Pa: Atmospheric pressure, kPa
  • 35.
    ACTIVE SAMPLING USING ACTIVATEDCHARCOAL TUBES , DESOERBED BY CARBON-DI SULPHIDE PRINCIPLE The charcoal tubes are available in different sizes and contain varying amount of activated charcoal. The ambient air is sucked through the tube using a low flow personal sampler in a way that results in an enrichment of the relevant substances in the activated charcoal. Desorption of the adsorbed benzene is done using Carbon disulfide (CS2). The substances desorbed in the CS2 are analyzed by capillary gas chromatography. A flame ionization detector (FID) is used for analysis while quantification is performed using the internal/ external standard.
  • 36.
    APPARATUS 1 LOW VOLUMEPUMP Intrinsically safe, portable, battery powered pump with a low flow controller with operating range between 5 to 500 ml/min (+/- 0.2 ml/min).to suck the air sample , low flow pump* capable of accurate & adjustable flow with time programmable with selectable run time from 15minutes to 8hr, built in flow indicator and rechargeable battery should be preferred for sampling of BTX. 2 SAMPLING SORBENT (SAMPLE) TUBES The most extensively used sorbent tubes are 1/4 inch or 6 mm O.D. glass lined (or fused silica lined) stainless steel tub or stainless steel. Different suppliers provide different size tubes and packing lengths; however, 3.5 inch long tubes with a 6 cm of sorbent bed of 200 mg of activated charcoal (coconut shell) or other suitable adsorbent (Figure- 2.1) are generally used to collect the sample.
  • 37.
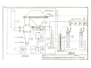
    Envirotech had madean Organic Vapour Sampler (APM 850) several years ago. The APM 856 Organic Vapour Sampler has evolved from the experiences gained and the feedback received from the users of the APM 850 and now provides a system which meets all important requirements for field measurements of gaseous organic pollutants in ambient air.
  • 38.
    Organic Vapour SamplerEnvirotech APM 856
  • 39.
  • 40.
    A sample iscollected by opening a tube at two ends, connecting it to a sample pump, and pulling air through the tube with the pump. Airborne chemicals are trapped onto the surface of the sorbent. Two tubes are used in series to take care of breakthrough (if any) compatible to the thermal desorber . The sampling is carried out using low flow sampler. The sampling train is given in the figure –2.2 Keep the tube in a vertical position during sampling to prevent the possibility of channeling that can lead to under sampling The arrow on the tube indicates air flow direction and should point to the tube holder and pump. If no arrow is present, the smallest section should be near the tube holder Sampling flow rate in the range of 20-30ml /min is required (+/- 0.2 ml/min) for ambient air. SAMPLING PROCEDURE & SAMPLING RATE
  • 41.
    Any suitable gaschromatograph with flame ionization detector (FID) with fused silica capillary columns having a length of 25 meter or more, an internal diameter of 320 µm or below and with a stationary phase film thickness less than 1.5 µm as follows or equivalent may be recommended. Capillary Column 624, Coating: cyanopropyl phenyl polysiloxane Length * ID: 30m* 0.25 mm , Film thickness (df) : 1.4µm Calibration Prepare a mix stock standard solution of 50 µg/µl of benzene, toluene & xylene each gravimetrically. using a micro syringe in the eluting solvent i.e. CS2 . Prepare further diluted solutions of concentration range of 10, 1.0, 0.10 µg/µl with CS2 from stock standard in a clean vial. Make up to one ml solution. Introduce immediately 1µL standard solution into the injector of GC directly and plot the curve between the concentration & response (peak area). GAS CHROMATOGRAPHIC ANALYSIS
  • 42.
  • 43.
    GC – ATD- MS Electron IonisationElectron Ionisation : M + e- M+. + 2e- CH4 + e- CH4+. + 2e- CH4+. CH3+ + H. Primary ionsPrimary ions
  • 45.
    Analytical Procedure Samples collectedthrough active sampling (sorbent tubes) are extracted or desorbed by conventional solvent (generally 1-2 ml of carbon disulfide) using ultrasonication for 15 minutes to remove analye from the sorbent material . Desorbed samples are analyzed using gas chromatograph (GC) fitted with capillary column and flame ionization detector (FID). A single tube may provide enough samples to permit several analyses.
  • 46.
    y =1E+0 6x R2 = 0 . 9 9 9 9 0 5 0 0 0 0 10 0 0 0 0 15 0 0 0 0 2 0 0 0 0 0 2 5 0 0 0 0 3 0 0 0 0 0 3 5 0 0 0 0 4 0 0 0 0 0 0 0.05 0.1 0.15 0.2 0.25 0.3 0.35 0.4 Amount (ugm) area Linear (area) y = 1E+06x R2 = 0.9999 0 50000 100000 150000 200000 250000 300000 350000 400000 0 0.05 0.1 0.15 0.2 0.25 0.3 0.35 0.4 Amount (ugm) area(uv.s) area Linear (area) Calibration Graph of Benzene Calibration Graph of Toluene
  • 47.
    Amount of analytecompound found on tube can be converted into µg/m3 by using the formula- Volume of air (ml) = Sampling rate (ml/min) * Sampling time (Sucked through the adsorption tube) Conc. (µg/m3 ) = Amount of compound found (µg) per µl injection ample (at ambient condition) * Total volume of the sample extracted (ml) * 103 Vol. of sample extract injected into GC (µl) * Vol. of Air sucked through the tube (m3) CALCULATIONS Blank value is to be subtracted from the amount of compound found in the sample.
  • 48.
    Fig :1 BENZENELEVELS IN AMBIENT AIR IN DELHI 110 248 382 116 169 428 0 50 100 150 200 250 300 350 400 450 August, 1998 Nov-98 CONC.INug/m3 Residential Area Traffic intersection Petrol Pump
  • 49.
    ON-LINE BENZENE ANALYZER (THESYNSPEC ALPHA 400 BENZENE ANALYSER) THE NEW SYNSPEC ALPHA BENZENE IS A VERY SIMPLE BUT PRECISE FOR THE MEASUREMENT OF BENZENE IN AMBIENT AIR. Alpha is a compact GC containing all the essential elements: preconcentration sampling unit, backflush valve, separation column in special small oven unit and detector. The detector is a PID.
  • 51.
  • 52.
    MEASURING PRINCIPLE: The gassample is concentrated in a TRAP. The sample is then desorbed and injected over the valve into a column and benzene passes on to the detector. The system is optimized for ambient benzene concentrations. Alpha is a compact GC containing all the essential elements: preconcentration sampling unit, backflush valve, separation column in special small oven unit and detector. The detector is a PID.
  • 53.
    Chromatograph of MLUAnalyser – 19Chromatograph of MLU Analyser – 19thth September 0330 hrs.September 0330 hrs.
  • 54.
    0.00 2.00 4.00 6.00 8.00 10.00 12.00 28-03- 01 29-03- 01 30-03- 01 31-03- 01 Average 01-04-01 02-04-0103-04-01 04-04-01 Average DATES IN MARCH-APRIL 2001 CONCENTRATIONINV-PPB Benzene Toluene m,p-Xylene o-Xylene Ethyl-Benzene TRENDS OF BTX IN MARCH-APRIL 2001 ATTRENDS OF BTX IN MARCH-APRIL 2001 AT I.T.O. (BSZ MARG),DELHII.T.O. (BSZ MARG),DELHI
  • 55.
    Fig.-5:AVERAGE CONCENTRATION OFBENZENE AND TOLUENE DURING -2004 5.2 5.1 3.9 6.5 5.8 7.2 8.5 7.1 13.5 18.4 14.8 9.6 10.3 7.7 13.2 10 9.7 13 18.6 35.9 47.3 35.9 0.0 5.0 10.0 15.0 20.0 25.0 30.0 35.0 40.0 45.0 50.0 Ja n -04 F e b -04 M ar-0 4 A p r-04 M ay -0 4 Ju n -0 4 Ju l-0 4 A ug -04 S e p -0 4 O c t-0 4 N ov -04 D ec -0 4 MONTH CONCENTRATION(ug/m3) BENZENE TOLUENE
  • 56.
    Maintenance and Calibration Tipsfor On-Line VOC Analyzer Due to its design, the BTX Analyzer requires little maintenance. However following regular maintenance must be carried out for continuous smooth operation of the Analyzer. • Check or if needed replace the PTFE Sample Inlet dust Filter at an interval of every week/15-days. • Check fluid , pressure & Flows parameters using instruments built-in diagnosis facility at an interval of every week/15-days • Check the stability of retention times. If retention times of the measured compound is out side the retention time window which is usually +- 0.5 seconds then make a reset.
  • 57.
    Calibration: • Calibration mustbe carried out regularly to check the quality of measurements made using the on-line BTX analyzer. This also make it possible to check whether or not programming of retention times and sensitivities is correct. • Zero and a single point span check calibration checks can be performed on the analyzer for complete verification operation on the characteristics of the analyzer • linearity, • detectable limits, • check of retention times etc
  • 58.
    ppm = (mg/m3)x (24.45/MW) Expressing Concentration in ppm ppm= [(mg/m3)x(24.45/MW)x(760/P)x((T+273)/298)]
  • 59.
    PM 10 &2.5 CONTINUOUS MONITOR AT BHADUR SHAH ZAFAR MARG (ITO), NEW DELHI SIDE VIEW CPCB CONTINUOUS MONITORING STATION AT DELHI COLLEGE OF ENGINEERING ,BAWANA, DELHI
  • 60.
    CALIBRATION AND AQC Pioneerlab in India who developed the ifrastructure and extended AQC facilities to SPCBs, Industries etc. for gaseous pollutants Primary Calibrations for all the online Parameters are being done here with tracable standard gases and Field based instruments are calibrated subsequently in regular intervals Calibrations of all the manual Instruments are done with different calibrators time to time
  • 62.
    ANNUAL TREND :TOTAL POLYCYCLIC AROMATIC HYDROCARBONS IN AMBIENT AIR IN DELHI (1993-2000) 0 10 20 30 40 50 60 70 80 Minimum Maximum Average Monsoon Winter Summer Range ------> Conc.inng./m3 Year1993 Year1994 Year 1995 Year1996 Year1997 Year 1998 Year 1999 Yea
  • 64.
    The ambient airquality objectives/standards are pre-requisite for developing programme for effective management of ambient air quality and to reduce the damaging effects of air pollution. The objectives of air quality standards are: • To indicate the levels of air quality necessary with an adequate margin of safety to protect the public health, vegetation and property; • To assist in establishing priorities for abatement and control of pollutant level; • To provide uniform yardstick for assessing air quality at national level; and • To indicate the need and extent of monitoring programme. The Central Pollution Control Board had adopted first ambient air quality standards on November 11, 1982 as per section 16 (2) (h) of the Air (Prevention and Control of Pollution) Act, 1981. The air quality standards have been revised by the Central Pollution Control Board on April 11, 1994. The latest revised National Ambient Air Quality Standards of CPCB notified as on November 16, 2009 are depicted as follows: National Ambient Air Quality Standards
  • 65.
    EXISTING NATIONAL AMBIENTAIR QUALITY STANDARDS (NAAQS) Pollutant Time Weighted Average Concent ration in Ambient Air Method of Measurement I ndustri al Area Resident ial, Rural and ot her Areas Sensitive Area Sulphur Dioxide (SO2) Annual Average* 80 µg/ m3 60 µg/ m3 15 µg/ m3 1. I mproved West and Gaeke Method 2. Ultraviolet Fluorescence24 Hours Average* * 120 µg/ m3 80 µg/ m3 30 µg/ m3 Oxides of Nitrogen as NO2 Annual Average* 80 µg/ m3 60 µg/ m3 15 µg/ m3 1. Jacob & Hochheiser modified (NaOH-NaAsO2 ) Met hod 2. Gas Phase Chemiluminiscence24 Hours Average* * 120 µg/ m3 80 µg/ m3 30 µg/ m3 Suspended Particulate Matt er (SPM) Annual Average* 360 µg/ m3 140 µg/ m3 70 µg/ m3 High Volume Sampling (Average flow rate not less than 1.1m3 / minute)24 Hours Average* * 500 µg/ m3 200 µg/ m3 100 µg/ m3 Respirable Particulate Matt er (Size less than 10µm) (RPM) Annual Average* 120 µg/ m3 60 µg/ m3 50 µg/ m3 Respirable Part iculate Matt er Sampler24 Hours Average* * 150 µg/ m3 100 µg/ m3 75 µg/ m3 Lead (Pb) Annual Average* 1.0 µg/ m3 0.75 µg/ m3 0.50 µg/ m3 AAS Met hod after sampling using EPM 2000 or equivalent filter paper24 Hour Average* * 1.5 µg/ m3 1.0 µg/ m3 0.75 µg/ m3 Carbon Monoxide (CO) 8 Hours Average* * 5.0 mg/ m3 2.0 mg/ m3 1.0 mg/ m3 Non dispersive I nfrared Spectroscopy1 Hour Average 10.0mg/ m3 4.0 mg/ m3 2.0 mg/ m3 Ammonia (NH3 ) Annual Average* 0.1 mg/ m3 - 24 Hour Average* * 0.4 mg/ m3
  • 68.
    So far StateGovernments of the all the sixteen critically polluted cities as identified by the Hon’ble Supreme Court of India have submitted their action plan for controlling air Pollution from all the major sources including industrial, vehicular & domestic sources. The major actions those have been proposed for almost all the cities are: 1. Industrial Pollution Shifting of Industries from non- confirming zones, Switching over to clean technologies, Using clean fuel, Installation of Pollution control Devices Development of green belt, etc. 2. Vehicular Pollution Implementation of the emission norms as well as fuel quality in accordance with the road map proposed by the Auto Fuel Policy, Switching over to clean alternate fuels like CNG, LPG & Bio-fuels, Augmentation in Public Transport system ,Better traffic Management, Implementation of fiscal measures, etc 3. Domestic Pollution Ban on open burning of garbage, biomass, Augmentation on supply of LPG as cooking fuel, Action Plan for Controlling Air Pollution
  • 70.
    Carbon Monoxide (CO)levels in Ambient Air Year 1997-98 1998-99 1999-2000 2000-01 2001-02 2002-03 2003-04 Carbon Monoxide 5.45 4.241 4.686 4.183 3.258 2.831 2.581 Vehicle Population 3 3.2 3.4 3.5 3.6 3.8 4.1 VehicleRegistrationinMillions Valuesinmg/m3 IMPACTS OF INTERVENTIONS ON THE AIR POLLUTANTS IN DELHI
  • 72.
  • 74.
    Methods of Samplingand Analysis of Metals in Ambient Air (CADMIUM, CHROMIUM, IRON, LEAD, MANGANESE, NICKEL, COBALT, ALUMINUM, VANADIUM, AND ZINC) PRINCIPLE This method is designed to collect particulate phase Metals in the ambient air and fugitive emissions and to determine individual metal . It is based on high volume ( ~ 1.2 m3 / min) sampling method capable of detecting ng/ m3 concentration of metal with a total sample volume ~ 480 m3 / of air over a period of 8 hours with same filter. It Involves collection from air particulate on a fine particle (glass-fibre) filter using high volume sampler for total suspended particulate matter (TSPM) or respirable dust sampler for respirable suspended particulate matter (RSPM or PM10) and subsequent analysis by Flame Atomic Absorption Spectroscopy (FAAS) after the digestion of samples with concentrated nitric acid & hydrochloric acid .
  • 75.
    Atomic absorption spectrometermeasures absorption of characteristic radiation by atoms of a particular element to be determined which are thermally atomized either by flame or by graphite furnace. The element which is to be determined is dissolved in a suitable vehicle (normally an acid) In case of furnace atomization auto sampler or micro syringe is used for transforming the sample solution into the furnace. A hallow cathode lamp of the element to be determined is used as a source of radiation, which is absorbed by the atoms produced in flame or furnace of that element and absorption is directly proportional to the concentration of the analyte atoms. PRINCIPLE
  • 76.
  • 77.
    Cool and filterthe solution in a 100 ml volumetric flask Bring the solution up to the 100 ml mark using distilled water Analyse the sample using the AAS with relevant Hollow Cathode AAS Method for Metals Digest Filter paper with HNO3:HCl (3:8ml) in 100ml at 80o C for 4 hour or so till the final volume is about 10 ml
  • 78.
    Metals W. L.Detection Limit (ug/lit) FAAS GFF As 193.7 100 0.2 Ni 232 4 0.1 Pb 217 10 0.05
  • 79.
    Q1. Calculate Volumeof Air Sampled in m3 from following data? Sampling Period 4 hour Sampling Rate of LVS 200ml/min Calculate Vol. of Air Sampled (m3 ) = Q2. Calculate Volume of Air Sampled in m3 & Benzene Conc. In Ambient Air from following data Slope (ug/ml) for 1ul inj 4.35712452981368 E-06 Peak Area 5000 Flow Rate of LVS 80 ml/min Total Sampling Time 4hr Calculate Tot Vol of Air(m3) Ambient Temp @45degree C Calculate Benzene Conc (ug/m3) @45degree C Ambient condition Calculate Benzene Conc (ug/m3) @25degree C Ambient condition
  • 80.
    Q1. Vol ofAir Sampled (m3) = 0.048 Q2. Tot Vol of Air Sampled (m3) = 19.2 Bz Conc (ug/m3) @45degree C = 1.13 Bz Conc (ug/m3) @25degree C = 1.06 ANSWERS
  • 81.
  • 83.
    The Photovac 2020PRO uses photoionization, the technology of choice for detecting VOCs. The 2020 PRO is equipped standard with a 10.6 eV UV lamp, and has an optional 11.7 eV UV lamp for ionizing chlorinated compounds. Operating concentration range is 0.1- 2000 PPM or use the optional dilution probe to detect up to 20,000 PPM. The Photovac photoionization detector is humidity-compensated so you can rely on the results in PPM range. Portable Total VOC Sensor/Monitor
  • 84.
    Voc Sampling TrainVoc Sampling Control Module Heated Teflon Sampling Tube