Tutorial: 3 Engr. Hassan Mehmood Khan
Introduction to Electronics and Electrical
By Hassan Mehmood Khan
Date 4/5/2017
1. Introduction:
This tutorial is for Engineers Beginner Level to understand about basic concepts and
especially the components, tools and devices. I am very thankful to all my reference
books and websites. I have just tried to compile the information for the readers.
2. Components(Tab Electronics Gd. To Understanding, 2005):
2.1 Electronics Components:
a. Resistors
A resistor, as the name implies, resists (or opposes) current flow. As you will
soon discover, the characteristic of opposing current flow can be used for
many purposes. Hence, resistors are the most common discrete components
found in electronic equipment (the term discrete is used in electronics to
mean nonintegrated, or standing alone).
Resistors can be divided into two broad categories: fixed and adjustable.
Fixed resistors are by far the most common. Adjustable resistors are called
potentiometers or rheostats.
b. Potentiometers, Rheostats, and Resistive Devices:
Technically speaking, a potentiometer is a three-lead continuously variable
resistive device. In contrast, a rheostat is a two-lead continuously variable
resistor. Unfortunately, these two terms are often confused with each
other, even by many professionals in the field.
A few good examples of potentiometers can be found in the typical consumer
electronic products around the home. Controls labeled as “volume”, “level,”
“balance,” “bass,” “treble,” and “loudness” are almost always potentiometers.
c. Capacitors
Capacitors are manufactured in a variety of shapes and sizes. In most cases,
they are either flat, disk shaped components; or they are tubular in shape.
They vary in size from almost microscopic to about the same diameter, and
twice the height, of a large coffee cup. Capacitors are two-lead devices,
sometimes resembling fixed resistors without the color bands.
Virtually all tube-shaped capacitors will have a capacitance value and a
voltage rating marked on the body. Identification of this type is easy. The
small disk- or rectangle-shaped capacitors will usually be marked with the
following code (where uF=microfarad):
d. Diodes:
Diodes are two-lead semiconductor devices with tubular bodies similar to
fixed resistors. Their bodies are usually either black or clear, with a single-
colored band close to one end.
Diode bridges are actually four diodes encased in square or round housings.
They have four leads, or connection terminals, two of which will be marked
with a horizontal S symbol (sine-wave symbol), one will be marked “_” and
the other “_.” Several types of diodes and a diode bridge are illustrated in Fig.
Special types of diodes, called LEDs (the abbreviation for light-emitting
diodes), are designed to produce light, and are used for indicators and
displays. They are manufactured in a variety of shapes, sizes, and colors,
making them attractive in appearance. Figure 2-5b illustrates a sampling of
common LEDs. A specific type of LED configuration, called “seven-segment”
LEDs, are used for displaying numbers and alphanumeric symbols. The front
of their display surface is arranged in
a block “8” pattern.
e. Inductors:
Inductors are broken down into two main classifications: transformers and
chokes (or coils). Transformers designed for power conversion applications,
called power transformers or filament transformers, are usually heavy, block
shaped components consisting of two or more coils of wire wound around
rectangular wafers of iron. Most of these types of transformers are intended
to be mounted on a sturdy chassis because of their weight, but some newer
types of split-bobbin power transformers are designed for printed circuit
board mounting.
f. Transistors:
Transistors are three-lead semiconductor devices manufactured in a variety
of shapes and sizes to accommodate such design parameters as power
dissipation, breakdown voltages, and cost. A good sampling of transistor
shapes and styles is illustrated in Fig.
Some power transistors have an oval-shaped body with two mounting holes
on either side (this is called a TO-3 or TO-5 case style). At first glance, it
appears to only have two leads, but the body itself is the third (collector) lead.
g. Integrated Circuits
Integrated circuits, or ICs, are multicomponent semiconductor devices. A
single IC might contain thousands of individual components manufactured
through a series of special processes. They have multiple leads, called pins,
which can vary in number from 8 to 40. ICs can be soldered directly into
printed circuit boards, or plugged into specially designed IC sockets.
h. Symbols
2.2 Characteristics of Electricity:
a. Voltage
We define voltage as the amount of potential energy between two points on a
circuit. One point has more charge than another. This difference in charge
between the two points is called voltage. It is measured in volts, which,
technically, is the potential energy difference between two points that will
impart one joule of energy per coulomb of charge that passes through it
(don’t panic if this makes no sense, all will be explained). The unit “volt” is
named after the Italian physicist Alessandro Volta who invented what is
considered the first chemical battery. Voltage is represented in equations and
schematics by the letter “V”.
When describing voltage, current, and resistance, a common analogy is a
water tank. In this analogy, charge is represented by the water amount,
voltage is represented by the water pressure, and current is represented by
the water flow. So for this analogy, remember:
 Water = Charge
 Pressure = Voltage
 Flow = Current
Consider a water tank at a certain height above the ground. At the bottom of
this tank there is a hose.
The pressure at the end of the hose can represent voltage. The water in the
tank represents charge. The more water in the tank, the higher the charge,
the more pressure is measured at the end of the hose.
We can think of this tank as a battery, a place where we store a certain
amount of energy and then release it. If we drain our tank a certain amount,
the pressure created at the end of the hose goes down. We can think of this
as decreasing voltage, like when a flashlight gets dimmer as the batteries run
down. There is also a decrease in the amount of water that will flow through
the hose. Less pressure means less water is flowing, which brings us to
current.
b. Current
We can think of the amount of water flowing through the hose from the tank
as current. The higher the pressure, the higher the flow, and vice-versa. With
water, we would measure the volume of the water flowing through the hose
over a certain period of time. With electricity, we measure the amount of
charge flowing through the circuit over a period of time. Current is measured
in Amperes (usually just referred to as “Amps”). An ampere is defined as
6.241*1018electrons (1 Coulomb) per second passing through a point in a
circuit. Amps are represented in equations by the letter “I”.
Let’s say now that we have two tanks, each with a hose coming from the
bottom. Each tank has the exact same amount of water, but the hose on one
tank is narrower than the hose on the other.
We measure the same amount of pressure at the end of either hose, but when the water
begins to flow, the flow rate of the water in the tank with the narrower hose will be less
than the flow rate of the water in the tank with the wider hose. In electrical terms, the
current through the narrower hose is less than the current through the wider hose. If we
want the flow to be the same through both hoses, we have to increase the amount of
water (charge) in the tank with the narrower hose.
This increases the pressure (voltage) at the end of the narrower hose,
pushing more water through the tank. This is analogous to an increase in
voltage that causes an increase in current.
Now we’re starting to see the relationship between voltage and current. But
there is a third factor to be considered here: the width of the hose. In this
analogy, the width of the hose is the resistance. This means we need to add
another term to our model:
 Water = Charge (measured in Coulombs)
 Pressure = Voltage (measured in Volts)
 Flow = Current (measured in Amperes, or “Amps” for short)
 Hose Width = Resistance
c. Resistance
Consider again our two water tanks, one with a narrow pipe and one with a
wide pipe.
It stands to reason that we can’t fit as much volume through a narrow pipe
than a wider one at the same pressure. This is resistance. The narrow pipe
“resists” the flow of water through it even though the water is at the same
pressure as the tank with the wider pipe.
In electrical terms, this is represented by two circuits with equal voltages and
different resistances. The circuit with the higher resistance will allow less
charge to flow, meaning the circuit with higher resistance has less current
flowing through it.
This brings us back to Georg Ohm. Ohm defines the unit of resistance of “1
Ohm” as the resistance between two points in a conductor where the
application of 1 volt will push 1 ampere, or 6.241×1018 electrons. This value is
usually represented in schematics with the greek letter “Ω”, which is called
omega, and pronounced “ohm”.
d. AC and DC
Alternating current describes the flow of charge that changes direction
periodically. As a result, the voltage level also reverses along with the
current. AC is used to deliver power to houses, office buildings, etc.
Generating AC
AC can be produced using a device called an alternator. This device is a
special type of electrical generator designed to produce alternating current.
A loop of wire is spun inside of a magnetic field, which induces a current
along the wire. The rotation of the wire can come from any number of means:
a wind turbine, a steam turbine, flowing water, and so on. Because the wire
spins and enters a different magnetic polarity periodically, the voltage and
current alternates on the wire.
AC can come in a number of forms, as long as the voltage and current are
alternating. If we hook up an oscilloscope to a circuit with AC and plot its
voltage over time, we might see a number of different waveforms. The most
common type of AC is the sine wave. The AC in most homes and offices
have an oscillating voltage that produces a sine wave.
Direct current is a bit easier to understand than alternating current. Rather
than oscillating back and forth, DC provides a constant voltage or current.
Generating DC
DC can be generated in a number of ways:
 An AC generator equipped with a device called a “commutator” can
produce direct current
 Use of a device called a “rectifier” that converts AC to DC
 Batteries provide DC, which is generated from a chemical reaction inside
of the battery
Using our water analogy again, DC is similar to a tank of water with a hose at
the end.
The tank can only push water one way: out the hose. Similar to our DC-
producing battery, once the tank is empty, water no longer flows through the
pipes.
Describing DC
DC is defined as the “unidirectional” flow of current; current only flows in one
direction. Voltage and current can vary over time so long as the direction of
flow does not change. To simplify things, we will assume that voltage is a
constant. For example, we assume that a AA battery provides 1.5V, which
can be described in mathematical terms as:
If we plot this over time, we see a constant voltage:
e. Conductance
Sometimes it is more convenient to consider the amount of current allowed to
flow, rather than the amount of current opposed. In these cases, the term
conductance is used. Conductance is simply the reciprocal of resistance. The
unit of conductance is the mho (ohm spelled backward), and its electrical
symbol is G. The following equations show the relationship between
resistance and conductance (for example, 2 ohms of resistance would equal
0.5 mho of conductance, and vice versa):
f. Power
The amount of energy dissipated (used) in a circuit is called power. Power is
measured in units called watts. Its electrical symbol is P.
2.3 Law’s of Electricity(Gibilisco, 2015)
a. Ohm’s Law
The relationship between Voltage, Current and Resistance in any DC
electrical circuit was firstly discovered by the German physicist Georg Ohm.
Georg Ohm found that, at a constant temperature, the electrical current
flowing through a fixed linear resistance is directly proportional to the voltage
applied across it, and also inversely proportional to the resistance. This
relationship between the Voltage, Current and Resistance forms the basis
of Ohms Law and is shown below.
By knowing any two values of the Voltage, Current or Resistance quantities
we can use Ohms Law to find the third missing value. Ohms Law is used
extensively in electronics formulas and calculations so it is “very important to
understand and accurately remember these formulas”.
To find the Voltage, (V)
[ V = I x R] V (volts) = I (amps) x R (Ω)
To find the Current, (I)
[ I = V ÷ R] I (amps) = V (volts) ÷ R (Ω)
To find the Resistance, (R)
[ R = V ÷ I] R (Ω) = V (volts) ÷ I (amps)
b. Parallel-Circuit Analysis
Resistors are said to be connected together in “Parallel” when both of their
terminals are respectively connected to each terminal of the other resistor or
resistors.
Therefore, for a parallel resistor network this is given as:
Parallel Resistor Equation
c. Series-Circuit Analysis
Resistors are said to be connected in series when they are daisy chained
together in a single line resulting in a common current flowing through them.
Then the amount of current that flows through a set of resistors in series will be the
same at all points in a series resistor network. For example:
As the resistors are connected together in series the same current passes through each
resistor in the chain and the total resistance, RT of the circuit must be equal to the
sum of all the individual resistors added together. That is
d. Series-Parallel Circuit
Before we get too deep into this, we need to mention what a node is. It’s nothing fancy,
just the electrical junction between two or more components. When a circuit is modeled
on a schematic, the nodes are the wires between components.
That’s half the battle towards understanding the difference between series and parallel.
We also need to understand how current flows through a circuit. Current flows from a
high voltage to a lower voltage in a circuit. Some amount of current will flow through
every path it can take to get to the point of lowest voltage (usually called ground). Using
the above circuit as an example, here’s how current would flow as it runs from the
battery’s positive terminal to the negative:
Notice that in some nodes (like between R1 and R2) the current is the same going in as at
is coming out. At other nodes (specifically the three-way junction between R2, R3, and R4)
the main (blue) current splits into two different ones. That’s the key difference between
series and parallel!
From there we can mix and match. In the next picture, we again see three resistors and
a battery. From the positive battery terminal, current first encounters R1. But, at the other
side of R1 the node splits, and current can go to both R2and R3. The current paths
through R2 and R3 are then tied together again, and current goes back to the negative
terminal of the battery.
In this example, R2 and R3 are in parallel with each other, and R1 is in series with the
parallel combination of R2 and R3.
e. Power
Electrical Power, ( P ) in a circuit is the rate at which energy is absorbed or
produced within a circuit. A source of energy such as a voltage will produce
or deliver power while the connected load absorbs it. Light bulbs and heaters
for example, absorb electrical power and convert it into either heat, or light, or
both. The higher their value or rating in watts the more electrical power they
are likely to consume.
The quantity symbol for power is P and is the product of voltage multiplied by
the current with the unit of measurement being the Watt ( W ). Prefixes are
used to denote the various multiples or sub-multiples of a watt, such
as: milliwatts (mW = 10-3W) or kilowatts (kW = 103W).
Then by using Ohm’s law and substituting for the values of V, I and R the
formula for electrical power can be found as:
To find the Power (P)
[ P = V x I ] P (watts) = V (volts) x I (amps)
Also,
[ P = V2 ÷ R ] P (watts) = V2 (volts) ÷ R (Ω)
Also,
[ P = I2 x R ] P (watts) = I2 (amps) x R (Ω)
f. Kirchoff’s Current Law:
Kirchhoffs Current Law or KCL, states that the “total current or charge
entering a junction or node is exactly equal to the charge leaving the node as
it has no other place to go except to leave, as no charge is lost within the
node“. In other words the algebraic sum of ALL the currents entering and
leaving a node must be equal to zero,
I(exiting) + I(entering) = 0. This idea by Kirchhoff is commonly known as
the Conservation of Charge.
g. Kirchoff’s Voltage Law:
Kirchhoffs Voltage Law or KVL, states that “in any closed loop network, the
total voltage around the loop is equal to the sum of all the voltage drops
within the same loop” which is also equal to zero. In other words the
algebraic sum of all voltages within the loop must be equal to zero. This idea
by Kirchhoff is known as the Conservation of Energy.
Common DC Circuit Theory Terms:
 Circuit – a circuit is a closed loop conducting path in which an electrical
current flows.
 Path – a single line of connecting elements or sources.
 Node – a node is a junction, connection or terminal within a circuit were
two or more circuit elements are connected or joined together giving a
connection point between two or more branches. A node is indicated
by a dot.
 Branch – a branch is a single or group of components such as resistors
or a source which are connected between two nodes.
 Loop – a loop is a simple closed path in a circuit in which no circuit
element or node is encountered more than once.
 Mesh – a mesh is a single open loop that does not have a closed path.
There are no components inside a mesh.
2.3 Basic Test Equipment:
2.3.1 Digital Multimeter
The most basic things we measure are voltage and current. A multimeter is
also great for some basic sanity checks and troubleshooting. Is your circuit
not working? Does the switch work? Put a meter on it! The multimeter is your
first defense when troubleshooting a system. In this tutorial we will cover
measuring voltage, current, resistance and continuity.
A multimeter is has three parts:
 Display
 Selection Knob
 Ports
The display usually has four digits and the ability to display a negative sign. A
few multimeters have illuminated displays for better viewing in low light
situations.
The selection knob allows the user to set the multimeter to read different things
such as milliamps (mA) of current, voltage (V) and resistance (Ω).
Two probes are plugged into two of the ports on the front of the
unit. COM stands for common and is almost always connected to Ground or ‘-’ of
a circuit. The COM probe is conventionally black but there is no difference
between the red probe and black probe other than color. 10A is the special port
used when measuring large currents (greater than 200mA). mAVΩ is the port
that the red probe is conventionally plugged in to. This port allows the
measurement of current (up to 200mA), voltage (V), and resistance (Ω). The
probes have a banana type connector on the end that plugs into the multimeter.
Any probe with a banana plug will work with this meter. This allows for
different types of probes to be used.
2.3.2 Oscilloscope
Have you ever found yourself troubleshooting a circuit, needing more
information than a simple multimeter can provide? If you need to uncover
information like frequency, noise, amplitude, or any other characteristic that
might change over time, you need an oscilloscope!
Basics of O-Scopes
The main purpose of an oscilloscope is to graph an electrical signal as it
varies over time. Most scopes produce a two-dimensional graph with time on
the x-axis and voltage on the y-axis.
Controls surrounding the scope’s screen allow you to adjust the scale of the
graph, both vertically and horizontally – allowing you to zoom in and out on a
signal. There are also controls to set the trigger on the scope, which helps
focus and stabilize the display.
In addition to those fundamental features, many scopes have measurement
tools, which help to quickly quantify frequency, amplitude, and other
waveform characteristics. In general a scope can measure both time-based
and voltage-based characteristics:
 Timing characteristics:
o Frequency and period – Frequency is defined as the number of
times per second a waveform repeats. And the period is the
reciprocal of that (number of seconds each repeating waveform
takes). The maximum frequency a scope can measure varies, but it’s
often in the 100’s of MHz (1E6 Hz) range.
o Duty cycle – The percentage of a period that a wave is either
positive or negative (there are both positive and negative duty
cycles). The duty cycle is a ratio that tells you how long a signal is
“on” versus how long it’s “off” each period.
o Rise and fall time – Signals can’t instantaneously go from 0V to 5V,
they have to smoothly rise. The duration of a wave going from a low
point to a high point is called the rise time, and fall time measures the
opposite. These characteristics are important when considering how
fast a circuit can respond to signals.
 Voltage characteristics:
o Amplitude – Amplitude is a measure of the magnitude of a signal.
There are a variety of amplitude measurements including peak-to-
peak amplitude, which measures the absoluted difference between a
high and low voltage point of a signal. Peak amplitude, on the other
hand, only measures how high or low a signal is past 0V.
o Maximum and minimum voltages – The scope can tell you exactly
how high and low the voltage of your signal gets.
o Mean and average voltages – Oscilloscopes can calculate the
average or mean of your signal, and it can also tell you the average
of your signal’s minimum and maximum voltage.
2.4 Hand Tools:
2.4.1 Side Cutter
To cut wires and other cablings.
2.4.2 Nose Plier
Very useful for electronics practical and projects:
2.4.3 Soldering Station
For electronics projects that require a lot of rework and construction, you will
need to use soldering tools frequently. However, even in simple projects, a
soldering station is essential as lot of components don’t come with their pins
attached so, you’ll eventually need to use the soldering iron.
2.4.4 Hot Glue Gun
A hot glue gun is not truly essential in an electronics lab, because that are
very handy to fix things.
2.4.5 Dremel Rotary Tool
To build your own robots, PCBs or whatever, a rotary tool is really useful so
that your final project has a more professional look.
2.4.6 Precision Screwdriver Set:
This is a tool that at some point in your projects, you’ll need. I recommend
one with a set of extension bits because you’ll need all of them sooner or
later.
2.4.7 Tweezers:
Tweezers are very useful to manipulate the small electronics components.
The ones in the picture below have an extremely small and pointed tip,
which is perfect for electronics.
2.4.8 Third hand tool:
Many task are much easier with the help of a third hand tool, such as
soldering, wiring among others. There are lot of hand tools with many
different characteristics, fell free to choose the one that best fits you.
2.4.9 Self-Adjusting wire stripper / cutter:
A wire stripper is essential in an electronics lab. I have a self-adjusting wire
stripper/cutter. All automatic wire strippers should be this easy to use!
With this wire stripper all you have to do is set the strip length, insert a wire,
squeeze the handles, and you’re finished.
2.5 Circuit Boards:
2.5.1 Breadboards:
Temporary, no soldering required
This is a way of making a temporary circuit, for testing purposes or to try out
an idea. No soldering is required and all the components can be re-used
afterwards. It is easy to change connections and replace components.
Almost all the Electronics Club projects started life on a breadboard to check
that the circuit worked as intended.
2.5.2 Stripboards:
Permanent, soldered
Stripboard has parallel strips of copper track on one side. The strips are 0.1"
(2.54mm) apart and there are holes every 0.1" (2.54mm). Stripboard
requires no special preparation other than cutting to size. It can be cut with a
junior hacksaw, or simply snap it along the lines of holes by putting it over
the edge of a bench or table and pushing hard.
2.5.3 Printed Circuit Boards:
Permanent, soldered
Printed circuit boards have copper tracks connecting the holes where the
components are placed. They are designed especially for each circuit and
make construction very easy. However, producing the PCB requires special
equipment so this method is not recommended if you are a beginner unless
the PCB is provided for you.
2.6 Motors:
Industrial motors come in a variety of basic types. These variations are
suitable for many different applications. Naturally, some types of motors are
more suited for certain applications than other motor types are. This
document will hopefully give some guidance in selecting these motors.
2.6.1 AC Motors:
The most common and simple industrial motor is the three phase AC induction
motor, sometimes known as the "squirrel cage" motor. Substantial information
can be found about any motor by checking its (nameplate).
Advantages
 Simple Design
 Low Cost
 Reliable Operation
 Easily Found Replacements
 Variety of Mounting Styles
 Many Different Environmental Enclosures
2.6.2 DC Brush Motors:
The brushed DC motor is one of the earliest motor designs. Today, it is the
motor of choice in the majority of variable speed and torque control applications.
To better understand how one works, let’s start by tearing down a
simple hobby motor. As you can see, they are simple in construction,
comprising of a few key components.
 Brushes - Delivers power from the contacts to the armature through
the commutator
 Contacts - Brings power from the controller to the brushes
 Commutator - Delivers power to the appropriate set of windings as the
armature rotates
 Windings - Converts electricity to a magnetic field that drives the axle
 Axle - Transfers the mechanical power of the motor to the user
application
 Magnets - Provide a magnetic field for the windings to attract and repel
 Bushing - Minimizes friction for the axle
 Can - Provides a mechanical casing for the motor
Advantages
 Easy to understand design
 Easy to control speed
 Easy to control torque
 Simple, cheap drive design.
Disadvantages
 Expensive to produce
 Can't reliably control at lowest speeds
 Physically larger
 High maintenance
 Dust
2.6.3 Brushless DC Motor:
Brushless motors have begun to dominate the hobby markets between aircraft
and ground vehicles. Controlling these motors had been a hurdle up until
microcontrollers became cheap and powerful enough to handle the task. There
is still work being done to develop faster and more efficient controllers to unlock
their amazing potential. Without brushes to fail, these motors deliver more power
and can do so silently. Most high-end appliances and vehicles are moving to
brushless systems.
To better understand how one works, let’s start by tearing down a simple
brushless motor. These are commonly found on remote control airplanes and
helicopters.
 Windings - Converts electricity to a magnetic field that drives the rotor
 Contacts - Brings power from the controller to the windings
 Bearings - Minimizes friction for the axle
 Magnets - Provide a magnetic field for the windings to attract and repel
 Axle - Transfers the mechanical power of the motor to the user application
Pros
 Reliable
 High speed
 Efficient
 Mass produced and easy to find
Cons
 Difficult to control without specialized controller
 Requires low starting loads
 Typically require specialized gearboxes in drive applications
2.6.4 Stepper Motors:
Stepper motors are great motors for position control. They can be found in
desktop printers, plotters, 3d printers, CNC milling machines, and anything else
requiring precise position control. Steppers are a special segment of brushless
motors. They are purposely built for high-holding torque. This high-holding
torque gives the user the ability to incrementally “step” to the next position. This
results in a simple positioning system that doesn’t require an encoder. This
makes stepper motor controllers very simple to build and use.
To better understand how one works, let’s start by tearing down a simple stepper
motor. As you can see, these motors are built for direct drive loads containing a
few key components.
 Axle - Transfers the mechanical power of the motor to the user application
 Bearings - Minimizes friction for the axle
 Magnets - Provide a magnetic field for the windings to attract and repel
 Poles - Increases the resolution of the step distance by focusing the
magnetic field
 Windings - Converts electricity to a magnetic field that drives the axle
 Contacts - Brings power from the controller to the windings
Pros
 Excellent position accuracy
 High holding torque
 High reliability
 Most steppers come in standard size
Cons
 Small step distance limits top speed
 It’s possible to “skip” steps with high loads
 Draws maximum current constantly
2.7 Electronics/Electrical Projects:
2.7.1 Traffic Light:
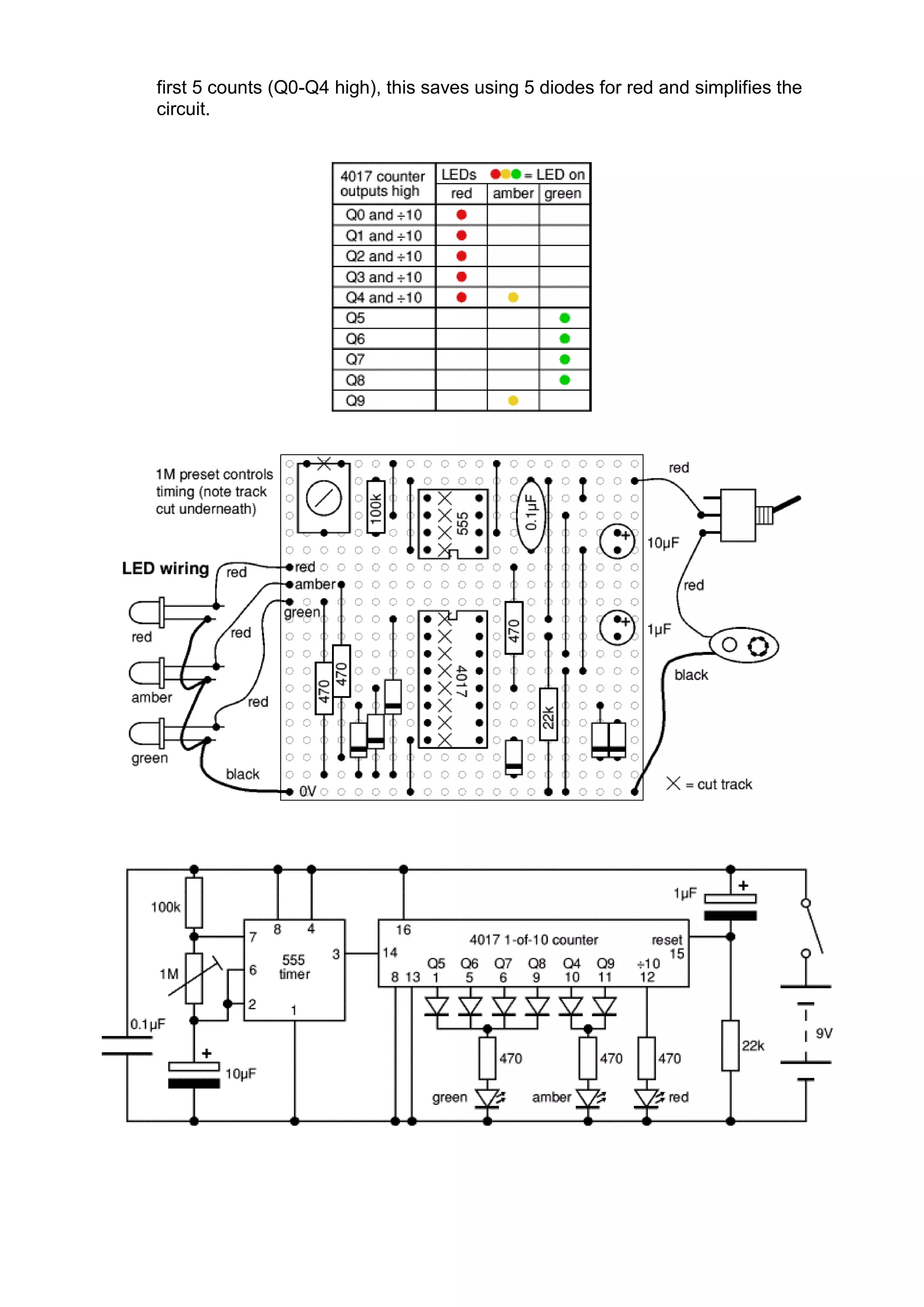
This project operates red, amber and green LEDs in the correct sequence for a
single UK traffic light. The time taken for the complete red - red & amber - green
- amber sequence can be varied from about 7s to about 2½ minutes by adjusting
the 1M preset. Some amber LEDs emit light that is almost red so you may prefer
to use a yellow LED.
The 555 astable circuit provides clock pulses for the 4017 counter which has ten
outputs (Q0 to Q9). Each output becomes high in turn as the clock pulses are
received. Appropriate outputs are combined with diodes to supply the amber and
green LEDs. The red LED is connected to the ÷10 output which is high for the
first 5 counts (Q0-Q4 high), this saves using 5 diodes for red and simplifies the
circuit.
2.7.2 Random Light Flasher:
This project flashes eight LEDs in an apparently random manner. It uses a 4026
combined counter and display driver IC which is designed for driving 7-segment
LED displays. The sequence is not really random because seven of the LEDs
would normally be the display segments, the eighth LED is driven by an output
that is normally used for driving further counters. The table below shows the
sequence for the LEDs. You can use less than eight LEDs if you wish and the
table may help you decide which ones to use for your purpose.
2.8 Personal Protective Equipment (PPE):
(Wheat, 2012)
2.8.1 Safety:
Working safely with electricity is like working safely with a sharp knife, for
example. A good knife is a useful tool. Life would be cumbersome and crude (not
to mention short) without good tools. However, when using any tools it’s
important to understand their proper use and operation. The same goes for
electricity.
The point here is not to be overdramatic about the dangers of electricity. Billions
of people are safely and peacefully coexisting with electricity, largely due to wise
safety rules and well-designed electrical appliances. However, there are three
major ways that you can be harmed when working around electricity, and it is
important that you be aware of them:
 Your body uses tiny amounts of electricity to send nerve impulses to and
from your brain. Sending relatively giant shocks of electricity through your
body is a good way to stop your heart from beating or your lungs from
breathing. You need to keep doing both of those things, so be careful.
 Since your body is not a very good conductor of electricity, it converts the
electrical current into heat, which can produce very damaging burns, both
on the inside and the outside of your body.
 Additionally, many electrically related injuries are sustained while trying to
get away (i.e., your body’s involuntary reflex when exposed to dangerous
voltages).
Yet working safely with electricity is easy. Observe the following rules and you’ll
be relatively safe, both in your lab and outside of it:
 Always assume a circuit is “live.” Electrical devices can retain lethal
voltages even when completely disconnected from power.
 Don’t work with high voltage (more than 36 volts) unless you’re
specifically trained. Reading this book does not mean you’re “specifically
trained,” even if you read it twice.
 Don’t short-circuit batteries (i.e., deliberately connect the positive and
negative terminals together). Even very small batteries can hold
dangerous amounts of power and can produce enough heat to burn you.
Even worse, it can start a fire, which is yet another unpleasant way to die.
 Be careful when using metal (conductive) tools around battery terminals
so that you don’t accidentally short the terminals together or to other
circuitry.
 Don’t assume other people are aware of these dangers.
2.8.2 Soldering:
2.2.3 PPE:
Personal protective equipment (PPE) is clothing and equipment worn by
employees, students, contractors or visitors to protect or shield their bodies from
workplace hazards.
In the hierarchy of controls (elimination, substitution, engineering, administration
and PPE), personal protective equipment is considered the least satisfactory
method in the prevention of work-related injury or illness and is only to be used
when other measures are not feasible or cannot be implemented immediately.
PPE should be used, however, to supplement or augment other means of
hazard control, to further minimise the risk of injury.
Types of Personal Protective Equipment:
PPE can be considered in the following categories, based on the type of
protection afforded by the equipment:
a. Respiratory protection - for example, disposable, cartridge, airline, half or
full face.
b. Eye protection – for example, spectacles/goggles, shields, visors.
c. Hearing protection – for example, ear muffs and plugs.
d. Hand protection – for example, gloves and barrier creams.
e. Foot protection – for example, shoes/boots.
f. Head protection – for example, helmets, caps, hoods, hats.
g. Working from heights - for example, harness and fall arrest devices.
h. Skin protection – for example, hats, sunburn cream, long sleeved clothes.
Other personal protective equipment: This may include PPE for specific tasks
such disposable clothing for working with chemicals, radiation hazards, welding,
painting. Examples include: lead aprons for x-ray protection; sleeve protectors,
aprons, coveralls when using chemicals; leather jackets, trousers and spats for
welding; thermal and cold protective clothing for work near furnaces and cool
rooms.
Management must ensure that:
a. the needs for PPE are assessed by a person who is competent to judge
whether other methods of risk control can offer better protection of safety
and health than the provision of PPE
b. professional advice is obtained, where necessary, to identify the most
suitable types of PPE for the tasks to be carried out
c. training is provided to supervisors and employees to enable them to
ensure the proper selection, fit, use, cleaning and maintenance of PPE
d. supervision and enforcement of the PPE policy is undertaken
e. evaluation of the effectiveness of the PPE program is carried out on a
regular basis
f. suitable PPE is provided for visitors who may be exposed to hazards in
the workplace. At UWA this includes students where appropriate.
Equipment shall be properly cleaned before re-issue
g. all equipment complies with current relevant Australian Standards and
should be stamped or labelled with an AS compliance marking. Existing
PPE shall be re-assessed regularly to ensure compliance.
REFERENCE:
1. Gibilisco, S. (2015). Electronics Workshop Companion for Hobbyists: McGraw-Hill
Education.
2. Tab Electronics Gd. To Understanding. (2005). McGraw-Hill Education (India) Pvt
Limited.
3. Wheat, D. (2012). Building Your Own Electronics Lab: A Guide to Setting Up Your
Own Gadget Workshop: Apress.
4. http://dlb.sa.edu.au
5. https://learn.sparkfun.com

Basic Electronics for Engineers (Tutorial)

  • 1.
    Tutorial: 3 Engr.Hassan Mehmood Khan Introduction to Electronics and Electrical By Hassan Mehmood Khan Date 4/5/2017 1. Introduction: This tutorial is for Engineers Beginner Level to understand about basic concepts and especially the components, tools and devices. I am very thankful to all my reference books and websites. I have just tried to compile the information for the readers. 2. Components(Tab Electronics Gd. To Understanding, 2005): 2.1 Electronics Components: a. Resistors A resistor, as the name implies, resists (or opposes) current flow. As you will soon discover, the characteristic of opposing current flow can be used for many purposes. Hence, resistors are the most common discrete components found in electronic equipment (the term discrete is used in electronics to mean nonintegrated, or standing alone). Resistors can be divided into two broad categories: fixed and adjustable. Fixed resistors are by far the most common. Adjustable resistors are called potentiometers or rheostats.
  • 2.
    b. Potentiometers, Rheostats,and Resistive Devices: Technically speaking, a potentiometer is a three-lead continuously variable resistive device. In contrast, a rheostat is a two-lead continuously variable resistor. Unfortunately, these two terms are often confused with each other, even by many professionals in the field. A few good examples of potentiometers can be found in the typical consumer electronic products around the home. Controls labeled as “volume”, “level,” “balance,” “bass,” “treble,” and “loudness” are almost always potentiometers. c. Capacitors Capacitors are manufactured in a variety of shapes and sizes. In most cases, they are either flat, disk shaped components; or they are tubular in shape. They vary in size from almost microscopic to about the same diameter, and twice the height, of a large coffee cup. Capacitors are two-lead devices, sometimes resembling fixed resistors without the color bands. Virtually all tube-shaped capacitors will have a capacitance value and a voltage rating marked on the body. Identification of this type is easy. The small disk- or rectangle-shaped capacitors will usually be marked with the following code (where uF=microfarad):
  • 3.
    d. Diodes: Diodes aretwo-lead semiconductor devices with tubular bodies similar to fixed resistors. Their bodies are usually either black or clear, with a single- colored band close to one end. Diode bridges are actually four diodes encased in square or round housings. They have four leads, or connection terminals, two of which will be marked with a horizontal S symbol (sine-wave symbol), one will be marked “_” and the other “_.” Several types of diodes and a diode bridge are illustrated in Fig. Special types of diodes, called LEDs (the abbreviation for light-emitting diodes), are designed to produce light, and are used for indicators and displays. They are manufactured in a variety of shapes, sizes, and colors,
  • 4.
    making them attractivein appearance. Figure 2-5b illustrates a sampling of common LEDs. A specific type of LED configuration, called “seven-segment” LEDs, are used for displaying numbers and alphanumeric symbols. The front of their display surface is arranged in a block “8” pattern. e. Inductors: Inductors are broken down into two main classifications: transformers and chokes (or coils). Transformers designed for power conversion applications, called power transformers or filament transformers, are usually heavy, block shaped components consisting of two or more coils of wire wound around rectangular wafers of iron. Most of these types of transformers are intended to be mounted on a sturdy chassis because of their weight, but some newer types of split-bobbin power transformers are designed for printed circuit board mounting.
  • 5.
    f. Transistors: Transistors arethree-lead semiconductor devices manufactured in a variety of shapes and sizes to accommodate such design parameters as power dissipation, breakdown voltages, and cost. A good sampling of transistor shapes and styles is illustrated in Fig. Some power transistors have an oval-shaped body with two mounting holes on either side (this is called a TO-3 or TO-5 case style). At first glance, it appears to only have two leads, but the body itself is the third (collector) lead. g. Integrated Circuits Integrated circuits, or ICs, are multicomponent semiconductor devices. A single IC might contain thousands of individual components manufactured through a series of special processes. They have multiple leads, called pins, which can vary in number from 8 to 40. ICs can be soldered directly into printed circuit boards, or plugged into specially designed IC sockets. h. Symbols
  • 6.
    2.2 Characteristics ofElectricity: a. Voltage We define voltage as the amount of potential energy between two points on a circuit. One point has more charge than another. This difference in charge between the two points is called voltage. It is measured in volts, which, technically, is the potential energy difference between two points that will impart one joule of energy per coulomb of charge that passes through it (don’t panic if this makes no sense, all will be explained). The unit “volt” is named after the Italian physicist Alessandro Volta who invented what is
  • 7.
    considered the firstchemical battery. Voltage is represented in equations and schematics by the letter “V”. When describing voltage, current, and resistance, a common analogy is a water tank. In this analogy, charge is represented by the water amount, voltage is represented by the water pressure, and current is represented by the water flow. So for this analogy, remember:  Water = Charge  Pressure = Voltage  Flow = Current Consider a water tank at a certain height above the ground. At the bottom of this tank there is a hose. The pressure at the end of the hose can represent voltage. The water in the tank represents charge. The more water in the tank, the higher the charge, the more pressure is measured at the end of the hose. We can think of this tank as a battery, a place where we store a certain amount of energy and then release it. If we drain our tank a certain amount, the pressure created at the end of the hose goes down. We can think of this as decreasing voltage, like when a flashlight gets dimmer as the batteries run down. There is also a decrease in the amount of water that will flow through the hose. Less pressure means less water is flowing, which brings us to current. b. Current We can think of the amount of water flowing through the hose from the tank as current. The higher the pressure, the higher the flow, and vice-versa. With water, we would measure the volume of the water flowing through the hose over a certain period of time. With electricity, we measure the amount of charge flowing through the circuit over a period of time. Current is measured in Amperes (usually just referred to as “Amps”). An ampere is defined as 6.241*1018electrons (1 Coulomb) per second passing through a point in a circuit. Amps are represented in equations by the letter “I”.
  • 8.
    Let’s say nowthat we have two tanks, each with a hose coming from the bottom. Each tank has the exact same amount of water, but the hose on one tank is narrower than the hose on the other. We measure the same amount of pressure at the end of either hose, but when the water begins to flow, the flow rate of the water in the tank with the narrower hose will be less than the flow rate of the water in the tank with the wider hose. In electrical terms, the current through the narrower hose is less than the current through the wider hose. If we want the flow to be the same through both hoses, we have to increase the amount of water (charge) in the tank with the narrower hose. This increases the pressure (voltage) at the end of the narrower hose, pushing more water through the tank. This is analogous to an increase in voltage that causes an increase in current. Now we’re starting to see the relationship between voltage and current. But there is a third factor to be considered here: the width of the hose. In this analogy, the width of the hose is the resistance. This means we need to add another term to our model:  Water = Charge (measured in Coulombs)  Pressure = Voltage (measured in Volts)  Flow = Current (measured in Amperes, or “Amps” for short)
  • 9.
     Hose Width= Resistance c. Resistance Consider again our two water tanks, one with a narrow pipe and one with a wide pipe. It stands to reason that we can’t fit as much volume through a narrow pipe than a wider one at the same pressure. This is resistance. The narrow pipe “resists” the flow of water through it even though the water is at the same pressure as the tank with the wider pipe. In electrical terms, this is represented by two circuits with equal voltages and different resistances. The circuit with the higher resistance will allow less charge to flow, meaning the circuit with higher resistance has less current flowing through it. This brings us back to Georg Ohm. Ohm defines the unit of resistance of “1 Ohm” as the resistance between two points in a conductor where the application of 1 volt will push 1 ampere, or 6.241×1018 electrons. This value is usually represented in schematics with the greek letter “Ω”, which is called omega, and pronounced “ohm”.
  • 10.
    d. AC andDC Alternating current describes the flow of charge that changes direction periodically. As a result, the voltage level also reverses along with the current. AC is used to deliver power to houses, office buildings, etc. Generating AC AC can be produced using a device called an alternator. This device is a special type of electrical generator designed to produce alternating current. A loop of wire is spun inside of a magnetic field, which induces a current along the wire. The rotation of the wire can come from any number of means: a wind turbine, a steam turbine, flowing water, and so on. Because the wire spins and enters a different magnetic polarity periodically, the voltage and current alternates on the wire.
  • 11.
    AC can comein a number of forms, as long as the voltage and current are alternating. If we hook up an oscilloscope to a circuit with AC and plot its voltage over time, we might see a number of different waveforms. The most common type of AC is the sine wave. The AC in most homes and offices have an oscillating voltage that produces a sine wave. Direct current is a bit easier to understand than alternating current. Rather than oscillating back and forth, DC provides a constant voltage or current. Generating DC DC can be generated in a number of ways:  An AC generator equipped with a device called a “commutator” can produce direct current
  • 12.
     Use ofa device called a “rectifier” that converts AC to DC  Batteries provide DC, which is generated from a chemical reaction inside of the battery Using our water analogy again, DC is similar to a tank of water with a hose at the end. The tank can only push water one way: out the hose. Similar to our DC- producing battery, once the tank is empty, water no longer flows through the pipes. Describing DC DC is defined as the “unidirectional” flow of current; current only flows in one direction. Voltage and current can vary over time so long as the direction of flow does not change. To simplify things, we will assume that voltage is a constant. For example, we assume that a AA battery provides 1.5V, which can be described in mathematical terms as: If we plot this over time, we see a constant voltage: e. Conductance
  • 13.
    Sometimes it ismore convenient to consider the amount of current allowed to flow, rather than the amount of current opposed. In these cases, the term conductance is used. Conductance is simply the reciprocal of resistance. The unit of conductance is the mho (ohm spelled backward), and its electrical symbol is G. The following equations show the relationship between resistance and conductance (for example, 2 ohms of resistance would equal 0.5 mho of conductance, and vice versa): f. Power The amount of energy dissipated (used) in a circuit is called power. Power is measured in units called watts. Its electrical symbol is P. 2.3 Law’s of Electricity(Gibilisco, 2015) a. Ohm’s Law The relationship between Voltage, Current and Resistance in any DC electrical circuit was firstly discovered by the German physicist Georg Ohm. Georg Ohm found that, at a constant temperature, the electrical current flowing through a fixed linear resistance is directly proportional to the voltage applied across it, and also inversely proportional to the resistance. This relationship between the Voltage, Current and Resistance forms the basis of Ohms Law and is shown below. By knowing any two values of the Voltage, Current or Resistance quantities we can use Ohms Law to find the third missing value. Ohms Law is used extensively in electronics formulas and calculations so it is “very important to understand and accurately remember these formulas”. To find the Voltage, (V)
  • 14.
    [ V =I x R] V (volts) = I (amps) x R (Ω) To find the Current, (I) [ I = V ÷ R] I (amps) = V (volts) ÷ R (Ω) To find the Resistance, (R) [ R = V ÷ I] R (Ω) = V (volts) ÷ I (amps) b. Parallel-Circuit Analysis Resistors are said to be connected together in “Parallel” when both of their terminals are respectively connected to each terminal of the other resistor or resistors. Therefore, for a parallel resistor network this is given as: Parallel Resistor Equation
  • 15.
    c. Series-Circuit Analysis Resistorsare said to be connected in series when they are daisy chained together in a single line resulting in a common current flowing through them. Then the amount of current that flows through a set of resistors in series will be the same at all points in a series resistor network. For example: As the resistors are connected together in series the same current passes through each resistor in the chain and the total resistance, RT of the circuit must be equal to the sum of all the individual resistors added together. That is
  • 16.
    d. Series-Parallel Circuit Beforewe get too deep into this, we need to mention what a node is. It’s nothing fancy, just the electrical junction between two or more components. When a circuit is modeled on a schematic, the nodes are the wires between components. That’s half the battle towards understanding the difference between series and parallel. We also need to understand how current flows through a circuit. Current flows from a high voltage to a lower voltage in a circuit. Some amount of current will flow through every path it can take to get to the point of lowest voltage (usually called ground). Using the above circuit as an example, here’s how current would flow as it runs from the battery’s positive terminal to the negative: Notice that in some nodes (like between R1 and R2) the current is the same going in as at is coming out. At other nodes (specifically the three-way junction between R2, R3, and R4) the main (blue) current splits into two different ones. That’s the key difference between series and parallel! From there we can mix and match. In the next picture, we again see three resistors and a battery. From the positive battery terminal, current first encounters R1. But, at the other side of R1 the node splits, and current can go to both R2and R3. The current paths through R2 and R3 are then tied together again, and current goes back to the negative terminal of the battery. In this example, R2 and R3 are in parallel with each other, and R1 is in series with the parallel combination of R2 and R3.
  • 17.
    e. Power Electrical Power,( P ) in a circuit is the rate at which energy is absorbed or produced within a circuit. A source of energy such as a voltage will produce or deliver power while the connected load absorbs it. Light bulbs and heaters for example, absorb electrical power and convert it into either heat, or light, or both. The higher their value or rating in watts the more electrical power they are likely to consume. The quantity symbol for power is P and is the product of voltage multiplied by the current with the unit of measurement being the Watt ( W ). Prefixes are used to denote the various multiples or sub-multiples of a watt, such as: milliwatts (mW = 10-3W) or kilowatts (kW = 103W). Then by using Ohm’s law and substituting for the values of V, I and R the formula for electrical power can be found as: To find the Power (P) [ P = V x I ] P (watts) = V (volts) x I (amps) Also, [ P = V2 ÷ R ] P (watts) = V2 (volts) ÷ R (Ω) Also, [ P = I2 x R ] P (watts) = I2 (amps) x R (Ω) f. Kirchoff’s Current Law: Kirchhoffs Current Law or KCL, states that the “total current or charge entering a junction or node is exactly equal to the charge leaving the node as it has no other place to go except to leave, as no charge is lost within the node“. In other words the algebraic sum of ALL the currents entering and leaving a node must be equal to zero, I(exiting) + I(entering) = 0. This idea by Kirchhoff is commonly known as the Conservation of Charge. g. Kirchoff’s Voltage Law: Kirchhoffs Voltage Law or KVL, states that “in any closed loop network, the total voltage around the loop is equal to the sum of all the voltage drops within the same loop” which is also equal to zero. In other words the algebraic sum of all voltages within the loop must be equal to zero. This idea by Kirchhoff is known as the Conservation of Energy.
  • 18.
    Common DC CircuitTheory Terms:  Circuit – a circuit is a closed loop conducting path in which an electrical current flows.  Path – a single line of connecting elements or sources.  Node – a node is a junction, connection or terminal within a circuit were two or more circuit elements are connected or joined together giving a connection point between two or more branches. A node is indicated by a dot.  Branch – a branch is a single or group of components such as resistors or a source which are connected between two nodes.  Loop – a loop is a simple closed path in a circuit in which no circuit element or node is encountered more than once.  Mesh – a mesh is a single open loop that does not have a closed path. There are no components inside a mesh.
  • 19.
    2.3 Basic TestEquipment: 2.3.1 Digital Multimeter The most basic things we measure are voltage and current. A multimeter is also great for some basic sanity checks and troubleshooting. Is your circuit not working? Does the switch work? Put a meter on it! The multimeter is your first defense when troubleshooting a system. In this tutorial we will cover measuring voltage, current, resistance and continuity. A multimeter is has three parts:  Display  Selection Knob  Ports The display usually has four digits and the ability to display a negative sign. A few multimeters have illuminated displays for better viewing in low light situations. The selection knob allows the user to set the multimeter to read different things such as milliamps (mA) of current, voltage (V) and resistance (Ω). Two probes are plugged into two of the ports on the front of the unit. COM stands for common and is almost always connected to Ground or ‘-’ of a circuit. The COM probe is conventionally black but there is no difference between the red probe and black probe other than color. 10A is the special port used when measuring large currents (greater than 200mA). mAVΩ is the port that the red probe is conventionally plugged in to. This port allows the measurement of current (up to 200mA), voltage (V), and resistance (Ω). The probes have a banana type connector on the end that plugs into the multimeter. Any probe with a banana plug will work with this meter. This allows for different types of probes to be used.
  • 20.
    2.3.2 Oscilloscope Have youever found yourself troubleshooting a circuit, needing more information than a simple multimeter can provide? If you need to uncover information like frequency, noise, amplitude, or any other characteristic that might change over time, you need an oscilloscope! Basics of O-Scopes The main purpose of an oscilloscope is to graph an electrical signal as it varies over time. Most scopes produce a two-dimensional graph with time on the x-axis and voltage on the y-axis. Controls surrounding the scope’s screen allow you to adjust the scale of the graph, both vertically and horizontally – allowing you to zoom in and out on a signal. There are also controls to set the trigger on the scope, which helps focus and stabilize the display. In addition to those fundamental features, many scopes have measurement tools, which help to quickly quantify frequency, amplitude, and other waveform characteristics. In general a scope can measure both time-based and voltage-based characteristics:
  • 21.
     Timing characteristics: oFrequency and period – Frequency is defined as the number of times per second a waveform repeats. And the period is the reciprocal of that (number of seconds each repeating waveform takes). The maximum frequency a scope can measure varies, but it’s often in the 100’s of MHz (1E6 Hz) range. o Duty cycle – The percentage of a period that a wave is either positive or negative (there are both positive and negative duty cycles). The duty cycle is a ratio that tells you how long a signal is “on” versus how long it’s “off” each period. o Rise and fall time – Signals can’t instantaneously go from 0V to 5V, they have to smoothly rise. The duration of a wave going from a low point to a high point is called the rise time, and fall time measures the opposite. These characteristics are important when considering how fast a circuit can respond to signals.  Voltage characteristics: o Amplitude – Amplitude is a measure of the magnitude of a signal. There are a variety of amplitude measurements including peak-to- peak amplitude, which measures the absoluted difference between a high and low voltage point of a signal. Peak amplitude, on the other hand, only measures how high or low a signal is past 0V. o Maximum and minimum voltages – The scope can tell you exactly how high and low the voltage of your signal gets. o Mean and average voltages – Oscilloscopes can calculate the average or mean of your signal, and it can also tell you the average of your signal’s minimum and maximum voltage. 2.4 Hand Tools: 2.4.1 Side Cutter To cut wires and other cablings. 2.4.2 Nose Plier Very useful for electronics practical and projects:
  • 22.
    2.4.3 Soldering Station Forelectronics projects that require a lot of rework and construction, you will need to use soldering tools frequently. However, even in simple projects, a soldering station is essential as lot of components don’t come with their pins attached so, you’ll eventually need to use the soldering iron. 2.4.4 Hot Glue Gun A hot glue gun is not truly essential in an electronics lab, because that are very handy to fix things. 2.4.5 Dremel Rotary Tool To build your own robots, PCBs or whatever, a rotary tool is really useful so that your final project has a more professional look.
  • 23.
    2.4.6 Precision ScrewdriverSet: This is a tool that at some point in your projects, you’ll need. I recommend one with a set of extension bits because you’ll need all of them sooner or later. 2.4.7 Tweezers: Tweezers are very useful to manipulate the small electronics components. The ones in the picture below have an extremely small and pointed tip, which is perfect for electronics. 2.4.8 Third hand tool: Many task are much easier with the help of a third hand tool, such as soldering, wiring among others. There are lot of hand tools with many different characteristics, fell free to choose the one that best fits you. 2.4.9 Self-Adjusting wire stripper / cutter: A wire stripper is essential in an electronics lab. I have a self-adjusting wire stripper/cutter. All automatic wire strippers should be this easy to use!
  • 24.
    With this wirestripper all you have to do is set the strip length, insert a wire, squeeze the handles, and you’re finished. 2.5 Circuit Boards: 2.5.1 Breadboards: Temporary, no soldering required This is a way of making a temporary circuit, for testing purposes or to try out an idea. No soldering is required and all the components can be re-used afterwards. It is easy to change connections and replace components. Almost all the Electronics Club projects started life on a breadboard to check that the circuit worked as intended. 2.5.2 Stripboards: Permanent, soldered Stripboard has parallel strips of copper track on one side. The strips are 0.1" (2.54mm) apart and there are holes every 0.1" (2.54mm). Stripboard requires no special preparation other than cutting to size. It can be cut with a junior hacksaw, or simply snap it along the lines of holes by putting it over the edge of a bench or table and pushing hard.
  • 25.
    2.5.3 Printed CircuitBoards: Permanent, soldered Printed circuit boards have copper tracks connecting the holes where the components are placed. They are designed especially for each circuit and make construction very easy. However, producing the PCB requires special equipment so this method is not recommended if you are a beginner unless the PCB is provided for you.
  • 26.
    2.6 Motors: Industrial motorscome in a variety of basic types. These variations are suitable for many different applications. Naturally, some types of motors are more suited for certain applications than other motor types are. This document will hopefully give some guidance in selecting these motors. 2.6.1 AC Motors: The most common and simple industrial motor is the three phase AC induction motor, sometimes known as the "squirrel cage" motor. Substantial information can be found about any motor by checking its (nameplate). Advantages  Simple Design  Low Cost  Reliable Operation  Easily Found Replacements  Variety of Mounting Styles  Many Different Environmental Enclosures 2.6.2 DC Brush Motors: The brushed DC motor is one of the earliest motor designs. Today, it is the motor of choice in the majority of variable speed and torque control applications. To better understand how one works, let’s start by tearing down a simple hobby motor. As you can see, they are simple in construction, comprising of a few key components.
  • 27.
     Brushes -Delivers power from the contacts to the armature through the commutator  Contacts - Brings power from the controller to the brushes  Commutator - Delivers power to the appropriate set of windings as the armature rotates  Windings - Converts electricity to a magnetic field that drives the axle  Axle - Transfers the mechanical power of the motor to the user application  Magnets - Provide a magnetic field for the windings to attract and repel  Bushing - Minimizes friction for the axle  Can - Provides a mechanical casing for the motor Advantages  Easy to understand design  Easy to control speed  Easy to control torque  Simple, cheap drive design. Disadvantages  Expensive to produce  Can't reliably control at lowest speeds  Physically larger  High maintenance  Dust
  • 28.
    2.6.3 Brushless DCMotor: Brushless motors have begun to dominate the hobby markets between aircraft and ground vehicles. Controlling these motors had been a hurdle up until microcontrollers became cheap and powerful enough to handle the task. There is still work being done to develop faster and more efficient controllers to unlock their amazing potential. Without brushes to fail, these motors deliver more power and can do so silently. Most high-end appliances and vehicles are moving to brushless systems. To better understand how one works, let’s start by tearing down a simple brushless motor. These are commonly found on remote control airplanes and helicopters.
  • 29.
     Windings -Converts electricity to a magnetic field that drives the rotor  Contacts - Brings power from the controller to the windings  Bearings - Minimizes friction for the axle  Magnets - Provide a magnetic field for the windings to attract and repel  Axle - Transfers the mechanical power of the motor to the user application Pros  Reliable  High speed  Efficient  Mass produced and easy to find Cons  Difficult to control without specialized controller  Requires low starting loads  Typically require specialized gearboxes in drive applications 2.6.4 Stepper Motors: Stepper motors are great motors for position control. They can be found in desktop printers, plotters, 3d printers, CNC milling machines, and anything else requiring precise position control. Steppers are a special segment of brushless motors. They are purposely built for high-holding torque. This high-holding torque gives the user the ability to incrementally “step” to the next position. This results in a simple positioning system that doesn’t require an encoder. This makes stepper motor controllers very simple to build and use.
  • 30.
    To better understandhow one works, let’s start by tearing down a simple stepper motor. As you can see, these motors are built for direct drive loads containing a few key components.  Axle - Transfers the mechanical power of the motor to the user application  Bearings - Minimizes friction for the axle  Magnets - Provide a magnetic field for the windings to attract and repel  Poles - Increases the resolution of the step distance by focusing the magnetic field  Windings - Converts electricity to a magnetic field that drives the axle  Contacts - Brings power from the controller to the windings Pros  Excellent position accuracy  High holding torque  High reliability  Most steppers come in standard size Cons  Small step distance limits top speed  It’s possible to “skip” steps with high loads  Draws maximum current constantly 2.7 Electronics/Electrical Projects: 2.7.1 Traffic Light: This project operates red, amber and green LEDs in the correct sequence for a single UK traffic light. The time taken for the complete red - red & amber - green - amber sequence can be varied from about 7s to about 2½ minutes by adjusting the 1M preset. Some amber LEDs emit light that is almost red so you may prefer to use a yellow LED. The 555 astable circuit provides clock pulses for the 4017 counter which has ten outputs (Q0 to Q9). Each output becomes high in turn as the clock pulses are received. Appropriate outputs are combined with diodes to supply the amber and green LEDs. The red LED is connected to the ÷10 output which is high for the
  • 31.
    first 5 counts(Q0-Q4 high), this saves using 5 diodes for red and simplifies the circuit.
  • 32.
    2.7.2 Random LightFlasher: This project flashes eight LEDs in an apparently random manner. It uses a 4026 combined counter and display driver IC which is designed for driving 7-segment LED displays. The sequence is not really random because seven of the LEDs would normally be the display segments, the eighth LED is driven by an output that is normally used for driving further counters. The table below shows the sequence for the LEDs. You can use less than eight LEDs if you wish and the table may help you decide which ones to use for your purpose.
  • 33.
    2.8 Personal ProtectiveEquipment (PPE): (Wheat, 2012) 2.8.1 Safety: Working safely with electricity is like working safely with a sharp knife, for example. A good knife is a useful tool. Life would be cumbersome and crude (not to mention short) without good tools. However, when using any tools it’s important to understand their proper use and operation. The same goes for electricity. The point here is not to be overdramatic about the dangers of electricity. Billions of people are safely and peacefully coexisting with electricity, largely due to wise safety rules and well-designed electrical appliances. However, there are three major ways that you can be harmed when working around electricity, and it is important that you be aware of them:  Your body uses tiny amounts of electricity to send nerve impulses to and from your brain. Sending relatively giant shocks of electricity through your body is a good way to stop your heart from beating or your lungs from breathing. You need to keep doing both of those things, so be careful.  Since your body is not a very good conductor of electricity, it converts the electrical current into heat, which can produce very damaging burns, both on the inside and the outside of your body.  Additionally, many electrically related injuries are sustained while trying to get away (i.e., your body’s involuntary reflex when exposed to dangerous voltages). Yet working safely with electricity is easy. Observe the following rules and you’ll be relatively safe, both in your lab and outside of it:  Always assume a circuit is “live.” Electrical devices can retain lethal voltages even when completely disconnected from power.  Don’t work with high voltage (more than 36 volts) unless you’re specifically trained. Reading this book does not mean you’re “specifically trained,” even if you read it twice.  Don’t short-circuit batteries (i.e., deliberately connect the positive and negative terminals together). Even very small batteries can hold dangerous amounts of power and can produce enough heat to burn you. Even worse, it can start a fire, which is yet another unpleasant way to die.  Be careful when using metal (conductive) tools around battery terminals so that you don’t accidentally short the terminals together or to other circuitry.  Don’t assume other people are aware of these dangers.
  • 34.
    2.8.2 Soldering: 2.2.3 PPE: Personalprotective equipment (PPE) is clothing and equipment worn by employees, students, contractors or visitors to protect or shield their bodies from workplace hazards. In the hierarchy of controls (elimination, substitution, engineering, administration and PPE), personal protective equipment is considered the least satisfactory method in the prevention of work-related injury or illness and is only to be used when other measures are not feasible or cannot be implemented immediately. PPE should be used, however, to supplement or augment other means of hazard control, to further minimise the risk of injury.
  • 35.
    Types of PersonalProtective Equipment: PPE can be considered in the following categories, based on the type of protection afforded by the equipment: a. Respiratory protection - for example, disposable, cartridge, airline, half or full face. b. Eye protection – for example, spectacles/goggles, shields, visors. c. Hearing protection – for example, ear muffs and plugs. d. Hand protection – for example, gloves and barrier creams. e. Foot protection – for example, shoes/boots. f. Head protection – for example, helmets, caps, hoods, hats. g. Working from heights - for example, harness and fall arrest devices. h. Skin protection – for example, hats, sunburn cream, long sleeved clothes. Other personal protective equipment: This may include PPE for specific tasks such disposable clothing for working with chemicals, radiation hazards, welding, painting. Examples include: lead aprons for x-ray protection; sleeve protectors, aprons, coveralls when using chemicals; leather jackets, trousers and spats for welding; thermal and cold protective clothing for work near furnaces and cool rooms. Management must ensure that: a. the needs for PPE are assessed by a person who is competent to judge whether other methods of risk control can offer better protection of safety and health than the provision of PPE b. professional advice is obtained, where necessary, to identify the most suitable types of PPE for the tasks to be carried out c. training is provided to supervisors and employees to enable them to ensure the proper selection, fit, use, cleaning and maintenance of PPE d. supervision and enforcement of the PPE policy is undertaken
  • 36.
    e. evaluation ofthe effectiveness of the PPE program is carried out on a regular basis f. suitable PPE is provided for visitors who may be exposed to hazards in the workplace. At UWA this includes students where appropriate. Equipment shall be properly cleaned before re-issue g. all equipment complies with current relevant Australian Standards and should be stamped or labelled with an AS compliance marking. Existing PPE shall be re-assessed regularly to ensure compliance. REFERENCE: 1. Gibilisco, S. (2015). Electronics Workshop Companion for Hobbyists: McGraw-Hill Education. 2. Tab Electronics Gd. To Understanding. (2005). McGraw-Hill Education (India) Pvt Limited. 3. Wheat, D. (2012). Building Your Own Electronics Lab: A Guide to Setting Up Your Own Gadget Workshop: Apress. 4. http://dlb.sa.edu.au 5. https://learn.sparkfun.com