UNIVERSITY OF RIZAL
SYSTEM
CAINTA CAMPUS
TLE - AUTOMOTIVE
THE
STARTING
SYSTEM
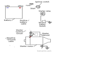
The starting system
includes the battery, starter motor,
solenoid, ignition switch, and in some cases, a
starter relay.
An inhibitor (neutral safety) switch is
included in the starting system circuit to
prevent the vehicle from being started while in
gear.
BATTERY
An electrochemical device for storing
energy in chemical form so that it can be
released as electricity for cranking the engine
and powering the electrical load. Also a group of
electric cels connected together.
STARTING MOTOR
A small, powerful electric motor that
converts electrical energy from the battery
into mechanical energy to spin the
crankshaft and start the engine.
 Starter motor
 A starter is an electric motor that turns over or
"cranks" the engine to start it.
A starter consists of the very powerful DC electric
motor and the starter solenoid that is usually
attached to the motor
 Inside, a typical starter motor has the electric
windings (coils) attached to the starter motor housing
and the armature (the rotating part) that is
connected through the carbon brushes in series with
the windings.
 On the front end of the armature, there is a small gear
that attached to the armature through an overrunning
clutch. This part is commonly known as the Bendix.
SOLENOID
An electromechanical device which, when
connected to an electrical source such as a
battery, produces a mechanical movement.
 The starter solenoid works as a powerful electric relay -
when activated, it closes the electric circuit and sends
the battery power to the starter motor.
 At the same, the starter solenoid pushes the starter
gear forward to mesh with the engine flywheel.
 A typical starter solenoid has one small connector for
the control wire and two large terminals: one for the
positive battery cable and the other for the starter
motor.
IGNITION SWITCH
The key-operated main power switch that opens
and closes the circuit that supplies current
to the ignition and other electrical systems.
INHIBITOR (NEUTRAL SAFETY)
*NEUTRAL-START SWITCH
A switch wired into the ignition switch to prevent engine
cranking unless the transmission shift lever is in NEUTRAL.
STARTER RELAY
*RELAY =
An electrical device that opens or closes a
circuit in response to a voltage signal.
Battery cables
A starter motor requires
a very high current to crank
the engine, that's why it's
connected to the battery with
thick (large gauge) cables.
The negative (ground)
cable connects the "-" battery
terminal to the engine
cylinder block close to the
starter.
The positive cable connects
the "+" battery terminal to the
starter .solenoid.
 To start the automobile engine, the crankshaft must
turn fast enough for air-fuel mixture to enter the
cylinders.
 An electric starter or starting motor does this job.
 It converts electrical energy from the battery into
mechanical energy that rotates the crankshaft.
 The starting system
has 2 separated but related circuits
1. Low-current control circuit
2. High-current motor circuit
both operate on battery voltage.
1. Low-current control circuit (thin arrows)
2. High-current motor circuit (thick arrows)
both operate on battery voltage.
*When the driver turns the ignition key to START,
the CONTROL CIRCUIT causes heavy contacts to
close in a starter relay or solenoid switch.
*High current then flows from the battery insulated
Cable through these contacts to the starting motor.
 A gear on the starting motor shaft moves into mesh
with the ring gear around the engine flywheel or drive
plate.
 As the starting-motor shaft turns, it spins the
crankshaft fast enough to start the engine.
STARTING-
SYSTEM
TROUBLE
DIAGNOSIS
3 BASIC STARTING SYSTEM TROUBLES
1.) The engine does not crank.
 2.) The engine cranks slowly
 but does not start.
 3.) The engine cranks normally but does not start.
 (not caused by starting sys.)
 *problem “fuel or ignition sys./engine”
 OTHER COMPLAINTS
Relay/solenoid-chattering
 Slow disengagement of the pinion from the ring
gear.
Automotive starting system.
Automotive starting system.

Automotive starting system.

  • 1.
    UNIVERSITY OF RIZAL SYSTEM CAINTACAMPUS TLE - AUTOMOTIVE THE STARTING SYSTEM
  • 2.
    The starting system includesthe battery, starter motor, solenoid, ignition switch, and in some cases, a starter relay. An inhibitor (neutral safety) switch is included in the starting system circuit to prevent the vehicle from being started while in gear.
  • 3.
    BATTERY An electrochemical devicefor storing energy in chemical form so that it can be released as electricity for cranking the engine and powering the electrical load. Also a group of electric cels connected together.
  • 4.
    STARTING MOTOR A small,powerful electric motor that converts electrical energy from the battery into mechanical energy to spin the crankshaft and start the engine.
  • 5.
     Starter motor A starter is an electric motor that turns over or "cranks" the engine to start it. A starter consists of the very powerful DC electric motor and the starter solenoid that is usually attached to the motor  Inside, a typical starter motor has the electric windings (coils) attached to the starter motor housing and the armature (the rotating part) that is connected through the carbon brushes in series with the windings.  On the front end of the armature, there is a small gear that attached to the armature through an overrunning clutch. This part is commonly known as the Bendix.
  • 6.
    SOLENOID An electromechanical devicewhich, when connected to an electrical source such as a battery, produces a mechanical movement.
  • 7.
     The startersolenoid works as a powerful electric relay - when activated, it closes the electric circuit and sends the battery power to the starter motor.  At the same, the starter solenoid pushes the starter gear forward to mesh with the engine flywheel.  A typical starter solenoid has one small connector for the control wire and two large terminals: one for the positive battery cable and the other for the starter motor.
  • 8.
    IGNITION SWITCH The key-operatedmain power switch that opens and closes the circuit that supplies current to the ignition and other electrical systems.
  • 9.
    INHIBITOR (NEUTRAL SAFETY) *NEUTRAL-STARTSWITCH A switch wired into the ignition switch to prevent engine cranking unless the transmission shift lever is in NEUTRAL.
  • 10.
    STARTER RELAY *RELAY = Anelectrical device that opens or closes a circuit in response to a voltage signal.
  • 11.
    Battery cables A startermotor requires a very high current to crank the engine, that's why it's connected to the battery with thick (large gauge) cables. The negative (ground) cable connects the "-" battery terminal to the engine cylinder block close to the starter. The positive cable connects the "+" battery terminal to the starter .solenoid.
  • 12.
     To startthe automobile engine, the crankshaft must turn fast enough for air-fuel mixture to enter the cylinders.  An electric starter or starting motor does this job.  It converts electrical energy from the battery into mechanical energy that rotates the crankshaft.
  • 13.
     The startingsystem has 2 separated but related circuits 1. Low-current control circuit 2. High-current motor circuit both operate on battery voltage. 1. Low-current control circuit (thin arrows) 2. High-current motor circuit (thick arrows) both operate on battery voltage.
  • 14.
    *When the driverturns the ignition key to START, the CONTROL CIRCUIT causes heavy contacts to close in a starter relay or solenoid switch. *High current then flows from the battery insulated Cable through these contacts to the starting motor.
  • 15.
     A gearon the starting motor shaft moves into mesh with the ring gear around the engine flywheel or drive plate.  As the starting-motor shaft turns, it spins the crankshaft fast enough to start the engine.
  • 16.
  • 17.
    3 BASIC STARTINGSYSTEM TROUBLES 1.) The engine does not crank.  2.) The engine cranks slowly  but does not start.  3.) The engine cranks normally but does not start.  (not caused by starting sys.)  *problem “fuel or ignition sys./engine”  OTHER COMPLAINTS Relay/solenoid-chattering  Slow disengagement of the pinion from the ring gear.