MARPOL 73/78
Annex VI
Regulations for the Prevention
of Air Pollution from Ships

Hanif Dewan, Senior
Lecturer, IMA, Bangladesh.

1
Ratification Process


Protocol Requirements for entry into force
◦ The Protocol is Ratified by 15 signature States to
MARPOL with a combined tonnage of 50% of World
tonnage
◦ The Current Status of Ratification is by 22 Countries
(Signatories of MARPOL Convention)



The Protocol was fully ratified in accordance with

requirements on 18th May 2004 and has ENTERED
INTO FORCE on 19th MAY 2005
Hanif Dewan, Senior
Lecturer, IMA, Bangladesh.

2
Why MARPOL Annex VI?


Emission Gases from Ships
◦ Oxides of Nitrogen (NOx) – create Ozone
◦ Sulphur Oxides (SOx) – create
acidification
◦ Carbon Dioxide (CO2) – is a GHG
◦ Carbon Monoxide (CO)
◦ Hydrocarbons (HC) – gas, soot and some
particulates



The concentration of the differing exhaust
gases is variable according to the engine
type, engine settings and fuel type.
Hanif Dewan, Senior Lecturer, IMA,
Bangladesh.

3
AIR POLLUTION PREVENTION
1. IMO and Regional Ship Air Emission Developments
(cont.)
• Baltic Sea – SECA from May 2006
• North Sea/English Channel– SECA from Nov 2007
- Major Revision of MARPOL Annex VI completed in Oct
2008
- Revised Annex VI effective from 1 July 2010
• European Sulphur Directive governing emissions in port
(0.1% S at berth 1 Jan 2010)
• Port regulations in California (USA), Vancouver (Canada)
for ship berthing The California Air Resources Board
(CARB) adopted the Regulations to reduce emissions from
auxiliary diesel engines and diesel - electric engines operated on
ocean-going vessels within California waters and 24 nautical
miles off the California baseline.
• ISO ongoing work on Marine Fuel Oil specifications
• Discussion and development : of on-shore power supply - also
called Alternative Marine Power (AMP) or Cold-ironing
Hanif Dewan, Senior
• Green House Gases (GHG) limitations Lecturer, IMA, Bangladesh.

4
MARPOL ANNEX VI applies to all ships but the
certification requirements are depending on size of the
vessel and when it is constructed.
Ships of 400 gross tons and above engaged in international
voyages involving countries that have ratified the
conventions, or ships flying the flag of those countries, are
required to have an International Air Pollution Prevention
Certificate (IAPP Certificate).
The IAPP certificate will be issued following an initial
survey carried out by the Flag Administration or by the
Class (e.g. DNV, ClassNK) on behalf of the Flag
Administration, confirming compliance with MARPOL
Annex VI. For ships with the flag of an Administration that
have not yet ratified Annex VI, a Certificate of Compliance
with Annex VI issued by the Class.
Hanif Dewan, Senior Lecturer, IMA,
Bangladesh.

5
Annex VI also requires diesel engines (as described above) to
carry individual certificates with regard to NOx
emissions, named Engine International Air Pollution
Prevention (EIAPP) Certificates.
Annex VI requires that every ship of 400 gross tonnage or
above and every fixed and floating drilling rig and other
platforms shall be subject to the following surveys:
- An initial survey before the ship is put into service or before
the IAPP Certificate is issued for the first time.
- Periodical surveys at intervals specified by the
Administration, but not exceeding five years.
- A minimum of one intermediate survey during the period of
validity of the certificate.
In the case of ships of less than 400 gross tons, the
Administration may establish appropriate measures in order to
Hanif Dewan, Senior Lecturer, IMA, Bangladesh.
6
ensure that Annex VI is complied with.
Annex VI has requirements to the following main
issues:

Regulation 12 - Emissions from Ozone depleting
substances from refrigerating plants and fire
fighting equipment
Regulation 13 - Nitrogen Oxide (NOx) emissions
from diesel engines
Regulation 14 - Sulphur Oxide (SOx) emissions
from ships
Regulation 15 - Volatile Organic compounds
emissions from cargo oil tanks of oil tankers
Regulation 16 - Emissions from shipboard
incinerators
Regulation 18 - Fuel Oil quality.
Hanif Dewan, Senior Lecturer, IMA,
Bangladesh.

7
MARPOL Annex VI and the Technical Code have retroactive
requirements for the following:

Regulation 12 - Emissions from Ozone depleting
substances from refrigerating plants and fire fighting
equipment
On all ships constructed on or after 19.05.2005.
Annex VI prohibits any deliberate emissions of ozone-depleting
substances. Ozone-depleting substances , and equipment
containing such substances, shall be delivered to appropriate
reception facilities when removed from a ship. Installations which
contain ozone-depleting substances, other than
hydrochlorofluorocarbons, are prohibited :
Installations containing hydrochlorflourocarbons (HCFCs) are
Hanif Dewan, Senior
prohibited on ships constructed on or after Lecturer, IMA, Bangladesh.
1.01.2020.

8
For the ships under regulation 12 of Marpol Annex
VI, a list of equipment containing ozone depleting
substances shall be maintain and in case a ship
will have rechargeable systems containing ozone
depleting substances, an Ozone depleting
Substances Record Book shall be maintained on
board.
The use of Halon in fire extinguishing systems and
equipment is already prohibited for new buildings.
For new buildings, this requirement in Annex VI will
therefore always be complied with. More restrictive
requirements for ozone depleting substances are in
Hanif Dewan,
place regionally, e.g. in the European IMA,Senior (EU).
Union
Lecturer,
Bangladesh.

9
Regulation 13
Nitrogen Oxide (NOx) emissions from diesel
engines
Regulation 13 shall apply to:
- Each diesel engine with a power output of more than 130
kW which is installed on a ship constructed on or after 1
January 2000.
- Each diesel engine with a power output of more than 130
kW which undergoes a major conversion on or after 1
January 2000.
- Each diesel engine with a power output of more than
5000 kW and a per cylinder displacement at or above 90
litres which is installed on a ship constructed on or after 1
Hanif
January 1990 but prior to 1 January 2000.Dewan, Senior Lecturer, IMA,
Bangladesh.

10
This regulation does not apply to:
- Emergency diesel engines, engines installed in life boats or for
any equipment intended to be used solely in case of emergency.
- Engines used solely to drive machinery dedicated to exploration,
exploitation and associated offshore processed of seabed mineral
resources The phrase “major conversion”, means a modification of
an engine where:
1. The engine is replaced by a new engine built on or after 1
January 2000, or
2. Any substantial modification is made to the engine, as described
in the Nox Technical Code 1.3.2 (e.g. changing camshaft,fuel
injection system, or any other NOx-related settings or
components), or
3. The maximum continuous rating of the engine is increased by
more than 10% For this purpose, Substantial Modification is
defined as follows:
Hanif Dewan, Senior Lecturer, IMA,
Bangladesh.

11
- For engines installed on vessels constructed on or after 1
January 2000, a Substantial Modification means any
modification to an engine that could potentially cause the
engine to exceed the emission standards set out in
Regulation 13 of Annex VI.
- For engines installed on vessels constructed before 1
January 2000, a Substantial Modification means any
modification made to an engine which increases its
existing emission characteristics established by the
simplified measurement method as described in 6.3 in
excess of the allowances set out in 6.3.11(Ref. NOx
Technical file.). These changes include, but are not limited
to, changes in its operations or in its technical parameters
(e.g. changing camshaft,fuel injection systems, air
systems, combustion chamber configuration, or timing
calibration of the engine)
Hanif Dewan, Senior
Lecturer, IMA, Bangladesh.

12


Regulation 13 contains further a 3-Tier approach as
follows:
Tier I (current limits)
For diesel engines installed on ships constructed from 1 January
2000 to 1. January 2011 allowable emissions of total weighted NOx
depending on engine speed, n, are:
i. 17,0 g/kWh when n is less than 130 rpm
ii. 45,0 × n(-0,2) g/kWh when n is 130 or more but less than 2000
rpm
iii. 9,8 g/kWh when n is 2000 rpm or more
Tier II
For diesel engines installed on ships constructed on or after 1
January 2011 allowable emissions of total weighted NOx
depending on engine speed, n, are:
i. 14,4 g/kWh when n is less than 130 rpm
ii. 44,0 × n(-0,23) g/kWh when n is 130 or more but less than 2000
rpm
iii. 7,7 g/kWh when n is 2000 rpm or more Dewan, Senior
Hanif
Lecturer, IMA, Bangladesh.

13
Tier III
Ships constructed on or after 1 January 2016 will have
additional limitations when operating in an Emission Control
Area.
For Tier III ships operating in the NOx ECAs the allowable
emissions of total weighted NOx depending on engine speed,
n, are:
i. 3,4 g/kWh when n is less than 130 rpm
ii. 9,0 × n(-0,2) g/kWh when n is 130 or more but less than
2000 rpm
iii. 2,0 g/kWh when n is 2000 rpm or more

Hanif Dewan, Senior Lecturer, IMA,
Bangladesh.

14
The NOx-influencing components and settings depend on
the design of the particular engine, and shall be listed in the
engine’s Technical File. The below list shows typical NOxinfluencing parameters, but are not limited to:
1. Injection timing
2. Injection system components (nozzle, injector, fuel pump)
3. Software no, checksums, or other identification of software
version
4. Hardware for fuel injection control
5. Camshaft components (fuel cam, inlet- and exhaust cam)
6. Valve timing
7. Combustion chamber (piston, cylinder head, cylinder liner)
8. Compression ratio (connecting rod, piston rod, shim,
gaskets)

Hanif Dewan, Senior
Lecturer, IMA, Bangladesh.

15
9. Turbocharger type and build (internal components)
10. Charge air cooler/charge air pre-heater
11. Auxiliary blower
12. NOx reducing equipment “water injection”
13. NOx reducing equipment “emulsified fuel” (fuel/water
emulsion)
14. NOx reducing equipment “exhaust gas recirculation”
15. NOx reducing equipment “selective catalytic reduction”
The actual Technical File of an engine may include less
components and/or parameters other than the list
above, depending on the particular engine and the specific
engine design.
Hanif Dewan, Senior Lecturer, IMA,
Bangladesh.

16
3.1.1. New measures on engines of ships built: Jan 1990 – Dec 1999
The NOx emissions at Tier I level upgraded for engines of power
output > 5,000 kW and per cylinder displacement at or > 90 litres
The upgrading is provided with approved and cost effective method for
NOx limitation and should not:
- reduce the engine rating by more than 1%
- increase the fuel consumption by more than 2%, and
- have negative effect on the engine durability or reliability
For Engines NOT complying with Tier I NOx emission limitations:
• measures against ship only if there is a certified, efficient commercially
available system
• rules for certification, verification and documentation of scrubbers
and upgrade at the ship’s first Renewal Survey if there is an approved
method for upgrading at least to Tier I standard
• if system not available, the next Annual Survey after that method is
available
Hanif Dewan, Senior Lecturer, IMA,
Bangladesh.

17
NOx Reduction Options
For existing engines:
• Use of NOx injectors
• Retarding injection timing
• Temperature control of the charge air
• Exhaust Gas Recirculation (EGR)
• Fuel / water emulsion
• Water injection
• Humid Air Motor (HAM) Technique- addition of wet steam
to the engine
• Selective Catalytic Reduction (SCR)
For new engines:
Engine certification
- Pre-certification,
- Technical file clarification on engine family and group,
- Final certification
Hanif Dewan, Senior Lecturer, IMA,
Bangladesh.

18
•Regulation 13 requirements are fully defined by the
NOx Technical Code – recommended technical
reading.
- Certification of the engine on manufacture and
checked on installation for settings
- Certificates required for Ships – EIAPP & IAPP
- PSC Inspection of the engine by
i. Parameter Check method (Engine
Technical File)
ii. Simplified measurement method

Hanif Dewan, Senior
Lecturer, IMA, Bangladesh.

19
Hanif Dewan, Senior
Lecturer, IMA, Bangladesh.

20
Regulation 14 - Sulphur Oxide (SOx) emissions from
ships
- 19 May 2005 Annex VI to MARPOL entered into
force.
- The revised Annex VI to MARPOL was adopted by
IMO on 10 October 2008.
The sulphur oxide (SOx) and Particulate Matter
emissions from ships will in general be controlled by
setting a limit on the sulphur content of marine fuel
oils as follows. The sulphur content of any fuel oil
used on board ships shall not exceed the following
limits:
Hanif Dewan, Senior Lecturer, IMA,
Bangladesh.

21
Outside an ECA established
to limit SOx and particulate
matter emissions

Inside an ECA established to
limit SOx and particulate
matter emissions

4.50% m/m prior to 1
January 2012

1.50% m/m prior to 1 July
2010

3.50% m/m on and after 1
January 2012

1.00% m/m on and after 1
July 2010

0.50% m/m on and after 1
January 2020*

0.10% m/m on and after 1
January 2015

* depending on the outcome of a review, to be concluded in 2018,
as to the availability of the required fuel oil, this date could be
deferred to 1 January 2025.
Hanif Dewan, Senior Lecturer, IMA,
Bangladesh.

22
The ECA established are:
i. Baltic Sea area – as defined in Annex I of MARPOL (SOx
only);
ii. North Sea area – as defined in Annex V of MARPOL (SOx
only);
iii. North American area (entered into effect 1 August 2012) –
as defined in Appendix VII of Annex VI of MARPOL
(SOx, NOx and PM); and
iv. United States Caribbean Sea area (expected to enter into
effect 1 January 2014) – as defined in Appendix VII of Annex
VI of MARPOL (SOx, NOx and PM).

Hanif Dewan, Senior
Lecturer, IMA, Bangladesh.

23
Hanif Dewan, Senior
Lecturer, IMA, Bangladesh.

24
Most ships which operate both outside and inside these ECA
will therefore operate on different fuel oils in order to comply
with the respective limits. In such cases, prior to entry into the
ECA, it is required to have fully changed-over to using the
ECA compliant fuel oil, regulation 14.6, and to have onboard
implemented written procedures as to how this is to be
undertaken. Similarly change-over from using the ECA
compliant fuel oil is not to commence until after exiting the
ECA. At each change-over it is required that the quantities of
the ECA compliant fuel oils onboard are recorded, together
with the date, time and position of the ship when either
completing the change-over prior to entry or commencing
change-over after exit from such areas. These records are to
be made in a logbook as prescribed by the ship’s flag State,
in the absence of any specific requirement in this regard the
record could be made, for example, in the ship’s Annex I Oil
Record Book.
Hanif Dewan, Senior Lecturer, IMA, Bangladesh.

25
Sox Control:
- Arrangements for LSFO & HSFO: 2 0r more
different types of fuels.
- Availability –Bunking strategies
- Switch-over(12 to 24 hrs) will need to be changed
over the fuel for the SECA passages.
- Handling of cylinder oils –2 qualities may be
required.

- More strict follow up through sample
requirements, and control of documentation and
procedure to log down.
Hanif Dewan, Senior
Lecturer, IMA, Bangladesh.

26
Hanif Dewan, Senior Lecturer, IMA,
Bangladesh.

27
Other Methods for Controlling of Nox and Sox:
- Exhaust gas cleaning system or other equivalent system: May be
used (abatement technologies). The emission criteria for such systems
are 6 g SOx/kWh.
- Relifiquation plants for LNG/LPG carriers: Reduction of
NOx, Sox & cost saving through boiled off gas reuse.
- Alfa Lubricator system: Reduction in cylinder oil consumption.
Reduction in particulate emission.
- Electronic control engine : Programmed fuel injection and
exhaust valve. Reduce fuel & reduction of emission.
- Turbo generator plant: Use of high efficiency air flow for power
take off. Reduce fuel & reduction of emission.
- System integration: Humid air Motor (HAM)- engine intake air
operating with water & exhaust gas recirculation (EGR). 50%
reduction of emission.
- HFO sulfur content – Use of low sulfur oil and modify the
equipments to burn LSFO.
- Dual fuel option for low sulphur restricted areas: Need for
additional tanks and dual fuel engines.
Hanif Dewan, Senior Lecturer, IMA,
Bangladesh.

28
Hanif Dewan, Senior Lecturer, IMA,
Bangladesh.

29
Regulation 15 - Volatile Organic compounds
emissions from cargo oil tanks of oil tankers
Subject to individual terminal regulations tankers may
have to be equipped with Vapour return manifold.
 Notification of VOC control by a port to the IMO shall
be 6 months before enforcement.
 Tankers can be can accept tankers upto 3 years after
the date of VOC control enforcement by the Terminal.
 The standard for the design of VOC return manifold
and operation is contained in MSC/Circ.585


Hanif Dewan, Senior
Lecturer, IMA, Bangladesh.

30
Regulation 16 - Emissions from shipboard
incinerators
Incinerators installed after 1st Jan 2000 to meet regulations and
must certified to meet the specifications in MEPC Resolution
76(40) (Appendix IV of Annex VI).
 Each incinerator must have a manufacturers operations
manual.
 Crew responsible for the incinerator operation shall be trained
and follow the operations manual.
 The following substances are prohibited from incineration:
Annex I, II and III cargo residues and related packing
material.
PCBs.
Garbage as defined by Annex V containing heavy metals.
Petroleum Products containing halogens.
 PVC can only be incinerated in type approved incinerators.
 Flue gas temperatures shall be monitored and not less than 850
Hanif Dewan, Senior Lecturer, IMA,
Bangladesh.
31
deg C for continuous feed and reach 600 deg C within 5

Regulation 18 - Fuel Oil quality.
“Fuel oil shall be blends of hydrocarbons derived
from petroleum refining”
 “Fuel oil shall be free from inorganic acid”
 “Fuel oil shall not include any added substance or
chemical waste which either:
◦ Jeopardises the safety of ships or adversely
affects the performance of the machinery, or
◦ Is harmful to personnel, or
◦ Contributes overall to additional air pollution”


Hanif Dewan, Senior Lecturer, IMA,
Bangladesh.

32
Regulation 18 – Fuel Oil Quality
Bunker Delivery Note (BDN)
Becomes a Statutory document
Must be kept on board for 3 years for inspection and a copy may
be taken for further examination by PSC.
Must contain all data required by Appendix V
Name and IMO number of vessel
Port
Date of Commencement of delivery
Details of fuel oil supplier
Product name, quantity , Density at 15 0C and Sulphur content %
m/m
A declaration that fuel supplied meets Regulation 14 and 18
requirements

Hanif Dewan, Senior
Lecturer, IMA, Bangladesh.

33
Regulation 18 – Fuel Oil Quality
Fuel Oil Sampling
A sealed sample meeting the requirements in associated guidelines
has to supplied to the ship by the bunker supplier
For each individual BDN a sample has to be taken at the vessel’s
bunker receiving manifold. (see procedure in associated
guidelines) – ISM Manuals.
The sample label has to be signed by both the bunker supplier’s
representative and the vessel’s Chief Engineer.
The sample size shall be not less than 400 mls

The sample is not to be used for any commercial
purpose
The sample is to be retained on board for at least 1 year for
inspection by PSC as required
Hanif Dewan, Senior
Lecturer, IMA, Bangladesh.

34
Shipboard Procedures for BDN and Samples

Adequate bunker manifold location for
sampler attachment
 External safe storage location for samples
for 1 year period
 Log book for sample retention and
custody transfer
 Safe storage for BDNs and other
documents relating to bunkering onboard


Hanif Dewan, Senior Lecturer, IMA,
Bangladesh.

35
Port/Flag State Control Guidelines
Proposed Guidelines from FSI 13 for
MEPC 53 approval.
 Initial inspections and Primary survey
parameters – then “Clear Grounds” for indepth inspections
 “In depth” inspection parameters
 Detainable deficiencies
 Non-Party ship inspections


Hanif Dewan, Senior
Lecturer, IMA, Bangladesh.

36
Hanif Dewan, Senior
Lecturer, IMA, Bangladesh.

37
ANY QUESTION?

THANK YOU!

Hanif Dewan, Senior Lecturer, IMA,
Bangladesh.

38

A short note on marpol annex vi

  • 1.
    MARPOL 73/78 Annex VI Regulationsfor the Prevention of Air Pollution from Ships Hanif Dewan, Senior Lecturer, IMA, Bangladesh. 1
  • 2.
    Ratification Process  Protocol Requirementsfor entry into force ◦ The Protocol is Ratified by 15 signature States to MARPOL with a combined tonnage of 50% of World tonnage ◦ The Current Status of Ratification is by 22 Countries (Signatories of MARPOL Convention)  The Protocol was fully ratified in accordance with requirements on 18th May 2004 and has ENTERED INTO FORCE on 19th MAY 2005 Hanif Dewan, Senior Lecturer, IMA, Bangladesh. 2
  • 3.
    Why MARPOL AnnexVI?  Emission Gases from Ships ◦ Oxides of Nitrogen (NOx) – create Ozone ◦ Sulphur Oxides (SOx) – create acidification ◦ Carbon Dioxide (CO2) – is a GHG ◦ Carbon Monoxide (CO) ◦ Hydrocarbons (HC) – gas, soot and some particulates  The concentration of the differing exhaust gases is variable according to the engine type, engine settings and fuel type. Hanif Dewan, Senior Lecturer, IMA, Bangladesh. 3
  • 4.
    AIR POLLUTION PREVENTION 1.IMO and Regional Ship Air Emission Developments (cont.) • Baltic Sea – SECA from May 2006 • North Sea/English Channel– SECA from Nov 2007 - Major Revision of MARPOL Annex VI completed in Oct 2008 - Revised Annex VI effective from 1 July 2010 • European Sulphur Directive governing emissions in port (0.1% S at berth 1 Jan 2010) • Port regulations in California (USA), Vancouver (Canada) for ship berthing The California Air Resources Board (CARB) adopted the Regulations to reduce emissions from auxiliary diesel engines and diesel - electric engines operated on ocean-going vessels within California waters and 24 nautical miles off the California baseline. • ISO ongoing work on Marine Fuel Oil specifications • Discussion and development : of on-shore power supply - also called Alternative Marine Power (AMP) or Cold-ironing Hanif Dewan, Senior • Green House Gases (GHG) limitations Lecturer, IMA, Bangladesh. 4
  • 5.
    MARPOL ANNEX VIapplies to all ships but the certification requirements are depending on size of the vessel and when it is constructed. Ships of 400 gross tons and above engaged in international voyages involving countries that have ratified the conventions, or ships flying the flag of those countries, are required to have an International Air Pollution Prevention Certificate (IAPP Certificate). The IAPP certificate will be issued following an initial survey carried out by the Flag Administration or by the Class (e.g. DNV, ClassNK) on behalf of the Flag Administration, confirming compliance with MARPOL Annex VI. For ships with the flag of an Administration that have not yet ratified Annex VI, a Certificate of Compliance with Annex VI issued by the Class. Hanif Dewan, Senior Lecturer, IMA, Bangladesh. 5
  • 6.
    Annex VI alsorequires diesel engines (as described above) to carry individual certificates with regard to NOx emissions, named Engine International Air Pollution Prevention (EIAPP) Certificates. Annex VI requires that every ship of 400 gross tonnage or above and every fixed and floating drilling rig and other platforms shall be subject to the following surveys: - An initial survey before the ship is put into service or before the IAPP Certificate is issued for the first time. - Periodical surveys at intervals specified by the Administration, but not exceeding five years. - A minimum of one intermediate survey during the period of validity of the certificate. In the case of ships of less than 400 gross tons, the Administration may establish appropriate measures in order to Hanif Dewan, Senior Lecturer, IMA, Bangladesh. 6 ensure that Annex VI is complied with.
  • 7.
    Annex VI hasrequirements to the following main issues: Regulation 12 - Emissions from Ozone depleting substances from refrigerating plants and fire fighting equipment Regulation 13 - Nitrogen Oxide (NOx) emissions from diesel engines Regulation 14 - Sulphur Oxide (SOx) emissions from ships Regulation 15 - Volatile Organic compounds emissions from cargo oil tanks of oil tankers Regulation 16 - Emissions from shipboard incinerators Regulation 18 - Fuel Oil quality. Hanif Dewan, Senior Lecturer, IMA, Bangladesh. 7
  • 8.
    MARPOL Annex VIand the Technical Code have retroactive requirements for the following: Regulation 12 - Emissions from Ozone depleting substances from refrigerating plants and fire fighting equipment On all ships constructed on or after 19.05.2005. Annex VI prohibits any deliberate emissions of ozone-depleting substances. Ozone-depleting substances , and equipment containing such substances, shall be delivered to appropriate reception facilities when removed from a ship. Installations which contain ozone-depleting substances, other than hydrochlorofluorocarbons, are prohibited : Installations containing hydrochlorflourocarbons (HCFCs) are Hanif Dewan, Senior prohibited on ships constructed on or after Lecturer, IMA, Bangladesh. 1.01.2020. 8
  • 9.
    For the shipsunder regulation 12 of Marpol Annex VI, a list of equipment containing ozone depleting substances shall be maintain and in case a ship will have rechargeable systems containing ozone depleting substances, an Ozone depleting Substances Record Book shall be maintained on board. The use of Halon in fire extinguishing systems and equipment is already prohibited for new buildings. For new buildings, this requirement in Annex VI will therefore always be complied with. More restrictive requirements for ozone depleting substances are in Hanif Dewan, place regionally, e.g. in the European IMA,Senior (EU). Union Lecturer, Bangladesh. 9
  • 10.
    Regulation 13 Nitrogen Oxide(NOx) emissions from diesel engines Regulation 13 shall apply to: - Each diesel engine with a power output of more than 130 kW which is installed on a ship constructed on or after 1 January 2000. - Each diesel engine with a power output of more than 130 kW which undergoes a major conversion on or after 1 January 2000. - Each diesel engine with a power output of more than 5000 kW and a per cylinder displacement at or above 90 litres which is installed on a ship constructed on or after 1 Hanif January 1990 but prior to 1 January 2000.Dewan, Senior Lecturer, IMA, Bangladesh. 10
  • 11.
    This regulation doesnot apply to: - Emergency diesel engines, engines installed in life boats or for any equipment intended to be used solely in case of emergency. - Engines used solely to drive machinery dedicated to exploration, exploitation and associated offshore processed of seabed mineral resources The phrase “major conversion”, means a modification of an engine where: 1. The engine is replaced by a new engine built on or after 1 January 2000, or 2. Any substantial modification is made to the engine, as described in the Nox Technical Code 1.3.2 (e.g. changing camshaft,fuel injection system, or any other NOx-related settings or components), or 3. The maximum continuous rating of the engine is increased by more than 10% For this purpose, Substantial Modification is defined as follows: Hanif Dewan, Senior Lecturer, IMA, Bangladesh. 11
  • 12.
    - For enginesinstalled on vessels constructed on or after 1 January 2000, a Substantial Modification means any modification to an engine that could potentially cause the engine to exceed the emission standards set out in Regulation 13 of Annex VI. - For engines installed on vessels constructed before 1 January 2000, a Substantial Modification means any modification made to an engine which increases its existing emission characteristics established by the simplified measurement method as described in 6.3 in excess of the allowances set out in 6.3.11(Ref. NOx Technical file.). These changes include, but are not limited to, changes in its operations or in its technical parameters (e.g. changing camshaft,fuel injection systems, air systems, combustion chamber configuration, or timing calibration of the engine) Hanif Dewan, Senior Lecturer, IMA, Bangladesh. 12
  • 13.
     Regulation 13 containsfurther a 3-Tier approach as follows: Tier I (current limits) For diesel engines installed on ships constructed from 1 January 2000 to 1. January 2011 allowable emissions of total weighted NOx depending on engine speed, n, are: i. 17,0 g/kWh when n is less than 130 rpm ii. 45,0 × n(-0,2) g/kWh when n is 130 or more but less than 2000 rpm iii. 9,8 g/kWh when n is 2000 rpm or more Tier II For diesel engines installed on ships constructed on or after 1 January 2011 allowable emissions of total weighted NOx depending on engine speed, n, are: i. 14,4 g/kWh when n is less than 130 rpm ii. 44,0 × n(-0,23) g/kWh when n is 130 or more but less than 2000 rpm iii. 7,7 g/kWh when n is 2000 rpm or more Dewan, Senior Hanif Lecturer, IMA, Bangladesh. 13
  • 14.
    Tier III Ships constructedon or after 1 January 2016 will have additional limitations when operating in an Emission Control Area. For Tier III ships operating in the NOx ECAs the allowable emissions of total weighted NOx depending on engine speed, n, are: i. 3,4 g/kWh when n is less than 130 rpm ii. 9,0 × n(-0,2) g/kWh when n is 130 or more but less than 2000 rpm iii. 2,0 g/kWh when n is 2000 rpm or more Hanif Dewan, Senior Lecturer, IMA, Bangladesh. 14
  • 15.
    The NOx-influencing componentsand settings depend on the design of the particular engine, and shall be listed in the engine’s Technical File. The below list shows typical NOxinfluencing parameters, but are not limited to: 1. Injection timing 2. Injection system components (nozzle, injector, fuel pump) 3. Software no, checksums, or other identification of software version 4. Hardware for fuel injection control 5. Camshaft components (fuel cam, inlet- and exhaust cam) 6. Valve timing 7. Combustion chamber (piston, cylinder head, cylinder liner) 8. Compression ratio (connecting rod, piston rod, shim, gaskets) Hanif Dewan, Senior Lecturer, IMA, Bangladesh. 15
  • 16.
    9. Turbocharger typeand build (internal components) 10. Charge air cooler/charge air pre-heater 11. Auxiliary blower 12. NOx reducing equipment “water injection” 13. NOx reducing equipment “emulsified fuel” (fuel/water emulsion) 14. NOx reducing equipment “exhaust gas recirculation” 15. NOx reducing equipment “selective catalytic reduction” The actual Technical File of an engine may include less components and/or parameters other than the list above, depending on the particular engine and the specific engine design. Hanif Dewan, Senior Lecturer, IMA, Bangladesh. 16
  • 17.
    3.1.1. New measureson engines of ships built: Jan 1990 – Dec 1999 The NOx emissions at Tier I level upgraded for engines of power output > 5,000 kW and per cylinder displacement at or > 90 litres The upgrading is provided with approved and cost effective method for NOx limitation and should not: - reduce the engine rating by more than 1% - increase the fuel consumption by more than 2%, and - have negative effect on the engine durability or reliability For Engines NOT complying with Tier I NOx emission limitations: • measures against ship only if there is a certified, efficient commercially available system • rules for certification, verification and documentation of scrubbers and upgrade at the ship’s first Renewal Survey if there is an approved method for upgrading at least to Tier I standard • if system not available, the next Annual Survey after that method is available Hanif Dewan, Senior Lecturer, IMA, Bangladesh. 17
  • 18.
    NOx Reduction Options Forexisting engines: • Use of NOx injectors • Retarding injection timing • Temperature control of the charge air • Exhaust Gas Recirculation (EGR) • Fuel / water emulsion • Water injection • Humid Air Motor (HAM) Technique- addition of wet steam to the engine • Selective Catalytic Reduction (SCR) For new engines: Engine certification - Pre-certification, - Technical file clarification on engine family and group, - Final certification Hanif Dewan, Senior Lecturer, IMA, Bangladesh. 18
  • 19.
    •Regulation 13 requirementsare fully defined by the NOx Technical Code – recommended technical reading. - Certification of the engine on manufacture and checked on installation for settings - Certificates required for Ships – EIAPP & IAPP - PSC Inspection of the engine by i. Parameter Check method (Engine Technical File) ii. Simplified measurement method Hanif Dewan, Senior Lecturer, IMA, Bangladesh. 19
  • 20.
    Hanif Dewan, Senior Lecturer,IMA, Bangladesh. 20
  • 21.
    Regulation 14 -Sulphur Oxide (SOx) emissions from ships - 19 May 2005 Annex VI to MARPOL entered into force. - The revised Annex VI to MARPOL was adopted by IMO on 10 October 2008. The sulphur oxide (SOx) and Particulate Matter emissions from ships will in general be controlled by setting a limit on the sulphur content of marine fuel oils as follows. The sulphur content of any fuel oil used on board ships shall not exceed the following limits: Hanif Dewan, Senior Lecturer, IMA, Bangladesh. 21
  • 22.
    Outside an ECAestablished to limit SOx and particulate matter emissions Inside an ECA established to limit SOx and particulate matter emissions 4.50% m/m prior to 1 January 2012 1.50% m/m prior to 1 July 2010 3.50% m/m on and after 1 January 2012 1.00% m/m on and after 1 July 2010 0.50% m/m on and after 1 January 2020* 0.10% m/m on and after 1 January 2015 * depending on the outcome of a review, to be concluded in 2018, as to the availability of the required fuel oil, this date could be deferred to 1 January 2025. Hanif Dewan, Senior Lecturer, IMA, Bangladesh. 22
  • 23.
    The ECA establishedare: i. Baltic Sea area – as defined in Annex I of MARPOL (SOx only); ii. North Sea area – as defined in Annex V of MARPOL (SOx only); iii. North American area (entered into effect 1 August 2012) – as defined in Appendix VII of Annex VI of MARPOL (SOx, NOx and PM); and iv. United States Caribbean Sea area (expected to enter into effect 1 January 2014) – as defined in Appendix VII of Annex VI of MARPOL (SOx, NOx and PM). Hanif Dewan, Senior Lecturer, IMA, Bangladesh. 23
  • 24.
    Hanif Dewan, Senior Lecturer,IMA, Bangladesh. 24
  • 25.
    Most ships whichoperate both outside and inside these ECA will therefore operate on different fuel oils in order to comply with the respective limits. In such cases, prior to entry into the ECA, it is required to have fully changed-over to using the ECA compliant fuel oil, regulation 14.6, and to have onboard implemented written procedures as to how this is to be undertaken. Similarly change-over from using the ECA compliant fuel oil is not to commence until after exiting the ECA. At each change-over it is required that the quantities of the ECA compliant fuel oils onboard are recorded, together with the date, time and position of the ship when either completing the change-over prior to entry or commencing change-over after exit from such areas. These records are to be made in a logbook as prescribed by the ship’s flag State, in the absence of any specific requirement in this regard the record could be made, for example, in the ship’s Annex I Oil Record Book. Hanif Dewan, Senior Lecturer, IMA, Bangladesh. 25
  • 26.
    Sox Control: - Arrangementsfor LSFO & HSFO: 2 0r more different types of fuels. - Availability –Bunking strategies - Switch-over(12 to 24 hrs) will need to be changed over the fuel for the SECA passages. - Handling of cylinder oils –2 qualities may be required. - More strict follow up through sample requirements, and control of documentation and procedure to log down. Hanif Dewan, Senior Lecturer, IMA, Bangladesh. 26
  • 27.
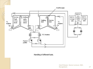
    Hanif Dewan, SeniorLecturer, IMA, Bangladesh. 27
  • 28.
    Other Methods forControlling of Nox and Sox: - Exhaust gas cleaning system or other equivalent system: May be used (abatement technologies). The emission criteria for such systems are 6 g SOx/kWh. - Relifiquation plants for LNG/LPG carriers: Reduction of NOx, Sox & cost saving through boiled off gas reuse. - Alfa Lubricator system: Reduction in cylinder oil consumption. Reduction in particulate emission. - Electronic control engine : Programmed fuel injection and exhaust valve. Reduce fuel & reduction of emission. - Turbo generator plant: Use of high efficiency air flow for power take off. Reduce fuel & reduction of emission. - System integration: Humid air Motor (HAM)- engine intake air operating with water & exhaust gas recirculation (EGR). 50% reduction of emission. - HFO sulfur content – Use of low sulfur oil and modify the equipments to burn LSFO. - Dual fuel option for low sulphur restricted areas: Need for additional tanks and dual fuel engines. Hanif Dewan, Senior Lecturer, IMA, Bangladesh. 28
  • 29.
    Hanif Dewan, SeniorLecturer, IMA, Bangladesh. 29
  • 30.
    Regulation 15 -Volatile Organic compounds emissions from cargo oil tanks of oil tankers Subject to individual terminal regulations tankers may have to be equipped with Vapour return manifold.  Notification of VOC control by a port to the IMO shall be 6 months before enforcement.  Tankers can be can accept tankers upto 3 years after the date of VOC control enforcement by the Terminal.  The standard for the design of VOC return manifold and operation is contained in MSC/Circ.585  Hanif Dewan, Senior Lecturer, IMA, Bangladesh. 30
  • 31.
    Regulation 16 -Emissions from shipboard incinerators Incinerators installed after 1st Jan 2000 to meet regulations and must certified to meet the specifications in MEPC Resolution 76(40) (Appendix IV of Annex VI).  Each incinerator must have a manufacturers operations manual.  Crew responsible for the incinerator operation shall be trained and follow the operations manual.  The following substances are prohibited from incineration: Annex I, II and III cargo residues and related packing material. PCBs. Garbage as defined by Annex V containing heavy metals. Petroleum Products containing halogens.  PVC can only be incinerated in type approved incinerators.  Flue gas temperatures shall be monitored and not less than 850 Hanif Dewan, Senior Lecturer, IMA, Bangladesh. 31 deg C for continuous feed and reach 600 deg C within 5 
  • 32.
    Regulation 18 -Fuel Oil quality. “Fuel oil shall be blends of hydrocarbons derived from petroleum refining”  “Fuel oil shall be free from inorganic acid”  “Fuel oil shall not include any added substance or chemical waste which either: ◦ Jeopardises the safety of ships or adversely affects the performance of the machinery, or ◦ Is harmful to personnel, or ◦ Contributes overall to additional air pollution”  Hanif Dewan, Senior Lecturer, IMA, Bangladesh. 32
  • 33.
    Regulation 18 –Fuel Oil Quality Bunker Delivery Note (BDN) Becomes a Statutory document Must be kept on board for 3 years for inspection and a copy may be taken for further examination by PSC. Must contain all data required by Appendix V Name and IMO number of vessel Port Date of Commencement of delivery Details of fuel oil supplier Product name, quantity , Density at 15 0C and Sulphur content % m/m A declaration that fuel supplied meets Regulation 14 and 18 requirements Hanif Dewan, Senior Lecturer, IMA, Bangladesh. 33
  • 34.
    Regulation 18 –Fuel Oil Quality Fuel Oil Sampling A sealed sample meeting the requirements in associated guidelines has to supplied to the ship by the bunker supplier For each individual BDN a sample has to be taken at the vessel’s bunker receiving manifold. (see procedure in associated guidelines) – ISM Manuals. The sample label has to be signed by both the bunker supplier’s representative and the vessel’s Chief Engineer. The sample size shall be not less than 400 mls The sample is not to be used for any commercial purpose The sample is to be retained on board for at least 1 year for inspection by PSC as required Hanif Dewan, Senior Lecturer, IMA, Bangladesh. 34
  • 35.
    Shipboard Procedures forBDN and Samples Adequate bunker manifold location for sampler attachment  External safe storage location for samples for 1 year period  Log book for sample retention and custody transfer  Safe storage for BDNs and other documents relating to bunkering onboard  Hanif Dewan, Senior Lecturer, IMA, Bangladesh. 35
  • 36.
    Port/Flag State ControlGuidelines Proposed Guidelines from FSI 13 for MEPC 53 approval.  Initial inspections and Primary survey parameters – then “Clear Grounds” for indepth inspections  “In depth” inspection parameters  Detainable deficiencies  Non-Party ship inspections  Hanif Dewan, Senior Lecturer, IMA, Bangladesh. 36
  • 37.
    Hanif Dewan, Senior Lecturer,IMA, Bangladesh. 37
  • 38.
    ANY QUESTION? THANK YOU! HanifDewan, Senior Lecturer, IMA, Bangladesh. 38