‫دددددد‬
‫د‬( ‫ددددددد‬
)
•
•
• 
•
•09125835759
•@sorena39
•
•
•: . _https //telegram me/joinchat/BWPVMj5Rp2ZwP 65
•‫ددددددد‬ ‫دددددد‬
•‫ددددددد‬ ‫ددددددد‬
•‫ددددددد‬ ‫ددددددد‬
•‫ددددددد‬ ‫د‬ ‫ددددد‬
‫ددددددد‬
•‫ددددددد‬ ‫ددددد‬ ‫دددد‬




Hydraulic Power, Hydraulic Cylinder, Hydraulic
Circuit


)



t
s
v =
Vft/sec, m/sec, in/sec,
Sinch, ft. meter,
Tsec, or minute
))


maF =
F =
m =
a =
FSW =
F =
W =
S =

.HPKW
 1 HP = 550 ft-lb/sec or 33,000 ft-lb/min. I watt = 1 N-m/sec 
(1 Joule/sec
 I HP = 746 W = 0.746 KW
 Hydraulic Power (W) = p (N/m2
) x Q (m3
/sec)
t
FS
P = P = , in-lb/sec, ft-lb/sec, N-m/ sec (w)
v = s÷t,  P = F* v  (Power = Force x Velocity)

FRT =
F =
T =
R =
)
rpm
000,63
TN
HP =
=T
=Nrpm)
=HPHP)

2
2
1
1
A
F
A
F
=
Piston 1
Piston 2
A1
A2
Fin = F1
Fout = F2
p1
p2
1
2
1
2
A
A
F
F
=
S1
S2
V1 = V2
A1S1 = A2S2
2
1
1
2
S
S
F
F
=
2
1
1
2
A
A
S
S
=
F1S1 = F2S2:
p1 = p2.


Potential energy due to elevation (EPE):  W lbs of fluid 
at an elevation Z with respect to a reference frame has 
potential energy equal to the work done to lift the fluid 
to lift it through distance Z.  (EPE=WZ)
Potential Energy due to pressure (PPE): If W lbs of fluid 
possesses a pressure p, it contains potential energy
γ
p
WPPE =
PPE has unit of ft-lb or N-m, γ is
the specific gravity of the fluid
Conservation of Energy
 Kinetic Energy (KE): If W lbs of fluid is moving with a
velocity v, it contains kinetic energy
2
2
1
V
g
W
KE =
KE has unit of ft-lb
g = acceleration due to gravity (32.2 ft/sec2
or 9.81 m/sec2
The total energy      ET 
remains constant tConsV
g
Wp
WZET tan
2
1 2
=++=
γ
W lb of Fluid
v
Z
Zero elevation reference
p
p
p
p
.
w1 = w2
γ1A1v1 = γ2A2v2
1
2
V1
V2
D1 D2
Fluid in (W
or Q)
Fluid out
(W or Q)
A=,v=,γ=

Q1 = A1V1 = A2V2 = Q2
( )
( ) 2
1
2
2
1
2
2
1
4
4
D
D
A
A
v
v
π
π
==

D1 = 4 inches,  D2= 2 inches, v1 = 4 ft/sec
Q2V2
:
Q = Q1 = A1v1 = x4 = 0.0873 ft2
x 4 ft/sec = 0.349 ft3
/sec
2
12
4
4





π
sec/16
2
4
4
22
2
1
12 ft
D
D
vv =





=





= 2: 
 Hydraulic power is delivered by hydraulic fluid to a
load driving device such as hydraulic cylinder
Piston Rod
Q FLoad
p
Design Considerations: 1) Size of piston/diameter
2) Pump flow rate to drive the cylinder 3)
Hydraulic HP (HHP) delivered by fluid
Hydraulic Cylinder Circuit
Double Acting Hydraulic Cylinder
1. When the four way valve is in center position,
cylinder is hydraulically locked
2. When the valve is actuated per left envelope,
cylinder extends
3. Oil at the rod end flows back to the tank via the four
way valve.
Application of Pascal’s Law
hyd-shovel-pistons.mpeg
Single acting cylinder can apply force only in
extending direction
Double acting cylinder can apply forces in
both extension and retracting stroke
An Overview
• Types of Pumps
• Features of various Pumps
• Selection of pumps
• Performance Calculation
• Flow control strategies
• Energy saving measures in Pumps
Types of Pumps
• Dynamic Pumps
– Centrifugal
– Special effect pumps
• Displacement Pumps
– Rotary
– Reciprocating
Order of Preference
• Centrifugal
• Rotary
• Reciprocating
• Flow(  )
Q = n * Vstroke *η vol
•Q m3
/s
 n 
 V   in m3
η vol 
 2
• Power(  )
P = n * Vstroke * Δp / ηmech,hydr
•P Watt (Nm/s)
n 
Vstroke m3
Δp N/m2
ηmech,hydr 
•
•.
•.
•.
•
2.
.
:
•
•
•
•Displacement
•
•2
•".
•.
•
•
•Slippage
HP
•HP : 
•1 -                                                  Work = Force X Distance 
•  2 -                                                     Power = Work /
Time
•
•    3 –Power = Force X Distance / Time
•        )GPM( )PSI( 
•HP
•HP = GPM X PSI X .000583 
•30GPM(
•1300PSI
•HPbar 200
• HP = GPM X PSI X .000583
• HP = 30 GPM X 1500 PSI X .000583
• HP = 45,000 X .000583
• HP = 26.2
•10085 – 90 
•87.000583/87) %or .87(.00067
• HP = GPM X PSI X .00067
• HP = 30 GPM X 1500 PSI X .00067
• HP = 45,000 X .00067
• HP = 30
•
•1HP 1 GPM1500PSI
•3030
•1500 PSI 
•GPM  0PSI  0
•
•PSI
 
•5PSI
•5%30HP1.5 HP
Check Valve
Check Valve Two
Relief Valve
•
• dp = port_A.p - port_B.p
•1dp < p
•  < ===   :
•
• q = dp * G ()
• 2) p closed < dp < p open
•
• 3) p open < dp
•
• q = dp * G Open
Series flow control valve.
Shuttle Valve
22
3
Servo Valve -
Prop Valve  
What is Delta P?
•∆ p
P1-P2 = ∆ p
Back Pressure
•Back pressure
•
•
•
•
Positive Displacement Pumps
• Positive displacement pumps have much
smaller clearances between parts. This
reduces the back pressure within the
pump and provides a much higher
efficiency when used in a high pressure
system.
• The output flow is basically the same for
each pump revolution.
• Positive displacement pumps are rated
two ways.
– Maximum system pressure
– Specific output per revolution or a given
speed.
Positive Displacement Pumps
• When expressed in output per revolution,
the flow rate can be easily converted by
multiplying by the speed in rpm and
dividing by a constant.
– ie: a pump that rotates @ 2000rpm and a
flow of 11.55 in³/rev
– GPM = in³/rev X rpm
231
– GPM = 11.55 X 2000
231
GPM = 100
Fixed Displacement vs. Variable
Displacement
• The output flow of a fixed displacement
pump is only changed by the varying
speed of the pump.
• Variable displacement pumps have a
device to control output flow without
changing input shaft rotation speed.
Gear Pumps
• Parts
– 1. – Seal retainers
– 2. – seals
– 3. – seal back-ups
– 4. – isolation plates
– 5. – spacers
– 6. – drive gear
– 7. – idler gear
– 8. – housing
– 9. – mounting flange
– 10. – flange seal
– 11. – pressure balance plates
– Bearings are mounted in the housing and a
mounting flange on each side to support
the gear shafts during rotation.
1
2
3
4
5
6
7
8
9 10
11
Gear Pumps
• Positive displacement pump
• Pump output can only be changed by
changing the speed of rotation
• Has a maximum operating pressure of
4000 psi. If pressures above 4000 psi are
present too much side pressure is exerted
on the gear shafts and tend to create gear
tooth to housing contact.
• Under normal conditions maintains a
volumetric efficiency above 90%.
Gear pump flow
• Gear pump output flow at a given speed is
determined by the tooth depth and gear
width.
• As the pump rotates, the oil is carried
between the gear teeth and the housing
from the inlet side to the outlet side of
the pump. The direction of rotation is
determined by the location of the inlet
and outlet ports. The direction will always
direct oil around the outside of the gears
from the inlet port to the outlet port.
• Usually the inlet port is larger than the
outlet port.
Pressure Balance Plates
• There are two types used in gear pumps.
– The earlier type has a flat back. This type
uses a isolation plate, a back-up for the
seal, a seal shaped like a 3, and a seal
retainer.
– The newer type has a groove shaped like a
3 cut into the back and is thicker than the
earlier type. Two types of seals are used
with the newer type of pressure balance
plates.
Vane Pumps
• Are positive displacement pumps. The
output can be either fixed or variable
• Parts
– 1. housing
– 2. cartridge
– 3. mounting plate
– 4. mounting plate seal
– 5. cartridge seals
– 6. backup rings
– 7. snap ring
– 8. input shaft and bearing
– 9. support plates
– 10. ring
– 11. flex plates
– 12. slotted rotor
– 13. vanes
1
2 3
4
5
6
7
8
9
10
11
12
13
Vane Pump Operation
• The vanes are initially held against the
cam ring by centrifugal force created by
the rotation of the rotor. As flow
increases, the resultant pressure that
builds from the resistance to that flow is
directed into passages in the rotor
beneath the vanes.
• This pressurized oil keeps the vane tips
pushed against the can ring to form a seal.
Flex plates
• The same pressurized oil is also directed
between the flex plates and the support
plates to seal the sides of the rotor and
the end of the vanes. The kidney shaped
seals must be installed in the support
plates with the rounded o-ring side into
the pocket and the flat plastic side against
the flex plate.
Vane Pump Operation
• When the rotor rotates around the inside
of the cam ring, the vanes slide in and out
of the rotor slot to maintain the seal
against the cam ring.
• As the vanes move out of the slotted
rotor, the volume between the vanes
increases. This creates a vacuum that
allows oil to flow into the space. As the
rotor continues to rotate, a decrease in
the distance between the ring and the
rotor causes a decrease in volume. The oil
is then pushed out of that segment of the
rotor into the outlet passage.
• Vane pumps have a maximum operating
pressure of 4000 psi. 3300 psi in mobile
applications.
Variable Vane Pump
• These pumps are controlled by shifting a
round ring back and forth in relation to
the rotor centerline.
• These pumps are seldom used in mobile
applications
Piston Pumps and Motors
• Parts
– 1. head
– 2. housing
– 3. shaft
– 4. pistons
– 5. port plate
– 6. barrel
– 7. swash plate
• The two types of piston
pumps are axial piston and
radial piston. Both are
highly efficient, positive
displacement pumps.
However the output of
some pumps are fixed and
the output of other are
variable
1
2
3
4
5
6
7
Axial Piston Pumps and Motors
• The fixed displacement axial piston
pumps are built with straight or angled
housing the basic operation is the same.
• Here we have a positive displacement
axial piston pump and a variable
displacement pump.
Angled Housing Axial Piston Pump and
motors
• Operation is the same as a straight
housing motor with a angled swash plate.
• Some smaller pumps are designed for up
to 10,000psi but for most mobile
equipment 7,000psi is the max.
Radial Piston Pump
• In the radial piston pump the pistons
move outward and inward in a line that is
90 degrees to the centerline of the shaft.
• Pump operation
Conjugate Curve Pump
• Most common referred to as a GEROTOR
pump.
• The inner and outer members rotate
within the pump housing. Pumping is
achieved by the way the lobes on the
inner and the outer member contact each
other during rotation. As the inner and
outer members rotate, the inner member
walks around inside the outer member.
The inlet and outlet ports are located on
the end covers of the housing. The fluid
entering through the inlet is carried
around to the outlet and squeezed out
when the lobes mesh.
Pump ISO Symbols
• Pump symbols are distinguished by a dark
triangle in a circle with the point of the
triangle pointing toward the edge of the
circle. An arrow across the circle indicates
a variable output per revolution
Hydraulic diagram
Proportional solenoid
Main relief valveExternal pressure of the
pump
Main pump
Q min limit screw
Q max limit screw
High pressure
connection
Leak oil connection
Main pump
Control valve
High pressure actuator
Plunger Housing
Drive shaft
Plunger
Mirror plate
Stroke limiter
Steering pressure actuator
Main pump
Main pressure
relief valve
Drive/forwards
solenoid
Brake/reverse
relief valve
Brake/reverse
solenoid
Drive manifold
Drive manifold
Brake/reverse relief
valve
Drive/forwards
relief valve
Drive/forwards
solenoid
Brake/reverse
solenoid
Cooler Bypass
valve
Pressure Sensor
Drive manifold
Hydraulic coolers
Hydraulic coolers
Cooler valve
Fan pump
Bypass valve
Hydraulic coolers
Hydraulic coolers
Hydraulic coolers
Main relief valve
Clamp pressure switch
Eccentric moment min
relief valve
Eccentric moment
max relief valve
Clamp/RF-manifold
Bypass solenoid
Eccentric moment min.
solenoid
Eccentric moment max.
solenoid
Clamp open solenoid
Clamp Close solenoid
Clamp Close pressure
adjust screw
Clamp/RF-manifold
Clamp RF pump
Clamp/RF-circuit
Clamp/RF-circuit
Lube oil cooler in
Female coupler
Lube oil cooler out
Male coupler
Lube oil cooler
Old position
Lube oil cooler
IQAN Sensors
The parker SP500
0-500 Bar
0.5-4.5V
JUMO temperature sensor
Pt-2000
IQAN sensors
The proportional flow control valve is a direct
operated cartridge valve in spool design with
integrated pressure compensator. It regulates the
flow proportionally to the input signal in a
continuous form from main port to .① ③
Superfluous resid ual flow is led to the tank or to
another actuator via port .②
The valve basically comprises of housing, control
spool, con trol spring, pressure compensator
piston, orifice bush, pres sure compensator
spring as well as proportional solenoid (1) with
central thread and detachable coil.
Function
With de-energized proportional solenoid (1), the control spool that
is always pressure-compensated to the actuating forces due to its
constructive design is held in the initial position by the control
spring and blocks the flow between main port and . By① ③
energizing the proportional solenoid (1), the control spool is
adjusted directly proportional to the electrical input signal and, via
orifice-like cross-sections (with progressive
‫یییییی‬ ‫یییییی‬ ‫ییی‬
‫ییییییی‬
•‫یی‬ ‫ییییییی‬ ‫یییییی‬
‫ی‬ ‫ییییی‬ ‫ییییی‬ ‫یی‬ ‫یییی‬
‫ییییی‬ ‫یی‬ ‫ییییییییی‬
‫ییییییییی‬ ‫ی‬ ‫ییییی‬
‫ییی‬ ‫یی‬ ‫ییییی‬
•‫ییییییییی‬Din 24342
.‫یییییی‬ ‫ییییی‬ ‫ییییی‬
‫ییییی‬ ‫یی‬ ‫ییییی‬ ‫ییییی‬ ‫ییی‬
‫یی‬ ‫ییییییی‬ ‫ییییییییی‬ ‫ییی‬
‫ییییی‬
•‫ییییییی‬ ‫ییی‬2/2‫ییی‬ ‫یی‬
‫ی‬ ‫ییییی‬ ‫ییییی‬ ‫یی‬ ‫یی‬
‫ییی‬ ‫ییییی‬ ‫یی‬ ‫ی‬ ‫ی‬ ‫یییی‬
‫ییی‬ .‫یییی‬ ‫ی‬ ‫ی‬ ‫یی‬ ‫یی‬ ‫ی‬ ‫ی‬
‫یی‬ ‫ییی‬ ‫یی‬ ‫یی‬ ‫یی‬ ‫ی‬ ‫یییی‬
•‫یی‬ ‫ی‬ ‫ییی‬ ‫ی‬ ‫ی‬ ‫ی‬ ‫یییی‬ ‫ی‬ ‫یی‬
‫یییی‬ ‫ی‬ ‫یییییییی‬ ‫یییی‬
‫یییییی‬ ‫ی‬ ‫یییی‬ ‫ییییی‬
‫ی‬ ‫ییییی‬ ‫ییییی‬ ‫ییی‬ ‫یی‬
.‫ییییی‬ ‫یییییییی‬ ‫یییی‬
‫یییییی‬ ‫ییی‬ ‫یییی‬
‫یییی‬ ‫یی‬ ‫یی‬ ‫ییییییی‬ ‫یییییی‬
‫یی‬ ‫یییییی‬ ‫یی‬ ‫یییییییی‬
‫ییییی‬ ‫ییییی‬ ‫یییییییی‬
•‫ییی‬ ‫ییییی‬ ‫ییییی‬
•‫ییییی‬ ‫ییییی‬ ‫ییییی‬
•‫یییی‬ ‫ییییی‬ ‫ییییی‬
•‫ییییییی‬ ‫یی‬ ‫ی‬ ‫ییی‬ ‫ی‬ ‫ی‬
‫یی‬ ‫ییییی‬ ‫ی‬ ‫ییی‬ ‫یییی‬
‫یییییی‬ ‫ییییی‬ ‫ی‬ ‫یی‬
‫یییی‬ ‫یی‬ ‫ییی‬ ‫یی‬
•‫ییی‬ ‫ی‬ ‫یییی‬ ‫یییییی‬ ‫ی‬
‫ییییی‬ ‫یی‬ ‫ی‬ ‫یییییی‬
‫ییی‬ ‫یییی‬ ‫یییی‬ ‫یییی‬
‫یییییییی‬ ‫ییی‬ ‫ییی‬ .‫ییی‬
‫یییی‬ ‫ییییی‬ ‫ییی‬ ‫یی‬ ‫ی‬ ‫ی‬
‫ییی‬ ‫یییی‬ ‫یی‬ ‫ی‬ ‫یی‬ ‫ییی‬
•‫ییییییی‬ ‫ییی‬ ‫یییییی‬
‫یییی‬ ‫یی‬
‫ییی‬ ‫ییییییی....یی‬ ‫یی‬
‫ییی‬ ‫یی‬ ‫یییییی‬ ‫ییی‬
‫یییییی‬ ‫ییییی‬ ‫یییی‬
‫ییییی‬ ‫ی‬ ‫ی‬ ‫ییییی‬
•‫یییی‬ ‫ی‬ ‫ی‬ ‫ییییی‬ ‫یییی‬
‫ییی‬ ‫ییییییییی‬ ‫ی‬ ‫ی‬
‫یییی‬ ‫ییییییی‬ ‫ی‬ ‫ی‬ ‫یی‬
‫یی‬ ‫ییی‬ ‫ی‬ ‫یییی‬ ‫ی‬ ‫ی‬ ‫یی‬
‫ییی‬ ‫ی‬ ‫ییی‬ ‫ی‬ ‫ی‬ ‫ییییی‬
‫)ییی‬ ‫ییی‬ ‫ییییی‬ ‫ییی‬
‫ییییییی‬ ‫ی‬ ‫یی‬ (‫یییییی‬
•
•A1Aa.
•BA2AbREXROTH50A1
‫یی‬ ‫ی‬ ‫یییی‬ ‫یی‬ ‫ییی‬ ‫یییییی‬
‫یی‬ ‫ییی‬ ‫ییییی‬ ‫ییییی‬ ‫ییی‬
‫ییییی‬ ‫ییییی‬A1‫ی‬A2
‫ی‬‫یییی‬Aa‫ی‬Ab‫ییی‬ ‫ییی‬ ‫یی‬
‫ییی‬ ‫یییییی‬ ‫ییی‬ ‫ییی‬ ‫ییی‬
‫ی‬ ‫یییی‬Ax‫یییی‬ ‫ی‬ ‫یی‬ ‫یی‬
‫ییییی‬ ‫ییی‬ ‫ییی‬ ‫ییییی‬.
‫یی‬ ‫ی‬ ‫یییی‬ ‫ی‬ ‫ییی‬ ‫یی‬
‫ییی‬ ‫ی‬ ‫ی‬ ‫ییییی‬ ‫ی‬ ‫یی‬
‫یییییی‬ ‫ییییی‬
‫ییی‬ ‫ییییی‬
‫ییی‬ ‫یییییییی‬
‫یییی‬ ‫ییییی‬ ‫ییی‬ ‫یی‬ ‫ییی‬
‫ییییی‬ ‫یی‬A‫یی‬B‫یییی‬
‫ییییی‬ ‫ییییی‬ ‫یی‬ ‫ی‬ ‫ییی‬
Ax‫یی‬‫یی‬ ‫ی‬‫یی‬ ‫ی‬‫ییی‬A‫یی‬B
‫ییی‬ ‫ییییی‬ ‫ییی‬ ‫یییییی‬
‫ییییی‬ ‫ی‬ ‫ییییی‬ ‫ییی‬ ‫ی‬ ‫ی‬
Px . Ax‫یی‬ ‫ی‬ ‫یییی‬ ‫ییی‬ ‫ی‬ ‫ی‬
‫یییییی‬ .‫ییییی‬
‫یییی‬ ‫ی‬ ‫ی‬ ‫ی‬ ‫ییییییی‬
‫یییی‬ ‫یی‬ ‫ییی‬ ‫ییییییی‬Pa
‫ییییی‬ ‫ییییی‬ ‫یییی‬ ‫یی‬ ‫یییی‬
‫ییییییی‬ ‫یییی‬ ‫یییی‬ ‫یی‬
.‫ییییییی‬ ‫یییی‬
‫ییی‬ ‫یییی‬ ‫یییییییی‬
:‫یی‬ ‫ییییییی‬ ‫ییییییی‬
‫ییییی‬ ‫یی‬ ‫ییییییی‬ ‫یییی‬
‫یییی‬ ‫ییی‬
‫ییییییی‬ ‫ییی‬ ‫یی‬ ‫ییییییی‬
‫ییییی‬ ‫ییییی‬ ‫ییییی‬ ‫یی‬
‫یی‬ ‫ییی‬ ‫یی‬ ‫یییی‬ ‫یی‬ ‫ییییی‬
‫یییییی‬ ‫ییی‬
‫یییی‬ ‫یییی‬ ‫یی‬
‫ییی‬ ‫یی‬ ‫یییی‬ ‫ییییییی‬
‫ییی‬ ‫یی‬ ‫ییییی‬
‫یییی‬ ‫ییی‬ ‫ییی‬
‫یییییی‬ ‫یی‬ ‫یییی‬ ‫یی‬ ‫یییییی‬
‫ی‬ ‫ییییی‬ ‫یی‬ ‫ی‬ ‫یییییی‬ ‫یییییی‬
‫ی‬ ‫ییییی‬ ‫یی‬ ‫ی‬ ‫ی‬ ‫ی‬ ‫ییی‬ ‫یی‬ ‫ی‬ ‫ییی‬
‫یی‬ ‫ییی‬ ‫یی‬ ‫یییی‬ .‫یییی‬
‫ییی‬ ‫یی‬ ‫ی‬ ‫ی‬ ‫ی‬ ‫یییی‬ ‫ی‬ ‫یییییی‬
‫ییییییی‬ ‫ی‬‫ییی‬ ‫ییی‬ ‫ی‬ ‫ی‬ ‫ی‬ ‫یییی‬
‫یییییی‬ ‫ییییی‬ ‫ی‬ ‫یی‬ ‫ی‬ ‫ییی‬
‫یییییی‬ ‫ی‬ ‫ییی‬ ‫یی‬ ‫ی‬ ‫ییییی‬
‫یییی‬ ‫یی‬ ‫ییییییییی‬ ‫یی‬ ‫ییییی‬
‫ییییییی‬ ‫ی‬ ‫ییی‬ ‫یی‬ ‫ییییییی‬
‫یی‬ ‫یییییی‬ ‫ییییییی‬ ‫ی‬ ‫ییی‬
‫ییی‬ ‫یییی‬ .‫یییی‬ ‫یی‬ ‫ی‬ ‫ییییی‬
‫ییییییی‬ ‫ییییییی‬
‫ییی-یییی‬ ‫ییییی‬ ‫ییییییی‬
‫ییی‬ ‫یییی‬ ‫یی‬ ‫ییییییی‬ ‫ییی‬
‫ییییی‬
•‫ییی‬ ‫یی‬ ‫ییی‬ ‫ییییی‬4/3‫یی‬
‫ییی‬ ‫یی‬ ‫ی‬ ‫ی‬ ‫ی‬ ‫یییی‬ ‫یییی‬
‫یی‬ ‫یییییی‬ ‫ییی‬ ‫ی‬ ‫یی‬
‫ییییییی‬ ‫ییییییی‬ ‫یییی‬
‫یییییی‬ ‫یییی‬ ‫ی‬ ‫ی‬ ‫ییی‬
.‫یییی‬ ‫یی‬ ‫ییییییی‬
•‫یییی‬ ‫ییی‬ ‫ییی‬ ‫ی‬ ‫ییی‬ ‫یی‬
‫یییییی‬1.1‫یی‬4.1‫ی‬ ‫یییی‬ ‫یییی‬
‫ییییی‬ ‫یییی‬Ax‫یییییی‬
‫ی‬ ‫ییییییی‬1.0‫ی‬4.0‫یی‬ .‫ییی‬ ‫یی‬
‫یییییی‬ ‫ییی‬ ‫ی‬ ‫ییی‬ ‫ی‬ ‫یی‬
‫یییی‬ ‫یییی‬ ‫ییییی‬ ‫یی‬ ‫ییییییی‬
‫ییییییی‬ ‫ی‬ ‫یی‬ ‫ییی‬ .‫ییییی‬
‫ییی‬ ‫ی‬ ‫یییی‬ ‫ی‬ ‫یی‬ ‫ی‬ ‫ی‬ ‫ی‬ ‫ییییی‬
‫یی‬ ‫ی‬ ‫ییییی‬ ‫ی‬ ‫ییییییی‬ ‫یییی‬
‫یییی‬ ‫ی‬ ‫یییی‬ ‫ی‬ ‫ی‬ ‫ی‬ ‫ییی‬ ‫ی‬ ‫یییی‬
‫یییی‬ ‫ی‬ ‫یییی‬ ‫ی‬ ‫ی‬ ‫ییی‬ ‫یی‬
‫ییییی‬ ‫ییی‬ ‫ی‬ ‫ی‬ ‫ی‬ ‫ییییییی‬
‫ییییییییی‬ ‫یییی‬ ‫یی‬
‫یییی‬ .‫یییی‬ ‫ییییی‬
‫ییییی‬ ‫ییی‬ ‫ییییی‬
‫ییی‬ ‫ییی‬ ‫یییی‬ ‫ییییی‬
‫ییییی‬2.0‫یییییی‬ ‫یی‬
‫ییی‬ ‫ییییی‬ ‫ی‬ .‫یییییی‬
‫یی‬ ‫یییییییی‬ ‫یییی‬ ‫ییی‬
‫ییییی‬ ‫ییی‬ ‫ییی‬ ‫ییی‬
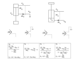
F = PA . AX +
F= Pa . Aa + Pb . Ab
‫یییییی‬ ‫یییییی‬1.1‫ی‬3.1‫یییی‬
‫ییییی‬ ‫یییی‬ ‫یی‬ ‫ی‬‫یییی‬ ‫ی‬‫یییی‬
‫یییی‬ .‫ییییی‬ ‫ی‬ ‫ی‬ ‫ی‬ ‫ییی‬P‫ییی‬
‫ی‬ ‫ییی‬ ‫یی‬ ‫ییی‬ ‫یییی‬ ‫یییی‬ ‫یییی‬
‫یییییی‬ ‫یی‬ ‫یییی‬ ‫یی‬ ‫یی‬
‫ی‬ ‫ییییی‬1.1‫ی‬3.1‫ییییی‬ ‫ی‬ ‫ی‬AX
‫ی‬ ‫ییییییی‬ ‫یییییی‬1.0‫ی‬3.0‫یی‬
‫ییی‬ ‫یی‬ ‫یی‬ ‫ییییی‬ ‫یی‬ .‫ییی‬1.0‫ی‬
3.0‫یی‬ ‫ی‬ ‫ییی‬ ‫یی‬ ‫یی‬ ‫ی‬ ‫یییی‬ ‫یی‬
‫یییی‬ ‫ی‬ ‫ییییی‬B‫یی‬A‫ییی‬ ‫یی‬1.0
‫یییی‬ ‫ی‬A‫یی‬B‫ییی‬ ‫یی‬3.0‫ییییی‬
•‫یییییی‬ ‫یییی‬ ‫ی‬ ‫یی‬ ‫یی‬2.1
‫ی‬4.1‫یی‬ ‫ی‬ ‫ییی‬ ‫ییییی‬
‫یی‬ ‫یییی‬ ‫یییییی‬ ‫ی‬ ‫یییی‬
‫ییییی‬ ‫ی‬ ‫یی‬ ‫ی‬ ‫ی‬ ‫ی‬ ‫یییی‬
‫یییییی‬ ‫ییی‬ ‫ی‬‫یی‬2.0‫ی‬4.0
‫یی‬ ‫ی‬ ‫ییییی‬ ‫ییی‬ ‫یییی‬
‫یییییییی‬ ‫ییی‬ ‫ییییی‬2.0
•‫ییی‬ ‫یییی‬ ‫ی‬ ‫ییی‬ ‫ی‬ ‫یی‬
‫ییی‬ ‫ییییی‬ ‫ی‬ ‫ی‬ ‫ییی‬
‫یی‬ ‫یییی‬ ‫ییی‬ .‫ییی‬ ‫ییییی‬
‫ی‬ ‫یی‬ ‫ی‬ ‫ییی‬4.0‫یی‬ ‫ی‬ ‫یییی‬
‫یی‬ ‫یییی‬ ‫یی‬ ‫یییی‬ ‫یی‬ ‫ییی‬
‫ییی‬ ‫ییی‬ ‫یی‬ ‫ییییی‬AB‫ییی‬
‫یی‬ ‫ی‬ ‫ییی‬ ‫ی‬ ‫ی‬ ‫یییی‬ ‫ی‬ ‫یی‬
‫یییی‬ ‫ییی‬ ‫ییی‬ ‫ییی‬ ‫یییی‬
 
•‫یییییی‬ ‫ی‬ ‫ی‬ ‫ی‬ ‫یییی‬
‫ییی‬ ‫ییی‬ ‫ی‬ ‫ی‬ ‫ی‬ ‫ییییی‬
‫یییییی‬ ‫یییییی‬ ‫یییییی‬
2.1‫ی‬4.1‫ییییی‬ ‫ییییی‬ ‫یی‬
‫یییی‬ .‫ییییی‬ ‫یی‬ ‫یییی‬P
‫ی‬ ‫یی‬ ‫ی‬ ‫یی‬ ‫ی‬ ‫یی‬14‫یی‬ ‫یی‬
‫یییییی‬ ‫یییییی‬ ‫یی‬ ‫یییی‬
•‫یییییی‬1.1‫ی‬3.1‫ییییی‬
‫ییی‬ ‫ییییی‬ ‫ی‬ ‫ییی‬ ‫ی‬ ‫ییی‬
‫یییییی‬ ‫ی‬ ‫یی‬1.0‫ی‬3.0‫یی‬
‫یییی‬ ‫ی‬‫یییی‬ ‫یی‬ ‫ییی‬ ‫ییی‬
‫ییییی‬ ‫یی‬A‫یی‬B‫ییی‬
‫ییییی‬ ‫یی‬ ‫ی‬ ‫یییی‬ ‫یییی‬
‫یییییی‬ ‫ییییی‬ ‫یی‬ ‫ی‬ ‫ی‬ ‫ی‬
•‫ییییی‬ ‫ی‬ ‫یییی‬ ‫ی‬ ‫ی‬
‫یییی‬ ‫یی‬ ‫ییییی‬ ‫یییییی‬
‫یی‬ ‫ییی‬ ‫یی‬ ‫ییییی‬ ‫ییییی‬
‫یییی‬ ‫ییییی‬ ‫یی‬ .‫ییی‬
‫ییی‬ ‫ی‬ ‫یی‬ ‫ی‬ ‫ییییی‬
‫یییییی‬ ‫یییییی‬3.1‫ی‬4.1
‫ییی‬ ‫ییییی‬ ‫ی‬‫یییی‬ ‫یی‬ ‫یی‬
•‫ییی‬ ‫ی‬ ‫ییی‬ ‫ییییی‬ ‫ی‬ ‫ی‬
‫ی‬ ‫ییییییی‬2.0‫ییی‬ ‫یی‬
‫ییی‬ ‫ییی‬ ‫یی‬ ‫ی‬ ‫ی‬ ‫ییییی‬AA
‫ییی‬ ‫یی‬ ‫ییی‬ ‫ییی‬ ‫یی‬ ‫یییی‬
‫یی‬ ‫یی‬ ‫ی‬A‫یی‬B‫یییی‬ ‫ییی‬
‫ییی‬ ‫ی‬ ‫ییییی‬ .‫ییییی‬
‫ی‬ ‫ییییییی‬1.0‫یی‬ ‫ییی‬
‫ییی‬ ‫یی‬ ‫یی‬ ‫ییییی‬ ‫ی‬ ‫یی‬
•‫یییی‬ ‫یی‬ ‫یییی‬ ‫ییی‬ ‫یی‬
‫ییییی‬ ‫یی‬ ‫ی‬ ‫یییییی‬ ‫ی‬ ‫یی‬
‫یییییی‬ ‫ی‬ ‫یی‬ ‫ی‬ ‫ی‬ ‫ی‬ ‫یی‬
‫ییی‬ .‫ییی‬ ‫ی‬ ‫ی‬ ‫ییییی‬ ‫یی‬
‫ییی‬ ‫یی‬ ‫یییی‬ ‫ی‬ ‫ی‬ ‫یی‬ ‫ییی‬
‫ییی‬ ‫یی‬ ‫ییی‬ ‫یییی‬ ‫یییی‬
‫یی‬ ‫ییی‬ .‫ییی‬ ‫ی‬ ‫ییییی‬
‫ییی‬ ‫ییی‬ ‫یییییی‬ ‫ی‬ ‫یییی‬
•‫ییی‬ ‫یییییی‬ ‫ی‬ ‫ی‬ ‫-ییییی‬
‫ییی‬ ‫ییی‬‫یی‬ ‫ی‬‫ی‬ ‫ی‬‫یییییی‬
‫یییی‬ ‫ییییی‬ ‫ی‬ ‫یی‬ ‫ی‬ ‫ی‬
‫ییی‬ ‫یی‬ ‫ی‬ ‫یییی‬ ‫ییی‬ ‫یییی‬
‫یی‬ ‫ی‬ ‫ییییییی‬ ‫ییییی‬
‫یییییی‬ ‫ییی‬ ‫یی‬ ‫ییی‬ ‫ییی‬
‫یی‬ ‫یییی‬ ‫ی‬ ‫ی‬ ‫یی‬ ‫ی‬ ‫ییی‬
.‫یییی‬
•‫یییی‬ ‫ییی‬ ‫یییی‬ ‫ی‬ ‫-یییی‬
.‫یییی‬ ‫یی‬ ‫ییی‬ ‫ییی‬ ‫ییییی‬
•‫یییی‬ ‫ییی‬ ‫ییی‬ ‫-یییییی‬
‫ییییییییی‬ ‫ی‬ ‫ی‬ ‫ییییی‬
‫یییی‬ ‫ییییی‬ ‫یییی‬
•‫ییییی‬ ‫ییی‬ ‫ی‬ ‫ی‬ ‫-یییییی‬
‫ییییییی‬ ‫ی‬ ‫یی‬ ‫ی‬ ‫یی‬ ‫ی‬ ‫یی‬
‫ییی‬ ‫ییی‬ ‫یی‬ ‫ییی‬ ‫یی‬ ‫یی‬
ELECTRIC MOTORS & WIRING
• 1) Install the power pack so that the warm air blown out by
the motors will not enter the motorsagain. The
• minimum distance between the wall and the inlet should be
approximately a quarter of the inlet opening
• diameter.
• 2) The electrical wiring of the power pack must be
undertaken only by a qualified electrician. Both electric
• motors used on the hydraulic pump and cooling fan should be
wired in a three phase delta configuration to
• provide optimum power unless stated otherwise.
• 3) Make sure to use the correct cable specifications, based on
the rated current stamped on the name plate.
• In high altitude applications the motor may be derated.
• 4) Before energizing the motors make certain the grounding
complies with the recommended standards.
• Also ensure the hydraulic tank is full and the pump has been
cleared of all air locks.
• 5) The electrician must ensure the direction of rotation
of the motors are correct. If the direction of rotation
• is reversed the hydraulic pump will be seriously
damaged in a very short period of time. Jog the motor
to
• verify the direction of rotation.
• 6) The motors must start up and run smoothly in the correct
direction. In case this does not occur, turn it
• off immediately and check the connections before re-starting.
• 7) Run the motor and check the current at the rated full
load*. Compare the power generated hydraulically
• to that dissipated in the electric motor and then check it
against the maximum current rating stamped on
• the name plate of the electric motor. The equation to
determine the power available in the hydraulic system
• is as follows:
• HORSE POWER = [FLOW (GPM) x PRESSURE (PSI)]
/ [1714 x efficiency]
• And the power consumed by the electric motor
is:
• HORSE POWER = 1.73 x LINE VOLTAGE x LINE
CURRENT x COS Ø ÷ 746
• Take cos Ø to be 0.8 and pump efficiency at 93%
• Load Sensing
• The load sensing pump is commonly used in
the implement and steering systems of mobile
equipment. It
• is also exclusively used in all stationary boom
systems. The pump can be set to run at a pre-
set standby
• pressure. The pump will, on demand, supply
the required pressure.
297
Applications of Accumulators (1)Applications of Accumulators (1)
Several gas bottles serving a single piston accumulator through
a gas manifold to provide a large capacity of fluid storage.
298
Applications of Accumulators (2)Applications of Accumulators (2)
Several piston accumulators through a fluid manifold to
provide a large capacity of fluid storage.
301
Power Regeneration DevicesPower Regeneration Devices
-- Stand-by Recharger
This application ensures that as long as the pump is running, a
pilot pressure of 520 Pa is available for other circuits even if the
main line pressure is lost.
Pilot Operated C.V.
• There are two types: internal and
externally drained and they have a
significant effect on sizing and
application.
Pilot operated check valve, internally drained
Pilot operated check valve, externally drained
Example of using pilot checks
The following examples show how a pilot operated
checkvalve is often used.
4/3-way proportional
valve with electrical
amplifier
Comparison of switching valves and proportional valves
• The advantages of proportional valves in
comparison with switching
• valves has already been explained in sections
1.2 to 1.4 and are
• summarised in table 1
• Comparison of proportional and servohydraulics
• The same functions can be performed with servo
valves as those with proportional valves. Thanks
to the increased accuracy and speed,
servotechnology even has certain advantages.
Compared with these, the advantages of
proportional hydraulics are the low cost of the
system and maintenance requirements:
• The valve design is simpler and more cost-effective.
• The overlap of the control slide and powerful proportional
solenoids
• for the valve actuation increase operational reliability. The
need for filtration of the pressure fluid is reduced and the
maintenance inter- vals are longer.
• Servohydraulic drives frequently operate within a closed loop
circuit.
• Drives equipped with proportional valves are usually
operated in the form of a contol sequence, thereby obviating
the need for measuring systems and controller with
proportional hydraulics. This correspon- dingly simplifies
system design.
• Solenoid design
• The proportional solenoid is derived from the
switching solenoid, as used in electro-
hydraulics for the actuation of directional
• control valves. The electrical current passes
through the coil of the
• electro-solenoid and creates a magnetic field.
• The magnetic field develops a force directed
towards the right on to the rotatable
armature.
• This force can be used to actuate a valve.
• proportional solenoid has a differently
formed control cone, which consists of non-
magnetisable material and influences the
pattern of the magnetic field lines.
Mode of operation of a proportional solenoid
• With the correct design of soft magnetic
parts and control cone, the following
approximate characteristics are obtained:
• The force increases in proportion to the
current, i.e. a doubling of the current results
in twice the force on the armature.
• The force does not depend on the position of
the armature within the operational zone of
the proportional solenoid.
• In a proportional valve, the proportional solenoid
acts against a spring, which creates the reset force .
• The spring characteristic has been entered in the two
characteristic fields of the proportional solenoid.
• The further the armature moves to the right, the
greater the spring force.
• With a small current, the force on the
armature is reduced and accordingly, the
spring is almost released.
• The force applied on the armature increases,
if the electrical current is increased. The
armature moves to the right and compresses
the spring
Actuation of pressure, flow control and directional control valves
• In pressure valves, the spring is fitted between the
proportional solenoid and the control cone (fig 2.3a).
• With a reduced electrical current, the spring is only slightly
pretensioned and the valve readily opens with a low pressure.
• The higher the electrical current set through the
proportional so lenoid, the greater the force applied on the
armature. This moves to the right and the pretensioning of the
spring is increased.
• The pressure, at which the valve opens, increases in
proportion to the pretension force, i.e. in proportion to the
armature position and the electrical current.
Magnetising effects, friction and flow forces impair the
performance of the proportional valve. This leads to the
position of the armature not being exactly proportional to
the electrical current.
A considerable improvement in accuracy may be obtained by
means of closed-loop control of the armature position (fig.
2.4).
The position of the armature is measured by means
of an inductive measuring system.
The measuring signal x is compared with input signal
y.
The difference between input signal y and
measuring signal x is amplified.
An electrical current I is generated, which acts on
the proportional solenoid.
• In the case of reduced electrical
current, the spring is only slightly
compressed.
• The spool is fully to the left and the
valve is closed.
• With increasing current through the
proportional solenoid, the spool is
pushed to the right and the valve
opening and flow rate increase.
• The proportional solenoid creates a force,
which changes the position of the armature in
such a way that the difference between input
• signal y and measuring signal x is reduced.
• The proportional solenoid and the positional
transducer form a unit,which is flanged onto
the valve.
• With a proportional pressure valve, the pressure in a
hydraulic system can be adjusted via an electrical signal.
• Pressure relief valve
• Fig. 2.5illustrates a pilot actuated pressure relief valve
consisting of a preliminary stage with a poppet valve and a
main stage with a control spool. The pressure at port P
acts on the pilot control cone via the hole in the control
spool. The proportional solenoid exerts the electrically
adjustable counterforce.
Overlap
The overlap of the control edges influences the flow/signal function.
Fig. 3.5clarifies the correlation between overlap and flow/signal function
using the examples of a proportional directional control valve:
In the case of positive overlap, a reduced electrical current causes
a deflection of the control spool, but the flow rate remains zero. This
results in a dead zone in the flow/signal function.
In the case of zero overlap, the flow/signal function in the low-level
signal range is linear.
In the case of negative overlap, the flow/signal function in the small
valve opening range results in a greater shape.
In practice, proportional valves generally have a positive overlap.
This is useful for the following reasons:
The leakage in the valve is considerably less in the case of a spool mid-
position than with a zero or negative overlap.
In the event of power failure, the control spool is moved into mid-position
by the spring force (fail-safe position).
Only with positive overlap does the valve meet the requirement of closing
the consuming ports in this position.
The requirements for the finishing accuracy of a control spools and
housing are less stringent than that for zero overlap.
Control edge dimensions
The control edges of the valve spool can be of different
form. The following vary (fig. 3.6):
shapes of control edges,the number of openings on
the periphery, the spool body (solid or drilled sleeve).
The drilled sleeve is the easiest and most cost
effective to produce.
Fig. 3.6
Spool with different
control edge patterns
illustrates the flow/signal function for two different types of
control edge:
With reduced electrical current, both control edges
remain closed due to the positive overlap.
The rectangular control edge causes a practically
linear pattern of the characteristic curve.
The triangular control edge results in a parabolic
flow/signal function.
The remedy for this is counter pressure via a pressure relief valve.
This measure results in a higher pressure in both chambers and
cavitation is eliminated.
The pressure relief valve is additionally pressurised with the pressure
from the other cylinder chamber. This measure causes the opening
of the pressure relief valve when the load is accelerated, thereby
preventing the counter pressure having any detrimental in this
operational status.
Counter pressure
When decelerating loads, the pressure in the
relieved cylinder chamber may drop below the
ambient pressure. Air bubbles may be created
in the oil as a result of the low pressure and
the hydraulic system may be damaged due to
cavitation.
Proportional restrictors and proportional
directional control valves are 5.2 Leakage
available in the form of spool valves. With
spool valves, a slight leak- prevention age
occurs in the mid-position, which leads to slow
“cylinder creep” with a loaded drive.
It is absolutely essential to prevent this
gradual creep in many applications, e.g. lifts.
In the case of an application, where the load
must be maintained free of leakage, the
proportional valve is combined with a poppet
valve. Fig. 5.5 illustrates a circuit with
proportional directional control valve and a
piloted, (delockable) non-return valve.
• A pressure compensator maintains a constant
pressure drop across a metering device
regardless of the load induced pressure on the
function. There are only two types of
compensation methods used in hydraulic flow
control functions. These are pre- and post-
style compensation. Pre and Post refer to the
position of the pressure compensating
element relative to the metering element.
Intensifiers
•
•.
•
•
•
•1
•2
•) "booster
• .
• .
. Oversize-rod intensifier.
Intensifiers do not need relief valves because they stall at maximum pressure.
Motor-type flow-divider/intensifier
Motor-type flow divider used as an intensifier. At rest with pump running.
11 .
• 22 .
• 3A 3 .
Pressurized Air at 50 to 120 PSI.
50120
Exhausting Air.
Oil at Low Pressure.
Oil at Intensified Pressure.
•
•
•
•
•2
•)A1()A2(
•p = 1000 psi
•A = 10 square inches
•F10,000lb
•60,000lb
•A13F300060/000
•)A2(
10)6000lb/sq. in.) x (10 sq. in.) = 60,000 lb
•
•(3inches) x (10 square inches) = 30 cubic inches
•
•= (30cu. in.) / (1/2 sq. in.) = 60 inches = 5 feet
•
•
هیدرولیک کاربردی
هیدرولیک کاربردی

هیدرولیک کاربردی

  • 2.
  • 3.
  • 4.
    •‫ددددددد‬ ‫دددددد‬ •‫ددددددد‬ ‫ددددددد‬ •‫ددددددد‬‫ددددددد‬ •‫ددددددد‬ ‫د‬ ‫ددددد‬ ‫ددددددد‬ •‫ددددددد‬ ‫ددددد‬ ‫دددد‬
  • 6.
  • 7.
  • 8.
       t s v = Vft/sec, m/sec,in/sec, Sinch, ft. meter, Tsec, or minute
  • 9.
    ))   maF = F = m= a = FSW = F = W = S =
  • 10.
     .HPKW  1 HP = 550 ft-lb/sec or 33,000 ft-lb/min. I watt = 1 N-m/sec  (1 Joule/sec  I HP = 746 W = 0.746 KW Hydraulic Power (W) = p (N/m2 ) x Q (m3 /sec) t FS P = P = , in-lb/sec, ft-lb/sec, N-m/ sec (w) v = s÷t,  P = F* v  (Power = Force x Velocity)
  • 11.
  • 12.
  • 13.
     2 2 1 1 A F A F = Piston 1 Piston 2 A1 A2 Fin = F1 Fout = F2 p1 p2 1 2 1 2 A A F F = S1 S2 V1 =V2 A1S1 = A2S2 2 1 1 2 S S F F = 2 1 1 2 A A S S = F1S1 = F2S2: p1 = p2.
  • 14.
  • 15.
    Conservation of Energy  Kinetic Energy(KE): If W lbs of fluid is moving with a velocity v, it contains kinetic energy 2 2 1 V g W KE = KE has unit of ft-lb g = acceleration due to gravity (32.2 ft/sec2 or 9.81 m/sec2 The total energy      ET  remains constant tConsV g Wp WZET tan 2 1 2 =++= γ W lb of Fluid v Z Zero elevation reference p p p p
  • 16.
    . w1 = w2 γ1A1v1= γ2A2v2 1 2 V1 V2 D1 D2 Fluid in (W or Q) Fluid out (W or Q) A=,v=,γ=
  • 17.
     Q1 = A1V1= A2V2 = Q2 ( ) ( ) 2 1 2 2 1 2 2 1 4 4 D D A A v v π π ==
  • 18.
     D1 = 4 inches,  D2= 2 inches, v1 = 4 ft/sec Q2V2 : Q = Q1= A1v1 = x4 = 0.0873 ft2 x 4 ft/sec = 0.349 ft3 /sec 2 12 4 4      π sec/16 2 4 4 22 2 1 12 ft D D vv =      =      = 2: 
  • 19.
     Hydraulic poweris delivered by hydraulic fluid to a load driving device such as hydraulic cylinder Piston Rod Q FLoad p Design Considerations: 1) Size of piston/diameter 2) Pump flow rate to drive the cylinder 3) Hydraulic HP (HHP) delivered by fluid
  • 20.
    Hydraulic Cylinder Circuit Double Acting Hydraulic Cylinder 1.When the four way valve is in center position, cylinder is hydraulically locked 2. When the valve is actuated per left envelope, cylinder extends 3. Oil at the rod end flows back to the tank via the four way valve.
  • 21.
    Application of Pascal’s Law hyd-shovel-pistons.mpeg Single acting cylindercan apply force only in extending direction Double acting cylinder can apply forces in both extension and retracting stroke
  • 23.
    An Overview • Typesof Pumps • Features of various Pumps • Selection of pumps • Performance Calculation • Flow control strategies • Energy saving measures in Pumps
  • 24.
    Types of Pumps •Dynamic Pumps – Centrifugal – Special effect pumps • Displacement Pumps – Rotary – Reciprocating
  • 25.
    Order of Preference •Centrifugal • Rotary • Reciprocating
  • 55.
  • 56.
  • 57.
  • 62.
  • 63.
  • 74.
  • 75.
  • 77.
  • 78.
  • 79.
  • 81.
    HP •HP :  •1 -                                                  Work = ForceX Distance  •  2 -                                                     Power = Work / Time • •    3 –Power = Force X Distance / Time •        )GPM( )PSI( 
  • 82.
    •HP •HP = GPMX PSI X .000583  •30GPM(
  • 84.
  • 86.
    • HP =GPM X PSI X .000583 • HP = 30 GPM X 1500 PSI X .000583 • HP = 45,000 X .000583 • HP = 26.2
  • 87.
    •10085 – 90  •87.000583/87) %or .87(.00067 •HP = GPM X PSI X .00067 • HP = 30 GPM X 1500 PSI X .00067 • HP = 45,000 X .00067 • HP = 30
  • 88.
  • 89.
  • 91.
  • 93.
  • 95.
  • 98.
  • 99.
    • • dp =port_A.p - port_B.p •1dp < p •  < ===   : •
  • 100.
    • q =dp * G () • 2) p closed < dp < p open • • 3) p open < dp • • q = dp * G Open
  • 102.
  • 104.
  • 105.
  • 106.
  • 107.
  • 108.
  • 110.
    What is DeltaP? •∆ p P1-P2 = ∆ p
  • 112.
  • 113.
  • 114.
    Positive Displacement Pumps •Positive displacement pumps have much smaller clearances between parts. This reduces the back pressure within the pump and provides a much higher efficiency when used in a high pressure system. • The output flow is basically the same for each pump revolution. • Positive displacement pumps are rated two ways. – Maximum system pressure – Specific output per revolution or a given speed.
  • 115.
    Positive Displacement Pumps •When expressed in output per revolution, the flow rate can be easily converted by multiplying by the speed in rpm and dividing by a constant. – ie: a pump that rotates @ 2000rpm and a flow of 11.55 in³/rev – GPM = in³/rev X rpm 231 – GPM = 11.55 X 2000 231 GPM = 100
  • 116.
    Fixed Displacement vs.Variable Displacement • The output flow of a fixed displacement pump is only changed by the varying speed of the pump. • Variable displacement pumps have a device to control output flow without changing input shaft rotation speed.
  • 117.
    Gear Pumps • Parts –1. – Seal retainers – 2. – seals – 3. – seal back-ups – 4. – isolation plates – 5. – spacers – 6. – drive gear – 7. – idler gear – 8. – housing – 9. – mounting flange – 10. – flange seal – 11. – pressure balance plates – Bearings are mounted in the housing and a mounting flange on each side to support the gear shafts during rotation. 1 2 3 4 5 6 7 8 9 10 11
  • 118.
    Gear Pumps • Positivedisplacement pump • Pump output can only be changed by changing the speed of rotation • Has a maximum operating pressure of 4000 psi. If pressures above 4000 psi are present too much side pressure is exerted on the gear shafts and tend to create gear tooth to housing contact. • Under normal conditions maintains a volumetric efficiency above 90%.
  • 119.
    Gear pump flow •Gear pump output flow at a given speed is determined by the tooth depth and gear width. • As the pump rotates, the oil is carried between the gear teeth and the housing from the inlet side to the outlet side of the pump. The direction of rotation is determined by the location of the inlet and outlet ports. The direction will always direct oil around the outside of the gears from the inlet port to the outlet port. • Usually the inlet port is larger than the outlet port.
  • 120.
    Pressure Balance Plates •There are two types used in gear pumps. – The earlier type has a flat back. This type uses a isolation plate, a back-up for the seal, a seal shaped like a 3, and a seal retainer. – The newer type has a groove shaped like a 3 cut into the back and is thicker than the earlier type. Two types of seals are used with the newer type of pressure balance plates.
  • 121.
    Vane Pumps • Arepositive displacement pumps. The output can be either fixed or variable • Parts – 1. housing – 2. cartridge – 3. mounting plate – 4. mounting plate seal – 5. cartridge seals – 6. backup rings – 7. snap ring – 8. input shaft and bearing – 9. support plates – 10. ring – 11. flex plates – 12. slotted rotor – 13. vanes 1 2 3 4 5 6 7 8 9 10 11 12 13
  • 122.
    Vane Pump Operation •The vanes are initially held against the cam ring by centrifugal force created by the rotation of the rotor. As flow increases, the resultant pressure that builds from the resistance to that flow is directed into passages in the rotor beneath the vanes. • This pressurized oil keeps the vane tips pushed against the can ring to form a seal.
  • 123.
    Flex plates • Thesame pressurized oil is also directed between the flex plates and the support plates to seal the sides of the rotor and the end of the vanes. The kidney shaped seals must be installed in the support plates with the rounded o-ring side into the pocket and the flat plastic side against the flex plate.
  • 124.
    Vane Pump Operation •When the rotor rotates around the inside of the cam ring, the vanes slide in and out of the rotor slot to maintain the seal against the cam ring. • As the vanes move out of the slotted rotor, the volume between the vanes increases. This creates a vacuum that allows oil to flow into the space. As the rotor continues to rotate, a decrease in the distance between the ring and the rotor causes a decrease in volume. The oil is then pushed out of that segment of the rotor into the outlet passage. • Vane pumps have a maximum operating pressure of 4000 psi. 3300 psi in mobile applications.
  • 125.
    Variable Vane Pump •These pumps are controlled by shifting a round ring back and forth in relation to the rotor centerline. • These pumps are seldom used in mobile applications
  • 126.
    Piston Pumps andMotors • Parts – 1. head – 2. housing – 3. shaft – 4. pistons – 5. port plate – 6. barrel – 7. swash plate • The two types of piston pumps are axial piston and radial piston. Both are highly efficient, positive displacement pumps. However the output of some pumps are fixed and the output of other are variable 1 2 3 4 5 6 7
  • 127.
    Axial Piston Pumpsand Motors • The fixed displacement axial piston pumps are built with straight or angled housing the basic operation is the same. • Here we have a positive displacement axial piston pump and a variable displacement pump.
  • 128.
    Angled Housing AxialPiston Pump and motors • Operation is the same as a straight housing motor with a angled swash plate. • Some smaller pumps are designed for up to 10,000psi but for most mobile equipment 7,000psi is the max.
  • 129.
    Radial Piston Pump •In the radial piston pump the pistons move outward and inward in a line that is 90 degrees to the centerline of the shaft. • Pump operation
  • 130.
    Conjugate Curve Pump •Most common referred to as a GEROTOR pump. • The inner and outer members rotate within the pump housing. Pumping is achieved by the way the lobes on the inner and the outer member contact each other during rotation. As the inner and outer members rotate, the inner member walks around inside the outer member. The inlet and outlet ports are located on the end covers of the housing. The fluid entering through the inlet is carried around to the outlet and squeezed out when the lobes mesh.
  • 131.
    Pump ISO Symbols •Pump symbols are distinguished by a dark triangle in a circle with the point of the triangle pointing toward the edge of the circle. An arrow across the circle indicates a variable output per revolution
  • 132.
  • 133.
    Proportional solenoid Main reliefvalveExternal pressure of the pump Main pump
  • 134.
    Q min limitscrew Q max limit screw High pressure connection Leak oil connection Main pump
  • 135.
    Control valve High pressureactuator Plunger Housing Drive shaft Plunger Mirror plate Stroke limiter Steering pressure actuator Main pump
  • 136.
  • 137.
    Drive manifold Brake/reverse relief valve Drive/forwards reliefvalve Drive/forwards solenoid Brake/reverse solenoid
  • 138.
  • 139.
  • 140.
    Hydraulic coolers Cooler valve Fanpump Bypass valve Hydraulic coolers
  • 141.
  • 142.
  • 143.
    Main relief valve Clamppressure switch Eccentric moment min relief valve Eccentric moment max relief valve Clamp/RF-manifold
  • 144.
    Bypass solenoid Eccentric momentmin. solenoid Eccentric moment max. solenoid Clamp open solenoid Clamp Close solenoid Clamp Close pressure adjust screw Clamp/RF-manifold
  • 145.
  • 146.
  • 147.
    Lube oil coolerin Female coupler Lube oil cooler out Male coupler Lube oil cooler
  • 148.
  • 149.
  • 150.
    The parker SP500 0-500Bar 0.5-4.5V JUMO temperature sensor Pt-2000 IQAN sensors
  • 189.
    The proportional flowcontrol valve is a direct operated cartridge valve in spool design with integrated pressure compensator. It regulates the flow proportionally to the input signal in a continuous form from main port to .① ③ Superfluous resid ual flow is led to the tank or to another actuator via port .②
  • 190.
    The valve basicallycomprises of housing, control spool, con trol spring, pressure compensator piston, orifice bush, pres sure compensator spring as well as proportional solenoid (1) with central thread and detachable coil.
  • 191.
    Function With de-energized proportionalsolenoid (1), the control spool that is always pressure-compensated to the actuating forces due to its constructive design is held in the initial position by the control spring and blocks the flow between main port and . By① ③ energizing the proportional solenoid (1), the control spool is adjusted directly proportional to the electrical input signal and, via orifice-like cross-sections (with progressive
  • 193.
    ‫یییییی‬ ‫یییییی‬ ‫ییی‬ ‫ییییییی‬ •‫یی‬‫ییییییی‬ ‫یییییی‬ ‫ی‬ ‫ییییی‬ ‫ییییی‬ ‫یی‬ ‫یییی‬ ‫ییییی‬ ‫یی‬ ‫ییییییییی‬ ‫ییییییییی‬ ‫ی‬ ‫ییییی‬ ‫ییی‬ ‫یی‬ ‫ییییی‬ •‫ییییییییی‬Din 24342 .‫یییییی‬ ‫ییییی‬ ‫ییییی‬
  • 194.
    ‫ییییی‬ ‫یی‬ ‫ییییی‬‫ییییی‬ ‫ییی‬ ‫یی‬ ‫ییییییی‬ ‫ییییییییی‬ ‫ییی‬ ‫ییییی‬ •‫ییییییی‬ ‫ییی‬2/2‫ییی‬ ‫یی‬ ‫ی‬ ‫ییییی‬ ‫ییییی‬ ‫یی‬ ‫یی‬ ‫ییی‬ ‫ییییی‬ ‫یی‬ ‫ی‬ ‫ی‬ ‫یییی‬ ‫ییی‬ .‫یییی‬ ‫ی‬ ‫ی‬ ‫یی‬ ‫یی‬ ‫ی‬ ‫ی‬ ‫یی‬ ‫ییی‬ ‫یی‬ ‫یی‬ ‫یی‬ ‫ی‬ ‫یییی‬
  • 196.
    •‫یی‬ ‫ی‬ ‫ییی‬‫ی‬ ‫ی‬ ‫ی‬ ‫یییی‬ ‫ی‬ ‫یی‬ ‫یییی‬ ‫ی‬ ‫یییییییی‬ ‫یییی‬ ‫یییییی‬ ‫ی‬ ‫یییی‬ ‫ییییی‬ ‫ی‬ ‫ییییی‬ ‫ییییی‬ ‫ییی‬ ‫یی‬ .‫ییییی‬ ‫یییییییی‬ ‫یییی‬ ‫یییییی‬ ‫ییی‬ ‫یییی‬ ‫یییی‬ ‫یی‬ ‫یی‬ ‫ییییییی‬ ‫یییییی‬ ‫یی‬ ‫یییییی‬ ‫یی‬ ‫یییییییی‬ ‫ییییی‬ ‫ییییی‬ ‫یییییییی‬
  • 197.
    •‫ییی‬ ‫ییییی‬ ‫ییییی‬ •‫ییییی‬‫ییییی‬ ‫ییییی‬ •‫یییی‬ ‫ییییی‬ ‫ییییی‬ •‫ییییییی‬ ‫یی‬ ‫ی‬ ‫ییی‬ ‫ی‬ ‫ی‬ ‫یی‬ ‫ییییی‬ ‫ی‬ ‫ییی‬ ‫یییی‬ ‫یییییی‬ ‫ییییی‬ ‫ی‬ ‫یی‬ ‫یییی‬ ‫یی‬ ‫ییی‬ ‫یی‬
  • 199.
    •‫ییی‬ ‫ی‬ ‫یییی‬‫یییییی‬ ‫ی‬ ‫ییییی‬ ‫یی‬ ‫ی‬ ‫یییییی‬ ‫ییی‬ ‫یییی‬ ‫یییی‬ ‫یییی‬ ‫یییییییی‬ ‫ییی‬ ‫ییی‬ .‫ییی‬ ‫یییی‬ ‫ییییی‬ ‫ییی‬ ‫یی‬ ‫ی‬ ‫ی‬ ‫ییی‬ ‫یییی‬ ‫یی‬ ‫ی‬ ‫یی‬ ‫ییی‬
  • 203.
    •‫ییییییی‬ ‫ییی‬ ‫یییییی‬ ‫یییی‬‫یی‬ ‫ییی‬ ‫ییییییی....یی‬ ‫یی‬ ‫ییی‬ ‫یی‬ ‫یییییی‬ ‫ییی‬ ‫یییییی‬ ‫ییییی‬ ‫یییی‬ ‫ییییی‬ ‫ی‬ ‫ی‬ ‫ییییی‬
  • 204.
    •‫یییی‬ ‫ی‬ ‫ی‬‫ییییی‬ ‫یییی‬ ‫ییی‬ ‫ییییییییی‬ ‫ی‬ ‫ی‬ ‫یییی‬ ‫ییییییی‬ ‫ی‬ ‫ی‬ ‫یی‬ ‫یی‬ ‫ییی‬ ‫ی‬ ‫یییی‬ ‫ی‬ ‫ی‬ ‫یی‬ ‫ییی‬ ‫ی‬ ‫ییی‬ ‫ی‬ ‫ی‬ ‫ییییی‬ ‫)ییی‬ ‫ییی‬ ‫ییییی‬ ‫ییی‬ ‫ییییییی‬ ‫ی‬ ‫یی‬ (‫یییییی‬
  • 205.
  • 206.
    ‫یی‬ ‫ی‬ ‫یییی‬‫یی‬ ‫ییی‬ ‫یییییی‬ ‫یی‬ ‫ییی‬ ‫ییییی‬ ‫ییییی‬ ‫ییی‬ ‫ییییی‬ ‫ییییی‬A1‫ی‬A2 ‫ی‬‫یییی‬Aa‫ی‬Ab‫ییی‬ ‫ییی‬ ‫یی‬ ‫ییی‬ ‫یییییی‬ ‫ییی‬ ‫ییی‬ ‫ییی‬ ‫ی‬ ‫یییی‬Ax‫یییی‬ ‫ی‬ ‫یی‬ ‫یی‬ ‫ییییی‬ ‫ییی‬ ‫ییی‬ ‫ییییی‬.
  • 207.
    ‫یی‬ ‫ی‬ ‫یییی‬‫ی‬ ‫ییی‬ ‫یی‬ ‫ییی‬ ‫ی‬ ‫ی‬ ‫ییییی‬ ‫ی‬ ‫یی‬ ‫یییییی‬ ‫ییییی‬ ‫ییی‬ ‫ییییی‬ ‫ییی‬ ‫یییییییی‬ ‫یییی‬ ‫ییییی‬ ‫ییی‬ ‫یی‬ ‫ییی‬ ‫ییییی‬ ‫یی‬A‫یی‬B‫یییی‬ ‫ییییی‬ ‫ییییی‬ ‫یی‬ ‫ی‬ ‫ییی‬ Ax‫یی‬‫یی‬ ‫ی‬‫یی‬ ‫ی‬‫ییی‬A‫یی‬B
  • 208.
    ‫ییی‬ ‫ییییی‬ ‫ییی‬‫یییییی‬ ‫ییییی‬ ‫ی‬ ‫ییییی‬ ‫ییی‬ ‫ی‬ ‫ی‬ Px . Ax‫یی‬ ‫ی‬ ‫یییی‬ ‫ییی‬ ‫ی‬ ‫ی‬ ‫یییییی‬ .‫ییییی‬ ‫یییی‬ ‫ی‬ ‫ی‬ ‫ی‬ ‫ییییییی‬ ‫یییی‬ ‫یی‬ ‫ییی‬ ‫ییییییی‬Pa
  • 209.
    ‫ییییی‬ ‫ییییی‬ ‫یییی‬‫یی‬ ‫یییی‬ ‫ییییییی‬ ‫یییی‬ ‫یییی‬ ‫یی‬ .‫ییییییی‬ ‫یییی‬ ‫ییی‬ ‫یییی‬ ‫یییییییی‬ :‫یی‬ ‫ییییییی‬ ‫ییییییی‬ ‫ییییی‬ ‫یی‬ ‫ییییییی‬ ‫یییی‬ ‫یییی‬ ‫ییی‬
  • 210.
    ‫ییییییی‬ ‫ییی‬ ‫یی‬‫ییییییی‬ ‫ییییی‬ ‫ییییی‬ ‫ییییی‬ ‫یی‬ ‫یی‬ ‫ییی‬ ‫یی‬ ‫یییی‬ ‫یی‬ ‫ییییی‬ ‫یییییی‬ ‫ییی‬ ‫یییی‬ ‫یییی‬ ‫یی‬ ‫ییی‬ ‫یی‬ ‫یییی‬ ‫ییییییی‬ ‫ییی‬ ‫یی‬ ‫ییییی‬ ‫یییی‬ ‫ییی‬ ‫ییی‬ ‫یییییی‬ ‫یی‬ ‫یییی‬ ‫یی‬ ‫یییییی‬
  • 211.
    ‫ی‬ ‫ییییی‬ ‫یی‬‫ی‬ ‫یییییی‬ ‫یییییی‬ ‫ی‬ ‫ییییی‬ ‫یی‬ ‫ی‬ ‫ی‬ ‫ی‬ ‫ییی‬ ‫یی‬ ‫ی‬ ‫ییی‬ ‫یی‬ ‫ییی‬ ‫یی‬ ‫یییی‬ .‫یییی‬ ‫ییی‬ ‫یی‬ ‫ی‬ ‫ی‬ ‫ی‬ ‫یییی‬ ‫ی‬ ‫یییییی‬ ‫ییییییی‬ ‫ی‬‫ییی‬ ‫ییی‬ ‫ی‬ ‫ی‬ ‫ی‬ ‫یییی‬ ‫یییییی‬ ‫ییییی‬ ‫ی‬ ‫یی‬ ‫ی‬ ‫ییی‬ ‫یییییی‬ ‫ی‬ ‫ییی‬ ‫یی‬ ‫ی‬ ‫ییییی‬ ‫یییی‬ ‫یی‬ ‫ییییییییی‬ ‫یی‬ ‫ییییی‬ ‫ییییییی‬ ‫ی‬ ‫ییی‬ ‫یی‬ ‫ییییییی‬ ‫یی‬ ‫یییییی‬ ‫ییییییی‬ ‫ی‬ ‫ییی‬ ‫ییی‬ ‫یییی‬ .‫یییی‬ ‫یی‬ ‫ی‬ ‫ییییی‬
  • 212.
    ‫ییییییی‬ ‫ییییییی‬ ‫ییی-یییی‬ ‫ییییی‬‫ییییییی‬ ‫ییی‬ ‫یییی‬ ‫یی‬ ‫ییییییی‬ ‫ییی‬ ‫ییییی‬ •‫ییی‬ ‫یی‬ ‫ییی‬ ‫ییییی‬4/3‫یی‬ ‫ییی‬ ‫یی‬ ‫ی‬ ‫ی‬ ‫ی‬ ‫یییی‬ ‫یییی‬ ‫یی‬ ‫یییییی‬ ‫ییی‬ ‫ی‬ ‫یی‬ ‫ییییییی‬ ‫ییییییی‬ ‫یییی‬ ‫یییییی‬ ‫یییی‬ ‫ی‬ ‫ی‬ ‫ییی‬ .‫یییی‬ ‫یی‬ ‫ییییییی‬ •‫یییی‬ ‫ییی‬ ‫ییی‬ ‫ی‬ ‫ییی‬ ‫یی‬
  • 215.
    ‫یییییی‬1.1‫یی‬4.1‫ی‬ ‫یییی‬ ‫یییی‬ ‫ییییی‬‫یییی‬Ax‫یییییی‬ ‫ی‬ ‫ییییییی‬1.0‫ی‬4.0‫یی‬ .‫ییی‬ ‫یی‬ ‫یییییی‬ ‫ییی‬ ‫ی‬ ‫ییی‬ ‫ی‬ ‫یی‬ ‫یییی‬ ‫یییی‬ ‫ییییی‬ ‫یی‬ ‫ییییییی‬ ‫ییییییی‬ ‫ی‬ ‫یی‬ ‫ییی‬ .‫ییییی‬ ‫ییی‬ ‫ی‬ ‫یییی‬ ‫ی‬ ‫یی‬ ‫ی‬ ‫ی‬ ‫ی‬ ‫ییییی‬ ‫یی‬ ‫ی‬ ‫ییییی‬ ‫ی‬ ‫ییییییی‬ ‫یییی‬ ‫یییی‬ ‫ی‬ ‫یییی‬ ‫ی‬ ‫ی‬ ‫ی‬ ‫ییی‬ ‫ی‬ ‫یییی‬ ‫یییی‬ ‫ی‬ ‫یییی‬ ‫ی‬ ‫ی‬ ‫ییی‬ ‫یی‬ ‫ییییی‬ ‫ییی‬ ‫ی‬ ‫ی‬ ‫ی‬ ‫ییییییی‬
  • 216.
    ‫ییییییییی‬ ‫یییی‬ ‫یی‬ ‫یییی‬.‫یییی‬ ‫ییییی‬ ‫ییییی‬ ‫ییی‬ ‫ییییی‬ ‫ییی‬ ‫ییی‬ ‫یییی‬ ‫ییییی‬ ‫ییییی‬2.0‫یییییی‬ ‫یی‬ ‫ییی‬ ‫ییییی‬ ‫ی‬ .‫یییییی‬ ‫یی‬ ‫یییییییی‬ ‫یییی‬ ‫ییی‬ ‫ییییی‬ ‫ییی‬ ‫ییی‬ ‫ییی‬
  • 217.
    F = PA. AX + F= Pa . Aa + Pb . Ab
  • 218.
    ‫یییییی‬ ‫یییییی‬1.1‫ی‬3.1‫یییی‬ ‫ییییی‬ ‫یییی‬‫یی‬ ‫ی‬‫یییی‬ ‫ی‬‫یییی‬ ‫یییی‬ .‫ییییی‬ ‫ی‬ ‫ی‬ ‫ی‬ ‫ییی‬P‫ییی‬ ‫ی‬ ‫ییی‬ ‫یی‬ ‫ییی‬ ‫یییی‬ ‫یییی‬ ‫یییی‬ ‫یییییی‬ ‫یی‬ ‫یییی‬ ‫یی‬ ‫یی‬ ‫ی‬ ‫ییییی‬1.1‫ی‬3.1‫ییییی‬ ‫ی‬ ‫ی‬AX ‫ی‬ ‫ییییییی‬ ‫یییییی‬1.0‫ی‬3.0‫یی‬ ‫ییی‬ ‫یی‬ ‫یی‬ ‫ییییی‬ ‫یی‬ .‫ییی‬1.0‫ی‬ 3.0‫یی‬ ‫ی‬ ‫ییی‬ ‫یی‬ ‫یی‬ ‫ی‬ ‫یییی‬ ‫یی‬ ‫یییی‬ ‫ی‬ ‫ییییی‬B‫یی‬A‫ییی‬ ‫یی‬1.0 ‫یییی‬ ‫ی‬A‫یی‬B‫ییی‬ ‫یی‬3.0‫ییییی‬
  • 220.
    •‫یییییی‬ ‫یییی‬ ‫ی‬‫یی‬ ‫یی‬2.1 ‫ی‬4.1‫یی‬ ‫ی‬ ‫ییی‬ ‫ییییی‬ ‫یی‬ ‫یییی‬ ‫یییییی‬ ‫ی‬ ‫یییی‬ ‫ییییی‬ ‫ی‬ ‫یی‬ ‫ی‬ ‫ی‬ ‫ی‬ ‫یییی‬ ‫یییییی‬ ‫ییی‬ ‫ی‬‫یی‬2.0‫ی‬4.0 ‫یی‬ ‫ی‬ ‫ییییی‬ ‫ییی‬ ‫یییی‬ ‫یییییییی‬ ‫ییی‬ ‫ییییی‬2.0
  • 221.
    •‫ییی‬ ‫یییی‬ ‫ی‬‫ییی‬ ‫ی‬ ‫یی‬ ‫ییی‬ ‫ییییی‬ ‫ی‬ ‫ی‬ ‫ییی‬ ‫یی‬ ‫یییی‬ ‫ییی‬ .‫ییی‬ ‫ییییی‬ ‫ی‬ ‫یی‬ ‫ی‬ ‫ییی‬4.0‫یی‬ ‫ی‬ ‫یییی‬ ‫یی‬ ‫یییی‬ ‫یی‬ ‫یییی‬ ‫یی‬ ‫ییی‬ ‫ییی‬ ‫ییی‬ ‫یی‬ ‫ییییی‬AB‫ییی‬ ‫یی‬ ‫ی‬ ‫ییی‬ ‫ی‬ ‫ی‬ ‫یییی‬ ‫ی‬ ‫یی‬ ‫یییی‬ ‫ییی‬ ‫ییی‬ ‫ییی‬ ‫یییی‬
  • 222.
      •‫یییییی‬ ‫ی‬ ‫ی‬‫ی‬ ‫یییی‬ ‫ییی‬ ‫ییی‬ ‫ی‬ ‫ی‬ ‫ی‬ ‫ییییی‬ ‫یییییی‬ ‫یییییی‬ ‫یییییی‬ 2.1‫ی‬4.1‫ییییی‬ ‫ییییی‬ ‫یی‬ ‫یییی‬ .‫ییییی‬ ‫یی‬ ‫یییی‬P ‫ی‬ ‫یی‬ ‫ی‬ ‫یی‬ ‫ی‬ ‫یی‬14‫یی‬ ‫یی‬ ‫یییییی‬ ‫یییییی‬ ‫یی‬ ‫یییی‬
  • 223.
    •‫یییییی‬1.1‫ی‬3.1‫ییییی‬ ‫ییی‬ ‫ییییی‬ ‫ی‬‫ییی‬ ‫ی‬ ‫ییی‬ ‫یییییی‬ ‫ی‬ ‫یی‬1.0‫ی‬3.0‫یی‬ ‫یییی‬ ‫ی‬‫یییی‬ ‫یی‬ ‫ییی‬ ‫ییی‬ ‫ییییی‬ ‫یی‬A‫یی‬B‫ییی‬ ‫ییییی‬ ‫یی‬ ‫ی‬ ‫یییی‬ ‫یییی‬ ‫یییییی‬ ‫ییییی‬ ‫یی‬ ‫ی‬ ‫ی‬ ‫ی‬
  • 225.
    •‫ییییی‬ ‫ی‬ ‫یییی‬‫ی‬ ‫ی‬ ‫یییی‬ ‫یی‬ ‫ییییی‬ ‫یییییی‬ ‫یی‬ ‫ییی‬ ‫یی‬ ‫ییییی‬ ‫ییییی‬ ‫یییی‬ ‫ییییی‬ ‫یی‬ .‫ییی‬ ‫ییی‬ ‫ی‬ ‫یی‬ ‫ی‬ ‫ییییی‬ ‫یییییی‬ ‫یییییی‬3.1‫ی‬4.1 ‫ییی‬ ‫ییییی‬ ‫ی‬‫یییی‬ ‫یی‬ ‫یی‬
  • 226.
    •‫ییی‬ ‫ی‬ ‫ییی‬‫ییییی‬ ‫ی‬ ‫ی‬ ‫ی‬ ‫ییییییی‬2.0‫ییی‬ ‫یی‬ ‫ییی‬ ‫ییی‬ ‫یی‬ ‫ی‬ ‫ی‬ ‫ییییی‬AA ‫ییی‬ ‫یی‬ ‫ییی‬ ‫ییی‬ ‫یی‬ ‫یییی‬ ‫یی‬ ‫یی‬ ‫ی‬A‫یی‬B‫یییی‬ ‫ییی‬ ‫ییی‬ ‫ی‬ ‫ییییی‬ .‫ییییی‬ ‫ی‬ ‫ییییییی‬1.0‫یی‬ ‫ییی‬ ‫ییی‬ ‫یی‬ ‫یی‬ ‫ییییی‬ ‫ی‬ ‫یی‬
  • 228.
    •‫یییی‬ ‫یی‬ ‫یییی‬‫ییی‬ ‫یی‬ ‫ییییی‬ ‫یی‬ ‫ی‬ ‫یییییی‬ ‫ی‬ ‫یی‬ ‫یییییی‬ ‫ی‬ ‫یی‬ ‫ی‬ ‫ی‬ ‫ی‬ ‫یی‬ ‫ییی‬ .‫ییی‬ ‫ی‬ ‫ی‬ ‫ییییی‬ ‫یی‬ ‫ییی‬ ‫یی‬ ‫یییی‬ ‫ی‬ ‫ی‬ ‫یی‬ ‫ییی‬ ‫ییی‬ ‫یی‬ ‫ییی‬ ‫یییی‬ ‫یییی‬ ‫یی‬ ‫ییی‬ .‫ییی‬ ‫ی‬ ‫ییییی‬ ‫ییی‬ ‫ییی‬ ‫یییییی‬ ‫ی‬ ‫یییی‬
  • 229.
    •‫ییی‬ ‫یییییی‬ ‫ی‬‫ی‬ ‫-ییییی‬ ‫ییی‬ ‫ییی‬‫یی‬ ‫ی‬‫ی‬ ‫ی‬‫یییییی‬ ‫یییی‬ ‫ییییی‬ ‫ی‬ ‫یی‬ ‫ی‬ ‫ی‬ ‫ییی‬ ‫یی‬ ‫ی‬ ‫یییی‬ ‫ییی‬ ‫یییی‬ ‫یی‬ ‫ی‬ ‫ییییییی‬ ‫ییییی‬ ‫یییییی‬ ‫ییی‬ ‫یی‬ ‫ییی‬ ‫ییی‬ ‫یی‬ ‫یییی‬ ‫ی‬ ‫ی‬ ‫یی‬ ‫ی‬ ‫ییی‬ .‫یییی‬
  • 230.
    •‫یییی‬ ‫ییی‬ ‫یییی‬‫ی‬ ‫-یییی‬ .‫یییی‬ ‫یی‬ ‫ییی‬ ‫ییی‬ ‫ییییی‬ •‫یییی‬ ‫ییی‬ ‫ییی‬ ‫-یییییی‬ ‫ییییییییی‬ ‫ی‬ ‫ی‬ ‫ییییی‬ ‫یییی‬ ‫ییییی‬ ‫یییی‬ •‫ییییی‬ ‫ییی‬ ‫ی‬ ‫ی‬ ‫-یییییی‬ ‫ییییییی‬ ‫ی‬ ‫یی‬ ‫ی‬ ‫یی‬ ‫ی‬ ‫یی‬ ‫ییی‬ ‫ییی‬ ‫یی‬ ‫ییی‬ ‫یی‬ ‫یی‬
  • 247.
    ELECTRIC MOTORS &WIRING • 1) Install the power pack so that the warm air blown out by the motors will not enter the motorsagain. The • minimum distance between the wall and the inlet should be approximately a quarter of the inlet opening • diameter. • 2) The electrical wiring of the power pack must be undertaken only by a qualified electrician. Both electric • motors used on the hydraulic pump and cooling fan should be wired in a three phase delta configuration to • provide optimum power unless stated otherwise.
  • 248.
    • 3) Makesure to use the correct cable specifications, based on the rated current stamped on the name plate. • In high altitude applications the motor may be derated. • 4) Before energizing the motors make certain the grounding complies with the recommended standards. • Also ensure the hydraulic tank is full and the pump has been cleared of all air locks.
  • 249.
    • 5) Theelectrician must ensure the direction of rotation of the motors are correct. If the direction of rotation • is reversed the hydraulic pump will be seriously damaged in a very short period of time. Jog the motor to • verify the direction of rotation.
  • 250.
    • 6) Themotors must start up and run smoothly in the correct direction. In case this does not occur, turn it • off immediately and check the connections before re-starting. • 7) Run the motor and check the current at the rated full load*. Compare the power generated hydraulically • to that dissipated in the electric motor and then check it against the maximum current rating stamped on • the name plate of the electric motor. The equation to determine the power available in the hydraulic system • is as follows:
  • 251.
    • HORSE POWER= [FLOW (GPM) x PRESSURE (PSI)] / [1714 x efficiency] • And the power consumed by the electric motor is: • HORSE POWER = 1.73 x LINE VOLTAGE x LINE CURRENT x COS Ø ÷ 746 • Take cos Ø to be 0.8 and pump efficiency at 93%
  • 252.
    • Load Sensing •The load sensing pump is commonly used in the implement and steering systems of mobile equipment. It • is also exclusively used in all stationary boom systems. The pump can be set to run at a pre- set standby • pressure. The pump will, on demand, supply the required pressure.
  • 297.
    297 Applications of Accumulators(1)Applications of Accumulators (1) Several gas bottles serving a single piston accumulator through a gas manifold to provide a large capacity of fluid storage.
  • 298.
    298 Applications of Accumulators(2)Applications of Accumulators (2) Several piston accumulators through a fluid manifold to provide a large capacity of fluid storage.
  • 301.
    301 Power Regeneration DevicesPowerRegeneration Devices -- Stand-by Recharger
  • 316.
    This application ensuresthat as long as the pump is running, a pilot pressure of 520 Pa is available for other circuits even if the main line pressure is lost.
  • 317.
    Pilot Operated C.V. •There are two types: internal and externally drained and they have a significant effect on sizing and application.
  • 319.
    Pilot operated checkvalve, internally drained
  • 323.
    Pilot operated checkvalve, externally drained
  • 327.
    Example of usingpilot checks The following examples show how a pilot operated checkvalve is often used.
  • 350.
    4/3-way proportional valve withelectrical amplifier
  • 351.
    Comparison of switchingvalves and proportional valves • The advantages of proportional valves in comparison with switching • valves has already been explained in sections 1.2 to 1.4 and are • summarised in table 1
  • 353.
    • Comparison ofproportional and servohydraulics • The same functions can be performed with servo valves as those with proportional valves. Thanks to the increased accuracy and speed, servotechnology even has certain advantages. Compared with these, the advantages of proportional hydraulics are the low cost of the system and maintenance requirements:
  • 354.
    • The valvedesign is simpler and more cost-effective. • The overlap of the control slide and powerful proportional solenoids • for the valve actuation increase operational reliability. The need for filtration of the pressure fluid is reduced and the maintenance inter- vals are longer.
  • 355.
    • Servohydraulic drivesfrequently operate within a closed loop circuit. • Drives equipped with proportional valves are usually operated in the form of a contol sequence, thereby obviating the need for measuring systems and controller with proportional hydraulics. This correspon- dingly simplifies system design.
  • 356.
    • Solenoid design •The proportional solenoid is derived from the switching solenoid, as used in electro- hydraulics for the actuation of directional • control valves. The electrical current passes through the coil of the • electro-solenoid and creates a magnetic field.
  • 357.
    • The magneticfield develops a force directed towards the right on to the rotatable armature. • This force can be used to actuate a valve.
  • 358.
    • proportional solenoidhas a differently formed control cone, which consists of non- magnetisable material and influences the pattern of the magnetic field lines.
  • 359.
    Mode of operationof a proportional solenoid • With the correct design of soft magnetic parts and control cone, the following approximate characteristics are obtained: • The force increases in proportion to the current, i.e. a doubling of the current results in twice the force on the armature.
  • 360.
    • The forcedoes not depend on the position of the armature within the operational zone of the proportional solenoid.
  • 362.
    • In aproportional valve, the proportional solenoid acts against a spring, which creates the reset force . • The spring characteristic has been entered in the two characteristic fields of the proportional solenoid. • The further the armature moves to the right, the greater the spring force.
  • 363.
    • With asmall current, the force on the armature is reduced and accordingly, the spring is almost released. • The force applied on the armature increases, if the electrical current is increased. The armature moves to the right and compresses the spring
  • 365.
    Actuation of pressure,flow control and directional control valves • In pressure valves, the spring is fitted between the proportional solenoid and the control cone (fig 2.3a). • With a reduced electrical current, the spring is only slightly pretensioned and the valve readily opens with a low pressure. • The higher the electrical current set through the proportional so lenoid, the greater the force applied on the armature. This moves to the right and the pretensioning of the spring is increased. • The pressure, at which the valve opens, increases in proportion to the pretension force, i.e. in proportion to the armature position and the electrical current.
  • 367.
    Magnetising effects, frictionand flow forces impair the performance of the proportional valve. This leads to the position of the armature not being exactly proportional to the electrical current. A considerable improvement in accuracy may be obtained by means of closed-loop control of the armature position (fig. 2.4).
  • 368.
    The position ofthe armature is measured by means of an inductive measuring system. The measuring signal x is compared with input signal y. The difference between input signal y and measuring signal x is amplified. An electrical current I is generated, which acts on the proportional solenoid.
  • 369.
    • In thecase of reduced electrical current, the spring is only slightly compressed. • The spool is fully to the left and the valve is closed. • With increasing current through the proportional solenoid, the spool is pushed to the right and the valve opening and flow rate increase.
  • 370.
    • The proportionalsolenoid creates a force, which changes the position of the armature in such a way that the difference between input • signal y and measuring signal x is reduced. • The proportional solenoid and the positional transducer form a unit,which is flanged onto the valve.
  • 373.
    • With aproportional pressure valve, the pressure in a hydraulic system can be adjusted via an electrical signal. • Pressure relief valve • Fig. 2.5illustrates a pilot actuated pressure relief valve consisting of a preliminary stage with a poppet valve and a main stage with a control spool. The pressure at port P acts on the pilot control cone via the hole in the control spool. The proportional solenoid exerts the electrically adjustable counterforce.
  • 375.
    Overlap The overlap ofthe control edges influences the flow/signal function. Fig. 3.5clarifies the correlation between overlap and flow/signal function using the examples of a proportional directional control valve: In the case of positive overlap, a reduced electrical current causes a deflection of the control spool, but the flow rate remains zero. This results in a dead zone in the flow/signal function. In the case of zero overlap, the flow/signal function in the low-level signal range is linear. In the case of negative overlap, the flow/signal function in the small valve opening range results in a greater shape.
  • 380.
    In practice, proportionalvalves generally have a positive overlap. This is useful for the following reasons: The leakage in the valve is considerably less in the case of a spool mid- position than with a zero or negative overlap. In the event of power failure, the control spool is moved into mid-position by the spring force (fail-safe position). Only with positive overlap does the valve meet the requirement of closing the consuming ports in this position. The requirements for the finishing accuracy of a control spools and housing are less stringent than that for zero overlap.
  • 381.
    Control edge dimensions Thecontrol edges of the valve spool can be of different form. The following vary (fig. 3.6): shapes of control edges,the number of openings on the periphery, the spool body (solid or drilled sleeve). The drilled sleeve is the easiest and most cost effective to produce.
  • 382.
    Fig. 3.6 Spool withdifferent control edge patterns
  • 383.
    illustrates the flow/signalfunction for two different types of control edge:
  • 384.
    With reduced electricalcurrent, both control edges remain closed due to the positive overlap. The rectangular control edge causes a practically linear pattern of the characteristic curve. The triangular control edge results in a parabolic flow/signal function.
  • 386.
    The remedy forthis is counter pressure via a pressure relief valve. This measure results in a higher pressure in both chambers and cavitation is eliminated. The pressure relief valve is additionally pressurised with the pressure from the other cylinder chamber. This measure causes the opening of the pressure relief valve when the load is accelerated, thereby preventing the counter pressure having any detrimental in this operational status.
  • 387.
    Counter pressure When deceleratingloads, the pressure in the relieved cylinder chamber may drop below the ambient pressure. Air bubbles may be created in the oil as a result of the low pressure and the hydraulic system may be damaged due to cavitation.
  • 388.
    Proportional restrictors andproportional directional control valves are 5.2 Leakage available in the form of spool valves. With spool valves, a slight leak- prevention age occurs in the mid-position, which leads to slow “cylinder creep” with a loaded drive. It is absolutely essential to prevent this gradual creep in many applications, e.g. lifts.
  • 390.
    In the caseof an application, where the load must be maintained free of leakage, the proportional valve is combined with a poppet valve. Fig. 5.5 illustrates a circuit with proportional directional control valve and a piloted, (delockable) non-return valve.
  • 417.
    • A pressurecompensator maintains a constant pressure drop across a metering device regardless of the load induced pressure on the function. There are only two types of compensation methods used in hydraulic flow control functions. These are pre- and post- style compensation. Pre and Post refer to the position of the pressure compensating element relative to the metering element.
  • 438.
  • 439.
  • 440.
  • 441.
  • 442.
    . Oversize-rod intensifier. Intensifiersdo not need relief valves because they stall at maximum pressure.
  • 443.
  • 444.
    Motor-type flow dividerused as an intensifier. At rest with pump running.
  • 445.
  • 446.
  • 447.
  • 448.
    Pressurized Air at50 to 120 PSI. 50120 Exhausting Air. Oil at Low Pressure. Oil at Intensified Pressure.
  • 449.
  • 450.
  • 453.
  • 454.
    •p = 1000psi •A = 10 square inches •F10,000lb •60,000lb
  • 455.
  • 456.
    •)A2( 10)6000lb/sq. in.) x(10 sq. in.) = 60,000 lb
  • 457.
    • •(3inches) x (10square inches) = 30 cubic inches • •= (30cu. in.) / (1/2 sq. in.) = 60 inches = 5 feet
  • 458.